Important: Ce kit ne peut être monté que sur les Groundsmaster e3200 à partir du numéro de série 417500000.
Garez la machine sur une surface plane et horizontale.
Vérifiez que le frein de stationnement est serré.
Coupez le moteur et enlevez la clé de contact.
Tournez le coupe-batterie en position HORS TENSION.
Pièces nécessaires pour cette opération:
| Alarme de recul | 1 |
| Boulon de carrosserie (5/16" x ¾") | 2 |
| Écrou à embase (5/16") | 2 |
| Fixation enfichable | 1 |
| Attache-câble | 1 |
| Support de fixation | 1 |
| Boulon de carrosserie (¼" x ¾") | 2 |
| Écrou à embase (¼") | 2 |
| Faisceau de câblage | 1 |
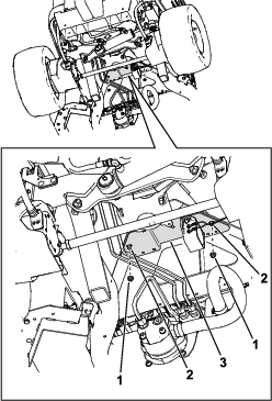
Fixez l'alarme sur le support de fixation à l'aide de 2 boulons de carrosserie ((¼" x ¾") et 2 écrous à embase ((¼") (Figure 1)

Avec les écrous existants sur l'alarme, fixez les cosses à anneau sur l'alarme (Figure 2).

Avec 2 boulons de carrosserie (5/16" x ¾") et 2 écrous à embase (5/16"), fixez le support de fixation au cadre du groupe de déplacement (Figure 3).

Fixez le faisceau de câblage sur le cadre avec un attache-câble et une fixation enfichable (Figure 4).

Soulevez le capot et acheminez la branche du faisceau (Figure 5) vers les connecteurs au-dessus du bouchon du réservoir hydraulique, et reliez-la au connecteur du faisceau de la machine étiqueté DRIVING LIGHT KIT POWER.

Effectuez les opérations suivantes pour vérifier que l'alarme de recul fonctionne.
Tournez le coupe-batterie en position SOUS TENSION.
Asseyez-vous sur le siège du conducteur, bouclez la ceinture de sécurité, démarrez le moteur et appuyez sur le bas de la pédale de déplacement pour faire marche arrière avec la machine.
Vérifiez que vous entendez l'alarme.