Important: Denna sats kan endast monteras på Groundsmaster e3200-maskiner med serienummer 417500000 och högre.
Parkera maskinen på en plan yta.
Säkerställ att parkeringsbromsen är inkopplad.
Stäng av maskinen och ta ut nyckeln.
Vrid batteribortkopplingsbrytaren till det AVSTäNGDA läget.
Delar som behövs till detta steg:
| Backningssignal | 1 |
| Vagnskruv (5/16 x ¾ tum) | 2 |
| Flänsmutter (5/16 tum) | 2 |
| Tryckfästelement | 1 |
| Kabelband | 1 |
| Monteringsfäste | 1 |
| Vagnskruv (¼ x ¾ tum) | 2 |
| Flänsmutter (¼ tum) | 2 |
| Kablage | 1 |
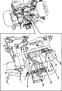
Fäst larmet på monteringsfästet med två vagnsskruvar (¼ x ¾ tum) och två flänsmuttrar (¼ tum) (Figur 1).

Använd de befintliga muttrarna på signalenheten för att fästa kablagets ringkopplingar på signalenheten (Figur 2).

Fäst monteringsfästet på traktorenhetens ram med två vagnsskruvar (5/16 x ¾ tum) och två flänsmuttrar (5/16 tum) (Figur 3).

Använd ett kabelband och ett tryckfästelement för att fästa kablaget på maskinramen (Figur 4).

Höj upp huven och dra kablagets kabel (Figur 5) mot kontakterna ovanför hydraultanklocket och anslut den till maskinens kablagekontakt som är märkt DRIVING LIGHT KIT POWER (ström till ljussats).

Utför följande steg för att säkerställa att backningssignalen fungerar.
Vrid batteribortkopplingsbrytaren till det PåSLAGNA läget.
Sätt dig i förarsätet, fäst säkerhetsbältet, slå på maskinen och tryck ned gaspedalens nederdel för att backa traktorenheten.
Lyssna efter signalljudet.