Important: This kit can be installed to Groundsmaster e3200 machines only with a serial number of 417500000 and up.
Park the machine on a level surface.
Ensure that the parking brake is engaged.
Shut off the machine and remove the key.
Turn the battery-disconnect switch to the OFF position.
Parts needed for this procedure:
| Backup alarm | 1 |
| Carriage bolt (5/16 x 3/4 inch) | 2 |
| Flange nut (5/16 inch) | 2 |
| Push fastener | 1 |
| Cable tie | 1 |
| Mount bracket | 1 |
| Carriage bolt (1/4 x 3/4 inch) | 2 |
| Flange nut (1/4 inch) | 2 |
| Wire harness | 1 |
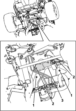
Use 2 carriage bolts (1/4 x 3/4 inch) and 2 flange nuts (1/4 inch) to secure the alarm to the mount bracket (Figure 1).

Use the existing nuts on the alarm to secure the wire-harness ring terminals to the alarm (Figure 2).

Use 2 carriage bolts (5/16 x 3/4 inch) and 2 flange nuts (5/16 inch) to secure the mount bracket to the traction-unit frame (Figure 3).

Use a cable tie and a push fastener to secure the wire harness to the machine frame (Figure 4).

Raise the hood and route the wire-harness leg (Figure 5) toward the connectors above the hydraulic-tank cap and connect it to the machine wire-harness connector labeled DRIVING LIGHT KIT POWER.

Perform the following steps to ensure that the backup alarm is working.
Turn the battery-disconnect switch to the ON position.
Sit in the operator’s seat, fasten the seat belt, turn on the machine, and press the bottom of the traction pedal to move the traction unit in reverse.
Listen for the alarm sound.