| Servisní interval | Postup při údržbě |
|---|---|
| Při každém použití nebo denně |
|
Tato pojezdová sekačka na trávu s rotačními žacími noži je určena pro profesionální poskytovatele služeb. Je určena pro sekání trávy na dobře udržovaných trávnících v rezidenčních či komerčních areálech. Používání tohoto výrobku pro jiné účely, než ke kterým je určen, může být nebezpečné uživateli a přihlížejícím osobám.
Přečtěte si pečlivě následující informace. Dozvíte se, jak správně výrobek používat a jak jej udržovat, jak zabránit poškození výrobku a úrazu při práci s ním. Za řádnou a bezpečnou obsluhu výrobku nesete odpovědnost vy.
Na stránkách www.Toro.com najdete informace o bezpečnosti výrobku, podklady pro zaškolení obsluhy a informace o příslušenství. Můžete zde také vyhledat prodejce výrobků Toro nebo zaregistrovat svůj výrobek.
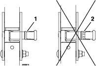
Kdykoli budete potřebovat servis, originální díly Toro nebo doplňující informace, obraťte se na autorizovaného servisního prodejce nebo zákaznický servis Toro a uveďte modelové a sériové číslo svého výrobku. Obrázek 1 znázorňuje umístění modelového a sériového čísla na výrobku. Tyto údaje zapište do příslušného pole.
Important: Potřebujete-li informace o záruce, náhradních dílech a jiné údaje o výrobku, pomocí mobilního telefonu můžete naskenovat QR kód (dle výbavy) na štítku sériového čísla.

Ke zdůraznění informací se v této příručce používají dva výrazy. Důležité upozorňuje na speciální technické informace a Poznámka zdůrazňuje obecné informace, kterým je třeba věnovat zvláštní pozornost.
Výstražný symbol (Obrázek 2) je použit jak v této příručce, tak na stroji, a slouží k označení důležitých bezpečnostních pokynů, které v zájmu předcházení nehodám musíte dodržovat. Tento symbol doprovází slova nebezpečí, výstraha nebo upozornění.
Nebezpečí označuje bezprostředně nebezpečnou situaci, která povede k vážnému zranění nebo smrti, pokud jí nebude zabráněno.
Výstraha označuje potenciálně nebezpečnou situaci, která může vést k vážnému zranění nebo smrti, pokud jí nebude zabráněno.
Upozornění označuje potenciálně nebezpečnou situaci, která může vést k lehkému nebo středně těžkému zranění, pokud jí nebude zabráněno.

Používání nebo provoz motoru v zalesněných, křovinatých nebo travnatých místech bez řádně funkčního a udržovaného lapače jisker (jak je uvedeno v části 4442) nebo motoru, který není vhodným způsobem zkonstruován, vybaven a udržován k zajištění prevence vzniku požáru, je porušením zákona o veřejných zdrojích státu Kalifornie, části 4442 a 4443.
Přiložená uživatelská příručka k motoru obsahuje informace o předpisech pro ochranu životního prostředí USA (EPA) a kontrolu emisí státu Kalifornie pro emisní systémy a informace o údržbě a záruce. Náhradní uživatelskou příručku k motoru je možné objednat u výrobce motoru.
Hrubý nebo čistý točivý moment: Hrubý nebo čistý točivý moment tohoto motoru byl laboratorně stanoven výrobcem motoru v souladu se specifikacemi SAE (Society of Automotive Engineers) J1940 nebo J2723. V souladu s bezpečnostními, emisními a provozními požadavky byl efektivní točivý moment motoru u sekačky této třídy nastaven na výrazně nižší hodnotu. Prostudujte si informace výrobce motoru dodávané se strojem.
CALIFORNIA
Důležité upozornění, poučka 65
Výfukové plyny dieselového motoru mohou podle znalostí státu Kalifornie způsobit rakovinu, vrozené vady a jiná poškození spojená s reprodukčním systémem
Vývody baterie, svorky a související príslušenství obsahují olovo a slouceniny olova, tj. chemikálie, které jsou ve státe Kalifornie známy jako látky škodlivé pro reprodukcní orgány a vyvolávající rakovinu. Po manipulaci s baterií si rádne omyjte ruce.
Používání tohoto výrobku může způsobit vystavení účinkům chemikálií, které jsou státu Kalifornie známy jako karcinogenní, mutagenní nebo reprotoxické.
Tento výrobek může amputovat ruce a nohy a vrhat předměty. Dodržujte vždy všechny bezpečnostní pokyny, abyste zamezili vážnému nebo smrtelnému úrazu.
Před spuštěním motoru si pozorně přečtěte tuto provozní příručku, abyste porozuměli jejímu obsahu.
Přihlížející osoby a děti musí být v dostatečné vzdálenosti.
Nedovolte, aby nezaškolené osoby nebo děti stroj obsluhovaly nebo na něm prováděly údržbu. Stroj mohou obsluhovat nebo opravovat pouze osoby, které jsou zodpovědné, řádně proškolené, obeznámené s pokyny a fyzicky způsobilé.
Ochranný oblouk vždy ponechte ve zcela vztyčené a zajištěné poloze a používejte bezpečnostní pás.
Nepracujte se strojem v blízkosti prudkých srázů, příkopů, náspů, vodních ploch nebo jiných nebezpečných míst nebo na svazích, jejichž sklon překračuje 15°.
Nepřibližujte ruce ani nohy do blízkosti rotujících částí stroje.
Neprovozujte stroj, pokud nejsou všechny jeho kryty, bezpečnostní spínače a jiná ochranná zařízení ve správné poloze nebo pokud tyto prvky nepracují správně.
Než opustíte pozici obsluhy, vypněte motor, vyjměte klíč a počkejte, dokud se nezastaví všechny pohybující se části. Před údržbou, seřizováním, doplňováním paliva, čištěním nebo uskladněním nechejte stroj vychladnout.

![]() |
Bezpečnostní štítky a pokyny jsou umístěny na viditelném místě v blízkosti každého bodu představujícího potenciální nebezpečí. V případě ztráty nebo poškození nahraďte původní štítek novým. |



























Než spustíte motor a začnete se strojem pracovat, seznamte se se všemi ovládacími prvky.

Podrobné informace pro obsluhu o rozhraní, které umožňuje přístup k údajům, resetování počítadel, úpravě nastavení systému a řešení problémů se zařízením naleznete v softwarové příručce.

Informační obrazovka uvádí údaje týkající se provozu stroje. Další informace naleznete v softwarové příručce.
Multifunkční tlačítka jsou umístěna v dolní části panelu. Ikony zobrazené na informační obrazovce nad tlačítky označují aktuální funkci. Tlačítka umožňují volit otáčky motoru a procházet systémovými nabídkami.
Další informace naleznete v softwarové příručce.
Stavová LED kontrolka, umístěná na pravé straně panelu, je vícebarevná a označuje stav systému. Během spuštění se LED kontrolka rozsvítí červeně, oranžově a zeleně, aby se ověřila funkčnost.
Svítí zeleně – signalizuje normální provozní činnost.
Bliká červeně – signalizuje, že došlo k poruše.
Bliká zeleně a oranžově – signalizuje, že je nutné provést resetování spojky.
Další informace naleznete v softwarové příručce.
Pokud dojde k chybě, zobrazí se chybová zpráva, LED kontrolka se rozsvítí červeně a zazní následující zvuková výstraha:
Rychlé přerušované pípání signalizuje kritické chyby.
Pomalé přerušované pípání signalizuje méně kritické chyby, jako je například nutná údržba nebo servisní intervaly.
Note: Akustický signál se krátce rozezní během spouštění, aby se ověřila funkčnost.
Další informace naleznete v softwarové příručce.
Měřič provozních hodin zaznamenává počet hodin provozu stroje. Pracuje při spuštěném motoru. Tyto hodiny použijte k plánování pravidelné údržby (Obrázek 5).
Hodiny se zobrazují na obrazovce Engine-Off (Vypnutý motor) nebo v nabídce Engine Hour Counter (Počítadlo provozních hodin motoru).
Další informace naleznete v softwarové příručce.
Pomocí tohoto přepínače spustíte motor. Přepínač má 3 polohy: STARTOVáNí, PROVOZ a VYPNUTO.
Note: Pokud každý ovládací prvek splňuje režim bezpečného spuštění“, rozsvítí se indikátory LCD (indikátor se například rozsvítí, když sedíte na sedadle).
Note: Řídicí jednotka motoru ovládá žhavicí svíčky při studených startech. Pokud je teplota chladicí kapaliny příliš nízká, zobrazí se na monitoru symbol žhavení a po přepnutí přepínače do polohy STARTOVáNí se startér neuvede do provozu. Žhavicí svíčky se aktivují v poloze ZAPNUTO nebo STARTOVáNí. Jakmile je žhavení aktivní dostatečně dlouho vzhledem k aktuální teplotě, symbol žhavení na monitoru zmizí a po přepnutí do polohy STARTOVáNí se začne startovat motor.
Note: Systém umožňuje spuštění stroje se zapnutým vývodovým hřídelem, ale nezapíná žací nože. Pokud chcete zapnout vývodový hřídel, musíte jej resetovat vypnutím a opětovným zapnutím.
Ovladač škrticí klapky ovládá otáčky motoru; k dispozici jsou 3 nastavení otáček: maximální, efektivní a nízké otáčky.
Další informace naleznete v softwarové příručce.
Ovládací spínač žacích nožů (PTO) připojuje nebo odpojuje pohon žacích nožů (Obrázek 5).
Když je spínač vývodového hřídele vypnutý, na informační obrazovce se zobrazí indikátor LCD.
Note: Stroje vybavené monitorem Horizon Display mají systém pro úsporu spojky, který umožňuje automatické snížení otáček motoru při vypnutí spínače vývodového hřídele. Zapnutím a vypnutím spínače vývodového hřídele se přepíná škrticí klapka motoru mezi režimy SEKáNí a PřEPRAVA.
Note: Systém umožňuje spuštění stroje se zapnutým vývodovým hřídelem, ale nezapíná žací nože. Zapnutí vývodového hřídele vyžaduje vypnutí a opětovné zapnutí spínače vývodového hřídele.
Přepnutím přepínače dozadu plošinu zvednete.
Přepnutím přepínače dopředu plošinu spustíte dolů.
Ovládací páky pojezdu používejte k ovládání pohybu stroje dopředu a dozadu a k zatáčení se strojem (Obrázek 4).
Před opuštěním stroje přesuňte ovládací páky pojezdu směrem ven ze středu do POLOHY ZáMKU NEUTRáLU (Obrázek 22). Jakmile zastavíte stroj nebo jej hodláte ponechat bez dozoru, vždy umístěte ovládací páky pojezdu do POLOHY ZáMKU NEUTRáLU.
Při každém vypnutí motoru zatáhněte parkovací brzdu, aby nedošlo k nežádoucímu pohybu stroje.
| 60palcová plošina | 72palcová plošina |
| 168,2 cm | 198,7 cm |
| Ochranný oblouk nahoře nebo dole | 255,5 cm |
| Ochranný oblouk nahoře | 182,4 cm |
| Ochranný oblouk dole | 129,5 cm |
| Ochranný oblouk nahoře | 182,4 cm |
| Ochranný oblouk dole | 129,5 cm |
| 112 cm |
| 60palcová plošina | 72palcová plošina |
| 84 cm | 84 cm |
| 60palcová plošina | 72palcová plošina |
| 157,2 cm | 157,2 cm |
Pro stroj je k dispozici řada přídavných zařízení a příslušenství schválených společností Toro, která vylepšují a rozšiřují možnosti stroje. Seznam schválených přídavných zařízení a příslušenství můžete získat od svého autorizovaného servisního prodejce nebo distributora Toro nebo na stránkách www.Toro.com.
K zajištění optimální výkonnosti a dodržení požadavků na bezpečnost stroje je nutné používat pouze originální náhradní díly a příslušenství společnosti Toro. Náhradní díly a příslušenství jiných výrobců mohou být nebezpečné a jejich použití může mít za následek zneplatnění záruky.
Note: Levá a pravá strana stroje se určuje z pohledu obsluhy v běžné pracovní pozici.
Nedovolte, aby nezaškolené osoby nebo děti stroj obsluhovaly nebo na něm prováděly údržbu. Věková hranice obsluhy může být omezena místními předpisy. Majitel je zodpovědný za proškolení všech operátorů a mechaniků.
Zkontrolujte prostor, kde budete stroj používat, a odstraňte všechny předměty, jež mohou bránit provozu stroje nebo jež mohou být strojem vymrštěny.
Dobře se seznamte s bezpečným použitím zařízení, ovládacími prvky a významem bezpečnostních nápisů.
Přesvědčte se, zda jsou namontovány kontrolní prvky přítomnosti obsluhy, bezpečnostní spínače a ochranné kryty a zda správně fungují. Stroj nepoužívejte, pokud tyto prvky nefungují správně.
Než opustíte pozici obsluhy, vypněte motor, vyjměte klíč a počkejte, dokud se nezastaví všechny pohybující se části. Před údržbou, seřizováním, doplňováním paliva, čištěním nebo uskladněním nechejte stroj vychladnout.
Před sekáním stroj zkontrolujte a přesvědčte se, zda jsou sestavy žacích jednotek v dobrém provozním stavu.
Podle typu terénu vyhodnoťte, jaké odpovídající výbavy a možných přídavných zařízení bude třeba pro správné a bezpečné použití stroje.
Používejte vhodné oblečení a pomůcky, včetně ochranných brýlí, dlouhých kalhot, pevné protiskluzové obuvi a chráničů sluchu. Svažte si dlouhé vlasy a nenoste volné oděvy či volné šperky.
Nepřevážejte na stroji žádné osoby.
Nedovolte, aby se za provozu ke stroji přibližovaly jiné osoby či zvířata. Pokud do tohoto prostoru vstoupí nějaká osoba, stroj a přídavná zařízení vypněte.
Stroj nepoužívejte, pokud nejsou všechny ochranné kryty a bezpečnostní prvky, jako deflektory, na místě a pokud tyto součásti správně nefungují. V případě potřeby opotřebené nebo poškozené díly vyměňte.
Palivo je extrémně hořlavé a vysoce výbušné. Požár nebo výbuch způsobený palivem může popálit vás i jiné osoby a způsobit škody na majetku.
Aby nedošlo ke vznícení paliva od statického náboje, umístěte před tankováním nádobu s palivem nebo sekačku přímo na zem, nikoli na vozidlo nebo jiný předmět.
Palivo doplňujte do nádrže na rovném povrchu venku na otevřeném prostranství a při studeném motoru. Rozlitý benzin ihned utřete.
Nemanipulujte s palivem v blízkosti otevřeného ohně či jisker nebo když kouříte.
Nikdy neodstraňujte uzávěr nádrže ani nedoplňujte palivo při spuštěném motoru.
Pokud rozlijete palivo, nepokoušejte se spustit motor. Předcházejte tvorbě jisker, dokud se palivové výpary neodpaří.
Palivo skladujte v nádobách schváleného typu a zabraňte dětem v přístupu k takto uskladněnému palivu.
Při polknutí je palivo škodlivé nebo smrtelné. Dlouhodobý styk s výpary může způsobit vážné újmy a nemoci.
Vyhněte se delšímu vdechování výparů.
Rukama a obličejem se nepřibližujte k trysce a otvoru palivové nádrže.
Dávejte pozor, aby palivo nevniklo do očí a nedostalo se do kontaktu s pokožkou.
Neskladujte stroj ani nádobu s palivem v blízkosti otevřeného ohně, zdroje jisker nebo tepla, například u ohřívače vody nebo jiných zařízení.
Nádoby neplňte ve voze nebo na přívěsu či korbě automobilu s plastovým povrchem. Před doplňováním paliva vždy pokládejte nádoby na palivo na zem, stranou od vozidla.
Stroj vyložte z nákladního automobilu nebo přívěsu a palivo doplňte na zemi. Jestliže to není možné, doplňte palivo z přenosného kanystru, nikoli pomocí plnicí pistole.
Nepoužívejte stroj, není-li kompletní výfuková soustava namontována na určeném místě a v bezvadném stavu.
Dotýkejte se plnicí pistolí obruby palivové nádrže nebo hrdla kanystru po celou dobu až do úplného načerpání paliva. Nepoužívejte plnicí pistoli s uzamykatelným adaptérem.
Pokud si potřísníte oděv palivem, neprodleně se převlékněte.
Nádrž nepřeplňujte. Nasaďte uzávěr paliva zpět a pevně jej utáhněte.
V zájmu předcházení vzniku požáru odstraňujte ze žací jednotky, tlumiče výfuku, pohonů a prostoru motoru trávu a jiné nečistoty. Místa potřísněná uniklým olejem nebo palivem vždy očistěte.
Motor využívá čisté, čerstvé dieselové palivo s minimální hodnotou cetanového čísla 40. Aby byla zajištěna čerstvost, nakupujte palivo v takovém množství, aby je bylo možné spotřebovat do 30 dní.
Při teplotách nad -7 °C používejte letní naftu (č. 2-D), při teplotách nižších než -7 °C zimní naftu (č. 1-D nebo směs č. 1-D/2-D). Při použití zimní motorové nafty při nižších teplotách se snižuje bod vzplanutí a bod tuhnutí, takže startování je snazší a klesá riziko chemické separace paliva v důsledku nižších teplot (tvorba vosku, který může zanést filtry).
Použití letní motorové nafty při teplotách nad -7 °C prodlužuje životnost dílů čerpadla.
Important: Nepoužívejte místo nafty petrolej ani benzin. Při nedodržení tohoto upozornění dojde k poškození motoru.
U tohoto stroje lze rovněž použít palivo s podílem bionafty do stupně B20 (20 % bionafty, 80 % motorové nafty). Používejte výhradně motorovou naftu s velmi nízkým obsahem síry.
Dodržujte následující bezpečnostní opatření:
Podíl bionafty v palivu musí odpovídat specifikaci ASTM D6751 nebo EN14214.
Složení směsi paliva musí splňovat normu ASTM D975 nebo EN590.
Směsi s bionaftou mohou poškodit nátěr povrchů.
V chladném počasí používejte směs bionafty B5 (obsah bionafty 5 %) nebo nižšího stupně.
Kontrolujte těsnění, hadice a vložky, které jsou v kontaktu s palivem, jelikož může docházet k jejich postupnému poškození.
Po určité době po přechodu na směs bionafty lze předpokládat ucpání palivového filtru.
Další informace o bionaftě vám poskytne prodejce.
Zaparkujte stroj na rovném povrchu.
Zatáhněte parkovací brzdu.
Vypněte motor a vyjměte klíč ze zapalování.
Očistěte okolí uzávěru palivové nádrže.
Naplňte palivovou nádrž ke spodnímu okraji plnicího hrdla (Obrázek 7).
Note: Neplňte palivovou nádrž až po horní okraj. Tento prázdný prostor v nádrži umožňuje rozpínání paliva.

Každý den před spuštěním stroje proveďte postupy, jež je třeba provádět před každým použitím/každý den a které jsou uvedeny v části .
U nových motorů nějaký čas trvá, než poskytnou maximální výkon. Sekací plošiny a systém pohonu mají vyšší tření, pokud jsou nové, a tím zvyšují zatížení motoru. Nové stroje vyžadují 40 až 50 hodin záběhu, aby mohly pracovat na maximální výkon.
Z důvodu ochrany před úrazem či smrtí v důsledku převrácení ponechte ochranný oblouk zcela vztyčený a zajištěný a používejte bezpečnostní pás.
Sedadlo musí být připevněno ke stroji.
Pokud je ochranný oblouk spuštěný dolů, není stroj chráněn proti převrácení.
Ochranný oblouk spusťte pouze tehdy, je-li to nezbytně nutné.
Když je ochranný oblouk spuštěný, nepoužívejte bezpečnostní pás.
Jeďte pomalu a opatrně.
Ochranný oblouk zvedněte, jakmile to prostor nad vámi umožňuje.
Před jízdou pod jakýmikoli objekty a předměty pečlivě zkontrolujte prostor nad hlavou (např. větve, dveřní vstupy, elektrické vedení) a vyvarujte se kontaktu s nimi.
Important: Když je ochranný oblouk ve vzpřímené poloze, vždy se připoutejte bezpečnostním pásem.
Zvedněte ochranný oblouk do provozní polohy a otočte knoflíky tak, aby se částečně zasunuly do drážek (Obrázek 8).
Tlačte na horní část ochranného oblouku a zvedněte ochranný oblouk do zcela svislé polohy tak, aby kolíky zapadly do správné polohy, když jsou otvory vyrovnány s kolíky (Obrázek 8).
Zatlačením do ochranného oblouku se přesvědčte, zda jsou oba kolíky zasunuty (Obrázek 9).

Jestliže jsou ochranné spínače odpojeny nebo poškozeny, stroj se může za provozu chovat nepředvídatelně a způsobit zranění osob.
S ochrannými spínači bezpečnostního blokování nemanipulujte.
Denně funkci ochranných spínačů kontrolujte a jakýkoli poškozený spínač před použitím stroje vyměňte.
Bezpečnostní blokovací systém je zkonstruován tak, aby znemožnil nastartování motoru, pokud:
Není zatažena parkovací brzda.
Není vypnut ovládací spínač žacích nožů (PTO).
Ovládací páky pojezdu jsou v poloze ZáMKU NEUTRáLU.
Bezpečnostní blokovací systém je také určen k vypnutí motoru, pokud se přesunou ovládací páky pojezdu z POLOHY ZáMKU NEUTRáLU při zatažené parkovací brzdě, nebo pokud se obsluha zvedne ze sedadla při zapnutém vývodovém hřídeli (PTO).
Monitor Horizon Display je vybaven indikátory, jež uživatele upozorní, když je součást systému blokování ve správné poloze. Když je součást ve správné poloze, na obrazovce se rozsvítí indikátor.

| Servisní interval | Postup při údržbě |
|---|---|
| Při každém použití nebo denně |
|
Před každým použitím stroje proveďte zkoušku bezpečnostního blokovacího systému. Pokud bezpečnostní systém nefunguje v souladu s níže uvedeným popisem, nechte bezpečnostní systém okamžitě opravit v autorizovaném servisním středisku.
Posaďte se na sedadlo, zatáhněte parkovací brzdu a ZAPNěTE ovládací spínač žacích nožů (PTO). Zkuste nastartovat motor. Motor se nesmí nastartovat.
Posaďte se na sedadlo, zatáhněte parkovací brzdu a VYPNěTE ovládací spínač žacích nožů (PTO). Přesuňte jednu z ovládacích pák pojezdu z polohy ZáMKU NEUTRáLU. Zkuste nastartovat motor. Motor se nesmí nastartovat. Zopakujte postup pro druhou ovládací páku.
Posaďte se na sedadlo, zatáhněte parkovací brzdu, VYPNěTE ovládací spínač žacích nožů (PTO) a přesuňte ovládací páky pojezdu do polohy ZáMKU NEUTRáLU. Nyní nastartujte motor. Když motor pracuje, uvolněte parkovací brzdu, zapněte ovládací spínač žacích nožů (PTO) a mírně se zvedněte ze sedadla. Motor se musí vypnout.
Posaďte se na sedadlo, zatáhněte parkovací brzdu, VYPNěTE ovládací spínač žacích nožů (PTO) a přesuňte ovládací páky pojezdu do polohy ZáMKU NEUTRáLU. Nyní nastartujte motor. Při spuštěném motoru uveďte jeden z ovládacích prvků pojezdu do střední polohy a posuňte jej (dopředu nebo dozadu); motor se musí vypnout. Tento postup opakujte pro druhý ovládací prvek pojezdu.
Posaďte se na sedadlo, uvolněte parkovací brzdu, VYPNěTE ovládací spínač žacích nožů (PTO) a přesuňte ovládací páky pojezdu do polohy ZáMKU NEUTRáLU. Zkuste nastartovat motor. Motor se nesmí nastartovat.
Sedadlem můžete pohybovat dopředu a dozadu. Jeho polohu si nastavte tak, abyste měli optimální podmínky pro řízení a ovládání stroje a maximální pracovní pohodlí (Obrázek 11).

Chcete-li sedadlo odjistit, zatlačte západku sedadla dopředu (Obrázek 12).

Sedadlo lze seřídit tak, aby umožňovalo plynulou a pohodlnou jízdu. Umístěte sedadlo tak, aby se vám sedělo co nejpohodlněji.
Chcete-li sedadlo nastavit, otočením vpředu umístěného knoflíku požadovaným směrem zvolíte polohu zajišťující maximální pohodlí (Obrázek 13).

Majitel nebo obsluha odpovídá za nehody, jež mohou vést ke zranění osob nebo poškození majetku, a má jim předcházet.
Při práci se strojem buďte maximálně opatrní. Neprovádějte žádné činnosti, jež by odváděly vaši pozornost, neboť byste mohli způsobit zranění nebo poškození majetku.
Stroj neobsluhujte, jste-li nemocní, unavení nebo pod vlivem alkoholu nebo drog.
Při kontaktu s žacím nožem může dojít k vážnému poranění. Před opuštěním místa obsluhy vypněte motor, vyjměte klíč a počkejte, dokud se nezastaví všechny pohybující se součásti. Po otočení klíčku do VYPNUTé polohy se musí vypnout motor a zastavit žací nůž. Pokud se nezastaví, okamžitě přestaňte sekačku používat a kontaktujte autorizovaného servisního prodejce.
Pracujte se strojem jen za dobré viditelnosti a za vhodného počasí. Nepracujte se strojem, pokud hrozí nebezpečí zásahu bleskem.
Nepřibližujte ruce ani nohy k žacím jednotkám. Zdržujte se v bezpečné vzdálenosti od odhazovacího otvoru.
Nikdy nesekejte při jízdě vzad, pokud to není nezbytně nutné. Před rozjetím se strojem vzad se vždy dívejte dolů a za sebe.
Buďte velmi opatrní, blížíte-li se k nepřehledným zatáčkám, křovinám, stromům nebo jiným objektům, které vám mohou bránit ve výhledu.
Vypínejte žací nože pokaždé, když nesečete.
Pokud stroj narazí na tvrdý předmět nebo začne vibrovat, neprodleně vypněte motor, vyjměte klíč (dle výbavy) a počkejte, dokud se nezastaví všechny pohybující se součásti. Teprve poté zkontrolujte rozsah poškození stroje. Před obnovením provozu proveďte všechny nezbytné opravy.
Při zatáčení a jízdě přes silnice nebo chodníky stroj zpomalte a počínejte si opatrně. Vždy dávejte přednost jiným vozidlům.
Před opuštěním pracovní pozice proveďte následující:
Zaparkujte stroj na rovném povrchu.
Vypněte vývodový hřídel a všechna přídavná zařízení spusťte dolů.
Zatáhněte parkovací brzdu.
Vypněte motor a vyjměte klíč ze zapalování.
Počkejte, dokud se nezastaví všechny pohyblivé součásti.
Motor nechejte pracovat jen v dobře větraném prostoru. Výfukové plyny obsahují oxid uhelnatý, který má při vdechnutí smrtelné účinky.
Nikdy nenechávejte stroj se spuštěným motorem bez dozoru.
Tažené zařízení připojujte ke stroji pouze k závěsu.
Stroj nepoužívejte, pokud nejsou všechny ochranné kryty a bezpečnostní prvky, jako deflektory, na místě a pokud tyto součásti správně nefungují. V případě potřeby opotřebené nebo poškozené díly vyměňte.
Používejte pouze příslušenství a přídavná zařízení schválená společností Toro.
Tento stroj je zdrojem hluku překračujícího 85 dBA na místě obsluhy a při dlouhodobém vystavení jeho působení může dojít ke ztrátě sluchu.

V zájmu předcházení vzniku požáru odstraňujte ze žacích jednotek, pohonů, tlumiče výfuku a motoru trávu a nečistoty.
Při startování motoru mějte nohy v bezpečné vzdálenosti od žacích nožů.
Věnujte pozornost směru výhozu sekačky a výhoz nesměrujte na jiné osoby. Vyvarujte se vyhazování materiálu proti zdi nebo jiné překážce. Materiál by se mohl odrazit zpět na obsluhu.
Při přejíždění se strojem přes nezatravněné plochy nebo přepravě stroje z jednoho pracovního prostoru do jiného zastavte žací nože, zpomalte stroj a počínejte si velmi opatrně.
Neměňte otáčky regulátoru motoru a nepřekračujte maximální otáčky motoru.
Stroje a proces sečení děti často přitahují. Nikdy nepředpokládejte, že děti zůstanou tam, kde jste je naposledy viděli.
Děti se musí zdržovat mimo pracovní prostor a musí být pod stálým dohledem jiné zodpovědné dospělé osoby.
Pokud dítě vstoupí do pracovního prostoru, zvyšte pozornost a vypněte stroj.
Před couváním se strojem nebo jeho otáčením se pohledem dolů a kolem sebe ujistěte, že se v blízkosti nenacházejí děti.
Nepřevážejte děti na stroji, a to ani s vypnutými žacími noži. Děti mohou spadnout a vážně se zranit nebo vám znemožnit bezpečné ovládání stroje. Děti, které byly dříve svezeny, se mohou nečekaně objevit v pracovním prostoru. Hrozí tak nebezpečí, že budou při jízdě se strojem vpřed nebo vzad přejety.
Konstrukce ROPS je integrované bezpečnostní zařízení. Žádné ze součástí konstrukce ROPS ze stroje neodstraňujte.
Přesvědčte se, zda jste připoutáni bezpečnostním pásem a zda jste schopni se v případě nouze rychle odpoutat.
Ochranný oblouk udržujte ve zcela zdvižené a zajištěné poloze a vždy, když je ochranný oblouk zdvižený, používejte bezpečnostní pás.
Než podjedete pod převislými předměty, pečlivě je zkontrolujte a nedotýkejte se jich.
Vyměňte poškozené součásti konstrukce ROPS. Nesnažte se je opravovat nebo upravovat.
Pokud je ochranný oblouk spuštěný dolů, není stroj chráněn proti převrácení.
Pokud kola přejedou přes kraje, příkré břehy nebo do vody, hrozí převrácení stroje s následkem vážného zranění či smrti.
Když je ochranný oblouk sklopený, nepoutejte se bezpečnostním pásem.
Ochranný oblouk sklápějte, jen když je to nezbytně nutné, a zvedněte jej, jakmile to prostor dovolí.
V případě převrácení předejte stroj autorizovanému servisnímu prodejci, který provede kontrolu konstrukce ROPS.
Pro konstrukci ROPS používejte pouze příslušenství a přídavná zařízení schválená společností Toro.
Svahy jsou významným faktorem při nehodách způsobených ztrátou kontroly nebo převrácením. Takové nehody mohou vést k vážnému poranění nebo smrti. Při práci na svahu odpovídá za bezpečnost pracovník obsluhy. Při práci se strojem na jakémkoli svahu je třeba dbát zvýšené pozornosti. Před použitím stroje na svahu proveďte následující opatření:
Přečíst si pokyny pro práci ve svahu uvedené v příručce a na stroji a řídit se jimi.
Pomocí ukazatele úhlu určit přibližný sklon povrchu.
Nikdy stroj nepoužívejte na svazích se sklonem větším než 15°.
V konkrétní den vyhodnotit stav pracoviště a určit, zda je svah pro práci se strojem bezpečný. Při provádění tohoto vyhodnocení používejte zdravý rozum a dobré úsudky. Změny v terénu, jako je vlhkost, mohou rychle ovlivnit provoz stroje na svahu.
Nebezpečí vyhodnoťte na úpatí svahu. Nepracujte se strojem v blízkosti prudkých svahů, příkopů, náspů, vodních ploch nebo jiných nebezpečných míst. V případě přejetí kola přes okraj nebo propadnutí okraje se stroj může náhle převrhnout. Stroj je třeba udržovat v bezpečné vzdálenosti (dvojnásobek šířky stroje) od veškerých nebezpečných míst. K sečení trávy v těchto oblastech používejte ručně vedenou sekačku nebo vyžínač.
Na svahu stroj nerozjíždějte, nezastavujte ani jej neotáčejte. Neměňte náhle rychlost ani směr. Zatáčejte pomalu a postupně.
Nepracujte se strojem v podmínkách, kdy nelze zaručit odpovídající trakci, schopnost řízení nebo stabilitu. Uvědomte si, že při práci se strojem na mokré trávě, napříč svahem nebo po svahu dolů může dojít ke ztrátě jeho tahového výkonu. V případě ztráty tahového výkonu hnacích kol hrozí sklouznutí a ztráta brzdného účinku nebo řízení. Stroj se může sesunout, i když jsou hnací kola zastavena.
Odstraňte nebo vyznačte překážky, jako jsou příkopy, díry, vyjeté koleje, hrboly, kameny nebo jiné skryté překážky. Vysoká tráva může překážky skrýt. Stroj se může na nerovném terénu převrhnout.
Při práci s příslušenstvím nebo přídavnými zařízeními buďte velmi opatrní. Tato zařízení totiž mohou mít vliv na stabilitu stroje a způsobit ztrátu kontroly. Dodržujte pokyny pro využití protizávaží.
Je-li to možné, při práci na svahu mějte plošinu spuštěnou u země. Zvednutím plošiny při práci na svahu může dojít k narušení stability stroje.

Při zastavení stroje či ponechání stroje bez dozoru vždy zatáhněte parkovací brzdu.
Zaparkujte stroj na rovném povrchu.


Ovládací spínač žacích nožů (PTO) slouží ke spuštění a zastavení žacích nožů sekačky a veškerých poháněných přídavných zařízení.
Note: Zapnutí ovládacího spínače žacích nožů (PTO) se škrticí klapkou nastavenou na polovinu nebo méně způsobí nadměrné opotřebení hnacích řemenů.


Important: Nepoužívejte startér v rámci jedné operace déle než 5 sekund. Pokud motor nenastartuje, počkejte 15 sekund před dalším pokusem. Pokud tyto pokyny nebudete dodržovat, můžete spálit motorek startéru.
Note: Po doplnění paliva do prázdného palivového systému bude k prvnímu nastartování motoru možná zapotřebí několik pokusů.

Děti nebo okolostojící osoby se mohou zranit, pokud by se pokoušely stroj ponechaný bez dozoru uvést do pohybu nebo obsluhovat.
Pokaždé, když stroj necháte bez dozoru, vytáhněte klíč a zatáhněte parkovací brzdu.


Hnací kola se otáčejí nezávisle, neboť každý hřídel je poháněn hydromotorem. Kolem na jedné straně můžete otáčet dozadu a druhým kolem můžete otáčet dopředu, což zajišťuje otáčení stroje na místě. Tím se značně zvyšuje ovladatelnost stroje, avšak na způsob jeho ovládání si určitou chvíli možná budete muset zvykat.
Ovladačem škrticí klapky je možno regulovat otáčky motoru za minutu (ot/min). Chcete-li zajistit nejvyšší účinnost stroje, posuňte ovladač škrticí klapky do polohy RYCHLý CHOD. Při sekání vždy pracujte se škrticí klapkou v poloze rychlý chod.
Stroj se může otáčet velmi rychle. Můžete nad ním ztratit kontrolu, což může vést ke zranění nebo poškození stroje.
Při zatáčení dbejte opatrnosti.
Před prováděním ostrých otáček zpomalte.
Note: Pokud přesunete ovládání pojezdu při zatažené parkovací brzdě, dojde k vypnutí motoru.
Chcete-li stroj zastavit, přesuňte obě ovládací páky pojezdu do NEUTRáLNí polohy.
Deaktivujte parkovací brzdu.
Přesuňte ovládací páku pojezdu do středové odjištěné polohy.
Chcete-li jet dopředu, pomalu přesuňte ovládací páky pojezdu dopředu (Obrázek 23).

Přesuňte ovládací páku pojezdu do středové odjištěné polohy.
Chcete-li jet vzad, pomalu přesuňte ovládací páky pojezdu dozadu (Obrázek 24).

Výšku sekání můžete změnit v rozsahu od 25 do 140 mm v krocích po 6 mm, a to přemístěním vidlicového čepu do jiných otvorů.
Při spuštěném motoru zatlačte spínač zdvihu sekací plošiny dozadu, dokud se sekací plošina zcela nezvedne, a hned poté spínač uvolněte.
Otočte kolík pro změnu výšky sekání tak, aby byl upínací čep zarovnán s drážkami v otvorech držáku pro nastavení výšky sekání, a kolík vytáhněte (Obrázek 25).
Zasuňte kolík pro změnu výšky sekání do otvoru odpovídajícího požadované výšce sekání (Obrázek 25).
Výšku sekání určíte podle štítku na boční straně desky zvedací plošiny (Obrázek 25).
Pomocí spínače zdvihu sekací plošiny změňte výšku plošiny z přepravní polohy (nebo z výšky sekání 140 mm) do zvolené menší výšky.

Pro dosažení maximálního plavání plošiny instalujte válce o 1 pozici otvoru níže. Válce musí udržovat vzdálenost 6 mm od země. Nenastavujte válce tak, aby podpíraly plošinu.
Zaparkujte stroj na rovném povrchu.
Vypněte ovládací spínač žacích nožů (PTO), přesuňte ovládací páky pojezdu do ZAJIšTěNé NEUTRáLNí polohy a zatáhněte parkovací brzdu.
Před opuštěním místa obsluhy vypněte motor, vytáhněte klíč a počkejte, dokud se nezastaví všechny pohybující se součásti.
Upravte nastavení ochranných válců, viz Obrázek 26 a Obrázek 27.


Přírubovou matici utáhněte na utahovací moment 41 až 47 Nm (30 až 35 ft-lb).
Namontujte kluzné lišty do nižší polohy, pokud používáte výšku sekání větší než 51 mm, nebo do vyšší polohy, pokud používáte výšku sekání menší než 51 mm.
Nastavte kluzné lišty, viz Obrázek 28.

Vývodový hřídel se odpojí, ozve se akustická výstraha a na sloupcovém grafu se zobrazí teplota motoru, když dosáhne stavu přehřátí. Vývodový hřídel se zapne až po vychladnutí motoru a po ručním vypnutí a zapnutí vývodového hřídele.
Note: Pokud je hladina chladicí kapaliny v motoru za studena pod kontrolní ryskou na přepadové nádrži, nemusí ukazatel teploty chladicí kapaliny během provozu poskytovat správné údaje a/nebo se při přehřátí motoru nemusí ozvat akustická výstraha.
Pro získání nejlepších výsledků sečení a maximální cirkulace vzduchu nastavte otáčky motoru do polohy RYCHLý CHOD. Pro správné odvádění posekané trávy je vyžadován vzduch. Výšku sekání tedy nenastavujte do tak nízké polohy, aby sekací plošina byla zcela obklopena neposečenou trávou. Vždy se snažte jednu stranu sekací plošiny vést mimo neposečenou trávu, aby mohl být přiváděn vzduch do sekací plošiny.
Trávu sekejte na větší délku, než je běžné, aby nastavená výška sekání sekací plošiny nezpůsobovala skalpování nerovného povrchu. Obecně platí, že nejvhodnější výška sekání je ta, která byla použita naposledy. Pokud sekáte trávu delší než 15 cm, v zájmu zajištění přijatelné kvality sekání může být vhodné trávu sekat nadvakrát.
Nejlepší je sekat vždy jen asi třetinu výšky travních stébel. Sekání větší délky se nedoporučuje, jestliže tráva není řídká nebo pokud není pozdní podzim, kdy tráva roste pomaleji.
Střídejte směr sekání, abyste udrželi stébla trávy ve vzpřímené poloze. Tím současně napomáháte dobrému rozptylu posekané trávy, což podporuje její rozklad a přechod živin do půdy.
V jednotlivých ročních obdobích roste tráva různou rychlostí. V zájmu zajištění stejné výšky sekání brzy na jaře sekejte častěji. V polovině léta, kdy se růst trávy zpomaluje, sekejte méně častěji. Pokud nemůžete sekat delší dobu, nejprve posekejte s nastavenou vysokou výškou sekání, pak znovu sekejte o 2 dny později s nižším nastavením výšky.
Lepší kvality sekání dosáhnete za určitých podmínek snížením pojezdové rychlosti.
Při sečení nerovného trávníku zvyšte výšku sekání, abyste zabránili skalpování trávníku.
Pokud během sekání musíte zastavit dopředný pohyb stroje, může na váš trávník odpadnout shluk trávy. Abyste tomu zabránili, přejeďte na dříve posekaný prostor se zapnutými noži nebo vypněte sekací plošinu při pohybu vpřed.
Po každém sekání očistěte spodek sekací plošiny od zbytků trávy a ostatních nečistot. Jestliže se v sekací plošině vytvoří usazeniny posekané trávy a zeminy, kvalita sekání se bude postupně snižovat.
Žací nůž udržujte ostrý po celou sezónu, protože pouze ostrý nůž seká čistě a nedochází k trhání či třepení stébel trávy. Trhání a třepení trávy při sekání způsobuje, že travní stébla na řezu hnědnou, což zpomaluje růst trávy a zvyšuje její náchylnost k chorobám. Po každém použití kontrolujte, zda jsou žací nože ostré a nedošlo k jejich opotřebení či poškození. Zabruste veškeré nerovnosti a podle potřeby nože nabruste. Pokud je žací nůž poškozený nebo opotřebený, ihned jej nahraďte originálním žacím nožem Toro.
Než opustíte pozici obsluhy, vypněte motor, vyjměte klíč a počkejte, dokud se nezastaví všechny pohybující se části. Před údržbou, seřizováním, doplňováním paliva, čištěním nebo uskladněním nechejte stroj vychladnout.
V zájmu předcházení vzniku požáru odstraňujte ze žací jednotky, tlumiče výfuku, pohonů a prostoru motoru trávu a jiné nečistoty. Místa potřísněná uniklým olejem nebo palivem vždy očistěte.
Před uskladněním nebo přepravou stroje uzavřete přívod paliva a vyjměte klíč.
Pomocí uvolňovacích ventilů hnacích kol uvolněte hydrostatický pohon, což vám umožní tlačit stroj bez zapnutého motoru.
Otočením každého obtokového ventilu o 1 otáčku proti směru hodinových ručiček systém uvolníte; otočením každého obtokového ventilu ve směru hodinových ručiček systém znovu nastavíte (Obrázek 29).
Important: Příliš neutahujte. Stroj nevlečte.

K přepravě stroje používejte nákladní vůz nebo přívěs se zvýšenou odolností. Použijte nájezdovou plošinu plné šířky. Nákladní vůz nebo přívěs musí být vybaven nezbytnými brzdami, veškerým osvětlením a označením vyžadovaným předpisy. Pečlivě si přečtěte všechny bezpečnostní pokyny. Tyto informace mohou pomoci zabránit vašemu zranění či zranění okolostojících osob. Podrobné informace najdete v nařízeních místních úřadů týkající se požadavků na přívěsy a upevňování tažených vozidel.
Jízda po silnici bez směrových světel, osvětlení, označení odrazovými sklíčky a označení symbolem pomalu jedoucího vozidla je nebezpečná a může vést k nehodám s možným zraněním.
Nejezděte se strojem po veřejné komunikaci nebo silnici.
Nakládání stroje na přívěs nebo nákladní vozidlo zvyšuje možnost převrácení, které může způsobit vážné zranění nebo smrt (Obrázek 30).
Používejte pouze nájezdovou plošinu plné šířky. Nepoužívejte samostatné nájezdové plošiny určené k umístění na každé straně stroje.
Nepřekračujte úhel 15° mezi nájezdovou plošinou a zemí ani mezi plošinou a plochou přívěsu nebo nákladního vozu.
Přesvědčte se, že délka nájezdové plošiny odpovídá alespoň 4násobku vzdálenosti ložné plochy přívěsu nebo nákladního automobilu od země. Tím bude zajištěno, že na rovném povrchu nepřekročí úhel nájezdové plošiny 15 stupňů.

Nakládání stroje na přívěs nebo nákladní vozidlo zvyšuje pravděpodobnost převrácení, které může způsobit vážné zranění nebo smrt.
Při manipulaci se strojem na nájezdové plošině dbejte extrémní opatrnosti.
Na nájezdovou plošinu najíždějte zadní stranou stroje a sjíždějte ji s přední stranou stroje dolů.
Při jízdě se strojem po nájezdové plošině se vyhýbejte prudkému zrychlování nebo zpomalování, neboť tak může dojít ke ztrátě kontroly nad strojem nebo převrácení stroje.
Je-li použit přívěs, připojte jej k vlečnému vozidlu a připevněte bezpečnostní řetězy.
Je-li to možné, připojte brzdy a světla přívěsu.
Snižte nájezdovou plošinu dolů, přičemž dbejte, aby úhel mezi plošinou a zemí nepřekročil 15 stupňů (Obrázek 30).
Na nájezdovou plošinu najíždějte zadní stranou stroje (Obrázek 31).

Vypněte motor, vyjměte klíč a zatáhněte parkovací brzdu.
Upevněte stroj poblíž předních otočných kol a zadního rámu pomocí popruhů, řetězů, lan nebo provazů (Obrázek 32). Postupujte podle směrnic místních úřadů na uvazování strojů.

Jestliže ponecháte klíč ve spínači, může motor kdokoli spustit a způsobit vám nebo přihlížejícím osobám vážné zranění. Před prováděním jakékoli údržby vyjměte klíč ze přepínače.
Před opuštěním pozice obsluhy proveďte následující opatření:
Zaparkujte stroj na rovném povrchu.
Vypněte pohony.
Zatáhněte parkovací brzdu.
Vypněte motor a vyjměte klíč ze zapalování.
Před provedením údržby nechejte vychladnout všechny součásti stroje.
Nedovolte, aby servisní práce na stroji prováděla nezaškolená osoba.
Udržujte ruce a nohy v dostatečné vzdálenosti od pohybujících se částí nebo horkých povrchů. Pokud je to možné, neprovádějte seřizování při běžícím motoru.
Ze součástí, ve kterých je uložena energie, opatrně uvolněte tlak.
Činnost parkovací brzdy často kontrolujte. Podle potřeby ji seřiďte a opravte.
Nikdy neupravujte bezpečnostní zařízení. Pouze pravidelně kontrolujte jejich správnou činnost.
V zájmu předcházení vzniku požáru odstraňujte ze žací jednotky, tlumiče výfuku, pohonů a prostoru motoru trávu a jiné nečistoty.
Vyčistěte rozlitý olej nebo palivo a odstraňte všechny nečistoty nasáklé palivem.
Pokud chcete podepřít zvednutý stroj, nespoléhejte se na hydraulické nebo mechanické zvedáky. Při každém zvednutí stroj podepřete montážními stolicemi.
Udržujte všechny součásti v bezvadném provozním stavu a všechny upevňovací prvky utažené, zejména upevňovací prvky žacích nožů. Nahraďte všechny opotřebené nebo poškozené štítky.
Před opravou stroje odpojte akumulátor. Jako první odpojte zápornou svorku a pak teprve kladnou svorku. Jako první připojte kladnou svorku a pak teprve zápornou svorku.
K zajištění optimální výkonnosti stroje používejte pouze originální náhradní díly a příslušenství společnosti Toro. Náhradní díly a příslušenství jiných výrobců mohou být nebezpečné a jejich použití může mít za následek zneplatnění záruky.
| Servisní interval | Postup při údržbě |
|---|---|
| Po prvních 100 hodinách |
|
| Po prvních 200 hodinách |
|
| Při každém použití nebo denně |
|
| Po každých 50 hodinách provozu |
|
| Po každých 100 hodinách provozu |
|
| Po každých 200 hodinách provozu |
|
| Po každých 400 hodinách provozu |
|
| Po každých 500 hodinách provozu |
|
| Po každých 800 hodinách provozu |
|
| Po každých 2000 hodinách provozu |
|
| Každý měsíc |
|
| Každý rok |
|
Important: Další pokyny k postupům údržby naleznete v uživatelské příručce k motoru.
Jestliže ponecháte klíč v přepínači, může motor kdokoli náhodně spustit a způsobit vám nebo přihlížejícím osobám vážné zranění.
Před prováděním jakékoli údržby vypněte motor a vytáhněte klíč z přepínače.
| Servisní interval | Postup při údržbě |
|---|---|
| Po každých 400 hodinách provozu |
|
| Každý rok |
|
Pokud stroj používáte v extrémně prašném nebo písčitém prostředí, mazání provádějte častěji.
Typ maziva: mazivo č. 2 na bázi lithia nebo molybdenové mazivo
Zaparkujte stroj na rovném povrchu, vypněte ovládací spínač žacích nožů a zatáhněte parkovací brzdu.
Před opuštěním místa obsluhy vypněte motor, vytáhněte klíč a počkejte, dokud se nezastaví všechny pohybující se součásti.
Hadrem očistěte maznice.
Note: Nezapomeňte odstranit případnou barvu z přední strany maznice (maznic).
K maznici připojte mazací pistoli.
Pumpujte mazivo do maznice, dokud nezačne vytékat z ložisek.
Otřete přebytečné mazivo.
Umístění maznic a plán mazání naleznete v následující tabulce.
| Tabulka mazání | |||
|---|---|---|---|
| Umístění maznic | První mazání – počet zdvihů | Počet míst | Servisní interval |
| 1. Vývodový hřídel pohonu plošiny | 1 | 3 | Po každých 50 hodinách |
| 2. Otočné čepy napínací řemenice plošiny | 1 | 1 | Každých 400 hodin nebo jednou ročně |
| 3. Ložiska otočných kol | 0 | 2 | Jednou ročně |
| 4. Otočné čepy otočných kol | 0 | 2 | Každých 400 hodin nebo jednou ročně |
![]() |
| Servisní interval | Postup při údržbě |
|---|---|
| Po každých 50 hodinách provozu |
|
Note: Pro snadnější přístup k U-kloubům pohonu a drážkovanému kluznému kloubu sejměte podlahový panel a zcela spusťte sekací plošinu.
Zaparkujte stroj na rovném povrchu, vypněte ovládací spínač žacích nožů a zatáhněte parkovací brzdu.
Před opuštěním místa obsluhy vypněte motor, vytáhněte klíč a počkejte, dokud se nezastaví všechny pohybující se součásti.
Hadrem očistěte maznice.
K maznici připojte mazací pistoli.
Pumpujte mazivo do maznice, dokud nezačne vytékat z ložisek.
Otřete přebytečné mazivo.

| Servisní interval | Postup při údržbě |
|---|---|
| Po každých 400 hodinách provozu |
|
| Každý rok |
|
Zaparkujte stroj na rovném povrchu, vypněte ovládací spínač žacích nožů a zatáhněte parkovací brzdu.
Před opuštěním místa obsluhy vypněte motor, vytáhněte klíč a počkejte, dokud se nezastaví všechny pohybující se součásti.
Sejměte protiprachový kryt a nastavte čepy otočných kol; protiprachový kryt mějte sejmutý, dokud mazání nedokončíte, viz Nastavení ložiska otočného kola.
Demontujte šestihrannou zátku.
Do otvoru zašroubujte maznici.
Naplňte maznici mazivem, dokud nezačne vytékat z okolí horního ložiska.
Demontujte maznici z otvoru. Namontujte šestihrannou zátku a protiprachový kryt.
| Servisní interval | Postup při údržbě |
|---|---|
| Každý rok |
|
Zaparkujte stroj na rovném povrchu, vypněte ovládací spínač žacích nožů a zatáhněte parkovací brzdu.
Před opuštěním místa obsluhy vypněte motor, vytáhněte klíč a počkejte, dokud se nezastaví všechny pohybující se součásti.
Zvedněte sekačku, abyste mohli zahájit mazání.
Demontujte otočné kolo z vidlice otočného kola.
Sejměte ochranné kryty z náboje kola.

Demontujte distanční matici ze sestavy hřídele v otočném kole.
Note: Distanční matice jsou k hřídeli zajištěny pomocí prostředku na zajištění závitů.
Demontujte hřídel (s druhou distanční maticí stále namontovanou na ní) ze sestavy kola.
Vypačte těsnění a zkontrolujte, zda ložiska nejsou opotřebená nebo poškozená, a v případě potřeby je vyměňte.
Do ložisek aplikujte univerzální mazivo.
Do kola vložte jedno ložisko a jedno nové těsnění.
Pokud na sestavě hřídele chybí obě distanční matice, na jednu z nich naneste prostředek na zajištění závitů a matici našroubujte na hřídel tak, aby plošky pro klíč směřovaly ven.
Note: Distanční matici nešroubujte až na úplný konec hřídele. Od vnějšího povrchu distanční matice ke konci hřídele uvnitř matice ponechejte přibližně 3 mm.
Montážní celek matice a hřídele vložte do kola ze strany s novým těsněním a ložiskem.
Otočte otevřený konec kola směrem nahoru a vyplňte prostor uvnitř kola kolem hřídele univerzálním mazivem.
Do kola vložte druhé ložisko a nové těsnění.
Na druhou distanční matici naneste prostředek na zajištění závitů a našroubujte ji na hřídel tak, aby plošky pro klíč směřovaly ven.
Matici utáhněte na utahovací moment 8 až 9 Nm (75 až 80 in-lb), povolte ji a znovu utáhněte na utahovací moment 2 až 3 Nm (20 až 25 in-lb).
Note: Ujistěte se, že hřídel ze žádné matice nevyčnívá.
Na náboj kola nasaďte ochranné kryty a vložte kolo do vidlice otočného kola.
Namontujte šroub otočného kola a zcela utáhněte matici.
Important: Aby nedošlo k poškození těsnění a ložiska, často kontrolujte seřízení ložiska. Otočným kolem zatočte. Kolo se nesmí volně otáčet (o více než 1 nebo 2 otáčky) ani nesmí mít boční vůli. Pokud se kolo volně otáčí, nastavte utahovací moment na distanční matici tak, aby byl patrný mírný odpor. Naneste další vrstvu prostředku na zajištění závitů.
Nepřibližujte ruce, nohy, obličej, jiné části těla ani oděv k tlumiči ani jiným horkým povrchům. Před prováděním údržby nechejte vychladnout všechny součásti motoru.
Neměňte otáčky regulátoru motoru a nepřekračujte maximální otáčky motoru.
| Servisní interval | Postup při údržbě |
|---|---|
| Po každých 400 hodinách provozu |
|
Zaparkujte stroj na rovném povrchu, vypněte ovládací spínač žacích nožů (PTO) a zatáhněte parkovací brzdu.
Před opuštěním místa obsluhy vypněte motor, vytáhněte klíč a počkejte, dokud se nezastaví všechny pohybující se součásti.
Zkontrolujte, zda není plášť vzduchového filtru poškozen, což by mohlo způsobit únik vzduchu.
Poškozené těleso vzduchového filtru vyměňte.
Zkontrolujte, zda se v sacím systému vzduchu nevyskytují netěsnosti a poškození ani se neuvolňují hadicové svorky.
Po upozornění proveďte údržbu vložky vzduchového filtru a bezpečnostní vložky (Obrázek 35).
Important: Neprovádějte nadměrnou údržbu vzduchového filtru.

Kryt musí být správně usazen a musí těsnit s pláštěm vzduchového filtru.
Note: Pokud se poškodí pěnové těsnění v krytu, vyměňte je.
Important: Nepoužívejte vysokotlaký vzduch, který by mohl nečistoty protlačit přes filtr do sacího systému.
Important: Použitý filtr nečistěte, aby nedošlo k poškození filtračního média.
Important: Nepoužívejte poškozené filtrační vložky.
Important: Netlačte na pružný střed filtru.

| Servisní interval | Postup při údržbě |
|---|---|
| Po prvních 200 hodinách |
|
| Při každém použití nebo denně |
|
| Po každých 200 hodinách provozu |
|
| Po každých 400 hodinách provozu |
|
| Každý rok |
|
Motor je dodáván s olejovou náplní v klikové skříni, avšak před prvním spuštěním motoru a po něm hladinu oleje zkontrolujte. Hladinu oleje kontrolujte každý den před zahájením práce nebo po každém použití stroje.
Objem klikové skříně pro vznětové motory Yanmar o výkonu 25 HP: 4,7 l s filtrem
Objem klikové skříně pro vznětové motory Yanmar o výkonu 37 HP: 6,6 l s filtrem
Preferovaný motorový olej: Toro Premium Engine Oil
Pokud použijete jiný olej, použijte vysoce kvalitní nízkopopelnatý motorový olej, který má následující nebo vyšší specifikace:
kategorie CJ-4 nebo vyšší podle normy API
kategorie E6 podle normy ACEA
kategorie DH-2 podle normy JASO
Important: Při použití motorového oleje s API klasifikací jinou než CJ-4 nebo vyšší, ACEA E6 nebo JASO DH-2 hrozí ucpání filtru pevných částic vznětového motoru nebo poškození motoru.
Používejte motorový olej s následujícím stupněm viskozity:
SAE 10W-30 nebo 5W-30 (všechny teploty)
SAE 15W-40 (nad -17,8 °C)
Note: Motorový olej Toro Premium Engine Oil je k dispozici u místního prodejce. Objednací čísla zjistíte v katalogu náhradních dílů nebo u autorizovaného prodejce společnosti Toro.
Zaparkujte stroj na rovném povrchu, vypněte ovládací spínač žacích nožů (PTO) a zatáhněte parkovací brzdu.
Před opuštěním místa obsluhy vypněte motor, vytáhněte klíč a počkejte, dokud se nezastaví všechny pohybující se součásti.
Otevřete kapotu.
Zkontrolujte hladinu motorového oleje, viz Obrázek 37.

Je-li to možné, těsně před výměnou spusťte motor, protože teplý olej je tekutější a odplaví více nečistot než studený.
Zaparkujte stroj na rovném povrchu, vypněte ovládací spínač žacích nožů (PTO) a zatáhněte parkovací brzdu.
Před opuštěním místa obsluhy vypněte motor, vytáhněte klíč a počkejte, dokud se nezastaví všechny pohybující se součásti.
Otevřete kapotu.
Vyměňte motorový olej, viz Obrázek 38.

Vyměňte filtr motorového oleje, viz Obrázek 39.

Naplňte klikovou skříň olejem; postupujte přitom podle pokynů v částiSpecifikace motorového oleje.
| Servisní interval | Postup při údržbě |
|---|---|
| Po každých 800 hodinách provozu |
|
Zkontrolujte vůli ventilů motoru. Viz příručka k obsluze motoru.
Za určitých podmínek je palivo extrémně hořlavé a vysoce výbušné. Požár nebo výbuch způsobený palivem může popálit vás i jiné osoby a způsobit škody na majetku.
Kompletní seznam bezpečnostních opatření souvisejících s palivem naleznete v části Bezpečnost týkající se paliva.
| Servisní interval | Postup při údržbě |
|---|---|
| Po každých 50 hodinách provozu |
|
Zaparkujte stroj na rovném povrchu, vypněte ovládací spínač žacích nožů a zatáhněte parkovací brzdu.
Před opuštěním místa obsluhy vypněte motor, vytáhněte klíč a počkejte, dokud se nezastaví všechny pohybující se součásti.
Pod odlučovač vody palivového filtru umístěte vypouštěcí nádobu.
Povolte vypouštěcí zátku na odlučovači vody přibližně o 1 otáčku, aby se vypustila voda a jiné nečistoty (Obrázek 40).

Vypouštěcí zátku zavřete, jakmile vytéká pouze motorová nafta.
Important: Voda nebo jiné nečistoty v palivu mohou poškodit palivové čerpadlo a/nebo jiné součásti motoru.
| Servisní interval | Postup při údržbě |
|---|---|
| Po každých 400 hodinách provozu |
|

| Servisní interval | Postup při údržbě |
|---|---|
| Po každých 400 hodinách provozu |
|
Zkontrolujte, zda palivové potrubí není narušené, poškozené nebo odřené a spojky nejsou uvolněné.
Před opravou stroje odpojte akumulátor. Jako první odpojte zápornou svorku a pak teprve kladnou svorku. Jako první připojte kladnou svorku a pak teprve zápornou svorku.
Akumulátor dobíjejte v dobře větraném otevřeném prostoru a v dostatečné vzdálenosti od zdroje jiskření nebo ohně. Před připojením nebo odpojením akumulátoru nejprve odpojte nabíječku. Noste ochranný oděv a používejte izolované nářadí.
Elektrolyt akumulátoru obsahuje kyselinu sírovou, která je v případě požití smrtelně jedovatá a může způsobit vážné popáleniny.
Elektrolyt nepijte a dbejte na to, aby nepřišel do styku s pokožkou a očima a nepotřísnil oděv. Chraňte si oči brýlemi a ruce gumovými rukavicemi.
Vývody baterie nebo kovové nástroje by mohly způsobit zkrat proti kovovým součástem stroje a způsobit jiskření. Jiskry by mohly zapříčinit explozi plynů z akumulátoru a následné zranění osob.
Při vyjímání nebo montáži akumulátoru dbejte na to, aby se vývody akumulátoru nedotýkaly žádných kovových částí stroje.
Dejte pozor, abyste kovovým nástrojem nezkratovali vývody akumulátoru proti kovovým částem stroje.
Nesprávné vedení kabelů akumulátoru by mohlo způsobit poškození stroje a kabely by mohly zapříčinit jiskření. Jiskry mohou vyvolat explozi plynů z akumulátoru a způsobit následné zranění osob.
Vždy odpojujte nejprve záporný (černý) kabel akumulátoru a teprve potom kladný (červený) kabel akumulátoru.
Vždy připojujte nejdříve kladný (červený) kabel akumulátoru a potom záporný (černý) kabel.
Vypněte ovládací spínač žacích nožů (PTO), přesuňte ovládací páky pojezdu do ZAJIšTěNé NEUTRáLNí polohy a zatáhněte parkovací brzdu.
Před opuštěním místa obsluhy vypněte motor, vytáhněte klíč a počkejte, dokud se nezastaví všechny pohybující se součásti.
Odjistěte sedadlo a vyklopte je nahoru.
Demontujte akumulátor, viz Obrázek 42.

Note: Umístěte akumulátor do přihrádky tak, aby vývody byly na opačné straně, než je nádrž hydraulické kapaliny.

| Servisní interval | Postup při údržbě |
|---|---|
| Každý měsíc |
|
Při nabíjení akumulátoru vznikají plyny, které mohou explodovat.
V blízkosti akumulátoru nikdy nekuřte a neuchovávejte akumulátor v blízkosti jisker a otevřeného ohně.
Important: Akumulátor vždy udržujte v plně nabitém stavu (při specifické hustotě elektrolytu 1,265). Toto je obzvláště důležité proto, aby nedošlo k poškození akumulátoru při teplotě nižší než 0 °C.
Dbejte na to, aby na akumulátoru byly namontovány uzávěry plnicích otvorů. Nabíjejte akumulátor 10 až 15 minut proudem o hodnotě 25 až 30 A nebo 30 minut proudem o hodnotě 10 A.
Jakmile bude akumulátor zcela nabitý, odpojte nabíječku od elektrické zásuvky a potom kabely nabíječky od vývodů akumulátoru (Obrázek 44).
Namontujte akumulátor do stroje a připojte kabely akumulátoru, viz Montáž akumulátoru.
Note: Nespouštějte motor stroje bez připojeného akumulátoru, došlo by tím k poškození elektrických obvodů.

Elektrický systém je chráněn pojistkami Nevyžaduje žádnou údržbu. Pokud se však spálí pojistka, přesvědčte se, zda není poškozena některá součást nebo obvod či zda nedošlo ke zkratu.
Uvolněte západku kapoty motoru a zvedněte kapotu motoru, abyste získali přístup k bloku pojistek.
Chcete-li pojistky vyměnit, vyjměte je vytažením.
Nainstalujte novou pojistku (Obrázek 45).

| Servisní interval | Postup při údržbě |
|---|---|
| Při každém použití nebo denně |
|
Přesvědčte se, zda není opotřebený či pořezaný bezpečnostní pás a zda správně pracuje navíječ a přezka. Je-li bezpečnostní pás poškozený, vyměňte jej.
Vypněte ovládací spínač žacích nožů (PTO).
Najeďte na otevřenou rovnou plochu a přesuňte ovládací páky pojezdu do polohy ZáMKU NEUTRáLU.
Přesuňte ovladač škrticí klapky doprostřed mezi polohy RYCHLý CHOD a POMALý CHOD.
Obě ovládací páky pojezdu posuňte zcela dopředu až na zarážky v T-drážce.
Sledujte, jakým směrem se stroj pohybuje.
Zatáhněte parkovací brzdu, vypněte motor a vytáhněte klíč.
Podle potřeby upravte dorazové desky.
Pokud má stroj tendenci zatáčet doprava, povolte šrouby a nastavte levou dorazovou desku na levé T-drážce dozadu tak, aby stroj udržoval přímý směr jízdy (Obrázek 46).
Pokud má stroj tendenci zatáčet doleva, povolte šrouby a nastavte pravou dorazovou desku na pravé T-drážce dozadu tak, aby stroj udržoval přímý směr jízdy (Obrázek 46).
Dorazovou desku utáhněte (Obrázek 46).

Vyrovnejte páky v předozadní poloze tak, že je obě přesunete do NEUTRáLNí polohy a budete je posouvat, dokud se nevyrovnají; poté utáhněte šrouby (Obrázek 47).

Pokud je nutné seřízení, povolte 2 montážní šrouby ovládací páky pojezdu na špatně seřízené straně (Obrázek 48).

Přesuňte ovládací páku pojezdu tak, aby se setkala s opačnou stranou.
Utáhněte 2 montážní šrouby ovládací páky pojezdu (Obrázek 48).
| Servisní interval | Postup při údržbě |
|---|---|
| Po každých 50 hodinách provozu |
|
Tlak vzduchu v zadních pneumatikách: 1,24 bar (124 kPa).
Note: Pneumatiky otočných kol jsou polopneumatické a nevyžadují úpravu tlaku vzduchu.
Při nízkém tlaku v pneumatikách se snižuje stabilita stroje ve svahu. V takovém případě hrozí převrácení stroje, které může způsobit zranění či smrt.
Udržujte pneumatiky dostatečně nahuštěné.
Zkontrolujte tlak vzduchu v zadních pneumatikách. Upravte tlak v pneumatikách podle specifikací pro huštění pneumatik.
Important: Ve všech pneumatikách udržujte odpovídající tlak; zajistíte tak kvalitní sekání a správnou činnost stroje.Před použitím stroje zkontrolujte tlak vzduchu ve všech pneumatikách.

| Servisní interval | Postup při údržbě |
|---|---|
| Po prvních 100 hodinách |
|
Upevňovací matice kol utáhněte na utahovací moment 115 až 142 N (85 až 105 ft-lb).
| Servisní interval | Postup při údržbě |
|---|---|
| Po každých 500 hodinách provozu |
|
Zaparkujte stroj na rovném povrchu, vypněte ovládací spínač žacích nožů a zatáhněte parkovací brzdu.
Před opuštěním místa obsluhy vypněte motor, vytáhněte klíč a počkejte, dokud se nezastaví všechny pohybující se součásti.
Odstraňte protiprachový kryt z otočného kola a utáhněte pojistnou matici (Obrázek 50).
Utáhněte pojistnou matici natolik, aby se pérové podložky zploštily, potom povolením o ¼ otáčky správně nastavte předpětí ložisek (Obrázek 50).
Important: Ujistěte se, že jsou pérové podložky správně nainstalovány, viz Obrázek 50.
Nasaďte protiprachový kryt (Obrázek 50).

| Servisní interval | Postup při údržbě |
|---|---|
| Po každých 50 hodinách provozu |
|
Používejte syntetický převodový olej SAE 75W-90.
Zaparkujte stroj na rovném povrchu a zatáhněte parkovací brzdu.
Spusťte sekací plošinu na výšku sekání 25 mm.
Než opustíte pracovní pozici, vypněte ovládací spínač žacích nožů, vypněte motor, vyjměte klíč a počkejte, dokud se nezastaví všechny pohybující se části.
Zvedněte nožní opěrku a odkryjte horní část sekací plošiny.
Vyjměte měrku/zátku plnicího otvoru z horní části převodovky a zkontrolujte, zda je hladina oleje mezi značkami na měrce (Obrázek 51).

Pokud je hladina oleje nízká, doplňte dostatek oleje tak, aby se jeho hladina nacházela mezi značkami na měrce.
Important: Převodovku nepřeplňte, neboť by mohlo dojít k jejímu poškození.
| Servisní interval | Postup při údržbě |
|---|---|
| Po prvních 200 hodinách |
|
| Po každých 400 hodinách provozu |
|
Pokud je olej znečištěný, obraťte se na prodejce Toro a požádejte o vypláchnutí systému. Znečištěný olej má ve srovnání s čistým olejem mléčnou nebo černou barvu.
Zaparkujte stroj na rovném povrchu a zatáhněte parkovací brzdu.
Spusťte sekací plošinu na výšku sekání 25 mm.
Než opustíte pracovní pozici, vypněte ovládací spínač žacích nožů, vypněte motor, vyjměte klíč a počkejte, dokud se nezastaví všechny pohybující se části.
Zvedněte nožní opěrku a odkryjte horní část sekací plošiny.
Vyjměte měrku/zátku plnicího otvoru z horní části převodovky a zkontrolujte, zda je hladina oleje mezi značkami na měrce (Obrázek 51).
Odsajte olej plnicím otvorem pomocí podtlakového zařízení nebo demontujte převodovku z plošiny a olej vylijte do vypouštěcí nádoby.
Namontujte převodovku (pokud byla demontována za účelem vyprázdnění).
Doplňte přibližně 420 ml oleje, aby hladina byla mezi značkami na měrce.
Important: Převodovku nepřeplňte, neboť by mohlo dojít k jejímu poškození.
Při požití chladicí kapaliny motoru hrozí otrava; uchovávejte mimo dosah dětí a zvířat.
Vypuštění horké chladicí kapaliny pod tlakem nebo kontakt s horkým chladičem a okolními částmi mohou způsobit vážná popálení.
Před otevřením uzávěru chladiče nechejte motor vychladnout po dobu alespoň 15 minut.
Při otevírání uzávěru chladiče použijte hadr a uzávěr otevírejte pomalu, aby mohla uniknout pára.
| Servisní interval | Postup při údržbě |
|---|---|
| Při každém použití nebo denně |
|
Specifikace chladicí kapaliny: roztok vody a celoroční etylenglykolové nemrznoucí kapaliny v poměru 50/50.
Objem chladicího systému: 7,6 l
Zaparkujte stroj na rovném povrchu, vypněte ovládací spínač žacích nožů a zatáhněte parkovací brzdu.
Před opuštěním místa obsluhy vypněte motor, vytáhněte klíč a počkejte, dokud se nezastaví všechny pohybující se součásti.
Otevřete kapotu.
Zkontrolujte hladinu chladicí kapaliny v expanzní nádrži (Obrázek 52).
Note: Hladina chladicí kapaliny musí být mezi značkami na boku nádrže.

Pokud je hladina chladicí kapaliny nízká, sejměte uzávěr expanzní nádrže a doplňte předepsanou chladicí kapalinu (Obrázek 52).
Important: Nádrž nepřeplňujte.
Nasaďte uzávěr expanzní nádrže.
Zavřete kapotu.
| Servisní interval | Postup při údržbě |
|---|---|
| Po každých 50 hodinách provozu |
|
Vyčištěním chladiče předejdete přehřívání motoru.
Note: Pokud se sekací plošina nebo motor v důsledku přehřátí vypnou, zkontrolujte, zda se na chladiči nenahromadilo nadměrné množství nečistot.
Zaparkujte stroj na rovném povrchu, vypněte ovládací spínač žacích nožů a zatáhněte parkovací brzdu.
Před opuštěním místa obsluhy vypněte motor, vytáhněte klíč a počkejte, dokud se nezastaví všechny pohybující se součásti.
Otočte kapotu dopředu.
Pomocí stlačeného vzduchu vyfoukejte nečistoty uvízlé mezi žebry celého chladiče, a to ve směru shora dolů i zdola nahoru.
Pokud se nečistoty neodstraní, může být nutné použít vodu z nízkotlaké hadice.
Pokud je chladič čistý, přejděte ke kroku 7.
Zakryjte motor kusem kartonu nebo plastové fólie. Stříkejte vodu přes žebra. Profoukněte nízkotlakým vzduchem z obou směrů.
Note: Pokud se nečistoty neodstraní, opakujte postup, dokud nebude chladič čistý.
Sklopte kapotu.
Nastartujte motor, abyste se ujistili, že ventilátor správně funguje.
| Servisní interval | Postup při údržbě |
|---|---|
| Po každých 2000 hodinách provozu |
|
Zaparkujte stroj na rovném povrchu, vypněte ovládací spínač žacích nožů a zatáhněte parkovací brzdu.
Před opuštěním místa obsluhy vypněte motor, vytáhněte klíč a počkejte, dokud se nezastaví všechny pohybující se součásti.
Otočte kapotu dopředu.
Vypusťte chladicí kapalinu, až bude motor studený.
Sejměte uzávěr chladiče, pod chladič umístěte nádobu a vyšroubujte vypouštěcí zátku na spodní straně chladiče.
Odpojte hadici chladicí kapaliny od chladiče oleje a vypusťte chladicí kapalinu z bloku motoru (Obrázek 53).

Namontujte vypouštěcí zátky a hadice.
Naplňte chladič směsí vody a etylenglykolu v poměru 50/50.
Note: Doporučuje se používat chladicí kapalinu Havoline® Xtended Life.
Ponechte určitou rezervu (přibližně 12,7 mm) pro expanzi. Do přepadové nádrže na levé straně motoru doplňte směs chladicí kapaliny v poměru 50/50 podle potřeby tak, aby hladina dosáhla indikační čáry na nádrži.
Nastartujte motor a nechejte jej pracovat, dokud se neotevře termostat motoru a chladicí kapalina nebude cirkulovat tělesem chladiče.
Jakmile se z bloku motoru odvede vzduch a hladina chladicí kapaliny klesne, doplňte do chladiče další chladicí kapalinu.
Když je chladič zcela plný a další chladicí kapalinu již nelze doplnit, nechejte motor nadále pracovat a nasaďte uzávěr chladiče.
Ujistěte se, že je uzávěr zcela usazen, a to tak, že jej pevně stlačíte a otočíte až nadoraz. Po nasazení uzávěru vypněte motor.
| Servisní interval | Postup při údržbě |
|---|---|
| Po prvních 100 hodinách |
|
| Po každých 400 hodinách provozu |
|
Zkontrolujte správné nastavení parkovací brzdy. Tento postup proveďte také při každé demontáži nebo výměně některé ze součástí brzd.
Zaparkujte stroj na rovném povrchu, vypněte ovládací spínač žacích nožů a zatáhněte parkovací brzdu.
Před opuštěním místa obsluhy vypněte motor, vytáhněte klíč a počkejte, dokud se nezastaví všechny pohybující se součásti.
Zvedněte zadní část stroje a podepřete ji montážními stolicemi.
Demontujte ze stroje zadní kola.
Odstraňte všechny nečistoty z prostoru brzd.
Uvolněte hnací kola, viz Použití uvolňovacích ventilů hnacích kol.
Změřte délku montážního celku táhla (Obrázek 54).
Note: Pokud je montážní celek táhla připevněn v přední poloze, bude nastavena délka 219 mm, pokud je připevněn v zadní poloze, bude nastavena délka 232 mm.

Změřte délku pružiny (Obrázek 54).
Note: Vzdálenost musí být 95 mm.
Po dosažení správné délky pružiny zkontrolujte, zda je mezi otočným čepem a ramenem viditelná mezera.
Uvolněte parkovací brzdu a ručně otáčejte nábojem kola v obou směrech.
Note: Náboj kola se musí volně otáčet.
Pokud je potřeba nastavit mezeru nebo se náboj kola volně neotáčí, postupujte následovně:
Deaktivujte parkovací brzdu.
Odpojte a jemně seřiďte montážní celek zadního táhla.
Zkrácením táhla vytvořte mezeru.
Prodloužením táhla umožněte otáčení náboje kola.
Připojte montážní celek zadního táhla.
Zatáhněte parkovací brzdu a zkontrolujte mezeru.
Opakujte kroky 10 až 12, abyste dosáhli viditelné mezery a volného otáčení náboje kola. Opakujte tento postup na druhé straně.
Note: Pokud je brzda v uvolněné poloze, musí být zcela uvolněná.
Otočte uvolňovací rukojeť hnacího kola do provozní polohy, viz Použití uvolňovacích ventilů hnacích kol.
Namontujte zadní pneumatiky a utáhněte upevňovací matice na utahovací moment 115 až 142 Nm (85 až 105 ft-lb).
Odstraňte montážní stolice.
| Servisní interval | Postup při údržbě |
|---|---|
| Po každých 50 hodinách provozu |
|
Je-li řemen opotřebený, vyměňte jej. Mezi známky opotřebení řemenu patří pískání při otáčení řemenu; při sečení trávy se sklouzávají žací nože; roztřepené hrany, stopy po spálení a praskliny na řemenu.
Pískavé zvuky při otáčení řemene, prokluzování žacích nožů při sekání trávy, roztřepené okraje řemene, známky spálení a praskliny jsou známkou opotřebeného řemene sekačky. Pokud zjistíte některý z uvedených stavů, řemen vyměňte.
Zaparkujte stroj na rovném povrchu, vypněte ovládací spínač žacích nožů a zatáhněte parkovací brzdu.
Před opuštěním místa obsluhy vypněte motor, vytáhněte klíč a počkejte, dokud se nezastaví všechny pohybující se součásti.
Snižte sekačku na výšku sekání 76 mm.
Demontujte kryty řemenů.
Pomocí ráčny zasunuté ve čtvercovém otvoru v ramenu napínací řemenice uvolněte napnutí napínací pružiny (Obrázek 55).
Sejměte řemen z řemenice sekací plošiny.
Na řemenice sekačky nasaďte nový řemen (Obrázek 55).

Ujistěte se, že jsou konce pružin usazeny v kotevních drážkách, a pomocí ráčny vsazené ve čtvercovém otvoru nasaďte řemen na napínací řemenici (Obrázek 55).
Nasaďte kryty řemenů.
| Servisní interval | Postup při údržbě |
|---|---|
| Po každých 100 hodinách provozu |
|
Středovou část řemene alternátoru mezi řemenicemi zatižte silou 44 N.
Pokud se neprohne o 10 mm, povolte montážní šrouby alternátoru (Obrázek 56).

Zvyšte nebo snižte napnutí řemene alternátoru.
Dotáhněte upevňovací šrouby.
Zkontrolujte znovu správné prohnutí řemene.
Pro ovládací páky jsou k dispozici 2 výškové polohy: vysoká a nízká. Demontujte šrouby a nastavte výšku vhodnou pro obsluhu.
Zaparkujte stroj na rovném povrchu, vypněte ovládací spínač žacích nožů (PTO) a zatáhněte parkovací brzdu.
Před opuštěním místa obsluhy vypněte motor, vytáhněte klíč a počkejte, dokud se nezastaví všechny pohybující se součásti.
Povolte šrouby a přírubové matice v pákách (Obrázek 57).
Vyrovnejte páky v předozadní poloze tak, že je obě přesunete do NEUTRáLNí polohy a budete je posouvat, dokud se nevyrovnají; poté utáhněte šrouby (Obrázek 58).


Pokud konce pák do sebe naráží, viz Seřízení ovládacích táhel pojezdu.
Postup zopakujte, potřebujete-li nastavit ovládací páky.
Ovládací táhla čerpadla se nacházejí na obou stranách stroje pod sedadlem. Otáčením koncové matice pomocí dlouhého nástrčného klíče ½" lze jemně seřídit nastavení tak, aby se stroj nepohyboval v neutrální poloze. Veškerá nastavení je třeba provádět pouze pro neutrální polohu.
Chcete-li nastavit ovládání pojezdu, musíte spustit motor a otáčet hnacími koly. Kontakt s pohyblivými částmi nebo horkým povrchem může způsobit zranění.
Udržujte prsty, ruce a oděv v bezpečné vzdálenosti od rotujících součástí a horkých povrchů.
Zaparkujte stroj na rovném povrchu, vypněte ovládací spínač žacích nožů (PTO) a zatáhněte parkovací brzdu.
Před opuštěním místa obsluhy vypněte motor, vytáhněte klíč a počkejte, dokud se nezastaví všechny pohybující se součásti.
Sešlápněte pedál zvedání plošiny, vyjměte kolík pro změnu výšky sekání a snižte sekací plošinu na zem.
Zvedněte zadní část stroje a podepřete ji montážními stolicemi (nebo jinými vhodnými podpěrami) jen v takové výšce, aby se mohla volně otáčet hnací kola.
Odpojte elektrický přípoj od bezpečnostního spínače sedadla pod sedákem sedadla.
Note: Spínač je součástí sestavy sedadla.
Dočasně připojte propojovací vodič přes kontakty v konektoru hlavního kabelového svazku.
Nastartujte motor, nastavte škrticí klapku do polohy maximálních otáček a uvolněte parkovací brzdu.
Note: Před nastartováním motoru se ujistěte, že je zatažena parkovací brzda a že jsou ve vysunuté poloze ovládací páky pojezdu. Nemusíte být posazeni na sedadle.
Nechejte stroj pracovat alespoň 5 minut s ovládacími pákami v poloze jízdy vpřed maximální rychlostí, abyste zahřáli hydraulickou kapalinu na provozní teplotu.
Note: Ovládací páky pojezdu musejí být při provádění jakéhokoli seřízení v neutrální poloze.
Přesuňte ovládací páky pojezdu do NEUTRáLNí polohy.
Seřiďte délku ovládacího táhla čerpadla otáčením dvojitých matic na táhle příslušným směrem, dokud se kola nezačnou pomalu otáčet dozadu (Obrázek 59).

Přesuňte ovládací páky pojezdu do polohy jízdy DOZADU, mírně tlačte na páku a umožněte, aby pružiny indikátoru zpátečky vrátily páky zpět do neutrální polohy.
Note: Kola se musejí přestat otáčet nebo se mohou pomalu otáčet dozadu.
Vypněte stroj.
Odstraňte propojovací vodič z kabelového svazku a zapojte konektor do spínače sedadla.
Odstraňte montážní stolice.
Zvedněte plošinu a namontujte kolík pro změnu výšky sekání.
Při zařazeném neutrálu a uvolněné parkovací brzdě se přesvědčte, že se stroj nepohybuje.
Nastavením horního upevňovacího šroubu tlumiče můžete nastavit požadovaný odpor ovládací páky pojezdu. Možnosti montáže naleznete v části Obrázek 60.

Pokud kapalina pronikne kůží, vyhledejte okamžitě lékařskou pomoc. Vstříknutou kapalinu musí lékař chirurgicky odstranit do několika hodin.
Před natlakováním hydraulické soustavy zkontrolujte bezvadný stav všech hydraulických hadic a potrubí a utažení všech hydraulických spojek a přípojek.
Nepřibližujte tělo a ruce k netěsnícím místům nebo tryskám, ze kterých uniká hydraulická kapalina pod vysokým tlakem.
K nalezení úniků hydraulické kapaliny použijte karton nebo papír.
Před prováděním jakékoli práce na hydraulické soustavě bezpečně uvolněte tlak v této soustavě.
Objem hydraulické nádrže: 15,1 l
Doporučená kapalina: Toro Premium Transmission/Hydraulic Tractor Fluid (k dispozici v 19litrových kbelících nebo 208litrových sudech. Objednací čísla zjistíte v katalogu náhradních dílů nebo u autorizovaného prodejce společnosti Toro).
Alternativní kapaliny: Pokud není kapalina Toro k dispozici, lze použít hydraulickou kapalinu Mobil® 424.
Note: Společnost Toro nepřebírá zodpovědnost za poškození způsobené použitím nevhodné kapaliny.
Note: Mnohé hydraulické kapaliny jsou téměř bezbarvé, takže je obtížné lokalizovat netěsnosti. Pro hydraulickou kapalinu je k dispozici přísada s červeným barvivem v lahvičkách o objemu 20 ml. Jedna lahvička dostačuje na 15 až 22 l hydraulické kapaliny. Opatřete si díl s objednacím číslem 44-2500 od autorizovaného prodejce Toro.
| Servisní interval | Postup při údržbě |
|---|---|
| Při každém použití nebo denně |
|
Zkontrolujte hladinu hydraulické kapaliny před prvním nastartováním motoru a poté každý den.
Zaparkujte stroj na rovném povrchu, vypněte ovládací spínač žacích nožů a zatáhněte parkovací brzdu.
Přesuňte ovládací páky pojezdu do NEUTRáLNí ZAJIšTěNé polohy a nastartujte motor.
Note: Nechejte motor pracovat při nejnižších možných otáčkách, aby se ze systému odvedl veškerý vzduch.
Important: Nezapínejte pohon žacích nožů.
Zvedněte plošinu, aby se vysunuly válce zdvihu, vypněte motor a vytáhněte klíč.
Zvedněte sedadlo, abyste získali přístup k nádrži hydraulické kapaliny.
Sejměte uzávěr nádrže hydraulické kapaliny (Obrázek 61).

Vytáhněte měrku a otřete ji čistým hadrem (Obrázek 61).
Zasuňte měrku do plnicího hrdla, vytáhněte ji a zkontrolujte hladinu kapaliny (Obrázek 62).
Note: Pokud se hladina nepohybuje v rozsahu vyznačeném na měrce, doplňte dostatečné množství kvalitní hydraulické kapaliny, aby hladina dosáhla vyznačené oblasti.
Important: Nádrž nepřeplňujte.

Vraťte měrku a našroubujte uzávěr silou prstů na plnicí otvor.
Zkontrolujte těsnost všech hadic a spojek.
| Servisní interval | Postup při údržbě |
|---|---|
| Po prvních 200 hodinách |
|
| Po každých 400 hodinách provozu |
|
| Po každých 800 hodinách provozu |
|
Vypněte pohon žacích nožů (PTO), přesuňte páky ovládání pojezdu do NEUTRáLNí ZAJIšTěNé polohy a zatáhněte parkovací brzdu.
Než opustíte provozní pozici, přesuňte páčku škrticí klapky do polohy POMALý CHOD, zastavte motor, vytáhněte klíček ze zapalování a počkejte, až se všechny pohybující se části zastaví.
Zvedněte sedadlo.
Pod hydraulickou nádrž, skříň převodovky a motory levého a pravého kola umístěte velkou vypouštěcí nádobu (Obrázek 63).

Demontujte vypouštěcí zátky ze všech míst a nechejte hydraulickou kapalinu vytéct (Obrázek 63).
Vyčistěte okolí filtru hydraulické kapaliny a filtr vyjměte (Obrázek 63).
Namontujte nový filtr hydraulické kapaliny; otáčejte přitom filtrem ve směru hodinových ručiček, dokud pryžové těsnění nepřijde do kontaktu s adaptérem filtru. Poté filtr utáhněte o další 2/3 až 3/4 otáčky.
Namontujte zpět 4 vypouštěcí zátky.
Note: Vypouštěcí zátky motorů kol jsou magnetické, před zpětnou montáží je tedy otřete.
Demontujte zátku plnicího otvoru v horní části každého motoru kola (Obrázek 64).
Naplňte každý motor kola přibližně 1,4 l kapaliny Toro Premium Transmission/Hydraulic Tractor Fluid.
Namontujte zpět zátky plnicích otvorů.

Z nádrže hydraulické kapaliny demontujte uzávěr nádrže a měrku.
Do nádrže doplňte 7,6 l kapaliny.
Zvedněte zadní část stroje a podepřete jej montážními stolicemi (nebo jinými vhodnými podpěrami) jen v takové výšce, aby se hnací kola mohla volně otáčet.
Nastartujte motor a zkontrolujte, zda nedochází k úniku kapaliny.
Nechejte motor pracovat přibližně pět minut, poté jej vypněte.
Po 2 minutách zkontrolujte hladinu hydraulického oleje; postupujte podle pokynů v části Kontrola hladiny hydraulické kapaliny.
Pravidelně kontrolujte, zda nedošlo k opotřebení či poškození nožů.
Při kontrole řezných nožů si počínejte opatrně. Před prováděním servisních prací řezné nože zabalte nebo použijte rukavice a postupujte se zvýšenou opatrností. Řezné nože pouze vyměňujte nebo ostřete – nikdy se je nepokoušejte rovnat nebo svařovat.
U strojů s několika žacími noži buďte opatrní, neboť rotace jednoho nože může způsobit rotaci ostatních nožů.
Opotřebené nebo poškozené žací nože a šrouby vyměňujte po celých sadách, aby byla zachována mechanická rovnováha.
Abyste zajistili dokonalou kvalitu sekání, udržujte žací nože ostré. Aby bylo možné provést ostření a výměnu co nejpohodlněji, je dobré mít po ruce náhradní nože.
Zaparkujte stroj na rovném povrchu, vypněte ovládací spínač žacích nožů a zatáhněte parkovací brzdu.
Před opuštěním místa obsluhy vypněte motor, vytáhněte klíč a počkejte, dokud se nezastaví všechny pohybující se součásti.
| Servisní interval | Postup při údržbě |
|---|---|
| Při každém použití nebo denně |
|
Zkontrolujte ostří žacích nožů (Obrázek 65).
Jestliže ostří nejsou dostatečně naostřená nebo jsou nerovná, vyjměte žací nože a nabruste je; viz Ostření žacích nožů.
Zkontrolujte nože, zejména jejich zakřivené části.
Jestliže v této části zjistíte jakékoli praskliny, opotřebení nebo průraz, neprodleně poškozený nůž vyměňte (Obrázek 65).

Note: Při následujícím postupu musí být stroj na rovném povrchu.
Zvedněte sekací plošinu do nejvyšší možné výšky sekání.
Nasaďte si silně polstrované rukavice nebo jinou vhodnou ochranu rukou a pomalu otočte žací nůž do polohy, ve které budete moci změřit vzdálenost mezi řeznou hranou a rovným povrchem, na kterým od zaparkován stroj (Obrázek 66).

Změřte vzdálenost od konce žacího nože k rovnému povrchu (Obrázek 67).

Otočte stejný žací nůž o 180 stupňů tak, aby nyní byla ve stejné poloze protilehlá řezná hrana (Obrázek 68).

Změřte vzdálenost od konce žacího nože k rovnému povrchu (Obrázek 69).
Note: Rozdíl nesmí být větší než 3 mm.

Pokud je rozdíl mezi A a B větší než 3 mm, vyměňte žací nůž za nový; viz Demontáž žacích nožů a Montáž žacích nožů.
Note: Pokud je ohnutý žací nůž nahrazen novým a naměřený rozdíl vzdáleností je i nadále větší než 3 mm, může být ohnuté vřeteno žacího nože. Požádejte autorizované servisní středisko o provedení opravy.
Pokud je rozdíl měření v toleranci, přejděte na další žací nůž.
Opakujte tento postup na každém žacím noži.
Žací nože je nutné vyměnit, pokud narazí do pevného předmětu nebo pokud jsou nevyvážené nebo ohnuté.
Nasaďte klíč na plochý konec dříku vřetena nebo uchopte žací nůž pomocí hadru nebo silně polstrované rukavice.
Demontujte šroub žacího nože, pouzdro a žací nůž z dříku vřetena (Obrázek 70).

Použijte pilník, kterým naostříte řeznou hranu (ostří) žacího nože na obou jeho koncích (Obrázek 71).
Note: Zachovejte původní úhel.
Note: Vyvážení nože neporušíte, pokud uberete z obou ostří stejné množství materiálu.

Zkontrolujte vyvážení nože tak, že jej vložíte na vyvažovačku (Obrázek 72).
Note: Jestliže se žací nůž ustálí ve vodorovné poloze, je vyvážen a lze jej použít.
Note: Jestliže žací nůž není vyvážen, odpilujte určité množství materiálu z konce žacího nože ve hřbetní části (Obrázek 71).

Tento postup opakujte, dokud žací nůž zcela nevyvážíte.
Namontujte pouzdro do žacího nože tak, aby se příruba pouzdra nacházela na spodní straně žacího nože (u trávy) (Obrázek 73).

Montážní celek pouzdra a žacího nože namontujte do dříku vřetena (Obrázek 74).

Podle potřeby naneste na závity šroubu žacího nože mazivo na bázi mědi, aby nedošlo k zadření. Našroubujte šroub žacího nože a utáhněte jej prsty.
Na plochou část dříku vřetena nasaďte klíč a utáhněte šroub žacího nože na utahovací moment 75 až 81 Nm (55 až 60 ft-lb).
Note: Před nastavením výšky sekání (HOC) se ujistěte, že je sekací plošina v rovině.
Zaparkujte stroj na rovném povrchu, vypněte ovládací spínač žacích nožů a zatáhněte parkovací brzdu.
Před opuštěním místa obsluhy vypněte motor, vytáhněte klíč a počkejte, dokud se nezastaví všechny pohybující se součásti.
Zkontrolujte tlak v pneumatikách hnacích kol.
V případě potřeby upravte tlak na 1,24 bar (124 kPa).
Pomocí spínače zdvihu sekací plošiny změňte výšku plošiny z přepravní polohy (výška sekání 140 mm).

Zasuňte kolík pro změnu výšky sekání do místa výšky sekání 76 mm.
Uvolněte přepravní zámek a nechejte sekací plošinu spustit na uvedenou výšku sekání.
Změřte vzdálenost mezi rovným povrchem a předním koncem středového žacího nože (Obrázek 76).
Note: Vzdálenost musí být 76 mm.
Za většiny podmínek musí být zadní konce bočních žacích nožů v jedné rovině s předními.

Otáčením seřizovací matice na montážním celku zvedání přední plošiny proveďte jemné seřízení (Obrázek 77).
Note: Chcete-li výšku zvětšit, otočte seřizovací maticí ve směru hodinových ručiček; chcete-li ji zmenšit, otočte jí proti směru hodinových ručiček.
Note: Pokud táhla přední plošiny není možné dostatečně nastavit pro dosažení přesné výšky sekání, můžete pro získání další možnosti nastavení použít jednobodové nastavení.

Změřte výšku zadního konce žacího nože. Podle potřeby jemně seřiďte zadní nastavovací prvky – pomocí jednobodového nastavení lze dosáhnout další možnosti nastavení.
Zadní konce bočních žacích nožů mají být ve výšce 76 mm.
Měření provádějte, dokud nebudou všechny 4 strany ve správné výšce. Utáhněte všechny matice na montážních celcích zvedacích ramen plošiny.
Pokud 4 nastavovací prvky plošiny neumožňují dostatečné nastavení pro dosažení přesné výšky sekání s požadovaným sklonem, můžete nastavit jednobodový systém (Obrázek 78).

Chcete-li seřídit jednobodový systém, nejprve povolte přední a zadní montážní šrouby desky pro změnu výšky sekání (Obrázek 78).
Note: Sekací plošina je z výroby upevněna v předních otvorech (Obrázek 79). V případě potřeby použijte pro další nastavení při vyrovnávání sekací plošiny zadní otvory.

Pokud je plošina příliš nízko, utáhněte šroub pro jednobodové nastavení otáčením ve směru hodinových ručiček. Pokud je plošina příliš vysoko, šroub pro jednobodové nastavení povolte jeho otáčením proti směru hodinových ručiček (Obrázek 80).
Note: Šroub pro jednobodové nastavení povolte nebo utáhněte natolik, aby se montážní šrouby desky pro změnu výšky sekání posunuly alespoň o 1/3 délky dostupné dráhy v příslušných drážkách. Tím se u každého ze 4 táhel plošiny obnoví určité nastavení ve směru nahoru a dolů.

Utáhněte 2 šrouby v dolní části desky pro změnu výšky sekání (Obrázek 78).
Note: Pro většinu podmínek nastavte zadní konec žacího nože o 6,4 mm výše než přední konec.
Utáhněte tyto 2 šrouby na utahovací moment 91 až 113 Nm (67 až 83 ft-lb).
Měření provádějte, dokud nebudou všechny 4 strany ve správné výšce. Utáhněte všechny matice na montážních celcích zvedacích ramen plošiny.
| Servisní interval | Postup při údržbě |
|---|---|
| Při každém použití nebo denně |
|
Important: K čištění motoru nepoužívejte vodu. Používejte nízkotlaký stlačený vzduch. Nahlédněte do příručky k obsluze motoru.
Zaparkujte stroj na rovném povrchu, vypněte ovládací spínač žacích nožů (PTO) a zatáhněte parkovací brzdu.
Před opuštěním místa obsluhy vypněte motor, vytáhněte klíč a počkejte, dokud se nezastaví všechny pohybující se součásti.
Vyčistěte okolí setrvačníku, hlavy válců, vstřikovačů a vstřikovacího čerpadla.
Odstraňte všechny nečistoty z prostoru výfukového systému.
Setřete veškeré nadměrné mazivo nebo olej z okolí motoru a výfukového prostoru.
| Servisní interval | Postup při údržbě |
|---|---|
| Při každém použití nebo denně |
|
Zaparkujte stroj na rovném povrchu, vypněte ovládací spínač žacích nožů (PTO) a zatáhněte parkovací brzdu.
Před opuštěním místa obsluhy vypněte motor, vytáhněte klíč a počkejte, dokud se nezastaví všechny pohybující se součásti.
Očistěte stroj a sekací plošinu od oleje, nečistot nebo nahromaděné trávy, zejména pod kryty řemenů plošiny, kolem palivové nádrže a kolem motoru a výfuku.
Zvedněte sekačku do PřEPRAVNí polohy.
Odstraňte veškerou trávu ze spodní strany plošiny.
Motorový olej, akumulátory, hydraulická kapalina a chladicí kapalina motoru znečišťují životní prostředí. Tyto materiály likvidujte v souladu se státními a místními předpisy.
Než opustíte pozici obsluhy, vypněte motor, vyjměte klíč a počkejte, dokud se nezastaví všechny pohybující se části. Před seřizováním, údržbou, čištěním nebo uskladněním nechejte stroj vychladnout.
Neskladujte stroj ani palivo v blízkosti otevřeného ohně ani palivo nevypouštějte v uzavřených prostorech nebo uvnitř uzavřeného přívěsu.
Neskladujte stroj ani nádobu s palivem v blízkosti otevřeného ohně, zdroje jisker nebo tepla, například u ohřívače vody nebo jiných zařízení.
Vypněte ovládací spínač žacích nožů (PTO) a zatáhněte parkovací brzdu.
Před opuštěním místa obsluhy vypněte motor, vytáhněte klíč a počkejte, dokud se nezastaví všechny pohybující se součásti.
Odstraňte zbytky trávy a nečistoty z vnějších částí celého stroje, zejména z motoru a hydraulického systému. Očistěte žebra válce motoru a kryt ventilátoru od nečistot a chomáčů posekané trávy.
Important: Stroj můžete umýt vodným roztokem mírně působícího saponátu. Stroj nemyjte tlakovou vodou. Nepoužívejte příliš mnoho vody, obzvláště pak blízko řídicího panelu, motoru, hydraulických čerpadel a motorů.
Zkontrolujte funkci parkovací brzdy; viz Seřízení parkovací brzdy.
Proveďte údržbu vzduchového filtru; viz Údržba vzduchového filtru.
Proveďte mazání vozidla; postupujte podle pokynů v části Mazání.
Vyměňte olej v klikové skříni, viz Výměna motorového oleje.
Zkontrolujte tlak v pneumatikách; viz Kontrola tlaku v pneumatikách.
Vyměňte filtry hydraulické kapaliny, viz Výměna hydraulické kapaliny a filtru.
Nabijte akumulátor, viz Dobíjení akumulátoru.
Ze spodní strany sekačky oškrábejte zbytky trávy a nečistoty a sekačku opláchněte zahradní hadicí.
Note: Po umytí nechte stroj pracovat se zapnutým ovládacím spínačem žacích nožů (PTO), přičemž udržujte motor ve volnoběžných otáčkách po dobu 2 až 5 minut.
Zkontrolujte stav žacích nožů; viz Údržba žacích nožů.
Připravte stroj na uskladnění, pokud nebude používán po dobu déle než 30 dnů. Připravte stroj na uskladnění následovně:
Do paliva v nádrži přidejte stabilizační aditivum na bázi ropy. Dodržujte pokyny výrobce stabilizátoru pro míchání s palivem. Nepoužívejte stabilizační aditiva na bázi alkoholu (etanolu nebo metanolu).
Note: Stabilizační aditivum paliva má nejvyšší účinky, pokud se smíchá s čerstvým palivem a používá se stále.
Nechejte motor 5 minut pracovat, aby se upravené palivo rozptýlilo po celém palivovém systému.
Vypněte motor, nechte ho vychladnout a vyprázdněte palivovou nádrž.
Spusťte znovu motor a nechte jej běžet, dokud se sám nezastaví.
Palivo řádně zlikvidujte. Použité palivo recyklujte podle místních předpisů.
Important: Neskladujte palivo se stabilizačním aditivem déle, než doporučuje výrobce stabilizátoru paliva.
Zkontrolujte a dotáhněte všechny šrouby, vruty a matice. Všechny poškozené součásti opravte nebo vyměňte.
Natřete všechny poškrábané nebo odřené kovové povrchy lakem, který lze zakoupit v autorizovaném servisním středisku.
Stroj uskladněte ve skladu anebo garáži v čistém a suchém prostředí. Vyjměte klíč ze spínače a uschovejte jej mimo dosah dětí nebo jiných neoprávněných uživatelů. Stroj přikryjte, aby byl chráněn před poškozením a nečistotami.
| Problem | Possible Cause | Corrective Action |
|---|---|---|
| Spouštěč neprotáčí motorem. |
|
|
| Motor nelze nastartovat, lze jej nastartovat jen s obtížemi nebo se po chvíli vypne. |
|
|
| Motor ztrácí výkon. |
|
|
| Motor se přehřívá. |
|
|
| Stroj táhne doleva nebo doprava (s ovládacími pákami pojezdu zcela vpředu). |
|
|
| Se strojem nelze pojíždět. |
|
|
| Stroj abnormálně vibruje. |
|
|
| Není rovnoměrná výška sekání. |
|
|
| Žací nože se neotáčejí. |
|
|



