| Wartungsintervall | Wartungsmaßnahmen |
|---|---|
| Bei jeder Verwendung oder täglich |
|
Diese Mehrzweckmaschine sollte nur von geschulten Lohnarbeitern gewerblich verwendet werden. Er ist hauptsächlich für das Mähen von Gras auf gepflegten Grünflächen in Parkanlagen, Golfplätzen, Sportplätzen, an Straßenrändern und in öffentlichen Anlagen gedacht. Wenn diese Maschine für einen anderen Zweck als vorgesehen eingesetzt wird, kann das für Sie und andere Personen gefährlich sein.
Lesen Sie diese Informationen sorgfältig durch, um sich mit dem ordnungsgemäßen Einsatz und der Wartung des Geräts vertraut zu machen und Verletzungen und eine Beschädigung des Geräts zu vermeiden. Sie tragen die Verantwortung für einen ordnungsgemäßen und sicheren Einsatz des Geräts.
Besuchen Sie Toro.com, hinsichtlich Produktsicherheit und Schulungsunterlagen, Zubehörinformationen, Standort eines Händlers, oder Registrierung des Produkts.
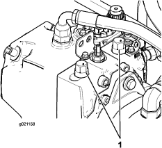
Wenden Sie sich an Ihren autorisierten Service-Vertragshändler oder Kundendienst, wenn Sie eine Serviceleistung, Toro Originalersatzteile oder zusätzliche Informationen benötigen. Halten Sie hierfür die Modell- und Seriennummern Ihres Produkts griffbereit. In Bild 1 ist angegeben, wo an dem Produkt die Modell- und die Seriennummer angebracht sind. Tragen Sie hier die Modell- und Seriennummern des Geräts ein.
Important: Scannen Sie mit Ihrem Mobilgerät den QR-Code auf dem Seriennummernaufkleber (falls vorhanden), um auf Garantie-, Ersatzteil- oder andere Produktinformationen zuzugreifen.

In dieser Anleitung werden potenzielle Gefahren angeführt, und Sicherheitshinweise werden vom Sicherheitswarnsymbol (Bild 2) gekennzeichnet. Dieses Warnsymbol weist auf eine Gefahr hin, die zu schweren oder tödlichen Verletzungen führen kann, wenn Sie die empfohlenen Sicherheitsvorkehrungen nicht einhalten.

In dieser Anleitung werden zwei Begriffe zur Hervorhebung von Informationen verwendet. Wichtig weist auf spezielle mechanische Informationen hin, und Hinweis hebt allgemeine Informationen hervor, die Ihre besondere Beachtung verdienen.
Dieses Produkt erfüllt alle relevanten europäischen Richtlinien; weitere Details finden Sie in der produktspezifischen Konformitätserklärung (DOC).
Entsprechend dem California Public Resource Code Section 4442 oder 4443 ist der Einsatz des Motors in bewaldeten oder bewachsenen Gebieten ohne richtig gewarteten und funktionsfähigen Funkenfänger, wie in Section 4442 definiert, oder ohne einen Motor verboten, der nicht für die Brandvermeidung konstruiert, ausgerüstet und gewartet ist.
Die beiliegende Motoranleitung enthält Angaben zu den Emissionsbestimmungen der US Environmental Protection Agency (EPA) und den Kontrollvorschriften von Kalifornien zu Emissionsanlagen, der Wartung und Garantie. Sie können einen Ersatz beim Motorhersteller anfordern.
Wenn diese Maschine mit einem Telematikgerät ausgestattet ist, wenden Sie sich an Ihren Toro Vertragshändler, um Anweisungen zur Aktivierung des Geräts zu erhalten.
KALIFORNIEN
Warnung zu Proposition 65
Die Dieselauspuffgase und einige Bestandteile wirken laut den Behörden des Staates Kalifornien krebserregend, verursachen Geburtsschäden oder andere Defekte des Reproduktionssystems
Batteriepole, -klemmen und -zubehör enthalten Blei und Bleibestandteile. Dies sind Chemikalien, die laut den Behörden des Staates Kalifornien krebserregend sind und zu Erbschäden führen können. Waschen Sie sich nach dem Umgang mit diesen Materialien die Hände.
Bei Verwendung dieses Produkts sind Sie ggf. Chemikalien ausgesetzt, die laut den Behörden des Staates Kalifornien krebserregend wirken, Geburtsschäden oder andere Defekte des Reproduktionssystems verursachen.
Dieses Produkt kann Hände und Füße amputieren und Gegenstände aufschleudern. Befolgen Sie zum Vermeiden von schweren Verletzungen immer alle Sicherheitshinweise.
Lesen und verstehen Sie vor dem Anlassen des Motors den Inhalt dieser Bedienungsanleitung.
Konzentrieren Sie sich immer bei der Verwendung der Maschine. Tun Sie nichts, was Sie ablenken könnte, sonst können Verletzungen oder Sachschäden auftreten.
Bedienen Sie die Maschine niemals, wenn nicht alle Schutzvorrichtungen und Abdeckungen angebracht und funktionstüchtig sind.
Berühren Sie bewegliche Teile nicht mit den Händen oder Füßen. Bleiben Sie immer von der Auswurföffnung fern.
Halten Sie Unbeteiligte und Kinder vom Arbeitsbereich fern. Die Maschine darf niemals von Kindern betrieben werden.
Stellen Sie vor dem Verlassen des Fahrersitzes den Motor ab, ziehen Sie den Schlüssel ab und warten Sie, bis alle beweglichen Teile zum Stillstand gekommen sind. Lassen die Maschine abkühlen, bevor Sie sie einstellen, warten, reinigen, oder einlagern.
Der unsachgemäße Einsatz oder die falsche Wartung
dieser Maschine kann zu Verletzungen führen. Befolgen Sie zur
Verringerung des Verletzungsrisikos diese Sicherheitshinweise und
beachten Sie das Warnsymbol
mit der Bedeutung Achtung, Warnung oder Gefahr
– Sicherheitsrisiko. Wenn diese Hinweise nicht beachtet werden,
kann es zu schweren bis tödlichen Verletzungen kommen.
![]() |
Die Sicherheits- und Bedienungsaufkleber sind für den Bediener gut sichtbar und befinden sich in der Nähe der möglichen Gefahrenbereiche. Tauschen Sie beschädigte oder verloren gegangene Aufkleber aus. |









































Note: Bestimmen Sie die linke und rechte Seite der Maschine anhand der üblichen Einsatzposition.
Parken Sie die Maschine auf einer ebenen Fläche, aktivieren Sie die Feststellbremse, stellen den Motor ab und ziehen den Schlüssel ab.
Nehmen Sie die Riemen und Streben ab, mit denen die Seitenmähwerke für den Versand befestigt wurden.
Für diesen Arbeitsschritt erforderliche Teile:
| Rechte Mähwerkabdeckung | 1 |
| Linke Mähwerkabdeckung | 1 |
| Keilriemen | 2 |
Nehmen Sie die Muttern ab, mit denen die vorderen und hinteren Anschlagschrauben an den Befestigungen des rechten Flügelmähwerks befestigt sind (Bild 3).

Stützen Sie den rechten Flügel ab und nehmen Sie die vorderen und hinteren Anschlagschrauben aus den Mähwerkbefestigungen heraus (Bild 3).
Note: Lassen Sie die Exzenter zwischen den Mähwerkbefestigungen.
Senken Sie den Flügel in die Betriebsstellung ab.
Setzen Sie die vordere und hintere Anschlagschraube zwischen die oberen Befestigungslöcher und die Exzenter ein (Bild 4).
Note: Stellen Sie sicher, dass die Anschlagschraube die Nase am Scharnierstift berührt.

Bringen Sie die Muttern an, mit denen die Anschlagschrauben befestigt sind.
Note: Ziehen Sie die Muttern noch nicht fest.
Wiederholen Sie die Schritte am linken Flügel.
Setzen Sie die Flügelriemen wie folgt ein:
Legen Sie den Riemen um die Riemenscheibe der Flügelspindel und die Riemenscheibe der Frontmähwerkspindel (Bild 5).

Schieben Sie die Spannscheibe mit einem Schraubenschlüssel oder einem ähnlichen Werkzeug von den Scheiben (Bild 5).
Verlegen Sie den Riemen um die Riemenscheibe der Flügelspindel und die obere Riemenscheibe der Frontmähwerkspindel.
Lösen Sie die Spannscheibe, um den Riemen zu spannen.
Montieren Sie die Flügelmähwerkabdeckung und befestigen sie mit dem abgenommenen Gummiverschluss (Bild 6).
Note: Stellen Sie sicher, dass Sie die Abdeckung unter die Laschen an der mittleren Frontmähwerkabdeckung schieben, bevor Sie sie in die Befestigungshaken und -streben einsetzen.
Wiederholen Sie die Schritte am anderen Flügel.

Prüfen Sie den Druck in den Reifen und im Laufrad, siehe Prüfen des Reifendrucks und Prüfen des Reifendrucks in den Laufrädern.
Important: Stellen Sie sicher, dass alle Reifen den gleichen Druck haben, um eine gute Schnittqualität und optimale Maschinenleistung zu gewährleisten. Achten Sie darauf, dass der Reifendruck nicht zu niedrig ist.
Important: Die Antriebsleistung, einschließlich der Steuerung des Reifenrutschens, hängt vom Verhältnis der Reifengröße zwischen den Vorder- und Hinterreifen ab. Verwenden Sie nur Originalreifen von Toro.
Note: Führen Sie diese Schritte auf einer flachen, ebenen Fläche durch.
Siehe Einstellen der Schnitthöhe.
Drehen Sie die Schnittmesser jeder Außenspindel, bis die Enden nach vorne und hinten gerichtet sind.
Messen Sie den Abstand vom Boden bis zur vorderen Messerspitze.
Stellen Sie die Beilagscheiben (3 mm) an den vorderen Laufradgabeln auf die gewünschte Schnitthöhe ein.
Drehen Sie die Messer um 180° und messen den Abstand vom Boden bis zur nach hinten gerichteten Messerspitze.
Lösen Sie die unteren Klemmmuttern am U-Bügel der Schnitthöhenkette.
Stellen Sie die Muttern ein, um das Heck des Mähwerks anzuheben oder abzusenken, damit die Spitzen der hinteren Messer 6 mm bis 10 mm höher als die Spitzen vorne sind.
Ziehen Sie die Klemmmuttern fest.
Drehen Sie das Messer an jedem Flügel, sodass es zur Seite zeigt.
Lösen Sie die Schrauben und Muttern, mit denen die zwei Exzenterdistanzstücke an den Flügeln befestigt sind (Bild 7).

Drehen Sie den vorderen Exzenter, bis er den größten Abstand von der inneren Schlitzoberfläche der Flügelschwenkhalterung hat.
Drehen Sie den hinteren Exzenter (welcher der Zugmaschine am nächsten ist), bis die äußere Messerspitze ungefähr 3 mm höher ist als die gewünschte Schnitthöhe (Bild 7).
Note: Der Exzentersechskant hat eine Kerbe, die 180° vom Kolben der Exzenterwelle ist (Bild 8). Verwenden Sie die Kerben als Bezug für die Position der Kolben, wenn Sie die Exzenter einstellen.

Ziehen Sie die Schraube und Mutter bis auf 149 N·m an.
Stellen Sie den vorderen Exzenter ein, bis er die innere Schlitzoberfläche der Flügelschwenkhalterungen berührt.
Ziehen Sie die Schraube und Mutter bis auf 149 N·m an.
Wiederholen Sie diese Schritte am anderen Flügel.
Prüfen Sie den Motorölstand vor dem Anlassen des Motors, siehe Überprüfen des Motorölstands.
Prüfen Sie den Hydraulikölstand vor dem Anlassen des Motors; siehe Prüfen des Hydrauliköls.
Prüfen Sie das Kühlsystem vor dem Anlassen des Motors; siehe Prüfen des Motorkühlsystems.
Schmieren Sie die Maschine vor der Benutzung ein; siehe Einfetten der Lager und Büchsen.
Important: Wenn das Gerät nicht richtig geschmiert wird, kommt es zum frühzeitigen Ausfall wichtiger Teile.
Für diesen Arbeitsschritt erforderliche Teile:
| Herstellungsjahr-Aufkleber | 1 |
Installieren Sie bei Maschinen, die CE-konform sein müssen, den Aufkleber für das Herstellungsjahr, der in den losen Teilen und dem separat verkauften CE-Kit enthalten ist (Bild 9).


Note: Bestimmen Sie die linke und rechte Seite der Maschine anhand der üblichen Einsatzposition.

Das Fahrpedal steuert die Vorwärts- und Rückwärtsfahrt. Treten Sie oben auf das Pedal, um die Maschine vorwärts zu fahren, und treten Sie unten auf das Pedal, um rückwärts zu fahren. Die Fahrgeschwindigkeit hängt davon ab, wie weit Sie das Pedal durchtreten. Treten Sie für die maximale Fahrgeschwindigkeit das Pedal ganz durch, wenn die Gasbedienung in der Stellung HOHER LEERLAUF ist (Bild 11).
Verringern Sie zum Anhalten den Druck auf das Fahrpedal und lassen es in die mittlere Stellung zurückgehen.
Der Schalter für die Feststellbremse erfordert zwei Aktionen zum Aktivieren der Feststellbremse. Halten Sie den kleinen Riegel zurück und drücken den Feststellbremsschalter nach vorne, um die Feststellbremse zu aktivieren. Drücken Sie den Feststellbremsschalter nach hinten, um die Feststellbremse zu lösen (Bild 11).
Drücken Sie den Warnblinkanlagenschalter nach vorne, um die Warnblinkanlage einzuschalten und nach hinten, um sie auszuschalten (Bild 11).
Drücken Sie links am Blinkerschalter, um das linke Blinklicht zu aktivieren und rechts am Blinkerschalter, um das rechte Blinklicht zu aktivieren (Bild 11).
Note: In der mittleren Stellung ist der Blinker ausgeschaltet.
Das Zündschloss hat drei Stellungen: STOPP, LAUF/GLüHKERZEN und START (Bild 11).
Der Zapfwellenschalter hat zwei Stellungen: HERAUSGEZOGEN (Start) und NICHT HERAUSGEZOGEN (Stopp). Ziehen Sie den Zapfwellenschalter heraus, um das Anbaugerät oder die Mähwerkmesser einzukuppeln. Drücken Sie den Schalter hinein, um das Anbaugerät auszukuppeln (Bild 11).
Drücken Sie vorne am Schalter, um den HOHEN GESCHWINDIGKEITSBEREICH auszuwählen. Drücken Sie hinten am Schalter, um den NIEDRIGEN GESCHWINDIGKEITSBEREICH auszuwählen. Sie können nur zwischen SCHNELL und LANGSAM umschalten, wenn die Maschine steht oder langsamer als 1,0 km/h fährt (Bild 11).
Mit dem Tempomat stellen Sie die Maschinengeschwindigkeit ein.
Schieben Sie den Tempomatschalter in die mittlere Stellung, um den Tempomat in die EIN-Stellung zu drehen. Drücken Sie zum Einstellen der Geschwindigkeit den Schalter nach vorne. Drücken Sie den Schalter nach hinten, um den Tempomat auszuschalten (Bild 11)
Note: Die Bewegung des Fußpedals im Rückwärtsgang schaltet den Tempomat aus.
Wenn Sie den Tempomat einschalten, können Sie die Tempomatgeschwindigkeit mit dem InfoCenter-Bedienelement ändern.
Mit den Mähwerkhubschaltern heben Sie die Mähwerke an oder senken sie ab (Bild 11).
Drücken Sie den Schalter nach vorne, um das Mähwerk abzusenken und nach hinten, um sie anzuheben.
Note: Die Mähwerke können im HOHEN GESCHWINDIGKEITSBEREICH nicht abgesenkt werden und weder angehoben noch abgesenkt werden, wenn der Bediener den Sitz bei laufendem Motor verlässt.
Note: Die Funktion zum Anheben des Mähwerks ist bei Motordrehzahlen unter 2.000 U/min begrenzt. Unter 2.000 U/min wird nur jeweils ein Mähwerk angehoben.
Der Gasbedienungsschalter hat zwei Stellungen: NIEDRIGER LEERLAUF und HOHER LEERLAUF (Bild 11).
Drücken Sie den Schalter für mindestens zwei Sekunden nach vorne, um die Gasbedienung auf den HOHEN LEERLAUF einzustellen. Drücken Sie den Schalter für mindestens zwei Sekunden nach hinten, um die Gasbedienung auf den NIEDRIGEN LEERLAUF einzustellen. Sie können den Schalter auch kurz in eine Richtung drücken, um die Motordrehzahl in Schritten von 100 U/min zu erhöhen oder zu verringern.
Drücken Sie den Lichtschalter nach oben in die EIN-Stellung, um die Scheinwerfer einzuschalten (Bild 11).
Drücken Sie den Lichtschalter nach unten in die AUS-Stellung, um die Scheinwerfer auszuschalten.
Drücken Sie auf die Hupe, um sie zu aktivieren (Bild 11).
Bewegen Sie den Sitzeinstellhebel an der Seite des Sitzes nach außen, schieben den Sitz in die gewünschte Stellung und lassen den Hebel zum Arretieren des Sitzes in dieser Position wieder los (Bild 12).

Drehen Sie das Handrad, um den Winkel der Armlehne einzustellen (Bild 12).
Stellen Sie die Neigung der Rückenlehne mit dem Hebel ein (Bild 12).
Die Gewichtsanzeige gibt an, wenn der Sitz auf das Gewicht des Bedieners eingestellt ist (Bild 12). Stellen Sie die Federung in den grünen Bereich, um die Höhe einzustellen.
Stellen Sie das richtige Gewicht des Bedieners mit diesem Hebel ein (Bild 12). Ziehen Sie am Hebel, um den Luftdruck zu erhöhen, und drücken Sie ihn herunter, um den Luftdruck zu verringern. Die Einstellung ist richtig, wenn die Gewichtsanzeige im grünen Bereich ist.
Sie können ihr mobiles Ladegerät in die USB-Steckdosen stecken, um persönliche Geräte, wie z. B. ein Telefon oder ein anderes elektronisches Gerät, aufzuladen (Bild 11).
Der Alarm wird beim Erkennen eines Fehlers aktiviert.
Der Alarmsummer ertönt in den folgenden Fällen:
Der Motor sendet einen Stoppfehler
Der Motor sendet einen Motorprüfen-Fehler
Der Kraftstoffstand ist niedrig

Das Bedienelement für die Umluftanlage pumpt die Luft in der Kabine entweder um oder führt der Kabine Luft von außen zu (Bild 13).
Stellt den Umlauf der Luft ein, wenn die Klimaanlage eingeschaltet ist.
Stellen Sie sie auf das Ansaugen von Luft ein, wenn Sie die Heizung oder den Lüfter verwenden.
Stellen Sie die Lüfterdrehzahl mit dem Lüftereinstellhandrad ein (Bild 13).
Drehen Sie das Temperatureinstellhandrad, um die Temperatur in der Kabine einzustellen (Bild 13).
Mit diesem Schalter schalten Sie die Scheibenwischer ein oder aus (Bild 13).
Mit diesem Schalter schalten Sie die Klimaanlage ein oder aus (Bild 13).
Heben Sie die Riegel an, um die Windschutzscheibe zu öffnen (Bild 14). Üben Sie Druck auf den Riegel aus, um die Windschutzscheibe in der GEöFFNETEN Stellung zu arretieren. Ziehen Sie den Riegel heraus und nach unten, um die Windschutzscheibe zu schließen und zu arretieren.

Heben Sie die Riegel an, um das Heckfenster zu öffnen. Üben Sie Druck auf den Riegel aus, um das Fenster in der OFFENEN Stellung zu arretieren. Ziehen Sie den Riegel heraus und nach unten, um das Fenster zu schließen und zu arretieren (Bild 14).
Important: Schließen Sie das Heckfenster vor dem Öffnen der Motorhaube, sonst kann die Motorhaube oder das Heckfenster beschädigt werden.
Note: Änderungen der technischen Daten und des Designs sind vorbehalten.

| Beschreibung | Bild 15 Referenz | Abmessung oder Gewicht | |
| Höhe mit Kabine | C | 240 cm | |
| Höhe mit Überrollbügel | I | 216 cm | |
| Gesamtlänge | F | 442 cm | |
| Länge für Einlagerung oder Transport | G | 434 cm | |
| Schnittbreite | |||
| insgesamt | D | 488 cm | |
| Frontmähwerk | 234 cm | ||
| Seitenmähwerk | 145 cm | ||
| Front- und ein Seitenmähwerk | 361 cm | ||
| Gesamtbreite | |||
| Abgesenkte Mähwerke | E | 506 cm | |
| Mähwerke, angehoben (Transportstellung) | B | 251 cm | |
| Radstand | H | 194 cm | |
| Radspur (Reifenmitte zu Mitte) | |||
| Vorne | A | 159 cm | |
| Hinten | J | 142 cm | |
| Bodenfreiheit | 25,4 cm | ||
| Nettogewicht mit Kabine | 3.313 kg | ||
| Nettogewicht mit Überrollbügel | 3.044 kg | ||
Ein Sortiment an Originalanbaugeräten und -zubehör von Toro wird für diese Maschine angeboten, um den Funktionsumfang des Geräts zu erhöhen und zu erweitern. Wenden Sie sich an Ihren offiziellen Toro-Vertragshändler oder navigieren Sie auf www.Toro.com für eine Liste der zugelassenen Anbaugeräte und des Zubehörs.
Verwenden Sie, um die optimale Leistung und Sicherheit zu gewährleisten, nur Originalersatzteile und -zubehörteile von Toro. Ersatzteile und Zubehör anderer Hersteller können gefährlich sein und eine Verwendung könnte die Garantie ungültig machen.
Note: Bestimmen Sie die linke und rechte Seite der Maschine anhand der üblichen Einsatzposition.
Kinder oder nicht geschulte Personen dürfen die Maschine weder verwenden noch warten. Örtliche Vorschriften bestimmen u. U. das Mindestalter von Benutzern. Der Besitzer ist für die Schulung aller Bediener und Mechaniker verantwortlich.
Machen Sie sich mit dem sicheren Betrieb der Maschine sowie den Bedienelementen und Sicherheitssymbolen vertraut.
Stellen Sie vor dem Verlassen des Fahrersitzes den Motor ab, ziehen Sie den Schlüssel ab und warten Sie, bis alle beweglichen Teile zum Stillstand gekommen sind. Lassen Sie die Maschine abkühlen, bevor Sie sie einstellen, warten, reinigen, oder einlagern.
Sie müssen wissen, wie Sie die Maschine schnell anhalten und den Motor abstellen können.
Prüfen Sie, ob alle Sitzkontaktschalter, Sicherheitsschalter, und Schutzvorrichtungen montiert und funktionsfähig sind. Nehmen Sie die Maschine nur in Betrieb, wenn diese richtig funktionieren.
Überprüfen Sie vor jedem Mähen, ob die Schnittmesser, -schrauben und die Mähwerke funktionsfähig sind. Tauschen Sie abgenutzte oder defekte Messer und -schrauben als komplette Sätze aus, um die Wucht der Messer beizubehalten.
Prüfen Sie den Arbeitsbereich gründlich und entfernen Sie alle Objekte, die von der Maschine aufgeschleudert werden könnten.
Diese Maschine erzeugt ein elektromagnetisches Feld. Wenn Sie ein implantierbares elektronisches medizinisches Gerät tragen, konsultieren Sie Ihren Arzt, bevor Sie diese Maschine verwenden.
Seien Sie besonders vorsichtig beim Umgang mit Kraftstoff. Kraftstoff ist brennbar und die Dämpfe sind explosiv.
Machen Sie alle Zigaretten, Zigarren, Pfeifen und andere Zündquellen aus.
Verwenden Sie nur einen vorschriftsmäßigen Benzinkanister.
Entfernen Sie nie den Tankdeckel oder füllen den Kraftstofftank, wenn der Motor läuft oder heiß ist.
Füllen Sie Kraftstoff nicht in einem geschlossenen Raum auf oder lassen ihn ab.
Lagern Sie die Maschine oder den Benzinkanister nie an Orten mit offener Flamme, Funken oder Zündflamme, z. B. Warmwasserbereiter, oder anderen Geräten.
Versuchen Sie niemals, bei Kraftstoffverschüttungen den Motor anzulassen. Vermeiden Sie Zündquellen, bis die Verschüttung verdunstet ist.
Prüfen Sie vor dem Anlassen des Motors und vor der Inbetriebnahme der Maschine erst den Ölstand im Kurbelgehäuse, siehe Überprüfen des Motorölstands.
Prüfen Sie vor dem Anlassen des Motors und vor Einsatz der Maschine erst die Kühlanlage, siehe Prüfen des Motorkühlsystems.
Vor dem Anlassen des Motors und dem Einsatz der Maschine sollten Sie die Hydraulikanlage prüfen, siehe Prüfen des Hydrauliköls.
132 Liter
Important: Verwenden Sie nur Diesel mit extrem niedrigem Schwefelgehalt. Kraftstoff mit höherem Schwefelgehalt verunreinigt den Dieseloxidationskatalysator; dies führt zu Betriebsproblemen und verkürzt die Nutzungsdauer der Motorteile.Das Nichtbefolgen dieser Vorsichtsmaßnahmen zu Motorschäden führen.
Verwenden Sie nie Kerosin oder Benzin statt Dieselkraftstoff.
Mischen Sie nie Kerosin oder altes Motoröl mit Dieselkraftstoff.
Bewahren Sie Kraftstoff nie in Behältern auf, die innen verzinkt sind.
Verwenden Sie keine Kraftstoffzusätze.
Cetanwert: 45 oder höher
Schwefelgehalt: Extrem niedriger Schwefelgehalt (<15 ppm)
| Technische Angaben für Dieselkraftstoff | Ort |
| ASTM D975 | USA |
| Nr. 1-D S15 | |
| Nr. 2-D S15 | |
| EN 590 | Europäische Union |
| ISO 8217 DMX | International |
| JIS K2204 Grad Nr. 2 | Japan |
| KSM-2610 | Korea |
Verwenden Sie nur sauberen, frischen Dieselkraftstoff oder Biodieselkraftstoff
Kaufen Sie den Kraftstoff in Mengen ein, die innerhalb von 180 Tagen verbraucht werden können; damit stellen Sie sicher, dass der Kraftstoff frisch ist.
Verwenden Sie bei Temperaturen über -7 °C Sommerdiesel (Nr. 2-D) und bei niedrigeren Temperaturen Winterdiesel (Nr. 1-D oder Nr. 1-D/2-D-Mischung).
Note: Bei Verwendung von Winterdiesel bei niedrigeren Temperaturen besteht ein niedrigerer Flammpunkt und Kaltflussmerkmale, die das Anlassen vereinfachen und ein Verstopfen des Kraftstofffilters vermeiden.Die Verwendung von Sommerkraftstoff über -7 °C erhöht die Lebensdauer der Kraftstoffpumpe und steigert im Vergleich zum Winterkraftstoff die Kraft.
Diese Maschine kann auch mit einem Kraftstoff eingesetzt werden, der bis zu B20 mit Biodiesel vermischt ist (20 % Biodiesel, 80 % Benzindiesel).
Schwefelgehalt: Extrem niedriger Schwefelgehalt (<15 ppm)
Technische Daten für Biodiesel-Kraftstoff:ASTM D6751 oder EN 14214
Technische Angaben für Mischkraftstoff: ASTM D975, EN 590 oder JIS K2204
Important: Der Erdöldieselanteil muss einen extrem niedrigen Schwefelgehalt haben.
Befolgen Sie die nachstehenden Sicherheitsvorkehrungen:
Biodieselmischungen können lackierte Oberflächen beschädigen.
Verwenden Sie B5 (Biodiesel-Inhalt von 5 %) oder geringere Mischungen in kaltem Wetter.
Prüfen Sie Dichtungen und Schläuche, die mit Kraftstoff in Kontakt kommen, da sie sich nach längerer Zeit abnutzen können.
Nach der Umstellung auf Biodieselmischungen kann es zum Verstopfen des Kraftstofffilters kommen.
Weitere Informationen erhalten Sie vom offiziellen Toro-Vertragshändler.
Stellen Sie die Maschine auf eine ebene Fläche (Bild 16).
Stellen Sie den Motor ab, ziehen den Schlüssel ab und aktivieren die Feststellbremse.
Reinigen Sie den Bereich um den Tankdeckel und nehmen Sie den Deckel ab.
Füllen Sie Kraftstoff ein und setzen den Tankdeckel auf. Wischen Sie verschütteten Kraftstoff auf.

| Wartungsintervall | Wartungsmaßnahmen |
|---|---|
| Bei jeder Verwendung oder täglich |
|
Der richtige Reifendruck für die Vorderreifen ist 2,20 bar (32 psi) und für die Hinterreifen 2,07 bar (30 psi), wie in Bild 17 abgebildet.
Important: Achten Sie auf einen korrekten Reifendruck in allen Reifen, um eine gute Schnittqualität und optimale Maschinenleistung zu gewährleisten. Achten Sie darauf, dass der Reifendruck nicht zu niedrig ist.Prüfen Sie den Reifendruck in allen Reifen, bevor Sie die Maschine verwenden.Die Antriebsleistung, einschließlich der Steuerung des Reifenrutschens, hängt vom Verhältnis der Reifengröße zwischen den Vorder- und Hinterreifen ab. Verwenden Sie nur Originalreifen von Toro.

Der richtige Reifendruck in den Laufrädern beträgt 3,40 bar (50 psi).
Important: Achten Sie auf einen korrekten Reifendruck in allen Reifen, um eine gute Schnittqualität und optimale Maschinenleistung zu gewährleisten. Achten Sie darauf, dass der Reifendruck nicht zu niedrig ist.Prüfen Sie den Reifendruck in allen Reifen, bevor Sie die Maschine verwenden.
| Wartungsintervall | Wartungsmaßnahmen |
|---|---|
| Nach 10 Betriebsstunden |
|
| Alle 250 Betriebsstunden |
|
Wenn Sie die Radmuttern nicht fest genug ziehen, kann sich ein Rad lösen, was zu Verletzungen führen kann.
Ziehen Sie die vorderen und hinteren Radmuttern gemäß des Wartungsplans mit 135-150 N·m an.
Sie können die Schnitthöhe in Schritten in 13 mm-Stufen von 25 mm bis 153 mm einstellen. Setzen Sie zum Einstellen der Schnitthöhe die Achsen des Laufrades in die oberen oder unteren Löcher der Laufradgabeln ein, legen Sie dieselbe Anzahl von Distanzstücken auf die Laufradgabeln oder entfernen und befestigen Sie die hintere Kette (nur Frontmähwerk) in den gewünschten Löchern.
Lassen Sie den Motor an und heben die Mähwerke so weit an, dass Sie die Schnitthöhe ändern können.
Stellen Sie nach dem Anheben des Mähwerks den Motor ab und ziehen den Schlüssel ab.
Stecken Sie die Laufradachsen in allen Laufradgabeln in die gleichen Löcher. Die richtigen Löcher für die jeweilige Einstellung finden Sie in der Tabelle (Bild 18).
Note: Um zu verhindern, dass sich Schnittgut im Rad-/Gabelbereich ansammelt, setzen Sie die Maschine mit einer Schnitthöhe von mindestens 76 mm ein und stecken Sie den Achsbolzen in das untere Loch der Laufradgabel. Wenn Sie die Maschine mit einer Schnitthöhe unter 76 mm verwenden und eine Grasansammlung feststellen, ändern Sie die Maschinenrichtung, um Schnittgut aus dem Rad- bzw. Gabelbereich herauszuziehen.

Lösen Sie die Spannkappe mit dem mitgelieferten Schraubenschlüssel für die Laufradkappe und nehmen sie von der Laufradspindelwelle ab. Schieben Sie die Laufradwelle aus dem Laufradarm heraus (Bild 19).

Schieben Sie die entsprechende Anzahl der Distanzstücke auf die Welle, um die gewünschte Schnitthöhe zu erhalten.
Note: Sie finden die richtige Kombination der Distanzstücke für die jeweilige Einstellung in der Tabelle: (Bild 18
Note: Die Beilagscheiben können in beliebiger Kombination über oder unter der Laufradarmnabe verwendet werden, um die gewünschte Schnitthöhe oder Mähwerkhöhe zu erhalten.
Schieben Sie die Laufradwelle durch den vorderen Laufradarm.
Legen Sie die Beilagscheiben (wie ursprünglich montiert) und die restlichen Distanzstücke auf die Welle (Bild 19).
Setzen Sie die Spannkappe ein und ziehen sie mit dem mitgelieferten Schraubenschlüssel für die Laufradkappe an (Bild 19).
Entfernen Sie den Splint und den Lastösenbolzen, mit denen die Schnitthöhenkette an der Rückseite des Mähwerks befestigt ist (Bild 20).

Montieren Sie die Schnitthöhenketten im gewünschten Schnitthöhenloch und befestigen sie mit dem Splint und dem Lastösenbolzen (Bild 21).
Note: Wenn Sie eine Schnitthöhe unter 51 mm verwenden, versetzen Sie die Kufen, Radstelzen und Rollen in die höchsten Löcher.

Lassen Sie den Motor an und heben die Mähwerke so weit an, dass Sie die Schnitthöhe ändern können.
Stellen Sie den Motor ab und ziehen den Schlüssel ab, nachdem Sie das Mähwerk angehoben haben.
Stecken Sie die Laufradachsen in allen Laufradgabeln in die gleichen Löcher. Die richtigen Löcher für die jeweilige Schnitthöhe finden Sie in der Tabelle (Bild 22).
Note: Um zu verhindern, dass sich Schnittgut im Rad-/Gabelbereich ansammelt, setzen Sie die Maschine mit einer Schnitthöhe von mindestens 76 mm ein und stecken Sie den Achsbolzen in das untere Loch der Laufradgabel. Wenn Sie die Maschine mit einer Schnitthöhe unter 76 mm verwenden und eine Grasansammlung feststellen, ändern Sie die Maschinenrichtung, um Schnittgut aus dem Rad- bzw. Gabelbereich herauszuziehen.

Lösen Sie die Spannkappe mit dem mitgelieferten Schraubenschlüssel für die Laufradkappe und nehmen sie von der Laufradspindelwelle ab. Schieben Sie die Laufradwelle aus dem Laufradarm heraus (Bild 23).
Note: Die Beilagscheiben können in beliebiger Kombination über oder unter der Laufradarmnabe verwendet werden, um die gewünschte Schnitthöhe oder Mähwerkhöhe zu erhalten.

5. Stecken Sie die zwei Beilagscheiben wie ursprünglich montiert sowie die erforderliche Anzahl Distanzstücke auf die Welle, um die gewünschte Schnitthöhe zu erzielen.
Schieben Sie die Laufradwelle durch den Laufradarm.
Legen Sie die Beilagscheiben (wie ursprünglich montiert) und die restlichen Distanzstücke auf die Welle.
Setzen Sie die Spannkappe ein und ziehen sie mit dem mitgelieferten Schraubenschlüssel für die Laufradkappe an.
Montieren Sie die inneren Kufen in der unteren Stellung, wenn Sie mit Schnitthöhen über 51 mm arbeiten, und in der höheren Stellung, wenn Sie mit Schnitthöhen unter 51 mm arbeiten.
Stellen Sie die inneren Kufen ein (Bild 24).
Important: Ziehen Sie die Schraube vorne an jeder inneren Kufe auf ein Drehmoment von 9–11 N·m an.

Montieren Sie die äußeren Kufen in der unteren Stellung, wenn Sie mit Schnitthöhen über 51 mm arbeiten, und in der höheren Stellung, wenn Sie mit Schnitthöhen unter 51 mm arbeiten.
Note: Sie können die äußeren Kufen, wenn sie abgenutzt sind, zur anderen Seite des Mähwerks wechseln, sie also umtauschen. Die Kufen können dann länger verwendet werden, bevor sie ausgetauscht werden müssen.
Einstellen der äußeren Kufen(Bild 25).
Important: Ziehen Sie die Schraube vorne an jeder äußeren Kufe bis auf 9-11 N·m an.


Montieren Sie die Rolle in der unteren Stellung, wenn Sie mit Schnitthöhen über 51 mm arbeiten, und in der höheren Stellung, wenn Sie mit Schnitthöhen unter 51 mm arbeiten.
Aufgrund der Unterschiede zwischen verschiedenen Rasenbedingungen und der Gegengewichtseinstellung der Zugmaschine sollten Sie das Schnittbild zunächst testen, ehe Sie die gesamte Rasenfläche mähen.
Stellen Sie alle Mähwerke auf die gewünschte Schnitthöhe ein, siehe Einstellen der Schnitthöhe.
Prüfen und stellen Sie den Reifendruck der Vorder- und Hinterreifen ein.
Note: Der richtige Reifendruck für die Vorderreifen ist 2,20 bar (32 psi) und für die Hinterreifen 2,07 bar (30 psi).
Prüfen und stellen Sie den Reifendruck der Laufräder auf 3,40 bar (50 psi) ein.
Prüfen Sie den Hub und den Gegengewichtsdruck, wenn der Motor im HOHEN LEERLAUF läuft, verwenden Sie dazu die Testanschlüsse, siehe Prüfen der Testanschlüsse der Hydraulikanlage.
Prüfen Sie auf verbogene Schnittmesser, siehe Prüfen auf verbogene Messer.
Mähen Sie einen Testbereich, um sicherzustellen, dass alle Mähwerke auf der gleichen Schnitthöhe mähen.
Wenn ein Mähwerk neu eingestellt werden muss, machen Sie eine ebene Fläche mit einem mindestens 2 m langen Richtscheit ausfindig.
Heben Sie die Schnitthöhe auf die höchste Einstellung an, um das Niveau der Messer leichter zu messen, siehe Einstellen der Schnitthöhe.
Senken Sie die Mähwerke auf eine ebene Oberfläche ab und entfernen Sie die Abdeckungen von der Oberseite der Mähwerke.
Drehen Sie das Messer jeder Spindel, bis die Enden nach vorne und hinten zeigen.
Nur äußeres Spindelmesser: Regulieren Sie die Beilagscheiben an den vorderen Laufradgabeln gleichmäßig entsprechend der gewünschten Schnitthöhe.
Messen Sie den Abstand vom Boden bis zur vorderen Spitze der Schnittkante.
Drehen Sie das Messer um 180° und messen den Abstand vom Boden bis zur Messerspitze.
Note: Das Messer sollte hinten 7,5 mm höher als vorne sein.
Note: Wenn Sie eine Regulierung vornehmen müssen, regulieren Sie die Beilagscheiben der hinteren Laufradgabeln.
Stellen Sie das Messer seitlich an der äußeren Spindel beider Flügelmähwerke.
Messen Sie die Entfernung vom Boden bis zur vorderen Spitze der Schnittkante beider Mähwerke und vergleichen die Maße.
Note: Der Unterschied zwischen den Werten darf nicht größer als 3 mm sein. Führen Sie jetzt noch keine Einstellungen durch.
Stellen Sie das Messer der inneren Spindel des Flügelmähwerks und die entsprechende äußere Spindel des Frontmähwerks seitlich.
Messen Sie den Abstand vom Boden zur Spitze der inneren Schnittkante des Flügelmähwerks sowie die der entsprechende Außenkante des Frontmähwerks und vergleichen beide Werte miteinander.
Note: Bei angesetztem Gegengewicht müssen die Laufräder der Flügelmähwerke Bodenkontakt haben.
Note: Wenn Sie eine Einstellung durchführen müssen, um die Schnitthöhe der Front- und Seitenmähwerke aufeinander abzustimmen, sollten Sie nur die Seitenmähwerke einstellen.
Entfernen Sie, wenn die innere Schnittkante des Flügelmähwerks im Verhältnis zur äußeren Kante des Frontmähwerks zu hoch ist, eine 1 Beilagscheibe von der Unterseite des vorderen inneren Laufradarms am Flügelmähwerk (Bild 28 und Bild 29).
Note: Prüfen Sie den Wert zwischen den äußeren Kanten beider Flügelmähwerke sowie der inneren Kante der Flügelmähwerk und der äußeren Kante des Frontmähwerks erneut.


Wenn die Innenkante weiterhin zu hoch ist, entfernen Sie eine weitere Beilagscheibe von der Unterseite des vorderen inneren Laufradarms des Flügelmähwerks und eine Beilagscheibe vom vorderen äußeren Laufradarm am Flügelmähwerk (Bild 28 und Bild 29).
Fügen Sie, wenn die innere Schnittkante des Flügelmähwerks im Verhältnis zur äußeren Kante des Frontmähwerks zu niedrig ist, eine Beilagscheibe (⅛ Zoll) zur Unterseite des vorderen inneren Laufradarms am Flügelmähwerk hinzu (Bild 28 und Bild 29).
Note: Prüfen Sie den Wert zwischen den äußeren Kanten beider Flügelmähwerke sowie der inneren Kante des Flügelmähwerks und der äußeren Kante des Frontmähwerks erneut.
Wenn die Innenkante weiterhin zu niedrig ist, fügen Sie eine Beilagscheibe an der Unterseite des vorderen inneren Laufradarms des Flügelmähwerks hinzu und eine am vorderen äußeren Laufradarm am Flügelmähwerk.
Wenn die Schnitthöhe an den Kanten der Front- und Flügelmähwerke identisch ist, prüfen Sie, ob die Neigung des Mähwerks weiterhin 7,6 mm beträgt.
Setzen Sie sich auf den Sitz und stellen den Rückspiegel ein, um die beste Sicht durch das Heckfenster zu haben. Ziehen Sie den Hebel nach hinten, um den Spiegel zu kippen und die Helligkeit und Spiegelung des Lichts zu verringern (Bild 30).

Setzen Sie sich auf den Sitz und lassen die Seitenspiegel von einem Helfer einstellen, um die beste Sicht seitlich an der Maschine zu erhalten (Bild 30).
Lösen Sie die Befestigungsmuttern und stellen Sie jeden Scheinwerfer so ein, dass er direkt nach vorne zeigt.
Note: Ziehen Sie die Befestigungsmutter gerade so weit fest, dass der Scheinwerfer sich nicht verstellt.
Legen Sie ein flaches Blechstück über die Vorderseite des Scheinwerfers.
Befestigen Sie ein magnetisches Winkelmesser an der Platte.
Halten Sie alle Teile fest und neigen gleichzeitig den Scheinwerfer vorsichtig um 3 Grad nach unten; ziehen Sie die Mutter dann fest.
Wiederholen Sie diese Schritte am anderen Scheinwerfer.
Wenn die Sicherheitsschalter abgeklemmt oder beschädigt sind, kann die Maschine möglicherweise unerwartet aktiviert werden und Verletzungen verursachen.
Modifizieren oder deaktivieren Sie keine Sicherheitsvorkehrungen.
Prüfen Sie die Funktion der Sicherheitsschalter täglich und tauschen Sie alle defekten Schalter vor dem Einsatz der Maschine aus.
Die Sicherheitsschalter der Maschine deaktivieren den Fahrantrieb, wenn der Bediener den Sitz verlässt und das Fahrpedal nicht in der NEUTRAL-Stellung ist. Der Mähwerkantrieb wird unter denselben Bedingungen deaktiviert. Sie können jedoch den Sitz bei laufendem Motor verlassen, solange das Fahrpedal in der NEUTRAL-Stellung ist.
Fahren Sie die Maschine langsam auf eine größere, offene Fläche.
Senken Sie das/die Mähwerk(e) ab, stellen den Motor aus und aktivieren die Feststellbremse.
Bringen Sie das Fahrpedal in die NEUTRAL-Stellung und lassen den Motor an.
Note: Der Motor sollte nicht starten. Wenn der Motor doch startet, weist der Sicherheitsschalter einen Defekt auf, den Sie vor Arbeitsbeginn beheben müssen.
Nehmen Sie den Fuß vom Fahrpedal, starten den Motor und aktivieren die Feststellbremse.
Bewegen Sie das Fahrpedal – bei laufendem Motor – aus der NEUTRAL-Stellung heraus.
Note: Der Fahrantrieb sollte nicht funktionieren. Tut er dies doch, weist der Sicherheitsschalter einen Defekt auf, den Sie vor Arbeitsbeginn beheben müssen.
Anlassen des Motors.
Stehen Sie bei laufendem Motor vom Sitz auf und kuppeln die Zapfwelle ein.
Note: Die Zapfwelle sollte sich jetzt eigentlich nicht einkuppeln lassen. Tut er dies doch, weist der Sicherheitsschalter einen Defekt auf, den Sie vor Arbeitsbeginn beheben müssen.
Setzen Sie sich auf den Sitz und kuppeln die Zapfwelle aus.
Kuppeln Sie bei laufendem Motor die Zapfwelle ein und stehen Sie vom Sitz auf.
Note: Der Zapfwellenantrieb sollte nach einer Sekunde ausgekuppelt werden. Wenn der Motor nicht ausgeht, weist der Sicherheitsschalter einen Defekt auf, den Sie vor Arbeitsbeginn beheben müssen.
Nehmen Sie auf dem Sitz Platz, kuppeln die Zapfwelle aus und lassen den Motor an.
Kuppeln Sie bei laufendem Motor die Zapfwelle ein und heben jedes Mähwerk einzeln an.
Note: Die Messer des angehobenen Mähwerks sollten anhalten. Wenn die Messer nicht anhalten, hat der Sicherheitsschalter einen Defekt, den Sie vor Arbeitsbeginn beheben müssen.
| Wartungsintervall | Wartungsmaßnahmen |
|---|---|
| Bei jeder Verwendung oder täglich |
|
Die Messer des Mähwerks müssen innerhalb von ca. fünf Sekunden nach dem Abstellen des Aktivierungsschalters für das Mähwerk zum kompletten Stillstand kommen.
Note: Stellen Sie sicher, dass die Mähwerke auf eine saubere Rasenfläche oder eine feste Oberfläche abgesenkt werden, damit kein Staub oder Schmutz aufgewirbelt wird. Zum Prüfen der Zeit bis zum Stillstand sollte eine zweite Person mindestens sechs Meter von den Mähwerke entfernt stehen und die Messer eines Mähwerks beobachten. Stellen Sie die Mähwerke ab und zeichnen Sie die Zeit bis zum vollständigen Stillstand der Messer auf. Beträgt die Zeit mehr als sieben Sekunden, muss das Bremsventil eingestellt werden. Wenden Sie sich für die Einstellung an den Toro-Vertragshändler.
Der Besitzer bzw. Bediener ist für Unfälle oder Verletzungen von Dritten sowie Sachschäden verantwortlich und kann diese verhindern.
Tragen Sie geeignete Kleidung, u. a. eine Schutzbrille, lange Hosen, rutschfeste Arbeitsschuhe und einen Gehörschutz. Binden Sie lange Haare hinten zusammen und tragen Sie keinen Schmuck oder weite Kleidung. Tragen Sie in staubigen Betriebsbedingungen eine Staubmaske.
Setzen Sie die Maschine nicht ein, wenn Sie müde oder krank sind oder unter Alkohol- oder Drogeneinfluss stehen.
Konzentrieren Sie sich immer bei der Verwendung der Maschine. Tun Sie nichts, was Sie ablenken könnte, sonst können Verletzungen oder Sachschäden auftreten.
Stellen Sie vor dem Anlassen des Motors sicher, dass alle Antriebe in der Neutralstellung sind, dass die Feststellbremse aktiviert ist und Sie in der Bedienungsposition sind.
Nehmen Sie nie Passagiere auf der Maschine mit und halten Sie alle unbeteiligten Personen und Haustiere aus dem Betriebsbereich der Maschine fern.
Setzen Sie die Maschine nur bei guten Sichtverhältnissen ein, um Löcher sowie andere verborgene Gefahren zu vermeiden.
Vermeiden Sie ein Mähen auf nassem Gras. Bei reduzierter Bodenhaftung kann die Maschine ins Rutschen geraten.
Berühren Sie bewegliche Teile nicht mit den Händen oder Füßen. Bleiben Sie immer von der Auswurföffnung fern.
Schauen Sie vor dem Rückwärtsfahren hinter sich und nach unten, um sicherzugehen, dass der Weg frei ist.
Seien Sie vorsichtig, wenn Sie sich unübersichtlichen Kurven, Sträuchern, Bäumen und anderen Objekten nähern, die Ihre Sicht behindern können.
Stellen Sie die Messer ab, wenn Sie nicht mähen.
Halten Sie die Maschine an, ziehen sie den Schlüssel ab und warten Sie, bis alle beweglichen Teile zum Stillstand gekommen sind, bevor Sie das Anbaugerät prüfen, wenn sie ein Objekt berührt haben oder ungewöhnliche Vibrationen auftreten. Führen Sie alle erforderlichen Reparaturen durch, ehe Sie die Maschine wieder in Gebrauch nehmen.
Fahren Sie beim Wenden und beim Überqueren von Straßen und Gehsteigen mit der Maschine langsam und vorsichtig. Geben Sie immer Vorfahrt.
Kuppeln Sie den Antrieb des Mähwerks aus, stellen Sie den Motor ab, ziehen Sie den Schlüssel ab und warten Sie, bis alle beweglichen Teile zum Stillstand gekommen sind, bevor Sie die Schnitthöhe einstellen (wenn Sie sie nicht von der Bedienerposition aus einstellen können).
Betreiben Sie den Motor nur in gut belüfteten Bereichen. Die Abgase enthalten Kohlenmonoxid, das beim Einatmen tödlich ist.
Lassen Sie niemals eine laufende Maschine unbeaufsichtigt zurück.
Bevor Sie den Fahrerstand verlassen, gehen Sie wie folgt vor:
Stellen Sie die Maschine auf einer ebenen Fläche ab.
Kuppeln Sie die Zapfwelle aus und senken Sie die Anbaugeräte ab.
Aktivieren Sie die Feststellbremse.
Stellen Sie den Motor ab und ziehen Sie den Schlüssel ab.
Warten Sie, bis alle beweglichen Teile zum Stillstand gekommen sind.
Setzen Sie die Maschine nur bei guten Sichtverhältnissen ein. Fahren Sie die Maschine nie bei Gewitter, bzw. wenn Gefahr durch Blitzschlag besteht.
Verwenden Sie die Maschine nicht als Zugmaschine.
Verwenden Sie nur von Toro® zugelassenes Zubehör, Anbaugeräte und Ersatzteile.
Verwenden Sie die Geschwindigkeitsregelung (falls vorhanden) nur, wenn Sie die Maschine in einem offenen, ebenen Bereich ohne Hindernisse betreiben können, in dem die Maschine ohne Unterbrechung mit konstanter Geschwindigkeit fahren kann.
Der Überrollschutz ist eine integrierte und leistungsfähige Sicherheitseinrichtung.
Entfernen Sie die Komponenten des Überrollschutzes nicht von der Maschine.
Stellen Sie sicher, dass der Sicherheitsgurt befestigt ist.
Ziehen Sie den Gurt über Ihren Schoß und stecken Sie ihn in das Gurtschloss auf der anderen Seite des Sitzes.
Zum Lösen des Sicherheitsgurts den Gurt festhalten, die Taste auf dem Gurtschloss drücken, um den Gurt zu lösen, und ihn durch die automatische Einzugsöffnung führen. Stellen Sie sicher, dass der Gurt in einem Notfall schnell gelöst werden kann.
Achten Sie immer auf hängende Objekte und berühren Sie sie nicht.
Halten Sie den Überrollschutz in einem sicheren Betriebszustand, überprüfen Sie ihn regelmäßig auf Beschädigungen und halten Sie alle Befestigungen angezogen.
Tauschen Sie beschädigte Teile des Überrollschutzes aus. Führen Sie keine Reparaturen oder Modifikationen daran aus.
Eine von Toro montierte Kabine ist ein Überrollbügel.
Legen Sie immer den Sicherheitsgurt an.
Hanglagen sind eine wesentliche Ursache für den Verlust der Kontrolle und Umkippunfälle, die zu schweren ggf. tödlichen Verletzungen führen können. Sie sind für den sicheren Einsatz an Hanglagen verantwortlich. Das Einsetzen der Maschine an jeder Hanglage erfordert große Vorsicht.
Evaluieren Sie das Gelände, einschließlich einer Ortsbegehung, um zu ermitteln, ob die Maschine sicher auf der Hanglage eingesetzt werden kann. Setzen Sie immer gesunden Menschenverstand ein, wenn Sie diese Ortsbegehung durchführen.
Prüfen Sie die unten aufgeführten Anweisungen für den Einsatz der Maschine auf Hanglagen und ermitteln Sie, ob die Maschine in den Bedingungen an diesem Tag und an diesem Ort eingesetzt werden kann. Veränderungen im Gelände können zu einer Veränderung in der Neigung für den Betrieb der Maschine führen.
Vermeiden Sie das Anfahren, Anhalten oder Wenden der Maschine an Hanglagen. Vermeiden Sie plötzliche Geschwindigkeits- oder Richtungsänderungen. Wenden Sie möglichst langsam und vorsichtig.
Benutzern Sie die Maschine niemals unter Bedingungen, bei der die Bodenhaftung, das Lenkverhalten oder die Stabilität des Fahrzeugs gefährdet werden.
Entfernen oder markieren Sie Hindernisse, u. a. Gräben, Löcher, Rillen, Bodenwellen, Steine oder andere verborgene Gefahren. Hohes Gras kann Hindernisse verdecken. Die Maschine könnte sich in unebenem Terrain überschlagen.
Beim Arbeiten auf nassem Gras, Überqueren von steilen Hanglagen oder beim Fahren hangabwärts kann die Maschine die Bodenhaftung verlieren. Wenn die Antriebsräder die Bodenhaftung verlieren, kann die Maschine rutschen und zu einem Verlust der Bremsleistung und Lenkung führen.
Gehen Sie beim Einsatz der Maschine in der Nähe von Abhängen, Gräben, Böschungen, Gewässern oder anderen Gefahrenstellen besonders vorsichtig vor. Die Maschine kann sich plötzlich überschlagen, wenn ein Rad über den Rand fährt oder die Böschung nachgibt. Halten Sie stets einen Sicherheitsabstand von der Maschine zur Gefahrenstelle ein.
Achten Sie auf Gefahren unten am Hang. Mähen Sie die Hanglage mit einer handgeführten Maschine, wenn Gefahren vorhanden sind.
Halten Sie das/die Mähwerk(e), sofern möglich, beim Einsatz der Maschine an Hanglagen abgesenkt. Das Anheben des Mähwerks beim Arbeiten an Hanglagen kann zu einer Instabilität der Maschine führen.
Passen Sie besonders mit Heckfangsystemen oder anderen Anbaugeräten auf. Diese Geräte können die Stabilität der Maschine ändern und zu einem Verlust der Fahrzeugkontrolle führen.
Vergewissern Sie sich, dass die Feststellbremse angezogen ist.
Nehmen Sie den Fuß vom Fahrpedal und stellen Sie sicher, dass es im LEERLAUF ist.
Drehen Sie den Zündschlüssel auf die LAUF-Stellung.
Drehen Sie den Schlüssel auf die START-Stellung, wenn die Glühkerzenlampe ausgeht.
Lassen Sie den Zündschlüssel sofort los und in die LAUF-Stellung zurückgehen, sobald der Motor anspringt.
Lassen Sie den Motor bei niedriger Geschwindigkeit (ohne Last) für 3 bis 5 Minuten warmlaufen, betätigen Sie dann den Gasbedienungsschalter, um die gewünschte Motordrehzahl zu erhalten.
Important: Der Anlassermotor wird automatisch nach 30 Sekunden abgestellt, um ein vorzeitiges Ausfallen des Anlassermotors zu verhindern. Stellen Sie den Zündschlüssel in die AUS-Stellung, wenn der Motor nicht nach 30 Sekunden anspringt, prüfen Sie die Bedienelemente und Vorgänge erneut, warten Sie 2 Minuten und wiederholen den Startvorgang.
Note: Wenn die Temperatur des Hydrauliköls unter 4°C liegt, arbeitet die Maschine in einer Aufwärmbetriebsart, bei der die Motordrehzahl auf 1.650 U/min begrenzt wird; außerdem kann der Fahrantrieb nicht im hohen Bereich verwendet werden. Wenn die Temperatur des Öls 4°C erreicht, wird die Aufwärmbetriebsart deaktiviert.
Stellen Sie den Gasbedienungsschalter in die NIEDRIGE LEERLAUFSTELLUNG.
Stellen Sie den Zapfwellenschalter in die AUS-Stellung.
Aktivieren Sie die Feststellbremse.
Drehen Sie den Zündschlüssel auf die AUS-Stellung.
Ziehen Sie den Schlüssel aus dem Zündschloss, um einem versehentlichen Anlassen vorzubeugen.
Important: Lassen Sie den Motor für 5 Minuten im Leerlauf laufen, bevor Sie ihn nach einem Einsatz unter voller Last ausschalten. Ansonsten kann es zu Problemen mit dem Turbolader kommen.
Setzen Sie sich auf den Sitz und lassen den Motor an.
Note: Wenn der Motor mit einer Drehzahl unter 2000 U/min läuft (z. B. wenn der Motor im niedrigen Leerlauf läuft oder die Maschine in ein Gebäude hineingefahren oder aus einem herausgefahren wird), können Sie nicht alle Mähwerke gleichzeitig anheben. Sie können nur jeweils ein Mähwerk anheben.
Drücken Sie den Mähwerkhubschalter nach hinten, um die Mähwerke anzuheben.
Haken Sie die Riegel, mit denen die Mähwerke in der angehobenen Stellung gehalten werden, mit dem Griff aus.
Setzen Sie sich auf den Sitz und drehen Sie den Zündschlüssel in die LAUF-Stellung (Bild 31).

Drücken Sie den Mähwerkhubschalter nach vorne, um die Mähwerke abzusenken.
Der Dieselpartikelfilter (DPF) entfernt Ruß aus den Motorabgasen.
Der DPF-Regenerationsprozess nutzt die Wärme aus dem Motorabgas, die durch den Katalysator erhöht wird, um den angesammelten Ruß zu Asche zu reduzieren.
Beachten Sie Folgendes, um den Dieselpartikelfilter sauber zu halten:
Den Motor möglichst mit voller Motordrehzahl laufen lassen, um die Selbstreinigung des Dieselpartikelfilters zu fördern.
Verwenden Sie das richtige Motoröl.
Minimieren Sie die Zeit, in der Sie den Motor im Leerlauf laufen lassen.
Verwendet Sie nur Diesel mit extrem niedrigem Schwefelgehalt.
Vergessen Sie die Funktion des Dieselpartikelfilters nicht bei der Verwendung oder Wartung Ihrer Maschine. Der Motor unter Last erzeugt in der Regel eine ausreichende Abgastemperatur für die Regeneration des Dieselpartikelfilters.
Important: Verringern Sie die Dauer, für die Sie den Motor im Leerlauf laufen lassen oder den Motor mit einer niedrigen Motordrehzahl verwenden, um die Ansammlung von Ruß im Dieselpartikelfilter zu verringern.
Die Auspufftemperatur ist heiß (ca. 600 °C) bei der Regeneration des Dieselpartikelfilters. Heiße Auspuffgase können Sie oder andere Personen verletzen.
Lassen Sie den Motor nie in geschlossenen Räumen laufen.
Stellen Sie sicher, dass sich keine brennbaren Materialien in der Nähe der Auspuffanlage befinden.
Achten Sie darauf, dass die heißen Abgase nicht mit Oberflächen in Berührung kommen, die durch Hitze beschädigt werden können.
Fassen Sie kein heißes Teil der Auspuffanlage an.
Halten Sie sich nicht in der Nähe oder hinter dem Auspuffrohr der Maschine auf.
| Symbol | Symbolerklärung |
![]() | • Geparkt- oder Regenerationswiederherstellung-Symbol: Regeneration wird angefordert. |
| • Führen Sie die Regeneration sofort durch. | |
![]() | • Eine Regeneration wird quittiert und die Anfrage wird bearbeitet. |
![]() | • Eine Regeneration wird ausgeführt und die Abgastemperatur ist erhöht. |
![]() | • Fehlfunktion des NOx-Steuerungssystems: die Maschine muss gewartet werden. |
| Typ der Regeneration | Konditionen, die eine Regeneration des Dieselpartikelfilters bewirken | Dieselpartikelfilter-Beschreibung des Betriebs |
|---|---|---|
| Passiv | Tritt beim normalen Einsatz der Maschine mit hoher Motordrehzahl oder hoher Motorlast auf | • Im InfoCenter wird kein Symbol angezeigt, das die passive Regeneration angibt. |
| • Bei der passiven Regeneration verarbeitet der Dieselpartikelfilter sehr heiße Auspuffgase, oxidiert schädigende Emissionen und verbrennt Ruß zu Asche. | ||
| Unterstützt | Tritt bei niedriger Motordrehzahl, niedriger Motorlast oder der Computer erkennt, dass der DPF mit Ruß verstopft ist. | • Im InfoCenter wird kein Symbol angezeigt, das die unterstützte Regeneration angibt. |
| • Während der unterstützten Regeneration passt der Motorcomputer die Motoreinstellungen, um die Auspufftemperatur zu erhöhen. | ||
| Zurücksetzen | Tritt alle 100 Betriebsstunden auf | • Wenn das Symbol für die hohe Auspufftemperatur im InfoCenter angezeigt
wird, wird eine Regeneration ausgeführt. |
| Tritt auch auf, wenn der normale Motorbetrieb die zulässige Rußansammlung im Filter überschreitet. | ||
| • Während der Reset-Regeneration hält der Motorcomputer eine erhöhte Motordrehzahl aufrecht, um die Filterregeneration zu gewährleisten. |
| Typ der Regeneration | Konditionen, die eine Regeneration des Dieselpartikelfilters bewirken | Dieselpartikelfilter-Beschreibung des Betriebs |
|---|---|---|
| Geparkt | Tritt auf, weil der Computer feststellt, dass die automatische Reinigung des Dieselpartikelfilters nicht ausreichend war. | • Wenn das Reset-Standby/Geparkt-
oder Wiederherstellungsregeneration-Symbol oder eine Regeneration
angefordert wird. |
| Tritt auch auf, wenn Sie eine geparkte Regeneration eingeleitet haben. | ||
| Kann auftreten, weil die Regenerationsunterdrückung eingeleitet wurde und die automatische Reinigung des Dieselpartikelfilters deaktiviert wurde | • Führen Sie die geparkte Regeneration sobald wie möglich aus, damit keine Wiederherstellungsregeneration erforderlich ist. | |
| Kann aufgrund von falschem Kraftstoff oder Motoröl auftreten | • Eine geparkte Regeneration dauert 30 Minuten bis 60 Minuten. | |
| • Der Kraftstofftank muss mindestens ein Viertel der Kraftstoffmenge enthalten. | ||
| • Sie müssen die Maschine parken, um eine geparkte Regeneration auszuführen. | ||
| Wiederherstellung | Tritt auf, weil die Anforderung für eine geparkte Regeneration ignoriert wurde, wodurch sich der Dieselpartikelfilter kritisch verstopfen kann. | • Wenn das Reset-Standby/Geparkt- oder Wiederherstellungsregeneration-Symbol: oder eine Wiederherstellungsregeneration
angefordert wird. |
| • Eine Wiederherstellungsregeneration dauert ca. 3 Stunden. | ||
| • Der Kraftstofftank muss mindestens halb voll sein. | ||
| • Sie müssen die Maschine parken, um eine Wiederherstellungsregeneration auszuführen. |
Scrollen Sie im HAUPTMENü zu SERVICE und drücken Sie die Auswahltaste.
Blättern Sie in SERVICE zu DPF REGENERATION und drücken Sie die Auswahltaste.
Wählen Sie die gewünschte Regenerationsfunktion aus.

Zugriff auf das Menü zur DPF REGENERATION und scrollen Sie zu LAST REGEN [Letzte Regeneration].
Wählen Sie den Eintrag LAST REGEN [Letzte Regeneration] aus.
Ermitteln Sie mit dem Feld LAST REGEN die Betriebsstunden, für die Sie den Motor seit der letzten Rücksetzregeneration, geparkten Regeneration oder Wiederherstellungsregeneration eingesetzt haben.
Drücken Sie die Zurück“-Taste , um zum Bildschirm DPF-REGENERATION zurückzukehren.

Eine Reset-Regeneration erzeugt erhöhte Motorabgase. Wenn Sie die Maschine in der Nähe von Bäumen, Büschen, hohem Gras oder anderen temperaturempfindlichen Pflanzen oder Materialien betreiben, können Sie die Einstellung INHIBIT REGEN [Regeneration unterdrücken] verwenden, um zu verhindern, dass der Motorcomputer eine Reset-Regeneration durchführt.
Note: Die Option INHIBIT REGEN [Regeneration unterdrücken] wird immer dann verwendet, wenn die Maschine in einem geschlossenen Bereich gewartet wird.
Note: Wenn Sie das InfoCenter so einstellen, dass die Regeneration verhindert wird, zeigt das InfoCenter alle 15 Minuten eine Meldung an, wenn der Motor eine Reset-Regeneration anfordert.
Important: Wenn Sie den Motor abstellen und erneut anlassen, ist die Einstellung für Inhibit Regen.“ standardmäßig OFF.
Rufen Sie das Menü zur REGENERATION DES DIESELPARTIKELFILTERS auf und scrollen Sie zu INHIBIT REGEN [Regeneration unterdrücken].
Wählen Sie den Eintrag REGEN [Regeneration] aus.
Ändern Sie die Einstellung zur Unterdrückung der Regeneration von AUS auf EIN.
Stellen Sie sicher, die Maschine für den Typ der Regeneration, die Sie durchführen, genug Kraftstoff im Tank hat.
Geparkte Regeneration: Stellen Sie sicher, dass der Kraftstofftank mindestens ein Viertel der Kraftstoffmenge enthält, bevor Sie die geparkte Regeneration durchführen.
Wiederherstellungsregeneration: Stellen Sie sicher, dass der Kraftstofftank mindestens halb voll ist, bevor Sie die Wiederherstellunsregeneration durchführen.
Bringen Sie das Gerät in einen Bereich, der entfernt von brennbaren Materialien oder Gegenständen liegt, die durch Hitze beschädigt werden können.
Stellen Sie die Maschine auf einer ebenen Fläche ab, stellen Sie alle Bedienelemente in die NEUTRAL-Stellung, kuppeln Sie die Zapfwelle aus und senken Sie die Mähwerke ab.
Aktivieren Sie die Feststellbremse und warten Sie, bis der Motor die niedrige Leerlaufdrehzahl erreicht hat.
Wurde eine geparkte Regeneration vom Motorcomputer angefordert, folgen Sie den Meldungen im InfoCenter.
Important: Der Computer der Maschine bricht die Regeneration des Dieselpartikelfilters ab, wenn Sie die Motordrehzahl vom niedrigen Leerlauf erhöhen oder die Feststellbremse lösen.
Rufen Sie das Menü DPF REGENERATION auf und scrollen Sie nach unten zu PARKED REGEN [geparkte Regeneration] oder RECOVERY REGEN [Wiederherstellungsregeneration].
Wählen Sie den Eintrag PARKED REGEN [geparkte Regeneration] oder RECOVERY REGEN [Wiederherstellungsregeneration] aus.
Note: Um eine Wiederherstellungsregenerierung einzuleiten, müssen Sie den richtigen PIN-Code eingeben.
Überprüfen Sie auf dem Bildschirm REGEN PARAMETERS [Kraftstofftank überprüfen], dass der Kraftstofftank zu einem Viertel gefüllt ist, wenn Sie eine geparkte Regeneration durchführen, oder dass er halb voll ist, wenn Sie die Wiederherstellungsregeneration ausführen. Stellen Sie sicher, dass die Feststellbremse aktiviert ist und die Motordrehzahl auf niedrigen Leerlauf eingestellt ist. Drücken Sie die Auswahltaste, um fortzufahren.
Betätigen Sie im Bildschirm INITIATE DPF REGEN [Regeneration des Dieselpartikelfilters einleiten] die Weiter“-Taste, um fortzufahren.
Im InfoCenter wird die Meldung INITIATE DPF REGENERATION angezeigt.
Note: Betätigen Sie bei Bedarf das Abbrechen-Symbol, um den Regenerationsvorgang abzubrechen.
Im InfoCenter wird die Meldung über die Abschlusszeit angezeigt.
Das InfoCenter zeigt den Startbildschirm an und das
Symbol für die Bestätigung Regeneration wird eingeblendet
.
Note: Während der Ausführung der Regeneration des Dieselpartikelfilters
wird das Symbol für die hohe Auspufftemperatur
angezeigt.
Wenn der Motorcomputer eine geparkte oder Wiederherstellungsregeneration durchführt, zeigt das InfoCenter eine Meldung an. Drücken Sie eine beliebige Taste, um den Homebildschirm anzuzeigen.
Note: Kann die Regeneration nicht abgeschlossen werden, folgen Sie den Hinweisen und drücken Sie eine beliebige Taste, um den Startbildschirm zu verlassen.
Verwenden Sie die Einstellung PARKED REGEN CANCEL [geparkte Regeneration abbrechen] oder RECOVERY REGEN CANCEL [Wiederherstellungsregeneration abbrechen], um eine laufende geparkte oder Wiederherstellungsregeneration abzubrechen.
Blättern Sie im Menü DPF-REGENERATION zu PARKED REGEN [geparkte Regeneration] oder RECOVERY REGEN [Wiederherstellungsregenerierung].
Drücken Sie auf die Auswahltaste, um eine geparkte Regeneration oder eine Wiederherstellungsregeneration abzubrechen.

Üben Sie das Fahren mit der Maschine, da sie ein hydrostatisches Getriebe hat, dessen Fahrverhalten sich von einigen anderen Rasenpflegemaschinen unterscheidet.
Mit Smart Power™ von Toro müssen Sie in schwierigen Bedingungen nicht auf die Motordrehzahl achten. Smart Power verhindert, dass die Maschine in schweren Grünflächen steckenbleibt. Hierfür wird die Maschinengeschwindigkeit automatisch gesteuert und die Mähleistung optimiert.
Wenn Smart Power™ von Toro deaktiviert ist, müssen Sie das Fahrpedal so einstellen, dass die Motordrehzahl hoch und ungefähr gleich bleibt. Dies ist erforderlich, damit die Zugmaschine und das Anbaugerät genug Kraft bei der Verwendung haben. Reduzieren Sie bei zunehmender Belastung des Anbaugerätes die Fahrgeschwindigkeit und erhöhen diese, wenn sich die Last reduziert.
Lassen Sie das Fahrpedal bei abnehmender Motordrehzahl zurückgehen und drücken es wieder herunter, wenn sich die Drehzahl erhöht. Wenn Sie jedoch ohne Belastung und mit angehobenen Mähwerken von einem Arbeitsbereich zum anderen fahren, stellen Sie die Gasbedienung in die höchste Stellung und treten das Fahrpedal langsam ganz durch, um die höchste Fahrgeschwindigkeit zu erzielen.
Kuppeln Sie vor dem Abstellen des Motors alle Bedienelemente aus und verringern Sie die Motordrehzahl auf den NIEDRIGEN LEERLAUF (1000 U/min). Drehen Sie den Zündschlüssel in die AUS-Stellung, um den Motor abzustellen.
Heben Sie vor dem Maschinentransport zuerst die Mähwerke an und arretieren Sie die Transportriegel am Flügelmähwerk (Bild 35).

Diese Maschine hat zwei Spannungssysteme: 12 Volt und 24 Volt.
Das 12-Volt-System speist alle Maschinenfunktionen, außer den Kühlventilatoren des Motors und der Hydraulik. Die zwei großen 12-Volt-Batterien an der hinteren Maschinenkante rechts sind parallel verbunden und ergeben eine Nennspannung von 12 Volt. Die 12-Volt-Lichtmaschine des Motors lädt diese Batterien auf.
Das 24-Volt-System speist die Kühlventilatoren des Motors und der Hydraulik. Die zwei kleinen 12-Volt-Batterien an der hinteren Maschinenkante links sind hintereinandergeschaltet und ergeben eine Nennspannung von 24 Volt. Die 24-Volt-Lichtmaschine des Motors lädt diese Batterien auf.
Der Akkutrennschalter befindet sich rechts am Maschinenheck. Mit diesem Schalter kann der Strom für Wartungs- oder Kundendienstarbeiten zu den Batterien abgestellt werden.
Die Geschwindigkeit des Hydrauliklüfters wird von der Temperatur des Hydrauliköls gesteuert. Die Kühlerlüfter-Geschwindigkeit wird von der Temperatur des Motorkühlmittels gesteuert. Bei einem Umkehrungszyklus werden automatisch beide Lüfter aktiviert, wenn das Motorkühlmittel oder das Hydrauliköl eine bestimmte Temperatur erreicht. Diese Umkehrung bläst Rückstände von den Gittern und senkt die Temperatur des Motor- und Hydrauliköls (Bild 36). Außerdem laufen die Kühlerlüfter alle 21 Minuten rückwärts, unabhängig von der Kühlmitteltemperatur.

Starten Sie den Motor und lassen ihn im HALBEN LEERLAUF warmlaufen. Stellen Sie den Motordrehzahlschalter in den HOHEN LEERLAUF, heben die Mähwerke an, lösen die Feststellbremse, treten auf das Vorwärtsfahrpedal und fahren vorsichtig auf einen freien Bereich.
Üben Sie das Vorwärts- und Rückwärtsfahren sowie das Starten und Stoppen der Maschine. Nehmen Sie zum Anhalten der Maschine den Fuß vom Fahrpedal und lassen dieses in die NEUTRALSTELLUNG zurückgehen, oder treten Sie auf das Rückwärtsfahrpedal.
Note: Beim Hangabwärtsfahren müssen Sie zum Stoppen u. U. das Rückwärtsfahrpedal treten.
Üben Sie das Umfahren von Hindernissen bei angehobenen und abgesenkten Mähwerken. Fahren Sie vorsichtig zwischen Hindernissen durch, sodass Sie weder die Maschine noch die Mähwerke beschädigen.
Fahren Sie in unebenem Gelände immer langsam.
Wenn Sie auf ein Hindernis stoßen, heben Sie die Mähwerke so an, dass Sie darum herum mähen können.
Wenn Sie die Maschine von einem Arbeitsbereich zu einem anderen transportieren, stellen Sie die Zapfwelle ab, heben die Mähwerke ganz an, stellen den Mäh-/Transportschalter in die TRANSPORT-Stellung und die Gasbedienung in die SCHNELL-Stellung.
Das Ändern der Mähmuster verringert oft Probleme beim Schnittbild, die durch wiederholtes Mähen in der gleichen Richtung auftreten.
Die Gegengewichtanlage erhält den Hydraulikgegendruck auf die Mähwerkhubzylinder. Dieser Druck verbessert den Antrieb, da das Gewicht des Mähwerks auf die Antriebsräder des Mähers verlagert wird. Der Gegengewichtdruck wurde im Werk auf eine optimale Balance von Schnittbild und Antrieb in den meisten Grünflächenbedingungen eingestellt.
Das Verringern der Gegengewichteinstellung führt ggf. zu einem stabileren Mähwerk, kann den Antrieb jedoch verschlechtern. Das Erhöhen der Gegengewichteinstellung kann den Antrieb verbessern, sich aber nachteilig auf das Schnittbild auswirken. Weitere Informationen zum Einstellen des Gegengewichtdrucks finden Sie in der Wartungsanleitung für die Zugmaschine.
Weitere Informationen finden Sie in der Anleitung Beheben von Schnittbildproblemen“ (Aftercut Appearance Troubleshooting Guide) unter www.Toro.com.
Kuppeln Sie zum Mähen die Mähwerke ein und fahren den Arbeitsbereich langsam an.
Orientieren Sie sich an einem Baum oder einem anderen Gegenstand in einiger Entfernung und fahren diesen geradlinig an, um ein professionelles gerades Schnittbild und Streifen herbeizuführen.
Führen Sie, sobald die Frontmähwerke den Mähbereich erreichen, eine tränenförmige Wendung durch, um die Maschine schnell für den nächsten Durchgang auszurichten.
Für die Mähwerke sind auch festgeschraubte Mulchablenkbleche erhältlich. Die Mulchablenkbleche funktionieren gut, wenn Sie die Grünfläche regelmäßig mähen, damit jeweils höchstens 25 mm der Schnittlänge des Grases entfernt wird. Wenn Sie bei eingebauten Mulchablenkblechen zu viel Gras schneiden, kann das Schnittbild leiden und der zum Rasenmähen erforderliche Kraftaufwand nimmt zu. Die Mulchablenkbleche eignen sich ebenfalls zum Zerschneiden von herbstlichem Laub.
Schneiden Sie beim Mähen ca. ein Drittel des Grashalms ab. Sie müssen bei extrem sattem und dichtem Gras u. U. die Schnitthöhe um eine weitere Stufe erhöhen (Bild 37).

Die Mähwerkneigung ist der Unterschied der Schnitthöhe von der Vorderseite des Messers bis zur Rückseite. Verwenden Sie eine Messerneigung von 7,6 mm Eine Messerneigung von mehr als 7,6 mm führt zum Rückgang der erforderlichen Leistung, gröberem Schnittgut und einer schlechteren Schnittqualität. Eine Messerneigung von weniger als 7,6 mm führt zu einem höheren Leistungsbedarf, kleinerem Schnittgut und einer besseren Schnittqualität.
Stellen Sie die Maschine im Schatten ab oder lassen Sie bei direkter Sonneneinstrahlung die Türen auf, um ein Erwärmen durch das Sonnenlicht zu verringern.
Stellen Sie sicher, dass das Gitter der Klimaanlage sauber ist.
Stellen Sie sicher, dass die Kondensatorrippen der Klimaanlage sauber sind.
Lassen Sie das Gebläse der Klimaanlage mit mittlerer Geschwindigkeit laufen.
Vergewissern Sie sich, dass der Bereich zwischen Dach und Dachhimmel durchgehend abgedichtet ist und nehmen bei Bedarf die entsprechenden Reparaturen vor.
Messen Sie die Lufttemperatur an der mittleren Frontentlüftung im Kabinenhimmel. Diese liegt normalerweise unter oder bei 10 Grad Celsius.
Weitere Informationen finden Sie in der Wartungsbedienungsanleitung.
Stellen Sie vor dem Verlassen des Fahrersitzes den Motor ab, ziehen Sie den Schlüssel ab und warten Sie, bis alle beweglichen Teile zum Stillstand gekommen sind. Lassen Sie die Maschine abkühlen, bevor Sie diese einstellen, warten, reinigen oder einlagern.
Um Brände zu vermeiden, stellen Sie sicher, dass Mähwerke, Antriebe, Schalldämpfer, Kühlsiebe und der Motorraum frei von Gras und Schmutzablagerungen sind. Wischen Sie Öl- und Kraftstoffverschüttungen auf.
Befinden sich die Mähwerke in der Transport-Stellung, verwenden Sie die formschlüssige mechanische Sicherung (sofern vorhanden), bevor Sie die Maschine unbeaufsichtigt lassen.
Lassen Sie den Motor abkühlen, bevor Sie die Maschine in einem geschlossenen Raum abstellen.
Ziehen Sie den Schlüssel ab und schließen Sie den Kraftstoffhahn (falls vorhanden), bevor Sie die Maschine einlagern oder schleppen.
Lagern Sie die Maschine oder den Benzinkanister nie an Orten mit offener Flamme, Funken oder Zündflamme, z. B. Warmwasserbereiter, oder andere Geräte.
Den/die Sicherheitsgurt(e) bei Bedarf warten und reinigen
Note: Dieser Alarm ist eine Erinnerung, um das Entladen des Akkus zu verhindern.
Der Alarmsummer ertönt in den folgenden Fällen:
Der Motor ist abgestellt.
Der Schlüssel ist in der Lauf-Stellung.
Der Bediener sitzt nicht auf dem Sitz.
Important: Schieben oder schleppen Sie die Maschine höchstens mit 3-4,8 km/h ab. Wenn Sie die Maschine mit einer höheren Geschwindigkeit schieben oder abschleppen, kann das interne Getriebe beschädigt werden.Öffnen Sie die Sicherheitsventile, wenn die Maschine geschoben oder geschleppt wird.
Öffnen Sie die Motorhaube und ermitteln Sie die Sicherheitsventile an der Pumpe.

Lösen Sie beide Schleppventile am hydrostatischen Getriebe.
Drehen Sie jedes Ventil um drei Umdrehungen nach links, um das Ventil zu öffnen und die Flüssigkeit intern abzulenken.
Lösen Sie die automatische Feststellbremse manuell mit dem Sicherheitsventil und dem Kolben, wie in Bild 39 abgebildet.

Schieben oder schleppen Sie die Maschine ab.
Schließen Sie nach dem Schieben oder Abschleppen der Maschine das Sicherheitsventil. Ziehen Sie das Ventil auf 70 N∙m an.
Note: Das manuelle Lösen der Feststellbremse wird automatisch zurückgesetzt, wenn Sie den Motor anlassen oder den Knopf des Sicherheitsventils nach oben ziehen.

Ziehen Sie den Schlüssel ab und schließen Sie den Kraftstoffhahn (falls vorhanden), bevor Sie die Maschine einlagern oder schleppen.
Gehen Sie beim Verladen und Abladen der Maschine auf einen/von einem Anhänger oder Pritschenwagen vorsichtig vor.
Verwenden Sie durchgehende Rampen für das Verladen der Maschine auf einen Anhänger oder Pritschenwagen.
Vergurten Sie die Maschine.
Note: Bestimmen Sie die linke und rechte Seite der Maschine anhand der üblichen Einsatzposition.
Important: Weitere Informationen zu Wartungsarbeiten finden Sie in der Motorbedienungsanleitung.
Important: Wenn Sie Wartungsarbeiten an der Maschine durchführen und den Motor mit einer Abluftleitung für den Motorauspuff laufen lassen, stellen Sie die Einstellung Inhibit Regen.“ in die EIN-Stellung, siehe Einstellen von Inhibit Regen.“.
Bevor Sie den Fahrerstand verlassen, gehen Sie wie folgt vor:
Stellen Sie die Maschine auf einer ebenen Fläche ab.
Kuppeln Sie die Zapfwelle aus und senken Sie die Anbaugeräte ab.
Aktivieren Sie die Feststellbremse.
Stellen Sie den Motor ab und ziehen Sie den Schlüssel ab.
Warten Sie, bis alle beweglichen Teile zum Stillstand gekommen sind.
Tragen Sie geeignete Kleidung, u. a. eine Schutzbrille, lange Hose und rutschfeste Arbeitsschuhe. Halten Sie Hände, Füße, Kleidung, Schmuck und lange Haare von beweglichen Teilen fern.
Wenn Sie den Schlüssel im Zündschloss lassen, könnte eine andere Person den Motor versehentlich anlassen und Sie und Unbeteiligte schwer verletzen. Ziehen Sie den Schlüssel aus dem Zündschloss, bevor Sie Wartungsarbeiten durchführen.
Lassen Sie alle Maschinenteile abkühlen, ehe Sie mit Wartungsarbeiten beginnen.
Befinden sich die Mähwerke in der Transport-Stellung, verwenden Sie die formschlüssige mechanische Sicherung (sofern vorhanden), bevor Sie die Maschine unbeaufsichtigt lassen.
Führen Sie Wartungsarbeiten möglichst nicht bei laufendem Motor durch. Fassen Sie keine beweglichen Teile an.
Betreiben Sie den Motor nur in gut belüfteten Bereichen. Die Abgase enthalten Kohlenmonoxid, das beim Einatmen tödlich ist.
Stützen Sie die Maschine mit Achsständern ab, wenn Sie Arbeiten unter der Maschine ausführen.
Lassen Sie den Druck aus Maschinenteilen mit gespeicherter Energie vorsichtig ab.
Alle Teile der Maschine müssen sich in gutem Zustand befinden, und alle Hardware – insbesondere die Messerbefestigungen – korrekt festgezogen sein.
Ersetzen Sie abgenutzte und beschädigte Aufkleber.
Verwenden Sie nur Originalersatzteile von Toro, um eine sichere und optimale Leistung zu gewährleisten. Ersatzteile anderer Hersteller können gefährlich sein und eine Verwendung könnte die Garantie ungültig machen.
| Wartungsintervall | Wartungsmaßnahmen |
|---|---|
| Nach 10 Betriebsstunden |
|
| Nach 50 Betriebsstunden |
|
| Bei jeder Verwendung oder täglich |
|
| Alle 50 Betriebsstunden |
|
| Alle 100 Betriebsstunden |
|
| Alle 250 Betriebsstunden |
|
| Alle 400 Betriebsstunden |
|
| Alle 500 Betriebsstunden |
|
| Alle 800 Betriebsstunden |
|
| Alle 1000 Betriebsstunden |
|
| Alle 1500 Betriebsstunden |
|
| Alle 2000 Betriebsstunden |
|
| Alle 3000 Betriebsstunden |
|
| Vor der Einlagerung |
|
| Alle 2 Jahre |
|
Kopieren Sie diese Seite für regelmäßige Verwendung.
| Wartungsprüfpunkt | Für KW: | ||||||
|---|---|---|---|---|---|---|---|
| Montag | Dienstag | Mittwoch | Donnerstag | Freitag | Samstag | Sonntag | |
| Prüfen Sie die Funktion der Sicherheitsschalter. | |||||||
| Prüfen Sie die Funktion der Bremsen. | |||||||
| Prüfen Sie den Ölstand im Motor. | |||||||
| Prüfen Sie den Stand des Kühlsystems. | |||||||
| Entleeren Sie den Kraftstoff-/Wasserabscheider. | |||||||
| Prüfen Sie den Luftfilter, die Staubschale und das Entlüftungsventil. | |||||||
| Achten Sie auf ungewöhnliche Motorengeräusche.1 | |||||||
| Prüfen Sie die Gitter des Kühlers und Hydraulikölkühlers auf Rückstände und blasen sie mit Druckluft heraus. | |||||||
| Achten Sie auf ungewöhnliche Betriebsgeräusche. | |||||||
| Prüfen Sie den Füllstand der Hydraulikanlage. | |||||||
| Prüfen Sie die Hydraulikschläuche auf Defekte. | |||||||
| Prüfen Sie die Dichtheit. | |||||||
| Prüfen Sie den Kraftstoffstand. | |||||||
| Prüfen Sie den Druck in den Reifen und im Laufrad. | |||||||
| Prüfen Sie die Funktion der Instrumente. | |||||||
| Prüfen Sie die Schnitthöheneinstellung. | |||||||
| Fetten Sie alle Schmiernippel ein.2 | |||||||
| Reinigen Sie die Maschine. | |||||||
| Bessern Sie alle Lackschäden aus. | |||||||
|
1Prüfen Sie bei Startschwierigkeiten, bei zu starkem Qualmen oder unruhigem Motorlauf die Glühkerzen, die Einspritzdüsen und die Luftfilter des Motors. 2Sofort nach jedem Reinigen, unabhängig von den aufgeführten Intervallen. |
|||||||
| Inspiziert durch: | ||
| Punkt | Datum | Informationen |
Öffnen Sie die Motorhaube, um an den Trennschalter des Akkus zu gelangen.
Drehen Sie den Trennschalter des Akkus in die EIN- oder AUS-Stellung, um Folgendes auszuführen:
Drehen Sie den Trennschalter des Akkus nach rechts in die EIN-Stellung, um die Maschine mit Strom zu versorgen (Bild 43).
Drehen Sie den Trennschalter des Akkus nach links in die AUS-Stellung, um die Stromzufuhr zur Maschine zu unterbrechen (Bild 43).
Important: Stellen Sie den Trennschalter des Akkus nicht bei laufendem Motor in die AUS-Stellung. Stellen Sie sicher, dass der Motor abgestellt ist, bevor Sie den Trennschalter des Akkus in die AUS-Stellung drehen, sonst kann der Motor oder die Maschine beschädigt werden.

Senken Sie das Seitenmähwerk auf eine ebene Oberfläche ab.
Lösen Sie die Abdeckungsriegel.
Entfernen Sie die Schraube, mit der die Riemenabdeckung befestigt ist (falls vorhanden).
Heben Sie die hinteren und inneren Abdeckungskanten von den Befestigungsstreben (Bild 46).

Schieben Sie die Abdeckung beim Anheben ungefähr 2,5 cm zur Zugmaschine, um die äußere Abdeckungskante vom Mähwerk auszuhaken (Bild 47).

Heben Sie die vordere Kante an und führen sie zwischen dem Hubarm und der Rolle, um sie zu entfernen (Bild 48).

Senken Sie das Seitenmähwerk auf eine ebene Oberfläche ab.
Schieben Sie die Abdeckung in die richtige Stellung; führen Sie die hintere Kante zwischen dem Hubarm und der Rolle.
Schieben Sie die Abdeckung von der Zugmaschine weg und führen Sie gleichzeitig die äußere Kante unter die vorderen und hinteren Halterungen am Mähwerk.
Fluchten Sie die Befestigungsstreben des Mähwerks mit den Löchern in der Abdeckung aus und senken Sie die Abdeckung in die richtige Stellung ab.
Setzen Sie die Schraube ein, mit der die Riemenabdeckung befestigt ist (falls vorhanden).
Bringen Sie den Mähwerk-Abdeckungsriegel an.
| Wartungsintervall | Wartungsmaßnahmen |
|---|---|
| Alle 50 Betriebsstunden |
|
Die Maschine hat Schmiernippel, die regelmäßig mit Nr. 2 Schmierfett auf Lithiumbasis eingefettet werden müssen. Fetten Sie die Maschine sofort nach jeder Reinigung ein.
2 Laufradgabelbüchsen (Bild 52)
5 Spindelwellenlager (im Spindelgehäuse), siehe Bild 52 .
3 Spannscheibenarm-Drehbüchsen (die sich auf der die Spannscheibe tragenden Drehgelenkwelle befinden), siehe Bild 52 .
Vier Drehbüchsen am Seitenmähwerk (die sich an den Lagerbolzen des Seitenmähwerks befinden), wie in Bild 52 abgebildet.

Important: Berühren Sie das elektronische Steuergerät nicht direkt oder lassen Sie elektrische Anschlüsse mit Wasser in Berührung kommen, da eine Beschädigung auftreten kann, in Bild 56 werden die Stellen für das elektronische Steuergerät und die elektrischen Anschlüsse abgebildet.

Stellen Sie den Motor ab und ziehen den Schlüssel ab, bevor Sie den Ölstand prüfen oder Öl in das Kurbelgehäuse einfüllen.
Ändern Sie nicht die Geschwindigkeit des Drehzahlreglers oder überdrehen den Motor.
Prüfen Sie das Luftfiltergehäuse auf Beschädigungen, die eventuell zu einem Luftleck führen können und ersetzen Sie es, wenn Sie eine Beschädigung festgestellt haben. Prüfen Sie die ganze Einlassanlage auf Lecks, Beschädigungen oder lose Schlauchklemmen. Prüfen Sie auch die Verbindungen am Einlass-Gummischlauch am Luftfilter und Turbolader und stellen Sie sicher, dass die Verbindungen fest sind.
Warten Sie den Luftfilter nur, wenn die Mitteilung Check Air Filter“ im InfoCenter angezeigt wird. Das frühzeitige Auswechseln des Luftfilters erhöht nur die Gefahr, dass Schmutz in den Motor gelangt, wenn Sie den Filter entfernen.
Stellen Sie sicher, dass die Abdeckung richtig angebracht ist und das Luftfiltergehäuse abdichtet.
| Wartungsintervall | Wartungsmaßnahmen |
|---|---|
| Alle 50 Betriebsstunden |
|
Prüfen Sie das Luftfiltergehäuse auf Beschädigungen, die eventuell zu einem Luftaustritt führen können. Ersetzen Sie einen defekten Luftfilterkörper.
Reinigen Sie die Luftfilterabdeckung (Bild 57).

| Wartungsintervall | Wartungsmaßnahmen |
|---|---|
| Alle 250 Betriebsstunden |
|
| Alle 500 Betriebsstunden |
|
Die Ansauganlage dieser Maschine wird laufend von einem Sensor auf Verstopfungen überwacht. Der Sensor zeigt einen Hinweis an, wenn Sie den Filter austauschen müssen. Tauschen Sie die Einsätze erst zu diesem Zeitpunkt aus.
Important: Tauschen Sie den sekundären Filtereinsatz nur nach jeder dritten Wartung des Hauptfilters aus. Entfernen Sie den sekundären Einsatz nicht, wenn Sie den Hauptfilter reinigen oder austauschen. Der innere Einsatz verhindert, dass Staub in den Motor eindringt, wenn Sie den Haupteinsatz warten.
Important: Setzen Sie den Motor nicht ohne Luftfiltereinsätze ein, sonst können Fremdkörper in den Motor gelangen und ihn beschädigen.
Lösen Sie die Riegel, mit denen die Abdeckung des Luftfilters am Luftfiltergehäuse befestigt ist (Bild 58).

Nehmen Sie die Abdeckung vom Luftfiltergehäuse ab.
Bevor Sie den Filter entfernen, sollten Sie mit geringer Druckluft (2,75 bar [40 psi], sauber und trocken) große Ablagerungen entfernen, die sich zwischen der Außenseite des Filters und der Glocke befinden.
Note: Verwenden Sie keine hohe Druckluft, da Schmutz durch den Filter in den Einlass gedrückt werden könnte. Diese Reinigung verhindert, dass Rückstände in den Einlass gelangen, wenn Sie den Hauptfilter entfernen.
Entfernen Sie den Hauptfilter (Bild 59).
Note: Reinigen Sie den gebrauchten Einsatz nicht, um eine Beschädigung des Filtermediums zu vermeiden.
Note: Tauschen Sie den sekundären Filter bei jeder dritten Wartung des Hauptluftfilters aus (Bild 60).


Prüfen Sie den neuen Filter auf Versandschäden, prüfen Sie das Dichtungsende des Filters und des Körpers.
Important: Verwenden Sie nie einen beschädigten Einsatz.
Setzen Sie den Filter ein. Drücken Sie auf den äußeren Rand des Einsatzes, um es in der Glocke zu platzieren.
Important: Drücken Sie nie auf die flexible Mitte des Filters, da er beschädigt werden könnte.
Reinigen Sie den Schmutzauswurfanschluss in der abnehmbaren Abdeckung.
Nehmen Sie das Gummiablassventil von der Abdeckung ab, reinigen Sie den Hohlraum und setzen das Ablassventil wieder ein.
Setzen Sie die Abdeckung ein, richten Sie das Gummiablassventil nach unten, ungefähr zwischen 17.00 Uhr und 19.00 Uhr (vom Ende her gesehen).
Befestigen Sie die Abdeckungsriegel.
Verwenden Sie qualitativ hochwertiges Öl mit niedrigem Aschengehalt, das die folgenden Spezifikationen erfüllt oder übersteigt:
API-Klassifikation CJ-4 oder höher
ACEA-Klassifikation E6
JASO-Klassifikation DH-2
Important: Wenn Sie Motoröl verwenden, das nicht die Klassifikation API CJ-4 oder höher, ACEA E6 oder JASO DH-2 erfüllt, kann der Dieselpartikelfilter verstopfen und den Motor beschädigen.
Verwenden Sie Motoröl mit der folgenden Motorölviskosität:
Bevorzugte Ölsorte: SAE 15W-40 (über -18 °C)
Ersatzöl: SAE 10W-30 oder 5W-30 (alle Temperaturen)
Premium Motoröl von Toro ist vom offiziellen Toro-Vertragshändler mit einer Viskosität von 15W-40 oder 10W-30 erhältlich. Im Ersatzteilkatalog finden Sie die Bestellnummern.
| Wartungsintervall | Wartungsmaßnahmen |
|---|---|
| Bei jeder Verwendung oder täglich |
|
Der Motor wird vom Werk aus mit Öl befüllt. Prüfen Sie jedoch den Ölstand, bevor und nachdem Sie den Motor das erste Mal verwenden.
Important: Prüfen Sie das Motoröl täglich. Wenn der Stand des Motoröls über der Voll-Markierung am Peilstab liegt, ist das Motoröl ggf. mit Kraftstoff verdünnt.Wenn der Stand des Motoröls über der Voll-Markierung liegt, wechseln Sie das Motoröl.
Der Stand des Motoröls sollte am besten bei kaltem Motor vor dem täglichen Anlassen geprüft werden. Wenn der Motor gelaufen ist, lassen Sie das Öl für 10 Minuten in die Wanne zurücklaufen, bevor Sie den Ölstand prüfen. Wenn der Ölstand an oder unter der Nachfüllen-Markierung am Peilstab liegt, gießen Sie Öl nach, bis der Ölstand die VOLL-Markierung erreicht.Füllen Sie nicht zu viel Motoröl ein.
Important: Halten Sie den Stand des Motoröls zwischen den unteren und oberen Markierungen am Peilstab; der Motor kann ausfallen, wenn er mit zu wenig oder zu viel Öl verwendet wird.
Prüfen Sie den Ölstand im Motor, siehe Bild 61.

Note: Lassen Sie, wenn Sie die Ölsorte wechseln möchten, das Altöl vollständig aus dem Kurbelgehäuse ablaufen, bevor Sie das neue einfüllen.
10,4 l mit Filter.
| Wartungsintervall | Wartungsmaßnahmen |
|---|---|
| Alle 500 Betriebsstunden |
|
Note: Wechseln Sie das Motoröl und den Motorölfilter bei extrem staubigen oder sandigen Bedingungen häufiger.
Lassen Sie den Motor an und lassen Sie ihn ca. 5 Minuten lang laufen, damit sich das Öl erwärmt.
Parken Sie die Maschine auf einer ebenen Fläche, aktivieren Sie die Feststellbremse, senken das Mähwerk ab, stellen den Motor ab und ziehen den Schlüssel ab.
Wechseln Sie das Motoröl wie in Bild 62 gezeigt.


Wechseln Sie den Motorölfilter (Bild 63).
Note: Stellen Sie sicher, dass die Ölfilterdichtung den Motor berührt und drehen Sie ihn dann um eine weitere Dreivierteldrehung.


| Wartungsintervall | Wartungsmaßnahmen |
|---|---|
| Alle 1000 Betriebsstunden |
|
Weitere Informationen zum Einstellen finden Sie in der Bedienungsanleitung des Motors.
| Wartungsintervall | Wartungsmaßnahmen |
|---|---|
| Alle 1500 Betriebsstunden |
|
Weitere Informationen zum Reinigen des EGR-Kühlsystems des Motors finden Sie in der Motorbedienungsanleitung.
| Wartungsintervall | Wartungsmaßnahmen |
|---|---|
| Alle 1500 Betriebsstunden |
|
Weitere Informationen zum Prüfen des Kurbelgehäuse-Entlüfter-Systems des Motors finden Sie in der Motorbedienungsanleitung.
| Wartungsintervall | Wartungsmaßnahmen |
|---|---|
| Alle 2000 Betriebsstunden |
|
Weitere Informationen zum Prüfen und Austauchen von Kraftstoffschläuchen und Motorkühlmittelschläuchen finden Sie in der Motorbedienungsanleitung.
| Wartungsintervall | Wartungsmaßnahmen |
|---|---|
| Alle 2000 Betriebsstunden |
|
Weitere Informationen zum Läppen oder Einstellen der Ansaug- und Auspuffventile des Motors finden Sie in der Motorbedienungsanleitung.
| Wartungsintervall | Wartungsmaßnahmen |
|---|---|
| Alle 3000 Betriebsstunden |
|
Weitere Informationen zum Prüfen und Reinigen der Komponenten der Abgasanlage und des Turboladers finden Sie in der Motorbedienungsanleitung.
| Wartungsintervall | Wartungsmaßnahmen |
|---|---|
| Alle 3000 Betriebsstunden |
|
Wenn die Motorstörung , oder im InfoCenter (Bild 64) angezeigt wird, reinigen Sie den Rußfilter mit den folgenden Schritten:



Informationen zum Entfernen und Montieren des Dieseloxidationskatalysators und des Rußfilters am Dieselpartikelfilter finden Sie in der Wartungsanleitung.
Wenden Sie sich an den offiziellen Toro-Vertragshändler für Ersatzteile für den Dieseloxidationskatalysator und den Rußfilter oder deren Wartung.
Nach dem Einsetzen eines sauberen Dieselpartikelfilters muss das elektronische Steuergerät des Motors vom offiziellen Toro-Vertragshändler zurückgesetzt werden.
Diese Bedienungsanleitung enthält detailliertere Informationen zum Kraftstoff und zur Wartung der Kraftstoffanlage als die Yanmar® Motor Bedienungsanleitung, die ein allgemeines Nachschlagewerk zum Thema Kraftstoff und Wartung der Kraftstoffanlage ist.
Sie müssen entsprechende Kenntnisse über die Wartung der Kraftstoffanlage, die Lagerung des Kraftstoffs und die Kraftstoffqualität besitzen, um Ausfallzeiten und umfangreiche Motorreparaturen zu vermeiden.
Für das Kraftstoffsystem gelten aufgrund der Emissions- und Kontrollanforderungen extrem enge Toleranzen. Die Qualität und Sauberkeit des Dieselkraftstoffs ist für die Langlebigkeit der heutigen Hochdruck-Common-Rail-Einspritzsysteme (HPCR) in Dieselmotoren von großer Bedeutung.
Important: Wasser oder Luft im Kraftstoffanlage beschädigt Ihren Motor! Gehen Sie nicht davon aus, dass neuer Kraftstoff sauber ist. Vergewissern Sie sich, dass Ihr Kraftstoff von einem Lieferanten stammt, der qualitativ hochwertigen Kraftstoff liefert. Lagern Sie den Kraftstoff korrekt und verbrauchen Sie Ihren Kraftstoffvorrat innerhalb von 180 Tagen.
Important: Die Nichtbeachtung der Anweisungen zum Austausch des Kraftstofffilters, zur Wartung des Kraftstoffsystems und zur Lagerung des Kraftstoffs kann zu einem vorzeitigen Ausfall des Kraftstoffsystems des Motors führen. Führen Sie alle Wartungsarbeiten am Kraftstoffsystem in den vorgeschriebenen Intervallen durch oder immer dann, wenn der Kraftstoff verunreinigt ist oder eine schlechte Qualität aufweist.
Die richtige Lagerung von Kraftstoff ist entscheidend für Ihren Motor. Die ordnungsgemäße Wartung von Kraftstofftanks wird oft vernachlässigt und führt zu einer Verunreinigung des an die Maschine gelieferten Kraftstoffs.
Beschaffen Sie nur so viel Kraftstoff, wie Sie innerhalb von 180 Tagen verbrauchen. Verwenden Sie keinen Kraftstoff, der länger als 180 Tage gelagert wurde. Dadurch werden Wasser und andere Verunreinigungen im Kraftstoff vermieden.
Wenn Sie das Wasser nicht aus dem Lagertank oder dem Kraftstofftank der Maschine entfernen, kann es zu Rost oder Verunreinigungen im Lagertank und in den Komponenten der Kraftstoffanlage führen. Durch Schimmel, Bakterien oder Pilze entstandener Tankschlamm behindert den Durchfluss und verstopft den Filter und die Kraftstoffeinspritzdüsen.
Überprüfen Sie Ihren Kraftstofftank und den Maschinentank regelmäßig zur Überwachung der Kraftstoffqualität im Tank.
Beziehen Sie ihren Kraftstoff von einem Qualitätsanbieter.
Wenn Sie Wasser oder Verunreinigungen in Ihrem Lagertank oder Maschinenkraftstofftank finden, arbeiten Sie mit Ihrem Kraftstoffanbieter zusammen, um das Problem zu beheben, und führen Sie alle Wartungsarbeiten am Kraftstoffsystem durch.
Lagern Sie Dieselkraftstoff nicht in Tanks oder Kanistern, die aus verzinkten Teilen bestehen.

| Wartungsintervall | Wartungsmaßnahmen |
|---|---|
| Bei jeder Verwendung oder täglich |
|
Lassen Sie das Wasser aus dem Kraftstofffilter bzw. Wasserabscheider ab, wie in Bild 66 dargestellt.

Entlüften Sie den Filter und die Leitungen zur Hochdruckpumpe; siehe Vorfüllen der Kraftstoffanlage.
| Wartungsintervall | Wartungsmaßnahmen |
|---|---|
| Alle 400 Betriebsstunden |
|
Wechseln Sie den Filter aus, wie in Bild 67 dargestellt.

Entlüften Sie den Filter und die Leitungen zur Hochdruckpumpe; siehe Vorfüllen der Kraftstoffanlage.
| Wartungsintervall | Wartungsmaßnahmen |
|---|---|
| Alle 500 Betriebsstunden |
|
Reinigen Sie den Bereich um den Kraftstofffilterkopf (Bild 68).

Entfernen Sie den Filter und reinigen die Befestigungsoberfläche des Filterkopfes (Bild 68).
Fetten Sie die Filterdichtung mit sauberem Motorschmieröl. Weitere Informationen finden Sie in der Motorbedienungsanleitung (die mit der Maschine ausgeliefert wurde).
Setzen Sie die trockene Filterglocke mit der Hand ein, bis die Dichtung die Kontaktfläche berührt; drehen Sie sie dann um eine weitere 1/2 Umdrehung fest.
Entlüften Sie den Filter und die Leitungen zur Hochdruckpumpe; siehe Vorfüllen der Kraftstoffanlage.
Lassen Sie den Motor an und achten Sie auf austretenden Kraftstoff am Filterkopf.
| Wartungsintervall | Wartungsmaßnahmen |
|---|---|
| Alle 800 Betriebsstunden |
|
| Vor der Einlagerung |
|
Zusätzlich zu den aufgeführten Serviceintervallen, sollten Sie den Tank entleeren und reinigen, wenn die Kraftstoffanlage verschmutzt ist oder die Maschine längere Zeit eingelagert wird. Spülen Sie den Tank nur mit frischem Kraftstoff.
Entlüften Sie den Filter und die Leitungen zur Hochdruckpumpe; siehe Vorfüllen der Kraftstoffanlage.
| Wartungsintervall | Wartungsmaßnahmen |
|---|---|
| Alle 400 Betriebsstunden |
|
Prüfen Sie die Kraftstoffleitungen auf Verschleiß, Defekte oder lockere Anschlüsse.
Wechseln Sie beschädigte Schlauchklemmen oder Schläuche aus.
Note: Entlüften Sie die Kraftstoffanlage, wenn Sie Kraftstoffleitungen ersetzen, siehe Vorfüllen der Kraftstoffanlage.
Entlüften Sie die Kraftstoffanlage nach folgenden Ereignissen:
Wechsel des Kraftstofffilters.
Entleeren des Wasserabscheiders nach jedem Gebrauch oder täglich.
Leergefahrenen Kraftstofftank.
Wechsel eines Kraftstoffschlauchs oder Öffnen der Kraftstoffanlage aus irgendeinem Grund.
Führen Sie zum Befüllen der Kraftstoffanlage die folgenden Schritte aus.
Important: Entlüften Sie die Kraftstoffanlage niemals, indem Sie den Motor mittels dem Anlasser starten.
Stellen Sie sicher, dass Kraftstoff im Kraftstofftank ist.
Führen Sie die folgenden Schritte aus, um den Filter und die Leitungen zur Hochdruckpumpe zu entlüften, um Verschleiß oder Beschädigungen an der Pumpe zu vermeiden:
Drehen Sie den Zündschlüssel 15 bis 20 Sekunden lang auf die EIN-Stellung.
Drehen Sie den Zündschlüssel 30 bis 40 Sekunden lang auf die AUS-Stellung.
Note: Dadurch kann das ECU heruntergefahren werden.
Drehen Sie den Zündschlüssel 15 bis 20 Sekunden lang auf die EIN-Stellung.
Überprüfen Sie den Filter und die Schläuche auf Undichtigkeiten.
Lassen Sie den Motor an und prüfen Sie die Dichtheit.
Klemmen Sie vor dem Durchführen von Reparaturen an der Maschine den Akku ab. Klemmen Sie immer zuerst die Minusklemme und dann die Plusklemme ab. Schließen Sie immer zuerst den Pluspol und dann den Minuspol an.
Laden Sie den Akku in offenen, gut gelüfteten Bereichen und nicht in der Nähe von Funken und offenem Feuer. Stecken Sie das Ladegerät aus, ehe Sie die Batterie anschließen oder abklemmen. Tragen Sie Schutzkleidung und verwenden Sie isoliertes Werkzeug.
| Wartungsintervall | Wartungsmaßnahmen |
|---|---|
| Alle 50 Betriebsstunden |
|
Important: Klemmen Sie vor Schweißarbeiten an der Maschine das negative Akkukabel vom Batteriepol ab, um einer Beschädigung der elektrischen Anlage vorzubeugen. Vor Schweißarbeiten an der Maschine müssen Sie auch den Motor, das InfoCenter und die Maschinensteuergeräte abtrennen.
Note: Halten Sie die Klemmen und das ganze Akkugehäuse sauber, da sich ein schmutziger Akku langsam entlädt. Reinigen Sie zum Reinigen des Akkus den ganzen Kasten mit Natronlauge. Spülen Sie mit klarem Wasser nach. Tragen Sie auf die Akkupole und Kabelanschlüsse Grafo-112X-Fett (Toro-Bestellnummer 505-47) oder Vaseline auf, um Korrosion vorzubeugen.
Important: Bei der Installation von zusätzlichem Maschinenzubehör sind die einzig zulässigen Stromquellen der Sicherungsblock an der Zugmaschine (Bild 73) oder der Kabinensicherungskasten (Bild 75). An beiden Stellen stehen maximal 10 A zur Verfügung. Wenden Sie sich an den offiziellen Toro-Vertragshändler.
Note: Stellen Sie den Motor ab und ziehen Sie vor dem Herausnehmen der Sicherungen den Zündschlüssel ab.
Die Sicherungen der Zugmaschine (Bild 69) befinden sich in der Stromkonsole (Bild 70) hinter dem Sitz.
Zusätzliche Sicherungen der Zugmaschine (Bild 71) befinden sich rechts am Maschinenheck (Bild 72).





Die Kabinensicherungen (Bild 74) befinden sich im Sicherungskasten am Kabinenhimmel (Bild 75).


Beim Laden der Batterie werden Gase erzeugt, die explodieren können.
Rauchen Sie nicht in der Nähe des Akkus und halten Funken und offene Flammen vom Akku fern.
Note: Dieser Schritt gilt nur für das Aufladen des 12-Volt-Systems.
Important: Halten Sie die Batterien immer voll aufgeladen. Dies ist besonders wichtig zum Verhüten von Akkuschäden, wenn die Temperatur unter 0 °C fällt.
Befolgen Sie die Vorgehensweise, die vor Wartungsarbeiten zu beachten ist, siehe Verfahren vor dem Ausführen von Wartungsarbeiten.
Reinigen Sie den Akkukasten und die Akkupole von außen.
Note: Schließen Sie die Akkuladegerätkabel an den Akkupolen an, ehe Sie das Ladegerät mit der Stromquelle verbinden.
Nehmen Sie die Abdeckungen von den Starthilfepolen ab (Bild 76).

Schließen Sie das Pluskabel des Akkuladegeräts am positiven Starthilfepol an (Bild 77).

Schließen Sie das Minuskabel des Akkuladegeräts am negativen Starthilfepol des Akkus an (Bild 77).
Schließen Sie das Ladegerät an die Stromquelle an und laden den Akku entsprechend der nachfolgenden Akkuladetabelle.
Important: Überladen Sie den Akku nicht.
| Ladegeräteinstellung | Ladezeit |
|---|---|
| 4 A bis 6 A | 30 Minuten |
| 25 A bis 30 A | 10 bis 15 Minuten |
Wenn die Batterie ganz aufgeladen ist, ziehen Sie den Stecker des Ladegeräts aus der Stromquelle. Klemmen Sie dann die Klemmen des Ladegeräts von den Batteriepolen ab (Bild 77).
Erhält den Akku Starthilfe, werden ggf. Gase erzeugt, die explodieren können.
Rauchen Sie nie in der Nähe des Akkus und halten Sie Funken und offenes Feuer von ihr fern.
Note: Für diese Schritte werden zwei Personen benötigt. Stellen Sie sicher, dass die Person, die die Anschlüsse macht, eine Schutzbrille, Handschuhe und Schutzkleidung trägt.
Parken Sie die Maschine auf einer ebenen Fläche, aktivieren Sie die Feststellbremse, senken das Mähwerk ab und stellen Sie den Motor ab.
Setzen Sie sich auf den Sitz und lassen Sie die andere Person die Verbindungen herstellen.
Note: Stellen Sie sicher, dass den Verstärkerakku eine 12-Volt-Batterie ist.
Important: Wenn Sie eine andere Maschine für den Strom verwenden, stellen Sie sicher, dass sich die zwei Maschinen nicht berühren.
Nehmen Sie die Abdeckungen von den Starthilfepolen ab (Bild 76).
Schließen Sie das Plus-Starthilfekabel (+) am positiven Starthilfepol an (Bild 78).

Schließen Sie das Minus-Starthilfekabel (-) am negativen Starthilfepol an (Bild 78).
Anlassen des Motors.
Important: Wenn der Motor anspringt und dann abstellt, verwenden Sie den Anlasser erst wieder, wenn er sich nicht mehr dreht. Lassen Sie den Anlasser niemals länger als 30 Sekunden lang ununterbrochen drehen. Warten Sie 30 Sekunden, bevor Sie den Anlasser betätigen, damit der Motor abkühlt.
Wenn der Motor anspringt, sollte die andere Person das Minus-Starthilfekabel (-) vom Rahmen und dann das Plus-Starthilfekabel (+) abklemmen (Bild 78).
Öffnen Sie die Motorhaube und stellen Sie den Trennschalter des Akkus in die AUS-Stellung.
Entfernen Sie die drei Bundkopfschrauben von jeder Seite der hinteren Stoßstange, wie in Bild 79 abgebildet.
Lösen Sie die restlichen Bundkopfschrauben, mit denen die hintere Stoßstange am Rahmen befestigt ist, und drehen Sie die Stoßstange nach unten.

Lösen Sie die Handräder und entfernen beide Seitenabdeckungen (Bild 80).

Entfernen Sie die sechs Bundkopfschrauben, mit denen die hintere Abdeckung am Rahmen befestigt ist, und nehmen Sie die hintere Abdeckung ab (Bild 81).

Entfernen Sie die Befestigungen, mit denen die Akkuabdeckung an der Maschine befestigt ist, und nehmen Sie die Abdeckung ab (Bild 82).
Note: Merken Sie sich, an welcher Stelle und wie die Akkukabel befestigt sind.
Lösen und entfernen Sie die Akkukabel von den Batterien.
Entfernen Sie die Befestigungen, mit denen die Befestigungen des Akkus befestigt sind.
Nehmen Sie die Batterien vorsichtig aus der Maschine heraus (Bild 82).

Befestigen Sie die Batterien mit den Befestigungen (Bild 82).
Schließen Sie die Akkukabel an.
Setzen Sie die Akkuabdeckung auf und befestigen sie mit den entfernten Befestigungen.
Montieren Sie die hintere Abdeckung (Bild 81).
Montieren Sie die seitlichen Abdeckungen (Bild 80).
Heben Sie die hintere Stoßstange in die richtige Stellung an und setzen Sie die Bundkopfschrauben ein. Ziehen Sie alle Bundkopfschrauben an, mit denen die hintere Stoßstange am Rahmen befestigt ist (Bild 79).
Stellen Sie den Trennschalter des Akkus in die EIN-Stellung.
| Wartungsintervall | Wartungsmaßnahmen |
|---|---|
| Alle 1000 Betriebsstunden |
|
Wenden Sie sich an Ihren Toro-Vertragshändler oder lesen in der Wartungsanleitung von Toro nach.
Sie können den Winkel des Fahrpedals so einstellen, wie Sie es am angenehmsten empfinden.
| Wartungsintervall | Wartungsmaßnahmen |
|---|---|
| Alle 1000 Betriebsstunden |
|
Wenn die Hinterreifen gerade stehen, messen Sie den Außenabstand (auf Achshöhe) vorne und hinten an den Hinterreifen (Bild 84).
Note: Der Wert vorne muss um 0 mm bis 3 mm größer sein als der Wert hinten.

Lockern Sie zum Einstellen der Vorspur die Klemmen an beiden Enden der Spurstangen (Bild 84).
Drehen Sie die Spurstange, um die Vorderseite des Reifens nach innen oder außen zu stellen.
Ziehen Sie die Spurstangenklemmen an, wenn Sie die richtige Vorspur eingestellt haben.
Ein Verschlucken von Motorkühlmittel kann zu Vergiftungen führen; Kinder und Haustiere sollten keinen Zugang zum Kühlmittel haben.
Ablassen von heißem, unter Druck stehendem Kühlmittel bzw. eine Berührung des heißen Kühlers und benachbarter Teile kann zu schweren Verbrennungen führen.
Lassen Sie den Motor immer für mindestens 15 Minuten abkühlen, bevor Sie den Kühlerdeckel abnehmen.
Verwenden Sie beim Öffnen des Kühlerdeckels einen Lappen und öffnen den Kühler langsam, damit Dampf ohne Gefährdung austreten kann.
Setzen Sie die Maschine nie mit abgenommenen Abdeckungen ein.
Halten Sie Finger, Hände und Kleidungsstücke vom sich drehenden Lüfter und dem Treibriemen fern.
| Wartungsintervall | Wartungsmaßnahmen |
|---|---|
| Bei jeder Verwendung oder täglich |
|
| Alle 100 Betriebsstunden |
|
Das Füllvolumen des Systems an einer Maschine ohne Kabine ist 10,4 Liter und mit einer Kabine 17 Liter.
Empfohlenes Kühlmittel: Frostschutzmittel auf Ethylenglykolbasis und Wasser (50/50-Gemisch)
Lüfter und Treibriemen, die sich drehen, können zu Verletzungen führen.
Bedienen Sie die Maschine niemals bei abgenommenen Abdeckungen.
Halten Sie Finger, Hände und Kleidungsstücke vom sich drehenden Lüfter und dem Treibriemen fern.
Stellen Sie den Motor ab, ziehen Sie den Schlüssel ab und drehen den Trennschalter des Akkus in die AUS-Stellung, bevor Sie Wartungsarbeiten durchführen.
Wenn der Motor gelaufen ist, ist das Kühlmittel heiß und steht unter Druck, d. h., es kann ausströmen und Verbrühungen verursachen.
Entfernen Sie niemals den Kühlerdeckel, wenn der Motor noch läuft.
Verwenden Sie beim Öffnen des Kühlerdeckels einen Lappen und öffnen den Kühler langsam, damit Dampf ohne Gefährdung austreten kann.
Nehmen Sie den Kühlerdeckel und den Deckel des Ausdehnungsgefäßes vorsichtig ab (Bild 85).

Prüfen Sie den Kühlmittelstand im Kühler (Bild 85).
Note: Wenn der Motor kalt ist, sollte der Kühler bis zur Oberseite des Einfüllstutzens und das Ausdehnungsgefäß bis zur Voll-Markierung gefüllt sein.
Wenn der Stand des Kühlmittels niedrig ist, füllen Sie Kühlmittel der korrekten Sorte in das Ausdehnungsgefäß, bis der Stand an der Voll-Markierung liegt.
Note: Verwenden Sie niemals pures Wasser oder Kühlmittel auf Alkohol-/Methanolbasis.
Setzen Sie den Kühlerdeckel und den Deckel des Ausdehnungsgefäßes wieder auf.
| Wartungsintervall | Wartungsmaßnahmen |
|---|---|
| Bei jeder Verwendung oder täglich |
|
Befolgen Sie die Vorgehensweise, die vor Wartungsarbeiten zu beachten ist, siehe Verfahren vor dem Ausführen von Wartungsarbeiten.
Important: Reinigen Sie den Kühler oder Hydraulikölkühler nicht mit Wasser. Das Reinigen des Kühlers oder Hydraulikölkühlers mit Wasser kann zu frühzeitigem Verrosten und einer Beschädigung der Bauteile führen.
Heben Sie die Motorhaube in die ganz geöffnete Stellung an.
Drehen Sie die Kühlventilatoren des Motors zur Rückseite des Kühlers und arretieren Sie die Stützstange in der Kerbe (Bild 86).

Blasen Sie Rückstände von der Motorseite mit sauberer Druckluft nach hinten, um den Kühler zu reinigen.
Drehen Sie die Kühlventilatoren des Motors nach vorne und arretieren Sie die Stützstange in der Kerbe (Bild 87).

Heben Sie die Motorhaube in die ganz geöffnete Stellung an.
Drehen Sie die Hydraulikkühlventilatoren nach oben und arretieren Sie die Stützstange in der Kerbe (Bild 88).

Blasen Sie Rückstände von der Motorseite mit sauberer Druckluft nach hinten, um den Kühler zu reinigen.
Drehen Sie die Hydraulikkühlventilatoren nach unten und arretieren Sie die Stützstange in der Kerbe (Bild 89).

| Wartungsintervall | Wartungsmaßnahmen |
|---|---|
| Alle 2000 Betriebsstunden |
|
Das Füllvolumen des Systems an einer Maschine ohne Kabine ist 10,4 Liter und mit einer Kabine 17 Liter.
Befolgen Sie die Vorgehensweise, die vor Wartungsarbeiten zu beachten ist, siehe Verfahren vor dem Ausführen von Wartungsarbeiten.
Nehmen Sie den Kühlerdeckel ab.
Legen Sie das Ende des Kühlerablassschlauchs in eine Auffangwanne und öffnen Sie das Ablassventil am Kühlerschlauch und lassen die Flüssigkeit in eine Auffangwanne ablaufen (Bild 90).

Schließen Sie das Ablassventil am Kühlerablassschlauchs (Bild 90).
Füllen Sie den Kühler mit Kühlmittel, bis der Kühlmittelstand an der Lippe des Füllstutzens liegt (Bild 91).

Schrauben Sie den Kühlerdeckel auf.
Schließen Sie den Kühlmittelschlauch vom Motorölkühler ab (Bild 92).

Schließen Sie nach dem Ablassen des Motorkühlmittels das Ablassventil am Kühlerablassschlauch und schließen Sie den Kühlmittelschlauch an.
Nehmen Sie den Deckel vom Ausdehnungsgefäß ab und füllen es bis zur Niedrig-Markierung mit Kühlmittel. Schrauben Sie den Deckel wieder auf.
Starten Sie den Motor und lassen ihn laufen, bis er die Betriebstemperatur erreicht hat.
Prüfen Sie den Stand des Motorkühlmittels, siehe Prüfen des Motorkühlsystems.
Füllen Sie Kühlmittel in das Ausdehnungsgefäß, um den Stand des Kühlmittels bis zur Voll-Markierung anzuheben.
Prüfen Sie alle Kühlmittelschläuche des Motors auf Dichtheit.
| Wartungsintervall | Wartungsmaßnahmen |
|---|---|
| Nach 50 Betriebsstunden |
|
| Alle 250 Betriebsstunden |
|
Weitere Informationen zum Warten finden Sie in der Motorbedienungsanleitung (die mit der Maschine ausgeliefert wurde).
| Wartungsintervall | Wartungsmaßnahmen |
|---|---|
| Nach 10 Betriebsstunden |
|
| Alle 1000 Betriebsstunden |
|
Der Kompressorriemen der Klimaanlage und der 24-Volt-Lichtmaschinenriemen verwenden eine gefederte Spannvorrichtung, die im Werk eingestellt wird. Weitere Informationen zur Wartung finden Sie in der Wartungsanleitung von Toro.
| Wartungsintervall | Wartungsmaßnahmen |
|---|---|
| Alle 50 Betriebsstunden |
|
| Alle 1000 Betriebsstunden |
|
Der von der gefederten Spannscheibe gespannte Messertreibriemen ist sehr haltbar. Nach einem längeren Einsatz wird er dennoch Anzeichen von Verschleiß aufweisen. Anzeichen eines abgenutzten Treibriemens sind u. a. das Quietschen des Riemens, wenn er sich dreht, das Schlüpfen der Messer beim Mähen, zerfranste Ränder, Versengen und Risse. Tauschen Sie den Treibriemen aus, wenn Sie derartige Anzeichen feststellen.
Senken Sie das Mähwerk auf den Werkstattboden ab.
Entfernen Sie die Abdeckungen von der Oberseite des Mähwerks und legen diese zur Seite.
Lösen Sie am Frontmähwerk in der Mitte die Klemmmuttern an der Anschlagschraube der Spannscheibe und drehen die Anschlagschraube in die Halterung (Bild 93).

Schieben Sie jede Spannscheibe des Seitenmähwerks mit einem Ratschenschlüssel oder einem ähnlichen Werkzeug vom Treibriemen, um die Spannung zu lösen, und lassen Sie den Riemen von der Spannscheibe des Seitenmähwerks rutschen (Bild 93).
Entfernen Sie die Schrauben, mit denen der Hydraulikmotor am Mähwerk befestigt ist (Bild 94).

Heben Sie den Motor vom Mähwerk ab und legen ihn auf die Oberseite des Mähwerks.
Entfernen Sie den alten Riemen von den Spindelscheiben und der Riemenscheibe.
Verlegen Sie den neuen Riemen um die Spindelscheiben und die Spannscheiben (Bild 95).

Stellen Sie die Anschlagschraube der Spannscheibe ein und ziehen die Klemmmuttern fest.
Installieren Sie den Hydraulikmotor am Mähwerk und befestigen Sie ihn mit den zuvor entfernten Schrauben.
Ziehen Sie die Schrauben bis auf ein Drehmoment von 47,5 N·m an.
Bringen Sie die Riemenabdeckungen wieder an.
Note: Zum Entfernen des unteren Riemens müssen Sie zuerst den oberen Riemen entfernen.
Senken Sie das Mähwerk auf den Werkstattboden ab.
Entfernen Sie die Abdeckungen von der Oberseite des Mähwerks und legen diese zur Seite.
Entfernen Sie die Schrauben, mit denen der Hydraulikmotor am Mähwerk befestigt ist (Bild 94).
Heben Sie den Motor vom Mähwerk ab und legen ihn auf die Oberseite des Mähwerks.
Schieben Sie die Spannscheibe mit einem Schraubenschlüssel oder einem ähnlichen Werkzeug vom Treibriemen und lassen Sie den Riemen von der Getriebespannscheibe rutschen (Bild 96).

Entfernen Sie den alten Riemen von den Spindelscheiben und der Riemenscheibe.
Verlegen Sie den neuen Riemen um die Spindelscheiben und die Spannscheiben (Bild 97 und Bild 98).


Installieren Sie den Hydraulikmotor am Mähwerk und befestigen Sie ihn mit den zuvor entfernten Schrauben.
Ziehen Sie die Schrauben bis auf ein Drehmoment von 47,5 N·m an.
Bringen Sie die Riemenabdeckungen wieder an.
Suchen Sie beim Einspritzen unter die Haut sofort einen Arzt auf. In die Haut eingedrungene Flüssigkeit muss sie innerhalb weniger Stunden von einem Arzt entfernt werden.
Stellen Sie sicher, dass alle Hydraulikschläuche und -leitungen in gutem Zustand und alle Hydraulikverbindungen und -anschlussstücke fest angezogen sind, bevor Sie die Hydraulikanlage unter Druck setzen.
Halten Sie Ihren Körper und Ihre Hände von Nadellöchern und Düsen fern, aus denen Hydrauliköl unter hohem Druck ausgestoßen wird.
Gehen Sie hydraulischen Undichtheiten nur mit Pappe oder Papier nach.
Lassen Sie den Druck in der Hydraulikanlage auf eine sichere Art und Weise ab, bevor Sie irgendwelche Arbeiten an der Hydraulikanlage durchführen.
Der Behälter wird im Werk mit hochwertigem Hydrauliköl gefüllt. Prüfen Sie den Stand des Hydrauliköls vor dem ersten Anlassen des Motors und dann täglich; siehe Prüfen des Hydrauliköls.
Empfohlenes Hydrauliköl: Toro PX Extended Life Hydraulic Fluid; erhältlich in 19-l-Eimern oder 208-l-Fässern.
Note: An einer Maschine, die mit dem empfohlenen Ersatzhydrauliköl befüllt wird, muss weniger häufig ein Öl- oder Filterwechsel durchgeführt werden.
Ersatzölsorten: Wenn das Toro PX Extended Life Hydraulic Fluid nicht erhältlich ist, können Sie andere handelsübliche, auf Erdöl basierende, Hydraulikflüssigkeiten verwenden, dessen Spezifikationen für alle folgenden Materialeigenschaften im aufgeführten Bereich liegen und die Industrienormen erfüllen. Kein synthetisches Öl verwenden. Wenden Sie sich an den Ölhändler, um einen entsprechenden Ersatz zu finden.
Note: Toro haftet nicht für Schäden, die aus einer unsachgemäßen Substitution entstehen. Verwenden Sie also nur Erzeugnisse namhafter Hersteller, die für die Qualität ihrer Produkte garantieren.
| Materialeigenschaften: | ||
| Viskosität, ASTM D445 | cSt @ 40 °C, 44 bis 48 | |
| Viskositätsindex ASTM D2270 | 140 oder höher | |
| Stockpunkt, ASTM D97 | -34 °C bis -45 °C | |
| Branchenspezifikationen: | Eaton Vickers 694 (I-286-S, M-2950-S/35VQ25 oder M-2952-S) | |
Note: Viele Hydraulikölsorten sind fast farblos, was das Erkennen von undichten Stellen erschwert. Als Beimischmittel für das Hydrauliköl können Sie ein rotes Färbmittel in 20 ml Flaschen kaufen. Eine Flasche reicht für 15-22 l Hydrauliköl. Sie können es unter der Teilenummer 44-2500 über Ihren Toro-Vertragshändler beziehen.
Der Behälter fasst 62,7 L.
| Wartungsintervall | Wartungsmaßnahmen |
|---|---|
| Bei jeder Verwendung oder täglich |
|
Befolgen Sie die Vorgehensweise, die vor Wartungsarbeiten zu beachten ist, siehe Verfahren vor dem Ausführen von Wartungsarbeiten.
Heben Sie rechts an der Maschine die Abdeckung an, um den Hydraulikbehälterdeckel frei zu legen (Bild 99).

Reinigen Sie den Bereich um den Füllstutzen und den Deckel des Hydraulikbehälters (Bild 99).
Drehen Sie den Deckel vom Füllstutzen ab.
Entfernen Sie den Peilstab aus dem Füllstutzen und wischen ihn mit einem sauberen Lappen ab. Stecken Sie den Peilstab in den Einfüllstutzen und ziehen ihn dann heraus, um den Ölstand zu prüfen (Bild 100).
Note: Der Ölstand sollte zwischen den beiden Markierungen am Peilstab liegen.

Gießen Sie, wenn der Ölstand zu niedrig ist, Öl der korrekten Sorte in den Einfüllstutzen, bis der Ölstand die obere Markierung erreicht.
Führen Sie den Peilstab in den Füllstutzen ein.
Schließen Sie die Abdeckung.
| Wartungsintervall | Wartungsmaßnahmen |
|---|---|
| Alle 800 Betriebsstunden |
|
| Alle 2000 Betriebsstunden |
|
| Alle 2 Jahre |
|
Parken Sie die Maschine auf einer ebenen Fläche, aktivieren Sie die Feststellbremse, senken das Mähwerk ab, stellen den Motor ab und ziehen den Schlüssel ab.
Stellen Sie eine große Auffangwanne unter den Hydraulikölbehälter.
Entfernen Sie den Deckel des Hydraulikbehälters und den Peilstab.
Nehmen Sie die Ablassschraube an der Unterseite des Behälters ab und lassen Sie das Hydrauliköl in die Auffangwanne ablaufen (Bild 101).

Schrauben Sie die Ablassschraube wieder ein, wenn keine Hydraulikflüssigkeit mehr ausströmt.
Füllen Sie den Hydraulikbehälter mit Hydrauliköl, siehe Prüfen des Hydrauliköls.
Important: Verwenden Sie nur die angegebenen Hydraulikölsorten. Andere Ölsorten können die hydraulische Anlage beschädigen.
Setzen Sie den Ölpeilstab und den Deckel wieder ein.
Lassen Sie den Motor an und verwenden Sie alle Bedienelemente für die Hydraulik, um die Hydraulikflüssigkeit im ganzen System zu verteilen.
Note: Prüfen Sie gleichfalls die Dichtheit und stellen dann den Motor ab.
Prüfen Sie den Füllstand und füllen genug Öl ein, um den Stand auf die Voll-Markierung am Peilstab anzuheben.
Note: Füllen Sie nicht zu viel ein.
| Wartungsintervall | Wartungsmaßnahmen |
|---|---|
| Alle 800 Betriebsstunden |
|
| Alle 1000 Betriebsstunden |
|
Wenn das Hydrauliköl verunreinigt ist, setzen Sie sich mit dem Toro-Vertragshändler in Verbindung, um die Anlage spülen zu lassen. Verunreinigtes Öl sieht im Vergleich zu sauberem Öl milchig oder schwarz aus.
Verwenden Sie Originalersatzfilter von Toro (Bestellnummer 86-6110) für die linke Seite der Maschine und Bestellnummer 75-1310 für die rechte Seite der Maschine.
Important: Der Einsatz anderer Filter führt u. U. zum Verlust Ihrer Garantieansprüche für einige Bauteile.
Parken Sie die Maschine auf einer ebenen Fläche, aktivieren Sie die Feststellbremse, senken das Mähwerk ab, stellen den Motor ab und ziehen den Schlüssel ab.
Reinigen Sie die Kontaktfläche um den Filter.
Stellen Sie eine Auffangwanne unter den Filter und entfernen den Filter (Bild 101).
Ölen Sie die neue Filterdichtung ein und füllen den Filter mit Hydrauliköl.
Achten Sie darauf, dass der die Ansatzfläche des Filters sauber ist. Drehen Sie den neuen Filter ein, bis die Dichtung die Befestigungsplatte berührt; ziehen Sie dann den Filter um eine weitere 1/2 Umdrehung fester.
Füllen Sie den Hydraulikbehälter mit Hydrauliköl, siehe Prüfen des Hydrauliköls.
Important: Verwenden Sie nur die angegebenen Hydraulikölsorten. Andere Ölsorten können die hydraulische Anlage beschädigen.
Setzen Sie den Ölpeilstab und den Deckel wieder ein.
Lassen Sie den Motor an und verwenden Sie alle Bedienelemente für die Hydraulik, um die Hydraulikflüssigkeit im ganzen System zu verteilen.
Note: Prüfen Sie gleichfalls die Dichtheit und stellen dann den Motor ab.
Prüfen Sie den Füllstand und füllen genug Öl ein, um den Stand auf die Voll-Markierung am Peilstab anzuheben.
Note: Füllen Sie nicht zu viel ein.
| Wartungsintervall | Wartungsmaßnahmen |
|---|---|
| Alle 2 Jahre |
|
Unter Druck austretendes Hydrauliköl kann unter die Haut dringen und Verletzungen verursachen.
Konsultieren Sie beim Einspritzen unter die Haut sofort einen Arzt.
Stellen Sie sicher, dass alle Hydraulikschläuche und -leitungen in gutem Zustand sind, und dass alle Hydraulikverbindungen und -anschlussstücke fest angezogen sind, bevor Sie die Hydraulikanlage unter Druck setzen.
Halten Sie Ihren Körper und Ihre Hände von Nadellöchern und Düsen fern, aus denen Hydrauliköl unter hohem Druck ausgestoßen wird.
Gehen Sie hydraulischen Undichtheiten nur mit Pappe oder Papier nach.
Lassen Sie den Druck in der Hydraulikanlage auf eine sichere Art und Weise ab, bevor Sie irgendwelche Arbeiten an der Hydraulikanlage durchführen.
Prüfen Sie die Hydraulikleitungen und Schläuche täglich auf Dichtheit, Knicke, lockere Stützteile, Abnutzung, lockere Anschlussstücke, witterungsbedingte Minderung und chemischen Angriff. Führen Sie vor Verwendung der Maschine alle erforderlichen Reparaturen durch.
An den Testanschlüssen kann der Druck in den hydraulischen Kreisen gemessen werden. Wenden Sie sich an Ihren Toro-Vertragshändler oder lesen in der Wartungsanleitung von Toro nach.
Note: Obwohl es für normale Wartungsmaßnahmen nicht erforderlich ist, lässt sich das Frontmähwerk in eine aufrechte Stellung hochkippen.
Heben Sie das Frontmähwerk etwas vom Boden an, aktivieren die Feststellbremse, stellen den Motor ab und ziehen den Schlüssel ab.
Befolgen Sie die Vorgehensweise, die vor Wartungsarbeiten zu beachten ist, siehe Verfahren vor dem Ausführen von Wartungsarbeiten.
Nehmen Sie den Befestigungsclip ab und schließen Sie den Stoßdämpfer vom Mähwerk ab (Bild 102).

Entfernen Sie den Splint und den Lastösenbolzen, mit denen die Schnitthöhenkette an der Rückseite des Mähwerks befestigt ist (Bild 103).

Lassen Sie den Motor an, heben Sie das Frontmähwerk langsam an, stellen den Motor ab und ziehen den Zündschlüssel ab.
Schieben Sie ein Holz zwischen die Rückseite des Mähwerks und die Maschine (Bild 104).

Bitten Sie eine zweite Person, das Mähwerk vorn festzuhalten und entfernen Sie das Holz.
Nehmen Sie auf dem Fahrersitz Platz und senken das Mähwerk ab, bis es knapp über dem Boden steht.
Befestigen Sie die Schnitthöhenkette an der Rückseite des Mähwerks.
Schließen Sie den Stoßdämpfer an und befestigen Sie den Befestigungsclip.
Die Neigung des Mähwerks ist der Unterschied zwischen der Schnitthöhe an der Vorderseite des Schnittmessers und an der Rückseite der Schnittmesser. Stellen Sie eine Messerneigung von 6,3 - 9,7 mm ein, d. h. das Messer sollte hinten 7,5 mm höher stehen als vorne.
Parken Sie die Maschine auf einer ebenen Fläche, aktivieren Sie die Feststellbremse, senken das Mähwerk ab, stellen den Motor ab und ziehen den Schlüssel ab.
Stellen Sie das Mähwerk auf die gewünschte Schnitthöhe ein.
Stellen Sie sicher, dass die Flügel mit dem Frontmähwerk und das Frontmähwerk seitlich nivelliert ist.
Drehen Sie jedes so, dass es geradeaus weist (Bild 105).

Messen Sie den Abstand vom Boden bis zur vorderen Spitze des vorderen Messers mit einem kurzen Lineal.
Messen Sie den Abstand vom Boden bis zur hinteren Spitze des Flügelmessers.
Ziehen Sie den Wert für vorne vom Wert für hinten ab, um die Messerneigung zu berechnen.
Lockern Sie die Klemmmuttern an der Ober- oder Unterseite des U-Bügels an der Schnitthöhenkette (Bild 106).
Note: Lockern oder ziehen Sie die Muttern der Schnitthöhenkette gleichmäßig an, damit das Mähwerk seitlich nivelliert bleibt.

Stellen Sie die anderen Muttern ein, um das Heck des Mähwerks anzuheben oder abzusenken, und die richtige Mähwerkneigung basierend auf der durchschnittlichen Neigung jedes Messers zu erhalten.
Ziehen Sie die Klemmmuttern fest.
Entfernen Sie die Spannkappe von der Laufradspindelwelle und ziehen die Laufradspindelwelle aus dem Laufradarm heraus (Bild 107).

Stecken Sie die Beilagscheiben nach Bedarf, um das Laufrad anzuheben oder abzusenken, bis das Mähwerk die richtige Neigung hat.
Montieren Sie die Spannkappe wieder.
In die Ober- und Unterseite des Rohrs der Laufradarme sind Büchsen eingepresst, die sich nach einer längeren Einsatzdauer abnutzen. Bewegen Sie zum Prüfen der Büchsen die Laufradgabeln hin und her und von einer Seite zur anderen. Wenn die Laufradspindel in den Büchsen locker ist, sind die Büchsen abgenutzt und müssen ausgetauscht werden.
Entfernen Sie die Spannkappe und die Laufradgabel (Bild 107).
Note: Markieren Sie die Position der Scheiben und Distanzstücke vor dem Entfernen, damit Sie die Mähwerkneigung nicht neu einstellen müssen.
| Wartungsintervall | Wartungsmaßnahmen |
|---|---|
| Alle 500 Betriebsstunden |
|
Entfernen Sie die Sicherungsmutter von der Schraube, mit der das Laufrad zwischen der Laufradgabel oder am Laufradgelenkarm (Bild 108) befestigt ist.

Halten Sie das Laufrad fest und schieben die Schraube aus der Gabel oder vom Gelenkarm ab (Bild 108).
Entfernen Sie das Lager aus der Radnabe und lassen das Lagerdistanzstück herausfallen (Bild 108).
Entfernen Sie das Lager aus der gegenüberliegenden Seite der Radnabe (Bild 108).
Prüfen Sie die Lager, das Distanzstück und die Innenseite der Radnabe auf Abnutzung.
Note: Tauschen Sie abgenutzte und defekte Teile aus.
Drücken Sie das Lager zum Zusammenbauen des Laufrads in die Radnabe.
Note: Drücken Sie beim Einsetzen der Lager auf den äußeren Lagerkäfig.
Schieben Sie das Lagerdistanzstück in die Radnabe und drücken Sie das andere Lager in das freie Ende der Radnabe, um das Lagerdistanzstück im Inneren der Radnabe zu halten.
Setzen Sie das Laufrad zwischen die Laufradgabel und befestigen sie mit der Schraube und der Sicherungsmutter.
Prüfen Sie das Messer regelmäßig auf Abnutzung und Defekte.
Kontrollieren Sie die Messer vorsichtig. Wickeln Sie die Messer in einen Lappen ein oder tragen Handschuhe; gehen Sie bei der Wartung der Messer mit besonderer Vorsicht vor. Wechseln oder schärfen Sie die Messer, sie dürfen keinesfalls geglättet oder geschweißt werden.
Denken Sie bei Maschinen mit mehreren Schnittmessern daran, dass ein rotierendes Schnittmesser das Mitdrehen anderer Schnittmesser verursachen kann.
Wenn Sie auf einen Festkörper aufgeprallt sind, prüfen Sie den Rasenmäher auf eventuelle Beschädigungen; führen Sie dann die erforderlichen Reparaturen durch, bevor Sie den Rasenmäher erneut verwenden. Ziehen Sie die Riemenscheibenmuttern bis auf 176-203 N·m an.
Heben Sie das Mähwerk an.
Befolgen Sie die Vorgehensweise, die vor Wartungsarbeiten zu beachten ist, siehe Verfahren vor dem Ausführen von Wartungsarbeiten.
Blockieren Sie das Mähwerk, sodass sie nicht herunterfallen kann.
Drehen Sie die Messer, bis die Enden nach vorne und hinten zeigen und messen Sie von der Innenseite des Mähwerks bis zur Schnittkante an der Vorderseite des Messers (Bild 109).
Note: Notieren Sie diesen Wert.

Drehen Sie das andere Ende des Messers nach vorne und messen Sie zwischen des Mähwerks und der Schnittkante des Messers an der gleichen Stelle wie in Schritt 4.
Note: Der Unterschied zwischen den Werten, die Sie in den Schritten 4 und 5 erhalten haben, darf nicht über 3 mm liegen. Bei einem Unterschied von mehr als 3 mm ist das Messer verbogen und muss ausgetauscht werden, siehe Entfernen und Einbauen der Mähwerkmesser.
Wechseln Sie das Messer aus, wenn es einen festen Gegenstand berührt, nicht ausgewuchtet oder verbogen ist. Benutzen Sie immer nur Originalersatzmesser von Toro, um die sichere und optimale Leistung der Maschine sicherzustellen.
Parken Sie die Maschine auf einer ebenen Fläche, heben Sie das Mähwerk in die Transportstellung an, aktivieren Sie die Feststellbremse, stellen Sie den Motor ab und ziehen Sie den Schlüssel ab.
Note: Blockieren Sie das Mähwerk, sodass sie nicht herunterfallen kann.
Halten Sie das Ende des Messers mit einem stark wattierten Handschuh oder wickeln Sie einen Lappen um es herum.
Entfernen Sie die Messerschraube, die Antiskalpierkuppe und das Messer von der Spindelwelle (Bild 110).

Bringen Sie das Messer, die Antiskalpierkuppe und die Messerschraube an und ziehen Sie die Messerschraube mit 115-149 N∙m an.
Important: Der gebogene Teil des Schnittmessers muss zur Innenseite des Mähwerks zeigen, um einen guten Schnitt sicherzustellen.
Note: Wenn Sie auf einen Fremdkörper aufgeprallt sind, ziehen Sie alle Riemenscheibenmuttern der Spindeln bis auf 115-149 N∙m an.
| Wartungsintervall | Wartungsmaßnahmen |
|---|---|
| Nach 10 Betriebsstunden |
|
| Bei jeder Verwendung oder täglich |
|
| Alle 50 Betriebsstunden |
|
Beide Schnittkanten und der Windflügel, d. h. der gegenüber der Schnittkante nach oben gebogene Teil, tragen zur guten Schnittqualität bei. Der Windflügel richtet die Grashalme auf; dies ergibt einen gleichmäßigen Schnitt. Die Windflügel werden jedoch beim Einsatz langsam abgenutzt; dies verschlechtert die Schnittqualität, obwohl die Schnittkanten scharf bleiben. Die Schnittkante des Messers muss scharf bleiben, um sicherzustellen, dass die Grashalme geschnitten und nicht abgerissen werden. Sie erkennen eine stumpfe Schnittkante daran, dass die Grasspitzen bräunlich und zerfetzt aussehen. Beheben Sie diesen Zustand durch das Schärfen der Schnittkanten.
Stellen Sie die Maschine auf eine ebene Fläche, heben das Mähwerk an, aktivieren die Feststellbremse, stellen das Fahrpedal in die NEUTRAL-Stellung, stellen den Zapfwellenhebel in die AUS-Stellung, stellen den Motor ab und ziehen den Schlüssel ab.
Prüfen Sie die Schnittkanten des Messers sorgfältig, insbesondere dort, wo die geraden Flächen die gebogenen berühren, siehe Bild 111.
Note: Da Sand und anderes reibendes Material das Metall abschleifen kann, das die flachen und die gebogenen Teile verbindet, müssen Sie das Messer vor jedem Einsatz des Rasenmähers prüfen. Wenn Sie Abnutzungen feststellen, sollten Sie das Messer auswechseln (Bild 111).

Untersuchen Sie die Schnittkanten aller Messer.
Schärfen Sie alle stumpfen und ausgekerbten Schnittkanten (Bild 112).

Note: Schärfen Sie nur die Oberseite der Schnittkanten und behalten dabei den ursprünglichen Schnittwinkel bei, um die Schärfe des Messers zu gewährleisten.
Note: Das Schnittmesser behält seine Auswuchtung bei, wenn von beiden Schnittkanten die gleiche Materialmenge entfernt wird.
Note: Entfernen Sie die Messer und schärfen sie mit Hilfe eines Schleifsteins. Bringen Sie nach dem Schärfen der Schnittkanten das Messer mit der Antiskalpierkuppe und der Messerschraube an, siehe Entfernen und Einbauen der Mähwerkmesser.
Wenn die Messer eines Mähwerks nicht richtig aufeinander abgestimmt sind, wird das Schnittbild streifig. Dieses Problem können Sie beheben, indem Sie sicherstellen, dass die Messer gerade sind.
Finden Sie mit einer 1 m langen Wasserwaage eine ebene Fläche in der Werkstatt.
Stellen Sie die höchste Schnitthöhe ein; siehe Einstellen der Schnitthöhe.
Senken Sie das Mähwerk auf eine ebene Oberfläche ab und entfernen Sie die Abdeckungen von der Oberseite des Mähwerks.
Drehen Sie die Schnittmesser, bis die Enden nach vorne und hinten gerichtet sind.
Messen Sie die Entfernung vom Boden bis zur vorderen Spitze der Schnittkante. Notieren Sie diesen Wert.
Drehen Sie dann dasselbe Messer, sodass das gegenüber liegende Ende nach vorne weist und messen es erneut.
Note: Der Unterschied zwischen beiden Werten darf nicht größer als 3 mm sein. Bei einem Unterschied von mehr als 3 mm ist das Messer verbogen und muss ausgetauscht werden. Messen Sie alle Messer.
Stellen Sie sicher, dass das Mähwerk auf beiden Seiten gleichmäßig nivelliert ist und regulieren dies erforderlichenfalls.
Bringen Sie die Riemenabdeckungen wieder an.
Important: Passen Sie in der Nähe von Kabinendichtungen und Lampen auf (Bild 113). Halten Sie bei der Verwendung eines Hochdruckreinigers das Strahlrohr mindestens 0,6 m von der Maschine entfernt. Verwenden Sie keinen Hochdruckreiniger direkt an Kabinendichtungen oder unter dem hinteren Überhang.

| Wartungsintervall | Wartungsmaßnahmen |
|---|---|
| Alle 250 Betriebsstunden |
|
Nehmen Sie die Schrauben und Gitter von den internen und hinteren Kabinenluftfiltern ab (Bild 114 und Bild 115).


Blasen Sie saubere, ölfreie Druckluft durch die Filter, um sie zu reinigen.
Important: Wenn ein Filter ein Loch, Riss oder andere Schäden hat, wechseln Sie den Filter aus.
Setzen Sie die Filter und das Gitter ein und befestigen diese mit den Daumenschrauben.
Der Kabinenvorfilter verhindert, dass große Rückstände, u. a. Schnittgut und Laub, in die Kabinenfilter gelangen.
Drehen Sie die Gitterabdeckung nach unten.
Reinigen Sie den Filter mit Wasser.
Important: Verwenden Sie keinen Hochdruckreiniger.
Note: Wenn der Filter ein Loch, Riss oder andere Schäden hat, wechseln Sie den Filter aus.
Lassen Sie den Vorfilter trocknen, bevor Sie ihn in die Maschine einbauen.
Drehen Sie den Filterschirm um die Laschen, bis der Riegel in die Riegelhalterung (Bild 116) einrastet.

| Wartungsintervall | Wartungsmaßnahmen |
|---|---|
| Alle 250 Betriebsstunden |
|
Schließen Sie von jedem Ventilator das Kabel ab.

Entfernen Sie die 2 Handräder und entfernen die Klimaanlage.
Öffnen Sie die 4 Riegel an der Klimaanlage und entfernen das Gitter.

Entfernen Sie die Luftfilter (siehe Bild 115).
Reinigen Sie die Klimaanlage.
Bauen Sie Luftfilter, Gitter und Klimaanlage wieder ein (Bild 115, Bild 117 und Bild 118).
Schließen Sie das Kabel jedes Lüfters an (Bild 117).
Stellen Sie vor dem Verlassen des Fahrersitzes den Motor ab, ziehen Sie den Schlüssel ab und warten Sie, bis alle beweglichen Teile zum Stillstand gekommen sind. Lassen die Maschine abkühlen, bevor Sie sie einstellen, warten, reinigen, oder einlagern.
Lagern Sie die Maschine oder den Benzinkanister nie an Orten mit offener Flamme, Funken oder Zündflamme, z. B. Warmwasserbereiter, oder anderen Geräten.
Important: Verwenden Sie zur Reinigung der Maschine kein Brack- oder wiederaufbereitetes Wasser.
Reinigen Sie die Zugmaschine, Mähwerke und den Motor gründlich.
Prüfen des Reifendrucks. Pumpen Sie alle Reifen der Zugmaschine auf 83-103 kPa auf (12-15 psi).
Prüfen Sie auf lockere Befestigungsteile und ziehen diese bei Bedarf fest.
Fetten Sie alle Schmiernippel und Drehpunkte ein. Wischen Sie überflüssigen Schmierstoff ab.
Schmirgeln Sie alle Lackschäden leicht und bessern Bereiche aus, die angekratzt, abgesprungen oder verrostet sind. Reparieren Sie alle Blechschäden.
Warten Sie den Akku und die Akkukabel wie folgt:
Entfernen Sie die Akkuklemmen von den -polen.
Note: Klemmen Sie immer zuerst die Minusklemme und dann die Plusklemme ab. Schließen Sie immer zuerst den Pluspol und dann den Minuspol an.
Reinigen Sie Akku, -klemmen und -pole mit einer Drahtbürste und Natronlauge.
Überziehen Sie die Kabelanschlussklemmen und Akkupole mit Grafo 112X-Fett (Bestellnummer 505-47) oder mit Vaseline, um einer Korrosion vorzubeugen.
Laden Sie die Batterie alle 60 Tage 24 Stunden lang langsam auf, um einer Bleisulfation des Akkus vorzubeugen.
Lassen Sie das Motoröl in eine Auffangwanne ablaufen und schrauben die Ablassschraube wieder ein.
Entfernen und entsorgen Sie den Ölfilter. Montieren Sie einen neuen Ölfilter.
Füllen Sie die Ölwanne mit der entsprechenden Menge Motoröl.
Stellen Sie den Schlüssel im Schalter in die EIN-Stellung, lassen Sie den Motor an und lassen ihn für ca. zwei Minuten im Leerlauf laufen.
Drehen Sie den Schlüssel im Schalter in die AUS-Stellung.
Entleeren Sie den Kraftstofftank, die -leitungen, den -filter und den Wasserabscheider gründlich.
Spülen Sie den Kraftstofftank mit frischem, sauberem Diesel.
Befestigen Sie alle Teile der Kraftstoffanlage.
Reinigen und warten Sie den Luftfilter gründlich.
Dichten Sie die Ansaugseite des Luftfilters und das Auspuffrohr mit witterungsbeständigem Klebeband ab.
Prüfen Sie den Frostschutz und füllen Sie bei Bedarf Frostschutzmittel entsprechend den in Ihrem Gebiet zu erwartenden Mindesttemperaturen nach.