Underhåll
Varning
Dåligt underhållna maskiner kan gå sönder i förtid och eventuellt skada dig eller andra.
Följ dessa anvisningar för att underhålla och hålla maskinen i gott bruksskick.
Note: Vänster och höger sida på maskinen är lika med förarens vänstra respektive högra sida vid normal körning.
Säkerhet vid underhåll
-
Gör följande innan du kliver ur förarsätet:
-
Parkera maskinen på ett plant underlag.
-
Koppla ur klippenheten/klippenheterna.
-
Se till att drivningen är i neutralläge.
-
Koppla in parkeringsbromsen.
-
Stäng av maskinen och ta ut nyckeln (i förekommande fall).
-
Vänta tills alla rörliga delar har stannat.
-
-
Låt maskinens komponenter svalna innan du utför något underhåll.
-
Utför om möjligt inget underhåll på maskinen medan den är igång. Håll dig på avstånd från rörliga delar.
-
Om maskinen måste vara igång för att ett visst underhåll ska kunna utföras ska klädesplagg, händer, fötter och andra kroppsdelar hållas borta från klippenheten, redskapen och andra rörliga delar. Håll kringstående på behörigt avstånd.
-
Rengör klippenheten, drivningen, motorn och batteriet från gräs och skräp för att undvika eldsvåda.
-
Håll alla delar i gott bruksskick. Byt ut slitna och skadade delar och dekaler, eller ersätt de som saknas. Säkerställ säkert bruksskick genom att se till att alla fästelement är åtdragna på maskinen.
-
Undersök gräsuppsamlarens komponenter ofta och byt ut dem vid behov.
-
Använd endast originalreservdelar och tillbehör från Toro för att garantera att maskinen är säker och har optimal prestanda. Det kan vara farligt att använda reservdelar från andra tillverkare och det kan medföra att produktgarantin upphör att gälla.
-
Kontakta en auktoriserad Toro-återförsäljare vid eventuellt behov av större reparationer eller assistans.
Rekommenderat underhåll
| Underhållsintervall | Underhållsförfarande |
|---|---|
| Efter varje användning |
|
| Var 750:e timme |
|
Kontrollista för dagligt underhåll
Important: Kopiera sidan och använd den regelbundet.
| Kontrollpunkt | Vecka: | ||||||
|---|---|---|---|---|---|---|---|
| Mån. | Tis. | Ons. | Tors. | Fre. | Lör. | Sön. | |
| Kontrollera bromslåsspakens funktion. | |||||||
| Kontrollera om det finns missljud vid körning/användning. | |||||||
| Kontrollera justeringen av cylinder mot understål. | |||||||
| Kontrollera klipphöjdsinställningen. | |||||||
| Bättra på skadad lack. | |||||||
| Rengör maskinen. | |||||||
| Kontrollen utförd av: | ||
| Artikel | Datum | Information |
Förberedelser för underhåll
Förbereda maskinen för underhåll
Varning
Någon skulle kunna starta maskinen medan du utför underhåll eller gör justeringar på den. Om maskinen startas av misstag kan du eller kringstående skadas allvarligt.
Släpp drivreglaget, koppla in parkeringsbromsen, ta ut nyckeln och koppla ur batteriet innan du utför något underhåll.
Gör följande innan du utför underhåll på maskinen eller rengör eller justerar den:
-
Parkera maskinen på en plan yta.
-
Koppla in parkeringsbromsen.
-
Stäng av maskinen.
-
Vänta tills alla rörliga delar har stannat innan du utför underhåll eller reparationer på maskinen, eller ställer den i förvar.
-
Koppla ur batteriet genom att dra ut den T-formade kontakten från huvudströmkontakten (Figur 34).

Underhålla elsystemet
Säkerhet för elsystemet
-
Koppla bort batteriet innan reparation utförs på maskinen.
-
Ladda batteriet i ett öppet och välventilerat utrymme, på avstånd från gnistor och öppna lågor. Koppla ur laddaren innan batteriet ansluts eller kopplas bort. Använd skyddskläder och isolerade verktyg.
Serva batteriet
De enda delarna som kan servas i batteriet är etiketterna. Garantin ogiltigförklaras om du försöker öppna batteriets hölje eller masterstyrenheten. Kontakta en auktoriserad Toro-återförsäljare om ett problem uppstår med batteriet.
Varning
Batteriet innehåller hög spänning som kan orsaka brännskador eller farliga stötar.
-
Försök inte öppna batteriet.
-
Sätt inte in någonting i kontakten till batteriet förutom kablagekontakten som medföljer produkten.
-
Hanterar ett batteri som har ett sprucket hölje med stor försiktighet.
-
Använd endast batteriets egen laddare.
Kassera batteriet
Litiumjonbatteriet måste kasseras eller återvinnas enligt lokala och nationella bestämmelser.
Underhålla batteriladdaren
Important: Alla elektriska reparationer måste utföras av en auktoriserad Toro-återförsäljare.
Operatören får, förutom att skydda laddaren från skada och väder, bara utföra mycket lite underhåll.
Underhålla batteriladdarens sladdar
-
Rengör sladdarna med en något fuktig trasa efter varje användning.
-
Rulla ihop sladdarna då de inte används.
-
Undersök regelbundet sladdarna så att de är i gott skick och byt vid behov ut dem mot delar som godkänts av Toro.
Rengöra batteriladdarens hölje
Rengör höljet med en något fuktig trasa efter varje användning.
Byta ut säkringar
Om maskinen inte går att slå på, trots att den är laddad, ska du kontrollera säkringarna så här:
-
Stäng av maskinen och koppla ur batteriet.
-
Ta bort de fyra skruvarna (Figur 35) som håller fast batteriets hölje och lyft bort höljet.

-
Kontrollera säkringarna i säkringsblocket (Figur 36).

-
Om en eller flera säkringar har gått ska du byta ut dem mot en säkring med lämplig spänning och strömstyrka. Artikelnummer för specifika säkringar finns i traktorenhetens servicehandbok.
Important: Alla säkringar på maskinen är märkta för 80 V. Använd inte 12 V-säkringar av fordonstyp.
Information om batteridisplayen
En display på batteriet lyser för att ange batteriets status, inklusive laddningsstatus, batteriladdning, fel och batteriuppdateringar. Kontakta en auktoriserad Toro-återförsäljare för mer information om batteridisplayen.
Underhålla drivsystemet
Byta transmissionsvätskan
| Underhållsintervall | Underhållsförfarande |
|---|
Note: Detta förfarande beskrivs i Figur 37.

-
Ta bort ventil- och adapterenheten från transmissionen.
-
Ta hjälp av en annan person för att tippa maskinen bakåt och placera ett kärl under transmissionen.
Note: Använd kärlet för att samla upp transmissionsvätskan.
-
Ta bort avtappningspluggen från transmissionen och låt vätskan rinna ut.
-
Sätt tillbaka avtappningspluggen.
-
Dra åt avtappningspluggen till ett moment på mellan 4 och 5 Nm.
-
Tillsätt 473 ml Dexron VI syntetisk transmissionsvätska genom ventilationsadaptern.
-
Montera ventil- och adapterenheten och dra åt den till ett moment på 12–15 Nm.
Underhålla styrsystemet
Justera drifts-/parkeringsbromsen
Justera drifts-/parkeringsbromsen om den slirar under drift.
-
Koppla ur parkeringsbromsen.
-
Mät det fria spelrummet i änden av parkeringsbromshandtaget (Figur 38).
Handtagets fria spelrum ska vara mellan 12,7 och 25,4 mm. Om det fria spelet inte ligger inom detta värde fortsätter du till steg 3 för att justera bromskabeln.

-
Utför följande steg för att justera bromskabelns spänning:
-
Öka kabelns spänning genom att lossa kabelns främre kontramutter och dra åt den bakre kontramuttern (Figur 39). Upprepa steg 2 och justera spänningen vid behov.
-
Minska kabelns spänning genom att lossa kabelns bakre kontramutter och dra åt den främre kontramuttern (Figur 39). Upprepa steg 2 och justera spänningen vid behov.
-

Underhålla klippenheterna
Knivsäkerhet
-
Var försiktig när du undersöker cylinderklippenheten. Använd skyddshandskar och var försiktig när du utför underhåll på cylindern.
-
En sliten eller skadad kniv eller understål kan gå sönder, och den trasiga delen kan slungas ut mot dig eller någon kringstående, vilket kan leda till allvarliga personskador eller innebära livsfara.
-
Kontrollera regelbundet att knivarna och understålen inte är utslitna eller skadade.
-
Var försiktig när du kontrollerar knivarna. Använd skyddshandskar och var försiktig när du utför underhåll på cylindrarna. Knivarna och understålen får endast bytas ut eller slipas – de ska aldrig rätas ut eller svetsas.
-
När du utför underhåll på knivarna ska du vara medveten om att knivarna fortfarande kan flyttas när du har kopplat loss strömmen.
Montera klippenheten (modell 04835 och 04845)
-
Flytta stödet till KLIPPENHETENS SERVICEPOSITION.
-
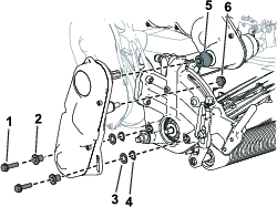
Ta bort fästelementen som fäster cylinderdrivsatsen vid sidoplåten (Figur 40).

-
Avlägsna cylinderdrivsatsen, planbrickorna, fjäderbrickorna och distansbrickorna från sidoplåten (Figur 40).
-
Rikta in klippenheten efter ramen.
-
Använd 4 insexskruvar för att fästa klippenheten på ramen (Figur 41).

-
Använd insexskruvarna, brickorna och distanserna som du tidigare tagit bort för att fästa cylinderdrivsatsen på sidoplåten (Figur 42).
Kontrollera att cylinderdrivningsaxeln är monterad på transmissionsdrivaxelns koppling (Figur 42).

Montera klippenheten (modell 04865)
-
Flytta stödet till KLIPPENHETENS SERVICEPOSITION.
-
Rikta in klippenheten efter ramen.
-
Flytta upphängningsspärrhakarna för att fästa klippenheten på maskinen (Figur 43).

-
Flytta stoppringen ur spåret på transmissionens kopplingsaxel och för in sexkantsröret i klippenhetens kopplingsaxel (Figur 43).
-
Montera gräskorgen.
Avlägsna klippenheten (modell 04835 och 04845)
Avlägsna klippenheten (modell 04865)
Note: Sexkantsröret lossas om du använder cylinderdrivenheten när klippenheten tas bort.
-
Flytta stödet till KLIPPENHETENS SERVICEPOSITION.
-
Avlägsna gräskorgen (i förekommande fall).
-
Flytta stoppringen (Figur 46) till spåret på transmissionsaxeln.
Note: Detta frigör spänningen från fjädern.
-
Skjut bort sexkantsröret från klippenhetens kopplingsaxel (Figur 46).

-
Flytta upp upphängningsspärrhakarna för att frigöra klippenheten från maskinen (Figur 46).
-
Avlägsna klippenheten från ramen.
Slipa klippenheten
Slipa klippenheten genom att utföra ett av följande alternativ:
-
Montera åtkomstsatsen för slipning (modell 139-4342) och använd en slipmaskin. Kontakta en auktoriserad Toro-återförsäljare för att erhålla denna sats.
-
Använd InfoCenter för att gå till slipningsläge.
Gå till slipningsläge genom att välja SLIPA från menyn SERVICE. Följ anvisningarna i InfoCenter för att slipa klippenheten.
Note: När reglaget släpps kopplas slipningsläget ur. Du kan använda reglagespärren (levereras i påsen med lösa delar) för att säkra reglaget i inkopplat läge.Ta bort reglagespärren när slipningen är klar.

Rengöring
Rengöra maskinen
| Underhållsintervall | Underhållsförfarande |
|---|---|
| Efter varje användning |
|
Maskinen kan tvättas med milt rengöringsmedel och vatten efter varje användning. Högtryckstvätta inte maskinen. Använd inte för mycket vatten, särskilt inte i närheten av växelspaksplattan, InfoCenter, elcentralen och maskinens strömkontakt. Rengör motorn så att kylningen fungerar som avsett under drift. Batteriet ska också hållas så rent som möjligt så att det förblir vitt. Då reflekteras solljuset och förhindrar att batteriet överhettas i solen.
Important: Använd inte bräckt eller återvunnet vatten (gråvatten) när du gör rent maskinen.
Important: Förvara eller parkera alltid maskinen i skuggan eftersom värmen från solen minskar batteriets livslängd.




). Symbolen betyder Var försiktig, Varning eller Fara –
anvisning om personsäkerhet. Underlåtenhet att följa
anvisningarna kan leda till personskador eller dödsfall.


























)
























(Av).
(På), anger PIN-koden
och vrider nyckeln i tändningslåset till AV och sedan till läget På.

i skärmens övre högra hörn.





