Kunnossapito
Vaara
Koneen kunnossapidon laiminlyönti voi aiheuttaa koneen järjestelmien ennenaikaisen vioittumisen, mikä voi johtaa käyttäjän tai sivullisten loukkaantumiseen.
Pidä kone hyvin huollettuna ja hyvässä toimintakunnossa näiden ohjeiden mukaisesti.
Note: Koneen vasen ja oikea puoli määritellään normaalista käyttöasennosta käsin.
Turvallisuus huollon aikana
-
Ennen käyttäjän paikalta poistumista:
-
Pysäköi kone tasaiselle alustalle.
-
Vapauta leikkuuyksiköt.
-
Varmista, että veto on vapaalla.
-
Kytke seisontajarru.
-
Sammuta koneen moottori ja irrota virta-avain (jos varusteena).
-
Odota, että kaikki liikkuvat osat ovat pysähtyneet.
-
-
Anna koneen osien jäähtyä ennen huoltoa.
-
Jos mahdollista, älä huolla konetta sen ollessa käynnissä. Pysy etäällä liikkuvista osista.
-
Jos koneen on oltava käynnissä huoltosäädön aikana, pidä kädet, jalat, vaatteet ja kaikki kehon osat etäällä leikkuuyksiköstä, lisälaitteista ja liikkuvista osista. Sivulliset on pidettävä työskentelyalueen ulkopuolella.
-
Poista ruoho ja leikkuujäte leikkuuyksiköstä, käyttöpyörästä, moottorista ja akusta tulipalon estämiseksi.
-
Pidä kaikki osat hyvässä kunnossa. Vaihda kuluneet, vaurioituneet tai puuttuvat osat ja tarrat. Huolehdi, että kaikki kiinnitystarvikkeet ovat tiukasti kiinni, jotta konetta on turvallista käyttää.
-
Tarkista ruohonkerääjän osat säännöllisesti ja vaihda ne tarvittaessa.
-
Käytä vain Toro-alkuperäisvaraosia, jotta kone toimii turvallisesti ja parhaalla mahdollisella tavalla. Muiden valmistajien varaosat voivat osoittautua vaarallisiksi, ja niiden käyttö voi johtaa tuotteen takuun raukeamiseen.
-
Jos ajoneuvo vaatii suurempaa korjausta tai jos tarvitset apua, ota yhteys valtuutettuun Toro-jälleenmyyjään.
Kunnossapitotaulukko
| Huoltoväli | Huoltotoimenpide |
|---|---|
| Jokaisen käytön jälkeen |
|
| 750 käyttötunnin välein |
|
Päivittäisen huollon tarkastuslista
Important: Ota tästä sivusta kopioita.
| Tarkistettavat kohdat | Viikolle: | ||||||
|---|---|---|---|---|---|---|---|
| Ma | Ti | Ke | To | Pe | La | Su | |
| Tarkista jarrun lukitusvivun toiminta. | |||||||
| Kuuntele, kuuluuko käytettäessä outoja ääniä. | |||||||
| Tarkista kelan ja kiinteän terän kohdistus. | |||||||
| Tarkista leikkuukorkeussäätö. | |||||||
| Korjaa maalipinnan vauriot. | |||||||
| Puhdista kone. | |||||||
| Tarkastuksen suoritti: | ||
| Vika | Päivämäärä | Tiedot |
Huoltoa edeltävät toimenpiteet
Koneen valmistelu huoltoa varten
Vaara
Joku voi käynnistää koneen huollon tai säätämisen aikana. Moottorin käynnistys vahingossa voi aiheuttaa vakavan tapaturman käyttäjälle tai sivullisille.
Vapauta vetosanka, kytke seisontajarru, irrota virta-avain ja irrota akku ennen huoltotoimenpiteitä.
Tee seuraavat toimenpiteet ennen koneen huoltoa, puhdistusta ja säätöä:
-
Pysäköi kone tasaiselle alustalle.
-
Kytke seisontajarru.
-
Sammuta moottori.
-
Odota, että kaikki liikkuvat osat ovat pysähtyneet, ennen säätämistä, puhdistamista, varastoimista tai korjaamista.
-
Irrota akku vetämällä T-kahvan liitin irti päävirtalähteen liittimestä (Kuva 34).

Sähköjärjestelmän huolto
Sähköjärjestelmän turvallinen käyttö
-
Irrota akun kytkennät ennen kuin korjaat konetta.
-
Lataa akku avoimessa tilassa, jossa on hyvä ilmanvaihto, kaukana kipinöistä ja avotulesta. Irrota laturin virtajohto ennen kuin kytket laturin akkuun tai irrotat sen akusta. Käytä suojavaatetusta ja eristettyjä työkaluja.
Akkuyksikön huolto
Akkuyksikössä ei ole muita käyttäjän huollettavia osia kuin tarrat. Takuu raukeaa, jos akkuyksikkö tai pääohjain yritetään avata. Jos akkuyksikön käytössä on ongelmia, pyydä apua valtuutetulta Toro-jälleenmyyjältä.
Vaara
Akkuyksikössä on suurjännite, joka voi aiheuttaa palovammoja tai antaa voimakkaan sähköiskun.
-
Älä yritä avata akkuyksikköä.
-
Akkuun saa kytkeä ainoastaan tuotteen mukana toimitetun johdinsarjan liittimen.
-
Jos akkuyksikön kotelo on haljennut, sitä on käsiteltävä erittäin varovasti.
-
Käytä vain akkuyksikköä varten suunniteltua laturia.
Akun hävitys
Litium-ioniakku on hävitettävä tai kierrätettävä paikallisten ja kansallisten määräysten mukaisesti.
Akkulaturin huolto
Important: Kaikki sähkötyöt on teetettävä valtuutetulla Toro-jälleenmyyjällä.
Käyttäjän huoltotoimiin kuuluu vain laturin suojaaminen vaurioilta ja säältä.
Akkulaturin johtojen huolto
-
Puhdista johdot nihkeällä liinalla jokaisen käytön jälkeen.
-
Keri johdot, kun niitä ei käytetä.
-
Tarkista ajoittain, että johdot ovat ehjiä. Vaihda ne tarvittaessa Toron hyväksymiin varaosiin.
Akkulaturin kotelon puhdistus
Puhdista kotelo nihkeällä liinalla jokaisen käytön jälkeen.
Sulakkeiden vaihto
Jos kone ei käynnisty edes latauksen jälkeen, koneen sulakkeet on tarkastettava seuraavasti:
-
Katkaise koneesta virta ja irrota akkuyksikön kytkentä.
-
Irrota akkuyksikön suojuksen neljä kiinnitysruuvia (Kuva 35) ja irrota suojus.

-
Tarkista sulakerasian sulakkeet (Kuva 36).

-
Jos jokin sulake on palanut, vaihda se sulakkeeseen, jolla on sama jännite ja ampeeriluku. Katso sulakkeiden tarkat osanumerot ajoyksikön huolto-oppaasta.
Important: Kaikkien koneen sulakkeiden nimellisjännite on 80 V. Älä käytä ajoneuvokäyttöön tarkoitettuja 12 V:n sulakkeita.
Akun käyttöliittymäpaneelin kuittaus
Akun käyttöliittymäpaneelissa on valot, jotka ilmaisevat akun tilan, mukaan lukien latauksen tilan, varaustason, viat ja akun päivitykset. Lisätietoja akun käyttöliittymäpaneelista saa valtuutetulta Toro-jälleenmyyjältä.
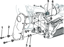
Vetojärjestelmän huolto
Vaihteistoöljyn vaihto
| Huoltoväli | Huoltotoimenpide |
|---|
Note: Katso Kuva 37 tätä toimenpidettä varten.

-
Irrota huohottimen tuuletusaukko ja sovitinkokoonpano vaihteistosta.
-
Pyydä avustajaa kallistamaan konetta taaksepäin ja aseta astia vaihteiston alle.
Note: Valuta vaihteistoöljy astiaan.
-
Irrota tyhjennystulppa vaihteistosta ja anna öljyn valua ulos.
-
Asenna tyhjennystulppa.
-
Kiristä tyhjennystulppa 4–5 N·m:n kiristysmomenttiin.
-
Lisää 473 ml synteettistä Dexron VI -vaihteistoöljyä sovittimen tuuletusaukon kautta.
-
Asenna huohottimen tuuletusaukko ja sovitinkokoonpano ja kiristä ne 12–15 N·m:n kiristysmomenttiin.
Ohjausjärjestelmän huolto
Käyttö- ja seisontajarrun säätö
Jos käyttö-/seisontajarru luistaa käytön aikana, säädä sitä.
-
Vapauta seisontajarru.
-
Mittaa seisontajarrun kahvan pään välys (Kuva 38).
Kahvan välyksen on oltava 12,7–25,4 mm. Jos välys ei ole tällä välillä, siirry vaiheeseen 3 ja säädä jarruvaijeria.

-
Säädä jarruvaijerin kireyttä seuraavasti:
-
Kiristä vaijeria löysäämällä vaijerin etummaista vastamutteria ja kiristämällä takimmaista vastamutteria (Kuva 39). Toista vaihe 2 ja säädä kireyttä tarvittaessa.
-
Löysää vaijeria löysäämällä takimmaista vastamutteria ja kiristämällä vaijerin etummaista vastamutteria (Kuva 39). Toista vaihe 2 ja säädä kireyttä tarvittaessa.
-

Leikkuuyksikön huoltaminen
Terien turvallinen käyttö
-
Ole varovainen, kun tarkastat kelan leikkuuyksikköä. Käytä kelojen huollon aikana käsineitä ja noudata varovaisuutta.
-
Kulunut tai vaurioitunut terä tai kiinteä terä voi rikkoutua ja pala voi sinkoutua käyttäjää tai ohikulkijaa päin, mikä voi aiheuttaa vakavan henkilövahingon tai kuoleman.
-
Terät ja kiinteät terät on tarkistettava säännöllisesti liiallisen kulumisen ja vaurioiden varalta.
-
Ole varovainen, kun tarkastat teriä. Käytä käsineitä ja noudata varovaisuutta keloja huoltaessasi. Terät ja kiinteät terät saa ainoastaan vaihtaa tai läpätä. Niitä ei saa suoristaa eikä hitsata.
-
Kun huollat teriä, muista, että teriä voi liikuttaa vielä virran katkaisun jälkeen.
Leikkuuyksikön asennus (mallit 04835 ja 04845)
-
Siirrä tukiteline LEIKKUUYKSIKöN HUOLTO ‑asentoon.
-
Irrota kiinnitystarvikkeet, joilla kelan käyttökokoonpano on kiinnitetty sivulevyyn (Kuva 40).

-
Irrota kelan käyttökokoonpano, litteät aluslaatat, jousialuslaatat ja välikappaleet sivulevystä (Kuva 40).
-
Kohdista leikkuuyksikkö runkoon.
-
Kiinnitä leikkuuyksikkö runkoon (Kuva 41) neljällä kuusiokoloruuvilla.

-
Kiinnitä kelan käyttökokoonpano leikkuuyksikön sivulevyyn aikaisemmin irrotetuilla kuusiokoloruuveilla, aluslaatoilla ja välikappaleilla (Kuva 42).
Varmista, että kelan käyttökokoonpanon käyttöakseli on asennettu voimansiirtoakselin kytkentäkappaleeseen (Kuva 42).

Leikkuuyksikön asennus (malli 04865)
Leikkuuyksikön irrotus (mallit 04835 ja 04845)
Leikkuuyksikön irrotus (malli 04865)
Note: Jos käytät kelaa, kun leikkuuyksikkö on irrotettu, kuusioputki irtoaa.
-
Siirrä tukiteline LEIKKUUYKSIKöN HUOLTO ‑asentoon.
-
Irrota ruohonkeräin (jos varusteena).
-
Siirrä holkki (Kuva 46) vaihteistoakselin uraan.
Note: Tämä vapauttaa jännitystä jousesta.
-
Liu’uta kuusioputki irti leikkuuyksikön kytkentäakselista (Kuva 46).

-
Vapauta leikkuuyksikkö koneesta siirtämällä jousituksen salpoja ylöspäin (Kuva 46).
-
Irrota leikkuuyksikkö rungosta.
Leikkuuyksikön läppäys
Läppää leikkuuyksikkö jollain seuraavista tavoista:
-
Asenna läppäyssarja (malli 139-4342) ja käytä läppäyskonetta. Hanki sarja ottamalla yhteys valtuutettuun Toro-jälleenmyyjään.
-
Valitse läppäystila tietokeskuksesta.
Siirry läppäystilaan valitsemalla HUOLTO-valikosta LäPPäYS. Läppää leikkuuyksikkö tietokeskuksen näytölle tulevien ohjeiden mukaan.
Note: Kun sanka vapautetaan, läppäystila poistetaan käytöstä. Voit kiinnittää sankan käyttöasentoon sankan kiinnityshaarukalla (toimitetaan irto-osien pussissa).Irrota sankan kiinnityshaarukka läppäyksen jälkeen.

Puhdistus
Koneen puhdistus
| Huoltoväli | Huoltotoimenpide |
|---|---|
| Jokaisen käytön jälkeen |
|
Pese kone jokaisen käytön jälkeen miedolla pesuaineella ja vedellä. Älä pese konetta painepesurilla. Älä käytä liian paljon vettä etenkään vaihdevivun laatan, tietokeskuksen, virtakeskuksen ja moottorin virtaliitännän kohdalla. Puhdista moottori niin, että se jäähtyy kunnolla käytön aikana. Pidä myös akkuyksikkö mahdollisimman puhtaana niin, että sen väri pysyy valkoisena. Valkoinen pinta heijastaa auringonvaloa ja estää akkua ylikuumentumasta auringossa.
Important: Älä puhdista konetta suolapitoisella tai kierrätetyllä vedellä.
Important: Pysäköi tai varastoi kone aina suojassa suoralta auringonvalolta. Auringon kuumuus lyhentää akun kestoikää.




, joka tarkoittaa
varoitusta, vaaraa tai hengenvaaraa – henkilöturvallisuusohjeet.
Ohjeiden laiminlyönti saattaa johtaa henkilövahinkoon tai
kuolemaan.


























)
























(Pois)-tilaan
valintapainikkeella. Tällöin asetuksia voidaan tarkastella
ja muuttaa ilman PIN-koodia.
(Päällä)-asentoon
valintapainikkeella, asettamalla PIN-koodi ja kääntämällä
avain virtalukossa PYSäYTYS-asentoon
ja sitten KäYNNISSä-asentoon.

.






