| Onderhoudsinterval | Onderhoudsprocedure |
|---|---|
| Bij elk gebruik of dagelijks |
|
Deze machine is een multifunctionele zitmaaier bedoeld voor gebruik door professionele bestuurders in commerciële toepassingen. De sets zijn voornamelijk ontworpen voor de verzorging van gras van goed onderhouden gazons in parken, sportvelden en golfbanen. Dit product gebruiken voor andere doeleinden dan het bedoelde gebruik kan gevaarlijk zijn voor u of voor omstanders.
Lees deze informatie zorgvuldig door, zodat u weet hoe u de machine op de juiste wijze moet gebruiken en onderhouden en om schade aan de machine en letsel te voorkomen. U bent verantwoordelijk voor het juiste en veilige gebruik van de machine.
Ga naar www.Toro.com voor documentatie over productveiligheid en bedieningsinstructies, informatie over accessoires, hulp bij het vinden van een dealer of om uw product te registreren.
Als u service, originele Toro onderdelen of aanvullende informatie nodig hebt, kunt u contact opnemen met een erkende servicedealer of met de klantenservice van Toro. U dient hierbij altijd het modelnummer en het serienummer van het product te vermelden. De locatie van het plaatje met het modelnummer en het serienummer van het product is aangegeven op Figuur 1. U kunt de nummers noteren in de ruimte hieronder.
Important: U kunt met uw mobiel apparaat de QR-code op het plaatje met het serienummer (indien aanwezig) scannen om toegang te krijgen tot de garantie, onderdelen en andere productinformatie.

Deze handleiding wijst u op mogelijke gevaren en bevat veiligheidswaarschuwingen die u kunt herkennen aan het waarschuwingspictogram (Figuur 2), dat wijst op een gevaar dat ernstig letsel of de dood kan veroorzaken indien u nalaat de voorgeschreven maatregelen te treffen.

Er worden in deze handleiding twee woorden gebruikt om uw aandacht op bijzondere informatie te vestigen. Belangrijk attendeert u op bijzondere technische informatie en Opmerking duidt algemene informatie aan die bijzondere aandacht verdient.
Model 31900A en 31901A voldoen aan alle relevante Europese richtlijnen; zie voor details de aparte productspecifieke conformiteitsverklaring.
Model 31907A en 31909A voldoen niet aan alle relevante Europese richtlijnen.
Als de machine zonder goed werkende vonkenvanger of goed onderhouden brandveilige motor wordt gebruikt in een bosgebied of op een met dicht struikgewas of gras begroeid terrein, handelt de bestuurder in strijd met de bepalingen van sectie 4442 of 4443 van de Wet op de Openbare Hulpbronnen (Public Resources Code) van de Staat Californië.
De bijgevoegde gebruikershandleiding van de motor biedt informatie over het Amerikaanse Environmental Protection Agency (EPA) en het Californische controlesysteem voor emissies, onderhoud en garantie. U kunt vervangingsonderdelen bestellen via de fabrikant van de motor.
Als deze machine is uitgerust met een telematica-apparaat, neem dan contact op met uw erkende Toro distributeur voor instructies over hoe u het apparaat moet activeren.
CALIFORNIË
Proposition 65 Waarschuwing
De uitlaatgassen van de dieselmotor van dit product bevatten bestanddelen waarvan bekend is dat ze kanker, geboorteafwijkingen of andere schade aan de voortplantingsorganen kunnen veroorzaken.
Accuklemmen, accupolen en dergelijke onderdelen bevatten lood en loodverbindingen. Van deze stoffen is bekend dat ze kanker en schade aan de voortplantingsorganen veroorzaken. Was altijd uw handen nadat u met deze onderdelen in aanraking bent geweest.
Gebruik van dit product kan leiden tot blootstelling aan chemische stoffen waarvan de Staat Californië weet dat ze kanker, geboorteafwijkingen en andere schade aan het voortplantingssysteem veroorzaken.
Dit product kan handen of voeten afsnijden en voorwerpen uitwerpen. Volg altijd alle veiligheidsinstructies op om ernstig letsel te voorkomen.
Lees deze Gebruikershandleiding en zorg ervoor dat u deze begrijpt voordat u de motor start.
Geef uw volledige aandacht als u de machine gebruikt. Zorg ervoor dat u met niets anders bezig bent waardoor u kunt worden afgeleid, anders kunnen er letsels ontstaan of kan eigendom worden beschadigd.
Gebruik de machine niet als er schermen of andere beveiligingsmiddelen ontbreken of als deze niet naar behoren werken.
Houd uw handen en voeten uit de buurt van draaiende onderdelen. Blijf uit de buurt van de afvoeropening.
Houd omstanders en kinderen uit de buurt van het werkgebied. Hou omstanders en kinderen uit de buurt van het werkgebied. Laat kinderen nooit de machine bedienen.
Zet de motor af, verwijder het contactsleuteltje en wacht totdat alle bewegende onderdelen tot stilstand zijn gekomen voordat u de bestuurderspositie verlaat. Laat de machine afkoelen voordat u deze afstelt, reinigt, stalt of er onderhoudswerkzaamheden aan verricht.
Onjuist gebruik of onderhoud van deze machine kan letsel tot
gevolg hebben. Om het risico op letsel te verkleinen, dient u zich
aan de volgende veiligheidsinstructies te houden en altijd op het
veiligheidssymbool
te letten, dat betekent Voorzichtig, Waarschuwing
of Gevaar – instructie voor persoonlijke veiligheid. Niet-naleving
van deze instructies kan leiden tot lichamelijk of dodelijk letsel.
![]() |
Veiligheidsstickers en veiligheidsinstructies zijn gemakkelijk zichtbaar voor de bestuurder en bevinden zich bij plaatsen waar gevaar kan ontstaan. Vervang alle beschadigde of verdwenen stickers. |






















Sticker 144-3952: Aanbrengen over sticker 139-6215 (zoals afgebeeld in de Montage-instructies van de CE-set) voor gebruik in landen die de CE-normen naleven (uitsluitend model 31900 en 31901).

Verwijder de schroeven waarmee de naven van het achterwiel aan het pallet zijn bevestigd.
Snijd de kabelbinder door waarmee de aandrijfas aan de achterwielen is bevestigd.
Verwijder de achterwielen van de transportsteun.
Zet de rolbeugel omhoog; zie De rolbeugel omhoog klappen.
Sluit een takel aan op het bovenste, middelste gedeelte van de rolbeugel en breng de machine omhoog.
Verwijder de transportsteun van het onderste gedeelte van de machine.
Plaats 2 kriksteunen onder het achterste gedeelte van de machine zoals wordt getoond in De achterkant van de machine omhoog brengen.
Laat de machine zakken op de kriksteunen.
Benodigde onderdelen voor deze stap:
| Achterwiel | 2 |
| Kleine ring (uitsluitend voor tweewielaandrijving) | 2 |
| Grote ring (uitsluitend voor tweewielaandrijving) | 2 |
| Bout (⅝" x 1¼") (uitsluitend voor tweewielaandrijving) | 2 |
| Stofkap (uitsluitend voor tweewielaandrijving) | 2 |
| Wielmoer (uitsluitend voor vierwielaandrijving) | 8 |
| Schroefdraadborgmiddel |
Verwijder de transportbeugel van de as of de wielnaaf en gooi de beugel weg.
Verwijder de banden van de transportcontainer en bewaar de 2 bouten (⅝" x 1¼") en grote ringen waarmee de banden aan de container zijn bevestigd.
Monteer elke band als volgt:
Machines met tweewielaandrijving:
Machines met vierwielaandrijving: Gebruik 4 wielmoeren om het wiel aan de wielnaaf te bevestigen (Figuur 4).

Draai de wielmoeren aan; zie Wielmoeren aandraaien.
Benodigde onderdelen voor deze stap:
| Rechter hefarm | 1 |
| Linker hefarm | 1 |
| Grote pen | 2 |
| Bout (⅜" x 2¾") | 2 |
| Moer (⅜") | 4 |
| Kleine pen | 2 |
| Bout (⅜" x 1¼") | 2 |
| Smeernippel | 2 |
Note: Monteer de hefarmen indien nodig met twee personen.
Verwijder de hefarmen van de transportsteun.
Gebruik 2 grote pennen om de hefarmen aan het machineframe te monteren (Figuur 6).

Monteer de smeernippels aan de grote pennen (Figuur 6).
Gebruik 2 moeren (⅜") en 2 bouten (⅜" x 2¾") om de grote pennen aan het frame te bevestigen (Figuur 7).

Voer de volgende stappen uit om de hydraulische cilinders aan de hefarmen te bevestigen:
Plaats een opvangbak onder het hydraulische verdeelstuk (afgebeeld in Figuur 8).
Note: U moet een kleine hoeveelheid hydraulische vloeistof laten weglopen om de hefcilinders manueel terug te trekken.

Maak de wartelmoer van de slang los die is aangesloten op poort C1 van het hydraulische verdeelstuk (Figuur 9).

Gebruik een doorn om de gaten van de cilinderstang uit te lijnen met de gaten in de hefarm (Figuur 10).
Note: Breng de hefarm volledig omhoog als hulp bij de uitlijning.

Gebruik 2 bouten (⅜" x 1¼"), 2 moeren (⅜") en 2 kleine pennen om de hefarmen aan de cilinders te monteren (Figuur 10).
Draai de wartelmoer van de slang op poort C1 vast met een torsie van 41 N·m.
Note: Gebruik een contrasleutel om te voorkomen dat de slang draait.
Smeer de penkoppelingen van het werktuig en de koppelingen van de hefarmpen; zie Lagers en lagerbussen smeren.
Gebruik de eerder verwijderde wielmoeren om de wielen aan de wielnaven te bevestigen (Figuur 11).

Draai de wielmoeren aan; zie Wielmoeren aandraaien.
Benodigde onderdelen voor deze stap:
| Bevestigingsbeugel | 1 |
| Bout (⅜" x 3¼") | 2 |
| Moer (⅜") | 2 |
Gebruik 2 bouten (⅜" x 3¼") en 2 moeren (⅜") om de bevestigingsbeugel aan het platform te bevestigen (Figuur 12).

Benodigde onderdelen voor deze stap:
| Set met stoel (afzonderlijk bestellen; neem contact op met uw erkende Toro distributeur) | 1 |
Monteer de stoel; raadpleeg de Montage-instructies van de set met stoel.
Benodigde onderdelen voor deze stap:
| Stuur | 1 |
| Kap | 1 |
Verwijder het stuurwiel van de transportsteun (Figuur 13).

Verwijder de nylock moer en de ring van de stuuras.
Note: Controleer of de schuimrubberen kraag op de stuuras zit (Figuur 13).
Schuif het stuurwiel en de ring op de stuuras (Figuur 13).
Gebruik de nylock moer om het stuurwiel aan de as te bevestigen. Draai de nylock moer vast met een torsie van 27 tot 35 N·m.
Plaats de kap op het stuurwiel (Figuur 13).
Benodigde onderdelen voor deze stap:
| Geluidssticker (onderdeel 144-0512) | 1 |
Voor model 31907A en 31909A: breng de geluidssticker (onderdeel 144-0512) aan in de buurt van de sticker met het modeljaar zoals getoond in Figuur 14.
Verzeker dat het oppervlak schoon en droog is.

Benodigde onderdelen voor deze stap:
| Bumper | 1 |
| Bout (⅜" x 3") | 2 |
| Bout (⅜" x 3¼") | 4 |
| Moer (⅜") | 6 |
Verwijder de bumper van de transportsteun.
Bevestig het bovenste gedeelte van de bumper losjes aan het machineframe; gebruik hierbij 4 bouten (⅜" x 3¼") en 4 moeren (⅜") zoals wordt getoond in Figuur 15.

Bevestig de bumper losjes onder het machineframe; gebruik hierbij 2 bouten (⅜" x 3") en 2 moeren (⅜") zoals wordt getoond in Figuur 15.
Zet de bevestigingselementen vast.
Zet de rolbeugel omhoog; zie De rolbeugel omhoog klappen.
Sluit de accu aan; zie De accu aansluiten.
Benodigde onderdelen voor deze stap:
| Optioneel werktuig (afzonderlijk bestellen; neem contact op met uw erkende Toro verdeler) | 1 |
| Inbusbout (⅜") | 2 |
| Ring (⅜") | 2 |
| Flensborgmoer (⅜") | 2 |
Important: Wanneer u wisselt van werktuig, moet u verifiëren bij uw erkende Toro verdeler of u het juiste aantal achtergewichten gebruikt voor dat specifieke werktuig.
Monteer het frontwerktuig (bv. maai-eenheid, klepel, ploegmes of blazer); voer de volgende stappen uit en raadpleeg de Gebruikershandleiding van uw werktuig voor bijkomende montage-instructies.
Verwijder terwijl u de aandrijfas ondersteunt de tapbout en borgmoer waarmee het aandrijfasjuk is bevestigd aan de bevestigingsbeugel van de stuurklep (Figuur 16) en laat de aandrijfas voorzichtig zakken.
Note: Gooi de tapbout en de borgmoer weg.

Zorg ervoor dat de aftakas uitgelijnd is; zie De aandrijfas van de aftakas uitlijnen.
Laat iemand anders plaatsnemen op de stoel, het sleuteltje naar de stand AAN draaien, en de hefschakelaar van het werktuig gebruiken om de hefarmen naar beneden te brengen terwijl u de hefarmen naar beneden drukt.
Lijn de openingen in de hefarm uit met de openingen in de werktuigarm zoals omschreven in de Montage-instructies van het werktuig.
Lijn de sleuven in het aandrijfasjuk uit op de sleuven van de ingaande as van het werktuig (Figuur 17), en schuif het juk over de as.

Monteer een tapbout met zeskantkop (⅜" x 2¼") door een ring (⅜") en de opening in het aandrijfasjuk (Figuur 18), en bevestig de tapbout met een flensborgmoer (⅜").

Monteer vanuit de tegenovergestelde richting een tapbout met zeskantkop (⅜" x 2¼") door een ring (⅜") en de opening in het aandrijfasjuk (Figuur 18) en bevestig de tapbout met een flensborgmoer (⅜").
Draai de borgmoeren in stappen aan met een torsie van 61 N·m. Doe dit in een alternerend patroon.
Er moet een afstand van 5 mm zijn tussen de sensor en de sensorbeugelplaat (Figuur 19).

Als de afstand niet juist is, moet u de volgende stappen uitvoeren om de sensorbeugel af te stellen.
Draai de borgmoeren los waarmee de schakelaar aan de beugel voor de schakelaar is bevestigd en stel deze af zodat de afstand tussen de sensor en de sensorplaat correct is.
Draai de borgmoeren van de sensor vast met een torsie van 19 tot 21 N·m.
Controleer het peil van de volgende vloeistoffen voordat u de motor voor de eerste keer start:
Controleer het oliepeil in de motor; zie Het motoroliepeil controleren.
Controleer het peil van de koelvloeistof; zie Het koelsysteem en koelvloeistofpeil controleren.
Controleer het peil van de hydraulische vloeistof; zie Het peil van de hydraulische vloeistof controleren.
Controleer de bandenspanning; zie Bandenspanning controleren.
Important: Zorg ervoor dat alle banden steeds de juiste bandenspanning hebben; hierdoor kan de machine optimale maaiprestaties leveren en goed functioneren. Pomp de banden niet te zacht op.
Benodigde onderdelen voor deze stap:
| CE-set (afzonderlijk bestellen; neem contact op met uw erkende Toro distributeur) | 1 |
Als u deze machine gebruikt in een land waar de CE-normen gelden, moet u de CE-set monteren; raadpleeg de Montage-instructies van de set.
Benodigde onderdelen voor deze stap:
| Gewicht – 19 kg [hoeveelheid is afhankelijk van uw model] | |
| Gewicht – 6 kg [hoeveelheid is afhankelijk van uw model] | |
| Gewichtbeugel (indien nodig) | 1 |
| Gewicht – 11 kg [hoeveelheid is afhankelijk van uw model] |
Raadpleeg de volgende tabel voor het gewicht dat wordt meegeleverd met elke machine:
| Model | Meegeleverd achtergewicht |
| 31900A | 2 gewichten (19 kg elk) |
| 31901A | 1 gewicht (19 kg) |
| 31907A | 0 gewichten |
| 31909A | 5 gewichten (19 kg elk) en 2 gewichten (6 kg) |
Zorg ervoor dat uw machine beschikt over de minimale hoeveelheid achtergewichten voor uw combinatie van tractie-eenheid en werktuig. Voor model 31900A, 31901A, en 31907A kunt u ook meer achtergewicht toevoegen voor een verbeterde prestatie op hellingen.
Raadpleeg de Minimaal vereist achtergewicht tabel om het minimale aantal vereiste gewichten te bepalen.
Om de prestaties op hellingen te verbeteren, voegt u het aantal van elk gewichttype toe zoals aangegeven in de tabel Vereist achtergewicht voor verbeterde prestaties op hellingen.
Om te zorgen voor een goede prestatie van de rolbeugel, mag u niet meer gewicht toevoegen dan is aangegeven in de tabel.
Note: Als u beschikt over een uitgeruste CE-set, moet u de Montage-instructies van de set raadplegen voor de gepaste hellingsticker voor uw combinatie van tractie-eenheid en werktuig. Zorg ervoor dat de juiste hoeveelheid achtergewicht is toegevoegd (d.w.z. gewicht om te voldoen aan de vereiste hellingnorm of gewicht om te voldoen aan de verbeterde prestaties op hellingen).
| Modelnummer van tractie-eenheid | Modelnummer(s) of naam van werktuig | Aantal vereiste gewichten | |||
|---|---|---|---|---|---|
| 19 kg | 6 kg | 11 kg | Totaal | ||
![]() | ![]() | ![]() |
|||
| 31900A | 31970, 31971, 31974 | 2 | 0 | 0 | 2 |
| 31970, 31971, 31974 en zonnescherm | 3 | 0 | 0 | 3 | |
| 31972, 31973, 31975 | 3 | 0 | 0 | 3 | |
| 31972, 31973, 31975 en zonnescherm | 4 | 0 | 0 | 4 | |
| 02835 | 4 | 0 | 0 | 4 | |
| 02835 en zonnescherm | 55 | 0 | 0 | 5 | |
| M-B rolbezem | 4 | 0 | 0 | 4 | |
| MSC23345 en 31990* | 55 | 2 | 0 | 7 | |
| M-B rolbezem en 31990* | 55 | 2 | 3 | 10 | |
| Erskine sneeuwfrees en 31990* | 55 | 2 | 2 | 9 | |
| 31901A | 31970, 31971, 31974 | 1 | 0 | 0 | 1 |
| 31970, 31971, 31974 en zonnescherm | 2 | 0 | 0 | 2 | |
| 31972, 31973, 31975 | 2 | 0 | 0 | 2 | |
| 31972, 31973, 31975 en zonnescherm | 3 | 0 | 0 | 3 | |
| 02835 | 3 | 0 | 0 | 3 | |
| 02835 en zonnescherm | 3 | 0 | 0 | 3 | |
| M-B rolbezem | 4 | 0 | 0 | 4 | |
| MSC23345 en 31990* | 55 | 0 | 0 | 5 | |
| M-B rolbezem en 31990* | 55 | 2 | 3 | 10 | |
| Erskine sneeuwfrees en 31990* | 55 | 2 | 2 | 9 | |
| 31907A | 31970, 31971 | 0 | 0 | 0 | 0 |
| 31970, 31971 en zonnescherm | 0 | 0 | 0 | 0 | |
| 31972, 31973 | 1 | 0 | 0 | 1 | |
| 31972, 31973 en zonnescherm | 2 | 0 | 0 | 2 | |
| 02835 | 1 | 0 | 0 | 1 | |
| 02835 en zonnescherm | 2 | 0 | 0 | 2 | |
| M-B rolbezem | 1 | 0 | 0 | 1 | |
| MSC23345 en 31990* | 55 | 2 | 0 | 7 | |
| M-B rolbezem en 31990* | |||||
| Erskine sneeuwfrees en 31990* | |||||
| 31909A | 31970, 31971 | 5 | 2 | 0 | 7 |
| 31972, 31973 | |||||
| 02835 | |||||
| MSC23345 | |||||
| M-B rolbezem | |||||
| Erskine sneeuwfrees | |||||
| *Model 31990 is de koudebestendige kap. De vermelde gewichtvereiste is voor een machine die tegelijk uitgerust is met een koudebestendige kap en een werktuig (bv. sneeuwfrees of rolbezem). | |||||
| Modelnummer van tractie-eenheid | Modelnummer(s) of naam van werktuig | Aantal vereiste gewichten | |||
|---|---|---|---|---|---|
| 19 kg | 6 kg | 11 kg | Totaal | ||
![]() | ![]() | ![]() |
|||
| 31900A | 31970, 31971, 31974 | 55 | 0 | 0 | 5 |
| 31970, 31971, 31974 en zonnescherm | 55 | 0 | 5 | ||
| 31972, 31973, 31975 | 55 | 0 | 5 | ||
| 31972, 31973, 31975 en zonnescherm | 55 | 0 | 5 | ||
| 02835 | 55 | 0 | 5 | ||
| 02835 en zonnescherm | 55 | 2 | 7 | ||
| 31901A | 31970, 31971, 31974 | 55 | 2 | 0 | 7 |
| 31970, 31971, 31974 en zonnescherm | 55 | 0 | 5 | ||
| 31972 | 55 | 0 | 5 | ||
| 31973, 31975 | 55 | 2 | 7 | ||
| 31972, 31973, 31975 en zonnescherm | 55 | 0 | 5 | ||
| 02835 | 5 | 2 | 7 | ||
| 02835 en zonnescherm | 55 | 2 | 7 | ||
| 31907A | 31970, 31971 | 5 | 2 | 0 | 7 |
| 31970, 31971 en zonnescherm | 4 | 0 | 4 | ||
| 31972, 31973 | 55 | 0 | 5 | ||
| 31972, 31973 en zonnescherm | 3 | 0 | 3 | ||
| 02835 | 3 | 2 | 5 | ||
| 02835 en zonnescherm | 2 | 0 | 2 | ||
Indien u een achtergewicht moet toevoegen, moet u contact opnemen met uw erkende Toro verdeler voor extra gewichten en de volgende montageprocedures raadplegen:
Maak het bevestigingsmateriaal los waarmee de stang van de gewichtvergrendeling aan de bumper is bevestigd.

Voeg de vereiste hoeveelheid gewichten toe.
Maak het bevestigingsmateriaal van de stang van de gewichtvergrendeling vast om het gewicht aan de bumper te bevestigen.
Neem contact op met uw erkende Toro verdeler om de volgende onderdelen te bestellen:
| Naam van onderdeel | Hoeveelheid | Onderdeelnummer |
| Schroef (⅜" x 3½") | 2 | 116-4701 |
| Ring | 2 | 125-9676 |
| Moer (⅜") | 2 | 104-8301 |
Gebruik het bevestigingsmateriaal om de gewichten aan de bumper vast te maken (Figuur 21).

Voor tractie-eenheid/werktuig configuraties die maximaal 2 gewichten (11 kg elk) vereisen:
Neem contact op met uw erkende Toro verdeler om de gewichtbeugelset (onderdeelnummer 144-0480) te bestellen.
Monteer de gewichtbeugelset; raadpleeg de Montage-instructies van de set.
Voor tractie-eenheid/werktuig configuraties die meer dan 2 gewichten (11 kg elk) vereisen: [bv. tractie-eenheid model 31900A uitgerust met MSC23345 en 31990]
Neem contact op met uw erkende Toro verdeler om de volgende onderdelen te bestellen:
| Naam van onderdeel | Hoeveelheid | Onderdeelnummer |
| Bout (⅜" x 4") | 2 | 323-16 |
| Moer (⅜") | 2 | 3256-3 |
| Gewicht (11 kg) | 1 | 144-0484-03 |
| Gewichtbeugelset (omvat bevestigingsmaterialen en 2 gewichten) | 1 | 144-0480 |
Voer de volgende stappen uit volgens uw specifieke situatie:
Note: Raadpleeg Figuur 22 voor deze stappen.
Voor te monteren gewichtbeugelsets:
Voor eerder gemonteerde gewichtbeugelsets:
Verwijder de gewichtbeugel van de machine (Figuur 22).
Bewaar het bevestigingsmateriaal.
Verwijder het aanwezige bevestigingsmateriaal dat de gewichten aan de beugel bevestigt.
Gebruik de bouten (⅜" x 4") en moeren (⅜") om de 3 gewichten aan de beugel te bevestigen (Figuur 22).
Gebruik het eerder verwijderde bevestigingsmateriaal om de gewichtbeugel aan de machine te bevestigen (Figuur 22).

Voer deze procedure alleen uit als u een werktuig anders dan de standaard cirkelmaaidekken (bv. sneeuwfrees, mes of klepel) monteert.
U kunt de hydraulische druk voor de gewichtsoverbrenging van het werktuig naar de tractie-eenheid wijzigen door de gewichtsoverbrengingsklep van het hydraulische verdeelstuk in te stellen. Voor de beste prestaties moet u de gewichtoverbrengingsklep zo instellen dat stuiterende bewegingen van het werktuig minimaal zijn op oneffen terrein, maar stel de klep ook zo in dat het werktuig niet zwaar rijdt over vlak terrein of te snel wordt neergelaten.
Om het volgen van het oppervlak door het werktuig te verbeteren bij het werken op oneffen terrein, moet u de hydraulische gewichtsoverbrengingdruk verlagen met het hydraulische verdeelstuk.
Note: Als de zwenkwielen van het werktuig of de voorste rand van de sneeuwfrees boven de grond zweven, is de hydraulische druk van de gewichtsoverbrengingsklep te hoog.
Wanneer u vlak gazon maait, wanneer de maai-eenheid het gras scalpeert, wanneer de maaikwaliteit in de breedterichting ongelijk is of de voorste rand van een sneeuwfrees te zwaar schraapt, moet u de gewichtsoverbrengingsdruk verhogen met het hydraulische verdeelstuk.
Note: Het verhogen van de gewichtsoverbrengingsdruk draagt ook gewicht over van het werktuig naar de wielen van de tractie-eenheid, waardoor de tractie-eenheid meer grip krijgt op de grond.
Stel de gewichtsoverbrengingsdruk als volgt in:
Gebruik de machine gedurende 10 minuten.
Note: Dit zal de hydraulische vloeistof opwarmen.
Parkeer de machine op een horizontaal oppervlak, laat het werktuig zakken, stel de parkeerrem in werking, zet de motor af en verwijder het sleuteltje uit het contact.
Zoek het hefverdeelstuk onder de machine (Figuur 23).

Sluit een drukmeter aan op de testpoort (met de aanduiding G1; zie Figuur 24).

Verwijder aan de zijde van het hefverdeelstuk de dop van de testpoort (met de aanduiding G1; zie Figuur 24).
Maak de contramoer aan het einde van de gewichtoverbrengingsspoel (met de aanduiding LC; zie Figuur 24) los.
Start de motor en zet de gashendel op HOOG STATIONAIR.
Stel de klep van het tegengewicht van de gewichtsoverbrengingsspoel in met een dopsleutel totdat de meter de gewenste druk aangeeft; raadpleeg de volgende tabel voor de aanbevolen drukinstelling van het werktuig.
Draai de instelschroef rechtsom om de druk te verhogen.
Draai de instelschroef linksom om de druk te verlagen.
| Werktuig | Gewichtsoverbrengingsdruk |
|---|---|
| Cirkelmaaidek | 17,24 bar |
| Klepelmaaier (modelnr. 02835) | 13,79 bar |
| Sneeuwfrees | 17,24 bar |
| Sneeuwschuif (modelnr. MSC23345) | 13,79 bar |
| Rolbezem (1,5 meter) | 17,24 bar |
Zet de motor af en verwijder het sleuteltje.
Zet de contramoer aan de onderkant van de gewichtsoverbrengingsspoel vast en draai de moer vast met een torsie van 13 tot 16 N∙m.
Plaats de dop terug op de testpoort.
Verwijder de drukmeter van de testpoort.

Note: Stel de stand van de stoel in voordat u de machine gebruikt. Raadpleeg de Montage-instructies van de stoelset voor de instructies om de stoel af te stellen.
Druk op het tractiepedaal (Figuur 26) om de machine vooruit of achteruit te laten rijden.
De machine vooruitrijden: Gebruik uw tenen om op de bovenkant van het pedaal te drukken.
De machine achteruitrijden: Gebruik uw tenen om op de onderkant van het pedaal te drukken.
Note: Voor een gelijkmatig gebruik van de machine moet u uw hiel op het platform houden en het pedaal intrappen met uw tenen.
De rijsnelheid hangt af van hoever het pedaal wordt ingetrapt. Voor de maximale rijsnelheid trapt u het tractiepedaal volledig in terwijl de gashendel op SNEL staat. De maximumsnelheid vooruit is als volgt:
| Modelnummer | Maximale snelheid vooruit |
| 31900A | 20 km/uur |
| 31901A | 20 km/uur |
| 31907A | 22,5 km/uur |
| 31909A | 20 km/uur |
Voor maximaal vermogen bij een zware last of het oprijden van een heuvel zet u de gashendel op SNEL terwijl u het tractiepedaal licht indrukt om het motortoerental (tpm) hoog te houden. Als het motortoerental snel terugvalt, laat u het tractiepedaal iets los zodat het motortoerental weer kan toenemen.

Om het stuurwiel naar u toe te kantelen, drukt u de hendel om het stuurwiel te verstellen (Figuur 26) naar beneden en trekt u de stuurkolom naar u toe. Laat de hendel los wanneer de stuurkolom zich in een stand bevindt waarin u het stuurwiel comfortabel kunt gebruiken.
Als u de motor afzet, moet u de parkeerrem in werking stellen (figuur 16) om te voorkomen dat de machine per ongeluk in beweging komt.
De parkeerrem in werking stellen: Trek de hendel omhoog naar de INGESCHAKELDE stand.

De parkeerrem uitschakelen: Gebruik uw duim om de knop op de bovenkant van de hendel in te drukken en breng de hendel naar beneden naar de UITGESCHAKELDE stand.
Note: Als de hendel niet volledig naar beneden is gebracht, wordt de machine uitgeschakeld wanneer u het tractiepedaal in werking stelt.
Raadpleeg de volgende hoofdstukken voor een beschrijving van de bedieningselementen van het bedieningspaneel (Figuur 28).


Met de hefschakelaar van het werktuig kunt u het werktuig omhoogbrengen naar de hoogste stand (d.w.z. de TRANSPORTSTAND) en omlaagbrengen naar de laagste stand (d.w.z. de BEDRIJFSSTAND).
Het werktuig omhoogbrengen: druk op de achterkant van de schakelaar.
Het werktuig omlaagbrengen: druk op de voorkant van de schakelaar.
Breng het werktuig omhoog naar de TRANSPORTSTAND wanneer u de machine transporteert van de ene locatie naar de andere. Breng het werktuig omlaag naar de BEDRIJFSSTAND wanneer u de machine niet gebruikt.
De aftakas inschakelen: trek de schakelaar omhoog.
De aftakas uitschakelen: duw de schakelaar naar beneden.
De enige keer dat u de aftakas dient in te schakelen is wanneer het aftakaswerktuig zich in de BEDRIJFSSTAND bevindt (omlaaggebracht naar de grond met de aandrijfas aangesloten) en u klaar bent om de machine te beginnen gebruiken.
Note: Als u de bestuurdersstoel verlaat terwijl de aftakasschakelaar nog op AAN staat, zal de motor automatisch worden uitgeschakeld, zie Resetten van de aftakasaandrijving.
De contactschakelaar heeft 3 standen: UIT, AAN/VOORGLOEIEN en START.
Gebruik de schakelaar om de motor te starten of uit te schakelen [zie Starten van de motor of De motor afzetten] of om de informatie van het weergavescherm te bekijken [zie De informatie op het weergavescherm begrijpen].
Met de gashendel bepaalt u het toerental.
Snelheid van de motor verhogen: Zet de hendel naar voren of duw op de VOORWAARTSE positie van de schakelaar.
Snelheid van de motor verlagen: Zet de hendel naar achteren of duw op de ACHTERWAARTSE positie op de schakelaar.
Gebruik de schakelaar van de gloeibougie om een koude motor te starten.
Het weergavescherm toont informatie over uw machine, zoals de bedrijfsmodus en diverse diagnostieken.
Zie De informatie op het weergavescherm begrijpen voor meer informatie over het weergavescherm.

Gebruik de schakelaar (Figuur 30) om de ruitenwissers in of uit te schakelen.
Draai aan de ventilatorregelingsknop (Figuur 30) om de snelheid van de ventilator te regelen.
Met deze schakelaar (Figuur 30) schakelt u het cabinelampje in en uit.
Draai aan de knop van de temperatuurregeling (Figuur 30) om de temperatuur in de cabine te regelen.
Note: Specificaties en ontwerp kunnen zonder voorafgaande kennisgeving worden gewijzigd.

| Beschrijving | Figuur 31 referentie | Afmetingen of gewicht | |
| Hoogte met rolbeugel omhooggeklapt | D | 200 cm | |
| Hoogte met rolbeugel omlaag | C | 111 cm | |
| Hoogte met cabine (model 31909A) | J | 226 cm | |
| Totale lengte (uitgerust met achtergewichten) [Model 31900A, 31901A en 31909A] | Met uitgerust werktuig | G | Maximaal 332 cm |
| Enkel tractie-eenheid. | I | Maximaal 272 cm | |
| Totale lengte (niet uitgerust met achtergewichten) [Model 31907A] | Met uitgerust werktuig | V | Maximaal 312 cm |
| Enkel tractie-eenheid. | H | Maximaal 253 cm | |
| Totale breedte (met uitgerust werktuig) | B | Zie Specificaties breedte. | |
| Lengte wielbasis | E | 132 cm | |
| Breedte loopvlak voorwiel | Modellen 31900A en 31901A | A | 132 cm |
| Modellen 31907A en 31909A | 136 cm | ||
| Breedte loopvlak achterwiel | Model 31900A | 122 cm | |
| Modellen 31901A, 31907A en 31909A | 128 cm | ||
| Afstand tot de grond | Modellen 31900A en 31901A | 20 cm | |
| Modellen 31907A en 31909A | 21 cm | ||
| Nettogewicht | Model 31900A | 800 kg (1.763 lb) | |
| Model 31901A | 798 kg (1.759 lb) | ||
| Model 31907A | 838 kg (1.848 lb) | ||
| Model 31909A | 1.109 kg (2.444 lb) | ||
Raadpleeg de volgende tabel voor de breedteafmetingen van uw uitgeruste maai-eenheid:
| Maai-eenheid | Breedte |
| Model 31970 | 198 cm |
| Model 31971 | 168 cm |
| Model 31972 | 228 cm |
| Model 31973 | 198 cm |
| Model 31974 | 158 cm |
| Model 31975 | 188 cm |
| Modelnr. 02835 (klepel) | 218 cm |
Een selectie van door Toro goedgekeurde werktuigen en accessoires is verkrijgbaar voor gebruik met de machine om de mogelijkheden daarvan te verbeteren en uit te breiden. Neem contact op met een erkende servicedealer of een erkende Toro distributeur, of bezoek www.Toro.com voor een lijst van alle goedgekeurde werktuigen en accessoires.
Om veilige en optimale prestaties te verkrijgen, moet u ter vervanging alleen originele Toro onderdelen en accessoires gebruiken. Gebruik ter vervanging nooit onderdelen en accessoires van andere fabrikanten, omdat dit gevaarlijk kan zijn. Dit kan ertoe leiden dat de garantie op het product komt te vervallen.
Laat kinderen of personen die geen instructie hebben ontvangen, de machine nooit gebruiken of onderhoudswerkzaamheden daaraan verrichten. Plaatselijke voorschriften kunnen nadere eisen stellen aan de leeftijd van degene die met de machine werkt. Plaatselijke voorschriften kunnen nadere eisen stellen aan de leeftijd van degene die met de machine werkt. De eigenaar is verantwoordelijk voor de instructie van alle bestuurders en technici.
Zorg ervoor dat u vertrouwd raakt met de bedieningsorganen en de veiligheidssymbolen, en weet hoe u de machine veilig kunt gebruiken.
Zet de motor af, verwijder het contactsleuteltje en wacht totdat alle bewegende onderdelen tot stilstand zijn gekomen voordat u de bestuurderspositie verlaat. Laat de machine afkoelen voordat u deze afstelt, reinigt, stalt of er onderhoudswerkzaamheden aan verricht.
Zorg ervoor dat u weet hoe u de machine en de motor snel kunt stoppen.
Controleer de aanwezigheid en goede werking van de dodemansinrichtingen, veiligheidsschakelaars en afschermingen. Gebruik de machine uitsluitend als deze naar behoren werkt.
Controleer voordat u begint te maaien altijd de machine om zeker te zijn dat de messen, de mesbouten en het maaimechanisme in goede staat zijn. Vervang versleten of beschadigde messen en bouten altijd als complete set om een goede balans te behouden.
Inspecteer het terrein waarop u de machine gaat gebruiken en verwijder voorwerpen die de machine kan uitwerpen.
Wees uiterst voorzichtig bij het omgaan met brandstof. Brandstof is ontvlambaar en de dampen kunnen tot ontploffing komen.
Doof alle sigaretten, sigaren, pijpen en andere ontstekingsbronnen.
Gebruik uitsluitend een goedgekeurd vat of blik voor de brandstof.
Wanneer de motor loopt of heet is, mag u de brandstofdop niet verwijderen of geen brandstof toevoegen.
Geen brandstof bijvullen of aftappen in een afgesloten ruimte.
Bewaar de machine en het brandstofvat niet op plaatsen waar open vlammen, vonken of waakvlammen (bv. van een boiler of een ander toestel) aanwezig kunnen zijn.
Probeer de motor niet te starten als u brandstof hebt gemorst; voorkom elke vorm van open vuur of vonken totdat de brandstofdampen volledig zijn verdwenen.
Controleer de volgende aspecten dagelijks voordat u de machine gebruikt:
Luchtfilterindicator; zie Onderhoud van het luchtfilter
Motorolie; zie Het motoroliepeil controleren
Koelsysteem; zie Het koelsysteem en koelvloeistofpeil controleren
Motorkapscherm en radiateur; zie De koelribben controleren
Hydraulisch systeem; zie Het peil van de hydraulische vloeistof controleren
Smeerpunten aftakas; zie Lagers en lagerbussen smeren
| Onderhoudsinterval | Onderhoudsprocedure |
|---|---|
| Bij elk gebruik of dagelijks |
|
Aanbevolen bandenspanning (machines met tweewielaandrijving):
Voorbanden: 1,38 bar
Achterbanden: 1,93 bar
Aanbevolen bandenspanning (machines met vierwielaandrijving): 1,38 bar
Een te lage bandenspanning vermindert de zijdelingse stabiliteit van de machine op hellingen. Hierdoor kan de machine omkantelen, waardoor lichamelijk of dodelijk letsel kan ontstaan.
Pomp de banden niet te zacht op.
Controleer de spanning van de voor- en achterbanden. Pomp de banden op of laat lucht ontsnappen totdat de banden de juiste spanning hebben.
Important: Zorg ervoor dat alle banden steeds voldoende bandenspanning hebben; hierdoor kan de machine optimale maaiprestaties leveren en goed functioneren.Controleer de luchtdruk in alle banden voordat u de machine gebruikt.

Important: Gebruik alleen diesel met een laag of ultralaag zwavelgehalte.Als de onderstaande waarschuwingen niet worden opgevolgd kan dit leiden tot schade aan de motor.
Gebruik geen kerosine of benzine in plaats van dieselbrandstof.
Meng nooit kerosine of motorolie met de dieselbrandstof.
Bewaar de brandstof nooit in vaten die van binnen verzinkt zijn.
Voeg geen additieven toe aan de brandstof.
Gebruik uitsluitend schone, verse diesel of biodiesel.
Koop brandstof in hoeveelheden die u binnen 180 dagen kunt gebruiken zodat u altijd verse brandstof heeft.
Cetaangetal: 40 of hoger
Zwavelgehalte: laag (<500 ppm) of ultralaag (<15 ppm)
Gebruik zomerdieselbrandstof (nr. 2-D) bij temperaturen boven -7 °C en winterdieselbrandstof (nr. 1-D of nr. 1-D/2-D-mengsel) bij temperaturen beneden -7 °C.
Note: Gebruik van winterdieselbrandstof bij lage temperaturen biedt een lager vlampunt en een lager stolpunt. Dit vergemakkelijkt het starten en vermindert de kans dat de filters verstopt raken.Gebruik bij temperaturen boven -7 °C zomer- in plaats van winterdieselbrandstof om de brandstofpomp langer te laten meegaan en meer vermogen te ontwikkelen.
Deze machine kan ook gebruik maken van een dieselmengsel tot maximaal B20 (20% biodiesel, 80% diesel).
Zwavelgehalte: ultralaag (<15 ppm)
Biodiesel specificatie: ASTM D6751 of EN 14214
Gemengde brandstof specificatie: ASTM D975, EN 590, of JIS K2204
Important: Het aandeel diesel moet een ultralaag zwavelgehalte hebben.
Neem de volgende voorzorgsmaatregelen in acht:
Biodieselmengsels kunnen gelakte oppervlakken beschadigen.
Gebruik B5 (biodieselinhoud 5%) of mengsels met een lager percentage in koud weer.
Controleer afdichtingen, slangen en pakkingen, die in contact met brandstof komen, omdat zij in de loop der tijd hierdoor kunnen worden aangetast.
Nadat u bent overgestapt op een biodieselmengsel kan een brandstoffilter een tijdlang verstopt raken.
Neem contact op met uw erkende Toro distributeur als u meer informatie over biodiesel wenst.
Inhoud brandstoftank: 45 liter
Note: Vul indien mogelijk de brandstoftank telkens na gebruik; zo beperkt u de opstapeling van condensatie in de brandstoftank tot een minimum.
Parkeer de machine op een horizontaal oppervlak (Figuur 33), stel de parkeerrem in werking, schakel de motor uit en verwijder het sleuteltje.
Schroef de dop van de brandstoftank los.
Vul de brandstoftank met de gespecificeerde brandstof tot de wijzer van de brandstofmeter aangeeft dat de tank vol is.
Schroef de dop op de brandstoftank.

| Onderhoudsinterval | Onderhoudsprocedure |
|---|---|
| Bij elk gebruik of dagelijks |
|
Het veiligheidssysteem is bedoeld om aanslaan of starten van de motor alleen mogelijk te maken als het tractiepedaal in de neutraalstand staat en de aftakas in de UIT-stand staat. Bovendien dient de motor af te slaan wanneer het volgende gebeurt:
De aftakasschakelaar staat op AAN terwijl u niet op de stoel zit.
Het tractiepedaal wordt ingetrapt maar u zit niet op de stoel.
Het tractiepedaal wordt ingetrapt en de parkeerrem is ingeschakeld.
Niet-aangesloten of beschadigde interlockschakelaars kunnen onverwachte gevolgen hebben op de werking van de machine. Dit kan lichamelijk letsel veroorzaken.
Laat de interlockschakelaars ongemoeid.
Controleer elke dag de werking van de interlockschakelaars en vervang beschadigde schakelaars voordat u de machine weer in gebruik neemt.
Zet de AFTAKASschakelaar UIT en haal uw voet van het tractiepedaal.
Draai de contactschakelaar naar de START-stand. Als de motor niet ronddraait/aanslaat ga dan naar stap 3.
Note: Als de motor niet aanslaat, is er misschien een defect in het veiligheidssysteem.
Neem, terwijl de motor draait, uw gewicht van de stoel en zet de aftakasschakelaar op AAN. De motor moet binnen 2 seconden afslaan. Als de motor afslaat, ga dan naar stap 4.
Important: Als de motor niet afslaat, is er een defect in het veiligheidssysteem. Neem contact op met uw erkende Toro distributeur.
Sta, terwijl de motor draait en de aftakasschakelaar in de UIT-stand staat, recht uit de stoel en druk het tractiepedaal in. De motor moet binnen 2 seconden afslaan. Als de motor afslaat, ga dan naar stap 5.
Important: Als de motor niet afslaat, is er een defect in het veiligheidssysteem. Neem contact op met uw erkende Toro distributeur.
Stel de parkeerrem in werking. Druk, terwijl de motor draait en de aftakasschakelaar in de AAN-stand staat, het tractiepedaal in. De motor moet binnen 2 seconden afslaan. Als de motor afslaat, werkt de schakelaar correct; het veiligheidssysteem is klaar voor gebruik van de machine.
Important: Als de motor niet afslaat, is er een defect in het veiligheidssysteem. Neem contact op met uw erkende Toro distributeur.
Als de machine kantelt, kan dat lichamelijk of dodelijk letsel tot gevolg hebben.
Houd de rolbeugel in de omhooggeklapte, geborgde stand.
Gebruik de veiligheidsgordel.
Er is geen omkantelbeveiliging als de rolbeugel omlaag is geklapt.
Gebruik de machine niet op oneffen terrein of op een heuvel met een omlaaggeklapte rolbeugel.
Klap de rolbeugel uitsluitend omlaag als dit absoluut noodzakelijk is.
Doe de veiligheidsgordel niet om als de rolbeugel omlaag is geklapt.
Rij langzaam en voorzichtig.
Klap de rolbeugel omhoog zodra de ruimte dit toelaat.
Let goed op dat er voldoende ruimte boven de machine is (bv. takken, deuropeningen, elektrische kabels) voordat u onder een object rijdt en zorg ervoor dat u dit niet raakt.
Important: Klap de rolbeugel uitsluitend omlaag als dit absoluut noodzakelijk is.
Parkeer de machine op een horizontaal oppervlak, stel de parkeerrem in werking, laat de maai-eenheid zakken, schakel de motor uit en verwijder het sleuteltje.
Maak de borgpennen en de pennen van de rolbeugel los (Figuur 34).
Laat de rolbeugel zakken en borg hem met de pennen en de borgpennen (Figuur 34).


Parkeer de machine op een vlakke ondergrond, stel de parkeerrem in werking, laat de maai-eenheid neer, schakel de motor uit en verwijder het sleuteltje uit de contactschakelaar.
Maak de borgpennen en de pennen van de rolbeugel los (Figuur 35).
Zet de rolbeugel omhoog en borg hem met de pennen en de borgpennen (Figuur 35).

Het weergavescherm toont informatie zoals de bedrijfsmodus en diverse diagnostieken en andere informatie over de machine. Er zijn 2 hoofdinformatieschermen (Figuur 36) en een hoofdmenuscherm.

Gebruik de knop van het weergavescherm (afgebeeld in Figuur 37) om te wisselen tussen de 2 hoofdinformatieschermen en om naar het hoofdmenu te gaan.

Om naar het hoofdmenu te gaan: Houd de knop van het weergavescherm ingedrukt tot de menu-opties op het scherm verschijnen.
Om een menu-optie te selecteren: Druk snel twee keer op de knop van het weergavescherm.
U kunt deze actie ook uitvoeren om te wisselen bij een optie (bv. wisselen tussen Engelse of metrische eenheden in het scherm INSTELLINGEN).
Om terug te keren naar het vorige scherm (bv. terugkeren naar het scherm met het HOOFDMENU van het scherm INSTELLINGEN, of terugkeren naar de hoofdinformatieschermen van het scherm met het HOOFDMENU): houd de knop van het weergavescherm ingedrukt tot het vorige scherm verschijnt.
Om naar beneden te scrollen naar het volgende menu-optie: Druk één keer op de knop van het weergavescherm.
| Menuoptie | Beschrijving |
| STORINGEN | Bevat een lijst met de recente machinefouten. Raadpleeg de Onderhoudshandleiding of een erkende Toro distributeur voor meer informatie over het menu STORINGEN. |
| ONDERHOUD | Bevat informatie over de machine zoals bedrijfsuren en tellingen. Raadpleeg de tabel Onderhoud. |
| DIAGNOSTIEK | Geeft de verschillende huidige statussen en gegevens van de machine weer. U kunt deze informatie gebruiken om bepaalde problemen op te lossen, omdat het menu snel laat zien welke bedieningsorganen van de machine aan/uit zijn en controleniveaus weergeeft (bv. sensorwaarden). |
| INSTELLINGEN | Hier kunt u het InfoCenter-scherm configureren en aan uw voorkeuren aanpassen. Raadpleeg de tabel Instellingen. |
| BETREFFENDE | Hier ziet u het modelnummer, het serienummer en de versie van de software op uw machine. Raadpleeg de tabel Machine. |
| Menuoptie | Beschrijving |
| HOURS | Geeft het totaal aantal uren weer dat het sleuteltje op aan staat en de motor en de aftakas ingeschakeld zijn. |
| COUNTS | Geeft de startcycli van de aftakas en de motor weer. |
| Menuoptie | Beschrijving |
| EENHEDEN | Bepaalt de eenheden die gebruikt worden op het weergavescherm. De opties zijn Engels of metrisch. |
| TAAL | Bepaalt de taal die gebruikt wordt in het weergavescherm. |
| ACHTERGRONDVERLICHTING | Regelt de helderheid van het weergavescherm. |
| CONTRAST | Regelt het contrast van het weergavescherm. |
| BEVEILIGDE MENU'S | Geeft een door uw bedrijf geautoriseerde persoon toegang tot de beveiligde menu's met een pincode (bv. de instelling voor de hellingsensor) |
| BEVEILIGDE INSTELLINGEN | Wanneer dit uitgeschakeld is, kunt u naar de beveiligde menu's gaan zonder de pincode te moeten invoeren. |
OMKEERFUNCTIE![]() | Schakelt de omkeerfunctie in of uit. |
HELLINGSENSOR GEMONTEERD![]() | Toont of een hellingsensor al dan niet gemonteerd is. Als een hellingsensor verwijderd is van de machine, kan deze functie uitgeschakeld worden om de communicatiestoring i.v.m. de hellingsensor te wissen. |
Beveiligd
menu – Enkel toegankelijk met de pincode
| Menuoptie | Beschrijving |
| MAAIDEK | Geeft aan of de inputs/outputs van de maai-eenheid actief zijn. |
| AFTAKAS | Geeft aan of de aftakas actief is. |
| MOTOR | Geeft aan of de inputs/outputs van de motor actief zijn. |
| Menuoptie | Beschrijving |
| MODEL | Het modelnummer van de machine. |
| SERIENUMMER | Het serienummer van de machine. |
| SOFTWARE REVISIE | De softwareversie van de hoofdbedieningseenheid. |
Raadpleeg de volgende tabel voor een beschrijving van elk pictogram van het weergavescherm:
![]() | Motortoerental |
![]() | Motorfout |
![]() | Urenteller |
![]() | Luchtinlaatverwarming actief |
![]() | De bestuurder moet op de stoel zitten |
![]() | Parkeerrem ingeschakeld |
![]() | Neutraalstand |
![]() | Aftakas is ingeschakeld |
![]() | Aftakas is uitgeschakeld |
![]() | De maai-eenheden worden omlaaggebracht |
![]() | De maai-eenheden worden omhooggebracht |
![]() | Pincode |
![]() | Accu |
![]() | Koelvloeistoftemperatuur |
Note: De standaard pincode van de machine is ‘1234’.
Als u de pincode heeft gewijzigd en vergeten bent, neem dan contact op met uw erkende Toro distributeur voor hulp.
Selecteer de optie INSTELLINGEN.
Selecteer de optie BEVEILIGDE MENU’S.
Om de pincode in te voeren, drukt u op de knop van het weergavescherm tot het eerste gewenste cijfer verschijnt. Druk dan twee keer snel op de knop van het weergavescherm om naar het volgende cijfer te gaan.
Nadat alle vier cijfers zijn ingevoerd, drukt u één keer op de knop van het weergavescherm om de pincode in te geven.
Als de pincode juist is ingevoerd, zal het pictogram van de pincode bovenaan rechts van alle menuschermen verschijnen.
De eigenaar/gebruiker is verantwoordelijk voor ongelukken die persoonlijk letsel of materiële schade kunnen veroorzaken, en hij dient zulke ongelukken te voorkomen.
Draag geschikte kleding en uitrusting, zoals oogbescherming, een lange broek, stevige schoenen met een gripvaste zool en gehoorbescherming. Draag lang haar niet los en draag geen losse kleding of juwelen. Draag een stofmasker bij het werken onder stoffige omstandigheden.
Gebruik de machine niet als u ziek, moe of onder de invloed van alcohol of drugs bent.
Geef uw volledige aandacht als u de machine gebruikt. Zorg ervoor dat u met niets anders bezig bent waardoor u kunt worden afgeleid, anders kunnen er letsels ontstaan of kan eigendom worden beschadigd.
Voordat u de motor start: zorg dat alle aandrijvingen in de neutraalstand staan, de parkeerrem in werking is gesteld en u zich in de bestuurderspositie bevindt.
Vervoer geen passagiers op de machine en houd omstanders en kinderen weg uit het werkgebied.
Gebruik de machine uitsluitend bij een goede zichtbaarheid zodat u kuilen en verborgen gevaren kunt vermijden.
Gebruik de machine niet op nat gras. Als de wielen hun grip verliezen, kan de machine gaan glijden.
Houd uw handen en voeten uit de buurt van draaiende onderdelen. Blijf uit de buurt van de afvoeropening.
Kijk achterom en omlaag voordat u achteruitrijdt om er zeker van te zijn dat de weg vrij is.
Wees voorzichtig bij het naderen van blinde hoeken, struiken, bomen, en andere objecten die uw zicht kunnen belemmeren.
Stop de maaimessen als u niet daadwerkelijk maait.
Stop de machine, verwijder het sleuteltje en wacht totdat alle bewegende onderdelen tot stilstand zijn gekomen voordat u het werktuig controleert nadat u een voorwerp heeft geraakt of de machine abnormaal begint te trillen. Voer alle noodzakelijke reparaties uit voordat u de machine weer in gebruik neemt.
Verminder uw snelheid en wees voorzichtig als u een bocht maakt of wegen en voetpaden oversteekt met de machine. Verleen altijd voorrang.
Schakel de aandrijving van de maai-eenheid uit, schakel de motor uit, verwijder het sleuteltje en wacht totdat alle bewegende onderdelen tot stilstand zijn gekomen voordat u de maaihoogte wijzigt (tenzij u deze kunt aanpassen vanuit de bestuurderspositie).
Laat de motor enkel draaien in goed verluchte omgevingen. Uitlaatgassen bevatten koolstofmonoxide, dat dodelijk is bij inademing.
Als u de machine verlaat, laat deze dan niet draaien.
Doe het volgende voordat u de bestuurdersstoel verlaat:
Parkeer de machine op een horizontaal oppervlak.
Schakel de aftakas uit en laat de werktuigen zakken.
Haal de parkeerrem aan.
Zet de motor af en verwijder het sleuteltje.
Wacht totdat alle bewegende onderdelen tot stilstand zijn gekomen.
Bedien de machine uitsluitend wanneer de zichtbaarheid goed is. Gebruik de machine niet als er kans op bliksem is.
De machine niet gebruiken als sleepvoertuig.
Gebruik alleen door Toro goedgekeurde accessoires, werktuigen en reserveonderdelen.
Gebruik de cruisecontrol (indien aanwezig) alleen als u de machine kunt bedienen in een open, platte omgeving zonder obstakels, waar de machine zonder onderbreking met een constante snelheid kan rijden.
De rolbeugel is een volledige en doeltreffende veiligheidsvoorziening.
Verwijder geen onderdelen van de rolbeugel van de machine.
Controleer of de veiligheidsgordel is bevestigd aan de machine.
Trek de gordelband over uw schoot en steek de gordel in de gordelhouder aan de andere kant van de stoel.
Om de veiligheidsgordel los te maken, houdt u de gordel vast, duwt u op de knop van de gordelhouder om de gordel los te maken, en leid u de gordelband in de terugloopopening. Zorg ervoor dat u de veiligheidsgordel in een noodgeval snel kunt losmaken.
Controleer aandachtig of er obstakels zijn waar u onderdoor moet rijden, en zorg dat u ze niet raakt.
Houd de rolbeugel in deugdelijke staat door deze regelmatig grondig te controleren op beschadiging, en zorg dat alle bevestigingsmateriaal stevig is vastgedraaid.
Vervang beschadigde onderdelen van de rolbeugel. U mag deze niet repareren of aanpassen.
Een door Toro gemonteerde cabine is een rolbeugel.
Doe altijd de veiligheidsgordel om.
Houd een inklapbare rolbeugel in de opgeheven en vergrendelde positie en doe uw veiligheidsgordel om als u de machine gebruikt met de rolbeugel omhoog.
Klap een inklapbare rolbeugel slechts tijdelijk omlaag en alleen als dit noodzakelijk is. Doe de veiligheidsgordel niet om als de rolbeugel omlaag is geklapt.
Let op: er is geen omkantelbeveiliging als een inklapbare rolbeugel omlaag is geklapt.
Controleer het gebied dat u gaat maaien en klap de rolbeugel nooit omlaag op golvend terrein of gebieden met steile hellingen of waterkanten.
Het maaien op hellingen is een belangrijke factor bij ongelukken waarbij de controle over de machine wordt verloren of deze omkantelt. Dit kan ernstig of dodelijk letsel veroorzaken. U bent verantwoordelijk voor een veilig gebruik van de machine op hellingen. Gebruik van de machine op hellingen vereist altijd extra voorzichtigheid.
Onderzoek de toestand van het werkgebied om te bepalen of de machine veilig kan worden gebruikt op de helling. Gebruik altijd uw gezond verstand en uw beoordelingsvermogen wanneer u dit onderzoek uitvoert.
Neem de hieronder genoemde instructies voor gebruik van de machine op hellingen door en ga na of u de machine in de specifieke situatie op het betreffende terrein kunt gebruiken. Veranderingen in het terrein kunnen tot gevolg hebben dat de machine anders reageert op hellingen.
Vermijd starten, stoppen of bochten maken op hellingen. Vermijd plotse veranderingen van snelheid of richting. Draai langzaam en geleidelijk.
Gebruik een machine nooit in omstandigheden waarbij u twijfelt over tractie, sturen of stabiliteit.
Verwijder of markeer obstakels zoals greppels, putten, geulen, hobbels, stenen en andere verborgen gevaren. In hoog gras zijn obstakels niet altijd zichtbaar. De machine kan omslaan op oneffenheden in het terrein.
Denk eraan dat de machine tractie kan verliezen doordat u bergafwaarts, op nat gras of dwars op een helling maait. Als de aandrijfwielen tractie verliezen, kunnen ze gaan slippen en kunt u niet meer remmen of sturen.
Rij zeer voorzichtig als u de machine gebruikt in de buurt van steile hellingen, greppels, dijken, waterpartijen en andere gevaarlijke punten. De machine kan plotseling omslaan als een wiel over de rand komt, of als de rand instort. Zorg voor een veilige afstand tussen de machine en een gevarenzone.
Spoor gevaren onderaan de helling op. Indien er gevaren zijn, maait u de helling met een loopmaaimachine.
Laat de maai-eenheden indien mogelijk neer op de grond wanneer u de machine op een helling gebruikt. Als u de maai-eenheden omhoog brengt op hellingen, kan de machine onstabiel worden.
Wees uiterst voorzichtig met grasopvangsystemen of andere werktuigen. Deze kunnen de machine minder stabiel maken, waardoor u de controle over de machine kunt verliezen.
Machines model 31900A en 31901A: Controleer of de hendel van de brandstofklep op AAN staat; raadpleeg Figuur 60.
Ga zitten op de bestuurdersstoel en maak de veiligheidsgordel vast.
Ga na of de parkeerrem ingeschakeld is en de aftakas uitgeschakeld is.
Voorverwarm de motor door het contactsleuteltje te draaien naar de stand AAN.
Houd de schakelaar van de gloeibougies 10 seconden ingedrukt.
Draai het sleuteltje naar START, probeer de motor niet langer dan 15 seconden te starten en laat het sleuteltje terugkeren naar de stand AAN.
Note: Als de motor nogmaals moet worden voorgegloeid, draait u het sleuteltje eerst op UIT en vervolgens op AAN/VOORGLOEIEN. Herhaal dit indien nodig.
Laat de motor stationair of halfgas lopen tot deze opgewarmd is.
Note: Als u de bestuurderstoel verlaat terwijl de aftakasschakelaar op AAN staat, zal de motor automatisch worden uitgeschakeld.
Doe het volgende om de aftakasaandrijving te resetten:
Druk de aftakasschakelaar naar beneden.
Start de motor; zie Starten van de motor.
Trek de aftakasschakelaar omhoog.
Schakel de omkeerfunctie in wanneer u de klepelmaaier monteert (model 02835).
Met de omkeerfunctie kunt u de klepelmaaier snel omhoogbrengen boven het gazon wanneer u snel een bocht maakt aan het einde van een werkgang, of wanneer u manoeuvreert rond obstakels.
Wanneer u de klepelmaaier laat zakken naar de BEDRIJFSSTAND, kunt u de hefschakelaar van het werktuig snel indrukken en loslaten naar achteren om de klepel lichtjes omhoog te brengen wanneer u snel een bocht maakt. Zodra u de bocht hebt gemaakt, drukt u op de hefschakelaar om de klepel terug naar de grond te laten zakken en verder te gaan met maaien.
Gebruik de gashendel om het motortoerental te verlagen.
Zet de aftakasschakelaar in de stand UIT.
Draai het contactsleuteltje naar UIT en verwijder het uit de schakelaar.
Zet de motor af, verwijder het contactsleuteltje en wacht totdat alle bewegende onderdelen tot stilstand zijn gekomen voordat u de bestuurderspositie verlaat. Laat de machine afkoelen voordat u deze afstelt, reinigt, stalt of er onderhoudswerkzaamheden aan verricht.
Verwijder gras en vuil van de maai-eenheden, de geluiddempers en het motorcompartiment om brand te voorkomen. Veeg gemorste olie en brandstof op.
Als de maai-eenheden in de transportstand staan, breng dan een positieve mechanische vergrendeling aan (indien voorhanden) voordat u de machine onbeheerd achterlaat.
Laat de motor afkoelen voordat u de machine in een afgesloten ruimte stalt.
Verwijder het sleuteltje en sluit de brandstofafsluitklep (indien aanwezig) voordat u de machine stalt of sleept.
Stal de machine of het brandstofvat nooit in de buurt van een open vuur, vonken of een waakvlam zoals die van een boiler of een ander apparaat.
Onderhoud en reinig de veiligheidsgordel(s) indien nodig
U kunt de maai-eenheid draaien van de TRANSPORTSTAND (A in Figuur 38) naar de ONDERHOUDSSTAND (B in Figuur 38). Gebruik de ONDERHOUDSSTAND om de messen van de maai-eenheid te onderhouden of schoon te maken onder de maai-eenheid; raadpleeg de Gebruikershandleiding van uw maai-eenheid.

Voer deze procedure uit om de maai-eenheid te draaien van de TRANSPORTSTAND naar de ONDERHOUDSSTAND.
Als u het sleuteltje in de schakelaar laat, bestaat de kans dat iemand de motor per ongeluk start, waardoor u en omstanders ernstig letsel kunnen oplopen.
Verwijder het sleuteltje uit het contact en start de motor niet terwijl de maai-eenheid zich in de ONDERHOUDSSTAND bevindt.
Parkeer de machine op een horizontaal oppervlak.
Druk op de hefschakelaar om de maai-eenheid omhoog te brengen naar de TRANSPORTSTAND.
Stel de parkeerrem in werking, zet de motor af en verwijder het sleuteltje.
Verwijder de pennen uit de maaihoogteplaten (Figuur 39).

Draai de maai-eenheid (Figuur 40) zodat de vergrendeling vastklikt met de bevestigingsbeugel (Figuur 41).
De maai-eenheid is zwaar.
Laat iemand u helpen wanneer u de maai-eenheid optilt.


Voer deze procedure uit om de maai-eenheid te draaien van de ONDERHOUDSSTAND naar de TRANSPORTSTAND.
Zet de vergrendeling van de maai-eenheid vrij van de bevestigingsbeugel (Figuur 42) door de maai-eenheid een beetje naar voren te draaien (zie Figuur 40) en de vergrendelhandgreep naar voren te trekken.

Draai de maai-eenheid traag naar beneden tot de pen de plaat van de hefarm raakt (A in Figuur 43).

Gebruik uw voet om te duwen op de maai-eenheid en trek dan de pen naar buiten (B in Figuur 43) zodat de maai-eenheid zich nu in de TRANSPORTSTAND bevindt.
Plaats de maaihoogtepennen door de maaihoogteplaten en -kettingen.
Als u de machine moet slepen of duwen, stelt u de tractiepomp zo in dat de hydraulische vloeistof wordt omgeleid. Rijd met de machine met een snelheid onder 4,8 km/h, en voor een zeer korte afstand.
Important: Als u de maximale sleepafstand overschrijdt, kan dit leiden tot ernstige schade aan de hydraulische pomp.Als u de machine verder moet transporteren, zet ze dan op een aanhanger.
Verkrijg toegang tot de omloopklep van onder de machine.

Gebruik een ringsleutel van 14 mm om de omloopklep los te draaien, en open de klep dan niet meer dan 3 slagen.
Important: U mag de motor niet starten of laten draaien met de klep in de omloopstand.
Na het slepen en voordat u de motor start, draait u de omloopklep vast met een torsie van 12 N·m.
Wees voorzichtig als u de machine inlaadt op een aanhanger of een vrachtwagen of uitlaadt.
Gebruik een oprijplaat van volledige breedte bij het laden van de machine op een aanhanger of vrachtwagen.
Maak de machine stevig vast.
Verwijder het contactsleuteltje voordat u de machine stalt of transporteert.
Note: Bepaal vanuit de normale bedieningspositie de linker- en rechterzijde van de machine.
Note: Download het elektrische of hydraulische schema gratis op www.Toro.com; u kunt uw machine zoeken via de link Handleidingen op de hoofdpagina.
Doe het volgende voordat u de bestuurdersstoel verlaat:
Parkeer de machine op een horizontaal oppervlak.
Schakel de aftakas uit en laat de werktuigen zakken.
Haal de parkeerrem aan.
Zet de motor af en verwijder het sleuteltje.
Wacht totdat alle bewegende onderdelen tot stilstand zijn gekomen.
Als u het sleuteltje in het contact laat, bestaat de kans dat iemand de motor per ongeluk start waardoor u en andere omstanders ernstig letsel kunnen oplopen. Verwijder het sleuteltje uit het contact voordat u onderhoudswerkzaamheden uitvoert aan de machine.
Laat de onderdelen van de machine afkoelen voordat u onderhoudswerkzaamheden uitvoert.
Als de maai-eenheden in de transportstand staan, breng dan een positieve mechanische vergrendeling aan (indien aanwezig) voordat u de machine onbeheerd achterlaat.
Voer indien mogelijk geen onderhoudswerkzaamheden uit als de motor draait. Blijf uit de buurt van bewegende onderdelen.
Ondersteun de machine met assteunen als u onder de machine werkt.
Haal voorzichtig de druk van onderdelen met opgeslagen energie.
Zorg ervoor dat alle onderdelen van de machine in goede staat verkeren en alle bevestigingselementen stevig vastzitten, in het bijzonder de bevestigingen van maaimessen.
Vervang versleten of beschadigde stickers.
Om veilige en optimale prestaties van de machine te verkrijgen, moet u ter vervanging alleen originele Toro onderdelen gebruiken. Gebruik ter vervanging nooit onderdelen van andere fabrikanten, omdat dit gevaarlijk kan zijn en de productgarantie hierdoor kan vervallen.
| Onderhoudsinterval | Onderhoudsprocedure |
|---|---|
| Na het eerste bedrijfsuur |
|
| Na de eerste 10 bedrijfsuren |
|
| Na de eerste 50 bedrijfsuren |
|
| Na de eerste 1000 bedrijfsuren |
|
| Bij elk gebruik of dagelijks |
|
| Om de 50 bedrijfsuren |
|
| Om de 100 bedrijfsuren |
|
| Om de 200 bedrijfsuren |
|
| Om de 250 bedrijfsuren |
|
| Om de 400 bedrijfsuren |
|
| Om de 500 bedrijfsuren |
|
| Om de 800 bedrijfsuren |
|
| Om de 1000 bedrijfsuren |
|
| Om de 1500 bedrijfsuren |
|
| Om de 2000 bedrijfsuren |
|
| Maandelijks |
|
| Jaarlijks |
|
| Om de 2 jaar |
|
Important: Raadpleeg de gebruikershandleiding van de motor voor verdere onderhoudsprocedures.
Gelieve deze pagina te kopiëren ten behoeve van gebruik bij routinecontroles.
| Gecontroleerd item | Voor week van: | ||||||
|---|---|---|---|---|---|---|---|
| Ma. | Di. | Wo. | Do. | Vr. | Za. | Zo. | |
| Werking van interlockschakelaars controleren. | |||||||
| Controleer of de rolbeugel volledig omhooggeklapt en geborgd is. | |||||||
| Werking van de parkeerrem controleren. | |||||||
| Brandstofpeil controleren. | |||||||
| Oliepeil controleren. | |||||||
| Peil van de koelvloeistof controleren. | |||||||
| Brandstoffilter/waterafscheider aftappen. | |||||||
| Controleer de indicator van het luchtfilter.3 | |||||||
| Koeler en scherm controleren op vuil. | |||||||
| Controleren of motor ongewone geluiden maakt.1. | |||||||
| Controleren op ongewone geluiden tijdens het gebruik. | |||||||
| Hydraulische slangen en leidingen op schade controleren. | |||||||
| Controleren op lekkages. | |||||||
| Controleer de bandenspanning. | |||||||
| Werking van instrumenten controleren. | |||||||
| Alle smeernippels smeren.2 | |||||||
| Beschadigde lak bijwerken. | |||||||
| De veiligheidsgordel controleren. | |||||||
|
1 Controleer de gloeibougie en de spuitmonden van de injector als de motor moeilijk start, buitensporig veel rook afgeeft of ongelijkmatig loopt 2 Onmiddellijk na elke wasbeurt, ongeacht het voorgeschreven interval 3Als de indicator rood is |
|||||||
| Aantekening voor speciale aandachtsgebieden: | ||
| Controle uitgevoerd door: | ||
| Item | Datum | Informatie |
Een mechanische of hydraulische krik kan een machine niet altijd dragen. Als de machine dan valt, kan dit ernstig letsel veroorzaken.
Ondersteun de opgekrikte machine met assteunen.
Gebruik enkel mechanische of hydraulische assteunen om de machine op te krikken.
Important: Zorg ervoor dat er geen kabels of hydraulische onderdelen zitten tussen de krik en het frame.

Blokkeer de 2 achterwielen om te voorkomen dat de machine in beweging komt.
Plaats de krik onder het gewenste krikpunt.
Wanneer u de voorkant van de machine opgekrikt hebt, plaatst u een geschikte kriksteun onder het machineframe om de machine te ondersteunen.
Important: Zorg ervoor dat er geen kabels of hydraulische onderdelen zitten tussen de assteun en het frame.

Blokkeer de 2 voorwielen om te voorkomen dat de machine in beweging komt.
Plaats de krik onder het gewenste krikpunt.
Important: Machines met vierwielaandrijving hebben hydraulische leidingen die dicht bij het frame lopen. Zorg ervoor dat uw krik zo is geplaatst dat de hydraulische leidingen niet worden beschadigd terwijl de machine omhooggebracht is.
Wanneer u de voorkant van de machine opgekrikt hebt, plaatst u een geschikte kriksteun onder het machineframe om de machine te ondersteunen.
| Onderhoudsinterval | Onderhoudsprocedure |
|---|---|
| Bij elk gebruik of dagelijks |
|
| Om de 50 bedrijfsuren |
|
De machine is voorzien van smeerpunten die u regelmatig moet smeren met nr. 2 lithiumvet.
Important: Smeer de machine onmiddellijk na elke wasbeurt.
Arm van de spanpoelie (Figuur 48)

Aftakas (Figuur 49)
Important: Smeer de aandrijfas dagelijks of voor elk gebruik.

Draaipen van as (Figuur 50)

Voorzijde van de machine (Figuur 51):
Scharnierbussen van werktuig (2)
Lagerbussen van hefcilinder (2)
Draaipennen van hefarm (2)

Achterkant van de machine (Figuur 52):
Kogelverbinding van hydraulische cilinder (2)
Asnaven (2)

Zet de motor af en haal het sleuteltje uit het contact voordat u het oliepeil controleert of het carter bijvult met olie.
Verander de snelheid van de toerenregelaar niet en laat de motor het maximale toerental niet overschrijden.
Olietype: Gebruik hoogwaardige motorolie met laag asgehalte die minstens voldoet aan de volgende specificaties:
API-onderhoudsclassificatie CJ-4 of hoger
ACEA-onderhoudsclassificatie E6
JASO-onderhoudsclassificatie DH-2
Carterinhoud: ongeveer 6,2 liter met filter.
Viscositeit: gebruik motorolie met de volgende viscositeit:
Voorkeursolie: SAE 15W-40 (hoger dan -18 °C)
Alternatieve olie: SAE 10W-30 of 5W-30 (voor alle temperaturen)
Toro Premium motorolie is verkrijgbaar bij uw erkende Toro distributeur, met een viscositeit van 15W-40 of 10W-30.
| Onderhoudsinterval | Onderhoudsprocedure |
|---|---|
| Bij elk gebruik of dagelijks |
|
De beste tijd om de motorolie te controleren is wanneer de motor koud is voordat deze is gestart voor de dag. Als de motor al heeft gedraaid, moet u de olie eerst terug naar het carter laten lopen gedurende ten minste 10 minuten voordat u controleert.
Als het olieniveau op of onder de bijvul-markering (Add) op de peilstok staat, vul dan olie bij om het olieniveau bij de vol-markering (Full) te brengen. Giet niet te veel olie in de motor.
Important: Controleer het motoroliepeil dagelijks. Als het peil van de motorolie boven de vol-markering op de peilstok reikt, kan de olie verdund zijn met brandstof. Als het oliepeil in de motor tot boven de vol-markering reikt, moet u de motorolie verversen.
Important: Zorg ervoor dat het motoroliepeil tussen de markeringen voor het minimum en het maximum op de peilstok staat. De motor kan beschadigd worden indien deze te veel of te weinig olie bevat.
Zet de motorkap omhoog; raadpleeg De motorkap omhoogtillen.
Controleer het oliepeil in de motor; zie Figuur 53.

| Onderhoudsinterval | Onderhoudsprocedure |
|---|---|
| Om de 250 bedrijfsuren |
|
| Om de 500 bedrijfsuren |
|
Start de motor en laat deze 5 minuten lopen zodat de olie warm wordt.
Parkeer de machine op een horizontaal vlak, stel de parkeerrem in werking, zet de motor af, verwijder het contactsleuteltje en wacht totdat alle bewegende onderdelen tot stilstand zijn gekomen voordat u de bestuurderspositie verlaat.
Ververs de motorolie zoals wordt getoond in Figuur 54.

Vervang het oliefilter van de motor zoals wordt getoond in Figuur 55.
Note: Controleer of de pakking van het oliefilter contact maakt met de motor en draai nog ¾ slag extra vast.

| Onderhoudsinterval | Onderhoudsprocedure |
|---|---|
| Bij elk gebruik of dagelijks |
|
| Om de 250 bedrijfsuren |
|
Controleer de luchtfilterbehuizing op schade die een luchtlek kan veroorzaken. Vervang de luchtfilterbehuizing als deze is beschadigd. Controleer het luchtinlaatsysteem op lekken, beschadiging of losse slangklemmen.
Geef het luchtfilterelement uitsluitend een onderhoudsbeurt als de indicator voor verstopping (Figuur 56) dit aangeeft. Als u het luchtfilterelement vervangt voordat dit nodig is, is er meer kans dat er vuil in de motor komt wanneer u het element verwijdert.

Important: Zorg ervoor dat het deksel goed vastzit en de luchtfilterbehuizing helemaal afsluit en dat de vergrendelingen goed gesloten zijn.
In bepaalde omstandigheden zijn dieselbrandstof en brandstofdampen uiterst ontvlambaar en explosief. Brand of explosie van brandstof kan brandwonden of materiële schade veroorzaken.
Rook nooit als u aan het werken bent met benzine en blijf uit de buurt van open vuur of plaatsen waar de kans bestaat dat benzinedampen door een vonk kunnen ontbranden.
| Onderhoudsinterval | Onderhoudsprocedure |
|---|---|
| Om de 50 bedrijfsuren |
|
Verwijder water uit de brandstof/waterafscheider zoals getoond in Figuur 58.

| Onderhoudsinterval | Onderhoudsprocedure |
|---|---|
| Om de 400 bedrijfsuren |
|
Vervang de brandstof/waterafscheider zoals wordt getoond in Figuur 58.

| Onderhoudsinterval | Onderhoudsprocedure |
|---|---|
| Om de 400 bedrijfsuren |
|
Draai de hendel van de brandstofklep naar de stand UIT (Figuur 60).
Maak de omgeving van de kop van het brandstoffilter schoon (Figuur 60).

Verwijder het filter en reinig het filterkopplaatsingsoppervlak (Figuur 60).
Smeer de filterpakking met schone motorolie; raadpleeg de gebruikershandleiding van de motor voor meer informatie.
Monteer de droge filterbus met de hand totdat de pakking contact maakt en draai deze vervolgens nog een halve slag verder.
Draai de hendel van de brandstofklep naar de stand AAN (Figuur 60).
Start de motor en controleer op brandstoflekkage rond de filterkop.
Maak de omgeving van de kop van het brandstoffilter schoon (Figuur 61).

Verwijder het filter en reinig het filterkopplaatsingsoppervlak (Figuur 61).
Smeer de filterpakking met schone motorolie; raadpleeg de gebruikershandleiding van de motor voor meer informatie.
Monteer de droge filterbus met de hand totdat de pakking contact maakt en draai deze vervolgens nog een halve slag verder.
Start de motor en controleer op brandstoflekkage rond de filterkop.
| Onderhoudsinterval | Onderhoudsprocedure |
|---|---|
| Jaarlijks |
|
De tank moet worden afgetapt en gereinigd als het brandstofsysteem vervuild raakt of wanneer u de machine voor langere tijd gaat stallen. Gebruik schone dieselbrandstof om de tank uit te spoelen.
| Onderhoudsinterval | Onderhoudsprocedure |
|---|---|
| Om de 400 bedrijfsuren |
|
Inspecteer de brandstofleidingen op slijtage, beschadigingen of loszittende verbindingen.
Koppel de accu af voordat u reparaties aan de machine verricht. Maak eerst de minpool van de accu los en daarna de pluspool. Bevestig eerst de pluspool van de accu en daarna de minpool.
Laad de accu op in een open, goed geventileerde ruimte, uit de buurt van vonken en open vuur. Haal de oplader uit het stopcontact voordat u de accu aan- of loskoppelt. Draag beschermende kleding en gebruik geïsoleerd gereedschap.
| Onderhoudsinterval | Onderhoudsprocedure |
|---|---|
| Om de 50 bedrijfsuren |
|
De accu bevindt zich naast de brandstoftank aan de linkerkant van de machine. Om bij de accu te komen, moet u de motorkap omhoogtillen, de duimschroef waarmee het deksel over de accu is bevestigd losdraaien, en het deksel verwijderen (Figuur 62).
Note: De schroef is bevestigd met een borgring.

Accupolen of metalen gereedschappen kunnen kortsluiting maken met metalen onderdelen van de , waardoor vonken kunnen ontstaan. Hierdoor kunnen accugassen tot ontploffing komen en lichamelijk letsel veroorzaken.
Zorg ervoor dat bij het verwijderen of installeren van de accu de accupolen niet in aanraking komen met metalen onderdelen van de machine.
Voorkom dat metalen gereedschappen kortsluiting veroorzaken tussen de accupolen en metalen onderdelen van de machine.
Als accukabels verkeerd worden verbonden, kan dit schade aan de machine en de kabels tot gevolg hebben en vonken veroorzaken. Hierdoor kunnen accugassen tot ontploffing komen en lichamelijk letsel veroorzaken.
Maak altijd de minkabel (zwart) van de accu los voordat u de pluskabel (rood) losmaakt.
Als accukabels verkeerd worden verbonden, kan dit schade aan de machine en de kabels tot gevolg hebben en vonken veroorzaken. Hierdoor kunnen accugassen tot ontploffing komen en lichamelijk letsel veroorzaken.
Sluit altijd de pluskabel (rood) van de accu aan voordat u de minkabel (zwart) aansluit.
De accu wordt in de bak geborgd met een houder (Figuur 65). Zet het bevestigingsmateriaal van de houder los om de accu te verwijderen; draai het opnieuw aan bij de montage van de accu.
Note: Zie Toegang tot de accu om bij de accu te komen. Vervang het deksel wanneer u de accu monteert.

| Onderhoudsinterval | Onderhoudsprocedure |
|---|---|
| Om de 50 bedrijfsuren |
|
Important: Voordat u laswerkzaamheden aan de machine verricht, moet u de minkabel loskoppelen van de accu om beschadiging van het elektrische systeem te voorkomen.
Controleer de conditie van de accu elke week of om de 50 bedrijfsuren. Zorg ervoor dat de accuklemmen en de gehele accubehuizing schoon zijn omdat een vuile accu langzaam stroom afgeeft.
Maak de accu bereikbaar; zie Toegang tot de accu.
Verwijder het rubberen isolatorkapje van de positieve pool en inspecteer de accu. Voer de volgende stappen uit als de accu vuil is:
Maak de gehele accubehuizing schoon met een oplossing van natriumbicarbonaat en water.
Smeer een laagje Grafo 112X-vet (Toro onderdeelnr. 505-47) op de beide accupolen en de kabelklemmen om corrosie te voorkomen.
Schuif het rubberen isolatorkapje over de pluspool van de accu heen.
Sluit het accudeksel.
Verwijder het bedieningspaneel om bij de zekeringen van de tractie-eenheid te komen (Figuur 66).
Note: De zekeringensticker van de tractie-eenheid bevindt zich aan de andere kant van het bedieningspaneel.

Raadpleeg de Zekeringhouder van tractie-eenheid tabel voor een beschrijving van de zekeringen in de zekeringhouder van de tractie-eenheid (Figuur 67):

| A | B | |
| 1 | Cabine (10 A) | Vermogen weergavescherm (15 A) |
| 2 | Open sleuf | Input sleutel inschakelen voor de controller van het weergavescherm (10 A) |
| 3 | Luchtgeveerde stoel (15 A) | Startcircuit (15 A) |
| 4 | USB-poort, urenteller, telematica, expansiepoort (20 A) | Vermogen contactschakelaar (20 A) |
De cabinezekeringen bevinden zich boven de passagiersstoel. U verkrijgt toegang tot de zekeringen door het deksel van de zekeringkast te verwijderen (Figuur 68).

Raadpleeg de Zekeringhouder van cabine tabel voor een beschrijving van de zekeringen in de zekeringhouder van de cabine (Figuur 69):

| A | |
| 1 | Condensatorventilator; koppeling airconditioning (25 A) |
| 2 | Ruitensproeier (20 A) |
| 3 | Ventilator en cabinelampje (40 A) |
| 4 | Open sleuf |
| Onderhoudsinterval | Onderhoudsprocedure |
|---|---|
| Na het eerste bedrijfsuur |
|
| Na de eerste 10 bedrijfsuren |
|
| Om de 200 bedrijfsuren |
|
Aantrekkoppel van de wielmoeren: 102-108 N∙m
Draai de wielmoeren van de voor- en achterwielen aan (alleen voor machines met vierwielaandrijving) volgens het patroon dat wordt getoond in Figuur 70 en Figuur 71 met de aangegeven torsie.
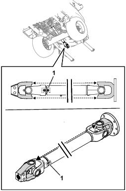
Als u het uitschuifbare uiteinde van de aandrijfas van de aftakas scheidt van het koppelinguiteinde, moet u ervoor zorgen dat de markeringen uitgelijnd zijn (Figuur 72) als u het uitschuifbare uiteinde monteert. De eindjukken dienen ook uitgelijnd te zijn zoals getoond in Figuur 72.
Important: Als de markeringen op de aandrijfas niet uitgelijnd zijn, kan er ernstige onevenwichtigheid optreden in het aandrijvingssysteem.

Motorkoelvloeistof inslikken kan vergiftiging veroorzaken; buiten het bereik van kinderen en huisdieren houden.
Als u hete, onder druk staande koelvloeistof over u heen krijgt of in aanraking komt met een hete radiateur of omliggende delen, kunt u ernstige brandwonden oplopen.
Laat de motor altijd minstens 15 minuten afkoelen voordat u de radiateurdop losdraait.
Gebruik een doek als u de radiateurdop verwijdert en draai de dop langzaam open om de stoom te laten ontsnappen.
Gebruik de machine nooit zonder dat de kappen zijn geplaatst.
Houd uw vingers, handen en kleding uit de buurt van de draaiende ventilator en aandrijfriem.
Het koelvloeistofreservoir is in de fabriek gevuld met een 50/50 verhouding van water en ethyleenglycol extended life koelvloeistof.
Important: Gebruik uitsluitend in de handel verkrijgbare koelvloeistoffen die voldoen aan de specificaties die worden genoemd in de tabel met de normen voor extended life koelvloeistof.Gebruik geen conventionele (groene) IAT-koelvloeistof (inorganic-acid technology of anorganisch-zuurinhibitortechnologie) in uw machine. Meng geen conventionele koelvloeistof met extended life koelvloeistof.
|
Ethyleenglycol vloeistoftype |
Type corrosieremmer |
|
Extended life antivries |
Organisch-zuurinhibitortechnologie (OAT, Organic-acid technology) |
|
Important: Vertrouw niet op de kleur van de koelvloeistof om het verschil te bepalen tussen conventionele (groene) IAT-koelvloeistof (inorganic-acid technology of anorganisch-zuurinhibitortechnologie) en extended life koelvloeistof.Fabrikanten van koelvloeistof kunnen extended life koelvloeistof kleuren in een van de volgende kleuren: rood, roze, oranje, geel, blauw, groenblauw, violet en groen. Gebruik koelvloeistof die voldoet aan de specificaties in de tabel met de normen voor extended life koelvloeistof. |
|
|
ATSM International |
SAE International |
|
D3306 en D4985 |
J1034, J814 en 1941 |
Important: De koelvloeistofconcentratie dient een mengsel te zijn dat half uit water, half uit koelvloeistof bestaat.
Bij voorkeur: Wanneer u koelvloeistof van een concentraat mengt, meng het dan met gedestilleerd water.
Voorkeursoptie: Indien er geen gedestilleerd water beschikbaar is, moet u een vooraf gemengde koelvloeistof gebruiken in plaats van een concentraat.
Minimumvereiste: Indien er geen gedestilleerd water of vooraf gemengde koelvloeistof beschikbaar zijn, moet u geconcentreerde koelvloeistof mengen met schoon, drinkbaar water.
| Onderhoudsinterval | Onderhoudsprocedure |
|---|---|
| Bij elk gebruik of dagelijks |
|
| Om de 1500 bedrijfsuren |
|
Wanneer de motor koud is, mag het peil van de koelvloeistof niet hoger reiken dan de KOUD-MARKERING op de zijkant van de expansietank (Figuur 73). Wanneer de motor warm is, mag het peil van de koelvloeistof niet hoger reiken dan de VOL-MARKERING (WARM).
Als het peil van de koelvloeistof zich boven de KOUD-MARKERING bevindt wanneer de motor koud is, kan deze uit de tank lekken wanneer de motor warm wordt tijdens het gebruik van de machine.
Controleer het peil van de koelvloeistof in de expansietank wanneer de motor koud is.

Als de koelvloeistof niet zichtbaar is aan de KOUD-MARKERING of eronder wanneer de motor koud is, moet u de dop van de expansietank verwijderen en de aanbevolen vervangingsvloeistof indien nodig bijvullen [zie Het koelsysteem en koelvloeistofpeil controleren] om het peil naar de KOUD-MARKERING te brengen.
Important: Gebruik geen koelvloeistoffen op basis van alcohol of alleen water.Vul niet bij voorbij de KOUD-MARKERING op de tank.
Plaats de dop van de expansietank terug.
| Onderhoudsinterval | Onderhoudsprocedure |
|---|---|
| Om de 50 bedrijfsuren |
|

Zet de motorkap omhoog; raadpleeg De motorkap omhoogtillen.
Reinig het motorkapscherm met perslucht (getoond in Figuur 74). Richt de lucht uit de machine.
| Onderhoudsinterval | Onderhoudsprocedure |
|---|---|
| Om de 50 bedrijfsuren |
|
| Om de 250 bedrijfsuren |
|
Reinig de radiateurribben met perslucht. Richt de lucht uit de machine (Figuur 75).
Important: U mag de ribben niet met water schoonmaken.

Maak gebogen ribben recht.
| Onderhoudsinterval | Onderhoudsprocedure |
|---|---|
| Om de 200 bedrijfsuren |
|
Controleer de slangen van het koelsysteem op lekkages, kinken, loszittende steunen, slijtage, loszittende aansluitingen, slijtage door weersinvloeden en de inwerking van chemicaliën. Voer alle noodzakelijke reparaties uit voordat u de machine in gebruik neemt.
| Onderhoudsinterval | Onderhoudsprocedure |
|---|---|
| Om de 400 bedrijfsuren |
|
Plaats 2 kriksteunen onder de voorkant van de machine; zie De voorkant van de machine omhoog brengen.
Verwijder de voorwielen.
Zet de parkeerrem in de UITGESCHAKELDE stand; zie Parkeerrem.
Verwijder de remtrommels (Figuur 76) manueel.
Indien u weerstand voelt terwijl u de remtrommels manueel verwijdert, is een afstelling niet nodig.
Indien u geen weerstand voelt terwijl u de remtrommels manueel verwijdert, is er een afstelling nodig; zie De parkeerrem afstellen.

Monteer de voorwielen en draai de wielmoeren aan; zie Wielmoeren aandraaien.
Blokkeer de wielen.
Zorg dat de parkeerrem is vrijgezet.
Zoek de remkabelbevestiging (Figuur 77) onder de linkerkant van de machine, dicht bij het linkerwiel.

Maak de bovenste contramoeren los zodat er een afstand van 3,2 mm tot 4,8 mm ontstaat.
Trek een kabel naar beneden tot de bovenste contramoer de beugel raakt.
Draai de onderste contramoer vast.
Herhaal stap 5 en 6 voor de andere kabel.
Controleer de parkeerrem; zie De parkeerrem controleren.
| Onderhoudsinterval | Onderhoudsprocedure |
|---|---|
| Na de eerste 10 bedrijfsuren |
|
| Na de eerste 50 bedrijfsuren |
|
| Om de 100 bedrijfsuren |
|
Bij een correcte spanning heeft de riem een speling van 10 mm als u halverwege tussen de poelies op de riem drukt met een kracht van 4,5 kg.
Voer de volgende stappen uit als de speling geen 10 mm bedraagt:
Draai de montagebout van de wisselstroomdynamo los (Figuur 69).

Verhoog of verminder de spanning van de riem van de wisselstroomdynamo en draai de bout vast.
Controleer nogmaals de indrukking van de riem om zeker van te zijn dat de spanning correct is.
| Onderhoudsinterval | Onderhoudsprocedure |
|---|---|
| Om de 100 bedrijfsuren |
|
Controleer de tractieriem op overmatige slijtage of beschadiging.
Vervang de riem als deze overmatig versleten of beschadigd is; zie De tractieriem vervangen.

Koppel de aftakas los van de tandwielkast van het werktuig; zie de Gebruikershandleiding van uw werktuig.
Koppel de connector van de kabelboom van de koppeling los van de machinekabelboom.

Verwijder de rubberen aanslag van de metalen borgclip en de koppeling (Figuur 80).
Laat iemand anders een ratelsleutel gebruiken om de spanning van de riem te halen, en verwijder dan de riem van de poelie van de pomp, de spanpoelie en de motorpoelie.
Beweeg de riem over de koppeling en naar voren op de aftakas om de oude riem te verwijderen.
Beweeg de riem langs de aftakas, over de koppeling en op de motorpoelie.
Laat iemand anders een ratelsleutel gebruiken om de spanpoelie naar beneden te trekken.
Leid de riem op de motorpoelie, de spanpoelie en de poelie van de pomp (Figuur 79).
Haal de ratelsleutel van de arm van de spanpoelie.
Monteer de rubberen aanslag in de metalen borgclip en bevestig de aanslag op de koppeling.
Sluit de connector van de kabelboom van de koppeling aan op de machinekabelboom.
Monteer de aftakas aan de tandwielkast van het werktuig.
| Onderhoudsinterval | Onderhoudsprocedure |
|---|---|
| Om de 200 bedrijfsuren |
|
Laat de motor afkoelen.
Til de motorkap op.
Stel de elektrodenafstand zodanig in dat u een lichte druk voelt als u een voelermaat van 0,3 mm tussen de koppelingsvoering en de frictieplaat schuift (Figuur 81).
Note: U kunt de afstand verkleinen door de stelmoeren rechtsom te draaien (Figuur 81). De maximale elektrodenafstand is 0,6 mm. Stel de 3 elektrodenafstanden in op 0,4 mm.

Nadat de 3 elektrodenafstanden zijn afgesteld, moet u ze alle 3 opnieuw controleren.
Note: Bij de afstelling van 1 elektrodenafstand kunnen de andere afstanden worden veranderd.
U kunt het tractiepedaal afstellen overeenkomstig de wensen van de bestuurder of om de maximale voorwaartse snelheid van de machine te verminderen.
Beweeg het tractiepedaal volledig naar voren (Figuur 82).
Note: Het tractiepedaal moet de aanslag van het tractiepedaal raken voordat de pomp een volledige slag aflegt.

Als het tractiepedaal de aanslag niet raakt of als u de maximale voorwaartse snelheid van de machine wilt verminderen, doet u het volgende:
Hou de aanslag van het pedaal (Figuur 82) vast met een sleutel.
Draai de contramoer aan de onderkant van de voetsteunplaat los (Figuur 83).

Beweeg het tractiepedaal helemaal naar voren (Figuur 82).
Hou de aanslag van het tractiepedaal vast en stel de contramoer boven de voetsteunplaat (Figuur 82) af totdat het tractiepedaal de aanslag raakt.
Verleng de stand van de tractiepedaalaanslag door de aanslag 1 volle slag naar links te draaien, weg van de contramoer boven de voetsteunplaat.
Note: Bij het inkorten van de aanslag wordt de rijsnelheid vooruit van de machine hoger.
Hou de aanslag van het pedaal vast en trek de contramoer onderaan de voetsteunplaat (Figuur 82 en Figuur 83) aan met 37-45 N·m.
Controleer of het tractiepedaal de aanslag raakt voordat de pomp een volledige slag aflegt.
Note: Als het tractiepedaal de aanslag niet raakt, herhaal dan stap 1 tot en met 7.
Waarschuw onmiddellijk een arts als er hydraulische vloeistof is geïnjecteerd in de huid. Geïnjecteerde vloeistof moet binnen enkele uren operatief worden verwijderd door een arts.
Controleer of alle hydraulische slangen en leidingen in goede staat verkeren en alle hydraulische aansluitingen en fittings stevig vastzitten voordat u druk zet op het hydraulische systeem.
Houd lichaam en handen uit de buurt van kleine lekgaten of spuitmonden waaruit onder hoge druk hydraulische vloeistof ontsnapt.
U kunt lekken in het hydraulische systeem opsporen met behulp van karton of papier.
Hef alle druk in het hydraulische systeem op veilige wijze op, voordat u werkzaamheden gaat verrichten aan het hydraulische systeem.
Het reservoir is in de fabriek gevuld met ongeveer 22,7 liter hoogwaardige hydraulische vloeistof. Controleer het peil van de hydraulische vloeistof voordat de motor voor het eerst wordt gestart, en vervolgens dagelijks; zie Het peil van de hydraulische vloeistof controleren.
Aanbevolen bij te vullen vloeistof: Toro PX Extended Life hydraulische vloeistof; verkrijgbaar in emmers van 19 liter of vaten van 208 liter.
Note: Een machine die de aanbevolen vloeistof om bij te vullen gebruikt moet minder vaak bijgevuld worden en het filter moet minder vaak worden vervangen.
Andere hydraulische vloeistoffen: Als de Toro PX Extended Life hydraulische vloeistof niet verkrijgbaar is, kunt u een andere conventionele, petroleumgebaseerde hydraulische vloeistof gebruiken die aan de volgende materiaaleigenschappen en de industrienormen voldoet. Gebruik geen synthetische vloeistof. Vraag uw smeermiddelenleverancier naar een geschikt product.
Note: Toro aanvaardt geen enkele aansprakelijkheid voor schade die wordt veroorzaakt door gebruik van verkeerde vervangende vloeistoffen. Gebruik daarom uitsluitend producten van gerenommeerde fabrikanten die garant staan voor de door hen aanbevolen vloeistoffen.
| Materiaaleigenschappen: | ||
| Viscositeit, ASTM D445 | cSt bij 40°C 44 tot 48 | |
| Viscositeitsindex ASTM D2270 | 140 of hoger | |
| Stolpunt, ASTM D97 | -37°C tot -45°C | |
| Industriespecificaties: | Eaton Vickers 694 (I-286-S, M-2950-S/35VQ25 of M-2952-S) | |
Note: Veel hydraulische vloeistoffen zijn bijna kleurloos, zodat het moeilijk is lekkages op te sporen. Er is een rode kleurstof voor de hydraulische vloeistof verkrijgbaar in flesjes van 20 ml. Een flesje is voldoende voor 15 tot 22 liter hydraulische vloeistof. U kunt deze kleurstof bestellen bij een erkende Toro distributeur, onderdeelnr. 44-2500.
Important: Toro Premium synthetische, biologisch afbreekbare hydraulische vloeistof is de enige biologisch afbreekbare vloeistof die door Toro is goedgekeurd. Deze vloeistof is compatibel met de elastomeren die worden gebruikt in hydraulische systemen van Toro, en is geschikt voor een groot aantal temperatuursomstandigheden. Deze vloeistof is compatibel met gangbare minerale olie, maar met het oog op maximale biologische afbreekbaarheid en goede prestaties moet het hydraulische systeem grondig met gewone vloeistof worden gespoeld. De olie is verkrijgbaar in emmers van 19 liter of vaten van 208 liter bij een erkende Toro distributeur.
| Onderhoudsinterval | Onderhoudsprocedure |
|---|---|
| Bij elk gebruik of dagelijks |
|
Plaats de machine op een horizontaal oppervlak, laat de maai-eenheid zakken, stel de parkeerrem in werking, zet de motor af en verwijder het sleuteltje.
Verwijder de plug van de hydraulische tank (Figuur 84).

Verwijder de peilstok uit de hydraulische tank en veeg hem af met een schone doek (Figuur 84).
Steek de peilstok in de hydraulische tank.
Verwijder de peilstok en controleer het vloeistofpeil (Figuur 85).
Als de maai-eenheid is uitgerust: het peil van de hydraulische vloeistof is goed als het tussen de 2 onderste markeringen op de peilstok reikt (A in Figuur 85). Het is ook aanvaardbaar als het vloeistofpeil boven de onderste markeringen reikt.
Als uw machine uitgerust is met de slangset voor hydraulisch aangedreven werktuigen: het peil van de hydraulische vloeistof is goed als het tussen de 2 bovenste markeringen op de peilstok reikt (B in Figuur 85).

Als het vloeistofpeil zich onder de juiste onderste markering op de peilstok bevindt (naargelang uw uitgeruste werktuig; zie stap 5), moet u de gespecificeerde hydraulische vloeistof bijvullen in de tank. Herhaal stap 3 tot en met 5 tot het vloeistofpeil zich tussen de juiste 2 markeringen op de peilstok bevindt.
Steek de peilstok en de plug in de hydraulische tank.
Draai de plug met de hand vast.
Important: Gebruik geen gereedschap om de plug vast te draaien.
Controleer alle hydraulische slangen en aansluitingen op lekkages.
| Onderhoudsinterval | Onderhoudsprocedure |
|---|---|
| Na de eerste 1000 bedrijfsuren |
|
| Om de 800 bedrijfsuren |
|
| Om de 1000 bedrijfsuren |
|
| Om de 2000 bedrijfsuren |
|
Als de hydraulische vloeistof verontreinigd raakt, moet u contact opnemen met uw plaatselijke Toro distributeur; het systeem dient te worden schoongespoeld. Verontreinigde vloeistof ziet er in vergelijking met schone vloeistof melkachtig of zwart uit.
Important: Gebruik ter vervanging Toro filters; raadpleeg de Onderdelencatalogus van de machine. Als een ander filter wordt gebruikt, kan de garantie van bepaalde onderdelen komen te vervallen.
Plaats de machine op een horizontaal oppervlak, laat de maai-eenheid zakken, stel de parkeerrem in werking, zet de motor af en verwijder het sleuteltje.
Plaats een grote opvangbak onder de tank met hydraulische vloeistof.
Verwijder de dop van de hydraulische tank en de peilstok.
Verwijder de aftapplug (Figuur 86) uit de bodem van de tank en laat de hydraulische vloeistof in de bak lopen.

Reinig de omgeving van de plaats waar het filter wordt gemonteerd.
Plaats een opvangbak onder het filter (Figuur 86), verwijder het filter en laat resterende olie lekken in de bak.
Smeer de nieuwe filterpakking en vul het filter met hydraulische vloeistof.
Controleer of de plaats waar het filter wordt gemonteerd schoon is en draai het filter totdat de pakking contact maken met de bevestigingsplaat; draai het filter vervolgens nog eens ½ slag vast.
Vul de hydraulische tank met hydraulische vloeistof; zie Het peil van de hydraulische vloeistof controleren.
Important: Gebruik uitsluitend de gespecificeerde hydraulische vloeistoffen. Andere vloeistoffen kunnen schade aan het systeem veroorzaken.
Plaats de plug weer terug als er geen hydraulische vloeistof meer naar buiten komt.
Monteer de peilstok en de dop van het reservoir.
Start de motor en gebruik alle hydraulische bedieningsorganen in de volgende volgorde om de hydraulische vloeistof door het hele systeem te verspreiden:
Druk op het tractiepedaal om de machine vooruit en achteruit te laten rijden.
Gebruik het stuur om de banden helemaal rechts en links te draaien.
Gebruik de hefschakelaar om het werktuig omhoog en omlaag te brengen (bv. maai-eenheid).
Controleer op lekkages en zet de motor af.
Controleer het peil van de hydraulische vloeistof in de tank; zie Het peil van de hydraulische vloeistof controleren.
| Onderhoudsinterval | Onderhoudsprocedure |
|---|---|
| Om de 2 jaar |
|
Controleer dagelijks de hydraulische leidingen en slangen op lekkages, kinken, loszittende steunen, slijtage, loszittende aansluitingen, slijtage door weersinvloeden en de inwerking van chemicaliën. Voer alle noodzakelijke reparaties uit voordat u de machine in gebruik neemt.
Important: Wees voorzichtig in de buurt van de afdichtingen van de cabine (Figuur 87). Als u een hogedrukreiniger gebruikt, houd de spuitstok dan minstens 0,6 m van de machine vandaan. Richt de hogedrukreiniger niet rechtstreeks op de afdichtingen van de cabine of onder de overhang aan de achterzijde.

| Onderhoudsinterval | Onderhoudsprocedure |
|---|---|
| Om de 400 bedrijfsuren |
|
Verwijder de knoppen en roosters van de overhang aan de achterzijde van de cabine (Figuur 88).

Verwijder de luchtfilters van de cabine.
Reinig de filters door er schone, olievrije perslucht door te blazen.
Important: Als er in een filter een gat, scheur of andere beschadiging zit, moet het filter worden vervangen.
Gebruik de knoppen en roosters om de filters in de cabine te monteren (Figuur 88).
Het condensatorfilter van de cabine voorkomt dat grotere vuildeeltjes zoals gras en bladeren in de condensator van de cabine en de condensatorventilator dringen.
Trek het schermdeksel recht naar beneden.
Maak het condensatorfilter schoon met water.
Note: Gebruik geen hogedrukreiniger.
Important: Als er in het filter een gat, scheur of andere beschadiging zit, moet het filter worden vervangen.
Laat het filter drogen voordat u het op de machine monteert.
Kantel het filterscherm rond de nokken totdat de vergrendeling aangrijpt in de grendelplaat (Figuur 89).

Note: Het reservoir voor de ruitenwisservloeistof bevindt zich naast de motor aan de rechterkant van de machine.
Verwijder de dop (Figuur 91) op het reservoir.

Vul het reservoir met ruitenwisservloeistof.
Plaats de dop terug op het reservoir.
Zet de motor af, verwijder het contactsleuteltje en wacht totdat alle bewegende onderdelen tot stilstand zijn gekomen voordat u de bestuurderspositie verlaat. Laat de machine afkoelen voordat u deze afstelt, reinigt, stalt of er onderhoudswerkzaamheden aan verricht.
Bewaar de machine en het brandstofvat niet op plaatsen waar open vlammen, vonken of waakvlammen (bv. van een boiler of een ander toestel) aanwezig kunnen zijn.
Important: Gebruik geen brak of teruggewonnen water om de machine schoon te maken.
Parkeer de machine op een horizontaal vlak, stel de parkeerrem in werking, zet de motor af, verwijder het contactsleuteltje en wacht totdat alle bewegende onderdelen tot stilstand zijn gekomen voordat u de machine verlaat.
Reinig de machine, de maai-eenheid en de motor grondig.
Important: Gebruik geen hogedrukreiniger in de buurt van de elektrische bedieningsorganen of de afdichtingen van de cabine; dit kan immers schade veroorzaken.
Controleer de bandenspanning en stel deze indien nodig bij, zie Bandenspanning controleren.
Controleer de hydraulische leidingen en slangen; herstel deze indien nodig.
Controleer het peil van de hydraulische vloeistof; zie Het peil van de hydraulische vloeistof controleren.
Verwijder, slijp, balanceer en monteer de messen van de maai-eenheid.
Controleer of alle bevestigingen vastzitten; zet deze vast indien nodig.
Smeer alle smeernippels en breng olie aan op de draaipunten. Veeg overtollig smeermiddel weg.
Plaatsen waar de lak is bekrast, beschadigd of geroest, moeten licht geschuurd en bijgewerkt worden. Eventuele deuken in de metalen carrosserie uitdeuken.