Entretien
Consignes de sécurité
pendant l'entretien
- Si vous laissez la clé dans
le commutateur d'allumage, quelqu'un pourrait mettre le moteur en
marche accidentellement et vous blesser
gravement, ainsi que toute personne à proximité. Avant tout
entretien, retirez la clé du commutateur d'allumage.
- Avant de quitter la position d'utilisation,
effectuez la procédure suivante :
- Garez la machine sur une surface
plane et horizontale.
- Débrayez les entraînements.
- Serrez le frein de stationnement.
- Coupez le moteur et enlevez la
clé.
- Laissez refroidir la machine avant
de procéder à un entretien.
- Ne confiez pas l'entretien de
la machine à des personnes non qualifiées.
- N'approchez jamais les mains ou
les pieds des pièces mobiles ou des surfaces chaudes. Dans la
mesure du possible, évitez d'effectuer
des réglages sur la machine quand le moteur est en marche.
- Maintenez toujours les protections,
les capots, les contacteurs et tous les dispositifs de sécurité
en place et en bon état de marche.
Contrôlez fréquemment l'usure ou la détérioration
des composants et remplacez-les au besoin par des pièces Toro d’origine.
- Libérez la pression emmagasinée
dans les composants avec précaution.
 |
Attention |
|
Le retrait ou la modification
du matériel, des pièces et/ou des accessoires d'origine
peut affecter la garantie, la maniabilité
et la sécurité de la machine. Les modifications
non autorisées du matériel d'origine ou l'utilisation de
pièces autres que des pièces Toro d'origine peuvent
entraîner des blessures graves ou mortelles.
- Vérifiez souvent le fonctionnement
du frein de stationnement. Effectuez les réglages et l'entretien
éventuellement requis.
- N'enlevez et ne modifiez jamais
les dispositifs de sécurité. Vérifiez régulièrement
qu'ils fonctionnent correctement.
- Pour éviter les risques d'incendie,
enlevez l'herbe, les feuilles, l'excédent de graisse ou d'huile,
et autres débris accumulés sur
l'unité de coupe, le silencieux, les entraînements, le bac
à herbe et le compartiment moteur.
- Nettoyez les coulées éventuelles
d'huile ou de carburant et éliminez les débris imbibés
de carburant.
- Ne vous fiez pas uniquement à
des crics mécaniques ou hydrauliques pour soutenir la machine.
Utilisez des chandelles adéquates.
- Maintenez toutes les pièces
en bon état de marche et toutes les fixations bien serrées,
surtout la visserie de fixation des lames.
- Pour garantir un rendement optimal,
utilisez uniquement des pièces de rechange et accessoires Toro d'origine. Les
pièces de rechange et accessoires d'autres constructeurs peuvent
être dangereux.
Programme d'entretien recommandé
| Après les 8 premières heures |
Vidangez l'huile moteur.
|
| Après les 50 premières
heures |
Contrôlez le couple de serrage des écrous de roue. |
| Après les 75 premières
heures |
Vidangez le liquide hydraulique et remplacez le filtre. |
| Avant chaque utilisation ou chaque
jour |
Contrôlez le système de sécurité. |
| Vérifiez la propreté, le serrage et l'état du filtre
à air. |
| Contrôlez le niveau d'huile moteur.
|
| Nettoyez la grille d'entrée d'air.
|
| Examinez les lames. |
| Vérifiez l'état du déflecteur d'herbe. |
| Après chaque utilisation |
Nettoyez l'herbe et autres débris présents sur la machine. |
| Nettoyez le carter du tablier de coupe.
|
| Toutes les 25 heures |
Graissez les roulements des roues pivotantes (plus fréquemment
si le sol est sableux).
|
| Contrôlez la pression des pneus.
|
| Contrôlez l'état des courroies (usure/fissures). |
| Toutes les 100 heures |
Vidangez l'huile moteur et remplacez le filtre (plus fréquemment
si les conditions sont sales ou poussiéreuses). |
| Contrôlez la bougie.
|
| Remplacez le filtre à carburant en ligne. |
| Toutes les 100 heures ou
tous les ans, la première
échéance prévalant
|
Remplacez l'élément en papier du filtre à air (plus
fréquemment s'il y a beaucoup de poussière ou de saleté). |
| Toutes les 200 heures
|
Remplacez le filtre à huile moteur (plus fréquemment s'il
y a beaucoup de poussière ou de saleté). |
| Toutes les 500 heures |
Vérifiez et réglez le jeu aux soupapes. Contactez un dépositaire-réparateur
agréé. |
| Remplacez la bougie et réglez l'écartement des électrodes. |
| Toutes les 400 heures
|
Vidangez le liquide hydraulique et remplacez le filtre. |
| Tous les ans |
Contrôlez le couple de serrage des écrous de roue. |
| Avant le remisage |
Chargez la batterie et débranchez les câbles. |
| Effectuez tous les contrôles et entretiens mentionnés ci-dessus
avant de remiser la machine.
|
| Repeignez les surfaces écaillées.
|
Reportez-vous au manuel du propriétaire
du moteur pour toutes procédures d'entretien supplémentaires.
Procédures avant l'entretien
Déplacement d'une machine
en panne
-
Garez la
machine sur une surface plane et horizontale, placez la commande des
lames en position désengagée et les leviers
de commande de déplacement à la position Stationnement.
-
Coupez le
moteur et attendez l'arrêt complet de toutes les pièces
mobiles avant de quitter la position d'utilisation.
-
Localisez
les leviers de dérivation
sur le cadre, des deux côtés
du moteur.
-
Poussez les
deux leviers de dérivation dans la fente, puis vers le côté
pour les verrouiller en position
.
 |
Attention |
|
Les
pièces brûlantes peuvent causer des blessures.
Gardez
les mains, les pieds, le visage et toute autre partie du corps ainsi
que les vêtements à l'écart du moteur, du silencieux
et autres surfaces brûlantes.
 |
Attention |
|
La
machine peut se déplacer inopinément alors que les leviers
de dérivation sont verrouillés en avant dans la fente et
vous blesser ou blesser toute personne
à proximité.
Verrouillez les leviers de dérivation
en position arrière avant de déplacer la machine.
-
Desserrez
le frein de stationnement en amenant les deux leviers de commande
de déplacement au centre, en position débloquée.
Remarque : Ne démarrez pas la machine.
-
Déplacez
la machine selon les besoins.
Poussez
toujours la machine à la main. Ne remorquez pas la machine au
risque de l'endommager.
-
Poussez les
leviers de commande de déplacement vers l'extérieur, à
la position Stationnement.
-
Tirez les
deux leviers de dérivation en arrière et sortez-les de la
fente pour les bloquer en place
.
Entretien du moteur
Consignes de sécurité
concernant le moteur
- Gardez les mains, les pieds, le
visage et toute autre partie du corps, ainsi que les vêtements
à l'écart du silencieux et
autres surfaces brûlantes. Laissez refroidir le moteur avant
de procéder à un entretien.
- Ne modifiez pas le réglage
du régulateur et ne faites pas tourner le moteur à un régime
excessif.
Entretien du filtre à air
Retrait des éléments du filtre à air
-
Garez la
machine sur une surface plane et horizontale, placez la commande des
lames en position désengagée et les leviers
de commande de déplacement à la position Stationnement.
-
Coupez le
moteur et attendez l'arrêt complet de toutes les pièces
mobiles avant de quitter la position d'utilisation.
-
Nettoyez
la surface autour du couvercle du filtre à air
pour éviter que des impuretés
n'endommagent le moteur en tombant à l'intérieur.
-
Ouvrez les
attaches
du filtre à air et détachez
le couvercle du boîtier du filtre.
-
Retirez les
éléments du filtre à air.
-
Séparez
les éléments en mousse et en papier.
Entretien de l'élément en mousse
-
Lavez l'élément
en mousse dans de l'eau chaude additionnée de savon liquide.
Rincez soigneusement l'élément une fois propre.
-
Séchez
l'élément en le pressant dans un chiffon propre.
Remplacez
l'élément en mousse s'il est usé ou déchiré.
-
Huilez légèrement
l'élément en mousse avec de l'huile moteur propre et pressez
l'élément pour éliminer l'excédent d'huile.
Entretien de l'élément en papier du filtre à air
-
Nettoyez
l'élément en papier en le tapotant pour faire tomber la
poussière.
Remarque : Remplacez-le par un neuf s'il
est très encrassé.
-
Vérifiez
que l'élément n'est pas déchiré ni couvert d'une
pellicule grasse, et que le joint de caoutchouc n'est pas endommagé.
-
Remplacez
l'élément en papier s'il est endommagé.
Ne
nettoyez pas l'élément en papier.
Montage des éléments du filtre à air.
-
Placez le
préfiltre en mousse sur l'élément en papier.
Remarque : Veillez à ne pas endommager
les éléments.
-
Placez les
éléments filtrants sur la base du filtre à air.
-
Posez le
couvercle
et fixez-le en place avec les
attaches
.
Vidange de l'huile moteur
Spécifications de l'huile moteur
| Type d'huile |
Huile détergente (y compris
synthétique) de classe de service API SJ ou mieux |
| Capacité du carter |
1,9 L (64 oz
liq.) avec le filtre huile
|
| Viscosité |
Voir tableau ci-dessous |
| |
Contrôle du niveau d'huile moteur
-
Garez la
machine sur une surface plane et horizontale, placez la commande des
lames en position désengagée et les leviers
de commande de déplacement à la position Stationnement.
-
Avant de
quitter la position d'utilisation, coupez le moteur, enlevez la clé
et attendez l'arrêt complet de toutes les pièces
mobiles.
-
Laissez refroidir
le moteur pour donner le temps à l'huile de s'écouler dans
le carter.
-
Pour éviter
de faire tomber de l'herbe, de la poussière, etc. dans le moteur,
nettoyez la surface autour du bouchon de remplissage-jauge
d'huile, avant de le retirer.
-
Contrôlez
le niveau d'huile moteur, comme montré.
Vous
risquez d'endommager le moteur si vous le faites tourner alors que
le carter et trop ou pas assez rempli d'huile.
Vidange de l'huile moteur et remplacement du filtre à huile
-
Garez la
machine sur une surface plane et horizontale pour permettre la vidange
totale de l'huile.
-
Désengagez
la commande des lames et écartez les leviers de commande de déplacement
vers l'extérieur à la position Stationnement.
-
Avant de
quitter la position d'utilisation, coupez le moteur, enlevez la clé
et attendez l'arrêt complet de toutes les pièces
mobiles.
-
Vidangez
l'huile moteur.
-
Remplacez
le filtre à huile moteur.
Remarque : Assurez-vous que le joint du filtre
à huile touche le moteur puis vissez-le encore de trois quarts
de tour.
-
Versez lentement
environ 80 % de l'huile spécifiée dans le tube de remplissage
puis faites l'appoint lentement jusqu'à ce
que le niveau atteigne le repère maximum.
-
Débarrassez-vous
de l'huile conformément à la réglementation locale.
Entretien de la bougie
Avant de poser une bougie,
assurez-vous que l'écartement entre l'électrode centrale
et l'électrode latérale est correct. Utilisez
une clé à bougies pour déposer et reposer
les bougies, et une jauge d'épaisseur pour contrôler et
régler l'écartement des électrodes.
Remplacez la bougie au besoin.
Type : Champion® XC12YC
Écartement des électrodes : 0,76 mm
Dépose de la bougie
-
Garez la
machine sur une surface plane et horizontale, placez la commande des
lames en position désengagée et les leviers
de commande de déplacement à la position Stationnement.
-
Avant de
quitter la position d'utilisation, coupez le moteur, enlevez la clé
et attendez l'arrêt complet de toutes les pièces
mobiles.
-
Nettoyez
la surface autour de la base de la bougie pour empêcher la poussière
et les débris de pénétrer dans le moteur.
-
Déposez
la bougie.
Contrôle de la bougie
Ne nettoyez pas les bougies. Remplacez
toujours les bougies si elles sont recouvertes d'un dépôt
noir ou d'une couche grasse, si elles
sont fissurées ou si les électrodes sont usées.
Si
l'isolateur est recouvert d'un léger dépôt gris ou
brun, le moteur fonctionne correctement. S'il est recouvert d'un dépôt
noir, cela signifie généralement
que le filtre à air est encrassé.
-
Réglez
l'écartement des électrodes à 0,76 mm (0,03 po).
Nettoyage du carter de ventilateur
-
Pour assurer
un refroidissement adéquat, nettoyez le déflecteur d'herbe,
les ailettes de refroidissement et autres surfaces
externes du moteur. Vérifiez que les carénages
de refroidissement sont montés. Serrez les vis de fixation du
carter de ventilateur à 4,0 N·m.
Le
moteur surchauffera et sera endommagé si vous utilisez la machine
alors que le déflecteur d'herbe est obstrué, que les
ailettes de refroidissement sont encrassées
ou colmatées, et/ou que les déflecteurs de refroidissement
sont déposés.
Entretien du circuit d'alimentation
 |
Danger |
|
Dans certaines circonstances,
le carburant est extrêmement inflammable et hautement explosif.
Un incendie ou une explosion causé(e)
par du carburant peut vous brûler, ainsi que toute personne à
proximité, et causer des dommages matériels.
Remplacement du filtre à
carburant
-
Garez la
machine sur une surface plane et horizontale, placez la commande des
lames en position désengagée et les leviers
de commande de déplacement à la position Stationnement.
-
Avant de
quitter la position d'utilisation, coupez le moteur, enlevez la clé
et attendez l'arrêt complet de toutes les pièces
mobiles.
-
Raccordez
les conduites d'alimentation de chaque côté du filtre avec
des colliers.
-
Remplacez
le filtre.
Remarque : Vérifiez que la flèche
indiquant le sens d'écoulement est dirigée vers le moteur.
Ne
remontez jamais un filtre encrassé après l'avoir enlevé
de la conduite de carburant.
-
Retirez les
colliers qui empêchent l'écoulement du carburant.
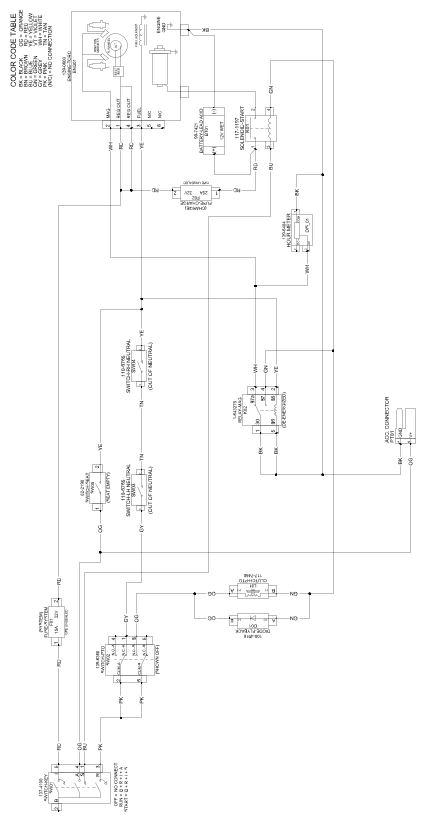
Entretien du système électrique
Consignes de sécurité
pour le système électrique
- Débranchez le câble
de la borne négative de la batterie avant de réparer la
machine.
- Chargez la batterie dans un endroit
dégagé et bien aéré, à l'écart des flammes
ou sources d'étincelles. Débranchez le chargeur
avant de brancher ou de débrancher la batterie.
Portez des vêtements de protection et utilisez des outils isolés.
Entretien de la batterie
Retrait de la batterie
 |
Attention |
|
Les bornes de la batterie ou les
outils en métal peuvent causer des courts-circuits au contact
des pièces métalliques de la
machine et produire des étincelles. Les étincelles peuvent
provoquer l'explosion des gaz de la batterie et vous blesser.
- Lors du retrait ou de la mise
en place de la batterie, évitez que les bornes touchent les parties
métalliques de la machine.
- Évitez de créer des
courts-circuits entre les bornes de la batterie et les parties métalliques
de la machine avec des outils
en métal.
-
Garez la
machine sur une surface plane et horizontale, placez la commande des
lames en position désengagée et les leviers
de commande de déplacement à la position Stationnement.
-
Avant de
quitter la position d'utilisation, coupez le moteur, enlevez la clé
et attendez l'arrêt complet de toutes les pièces
mobiles.
-
Débranchez
le câble négatif (noir) de mise à la masse de la borne
de la batterie.
Remarque : Conservez toutes les fixations.
 |
Attention |
|
Si
les câbles de la batterie ne sont pas débranchés correctement,
la machine et les câbles peuvent être endommagés et
produire des étincelles.
Les étincelles peuvent provoquer l'explosion des gaz de la batterie
et vous blesser.
- Débranchez toujours le câble
négatif (noir) de la batterie avant le câble positif (rouge).
- Connectez toujours le câble
positif (rouge) de la batterie avant le câble négatif (noir).
-
Repoussez
le capuchon en caoutchouc pour l'ôter du câble positif (rouge).
-
Débranchez
le câble positif (rouge) de la borne de la batterie(+).
Remarque : Conservez toutes les fixations.
-
Déposez
la barrette de maintien de la batterie et soulevez la batterie de
son support.
G440221
-
Batterie
-
Capuchon de borne
-
Borne négative (–) de la batterie
-
Écrou à oreilles, rondelle
et boulon
-
Barrette de maintien de la batterie
-
Boulon, rondelle et écrou
-
Borne positive (+) de la batterie
Charge de la batterie
 |
Attention |
|
La batterie en charge produit
des gaz susceptibles d'exploser.
Ne fumez jamais à
côté de la batterie et tenez-la à l'écart de toutes
flammes ou sources d'étincelles.
La batterie doit toujours être
chargée au maximum. Cela est particulièrement important
pour prévenir la dégradation de la
batterie si la température tombe en dessous de 0 °C
(32 °F).
-
Retirez la
batterie de la machine.
-
Chargez la
batterie en suivant les instructions du fabricant du chargeur.
Ne
chargez pas la batterie excessivement, au risque de l’endommager.
G003792S
- Borne
positive de la batterie
- Borne
négative de la batterie
- Fil rouge
(+) du chargeur
- Fil noir
(–) du chargeur
-
Lorsque la
batterie est chargée au maximum, débranchez le chargeur
de la prise (le cas échéant), puis débranchez les fils
du chargeur des bornes de la batterie.
Nettoyage de la batterie
Remarque : Les bornes et le bac doivent être
propres, car une batterie encrassée se décharge lentement.
-
Garez la
machine sur une surface plane et horizontale, placez la commande des
lames en position désengagée et les leviers
de commande de déplacement à la position Stationnement.
-
Coupez le
moteur et attendez l'arrêt complet de toutes les pièces
mobiles avant de quitter la position d'utilisation.
-
Retirez la
batterie de la machine.
-
Lavez le
bac complet avec un mélange d'eau et de bicarbonate de soude.
-
Rincez la
batterie à l'eau claire.
-
Pour prévenir
la corrosion, enduisez les bornes de la batterie et les connecteurs
des câbles de graisse Grafo 112X (Skin-Over)
ou de vaseline.
-
Mise en place
de la batterie.
Mise en place de la batterie
-
Placez la
batterie dans son support.
-
Reliez le
câble positif (rouge) de la batterie à la borne positive
(+) au moyen des fixations retirées précédemment.
-
Reliez le
câble négatif de la batterie à la borne négative
(-) au moyen des fixations retirées précédemment.
-
Placez le
capuchon rouge sur la borne positive (rouge) de la batterie.
-
Fixez la
batterie en place à l'aide de la barrette de maintien.
G440221
-
Batterie
-
Capuchon de borne
-
Borne négative (–) de la batterie
-
Écrou à oreilles, rondelle
et boulon
-
Barrette de maintien de la batterie
-
Boulon, rondelle et écrou
-
Borne positive (+) de la batterie
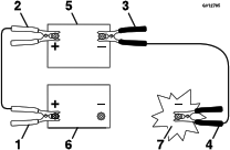
Démarrage du moteur à
l'aide d'une batterie de secours
 |
Attention |
|
Le démarrage du moteur avec
une batterie de secours peut produire des gaz susceptibles d'exploser.
Ne
fumez pas et n'approchez pas d'étincelles ni de flammes de la
batterie.
 |
Danger |
|
L'utilisation d'une batterie de
secours alors que la batterie à plat est fissurée, gelée,
ne contient pas assez d'électrolyte
ou présente un élément ouvert ou en court-circuit
peut provoquer une explosion et de graves blessures.
N'utilisez
pas de batterie de secours si ces conditions existent.
-
Contrôlez
et nettoyez la corrosion sur les bornes de la batterie avant de démarrer
la machine avec une batterie de secours.
Vérifiez que les connexions sont bien serrées.
 |
Prudence |
|
La
corrosion ou les connexions desserrées peuvent causer des pointes
de tension indésirables à tout moment pendant la procédure
de démarrage avec une batterie
de secours.
N'essayez pas de démarrer
la machine avec une batterie de secours si les bornes de la batterie
de la machine sont desserrées
ou corrodées au risque d'endommager le moteur.
-
Vérifiez
que la batterie de secours est une batterie au plomb en bon état
chargée au maximum à 12,6 V ou plus.
Remarque : Utilisez des câbles de démarrage
du bon calibre et assez courts pour réduire la chute de tension
entre les systèmes. Assurez-vous
que la couleur et l'étiquetage des câbles correspondent
à la polarité.
 |
Attention |
|
Les
batteries contiennent de l'acide et produisent des gaz explosifs.
- Protégez-vous toujours les
yeux et le visage lorsque vous vous trouvez près des batteries.
- Ne vous penchez pas au-dessus
des batteries.
Remarque : Vérifiez que les bouchons
d'aération sont bien serrés et de niveau. Placez un chiffon
humide, si vous en avez un, sur l'un
des bouchons d'aération sur les deux batteries. Les deux
machines ne doivent pas se toucher et les deux systèmes électriques
doivent être hors tension et
avoir la même tension nominale. Ces instructions ne concernent
que les systèmes à masse négative.
-
Connectez
le câble positif (+) à la borne positive (+) de la batterie
à plat qui est reliée au démarreur ou au solénoïde,
comme montré :
g012785
- Câble
positif (+) sur la batterie à plat
- Câble
positif (+) sur la batterie de secours
- Câble
négatif (–) sur la batterie de secours
- Câble
négatif (–) sur le bloc moteur
- Batterie
de secours
- Batterie
à plat
- Bloc-moteur
-
Connectez
l'autre extrémité du câble de démarrage positif
(+) à la borne positive de la batterie de l'autre machine.
-
Connectez
une extrémité du câble de démarrage négatif
(–) à la borne négative
de la batterie de l'autre machine.
-
Connectez
l'autre extrémité du câble de démarrage négatif
(–) à un point de masse, tel
un boulon non peint ou un élément du châssis.
-
Démarrer
le moteur de l'autre machine. Laissez-le tourner pendant quelques
minutes, puis démarrez le moteur de votre machine.
-
Retirez les
câbles dans l'ordre inverse de leur connexion.
-
Remettez
le capuchon sur la borne positive de la batterie de votre machine.
Entretien des fusibles
Le système
électrique est protégé par des fusibles. Il ne nécessite
donc aucun entretien. Toutefois, si un fusible grille,
vérifiez l'état de la pièce ou du circuit
et assurez-vous qu'il n'y a pas de court-circuit.
-
Garez la
machine sur une surface plane et horizontale, placez la commande des
lames en position désengagée et les leviers
de commande de déplacement à la position Stationnement.
-
Avant de
quitter la position d'utilisation, coupez le moteur, enlevez la clé
et attendez l'arrêt complet de toutes les pièces
mobiles.
-
Remplacez
le fusible défectueux par un neuf.
G440132
- Circuit
de charge (15 A)
- Principal
(25 A)
Entretien de la transmission
Contrôle de la pression des
pneus
Maintenez les pneus avant et arrière
gonflés à la pression spécifiée. Les pneus mal
gonflés peuvent compromettre la qualité
et l'uniformité de la coupe. Contrôlez la pression
au niveau de la valve quand les pneus sont froids pour obtenir un
résultat plus précis.
-
Gonflez les
pneus des roues pivotantes avant à 1,03 bar (15 psi) ou à
la pression indiquée sur le flanc, selon la valeur la
plus basse.
-
Gonflez les
pneus des roues motrices arrière à 0,90 bar (13 psi).
Contrôle des écrous
de roues
-
Contrôlez
et serrez les écrous de roue à un couple de 95 à 122
N∙m.
Réglage du parallélisme
des roues
Si la machine tire d’un côté quand vous roulez
en marche avant à la vitesses maximale sur une surface plane
et horizontale, réglez le parallélisme
des roues.
Si la machine tire à gauche,
ajustez le levier de commande de déplacement droit, et inversement,
si elle tire à droite, ajustez le levier
gauche.
Remarque : Vous ne pouvez régler le
parallélisme des roues que pour la marche avant.
-
Garez la
machine sur une surface plane et horizontale, placez la commande des
lames en position désengagée et les leviers
de commande de déplacement à la position Stationnement.
-
Avant de
quitter la position d'utilisation, coupez le moteur, enlevez la clé
et attendez l'arrêt complet de toutes les pièces
mobiles.
-
Localisez
le boulon de réglage du parallélisme des roues près
du levier de commande de déplacement du côté qui nécessite
le réglage.
-
Tournez le
boulon pour réduire la vitesse de cette roue.
Remarque : Tournez légèrement le
boulon pour effectuer de petits réglages.
-
Démarrez
la machine et conduisez-la en marche avant sur une surface plane et
horizontale, en poussant les leviers de commande
de déplacement complètement en avant pour vérifier
si la machine avance en ligne droite. Répétez la procédure
si nécessaire.
Entretien du système hydraulique
Consignes de sécurité
relatives au système hydraulique
- Consultez immédiatement un
médecin en cas d'injection de liquide hydraulique sous la peau.
L'injection de liquide nécessite
une intervention chirurgicale dans les heures qui suivent, réalisée
par un médecin connaissant ce genre de blessure, pour
éviter le risque de gangrène.
- Vérifiez l'état de tous
les flexibles et conduits de liquide hydraulique, ainsi que le serrage
de tous les raccords et branchements
avant de mettre le système hydraulique sous pression.
- N'approchez pas les mains ni aucune
autre partie du corps des fuites en trou d'épingle ou des gicleurs
d'où sort du liquide hydraulique
sous haute pression.
- Utilisez un morceau de papier
ou de carton pour détecter les fuites, jamais les mains.
- Évacuez avec précaution
toute la pression du système hydraulique avant toute intervention
sur le système.
Liquide hydraulique spécifié
Type de liquide hydraulique : Toro huile
hydraulique haute qualité (de préférence) ou Mobil
1™ 15W50
Capacité
du système hydraulique: 2,3 L (77 oz liq.)
par côté
Utilisez le liquide spécifié.
Tout autre liquide risque d'endommager le système.
Contrôle du niveau de liquide
hydraulique
-
Garez la
machine sur une surface plane et horizontale, placez la commande des
lames en position désengagée et les leviers
de commande de déplacement à la position Stationnement.
-
Avant de
quitter la position d'utilisation, coupez le moteur, enlevez la clé
et attendez l'arrêt complet de toutes les pièces
mobiles.
-
Laissez refroidir
la machine.
Ne
contrôlez le liquide hydraulique que lorsque le système
est froid (moins de 38 °C ou 100 °F). Si vous
faites l’appoint de liquide lorsque le
système est chaud, vous risquez de trop remplir la boîte-pont
et d’endommager le reniflard.
-
Retirez le
bouchon de l'orifice de remplissage et vérifiez que le liquide
est visible au bas de l’orifice.
-
Si le niveau
est insuffisant, faites l’appoint de liquide spécifié
par l’orifice jusqu’à ce que le niveau atteigne
le bas de l’orifice.
-
Reposez et
serrez le bouchon à 13,6 N·m
(120 po-lb).
Vidange du liquide hydraulique
et remplacement du filtre
Ne vidangez pas le liquide hydraulique
sans remplacer en même temps le filtre, sauf si le liquide est
contaminé ou a surchauffé. Vous
risquez sinon de contaminer le système et de l’endommager.
-
Garez la
machine sur une surface plane et horizontale, placez la commande des
lames en position désengagée et les leviers
de commande de déplacement à la position Stationnement.
-
Avant de
quitter la position d'utilisation, coupez le moteur, enlevez la clé
et attendez l'arrêt complet de toutes les pièces
mobiles.
-
Laissez refroidir
la machine.
Ne
vidangez le liquide hydraulique que lorsque le système est froid
(moins de 38 °C ou 100 °F). Si vous effectuez
la vidange lorsque le système
est chaud, vous risquez de trop remplir la boîte-pont et d’endommager le reniflard.
-
Déposez
la protection du filtre de la boîte-pont.
-
Nettoyez
soigneusement la surface autour du filtre.
Ne
faites pas tomber de saletés ou de contaminants dans le système
hydraulique.
-
Placez un
bac de vidange sous le filtre.
-
Remplacez
le filtre.
-
Reposez la
protection du filtre. Serrez les boulons à 7 N·m (65 po-lb).
-
Retirez le
bouchon de l'orifice de remplissage et versez le liquide spécifié
dans l’orifice jusqu’à ce que le niveau atteigne
le bas de l’orifice.
-
Reposez et
serrez le bouchon à 13,6 N·m
(120 po-lb).
-
Répétez
la procédure pour l'autre boîte-pont.
-
Purge du système hydraulique
-
Garez la
machine sur une surface plane et horizontale, placez la commande des
lames en position désengagée et les leviers
de commande de déplacement à la position Stationnement.
-
Avant de
quitter la position d'utilisation, coupez le moteur, enlevez la clé
et attendez l'arrêt complet de toutes les pièces
mobiles.
-
Placez des
chandelles suffisamment hautes sous l'arrière de la machine pour
décoller les roues motrices du sol.
-
Démarrez
le moteur, déplacez la commande d'accélérateur à
mi-course et desserrez le frein de stationnement en amenant les
deux leviers de commande de déplacement
au centre, en position débloquée.
-
Les soupapes
de dérivation étant ouvertes et le moteur en marche, actionnez
lentement les leviers de commande de déplacement
vers l'avant et l'arrière à 5 ou 6 reprises.
-
Les soupapes
de dérivation étant fermées et le moteur en marche,
actionnez lentement les leviers de commande de déplacement
vers l'avant et l'arrière à 5 ou
6 reprises.
-
Coupez le
moteur et enlevez la clé.
-
Contrôlez
le niveau de liquide hydraulique et faites l'appoint au besoin.
-
Répétez
la procédure autant de fois que nécessaire jusqu'à
ce qu'il ne reste plus d'air dans le système.
Remarque : L'air est complètement purgé
du système quand la boîte-pont fonctionne à un niveau
sonore normal et passe en douceur en marche
avant et en marche arrière à des vitesses normales.
-
Retirez les
chandelles.
Entretien des courroies
Dépose ou pose du panneau
de plancher
Machines sans MyRIDE seulement
 |
Attention |
|
Vous risquez de vous blesser gravement
si vous utilisez la machine alors que le panneau de plancher est déposé,
ou si vous ne déposez pas complètement
le panneau de plancher pour procéder à l’entretien des composants qui sont
dessous.
N'utilisez pas la machine avec
le panneau de plancher déposé. Déposez complètement
le panneau de plancher avant d‘entreprendre
tout entretien dessous.
-
Pour déposer
le panneau de plancher, soulevez-le et dégagez-le des ouvertures
dans le cadre.
-
Pour poser
le panneau de plancher, placez-le dans les ouvertures du cadre avant
de l’abaisser en place.
Contrôle des courroies
-
Garez la
machine sur une surface plane et horizontale, placez la commande des
lames en position désengagée et les leviers
de commande de déplacement à la position Stationnement.
-
Coupez le
moteur et attendez l'arrêt complet de toutes les pièces
mobiles avant de quitter la position d'utilisation.
-
Réglez
la hauteur de coupe à la position la plus basse.
-
Contrôlez
l'usure de la courroie. Remplacez la courroie si elle est usée.
La courroie
peut montrer les signes d'usure suivants : grincement pendant
la rotation, glissement des lames pendant la coupe,
bords effilochés, traces de brûlures et
fissures.
Remplacement de la courroie du
plateau de coupe
Les courroies peuvent montrer
les signes d'usure suivants : grincement pendant la rotation,
glissement des lames pendant la coupe, bords
effilochés, traces de brûlures et fissures. Remplacez la
courroie quand elle présente ce genre de problèmes.
-
Garez la
machine sur une surface plane et horizontale, placez la commande des
lames en position désengagée et les leviers
de commande de déplacement à la position Stationnement.
-
Avant de
quitter la position d'utilisation, coupez le moteur, retirez la clé
et attendez l'arrêt complet de toutes les pièces
mobiles.
-
Réglez
la hauteur de coupe à la position la plus basse.
-
Déposez
les couvercles de poulie.
-
Desserrez
l'écrou qui fixe le fil métallique à la poulie de tension.
-
À l'aide
d'un outil de dépose de ressort (réf. 92-5771), décrochez
le ressort de tension du crochet sur le plateau pour éliminer
la tension sur la poulie de tension.Toro
 |
Attention |
|
Le
ressort est tendu quand il est en place et peut causer des blessures
en se détendant.
Enlevez la courroie avec précaution.
G453682
- Poulie
de plateau
- Courroie
d'entraînement du plateau de coupe
- Poulie
de moteur
- Poulie
de tension
- Ressort
- Outil
de dépose de ressort
-
Enlevez la
courroie des poulies.
-
Acheminez
la courroie neuve autour de la poulie du moteur et des poulies du
plateau de coupe.
-
À l'aide
d'un outil de dépose de ressort, accrochez le ressort au crochet
sur le plateau pour tendre la poulie de tension
et la courroie de plateau du coupe.
-
Insérez
le fil métallique au bras de la poulie de tension et serrez l’écrou.
-
Reposez les
couvercles de poulie.
Entretien du tablier de coupe
Consignes de sécurité
concernant les lames
- Vérifiez l'état et l'usure
des lames périodiquement.
- Examinez les lames avec prudence.
Manipulez toujours les lames avec des gants ou en les enveloppant
dans un chiffon, et toujours avec prudence.
Remplacez toujours les lames endommagées. N'essayez jamais de
les redresser ou de les souder.
- Attention, sur les machines à
plusieurs lames, la rotation d'une lame peut entraîner le déplacement
des autres lames.
- Remplacez les boulons et les lames
usés ou endommagés par paires pour ne pas modifier l'équilibre.
Entretien des lames
Pour un bon résultat,
les lames doivent toujours être bien aiguisées. Il est utile
de prévoir des lames de rechange pour le
remplacement et le réaffûtage.
Remplacez les
lames si elles heurtent un obstacle, ou si elles sont déséquilibrées
ou faussées.
Avant le contrôle ou l'entretien des lames
-
Garez la
machine sur une surface plane et horizontale, placez la commande des
lames en position désengagée et les leviers
de commande de déplacement à la position Stationnement.
-
Avant de
quitter la position d'utilisation, coupez le moteur, enlevez la clé
et attendez l'arrêt complet de toutes les pièces
mobiles.
-
Débranchez
le fil de chaque bougie.
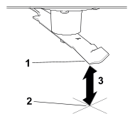
Détection des lames faussées
Placez la machine
sur une surface plane horizontale pour effectuer cette procédure.
-
Élevez
le tablier de coupe à la position de hauteur de coupe la plus
élevée.
-
Enfilez des
gants épais ou utilisez une autre protection adéquate pour
les mains, et faites tourner la lame lentement jusqu'à
une position permettant de mesurer la distance
entre le tranchant et la surface plane.
-
Mesurez la
distance entre la pointe de la lame et la surface plane.
G513132
- Lame
(positionnée pour la mesure)
- Surface
plane et horizontale
- Mesurez
la distance entre la lame et la surface (A)
-
Tournez la
même lame de 180 degrés pour amener le bord opposé
à la même position.
G513133
- Bord
de la lame déjà mesuré
- Bord
opposé de la lame
-
Mesurez la
distance entre la pointe de la lame et la surface plane.
G513132
- Lame
(positionnée pour la mesure)
- Surface
plane et horizontale
- Mesurez
la distance entre la lame et la surface (B)
-
Si la différence
entre A et B est supérieure à 3 mm (⅛ po), remplacez la lame.
Remarque : Si, après avoir remplacé
la lame la différence reste supérieure à 3 mm
(⅛ po), l'axe de la lame est
peut-être faussé. Contactez un dépositaire Toro agréé
pour faire réviser la machine.
-
Répétez
cette procédure pour chaque lame.
Dépose des lames
-
Tenez la
lame par son extrémité avec un chiffon ou un gant épais.
-
Déposez
la lame comme montré.
Aiguisage des lames
-
Au moyen
d'une lime, aiguisez les tranchants aux deux extrémités
de la lame. Veillez à conserver l’angle d’origine
.
Remarque : Limez la même quantité
de métal sur les deux tranchants pour ne pas déséquilibrer
la lame.
-
Vérifiez
l'équilibre de la lame
en la plaçant sur
un équilibreur
.
Remarque : Si la lame reste horizontale,
elle est équilibrée et peut être utilisée.
Si la lame
est déséquilibrée, limez un peu l'extrémité
de l'ailette seulement.
-
Répétez
cette procédure jusqu'à ce que la lame soit équilibrée.
Montage des lames
 |
Attention |
|
L'utilisation d'une machine après
l'installation incorrecte de la lame et/ou la non utilisation d'une
lame et de fixations de lame d’origine Toro peuvent entraîner la projection
d'une lame ou d'un composant de lame de sous le plateau et provoquer
des blessures graves ou mortelles.
Installez
toujours des lames et des fixations d'origine Toro conformément aux instructions.
-
Installez
la lame comme montré.
Remarque : Pour une coupe correcte, l'ailette
de la lame doit être tournée vers le haut et dirigée
vers l'intérieur du plateau de coupe.
-
Serrez le
boulon de la lame à un couple de 136 à 149 N·m.
Mise à niveau du tablier
de coupe
Vérifiez
que le tablier de coupe est de niveau chaque fois que vous l'installez
ou si la tonte de la pelouse semble irrégulière.
Préparatifs de mise à niveau du tablier de coupe
-
Garez la
machine sur une surface plane et horizontale, placez la commande des
lames en position désengagée et les leviers
de commande de déplacement à la position Stationnement.
-
Avant de
quitter la position d'utilisation, coupez le moteur, enlevez la clé
et attendez l'arrêt complet de toutes les pièces
mobiles.
-
Vérifiez
que les pneus sont gonflés à la pression correcte et que
les roues pivotantes sont en direction droit devant.
-
Vérifiez
si des lames sont faussées; déposez et remplacez les lames
faussées.
-
Élevez
le tablier de coupe à la hauteur de coupe de 76 mm (3 po).
Contrôle du niveau du tablier de coupe
-
Tournez les
lames pour les mettre parallèles dans le sens transversal.
-
Mesurez aux
points
et
l'écart entre la surface
plane et le tranchant à la pointe des lames
.
Les deux mesures ne doivent pas
différer de plus de 5 mm (3/16 po). Si la mesure est
plus importante, réglez le niveau transversal.
-
Tournez 1
lame dans le sens longitudinal.
-
Mesurez aux
points
et
l'écart entre la surface
plane et le tranchant à la pointe des lames
.
La pointe avant de la lame avant
doit être de 1,5 à 8 mm (1/16 à 5/16 po)
plus basse que la pointe arrière. Si la mesure n’est pas correcte, réglez
le niveau longitudinal.
Mise à niveau du plateau de coupe
-
Placez les
galets anti-scalp dans les trous supérieurs ou enlevez-les complètement
pour effectuer cette procédure.
-
Réglez
le levier de hauteur de coupe à la position 76 mm.
-
Placez 2
cales
, de 6,6 cm d'épaisseur
chacune, sous chaque côté du bord avant du plateau de coupe.
Ne
placez pas de cales sous les supports des galets anti-scalp.
-
Placez 2
cales
, de 7,3 cm d'épaisseur chacune,
sous chaque côté du bord arrière du plateau de coupe.
-
Desserrez
les fixations inférieures qui maintiennent les supports sur les
quatre coins du plateau et vérifiez que ce dernier
repose solidement sur les 4 cales.
-
Supprimez
le jeu des supports du plateau et vérifiez que la pédale
de levage du plateau est poussée contre la butée.
-
Serrez les
fixations.
-
Vérifiez
que les cales sont parfaitement ajustées sous le bord du plateau
de coupe et que tous les boulons sont bien serrés.
-
Vérifiez
le réglage transversal et longitudinal ; répétez
cette procédure jusqu'à ce que les mesures soient correctes.
Dépose du plateau de coupe
-
Garez la
machine sur une surface plane et horizontale, placez la commande des
lames en position désengagée et les leviers
de commande de déplacement à la position Stationnement.
-
Avant de
quitter la position d'utilisation, coupez le moteur, retirez la clé
de contact et attendez l'arrêt complet de toutes
les pièces mobiles.
-
Abaissez
la commande de hauteur de coupe à la position la plus basse.
-
Relâchez
le panneau de protection du plateau de coupe.
-
Retirez la
goupille fendue et la rondelle de la tige de support avant
, puis déposez la tige du
support de plateau
.
Remarque : Conservez toutes les pièces
en vue du remontage.
-
Retirez les
fixations supérieures qui fixent les supports sur les 4 bras
de levage.
-
Déplacez
le plateau de coupe en arrière pour dégager la courroie
du plateau de coupe de la poulie du moteur.
-
Sortez le
plateau de coupe de sous la machine.
Montage du plateau de coupe
-
Garez la
machine sur une surface plane et horizontale, placez la commande des
lames en position désengagée et les leviers
de commande de déplacement à la position Stationnement.
-
Avant de
quitter la position d'utilisation, coupez le moteur, retirez la clé
de contact et attendez l'arrêt complet de toutes
les pièces mobiles.
-
Glissez le
plateau de coupe sous la machine.
-
Abaissez
la commande de hauteur de coupe à la position la plus basse.
-
À l’aide des fixations retirées
précédemment, installez les biellettes de levage sur les
bras de levage du plateau de coupe.
-
Fixez la
tige de support avant
sur le support de plateau
avec la goupille fendue et la
rondelle.
-
Placez la
courroie d'entraînement du plateau de coupe sur la poulie de
moteur.
-
Serrez les
boulons du panneau de protection du plateau de coupe.
Remplacement du déflecteur
d'herbe
 |
Danger |
|
Si l'ouverture d'éjection
n'est pas fermée, des objets peuvent être projetés
dans votre direction ou celle d'autres personnes.
Un contact avec la lame est également possible. La
projection d'objets ou le contact avec une lame causera des blessures
graves ou mortelles.
N'utilisez
pas la tondeuse avec le déflecteur d'éjection relevé,
déposé ou modifié à moins qu'un système de
ramassage ou un kit de mulching soit en
place et fonctionne correctement.
-
Garez la
machine sur une surface plane et horizontale, placez la commande des
lames en position désengagée et les leviers
de commande de déplacement à la position Stationnement.
-
Avant de
quitter la position d'utilisation, coupez le moteur, retirez la clé
de contact et attendez l'arrêt complet de toutes
les pièces mobiles.
-
Désengagez
le ressort du cran dans le support de déflecteur et sortez la
tige des supports soudés du plateau, du ressort et
du déflecteur d'éjection.
G456086
- Connecteur
- Déflecteur
d'herbe
- Ressort
- Supports
de plateau
- Goupille
fendue
- Ressort
monté sur la tige
-
Déposez
le déflecteur d'herbe s'il est endommagé ou usé.
-
Positionnez
le nouveau déflecteur d'éjection en plaçant les extrémités
du support entre les supports soudés du plateau, comme
montré.
G456085
- Ensemble
tige et ressort en place
- Côté
du ressort avec la boucle dans le cran du support de déflecteur
- Côté
court de la tige placé derrière le support de plateau
- Côté
court retenu par le support de plateau
- Goupille
fendue
-
Fixez l'ensemble
tige et ressort en le tournant de sorte que l'extrémité
courte de la tige soit derrière le support avant
soudé au plateau de coupe.
-
Replacez
la goupille fendue au bout de la tige.
Le
déflecteur d'herbe doit être rappelé à la position
abaissée par le ressort. Soulevez le déflecteur pour vérifier
qu'il s'enclenche complètement
en position abaissée.
Nettoyage
Élimination des déchets
L'huile moteur,
les batteries, le liquide hydraulique et le liquide de refroidissement
sont polluants pour l'environnement. Débarrassez-vous
en conformément à la réglementation nationale et locale
en matière d'environnement.
Dépannage
Le moteur surchauffe.
| Cause possible |
Solution |
| Charge excessive du moteur. |
-
Réduisez
votre vitesse.
|
| Le niveau d'huile est trop
bas dans le carter moteur. |
-
Faites l'appoint
d'huile.
|
| Les ailettes de refroidissement
et les passages d'air sous le carter du ventilateur sont bouchés. |
-
Dégagez
les ailettes de refroidissement et les passages d'air.
|
| Le filtre à air est
encrassé. |
-
Nettoyez
ou remplacez l'élément du filtre à air.
|
| Le circuit d'alimentation
contient des impuretés, de l'eau ou du carburant altéré. |
-
Contactez
un dépositaire-réparateur agréé.
|
Le démarreur ne fonctionne
pas.
| Cause possible |
Solution |
| La commande des lames est
en position engagée. |
-
Désengagez
la commande des lames.
|
| Les leviers de commande
de déplacement ne sont pas à la position Stationnement.
|
-
Poussez les
leviers de commande de déplacement vers l'extérieur, à
la position Stationnement.
|
| La batterie est à
plat. |
-
Rechargez
la batterie.
|
| Les connexions électriques
sont corrodées ou desserrées.
|
-
Vérifiez
le bon contact des connexions électriques.
|
| Un fusible a grillé. |
-
Remplacez
le fusible.
|
| Un relais ou contact est
défectueux. |
-
Contactez
un dépositaire-réparateur agréé.
|
Le moteur ne démarre pas,
démarre difficilement ou cale.
| Cause possible |
Solution |
| Le réservoir de carburant
est vide. |
-
Faites le
plein de carburant.
|
| Le volet de départ
(le cas échéant) n'est pas en service.
|
-
Amenez la
commande de démarrage à froid à la position En service.
|
| Le filtre à air est
encrassé. |
-
Nettoyez
ou remplacez l'élément du filtre à air.
|
| Le fil d'une ou de plusieurs
bougies est mal branché ou débranché.
|
-
Rebranchez
le fil de la ou des bougies.
|
| Une ou des bougies sont
piquées ou encrassées, ou l'écartement des électrodes
est incorrect. |
-
Montez une
ou des bougies neuves, à écartement correct.
|
| Le filtre à carburant
est encrassé. |
-
Remplacez
le filtre à carburant.
|
| Impuretés, eau ou
carburant altéré dans le système d'alimentation. |
-
Contactez
un dépositaire-réparateur agréé.
|
| Le réservoir ne contient
pas le type de carburant correct.
|
-
Vidangez
le réservoir et faites le plein de carburant correct.
|
| Le niveau d'huile est trop
bas dans le carter moteur. |
-
Faites l'appoint
d'huile.
|
Le moteur perd de la puissance.
| Cause possible |
Solution |
| Charge excessive du moteur. |
-
Réduisez
votre vitesse.
|
| Le filtre à air est
encrassé. |
-
Nettoyez
l'élément du filtre à air.
|
| Le niveau d'huile est trop
bas dans le carter moteur. |
-
Faites l'appoint
d'huile.
|
| Les ailettes de refroidissement
et les passages d'air sous le carter du ventilateur sont bouchés. |
-
Dégagez
les ailettes de refroidissement et les passages d'air.
|
| Une ou des bougies sont
piquées ou encrassées, ou l'écartement des électrodes
est incorrect. |
-
Montez une
ou des bougies neuves, à écartement correct.
|
| L'évent du réservoir
de carburant est bouché.
|
-
Contactez
un dépositaire-réparateur agréé.
|
| Le filtre à carburant
est encrassé. |
-
Remplacez
le filtre à carburant.
|
| Le circuit d'alimentation
contient des impuretés, de l'eau ou du carburant altéré. |
-
Contactez
un dépositaire-réparateur agréé.
|
| Le réservoir ne contient
pas le type de carburant correct.
|
-
Contactez
un dépositaire-réparateur agréé.
|
La machine ne se déplace
pas.
| Cause possible |
Solution |
| Les vannes de dérivation
sont ouvertes. |
-
Fermez les
vannes de remorquage.
|
| Les courroies de transmission
aux roues sont usées, lâches ou cassées. |
-
Contactez
un dépositaire-réparateur agréé.
|
| Les courroies de transmission
aux roues sont déchaussées.
|
-
Contactez
un dépositaire-réparateur agréé.
|
| Panne de la transmission. |
-
Contactez
un dépositaire-réparateur agréé.
|
La machine vibre de manière
anormale.
| Cause possible |
Solution |
| Lame(s) faussée(s)
ou déséquilibrée(s).
|
-
Remplacez
la ou les lames.
|
| Le boulon de fixation de
la lame est desserré. |
-
Resserrez
le boulon de fixation de la lame.
|
| Les boulons de montage
du moteur sont desserrés.
|
-
Resserrez
les boulons de montage du moteur.
|
| Poulies de moteur, de tension
ou de lames desserrées. |
-
Resserrez
la poulie voulue.
|
| La poulie du moteur est
endommagée. |
-
Contactez
un dépositaire-réparateur agréé.
|
| Axe de lame faussé. |
-
Contactez
un dépositaire-réparateur agréé.
|
| Le support moteur est desserré
ou usé. |
-
Contactez
un dépositaire-réparateur agréé.
|
La hauteur de coupe est inégale.
| Cause possible |
Solution |
| La ou les lames sont émoussées. |
-
Aiguisez
la ou les lames.
|
| Lame(s) faussée(s). |
-
Remplacez
la ou les lames.
|
| Le tablier de coupe n'est
pas de niveau. |
-
Mettez le
tablier de coupe de niveau, transversalement et longitudinalement.
|
| Un galet anti-scalp (le
cas échéant) est mal réglé.
|
-
Réglez
la hauteur du galet anti-scalp.
|
| Le dessous du tablier de
coupe est encrassé. |
-
Nettoyez
le dessous du tablier de coupe.
|
| Les pneus ne sont pas gonflés
à la pression correcte. |
-
Corrigez
la pression des pneus.
|
| L'axe de lame est faussé. |
-
Contactez
un dépositaire-réparateur agréé.
|
Les lames ne tournent pas.
| Cause possible |
Solution |
| La courroie d'entraînement
est usée, détendue ou cassée.
|
-
Remplacez
la courroie d'entraînement.
|
| La courroie d'entraînement
est déchaussée de la poulie.
|
-
Rechaussez
la courroie d'entraînement et contrôlez la position des
axes de réglage et des guide-courroie.
|
| La commande de prise de
force (PDF) ou l'embrayage de PDF est défectueux. |
-
Contactez
un dépositaire-réparateur agréé.
|
| La courroie du tablier
de coupe est usée, lâche ou cassée.
|
-
Remplacez
la courroie du tablier de coupe.
|