| Périodicité d'entretien | Procédure d'entretien |
|---|---|
| À chaque utilisation ou une fois par jour |
|
Cette tondeuse autoportée à lames rotatives est destinée aux professionnels et aux utilisateurs temporaires. Elle est principalement conçue pour tondre les pelouses entretenues régulièrement des terrains privés et commerciaux. L'utilisation de ce produit à d'autres fins que celle prévue peut être dangereuse pour vous-même et toute personne à proximité.
Lisez attentivement cette notice pour apprendre comment utiliser et entretenir correctement votre produit, et éviter ainsi de l'endommager ou de vous blesser. Vous êtes responsable de l'utilisation sûre et correcte du produit.
Rendez-vous sur www.Toro.com pour tout document de formation à la sécurité et à l'utilisation des produits, pour tout renseignement concernant un produit ou un accessoire, pour obtenir l'adresse des dépositaires ou pour enregistrer votre produit.
Pour obtenir des prestations de service, des pièces Toro d'origine ou des renseignements complémentaires, munissez-vous des numéros de modèle et de série du produit et contactez un dépositaire-réparateur ou le service client Toro agréé. La Figure 1 indique l'emplacement des numéros de modèle et de série du produit. Inscrivez les numéros dans l'espace réservé à cet effet.
Important: Avec votre appareil mobile, vous pouvez scanner le code QR sur l'autocollant du numéro de série (le cas échéant) pour accéder à l'information sur la garantie, les pièces et autres renseignements concernant le produit.

Ce manuel utilise deux termes pour faire passer des renseignements essentiels. Important pour attirer l'attention sur une information d'ordre mécanique spécifique, et Remarque pour souligner une information d'ordre général méritant une attention particulière.
Le symbole de sécurité (Figure 2) apparaît à la fois dans ce manuel et sur la machine pour identifier d'importants messages de sécurité dont il est nécessaire de tenir compte pour éviter les accidents. Ce symbole apparaît avec la mention Danger, Attention ou Prudence.
Danger signale un danger immédiat qui, s'il n'est pas évité, entraînera obligatoirement des blessures graves ou mortelles.
Attention signale un danger potentiel qui, s'il n'est pas évité, risque d'entraîner des blessures graves ou mortelles.
Prudence signale un danger potentiel qui, s'il n'est pas évité, peut éventuellement entraîner des blessures légères ou modérées.

Vous commettez une infraction à la section 4442 ou 4443 du Code des ressources publiques de Californie si vous utilisez cette machine dans une zone boisée, broussailleuse ou recouverte d'herbe, à moins d'équiper le moteur d'un pare-étincelles en bon état, tel que défini dans la section 4442, ou à moins que le moteur soit construit, équipé et entretenu correctement pour prévenir les incendies.
Le manuel du propriétaire du moteur ci-joint est fourni à titre informatif concernant la réglementation de l'Agence américaine pour la protection de l'environnement (EPA) et la réglementation antipollution de l'état de Californie relative aux systèmes antipollution, à leur entretien et à leur garantie. Vous pouvez vous en procurer un nouvel exemplaire en vous adressant au constructeur du moteur.
Reportez-vous au manuel du constructeur du moteur fourni avec la machine.
Couple brut ou net : le couple brut ou net de ce moteur a été calculé en laboratoire par le constructeur du moteur selon la norme SAE J1940 ou J2723 de la Society of Automotive Engineers (SAE). Étant configuré pour satisfaire aux normes de sécurité, antipollution et d'exploitation, le moteur monté sur cette classe de tondeuse aura un couple effectif nettement inférieur. Reportez-vous au manuel du constructeur du moteur fourni avec la machine.
CALIFORNIE
Proposition 65 - Avertissement
Les gaz d'échappement de ce produit contiennent des substances chimiques considérées par l'état de Californie comme susceptibles de provoquer des cancers, des malformations congénitales et autres troubles de la reproduction.
Les bornes de la batterie et accessoires connexes contiennent du plomb et des composés de plomb. L'état de Californie considère ces substances chimiques comme susceptibles de provoquer des cancers et des troubles de la reproduction. Lavez-vous les mains après avoir manipulé la batterie.
L'utilisation de ce produit peut entraîner une exposition à des substances chimiques considérées pas l'état de Californie comme capables de provoquer des cancers, des anomalies congénitales ou d'autres troubles de la reproduction.
Ce produit peut sectionner les mains ou les pieds et projeter des objets. Respectez toujours toutes les consignes de sécurité pour éviter des blessures graves ou mortelles.
Vous devez lire et comprendre le contenu de ce Manuel de l'utilisateur avant de démarrer le moteur.
N'autorisez personne à s'approcher, notamment les enfants.
Ne confiez pas l'utilisation ou l'entretien de la machine à des enfants ou à des personnes non qualifiées. Seules les personnes responsables, formées à l'utilisation de la machine, ayant lu et compris les instructions et physiquement aptes sont autorisées à utiliser la machine ou à en faire l'entretien.
Gardez toujours l'arceau de sécurité complètement déployé et bloqué en position, et attachez la ceinture de sécurité.
N'utilisez pas la machine près de fortes dénivellations, fossés, berges, étendues d'eau ou autre danger, ni sur des pentes de plus de 15°.
N'approchez pas les mains ou les pieds des composants mobiles de la machine.
N'utilisez pas la machine si tous les capots, contacteurs de sécurité et autres dispositifs de protection ne sont pas en place et en bon état de marche.
Avant de quitter la position d'utilisation, coupez le moteur, enlevez la clé et attendez l'arrêt complet de toutes les pièces mobiles. Laissez refroidir la machine avant de la régler, la réparer, la nettoyer, la remiser ou de faire le plein de carburant.

![]() |
Des autocollants de sécurité et des instructions bien visibles par l'opérateur sont placés près de tous les endroits potentiellement dangereux. Remplacez tout autocollant endommagé ou manquant. |















L’autocollant 144-0405 s’applique aux machines non équipées de l’option phare.



L’autocollant 144-6569 s’applique aux machines équipées d’un phare.



L'autocollant 126-8383 concerne les modèles sans MyRide seulement.

L'autocollant 132-0871 concerne les modèles avec MyRide seulement.

L'autocollant 132-5067 concerne les modèles avec MyRide seulement.


Familiarisez-vous avec toutes les commandes avant de mettre le moteur en marche et d'utiliser la machine.

Le commutateur d'allumage sert à démarrer et arrêter le moteur, et comprend 3 positions : ARRêT, CONTACT et DéMARRAGE. Voir Démarrage du moteur.
Utilisez cet interrupteur pour ALLUMER ou éTEINDRE les projecteurs de travail (Figure 5).
Utilisez la commande du volet de départ pour démarrer quand le moteur est froid.
L'accélérateur commande le régime moteur et peut se régler à l'infini entre les positions BAS RéGIME et HAUT RéGIME (Figure 5).
La commandes des lames, représentée par le symbole de la prise de force (PDF), engage et désengage l'entraînement des lames (Figure 5).
Le compteur horaire totalise les heures de fonctionnement du moteur. Il fonctionne quand le moteur tourne. Programmez les entretiens réguliers en fonction du nombre d'heures indiqué (Figure 6).

Ces symboles sur le compteur horaire indiquent par un triangle noir que le verrou de sécurité est à la position correcte (Figure 6).
Si vous tournez le commutateur d'allumage en position CONTACT pendant quelques secondes, la tension de batterie s'affiche dans la zone normalement réservée aux heures de fonctionnement.
Le témoin de la batterie s'allume lorsque le contact est établi et que la charge est inférieure au niveau de fonctionnement correct (Figure 6).
Le module de commande électronique (ECU) surveille continuellement le fonctionnement du système EFI.
Le témoin d'anomalie (MIL) s'allume en cas de détection d'un problème ou d'une anomalie du système.
Le témoin d'anomalie est le témoin rouge situé dans la console droite.
Lorsque le témoin d'anomalie s'allume, effectuez les premiers contrôles de diagnostic; voir la section sur le témoin d'anomalie sous .
Si ces contrôles ne corrigent pas le problème, un autre diagnostic et un entretien par un dépositaire-réparateur agréé sont nécessaires.
Utilisez les leviers de commande de déplacement pour conduire la machine en marche avant, en marche arrière, pour tourner à droite et à gauche (Figure 5).
Écartez les leviers de commande vers l'extérieur, du centre à la position de BLOCAGE DU POINT MORT quand vous quittez la machine (Figure 27). Amenez toujours les leviers de commande de déplacement à la position de BLOCAGE DU POINT MORT avant d'arrêter la machine ou de la laisser sans surveillance.
Chaque fois que vous arrêtez le moteur, serrez le frein de stationnement pour éviter tout déplacement accidentel de la machine.
Fermez le robinet d'arrivée de carburant avant de transporter ou de remiser la machine; voir Utilisation du robinet d'arrivée de carburant.
Note: Les spécifications et la conception peuvent faire l'objet de modifications sans préavis.
| Tablier de 122 cm (48 po) | Tablier de 152 cm (60 po) | Tablier de 183 cm (72 po) | |
|---|---|---|---|
| Sans tablier de coupe | 129 cm (50-15/16 po) | 140 cm (55 po) | 150 cm (58-15/16 po) |
| Déflecteur relevé | 141 cm (55-7/16 po) | 166 cm (65½ po) | 192 cm (75⅝ po) |
| Déflecteur abaissé | 160 cm (63⅛ po) | 191 cm (75¼ po) | 223 cm (87⅝ po) |
| Déflecteur déposé | 132 cm (52⅛ po) | 156 cm (61⅝ po) | 187 cm (73-11/16 po) |
| Tabliers de 122 et 152 cm (48 et 60 po) | 183 cm (72 po) | |
|---|---|---|
| Pneus de 61 cm (24 po) | Pneus de 66 cm (26 po) | Pneus de 66 cm (26 po) |
| 219 cm (86-5/16 po) | 220 cm (86½ po) | 227 cm (89-5/16 po) |
| Machines avec pneus de 61 cm (24 po){ | Machines avec pneus de 66 cm (26 po){ | |
|---|---|---|
| Arceau de sécurité déployé | 182 cm (71⅝ po) | 185 cm (73 po) |
| Arceau de sécurité abaissé (avec MyRide) | 126 cm (49½ po) | 129 cm (50-13/16 po) |
| Arceau de sécurité abaissé (sans MyRide) | 118 cm (46⅜ po) | 129 cm (50-13/16 po) |
| Tablier de 122 cm (48 po) | Tablier de 152 cm (60 po) | Tablier de 152 cm (72 po) |
|---|---|---|
| 512 kg (1 130 lb) | 535 à 590 kg (1 180 à 1 300 lb) | 617 kg (1 360 lb) |
| Poids à la flèche | Poids brut de remorquage * |
|---|---|
| 22 kg (49 lb) | 113 kg (250 lb) |
* Le poids total de l'objet remorqué (par ex. remorque et charge, défeutreur, aérateur tracté, etc.)
Une sélection d'outils et accessoires agréés par Toro est disponible pour augmenter et améliorer les capacités de la machine. Pour obtenir la liste de tous les accessoires et outils agréés, contactez votre dépositaire-réparateur ou votre distributeur Toro agréé, ou rendez-vous sur www.Toro.com.
Pour garantir un rendement optimal et conserver la certification de sécurité de la machine, utilisez uniquement des pièces de rechange et accessoires Toro d'origine. Les pièces de rechange et accessoires d'autres constructeurs peuvent être dangereux et leur utilisation risque d'annuler la garantie de la machine.
Note: Les côtés gauche et droit de la machine sont déterminés d'après la position d'utilisation normale.
Ne confiez pas l'utilisation ou l'entretien de la machine à des enfants ou à des personnes non qualifiées. La réglementation locale peut imposer un âge minimum pour les utilisateurs. Le propriétaire de la machine doit assurer la formation de tous les utilisateurs et mécaniciens.
Inspectez la zone de travail et débarrassez-la de tout objet pouvant gêner le fonctionnement de la machine ou être projeté pendant son utilisation.
Familiarisez-vous avec le maniement correct du matériel, les commandes et les symboles de sécurité.
Vérifiez toujours que les commandes de présence de l'utilisateur, les contacteurs de sécurité et les capots de protection sont en place et en bon état de marche. N'utilisez pas la machine en cas de mauvais fonctionnement.
Avant de quitter la position d'utilisation, coupez le moteur, enlevez la clé et attendez l'arrêt complet de toutes les pièces mobiles. Laissez refroidir la machine avant de la régler, la réparer, la nettoyer, la remiser ou de faire le plein de carburant.
Avant de tondre, vérifiez que les unités de coupe sont en bon état de marche.
Examinez la zone de travail pour déterminer quels accessoires et équipements sont nécessaires pour utiliser la machine correctement et sans risque.
Portez une tenue adéquate, y compris une protection oculaire, un pantalon, des chaussures solides à semelle antidérapante et des protecteurs d'oreilles. Si vos cheveux sont longs, attachez-les et ne portez pas de vêtements amples ni de bijoux pendants.
Ne transportez jamais de passagers sur la machine.
Tenez tout le monde et tous les animaux à l'écart de la machine en marche. Arrêtez la machine et le(s) outil(s) si quelqu'un entre dans la zone de travail.
N'utilisez pas la machine si tous les capots et autres dispositifs de protection, tels que les déflecteurs et le bac de ramassage au complet, ne sont pas en place et en bon état de marche. Remplacez les pièces usées ou détériorées au besoin.
Le carburant est extrêmement inflammable et hautement explosif. Un incendie ou une explosion causé(e) par du carburant peut vous brûler, ainsi que toute personne à proximité, et causer des dommages matériels.
Pour éviter que l'électricité statique n'enflamme le carburant, descendez la machine du camion ou de la remorque et faites-le plein quand elle est au sol, à l'écart de tout autre véhicule. Si cela est impossible, placez un récipient de carburant portatif sur le sol, à l'écart de tout véhicule, et remplissez-le; faites ensuite le plein de la machine avec le récipient portatif plutôt que directement à la pompe.
Faites le plein du réservoir de carburant à l'extérieur sur une surface plane et horizontale, dans un endroit bien dégagé et lorsque le moteur est froid. Essuyez tout carburant répandu.
Ne fumez jamais en manipulant du carburant et tenez-vous à l'écart des flammes nues ou des sources d'étincelles.
N'enlevez pas le bouchon du réservoir de carburant et n'ajoutez pas de carburant quand le moteur tourne ou est encore chaud.
Si vous renversez du carburant, n'essayez pas de démarrer le moteur à cet endroit. Évitez de créer des sources d'inflammation jusqu'à dissipation complète des vapeurs de carburant.
Conservez le carburant dans un récipient homologué et hors de la portée des enfants.
Le carburant est toxique, voire mortel en cas d'ingestion. L'exposition prolongée aux vapeurs de carburant peut causer des blessures et des maladies graves.
Évitez de respirer les vapeurs de carburant de façon prolongée.
N'approchez pas le visage ou les mains du pistolet ni de l'ouverture du réservoir de carburant.
Tenez le carburant à l'écart des yeux et de la peau.
Ne remisez pas la machine ni les bidons de carburant à proximité d'une flamme nue, d'une source d'étincelles ou d'une veilleuse, telle celle d'un chauffe-eau ou d'autres appareils.
N'utilisez pas la machine si elle n'est pas équipée du système d'échappement complet et en bon état de marche.
Maintenez le pistolet en contact avec le bord du réservoir ou du bidon jusqu'à la fin du remplissage. N'utilisez pas de dispositif de verrouillage du pistolet en position ouverte.
Si du carburant s'est répandu sur vos vêtements, changez-vous immédiatement.
Ne remplissez pas excessivement le réservoir de carburant. Remettez le bouchon du réservoir de carburant en place et serrez-le solidement.
Pour éviter les risques d'incendie, enlevez les débris d'herbe et autres agglomérés sur l'unité de coupe, les entraînements, le bac à herbe et le compartiment moteur. Nettoyez les coulées éventuelles d'huile ou de carburant.
Pour assurer le fonctionnement optimal de la machine, utilisez uniquement de l'essence sans plomb propre et fraîche (stockée depuis moins d'un mois) ayant un indice d'octane de 87 ou plus (méthode de calcul [R+M]/2).
Éthanol : de l'essence contenant jusqu'à 10 % d'éthanol (essence-alcool) ou 15 % de MTBE (éther méthyltertiobutylique) par volume peut être utilisée à la rigueur. L'éthanol et le MTBE sont deux produits différents. L'utilisation d'essence contenant 15 % d'éthanol (E15) par volume n'est pas agréée. N'utilisez jamais d'essence contenant plus de 10 % d'éthanol par volume, par exemple E15 (qui contient 15 % d'éthanol), E20 (qui contient 20 % d'éthanol) ou E85 (qui contient jusqu'à 85 % d'éthanol). L'utilisation d'essence non agréée peut entraîner des problèmes de performances et/ou des dommages au moteur qui peuvent ne pas être couverts par la garantie.
N'utilisez pas d'essence contenant du méthanol.
Ne stockez pas le carburant dans le réservoir ou dans des bidons de carburant pendant l'hiver, à moins d'utiliser un stabilisateur de carburant.
N'ajoutez pas d'huile à l'essence.
Utilisez un additif stabilisateur/conditionneur dans la machine pour :
Que le carburant reste frais plus longtemps quand il est utilisé conformément aux indications du fabricant du stabilisateur.
Nettoyer le moteur lorsqu'il tourne.
Éviter la formation d'un dépôt gommeux dans le circuit d'alimentation qui pourrait entraîner des problèmes de démarrage.
Important: N'utilisez pas d'additifs contenant du méthanol ou de l'éthanol.
Ajoutez au carburant la quantité correcte de stabilisateur/conditionneur.
Note: L'efficacité des stabilisateurs/conditionneurs est optimale lorsqu'ils sont mélangés à du carburant neuf. Pour réduire les risques de formation de dépôts visqueux dans le circuit d'alimentation, ajoutez toujours un stabilisateur au carburant.
Garez la machine sur une surface plane et horizontale.
Serrez le frein de stationnement.
Coupez le moteur et enlevez la clé.
Nettoyez la surface autour du bouchon du réservoir de carburant.
Remplissez le réservoir de carburant jusqu'au bas du goulot de remplissage (Figure 7).
Note: Ne remplissez pas complètement le réservoir de carburant. L'espace vide dans le réservoir permet au carburant de se dilater.

Avant de démarrer la machine chaque jour, effectuez les procédures décrites à la section .
Les moteurs neufs demandent un certain temps pour développer toute leur puissance. Les tabliers de coupe et les systèmes d'entraînement neufs présentent plus de friction, ce qui augmente la charge sur le moteur. Prévoyez 40 à 50 heures de rodage pour les machines neuves pour leur permettre de développer toute leur puissance et procurer des performances optimales.
Pour éviter de vous blesser, parfois mortellement, en vous retournant, gardez l'arceau de sécurité complètement déployé et bloqué dans cette position, et attachez la ceinture de sécurité.
Vérifiez que le siège est fixé à la machine.
La protection antiretournement est inexistante si l'arceau de sécurité est abaissé.
N'abaissez l'arceau de sécurité qu'en cas d'absolue nécessité.
N'attachez pas la ceinture de sécurité lorsque l'arceau de sécurité est abaissé.
Conduisez lentement et prudemment.
Déployez l'arceau de sécurité dès que possible.
Vérifiez précisément la hauteur libre avant de passer sous un obstacle (par ex. branches, portes, câbles électriques, etc.) et évitez de le toucher.
Important: N'abaissez l'arceau de sécurité qu'en cas d'absolue nécessité.
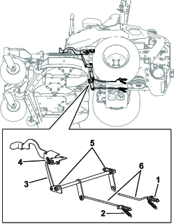
Des deux côtés de l'arceau de sécurité, retirez la goupille fendue et l’axe.
Descendez l'arceau de sécurité à la position abaissée.
Note: Il y a 2 niveaux de position abaissée, comme montré à la Figure 9.
Posez les 2 axes et fixez-les avec les goupilles fendues.


Important: Attachez toujours la ceinture de sécurité quand l'arceau de sécurité est déployé.
Retirez les goupilles fendues puis les deux axes.
Relevez l'arceau de sécurité à la verticale.
Posez les 2 axes et fixez-les avec les goupilles fendues.

Si les contacteurs de sécurité sont déconnectés ou endommagés, la machine peut se mettre en marche inopinément et causer des blessures.
Ne modifiez pas abusivement les contacteurs de sécurité.
Vérifiez chaque jour le fonctionnement des contacteurs de sécurité et remplacez ceux qui sont endommagés avant d'utiliser la machine.
Le système de sécurité est conçu pour empêcher le démarrage du moteur, sauf si :
Le frein de stationnement est serré.
La commande des lames (PDF) est désengagée.
Les leviers de commande de déplacement sont en position de BLOCAGE DU POINT MORT.
Le système de sécurité est également conçu pour couper le moteur si vous sortez les leviers de commande de déplacement de la position de BLOCAGE DU POINT MORT alors que le frein de stationnement est serré, ou si vous quittez le siège alors que la PDF est engagée.
Le compteur horaire comporte des indicateurs qui signalent à l'utilisateur quand le composant de verrouillage de sécurité est à la position correcte. Lorsque le composant est à la position correcte, un indicateur s'affiche à l’écran.

| Périodicité d'entretien | Procédure d'entretien |
|---|---|
| À chaque utilisation ou une fois par jour |
|
Contrôlez le système de sécurité avant chaque utilisation de la machine. Si le système de sécurité ne fonctionne pas comme spécifié ci-dessous, faites-le immédiatement réviser par un dépositaire-réparateur agréé.
Asseyez-vous sur le siège, serrez le frein de stationnement et amenez la commande des lames (PDF) en position ENGAGéE. Essayez de démarrer le moteur; le moteur ne doit pas démarrer.
Asseyez-vous sur le siège, serrez le frein de stationnement et amenez la commande des lames (PDF) en position DéSENGAGéE. Sortez un des leviers de commande de déplacement de la position de BLOCAGE DU POINT MORT. Essayez de démarrer le moteur; le moteur ne doit pas démarrer. Répétez la manœuvre pour l'autre levier de commande.
Asseyez-vous sur le siège, serrez le frein de stationnement, placez la commande des lames (PDF) en position DéSENGAGéE et amenez l'un des leviers de commande de déplacement à la position de BLOCAGE DU POINT MORT. Mettez alors le moteur en marche. Lorsque le moteur tourne, desserrez le frein de stationnement, engagez la commande des lames (PDF) et soulevez-vous légèrement du siège; le moteur doit s'arrêter.
Asseyez-vous sur le siège, serrez le frein de stationnement, placez la commande des lames (PDF) en position DéSENGAGéE et amenez l'un des leviers de commande de déplacement à la position de BLOCAGE DU POINT MORT. Mettez alors le moteur en marche. Lorsque le moteur tourne, centrez l'un des leviers de déplacement et déplacez la machine (en marche avant ou arrière); le moteur doit s'arrêter. Répétez l'opération pour l'autre levier de commande.
Asseyez-vous sur le siège, desserrez le frein de stationnement, DéSENGAGEZ la commande des lames (PDF) et amenez l'un des leviers de commande de déplacement à la position de BLOCAGE DU POINT MORT. Essayez de démarrer le moteur; le moteur ne doit pas démarrer.
Vous pouvez avancer ou reculer le siège (Figure 12). Amenez le siège à la position la plus confortable pour vous, et offrant le meilleur contrôle pour la conduite.

Le siège peut être réglé pour offrir un confort optimal. Réglez le siège à la position la plus confortable pour vous.
Pour ce faire, tournez le bouton avant dans un sens ou dans l'autre pour obtenir la position la plus confortable (Figure 13).

La suspension MyRIDE™ peut être réglée pour offrir un confort optimal. Vous pouvez régler les 2 amortisseurs arrière pour modifier la suspension facilement et rapidement. Positionnez la suspension de manière la plus confortable pour vous.
Les fentes prévues pour les amortisseurs arrière sont dotées de crans de verrouillage comme référence. Vous pouvez placer les amortisseurs arrière n'importe où dans la fente, pas seulement dans les crans de verrouillage. Le schéma suivant montre la position des amortisseurs pour une suspension souple ou ferme, ainsi que les différentes positions de verrouillage (Figure 14).

Note: Réglez toujours les amortisseurs arrière gauche et droit à la même position.
Réglez les amortisseurs arrière (Figure 15).


Le propriétaire/l'utilisateur est responsable des accidents pouvant entraîner des dommages corporels et matériels et peut les prévenir.
Accordez toute votre attention à l'utilisation de la machine. Ne vous livrez à aucune activité risquant de vous distraire, au risque de causer des dommages corporels ou matériels.
N'utilisez pas la machine si vous êtes malade ou fatigué(e), ni sous l'emprise de l'alcool, de drogues ou de médicaments.
Tout contact avec la lame peut causer de graves blessures. Avant de quitter la position d'utilisation, coupez le moteur, enlevez la clé et attendez l'arrêt complet de toutes les pièces mobiles. Lorsque vous tournez la clé à la position ARRêT, le moteur doit être coupé et la lame doit s'arrêter de tourner. Si ce n'est pas le cas, cessez immédiatement d'utiliser la machine et contactez un dépositaire réparateur agréé.
N'utilisez la machine que si la visibilité est suffisante et dans de bonnes conditions météorologiques. N'utilisez pas la machine si la foudre menace.
N'approchez pas les pieds et les mains des unités de coupe. Ne vous tenez pas devant l'ouverture d'éjection.
Ne tondez pas avec le volet d'éjection relevé, déposé ou modifié à moins qu'un système de ramassage ou de déchiquetage soit en place et en bon état de marche.
Ne tondez jamais en marche arrière, sauf en cas d'absolue nécessité. Vérifiez toujours si la voie est libre juste derrière la machine et sur sa trajectoire avant de faire marche arrière.
Faites preuve de la plus grande prudence à l'approche de tournants sans visibilité, de buissons, d'arbres ou d'autres objets susceptibles de masquer la vue.
Arrêtez toujours les lames quand vous ne tondez pas.
Si la machine heurte un obstacle ou commence à vibrer, coupez immédiatement le moteur, enlevez la clé (selon l'équipement) et attendez l'arrêt complet de toutes les pièces mobiles avant de vérifier si la machine n'est pas endommagée. Effectuez toutes les réparations nécessaires avant de réutiliser la machine.
Ralentissez et faites preuve de prudence quand vous changez de direction, ainsi que pour traverser des routes et des trottoirs avec la machine. Cédez toujours la priorité.
Avant de quitter la position d'utilisation :
Garez la machine sur une surface plane et horizontale.
Désengagez la prise de force et abaissez les accessoires.
Serrez le frein de stationnement.
Coupez le moteur et enlevez la clé.
Attendez l'arrêt complet de toutes les pièces mobiles.
Ne faites tourner le moteur que dans des lieux bien aérés. Les gaz d'échappement contiennent du monoxyde de carbone dont l'inhalation est mortelle.
Ne laissez jamais la machine en marche sans surveillance.
Utilisez uniquement le point d'attelage pour atteler l'équipement remorqué à la machine.
N'utilisez pas la machine si tous les capots et autres dispositifs de protection, tels que les déflecteurs et le bac de ramassage au complet, ne sont pas en place et en bon état de marche. Remplacez les pièces usées ou détériorées au besoin.
Utilisez uniquement les accessoires et équipements agréés par Toro.
Cette machine produit au niveau de l'oreille de l'utilisateur un niveau sonore de plus de 85 dBA qui peut entraîner des déficiences auditives en cas d'exposition prolongée.

Pour éviter les risques d'incendie, enlevez les débris d'herbe et autres agglomérés sur l'unité de coupe, les entraînements, le silencieux et le moteur.
Démarrez le moteur en gardant les pieds à bonne distance des lames.
Sachez dans quel sens s'effectue l'éjection et ne la dirigez jamais vers qui que ce soit. Ne projetez rien contre un mur ou un obstacle, car le matériau éjecté pourrait ricocher dans votre direction.
Arrêtez les lames, ralentissez et faites preuve de prudence lorsque vous traversez des surfaces autres qu'une pelouse et quand vous déplacez la machine entre les surfaces de travail.
Ne modifiez pas le réglage du régulateur et ne faites pas tourner le moteur à un régime excessif.
Les enfants sont souvent attirés par la machine et l'activité de tonte. Ne partez jamais du principe que les enfants se trouvent encore à l'endroit où vous les avez vus pour la dernière fois.
Veillez à ce que les enfants restent hors de la zone de travail, sous la garde d'un adulte responsable autre que l'utilisateur.
Restez sur vos gardes et arrêtez la machine si des enfants entrent dans la zone de travail.
Avant de faire marche arrière ou de changer de direction, vérifiez derrière et autour de vous qu'aucun enfant n'est présent.
Ne transportez pas d'enfants sur la machine, même si les lames sont arrêtées. Les enfants pourraient tomber et se blesser gravement ou vous empêcher d'utiliser la machine en toute sécurité. Les enfants qui ont été autorisés à monter sur la machine en marche par le passé peuvent apparaître subitement dans la zone de travail et risquent alors d'être renversés ou écrasés par la machine.
La structure ROPS est un dispositif de sécurité intégré et efficace. Ne retirez pas et ne modifiez pas la structure ROPS.
N'oubliez pas que la protection antiretournement est inexistante lorsque l'arceau de sécurité est abaissé.
Laissez l'arceau de sécurité complètement déployé et verrouillé en position, et attachez-toujours la ceinture de sécurité quand l'arceau de sécurité est déployé.
Apprenez à détacher rapidement la ceinture de sécurité en cas d'urgence.
N'abaissez l'arceau de sécurité qu'en cas d'absolue nécessité. N'attachez pas la ceinture de sécurité si l'arceau de sécurité est abaissé.
Déployez l'arceau de sécurité dès que possible.
Le dépassement des roues au-dessus d'une dénivellation, d'un fossé, d'une berge escarpée ou d'une étendue d'eau peut provoquer le retournement de la machine et causer des blessures graves ou mortelles.
Vérifiez précisément la hauteur libre avant de passer sous un obstacle (par ex. branches, portes, câbles électriques, etc.) et évitez de le toucher.
En cas de retournement de la machine, portez-la chez un dépositaire-réparateur agréé pour faire réviser la structure antiretournement (ROPS).
Remplacez les composants de la structure ROPS qui sont endommagés. Ne les réparez pas et ne les modifiez pas.
Utilisez uniquement sur le système ROPS des accessoires et outils agréés par Toro.
Les pentes augmentent significativement les risques de perte de contrôle et de retournement de la machine pouvant entraîner des accidents graves, voire mortels. L'utilisateur est responsable de la sécurité d'utilisation de la machine sur les pentes. L'utilisation de la machine sur une pente, quelle qu'elle soit, demande une attention particulière. Avant d'utiliser la machine sur une pente, vous devez :
Lire et comprendre les instructions relatives à l'utilisation sur les pentes qui figurent dans le manuel et sur la machine.
Utiliser l'indicateur d'angle pour déterminer l'angle approximatif de la pente sur laquelle vous devez travailler.
Ne travaillez jamais sur des pentes de plus de 15°.
Évaluer chaque jour l'état du terrain pour déterminer si la pente permet d'utiliser la machine sans risque. Faites preuve de bon sens et de discernement lors de cette évaluation. Les conditions changeantes du terrain, telle l'humidité, peuvent rapidement modifier le fonctionnement de la machine sur les pentes.
Repérez les dangers potentiels depuis le bas de la pente. N'utilisez pas la machine près de fortes dénivellations, fossés, berges, étendues d'eau ou autres dangers. La machine pourrait se retourner brusquement si une roue passe par-dessus une dénivellation quelconque et se retrouve dans le vide, ou si un bord s'effondre. Maintenez une distance de sécurité (deux fois la largeur de la machine) entre la machine et tout danger potentiel. Utilisez une tondeuse autotractée ou une débroussailleuse manuelle pour tondre sur ce type de terrain.
Évitez de démarrer, de vous arrêter ou de tourner sur les pentes. Ne changez pas soudainement de vitesse ou de direction; tournez lentement et graduellement.
N'utilisez pas la machine si l'adhérence, la direction ou la stabilité peuvent être compromises. Tenez compte du fait qu'une perte de l'adhérence peut se produire sur l'herbe humide, en travers des pentes ou dans les descentes. La perte d'adhérence des roues motrices peut faire déraper la machine et entraîner la perte du freinage et de la direction. La machine peut déraper même si les roues motrices ne tournent plus.
Enlevez ou balisez les obstacles tels que fossés, trous, ornières, bosses, rochers ou autres dangers cachés. L'herbe haute peut masquer les accidents du terrain. Les irrégularités du terrain peuvent provoquer le retournement de la machine.
Redoublez de prudence lorsque vous utilisez la machine équipée d'outils ou d'accessoires, tels des systèmes de ramassage. Ceux-ci peuvent modifier la stabilité et entraîner la perte de contrôle de la machine. Suivez les instructions d'utilisation des contrepoids.
Dans la mesure du possible, gardez le tablier de coupe abaissé au sol quand vous utilisez la machine sur des pentes. La machine peut devenir instable si vous levez le tablier de coupe pendant l'utilisation sur une pente.

L'équipement remorqué ne doit être attaché qu'au point d'attelage.
N'utilisez pas la machine pour tracter quoi que ce soit, à moins qu'elle ne soit équipée d'un dispositif d'attelage.
Ne dépassez pas le poids brut de remorquage.
Ne laissez jamais approcher ni enfants ni adultes du matériel remorqué.
Sur les pentes, le poids du matériel remorqué peut provoquer une perte de la motricité et du contrôle de la machine, et accroître le risque de retournement. Réduisez le poids remorqué et ralentissez.
La distance d'arrêt peut augmenter avec le poids de la charge remorquée. Conduisez lentement et prévoyez une distance de freinage plus grande que la normale.
Prenez des virages larges pour éviter que l'accessoire ne vienne toucher la machine.
Utilisez le tablier de coupe comme marchepieds pour accéder à la position d'utilisation (Figure 18).

Serrez toujours le frein de stationnement lorsque vous arrêtez la machine ou que vous la laissez sans surveillance.
Garez la machine sur une surface plane et horizontale.


La commande des lames (PDF) permet de démarrer et d'arrêter la rotation des lames et des autres accessoires qu'elle entraîne.
Note: Les courroies d'entraînement subissent une usure excessive si la commande des lames (PDF) est engagée alors que la commande d'accélérateur est à mi-course ou moins.


Vous pouvez déplacer la commande d'accélérateur entre les positions HAUT RéGIME et BAS RéGIME (Figure 23).
Sélectionnez toujours la position HAUT RéGIME quand vous engagez la PDF.

Note: L'usage du volet de départ n'est généralement pas nécessaire si le moteur est chaud.
Important: N'actionnez pas le démarreur plus de 5 secondes de suite. N'actionnez pas le démarreur plus de 5 secondes de suite au risque de l'endommager. Si le moteur refuse de démarrer, patientez 10 secondes avant d'actionner à nouveau le démarreur.

Les enfants ou les personnes à proximité peuvent se blesser s'ils déplacent la machine ou essayent de l'utiliser lorsqu'elle est laissée sans surveillance.
Retirez toujours la clé et serrez le frein de stationnement si vous laissez la machine sans surveillance.


Les roues motrices tournent indépendamment et sont entraînées par les moteurs hydrauliques sur chaque essieu. Vous pouvez faire tourner un côté en arrière pendant que l'autre tourne en avant, ce qui fait pivoter la machine au lieu de la faire changer de direction. La maniabilité de la machine en est grandement améliorée, mais cette manière de conduire pourra demander un certain temps d'adaptation.
La commande d'accélérateur agit sur le régime moteur qui se mesure en tours/minute (tr/min). Placez la commande d'accélérateur en position HAUT RéGIME pour obtenir des performances optimales. Pour travailler, placez toujours la commande d'accélérateur en position Haut régime (plein gaz).
La machine peut tourner très rapidement. Vous risquez de perdre le contrôle de la machine et de vous blesser gravement ou d'endommager la machine.
Faites preuve d'une extrême prudence dans les virages.
Ralentissez avant de prendre des virages serrés.
Note: Le moteur s'arrête si vous actionnez les leviers de commande de déplacement alors que le frein de stationnement est serré.
Pour arrêter la machine, tirez les leviers de commande de déplacement en position POINT MORT.
Desserrez le frein de stationnement.
Amenez les leviers de commande de déplacement au centre, en position déverrouillée.
Pour vous déplacer en marche avant, poussez lentement les leviers de commande de déplacement vers l'avant (Figure 28).

Amenez les leviers de commande de déplacement au centre, en position déverrouillée.
Pour vous déplacer en marche arrière, tirez lentement les leviers en arrière (Figure 29).

La tondeuse est équipée d'un déflecteur d'herbe pivotant qui permet de disperser les déchets de tonte sur le côté et à la surface de la pelouse.
Si le déflecteur d'herbe, l'obturateur d'éjection ou le bac à herbe complet n'est pas en place sur la machine, vous-même ou d'autres personnes peuvent être touchés par une lame ou des projections de débris. Les lames en rotation et les débris projetés peuvent occasionner des blessures graves ou mortelles.
N'enlevez jamais le déflecteur d'herbe du tablier de coupe, sa présence est nécessaire pour diriger l'herbe coupée sur la pelouse. Si le déflecteur d'herbe est endommagé, remplacez-le immédiatement.
Ne mettez jamais les mains ou les pieds sous le tablier de coupe.
N'essayez jamais de dégager l'ouverture d'éjection ou les lames sans avoir au préalable amené la commande des lames (PDF) en position DéSENGAGéE, tourné la clé de contact en position ARRêT et enlevé la clé.
Vérifiez que le déflecteur d'herbe est abaissé.
Poussez la pédale de levage du tablier complètement en avant pour bloquer le tablier en position TRANSPORT (Figure 30).
Poussez la pédale de levage du tablier complètement en avant et tirez le verrou de transport en avant à la position de DéVERROUILLAGE, puis abaissez lentement le tablier de coupe (Figure 30).

Vous pouvez régler la hauteur de coupe entre 38 et 140 mm (1½ et 5½ po) par paliers de 6 mm (¼ po) suivant le trou dans lequel vous placez l'axe de chape.
Poussez la pédale de levage du tablier complètement en avant pour bloquer le tablier en position TRANSPORT (qui est aussi la position de hauteur de coupe de 140 mm [5½ po]), comme montré à la Figure 31.
Pour changer la hauteur de coupe, retirez la goupille du support de hauteur de coupe (Figure 31).
Insérez l'axe dans le trou du support correspondant à la hauteur de coupe voulue (Figure 31).
Poussez la pédale de levage du tablier complètement en avant, poussez le verrou de transport en avant et abaissez lentement le tablier de coupe.

Appuyez sur la commande de levage du tablier (Figure 32).

Insérez l'axe dans le trou du support correspondant à la hauteur de coupe voulue (Figure 33).
Appuyez sur la commande de levage du tablier jusqu'à ce que la tringlerie de hauteur de coupe touche légèrement la goupille de hauteur de coupe (Figure 33).
Note: Un contact trop important entre la tringlerie de hauteur de coupe et la goupille de hauteur de coupe peut avoir un effet négatif sur la hauteur de coupe et le niveau du plateau de coupe.

Ajustez la hauteur des galets anti-scalp chaque fois que vous modifiez la hauteur de coupe.
Garez la machine sur une surface plane et horizontale, désengagez la commande des lames et serrez le frein de stationnement.
Avant de quitter la position d'utilisation, coupez le moteur, enlevez la clé et attendez l'arrêt complet de toutes les pièces mobiles.
Réglez les galets anti-scalp.



Les figures suivantes ne sont données qu'à titre indicatif. Les réglages varient selon le type, l'humidité et la hauteur de l'herbe.
Retirez le bouton et le boulon de carrosserie, ajustez la position du déflecteur et remettez le bouton et le boulon de carrosserie en place.
Note: Sur certaines machines, utilisez les trous extérieurs ou intérieurs suivant la taille du tablier de coupe.
Note: Si le moteur perd de la puissance et si la tondeuse continue de se déplacer à la même vitesse, ouvrez le déflecteur.

Il s'agit de la position la plus en arrière. Il est conseillé d'utiliser cette position dans les cas suivants :
Quand l'herbe est courte et peu épaisse
Quand l'herbe est sèche
Pour couper l'herbe plus finement
Pour propulser les brins d'herbe plus loin

Utilisez cette position avec le bac à herbe.

Il s'agit de la position la plus en avant. Il est conseillé d'utiliser cette position dans les cas suivants :
Quand l'herbe est haute et drue
Quand l'herbe est humide
Pour réduire la consommation de carburant
Pour augmenter la vitesse de déplacement lorsque l'herbe est lourde

Pour obtenir une circulation d'air maximale et des résultats optimaux, faites tourner le moteur à HAUT RéGIME. L'air doit pouvoir circuler pour bien couper l'herbe. Pour cette raison, ne sélectionnez pas une hauteur de coupe trop basse car le tablier de coupe serait alors complètement entouré d'herbe haute. Placez-vous toujours de sorte qu'un côté du tablier de coupe se trouve à l'extérieur de la zone non coupée. L'air pourra ainsi circuler librement dans le tablier de coupe.
Tondez l'herbe légèrement plus haut que d'habitude pour éviter de scalper les inégalités du terrain. La hauteur de coupe habituelle est cependant celle qui convient le mieux en général. Si la hauteur de l'herbe dépasse 15 cm (6 po), vous devrez peut-être vous y reprendre à deux fois pour obtenir un résultat acceptable.
L'idéal est de ne raccourcir l'herbe que du tiers de sa hauteur. Une coupe plus courte est déconseillée, à moins que l'herbe ne soit clairsemée, ou en automne lorsque la pousse commence à ralentir.
Alternez le sens des passages pour ne pas coucher l'herbe. L'alternance permet aussi de mieux disperser l'herbe coupée, ce qui améliore la décomposition et la fertilisation.
L'herbe pousse plus ou moins vite selon la saison. Pour conserver une hauteur de coupe régulière, tondez plus souvent au début du printemps. Réduisez la fréquence de tonte au milieu de l'été, lorsque l'herbe pousse moins vite. Si le gazon n'a pas été tondu depuis un certain temps, tondez une première fois assez haut, puis un peu plus bas 2 jours plus tard.
Ralentissez pour améliorer la qualité de la coupe dans certaines conditions.
Si le gazon est irrégulier, augmentez la hauteur de coupe pour éviter de le scalper en tondant.
Si vous immobilisez la machine en cours de tonte, un paquet d'herbe coupée peut tomber sur la pelouse. Pour éviter cela, rendez-vous dans une zone déjà tondue en laissant les lames engagées ou désengagez le tablier de coupe pendant la marche avant de la machine.
Nettoyez le dessous du tablier de coupe après chaque utilisation. Ne laissez pas l'herbe et la terre s'accumuler à l'intérieur, car la qualité de la tonte finira par en souffrir.
Utilisez une lame bien aiguisée durant toute la saison de tonte, pour obtenir une coupe nette sans arracher ni déchiqueter les brins d'herbe. L'herbe arrachée ou déchiquetée brunit sur les bords, sa croissance ralentit et elle devient plus sensible aux maladies. Après chaque utilisation, vérifiez l'état, l'usure et l'affûtage des lames. Limez les entailles éventuelles et aiguisez les lames au besoin. Remplacez immédiatement les lames endommagées ou usées par des lames Toro d'origine.
Avant de quitter la position d'utilisation, serrez le frein de stationnement, coupez le moteur, enlevez la clé et attendez l'arrêt complet de toutes les pièces mobiles. Laissez refroidir la machine avant de la régler, la réparer, la nettoyer, la remiser ou de faire le plein de carburant.
Pour éviter les risques d'incendie, enlevez les débris d'herbe et autres agglomérés sur l'unité de coupe, les entraînements, le bac à herbe et le compartiment moteur. Nettoyez les coulées éventuelles d'huile ou de carburant.
Coupez le moteur et enlevez la clé avant de remiser ou de transporter la machine.
Fermez le robinet d'arrivée de carburant pour transporter, réviser ou remiser la machine (Figure 41).
Vérifiez que le robinet d'arrivée de carburant est ouvert avant de démarrer le moteur.


Vous pouvez vous coincer les mains dans les composants d'entraînement en rotation situés sous le plancher moteur, et subir des blessures graves.
Coupez le moteur, enlevez la clé et attendez l'arrêt complet de toutes les pièces mobiles avant d'accéder aux vannes de déblocage des roues motrices.
Le moteur et les unités motrices hydrauliques peuvent devenir très chauds. Vous pouvez vous brûler gravement au contact du moteur ou des unités motrices hydrauliques chauds.
Attendez que le moteur et les unités motrices hydrauliques soient complètement froids avant d'accéder aux vannes de déblocage des roues motrices.
Les vannes de déblocage des roues motrices sont situées à gauche et à droite sous le plancher moteur.
Garez la machine sur une surface plane et horizontale, désengagez la commande des lames et serrez le frein de stationnement.
Avant de quitter la position d'utilisation, coupez le moteur, enlevez la clé et attendez l'arrêt complet de toutes les pièces mobiles.
Pour pousser la machine, déplacez les deux leviers de dérivation en avant et bloquez-les en place (Figure 42).
Desserrez le frein de stationnement avant de pousser la machine.
Pour utiliser la machine, déplacez les leviers de dérivation en arrière et bloquez-les en place (Figure 42).

Les vannes de déblocage des roues motrices sont situées à gauche et à droite sous le plancher moteur.
Garez la machine sur une surface plane et horizontale, désengagez la commande des lames et serrez le frein de stationnement.
Avant de quitter la position d'utilisation, coupez le moteur, enlevez la clé et attendez l'arrêt complet de toutes les pièces mobiles.
Avec un tournevis à lame plate, tournez les deux cames à la position de dérivation (BYPASS) (Figure 43).
Desserrez le frein de stationnement avant de pousser la machine.
Pour utiliser la machine, tournez les deux cames de dérivation à la position de marche (RUN) (Figure 43).

La machine peut tracter des remorques et des outils. Contactez votre dépositaire Toro agréé pour connaître les attelages disponibles.
Votre machine peut tracter des remorques ayant un poids brut maximum de 113 kg (250 lb).
Le poids à la flèche d'attelage de la machine ne doit pas dépasser 22 kg (49 lb).
Lorsque vous transportez une charge ou tractez une remorque, ne surchargez pas la machine ou la remorque. Cela pourrait diminuer les performances de la machine ou endommager les unités motrices hydrauliques, les pneus et le cadre.
Garez la machine sur une surface plane et horizontale, placez la commande des lames (PDF) en position désengagée et serrez le frein de stationnement.
Avant de quitter la position d'utilisation, coupez le moteur, enlevez la clé et attendez l'arrêt complet de toutes les pièces mobiles.
Insérez le support de la boule d'attelage dans le récepteur situé à l'arrière de la machine.
Insérez la goupille d'attelage dans le trou du récepteur et du support de la boule d'attelage.
Fixez l'attelage en place avec la goupille fendue.

Transportez la machine sur une remorque de poids-lourd ou un camion. Utilisez une rampe d'une seule pièce. Le camion ou la remorque doit être équipé(e) des freins, des éclairages et de la signalisation exigés par la loi. Lisez attentivement toutes les consignes de sécurité. Tenez-en compte pour éviter de vous blesser ou de blesser des personnes à proximité. Reportez-vous aux ordonnances locales concernant les exigences d'arrimage et de remorquage.
Il est dangereux de conduire sur la voie publique sans clignotants, éclairages, réflecteurs ou panneau « véhicule lent »; vous risquez de provoquer un accident et de vous blesser.
Ne conduisez pas la machine sur la voie publique.
Le chargement de la machine sur une remorque ou un camion augmente le risque de basculement, et donc de blessures graves ou mortelles (Figure 45).
Utilisez uniquement une rampe pleine largeur; n'utilisez pas de rampes séparées de chaque côté de la machine.
L'angle entre la rampe et le sol, ou entre la rampe et la remorque ou le camion, ne doit pas dépasser 15 degrés.
La rampe doit être au moins quatre fois plus longue que la hauteur de la remorque ou du plateau de chargement par rapport au sol. De la sorte, l'angle de la rampe ne dépassera pas 15 degrés sur un sol plat.

Le chargement de la machine sur une remorque ou un camion augmente le risque de basculement et donc de blessures graves ou mortelles.
Procédez avec la plus grande prudence lorsque vous manœuvrez la machine sur une rampe.
Montez la rampe en marche arrière et descendez-la en marche avant.
Évitez d'accélérer ou de décélérer brutalement lorsque vous conduisez la machine sur une rampe car vous pourriez en perdre le contrôle ou la faire basculer.
Si vous utilisez une remorque, attelez-la au véhicule tracteur et attachez les chaînes de sécurité.
Le cas échéant, raccordez les freins et connectez l'éclairage de la remorque.
Abaissez la rampe pour que l'angle avec le sol ne dépasse pas 15 degrés (Figure 45).
Montez la rampe en marche arrière (Figure 46).

Coupez le moteur, enlevez la clé et serrez le frein de stationnement.
Arrimez la machine près des roues pivotantes avant et du cadre arrière à l'aide de sangles, chaînes, câbles ou cordes (Figure 47). Reportez-vous à la réglementation locale concernant les exigences en matière d'arrimage.

Si vous laissez la clé dans le commutateur d'allumage, quelqu'un pourrait mettre le moteur en marche accidentellement et vous blesser gravement, ainsi que toute personne à proximité. Avant tout entretien, retirez la clé du commutateur d'allumage.
Avant de quitter la position d'utilisation, effectuez la procédure suivante :
Garez la machine sur une surface plane et horizontale.
Débrayez les entraînements.
Serrez le frein de stationnement.
Coupez le moteur et enlevez la clé.
Laissez refroidir les composants de la machine avant d'effectuer un entretien.
Ne confiez pas l'entretien de la machine à des personnes non qualifiées.
N'approchez jamais les mains ou les pieds des pièces mobiles ou des surfaces chaudes. Dans la mesure du possible, évitez d'effectuer des réglages sur la machine quand le moteur est en marche.
Libérez la pression emmagasinée dans les composants avec précaution.
Vérifiez souvent le fonctionnement du frein de stationnement. Effectuez les réglages et l'entretien éventuellement requis.
N'enlevez et ne modifiez jamais les dispositifs de sécurité. Vérifiez régulièrement qu'ils fonctionnent correctement.
Pour éviter les risques d'incendie, enlevez les débris d'herbe et autres agglomérés sur l'unité de coupe, le silencieux, les entraînements, le bac à herbe et le compartiment moteur.
Nettoyez les coulées éventuelles d'huile ou de carburant et éliminez les débris imbibés de carburant.
Ne vous fiez pas uniquement à des crics hydrauliques ou mécaniques pour soutenir la machine; soutenez-la avec des chandelles quand vous la soulevez.
Maintenez toutes les pièces en bon état de marche et toutes les fixations bien serrées, surtout la visserie de fixation des lames. Remplacez tous les autocollants usés ou endommagés.
Débranchez le câble de la borne négative de la batterie avant de réparer la machine.
Pour garantir un rendement optimal, utilisez uniquement des pièces de rechange et accessoires Toro d'origine. Les pièces de rechange et accessoires d'autres constructeurs peuvent être dangereux et leur utilisation risque d'annuler la garantie de la machine.
| Périodicité d'entretien | Procédure d'entretien |
|---|---|
| Après les 8 premières heures de fonctionnement |
|
| Après les 100 premières heures de fonctionnement |
|
| À chaque utilisation ou une fois par jour |
|
| Après chaque utilisation |
|
| Toutes les 50 heures |
|
| Toutes les 100 heures |
|
| Toutes les 150 heures |
|
| Toutes les 200 heures |
|
| Toutes les 250 heures |
|
| Toutes les 300 heures |
|
| Toutes les 400 heures ou tous les ans, la première échéance prévalant |
|
| Toutes les 500 heures |
|
| Toutes les 600 heures |
|
| Chaque mois |
|
| Une fois par an |
|
| Une fois par an ou avant le remisage |
|
Important: Reportez-vous au manuel du propriétaire du moteur pour toutes procédures d'entretien supplémentaires.
Si vous laissez la clé dans le commutateur d'allumage, quelqu'un pourrait mettre le moteur en marche accidentellement et vous blesser gravement, ainsi que toute personne à proximité.
Coupez le moteur et enlevez la clé du commutateur d'allumage avant d'effectuer un entretien.
Graissez la machine plus fréquemment si vous travaillez dans une atmosphère sale ou poussiéreuse.
Type de graisse : graisse nº 2 au lithium ou au molybdène.
Garez la machine sur une surface plane et horizontale, désengagez la commande des lames et serrez le frein de stationnement.
Avant de quitter la position d'utilisation, coupez le moteur, enlevez la clé et attendez l'arrêt complet de toutes les pièces mobiles.
Nettoyez les graisseurs avec un chiffon.
Note: Grattez la peinture qui pourrait se trouver sur l'avant des graisseurs.
Raccordez un pistolet de graissage au graisseur.
Injectez de la graisse dans les graisseurs jusqu'à ce qu'elle commence à sortir des roulements.
Essuyez tout excès de graisse.
| Périodicité d'entretien | Procédure d'entretien |
|---|---|
| Toutes les 100 heures |
|
Graissez les pivots de levage du tablier avec une huile légère ou lubrifiant en aérosol.

| Périodicité d'entretien | Procédure d'entretien |
|---|---|
| Une fois par an |
|
Garez la machine sur une surface plane et horizontale, désengagez la commande des lames et serrez le frein de stationnement.
Avant de quitter la position d'utilisation, coupez le moteur, enlevez la clé et attendez l'arrêt complet de toutes les pièces mobiles.
Déposez le couvre-moyeu et réglez les pivots des roues pivotantes. Ne reposez pas le couvre-moyeu avant d'avoir terminé le graissage; voir Graissage de la machine.
Retirez le bouchon hexagonal.
Vissez un graisseur dans l'orifice.
Injectez de la graisse dans le graisseur jusqu'à ce qu'elle ressorte autour du roulement supérieur.
Sortez le graisseur de l'orifice. Remettez le bouchon hexagonal et le couvre-moyeu en place.
| Périodicité d'entretien | Procédure d'entretien |
|---|---|
| Une fois par an |
|
Garez la machine sur une surface plane et horizontale, désengagez la commande des lames et serrez le frein de stationnement.
Avant de quitter la position d'utilisation, coupez le moteur, enlevez la clé et attendez l'arrêt complet de toutes les pièces mobiles.
Levez le tablier de coupe pour permettre l'accès.
Déposez la roue pivotante de la fourche.
Déposez les protège-joints du moyeu de roue.

Déposez un des écrous d'écartement de l'arbre de la roue pivotante.
Note: Du frein-filet a été appliqué pour bloquer les écrous d'écartement sur l'arbre de roue.
Déposez l'arbre de la roue (en laissant l'autre écrou d'écartement en place).
Faites levier pour déposer les joints, et vérifiez l'état et l'usure des roulements; remplacez-les au besoin.
Garnissez les roulements de graisse universelle.
Insérez 1 roulement, assorti d'un joint neuf, dans la roue.
Si les deux écrous d'écartement sont absents de l'arbre de roue, appliquez du frein-filet sur l'un d'entre eux et vissez-le sur l'arbre de roue, méplats tournés vers l'extérieur.
Note: Ne vissez pas complètement l'écrou d'écartement au bout de l'arbre de roue. Laissez environ 3 mm (⅛ po) entre la surface extérieure de l'écrou d'écartement et l'extrémité de l'arbre de roue dans l'écrou.
Insérez l'ensemble écrou et arbre de roue dans la roue, du côté roulement et joint neuf.
L'extrémité ouverte de la roue étant tournée vers le haut, garnissez de graisse universelle la zone à l'intérieur de la roue autour de l'arbre.
Insérez le second roulement, assorti d'un joint neuf, dans la roue.
Appliquez du frein-filet sur le filetage du second écrou d'écartement et vissez-le sur l'arbre de roue, les méplats tournés vers l'extérieur.
Serrez l'écrou à un couple de 8 à 9 N·m (75 à 80 po-lb), desserrez-le puis resserrez-le à un couple de 2 à 3 N·m (20 à 25 po-lb).
Note: Attention à ne pas faire dépasser l'arbre de roue de l'écrou.
Posez les protège-joints sur le moyeu, puis insérez la roue dans la fourche pivotante.
Montez le boulon et serrez l'écrou à fond.
Important: Pour éviter les dommages au joint et au roulement, vérifiez souvent le réglage du roulement. Faites tourner la roue pivotante. Elle ne doit pas tourner librement (plus de 1 ou 2 tours) ni présenter de jeu latéral. Si la roue tourne librement, ajustez l'écrou d'écartement jusqu'à ce que vous sentiez une légère résistance. Appliquez une autre couche de frein-filet.
Gardez les mains, les pieds, le visage et toute autre partie du corps, ainsi que les vêtements à l'écart du silencieux et autres surfaces brûlantes. Laissez refroidir les composants du moteur avant d'effectuer tout entretien.
Ne modifiez pas le réglage du régulateur et ne faites pas tourner le moteur à un régime excessif.
Reportez-vous au schéma suivant pour identifier le moteur de votre machine, puis passez à la section correspondante indiquée pour effectuer l'entretien (Figure 50).

Pour l'entretien du moteur Kawasaki, voir Entretien d'un moteur Kawasaki®.
Pour l'entretien du moteur Kohler, voir Entretien d'un moteur Kohler®.
| Périodicité d'entretien | Procédure d'entretien |
|---|---|
| Toutes les 300 heures |
|
Cette section ne concerne que les machines équipées d'un moteur Kawasaki. Si le moteur de votre machine ressemble à celui représenté à la Figure 51, il s'agit d'un moteur Kawasaki.
Important: Reportez-vous au manuel du propriétaire du moteur pour toutes procédures d'entretien supplémentaires.

| Périodicité d'entretien | Procédure d'entretien |
|---|---|
| Toutes les 250 heures |
|
| Toutes les 500 heures |
|
Note: Nettoyez le filtre à air plus fréquemment si vous travaillez dans des conditions très poussiéreuses ou sableuses.
Garez la machine sur une surface plane et horizontale, placez la commande des lames (PDF) en position désengagée et serrez le frein de stationnement.
Avant de quitter la position d'utilisation, coupez le moteur, enlevez la clé et attendez l'arrêt complet de toutes les pièces mobiles.
Ouvrez les dispositifs de verrouillage du filtre à air et détachez le couvercle du boîtier du filtre (Figure 52).

Nettoyez l'intérieur du couvercle du filtre à l'air comprimé.
Sortez le préfiltre du boîtier du filtre avec précaution (Figure 52).
Note: Évitez de cogner l'élément à l'intérieur du boîtier.
Ne déposez l'élément de sécurité que si vous devez le remplacer.
Examinez l'élément de sécurité. S'il est encrassé, remplacez à la fois l'élément de sécurité et le préfiltre.
Important: N'essayez pas de nettoyer l'élément de sécurité. Si l'élément de sécurité est encrassé, cela signifie que le préfiltre est endommagé.
Vérifiez l'état du préfiltre en le plaçant devant une lumière forte. Remplacez le préfiltre s'il est encrassé, plié ou endommagé.
Note: Les trous éventuels apparaîtront sous forme de points brillants. Ne nettoyez pas le préfiltre.
Important: Pour ne pas endommager le moteur, ne le faites jamais tourner sans que les deux éléments et le couvercle du filtre à air soient en place.
Si vous montez des éléments filtrants neufs, vérifiez qu'ils n'ont pas souffert pendant le transport.
Note: N'utilisez pas les éléments s'ils sont endommagés.
Si vous remplacez l'élément intérieur, insérez-le avec précaution dans le boîtier du filtre (Figure 52).
Placez ensuite le préfiltre sur l'élément de sécurité avec le même soin (Figure 52).
Note: Vérifiez que le préfiltre est bien engagé en position en appuyant sur son bord extérieur lors de la pose.
Important: N'appuyez pas sur la partie intérieure souple du filtre.
Remettez en place et verrouillez le couvercle du filtre à air (Figure 52).
| Périodicité d'entretien | Procédure d'entretien |
|---|---|
| Après les 8 premières heures de fonctionnement |
|
| À chaque utilisation ou une fois par jour |
|
| Toutes les 100 heures |
|
| Toutes les 200 heures |
|
Type d'huile : huile détergente (classe de service API SF, SG, SH, SJ ou SL)
Capacité du carter :
Moteurs Kawasaki FX751 et FX801 – 2,3 L (78 oz liq.) avec filtre neuf; 2,1 L (71 oz liq.) avec filtre existant
Moteurs Kawasaki FX921 et FX1000 – 1,9 L (64 oz liq.) avec filtre neuf; 1,7 L (57 oz liq.) avec filtre existant
Viscosité : Voir le tableau ci-dessous.

Note: Bien que l'huile moteur 10W-40 soit celle préconisée dans la plupart des cas, il faut parfois changer de viscosité en réponse aux conditions atmosphériques. L'utilisation d'une huile moteur 20W-50 à des températures ambiantes plus élevées peut réduire la consommation d'huile.
Note: Contrôlez le niveau d'huile quand le moteur est froid.
Important: Vous risquez d'endommager le moteur si vous le faites tourner alors que le carter et trop ou pas assez rempli d'huile.
Garez la machine sur une surface plane et horizontale, placez la commande des lames (PDF) en position désengagée et serrez le frein de stationnement.
Avant de quitter la position d'utilisation, coupez le moteur, enlevez la clé et attendez l'arrêt complet de toutes les pièces mobiles.
Note: Laissez refroidir le moteur pour donner le temps à l'huile de s'écouler dans le carter.
Pour éviter de faire tomber de l'herbe, de la poussière, etc., dans le moteur, nettoyez la surface autour du bouchon de remplissage-jauge d'huile, avant de l'enlever (Figure 54).


Note: Débarrassez-vous de l'huile usagée dans un centre de recyclage.
Démarrez le moteur et laissez-le tourner pendant 5 minutes.
Note: Cela permet de réchauffer l'huile, qui s'écoule alors plus facilement.
Garez la machine en plaçant le côté de la vidange légèrement plus bas que l'autre côté, pour permettre à toute l'huile de s'écouler.
Désengagez la commande des lames (PDF) et serrez le frein de stationnement.
Avant de quitter la position d'utilisation, coupez le moteur, enlevez la clé et attendez l'arrêt complet de toutes les pièces mobiles.
Vidangez l'huile moteur (Figure 55).


Versez lentement environ 80 % de l'huile spécifiée dans le tube de remplissage, puis faites l'appoint lentement jusqu'à ce que le niveau atteigne le repère maximum (Full) (Figure 56).

Démarrez le moteur et conduisez la machine jusqu'à une surface plane et horizontale.
Contrôlez à nouveau le niveau d'huile.
Vidangez l'huile moteur; voir Vidange de l'huile moteur.
Remplacez le filtre à huile moteur (Figure 57).


Note: Assurez-vous que le joint du filtre à huile touche le moteur puis vissez-le encore de trois quarts de tour.
Remplissez le carter moteur d'une huile neuve du type voulu; voir Vidange de l'huile moteur.
| Périodicité d'entretien | Procédure d'entretien |
|---|---|
| Toutes les 100 heures |
|
Avant de monter une bougie, vérifiez si l'écartement entre l'électrode centrale et l'électrode latérale est correct. Utilisez une clé à bougies pour déposer et reposer les bougies, et une jauge d'épaisseur pour contrôler et régler l'écartement des électrodes. Remplacez la bougie au besoin.
Type de bougie :
Moteurs Kawasaki FX751 et FX801 – NGK® BPR4ES ou type équivalent
Moteurs Kawasaki FX921 et FX1000 – NGK® BPR5ES ou type équivalent
Écartement des électrodes : 0,76 mm (0,030 po)
Garez la machine sur une surface plane et horizontale, placez la commande des lames (PDF) en position désengagée et serrez le frein de stationnement.
Avant de quitter la position d'utilisation, coupez le moteur, enlevez la clé et attendez l'arrêt complet de toutes les pièces mobiles.
Nettoyez la surface autour de la base de la bougie pour empêcher la poussière et les débris de pénétrer dans le moteur.
Localisez et retirez la ou les bougies comme montré à la Figure 58.


Important: Ne nettoyez pas la ou les bougies. Remplacez toujours les bougies si elles sont recouvertes d'un dépôt noir ou d'une couche grasse, si elles sont fissurées ou si les électrodes sont usées.
Si l'isolateur est recouvert d'un léger dépôt gris ou brun, le moteur fonctionne correctement. S'il est recouvert d'un dépôt noir, cela signifie généralement que le filtre à air est encrassé.
Réglez l'écartement des électrodes à 0,75 mm (0,03 po).


Cette section ne concerne que les machines équipées d'un moteur Kohler. Si le moteur de votre machine ressemble à celui représenté à la Figure 61, il s'agit d'un moteur Kohler.
Important: Reportez-vous au manuel du propriétaire du moteur pour toutes procédures d'entretien supplémentaires.

| Périodicité d'entretien | Procédure d'entretien |
|---|---|
| Toutes les 150 heures |
|
| Toutes les 300 heures |
|
| Toutes les 600 heures |
|
Garez la machine sur une surface plane et horizontale, placez la commande des lames (PDF) en position désengagée et serrez le frein de stationnement.
Avant de quitter la position d'utilisation, coupez le moteur, enlevez la clé et attendez l'arrêt complet de toutes les pièces mobiles.
Ouvrez les dispositifs de verrouillage du filtre à air et séparez le couvercle d'entrée d'air du boîtier du filtre (Figure 62).
Nettoyez le couvercle et la grille d'entrée d'air.
Reposez le couvercle d'entrée d'air et fixez-le avec les verrous (Figure 62).

Ouvrez les dispositifs de verrouillage du filtre à air et détachez le couvercle du boîtier du filtre (Figure 63).
Nettoyez l'intérieur du couvercle du filtre à l'air comprimé.
Sortez le préfiltre du boîtier du filtre avec précaution (Figure 63).
Note: Évitez de cogner l'élément à l'intérieur du boîtier.
Ne déposez l'élément intérieur que si vous avez l'intention de le remplacer.
Important: N'essayez jamais de nettoyer l'élément intérieur. Si l'élément de sécurité est encrassé, cela signifie que le préfiltre est endommagé. Remplacez alors les deux éléments.

Vérifiez l'état du préfiltre en le plaçant devant une lumière forte.
Note: Les trous éventuels apparaîtront sous forme de points brillants. Mettez l'élément au rebut s'il est endommagé.
Examinez l'élément intérieur. S'il est encrassé, remplacez à la fois l'élément intérieur et le préfiltre.
Important: N'essayez pas de nettoyer l'élément intérieur. Si l'élément intérieur est encrassé, cela signifie que l'élément principal est endommagé.
Vérifiez l'état du préfiltre en le plaçant devant une lumière forte. Remplacez le préfiltre s'il est encrassé, plié ou endommagé.
Note: Les trous éventuels apparaîtront sous forme de points brillants. Ne nettoyez pas le préfiltre.
Important: Pour ne pas endommager le moteur, ne le faites jamais tourner sans que les deux éléments et le couvercle du filtre à air soient en place.
Si vous montez des éléments filtrants neufs, vérifiez qu'ils n'ont pas souffert pendant le transport.
Note: N'utilisez pas les éléments s'ils sont endommagés.
Si vous remplacez l'élément de sécurité, glissez-le avec précaution dans le boîtier du filtre (Figure 63).
Placez ensuite le préfiltre sur l'élément de sécurité avec le même soin (Figure 63).
Note: Vérifiez que le préfiltre est bien engagé en position en appuyant sur son bord extérieur lors de la pose.
Important: N'appuyez pas sur la partie intérieure souple du filtre.
Remettez en place et verrouillez le couvercle du filtre à air (Figure 63).
| Périodicité d'entretien | Procédure d'entretien |
|---|---|
| À chaque utilisation ou une fois par jour |
|
| Toutes les 100 heures |
|
| Toutes les 200 heures |
|
Type d'huile : huile détergente (classe de service API SJ ou mieux)
Capacité du carter : 1,9 L (64 oz liq.) avec filtre neuf; 1,6 L (54 oz liq.) avec filtre existant
Viscosité : Voir le tableau ci-dessous.

Note: Contrôlez le niveau d'huile quand le moteur est froid.
Important: Vous risquez d'endommager le moteur si vous le faites tourner alors que le carter et trop ou pas assez rempli d'huile.
Garez la machine sur une surface plane et horizontale, placez la commande des lames (PDF) en position désengagée et serrez le frein de stationnement.
Avant de quitter la position d'utilisation, coupez le moteur, enlevez la clé et attendez l'arrêt complet de toutes les pièces mobiles.
Note: Laissez refroidir le moteur pour donner le temps à l'huile de s'écouler dans le carter.
Pour éviter de faire tomber de l'herbe, de la poussière, etc., dans le moteur, nettoyez la surface autour du bouchon de remplissage-jauge d'huile, avant de l'enlever (Figure 65).


Note: Débarrassez-vous de l'huile usagée dans un centre de recyclage.
Démarrez le moteur et laissez-le tourner pendant 5 minutes.
Note: Cela permet de réchauffer l'huile, qui s'écoule alors plus facilement.
Garez la machine en plaçant le côté de la vidange légèrement plus bas que l'autre côté, pour permettre à toute l'huile de s'écouler.
Désengagez la commande des lames (PDF) et serrez le frein de stationnement.
Avant de quitter la position d'utilisation, coupez le moteur, enlevez la clé et attendez l'arrêt complet de toutes les pièces mobiles.
Vidangez l'huile moteur (Figure 66).


Versez lentement environ 80 % de l'huile spécifiée dans le tube de remplissage, puis faites l'appoint lentement jusqu'à ce que le niveau atteigne le repère maximum (Full) (Figure 67).

Démarrez le moteur et conduisez la machine jusqu'à une surface plane et horizontale.
Contrôlez à nouveau le niveau d'huile.
Vidangez l'huile moteur; voir Vidange de l'huile moteur.
Remplacez le filtre à huile moteur (Figure 68).


Note: Assurez-vous que le joint du filtre à huile touche le moteur puis vissez-le encore de trois quarts de tour.
Remplissez le carter moteur d'une huile neuve du type voulu; voir Spécifications de l’huile moteur.
| Périodicité d'entretien | Procédure d'entretien |
|---|---|
| Toutes les 200 heures |
|
| Toutes les 500 heures |
|
Type : Champion XC12YC
Écartement des électrodes : 0,76 mm (0,030 po)
Garez la machine sur une surface plane et horizontale, placez la commande des lames (PDF) en position désengagée et serrez le frein de stationnement.
Avant de quitter la position d'utilisation, coupez le moteur, enlevez la clé et attendez l'arrêt complet de toutes les pièces mobiles.
Nettoyez la surface autour de la base de la ou des bougies pour empêcher la poussière et les débris de pénétrer dans le moteur.
Localisez et retirez la ou les bougies comme montré à la Figure 69.


Important: Ne nettoyez pas la ou les bougies. Remplacez toujours les bougies si elles sont recouvertes d'un dépôt noir ou d'une couche grasse, si elles sont fissurées ou si les électrodes sont usées.
Si l'isolateur est recouvert d'un léger dépôt gris ou brun, le moteur fonctionne correctement. S'il est recouvert d'un dépôt noir, cela signifie généralement que le filtre à air est encrassé.
Réglez l'écartement des électrodes à 0,76 mm (0,03 po).


| Périodicité d'entretien | Procédure d'entretien |
|---|---|
| À chaque utilisation ou une fois par jour |
|
Avant chaque utilisation, enlevez l'herbe, les saletés et autres débris éventuellement accumulés sur la grille du moteur, l'échappement, le refroidisseur d'huile et la zone autour du moteur. Cela permet d'assurer un refroidissement et un régime moteur corrects, et réduit les risques de surchauffe et de dommages mécaniques au moteur.
| Périodicité d'entretien | Procédure d'entretien |
|---|---|
| Toutes les 50 heures |
|
Les composants chauds du système d'échappement peuvent enflammer les vapeurs de carburant, même après l'arrêt du moteur. Les particules chaudes rejetées quand le moteur est en marche peuvent enflammer les matières inflammables, et causer des dommages corporels ou matériels.
Ne faites pas le plein de carburant et ne faites pas tourner le moteur si le pare-étincelles n'est pas en place.
Garez la machine sur une surface plane et horizontale, désengagez la PDF et serrez le frein de stationnement.
Avant de quitter la position d'utilisation, coupez le moteur, enlevez la clé et attendez l'arrêt complet de toutes les pièces mobiles.
Attendez que le silencieux soit froid.
Si vous constatez des fissures de la grille ou des soudures, remplacez le pare-étincelles.
Si la grille est colmatée, déposez le pare-étincelles et agitez-le pour détacher les particules, puis nettoyez la grille avec une brosse métallique (faites tremper la grille dans du solvant au besoin).
Reposez le pare-étincelles sur la sortie d'échappement.
Dans certaines circonstances, le carburant est extrêmement inflammable et hautement explosif. Un incendie ou une explosion causé(e) par du carburant peut vous brûler, ainsi que toute personne à proximité, et causer des dommages matériels.
Vous trouverez une liste complète des consignes de sécurité liées au carburant sous Consignes de sécurité pour le carburant.
| Périodicité d'entretien | Procédure d'entretien |
|---|---|
| Toutes les 500 heures |
|
Important: Rebranchez les flexibles de carburant et fixez-les aux emplacements d'origine avec les attaches en plastique pour les maintenir à l'écart des composants susceptibles de les endommager.
Ne remontez jamais un filtre encrassé après l'avoir enlevé de la conduite de carburant.
Le filtre à carburant est situé près du moteur, sur le côté avant gauche.
Garez la machine sur une surface plane et horizontale, placez la commande des lames (PDF) en position désengagée et serrez le frein de stationnement.
Avant de quitter la position d'utilisation, coupez le moteur, enlevez la clé et attendez l'arrêt complet de toutes les pièces mobiles.
Laissez refroidir la machine.
Remplacez le filtre à carburant (Figure 72).
Note: Vérifiez que la flèche indiquant le sens d'écoulement est dirigée vers le moteur.

N'essayez pas de vidanger le réservoir de carburant. Demandez à un dépositaire-réparateur agréé de vidanger le réservoir de carburant et d'effectuer l'entretien de tous les composants associés au circuit d'alimentation.
Débranchez le câble de la borne négative de la batterie avant de réparer la machine.
Chargez la batterie dans un endroit dégagé et bien aéré, à l'écart des flammes ou sources d'étincelles. Débranchez le chargeur avant de brancher ou de débrancher la batterie. Portez des vêtements de protection et utilisez des outils isolés.
| Périodicité d'entretien | Procédure d'entretien |
|---|---|
| Chaque mois |
|
Les bornes de la batterie ou les outils en métal peuvent causer des courts-circuits au contact des pièces métalliques de la machine et produire des étincelles. Les étincelles peuvent provoquer l'explosion des gaz de la batterie et vous blesser.
Lors du retrait ou de la mise en place de la batterie, évitez que les bornes touchent les parties métalliques de la machine.
Évitez de créer des courts-circuits entre les bornes de la batterie et les parties métalliques de la machine avec des outils en métal.
Si les câbles de la batterie ne sont pas débranchés correctement, la machine et les câbles peuvent être endommagés et produire des étincelles. Les étincelles peuvent provoquer l'explosion des gaz de la batterie et vous blesser.
Débranchez toujours le câble négatif (noir) de la batterie avant le câble positif (rouge).
Connectez toujours le câble positif (rouge) de la batterie avant le câble négatif (noir).
Garez la machine sur une surface plane et horizontale, placez la commande des lames (PDF) en position désengagée et serrez le frein de stationnement.
Avant de quitter la position d'utilisation, coupez le moteur, enlevez la clé et attendez l'arrêt complet de toutes les pièces mobiles.
Retirez la batterie, comme montré à la Figure 73.


La batterie en charge produit des gaz susceptibles d'exploser.
Ne fumez jamais et gardez la batterie éloignée des flammes et sources d'étincelles.
Important: Gardez toujours la batterie chargée au maximum (densité 1,265). Cela est particulièrement important pour prévenir la dégradation de la batterie si la température tombe en dessous de 0 °C (32 °F).
Déposez la batterie du châssis; voir Retrait de la batterie.
Chargez la batterie pendant 10 à 15 minutes entre 25 et 30 A, ou pendant 30 minutes à 10 A.
Note: Ne chargez pas la batterie excessivement.
Quand la batterie est chargée au maximum, débranchez le chargeur de la prise, puis débranchez les fils du chargeur des bornes de la batterie (Figure 74).
Placez la batterie dans la machine et raccordez les câbles de la batterie; voir Mise en place de la batterie.
Note: N'utilisez pas la machine si la batterie est débranchée, au risque d'endommager le système électrique.

Placez la batterie dans son support en tournant les bornes à l'opposé du réservoir hydraulique (Figure 73).
Branchez le câble positif (rouge) de la batterie à la borne positive (+).
Branchez le câble négatif (noir) et le câble de masse à la borne négative (-) de la batterie.
Note: Pour les tondeuses MyRide, assurez-vous que le câble de masse ne frotte pas contre le bras tiré ou le support inférieur de l'amortisseur (Figure 76).

Fixez les câbles avec 2 boulons, 2 rondelles et 2 contre-écrous (Figure 73).
Placez le capuchon rouge sur la borne positive (+) de la batterie.
Fixez la batterie en place à l'aide de la sangle en caoutchouc (Figure 73).
Le système électrique est protégé par des fusibles. Il ne nécessite donc aucun entretien. Toutefois, si un fusible grille, vérifiez l'état de la pièce ou du circuit et assurez-vous qu'il n'y a pas de court-circuit.
Les fusibles sont situés sur la console droite, près du siège (Figure 76).
Pour remplacer un fusible, tirez dessus pour l'enlever.
Remplacez le fusible (Figure 76).

| Périodicité d'entretien | Procédure d'entretien |
|---|---|
| À chaque utilisation ou une fois par jour |
|
Vérifiez que la ceinture de sécurité n'est pas usée ni entaillée, et que l'enrouleur et la boucle fonctionnent correctement. Remplacez la ceinture de sécurité si elle est endommagée.
Désengagez la commande de la lame (PDF).
Conduisez la machine jusqu'à une surface plane et dégagée, et amenez les leviers de commande de déplacement en position de BLOCAGE DU POINT MORT.
Placez la commande d'accélérateur à mi-course entre les positions BAS RéGIME et HAUT RéGIME.
Poussez les leviers de commande de déplacement en avant jusqu'à la butée dans la fente en T.
Vérifiez de quel côté la machine se déporte.
Si la machine se déporte à droite, insérez une clé hexagonale de 3/16 po dans le trou d'accès du panneau de protection avant gauche et tournez la vis de réglage de l'alignement dans le sens horaire ou antihoraire pour ajuster la course du levier (Figure 77).
Si la machine se déporte à gauche, insérez une clé hexagonale de 3/16 po dans le trou d'accès du panneau de protection avant droit et tournez la vis de réglage de l'alignement dans le sens horaire ou antihoraire pour ajuster la course du levier (Figure 77).
Conduisez la machine et vérifiez qu'elle roule en ligne droite quand les deux leviers de commande sont poussés à fond en avant.
Répétez la procédure de réglage jusqu'à ce que la direction soit correcte.

| Périodicité d'entretien | Procédure d'entretien |
|---|---|
| Toutes les 50 heures |
|
Les pneus des roues pivotantes et les pneus des roues arrière doivent être gonflés à 0,90 bar (13 psi). Les pneus mal gonflés peuvent compromettre la qualité et l'uniformité de la coupe. Contrôlez la pression lorsque les pneus sont froids pour obtenir un résultat plus précis.

Contrôlez et serrez les écrous de roue à un couple de 122 à 136 N·m (90 à 100 pi-lb).
| Périodicité d'entretien | Procédure d'entretien |
|---|---|
| Après les 100 premières heures de fonctionnement |
|
| Toutes les 500 heures |
|
Note: Vérifiez que le frein de stationnement est réglé correctement. Cette procédure doit être suivie après les 100 premières heures de fonctionnement ou chaque fois qu'un composant du frein est déposé ou remplacé.
Garez la machine sur une surface plane et horizontale.
Désengagez la commande des lames (PDF), amenez les leviers de commande de déplacement en position de BLOCAGE DU POINT MORT et serrez le frein de stationnement.
Avant de quitter la position d'utilisation, coupez le moteur de la machine, retirez la clé de contact et attendez l'arrêt complet de toutes les pièces mobiles.
Préparez la machine pour la pousser manuellement. Voir Utilisation des vannes de déblocage des roues motrices.
Soulevez l'arrière de la machine et soutenez-le avec des chandelles.
Ne vous fiez pas uniquement à des crics mécaniques ou hydrauliques pour soulever la machine aux fins d'entretien ou de révision, cela pourrait être dangereux. En effet, ils peuvent ne pas offrir un support suffisant ou peuvent lâcher et laisser retomber la machine, provoquant ainsi des blessures graves.
Ne vous fiez pas uniquement à des crics mécaniques ou hydrauliques comme soutien. Utilisez des chandelles adéquates ou un support équivalent.
Serrez et desserrez le frein de stationnement et vérifiez que le frein se serre et se desserre sur chaque roue.
Si un réglage est nécessaire, desserrez le frein de stationnement : Vérifiez l'usure de tous les composants de la timonerie du frein de stationnement. Remplacez tout composant usé (Figure 79) et répétez l'opération 6.

Contrôlez les deux longueurs de ressort comme montré à la Figure 80. Si un réglage est nécessaire, tournez l'écrou de maintien du ressort dans le sens horaire pour raccourcir le ressort, et dans le sens antihoraire pour l'allonger. Répétez l'opération 6.

Lorsque le réglage est terminé, retirez les chandelles ou le support équivalent utilisé, et abaissez la machine.
Placez la machine en position d'UTILISATION. Voir Utilisation des vannes de déblocage des roues motrices.
Vous risquez de vous blesser gravement si vous utilisez la machine alors que le panneau de plancher est déposé, ou si vous ne déposez pas complètement le panneau de plancher pour procéder à l’entretien des composants qui sont dessous.
N'utilisez pas la machine avec le panneau de plancher déposé. Déposez complètement le panneau de plancher avant d‘entreprendre tout entretien dessous.
Pour déposer le panneau de plancher, soulevez-le et dégagez-le des ouvertures dans le cadre.
Note: Modèles avec MyRIDE : soulevez le tapis de plancher pour accéder au panneau de plancher.

Pour poser le panneau de plancher, placez-le dans les ouvertures du cadre avant de l’abaisser en place.

| Périodicité d'entretien | Procédure d'entretien |
|---|---|
| Toutes les 50 heures |
|
Remplacez la courroie si elle est usée. La courroie peut montrer les signes d'usure suivants : grincement pendant la rotation, glissement des lames pendant la coupe, bords effilochés, traces de brûlures et fissures.
Garez la machine sur une surface plane et horizontale, placez la commande des lames (PDF) en position désengagée et serrez le frein de stationnement.
Avant de quitter la position d'utilisation, coupez le moteur, enlevez la clé et attendez l'arrêt complet de toutes les pièces mobiles.
Abaissez le tablier de coupe à la hauteur de coupe 76 mm (3 po).
Déposez les protège-courroies (Figure 83).

Insérez un rochet de ⅜ pouce dans le trou carré du bras de la poulie de tension pour détendre le ressort de la poulie de tension (Figure 84).
Retirez la courroie des poulies du tablier de coupe et de la poulie d'embrayage.
Enlevez le guide-courroie situé sur le bras de la poulie de tension rappelé par ressort (Figure 84).
Retirez la courroie existante.
Acheminez la courroie neuve autour des poulies du tablier de coupe et de la poulie d'embrayage, sous le moteur (Figure 84).

Montez le guide-courroie sur le bras de la poulie tension (Figure 84).
Insérez le rochet de ⅜ pouce dans le trou carré et installez le ressort de la poulie de tension (Figure 84).
Note: Vérifiez que les extrémités du ressort sont engagées dans les rainures d'ancrage.
Posez les protège-courroies (Figure 85).

Garez la machine sur une surface plane et horizontale, placez la commande des lames (PDF) en position désengagée et serrez le frein de stationnement.
Avant de quitter la position d'utilisation, coupez le moteur, enlevez la clé et attendez l'arrêt complet de toutes les pièces mobiles.
Déposez la courroie du tablier de coupe; voir Remplacement de la courroie du tablier de coupe.
Soulevez la machine sur des chandelles.
Insérez un rochet de ½ pouce ou une poignée articulée dans les trous carrés du bras de la poulie de tension pour détendre le ressort de la poulie de tension (Figure 86).
Retirez la courroie existante de la poulie de tension, des 2 poulies d'entraînement de pompe hydraulique et de la poulie du moteur (Figure 86).
Chaussez la courroie neuve sur la poulie de tension, la poulie du moteur et les 2 poulies de la pompe hydraulique (Figure 86).
Insérez le rochet de ½ pouce ou la poignée articulée dans les trous carrés et installez le ressort de la poulie de tension.
Note: Vérifiez que les extrémités du ressort sont engagées dans les rainures d'ancrage.
Reposez la courroie du tablier de coupe; voir Remplacement de la courroie du tablier de coupe.

Si les extrémités des leviers se rencontrent; voir Réglage de la tringlerie de commande de déplacement.
Vous pouvez ajuster la hauteur des leviers de commande de déplacement en fonction de votre taille.
Garez la machine sur une surface plane et horizontale, placez la commande des lames (PDF) en position désengagée et serrez le frein de stationnement.
Avant de quitter la position d'utilisation, coupez le moteur, enlevez la clé et attendez l'arrêt complet de toutes les pièces mobiles.
Retirez les fixations qui maintiennent le levier de commande sur l'arbre du bras de commande.

Placez le levier de commande dans les trous suivants. Fixez le levier avec les fixations.
Répétez la procédure pour le levier de commande opposé.
Garez la machine sur une surface plane et horizontale, placez la commande des lames (PDF) en position désengagée et serrez le frein de stationnement.
Avant de quitter la position d'utilisation, coupez le moteur, enlevez la clé et attendez l'arrêt complet de toutes les pièces mobiles.
Desserrez le boulon supérieur qui fixe le levier de commande à l'arbre du bras de commande.
Desserrez le boulon inférieur jusqu'à ce qu'il soit possible de faire pivoter le levier de commande en avant ou en arrière. Resserrez les deux boulons pour fixer la commande à sa nouvelle position.
Répétez la procédure pour le levier de commande opposé.

Les tringleries de commande de la pompe sont situées de chaque côté de la machine, sous le siège. Tournez l'écrou d'extrémité avec une clé à douille de ½ pouce pour effectuer des réglages extrêmement précis et empêcher ainsi la machine de bouger quand elle est au point mort. Les réglages doivent seulement être effectués pour le positionnement du point mort.
Le moteur et les roues motrices doivent tourner pour pouvoir effectuer les réglages. Les pièces mobiles et les surfaces brûlantes peuvent causer des blessures.
N'approchez pas les doigts, les mains ou les vêtements des pièces rotatives et des surfaces chaudes.
Garez la machine sur une surface plane et horizontale, placez la commande des lames (PDF) en position désengagée et serrez le frein de stationnement.
Avant de quitter la position d'utilisation, coupez le moteur, enlevez la clé et attendez l'arrêt complet de toutes les pièces mobiles.
Appuyez sur la pédale de levage du tablier de coupe, enlevez la goupille de hauteur de coupe et abaissez le tablier de coupe au sol.
Soulevez l'arrière de la machine juste assez pour permettre aux roues motrices de tourner librement et placez des chandelles (ou des supports équivalents) sous la machine.
Débranchez les connexions électriques du contacteur de sécurité du siège situé sous le coussin de l'assise du siège.
Note: Le contacteur est intégré au siège.
Branchez temporairement un fil volant aux bornes du connecteur du faisceau de câblage principal.
Démarrez le moteur, faites-le tourner à plein régime et desserrez le frein de stationnement.
Note: Avant de démarrer le moteur, veillez à serrer le frein de stationnement et à écarter les leviers de commande de déplacement vers l'extérieur. Il n'est pas nécessaire que vous soyez assis sur le siège.
Laissez tourner le moteur 5 minutes au moins avec les leviers de commande en position de vitesse maximale en marche avant pour amener l'huile hydraulique à la température de service.
Note: Les leviers de commande de déplacement doivent être au point mort quand vous effectuez les réglages.
Amenez les leviers de commande de déplacement en position POINT MORT
Les languettes de la plaque de commande doivent toucher les plaques de retour sur les machines hydrauliques.
Réglez la longueur des tiges de pompes en tournant l'écrou dans le sens voulu jusqu'à ce que les roues tournent légèrement en marche arrière (Figure 89 et Figure 90).


Amenez les leviers de commande de déplacement en position de MARCHE ARRIèRE et, tout en appuyant légèrement sur les leviers, laissez les ressorts d'indicateur de marche arrière ramener les leviers au point mort.
Note: Les roues doivent s'arrêter de tourner ou tourner légèrement en arrière.
Note: Vous devrez peut-être déposer le couvercle de la commande de déplacement pour y accéder.
Coupez le moteur.
Débranchez le fil volant du faisceau de câbles et branchez le connecteur au contacteur du siège.
Retirez les chandelles.
Levez le tablier de coupe et mettez la goupille de hauteur de coupe en place.
Assurez-vous que la machine ne se déplace pas au point mort quand le frein de stationnement est desserré.
Consultez immédiatement un médecin si du liquide est injecté sous la peau. Toute injection de liquide hydraulique sous la peau doit être éliminée dans les quelques heures qui suivent par une intervention chirurgicale réalisée par un médecin.
Vérifiez l'état de tous les flexibles et conduits hydrauliques, ainsi que le serrage de tous les raccords et branchements avant de mettre le système hydraulique sous pression.
N'approchez pas les mains ni aucune autre partie du corps des fuites en trou d'épingle ou des gicleurs d'où sort du liquide hydraulique sous haute pression.
Utilisez un morceau de papier ou de carton pour détecter les fuites.
Dépressurisez avec précaution le système hydraulique avant toute intervention sur le système.
Type de liquide hydraulique : Toro® HYPR-OIL™ 500 ou huile de boîte-pont Hydro-Gear de qualité industrielle
Important: Utilisez le liquide spécifié. Tout autre liquide risque d'endommager le système hydraulique.
Capacité du système hydraulique du système hydro ZT 4400 (sans les filtres) : 7,57 L (8 ptes US)
Capacité du système hydraulique du système hydro ZT 5400 (sans les filtres) : 9,46 L (10 ptes US)
| Périodicité d'entretien | Procédure d'entretien |
|---|---|
| À chaque utilisation ou une fois par jour |
|
Laissez refroidir le liquide hydraulique. Contrôlez le niveau d'huile à froid.
Vérifiez le niveau dans le vase d'expansion et faites l'appoint d'huile Toro® HYPR-OIL™ 500 au besoin pour faire monter le niveau jusqu'au repère maximum à froid (FULL COLD) (Figure 91).

| Périodicité d'entretien | Procédure d'entretien |
|---|---|
| Après les 100 premières heures de fonctionnement |
|
Vous devez déposer les filtres pour effectuer la vidange du liquide hydraulique. Remplacez les deux en même temps; voir Liquide hydraulique spécifié pour les spécifications du liquide.
Purgez l'air du système après avoir remplacé les filtres et fait l'appoint de liquide. Voir Purge du système hydraulique. Répétez la procédure de purge jusqu'à ce que le liquide reste au niveau MAXIMUM à FROID dans le vase d'expansion après la purge.
Important: Si cette procédure n'est pas effectuée correctement, la transmission à boîte-pont peut être irrémédiablement endommagée.
Cette procédure varie suivant le système d'entraînement du modèle. En cas de doute concernant le système d'entraînement utilisé sur le modèle, contactez votre dépositaire-réparateur agréé.
Garez la machine sur une surface plane et horizontale, placez la commande des lames (PDF) en position désengagée et serrez le frein de stationnement.
Avant de quitter la position d'utilisation, coupez le moteur, enlevez la clé et attendez l'arrêt complet de toutes les pièces mobiles.
Laissez refroidir le moteur.
Localisez le bouchon d'aération et enlevez-le comme suit :
Note: Ne perdez pas de vue le bouchon d'aération après l'avoir retiré, car il est facile de l'égarer.
Système hydro ZT 4400 : utilisez une rallonge et une douille de 7/16 pouce pour accéder au bouchon d'aération par le haut de la machine, en passant par les trous près des supports de l'arceau de sécurité (Figure 92).

Système hydro ZT 5400 : utilisez une clé de 7/16 pouce pour accéder au bouchon d'aération par le dessous de la machine (Figure 93).

Nettoyez soigneusement la surface autour du filtre.
Important: Veillez à ne pas faire tomber d'impuretés dans le système hydraulique pour éviter de le contaminer.
Placez un bac de vidange sous le filtre pour récupérer le liquide qui s'écoule quand vous retirez le filtre et les bouchons d'aération.
Déposez le couvercle du filtre à huile hydraulique de la boîte-pont pour vidanger le liquide (Figure 94).

Déposez le joint torique du couvercle du filtre et mettez-le au rebut.
Une fois la boîte-pont vidangée, déposez le filtre du carter de la boîte-pont.
Répétez cette procédure de l'autre côté de la machine.
Posez un filtre neuf dans la boîte-pont et posez un joint torique neuf sur le couvercle du filtre.
Reposez le couvercle du filtre.
Serrez le couvercle du filtre comme suit :
Système hydro 4400 : serrez à un couple de 22,6 à 33,8 N·m (200 à 300 po-lb).
Système hydro 5400 : serrez à un couple de 54,3 à 65,5 N·m (480 à 580 po-lb).
Retirez le bouchon du vase d'expansion et remplissez les boîtes-ponts avec le liquide spécifié jusqu'au niveau correct.
Note: Le remplissage des boîtes-ponts peut prendre plus longtemps que prévu.
Reposez les bouchons d'aération et serrez-les à un couple de 3,95 à 9,04 N·m (35 à 80 po-lb).
Passez à Purge du système hydraulique.
Important: La transmission à boîte-pont risque d'être irrémédiablement endommagée si vous n'effectuez pas la purge du système hydraulique après le remplacement des filtres et la vidange du liquide hydraulique.
Soulevez l'arrière de la machine juste assez pour permettre aux roues motrices de tourner librement et placez des chandelles (ou des supports équivalents) sous la machine.

Démarrez le moteur, déplacez la commande d'accélérateur à mi-course et desserrez le frein de stationnement.
Placez les leviers de dérivation à la position voulue pour pousser la machine. Les soupapes de dérivation étant ouvertes et le moteur en marche, actionnez lentement les leviers de commande de déplacement vers l'avant et l'arrière à 5 ou 6 reprises.
Placez les leviers de dérivation à la position voulue pour utiliser la machine.
La soupape de dérivation étant fermée et le moteur en marche, actionnez lentement les leviers de commande de déplacement en position marche avant et arrière à 5 ou 6 reprises.
Arrêtez le moteur et vérifiez le niveau de liquide dans le vase d'expansion. Faites l'appoint de liquide spécifié jusqu'à ce que le niveau atteigne le repère MAXIMUM à FROID (FULL COLD) sur le vase d'expansion.
Répétez l'opération 2 jusqu'à ce tout l'air soit purgé du système.
Note: La boîte-pont est purgée correctement lorsqu'elle fonctionne à un niveau sonore normal et en douceur en marche avant et arrière aux vitesses normales.
Vérifiez une dernière fois le niveau du liquide dans le vase d'expansion. Faites l'appoint de liquide spécifié jusqu'à ce que le niveau atteigne le repère MAXIMUM à FROID (FULL COLD) sur le vase d'expansion.
Vérifiez l'état et l'usure des lames périodiquement.
Examinez les lames avec prudence. Manipulez toujours les lames avec des gants ou en les enveloppant dans un chiffon, et toujours avec prudence. Limitez-vous à remplacer ou aiguiser les lames; n'essayez jamais de les redresser ou de les souder.
Attention, sur les machines à plusieurs lames, la rotation d'une lame peut entraîner le déplacement des autres lames.
Remplacez les boulons et les lames usés ou endommagés par paires pour ne pas modifier l'équilibre.
Pour un bon résultat, les lames doivent toujours être bien aiguisées. Il est utile de prévoir une ou plusieurs lames de réserve pour le remplacement et l'aiguisage.
Garez la machine sur une surface plane et horizontale, placez la commande des lames (PDF) en position désengagée et serrez le frein de stationnement.
Coupez le moteur, enlevez la clé et débranchez le fil de chaque bougie.
| Périodicité d'entretien | Procédure d'entretien |
|---|---|
| À chaque utilisation ou une fois par jour |
|
Examinez le tranchant des lames (Figure 96).
Si les lames sont émoussées ou présentent des indentations, déposez-les et aiguisez-les; voir Aiguisage des lames.
Inspectez les lames, et plus particulièrement l'ailette.
Remplacez immédiatement toute lame fendue, usée ou qui présente une entaille sur cette partie (Figure 96).

Note: Placez la machine sur une surface plane horizontale pour effectuer la procédure suivante.
Élevez le tablier de coupe à la position de hauteur de coupe la plus élevée.
Enfilez des gants épais ou utilisez une autre protection adéquate pour les mains, et faites tourner la lame lentement jusqu'à une position permettant de mesurer la distance entre le tranchant et la surface plane sur laquelle se trouve la machine (Figure 97).

Mesurez la distance entre la pointe de la lame et la surface plane (Figure 98).

Tournez la même lame de 180 degrés pour amener le tranchant opposé à la même position (Figure 99).

Mesurez la distance entre la pointe de la lame et la surface plane (Figure 100).
Note: La différence entre les deux mesures ne doit pas excéder 3 mm (⅛ po).

Si la différence entre A et B est supérieure à 3 mm (⅛ po), remplacez la lame par une neuve; voir Dépose des lames et Pose des lames.
Note: Si, après avoir remplacé une lame faussée par une neuve, la différence est toujours supérieure à 3 mm (⅛ po), l'axe de la lame est peut-être faussé. Contactez un dépositaire Toro agréé pour faire réviser la machine.
Si la différence reste dans les limites tolérées, passez à la lame suivante.
Répétez cette procédure pour chaque lame.
Remplacez les lames si elles heurtent un obstacle, ou si elles sont déséquilibrées ou faussées.
Placez une clé sur le méplat de l'axe de pivot ou retenez l'extrémité de la lame à l'aide d'un chiffon ou d'un gant épais.
Retirez le boulon, la douille et la lame de l'axe de pivot (Figure 101).

Au moyen d'une lime, aiguisez les tranchants aux deux extrémités de la lame (Figure 102).
Note: Veillez à conserver l'angle de coupe d'origine.
Note: Limez la même quantité de métal sur chacun des deux tranchants pour ne pas déséquilibrer la lame.

Vérifiez l'équilibre de la lame en la plaçant sur un équilibreur (Figure 103).
Note: Si la lame reste horizontale, elle est équilibrée et peut être utilisée.
Note: Si la lame est déséquilibrée, limez un peu l'extrémité de l'ailette seulement (Figure 102).

Répétez cette procédure jusqu'à ce que la lame soit équilibrée.
Insérez la douille dans la lame en plaçant l'embase sur le côté inférieur (côté herbe) de la lame (Figure 104).

Installez l'ensemble douille et lame sur l'axe de pivot (Figure 105).

Appliquez du lubrifiant à base de cuivre ou de la graisse sur le filetage du boulon de lame pour prévenir le grippage au besoin. Posez le boulon de lame et serrez-le à la main.
Placez une clé sur le méplat de l'axe de pivot et serrez l'écrou de lame à un couple de 75 à 81 N·m (55 à 60 pi-lb).
Vérifiez que le tablier de coupe est de niveau chaque fois que vous l'installez ou si la tonte de la pelouse semble irrégulière.
Vérifiez si des lames sont faussées avant de mettre le tablier de coupe de niveau. Déposez et remplacez les lames faussées; voir Détection des lames faussées avant de continuer.
Mettez le tablier de coupe de niveau transversalement avant de le faire longitudinalement.
Assurez-vous que :
La machine est placée sur une surface plane et horizontale.
Les pneus sont gonflés à la pression correcte; voir Contrôle de la pression des pneus.
Garez la machine sur une surface plane et horizontale, placez la commande des lames (PDF) en position désengagée et serrez le frein de stationnement.
Avant de quitter la position d'utilisation, coupez le moteur, enlevez la clé et attendez l'arrêt complet de toutes les pièces mobiles.
Contrôlez la pression des pneus des roues motrices; voir Contrôle de la pression des pneus.
Placez le tablier de coupe dans la position de verrouillage pour le transport ou à la position de hauteur de coupe la plus élevée.
Tournez prudemment les lames pour qu'elles soient parallèles dans le sens transversal.
Mesurez la distance entre la pointe des lames et le sol plat (Figure 106). Si les deux mesures diffèrent de plus de 5 mm (3/16 po), ajustez l'horizontalité des lames; poursuivez cette procédure.

Vérifiez l'inclinaison avant/arrière des lames (Figure 107). Vérifiez que la pointe avant de la lame est plus basse que la pointe arrière, comme montré dans le tableau de hauteur de cales et d'inclinaison. Si un réglage est nécessaire, poursuivez cette procédure.

Placez les galets de protection dans les trous supérieurs ou enlevez-les complètement pour effectuer ce réglage.
Élevez le tablier de coupe en position de transport (140 mm ou 5½ po).
Desserrez lentement la vis de réglage sur le ressort d'aide au levage jusqu'à ce que vous puissiez enlever la vis (Figure 108).
Note: Conservez la vis pour la repose.

Placez une cale (voir le Tableau de hauteur de cale et d'inclinaison) sous le bord arrière de la jupe du tablier de coupe de chaque côté du tablier de coupe (Figure 109).
Réglez le levier de hauteur de coupe à la position 76 mm (3 po); voir Réglage de la hauteur de coupe.
Placez 2 cales sous chaque côté du bord avant du tablier de coupe, mais pas sous les supports ou les soudures des galets anti-scalp.

| Taille du tablier | Hauteur de cale avant | Inclinaison |
| Tous les tabliers de coupe | 73 mm (2⅞ po) | 4,8 à 6,4 mm (3/16 à ¼ po) |
Tournez prudemment les lames pour qu'elles soient parallèles dans le sens transversal (Figure 106).
Abaissez le tablier de coupe à la position 76 mm (3 po); voir Réglage de la hauteur de coupe
Desserrez les boulons (Figure 110) aux quatre coins de sorte que le tablier repose solidement sur les 4 cales.
Supprimez le jeu des pattes de support du tablier et vérifiez que la pédale de levage du tablier poussée contre la butée.
Resserrez les 4 boulons.

Vérifiez que les cales sont parfaitement ajustées sous la jupe du tablier de coupe et que tous les boulons sont bien serrés
Poursuivez la procédure de mise à niveau du tablier en contrôlant l'inclinaison avant/arrière des lames.
Vérifiez si les lames sont de niveau et répétez la procédure de réglage au besoin.
Élevez le tablier de coupe en position de transport (140 mm ou 5½ po).
Remettez la vis de réglage du ressort d'aide au levage que vous avez retirée à l'opération 10.
Réglez l'écartement entre le ressort et le support entre 22 et 29 mm (⅞ et 1⅛ po).
Avant de réviser ou de retirer le tablier de coupe, verrouillez les bras rappelés par ressort.
Garez la machine sur une surface plane et horizontale, placez la commande des lames (PDF) en position désengagée et serrez le frein de stationnement.
Avant de quitter la position d'utilisation, coupez le moteur, enlevez la clé et attendez l'arrêt complet de toutes les pièces mobiles.
Insérez la goupille de réglage de la hauteur de coupe à la position 7,6 cm (3 po).
Déposez les protège-courroies.
Desserrez la poulie de tension et déposez la courroie du tablier de coupe; voir Entretien des courroies.
Retirez les boulons et les écrous à l'avant de la plaque, sous le repose-pied.
Enlevez et conservez les boulons et écrous de chaque côté de la machine (Figure 111).
Sortez le tablier par le côté droit de la machine.

Si l'ouverture d'éjection n'est pas fermée, la machine peut projeter des objets dans votre direction ou celle d'autres personnes et causer des blessures graves. Un contact avec la lame est également possible.
N'utilisez jamais la machine sans avoir installé un déflecteur de déchiquetage, un déflecteur d'éjection ou un système de ramassage.
Retirez le contre-écrou, le boulon, le ressort et l'entretoise qui fixent le déflecteur aux supports de pivot (Figure 112).
Enlevez le déflecteur s'il est endommagé ou usé (Figure 112).

Placez une entretoise et un ressort sur le déflecteur d'herbe.
Placez une extrémité en J du ressort derrière le bord du tablier.
Note: Prenez soin de placer 1 extrémité en J du ressort derrière le bord du tablier avant de mettre le boulon en place, comme montré à la Figure 112.
Remettez le boulon et l'écrou en place.
Accrochez l'extrémité en J du ressort au déflecteur d'herbe (Figure 112).
Important: Le déflecteur d'herbe doit pouvoir pivoter. Ouvrez complètement le déflecteur d'herbe et vérifiez qu'il peut s'abaisser complètement.
| Périodicité d'entretien | Procédure d'entretien |
|---|---|
| Après chaque utilisation |
|
Garez la machine sur une surface plane et horizontale, placez la commande des lames (PDF) en position désengagée et serrez le frein de stationnement.
Avant de quitter la position d'utilisation, coupez le moteur, enlevez la clé et attendez l'arrêt complet de toutes les pièces mobiles.
Levez le tablier de coupe en position TRANSPORT.
| Périodicité d'entretien | Procédure d'entretien |
|---|---|
| À chaque utilisation ou une fois par jour |
|
Nettoyez la suspension à l'air comprimé.
Note: Ne nettoyez pas les amortisseurs au jet d'eau sous pression (Figure 113).

L'huile moteur, les batteries, le liquide hydraulique et le liquide de refroidissement sont polluants pour l'environnement. Débarrassez-vous en conformément à la réglementation nationale et locale en matière d'environnement.
Avant de quitter la position d'utilisation, coupez le moteur, enlevez la clé et attendez l'arrêt complet de toutes les pièces mobiles. Laissez refroidir la machine avant de la régler, la nettoyer, la remiser ou la réparer.
Ne remisez pas la machine ou le carburant près d'une flamme et ne vidangez pas le carburant à l'intérieur d'un local ou d'une remorque fermée.
Ne remisez pas la machine ni les bidons de carburant à proximité d'une flamme nue, d'une source d'étincelles ou d'une veilleuse, telle celle d'un chauffe-eau ou d'autres appareils.
Désengagez la commande des lames (PDF) et serrez le frein de stationnement.
Avant de quitter la position d'utilisation, coupez le moteur, enlevez la clé et attendez l'arrêt complet de toutes les pièces mobiles.
Débarrassez l'extérieur de toute la machine, en particulier le moteur et le système hydraulique, des déchets d'herbe coupée, des saletés et de la crasse. Éliminez les saletés et les débris d'herbe sèche pouvant se trouver sur les ailettes de la culasse et le carter du ventilateur.
Important: Vous pouvez laver la machine avec de l'eau et un détergent doux. N'utilisez pas de nettoyeur haute pression. N'utilisez pas une trop grande quantité d'eau, surtout près du panneau de commande, du moteur, des pompes hydrauliques et des moteurs électriques.
Vérifiez le fonctionnement du frein de stationnement; voir Réglage du frein de stationnement.
Faites l'entretien du filtre à air; voir Entretien du filtre à air.
Graissez la machine; voir Lubrification.
Vidangez l'huile moteur; voir Entretien du moteur.
Contrôlez la pression des pneus; voir Contrôle de la pression des pneus.
Remplacez les filtres hydrauliques; voir Vidange du liquide hydraulique et remplacement des filtres.
Chargez la batterie; voir Charge de la batterie.
Grattez l'herbe et les saletés éventuellement accumulées sur le dessous de la tondeuse, puis lavez cette dernière au tuyau d'arrosage.
Note: Conduisez la machine, en engageant la commande des lames (PDF), moteur au ralenti accéléré, pendant 2 à 5 minutes après l'avoir lavée.
Vérifiez l'état des lames; voir Entretien des lames.
Si vous ne comptez pas utiliser la machine avant plus d'un mois, préparez-la comme suit :
Ajoutez un additif stabilisateur/conditionneur à base de pétrole dans le réservoir de carburant. Respectez les proportions spécifiées par le fabricant du stabilisateur. N'utilisez pas de stabilisateur à base d'alcool (éthanol ou méthanol).
Note: L'efficacité des stabilisateurs/conditionneurs est optimale lorsqu'ils sont mélangés à du carburant frais et sont utilisés de manière systématique.
Faites tourner le moteur pendant 5 minutes pour faire circuler le carburant traité dans tout le circuit d'alimentation.
Coupez le moteur, laissez-le refroidir et vidangez le réservoir de carburant.
Redémarrez le moteur et laissez-le tourner jusqu'à ce qu'il s'arrête.
Débarrassez-vous du carburant correctement. Recyclez le carburant conformément à la réglementation locale en matière d'environnement.
Important: Ne conservez pas le carburant additionné de stabilisateur/conditionneur plus longtemps que recommandé par le fabricant du stabilisateur de carburant.
Déposez la ou les bougies et vérifiez leur état; voir Entretien du moteur. Versez 30 ml (2 cuillerées à soupe) d'huile moteur dans l'ouverture laissée par la bougie. Actionnez le démarreur pour faire tourner le moteur et bien répartir l'huile dans le cylindre. Reposez la ou les bougies. Ne rebranchez pas le fil de la ou des bougies.
Contrôlez et resserrez tous les boulons, écrous et vis. Réparez ou remplacez toute pièce endommagée.
Peignez toutes les surfaces métalliques éraflées ou mises à nu. Une peinture pour retouches est disponible chez les dépositaires-réparateurs agréés.
Rangez la machine dans un endroit propre et sec, comme un garage ou une remise. Retirez la clé du commutateur d'allumage et rangez-la hors de la portée des enfants ou des personnes non autorisées. Couvrez la machine pour la protéger et la garder propre.
| Problem | Possible Cause | Corrective Action |
|---|---|---|
| Le moteur surchauffe. |
|
|
| Le témoin d'anomalie s'allume. |
|
|
| Le démarreur ne fonctionne pas. |
|
|
| Le moteur ne démarre pas, démarre difficilement ou cale. |
|
|
| Le moteur perd de la puissance. |
|
|
| La machine tire à gauche ou à droite (quand les leviers de commande de déplacement sont complètement en avant). |
|
|
| La machine ne se déplace pas. |
|
|
| La machine vibre de manière anormale. |
|
|
| La hauteur de coupe est inégale. |
|
|
| Les lames ne tournent pas. |
|
|
| L'embrayage ne s'engage pas. |
|
|


