| Périodicité d'entretien | Procédure d'entretien |
|---|---|
| À chaque utilisation ou une fois par jour |
|
Cette tondeuse autoportée à lames rotatives est destinée aux professionnels et aux utilisateurs temporaires. Elle est principalement conçue pour tondre les pelouses entretenues régulièrement des terrains privés et commerciaux. L'utilisation de ce produit à d'autres fins que celle prévue peut être dangereuse pour vous-même et toute personne à proximité.
Lisez attentivement cette notice pour apprendre comment utiliser et entretenir correctement votre produit, et éviter ainsi de l'endommager ou de vous blesser. Vous êtes responsable de l'utilisation sûre et correcte du produit.
Rendez-vous sur www.Toro.com pour tout document de formation à la sécurité et à l'utilisation des produits, pour tout renseignement concernant un produit ou un accessoire, pour obtenir l'adresse des dépositaires ou pour enregistrer votre produit.
Pour obtenir des prestations de service, des pièces Toro d'origine ou des renseignements complémentaires, munissez-vous des numéros de modèle et de série du produit et contactez un dépositaire-réparateur ou le service client Toro agréé. La Figure 1 indique l'emplacement des numéros de modèle et de série du produit. Inscrivez les numéros dans l'espace réservé à cet effet.
Important: Avec votre appareil mobile, vous pouvez scanner le code QR (le cas échéant) sur l’autocollant du numéro de série afin d’accéder à l'information sur la garantie, les pièces et autres renseignements concernant le produit.

Ce manuel utilise deux termes pour faire passer des renseignements essentiels. Important pour attirer l'attention sur une information d'ordre mécanique spécifique, et Remarque pour souligner une information d'ordre général méritant une attention particulière.
Le symbole de sécurité (Figure 2) apparaît à la fois dans ce manuel et sur la machine pour identifier d'importants messages de sécurité dont il est nécessaire de tenir compte pour éviter les accidents. Ce symbole apparaît avec la mention Danger, Attention ou Prudence.
Danger signale un danger immédiat qui, s'il n'est pas évité, entraînera obligatoirement des blessures graves ou mortelles.
Attention signale un danger potentiel qui, s'il n'est pas évité, risque d'entraîner des blessures graves ou mortelles.
Prudence signale un danger potentiel qui, s'il n'est pas évité, peut éventuellement entraîner des blessures légères ou modérées.

Vous commettez une infraction à la section 4442 ou 4443 du Code des ressources publiques de Californie si vous utilisez cette machine dans une zone boisée, broussailleuse ou recouverte d'herbe, à moins d'équiper le moteur d'un pare-étincelles en bon état, tel que défini dans la section 4442, ou à moins que le moteur soit construit, équipé et entretenu correctement pour prévenir les incendies.
Le manuel du propriétaire du moteur ci-joint est fourni à titre informatif concernant la réglementation de l'Agence américaine pour la protection de l'environnement (EPA) et la réglementation antipollution de l'état de Californie relative aux systèmes antipollution, à leur entretien et à leur garantie. Vous pouvez vous en procurer un nouvel exemplaire en vous adressant au constructeur du moteur.
Couple brut ou net : le couple brut ou net de ce moteur a été calculé en laboratoire par le constructeur du moteur selon la norme SAE J1940 ou J2723 de la Society of Automotive Engineers (SAE). Étant configuré pour satisfaire aux normes de sécurité, antipollution et d'exploitation, le moteur monté sur cette classe de tondeuse aura un couple effectif nettement inférieur. Reportez-vous au manuel du constructeur du moteur fourni avec la machine.
CALIFORNIE
Proposition 65 - Avertissement
Les gaz d'échappement de ce produit contiennent des substances chimiques considérées par l'état de Californie comme susceptibles de provoquer des cancers, des malformations congénitales et autres troubles de la reproduction.
Les bornes de la batterie et accessoires connexes contiennent du plomb et des composés de plomb. L'état de Californie considère ces substances chimiques comme susceptibles de provoquer des cancers et des troubles de la reproduction. Lavez-vous les mains après avoir manipulé la batterie.
L'utilisation de ce produit peut entraîner une exposition à des substances chimiques considérées pas l'état de Californie comme capables de provoquer des cancers, des anomalies congénitales ou d'autres troubles de la reproduction.
Ce produit peut sectionner les mains ou les pieds et projeter des objets. Respectez toujours toutes les consignes de sécurité pour éviter des blessures graves ou mortelles.
Vous devez lire et comprendre le contenu de ce Manuel de l'utilisateur avant de démarrer le moteur.
N'autorisez personne à s'approcher, notamment les enfants.
Ne confiez pas l'utilisation ou l'entretien de la machine à des enfants ou à des personnes non qualifiées. Seules les personnes responsables, formées à l'utilisation de la machine, ayant lu et compris les instructions et physiquement aptes sont autorisées à utiliser la machine ou à en faire l'entretien.
Gardez toujours l'arceau de sécurité complètement déployé et bloqué en position, et attachez la ceinture de sécurité.
N'utilisez pas la machine près de fortes dénivellations, fossés, berges, étendues d'eau ou autre danger, ni sur des pentes de plus de 15°.
N'approchez pas les mains ou les pieds des composants mobiles de la machine.
N'utilisez pas la machine si tous les capots, contacteurs de sécurité et autres dispositifs de protection ne sont pas en place et en bon état de marche.
Avant de quitter la position d'utilisation, coupez le moteur, enlevez la clé et attendez l'arrêt complet de toutes les pièces mobiles. Laissez refroidir la machine avant de la régler, la réparer, la nettoyer, la remiser ou de faire le plein de carburant.

![]() |
Des autocollants de sécurité et des instructions bien visibles par l'opérateur sont placés près de tous les endroits potentiellement dangereux. Remplacez tout autocollant endommagé ou manquant. |

























Familiarisez-vous avec toutes les commandes avant de mettre le moteur en marche et d'utiliser la machine.

Le commutateur d'allumage sert à démarrer et arrêter le moteur, et comprend 3 positions : ARRêT, CONTACT et DéMARRAGE. Voir Démarrage du moteur.
L'accélérateur commande le régime moteur et peut se régler à l'infini entre les positions BAS RéGIME et HAUT RéGIME (Figure 5).
Utilisez la commande du volet de départ pour démarrer quand le moteur est froid.
La commandes des lames, représentée par le symbole de la prise de force (PDF), engage et désengage l'entraînement des lames (Figure 5).
Le compteur horaire totalise les heures de fonctionnement du moteur. Il fonctionne quand le moteur tourne. Programmez les entretiens réguliers en fonction du nombre d'heures indiqué (Figure 6).

La jauge de carburant est intégrée au compteur horaire et les barres s'allument lorsque le commutateur d'allumage est en position CONTACT (Figure 6).
Le témoin s'allume lorsque le niveau de carburant est bas (quand il reste environ 3,8 L [1 gal] dans le réservoir).
Ces symboles sur le compteur horaire indiquent par un triangle noir que le verrou de sécurité est à la position correcte (Figure 6).
Si vous tournez le commutateur d'allumage en position CONTACT pendant quelques secondes, la tension de batterie s'affiche dans la zone normalement réservée aux heures de fonctionnement.
Le témoin de la batterie s'allume lorsque le contact est établi et que la charge est inférieure au niveau de fonctionnement correct (Figure 6).
Le module de commande électronique (ECU) surveille continuellement le fonctionnement du système EFI.
Le témoin d'anomalie (MIL) s'allume en cas de détection d'un problème ou d'une anomalie du système.
Le témoin d'anomalie est le témoin rouge situé dans la console droite.
Lorsque le témoin d'anomalie s'allume, effectuez les premiers contrôles de diagnostic; voir la section sur le témoin d'anomalie sous .
Si ces contrôles ne corrigent pas le problème, un autre diagnostic et un entretien par un dépositaire-réparateur agréé sont nécessaires.
Utilisez les leviers de commande de déplacement pour conduire la machine en marche avant, en marche arrière, pour tourner à droite et à gauche (Figure 4).
Écartez les leviers de commande vers l'extérieur, du centre à la position de BLOCAGE DU POINT MORT quand vous quittez la machine (Figure 4). Amenez toujours les leviers de commande de déplacement à la position de BLOCAGE DU POINT MORT avant d'arrêter la machine ou de la laisser sans surveillance.
Chaque fois que vous arrêtez le moteur, serrez le frein de stationnement pour éviter tout déplacement accidentel de la machine.
Fermez le robinet d'arrivée de carburant avant de transporter ou de remiser la machine; voir Avant le remisage.
Note: Les spécifications et la conception peuvent faire l'objet de modifications sans préavis.
Largeur :
| Tablier de 152 cm (60 po) | Tablier de 183 cm (72 po) | |
|---|---|---|
| Sans tablier de coupe | 135 cm (53 po) | 150 cm (59 po) |
| Déflecteur relevé | 157 cm (62 po) | 187 cm (74 po) |
| Déflecteur abaissé | 192 cm (76 po) | 222 cm (88 po) |
Longueur :
| Tablier de 152 cm (60 po) | Tablier de 183 cm (72 po) | |
|---|---|---|
| Arceau de sécurité relevé | 211 cm (83 po) | 219 cm (83 po) |
| Arceau de sécurité abaissé | 215 cm (85 po) | 223 cm (88 po) |
Hauteur :
| Arceau de sécurité relevé | Arceau de sécurité abaissé |
|---|---|
| 179 cm (71 po) | 119 cm (47 po) |
Poids :
| Modèle | Poids |
| 72981 | 656 kg (1 447 lb) |
| 72983 | 746 kg (1 644 lb) |
Une sélection d'outils et accessoires agréés par Toro est disponible pour augmenter et améliorer les capacités de la machine. Pour obtenir la liste de tous les accessoires et outils agréés, contactez votre dépositaire-réparateur ou votre distributeur Toro agréé, ou rendez-vous sur www.Toro.com.
Pour garantir un rendement optimal et conserver la certification de sécurité de la machine, utilisez uniquement des pièces de rechange et accessoires Toro d'origine. Les pièces de rechange et accessoires d'autres constructeurs peuvent être dangereux et leur utilisation risque d'annuler la garantie de la machine.
Note: Les côtés gauche et droit de la machine sont déterminés d'après la position d'utilisation normale.
Ne confiez pas l'utilisation ou l'entretien de la machine à des enfants ou à des personnes non qualifiées. La réglementation locale peut imposer un âge minimum pour les utilisateurs. Le propriétaire de la machine doit assurer la formation de tous les utilisateurs et mécaniciens.
Inspectez la zone de travail et débarrassez-la de tout objet pouvant gêner le fonctionnement de la machine ou être projeté pendant son utilisation.
Familiarisez-vous avec le maniement correct du matériel, les commandes et les symboles de sécurité.
Vérifiez toujours que les commandes de présence de l'utilisateur, les contacteurs de sécurité et les capots de protection sont en place et en bon état de marche. N'utilisez pas la machine en cas de mauvais fonctionnement.
Avant de quitter la position d'utilisation, coupez le moteur, enlevez la clé et attendez l'arrêt complet de toutes les pièces mobiles. Laissez refroidir la machine avant de la régler, la réparer, la nettoyer, la remiser ou de faire le plein de carburant.
Avant de tondre, vérifiez que les unités de coupe sont en bon état de marche.
Examinez la zone de travail pour déterminer quels accessoires et équipements sont nécessaires pour utiliser la machine correctement et sans risque.
Portez une tenue adéquate, y compris une protection oculaire, un pantalon, des chaussures solides à semelle antidérapante et des protecteurs d'oreilles. Si vos cheveux sont longs, attachez-les et ne portez pas de vêtements amples ni de bijoux pendants.
Ne transportez jamais de passagers sur la machine.
Tenez tout le monde et tous les animaux à l'écart de la machine en marche. Arrêtez la machine et le(s) outil(s) si quelqu'un entre dans la zone de travail.
N'utilisez pas la machine si tous les capots et autres dispositifs de protection, tels que les déflecteurs et le bac de ramassage au complet, ne sont pas en place et en bon état de marche. Remplacez les pièces usées ou détériorées au besoin.
Le carburant est extrêmement inflammable et hautement explosif. Un incendie ou une explosion causé(e) par du carburant peut vous brûler, ainsi que toute personne à proximité, et causer des dommages matériels.
Pour éviter que l'électricité statique n'enflamme le carburant, posez le récipient et/ou la machine directement sur le sol avant de faire le plein; ne la laissez pas dans un véhicule ou sur un support quelconque.
Faites le plein du réservoir de carburant à l'extérieur sur une surface plane et horizontale, dans un endroit bien dégagé et lorsque le moteur est froid. Essuyez tout carburant répandu.
Ne fumez jamais en manipulant du carburant et tenez-vous à l'écart des flammes nues ou des sources d'étincelles.
N'enlevez pas le bouchon du réservoir de carburant et n'ajoutez pas de carburant quand le moteur tourne ou est encore chaud.
Si vous renversez du carburant, n'essayez pas de démarrer le moteur à cet endroit. Évitez de créer des sources d'inflammation jusqu'à dissipation complète des vapeurs de carburant.
Conservez le carburant dans un récipient homologué et hors de la portée des enfants.
Le carburant est toxique, voire mortel en cas d'ingestion. L'exposition prolongée aux vapeurs de carburant peut causer des blessures et des maladies graves.
Évitez de respirer les vapeurs de carburant de façon prolongée.
N'approchez pas le visage ou les mains du pistolet ni de l'ouverture du réservoir de carburant.
Tenez le carburant à l'écart des yeux et de la peau.
Ne remisez pas la machine ni les bidons de carburant à proximité d'une flamme nue, d'une source d'étincelles ou d'une veilleuse, telle celle d'un chauffe-eau ou d'autres appareils.
Ne remplissez pas les bidons de carburant à l'intérieur d'un véhicule ou sur le plateau d'une remorque ou d'un camion dont le revêtement est en plastique. Posez toujours les bidons sur le sol, à l'écart du véhicule, avant de les remplir.
Descendez la machine du véhicule ou de la remorque et posez-la à terre avant de remplir le réservoir de carburant. Si cela n'est pas possible, laissez la machine dans le véhicule ou sur la remorque, mais remplissez le réservoir à l'aide d'un bidon, et non directement à la pompe.
N'utilisez pas la machine si elle n'est pas équipée du système d'échappement complet et en bon état de marche.
Maintenez le pistolet en contact avec le bord du réservoir ou du bidon jusqu'à la fin du remplissage. N'utilisez pas de dispositif de verrouillage du pistolet en position ouverte.
Si du carburant s'est répandu sur vos vêtements, changez-vous immédiatement.
Ne remplissez pas excessivement le réservoir de carburant. Remettez le bouchon du réservoir de carburant en place et serrez-le solidement.
Pour éviter les risques d'incendie, enlevez les débris d'herbe et autres agglomérés sur l'unité de coupe, les entraînements, le bac à herbe et le compartiment moteur. Nettoyez les coulées éventuelles d'huile ou de carburant.
Pour assurer le fonctionnement optimal de la machine, utilisez uniquement de l'essence sans plomb propre et fraîche (stockée depuis moins d'un mois) ayant un indice d'octane de 87 ou plus (méthode de calcul [R+M]/2).
Éthanol : de l'essence contenant jusqu'à 10 % d'éthanol (essence-alcool) ou 15 % de MTBE (éther méthyltertiobutylique) par volume peut être utilisée à la rigueur. L'éthanol et le MTBE sont deux produits différents. L'utilisation d'essence contenant 15 % d'éthanol (E15) par volume n'est pas agréée. N'utilisez jamais d'essence contenant plus de 10 % d'éthanol par volume, par exemple E15 (qui contient 15 % d'éthanol), E20 (qui contient 20 % d'éthanol) ou E85 (qui contient jusqu'à 85 % d'éthanol). L'utilisation d'essence non agréée peut entraîner des problèmes de performances et/ou des dommages au moteur qui peuvent ne pas être couverts par la garantie.
N'utilisez pas d'essence contenant du méthanol.
Ne stockez pas le carburant dans le réservoir ou dans des bidons de carburant pendant l'hiver, à moins d'utiliser un stabilisateur de carburant.
N'ajoutez pas d'huile à l'essence.
Utilisez un additif stabilisateur/conditionneur dans la machine pour :
Que le carburant reste frais plus longtemps quand il est utilisé conformément aux indications du fabricant du stabilisateur.
Nettoyer le moteur lorsqu'il tourne.
Éviter la formation d'un dépôt gommeux dans le circuit d'alimentation qui pourrait entraîner des problèmes de démarrage.
Important: N'utilisez pas d'additifs contenant du méthanol ou de l'éthanol.
Ajoutez au carburant la quantité correcte de stabilisateur/conditionneur.
Note: L'efficacité des stabilisateurs/conditionneurs est optimale lorsqu'ils sont mélangés à du carburant neuf. Pour réduire les risques de formation de dépôts visqueux dans le circuit d'alimentation, ajoutez toujours un stabilisateur au carburant.
Garez la machine sur une surface plane et horizontale.
Serrez le frein de stationnement.
Coupez le moteur et enlevez la clé.
Nettoyez la surface autour du bouchon du réservoir de carburant.
Remplissez le réservoir de carburant jusqu'au bas du goulot de remplissage (Figure 7).
Note: Ne remplissez pas complètement le réservoir de carburant. L'espace vide dans le réservoir permet au carburant de se dilater.

Avant de démarrer la machine chaque jour, effectuez les procédures décrites à la section .
Les moteurs neufs demandent un certain temps pour développer toute leur puissance. Les tabliers de coupe et les systèmes d'entraînement neufs présentent plus de friction, ce qui augmente la charge sur le moteur. Prévoyez 40 à 50 heures de rodage pour les machines neuves pour leur permettre de développer toute leur puissance et procurer des performances optimales.
Pour éviter de vous blesser, parfois mortellement, en vous retournant, gardez l'arceau de sécurité complètement déployé et bloqué dans cette position, et attachez la ceinture de sécurité.
Vérifiez que le siège est fixé à la machine.
La protection antiretournement est inexistante si l'arceau de sécurité est abaissé.
N'abaissez l'arceau de sécurité qu'en cas d'absolue nécessité.
N'attachez pas la ceinture de sécurité lorsque l'arceau de sécurité est abaissé.
Conduisez lentement et prudemment.
Déployez l'arceau de sécurité dès que possible.
Vérifiez précisément la hauteur libre avant de passer sous un obstacle (par ex. branches, portes, câbles électriques, etc.) et évitez de le toucher.
Important: N'abaissez l'arceau de sécurité qu'en cas d'absolue nécessité.
Important: Attachez toujours la ceinture de sécurité quand l'arceau de sécurité est relevé.
Levez l'arceau de sécurité à la position d'utilisation et tournez les boutons de sorte à les déplacer partiellement dans les rainures (Figure 8).
Redressez complètement l'arceau de sécurité tout en poussant sur la partie supérieure; les goupilles s'engagent en position quand les trous sont en face (Figure 8).
Appuyez sur l'arceau de sécurité et vérifiez que les deux goupilles sont engagées.
Si les contacteurs de sécurité sont déconnectés ou endommagés, la machine peut se mettre en marche inopinément et causer des blessures.
Ne modifiez pas abusivement les contacteurs de sécurité.
Vérifiez chaque jour le fonctionnement des contacteurs de sécurité et remplacez ceux qui sont endommagés avant d'utiliser la machine.
Le système de sécurité est conçu pour empêcher le démarrage du moteur, sauf si :
Le frein de stationnement est serré.
La commande des lames (PDF) est désengagée.
Les leviers de commande de déplacement sont en position de BLOCAGE DU POINT MORT.
Le système de sécurité est également conçu pour couper le moteur si vous sortez les leviers de commande de déplacement de la position de BLOCAGE DU POINT MORT alors que le frein de stationnement est serré, ou si vous quittez le siège alors que la PDF est engagée.
Le compteur horaire comporte des indicateurs qui signalent à l'utilisateur quand le composant de verrouillage de sécurité est à la position correcte. Lorsque le composant est à la position correcte, un indicateur s'affiche à l’écran.

| Périodicité d'entretien | Procédure d'entretien |
|---|---|
| À chaque utilisation ou une fois par jour |
|
Contrôlez le système de sécurité avant chaque utilisation de la machine. Si le système de sécurité ne fonctionne pas comme spécifié ci-dessous, faites-le immédiatement réviser par un dépositaire-réparateur agréé.
Asseyez-vous sur le siège, serrez le frein de stationnement et amenez la commande des lames (PDF) en position ENGAGéE. Essayez de démarrer le moteur; le moteur ne doit pas démarrer.
Asseyez-vous sur le siège, serrez le frein de stationnement et amenez la commande des lames (PDF) en position DéSENGAGéE. Sortez un des leviers de commande de déplacement de la position de BLOCAGE DU POINT MORT. Essayez de démarrer le moteur; le moteur ne doit pas démarrer. Répétez la manœuvre pour l'autre levier de commande.
Asseyez-vous sur le siège, serrez le frein de stationnement, placez la commande des lames (PDF) en position DéSENGAGéE et amenez l'un des leviers de commande de déplacement à la position de BLOCAGE DU POINT MORT. Mettez alors le moteur en marche. Lorsque le moteur tourne, desserrez le frein de stationnement, engagez la commande des lames (PDF) et soulevez-vous légèrement du siège; le moteur doit s'arrêter.
Asseyez-vous sur le siège, serrez le frein de stationnement, placez la commande des lames (PDF) en position DéSENGAGéE et amenez l'un des leviers de commande de déplacement à la position de BLOCAGE DU POINT MORT. Mettez alors le moteur en marche. Lorsque le moteur tourne, centrez l'un des leviers de déplacement et déplacez la machine (en marche avant ou arrière); le moteur doit s'arrêter. Répétez l'opération pour l'autre levier de commande.
Asseyez-vous sur le siège, desserrez le frein de stationnement, DéSENGAGEZ la commande des lames (PDF) et amenez l'un des leviers de commande de déplacement à la position de BLOCAGE DU POINT MORT. Essayez de démarrer le moteur; le moteur ne doit pas démarrer.
Vous pouvez avancer ou reculer le siège Amenez le siège à la position la plus confortable pour vous et offrant le meilleur contrôle pour la conduite (Figure 10).

Pour déverrouiller le siège, poussez le verrou vers l'avant (Figure 11).

Le siège peut être réglé pour offrir un confort optimal. Réglez le siège à la position la plus confortable pour vous.
Pour ce faire, tournez le bouton avant dans un sens ou dans l'autre pour obtenir la position la plus confortable (Figure 12).

Le propriétaire/l'utilisateur est responsable des accidents pouvant entraîner des dommages corporels et matériels et peut les prévenir.
Accordez toute votre attention à l'utilisation de la machine. Ne vous livrez à aucune activité risquant de vous distraire, au risque de causer des dommages corporels ou matériels.
N'utilisez pas la machine si vous êtes malade ou fatigué(e), ni sous l'emprise de l'alcool, de drogues ou de médicaments.
Tout contact avec la lame peut causer de graves blessures. Avant de quitter la position d'utilisation, coupez le moteur, enlevez la clé et attendez l'arrêt complet de toutes les pièces mobiles. Lorsque vous tournez la clé à la position ARRêT, le moteur doit être coupé et la lame doit s'arrêter de tourner. Si ce n'est pas le cas, cessez immédiatement d'utiliser la machine et contactez un dépositaire réparateur agréé.
N'utilisez la machine que si la visibilité est suffisante et dans de bonnes conditions météorologiques. N'utilisez pas la machine si la foudre menace.
N'approchez pas les pieds et les mains des unités de coupe. Ne vous tenez pas devant l'ouverture d'éjection.
Ne tondez pas avec le volet d'éjection relevé, déposé ou modifié à moins qu'un système de ramassage ou de déchiquetage soit en place et en bon état de marche.
Ne tondez jamais en marche arrière, sauf en cas d'absolue nécessité. Vérifiez toujours si la voie est libre juste derrière la machine et sur sa trajectoire avant de faire marche arrière.
Faites preuve de la plus grande prudence à l'approche de tournants sans visibilité, de buissons, d'arbres ou d'autres objets susceptibles de masquer la vue.
Arrêtez toujours les lames quand vous ne tondez pas.
Si la machine heurte un obstacle ou commence à vibrer, coupez immédiatement le moteur, enlevez la clé (selon l'équipement) et attendez l'arrêt complet de toutes les pièces mobiles avant de vérifier si la machine n'est pas endommagée. Effectuez toutes les réparations nécessaires avant de réutiliser la machine.
Ralentissez et faites preuve de prudence quand vous changez de direction, ainsi que pour traverser des routes et des trottoirs avec la machine. Cédez toujours la priorité.
Avant de quitter la position d'utilisation :
Garez la machine sur une surface plane et horizontale.
Désengagez la prise de force et abaissez les accessoires.
Serrez le frein de stationnement.
Coupez le moteur et enlevez la clé.
Attendez l'arrêt complet de toutes les pièces mobiles.
Ne faites tourner le moteur que dans des lieux bien aérés. Les gaz d'échappement contiennent du monoxyde de carbone dont l'inhalation est mortelle.
Ne laissez jamais la machine en marche sans surveillance.
Utilisez uniquement le point d'attelage pour atteler l'équipement remorqué à la machine.
N'utilisez pas la machine si tous les capots et autres dispositifs de protection, tels que les déflecteurs et le bac de ramassage au complet, ne sont pas en place et en bon état de marche. Remplacez les pièces usées ou détériorées au besoin.
Utilisez uniquement les accessoires et équipements agréés par Toro.
Cette machine produit au niveau de l'oreille de l'utilisateur un niveau sonore de plus de 85 dBA qui peut entraîner des déficiences auditives en cas d'exposition prolongée.

Pour éviter les risques d'incendie, enlevez les débris d'herbe et autres agglomérés sur l'unité de coupe, les entraînements, le silencieux et le moteur.
Démarrez le moteur en gardant les pieds à bonne distance des lames.
Sachez dans quel sens s'effectue l'éjection et ne la dirigez jamais vers qui que ce soit. Ne projetez rien contre un mur ou un obstacle, car le matériau éjecté pourrait ricocher dans votre direction.
Arrêtez les lames, ralentissez et faites preuve de prudence lorsque vous traversez des surfaces autres qu'une pelouse et quand vous déplacez la machine entre les surfaces de travail.
Ne modifiez pas le réglage du régulateur et ne faites pas tourner le moteur à un régime excessif.
Les enfants sont souvent attirés par la machine et l'activité de tonte. Ne partez jamais du principe que les enfants se trouvent encore à l'endroit où vous les avez vus pour la dernière fois.
Veillez à ce que les enfants restent hors de la zone de travail, sous la garde d'un adulte responsable autre que l'utilisateur.
Restez sur vos gardes et arrêtez la machine si des enfants entrent dans la zone de travail.
Avant de faire marche arrière ou de changer de direction, vérifiez derrière et autour de vous qu'aucun enfant n'est présent.
Ne transportez pas d'enfants sur la machine, même si les lames sont arrêtées. Les enfants pourraient tomber et se blesser gravement ou vous empêcher d'utiliser la machine en toute sécurité. Les enfants qui ont été autorisés à monter sur la machine en marche par le passé peuvent apparaître subitement dans la zone de travail et risquent alors d'être renversés ou écrasés par la machine.
La structure ROPS est un dispositif de sécurité intégral. Ne retirez aucun des composants de la structure ROPS de la machine.
Attachez la ceinture de sécurité et apprenez à la détacher rapidement en cas d'urgence.
Laissez l'arceau de sécurité complètement déployé et verrouillé en position, et attachez-toujours la ceinture de sécurité quand l'arceau de sécurité est déployé.
Vérifiez précisément la hauteur libre avant de passer sous un obstacle et ne le touchez pas.
Remplacez les composants de la structure ROPS qui sont endommagés. Ne les réparez pas et ne les modifiez pas.
N'oubliez pas que la protection antiretournement est inexistante lorsque l'arceau de sécurité est abaissé.
Le dépassement des roues au-dessus d'une dénivellation, d'une berge escarpée ou d'une étendue d'eau peut provoquer le retournement de la machine et causer des blessures graves ou mortelles.
N'attachez pas la ceinture de sécurité si l'arceau de sécurité est abaissé.
N'abaissez l'arceau de sécurité qu'en cas d'absolue nécessité; relevez-le aussitôt que possible après avoir passé l'obstacle.
En cas de retournement de la machine, portez-la chez un dépositaire-réparateur agréé pour faire réviser le système antiretournement (ROPS).
Utilisez uniquement des accessoires et fixations agréés par Toro pour le système ROPS.
Les pentes augmentent significativement les risques de perte de contrôle et de retournement de la machine pouvant entraîner des accidents graves, voire mortels. L'utilisateur est responsable de la sécurité d'utilisation de la machine sur les pentes. L'utilisation de la machine sur une pente, quelle qu'elle soit, demande une attention particulière. Avant d'utiliser la machine sur une pente, vous devez :
Lire et comprendre les instructions relatives à l'utilisation sur les pentes qui figurent dans le manuel et sur la machine.
Utiliser l'indicateur d'angle pour déterminer l'angle approximatif de la pente sur laquelle vous devez travailler.
Ne travaillez jamais sur des pentes de plus de 15°.
Évaluer chaque jour l'état du terrain pour déterminer si la pente permet d'utiliser la machine sans risque. Faites preuve de bon sens et de discernement lors de cette évaluation. Les conditions changeantes du terrain, telle l'humidité, peuvent rapidement modifier le fonctionnement de la machine sur les pentes.
Repérez les dangers potentiels depuis le bas de la pente. N'utilisez pas la machine près de fortes dénivellations, fossés, berges, étendues d'eau ou autres dangers. La machine pourrait se retourner brusquement si une roue passe par-dessus une dénivellation quelconque et se retrouve dans le vide, ou si un bord s'effondre. Maintenez une distance de sécurité (deux fois la largeur de la machine) entre la machine et tout danger potentiel. Utilisez une tondeuse autotractée ou une débroussailleuse manuelle pour tondre sur ce type de terrain.
Évitez de démarrer, de vous arrêter ou de tourner sur les pentes. Ne changez pas soudainement de vitesse ou de direction; tournez lentement et graduellement.
N'utilisez pas la machine si l'adhérence, la direction ou la stabilité peuvent être compromises. Tenez compte du fait qu'une perte de l'adhérence peut se produire sur l'herbe humide, en travers des pentes ou dans les descentes. La perte d'adhérence des roues motrices peut faire déraper la machine et entraîner la perte du freinage et de la direction. La machine peut déraper même si les roues motrices ne tournent plus.
Enlevez ou balisez les obstacles tels que fossés, trous, ornières, bosses, rochers ou autres dangers cachés. L'herbe haute peut masquer les accidents du terrain. Les irrégularités du terrain peuvent provoquer le retournement de la machine.
Redoublez de prudence lorsque vous utilisez la machine équipée d'outils ou d'accessoires, tels des systèmes de ramassage. Ceux-ci peuvent modifier la stabilité et entraîner la perte de contrôle de la machine. Suivez les instructions d'utilisation des contrepoids.
Dans la mesure du possible, gardez le tablier de coupe abaissé au sol quand vous utilisez la machine sur des pentes. La machine peut devenir instable si vous levez le tablier de coupe pendant l'utilisation sur une pente.

Serrez toujours le frein de stationnement lorsque vous arrêtez la machine ou que vous la laissez sans surveillance.
Garez la machine sur une surface plane et horizontale.


La commande des lames (PDF) permet de démarrer et d'arrêter la rotation des lames et des autres accessoires qu'elle entraîne.
Note: Les courroies d'entraînement subissent une usure excessive si la commande des lames (PDF) est engagée alors que la commande d'accélérateur est à mi-course ou moins.


Vous pouvez déplacer la commande d'accélérateur entre les positions HAUT RéGIME et BAS RéGIME (Figure 19).
Sélectionnez toujours la position HAUT RéGIME quand vous engagez la PDF.

Important: N'actionnez pas le démarreur plus de 5 secondes de suite. Si le moteur ne démarre pas, attendez 15 secondes avant de faire une nouvelle tentative. Le démarreur risque de griller si vous ne respectez pas ces consignes.
Note: Plusieurs tentatives peuvent être nécessaires pour démarrer le moteur pour la première fois après le remplissage du système d'alimentation si ce dernier était complètement vide.

Les enfants ou les personnes à proximité peuvent se blesser s'ils déplacent la machine ou essayent de l'utiliser lorsqu'elle est laissée sans surveillance.
Retirez toujours la clé et serrez le frein de stationnement si vous laissez la machine sans surveillance.

Important: Pour éviter les fuites de carburant, vérifiez que le robinet d'arrivée de carburant est bien fermé avant de transporter ou de remiser la machine. Serrez le frein de stationnement avant de transporter la machine. N'oubliez pas de retirer la clé du commutateur d'allumage, car la pompe d'alimentation pourrait se mettre en marche et décharger la batterie.

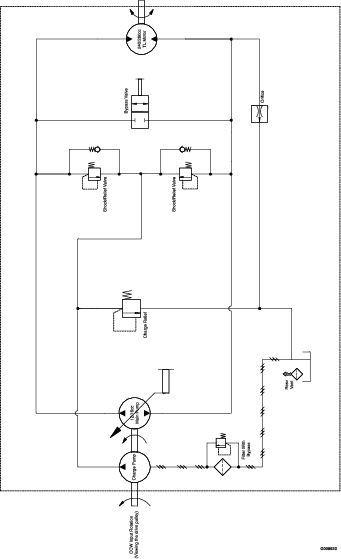
Les roues motrices tournent indépendamment et sont entraînées par les moteurs hydrauliques sur chaque essieu. Vous pouvez faire tourner un côté en arrière pendant que l'autre tourne en avant, ce qui fait pivoter la machine au lieu de la faire changer de direction. La maniabilité de la machine en est grandement améliorée, mais cette manière de conduire pourra demander un certain temps d'adaptation.
La commande d'accélérateur agit sur le régime moteur qui se mesure en tours/minute (tr/min). Placez la commande d'accélérateur en position HAUT RéGIME pour obtenir des performances optimales. Pour travailler, placez toujours la commande d'accélérateur en position Haut régime (plein gaz).
La machine peut tourner très rapidement. Vous risquez de perdre le contrôle de la machine et de vous blesser gravement ou d'endommager la machine.
Faites preuve d'une extrême prudence dans les virages.
Ralentissez avant de prendre des virages serrés.
Note: Le moteur s'arrête si vous actionnez les leviers de commande de déplacement alors que le frein de stationnement est serré.
Pour arrêter la machine, tirez les leviers de commande de déplacement en position POINT MORT.
Desserrez le frein de stationnement.
Amenez les leviers de commande de déplacement au centre, en position déverrouillée.
Pour vous déplacer en marche avant, poussez lentement les leviers de commande de déplacement vers l'avant (Figure 23).

Amenez les leviers de commande de déplacement au centre, en position déverrouillée.
Pour vous déplacer en marche arrière, tirez lentement les leviers en arrière (Figure 24).

La tondeuse est équipée d'un déflecteur d'herbe pivotant qui permet de disperser les déchets de tonte sur le côté et à la surface de la pelouse.
Si le déflecteur d'herbe, l'obturateur d'éjection ou le bac à herbe complet n'est pas en place sur la machine, vous-même ou d'autres personnes peuvent être touchés par une lame ou des projections de débris. Les lames en rotation et les débris projetés peuvent occasionner des blessures graves ou mortelles.
N'enlevez jamais le déflecteur d'herbe du tablier de coupe, sa présence est nécessaire pour diriger l'herbe coupée sur la pelouse. Si le déflecteur d'herbe est endommagé, remplacez-le immédiatement.
Ne mettez jamais les mains ou les pieds sous le tablier de coupe.
N'essayez jamais de dégager l'ouverture d'éjection ou les lames sans avoir au préalable amené la commande des lames (PDF) en position DéSENGAGéE, tourné la clé de contact en position ARRêT et enlevé la clé.
Vérifiez que le déflecteur d'herbe est abaissé.
Le verrou de transport s'utilise avec la pédale de levage du tablier et a 2 positions : une position de VERROUILLAGE et une position de DéVERROUILLAGE pour le transport du tablier de coupe (Figure 25).

Vous pouvez régler la hauteur de coupe entre 25 et 140 mm (1 et 5½ po) par paliers de 6 mm (¼ po) suivant le trou dans lequel vous placez l'axe de chape.
Placez le verrou de transport en position verrouillée.
Appuyez sur la pédale de levage du tablier avec le pied et levez le tablier en position de transport (qui est aussi la position de hauteur de coupe de 140 mm [5½ po]), comme montré à la Figure 26.
Pour changer de hauteur de coupe, tournez la goupille de 90 degrés retirez-la du support de hauteur de coupe (Figure 26).
Placez la goupille dans le trou du support correspondant à la hauteur de coupe voulue (Figure 26).
Appuyez sur la pédale de levage du tablier, tirez le verrou de transport en arrière et abaissez lentement le tablier de coupe.

Ajustez la hauteur des galets anti-scalp chaque fois que vous modifiez la hauteur de coupe.
Garez la machine sur une surface plane et horizontale, désengagez la commande des lames et serrez le frein de stationnement.
Avant de quitter la position d'utilisation, coupez le moteur, enlevez la clé et attendez l'arrêt complet de toutes les pièces mobiles.
Réglez les galets anti-scalp comme montré à la Figure 27, la Figure 28 et la Figure 29.



Cette procédure ne concerne que les machines équipées du bouton de réglage de débit d'éjection. Certains modèles sont munis d'écrous et de boulons au lieu du bouton de réglage de débit d'éjection, mais le réglage reste le même.
Vous pouvez régler le débit d'éjection de la tondeuse en fonction des conditions de tonte. Positionnez le bouton et le déflecteur de manière à obtenir la meilleure qualité de coupe possible.
Garez la machine sur une surface plane et horizontale, désengagez la commande des lames et serrez le frein de stationnement.
Avant de quitter la position d'utilisation, coupez le moteur, enlevez la clé et attendez l'arrêt complet de toutes les pièces mobiles.
Desserrez le bouton.
Poussez le bouton à la position voulue.
Resserrez le bouton.
Les figures suivantes ne sont données qu'à titre indicatif. Les réglages varient selon le type, l'humidité et la hauteur de l'herbe.
Note: Si le moteur perd de la puissance et si la tondeuse continue de se déplacer à la même vitesse, ouvrez le déflecteur.
Il s'agit de la position la plus en arrière. Il est conseillé d'utiliser cette position dans les cas suivants :
Quand l'herbe est courte et peu épaisse
Quand l'herbe est sèche
Pour couper l'herbe plus finement
Pour propulser les brins d'herbe plus loin

Utilisez cette position avec le bac à herbe. Alignez-le toujours sur l'ouverture du ventilateur.

Il s'agit de la position la plus en avant. Il est conseillé d'utiliser cette position dans les cas suivants :
Quand l'herbe est haute et drue
Quand l'herbe est humide
Pour réduire la consommation de carburant
Pour augmenter la vitesse de déplacement lorsque l'herbe est lourde

Pour obtenir une circulation d'air maximale et des résultats optimaux, faites tourner le moteur à HAUT RéGIME. L'air doit pouvoir circuler pour bien couper l'herbe. Pour cette raison, ne sélectionnez pas une hauteur de coupe trop basse car le tablier de coupe serait alors complètement entouré d'herbe haute. Placez-vous toujours de sorte qu'un côté du tablier de coupe se trouve à l'extérieur de la zone non coupée. L'air pourra ainsi circuler librement dans le tablier de coupe.
Tondez l'herbe légèrement plus haut que d'habitude pour éviter de scalper les inégalités du terrain. La hauteur de coupe habituelle est cependant celle qui convient le mieux en général. Si la hauteur de l'herbe dépasse 15 cm (6 po), vous devrez peut-être vous y reprendre à deux fois pour obtenir un résultat acceptable.
L'idéal est de ne raccourcir l'herbe que du tiers de sa hauteur. Une coupe plus courte est déconseillée, à moins que l'herbe ne soit clairsemée, ou en automne lorsque la pousse commence à ralentir.
Alternez le sens des passages pour ne pas coucher l'herbe. L'alternance permet aussi de mieux disperser l'herbe coupée, ce qui améliore la décomposition et la fertilisation.
L'herbe pousse plus ou moins vite selon la saison. Pour conserver une hauteur de coupe régulière, tondez plus souvent au début du printemps. Réduisez la fréquence de tonte au milieu de l'été, lorsque l'herbe pousse moins vite. Si le gazon n'a pas été tondu depuis un certain temps, tondez une première fois assez haut, puis un peu plus bas 2 jours plus tard.
Ralentissez pour améliorer la qualité de la coupe dans certaines conditions.
Si le gazon est irrégulier, augmentez la hauteur de coupe pour éviter de le scalper en tondant.
Si vous immobilisez la machine en cours de tonte, un paquet d'herbe coupée peut tomber sur la pelouse. Pour éviter cela, rendez-vous dans une zone déjà tondue en laissant les lames engagées ou désengagez le tablier de coupe pendant la marche avant de la machine.
Nettoyez le dessous du tablier de coupe après chaque utilisation. Ne laissez pas l'herbe et la terre s'accumuler à l'intérieur, car la qualité de la tonte finira par en souffrir.
Utilisez une lame bien aiguisée durant toute la saison de tonte, pour obtenir une coupe nette sans arracher ni déchiqueter les brins d'herbe. L'herbe arrachée ou déchiquetée brunit sur les bords, sa croissance ralentit et elle devient plus sensible aux maladies. Après chaque utilisation, vérifiez l'état, l'usure et l'affûtage des lames. Limez les entailles éventuelles et aiguisez les lames au besoin. Remplacez immédiatement les lames endommagées ou usées par des lames Toro d'origine.
Avant de quitter la position d'utilisation, coupez le moteur, enlevez la clé et attendez l'arrêt complet de toutes les pièces mobiles. Laissez refroidir la machine avant de la régler, la réparer, la nettoyer, la remiser ou de faire le plein de carburant.
Pour éviter les risques d'incendie, enlevez les débris d'herbe et autres agglomérés sur l'unité de coupe, les entraînements, le bac à herbe et le compartiment moteur. Nettoyez les coulées éventuelles d'huile ou de carburant.
Coupez le moteur et enlevez la clé avant de remiser ou de transporter la machine.
Le robinet d'arrivée de carburant est situé sous le siège. Avancez le siège pour y accéder.
Fermez le robinet d'arrivée de carburant pour transporter, réviser ou remiser la machine.
Vérifiez que le robinet d'arrivée de carburant est ouvert avant de démarrer le moteur.

Vous pouvez vous coincer les mains dans les composants d'entraînement en rotation situés sous le plancher moteur, et subir des blessures graves.
Coupez le moteur, enlevez la clé et attendez l'arrêt complet de toutes les pièces mobiles avant d'accéder aux valves de déblocage des roues motrices.
Le moteur et les unités motrices hydrauliques peuvent devenir très chauds. Vous pouvez vous brûler gravement au contact du moteur ou des unités motrices hydrauliques chauds.
Laissez complètement refroidir le moteur et les unités motrices hydrauliques avant d'accéder aux valves de déblocage des roues motrices.
La machine peut se déplacer inopinément lorsque les leviers des vannes de déblocage sont en position verticale en avant et vous blesser ou blesser toute personne à proximité.
Tournez les leviers des vannes de déblocage en position horizontale après avoir déplacé la machine.
Les valves de déblocage des roues motrices se trouvent à l'arrière de chaque unité motrice hydraulique, sous le siège.
Note: Vérifiez que les vannes de déblocage sont complètement horizontales quand vous utilisez la machine, sinon le système hydraulique peut être gravement endommagé.
Garez la machine sur une surface plane et horizontale, désengagez la commande des lames et serrez le frein de stationnement.
Avant de quitter la position d'utilisation, coupez le moteur, enlevez la clé et attendez l'arrêt complet de toutes les pièces mobiles.
Tournez les leviers des vannes de déblocage en position verticale pour pousser la machine (Figure 34).
Note: Cela permet au liquide hydraulique de contourner la pompe et aux roues de tourner.
Desserrez le frein de stationnement avant de pousser la machine.

Tournez les leviers des vannes de déblocage en position horizontale pour utiliser la machine (Figure 34).
Transportez la machine sur une remorque de poids-lourd ou un camion. Utilisez une rampe d'une seule pièce. Le camion ou la remorque doit être équipé(e) des freins, des éclairages et de la signalisation exigés par la loi. Lisez attentivement toutes les consignes de sécurité. Tenez-en compte pour éviter de vous blesser ou de blesser des personnes à proximité. Reportez-vous aux ordonnances locales concernant les exigences d'arrimage et de remorquage.
Il est dangereux de conduire sur la voie publique sans clignotants, éclairages, réflecteurs ou panneau « véhicule lent »; vous risquez de provoquer un accident et de vous blesser.
Ne conduisez pas la machine sur la voie publique.
Le chargement de la machine sur une remorque ou un camion augmente le risque de basculement, et donc de blessures graves ou mortelles (Figure 35).
Utilisez uniquement une rampe pleine largeur; n'utilisez pas de rampes séparées de chaque côté de la machine.
L'angle entre la rampe et le sol, ou entre la rampe et la remorque ou le camion, ne doit pas dépasser 15 degrés.
La rampe doit être au moins quatre fois plus longue que la hauteur de la remorque ou du plateau de chargement par rapport au sol. De la sorte, l'angle de la rampe ne dépassera pas 15 degrés sur un sol plat.

Le chargement de la machine sur une remorque ou un camion augmente le risque de basculement et donc de blessures graves ou mortelles.
Procédez avec la plus grande prudence lorsque vous manœuvrez la machine sur une rampe.
Montez la rampe en marche arrière et descendez-la en marche avant.
Évitez d'accélérer ou de décélérer brutalement lorsque vous conduisez la machine sur une rampe car vous pourriez en perdre le contrôle ou la faire basculer.
Si vous utilisez une remorque, attelez-la au véhicule tracteur et attachez les chaînes de sécurité.
Le cas échéant, raccordez les freins et connectez l'éclairage de la remorque.
Abaissez la rampe pour que l'angle avec le sol ne dépasse pas 15 degrés (Figure 35).
Montez la rampe en marche arrière (Figure 36).

Coupez le moteur, enlevez la clé et serrez le frein de stationnement.
Arrimez la machine près des roues pivotantes avant et du cadre arrière à l'aide de sangles, chaînes, câbles ou cordes (Figure 37). Reportez-vous à la réglementation locale concernant les exigences en matière d'arrimage.

Si vous laissez la clé dans le commutateur d'allumage, quelqu'un pourrait mettre le moteur en marche accidentellement et vous blesser gravement, ainsi que toute personne à proximité. Avant tout entretien, retirez la clé du commutateur d'allumage.
Avant de quitter la position d'utilisation, effectuez la procédure suivante :
Garez la machine sur une surface plane et horizontale.
Débrayez les entraînements.
Serrez le frein de stationnement.
Coupez le moteur et enlevez la clé.
Laissez refroidir les composants de la machine avant d'effectuer un entretien.
Ne confiez pas l'entretien de la machine à des personnes non qualifiées.
N'approchez jamais les mains ou les pieds des pièces mobiles ou des surfaces chaudes. Dans la mesure du possible, évitez d'effectuer des réglages sur la machine quand le moteur est en marche.
Libérez la pression emmagasinée dans les composants avec précaution.
Vérifiez souvent le fonctionnement du frein de stationnement. Effectuez les réglages et l'entretien éventuellement requis.
N'enlevez et ne modifiez jamais les dispositifs de sécurité. Vérifiez régulièrement qu'ils fonctionnent correctement.
Pour éviter les risques d'incendie, enlevez les débris d'herbe et autres agglomérés sur l'unité de coupe, le silencieux, les entraînements, le bac à herbe et le compartiment moteur.
Nettoyez les coulées éventuelles d'huile ou de carburant et éliminez les débris imbibés de carburant.
Ne vous fiez pas uniquement à des crics hydrauliques ou mécaniques pour soutenir la machine; soutenez-la avec des chandelles quand vous la soulevez.
Maintenez toutes les pièces en bon état de marche et toutes les fixations bien serrées, surtout la visserie de fixation des lames. Remplacez tous les autocollants usés ou endommagés.
Débranchez la batterie avant de réparer la machine. Débranchez la borne négative de la batterie avant la borne positive. Rebranchez la borne positive avant la borne négative.
Pour garantir un rendement optimal, utilisez uniquement des pièces de rechange et accessoires Toro d'origine. Les pièces de rechange et accessoires d'autres constructeurs peuvent être dangereux et leur utilisation risque d'annuler la garantie de la machine.
| Périodicité d'entretien | Procédure d'entretien |
|---|---|
| Après les 100 premières heures de fonctionnement |
|
| Après les 250 premières heures de fonctionnement |
|
| À chaque utilisation ou une fois par jour |
|
| Après chaque utilisation |
|
| Toutes les 50 heures |
|
| Toutes les 100 heures |
|
| Toutes les 100 heures ou tous les ans, la première échéance prévalant |
|
| Toutes les 250 heures |
|
| Toutes les 400 heures |
|
| Toutes les 400 heures ou tous les ans, la première échéance prévalant |
|
| Toutes les 500 heures |
|
| Toutes les 600 heures |
|
| Chaque mois |
|
| Une fois par an |
|
| Une fois par an ou avant le remisage |
|
Important: Reportez-vous au manuel du propriétaire du moteur pour toutes procédures d'entretien supplémentaires.
Si vous laissez la clé dans le commutateur d'allumage, quelqu'un pourrait mettre le moteur en marche accidentellement et vous blesser gravement, ainsi que toute personne à proximité.
Coupez le moteur et enlevez la clé du commutateur d'allumage avant d'effectuer un entretien.
Graissez la machine plus fréquemment si vous travaillez dans une atmosphère sale ou poussiéreuse.
Type de graisse : graisse nº 2 au lithium ou au molybdène.
Garez la machine sur une surface plane et horizontale, désengagez la commande des lames et serrez le frein de stationnement.
Avant de quitter la position d'utilisation, coupez le moteur, enlevez la clé et attendez l'arrêt complet de toutes les pièces mobiles.
Nettoyez les graisseurs avec un chiffon.
Note: Grattez la peinture qui pourrait se trouver sur l'avant des graisseurs.
Raccordez un pistolet de graissage au graisseur.
Injectez de la graisse dans les graisseurs jusqu'à ce qu'elle commence à sortir des roulements.
Essuyez tout excès de graisse.
| Périodicité d'entretien | Procédure d'entretien |
|---|---|
| Toutes les 100 heures |
|
Graissez les pivots de levage du tablier avec une huile légère ou lubrifiant en aérosol.

| Périodicité d'entretien | Procédure d'entretien |
|---|---|
| Une fois par an |
|
Garez la machine sur une surface plane et horizontale, désengagez la commande des lames et serrez le frein de stationnement.
Avant de quitter la position d'utilisation, coupez le moteur, enlevez la clé et attendez l'arrêt complet de toutes les pièces mobiles.
Graissez le pivot de la poulie de tension du tablier de coupe jusqu'à ce que la graisse ressorte par le bas (Figure 39).

Graissez le bras de la poulie de tension de la courroie d'entraînement (Figure 40).

Retirez les capuchons protecteurs et réglez les pivots des roues pivotantes.
Note: Ne remettez pas les protège-moyeux avant d'avoir terminé le graissage.
Retirez le bouchon hexagonal.
Vissez un graisseur dans l'orifice.
Injectez de la graisse dans le graisseur jusqu'à ce qu'elle ressorte autour du roulement supérieur.
Sortez le graisseur de l'orifice.
Remettez le bouchon hexagonal et le protège-moyeu en place (Figure 41).

Graissez les roulements des roues pivotantes (Figure 41).
| Périodicité d'entretien | Procédure d'entretien |
|---|---|
| Toutes les 400 heures |
|
| Une fois par an |
|
Garez la machine sur une surface plane et horizontale, désengagez la commande des lames et serrez le frein de stationnement.
Avant de quitter la position d'utilisation, coupez le moteur, enlevez la clé et attendez l'arrêt complet de toutes les pièces mobiles.
Déposez le couvre-moyeu et réglez les pivots des roues pivotantes. Ne reposez pas le couvre-moyeu avant d'avoir terminé le graissage; voir Réglage du roulement de pivot de roue pivotante.
Retirez le bouchon hexagonal.
Vissez un graisseur dans l'orifice.
Injectez de la graisse dans le graisseur jusqu'à ce qu'elle ressorte autour du roulement supérieur.
Sortez le graisseur de l'orifice. Remettez le bouchon hexagonal et le couvre-moyeu en place.
| Périodicité d'entretien | Procédure d'entretien |
|---|---|
| Une fois par an |
|
Garez la machine sur une surface plane et horizontale, désengagez la commande des lames et serrez le frein de stationnement.
Avant de quitter la position d'utilisation, coupez le moteur, enlevez la clé et attendez l'arrêt complet de toutes les pièces mobiles.
Levez le tablier de coupe pour permettre l'accès.
Déposez la roue pivotante de la fourche.
Déposez les protège-joints du moyeu de roue.

Déposez un des écrous d'écartement de l'arbre de la roue pivotante.
Note: Du frein-filet a été appliqué pour bloquer les écrous d'écartement sur l'arbre de roue.
Déposez l'arbre de la roue (en laissant l'autre écrou d'écartement en place).
Faites levier pour déposer les joints, et vérifiez l'état et l'usure des roulements; remplacez-les au besoin.
Garnissez les roulements de graisse universelle.
Insérez 1 roulement, assorti d'un joint neuf, dans la roue.
Si les deux écrous d'écartement sont absents de l'arbre de roue, appliquez du frein-filet sur l'un d'entre eux et vissez-le sur l'arbre de roue, méplats tournés vers l'extérieur.
Note: Ne vissez pas complètement l'écrou d'écartement au bout de l'arbre de roue. Laissez environ 3 mm (⅛ po) entre la surface extérieure de l'écrou d'écartement et l'extrémité de l'arbre de roue dans l'écrou.
Insérez l'ensemble écrou et arbre de roue dans la roue, du côté roulement et joint neuf.
L'extrémité ouverte de la roue étant tournée vers le haut, garnissez de graisse universelle la zone à l'intérieur de la roue autour de l'arbre.
Insérez le second roulement, assorti d'un joint neuf, dans la roue.
Appliquez du frein-filet sur le filetage du second écrou d'écartement et vissez-le sur l'arbre de roue, les méplats tournés vers l'extérieur.
Serrez l'écrou à un couple de 8 à 9 N·m (75 à 80 po-lb), desserrez-le puis resserrez-le à un couple de 2 à 3 N·m (20 à 25 po-lb).
Note: Attention à ne pas faire dépasser l'arbre de roue de l'écrou.
Posez les protège-joints sur le moyeu, puis insérez la roue dans la fourche pivotante.
Montez le boulon et serrez l'écrou à fond.
Important: Pour éviter les dommages au joint et au roulement, vérifiez souvent le réglage du roulement. Faites tourner la roue pivotante. Elle ne doit pas tourner librement (plus de 1 ou 2 tours) ni présenter de jeu latéral. Si la roue tourne librement, ajustez l'écrou d'écartement jusqu'à ce que vous sentiez une légère résistance. Appliquez une autre couche de frein-filet.
Gardez les mains, les pieds, le visage et toute autre partie du corps ainsi que les vêtements à l'écart du silencieux et autres surfaces brûlantes. Laissez refroidir les composants du moteur avant d'effectuer tout entretien.
Ne modifiez pas le réglage du régulateur et ne faites pas tourner le moteur à un régime excessif.
| Périodicité d'entretien | Procédure d'entretien |
|---|---|
| Toutes les 600 heures |
|
Note: Nettoyez le filtre à air plus fréquemment si vous travaillez dans des conditions très poussiéreuses ou sableuses.
Garez la machine sur une surface plane et horizontale, placez la commande des lames (PDF) en position désengagée et serrez le frein de stationnement.
Avant de quitter la position d'utilisation, coupez le moteur, enlevez la clé et attendez l'arrêt complet de toutes les pièces mobiles.
Ouvrez les dispositifs de verrouillage du filtre à air et détachez le couvercle du boîtier du filtre (Figure 43).

Nettoyez l'intérieur du couvercle du filtre à l'air comprimé.
Sortez le préfiltre du boîtier du filtre avec précaution (Figure 43).
Note: Évitez de cogner l'élément à l'intérieur du boîtier.
Ne déposez l'élément de sécurité que si vous devez le remplacer.
Examinez l'élément de sécurité. S'il est encrassé, remplacez à la fois l'élément de sécurité et le préfiltre.
Important: N'essayez pas de nettoyer l'élément de sécurité. Si l'élément de sécurité est encrassé, cela signifie que le préfiltre est endommagé.
Vérifiez l'état du préfiltre en le plaçant devant une lumière forte. Remplacez le préfiltre s'il est encrassé, plié ou endommagé.
Note: Les trous éventuels apparaîtront sous forme de points brillants. Ne nettoyez pas le préfiltre.
Important: Pour ne pas endommager le moteur, ne le faites jamais tourner sans que les deux éléments et le couvercle du filtre à air soient en place.
Si vous montez des éléments filtrants neufs, vérifiez qu'ils n'ont pas souffert pendant le transport.
Note: N'utilisez pas les éléments s'ils sont endommagés.
Si vous remplacez l'élément intérieur, insérez-le avec précaution dans le boîtier du filtre (Figure 43).
Placez ensuite le préfiltre sur l'élément de sécurité avec le même soin (Figure 43).
Note: Vérifiez que le préfiltre est bien engagé en position en appuyant sur son bord extérieur lors de la pose.
Important: N'appuyez pas sur la partie intérieure souple du filtre.
Remettez en place et verrouillez le couvercle du filtre à air (Figure 43).
| Périodicité d'entretien | Procédure d'entretien |
|---|---|
| À chaque utilisation ou une fois par jour |
|
| Toutes les 500 heures |
|
Type d'huile : huile détergente (classe de service API SF, SG, SH, SJ ou SL)
Capacité du réservoir d'huile : 4,73 L (5 ptes américaines) avec filtre neuf
Viscosité : Toro Synthetic 10W-50 pour toutes températures
Note: Contrôlez le niveau d'huile quand le moteur est froid.
Important: Si le réservoir d'huile est trop ou pas assez rempli d'huile et que vous faites tourner le moteur, ce dernier risque d'être endommagé.
Garez la machine sur une surface plane et horizontale, placez la commande des lames (PDF) en position désengagée et serrez le frein de stationnement.
Avant de quitter la position d'utilisation, coupez le moteur, enlevez la clé et attendez l'arrêt complet de toutes les pièces mobiles.
Nettoyez la surface autour de la jauge et du bouchon de remplissage d'huile.
Retirez la jauge d'huile et essuyez-la soigneusement (Figure 44).
Note: Ne tordez pas la jauge.

Remettez la jauge en place et vérifiez qu'elle se verrouille en position (Figure 45).

Sortez de nouveau la jauge et vérifiez le niveau d'huile.
Le niveau d'huile doit atteindre le repère maximum sur la jauge (Figure 44).
Note: Ne tordez pas la jauge.
Si le niveau d'huile est trop bas, ouvrez le bouchon de remplissage d'huile (Figure 46).

Versez lentement l'huile spécifiée dans le réservoir.
Important: Ne remplissez pas excessivement.
Vérifiez le niveau d'huile après avoir fait l'appoint.
Remettez la jauge en place et vérifiez qu'elle se verrouille en position (Figure 45).
Refermez le bouchon de remplissage d'huile.
Note: Débarrassez-vous de l'huile usagée dans un centre de recyclage.
Démarrez le moteur et laissez-le tourner pendant 5 minutes.
Note: Cela permet de réchauffer l'huile, qui s'écoule alors plus facilement.
Garez la machine en plaçant le côté de la vidange légèrement plus bas que l'autre côté, pour permettre à toute l'huile de s'écouler.
Désengagez la commande des lames (PDF) et serrez le frein de stationnement.
Avant de quitter la position d'utilisation, coupez le moteur, enlevez la clé et attendez l'arrêt complet de toutes les pièces mobiles.
Ouvrez le bouchon de remplissage d'huile.
Placez un bac de vidange sous la vanne de vidange (Figure 47).

Ouvrez la vanne de vidange et vidangez l'huile.
Refermez complètement la vanne.
Déposez le filtre à huile moteur (Figure 48)

Posez le filtre à huile neuf.
Remplissez le réservoir d'huile avec une huile neuve du type correct; voir Spécifications de l’huile moteur.
Refermez le bouchon de remplissage d'huile.
Vérifiez le niveau d'huile; voir Contrôle du niveau d'huile moteur.
Démarrez et faites tourner le moteur. Pendant que le moteur chauffe, recherchez d'éventuelles fuites d'huile.
Après avoir vérifié l'absence de fuites, coupez le moteur et retirez la clé.
| Périodicité d'entretien | Procédure d'entretien |
|---|
Avant de monter une bougie, vérifiez si l'écartement entre l'électrode centrale et l'électrode latérale est correct. Utilisez une clé à bougies pour déposer et reposer les bougies, et une jauge d'épaisseur pour contrôler et régler l'écartement des électrodes. Remplacez la bougie au besoin.
Type de bougie : Briggs and Stratton 491055
Écartement des électrodes : 0,75 mm (0,03 po)
Garez la machine sur une surface plane et horizontale, placez la commande des lames (PDF) en position désengagée et serrez le frein de stationnement.
Avant de quitter la position d'utilisation, coupez le moteur, enlevez la clé et attendez l'arrêt complet de toutes les pièces mobiles.
Nettoyez la surface autour de la base de la bougie pour empêcher la poussière et les débris de pénétrer dans le moteur.
Localisez et retirez la ou les bougies comme montré à la Figure 49.


Important: Ne nettoyez pas la ou les bougies. Remplacez toujours les bougies si elles sont recouvertes d'un dépôt noir ou d'une couche grasse, si elles sont fissurées ou si les électrodes sont usées.
Si l'isolateur est recouvert d'un léger dépôt gris ou brun, le moteur fonctionne correctement. S'il est recouvert d'un dépôt noir, cela signifie généralement que le filtre à air est encrassé.
Réglez l'écartement des électrodes à 0,75 mm (0,03 po).


Dans certaines circonstances, le carburant est extrêmement inflammable et hautement explosif. Un incendie ou une explosion causé(e) par du carburant peut vous brûler, ainsi que toute personne à proximité, et causer des dommages matériels.
Vous trouverez une liste complète des consignes de sécurité liées au carburant sous Consignes de sécurité pour le carburant.
Cette machine est équipée d'un système d'injection électronique qui gère le débit de carburant en fonction des conditions d'utilisation.
Le module de commande électronique (ECU) surveille continuellement le fonctionnement du système EFI.
La DEL d’état s'allume en cas de détection d'un problème ou d'une anomalie du système. Le témoin d'anomalie (MIL) est le témoin rouge situé à droite du compteur horaire.
Lorsque le témoin d'anomalie s'allume, effectuez les premiers contrôles de diagnostic; voir la section sur la DEL d'état sous .
Si ces contrôles ne corrigent pas le problème, un autre diagnostic et un entretien par un dépositaire-réparateur agréé sont nécessaires.
| Périodicité d'entretien | Procédure d'entretien |
|---|
Le filtre à carburant est situé près du moteur, devant ou derrière.
Garez la machine sur une surface plane et horizontale, désengagez la commande des lames et serrez le frein de stationnement.
Avant de quitter la position d'utilisation, coupez le moteur, enlevez la clé et attendez l'arrêt complet de toutes les pièces mobiles.
Attendez que la machine soit froide.
Fermez le robinet d'arrivée de carburant sous le siège (Figure 52).

Pincez les extrémités des colliers et éloignez les colliers du filtre (Figure 52).
Déposez le filtre des conduites d'alimentation.
Posez un filtre neuf et rapprochez les colliers de fixation du filtre (Figure 52).
Ouvrez le robinet d'arrivée de carburant.
Important: Rebranchez les flexibles de carburant et fixez-les aux emplacements d'origine avec les attaches en plastique pour les maintenir à l'écart des composants susceptibles de les endommager.
N'essayez pas de vidanger le réservoir de carburant. Demandez à un dépositaire-réparateur agréé de vidanger le réservoir de carburant et d'effectuer l'entretien de tous les composants associés au circuit d'alimentation.
Débranchez la batterie avant de réparer la machine. Débranchez la borne négative de la batterie avant la borne positive. Rebranchez la borne positive avant la borne négative.
Chargez la batterie dans un endroit dégagé et bien aéré, à l'écart des flammes ou sources d'étincelles. Débranchez le chargeur avant de brancher ou de débrancher la batterie. Portez des vêtements de protection et utilisez des outils isolés.
| Périodicité d'entretien | Procédure d'entretien |
|---|---|
| Chaque mois |
|
Les bornes de la batterie ou les outils en métal peuvent causer des courts-circuits au contact des pièces métalliques de la machine et produire des étincelles. Les étincelles peuvent provoquer l'explosion des gaz de la batterie et vous blesser.
Lors du retrait ou de la mise en place de la batterie, évitez que les bornes touchent les parties métalliques de la machine.
Évitez de créer des courts-circuits entre les bornes de la batterie et les parties métalliques de la machine avec des outils en métal.
Si les câbles de la batterie ne sont pas débranchés correctement, la machine et les câbles peuvent être endommagés et produire des étincelles. Les étincelles peuvent provoquer l'explosion des gaz de la batterie et vous blesser.
Débranchez toujours le câble négatif (noir) de la batterie avant le câble positif (rouge).
Connectez toujours le câble positif (rouge) de la batterie avant le câble négatif (noir).
Garez la machine sur une surface plane et horizontale, placez la commande des lames (PDF) en position désengagée et serrez le frein de stationnement.
Avant de quitter la position d'utilisation, coupez le moteur, enlevez la clé et attendez l'arrêt complet de toutes les pièces mobiles.
Retirez la batterie, comme montré à la Figure 53.

La batterie en charge produit des gaz susceptibles d'exploser.
Ne fumez jamais et gardez la batterie éloignée des flammes et sources d'étincelles.
Important: Gardez toujours la batterie chargée au maximum (densité 1,265). Cela est particulièrement important pour prévenir la dégradation de la batterie si la température tombe en dessous de 0 °C (32 °F).
Déposez la batterie du châssis; voir Retrait de la batterie.
Chargez la batterie pendant 10 à 15 minutes entre 25 et 30 A, ou pendant 30 minutes à 10 A.
Note: Ne chargez pas la batterie excessivement.
Quand la batterie est chargée au maximum, débranchez le chargeur de la prise, puis débranchez les fils du chargeur des bornes de la batterie (Figure 54).
Placez la batterie dans la machine et raccordez les câbles de la batterie; voir Mise en place de la batterie.
Note: N'utilisez pas la machine si la batterie est débranchée, au risque d'endommager le système électrique.

Note: Placez la batterie dans son support en tournant les bornes à l'opposé du réservoir hydraulique (Figure 55).

Le système électrique est protégé par des fusibles. Il ne nécessite donc aucun entretien. Toutefois, si un fusible grille, vérifiez l'état de la pièce ou du circuit et assurez-vous qu'il n'y a pas de court-circuit.
Les fusibles se trouvent sur la console, à droite du siège (Figure 56).
Pour remplacer un fusible, tirez dessus pour l'enlever.
Remplacez le fusible (Figure 56).

| Périodicité d'entretien | Procédure d'entretien |
|---|---|
| À chaque utilisation ou une fois par jour |
|
Vérifiez que la ceinture de sécurité n'est pas usée ni entaillée, et que l'enrouleur et la boucle fonctionnent correctement. Remplacez la ceinture de sécurité si elle est endommagée.
| Périodicité d'entretien | Procédure d'entretien |
|---|---|
| À chaque utilisation ou une fois par jour |
|
Pour éviter de vous blesser, parfois mortellement, en vous retournant, gardez l'arceau de sécurité complètement déployé et bloqué dans cette position, et attachez la ceinture de sécurité.
Vérifiez que le siège est fixé à la machine.
Vérifiez que les fixations et les boutons sont en bon état.
Les boutons doivent être complètement engagés quand l'arceau de sécurité est relevé.
Note: Il faut parfois pousser en avant ou tirer en arrière la partie supérieure de l'arceau de sécurité pour engager complètement les deux boutons (Figure 57 et Figure 58).


Désengagez la commande de la lame (PDF).
Conduisez la machine jusqu'à une surface plane et dégagée, et amenez les leviers de commande de déplacement en position de VERROUILLAGE AU POINT MORT.
Placez la commande d'accélérateur à mi-course entre les positions BAS RéGIME et HAUT RéGIME.
Poussez les leviers de commande de déplacement en avant jusqu'à la butée dans la fente en T.
Vérifiez de quel côté la machine se déporte.
Serrez le frein de stationnement, coupez le moteur et retirez la clé.
Réglez les plaques de butée selon les besoins.
Si la machine se déporte à droite, desserrez les boulons et déplacez la plaque de butée gauche en arrière sur la fente en T gauche, jusqu'à ce qu'elle se déplace en ligne droite (Figure 59).
Si la machine se déporte à gauche, desserrez les boulons et déplacez la plaque de butée droite en arrière sur la fente en T droite, jusqu'à ce qu'elle se déplace en ligne droite (Figure 59).
Serrez les boulons de la plaque (Figure 59).

| Périodicité d'entretien | Procédure d'entretien |
|---|---|
| Toutes les 50 heures |
|
Les pneus arrière doivent être gonflés à 0,90 bar (13 psi). Les pneus mal gonflés peuvent compromettre la qualité et l'uniformité de la coupe. Contrôlez la pression lorsque les pneus sont froids pour obtenir un résultat plus précis.
Note: Les pneus avant sont du type semi-pneumatique et ne nécessitent pas de contrôle de la pression.

| Périodicité d'entretien | Procédure d'entretien |
|---|---|
| Après les 100 premières heures de fonctionnement |
|
| Toutes les 500 heures |
|
Contrôlez et serrez les écrous de roue à un couple de 122 à 129 N·m (90 à 95 pi-lb).
| Périodicité d'entretien | Procédure d'entretien |
|---|---|
| Après les 100 premières heures de fonctionnement |
|
| Toutes les 500 heures |
|
Vérifiez et assurez-vous que l'écrou crénelé est serré à un couple de 286 à 352 N⋅m (211 à 260 pi-lb).
Note: N'utilisez pas de produit antigrippant sur le moyeu de roue.

| Périodicité d'entretien | Procédure d'entretien |
|---|---|
| Toutes les 500 heures |
|
Garez la machine sur une surface plane et horizontale, placez la commande des lames (PDF) en position désengagée et serrez le frein de stationnement.
Avant de quitter la position d'utilisation, coupez le moteur, enlevez la clé et attendez l'arrêt complet de toutes les pièces mobiles.
Retirez le protège-moyeu de la roue pivotante et serrez le contre-écrou (Figure 62).
Continuez de serrer le contre-écrou jusqu'à ce que les rondelles élastiques soient aplaties, puis desserrez-le d'un quart de tour pour obtenir la précharge correcte des roulements (Figure 62).
Important: Veillez à placer les rondelles élastiques correctement, comme montré à la Figure 62.
Reposez le protège-moyeu (Figure 62).

Certains modèles plus récents sont construits avec des embrayages qui contiennent une cale de frein. Lorsque le frein d'embrayage est usé au point que l'embrayage ne s'engage plus systématiquement, vous pouvez retirer la cale pour prolonger la vie de l'embrayage.

Garez la machine sur une surface plane et horizontale, placez la commande des lames (PDF) en position désengagée et serrez le frein de stationnement.
Avant de quitter la position d'utilisation, coupez le moteur, enlevez la clé et attendez l'arrêt complet de toutes les pièces mobiles.
Soufflez de l'air comprimé sous le pôle et autour des entretoises du frein pour éliminer tout débris (Figure 64).

Vérifiez l'état des câbles, des connecteurs et des bornes du faisceau de câblage.
Note: Faites le nettoyage ou les réparations nécessaires.
Vérifiez qu'une tension de 12 V est appliquée au connecteur de l'embrayage quand la commande des lames (PDF) est engagée.
Mesurez l'entrefer entre le rotor et l'induit. Si l'entrefer est supérieur à 1 mm (0,04 po), procédez comme suit :
Desserrez les boulons de fixation du frein d'un demi à un tour complet, comme montré à la Figure 65.
Note: N'enlevez pas le pôle du frein de l'enveloppe de champ/l'induit. Le pôle du frein est usé au niveau de l'induit, ce qu'il doit continuer de faire après le retrait de la cale afin d'assurer un couple de freinage correct.

A l'aide d'une pince à becs longs ou avec les doigts, saisissez la languette et déposez la cale (Figure 66).
Note: Ne mettez pas la cale au rebut tant que l'embrayage ne fonctionne pas correctement.

Soufflez de l'air comprimé sous le pôle et autour des entretoises du frein pour éliminer tout débris.
Serrez chaque boulon (M6 x 1) à un couple de 12,3 à 13,2 N·m (9,5 à 10,5 pi-lb).
A l'aide d'une jauge d'épaisseur de 0,25 mm (0,01 po), vérifiez qu'il existe un entrefer entre le rotor et la face de l'induit, de chaque côté du pôle de frein, comme montré à la Figure 67 et la Figure 68.
Note: En raison de l'usure des faces du rotor et de l'induit (rugosité), il est parfois difficile de mesurer précisément l'entrefer.


Si l'entrefer est inférieur à 0,25 mm (0,01 po), mettez la cale en place.
Si l'entrefer est suffisant, passez au contrôle de sécurité de l'opération 6.
Effectuez le contrôle de sécurité suivant :
Asseyez-vous sur le siège et mettez le moteur en marche.
Les lames ne doivent pas s'engager quand la commande des lames (PDF) est en position DéSENGAGéE et l'embrayage est désengagé.
Si l'embrayage ne se désengage pas, remettez la cale en place.
Engagez et désengagez la commande des lames (PDF) 10 fois de suite pour vérifier que l'embrayage fonctionne correctement.
L'ingestion de liquide de refroidissement moteur peut être toxique; rangez-le hors de la portée des enfants et des animaux.
Les projections de liquide de refroidissement brûlant sous pression ou le contact avec le radiateur brûlant et les pièces qui l'entourent peuvent causer des brûlures graves.
Laissez toujours refroidir le moteur pendant au moins 15 minutes avant de retirer le bouchon de radiateur.
Servez-vous d'un chiffon pour ouvrir le bouchon du radiateur et desserrez-le lentement pour permettre à la vapeur de s'échapper.
| Périodicité d'entretien | Procédure d'entretien |
|---|---|
| À chaque utilisation ou une fois par jour |
|
Enlevez l'herbe, les saletés et autres débris éventuellement accumulés sur le refroidisseur d'huile et la grille du moteur (Figure 69).


Enlevez l'herbe, les saletés et autres débris éventuellement accumulés sur la grille du moteur. Cela permet d'assurer un refroidissement et un régime moteur corrects, et réduit les risques de surchauffe et de dommages mécaniques du moteur (Figure 66).
| Périodicité d'entretien | Procédure d'entretien |
|---|---|
| Toutes les 100 heures |
|
Garez la machine sur une surface plane et horizontale, placez la commande des lames (PDF) en position désengagée et serrez le frein de stationnement.
Avant de quitter la position d'utilisation, coupez le moteur, enlevez la clé et attendez l'arrêt complet de toutes les pièces mobiles.
Déposez la grille d'entrée d'air, le lanceur et le carter du ventilateur (Figure 70).
Débarrassez les pièces du moteur de l'herbe et des débris accumulés.
Remettez la grille d'entrée d'air, le lanceur et le carter du ventilateur (Figure 70).

| Périodicité d'entretien | Procédure d'entretien |
|---|---|
| À chaque utilisation ou une fois par jour |
|
Garez la machine sur une surface plane et horizontale, placez la commande des lames (PDF) en position désengagée et serrez le frein de stationnement.
Avant de quitter la position d'utilisation, coupez le moteur, enlevez la clé et attendez l'arrêt complet de toutes les pièces mobiles.
Avancez le siège.
Débarrassez les protections de l'unité hydraulique de l'herbe et des débris accumulés (Figure 71).
Positionnez le siège.


| Périodicité d'entretien | Procédure d'entretien |
|---|---|
| Après les 100 premières heures de fonctionnement |
|
| Toutes les 500 heures |
|
Vérifiez que le frein de stationnement est réglé correctement. Cette procédure doit être suivie après les 100 premières heures de fonctionnement ou chaque fois qu'un composant du frein est déposé ou remplacé.
Garez la machine sur une surface plane et horizontale, désengagez la commande des lames et serrez le frein de stationnement.
Avant de quitter la position d'utilisation, coupez le moteur, enlevez la clé et attendez l'arrêt complet de toutes les pièces mobiles.
Soulevez l'arrière de la machine et soutenez-le avec des chandelles.
Déposez les roues arrière de la machine.
Enlevez les débris éventuellement présents autour du frein.
Débloquez les roues motrices; voir Utilisation des valves de déblocage des roues motrices.
Desserrez le frein de stationnement.
Retirez l'axe de chape élastique de la tringlerie arrière et de l'étrier (Figure 72).

Desserrez l'écrou de blocage sur la tringlerie arrière.
Poussez le levier d'étrier en avant avec le doigt jusqu'à ce que la plaquette de frein touche le disque du moyeu.
Réglez la tringlerie arrière jusqu'à ce que l'axe de chape élastique puisse être inséré dans le trou du levier d'étrier.
Note: Pour allonger la tringlerie arrière, tournez la chape d'un tour vers l'extérieur.
Serrez l'écrou de blocage sur la tringlerie arrière (Figure 72).
Assurez-vous que le moyeu de roue bouge librement entre les plaquettes de frein de l'étrier.
Répétez les opérations 8 à 13 sur le côté droit.
Tournez la poignée de déblocage des roues motrices en position de marche; voir Utilisation des valves de déblocage des roues motrices.
Montez les roues arrière et serrez les écrous de roue à 129 N·m (95 pi-lb).
Retirez les chandelles.
Vous risquez de vous blesser gravement si vous utilisez la machine alors que le panneau de plancher est déposé, ou si vous ne déposez pas complètement le panneau de plancher pour procéder à l’entretien des composants qui sont dessous.
N'utilisez pas la machine avec le panneau de plancher déposé. Déposez complètement le panneau de plancher avant d‘entreprendre tout entretien dessous.
Pour déposer le panneau de plancher, soulevez-le et dégagez-le des ouvertures dans le cadre.

Pour poser le panneau de plancher, placez-le dans les ouvertures du cadre avant de l’abaisser en place.

| Périodicité d'entretien | Procédure d'entretien |
|---|---|
| Toutes les 50 heures |
|
Remplacez la courroie si elle est usée. La courroie peut montrer les signes d'usure suivants : grincement pendant la rotation, glissement des lames pendant la coupe, bords effilochés, traces de brûlures et fissures.
Garez la machine sur une surface plane et horizontale, placez la commande des lames (PDF) en position désengagée et serrez le frein de stationnement.
Avant de quitter la position d'utilisation, coupez le moteur, enlevez la clé et attendez l'arrêt complet de toutes les pièces mobiles.
Abaissez le tablier de coupe à la hauteur de coupe 76 mm (3 po).
Déposez les protège-courroies (Figure 75).

Insérez un rochet dans le trou carré du bras de la poulie de tension pour détendre le ressort de la poulie de tension (Figure 76).
Enlevez la courroie des poulies du tablier de coupe.
Enlevez le guide-courroie situé sur le bras de la poulie de tension rappelé par ressort (Figure 76).
Retirez la courroie existante.
Acheminez la courroie neuve autour des poulies du tablier de coupe et de la poulie d'embrayage, sous le moteur (Figure 76).

Montez le guide-courroie sur le bras de la poulie tension (Figure 76).
Insérez le rochet dans le trou carré et montez le ressort de la poulie de tension (Figure 76).
Note: Les extrémités du ressort doivent être engagées dans les rainures d'ancrage.
Posez les protège-courroies (Figure 77).

Garez la machine sur une surface plane et horizontale, placez la commande des lames (PDF) en position désengagée et serrez le frein de stationnement.
Avant de quitter la position d'utilisation, coupez le moteur, enlevez la clé et attendez l'arrêt complet de toutes les pièces mobiles.
Déposez la courroie du tablier de coupe; voir Remplacement de la courroie du tablier de coupe.
Soulevez la machine sur des chandelles (Figure 78).

Insérez un rochet dans le trou carré du bras de la poulie de tension pour déposer le ressort de la poulie de tension (Figure 78).
Décrochez le ressort de tension sur le cadre (Figure 78).
Retirez la courroie des poulies d'entraînement de l'unité hydraulique et de la poulie du moteur.
Placez une courroie neuve autour de la poulie du moteur et des 2 poulies d'entraînement.
Insérez un rochet dans le trou carré du bras de tension pour installer le ressort de la poulie de tension sur le cadre (Figure 78).
Reposez la courroie du tablier de coupe; voir Remplacement de la courroie du tablier de coupe.
Les leviers de commande ont 2 positions de réglage : haute et basse. Enlevez les boulons pour régler les leviers à la hauteur qui convient le mieux à l'utilisateur.
Garez la machine sur une surface plane et horizontale, placez la commande des lames (PDF) en position désengagée et serrez le frein de stationnement.
Avant de quitter la position d'utilisation, coupez le moteur, enlevez la clé et attendez l'arrêt complet de toutes les pièces mobiles.
Desserrez les boulons et les écrous à embase situés dans les leviers (Figure 79).
Réglez l'alignement avant/arrière des leviers en les plaçant tous deux à la position POINT MORT, puis faites-les coulisser jusqu'à ce qu'ils soient alignés, et serrez les boulons (Figure 80).


Si les extrémités des leviers se rencontrent; voir Réglage du pivot de verrouillage au point mort des commandes de déplacement.
Répétez la procédure pour régler les leviers de commande.
Les tringleries de commande de la pompe sont situées de chaque côté de la machine, sous le siège. Tournez l'écrou d'extrémité avec une clé à douille de ½ pouce pour effectuer des réglages extrêmement précis et empêcher ainsi la machine de bouger quand elle est au point mort. Les réglages doivent seulement être effectués pour le positionnement du point mort.
Le moteur et les roues motrices doivent tourner pour pouvoir effectuer les réglages. Les pièces mobiles et les surfaces brûlantes peuvent causer des blessures.
N'approchez pas les doigts, les mains ou les vêtements des pièces rotatives et des surfaces chaudes.
Garez la machine sur une surface plane, placez la commande des lames (PDF) en position désengagée, amenez les leviers de commande de déplacement en position de BLOCAGE DU POINT MORT et serrez le frein de stationnement.
Avant de quitter la position d'utilisation, coupez le moteur, enlevez la clé et attendez l'arrêt complet de toutes les pièces mobiles.
Appuyez sur la pédale de levage du tablier de coupe, enlevez la goupille de hauteur de coupe et abaissez le tablier de coupe au sol.
Soulevez l'arrière de la machine juste assez pour permettre aux roues motrices de tourner librement et placez des chandelles (ou des supports équivalents) sous la machine.
Débranchez les connexions électriques du contacteur de sécurité du siège situé sous le coussin de l'assise du siège.
Note: Le contacteur est intégré au siège.
Branchez temporairement un fil volant aux bornes du connecteur du faisceau de câblage principal.
Démarrez le moteur, faites-le tourner à plein régime et desserrez le frein de stationnement.
Note: Avant de démarrer le moteur, veillez à serrer le frein de stationnement et à écarter les leviers de commande de déplacement vers l'extérieur. Il n'est pas nécessaire que vous soyez assis sur le siège.
Laissez tourner le moteur 5 minutes au moins avec les leviers de commande en position de vitesse maximale en marche avant pour amener l'huile hydraulique à la température de service.
Note: Les leviers de commande de déplacement doivent être au point mort quand vous effectuez les réglages.
Amenez les leviers de commande de déplacement en position POINT MORT
Réglez la longueur des tiges de pompes en tournant les doubles écrous dans le sens voulu jusqu'à ce que les roues tournent légèrement en marche arrière (Figure 81).

Amenez les leviers de commande de déplacement en position MARCHE ARRIèRE et, tout en appuyant légèrement sur les leviers, laissez les ressorts d'indicateur de marche arrière ramener les leviers au point mort.
Note: Les roues doivent s'arrêter de tourner ou tourner légèrement en arrière.
Coupez le moteur.
Débranchez le fil volant du faisceau de câbles et branchez le connecteur au contacteur du siège.
Retirez les chandelles.
Levez le tablier de coupe et mettez la goupille de hauteur de coupe en place.
Assurez-vous que la machine ne se déplace pas au point mort quand le frein de stationnement est desserré.
Vous pouvez ajuster le boulon supérieur de fixation de l'amortisseur pour modifier la résistance du levier de commande de déplacement. Pour les options de montage, voir Figure 82.

Vous pouvez ajuster l'écrou à embase pour obtenir la résistance voulue du levier de commande de déplacement quand vous l'amenez en position de BLOCAGE DU POINT MORT. Voir les options de réglage à la Figure 83.
Desserrez l'écrou de blocage.
Serrez ou desserrez l'écrou à embase selon la résistance voulue.
Pour augmenter la résistance, serrez l'écrou à embase.
Pour réduire la résistance, desserrez l'écrou à embase.
Resserrez l'écrou de blocage.

Consultez immédiatement un médecin si du liquide est injecté sous la peau. Toute injection de liquide hydraulique sous la peau doit être éliminée dans les quelques heures qui suivent par une intervention chirurgicale réalisée par un médecin.
Vérifiez l'état de tous les flexibles et conduits hydrauliques, ainsi que le serrage de tous les raccords et branchements avant de mettre le système hydraulique sous pression.
N'approchez pas les mains ni aucune autre partie du corps des fuites en trou d'épingle ou des gicleurs d'où sort du liquide hydraulique sous haute pression.
Utilisez un morceau de papier ou de carton pour détecter les fuites.
Dépressurisez avec précaution le système hydraulique avant toute intervention sur le système.
Type de liquide hydraulique : Toro® HYPR-OIL™ 500 ou Mobil® 1 15W-50.
Important: Utilisez le liquide spécifié. Tout autre liquide risque d'endommager le système hydraulique.
Capacité de chaque système hydraulique : 1,5 L (52 oz liq.) par côté, avec filtre neuf
| Périodicité d'entretien | Procédure d'entretien |
|---|---|
| Toutes les 50 heures |
|
Garez la machine sur une surface plane et horizontale, placez la commande des lames (PDF) en position désengagée et serrez le frein de stationnement.
Avant de quitter la position d'utilisation, coupez le moteur, enlevez la clé et attendez l'arrêt complet de toutes les pièces mobiles.
Laissez refroidir le moteur et le système hydraulique pendant 10 minutes.
Note: La jauge de niveau d'huile n'indique pas le niveau correct si la machine est chaude.
Avancez le siège.
Nettoyez la surface autour des jauges des réservoirs du système hydraulique (Figure 84).
Sortez une jauge du réservoir hydraulique (Figure 84).
Essuyez la jauge sur un chiffon puis revissez-la dans le réservoir.
Ressortez la jauge et examinez l'extrémité (Figure 84).
Important: Ne remplissez pas excessivement les unités hydrauliques pour éviter de causer des dommages. N'utilisez pas la machine si le niveau de liquide est en dessous du repère minimum.
Si le niveau de liquide est au repère minimum, versez lentement la quantité de liquide qui convient dans le réservoir hydraulique pour faire monter le niveau jusqu'au repère maximum (H).
Remettez la jauge en place.
Répétez la procédure pour la jauge d'huile opposée.

| Périodicité d'entretien | Procédure d'entretien |
|---|---|
| Après les 250 premières heures de fonctionnement |
|
| Toutes les 250 heures |
|
| Toutes les 500 heures |
|
Vous devez déposer les filtres pour effectuer la vidange du liquide hydraulique. Remplacez les deux en même temps; voir Liquide hydraulique spécifié pour les spécifications du liquide.
Garez la machine sur une surface plane et horizontale, désengagez la commande des lames et serrez le frein de stationnement.
Avant de quitter la position d'utilisation, coupez le moteur, enlevez la clé et attendez l'arrêt complet de toutes les pièces mobiles.
Soulevez la machine sur des chandelles (Figure 85).

Déposez la courroie du tablier et la courroie d'entraînement de la pompe; voir Remplacement de la courroie du tablier de coupe et Remplacement de la courroie d'entraînement de la pompe hydraulique.
Note: Cela évitera de salir les courroies avec le liquide.
Placez un bac de vidange sous le filtre, retirez le filtre usagé et essuyez la surface (Figure 86).

Appliquez une fine couche de liquide hydraulique sur le joint en caoutchouc du filtre de rechange (Figure 86).
Montez le filtre hydraulique de rechange.
Reposez la courroie d'entraînement de pompe et la courroie du tablier de coupe.
Retirez les chandelles et abaissez la machine (Figure 85).
Versez du liquide dans le réservoir hydraulique et vérifiez qu'il n'y a pas de fuite.
Essuyez le liquide éventuellement répandu.
Mettez le moteur en marche et laissez-le tourner environ 2 minutes pour purger l'air du circuit.
Coupez le moteur et recherchez des fuites éventuelles.
Contrôlez le niveau lorsque le liquide est froid.
Faites l'appoint de liquide hydraulique au besoin.
Note: Ne remplissez pas excessivement.
Vérifiez l'état et l'usure des lames périodiquement.
Examinez les lames avec prudence. Manipulez toujours les lames avec des gants ou en les enveloppant dans un chiffon, et toujours avec prudence. Limitez-vous à remplacer ou aiguiser les lames; n'essayez jamais de les redresser ou de les souder.
Attention, sur les machines à plusieurs lames, la rotation d'une lame peut entraîner le déplacement des autres lames.
Remplacez les boulons et les lames usés ou endommagés par paires pour ne pas modifier l'équilibre.
Pour un bon résultat, les lames doivent toujours être bien aiguisées. Il est utile de prévoir une ou plusieurs lames de réserve pour le remplacement et l'aiguisage.
Garez la machine sur une surface plane et horizontale, placez la commande des lames (PDF) en position désengagée et serrez le frein de stationnement.
Coupez le moteur, enlevez la clé et débranchez le fil de chaque bougie.
| Périodicité d'entretien | Procédure d'entretien |
|---|---|
| À chaque utilisation ou une fois par jour |
|
Examinez le tranchant des lames (Figure 87).
Si les lames sont émoussées ou présentent des indentations, déposez-les et aiguisez-les; voir Aiguisage des lames.
Inspectez les lames, et plus particulièrement l'ailette.
Remplacez immédiatement toute lame fendue, usée ou qui présente une entaille sur cette partie (Figure 87).

Note: Placez la machine sur une surface plane horizontale pour effectuer la procédure suivante.
Élevez le tablier de coupe à la position de hauteur de coupe la plus élevée.
Enfilez des gants épais ou utilisez une autre protection adéquate pour les mains, et faites tourner la lame lentement jusqu'à une position permettant de mesurer la distance entre le tranchant et la surface plane sur laquelle se trouve la machine (Figure 88).

Mesurez la distance entre la pointe de la lame et la surface plane (Figure 89).

Tournez la même lame de 180 degrés pour amener le tranchant opposé à la même position (Figure 90).

Mesurez la distance entre la pointe de la lame et la surface plane (Figure 91).
Note: La différence entre les deux mesures ne doit pas excéder 3 mm (⅛ po).

Si la différence entre A et B est supérieure à 3 mm (⅛ po), remplacez la lame par une neuve; voir Dépose des lames et Pose des lames.
Note: Si, après avoir remplacé une lame faussée par une neuve, la différence est toujours supérieure à 3 mm (⅛ po), l'axe de la lame est peut-être faussé. Contactez un dépositaire Toro agréé pour faire réviser la machine.
Si la différence reste dans les limites tolérées, passez à la lame suivante.
Répétez cette procédure pour chaque lame.
Remplacez les lames si elles heurtent un obstacle, ou si elles sont déséquilibrées ou faussées.
Placez une clé sur le méplat de l'axe de pivot ou retenez l'extrémité de la lame à l'aide d'un chiffon ou d'un gant épais.
Retirez le boulon, la douille et la lame de l'axe de pivot (Figure 92).

Au moyen d'une lime, aiguisez les tranchants aux deux extrémités de la lame (Figure 93).
Note: Veillez à conserver l'angle de coupe d'origine.
Note: Limez la même quantité de métal sur chacun des deux tranchants pour ne pas déséquilibrer la lame.

Vérifiez l'équilibre de la lame en la plaçant sur un équilibreur (Figure 94).
Note: Si la lame reste horizontale, elle est équilibrée et peut être utilisée.
Note: Si la lame est déséquilibrée, limez un peu l'extrémité de l'ailette seulement (Figure 93).

Répétez cette procédure jusqu'à ce que la lame soit équilibrée.
Insérez la douille dans la lame en plaçant l'embase sur le côté inférieur (côté herbe) de la lame (Figure 95).

Installez l'ensemble douille et lame sur l'axe de pivot (Figure 96).

Appliquez du lubrifiant à base de cuivre ou de la graisse sur le filetage du boulon de lame pour prévenir le grippage au besoin. Posez le boulon de lame et serrez-le à la main.
Placez une clé sur le méplat de l'axe de pivot et serrez l'écrou de lame à un couple de 75 à 81 N·m (55 à 60 pi-lb).
Garez la machine sur une surface plane et horizontale, placez la commande des lames (PDF) en position désengagée et serrez le frein de stationnement.
Avant de quitter la position d'utilisation, coupez le moteur, enlevez la clé et attendez l'arrêt complet de toutes les pièces mobiles.
Contrôlez la pression des pneus des roues motrices; voir Contrôle de la pression des pneus.
Placez le verrou de transport en position de verrouillage.
Enfoncez la pédale de levage du tablier de coupe au maximum pour verrouiller le tablier à la position transport de 14 cm (5½ po) (Figure 97).

Insérez la goupille de réglage de la hauteur de coupe à la position 7,6 cm (3 po).
Relâchez le verrou de transport et laissez le tablier descendre à la hauteur de coupe sélectionnée.
Relevez la goulotte d'éjection.
De chaque côté du tablier de coupe, mesurez la distance entre la surface plane et la pointe avant de la lame (position A), comme montré à la Figure 98.
Note: La distance obtenue doit être de 7,6 cm (3 po)

Ajustez précisément le serrage de l'écrou de réglage sur l'ensemble de levage du tablier avant (Figure 99).
Note: Tournez l'écrou réglage dans le sens horaire pour augmenter la hauteur et dans le sens antihoraire pour la diminuer.
Note: Si les biellettes de tablier avant ne disposent pas d'un réglage suffisant pour obtenir une hauteur de coupe précise, vous pouvez utiliser le réglage monopoint pour obtenir un réglage supplémentaire.

Pour régler le système monopoint, desserrez les 2 boulons au bas de la plaque de hauteur de coupe (Figure 100).

Si le tablier est trop bas, serrez le boulon de réglage monopoint dans le sens horaire. Si le tablier est trop haut, desserrez le boulon de réglage monopoint dans le sens antihoraire (Figure 101).
Note: Desserrez ou serrez le boulon de réglage monopoint pour pouvoir juste déplacer les boulons de montage de la plaque de hauteur de coupe au moins du tiers de leur course dans les fentes. Cela permet de rattraper un peu du réglage vers le haut et le bas pour les 4 timoneries de tabliers.

Serrez les 2 boulons au bas de la plaque de hauteur de coupe (Figure 100).
Note: Généralement, la pointe arrière de la lame doit être réglée 6,4 mm (¼ po) plus haut que la pointe avant.
Serrez les 2 boulons à un couple de 37 à 45 N·m (27 à 33 pi-lb).
De chaque côté du tablier de coupe, mesurez la distance entre la surface plane et la pointe arrière de la lame (position B), comme montré à la Figure 98.
Note: La distance obtenue doit être de 8,3 cm (3¼ po)
Ajustez précisément la vis de réglage en la tournant jusqu'à obtention d'une hauteur de 8,3 mm (3¼ po) (Figure 99).
Tournez l'écrou de réglage dans le sens horaire pour augmenter la hauteur et dans le sens antihoraire pour la diminuer.
Mesurez jusqu'à ce que les 4 côtés soient à la bonne hauteur.
Serrez tous les écrous de blocage des bras de levage de tablier de coupe.
Abaissez la goulotte.
Avant de réviser ou de déposer le tablier de coupe, verrouillez les bras rappelés par ressort.
De l'énergie est emmagasinée dans les bras de levage du tablier de coupe. Des blessures graves ou mortelles peuvent être causées si le tablier est retiré sans libérer l'énergie emmagasinée.
N'essayez pas de séparer le tablier du cadre avant sans bloquer l'énergie emmagasinée.
Garez la machine sur une surface plane et horizontale, placez la commande des lames (PDF) en position désengagée et serrez le frein de stationnement.
Avant de quitter la position d'utilisation, coupez le moteur, enlevez la clé et attendez l'arrêt complet de toutes les pièces mobiles.
Insérez la goupille de réglage de la hauteur de coupe à la position 7,6 cm (3 po).
Note: Cela bloque les bras de levage du tablier à la position la plus basse quand le tablier est enlevé et l'énergie emmagasinée dans le ressort du tablier est ainsi libérée.
Déposez les protège-courroies.
Soulevez le bac de plancher et insérez un rochet dans le trou carré de la poulie de tension du tablier (Figure 102).
Tournez la poulie de tension dans le sens horaire et déposez la courroie du tablier (Figure 102).

Enlevez et mettez de côté les fixations des deux côtés du tablier, comme montré à la Figure 103.

Élevez les bielles de tablier et fixez-les dans cette position.
Sortez le tablier par le côté droit de la machine.
Si l'ouverture d'éjection n'est pas fermée, la machine peut projeter des objets dans votre direction ou celle d'autres personnes et causer des blessures graves. Un contact avec la lame est également possible.
N'utilisez jamais la machine sans avoir installé un déflecteur de déchiquetage, un déflecteur d'éjection ou un système de ramassage.
Retirez le contre-écrou, le boulon, le ressort et l'entretoise qui fixent le déflecteur aux supports de pivot (Figure 104).
Enlevez le déflecteur s'il est endommagé ou usé (Figure 104).

Placez une entretoise et un ressort sur le déflecteur d'herbe.
Placez une extrémité en J du ressort derrière le bord du tablier.
Note: Prenez soin de placer 1 extrémité en J du ressort derrière le bord du tablier avant de mettre le boulon en place, comme montré à la Figure 104.
Remettez le boulon et l'écrou en place.
Accrochez l'extrémité en J du ressort au déflecteur d'herbe (Figure 104).
Important: Le déflecteur d'herbe doit pouvoir pivoter. Ouvrez complètement le déflecteur d'herbe et vérifiez qu'il peut s'abaisser complètement.
| Périodicité d'entretien | Procédure d'entretien |
|---|---|
| Après chaque utilisation |
|
Garez la machine sur une surface plane et horizontale, placez la commande des lames (PDF) en position désengagée et serrez le frein de stationnement.
Avant de quitter la position d'utilisation, coupez le moteur, enlevez la clé et attendez l'arrêt complet de toutes les pièces mobiles.
Levez le tablier de coupe en position TRANSPORT.
L'huile moteur, les batteries, le liquide hydraulique et le liquide de refroidissement sont polluants pour l'environnement. Débarrassez-vous en conformément à la réglementation nationale et locale en matière d'environnement.
Avant de quitter la position d'utilisation, coupez le moteur, enlevez la clé et attendez l'arrêt complet de toutes les pièces mobiles. Laissez refroidir la machine avant de la régler, la nettoyer, la remiser ou la réparer.
Ne remisez pas la machine ou le carburant près d'une flamme et ne vidangez pas le carburant à l'intérieur d'un local ou d'une remorque fermée.
Ne remisez pas la machine ni les bidons de carburant à proximité d'une flamme nue, d'une source d'étincelles ou d'une veilleuse, telle celle d'un chauffe-eau ou d'autres appareils.
Désengagez la commande des lames (PDF) et serrez le frein de stationnement.
Avant de quitter la position d'utilisation, coupez le moteur, enlevez la clé et attendez l'arrêt complet de toutes les pièces mobiles.
Débarrassez l'extérieur de toute la machine, en particulier le moteur et le système hydraulique, des déchets d'herbe coupée, des saletés et de la crasse. Éliminez les saletés et les débris d'herbe sèche pouvant se trouver sur les ailettes de la culasse et le carter du ventilateur.
Important: Vous pouvez laver la machine avec de l'eau et un détergent doux. N'utilisez pas de nettoyeur haute pression. N'utilisez pas une trop grande quantité d'eau, surtout près du panneau de commande, du moteur, des pompes hydrauliques et des moteurs électriques.
Vérifiez le fonctionnement du frein de stationnement; voir Réglage du frein de stationnement.
Faites l'entretien du filtre à air; voir Entretien du filtre à air.
Graissez la machine; voir Lubrification.
Vidangez l'huile moteur; voir Vidange de l'huile moteur et remplacement du filtre à huile.
Contrôlez la pression des pneus; voir Contrôle de la pression des pneus.
Remplacez les filtres hydrauliques; voir Vidange du liquide hydraulique et remplacement des filtres.
Chargez la batterie; voir Charge de la batterie.
Grattez l'herbe et les saletés éventuellement accumulées sur le dessous de la tondeuse, puis lavez cette dernière au tuyau d'arrosage.
Note: Conduisez la machine, en engageant la commande des lames (PDF), moteur au ralenti accéléré, pendant 2 à 5 minutes après l'avoir lavée.
Vérifiez l'état des lames; voir Entretien des lames.
Si vous ne comptez pas utiliser la machine avant plus d'un mois, préparez-la comme suit :
Ajoutez un additif stabilisateur/conditionneur à base de pétrole dans le réservoir de carburant. Respectez les proportions spécifiées par le fabricant du stabilisateur. N'utilisez pas de stabilisateur à base d'alcool (éthanol ou méthanol).
Note: L'efficacité des stabilisateurs/conditionneurs est optimale lorsqu'ils sont mélangés à du carburant frais et sont utilisés de manière systématique.
Faites tourner le moteur pendant 5 minutes pour faire circuler le carburant traité dans tout le circuit d'alimentation.
Coupez le moteur, laissez-le refroidir et vidangez le réservoir de carburant.
Redémarrez le moteur et laissez-le tourner jusqu'à ce qu'il s'arrête.
Débarrassez-vous du carburant correctement. Recyclez le carburant conformément à la réglementation locale en matière d'environnement.
Important: Ne conservez pas le carburant additionné de stabilisateur/conditionneur plus longtemps que recommandé par le fabricant du stabilisateur de carburant.
Déposez la ou les bougies et vérifiez leur état; voir Entretien des bougies. Versez 30 ml (2 cuillerées à soupe) d'huile moteur dans l'ouverture laissée par la bougie. Actionnez le démarreur pour faire tourner le moteur et bien répartir l'huile dans le cylindre. Reposez la ou les bougies. Ne rebranchez pas le fil de la ou des bougies.
Contrôlez et resserrez tous les boulons, écrous et vis. Réparez ou remplacez toute pièce endommagée.
Peignez toutes les surfaces métalliques éraflées ou mises à nu. Une peinture pour retouches est disponible chez les dépositaires-réparateurs agréés.
Rangez la machine dans un endroit propre et sec, comme un garage ou une remise. Retirez la clé du commutateur d'allumage et rangez-la hors de la portée des enfants ou des personnes non autorisées. Couvrez la machine pour la protéger et la garder propre.
| Problem | Possible Cause | Corrective Action |
|---|---|---|
| Le témoin d'anomalie s'allume. |
|
|
| Le démarreur ne fonctionne pas. |
|
|
| Le moteur ne démarre pas, démarre difficilement ou cale. |
|
|
| Le moteur perd de la puissance. |
|
|
| Le moteur surchauffe. |
|
|
| La machine tire à gauche ou à droite (quand les leviers de commande de déplacement sont complètement en avant). |
|
|
| La machine ne se déplace pas. |
|
|
| La machine vibre de manière anormale. |
|
|
| La hauteur de coupe est inégale. |
|
|
| Les lames ne tournent pas. |
|
|
| L'embrayage ne s'engage pas. |
|
|



