Maintenance
Maintenance Safety
- If you leave the key in the switch,
someone could accidently start the engine and seriously injure you
or other bystanders. Remove the key from
the switch before you perform any maintenance.
- Before you leave the operator’s position, do the following:
- Park the machine on a level surface.
- Disengage the drives.
- Engage the parking brake.
- Shut off the engine and remove
the key.
- Wait for the machine to cool before
performing maintenance.
- Do not allow untrained personnel
to service the machine.
- Keep your hands and feet away
from moving parts or hot surfaces. If possible, do not make adjustments
with the engine running.
- Keep all guards, shields, switches,
and all safety devices in place and in proper working condition. Frequently
check for worn or deteriorating components
and replace them with genuine Toro parts when necessary.
- Carefully release pressure from
components with stored energy.
 |
Warning |
|
Removing or modifying original
equipment, parts, and/or accessories may alter the warranty, controllability,
and safety of the machine. Making unauthorized
modifications to the original equipment or failing to use original Toro parts could lead
to serious injury or death.
- Check the parking brake operation
frequently. Adjust and service it as required.
- Never tamper with safety devices.
Check their proper operation regularly.
- Clean grass, leaves, excessive
grease and oil, and other debris from the cutting unit, muffler, drives,
grass catcher, and engine compartment to
prevent fires.
- Clean up oil or fuel spills and
remove fuel-soaked debris.
- Do not rely solely on mechanical
or hydraulic jacks to support the machine. Use adequate jack stands.
- Keep all parts in good working
condition and all hardware tightened, especially the blade-attachment
hardware.
- To ensure optimum performance,
use only genuine Toro replacement parts and accessories.
Replacement parts and accessories made by other manufacturers could
be dangerous.
Recommended Maintenance Schedule
| After the first 8 hours
|
Change the engine oil.
|
| After the first 50 hours
|
Check the lug-nut torque.
|
| After the first 75 hours
|
Change the hydraulic fluid and filter.
|
| Before each use or daily |
Check the safety-interlock system.
|
| Check the air cleaner for dirty, loose, or damaged parts. |
| Check the engine-oil level.
|
| Clean the air-intake screen.
|
| Inspect the blades. |
| Inspect the grass deflector for damage.
|
| After each use |
Clean grass and debris from the machine.
|
| Clean the mower-deck housing.
|
| Every 25 hours |
Grease the caster wheel bearings (more often in sandy soil conditions). |
| Check the tire pressure.
|
| Check the belts for wear or cracks.
|
| Every 100 hours |
Change the engine oil and filter (more often in dirty or dusty conditions). |
| Check the spark plug.
|
| Replace the in-line fuel filter.
|
| Every 100 hours or yearly, whichever
comes first |
Replace the paper air-cleaner element (more often in dirty or dusty
conditions). |
| Every 200 hours
|
Change the engine-oil filter (more often in dirty or dusty conditions). |
| Every 500 hours |
Check and adjust the valve clearance. Contact an Authorized Service
Dealer. |
| Replace and gap the spark plug.
|
| Every 400 hours
|
Change the hydraulic fluid and filter.
|
| Yearly |
Check the lug-nut torque.
|
| Before storage |
Charge the battery and disconnect the battery cables. |
| Perform all maintenance procedures listed above before storage. |
| Paint any chipped surfaces.
|
Refer to your engine owner's manual
for additional maintenance procedures.
Pre-Maintenance Procedures
Moving a Non-Functioning Machine
-
Park the
machine on a level surface, disengage the blade-control switch, and
move the motion-control levers outward to the
Park position.
-
Shut off
the engine and wait for all moving parts to stop before leaving the
operating position.
-
Locate the
bypass levers
on the frame on both sides of
the engine.
-
Move both
bypass levers forward through the slotted hole and over to lock them
in place
.
 |
Warning |
|
Contact
with hot surfaces may cause personal injury.
Keep your hands,
feet, face, clothing and other body parts away the engine, muffler
and other hot surfaces.
 |
Warning |
|
The
machine could unintentionally move while the bypass levers are locked
forward in the slot and injure you or bystanders.
Lock the bypass
levers rearward after moving the machine.
-
Disengage
the parking brake by moving both motion-control levers down to the
center, unlocked position.
Note: Do not start the machine.
-
Move the
machine as required.
Always
push the machine by hand. Do not tow the machine, because towing may
damage it.
-
Move the
motion-control levers outward to the Park position.
-
Move both
bypass levers rearward and over through the slotted hole to lock them
in place
.
Engine Maintenance
Engine Safety
- Keep your hands, feet, face, other
body parts, and clothing away from the muffler and other hot surfaces.
Wait for the engine to cool before performing
maintenance.
- Do not change the engine governor
speed or overspeed the engine.
Air Cleaner Service
Removing the Air-Cleaner Elements
-
Park the
machine on a level surface, disengage the blade-control switch, and
move the motion-control levers outward to the
Park position.
-
Shut off
the engine and wait for all moving parts to stop before leaving the
operating position.
-
Clean around
the air-cleaner cover
to prevent dirt from getting
into the engine and causing damage.
-
Release the
retaining clamps
on the air cleaner and
pull the air-cleaner cover off the air-cleaner body.
-
Remove the
air-cleaner elements.
-
Separate
the foam and paper elements.
Servicing the Foam Element
-
Wash the
foam element in liquid soap and warm water. When the element is clean,
rinse it thoroughly.
-
Dry the element
by squeezing it in a clean cloth.
Replace
the foam element if it is torn or worn.
-
Lightly oil
the foam element using new engine oil and squeeze out any excess oil.
Servicing the Paper Air-Cleaner Element
-
Clean the
paper element by tapping it gently to remove dust.
Note: If it is very dirty, replace the paper element with a new one.
-
Inspect the
element for tears, an oily film, or damage to the rubber seal.
-
Replace the
paper element if it is damaged.
Do
not clean the paper filter.
Installing the Air Cleaner Elements
-
Install the
foam pre-cleaner element over the paper element.
Note: Ensure that you do not damage the elements.
-
Install the
air-cleaner elements onto the air-cleaner base.
-
Install the
cover
and secure it with the retaining
clamps
.
Engine-Oil Service
Engine-Oil Specifications
| Oil Type
|
Detergent oil (including synthetic)
of API service SJ or higher
|
| Crankcase Capacity |
1.9 L (64 fl oz)
with oil filter |
| Viscosity
|
See the table below |
| |
Checking the Engine-Oil Level
-
Park the
machine on a level surface, disengage the blade-control switch, and
move the motion-control levers outward to the
Park position.
-
Shut off
the engine, remove the key, and wait for all moving parts to stop
before leaving the operating position.
-
Wait for
the engine to cool so that the oil has had time to drain into the
sump.
-
To keep dirt,
grass clippings, etc., out of the engine, clean the area around the
oil-fill cap and dipstick before removing
it.
-
Check the
engine-oil level as shown.
If
you overfill or underfill the engine crankcase with oil and run the
engine, you may damage the engine.
Changing the Engine Oil and Oil Filter
-
Park the
machine on a level surface to ensure that the oil drains completely.
-
Disengage
the blade-control switch, and move the motion-control levers outward
to the Park position.
-
Shut off
the engine, remove the key, and wait for all moving parts to stop
before leaving the operating position.
-
Drain the
oil from the engine.
-
Change the
engine-oil filter.
Note: Ensure that the oil-filter gasket touches the engine and then turn
the filter an extra 3/4 turn.
-
Slowly pour
approximately 80% of the specified oil into the filler tube and slowly
add the additional oil to bring it to the
Full mark.
-
Dispose of
the used oil per local regulations.
Servicing the Spark Plug
Ensure that
the air gap between the center and side electrodes is correct before
installing the spark plug. Use a spark plug
wrench for removing and installing the spark plug and a gapping
tool or feeler gauge to check and adjust the air gap. Install
a new spark plug if necessary.
Type: Champion® XC12YC
Air gap: 0.76 mm (0.03 inch)
Removing the Spark Plug
-
Park the
machine on a level surface, disengage the blade-control switch, and
move the motion-control levers outward to the
Park position.
-
Shut off
the engine, remove the key, and wait for all moving parts to stop
before leaving the operating position.
-
Clean the
area around the base of the plug to keep dirt and debris out of the
engine.
-
Remove the
spark plug.
Checking the Spark Plug
Do not clean the spark plug(s).
Always replace the spark plug(s) when it has a black coating, worn
electrodes, an oily film, or cracks.
If
you see light brown or gray on the insulator, the engine is operating
properly. A black coating on the insulator usually
means the air cleaner is dirty.
-
Set the gap
to 0.76 mm (0.03 inch).
Installing the Spark Plug
Cleaning the Blower Housing
-
To ensure
proper cooling, clean the grass screen, cooling fins, and other external
surfaces of the engine. Make sure that
the cooling shrouds are installed. Torque the blower housing screws
to 4.0 N∙m (35 in-lb).
Operating
the engine with a blocked grass screen, dirty or plugged cooling fins,
and/or cooling shrouds removed causes engine
damage due to overheating.
Fuel Maintenance
 |
Danger |
|
In certain conditions, fuel is
extremely flammable and highly explosive. A fire or explosion from
fuel can burn you and others and can damage
property.
Refer to Fuel Safety for a complete list of fuel related
precautions.
Replacing the Fuel Filter
-
Park the
machine on a level surface, disengage the blade-control switch, and
move the motion-control levers outward to the
Park position.
-
Shut off
the engine, remove the key, and wait for all moving parts to stop
before leaving the operating position.
-
Clamp the
fuel lines on both sides of the fuel filter.
-
Replace the
filter.
Note: Ensure that the flow-direction arrow on the replacement filter points
toward the engine.
Never
install a dirty filter after removing it from the fuel line.
-
Remove the
clamps blocking the fuel flow.
Electrical System Maintenance
Electrical System Safety
- Disconnect the cable from the
negative terminal of the battery before repairing the machine.
- Charge the battery in an open,
well-ventilated area, away from sparks and flames. Unplug the charger
before connecting or disconnecting the
battery. Wear protective clothing and use insulated tools.
Battery Service
Removing the Battery
 |
Warning |
|
Battery terminals or metal tools
could short against metal machine components, causing sparks. Sparks
can cause the battery gasses to explode,
resulting in personal injury.
- When removing or installing the
battery, do not allow the battery terminals to touch any metal parts
of the machine.
- Do not allow metal tools to short
between the battery terminals and metal parts of the machine.
-
Park the
machine on a level surface, disengage the blade-control switch, and
move the motion-control levers outward to the
Park position.
-
Shut off
the engine, remove the key, and wait for all moving parts to stop
before leaving the operating position.
-
Disconnect
the negative (black) ground cable from the battery post.
Note: Retain all fasteners.
 |
Warning |
|
Incorrectly
removing the cables from battery could damage the machine and cables,
causing sparks. Sparks can cause the battery
gasses to explode, resulting in personal injury.
- Always disconnect the negative
(black) battery cable before disconnecting the positive (red) cable.
- Always connect the positive (red)
battery cable before connecting the negative (black) cable.
-
Slide the
rubber cover off the positive (red) cable.
-
Disconnect
the positive (red) cable from the battery post (+).
Note: Retain all fasteners.
-
Remove the
battery hold-down and lift the battery from the battery tray.
G440221
-
Battery
-
Terminal boot
-
Negative (–) battery post
-
Wing nut, washer, and bolt
-
Battery hold-down
-
Bolt, washer, and nut
-
Positive (+) battery post
Charging the Battery
 |
Warning |
|
Charging the battery produces
gasses that can explode.
Never smoke near the battery and
keep sparks and flames away from battery.
Always keep the battery fully
charged. This is especially important to prevent battery damage when
the temperature is below 0°C (32°F).
-
Remove the
battery from the machine.
-
Charge the
battery per the battery charger manufacturer’s instructions.
Do
not overcharge the battery; otherwise, you could damage it.
G003792S
- Positive
battery post
- Negative
battery post
- Red (+)
charger lead
- Black
(-) charger lead
-
When the
battery is fully charged, unplug the charger from the electrical outlet
(if applicable), then disconnect the charger
leads from the battery posts.
Cleaning the Battery
Note: Keep the terminals and the entire battery case clean, because a dirty
battery discharges slowly.
-
Park the
machine on a level surface, disengage the blade-control switch, and
move the motion-control levers outward to the
Park position.
-
Shut off
the engine and wait for all moving parts to stop before leaving the
operating position.
-
Remove the
battery from the machine.
-
Wash the
entire case with a solution of baking soda and water.
-
Rinse the
battery with clear water.
-
Coat the
battery posts and cable connectors with Grafo 112X (skin-over) grease
or petroleum jelly to prevent corrosion.
-
Install the
battery.
Installing the Battery
-
Position
the battery in the tray.
-
Using the
fasteners previously removed, install the positive (red) battery cable
to the positive (+) battery terminal.
-
Using the
fasteners previously removed, install the negative battery cable to
the negative (-) battery terminal.
-
Slide the
red terminal boot onto the positive (red) battery post.
-
Secure the
battery with the hold-down.
G440221
-
Battery
-
Terminal boot
-
Negative (–) battery post
-
Wing nut, washer, and bolt
-
Battery hold-down
-
Bolt, washer, and nut
-
Positive (+) battery post
Jump-Starting the Machine
 |
Warning |
|
Jump-starting the battery can
produce gasses that can explode.
Do not smoke near the battery,
and keep sparks and flames away from battery.
 |
Danger |
|
Jump-starting a weak battery that
is cracked or frozen or has a low electrolyte level or an open/shorted
battery cell can cause an explosion, resulting
in serious personal injury.
Do not jump-start a weak battery
if these conditions exist.
-
Check and
clean corrosion from the battery terminals before jump-starting. Ensure
that the connections are tight.
 |
Caution |
|
Corrosion
or loose connections can cause unwanted electrical voltage spikes
at any time during the jump-starting procedure.
Do not attempt
to jump-start the machine with loose or corroded battery terminals,
or damage to the engine may occur.
-
Make sure
that the booster battery is a good and fully charged lead-acid battery
at 12.6 V or greater.
Note: Use properly sized jumper cables with short lengths to reduce voltage
drop between systems. Make sure that the cables are
color coded or labeled for the correct polarity.
 |
Warning |
|
Batteries
contain acid and produce explosive gases.
- Shield your eyes and face from
the batteries at all times.
- Do not lean over the batteries.
Note: Ensure that the vent caps are tight and level. Place a damp cloth,
if available, over any vent caps on both batteries. Also
ensure that the machines do not touch and
that both electrical systems are off and at the same rated system
voltage. These instructions are for
negative ground systems only.
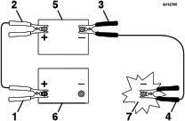
-
Connect the
positive (+) cable to the positive (+) terminal of the discharged
battery that is wired to the starter or solenoid
as shown:
g012785
- Positive
(+) cable on discharged battery
- Positive
(+) cable on booster battery
- Negative
(–) cable on the booster battery
- Negative
(–) cable on the engine block
- Booster
battery
- Discharged
battery
- Engine
block
-
Connect the
other end of the positive (+) jumper cable to the positive terminal
of the battery in the other machine.
-
Connect an
end of the negative (-) jumper cable to the negative post of the battery
in the other machine.
-
Connect the
other end of the negative (-) jumper cable to a ground point, such
as an unpainted bolt or chassis member.
-
Start the
engine in the other machine. Let it run a few minutes, then start
your engine.
-
Remove the
cables in the reverse order of connection.
-
Install the
cover to the jump post.
Servicing the Fuses
The electrical
system is protected by fuses. It requires no maintenance; however,
if a fuse blows, check the component/circuit
for a malfunction or short.
-
Park the
machine on a level surface, disengage the blade-control switch, and
move the motion-control levers outward to the
Park position.
-
Shut off
the engine, remove the key, and wait for all moving parts to stop
before leaving the operating position.
-
Replace the
blown fuse with a new fuse.
G440132
- Charge
circuit (15 A)
- Main
(25 A)
Drive System Maintenance
Checking the Tire Pressure
Maintain the air pressure in the
front and rear tires as specified. Uneven tire pressure can cause
an uneven cut. Check the pressure at the valve
stem when the tires are cold to get the most accurate pressure reading.
-
Inflate the
front caster wheel tires to 103 kPa (15 psi) or the pressure indicated
on the sidewall, whichever is lower.
-
Inflate the
rear drive-wheel tires to 90 kPa (13 psi).
Checking the Wheel Lug Nuts
-
Check and
torque the wheel lug nuts to 95
to 122 N∙m (70 to 90 ft-lb).
Adjusting the Tracking
If the machine
pulls to one side while driving forward at full speed across a flat,
level surface, adjust the tracking.
If the machine pulls to
the left, adjust the right motion-control lever; if the machine pulls
to the right, adjust the left motion-control
lever.
Note: You can adjust the tracking only for driving forward.
-
Park the
machine on a level surface, disengage the blade-control switch, and
move the motion-control levers outward to the
Park position.
-
Shut off
the engine, remove the key, and wait for all moving parts to stop
before leaving the operating position.
-
Locate the
tracking-adjustment bolt near the motion-control lever on the particular
side that needs adjusting.
-
Rotate the
bolt to decrease the speed for that particular wheel.
Note: Rotate the bolt a small amount to make minor adjustments.
-
Start the
machine and drive forward across a flat, level surface with the motion-control
levers fully forward to check if the machine
tracks straight. Repeat the procedure as needed.
Hydraulic System Maintenance
Hydraulic System Safety
- Seek immediate medical attention
if hydraulic fluid is injected into the skin. Injected fluid must
be surgically removed within a few hours
by a doctor familiar with this form of injury; otherwise, gangrene
may result.
- Ensure that all hydraulic-fluid
hoses and lines are in good condition and all hydraulic connections
and fittings are tight before applying
pressure to the hydraulic system.
- Keep your body and hands away
from pinhole leaks or nozzles that eject high-pressure hydraulic fluid.
- Use cardboard or paper, not your
hands, to find hydraulic leaks.
- Safely relieve all pressure in
the hydraulic system before performing any work on the hydraulic system.
Hydraulic-Fluid Specifications
Hydraulic Fluid Type: Toro Premium
Hydro Oil (preferred) or Mobil 1™ 15W50
Hydraulic System Capacity: 2.3 L (77 fl oz)
per side
Use the specified fluid. Other
fluids could damage the system.
Checking the Hydraulic Fluid
-
Park the
machine on a level surface, disengage the blade-control switch, and
move the motion-control levers outward to the
Park position.
-
Shut off
the engine, remove the key, and wait for all moving parts to stop
before leaving the operating position.
-
Allow the
machine to cool.
Only
check the hydraulic fluid when the system is cool (less than 38°C
or 100°F). Adding fluid when the system is warm could
result in overfilling the transaxle and
damage the breather assembly.
-
Remove the
fill-port plug and ensure that fluid appears at the bottom of the
hole.
-
If the level
is low, add the specified fluid through the port to raise it to the
bottom of the hole.
-
Install the
plug and torque it to 13.6
N∙m (120 in-lb).
Changing the Hydraulic Fluid and
Filter
Do not change the hydraulic fluid
without changing the filter unless the fluid has been contaminated
or been extremely hot. Otherwise, you could
contaminate the system and damage it.
-
Park the
machine on a level surface, disengage the blade-control switch, and
move the motion-control levers outward to the
Park position.
-
Shut off
the engine, remove the key, and wait for all moving parts to stop
before leaving the operating position.
-
Allow the
machine to cool.
Only
change the hydraulic fluid when the system is cool (less than 38°C
or 100°F). Changing the fluid when the system is warm
could result in overfilling the transaxle
and damage the breather assembly.
-
Remove the
filter guard from the transaxle.
-
Carefully
clean the area around the filter.
Do
not allow dirt to enter the hydraulic system, or contamination may
occur.
-
Place a drain
pan under the filter.
-
Replace the
filter.
-
Install the
filter guard. Torque the bolts to 7 N∙m (65 in-lb).
-
Remove the
fill-port plug and add the specified fluid through the port to raise
it to the bottom of the hole.
-
Install the
plug and torque it to 13.6
N∙m (120 in-lb).
-
Repeat the
procedure for the other transaxle.
-
Bleeding the Hydraulic System
-
Park the
machine on a level surface, disengage the blade-control switch, and
move the motion-control levers outward to the
Park position.
-
Shut off
the engine, remove the key, and wait for all moving parts to stop
before leaving the operating position.
-
Raise the
rear of the machine onto jack stands high enough to raise the drive
wheels off the ground.
-
Start the
engine, move the throttle control ahead to the 1/2 throttle position,
and disengage the parking brake by moving
both motion-control levers down to the center, unlocked position.
-
With the
bypass valves open and the engine running, slowly move the motion-control
levers both forward and rearward 5 or 6
times.
-
With the
bypass valves closed and the engine running, slowly move the motion-control
levers both forward and rearward 5 or 6
times.
-
Shut off
the engine and remove the key.
-
Check the
hydraulic-fluid level and add fluid as needed.
-
Repeat the
procedure as needed until the air is completely purged from the system.
Note: The air is completely purged when the transaxle operates at normal
noise levels and moves smoothly forward and reverse at
normal speeds.
-
Remove the
jack stands.
Belt Maintenance
Removing or Installing the Floor
Pan
Non-MyRIDE Machines Only
 |
Warning |
|
You can be seriously injured if
you operate the machine with the floor pan removed, or if you do not
completely remove the floor pan to perform
maintenance on components underneath it.
Do not operate the machine
with the floor pan removed. Completely remove the floor pan before
you perform maintenance underneath it.
-
To remove
the floor pan, lift the floor pan and pull it out of the openings
in the frame.
-
To install
the floor pan, place the floor pan in the openings in the frame and
lower it into place.
Inspecting the Belts
-
Park the
machine on a level surface, disengage the blade-control switch, and
move the motion-control levers outward to the
Park position.
-
Shut off
the engine and wait for all moving parts to stop before leaving the
operating position.
-
Set the height
of cut at the lowest cutting position.
-
Inspect the
belt for wear. Replace the belt if it is worn.
The signs of
a worn belt include squealing while the belt is rotating; the blades
slipping while cutting grass; and frayed
edges, burn marks, and cracks on the belt.
Replacing the Mower Belt
The signs of a worn belt include
squealing while the belt is rotating, blades slipping while cutting
grass, and frayed edges, burn marks, and cracks
on the belt. Replace the mower belt if any of these conditions are
evident.
-
Park the
machine on a level surface, disengage the blade-control switch, and
move the motion-control levers outward to the
Park position.
-
Shut off
the engine, remove the key, and wait for all moving parts to stop
before leaving the operating position.
-
Set the height
of cut at the lowest cutting position.
-
Remove the
pulley covers.
-
Loosen the
nut securing the wire form to the idler pulley.
-
Using a spring-removal
too (Toro Part
No. 92-5771), remove the idler spring from the deck hook to remove
tension on the idler pulley.
 |
Warning |
|
The
spring is under tension when installed and can cause personal injury.
Be careful when removing the belt.
G453682
- Deck
pulley
- Mower
belt
- Engine
pulley
- Idler
pulley
- Spring
- Spring-removal
tool
-
Roll the
belt off the pulleys.
-
Route the
new belt around the engine pulley and mower pulleys.
-
Use the spring-removal
tool to install the idler spring over the deck hook and place tension
on the idler pulley and the mower belt.
-
Insert the
wire form into the slot in the idler arm and tighten the nut.
-
Install the
pulley covers.
Mower-Deck Maintenance
Blade Safety
- Inspect the blades periodically
for wear or damage.
- Use care when checking the blades.
Wrap the blade(s) or wear gloves and use caution when servicing them.
Only replace damaged blades; never straighten
or weld them.
- On multi-bladed machines, take
care as rotating one blade can cause other blades to rotate.
- Replace worn or damaged blades
and bolts in sets to preserve balance.
Blade Service
To ensure a superior quality of
cut, keep the blades sharp. For convenient sharpening and replacement,
keep extra blades on hand.
Replace the
blades if they hit a solid object, or if the blade is out of balance
or bent.
Before Inspecting or Servicing the Blades
-
Park the
machine on a level surface, disengage the blade-control switch, and
move the motion-control levers outward to the
Park position.
-
Shut off
the engine, remove the key, and wait for all moving parts to stop
before leaving the operating position.
-
Disconnect
the spark-plug wires from the spark plugs.
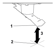
Checking for Bent Blades
The machine must be on a level
surface for this procedure.
-
Raise the
mower deck to the highest height-of-cut position.
-
While wearing
thickly padded gloves, or other adequate hand protection, slowly rotate
the blade into a position that allows
you to measure the distance between the cutting edge and the level
surface.
-
Measure from
the tip of the blade to the level surface.
G513132
- Blade
(in position for measuring)
- Level
surface
- Measured
distance between blade and the surface (A)
-
Rotate the
same blade 180 degrees so that the opposite blade edge is now in the
same position.
G513133
- Blade
edge previous measured
- Opposite
blade edge
-
Measure from
the tip of the blade to the level surface.
G513132
- Blade
(in position for measuring)
- Level
surface
- Measured
distance between blade and the surface (B)
-
If the difference
between A and B is greater than 3 mm (1/8 inch), replace the blade.
Note: If you replace the blade and the difference continues to exceed 3
mm (1/8 inch), the blade spindle could be bent. Contact
an Authorized Service Dealer for service.
-
Repeat this
procedure each blade.
Removing the Blades
-
Hold the
blade end using a rag or thickly padded glove.
-
Remove the
blade as shown.
Sharpening the Blades
-
Use a file
to sharpen the cutting edge at both ends of the blade. Ensure to maintain
the original angle
.
Note: Remove the same amount of material from both cutting edges so that
the blade retains its balance.
-
Check the
balance of the blade
by putting it on a blade
balancer
.
Note: If the blade stays in a horizontal position, the blade is balanced
and can be used.
If the blade
is not balanced, file some metal off the end of the sail area only.
-
Repeat this
procedure until the blade is balanced.
Installing the Blades
 |
Warning |
|
Operating a machine after incorrectly
installing the blade assembly and/or not using genuine Toro blade and blade hardware
could allow a blade or blade component to be thrown out from under
the deck, resulting in serious injury
or death.
Always install genuine Toro blades and blade
hardware according to the instructions.
-
Install the
blade as shown.
Note: The curved part of the blade must be pointing upward toward the inside
of the mower to ensure proper cutting.
-
Torque the
blade bolt to 136
to 149 N·m (100 to 110 ft-lb).
Leveling the Mower Deck
Ensure that
the mower deck is level any time you install the mower deck or when
you see an uneven cut on your lawn.
Preparing to Level the Mower Deck
-
Park the
machine on a level surface, disengage the blade-control switch, and
move the motion-control levers outward to the
Park position.
-
Shut off
the engine, remove the key, and wait for all moving parts to stop
before leaving the operating position.
-
Ensure that
the tires are inflated to the correct specifications and the caster
wheels are facing straight forward.
-
Check the
mower deck for bent blades; remove and replace any bent blades.
-
Raise the
mower deck to the 76 mm (3 inch) height-of-cut setting.
Checking the Mower-Deck Level
-
Position
the blades side-to-side.
-
Measure at
locations
and
from a level surface to the cutting
edge of the blade tips
.
The difference between the measurements
should be no more than 5 mm (3/16 inch). If the measurement is larger,
adjust the side-to-side level.
-
Position
1 blade front-to-rear.
-
Measure at
locations
and
from a level surface to the cutting
edge of the blade tips
.
The front blade tip should be
1.6 to 7.9 mm (1/16 to 5/16 inch) lower than the rear blade tip. If
the measurement is not correct, adjust
the front-to-rear level.
Leveling the Mower Deck
-
Set the anti-scalp
rollers to the top holes or remove them completely for this procedure.
-
Set the height-of-cut
lever to the 76 mm (3 inch) position.
-
Place 2 blocks
, each having a thickness of 6.6
cm (2-5/8 inches), under each side of the front edge of the deck.
Do
not place the blocks under the anti-scalp roller brackets.
-
Place 2 blocks
, each having a thickness of 7.3
cm (2-7/8 inches), under each side of the rear edge of the deck.
-
Loosen the
lower fasteners securing the brackets to all 4 corners of the deck
and ensure that the mower deck sits securely
on all 4 blocks.
-
Remove any
slack from the deck brackets and ensure that the deck-lift foot lever
is pushed back against the stop.
-
Tighten the
fasteners.
-
Ensure that
the blocks fit snugly under the deck edge and that all attachment
bolts are tight.
-
Check the
side-to-side level and front-to-rear level; repeat the procedure until
the measurements are correct.
Removing the Mower Deck
-
Park the
machine on a level surface, disengage the blade-control switch, and
move the motion-control levers outward to the
Park position.
-
Shut off
the engine, remove the key, and wait for all moving parts to stop
before leaving the operating position.
-
Lower the
height-of-cut lever to the lowest position.
-
Release the
mower-deck curtain.
-
Remove the
hairpin cotter and washer from the front support rod
, and remove the rod from the
deck bracket
.
Note: Retain all parts for future installation.
-
Remove the
upper fasteners securing the brackets to all 4 lift arms.
-
Slide the
mower deck rearward to remove the mower belt from the engine pulley.
-
Slide the
mower deck out from underneath the machine.
Installing the Mower Deck
-
Park the
machine on a level surface, disengage the blade-control switch, and
move the motion-control levers outward to the
Park position.
-
Shut off
the engine, remove the key, and wait for all moving parts to stop
before leaving the operating position.
-
Slide the
mower deck under the machine.
-
Lower the
height-of-cut lever to the lowest position.
-
Install the
lift links to the deck-lift arms using the previously removed fasteners.
-
Attach the
front support rod
to the deck bracket
with the hairpin cotter and washer.
-
Install the
mower belt onto the engine pulley.
-
Tighten the
bolts for the mower-deck curtain.
Replacing the Grass Deflector
 |
Danger |
|
An uncovered discharge opening
allows objects to be thrown toward you or bystanders. Also, contact
with the blade could occur. Thrown objects
or blade contact will cause serious injury or death.
Do not operate
the mower with the discharge deflector raised, removed, or altered
unless a grass collection system or mulch
kit is in place and working properly.
-
Park the
machine on a level surface, disengage the blade-control switch, and
move the motion-control levers outward to the
Park position.
-
Shut off
the engine, remove the key, and wait for all moving parts to stop
before leaving the operating position.
-
Disengage
the spring from the notch in the deflector bracket and slide the rod
out of the welded deck brackets, spring, and
discharge deflector.
G456086
- Rod
- Grass
deflector
- Spring
- Deck
brackets
- Cotter
pin
- Spring
installed over the rod
-
Remove the
damaged or worn grass deflector.
-
Position
the new discharge deflector with the bracket ends between the welded
brackets on the deck as shown.
G456085
- Rod and
spring assembly installed
- Loop
end of the spring installed into the notch of the deflector bracket
- Rod,
short end, moved behind the mower bracket
- Short
end, retained by mower bracket
- Cotter
pin
-
Secure the
rod and spring assembly by twisting it so that the short end of the
rod is behind the front bracket welded to the
deck.
-
Install the
cotter pin into the end of the rod.
The
grass deflector must be spring-loaded in the down position. Lift the
deflector up to test that it snaps into the full-down
position.
Cleaning
Disposing of Waste
Engine oil, batteries,
hydraulic fluid, and engine coolant are pollutants to the environment.
Dispose of these according to your state and
local regulations.
Troubleshooting
The engine overheats.
| Possible Cause |
Corrective Action |
| The engine load is excessive. |
-
Reduce the
ground speed.
|
| The oil level in the crankcase
is low. |
-
Add oil to
the crankcase.
|
| The cooling fins and air
passages under the engine-blower housing are plugged. |
-
Remove the
obstruction from the cooling fins and air passages.
|
| The air cleaner is dirty. |
-
Clean or
replace the air-cleaner element.
|
| Dirt, water, or stale fuel
is in the fuel system. |
-
Contact an
Authorized Service Dealer.
|
The starter does not crank.
| Possible Cause |
Corrective Action |
| The blade-control switch
is engaged. |
-
Disengage
the blade-control switch.
|
| The motion-control levers
are not in the park position. |
-
Move the
motion-control levers outward to the park position.
|
| The battery is dead. |
-
Charge the
battery.
|
| The electrical connections
are corroded or loose. |
-
Check the
electrical connections for good contact.
|
| A fuse is blown. |
-
Replace the
fuse.
|
| A relay or switch is damaged. |
-
Contact an
Authorized Service Dealer.
|
The engine does not start, starts
hard, or fails to keep running.
| Possible Cause |
Corrective Action |
| The fuel tank is empty. |
-
Fill the
fuel tank.
|
| The choke (if applicable)
is not on. |
-
Move the
choke lever to the on position.
|
| The air cleaner is dirty. |
-
Clean or
replace the air-cleaner element.
|
| The spark-plug wire(s)
is loose or disconnected. |
-
Install the
wire(s) on the spark plug.
|
| The spark plug(s) is pitted,
fouled, or the gap is incorrect.
|
-
Install a
new, correctly gapped spark plug(s).
|
| There is dirt in fuel filter. |
-
Replace the
fuel filter.
|
| Dirt, water, or stale fuel
is in fuel system. |
-
Contact an
Authorized Service Dealer.
|
| There is incorrect fuel
in the fuel tank. |
-
Drain the
tank and replace the fuel with the proper type.
|
| The oil level in the crankcase
is low. |
-
Add oil to
the crankcase.
|
The engine loses power.
| Possible Cause |
Corrective Action |
| The engine load is excessive. |
-
Reduce the
ground speed.
|
| The air cleaner is dirty. |
-
Clean the
air-cleaner element.
|
| The oil level in the crankcase
is low. |
-
Add oil to
the crankcase.
|
| The cooling fins and air
passages under the engine blower housing are plugged. |
-
Remove the
obstruction from the cooling fins and air passages.
|
| The spark plug(s) is pitted,
fouled, or the gap is incorrect.
|
-
Install a
new, correctly gapped spark plug(s).
|
| The fuel-tank vent is blocked. |
-
Contact an
Authorized Service Dealer.
|
| There is dirt in the fuel
filter. |
-
Replace the
fuel filter.
|
| Dirt, water, or stale fuel
is in the fuel system. |
-
Contact an
Authorized Service Dealer.
|
| There is incorrect fuel
in the fuel tank. |
-
Contact an
Authorized Service Dealer.
|
The machine does not drive.
| Possible Cause |
Corrective Action |
| The bypass valves are open. |
-
Close the
tow valves.
|
| The traction belts are
worn, loose, or broken. |
-
Contact an
Authorized Service Dealer.
|
| The traction belts are
off the pulleys. |
-
Contact an
Authorized Service Dealer.
|
| The transmission has failed. |
-
Contact an
Authorized Service Dealer.
|
The machine vibrates abnormally.
| Possible Cause |
Corrective Action |
| The cutting blade(s) is/are
bent or unbalanced. |
-
Install new
cutting blade(s).
|
| The blade mounting bolt
is loose. |
-
Tighten the
blade mounting bolt.
|
| The engine mounting bolts
are loose. |
-
Tighten the
engine mounting bolts.
|
| The engine pulley, idler
pulley, or blade pulley is loose.
|
-
Tighten the
appropriate pulley.
|
| The engine pulley is damaged. |
-
Contact an
Authorized Service Dealer.
|
| The blade spindle is bent. |
-
Contact an
Authorized Service Dealer.
|
| The motor mount is loose
or worn. |
-
Contact an
Authorized Service Dealer.
|
The cutting height is uneven.
| Possible Cause |
Corrective Action |
| The blade(s) is not sharp. |
-
Sharpen the
blade(s).
|
| A cutting blade(s) is/are
bent. |
-
Install a
new cutting blade(s).
|
| The mower is not level. |
-
Level the
mower from side-to-side and front-to-rear.
|
| An anti-scalp roller (if
applicable) is not set correctly.
|
-
Adjust the
anti-scalp wheel height.
|
| The underside of the mower
deck is dirty. |
-
Clean the
underside of the mower deck.
|
| The tire pressure is incorrect. |
-
Adjust the
tire pressure.
|
| A blade spindle is bent. |
-
Contact an
Authorized Service Dealer.
|
The blades do not rotate.
| Possible Cause |
Corrective Action |
| The drive belt is worn,
loose or broken. |
-
Install a
new drive belt.
|
| The drive belt is off of
the pulley. |
-
Install the
drive belt and check the adjusting shafts and belt guides for the
correct position.
|
| The power-takeoff (PTO)
switch or PTO clutch is faulty.
|
-
Contact an
Authorized Service Dealer.
|
| The mower belt is worn,
loose, or broken. |
-
Install a
new mower belt.
|