| Vedlikeholdsintervall | Vedlikeholdsprosedyre |
|---|---|
| For hver bruk eller daglig |
|
Denne plentraktoren med roterende knivblader er beregnet på bruk av private boligeiere på private eiendommer. Den er hovedsakelig beregnet på å klippe gress på godt vedlikeholdte plener. Hvis du bruker dette produktet til andre formål enn det er beregnet på, kan du utsette deg selv eller andre for fare.
Les denne håndboken nøye, slik at du lærer å bruke og vedlikeholde produktet på riktig måte og unngår person- eller produktskade. Du har ansvar for å bruke produktet på en riktig og sikker måte.
Gå til www.Toro.com for materialer for produktsikkerhet og opplæring i bruk, og informasjon om tilbehør, hjelp til å finne en forhandler eller for å registrere produktet ditt.
Hvis maskinen må repareres, om du trenger originale Toro-deler eller mer informasjon, kan du kontakte et autorisert forhandlerverksted eller Toros kundeserviceavdeling. Ha modell- og serienummer for hånden når du tar kontakt. Figur 1 identifiserer plasseringen av modell- og serienummer på produktet. Skriv inn numrene i de tomme feltene.
Important: Du kan skanne QR-koden på serienummermerket (hvis det finnes) med den mobile enheten for å få tilgang til garantien, deler og annen produktinformasjon.

Noter produktets modell- og serienummer nedenfor:
I tillegg brukes to ord for å utheve informasjon. Viktig gjør oppmerksom på spesiell mekanisk informasjon og Obs henviser til generell informasjon som er verdt å huske.
Symbolet for sikkerhetsvarsel (Figur 2) vises både i denne håndboken og på maskinen for å identifisere viktige sikkerhetsmeldinger som du må følge for å unngå ulykker. Dette symbolet vises sammen med ordet Fare, Advarsel eller Forsiktig.
Fare indikerer en farlig situasjon som, hvis den ikke unngås, vil resultere i dødsfall eller alvorlig personskade.
Advarsel indikerer en potensielt farlig situasjon som, hvis den ikke unngås, kan resultere i dødsfall eller alvorlig personskade.
Forsiktig indikerer en potensielt farlig situasjon som, hvis den ikke unngås, kan resultere i mindre eller moderat skade.

Dette produktet er i samsvar med alle relevante europeiske direktiver. Se eget samsvarserklæringsskjema for produktet for detaljert informasjon.
Brutto- eller nettomoment: Motorens brutto- eller nettomoment ble beregnet i laboratorium av motorprodusenten i overensstemmelse med Society of Automotive Engineers (SAE) J1940 eller J2723. Når gresslippere i denne klassen er konfigurert til å overholde sikkerhets-, utslipps- og driftskrav, vil det faktiske dreiemomentet være betydelig lavere. Se motorprodusentens informasjon som følger med maskinen.
Den vedlagte brukerhåndboken for motoren inneholder informasjon om amerikanske miljømyndigheters (EPA) og Californias utslippskontrollreguleringer for utslippssystemer, vedlikehold og garanti. Du kan bestille nye brukerhåndbøker fra motorprodusenten.
Dette produktet kan amputere hender og føtter og slynge gjenstander opp i luften. Følg alltid alle sikkerhetsinstruksjoner for å unngå alvorlige personskader eller dødsulykker.
Les og forstå innholdet i denne brukerhåndboken før du starter motoren.
Hold tilskuere og barn unna.
Ikke la barn eller personer som ikke er opplært, betjene eller utføre vedlikehold på maskinen. Maskinen skal kun brukes av ansvarlige personer som fått opplæring, er kjent med instruksjonene og er fysisk i stand til å betjene eller utføre vedlikehold på den.
Maskinen må ikke brukes nær bratte skrenter, grøfter, voller, vann eller andre farer, eller i skråninger på mer enn 15 grader.
Hold hender og føtter borte fra roterende deler på maskinen.
Bruk aldri maskinen uten at alle vernedeksler, sikkerhetsbrytere og andre sikkerhetsanordninger sitter på plass og fungerer som de skal.
Slå av motoren, ta ut nøkkelen og vente til alle bevegelige deler står stille, før du forlater førerens plass. La maskinen kjøle seg ned før vedlikehold, justering, fylling av drivstoff, rengjøring eller lagring.

![]() |
Sikkerhetsmerker og instruksjoner er lett synlige for føreren og er plassert i nærheten av alle områder som representerer en potensiell fare. Bytt ut alle merker som er ødelagte eller mangler. |


Merket 99-3943 er kun for modeller med klippeenheter på 127 cm.

Merket 105-7015 er kun for modeller med klippeenheter på 107 cm.

Merket 112-9840 er kun for modeller med klippeenheter på 127 cm.




Merket 138-6074 er støpt inn i drivstofftanken.


Merket 139-2391 er for modeller uten en timeteller.








Gjør deg kjent med alle kontroller før du starter motoren og bruker maskinen.

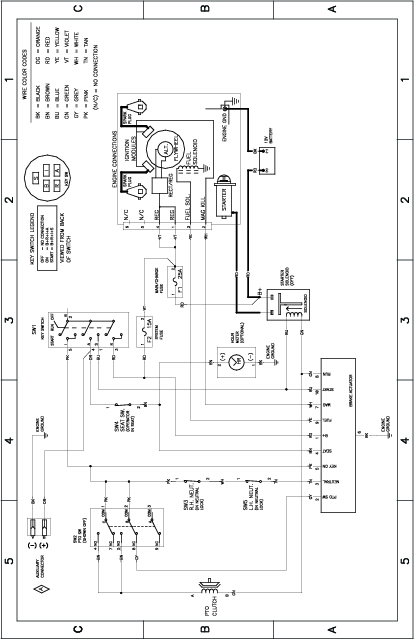
Nøkkelbryteren som brukes til å starte og stoppe motoren, har tre stillinger: AV, KJøR og START (Figur 5).
Gassen kontrollerer motorhastigheten og den har en kontinuerlig variabel innstilling fra SAKTE til HURTIG (Figur 5).
Bruk chokekontrollen for å starte en kald motor (Figur 5).
Knivkontrollbryteren, representert av et kraftoverføringssymbol (PTO), aktiverer og deaktiverer strømmen til knivbladene (Figur 5).
Bruk bevegelseskontrollspakene til å kjøre maskinen fremover, rygge og svinge i alle retninger (Figur 4).
Flytt bevegelseskontrollspakene utover fra midten til PARKERINGSSTILLINGEN for å ta i bruk parkeringsbremsen når du stopper eller går ut av maskinen.
Bruk MyRide®-justeringsspaken til å justere seteopphenget (Figur 4).
Spaken i Smart Speed™-kontrollsystemet, som befinner seg under driftsposisjon, gir deg valget mellom tre hastigheter å kjøre maskinen i – trimme, taue og klippe (Figur 27).
Du kan bruke drivstoffluken, plassert på venstre side, til å sjekke hvor mye drivstoff det er på tanken (Figur 6).

Bruk klippehøydespaken til å heve og senke klippeenheten fra sittende stilling. Skyv spaken oppover (mot deg) for å heve klippeenheten fra bakken og ned (bort fra deg) for å senke klippeenheten mot bakken. Juster kun klippehøyden når maskinen ikke beveger seg (Figur 28).
Løftesystemet for klippeenhet med fotpedal kan brukes til å løfte og senke klippeenheten mens du sitter på setet. Du kan bruke fotpedalen til å løfte klippeenheten midlertidig for å unngå hindringer eller for å justere klippehøyden (Figur 4).
Spesifikasjoner og konstruksjon kan forandres uten varsel.
| 107 cm klippeenhet | 127 cm klippeenhet | |
| Klippebredde | 107 cm | 127 cm |
| Bredde med avleder ned | 135 cm | 155 cm |
| Bredde med avleder hevet | 123 cm | 130 cm |
| Lengde | 185 cm | 186 cm |
| Høyde | 112 cm | 109 cm |
| Vekt | 332 kg | 353 kg |
Et utvalg av Toro-godkjent tilbehør som kan brukes sammen med maskinen for å forbedre og utvide dens funksjoner er tilgjengelig. Ta kontakt med en autorisert serviceforhandler eller Toro-forhandler, eller gå til www.Toro.com for å få en liste over godkjent tilbehør og utstyr.
For å oppnå optimal ytelse og holde maskinen i sikkerhetsgodkjent stand bruker du bare ekte Toro-reservedeler og -tilbehør. Reservedeler og tilbehør som er laget av andre produsenter kan være farlige, og de kan derfor føre til at garantien blir ugyldig.
Note: Angi hva som er høyre og venstre side på maskinen ved å stå i normal arbeidsstilling.
Ikke la barn eller personer som ikke er opplært, betjene eller utføre vedlikehold på maskinen. Det kan hende at lokale forskrifter setter en aldersgrense for bruk. Eieren er ansvarlig for opplæring av alle operatører og mekanikere.
Undersøk området hvor du skal bruke maskinen, og fjern alle gjenstander som kan komme i veien for bruken av maskinen eller slynges ut av maskinen.
Gjør deg kjent med sikker bruk av utstyret, driftskontrollene og sikkerhetssymbolene.
Kontroller at dødmannskontrollene, sikkerhetsbryterne og vernedekslene er montert og fungerer som de skal. Ikke bruk maskinen hvis disse ikke fungerer som de skal.
Slå av motoren, ta ut nøkkelen og vente til alle bevegelige deler står stille, før du forlater førerens plass. La maskinen kjøle seg ned før vedlikehold, justering, fylling av drivstoff, rengjøring eller lagring.
Før du klipper, må du alltid undersøke maskinen for å sikre at klippeenhetene fungerer som de skal.
Vurder terrenget for å avgjøre det passende utstyret og eventuelt tilbehør som er nødvendig for å bruke maskinen korrekt og sikkert.
Ha på deg passende klær, inkludert vernebriller, vernebukser, sklisikkert og kraftig fottøy og hørselsvern. Sett opp langt hår, ikke bruk løstsittende klær eller fritthengende smykker.
Ikke ta med deg passasjerer på maskinen.
Hold tilskuere og kjæledyr unna maskinen under drift. Slå av maskinen og tilbehøret hvis noen kommer inn på området.
Ikke bruk maskinen med mindre alle vernedeksler og sikkerhetsanordninger, slik som avlederne og hele gressoppsamleren, sitter på plass og fungerer som de skal. Skift ut slitte eller forringede deler når det er nødvendig.
Drivstoff er svært brannfarlig og eksplosivt. Brann eller eksplosjon forårsaket av drivstoff kan påføre deg og andre brannskader samt ødelegge eiendom.
For å hindre at en statisk ladning antenner drivstoffet, fjerner du maskinen fra lastebilen eller tilhengeren og fyller drivstoff på bakken, vekk fra alle kjøretøyer. Hvis dette ikke er mulig, plasser en bærbar drivstoffbeholder på bakken, vekk fra alle kjøretøyer, og fyll den. Fyll maskinen fra drivstoffbeholderen i stedet for fra en pistol for påfylling av drivstoff.
Fyll opp drivstofftanken på et plant underlag utendørs, i et åpent område og når motoren er nedkjølt. Tørk opp eventuelt drivstoffsøl.
Ikke håndter drivstoff når du røyker eller er i nærheten av åpen ild eller gnister.
Ikke ta lokket av drivstofftanken eller fyll på drivstofftanken mens motoren går eller er varm.
Ikke prøv å starte motoren hvis du har sølt drivstoff. Unngå antenningskilder til all drivstoffdamp er forsvunnet.
Drivstoff må oppbevares på en godkjent kanne, utenfor barns rekkevidde.
Drivstoff kan føre til skader eller dødsfall hvis det svelges. Hvis du utsettes for damp fra drivstoff over lengre tid, kan dette føre til alvorlig skade og sykdom.
Unngå innånding av damp fra drivstoff over lengre tid.
Hold hendene og ansiktet unna dysen og drivstofftankåpningen.
Hold drivstoffet unna øyne og hud.
Oppbevar aldri maskinen eller bensinkannen hvor det er åpen ild, gnist eller kontrollampe som på en varmtvannstank eller andre apparater.
Ikke bruk maskinen uten at hele eksossystemet er på plass og i fungerende tilstand.
Påfyllingstuten må være i kontakt med kanten på drivstofftanken eller kannens åpning hele tiden, helt til du er ferdig med å fylle. Ikke bruk utstyr for låsing av munnstykket i åpen stilling.
Hvis du søler drivstoff på klærne dine, bytt klær umiddelbart.
Ikke fyll for mye i drivstofftanken. Sett på igjen lokket på drivstofftanken og stram godt til.
Fjern gress og rusk fra klippeenhetene, lyddemperen, drivverket, gressoppsamleren og motorrommet for å unngå at det begynner å brenne. Tørk opp eventuelt olje- eller drivstoffsøl.
| Type | Blyfri bensin |
| Minimum oktankvalitet | 87 (USA) eller 91 (forskningsoktan; utenfor USA) |
| Etanol | Ikke mer enn 10 % i volum |
| Metanol | Ingen |
| MTBE (metyltertiærbutyleter) | Mindre enn 15 % i volum |
| Olje | Ikke tilsett olje i drivstoffet |
Bruk kun rent, ferskt (mindre enn 30 dager gammelt) drivstoff fra en pålitelig kilde.
Bruk drivstoffstabiliserings-/kondisjoneringsmiddel i maskinen for å holde drivstoffet ferskt lenger under bruk, som anvist av produsenten for drivstoffstabiliseringsmiddelet.
Important: Ikke bruk tilsettingsmidler som inneholder metanol eller etanol i drivstoffet.
Tilsett mengden drivstoffstabiliserings-/kondisjoneringsmiddel i ferskt drivstoff som anvist av produsenten for drivstoffstabiliseringsmiddelet.
Parker maskinen på en jevn flate.
Flytt bevegelseskontrollspakene utover til PARKERINGSSTILLING.
Slå av motoren og ta ut nøkkelen.
Rengjør rundt drivstofflokket.
Fyll drivstoff på tanken til nivået når opp til bunnen av påfyllingshalsen (Figur 7). Drivstofftanken må ikke fylles helt opp.

Før du starter maskinen hver dag, må du utføre prosedyrene for hver bruk / daglige prosedyrer, som angitt i .
Nye motorer trenger tid til å utvikle full styrke. Klippeenheter og drivverk har høyere friksjon når de er nye, som fører til ekstra belastning på motoren. Beregn 40 til 50 timers innkjøringstid slik at nye maskiner kan utvikle full styrke og best mulig ytelse.
Hvis sikkerhetssperrebryterne blir frakoblet eller skadet, kan det hende at maskinen virker på en uventet måte som forårsaker personskader.
Ikke rør sperrebryterne.
Sjekk sperrebryterne daglig, og bytt ut ødelagte brytere før du bruker maskinen.
Sikkerhetssperresystemet er konstruert slik at det forhindrer motoren i å starte, hvis ikke:
Knivkontrollbryteren (kraftoverføring) er utkoblet.
Bevegelseskontrollspakene står i PARKERINGSSTILLINGEN.
Sikkerhetssperresystemet stanser også motoren når kontrollspakene ikke står i PARKERINGSSTILLINGEN og du reiser deg fra setet.
| Vedlikeholdsintervall | Vedlikeholdsprosedyre |
|---|---|
| For hver bruk eller daglig |
|
Sikkerhetssperresystemet må testes hver gang maskinen skal brukes. Hvis systemet ikke fungerer slik som beskrevet nedenfor, må du be et autorisert forhandlerverksted om å reparere det omgående.
Sitt i setet, flytt kontrollspakene til PARKERINGSSTILLINGEN, og flytt knivkontrollbryteren til På-stillingen. Prøv å starte motoren – motoren skal ikke starte.
Sitt i setet, og flytt knivkontrollbryteren til AV-stillingen. Flytt en av bevegelseskontrollspakene til den midtre, frie stillingen. Prøv å starte motoren – motoren skal ikke starte. Gjenta dette med den andre bevegelseskontrollspaken.
Sitt i setet, flytt knivkontrollbryteren til AV-stillingen, og lås bevegelseskontrollspakene i PARKERINGSSTILLINGEN. Start motoren. Koble inn knivkontrollbryteren mens motoren går, og løft deg litt opp fra setet. Motoren skal stoppe.
Sitt i setet, flytt knivkontrollbryteren til AV-stillingen, og lås bevegelseskontrollspakene i PARKERINGSSTILLINGEN. Start motoren. Flytt bevegelseskontrollspakene til den midtre, frie stillingen, og reis deg sakte fra setet mens motoren er i gang. Motoren skal stoppe.
Setet kan beveges både forover og bakover. Juster setet til en stilling som er behagelig for deg, og som gir deg best mulig kontroll over maskinen (Figur 8).

Du kan justere MyRide®-opphengssystem for å sitte mer stabilt og komfortabelt ved kjøring. Sporene for justering av opphenget har stoppeposisjoner til referanse; fra myk til fast fjæring (Figur 9).
Parker maskinen på en jevn overflate, koble fra knivkontrollbryteren og flytt bevegelseskontrollspakene utover til PARKERINGSSTILLINGEN.
Før du forlater førerplassen må du slå av motoren, ta ut nøkkelen og vente til alle bevegelige deler står stille.
Gå av maskinen.
Mens du står på høyre side av maskinen flytter du justeringsspaken til venstre mot symbolet – for mykere fjæring.
Flytt justeringsspaken til høyre mot symbolet + for fastere fjæring.

Du kan justere bevegelseskontrollspakene høyere eller lavere for maksimal komfort (Figur 10).

Du kan justere bevegelseskontrollspakene fremover eller bakover slik at de er behagelig plassert.
Løsne den øvre bolten som fester kontrollspaken til kontrollarmstaget.
Løsne den nedre bolten akkurat nok til å dreie kontrollspaken frem- eller bakover.

Stram til begge boltene for å sikre kontrollspaken i den nye posisjonen.
Gjenta justeringen for den andre kontrollspaken.
Klippeenheten og knivene som leveres med maskinen, ble utformet for optimal kvern- og sideutslippytelse.
Monter festene fra posen med løse deler inn i de tomme hullene etter fjerning av resirkuleringsskjermen. Dette sikrer at ingen hull står åpne når du bruker klippeenheten.
Åpne hull på gressklipperen utsetter deg og andre for utslynging av gjenstander som kan føre til alvorlige skader.
Bruk aldri maskinen uten at delene er montert i alle hullene i klippeenheten.
Monter delene i monteringshullene når du fjerner kvernskjermen.
Parker maskinen på en jevn overflate, koble fra knivkontrollbryteren og flytt bevegelseskontrollspakene utover til PARKERINGSSTILLINGEN.
Før du forlater førerplassen må du slå av motoren, ta ut nøkkelen og vente til alle bevegelige deler står stille.
Fjern klippeenheten. Se Demontere klippeenheten.
Fjern de to låsemutterne (5/16 tomme) fra de sveisede tappene til skjermen.

Fjern de to låseboltene og to låsemutterne som fester skjermen til klippeenheten, og fjern skjermen.
Bruk to bolter fra posen med løse deler og de to låsemutterne du allerede har, til å tette hullene som brukes for de sveisede tappene, slik at du kan forhindre at avfall blir slynget ut.
Note: Monter festene slik at mutterne er oppå klippeenheten.
Bruk en bolt fra posen med løse deler, og bruk en låsemutter du allerede har, til å tette hullet foran på klippeenheten.
Note: Monter festene slik at mutteren er på utsiden av klippeenheten.
Monter klippeenheten. Se Montere klippeenheten.
Parker maskinen på en jevn overflate, koble fra knivkontrollbryteren og flytt bevegelseskontrollspakene utover til PARKERINGSSTILLINGEN.
Før du forlater førerplassen må du slå av motoren, ta ut nøkkelen og vente til alle bevegelige deler står stille.
Fjern klippeenheten. Se Demontere klippeenheten.
Fjern de tre låsemutterne (5/16 tomme) fra de sveisede tappene til den høyre skjermen.

Fjern låsebolten og låsemutteren som fester den høyre skjermen til klippeenheten, og fjern skjermen.
Bruk låsebolten og låsemutteren som ble fjernet i trinn 5, til å tette hullet på høyre side av klippeenheten, slik at du kan forhindre at avfall blir slynget ut.
Note: Monter festene slik at mutteren er på utsiden av klippeenheten.
Bruk tre bolter fra posen med løse deler og de tre låsemutterne du allerede har, til å tette hullene som brukes for de sveisede tappene.
Note: Monter festene slik at mutterne er oppå klippeenheten.
Fjern de to låsemutterne (5/16 tomme) fra de sveisede tappene til den venstre skjermen.

Fjern låsebolten og låsemutteren som fester den venstre skjermen til klippeenheten, og fjern skjermen.
Bruk låsebolten og låsemutteren som ble fjernet i trinn 9, til å tette hullet på høyre side av klippeenheten, slik at du kan forhindre at avfall blir slynget ut.
Note: Monter festene slik at mutteren er på utsiden av klippeenheten.
Bruk to bolter fra posen med løse deler og de to låsemutterne du allerede har, til å tette hullene som brukes for de sveisede tappene.
Note: Monter festene slik at mutterne er oppå klippeenheten.
Fjern mutteren fra gressavlederstangen under klippeenheten.

Bruk mutteren til å montere kantskjermen til gressavlederstangen ved å bruke det ytre hullet på skjermen.
Monter klippeenheten. Se Montere klippeenheten.
Eieren/brukeren kan forhindre og er ansvarlig for ulykker som kan forårsake personskader eller materielle skader.
Vær alltid fokusert på oppgaven når du bruker maskinen. Ikke delta i aktiviteter som forårsaker distraksjoner, da dette kan føre til personskade eller materiell skade.
Ikke bruk maskinen når du er syk, trett eller påvirket av alkohol eller andre rusmidler.
Dersom kniven berøres, kan det føre til alvorlige personskader. Før du forlater førerplassen må du slå av motoren, ta ut nøkkelen og vente til alle bevegelige deler står stille. Når du dreier nøkkelen til AV-stillingen, skal motoren slås av og kniven stoppe. Hvis de ikke stopper som de skal, skal du umiddelbart slutte å bruke maskinen. Kontakt en autorisert serviceforhandler.
Maskinen skal kun brukes under forhold med god sikt og egnede værforhold. Ikke bruk maskinen hvis det er fare for lynnedslag.
Hold hendene og føttene borte fra klippeenhetene. Hold avstand fra utslippsåpningen.
Klipp aldri med utslippsavlederen hevet, fjernet eller endret med mindre et gressoppsamlingssystem eller kvernesett er montert og fungerer som det skal.
Bruk kun gressklipperen i revers hvis det er helt nødvendig. Se alltid bakover og ned du før du flytter maskinen i revers.
Vær spesielt forsiktig når du nærmer deg hjørner, busker, trær eller andre objekter som kan hindre sikten din.
Stopp knivene når du ikke klipper.
Hvis maskinen treffer en gjenstand eller begynner å vibrere, må du umiddelbart slå av motoren, ta ut nøkkelen (hvis maskinen leveres med nøkkel) og vente til alle deler i bevegelse har stoppet før du undersøker maskinen for skade. Foreta alle nødvendige reparasjoner før du gjenopptar bruk.
Kjør sakte, og vær forsiktig når du svinger og krysser veier og fortau med maskinen. Overhold alltid vikeplikten.
Gjør følgende før du forlater førersetet:
Parker maskinen på flat mark.
Koble ut kraftoverføringen, og senk utstyret.
Sett på parkeringsbremsen.
Slå av motoren og ta ut nøkkelen.
Vent til alle bevegelige deler har stanset.
Kjør motoren kun i godt ventilerte områder. Eksosen inneholder karbonmonoksid, som er dødelig ved innånding.
La aldri maskinen stå uten tilsyn når den er i gang.
Utstyr som skal taues, skal kun festes i koblingspunktet.
Ikke bruk maskinen med mindre alle vernedeksler og sikkerhetsanordninger, slik som avlederne og hele gressoppsamleren, sitter på plass og fungerer som de skal. Skift ut slitte eller forringede deler når det er nødvendig.
Bruk kun tilbehør og utstyr som er godkjent av Toro.
Denne maskinen har en lydstyrke på over 85 dBA ved operatørens øre og kan føre til hørselsskade hvis du utsettes for denne lydstyrken i lengre perioder.

Fjern gress og rusk fra klippeenhetene, drivverk, lyddemperne og motoren for å unngå at det begynner å brenne.
Start motoren med føttene i god avstand fra knivene.
Vær oppmerksom på gressklipperens utslippsbane og rett utslippet bort fra andre personer. Unngå å slippe ut materiale mot en vegg eller hindring, da materialet kan kastes tilbake mot deg.
Stopp knivene, reduser maskinhastigheten og vær forsiktig når du krysser andre overflater enn gress eller ved transport av maskinen til og fra driftsområdet.
Hastigheten til motorregulatoren må ikke endres, og motoren må ikke ruses.
Barn blir ofte nysgjerrige på maskinen og klippingen. Ikke anta at barn blir værende der du så dem sist.
Hold barn unna driftsområdet, og sørg for at en annen ansvarlig voksen holder oppsyn med dem.
Vær oppmerksom og slå av maskinen hvis barn går inn i driftsområdet.
Før du rygger eller svinger maskinen, må du se ned og rundt deg etter små barn.
Ikke ha med barn på maskinen, selv når knivene ikke beveger seg. Barn kan falle av og bli alvorlig skadet, eller de kan hindre deg i å betjene maskinen på en trygg måte. Barn som har fått lov til å sitte på tidligere, kan plutselig komme inn i området der du arbeider og bli overkjørt eller rygget over av maskinen.
Skråninger er en ledende årsak til tap av kontroll og velting. Dette kan føre til alvorlige skader eller dødsfall. Føreren har ansvar for sikker bruk i skråninger. Bruk av maskinen i skråninger krever ekstra forsiktighet. Før du bruker maskinen i en skråning, må du gjøre følgende:
Les og forstå instruksjonene for bruk i skråninger i denne brukerhåndboken og på maskinen.
Bruk en vinkelindikator til å fastslå den omtrentlige helningsvinkelen på området.
Kjøretøyet må ikke brukes i skråninger på mer enn 15 grader.
Vurder forholdene på stedet på dagen for å avgjøre om det er trygt å bruke maskinen i skråningen. Bruk alltid sunn fornuft og god dømmekraft når du utfører denne kontrollen. Endringer i terrenget, som for eksempel fuktighet, kan påvirke bruken av maskinen i skråninger.
Identifiser farer ved bunnen av skråningen. Maskinen må ikke brukes ved kanter grøfter, voller, vann eller andre farer. Maskinen kan velte hvis et hjul går over kanten eller hvis kanten gir etter. Hold en sikker avstand (to ganger maskinens bredde) mellom maskinen og eventuelle farer. Bruk en skyvegressklipper eller en håndtrimmer for å klippe gresset i disse områdene.
Ikke start, stopp eller sving maskinen i skråninger. Ikke foreta brå endringer i hastighet eller retning. Sving forsiktig og gradvis.
Ikke bruk en maskin i omstendigheter hvor trekkraften, styringen eller stabiliteten er i tvil. Vær oppmerksom på at bruk av maskinen på vått gress, på tvers av skråninger eller i nedoverbakker kan føre til at maskinen mister veigrepet. Hvis drivhjulene mister taket, kan det føre til at maskinen sklir og at bremse- og styringsevnen reduseres. Maskinen kan gli selv om drivhjulene er stanset.
Fjern eller marker hindringer som grøfter, hull, hjulspor, ujevnheter, steiner eller andre skjulte objekter. Gjenstander kan ligge skjult i høyt gress. Maskinen kan velte i ujevnt terreng.
Vær svært forsiktig når du bruker maskinen med tilbehør eller ekstrautstyr, som for eksempel gressoppsamlingssystemer. Disse kan endre maskinens stabilitet og føre til tap av kontroll. Følg anvisningene for motvekter.
Hvis det lar seg gjøre, hold klippeenheten senket til bakken mens du bruker maskinen i skråninger. Hvis du hever klippeenheten mens du kjører i skråninger, kan det føre til at maskinen blir ustabil.

Ikke fest utstyr som skal taues i annet enn denne koblingen.
Ikke bruk maskinen til tauing med mindre den har et tilhengerfeste.
Ikke overskrid vektgrensene for utstyr som taues og ved tauing i skråninger. Vekten av det som taues må ikke overskride vekten til maskinen og føreren.
Ikke la barn eller andre komme nær utstyret mens det taues.
I skråninger kan vekten på utstyret som taues medføre økt risiko for velting, samt at man mister både trekkraft og kontroll. Redusert vekten som taues og reduser farten.
Bremseavstanden kan øke i takt med vekten til lasten som taues. Kjør sakte, og beregn ekstra avstand for å kunne stoppe.
Ta slake svinger for å holde tilbehøret klar av maskinen.
Knivkontrollbryteren (kraftuttak) starter og stanser gressklipperens kniver og eventuelt strømdrevet tilleggutstyr.

Du kan flytte gasskontrollen mellom HURTIG- og LANGSOM-stillingene (Figur 21).
Bruk alltid HURTIG-stillingen når du aktiverer kraftuttaket.

Bruk choken til å starte en kald motor.
Note: En varm motor trenger kanskje ikke choke.
Important: Ikke hold tenningsnøkkelen vridd rundt i mer enn 5 sekunder om gangen. Hvis du starter startmotoren i mer enn fem sekunder, kan det føre til skade på startmotoren. Hvis motoren ikke starter, må du vente i 15 sekunder før du bruker motorstarteren igjen.

Deaktiver knivene ved å flytte knivkontrollbryteren til AV-stillingen.
Flytt bevegelseskontrollspakene utover til PARKERING-stillingen.
Flytt gasskontrollen til en stilling mellom halv og full gass.
Vri tenningsnøkkelen til AV-posisjonen, og ta ut nøkkelen.
Barn og andre personer kan skades hvis de flytter på eller prøver å kjøre maskinen uten oppsyn.
Ta alltid ut tenningsnøkkelen og sett på parkeringsbremsen når du forlater maskinen.

Hjulene ruller uavhengig av hverandre, drevet av hydraulikkmotorer på hver aksel. Du kan sette én side i revers mens du kjører hjulene på den andre siden forover, noe som gjør at maskinen begynner å rotere i stedet for å snu. Dette gjør maskinen langt bedre å manøvrere, men det kan kreve litt tid å bli vant til hvordan den beveger seg.
Gasskontrollen regulerer omdreiningstallet (o/min – omdreininger per minutt). Sett gasskontrollen i HURTIG-stillingen for best ytelse. Arbeid alltid med maksimal gass.
Maskinen kan rotere svært hurtig. Du kan miste kontroll over maskinen og forårsake personskade eller skade på maskinen.
Vær forsiktig når du svinger.
Reduser hastigheten før du foretar skarpe svinger.
Note: Vær alltid forsiktig når du svinger.
Flytt spakene til den midtre, frie stillingen.
Skyv bevegelsekontrollspakene forsiktig forover for å gå fremover (Figur 25).

Note: Vær alltid forsiktig når du rygger og svinger.
Flytt spakene til den midtre, frie stillingen.
Skyv bevegelseskontrollspakene forsiktig bakover for å gå bakover (Figur 26).

Spaken i Smart SpeedTM-kontrollsystemet, som befinner seg under driftsposisjon (Figur 27), gir føreren valget mellom tre bakkehastigheter å kjøre maskinen i – trimme, taue og klippe.

Slik endrer du hastigheten:
Sett bevegelseskontrollspakene i fri og utover til PARKERINGSSTILLINGEN.
Koble fra knivkontrollbryteren.
Sett spaken i ønsket stilling.
Det følgende er kun anbefalinger for bruk. Justeringene varierer etter gresstype, fuktinnhold og høyde på gresset.
| Anbefalt bruk: | Stykke | Taue | Klipping |
| Parkering | X | ||
| Tungt, vått gress | X | ||
| Opplæring | X | ||
| Trimme gress | X | ||
| Oppsamling | X | ||
| Kverning | X | ||
| Slepetilbehør | X | ||
| Normal klipping | X | ||
| Flytte maskinen | X |
Stykke
Dette er den laveste hastigheten. Anbefalt bruk for denne hastigheten er som følger:
Parkering
Klippeforhold med tungt, vått gress
Opplæring
Trimme gress
Taue
Dette er den mellomste hastigheten. Anbefalt bruk for denne hastigheten er som følger:
Oppsamling
Kverning
Slepetilbehør
Klipping
Dette er den raskeste hastigheten. Anbefalt bruk for denne hastigheten er som følger:
Normal klipping
Flytte maskinen
Gressklipperen har en gressavleder med hengsler som sprer det klipte gresset ut fra siden og ned mot bakken.
Hvis ikke gressavlederen, utslippsdekselet eller hele gressoppsamleren sitter på plass, vil du selv eller andre risikere å komme i kontakt med kniven eller gjenstander som blir slengt opp i luften. Kontakt med gressklipperkniver som roterer og gjenstander som slynges opp i luften, kan føre til at noen blir alvorlig skadet eller drept.
Fjern aldri gressavlederen fra klippeenheten fordi gressavlederen leder materiale ned mot bakken. Hvis gressavlederen blir skadet, må den skiftes ut omgående.
Hold hender og føtter borte fra undersiden av gressklipperenheten.
Prøv aldri å rengjøre utslippsområdet eller gressklipperknivene uten at du flytter knivkontrollbryteren (kraftuttaket) til AV-stillingen, vrir tenningsnøkkelen til AV-stillingen og tar ut nøkkelen.
Påse at gressavlederen er i den nedre stillingen.
Når du endrer på klippehøyden, juster høyden på antiskalperingsvalsene.
Note: Juster antiskalperingsvalsene slik at valsene ikke berører bakken på normale, flate klippeområder.
Parker maskinen på en jevn overflate, koble fra knivkontrollbryteren og flytt bevegelseskontrollspakene utover til PARKERINGSSTILLINGEN.
Før du forlater førerplassen må du slå av motoren, ta ut nøkkelen og vente til alle bevegelige deler står stille.
Juster antiskalperingsvalsene til én av følgende posisjoner:
Øvre hull – bruk denne posisjonen sammen med klippeenheten i posisjonene på 63 mm og under klippehøyde (Figur 29).
Nedre hull – bruk denne posisjonen sammen med klippeenheten i posisjonene på 76 mm og over klippehøyde (Figur 29).

Når du endrer på klippehøyden, juster høyden på antiskalperingsvalsene.
Note: Juster antiskalperingsvalsene slik at valsene ikke berører bakken på normale, flate klippeområder.
Parker maskinen på en jevn overflate, koble fra knivkontrollbryteren og flytt bevegelseskontrollspakene utover til PARKERINGSSTILLINGEN.
Før du forlater førerplassen må du slå av motoren, ta ut nøkkelen og vente til alle bevegelige deler står stille.
Juster antiskalperingsvalsene (Figur 30) for å tilpasse dem den nærmeste klippehøydeposisjonen.

For best plenklipping og maksimal luftsirkulasjon, kjører du motoren i HURTIGSTILLINGEN. Luft er nødvendig for at gresset skal klippes grundig. Klippehøyden må derfor ikke være så lav at klippeenheten er omgitt av uklippet gress. Forsøk alltid å holde den ene siden av klippeenheten unna uklippet gress. Luften kan da trekkes inn i klippeenheten.
Klipp gresset litt lengre enn vanlig for å sikre at klippeenheten ikke skalperer ujevne områder. Klippehøyden som ble brukt tidligere er som regel den beste å bruke. Hvis gresset som klippes er lengre enn 15 cm, kan det være lurt å klippe plenen to ganger for å få et bedre resultat.
Det er best å bare klippe en tredjedel av gressets lengde. Kortere klipping anbefales ikke, bortsett fra hvis gresset er glissent eller det er sent på høsten og gresset vokser saktere.
Dersom du veksler på klipperetningen, holder gresset seg oppreist. Dette bidrar også til å spre det klipte gresset, noe som gir bedre nedbryting og gjødsling.
Gress vokser med varierende hastighet til forskjellige tider på året. For å opprettholde samme klippehøyde, må du klippe gresset oftere tidlig på våren. Midt på sommeren begynner det å vokse saktere, derfor trenger du ikke å klippe det så ofte da. Hvis du er ute av stand til å klippe plenen i en lengre periode, klipper du først med en høy klippehøyde. Vent i 2 dager, og klipp deretter på nytt med en lavere høyde.
Under visse forhold kan klipping med saktere bakkehastighet forbedre klippekvaliteten.
Når du klipper ujevnt, hev klippehøyden for å unngå skalpering av gresset.
Hvis maskinens bevegelse forover må stoppes under klippingen, kan det falle en gressklump ned på plenen. Gå til et tidligere klippet område med knivene koblet inn eller koble ut klippeenheten mens du beveger deg framover for å unngå dette.
Fjern gressrester og skitt fra klippeenhetens underside etter hver bruk. Hvis det er et tykt belegg av gress og smuss under klippeenheten, vil klipperesultatet bli dårlig.
Sørg for å holde kniven skarp hele klippesesongen, fordi en skarp kniv klipper gresset uten å slite av eller frynse gresstråene. Gress som er blitt slitt av eller frynset, vil bli brunt i kantene, noe som vil sinke veksten og øke sykdomsfaren. Sjekk at knivene på klipperen er skarpe og ikke slitte eller ødelagte etter bruk. Fil ned eventuelle hakk og kvess knivene etter behov. Hvis en kniv er ødelagt eller slitt, må du straks bytte den ut med en original Toro-kniv. Se Overhale gressklipperknivene.
Slå av motoren, ta ut nøkkelen og vente til alle bevegelige deler står stille, før du forlater førerens plass. La maskinen kjøle seg ned før vedlikehold, justering, fylling av drivstoff, rengjøring eller lagring.
Fjern gress og rusk fra klippeenhetene, lyddemperen, drivverket, gressoppsamleren og motorrommet for å unngå at det begynner å brenne. Tørk opp eventuelt olje- eller drivstoffsøl.
Fjern nøkkelen før du flytter eller setter maskinen til oppbevaring.
| Vedlikeholdsintervall | Vedlikeholdsprosedyre |
|---|---|
| Etter hver bruk |
|
Important: Du kan vaske maskinen med skånsomt vaskemiddel og vann. Maskinen må ikke trykkvaskes. Unngå overdreven bruk av vann, spesielt nær kontrollpanelet, under setet, rundt motoren, de hydrauliske pumpene og motorene.
Parker maskinen på en jevn overflate, koble fra knivkontrollbryteren og flytt bevegelseskontrollspakene utover til PARKERINGSSTILLINGEN.
Før du forlater førersetet, må du stanse motoren og vente til alle bevegelige deler står stille.
Fjern gress og rusk fra klippeenheten, lyddemperen, drivverket, gressoppsamleren og motorrommet. Bruk trykkluft når det er mulig.
Note: Se Vaske klippeenhetens underside for informasjon om bruk av klippeenhetens vanninntaksnippel.
Parker maskinen på en jevn overflate, koble fra knivkontrollbryteren og flytt bevegelseskontrollspakene utover til PARKERINGSSTILLINGEN.
Før du forlater førersetet, må du stanse motoren og vente til alle bevegelige deler står stille.
Finn omløpsspakene på rammen på begge sidene av motoren.
Flytt omløpsspakene forover gjennom hullet med spor i og nedover for å låse dem i denne stillingen (Figur 31).
Kontakt med varme overflater kan føre til personskader.
Hold hender, føtter, ansiktet, klær og andre kroppsdeler borte fra motoren, lyddemperen og andre varme overflater.
Maskinen kan bevege seg utilsiktet mens omløpsspakene låses forover i sporet, og skade deg eller tilskuere.
Lås omløpsspaken bakover etter at maskinen er flyttet.

Deaktiver parkeringsbremsen ved å flytte begge bevegelseskontrollspaker til den midtre og frie stillingen.
Note: Ikke start maskinen.
Flytt maskinen etter behov.
Important: Skyv alltid maskinen for hånd. Maskinen må ikke taues. Det kan skade den.
Flytt bevegelseskontrollspakene utover til PARKERINGSSTILLINGEN.
Flytt begge omløpspakene bakover og ned gjennom hullet med spor i for å låse dem på plass.
Bruk en kraftig tilhenger eller lastebil for å transportere maskinen. Bruk en rampe med full bredde. Sikre at tilhengeren eller lastebilen har alle nødvendige bremser, lys og markeringer som kreves ved lov. Les alle sikkerhetsinstruksjonene nøye. Kunnskap om dette kan forhindre personskader. Se lokale bestemmelser for krav til tilhenger og festing.
Det å kjøre i trafikken uten blinklys, lys, reflekser eller merking for saktegående kjøretøy er farlig og kan føre til ulykker, som igjen forårsaker personskader.
Ikke bruk maskinen på offentlige veier.
Lasting av maskinen på en tilhenger eller lastebil øker muligheten for at den velter og kan føre til alvorlig skader eller dødsulykker (Figur 32).
Bruk en rampe med full bredde. Ikke bruk individuelle ramper for hver side av maskinen.
Ikke overgå en 15 graders vinkel mellom rampen og bakken eller mellom rampen og tilhengeren eller lastbilen.
Påse at rampen er minst fire ganger så lang som høyden til tilhengeren eller lasteplanet i forhold til bakken. Dette sikrer at rampevinkelen ikke overskrider 15 grader på flatt underlag.

Lasting av maskinen på en tilhenger eller lastebil øker muligheten for at den velter og kan føre til alvorlig skader eller dødsulykker.
Vær svært forsiktig når du kjører maskinen på en rampe.
Rygg maskinen opp rampen, og kjør den fremover ned rampen.
Unngå plutselig akselerasjon eller bremsing mens du kjører maskinen på en rampe da det kan føre til tap av kontroll eller en situasjon der maskinen velter.
Hvis du bruker en tilhenger, koble den til tauekjøretøyet og sett på sikkerhetskjettingene.
Koble til tilhengerbremsene og lysene, hvis aktuelt.
Senk rampen og sørg for at vinkelen mellom rampen og bakken ikke overskrider 15 grader (Figur 32).
Rygg maskinen opp på rampen (Figur 33).

Slå av motoren, fjern nøkkelen og flytt bevegelsesstyringsspakene utover til PARKERINGSSTILLINGEN.
Fest maskinen nær de fremre styrehjulene og den bakre rammen med stropper, kjettinger, kabler eller tau (Figur 34). Se lokale bestemmelser for krav om festing.
Note: Rett stroppene ned og bort fra maskinen.

Note: Angi hva som er høyre og venstre side på maskinen, ved å stå i normal arbeidsstilling.
Dersom du lar tenningsnøkkelen stå i bryteren, kan noen starte motoren uten at det er tilsiktet, noe som kan påføre deg eller personer i nærheten alvorlige skader. Fjern tenningsnøkkelen før du begynner med eventuelt vedlikeholdsarbeid.
Før du forlater førerplassen, gjør følgende:
Parker maskinen på en jevn flate.
Koble fra drivverket.
Sett på parkeringsbremsen.
Slå av motoren og ta ut nøkkelen.
La maskinen kjøle seg ned før du utfører vedlikehold.
Ikke la personer uten opplæring vedlikeholde eller reparere maskinen.
Hold hender og føtter unna bevegelige deler eller varme overflater. Du må aldri foreta justeringer mens motoren går hvis du kan unngå det.
Vær forsiktig når du slipper ut trykket i komponenter med lagret energi.
Kontroller regelmessig at parkeringsbremsen virker. Juster og vedlikehold den etter behov.
Ikke tukle med sikkerhetsenhetene. Kontroller regelmessig at de virker tilfredsstillende.
Fjern gress og rusk fra klippeenheten, lyddemperen, drivverket, gressoppsamleren og motorrommet for å unngå at det begynner å brenne.
Tørk opp olje- eller drivstoffsøl, og fjern rusk som er tilsølt av drivstoff.
Ikke stol på at hydrauliske eller manuelle jekker vil støtte maskinen. Støtt opp maskinen med jekkstøtter når du arbeider under den.
Hold alle delene i god stand, og sørg for at monteringstilbehøret er godt festet, spesielt monteringstilbehøret som fester knivene. Skift ut slitte eller skadde merker.
Koble kabelen fra den negative polen til batteriet før du reparerer maskinen.
Bruk utelukkende originale reservedeler og tilbehør fra Toro for å få best mulig ytelse. Reservedeler og tilbehør som er laget av andre produsenter kan være farlige, og de kan derfor føre til at garantien blir ugyldig.
| Vedlikeholdsintervall | Vedlikeholdsprosedyre |
|---|---|
| Etter de 8 første timene |
|
| For hver bruk eller daglig |
|
| Etter hver bruk |
|
| Hver 25. driftstime |
|
| Hver 100. driftstime |
|
| Hver 100. time eller årlig, avhengig av hva som kommer først |
|
| Hver 200. driftstime |
|
| Hver 300. driftstime |
|
| Før lagring |
|
Important: Se i brukerhåndboken for flere vedlikeholdsprosedyrer.
Dersom du lar tenningsnøkkelen stå i bryteren, kan noen starte motoren uten at det er tilsiktet, noe som kan påføre deg eller personer i nærheten alvorlige skader.
Slå av motoren og ta ut nøkkelen av bryteren før du utfører vedlikehold.
Løsne de 2 nedre boltene på forhenget for å få tilgang til toppen på klippeenheten (Figur 35).

Note: Stram til boltene etter vedlikehold for feste forhenget.
Bruk jekkstøtter til å støtte maskinen når du hever den.
Hvis du støtter maskinen på den nedre lyddemperskjermen (Figur 36) kan det skade skjermen og forårsake at maskinen faller og skader deg eller andre.
Ikke bruk den nedre lyddemperskjermen til å løfte eller støtte maskinen.

| Vedlikeholdsintervall | Vedlikeholdsprosedyre |
|---|---|
| Hver 25. driftstime |
|
Smørefettype: nr. 2 litiumsbasert smørefett
Parker maskinen på en jevn overflate, koble fra knivkontrollbryteren og flytt bevegelseskontrollspakene utover til PARKERINGSSTILLINGEN.
Før du forlater førerplassen må du slå av motoren, ta ut nøkkelen og vente til alle bevegelige deler står stille.
Tørk av smøreniplene (Figur 37) med en fille.
Note: Skrap eventuell maling av forsiden av festeanordningene.

Plasser en smørepistol mot hver nippel (Figur 37).
Påfør smørefett i smøreniplene til det tyter ut av lagrene.
Tørk opp overflødig fett.
Hold hender, føtter, ansiktet, andre kroppsdeler og klær borte fra lyddemperen og andre varme overflater. La maskinkomponentene kjøle seg ned før du utfører vedlikehold.
Hastigheten til motorregulatoren må ikke endres, og motoren må ikke ruses.
| Vedlikeholdsintervall | Vedlikeholdsprosedyre |
|---|---|
| For hver bruk eller daglig |
|
| Hver 300. driftstime |
|
Note: Luftrenseren må renses oftere (med noen få timers mellomrom) hvis maskinen er utsatt for mye støv og sand.
Parker maskinen på en jevn overflate, koble fra knivkontrollbryteren og flytt bevegelseskontrollspakene utover til PARKERINGSSTILLINGEN.
Før du forlater førerplassen må du slå av motoren, ta ut nøkkelen og vente til alle bevegelige deler står stille.
Rengjør rundt luftrenserdekselet for å unngå at det kommer smuss i motoren som kan forårsake skade.
Løsne slangeklemmen og fjern papirelementet (Figur 36).

| Vedlikeholdsintervall | Vedlikeholdsprosedyre |
|---|
Rengjør papirelementet ved å dunke det forsiktig slik at støvet faller av.
Note: Hvis papirelementet er veldig skittent, kan du erstatte det med et nytt.
Undersøk om elementet har skader, et oljet belegg eller om gummitetningen er skadet.
Papirelementet må skiftes ut hvis det er skadet.
Important: Ikke rengjør papirfilteret.
Oljetype: Renseolje (API-klassifikasjon SF, SG, SH, SJ eller SL)
Veivhuskapasitet: 1,8 l uten filter, 2,1 l med filter
Viskositet: Se tabellen nedenfor.

| Vedlikeholdsintervall | Vedlikeholdsprosedyre |
|---|---|
| For hver bruk eller daglig |
|
Note: Sjekk oljen når motoren er kald.
Important: Hvis du fyller på for mye eller for lite olje i veivhuset og kjører motoren, kan dette føre til skade på motoren.
Parker maskinen på en jevn overflate, koble fra knivkontrollbryteren og flytt bevegelseskontrollspakene utover til PARKERINGSSTILLINGEN.
Før du forlater førerplassen må du slå av motoren, ta ut nøkkelen og vente til alle bevegelige deler står stille.
Note: Påse at motoren er slått av, står på flat mark og er avkjølt, slik at oljen har hatt tid til å renne ned i bunnpannen.
For å holde smuss, gress osv. ute av motoren, rengjør området rundt oljelokket og peilestaven før den fjernes (Figur 40).

| Vedlikeholdsintervall | Vedlikeholdsprosedyre |
|---|---|
| Etter de 8 første timene |
|
| Hver 100. driftstime |
|
Parker maskinen slik at siden der du tapper, står litt lavere enn motsatt side for å være sikker på at all oljen tømmes ut.
Koble fra knivkontrollbryteren, og flytt bevegelseskontrollspakene utover til PARKERINGSSTILLINGEN.
Før du forlater førerplassen må du slå av motoren, ta ut nøkkelen og vente til alle bevegelige deler står stille.
Tapp oljen fra motoren (Figur 39).

Slå langsomt cirka 80 % av den spesifiserte oljen ned i påfyllingsrøret, og tilfør sakte resten av oljen til den når Full-merket (Figur 42).

Den gamle oljen må kasseres eller gjenvinnes i henhold til lokale forskrifter.
| Vedlikeholdsintervall | Vedlikeholdsprosedyre |
|---|---|
| Hver 200. driftstime |
|
Tapp olje fra motoren. Se Skifte motorolje.
Skift motoroljefilteret (Figur 41).

Note: Pass på at oljefilterpakningen er i kontakt med motoren, og drei deretter filteret en ekstra ¾ omdreining.
Fyll på ny olje av riktig type i veivhuset (Figur 40).
| Vedlikeholdsintervall | Vedlikeholdsprosedyre |
|---|---|
| Hver 100. driftstime |
|
Påse at elektrodeavstanden (avstanden mellom elektroden på midten og elektroden på siden) er korrekt før pluggen settes inn. Tennpluggen monteres/demonteres ved hjelp av en tennpluggnøkkel, og elektrodeavstanden justeres ved hjelp av et spesialverktøy eller følerblad. Monter en ny tennplugg dersom det er nødvendig.
Type tennplugg: NGK® BPR4ES
Elektrodeavstand: 0,75 mm
Parker maskinen på en jevn overflate, koble fra knivkontrollbryteren og flytt bevegelseskontrollspakene utover til PARKERINGSSTILLINGEN.
Før du forlater førerplassen, må du slå av motoren, ta ut nøkkelen og vente til alle bevegelige deler står stille. La motoren kjøle seg ned.
Rengjør området rundt bunnen av tennpluggen for å holde skitt og rusk ute av motoren.
Fjern tennpluggen (Figur 44).

Important: Ikke rens tennpluggen(e). Kontroller alltid tennpluggen når den har et svart belegg, slitte elektroder, et oljebelegg eller sprekker.
Hvis du ser en lysebrun eller grå farge på isolatoren, fungerer motoren som den skal. Et svart belegg på isolatoren betyr som regel at luftfilteret er skittent.
Still avstanden til 0,76 mm.


| Vedlikeholdsintervall | Vedlikeholdsprosedyre |
|---|---|
| For hver bruk eller daglig |
|
Parker maskinen på en jevn overflate, koble fra knivkontrollbryteren og flytt bevegelseskontrollspakene utover til PARKERINGSSTILLINGEN.
Før du forlater førerplassen må du slå av motoren, ta ut nøkkelen og vente til alle bevegelige deler står stille.
Fjern luftfilteret fra motoren.
Fjern motordekselet.
Monter luftfilteret til filterbasen for å hindre at rusk kommer inn i luftinntaket.
Fjern rusk og gress fra delene.
Fjern luftfilteret og monter motordekselet.
Monter luftfilteret.
Under visse forhold er drivstoff er meget brannfarlig og svært eksplosivt. Brann eller eksplosjon forårsaket av drivstoff kan påføre deg og andre brannskader samt ødelegge eiendom.
Se Drivstoffsikkerhet for en fullstendig liste over drivstofftilknyttet forholdsregler.
| Vedlikeholdsintervall | Vedlikeholdsprosedyre |
|---|---|
| Hver 100. driftstime |
|
Et skittent filter som er tatt av drivstoffslangen, må aldri monteres på nytt.
Parker maskinen på en jevn overflate, koble fra knivkontrollbryteren og flytt bevegelseskontrollspakene utover til PARKERINGSSTILLINGEN.
Før du forlater førerplassen, må du slå av motoren, ta ut nøkkelen og vente til alle bevegelige deler står stille. La motoren kjøle seg ned.
Skift ut filteret (Figur 47).
Note: Sørg for at pilen for gjennomstrømningsretning på utskiftingsfilteret peker mot motoren.


Koble kabelen fra den negative polen til batteriet før du reparerer maskinen.
Lad opp batteriet på et åpent sted med god ventilasjon og borte fra gnister eller åpen ild. Koble laderen fra strømuttaket før du kobler den til eller fra batteriet. Ha på deg beskyttelsesklær og bruk verktøy som er isolert.
Batteripolene eller metallverktøy kan kortslutte mot metallkomponenter og forårsake gnister. Gnistene kan føre til at batterigassene eksploderer, noe som kan forårsake personskade.
Når du fjerner eller monterer batteriet, må du passe på at batteripolene ikke berører metalldeler på maskinen.
La ikke metallverktøy kortslutte mellom batteripolene og metalldeler på maskinen.
Parker maskinen på en jevn overflate, koble fra knivkontrollbryteren og flytt bevegelseskontrollspakene utover til PARKERINGSSTILLINGEN.
Før du forlater førerplassen må du slå av motoren, ta ut nøkkelen og vente til alle bevegelige deler står stille.
Løft setet for å få tilgang til batteriet.
Koble den negative (svarte) grunnkabelen fra batteripolen (Figur 48).
Note: Behold alle festene.
Feilaktig frakobling av batterikabler kan skade maskinen og kablene samt forårsake gnister. Gnistene kan føre til at batterigassene eksploderer, noe som kan forårsake personskade.
Koble alltid fra den negative (svarte) batterikabelen før du kobler fra den positive (røde) kabelen.
Koble alltid til den positive (røde) batterikabelen før du setter på den negative (svarte) kabelen.
Skyv gummihetten av den positive (røde) kabelen.
Koble den positive (røde) grunnkabelen fra batteripolen (Figur 48).
Note: Behold alle festene.
Fjern batteriholderen (Figur 48) og ta ut batteriet.

| Vedlikeholdsintervall | Vedlikeholdsprosedyre |
|---|---|
| Før lagring |
|
Fjern batteriet fra chassiset, se Fjerne batteriet.
Lad batteriet i minst én time ved 6–10 A.
Note: Batteriet må ikke overopplades.
Når batteriet er helt oppladet, kobler du laderen fra strømuttaket, og deretter laderledningene fra batteripolene (Figur 49).

Still batteriet i holderen (Figur 48).
Koble den positive (røde) batterikabelen til den positive (+) batteriterminalen ved å bruke festene du fjernet tidligere.
Koble den negative batterikabelen til den negative (-) batteriterminalen ved å bruke festene du fjernet tidligere.
Skyv den røde polhetten over den positive (røde) batteripolen.
Fest batteriet med tilholderen (Figur 48).
Senk setet.
Det elektriske systemet er beskyttet av sikringer. Dette er vedlikeholdsfritt. Hvis en sikring går, kontrollerer du om det er kortslutning i en av ledningene.
Sikringstype:
Hoved – F1 (25 A, bladtype)
Ladekrets – F2 (15 A, bladtype)
Parker maskinen på en jevn overflate, koble fra knivkontrollbryteren og flytt bevegelseskontrollspakene utover til PARKERINGSSTILLINGEN.
Før du forlater førerplassen må du slå av motoren, ta ut nøkkelen og vente til alle bevegelige deler står stille.
Løft setet for å få tilgang til sikringene.
Hvis du vil bytte en sikring, kan du trekke ut sikringen for å fjerne den (Figur 50).

Senk setet.
| Vedlikeholdsintervall | Vedlikeholdsprosedyre |
|---|---|
| Hver 25. driftstime |
|
Oppretthold det lufttrykket som er spesifisert for for- og bakhjulene. Forskjellig trykk i hjulene kan føre til ujevn klipping. Sjekk trykket ved ventilstammen (Figur 51). Sjekk dekkene når de er kalde, for å få en mest mulig nøyaktig avlesning av trykket.
Blås opp dekkene på fremre styrehjul til 2,06 bar eller trykket som indikeres på sideveggen, avhengig av hva som er lavere.
Pump luft inn i dekkene til de bakre drivhjulene til 0,9 bar (13 psi).

Hvis maskinen trekker til én side når du kjører maskinen fremover i full hastighet over en flat, jevn overflate, justerer du sporingen.
Hvis maskinen trekker til venstre, justerer du den høyre bevegelseskontrollspaken. Hvis maskinen trekker til høyre, justerer du den venstre bevegelseskontrollspaken.
Note: Du kan justere sporingen kun for å kjøre fremover.
Parker maskinen på en jevn overflate, koble fra knivkontrollbryteren og flytt bevegelseskontrollspakene utover til PARKERINGSSTILLINGEN.
Før du forlater førerplassen må du slå av motoren, ta ut nøkkelen og vente til alle bevegelige deler står stille.
Finn sporingsjusteringsbolten i nærheten av bevegelseskontrollspaken på den bestemte siden som trenger justering (Figur 52).
Note: Løft setet for enklere tilgang til justeringsbolten.
Roter bolten for å redusere hastigheten for det bestemte hjulet.
Note: Roter bolten litt for å foreta mindre justeringer.

Start maskinen og kjør fremover på en flat, jevn overflate med bevegelseskontrollspakene helt frem for å sjekke om maskinen kjører rett. Gjenta prosedyren etter behov.
| Vedlikeholdsintervall | Vedlikeholdsprosedyre |
|---|---|
| Hver 25. driftstime |
|
Skift ut remmen hvis den er slitt. Tegn på en slitt rem omfatter kvining mens remmen roterer, knivene sklir ved klipping av gress og slitte kanter, brente merker og sprekker på/i remmen.
Tegn på en slitt rem omfatter kvining mens remmen roterer, knivene sklir ved klipping av gress og slitte kanter, brennmerker og sprekker på remmen. Skift remmen hvis noen av disse problemene oppstår.
Parker maskinen på en jevn overflate, koble fra knivkontrollbryteren og flytt bevegelseskontrollspakene utover til PARKERINGSSTILLINGEN.
Før du forlater førerplassen må du slå av motoren, ta ut nøkkelen og vente til alle bevegelige deler står stille.
Still klippehøyden til den laveste klippestillingen (38 mm).
Løsne hårnålssplinten, og trykk inn tappen på dekselet for å fjerne remskivedekselene (Figur 53).

Bruke et fjærfjerningsverktøy (Toro-delenr. 92-5771) til å fjerne ledefjæren fra klippeenhetskroken for å fjerne spenningen på lederullen. Dra så remmen av rullene (Figur 54).
Fjæren er under spenning når den monteres og den kan forårsake personskade.
Vær forsiktig når du fjerner remmen.

Legg den nye remmen rundt motorremskiven og klipperskiven (Figur 54).
Bruk et fjærfjerningsverktøy (Toro-delenr. 92–5771) til å montere ledefjæren over klippeenhetskroken, og tilfør spenning til lederullen og klipperremmen (Figur 54).
Monter remskivens deksler.
Inspiser knivene regelmessig for slitasje eller skade.
Vær forsiktig når du kontrollerer knivene. Legg noe rundt knivene eller bruk hansker, og vær svært forsiktig når du håndterer knivene. Bare skift ut eller slip knivene. Du må aldri rette eller sveise dem.
Vær forsiktig hvis maskinen har flere knivblader, da resten av knivene kan begynne å rotere når det ene knivbladet roteres.
Skadde eller slitte knivblader og bolter må skiftes ut i sett for å opprettholde balansen.
Sørg for å få best mulig klipperesultat ved å holde knivene skarpe. For å kunne bytte ut knivblader når de ikke lenger er skarpe nok, bør du ha ekstra knivblader tilgjengelig.
Parker maskinen på en jevn overflate, koble fra knivkontrollbryteren og flytt bevegelseskontrollspakene utover til PARKERINGSSTILLINGEN.
Slå av motoren, ta ut nøkkelen, og koble tennpluggkablene fra tennpluggene.
| Vedlikeholdsintervall | Vedlikeholdsprosedyre |
|---|---|
| For hver bruk eller daglig |
|
Undersøk kniveggene (Figur 55).
Hvis kniven er sløv eller hvis det er hakk i den, må den tas av og slipes. Se Slipe knivbladene.
Undersøk knivbladene, spesielt buen.
Hvis du finner sprekker, slitasje eller ser at det begynner å dannes spor i denne delen av kniven, må den skiftes ut øyeblikkelig (Figur 55).

Note: Maskinen må stå på en plan overflate for den følgende prosedyren.
Hev klippeenheten til høyeste klippehøydeinnstilling.
Ta på tykke arbeidshansker eller annet hensiktsmessig håndvern og sakte roter kniven som skal måles, til en stilling som gjør det mulig å måle avstanden mellom kniveggen og den plane overflaten maskinen står på (Figur 56).

Mål fra knivtuppen til den flate overflaten (Figur 57).

Roter den samme kniven 180 grader så den motsatte kniveggen nå er i samme stilling (Figur 58).

Mål fra knivtuppen til den flate overflaten (Figur 59).
Note: Avviket skal ikke være større enn 3 mm.

Hvis forskjellen mellom A og B er større enn 3 mm, skift ut kniven med en ny, se Fjerne knivbladene og Montere knivbladene.
Note: Hvis en bøyd kniv skiftes ut med en ny kniv og forskjellen fortsatt overstiger 3 mm, kan det være at knivspindelen er bøyd. Ta kontakt med en autorisert Toro-forhandler for service.
Hvis avviket er innenfor grensene, fortsett til neste kniv.
Gjenta prosedyren for alle knivene.
Bytt ut knivene hvis de treffer en hard gjenstand, eller hvis de er ute av balanse eller bøyd.
Hold knivenden med en fille eller en tykk hanske.
Fjern knivbolten, bueskiven og kniven fra spindelakselen (Figur 60).

Bruk en fil til å slipe eggen i begge ender av kniven (Figur 61).
Note: Oppretthold den opprinnelige vinkelen.
Note: Kniven opprettholder balansen hvis like mye materiale fjernes fra begge kniveggene.

Sjekk knivens balanse ved å legge den på en balanseringsinnretning (Figur 62).
Note: Hvis kniven holder seg i horisontal stilling, har den riktig balanse og kan brukes.
Note: Hvis kniven ikke er i balanse, filer du bort litt av metallet på enden av vingeområdet (Figur 61).

Fortsett med dette helt til kniven er balansert.
Sjekk at klippeenheten er i vater hver gang du monterer klippeenheten eller du ser at plenen blir klippet ujevnt.
Klippeenheten må sjekkes for bøyde kniver før nivellering, og eventuelle bøyde kniver må fjernes og skiftes ut. Se Overhale gressklipperknivene før du fortsetter.
Rett opp klippeenheten på tvers først. Deretter kan du justere hellingsvinkel på langs.
Krav:
Maskinen på stå på plan overflate.
Alle dekk må ha korrekt trykk. Se Sjekke trykket i dekkene.
Parker maskinen på en jevn overflate, koble fra knivkontrollbryteren og flytt bevegelseskontrollspakene utover til PARKERINGSSTILLINGEN.
Før du forlater førerplassen må du slå av motoren, ta ut nøkkelen og vente til alle bevegelige deler står stille.
Angi klippehøyden til 76 mm.
Roter knivene forsiktig fra side til side.
Mål avstanden mellom de ytterste knivkantene og den flate overflaten (Figur 63 og Figur 64).
Note: Hvis begge målene ikke er innenfor 5 mm, er det nødvendig med justering. Se Rette opp klippeenheten på tvers.


Knivens hellingsvinkel på langs må sjekkes hver gang klippeenheten monteres. Hvis den fremre delen av klippeenheten er mer enn 7,9 mm lavere enn den bakre delen av klippeenheten, må du justere knivnivået.
Parker maskinen på en jevn overflate, koble fra knivkontrollbryteren og flytt bevegelseskontrollspakene utover til PARKERINGSSTILLINGEN.
Før du forlater førerplassen må du slå av motoren, ta ut nøkkelen og vente til alle bevegelige deler står stille.
Angi klippehøyden til 76 mm.
Roter knivene forsiktig slik at de står på langs (Figur 65).
Mål fra tuppen på den fremre kniven til den flate overflaten, og tuppen på den bakre kniven til den flate overflaten (Figur 65 eller Figur 66).
Note: Fortsett til Justere knivens hellingsvinkel på langs-prosedyren hvis den fremre knivtuppen ikke er 1,6 til 7,9 mm lavere enn den bakre knivtuppen.


Gå til venstre side av maskinen.
Still antiskalperingsvalsene til topphullene eller fjern dem fullstendig for denne prosedyren. Se Justere antiskalperingsvalsene.
Sett klippehøydespaken til 76 mm-posisjonen. Se Justere klippehøyden.
Plasser to blokker, med en tykkelse på 6,6 cm hver, under hver side av kanten foran på klippeenheten, men ikke under brakettene til antiskalperingsvalsene (Figur 67 eller Figur 68).
Plasser to blokker, med en tykkelse på 7,3 cm hver, under den bakre kanten på klippeenheten, én på hver side av klippeenheten (Figur 67 eller Figur 68).


Fjern hårnålssplinten og skiven fra den lavere løftearmbolten (Figur 69).

Roter klippehøydeplaten til et annet hull, slik at den støtter vekten av klippeenheten etter at du har montert platen (Figur 70).

Monter skiven og hårnålssplinten (Figur 70).
Gjenta trinn 6 til 8 på motsatt side av maskinen.
Kontroller side-til-side-nivået igjen. Gjenta denne prosedyren til målingene er korrekt.
Fortsett å nivellere klippeenheten ved å kontrollere knivens hellingsvinkel på langs, se Sjekke knivens helling på langs.
Roter justeringsmutteren foran på gressklipperen (Figur 71).

Stram justeringsmutteren for å heve den fremre delen av klippeenheten.
Løsne justeringsmutteren for å senke den fremre delen av klippeenheten.
Etter justering må du kontrollere hellingsvinkelen på langs. Fortsett å justere mutteren til den fremre knivtuppen er 1,6 til 7,9 mm lavere enn bakre knivtupp. Se Sjekke knivens helling på langs.
Når knivens hellingsvinkel på langs er riktig justert, sjekker du opprettingen på tvers av klippeenheten på nytt. Se Sjekke knivens helling på langs.
Parker maskinen på en jevn overflate, koble fra knivkontrollbryteren og flytt bevegelseskontrollspakene utover til PARKERINGSSTILLINGEN.
Før du forlater førerplassen må du slå av motoren, ta ut nøkkelen og vente til alle bevegelige deler står stille.
Sett klippehøyden til den laveste posisjonen.
Løsne de 2 nedre boltene som fester klippeenhetsforhenget til klippeenheten. Se Frigjøre klippeenhetsforhenget.
Fjern hårnålssplinten fra fremre støttestang, og fjern stangen fra braketten på klippeenheten (Figur 72).

Senk den fremre delen av klippeenheten forsiktig til bakken.
Fjern skiven og hårnålssplinten fra klippeenhetsbolten på én side av maskinen (Figur 73).

Fjern løftearmen fra klippeenhetsbolten (Figur 73).
Gjenta trinn 7 og 8 for den andre siden av maskinen.
Skyv klippeenheten bakover for å fjerne klipperremmen fra motorremskiven.
Dytt klippeenheten ut under maskinen.
Note: Ta vare på alle deler for fremtidig montering.
Parker maskinen på en jevn overflate, koble fra knivkontrollbryteren og flytt bevegelseskontrollspakene utover til PARKERINGSSTILLINGEN.
Før du forlater førerplassen må du slå av motoren, ta ut nøkkelen og vente til alle bevegelige deler står stille.
Skyv klippeenheten under maskinen.
Sett klippehøyden til den laveste posisjonen.
Løft baksiden av klipperen, og monterer løftearmen til klippeenhetsbolten på én side av maskinen (Figur 73).
Monter løftearmen ved hjelp av skiven og hårnålssplinten (Figur 73).
Gjenta trinn 5 og 6 for den andre siden av maskinen.
Fest fremre støttestang til klippeenheten med splittpinnen og hårnålssplinten (Figur 72).
Monter klipperremmen på motorremskiven. Se Skifte klipperremmen.
Trekk til de to nedre boltene som fester klippeenhetsforhenget til klippeenheten. Se Frigjøre klippeenhetsforhenget.
| Vedlikeholdsintervall | Vedlikeholdsprosedyre |
|---|---|
| For hver bruk eller daglig |
|
En utildekket utslippsåpning kan føre til at maskinen slynger objekter mot deg eller tilskuere, noe som kan resultere i alvorlig skade. Det kan også oppstå kontakt med kniven.
Bruk aldri maskinen hvis ikke gressavleder, utslippsdeksel eller gressoppsamlingssystem er på plass.
Fjern mutteren (⅜ tomme) fra stangen under klippeenheten (Figur 74).

Skyv stangen ut fra klippeenhetsbraketten, fjæren og gressavlederen (Figur 74).
Fjern den skadde eller slitte gressavlederen.
Monter den nye gressavlederen (Figur 74).
Skyv den rette enden av stangen gjennom den bakre gressavlederens omdreiningsledd.
Plasser fjæren på stangen, med enden av kablene ned, og gjennom gressavlederbrakettene.
Skyv stangen gjennom den andre gressavlederens omdreiningsledd (Figur 74).
Sett stangen foran på gressavlederen inn i braketten på klippeenheten.
Fest den bakre enden av stangen til klippeenheten med en mutter (⅜ tomme) som vist i (Figur 74).
Important: Gressavlederen må være fjærbelastet i den nedre posisjonen. Løft avlederen for å teste at den fester seg i den nederste stillingen.
| Vedlikeholdsintervall | Vedlikeholdsprosedyre |
|---|---|
| Etter hver bruk |
|
Important: Du kan vaske maskinen med skånsomt vaskemiddel og vann. Maskinen må ikke trykkvaskes. Unngå overdreven bruk av vann, spesielt nær kontrollpanelet, under setet, rundt motoren, de hydrauliske pumpene og motorene.
Etter bruk vasker du alltid undersiden av klippeenheten for å hindre oppsamling av gress. Slik oppnår du forbedret oppmaling og fordeling av gressrester.
Parker maskinen på en jevn overflate, koble fra knivkontrollbryteren og flytt bevegelseskontrollspakene utover til PARKERINGSSTILLINGEN.
Før du forlater førerplassen må du slå av motoren, ta ut nøkkelen og vente til alle bevegelige deler står stille.
Fest slangekuplingen til enden av klippeenhetens vanninntaksnippel, og skru på vannet (Figur 75).
Note: Smør vaselin på vanninntaksnippelens o-ring for å gjøre det enklere å feste kuplingen og for å beskytte o-ringen.

Senk klippeenheten til laveste klippehøyde.
Sitt i setet når du starter motoren.
Koble inn knivkontrollbryteren, og la gressklipperen kjøre i ett til tre minutter.
Koble fra knivkontrollbryteren, stopp motoren, ta ut tenningsnøkkelen og vent til alle bevegelige deler har stoppet.
Skru av vannet og fjern koblingen fra vanninntaksnippelen.
Note: Hvis klippeenheten ikke er ren etter en vask, bløter du den og lar den stå i 30 minutter. Deretter gjentar du prosessen.
Kjør gressklipperen igjen i ett til tre minutter for å fjerne overflødig vann.
Hvis vanninntaksnippelen er skadet eller mangler, kan du selv eller andre i nærheten risikere å bli truffet av gjenstander som blir slengt gjennom luften, eller komme i kontakt med kniven. Kontakt med gjenstander som blir slengt gjennom luften, eller kontakt med kniven vil forårsake skader eller dødsulykker.
Hvis vanninntaksnippelen er skadet eller mangler, må det monteres en ny nippel øyeblikkelig, og før maskinen brukes igjen.
Stikk aldri hender eller føtter under klipperen eller gjennom åpninger i maskinen.
Motorolje, batterier, hydraulikkvæske og motorkjølemiddel er forurensende for miljøet. Avhend disse i henhold til nasjonale eller lokale regelverk.
Før du forlater førerplassen, må du slå av motoren, ta ut nøkkelen og vente til alle bevegelige deler står stille. La maskinen kjøle seg ned før justering, vedlikehold, rengjøring eller oppbevaring.
Oppbevar ikke maskinen eller drivstoffet i nærheten av flammer, og tøm ikke ut drivstoffet innendørs eller inne i en lukket tilhenger.
Oppbevar aldri maskinen eller bensinkannen hvor det er åpen ild, gnist eller kontrollampe som på en varmtvannstank eller andre apparater.
Koble fra knivkontrollbryteren (kraftuttaket), og aktiver parkeringsbremsen.
Før du forlater førerplassen må du slå av motoren, ta ut nøkkelen og vente til alle bevegelige deler står stille.
Rengjør hele alle utvendige deler på maskinen for gress, smuss og skitt, spesielt motoren og det hydrauliske systemet. Fjern utvendige gressrester og smuss på motorens sylindertoppribber og viftehus.
Important: Du kan vaske maskinen med skånsomt vaskemiddel og vann. Maskinen må ikke trykkvaskes. Unngå overdreven bruk av vann, spesielt nær kontrollpanelet, motoren og de hydrauliske pumpene og motorene.
Kontroller at parkeringsbremsen virker. Se Parkeringsstilling.
Vedlikehold luftrenseren, se Overhale luftrenseren.
Bytte veivhusolje, se Skifte motorolje.
Kontroller trykket i dekkene, se Sjekke trykket i dekkene.
Bytt ut batteriet, se Lade batteriet.
Hvis maskinen oppbevares med batteriet montert, kobler du den negative (svarte) kabelen fra batteriet.
Skrap bort oppsamlet gress og skitt fra gressklipperens underside, og spyl maskinen med en hageslange.
Note: Kjør maskinen med knivkontrollbryteren (kraftuttak) innkoblet og motoren på høy tomgang i 2 til 5 minutter etter vask.
Kontroller knivenes tilstand. Se Overhale gressklipperknivene.
Gjør maskinen klar for oppbevaring når det er flere enn 30 dager til du skal bruke den igjen. Slik gjør du maskinen klar for lagring:
Bland drivstoffstabiliserings-/kondisjoneringsmiddel med petroleumsbase i det ferske drivstoffet på tanken. Følg blandingsinstruksjonene fra produsenten av drivstoffstabiliseringsmiddelet. Ikke bruk stabiliseringsmidler med alkoholbase (etanol eller metanol).
Kjør motoren i fem minutter for å fordele det behandlede drivstoffet i drivstoffsystemet.
Slå av motoren, la den kjøles ned og tøm drivstofftanken.
Start motoren igjen, og kjør den til den slås av.
Drivstoff må kasseres i henhold til lokale forskrifter. Resirkuler drivstoffet i samsvar med lokale forskrifter.
Important: Ikke oppbevar drivstoff som inneholder stabiliserings-/kondisjoneringsmiddel, lenger enn anbefalt av produsenten av middelet.
Fjern og sjekk tilstanden til tennpluggen(e). Se Overhale tennpluggen. Når tennpluggen(e) er tatt ut, heller du 30 ml (to spiseskjeer) med motorolje i tennplugghullet. Bruk starteren til å starte motoren og fordele oljen på innsiden av sylinderen. Monter tennpluggen(e). Ikke sett kabelen på tennpluggen(e).
Sjekk og stram til alle bolter, mutrer og skruer. Alle skadde eller defekte deler må repareres eller skiftes ut.
Reparer alle riper eller avskallinger i lakken. Du kan kjøpe maling hos ditt autoriserte forhandlerverksted.
Maskinen må oppbevares rent og tørt i en garasje eller på et lager. Ta nøkkelen ut av tenningen og hold den utenfor barns eller andre uautoriserte brukeres rekkevidde. Legg en presenning over maskinen for å beskytte den og holde den ren.
Lad batteriet helt opp.
La batteriet hvile i 24 timer, og kontroller deretter batterispenningen.
Note: Hvis batterispenningen er under 12,6 V, gjentar du trinn 1 og 2.
Koble kablene fra batteriet.
Sjekk spenningen regelmessig for å sikre at spenningen er 12,4 V eller høyere.
Note: Hvis batterispenningen er under 12,4 V, gjentar du trinn 1 og 2.
Hvis du oppbevarer batteriet utenfor maskinen, gjør du følgende:
Lagre batteriet stående oppreist på et tørt og kjølig sted.
Batterier må ikke stables direkte oppå hverandre, med mindre de er i kartongene.
Batteriene må ikke stables mer enn tre i høyden (kun to hvis batteriet type er kommersielle).
Test våtbatterier hver fjerde til sjette måned, og lad dem ved behov.
Test og lad batteriet før det installeres.
| Problem | Possible Cause | Corrective Action |
|---|---|---|
| Drivstofftanken viser tegn på sammenbrudd, eller maskinen går stadig tom for drivstoff. |
|
|
| Motoren overopphetes. |
|
|
| Startmotoren kjører ikke. |
|
|
| Motoren vil ikke starte, er vanskelig å starte eller går ikke. |
|
|
| Motoren mister kraft. |
|
|
| Maskinen kjører ikke. |
|
|
| Maskinen vibrerer unormalt mye. |
|
|
| Klippehøyden er ujevn. |
|
|
| Knivene roterer ikke. |
|
|
