| Tehniskās apkopes intervāls | Apkopes procedūra |
|---|---|
| Pirms katras lietošanas vai katru dienu |
|
Šo rotējošā asmens braucamo zālienu pļāvēju ir paredzēts izmantot dzīvojamo māju īpašniekiem. Tas primāri ir veidots labi uzturētu zālienu zāles pļaušanai. Šī izstrādājuma izmantošana mērķiem, kas nav paredzētais lietojums, var būt bīstama jums un blakus stāvētājiem.
Rūpīgi izlasiet šo informāciju, lai zinātu, kā pareizi ekspluatēt un uzturēt savu produktu un izvairīties no ievainojumiem un produkta bojājumiem. Jūs esat atbildīgs par produkta drošu un pareizu ekspluatāciju.
Apmeklējiet www.Toro.com, lai iegūtu produkta drošības un ekspluatācijas apmācību materiālus, informāciju par piederumiem, saņemtu palīdzību atrast izplatītāju vai reģistrētu savu produktu.
Ikreiz, kad jums ir nepieciešams pakalpojums, oriģinālās Toro daļas, vai papildu informācija, sazinieties ar pilnvarota servisa dīleri vai Toro klientu servisu un sagatavojiet informāciju par sava produkta modeļa un sērijas numuru. Zīmējums 1 norāda modeļa un sērijas numuru atrašanās vietu uz izstrādājuma. Ierakstiet numurus paredzētajās ailēs.
Important: Ar savu mobilo ierīci jūs varat noskenēt QR kodu uz sērijas numura uzlīmes (ja ir), lai piekļūtu garantijai, daļām un citai izstrādājuma informācijai.

Ierakstiet produkta modeli un sērijas numuru lauciņā tālāk:
Lai izceltu informāciju, šajā rokasgrāmatā izmantoti 2 vārdi. Svarīgi aicina pievērst uzmanību īpašai mehāniskai informācijai, un Piezīme uzsver vispārīgu informāciju, kurai jāpievērš īpaša uzmanība.
Drošības brīdinājuma simbols (Zīmējums 2) parādās gan šajā rokasgrāmatā, gan uz mašīnas, lai identificētu svarīgus drošības ziņojumus, kuri jums jāievēro, lai izvairītos no negadījumiem. Šis simbols parādīsies ar vārdu Briesmas, Brīdinājums vai Uzmanību.
Briesmas norāda neizbēgami bīstamu situāciju, kas, ja no tās neizvairās, izraisīs nāvi vai nopietnu ievainojumu.
Brīdinājums norāda potenciāli bīstamu situāciju, kas, ja no tās neizvairās, var izraisīt nāvi vai nopietnu ievainojumu.
Uzmanību norāda potenciāli bīstamu situāciju, kas, ja no tās neizvairās, iespējams var izraisīt nelielu vai vidēju ievainojumu.

Šis izstrādājums atbilst visām atbilstošajām Eiropas direktīvām; informāciju, lūdzu, skatiet atsevišķajā izstrādājumam atbilstošajā Atbilstības deklarācijas (DOC) lapā.
Bruto vai neto griezes moments: dzinēja ražotājs laboratoriski izvērtēja šī dzinēja bruto vai neto griezes momentu saskaņā ar Automobiļu inženieru biedrību (Society of Automotive Engineers (SAE)) J1940 vai J2723. Tā kā tas ir konfigurēts ievērot drošības, izmešu un ekspluatācijas prasības, šīs klases pļāvēja patiesais dzinēja griezes moments būs ievērojami zemāks. Lūdzu, skatiet dzinēja ražotāja informāciju, kas ietverta kopā ar mašīnu.
Šis produkts var amputēt plaukstas un pēdas, kā arī mest priekšmetus. Vienmēr ievērojiet visas drošības instrukcijas, lai izvairītos no nopietniem personas ievainojumiem vai nāves.
Pirms dzinēja iedarbināšanas izlasiet un izprotiet šīs Operatora rokasgrāmatas saturu.
Neļaujiet blakus atrasties blakus stāvētājiem un bērniem.
Neļaujiet bērniem vai neapmācītiem cilvēkiem izmantot vai apkopt mašīnu. Atļaujiet šo mašīnu izmantot vai apkopt tikai cilvēkiem, kuri ir atbildīgi, iepazinušies ar instrukcijām un spējīgi to izmantot vai apkopt.
Nedarbiniet mašīnu pie izkraušanas vietām, grāvjiem, uzbērumiem, ūdens vai citiem apdraudējumiem, vai slīpumos, kas pārsniedz 15°.
Nelieciet savas plaukstas vai pēdas pie kustīgiem mašīnas elementiem.
Neizmantojiet mašīnu bez visiem aizsargiem, drošības slēdžiem un citām esošām un pareizi darbojošām drošības aizsargierīcēm.
Izslēdziet dzinēju, izņemiet atslēgu un pagaidiet, līdz apstājas visas kustīgās daļas, pirms atstājat operatora pozīciju. Ļaujiet mašīnai atdzist pirms apkopes, regulēšanas, degvielas uzpildes, tīrīšanas vai glabāšanas.

![]() |
Drošības uzlīmes un instrukcijas operatoram ir viegli redzamas un atrodas netālu no potenciālās bīstamības zonas. Aizstājiet jebkuru uzlīmi, kas ir bojāta vai trūkst. |






Uzlīme 138-6074 ir iespiesta degvielas tvertnē.









Iepazīstieties ar visām vadības ierīcēm pirms dzinēja iedarbināšanas un izmantošanas.

Atslēgas slēdzim, ko izmanto dzinēja iedarbināšanai un izslēgšanai, ir 3 pozīcijas: IZSLēGTA, DARBīBā un SāKT (Zīmējums 5).
Drosele kontrolē dzinēja apgriezienus, un tai ir nepārtraukti mainīgs iestatījums no LēNAS uz ĀTRU pozīciju (Zīmējums 5).
Izmantojiet slāpētāja vadības ierīci, lai iedarbinātu aukstu dzinēju (Zīmējums 5).
Asmens vadības slēdzis, ko attēlo jaudas noņēmēja (PTO) simbols, ieslēdz un izslēdz pļāvēja asmeņu jaudu (Zīmējums 5).
Izmantojiet kustības vadības sviras, lai brauktu ar mašīnu turpgaitā, atpakaļgaitā un pagrieztos jebkurā virzienā (Zīmējums 4).
Izkāpjot no mašīnas, virziet kustības vadības sviras uz āru no centra NOVIETOšANAS pozīcijā, lai ieslēgtu elektrisko bremzi (Zīmējums 26). Vienmēr novietojiet kustības vadības sviras NOVIETOšANAS pozīcijā, kad apturat mašīnu vai atstājat to neuzraudzītu.
Smart Speed™ vadības sistēmas svira, kas atrodas zem ekspluatācijas pozīcijas, sniedz jums izvēli braukt ar mašīnu 3 ātruma diapazonos – griezšana, vilkšana un pļaušana (Zīmējums 29).
Jūs varat izmantot degvielas logu, kas atrodas mašīnas kreisajā pusē, lai pārbaudītu degvielas klātbūtni tvertnē (Zīmējums 6).

Izmantojiet griezšanas augstuma sviru, lai nolaistu vai paceltu pamatni no sēdus pozīcijas. Virzot sviru uz augšu (pret sevi), platforma paceļas no zemes, un, virzot sviru uz leju (prom no sevis), platforma tiek nolaista uz zemes. Regulējiet griezšanas augstumu tikai, kamēr mašīna nepļauj (Zīmējums 30).
Tehniskie dati un konstrukcija var tikt mainīta bez iepriekšēja brīdinājuma.
| Griezšanas platums | 107 cm |
| Platums ar nolaistu novirzītāju | 135 cm |
| Platums ar paceltu novirzītāju | 123 cm |
| Garums | 185 cm |
| Augstums | 112 cm |
| Svars (74679) | 308 kg |
| Svars (74677) | 336 kg |
Toro apstiprinātu agregātu un piederumu izlase ir pieejama izmantošanai ar mašīnu, lai uzlabotu un paplašinātu tās iespējas. Sazinieties ar savu pilnvaroto servisa dīleri vai pilnvarotu Toro izplatītāju, vai dodieties uz www.Toro.com, lai aplūkotu sarakstu ar apstiprinātajiem agregātiem un piederumiem.
Lai nodrošinātu optimālu veiktspēju un nepārtrauktu mašīnas sertifikācijas drošību, izmantojiet tikai oriģinālās Toro nomaiņas daļas un piederumus. Citu ražotāju nomaiņas daļas un piederumi var būt bīstami, un šāda izmantošana var anulēt garantiju.
Note: Nosakiet mašīnas kreiso un labo pusi no normālas ekspluatācijas pozīcijas.
Neļaujiet bērniem vai neapmācītiem cilvēkiem izmantot vai apkopt mašīnu. Vietējie noteikumi var ierobežot operatora vecumu. Īpašnieks ir atbildīgs par visu operatoru un mehāniķu apmācību.
Pārbaudiet vietu, kur izmantosiet mašīnu un noņemiet visus objektus, kas var traucēt mašīnas darbībai, vai ko mašīna var mest pa gaisu.
Iepazīstieties ar drošu aprīkojuma izmantošanu, operatora vadības ierīcēm un drošības zīmēm.
Pārbaudiet, ka operatora klātbūtnes slēdži, drošības slēdži un aizsargi ir pievienoti un pareizi darbojas. Nedarbiniet mašīnu, ja vien tā nedarbojas pareizi.
Izslēdziet dzinēju, izņemiet atslēgu un pagaidiet, līdz apstājas visas kustīgās daļas, pirms atstājat operatora pozīciju. Ļaujiet mašīnai atdzist pirms apkopes, regulēšanas, degvielas uzpildes, tīrīšanas vai glabāšanas.
Pirms pļaušanas pārbaudiet mašīnu, lai pārliecinātos, ka griezējmezgli darbojas pareizi.
Novērtējiet virsmu, lai noteiktu atbilstošo aprīkojumu un visus nepieciešamos agregātus vai piederumus, lai pareizi un droši darbinātu mašīnu.
Izmantojiet atbilstošu apģērbu, tostarp acu aizsargbrilles, garās bikses, piemērotus, neslīdošus apavus un dzirdes aizsargus. Garus matus sasieniet astē un nevelciet brīvu apģērbu vai rotaslietas.
Nepārvadājiet pasažierus uz mašīnas.
Darbības laikā turiet blakusstāvētājus un mājdzīvniekus prom no mašīnas. Izslēdziet mašīnu un agregātu(-s), ja kāds ienāk darba zonā.
Nedarbiniet mašīnu, ja vien visi aizsargi un drošības ierīces, piemēram, novirzītāji un viss zāles uztvērējs, ir vietā un darbojas pareizi. Kad nepieciešams, nomainiet nodilušās vai nolietotās daļas.
Degviela ir ļoti uzliesmojoša un ļoti sprādzienbīstama. Degvielas izraisīta uguns vai sprādziens var apdedzināt jūs un citus un sabojāt īpašumu.
Lai novērstu statisku uzlādi no degvielas aizdegšanās, izņemiet mašīnu no kravas automašīnas vai piekabes un uzpildiet degvielu uz zemes, prom no visiem transportlīdzekļiem. Ja tas nav iespējams, novietojiet pārvietojamu degvielas tvertni uz zemes, prom no visiem transportlīdzekļiem, un piepildiet to; pēc tam uzpildiet mašīnu no degvielas tvertnes, nevis no degvielas padeves sprauslas.
Pievienojiet degvielu tvertnē ārā uz līdzenas virsmas, atvērtā vietā un kad dzinējs ir auksts. Noslaukiet izlijušo degvielu.
Nedarbojoties ar degvielu, kad smēķējat vai pie atvērtas liesmas vai dzirkstelēm.
Nenoņemiet degvielas vāciņu vai nepiepildiet degvielu tvertnē, kamēr dzinējs darbojas vai ir karsts.
Ja izšļakstāt degvielu, nemēģiniet iedarbināt dzinēju. Izvairieties radīt aizdegšanās avotu, kamēr degvielas tvaiki nav izgarojuši.
Glabājiet degvielu apstiprinātā tvertnē un bērniem nepieejamā vietā.
Degviela ir kaitīga vai nāvējoša, ja tā tiek norīta. Ilgtermiņa pakļaušana tvaikiem var izraisīt nopietnus ievainojumus un slimību.
Izvairieties no ilgstošas tvaiku ieelpošanas.
Turiet plaukstas un seju prom no sprauslas un degvielas tvertnes atveres.
Turiet degvielu prom no savām acīm un ādas.
Neglabājiet mašīnu vai degvielas tvertni vietā, kur ir atvērta liesma, dzirksteles vai kontrollampiņa, piemēram, uz ūdens sildītāja vai citas ierīces.
Nedarbiniet mašīnu, ja visa izplūdes sistēma nav vietā vai pareizā darba kārtībā.
Vienmēr turiet degvielas padeves sprauslu kontaktā ar degvielas tvertnes loku vai tvertnes atveri, līdz uzpilde ir pabeigta. Neizmantojiet sprauslas bloķēšanas-atvēršanas ierīci.
Ja izlejat degvielu uz savām drēbēm, nekavējoties nomainiet apģērbu.
Nepiepildiet degvielas tvertni par daudz. Nomainiet degvielas vāciņu un cieši pievelciet.
Lai novērstu aizdegšanos, iztīriet zāli un netīrumus no griezējmezgla, slāpētāja, zobratiem, zāles uztvērēja un dzinēja nodalījuma. Notīriet izšļakstījušos eļļu vai degvielu.
| Tips | Bezsvina benzīns |
| Minimālais oktānskaitlis | 87 (ASV) vai 91 (pētījumu oktānskaitlis; ārpus ASV) |
| Etanols | Ne vairāk kā 10 % no tilpuma |
| Metanols | Nav |
| MTBE (terciārais metilbutilēteris) | Mazāk nekā 15 % no tilpuma |
| Eļļa | Nepievienot degvielai |
Izmantojiet tikai tīru, svaigu (ne vecāku par 30 dienām) degvielu no uzticama avota.
Izmantojiet mašīnā stabilizētāju/kondicionieri, lai ilgāk saglabātu degvielu svaigu, kad tas tiek izmantots, kā norāda degvielas stabilizētāja ražotājs.
Important: Neizmantojiet degvielas piemaisījumus, kas satur metanolu vai etanolu.
Pievienojiet degvielas stabilizētāju/kondicionieri svaigai degvielai, kā norāda degvielas stabilizētāja ražotājs.
Novietojiet mašīnu uz līdzenas virsmas.
Virziet kustības vadības sviras uz āru līdz NOVIETOšANAS pozīcijai.
Izslēdziet dzinēju un izņemiet atslēgu.
Notīriet ap degvielas tvertnes vāciņu.
Uzpildiet degvielas tvertni līdz uzpildes atveres apakšai (Zīmējums 7). Nepiepildiet degvielas tvertni pilnībā pilnu.

Pirms ikdienas mašīnas iedarbināšanas veiciet katras lietošanas reizes/ikdienas procedūras, kas norādītas .
Jauniem dzinējiem vajadzīgs laiks, lai sasniegtu pilnu jaudu. Pļāvēja korpusiem un piedziņas sistēmām ir lielāka berze, kad tie ir jauni, kas uzliek papildus slodzi uz dzinēju. Dodiet jaunām mašīnām 40 līdz 50 stundu lietošanas uzsākšanas laiku, lai sasniegtu pilnu jaudu un vislabāko veiktspēju.
Ja drošības bloķēšanas slēdži ir atvienoti vai bojāti, mašīna var darboties neparedzēti, izraisot personas ievainojumus.
Neaizskariet bloķēšanas slēdžus.
Katru dienu pārbaudiet bloķēšanas slēdžus un pirms mašīnas darbināšanas nomainiet visus bojātos slēdžus.
Drošības bloķēšanas sistēma ir veidota, lai novērstu dzinēja ieslēgšanos, ja vien:
Asmens vadības slēdzis (PTO) ir izslēgts.
Kustības vadības sviras ir NOVIETOšANAS pozīcijā.
Drošības bloķēšanas sistēma ir veidota arī, lai izslēgtu dzinēju, kad vadības sviras nav NOVIETOšANAS pozīcijā un jūs pieceļaties no sēdekļa.
| Tehniskās apkopes intervāls | Apkopes procedūra |
|---|---|
| Pirms katras lietošanas vai katru dienu |
|
Katru reizi pirms mašīnas izmantošanas testējiet drošības bloķēšanas sistēmu. Ja drošības sistēma nedarbojas kā norādīts tālāk, lūdziet pilnvarotam servisa izplatītājam nekavējoties salabot drošības sistēmu.
Sēdiet sēdeklī, virziet kustības vadības sviras pozīcijā NOVIETOšANA un virziet asmens vadības slēdzi pozīcijā IESL. Mēģiniet iedarbināt dzinēju; dzinējam nevajadzētu ieslēgties.
Sēdiet sēdeklī un virziet asmens vadības slēdzi IZSLēGTā pozīcijā. Virziet jebkuru kustības vadības sviru centrālā, atbloķētā pozīcijā. Mēģiniet iedarbināt dzinēju; dzinējam nevajadzētu ieslēgties. Atkārtojiet otrai kustības vadības svirai.
Sēdiet sēdeklī, virziet asmens vadības slēdzi IZSLēGTā pozīcijā, un bloķējiet kustības vadības sviras NOVIETOšANAS pozīcijā. Iedarbiniet dzinēju. Kamēr dzinējs darbojas, ieslēdziet asmens vadības slēdzi un nedaudz piecelieties no sēdekļa; dzinējam ir jāizslēdzas.
Sēdiet sēdeklī, virziet asmens vadības slēdzi IZSLēGTā pozīcijā, un bloķējiet kustības vadības sviras NOVIETOšANAS pozīcijā. Iedarbiniet dzinēju. Kamēr dzinējs darbojas, virziet kustības vadības sviras centrālā, atbloķētā pozīcijā un nedaudz piecelieties no sēdekļa; dzinējam ir jāizslēdzas.
Sēdekli var pārvietot uz priekšu un atpakaļ. Pozicionējiet sēdekli, kur jums ir vislabākā kontrole pār mašīnu un jūtaties visērtāk (Zīmējums 8).

Jūs maksimālam komfortam varat regulēt kustības vadības sviras augstāk vai zemāk (Zīmējums 9).

Jūs savam komfortam varat regulēt vadības sviras uz priekšu vai aizmuguri.
Atskrūvējiet augšējo bultskrūvi, kas notur vadības sviru pie vadības sviras vārpstas.
Atskrūvējiet apakšējo bultskrūvi tieši tik daudz, lai pagrieztu vadības sviru uz priekšu vai atpakaļ.

Pievelciet abas bultskrūves, lai fiksētu vadības sviru jaunajā pozīcijā.
Atkārtojiet regulēšanu otrai vadības svirai.
Novietojiet mašīnu uz līdzenas virsmas, izslēdziet asmens vadības slēdzi (PTO) un virziet kustības vadības sviras uz āru NOVIETOšANAS pozīcijā.
Izslēdziet dzinēju, izņemiet atslēgu un pagaidiet, līdz apstājas visas kustīgās daļas, pirms atstājat ekspluatācijas pozīciju.
Atvienojiet elastīgo sakabi no sakabes fiksatora uz izmešanas pārsega un pagrieziet izmešanas pārsegu pa labi (Zīmējums 11).

Atvienojiet āķveida sakabi izmešanas pārsega augšpusē no šarnīrsavienojuma stieņa (Zīmējums 15).
Pagrieziet metāla cilni uz izmešanas pārsega ārā no pļāvēja korpusam piemetinātā kronšteina atveres (Zīmējums 12).

Novietojiet mašīnu uz līdzenas virsmas, izslēdziet asmens vadības slēdzi (PTO) un virziet kustības vadības sviras uz āru NOVIETOšANAS pozīcijā.
Izslēdziet dzinēju, izņemiet atslēgu un pagaidiet, līdz apstājas visas kustīgās daļas, pirms atstājat ekspluatācijas pozīciju.
Pagrieziet metāla cilni uz izmešanas pārsega pļāvēja korpusam piemetinātā kronšteina atverē (Zīmējums 13).

Pagrieziet izmešanas pārsegu uz aizmuguri un uz priekšu pret korpusu, lai izmešanas pārsegs būtu vienā līmenī ar pļāvēja korpusu (Zīmējums 14).

Izmešanas pārsega augšpusē saslēdziet āķveida sakabi ap novirzītāja bloka šarnīrsavienojuma stieni (Zīmējums 15).

Fiksējiet izmešanas pārsegu pie korpusa, ieāķējot elastīgo sakabi uz izmešanas pārsega korpusa fiksatorā (Zīmējums 11).
Ar mašīnu piegādātais pļāvēja korpuss un pļāvēja asmeņi tika veidoti optimālai mulčēšanai un sānu izmešanai.
Uzstādiet stiprinājumus no atsevišķo daļu maisa tukšajos caurumos pēc pārstrādes slāpētāju noņemšanas. Tas nodrošina, ka, izmantojot pļāvēja korpusu, nepaliek atvērts neviens caurums.
Atvērti caurumi mašīnā pakļauj jūs un citus lidojošiem gružiem, kas var izraisīt nopietnus ievainojumus.
Nekad nedarbiniet mašīnu bez visos mašīnas korpusa caurumos uzstādītas aparatūras.
Noņemot mulčēšanas slāpētāju, uzstādiet aparatūru montāžas caurumos.
Novietojiet mašīnu uz līdzenas virsmas, izslēdziet asmens vadības slēdzi un virziet kustības vadības sviras uz āru NOVIETOšANAS pozīcijā.
Izslēdziet dzinēju, izņemiet atslēgu un pagaidiet, līdz apstājas visas kustīgās daļas, pirms atstājat ekspluatācijas pozīciju.
Noņemiet pļāvēja korpusu; skatiet Pļāvēja korpusa noņemšana.
Noņemiet slāpētāju, kā parādīts.

Izmantojot 3 jaunas sešstūra skrūves no atsevišķo daļu maisa, 1 esošu bultskrūvi un 4 esošos fiksācijas uzgriežņus, ievietojiet stiprinājumus parādītajos atvērtajos caurumos.
Note: Uzstādiet stiprinātājus tā, lai uzgriežņi būtu ārpus korpusa.

Uzstādiet pļāvēja korpusu; skatiet Pļāvēja korpusa uzstādīšana.
Īpašnieks/operators var novērst un ir atbildīgs par negadījumiem, kas var izraisīt personas ievainojumus vai īpašuma bojājumus.
Izmantojot mašīnu, pievērsiet visu savu uzmanību. Neiesaistieties nevienā aktivitātē, kas novērš uzmanību; pretējā gadījumā var rasties ievainojumi vai īpašuma bojājumi.
Neizmantojiet mašīnu, kad esat slims(-a), noguris(-usi) vai alkohola vai narkotiku ietekmē.
Saskare ar asmeni var radīt nopietnus personas ievainojumus. Izslēdziet dzinēju, izņemiet atslēgu un pagaidiet, līdz apstājas visas kustīgās daļas, pirms atstājat ekspluatācijas pozīciju. Kad pagriežat atslēgu IZSLĒGTĀ pozīcijā, dzinējam jāizslēdzas un asmenim jāapstājas. Ja tā nenotiek, nekavējoties pārtrauciet mašīnas izmantošanu un sazinieties ar pilnvarotu servisa izplatītāju.
Darbiniet mašīnu tikai labā redzamībā un piemērotos laikapstākļos. Nedarbiniet mašīnu, ja pastāv zibens risks.
Turiet rokas un pēdas atstatu no griezējmezgliem. Turieties atstatu no izmešu atverēm.
Nepļaujiet ar paceltu, noņemtu vai mainītu izmetes novirzītāju, ja vien nav uzstādīta un pareizi darbojas zāles savākšanas sistēma vai mulčēšanas komplekts.
Nepļaujiet atpakaļgaitā, ja vien tas nav obligāti nepieciešams. Pirms braukšanas ar mašīnu atpakaļgaitā, vienmēr skatieties uz leju un aiz sevis.
Esiet ļoti uzmanīgi, tuvojoties slikti pārredzamiem pagriezieniem, krūmiem, kokiem vai citiem objektiem, kas var bloķēt redzamību.
Apturiet asmeņus, kad nepļaujat.
Ja mašīna saskaras ar objektu vai sāk vibrēt, nekavējoties izslēdziet dzinēju, izņemiet atslēgu (ja ir) un pagaidiet, kamēr visas kustīgās daļas apstājas, pirms veicat mašīnas bojājumu pārbaudi. Pirms darbības atsākšanas veiciet visus nepieciešamos remontdarbus.
Samaziniet ātrumu un esiet piesardzīgi, veicot pagriezienus un šķērsojot ceļus un ietves ar mašīnu. Vienmēr dodiet ceļu.
Pirms darbības pozīcijas atstāšanas, rīkojieties šādi:
Novietojiet mašīnu uz līdzenas virsmas.
Atvienojiet jūgvārpstu un nolaidiet agregātus.
Ieslēdziet stāvbremzi.
Izslēdziet dzinēju un izņemiet atslēgu.
Pagaidiet, kamēr apstājas visas kustīgās daļas.
Darbiniet dzinēju tikai labi ventilētās vietās. Izplūdes gāzes satur oglekļa monoksīdu, kas ir nāvējošs, ja tiek ieelpots.
Nekad neatstājiet darbojošos mašīnu bez uzraudzības.
Pievienojiet mašīnai velkamo aprīkojumu tikai pie sakabes punkta.
Nedarbiniet mašīnu, ja vien visi aizsargi un drošības ierīces, piemēram, novirzītāji un viss zāles uztvērējs, ir vietā un darbojas pareizi. Kad nepieciešams, nomainiet nodilušās vai nolietotās daļas.
Izmantojiet tikai Toro apstiprinātus piederumus un agregātus.
Šī mašīna operatora ausī rada skaņas līmeni, kas pārsniedz 85 dBA, un var izraisīt dzirdes zudumu ilgstošas iedarbības laikā.

Lai novērstu aizdegšanos, iztīriet zāli un netīrumus no griezējmezgla, zobratiem, trokšņa slāpētāja un dzinēja.
Iedarbiniet dzinēju, kad jūsu pēdas atrodas prom no asmens.
Uzraugiet pļāvēja izmetes ceļu un virziet izmeti prom no citiem. Izvairieties no materiāla izmešanas pret sienu vai šķērsli, jo materiāls var atlēkt atpakaļ jūsu virzienā.
Apturiet asmeņus, samaziniet mašīnas ātrumu un esiet piesardzīgs(-a), šķērsojot virsmas, kas nav zāle, vai transportējot mašīnu uz un no darbības zonas.
Nemainiet dzinēja regulatora ātrumu vai pārāk ātri nedarbiniet dzinēju.
Bērnus bieži saista mašīna un pļaušanas darbība. Nekad nepieņemiet, ka bērni paliks tur, kur viņus pēdējo reizi redzējāt.
Neļaujiet bērniem būt darbības zonā, viņiem jābūt atbildīga pieaugušā vai cita operatora uzraudzībā.
Piesargieties un izslēdziet mašīnu, ja bērni ienāk darbības zonā.
Pirms braukšanas atpakaļgaitā vai mašīnas pagriešanas, paskatieties uz leju un visapkārt, lai redzētu mazus bērnus.
Nevediet bērnus uz mašīnas, pat ja asmeņu nekustās. Bērni var nokrist un iegūt nopietnus ievainojumus vai kavēt jums droši vadīt mašīnu. Bērni, kuri iepriekš tikuši vadāti, var bez brīdinājuma ierasties darbības zonā, un viņus var notriekt vai pārbraukt viņiem pāri ar mašīnu.
Slīpumi ir svarīgs faktors saistībā ar kontroles zudumu un apgāšanās negadījumiem, kas var izraisīt nopietnus ievainojumus vai nāvi. Operators ir atbildīgs par drošu darbību slīpumā. Mašīnas izmantošanai jebkādā slīpumā nepieciešama īpaša piesardzība. Pirms mašīnas izmantošanas slīpumā rīkojieties šādi:
Pārskatiet un izprotiet rokasgrāmatā un uz mašīnas sniegtās slīpuma instrukcijas.
Izmantojiet leņķa indikatoru, lai noteiktu aptuveno zonas slīpuma leņķi.
Nekad nedarbiniet slīpumos, kas pārsniedz 15°.
Novērtējiet vietas dienas apstākļus, lai noteiktu, vai slīpums ir drošs mašīnas darbībai. Izmantojiet loģisko domāšanu un vērtējumu, kad veicat šo vērtējumu. Virsmas izmaiņas, piemēram, mitrums, var ātri ietekmēt mašīnas darbību slīpumā.
Nosakiet apdraudējumus slīpuma pamatnē. Nedarbiniet mašīnu pie izkraušanas vietām, grāvjiem, uzbērumiem, ūdens vai citiem apdraudējumiem. Mašīna var strauji apgāzties, ja ritenis iet pāri malai vai mala sabrūk. Ievērojiet drošu distanci (divkāršs mašīnas platums) starp mašīnu un jebkuru apdraudējumu. Izmantojiet stumjamu mašīnu vai rokas trimmeri, lai pļautu zāli šajās zonās.
Izvairieties iedarbināt, apturēt vai pagriezt mašīnu slīpumos. Izvairieties veikt pēkšņas ātruma vai virziena izmaiņas; pagriezieties lēnām un pakāpeniski.
Nedarbiniet mašīnu apstākļos, kur ir apšaubāma vilce, stūrēšana vai stabilitāte. Ziniet, ka mašīnas izmantošana uz mitras zāles, šķērsām slīpumiem vai nogāzē uz leju, var likt mašīnai zaudēt vilci. Piedziņas riteņu vilces zaudēšana var izraisīt slīdēšanu un bremzēšanas un stūrēšanas zaudēšanu. Mašīna var slīdēt, pat ja piedziņas riteņi ir apturēti.
Noņemiet vai atzīmējiet šķēršļus, piemēram, grāvjus, bedres, vagas, izciļņus, akmeņus vai citus paslēptus apdraudējumus. Gara zāle var slēpt šķēršļus. Nelīdzena virsma var apgāzt mašīnu.
Pievērsiet īpašu uzmanību, strādājot ar piederumiem vai agregātiem, piemēram, zāles savākšanas sistēmām. Tie var mainīt mašīnas stabilitāti un izraisīt kontroles zudumu. Ievērojiet pretsavara norādes.
Ja iespējams, turiet pamatni nolaistu pie zemes, strādājot slīpumos. Pamatnes pacelšana, darbinot slīpumos, var padarīt mašīnu nestabilu.

Nepievienojiet velkamo aprīkojumu, izņemot pie sakabes punkta.
Neizmantojiet mašīnu kā vilkšanas transportlīdzekli, ja vien tam nav uzstādīta sakabe.
Nepārsniedziet vilktā aprīkojuma svara ierobežojumus un nevelciet slīpumā. Vilktais svars nedrīkst pārsniegt mašīnas un operatora svaru.
Nekad neļaujiet bērniem vai citiem tuvoties vilktajam aprīkojumam.
Slīpumos vilktā aprīkojuma svars var izraisīt vilces zudumu, palielinātu apgāšanās risku un kontroles zudumu. Samaziniet vilkto svaru un samaziniet ātrumu.
Apstāšanās ceļš var palielināties līdz ar vilktās kravas svaru. Brauciet lēnām un nodrošiniet papildu apstāšanās attālumu.
Veiciet platus pagriezienus, lai agregāts būtu atstatus no mašīnas.
Asmens vadības slēdzis (PTO) ieslēdz un aptur pļāvēja asmeņus un visus elektriskos agregātus.

Jūs varat virzīt droseles vadības ierīci starp pozīcijām ĀTRI un LēNU (Zīmējums 23).
Ieslēdzot PTO, vienmēr izmantojiet pozīciju ĀTRI.

Izmantojiet slāpētāju, lai iedarbinātu aukstu dzinēju.
Pavelciet uz augšu slāpētāja pogu, lai ieslēgtu slāpētāju pirms atslēgas slēdža izmantošanas (Zīmējums 24).
Note: Pārliecinieties, ka pilnībā ieslēdzat slāpētāju. Jums, iespējams, jātur poga uz augšu, kad izmantojat atslēgas slēdzi.
Spiediet uz leju slāpētāju, lai izslēgtu slāpētāju pēc dzinēja iedarbināšanas (Zīmējums 24).

Note: Siltam vai karstam dzinējam slāpēšana var nebūt nepieciešama.
Important: Vienā reizē neieslēdziet starteri ilgāk nekā 5 sekundes. Ja startera motors tiek iedarbināts uz ilgāk nekā 5 sekundēm, tas var sabojāt startera motoru. Ja dzinējs neieslēdzas, pagaidiet 10 sekundes pirms atkārtotas dzinēja startera darbināšanas.

Izslēdziet asmeņus, virzot asmens vadības slēdzi IZSLēGTā pozīcijā.
Virziet kustības vadības sviras uz āru līdz NOVIETOšANAS pozīcijai.
Virziet droseles sviru pozīcijā LēNA un ļaujiet dzinējam darboties tukšgaitā 1 minūti.
Pagrieziet atslēgu IZSLēGTā pozīcijā un izņemiet atslēgu.
Bērni vai blakus stāvētāji var gūt ievainojumus, ja viņi pārvieto vai mēģina darbināt mašīnu, kamēr tā netiek uzraudzīta.
Vienmēr izņemiet atslēgu un ieslēdziet stāvbremzi, atstājot mašīnu neuzraudzītu.

Piedziņas riteņi griežas neatkarīgi; tos uz katras ass darbina hidrauliskie motori. Jūs varat pagriezt 1 pusi atpakaļgaitā, vienlaicīgi pagriežot otru pusi turpgaitā, liekot mašīnai griezties nevis pagriezties. Tas lielā mērā palielina mašīnas manevrētspēju, bet var būt nepieciešams laiks, lai jūs pielāgotos tam, kā tā kustās.
Droseles vadības ierīce regulē dzinēja apgriezienus, kas mērīti apgr./min. (apgriezienos minūtē). Vislabākajai veiktspējai ievietojiet droseles vadības ierīci pozīcijā ĀTRI. Pļaujot vienmēr strādājiet pilnā droseles pozīcijā.
Mašīna var griezties ļoti ātri. Jūs varat zaudēt kontroli pār mašīnu un iegūt ievainojumus vai mašīnas bojājumus.
Esiet uzmanīgs, veicot pagriezienus.
Pirms asu pagriezienu veikšanas, samaziniet mašīnas ātrumu.
Note: Pagriežoties vienmēr ievērojiet piesardzību.
Virziet sviras centrālā, atbloķētā pozīcijā.
Lai pārvietotos turpgaitā, lēnām spiediet kustības vadības sviras uz priekšu (Zīmējums 27).

Note: Esiet uzmanīgs, braucot atpakaļgaitā un pagriežoties.
Virziet sviras centrālā, atbloķētā pozīcijā.
Lai pārvietotos atpakaļgaitā, lēnām velciet kustības vadības sviras atpakaļ (Zīmējums 28).

Smart SpeedTM vadības sistēmas svira, kas atrodas zem ekspluatācijas pozīcijas (Zīmējums 29), sniedz operatoram izvēli braukt ar mašīnu 3 pamata ātruma diapazonos – griezšana, vilkšana un pļaušana.

Lai mainītu ātrumus, rīkojieties šādi:
Virziet kustības vadības sviras neitrālā pozīcijā un uz āru līdz NOVIETOšANAS pozīcijai.
Atvienojiet asmens vadības slēdzi.
Regulējiet sviru vēlamajā pozīcijā.
Tālākais ir tikai lietošanas rekomendācijas. Regulēšana atšķiras atkarībā no zāles veida, mitruma līmeņa un zāles augstuma.
| Ieteiktā izmantošana: | Griezšana | Vilkšana | Pļaušana |
| Novietošana | X | ||
| Smaga, mitra zāle | X | ||
| Apmācības | X | ||
| Zāles griezšana | X | ||
| Savākšana | X | ||
| Mulčēšana | X | ||
| Agregātu vilkšana | X | ||
| Normāla pļaušana | X | ||
| Mašīnas pārvietošana | X |
Griezšana
Šis ir zemākais ātrums. Šī ātruma ieteiktā izmantošana ir šāda:
Novietošana
Smagas, mitras zāles pļaušanas apstākļi
Apmācības
Zāles griezšana
Vilkšana
Šis ir vidējais ātrums. Šī ātruma ieteiktā izmantošana ir šāda:
Savākšana
Mulčēšana
Agregātu vilkšana
Pļaušana
Šis ir lielākais ātrums. Šī ātruma ieteiktā izmantošana ir šāda:
Normāla pļaušana
Mašīnas pārvietošana
Pļāvējam ir zāles novirzītājs ar eņģi, kas izmētā atgriezumus uz sāniem un uz leju pret augsni.
Bez vietā uzstādīta zāles novirzītāja, izmetes pārsega vai pilna zāles uztvērēja bloka jūs un citi ir pakļauti saskarei ar asmeni un lidojošiem gružiem. Saskare ar rotējošu(-iem) pļāvēja asmeni(-ņiem) un lidojošiem gružiem izraisīs ievainojumus vai nāvi.
Nekad nenoņemiet zāles novirzītāju no pļāvēja korpusa, jo zāles novirzītājs virza materiālu uz leju pret zemi. Ja zāles novirzītājs kādreiz ir bojāts, nekavējoties nomainiet to.
Nekad nelieciet savas rokas vai kājas zem pļāvēja korpusa.
Nekad nemēģiniet tīrīt izmetes zonu vai pļāvēja asmeņus, ja vien neieslēdzat asmens vadības slēdzi (PTO) pozīcijā IZSL., pagriežat atslēgas slēdzi pozīcijā IZSL. un izņemat atslēgu no atslēgas slēdža.
Pārliecinieties, ka zāles novirzītājs ir nolaistā pozīcijā.
Kad maināt griezšanas augstumu, regulējiet pretskrāpēšanas veltņu augstumu.
Note: Regulējiet pretskrāpēšanas veltņus, lai veltņi normālās, plakanās pļaušanās vietās nepieskartos zemei.
Novietojiet mašīnu uz līdzenas virsmas, izslēdziet asmens vadības slēdzi un virziet kustības vadības sviras uz āru NOVIETOšANAS pozīcijā.
Izslēdziet dzinēju, izņemiet atslēgu un pagaidiet, līdz apstājas visas kustīgās daļas, pirms atstājat ekspluatācijas pozīciju.
Regulējiet pretskrāpēšanas veltņus 1 no šādām pozīcijām:
Augšējais caurums – izmantojiet šo pozīciju 63 mm un zem griezšanas augstuma pozīcijām (Zīmējums 31).
Apakšējais caurums – izmantojiet šo pozīciju 76 mm un virs griezšanas augstuma pozīcijām (Zīmējums 31).

Vislabākajai pļaušanai un maksimālajai gaisa cirkulācijai darbiniet dzinēju ĀTRā pozīcijā. Gaiss ir nepieciešams, lai rūpīgi sagrieztu zāles atgriezumus, tādēļ neiestatiet griezšanas augstumu pārāk zemu, kas pilnībā ieskautu pļāvēja korpusu ar nenogrieztu zāli. Vienmēr mēģiniet turēt 1 pļāvēja korpusa pusi brīvu no nenogrieztās zāles, kas ļauj pļāvēja korpusā ievilkt gaisu.
Pļaujiet zāli nedaudz virs normālā, lai nodrošinātu, ka pļāvēja korpusa pļaušanas augstums nenoskrāpē zemes nelīdzenumus. Tomēr vispārīgi vislabāk ir izmantot iepriekš iestatīto pļaušanas augstumu. Pļaujot zāli, kas garāka par 15 cm, jūs, iespējams, vēlēsieties nopļaut zālienu divreiz, lai nodrošinātu pieņemamu griezuma kvalitāti.
Vislabāk ir pļaut tikai apmēram trešdaļu no zāles asmens izmēra. Lielāka daudzuma pļaušana nav ieteicama, ja vien zāle nav reta vai ir vēls rudens, kad zāle aug daudz lēnāk.
Mainiet pļaušanas virzienu, lai zāle stāvētu taisni. Tas arī palīdz izkliedēt atgriezumus, kas uzlabo sadalīšanos un mēslošanu.
Zāle dažādos gadalaikos aug dažādos ātrumos. Lai uzturētu vienādu pļāvuma augstumu, agrā pavasarī pļaujiet daudz biežāk. Tā kā zāles augšana vasaras vidū palēninās, pļaujiet retāk. Ja ilgāku laiku nevarat pļaut, vispirms pļaujiet augstā pļaušanas augstumā; pēc 2 dienām pļaujiet vēlreiz ar zemāku augstuma iestatījumu.
Noteiktos apstākļos pļaušana zemākos ātrumos var uzlabot griezuma kvalitāti.
Pļaujot uz nelīdzenas virsmas, paceliet pļaušanas augstumu, lai izvairītos no augsnes noskrāpēšanas.
Ja jums pļaušanas laikā ir jāaptur mašīnas turpgaitas kustība, uz jūsu zāliena var nokrist zāles atgriezumu pika. Lai no tā izvairītos, brauciet uz iepriekš nopļautu laukumu ar ieslēgtiem asmeņiem, vai arī varat izslēgt pļāvēja korpusu, braucot turpgaitā.
Pēc katras izmantošanas reizes tīriet atgriezumus un netīrumus no pļāvēja korpusa apakšpuses. Ja pļāvēja korpusā uzkrājas zāle un netīrumi, ar laiku pļaušanas kvalitāte kļūs neapmierinoša.
Visu pļaušanas sezonu uzturiet asu asmeni, jo ass asmens griež tīri, neplēšot vai nesasmalcinot zāles stiebrus. Plēšana un smalcināšana padara zāles malas brūnas, kas palēnina augšanu un palielina slimību risku. Pēc katras lietošanas reizes pārbaudiet pļāvēja asmeņu asumu un nodilumu vai bojājumus. Novīlējiet visas plaisas un noasiniet asmeņus, ja nepieciešams. Ja asmens ir bojāts vai nodilis, nekavējoties to nomainiet pret oriģinālu Toro maiņas asmeni. Skatiet Griezšanas asmeņu apkope.
Izslēdziet dzinēju, izņemiet atslēgu un pagaidiet, līdz apstājas visas kustīgās daļas, pirms atstājat operatora pozīciju. Ļaujiet mašīnai atdzist pirms apkopes, regulēšanas, degvielas uzpildes, tīrīšanas vai glabāšanas.
Lai novērstu aizdegšanos, iztīriet zāli un netīrumus no griezējmezgla, slāpētāja, zobratiem, zāles uztvērēja un dzinēja nodalījuma. Notīriet izšļakstījušos eļļu vai degvielu.
Pirms mašīnas glabāšanas vai transportēšanas, izņemiet atslēgu.
| Tehniskās apkopes intervāls | Apkopes procedūra |
|---|---|
| Pēc katras lietošanas reizes |
|
Important: Jūs varat mazgāt mašīnu, izmantojot maigu mazgāšanas līdzekli un ūdeni. Nemazgājiet mašīnu ar spiedienu. Izvairieties no pārmērīgas ūdens izmantošanas, jo īpaši pie vadības paneļa, zem sēdekļa, ap dzinēju, hidrauliskajiem sūkņiem un motoriem.
Novietojiet mašīnu uz līdzenas virsmas, izslēdziet asmens vadības slēdzi un virziet kustības vadības sviras uz āru NOVIETOšANAS pozīcijā.
Izslēdziet dzinēju un pagaidiet, kamēr visas kustīgās daļas apstājas, pirms dodaties prom no darba pozīcijas.
Iztīriet zāli un netīrumus no griezējmezgla, slāpētāja, zobratiem, zāles uztvērēja un dzinēja.
Note: Informāciju par korpusa izskalošanas fitinga izmantošanu skatiet Pļāvēja korpusa apakšpuses mazgāšana.
Šai mašīnai ir elektriskais bremžu mehānisms, un, lai stumtu mašīnu, atslēgai ir jābūt DARBīBAS pozīcijā. Akumulatoram ir jābūt uzlādētam un funkcionējošam, lai atvienotu elektrisko bremzi.
Novietojiet mašīnu uz līdzenas virsmas, izslēdziet asmens vadības slēdzi un virziet kustības vadības sviras uz āru NOVIETOšANAS pozīcijā.
Izslēdziet dzinēju un pagaidiet, kamēr visas kustīgās daļas apstājas, pirms dodaties prom no darba pozīcijas.
Atrodiet apiešanas sviras uz rāmja abās dzinēja pusēs.
Virziet abas apiešanas sviras uz priekšu cauri rievotajam caurumam un uz leju, lai fiksētu tās vietā (Zīmējums 32).
Saskare ar karstām virsmām var izraisīt personas ievainojumus.
Turiet savas rokas, pēdas, seju, apģērbu un citas ķermeņa daļas prom no dzinēja, slāpētāja un citām karstām virsmām.
Mašīna var nejauši izkustēties, kamēr apiešanas sviras ir bloķētas atverē turpgaitā, un ievainot jūs vai blakusstāvētājus.
Bloķējiet apiešanas sviras atpakaļgaitā pēc mašīnas pārvietošanas.

Pagrieziet aizdedzes atslēgu DARBīBAS pozīcijā un izslēdziet stāvbremzi, virzot 1. kustības vadības sviru ārā no NOVIETOšANAS pozīcijas.
Note: Neiedarbiniet mašīnu.
Pārvietojiet mašīnu pēc nepieciešamības.
Important: Vienmēr stumiet mašīnu ar rokām. Nevelciet mašīnu, jo vilkšana var to bojāt.
Virziet kustības vadības sviras uz āru līdz NOVIETOšANAS pozīcijai.
Pagrieziet atslēgu IZSLēGTā pozīcijā un izņemiet to, lai izvairītos no akumulatora izlādēšanās.
Virziet apiešanas sviras atpakaļ un uz leju cauri rievotajai atverei, lai bloķētu tās vietā.
Izmantojiet lielas slodzes piekabi vai kravas automašīnu, lai transportētu mašīnu. Izmantojiet pilnu rampas platumu. Pārliecinieties, ka piekabei vai kravas automašīnai ir visas nepieciešamās bremzes, apgaismojums un likumā prasītie marķējumi. Lūdzu, rūpīgi izlasiet visas drošības instrukcijas. Zinot šo informāciju, jūs varat palīdzēt sev vai blakus stāvētājiem izvairīties no ievainojumiem. Skatiet vietējos lēmumus saistībā ar piekabes un piesiešanas prasībām.
Braukšana pa ielu vai lielceļu bez virzienrādītājiem, gaismām, atstarojošām zīmēm vai lēni braucoša transportlīdzekļa emblēmas ir bīstama un var izraisīt negadījumus, radot personas ievainojumus.
Nebrauciet ar mašīnu par koplietošanas ielām vai lielceļu.
Mašīnas iekraušana piekabē vai kravas automašīnā palielina apgāšanās iespēju un var izraisīt nopietnus ievainojumus vai nāvi (Zīmējums 33).
Izmantojiet tikai pilna platuma rampu; neizmantojiet atsevišķas rampas katrai mašīnas pusei.
Nepārsniedziet 15 grādu slīpumu starp rampu un zemi vai starp rampu un piekabi vai kravas automašīnu.
Pārliecinieties, ka rampas garums ir vismaz 4 reizes lielāks nekā piekabes augstums vai kravas automašīnas platformas attālums līdz zemei. Tas nodrošina, ja rampas leņķis nepārsniedz 15 grādus uz līdzenas zemes.

Mašīnas iekraušana piekabē vai kravas automašīnā palielina apgāšanās iespēju un var izraisīt nopietnus ievainojumus vai nāvi.
Esiet īpaši piesardzīgi, izmantojot mašīnu, kas atrodas uz rampas.
Brauciet atpakaļgaitā uz rampas un brauciet turpgaitā no rampas.
Izvairieties no straujas ātruma palielināšanas vai samazināšanas, braucot ar mašīnu uz rampas, jo tas var izraisīt kontroles zudumu vai apgāšanās situāciju.
Ja izmantojat piekabi, savienojiet to ar velkošo transportlīdzekli un savienojiet drošības ķēdes.
Ja piemērojams, savienojiet piekabes bremzes un lampiņas.
Nolaidiet rampu, pārliecinoties, ka leņķis starp rampu un zemi nepārsniedz 15 grādus (Zīmējums 33).
Brauciet ar mašīnu atpakaļgaitā uz rampas (Zīmējums 34).

Izslēdziet dzinēju, izņemiet atslēgu un vadības sviras uz āru līdz NOVIETOšANAS pozīcijai.
Piesieniet mašīnu pie priekšējiem ritentiņiem un aizmugures rāmja ar siksnām, ķēdēm, kabeli vai virvēm (Zīmējums 35). Skatiet vietējos noteikumus saistībā ar piesiešanas prasībām.

Note: Nosakiet mašīnas kreiso un labo pusi no normālas ekspluatācijas pozīcijas.
Ja atslēga atrodas slēdzī, kāds var nejauši iedarbināt dzinēju un nopietni ievainot jūs vai citus blakus stāvētājus. Izņemiet atslēgu no slēdža pirms jebkāda apkopes darba veikšanas.
Pirms operatora pozīcijas atstāšanas, rīkojieties šādi:
Novietojiet mašīnu uz līdzenas virsmas.
Atvienojiet piedziņu.
Ieslēdziet stāvbremzi.
Izslēdziet dzinēju un izņemiet atslēgu.
Pirms apkopes veikšanas ļaujiet mašīnas elementiem atdzist.
Neļaujiet neapmācītam personālam veikt mašīnas apkopi.
Turiet rokas un pēdas atstatu no kustīgām daļām vai karstām virsmām. Ja iespējams, neveiciet regulēšanu, kamēr dzinējs darbojas.
Uzmanīgi atbrīvojiet spiedienu no komponentiem, kuriem ir uzkrāta enerģija.
Regulāri pārbaudiet stāvbremzes darbību. Pēc nepieciešamības regulējiet to vai veiciet apkopi.
Nekad neizmainiet drošības ierīces. Regulāri pārbaudiet to pareizu darbību.
Lai novērstu aizdegšanos, iztīriet zāli un netīrumus no griezējmezgla, slāpētāja, zobratiem, zāles uztvērēja un dzinēja nodalījuma.
Notīriet izšļakstījušos eļļu vai degvielu un ar degvielu piesūkušos netīrumus.
Nepaļaujieties uz hidrauliskajiem vai mehāniskajiem domkratiem mašīnas atbalsta nodrošināšanai; paceļot mašīnu, balstiet mašīnu ar domkrata statīviem.
Turiet visas daļas labā stāvoklī un visu aparatūru cieši pievilktu, it īpaši asmens bloka aparatūru. Nomainiet visas nodilušās vai bojātās uzlīmes.
Pirms mašīnas remonta atvienojiet kabeli no akumulatora negatīvās spailes.
Lai nodrošinātu optimālu veiktspēju, izmantojiet tikai oriģinālās Toro nomaiņas daļas un piederumus. Citu ražotāju nomaiņas daļas un piederumi var būt bīstami, un šāda izmantošana var anulēt garantiju.
| Tehniskās apkopes intervāls | Apkopes procedūra |
|---|---|
| Pirms katras lietošanas vai katru dienu |
|
| Pēc katras lietošanas reizes |
|
| Ik pēc 25 stundām |
|
| Ik pēc 100 stundām vai reizi gadā, atkarībā no tā, kurš nosacījums izpildās ātrāk |
|
| Pirms glabāšanas |
|
| Katru gadu |
|
Important: Plašākas tehniskās apkopes procedūras skatiet savā dzinēja īpašnieka rokasgrāmatā.
Ja atslēga atrodas slēdzī, kāds var nejauši iedarbināt dzinēju un nopietni ievainot jūs vai citus blakus stāvētājus.
Izslēdziet dzinēju un izņemiet atslēgu no slēdža pirms jebkāda apkopes darba veikšanas.
Atskrūvējiet 2 apakšējās aizkara bultskrūves, lai piekļūtu pļāvēja korpusa augšdaļai (Zīmējums 36).

Note: Vienmēr pievelciet bultskrūves, lai pēc tehniskās apkopes pievienotu aizkaru.
Paceļot mašīnu, izmantojiet domkrata statīvus, lai to atbalstītu.
Mašīnas balstīšana uz apakšējā slāpētāja vairoga (Zīmējums 37) var bojāt vairogu un likt mašīnai nokrist, ievainojot jūs vai blakusstāvētājus.
Neizmantojiet slāpētāja vairogu, lai paceltu vai balstītu mašīnu.

| Tehniskās apkopes intervāls | Apkopes procedūra |
|---|---|
| Ik pēc 25 stundām |
|
Smērvielas tips: Nr. 2 litija smērviela
Novietojiet mašīnu uz līdzenas virsmas, izslēdziet asmens vadības slēdzi un virziet kustības vadības sviras uz āru NOVIETOšANAS pozīcijā.
Izslēdziet dzinēju, izņemiet atslēgu un pagaidiet, līdz apstājas visas kustīgās daļas, pirms atstājat ekspluatācijas pozīciju.
Tīriet eļļošanas fitingus (Zīmējums 38) ar lupatiņu.
Note: Noskrāpējat krāsu no fitinga(-u) priekšpuses.

Savienojiet eļļošanas pistoli ar katru fitingu (Zīmējums 38).
Iespiediet smērvielu fitingos līdz smērviela sāk līt ārā no gultņiem.
Noslaukiet lieko smērvielu.
Turiet savas rokas, pēdas, seju, citas ķermeņa daļas un apģērbu prom no slāpētāja un citām karstām virsmām. Pirms apkopes veikšanas ļaujiet dzinēja elementiem atdzist.
Nemainiet dzinēja regulatora ātrumu vai pārāk ātri nedarbiniet dzinēju.
| Tehniskās apkopes intervāls | Apkopes procedūra |
|---|---|
| Ik pēc 25 stundām |
|
| Katru gadu |
|
Note: Veiciet gaisa tīrītāja apkopi biežāk (reizi dažās stundās), ja darba apstākļi ir īpaši putekļaini vai smilšaini.
Novietojiet mašīnu uz līdzenas virsmas, izslēdziet asmens vadības slēdzi un virziet kustības vadības sviras uz āru NOVIETOšANAS pozīcijā.
Izslēdziet dzinēju, izņemiet atslēgu un pagaidiet, līdz apstājas visas kustīgās daļas, pirms atstājat ekspluatācijas pozīciju.
Notīriet ap gaisa tīrītāja pārsegu, lai novērstu netīrumu iekļūšanu dzinējā un bojājumu rašanos.
Atskrūvējiet stiprinājumus un noņemiet pārsegu.

Noņemiet gaisa tīrītāja elementus.
Atdaliet putu un papīra elementus.

Mazgājiet putu elementu ar šķidrajām ziepēm un siltu ūdeni. Kad elements ir tīrs, rūpīgi to noskalojiet.
Nožāvējiet elementu, saspiežot to tīrā lupatiņā.
Important: Nomainiet putu elementu, ja tas ir saplīsis vai nodilis.
Nedaudz eļļojiet putu elementu, izmantojot svaigu dzinēja eļļu, un izspiediet visu lieko eļļu.
| Tehniskās apkopes intervāls | Apkopes procedūra |
|---|
Tīriet papīra elementu, maigi tam pieskaroties, lai notīrītu putekļus.
Note: Ja tas ir ļoti netīrs, nomainiet papīra elementu pret jaunu.
Pārbaudiet elementa plīsumus, eļļainu plēvi vai gumijas blīves bojājumu.
Nomainiet papīra elementu, ja tas ir bojāts.
Important: Netīriet papīra filtru.
Uzstādiet putu elementa priekštīrītāju virs papīra elementa.
Note: Pārliecinieties, ka nesabojājat elementus.
Uzstādiet gaisa tīrītāja elementus uz gaisa tīrītāja pamatnes.
Uzstādiet pārsegu un pievelciet stiprinājumus (Zīmējums 39).
Eļļas tips: mazgāšanas eļļa (tostarp sintētiskā), API servisa SJ vai augstāka
Kartera tilpums: 1,9 l; ar eļļas filtru; 1,8 l bez eļļas filtra
Viskozitāte: skatiet tabulu tālāk.

| Tehniskās apkopes intervāls | Apkopes procedūra |
|---|---|
| Pirms katras lietošanas vai katru dienu |
|
Note: Pārbaudiet eļļu, kad dzinējs ir auksts.
Important: Ja jūs pārpildāt vai nepietiekoši piepildāt dzinēja karteri ar eļļu un darbināt dzinēju, jūs varat sabojāt dzinēju.
Novietojiet mašīnu uz līdzenas virsmas, izslēdziet asmens vadības slēdzi un virziet kustības vadības sviras uz āru NOVIETOšANAS pozīcijā.
Izslēdziet dzinēju, izņemiet atslēgu un pagaidiet, līdz apstājas visas kustīgās daļas, pirms atstājat ekspluatācijas pozīciju.
Note: Pārliecinieties, ka dzinējs ir auksts, lai eļļai būtu laiks izlīt karterī.
Lai netīrumiem, zāles atgriezumiem u.tml. neļautu iekļūt dzinējā, notīriet ap eļļas uzpildes vāciņu un mērstieni, pirms to noņemat (Zīmējums 42).

| Tehniskās apkopes intervāls | Apkopes procedūra |
|---|
Lai nodrošinātu, ka eļļas pilnībā izlīst, novietojiet mašīnu uz līdzenas virsmas.
Izslēdziet asmens vadības slēdzi un virziet kustības vadības sviras uz āru NOVIETOšANAS pozīcijā.
Izslēdziet dzinēju, izņemiet atslēgu un pagaidiet, līdz apstājas visas kustīgās daļas, pirms atstājat ekspluatācijas pozīciju.
Izlejiet eļļu no dzinēja (Zīmējums 43).

Nomainiet dzinēja eļļas filtru (Zīmējums 44).
Note: Pārliecinieties, ka eļļas filtra blīve pieskaras dzinējam, un pēc tam pagrieziet filtra vēl par ¾ apgrieziena.

Lēnām lejiet apmēram 80 % no norādītās eļļas uzpildes caurulē un lēnām pievienojiet vēl eļļu, lai tā būtu līdz atzīmei Pilns (Zīmējums 45).

Atbrīvojieties no izmantotās eļļas vietējā pārstrādes centrā.
| Tehniskās apkopes intervāls | Apkopes procedūra |
|---|---|
| Katru gadu |
|
Pārliecinieties, ka gaisa atstarpe pirms kvēlsveces uzstādīšanas starp elektrodu centru un sāniem ir pareiza. Izmantojiet kvēlsveces uzgriežņu atslēgu, lai noņemtu un uzstādītu kvēlsveci, un atstarpes instrumentu vai sensoru, lai pārbaudītu un regulētu gaisa atstarpi. Ja nepieciešams, uzstādiet jaunu kvēlsveci.
Tips: Champion® XC92YC
Gaisa atstarpe: 0,76 mm
Novietojiet mašīnu uz līdzenas virsmas, izslēdziet asmens vadības slēdzi un virziet kustības vadības sviras uz āru NOVIETOšANAS pozīcijā.
Izslēdziet dzinēju, izņemiet atslēgu un pagaidiet, līdz apstājas visas kustīgās daļas, pirms atstājat ekspluatācijas pozīciju. Ļaujiet dzinējam atdzist.
Notīriet ap spraudņa pamatni, lai dzinējā neiekļūtu netīrumi un gruži.
Noņemiet kvēlsveci (Zīmējums 46).

Important: Netīriet kvēlsveci(-es). Vienmēr nomainiet kvēlsveci(-es), kad tai(-ām) ir melns apvalks, nolietoti elektrodi, eļļaina plēve vai plaisas.
Ja redzat gaiši brūnu vai pelēku krāsu uz izolatora, dzinējs darbojas pareizi. Melns apvalks uz izolatora parasti nozīmē, ka gaisa tīrītājs ir netīrs.
Iestatiet atstarpi uz 0,75 mm.


| Tehniskās apkopes intervāls | Apkopes procedūra |
|---|---|
| Pirms katras lietošanas vai katru dienu |
|
Novietojiet mašīnu uz līdzenas virsmas, izslēdziet asmens vadības slēdzi un virziet kustības vadības sviras uz āru NOVIETOšANAS pozīcijā.
Izslēdziet dzinēju, izņemiet atslēgu un pagaidiet, līdz apstājas visas kustīgās daļas, pirms atstājat ekspluatācijas pozīciju.
Noņemiet gaisa filtru no dzinēja.
Noņemiet dzinēja apvalku.
Lai novērstu netīrumu iekļūšanu gaisa ieejā, uzstādiet gaisa filtru uz filtra pamatnes.
Notīriet netīrumus un zāli no detaļām.
Noņemiet gaisa filtru un uzstādiet dzinēja apvalku.
Uzstādiet gaisa filtru.
Noteiktos apstākļos degviela ir ļoti uzliesmojoša un ļoti sprādzienbīstama. Degvielas izraisīta uguns vai sprādziens var apdedzināt jūs un citus un sabojāt īpašumu.
Skatiet Degvielas drošība pilnu sarakstu par ar degvielu saistītajiem piesardzības pasākumiem.
| Tehniskās apkopes intervāls | Apkopes procedūra |
|---|---|
| Katru gadu |
|
Nekad neuzstādiet netīru filtru pēc tā izņemšanas no degvielas līnijas.
Novietojiet mašīnu uz līdzenas virsmas, izslēdziet asmens vadības slēdzi un virziet kustības vadības sviras uz āru NOVIETOšANAS pozīcijā.
Izslēdziet dzinēju, izņemiet atslēgu un pagaidiet, līdz apstājas visas kustīgās daļas, pirms atstājat ekspluatācijas pozīciju. Ļaujiet dzinējam atdzist.
Nomainiet filtru (Zīmējums 49).
Note: Pārliecinieties, ka plūsmas virziena bultiņa uz nomaiņas filtra ir vērsta pret dzinēju.


Pirms mašīnas remonta atvienojiet kabeli no akumulatora negatīvās spailes.
Lādējiet akumulatoru atvērtā, labi vēdinātā vietā, prom no dzirkstelēm un liesmām. Atvienojiet lādētāju pirms akumulatora savienošanas vai atvienošanas. Valkājiet aizsargapģērbu un izmantojiet izolācijas instrumentus.
Akumulatora spailes vai metāla instrumenti var radīt īssavienojumu pret mašīnas metāla elementiem, radot dzirksteles. Dzirksteles var izraisīt akumulatora gāzu sprādzienu, radot personas ievainojumus.
Noņemot vai uzstādot akumulatoru, neļaujiet akumulatora spailēm pieskarties nevienai mašīnas metāla daļai.
Neļaujiet metāla instrumentiem radīt īssavienojumu pret akumulatora spailēm un mašīnas metāla daļām.
Novietojiet mašīnu uz līdzenas virsmas, izslēdziet asmens vadības slēdzi un virziet kustības vadības sviras uz āru NOVIETOšANAS pozīcijā.
Izslēdziet dzinēju, izņemiet atslēgu un pagaidiet, līdz apstājas visas kustīgās daļas, pirms atstājat ekspluatācijas pozīciju.
Paceliet sēdekli, lai piekļūtu akumulatoram.
Atvienojiet negatīvo (melno) zemes kabeli no akumulatora statīva (Zīmējums 50).
Note: Saglabājiet visus stiprinājumus.
Nepareizi noņemot kabeļus no akumulatora, var sabojāt mašīnu un kabeļus, radot dzirksteles. Dzirksteles var izraisīt akumulatora gāzu sprādzienu, radot personas ievainojumus.
Vienmēr atvienojiet negatīvo (melno) akumulatora kabeli pirms pozitīvā (sarkanā) kabeļa atvienošanas.
Vienmēr savienojiet pozitīvo (sarkano) akumulatora kabeli pirms savienojat negatīvo (melno) kabeli.
Virziet gumijas pārsegu nost pa pozitīvo (sarkano) kabeli.
Atvienojiet pozitīvo (sarkano) kabeli no akumulatora statīva (Zīmējums 50).
Note: Saglabājiet visus stiprinājumus.
Noņemiet akumulatora fiksatoru (Zīmējums 50) un izceliet akumulatoru no akumulatora paliktņa.

| Tehniskās apkopes intervāls | Apkopes procedūra |
|---|---|
| Pirms glabāšanas |
|
Noņemiet akumulatoru no šasijas; skatiet Akumulatora izņemšana.
Uzlādējiet akumulatoru vismaz 1 stundu pie 6 līdz 10 A.
Note: Nepārlādējiet akumulatoru.
Kad akumulators ir pilnībā uzlādēts, atvienojiet lādētāju no kontaktligzdas, pēc tam atvienojiet lādētāja vadus no akumulatora statīviem (Zīmējums 51).

Novietojiet akumulatoru uz paliktņa (Zīmējums 50).
Izmantojot iepriekš noņemtos stiprinājumus, uzstādiet pozitīvo (sarkano) akumulatora kabeli pie pozitīvās (+) akumulatora spailes.
Izmantojot iepriekš noņemtos stiprinājumus, uzstādiet negatīvo akumulatora kabeli pie negatīvās (–) akumulatora spailes.
Virziet sarkano spailes apvalku uz pozitīvā (sarkanā) akumulatora statīva.
Fiksējiet akumulatoru ar fiksatoru (Zīmējums 50).
Nolaidiet sēdekli.
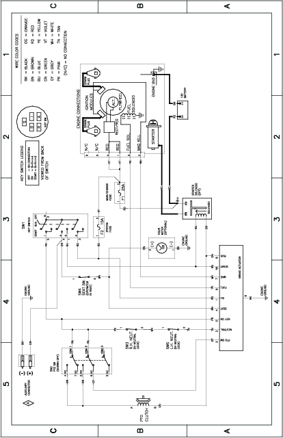
Elektrisko sistēmu aizsargā drošinātāji. Tiem nav nepieciešama apkope, tomēr, ja drošinātāju izsit, pārbaudiet elementa/ķēdes atteici vai īssavienojumu.
Drošinātāja tips:
galvenais – F1 (25 A, asmens tipa)
Uzlādes ķēde – F2 (15 A, asmens tipa)
Novietojiet mašīnu uz līdzenas virsmas, izslēdziet asmens vadības slēdzi un virziet kustības vadības sviras uz āru NOVIETOšANAS pozīcijā.
Izslēdziet dzinēju, izņemiet atslēgu un pagaidiet, līdz apstājas visas kustīgās daļas, pirms atstājat ekspluatācijas pozīciju.
Paceliet sēdekli, lai piekļūtu drošinātājiem.
Lai nomainītu drošinātāju, izvelciet drošinātāju, lai to izņemtu (Zīmējums 52).

Nolaidiet sēdekli.
| Tehniskās apkopes intervāls | Apkopes procedūra |
|---|---|
| Ik pēc 25 stundām |
|
Saglabājiet gaisa spiedienu priekšējās un aizmugures riepās, kā norādīts. Nevienmērīgs riepu spiediens var radīt nevienmērīgu griezumu. Pārbaudiet spiedienu pie vārsta kātiņa (Zīmējums 53). Pārbaudiet riepas, kad tās ir aukstas, lai iegūtu visprecīzāko spiediena lasījumu.
Uzpildiet priekšējās ritentiņu riepas līdz 2,06 bar vai līdz spiedienam, kas norādīts uz sānu sieniņas (līdz tam, kas ir zemāks).
Uzpildiet aizmugures piedziņas riteņu riepas līdz 0,9 bar (90 kPa).

Jūs varat manuāli atbrīvot elektriskās bremzes, pagriežot savienojuma sviras uz priekšu. Tiklīdz elektriskā bremze ir uzlādēta, bremze atiestatās.
Pagrieziet atslēgu IZSLēGTā pozīcijā un izņemiet atslēgu.
Atvienojiet akumulatoru.
Atskrūvējiet apakšējās 2 bultskrūves, kas tur pļāvēja korpusa aizkaru pie pļāvēja korpusa. Skatiet Pļāvēja korpusa aizkara atlaišana.
Atrodiet vārpstu uz elektriskās bremzes, pie kā ir pievienotas bremžu savienojuma sviras (Zīmējums 54).
Pagrieziet sviru uz priekšu, lai atbrīvotu bremzi, kā parādītsZīmējums 54.
Pēc mašīnas pārvietošanas pagrieziet vārpstu atpakaļ un savienojiet akumulatoru.
Pievelciet apakšējās 2 bultskrūves pļāvēja korpusa aizkaram pie pļāvēja korpusa. Skatiet Pļāvēja korpusa aizkara atlaišana.

Braucot ar mašīnu turpgaitā pilnā ātrumā pa gludu, līdzenu virsmu, ja mašīnu velk uz vienu pusi, regulējiet sekošanu.
Ja mašīnu velk pa kreisi, regulējiet labās puses kustības vadības sviru; ja mašīnu velk pa labi, regulējiet kreisās puses kustības vadības sviru.
Note: Jūs varat regulēt sekošanu tikai, braucot turpgaitā.
Novietojiet mašīnu uz līdzenas virsmas, izslēdziet asmens vadības slēdzi un virziet kustības vadības sviras uz āru NOVIETOšANAS pozīcijā.
Izslēdziet dzinēju, izņemiet atslēgu un pagaidiet, līdz apstājas visas kustīgās daļas, pirms atstājat ekspluatācijas pozīciju.
Atrodiet sekošanas regulēšanas bultskrūvi pie kustības vadības sviras konkrētajā pusē, kuru nepieciešams regulēt (Zīmējums 55).
Note: Paceliet sēdekli vieglākai piekļuvei pie regulēšanas bultskrūves.
Pagrieziet bultskrūvi, lai samazinātu konkrētā riteņa ātrumu.
Note: Nedaudz pagrieziet bultskrūvi, lai veiktu nelielu regulēšanu.

Iedarbiniet mašīnu un brauciet turpgaitā pa gludu, līdzenu virsmu, kad kustības vadības sviras ir pilnībā turpgaitā, lai pārbaudītu, vai mašīna brauc taisni. Pēc nepieciešamības atkārtojiet šo procedūru.
| Tehniskās apkopes intervāls | Apkopes procedūra |
|---|---|
| Ik pēc 25 stundām |
|
Nomainiet siksnu, ja tā ir nodilusi. Nodilušas siksnas pazīmes ietver čīkstēšanu siksnas rotēšanas laikā, asmeņu slīdēšanu zāles pļaušanas laikā un nobružātas malas, apdeguma pazīmes, un plaisas siksnā.
Nodilušas siksnas pazīmes ietver čīkstēšanu siksnas rotēšanas laikā, asmeņu slīdēšanu zāles pļaušanas laikā un nobružātas malas, apdeguma pazīmes, un plaisas siksnā. Nomainiet pļāvēja siksnu, ja pastāv kāds no šiem apstākļiem.
Novietojiet mašīnu uz līdzenas virsmas, izslēdziet asmens vadības slēdzi un virziet kustības vadības sviras uz āru NOVIETOšANAS pozīcijā.
Izslēdziet dzinēju, izņemiet atslēgu un pagaidiet, līdz apstājas visas kustīgās daļas, pirms atstājat ekspluatācijas pozīciju.
Iestatiet griezšanas augstumu zemākajā griezšanas pozīcijā (38 mm).
Atskrūvējiet apakšējās 2 bultskrūves, kas tur pļāvēja korpusa aizkaru pie pļāvēja korpusa. Skatiet Pļāvēja korpusa aizkara atlaišana.
Noņemiet skriemeļa pārsegus.
Apzīmogotiem korpusiem, atskrūvējiet skrūves un noņemiet skriemeļa pārsegus (Zīmējums 56).

Saliekamiem korpusiem, atskrūvējiet skrūvi un spiediet cilni uz pārsega, lai noņemtu skriemeļu pārsegus (Zīmējums 57).

Apzīmogotiem korpusiem, atskrūvējiet uzgriezni, kas fiksē režģi pie dzenrata skriemeļa (Zīmējums 58).

Izmantojot atsperes noņemšanas rīku (Toro daļas Nr. 92-5771), noņemiet dzenrata atsperi no korpusa āķa, lai noņemtu spriegumu no dzenrata skriemeļa, un rullējiet siksnu nost no skriemeļiem (Zīmējums 59).
Atspere ir nospriegota, kad tā ir uzstādīta, un tā var radīt personas ievainojumu.
Esiet uzmanīgs, noņemot siksnu.

Virziet jauno siksnu ar dzinēja skriemeli un pļāvēja skriemeļiem (Zīmējums 59).
Izmantojot atsperes noņemšanas rīku (Toro daļas Nr. 92-5771), uzstādiet dzenrata atsperi uz korpusa āķa, piemērojot spriegumu dzenrata skriemelim un pļāvēja siksnai (Zīmējums 59).
Apzīmogotiem korpusiem, pievelciet uzgriezni, kas fiksē režģi pie dzenrata skriemeļa.
Note: Novietojiet režģi pret dzenrata kātu, kā parādīts Zīmējums 58.
Uzstādiet skriemeļa pārsegus.
Pievelciet apakšējās 2 bultskrūves pļāvēja korpusa aizkaram pie pļāvēja korpusa. Skatiet Pļāvēja korpusa aizkara atlaišana.
Regulāri pārbaudiet asmeņu nodilumu vai bojājumus.
Piesargieties, pārbaudot asmeņus. Aptiniet asmeņus vai valkājiet cimdus, un piesargieties, veicot asmeņu apkopi. Tikai nomainiet vai asiniet asmeņus; nekad tos netaisnojiet vai nemetiniet.
Esiet piesardzīgi mašīnām ar vairākiem asmeņiem, jo viena asmens pagriešana var likt griezties citiem asmeņiem.
Nomainiet nodilušus vai bojātus asmeņus un bultskrūves komplektos, lai saglabātu līdzsvaru.
Lai nodrošinātu nepārspējamu griezuma kvalitāti, turiet asmeņus asus. Ērtai asināšanai un nomaiņai glabājiet pieejamus papildus asmeņus.
Novietojiet mašīnu uz līdzenas virsmas, izslēdziet asmens vadības slēdzi un virziet kustības vadības sviras uz āru NOVIETOšANAS pozīcijā.
Izslēdziet dzinēju, izņemiet atslēgu un atvienojiet kvēlsveces vadu no kvēlsvecēm.
| Tehniskās apkopes intervāls | Apkopes procedūra |
|---|---|
| Pirms katras lietošanas vai katru dienu |
|
Pārbaudiet griezšanas malas (Zīmējums 60).
Ja malas nav asas vai tām ir plaisas, noņemiet un asiniet asmeni; skatiet Asmeņu asināšana.
Pārbaudiet asmeņus, jo īpaši izliektajā zonā.
Ja pamanāt jebkādas plaisas, nodilumu vai spraugas veidošanos šajā zonā, nekavējoties uzstādiet jaunu asmeni (Zīmējums 60).

Note: Turpmākās procedūras veikšanai mašīnai ir jābūt uz līdzenas virsmas.
Paceliet pļāvēja korpusu augstākajā griezšanas augstuma pozīcijā.
Valkājot biezi polsterētus cimdus vai citus piemērotus roku aizsarglīdzekļus, lēnām pagrieziet asmeni pozīcijā, kas ļauj jums izmērīt attālumu starp griezšanas malu un līdzenu virsmu, uz kuras atrodas mašīna (Zīmējums 61).

Mēriet no asmens uzgaļa līdz plakanai virsmai (Zīmējums 62).

Pagrieziet to pašu asmeni par 180 grādiem, lai pretējā griezšanas mala tagad būtu tajā pašā pozīcijā (Zīmējums 63).

Mēriet no asmens uzgaļa līdz plakanai virsmai (Zīmējums 64).
Note: Atšķirība nedrīkst būt lielāka par 3 mm.

Ja atšķirība starp A un B ir lielāka par 3 mm, nomainiet asmeni pret jaunu asmeni; skatiet Asmeņu noņemšana un Asmeņu uzstādīšana.
Note: Ja saliekts asmens tiek nomainīts pret jaunu asmeni un iegūtais izmērs turpina pārsniegt 3 mm, iespējams, ka ir saliekta asmens vārpsta. Sazinieties ar pilnvaroto servisa izplatītāju, lai veiktu apkopi.
Ja atšķirība ir ierobežojumu ietvaros, dodieties uz nākamo asmeni.
Atkārtojiet šo procedūru katram asmenim.
Nomainiet asmeņus, ja tie saduras ar cietu objektu vai asmens nav līdzsvarā, vai ir saliekts.
Turiet asmens galu, izmantojot lupatu vai polsterētu cimdu.
Noņemiet asmens bultskrūvi, izliekto paplāksni un asmeni no vārpstas (Zīmējums 65).

Izmantojiet vīli, lai asinātu griezšanas malu abos asmens galos (Zīmējums 66).
Note: Saglabājiet oriģinālo leņķi.
Note: Asmens saglabā savu līdzsvaru, ja no abām griezšanas malām tiek noņemts vienāds materiāla daudzums.

Pārbaudiet asmens līdzsvaru, novietojot to uz asmens līmeņotāja (Zīmējums 67).
Note: Ja asmens paliek horizontālā pozīcijā, asmens ir līdzsvarots un to var izmantot.
Note: Ja asmens nav līdzsvarots, novīlējiet nedaudz metāla tikai no buras zonas (Zīmējums 66).

Atkārtojiet šo procedūru, līdz asmens ir līdzsvarots.
Uzstādiet asmeni uz vārpstas (Zīmējums 65).
Important: Izliektajai asmens daļai ir jābūt vērstai uz augšu pret pļāvēja iekšpusi, lai nodrošinātu pareizu griezšanu.
Uzstādiet izliekto paplāksni (kausveida pusi pret asmeni) un asmens bultskrūvi (Zīmējums 65).
Pievelciet asmens bultskrūvi no 81 līdz 108 N∙m.
Pārbaudiet, lai pārliecinātos, ka pļāvēja korpuss ir līmenī ikreiz, kad uzstādāt pļāvēju vai kad redzat nelīdzenu zāliena pļāvumu.
Pirms līmeņošanas pārbaudiet, vai pļāvēja korpusam nav saliekti asmeņi, un noņemiet un nomainiet visus saliektos asmeņus; skatiet Griezšanas asmeņu apkope pirms turpināt.
Vispirms līmeņojiet pļāvēja korpusu no vienas puses uz otru; pēc tam varat regulēt no priekšpuses uz aizmuguri.
Prasības:
Mašīnai ir jābūt uz līdzenas virsmas.
Visām riepām ir jābūt pareizi piepumpētām; skatiet Riepu spiediena pārbaude.
Novietojiet mašīnu uz līdzenas virsmas, izslēdziet asmens vadības slēdzi (PTO) un virziet kustības vadības sviras uz āru NOVIETOšANAS pozīcijā.
Izslēdziet dzinēju, izņemiet atslēgu un pagaidiet, līdz apstājas visas kustīgās daļas, pirms atstājat ekspluatācijas pozīciju.
Iestatiet griezšanas augstumu uz 76 mm.
Uzmanīgi pagrieziet asmeņus no vienas puses uz otru.
Mēriet starp ārējām griezšanas malām un plakano virsmu (Zīmējums 68).
Note: Ja abi mēri nav 5 mm robežās, ir nepieciešama regulēšana; skatiet Līmeņošana no sāna uz sānu.

Ikreiz, kad uzstādāt pļāvēju, pārbaudiet asmens līmeni no priekšpuses uz aizmuguri. Ja pļāvēja priekšpuse ir vairāk nekā 7,9 mm zemāk nekā pļāvēja aizmugure, regulējiet asmens līmeni.
Novietojiet mašīnu uz līdzenas virsmas, izslēdziet asmens vadības slēdzi (PTO) un virziet kustības vadības sviras uz āru NOVIETOšANAS pozīcijā.
Izslēdziet dzinēju, izņemiet atslēgu un pagaidiet, līdz apstājas visas kustīgās daļas, pirms atstājat ekspluatācijas pozīciju.
Iestatiet griezšanas augstumu uz 76 mm.
Uzmanīgi pagrieziet asmeņus, lai tie ir vērsti no priekšpuses uz aizmuguri (Zīmējums 69).
Mēriet no priekšējā asmens gala līdz plakanajai virsmai un no aizmugures asmens gala līdz plakanajai virsmai (Zīmējums 69).
Note: Ja priekšējā asmens gals nav 1,6 līdz 7,9 mm zemāks nekā aizmugures asmens gals, turpiniet ar Asmens slīpuma regulēšana no priekšpuses uz aizmuguri procedūru.

Dodieties uz mašīnas kreiso pusi.
Iestatiet pretskrāpēšanas veltņus augšējos caurumos vai pilnībā izņemiet tos no šīs procedūras; skatiet Pretskrāpēšanas veltņu regulēšana.
Iestatiet griezšanas augstuma sviru 76 mm pozīcijā; skatiet Griezšanas augstuma regulēšana.
Novietojiet 2 blokus (katru 6,6 cm biezu) zem katras korpusa priekšējās malas puses, bet ne zem pretskrāpēšanas veltņa kronšteiniem (Zīmējums 70).
Novietojiet 2 blokus (katru 7,3 cm biezu) zem griezšanas virsmas aizmugures malas, 1 katrā griezšanas virsmas pusē (Zīmējums 70).

Izņemiet cilpveida tapu un paplāksni no apakšējās pacelšanas sviras tapas (Zīmējums 71).

Pagrieziet griezšanas augstuma plāksni citā caurumā, lai tā balstītu pļāvēja korpusa svaru pēc tam, kad jūs uzstādāt plāksni (Zīmējums 72).

Uzstādiet paplāksni un cilpveida tapu (Zīmējums 72).
Atkārtojiet darbību 6 līdz 8 otrā mašīnas pusē.
Vēlreiz pārbaudiet līmeni no vienas puses uz otru; atkārtojiet šo procedūru, līdz mēri ir pareizi.
Turpiniet līmeņot pļāvēja korpusu, pārbaudot asmens slīpumu no priekšpuses uz aizmuguri; skatiet Asmens pārbaude no priekšpuses uz aizmuguri.
Pagrieziet regulēšanas uzgriezni pļāvēja priekšpusē (Zīmējums 73).

Lai paceltu pļāvēja korpusa priekšpusi, pievelciet regulēšanas uzgriezni.
Lai nolaistu pļāvēja korpusa priekšpusi, atskrūvējiet regulēšanas uzgriezni.
Pēc regulēšanas vēlreiz pārbaudiet slīpumu no priekšpuses uz aizmuguri, turpiniet regulēt uzgriezni, līdz priekšējais asmens uzgalis ir 1,6 līdz 7,9 mm zemāk nekā aizmugures asmens uzgalis; skatiet Asmens pārbaude no priekšpuses uz aizmuguri.
Kad asmens slīpums no priekšpuses uz aizmuguri ir pareizs, vēlreiz pārbaudiet pļāvēja korpusa līmeni no vienas puses uz otru; skatiet Līmeņa pārbaude no vienas puses uz otru.
Novietojiet mašīnu uz līdzenas virsmas, izslēdziet asmens vadības slēdzi (PTO) un virziet kustības vadības sviras uz āru NOVIETOšANAS pozīcijā.
Izslēdziet dzinēju, izņemiet atslēgu un pagaidiet, līdz apstājas visas kustīgās daļas, pirms atstājat ekspluatācijas pozīciju.
Samaziniet griezšanas augstumu līdz zemākajai pozīcijai.
Atskrūvējiet apakšējās 2 bultskrūves, kas tur pļāvēja korpusa aizkaru pie pļāvēja korpusa. Skatiet Pļāvēja korpusa aizkara atlaišana.
Izņemiet cilpveida tapu no priekšējā balsta stieņa un izņemiet stieni no korpusa kronšteina (Zīmējums 74).

Uzmanīgi nolaidiet pļāvēja korpusa priekšpusi uz zemes.
Mašīnas vienā pusē noņemiet paplāksni un cilpveida tapu no korpusa tapas (Zīmējums 75).

Noņemiet pacelšanas sviru no korpusa tapas (Zīmējums 75).
Atkārtojiet darbības 7 līdz 8 otrā mašīnas pusē.
Virziet pļāvēja korpusu atpakaļ, lai noņemtu pļāvēja siksnu no dzinēja skriemeļa.
Virziet pļāvēja korpusu ārā no mašīnas apakšas.
Note: Saglabājiet visas detaļas vēlākai uzstādīšanai.
Novietojiet mašīnu uz līdzenas virsmas, izslēdziet asmens vadības slēdzi (PTO) un virziet kustības vadības sviras uz āru NOVIETOšANAS pozīcijā.
Izslēdziet dzinēju, izņemiet atslēgu un pagaidiet, līdz apstājas visas kustīgās daļas, pirms atstājat ekspluatācijas pozīciju.
Virziet pļāvēju zem mašīnas.
Samaziniet griezšanas augstumu līdz zemākajai pozīcijai.
Vienā mašīnas pusē paceliet pļāvēja korpusa aizmuguri un uzstādiet pacelšanas sviru pie korpusa tapas (Zīmējums 75).
Uzstādiet pacelšanas sviru, izmantojot paplāksni un cilpveida tapu (Zīmējums 75).
Atkārtojiet darbības 5 līdz 6 otrā mašīnas pusē.
Pievienojiet priekšējā balsta stieni pie pļāvēja korpusa ar fiksējošo tapu un cilpveida tapu (Zīmējums 74).
Uzstādiet pļāvēja siksnu uz dzinēja skriemeļa; skatiet Pļāvēja siksnas nomaiņa.
Pievelciet apakšējās 2 bultskrūves pļāvēja korpusa aizkaram pie pļāvēja korpusa; skatiet Pļāvēja korpusa aizkara atlaišana.
| Tehniskās apkopes intervāls | Apkopes procedūra |
|---|---|
| Pirms katras lietošanas vai katru dienu |
|
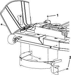
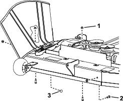
Atklāta izmešanas atvere var atļaut mašīnai mest objektus pret jums vai blakusstāvētājiem, radot nopietnus ievainojumus. Kā arī var rasties saskare ar asmeni.
Nekad nedarbiniet mašīnu bez zāles novirzītāja, izmešanas pārsega vai zāles savākšanas sistēmas.
Noņemiet uzgriezni (⅜") no stieņa zem pļāvēja (Zīmējums 76).

Virziet stieni ārā no īsās, atsevišķās atsperes un zāles šarnīrsavienojuma (Zīmējums 76).
Noņemiet bojāto vai nodilušo zāles novirzītāju un slāpētāju (ja piemērojams).
Uzstādiet jauno zāles novirzītāju (Zīmējums 76).
Virziet stieņa taisno galu cauri aizmugures zāles novirzītāja šarnīrsavienojumam un slāpētājam (ja piemērojams).
Novietojiet atsperi uz stieņa ar nolaistiem gala vadiem un starp zāles novirzītāja šarnīrsavienojumiem.
Virziet stieni cauri otrajam zāles novirzītāja šarnīrsavienojumam (Zīmējums 76).
Ievietojiet stieni zāles novirzītāja priekšpusē īsajā, atsevišķajā uz korpusa.
Fiksējiet stieņa aizmuguri pļāvējā ar uzgriezni (⅜ collas), kā parādīts Zīmējums 76.
Important: Zāles novirzītāja atsperei ir jābūt nospriegotai zemākajā pozīcijā. Paceliet novirzītāju, lai pārbaudītu, ka tas fiksējas pilnībā nolaistā pozīcijā.
| Tehniskās apkopes intervāls | Apkopes procedūra |
|---|---|
| Pēc katras lietošanas reizes |
|
Important: Jūs varat mazgāt mašīnu, izmantojot maigu mazgāšanas līdzekli un ūdeni. Nemazgājiet mašīnu ar spiedienu. Izvairieties no pārmērīgas ūdens izmantošanas, jo īpaši pie vadības paneļa, zem sēdekļa, ap dzinēju, hidrauliskajiem sūkņiem un motoriem.
Pēc katras lietošanas reizes mazgājiet pļāvēja korpusa apakšpusi, lai novērstu zāles uzkrāšanos uzlabotas mulčēšanas un atgriezumu sadalīšanas nodrošināšanai.
Novietojiet mašīnu uz līdzenas virsmas, izslēdziet asmens vadības slēdzi (PTO) un virziet kustības vadības sviras uz āru NOVIETOšANAS pozīcijā.
Izslēdziet dzinēju, izņemiet atslēgu un pagaidiet, līdz apstājas visas kustīgās daļas, pirms atstājat ekspluatācijas pozīciju.
Pievienojiet šļūtenes savienojumu pļāvēja izskalošana fitinga galā un pagrieziet spēcīgu ūdens padevi (Zīmējums 77).
Note: Uzklājiet petrolejas želeju uz izskalošanas fitinga O veida gredzena, lai savienojums vieglāk slīdētu un pasargātu O veida gredzenu.

Nolaidiet pļāvēju zemākajā griezšanas augstumā.
Sēdiet sēdeklī un iedarbiniet dzinēju.
Ieslēdziet asmens vadības slēdzi un ļaujiet pļāvējam darboties 1 līdz 3 minūtes.
Izslēdziet asmens vadības slēdzi, izslēdziet dzinēju, izņemiet atslēgu un pagaidiet, kamēr visas kustīgās daļas apstājas.
Izslēdziet ūdeni un noņemiet savienojumu no izskalošanas fitinga.
Note: Ja pļāvējs nav tīrs pēc 1 mazgāšanas reizes, iemērciet to un ļaujiet tam stāvēt 30 minūtes. Pēc tam atkārtojiet procesu.
Darbiniet pļāvēju vēlreiz 1 līdz 3 minūtes, lai likvidētu lieko ūdeni.
Saplīsis vai neesošs izskalošanas fitings var pakļaut jūs un citus lidojošiem objektiem vai saskarei ar asmeni. Saskare ar asmeni un lidojošiem gružiem var izraisīt ievainojumus vai nāvi.
Nekavējoties nomainiet bojātu vai trūkstošu fitingu, pirms vēlreiz lietojat mašīnu.
Nekad nelieciet savas rokas vai kājas zem pļāvēja vai caur mašīnas atverēm.
Dzinēja eļļa, akumulatori, hidrauliskais šķidrums un dzinēja dzesēšanas šķidrums ir vides piesārņotāji. Iznīciniet tos saskaņā ar jūsu valsts vai vietējiem noteikumiem.
Izslēdziet dzinēju, izņemiet atslēgu un pagaidiet, līdz apstājas visas kustīgās daļas, pirms atstājat operatora pozīciju. Ļaujiet mašīnai atdzist pirms regulēšanas, apkopes, tīrīšanas vai glabāšanas.
Neglabājiet mašīnu vai degvielu liesmu tuvumā, vai neizlejiet degvielu telpas vai slēgtā piekabē.
Neglabājiet mašīnu vai degvielas tvertni vietā, kur ir atvērta liesma, dzirksteles vai kontrollampiņa, piemēram, uz ūdens sildītāja vai citas ierīces.
Novietojiet mašīnu uz līdzenas virsmas, izslēdziet asmens vadības slēdzi (PTO) un virziet kustības vadības sviras uz āru NOVIETOšANAS pozīcijā.
Izslēdziet dzinēju, izņemiet atslēgu un pagaidiet, līdz apstājas visas kustīgās daļas, pirms atstājat ekspluatācijas pozīciju.
Notīriet zāles atgriezumus, dubļus un netīrumus no visām mašīnas ārējām daļām, it īpaši no motora un hidrauliskās sistēmas. Notīriet netīrumus un zāles daļiņas no dzinēja cilindru galviņu spuru un pūtēja korpusa ārpuses.
Important: Jūs varat mazgāt mašīnu, izmantojot maigu mazgāšanas līdzekli un ūdeni. Nemazgājiet mašīnu ar spiedienu. Izvairieties no pārmērīgas ūdens izmantošanas, jo īpaši pie vadības paneļa, dzinēja, hidrauliskajiem sūkņiem un motoriem.
Pārbaudiet stāvbremzes darbību; skatiet Novietošanas pozīcija.
Veiciet gaisa tīrītāja apkopi; skatiet Gaisa tīrītāja apkope.
Eļļojiet mašīnu; skatiet Eļļošana.
Nomainiet kartera eļļu; skatiet Dzinēja eļļas apkope.
Pārbaudīt riepu spiedienu; skatiet Riepu spiediena pārbaude.
Uzlādējiet akumulatoru; skatiet Akumulatora uzlāde.
Glabājot mašīnu ar uzstādītu akumulatoru, atvienojiet negatīvo (melno) kabeli no akumulatora.
Noskrāpējiet no pļāvēja apakšas uzkrājušos zāli un netīrumus, pēc tam mazgājiet mašīnu ar dārza šļūteni.
Note: Pēc mazgāšanas 2 līdz 5 minūtes darbiniet mašīnu ar ieslēgtu asmens vadības slēdzi (PTO) un dzinēju augstos tukšgaitas apgriezienos.
Pārbaudiet asmeņu stāvokli; skatiet Griezšanas asmeņu apkope.
Sagatavojiet mašīnu glabāšanai uz ilgāk nekā 30 dienām šādi:
Pievienojiet degvielas stabilizētāju/kondicionieri svaigai degvielai tvertnē. Ievērojiet degvielas stabilizētāja ražotāja sajaukšanas instrukcijas. Neizmantojiet stabilizētāju uz spirta bāzes (etanola vai metanola).
5 minūtes darbiniet dzinēju, lai sadalītu kondicionēto degvielu pa degvielas sistēmu.
Izslēdziet dzinēju, ļaujiet tam atdzist un iztukšojiet degvielas tvertni, izmantojot sūkņveida sifonu, vai darbiniet dzinēju, līdz tas izslēdzas.
Pareizi likvidējiet degvielu. Pārstrādājiet degvielu saskaņā ar vietējiem noteikumiem.
Important: Neglabājiet degvielu, kas satur stabilizētāju/kondicionieri, ilgāk nekā degvielas stabilizētāja ražotāja ieteikto laiku.
Izņemiet un pārbaudiet kvēlsvece(-ču) stāvokli; skatiet Kvēlsveces apkope. Kad no dzinēja ir izņemta(-s) kvēlsvece(-s), ielejiet 30 ml (2 ēdamkarotes) dzinēja eļļas kvēlsveces caurumā. Izmantojiet starteri, lai iedarbinātu dzinēju un sadalītu eļļu cilindrā. Uzstādiet kvēlsveci(-es). Neuzstādiet vadu uz kvēlsveces(-ēm).
Pārbaudiet un pievelciet visus stiprinājumus. Salabojiet vai nomainiet visas bojātās daļas.
Nokrāsojiet visas saskrāpētās vai nepārklātās metāla virsmas. Krāsa ir pieejama pie jūsu pilnvarotā servisa dīlera.
Uzglabājiet mašīnu tīrā, sausā garāžā vai uzglabāšanas zonā. Izņemiet atslēgu no slēdža un glabājiet to bērniem vai citiem nepilnvarotiem lietotājiem nepieejamā vietā. Pārklājiet mašīnu, lai aizsargātu un saglabātu tīru.
Pilnībā uzlādējiet akumulatoru.
Ļaujiet akumulatoram atpūsties 24 stundas, pēc tam pārbaudiet akumulatora spriegumu.
Note: Ja akumulatora spriegums ir zem 12,6 V, atkārtojiet 1 un 2 soli.
Atvienojiet kabeļus no akumulatora.
Periodiski pārbaudiet spriegumu, lai pārliecinātos, ka spriegums ir 12,4 V vai augstāks.
Note: Ja akumulatora spriegums ir zem 12,4 V, atkārtojiet 1 un 2 soli.
Glabājot akumulatoru ārpus mašīnas, rīkojieties šādi:
Glabājiet akumulatoru vēsā, sausā vietā vertikālā stāvoklī.
Nekraujiet akumulatorus tieši vienu uz otra, ja vien tie nav kartona kastēs.
Nekraujiet vairāk nekā 3 akumulatorus (tikai 2 akumulatorus, ja to tips ir komerciāls).
Pārbaudiet mitro akumulatoru reizi 4 līdz 6 mēnešos un, ja nepieciešams, uzlādējiet to.
Pirms uzstādīšanas vienmēr pārbaudiet un uzlādējiet akumulatoru.
| Problem | Possible Cause | Corrective Action |
|---|---|---|
| Degvielas tvertnei ir saplīšanas pazīmes vai mašīna bieži parāda pazīmes, ka beigsies degviela. |
|
|
| Dzinējs pārkarst. |
|
|
| Starteris neiedarbojas. |
|
|
| Dzinējs neiedarbojas, iedarbojas ar grūtībām vai neturpina darboties. |
|
|
| Dzinējs zaudē jaudu. |
|
|
| Mašīna nebrauc. |
|
|
| Mašīna pārāk spēcīgi vibrē. |
|
|
| Griezšanas augstums ir nevienmērīgs. |
|
|
| Asmeņi nerotē. |
|
|
