| Huoltoväli | Huoltotoimenpide |
|---|---|
| Aina ennen käyttöä tai päivittäin |
|
Tämä kone on yleisajoyksikkö, joka on tarkoitettu ammattimaiseen kaupalliseen käyttöön. Se on tarkoitettu pääasiassa puistojen, golfkenttien, urheilukenttien, ajoratojen reunojen ja kaupallisten kiinteistöjen viheralueiden ruohonleikkuuseen. Tuotteen käyttäminen muuhun kuin sen aiottuun käyttötarkoitukseen voi olla vaarallista käyttäjälle ja sivullisille.
Lue nämä tiedot huolellisesti, jotta oppisit käyttämään ja huoltamaan laitetta asianmukaisesti sekä välttämään tapaturmia ja tuotevaurioita. Olet itse vastuussa tuotteen asianmukaisesta ja turvallisesta käytöstä.
Käy osoitteessa www.Toro.com, jos tarvitset tuoteturvallisuuteen ja käyttökoulutukseen liittyviä materiaaleja, tietoja lisävarusteista tai lähimmästä jälleenmyyjästä tai haluat rekisteröidä tuotteesi.
Aina kun tarvitset huoltoa, alkuperäisiä Toro-varaosia tai lisätietoja, ota yhteys valtuutettuun huoltoliikkeeseen tai Toron asiakaspalveluun. Ota tällöin tuotteen malli- ja sarjanumerot valmiiksi esiin. Kuva 1 näyttää laitteen malli ja sarjanumeron sijainnin. Kirjoita numerot annettuun tilaan.
Important: Skannaa sarjanumerokilvessä (jos varusteena) oleva QR-koodi mobiililaitteella, niin saat tuotetietoja sekä takuu- ja varaosatietoja.

Tässä käyttöoppaassa esiintyvä varoitusmerkintä (Kuva 2) ilmaisee vaaratilannetta, josta saattaa olla seurauksena vakava tapaturma tai jopa kuolema, jos suositellut varotoimenpiteet laiminlyödään.

Tässä käyttöoppaassa käytetään kahta termiä tietojen korostamiseksi. Tärkeää kiinnittää huomiota mekaanisiin erikoistietoihin ja Huomautus korostaa erityishuomion ansaitsevia yleistietoja.
Tämä tuote on asiaankuuluvien eurooppalaisten direktiivien mukainen. Lisätietoja on erillisessä tuotekohtaisessa vaatimustenmukaisuusvakuutuksessa.
Kalifornian lain (California Public Resource Code) pykälät 4442 ja 4443 kieltävät tämän moottorin käytön metsä-, pensaikko- tai ruohopeitteisillä mailla, jos moottoria ei ole varustettu pykälässä 4442 mainitulla hyvässä käyttökunnossa pidetyllä kipinänsammuttimella tai jos moottoria ei ole suojattu, varustettu ja huollettu palovaaran ehkäisemiseksi.
Mukana toimitettavassa moottorin käyttöoppaassa on Yhdysvaltojen ympäristönsuojeluelimeen EPA:han (Environmental Protection Agency) ja Kalifornian päästöjärjestelmien päästöjen valvontasääntöihin sekä kunnossapitoon ja takuuseen liittyviä tietoja. Käyttöoppaita voi tilata moottorin valmistajalta.
Jos koneessa on telematiikkalaite, saat ohjeet laitteen aktivointiin valtuutetulta Toro-jälleenmyyjältä.
KALIFORNIA
Lakiesityksen 65 mukainen varoitus
Dieselmoottorin tuottamat pakokaasut ja jotkin niiden aineosat sisältävät kemikaaleja, jotka Kalifornian osavaltion tietojen mukaan aiheuttavat syöpää, synnynnäisiä epämuodostumia tai muuta lisääntymiseen liittyvää haittaa.
Akun liitännät, navat ja niihin liittyvät lisävarusteet sisältävät lyijyä ja lyijy-yhdisteitä, joiden tiedetään aiheuttavan syöpää ja haittaavan lisääntymistä. Pese kädet, kun olet käsitellyt näitä osia.
Tämän tuotteen käyttäminen voi altistaa kemikaaleille, jotka Kalifornian osavaltion tietojen mukaan aiheuttavat syöpää, synnynnäisiä epämuodostumia tai muuta lisääntymiseen liittyvää haittaa.
Tämä tuote voi katkaista jalan tai käden sekä singota esineitä. Noudata aina kaikkia turvallisuusohjeita, jotta vakavilta loukkaantumisilta vältytään.
Lue ja sisäistä tämän käyttöoppaan sisältö ennen moottorin käynnistämistä.
Koneen käyttö vaatii käyttäjän täyden huomion. Jos käyttäjän huomio keskittyy muualle, saattaa seurata henkilö- tai omaisuusvahinko.
Älä käytä konetta ilman paikallaan olevia ja asianmukaisesti toimivia suojuksia ja muita suojalaitteita.
Pidä kädet ja jalat etäällä pyörivistä osista. Pysy etäällä heittoaukosta.
Älä päästä sivullisia ja lapsia käyttöalueelle. Älä anna lasten käyttää konetta.
Sammuta moottori, irrota virta-avain ja odota, että kaikki liikkuvat osat pysähtyvät, ennen kuin poistut käyttäjän paikalta. Anna koneen jäähtyä ennen sen säätöä, huoltoa, puhdistusta tai varastointia.
Laitteen asiaton käyttö tai huolto voi aiheuttaa tapaturman.
Vähennä loukkaantumisriskiä noudattamalla näitä
turvallisuusohjeita ja huomioimalla aina varoitusmerkki
, joka tarkoittaa varoitusta,
vaaraa tai hengenvaaraa – henkilöturvallisuusohjeet. Ohjeiden
laiminlyönti saattaa johtaa henkilövahinkoon tai kuolemaan.
![]() |
Turva- ja ohjetarrat on sijoitettu hyvin näkyville paikoille mahdollisten vaara-alueiden lähettyville. Korvaa vioittuneet tai kadonneet tarrat uusilla. |








































Note: Koneen vasen ja oikea puoli määritellään normaalista käyttöasennosta käsin.
Pysäköi kone tasaiselle alustalle, kytke seisontajarru, sammuta moottori ja irrota virta-avain.
Irrota hihnat ja tuet, jotka tukevat sivuleikkuupöytiä kuljetuksen aikana.
Vaiheeseen tarvittavat osat:
| Oikeanpuoleisen leikkuupöydän suojus | 1 |
| Vasemmanpuoleisen leikkuupöydän suojus | 1 |
| Kiilahihna | 2 |
Irrota mutterit, jotka kiinnittävät etu- ja takapysäytinpultit oikeassa siivekkeessä oleviin leikkuupöydän kiinnikkeisiin (Kuva 3).

Kannattele oikeaa siivekettä ja irrota etu- ja takapysäytinpultit leikkuupöydän kiinnikkeistä (Kuva 3).
Note: Jätä epäkeskot leikkuupöydän kiinnikkeiden väliin.
Laske siiveke käyttöasentoon.
Asenna etu- ja takapysäytinpultit ylempien asennusaukkojen ja epäkeskojen läpi (Kuva 4).
Note: Varmista, että pysäytinpultti kiinnittyy saranatapin kielekkeeseen.

Asenna pysäytinpultteja kiinnittävät mutterit.
Note: Älä kiristä muttereita tässä vaiheessa.
Toista toimenpide vasemmalle siivekkeelle.
Asenna siivekkeiden hihnat seuraavasti:
Aloita hihnan asennus siivekkeen karapyörästä ja etuleikkuupöydän karapyörästä (Kuva 5).

Siirrä kiristinpyörä etäämmäksi karapyöristä käyttämällä räikkäavainta tai vastaavaa työkalua (Kuva 5).
Vie hihna siivekkeen karapyörän ja etuleikkuupöydän ylemmän karapyörän ympäri.
Kiristä hihna vapauttamalla kiristinpyörä.
Asenna siivekkeen leikkuupöytäsuojus ja kiinnitä se kumisalvalla (Kuva 6).
Note: Työnnä suojus keskimmäisen etuleikkuupöydän suojuksen kielekkeiden alle, ennen kuin asetat sen kiinnityskoukkuihin ja -tankoon.
Toista toimenpide toiselle siivekkeelle.

Tarkista rengas- ja kääntöpyöräpaineet ennen käyttöä. Katso kohdat Rengaspaineen tarkistus ja Kääntöpyörien rengaspaineen tarkistaminen.
Important: Pidä rengaspaineet oikeissa lukemissa, jotta leikkuujälki pysyy hyvänä ja kone toimii oikein. Älä käytä liian alhaisia rengaspaineita.
Important: Pito ja renkaan luisun hallinta riippuvat etu- ja takarenkaiden rengaskokojen erosta. Käytä ainoastaan aitoja Toro-renkaita.
Note: Tee toimenpide tasaisella alustalla.
Katso kohta Leikkuukorkeuden säätö.
Käännä terää jokaisessa ulommassa karassa, kunnes päät osoittavat eteen- ja taaksepäin.
Mittaa etäisyys lattiasta terän etukärkeen.
Säädä etukääntöpyörän haarukoiden 3 mm:n välilevyjä tasaisesti halutun leikkuukorkeuden mukaisesti.
Käännä teriä 180° ja mittaa nyt etäisyys lattiasta terän taaksepäin osoittavaan kärkeen.
Löysää leikkuukorkeusketjun U-pultin alempia vastamuttereita.
Nosta tai laske leikkuuyksikön takaosaa säätämällä muttereita niin, että takaterien kärjet ovat 6–10 mm korkeammalla kuin etukärjet.
Kiristä vastamutterit.
Käännä kunkin siivekkeen terää niin, että se on sivuttain.
Löysää pultteja ja muttereita, jotka kiinnittävät kaksi epäkeskoa välikappaletta siivekkeisiin (Kuva 7).

Säädä etummaista epäkeskoa, kunnes sen ja siivekkeen kääntökannattimen sisäaukon pinnan välys on mahdollisimman suuri.
Käännä takimmaista (lähimpänä ajoyksikköä olevaa) epäkeskoa, kunnes terän ulompi kärki on noin 3 mm haluttua leikkuukorkeutta korkeammalla (Kuva 7).
Note: Epäkeskisessä kuusiokannassa on lovi, joka on 180° epäkeskonokan pykälästä (Kuva 8). Käytä lovia apuna pykälien sijainnin määrityksessä, kun säädät epäkeskoja.

Kiristä tämän epäkeskon pultti ja mutteri momenttiin 149 N·m.
Säädä etummaista epäkeskoa, kunnes se juuri ja juuri koskettaa siivekkeen kääntökannattimien sisäaukon pintaa.
Kiristä tämän epäkeskon pultti ja mutteri momenttiin 149 N·m.
Toista toimenpide vastakkaiselle siivekkeelle.
Tarkista moottoriöljyn määrä ennen moottorin käynnistystä. Katso kohta Moottoriöljyn määrän tarkistus.
Tarkista hydraulinesteen määrä ennen moottorin käynnistystä. Katso kohta Hydraulinesteen tarkistus.
Tarkista jäähdytysjärjestelmä ennen moottorin käynnistystä. Katso kohta Moottorin jäähdytysjärjestelmän tarkistus.
Rasvaa kone ennen käyttöä. Katso kohta Laakerien ja holkkien rasvaus.
Important: Koneen rasvauksen laiminlyönti saattaa aiheuttaa tärkeiden osien ennenaikaisen vioittumisen.
Vaiheeseen tarvittavat osat:
| Valmistusvuoden tarra | 1 |
Kiinnitä toimitettaviin irto-osiin ja erikseen myytävään CE-sarjaan sisältyvä valmistusvuoden tarra koneisiin, joiden on täytettävä CE-vaatimukset (Kuva 9).


Note: Koneen vasen ja oikea puoli määritellään normaalista käyttöasennosta käsin.

Ajopoljin ohjaa käyttöä eteen- ja taaksepäin. Polkimen yläosaa painamalla kone liikkuu eteenpäin ja polkimen alaosaa painamalla taaksepäin. Ajonopeus riippuu siitä, kuinka syvälle poljinta painetaan. Jos haluat kuormittamattoman maksiminopeuden, säädä kaasu KORKEIMMAN JOUTOKäYNTINOPEUDEN asentoon ja paina poljin pohjaan (Kuva 11).
Kun haluat pysäyttää koneen, nosta jalkaa ajopolkimelta ja anna polkimen palautua keskiasentoon.
Seisontajarrun kytkemiseksi seisontajarrukytkimellä on tehtävä kaksi eri toimenpidettä. Kytke seisontajarru painamalla pientä salpaa ja painamalla seisontajarrukytkintä eteenpäin. Vapauta seisontajarru painamalla seisontajarrukytkintä taaksepäin (Kuva 11).
Sytytä varoitusvilkut painamalla varoitusvilkkujen kytkintä eteenpäin ja sammuta varoitusvilkut painamalla kytkintä taaksepäin (Kuva 11).
Kytke vasen suuntavilkku painamalla suuntavilkkujen kytkimen vasenta puolta ja kytke oikea suuntavilkku painamalla kytkimen oikeaa puolta (Kuva 11).
Note: Keskellä on Pois-asento.
Avainkytkimessä on kolme asentoa: PYSäYTYS, KäYNNISSä/ESILäMMITYS ja KäYNNISTYS (Kuva 11).
Voimanulosoton kytkimellä on kaksi asentoa: ULOS (käynnistys) ja SISääN (pysäytys). Kytke lisälaite tai leikkuupöydän terät vetämällä voimanulosoton painike ulos. Pysäytä lisälaitteen toiminta painamalla painike sisään (Kuva 11).
Valitse YLEMPI NOPEUSALUE painamalla kytkimen etuosaa. Valitse ALEMPI NOPEUSALUE painamalla kytkimen takaosaa. Koneen on oltava paikallaan tai kuljettava erittäin hitaasti (enintään 1 km/h), jotta nopeusaluetta voidaan vaihtaa YLEMMäN ja ALEMMAN välillä (Kuva 11).
Vakionopeussäätimen kytkimellä säädetään koneen nopeus.
Siirrä vakionopeussäädin PääLLä-asentoon siirtämällä vakionopeussäätimen kytkin keskimmäiseen asentoon. Valitse nopeus painamalla kytkintä eteenpäin. Poista vakionopeussäädin käytöstä painamalla kytkintä taaksepäin (Kuva 11).
Note: Polkimen painaminen taaksepäin poistaa vakionopeussäätimen käytöstä.
Kun vakionopeussäädin kytketään käyttöön, vakionopeutta voidaan myös muuttaa tietokeskuksen ohjaustaulussa.
Leikkuupöytien nostokytkimillä nostetaan ja lasketaan leikkuuyksiköt (Kuva 11).
Laske leikkuuyksikkö painamalla kytkimet eteenpäin ja nosta leikkuuyksikkö painamalla kytkimet taaksepäin.
Note: Leikkuuyksiköitä ei voi laskea YLEMMäLLä NOPEUSALUEELLA. Ne eivät myöskään nouse tai laskeudu, jos käyttäjä on poissa istuimelta moottorin käydessä.
Note: Leikkuupöytiä voi nostaa ainoastaan silloin, kun moottorin pyörimisnopeus on alle 2 000 kierr./min. Vain yksi leikkuupöytä nousee kerrallaan pyörimisnopeuden ollessa alle 2 000 kierr./min.
Kaasun säätökytkimessä on kaksi asentoa: ALHAINEN JOUTOKäYNTINOPEUS ja KORKEA JOUTOKäYNTINOPEUS (Kuva 11).
Aseta kaasu KORKEALLE JOUTOKäYNTINOPEUDELLE painamalla kytkintä eteenpäin vähintään kahden sekunnin ajan. Aseta kaasu ALHAISELLE JOUTOKäYNTINOPEUDELLE painamalla kytkintä taaksepäin vähintään kahden sekunnin ajan. Lisää tai vähennä moottorin nopeutta 100 kierr./min kerrallaan painamalla kytkintä lyhyesti jompaankumpaan suuntaan.
Sytytä valot painamalla valokytkin ylöspäin PääLLä-asentoon (Kuva 11).
Sammuta valot painamalla valokytkin alaspäin POIS-asentoon.
Anna äänimerkki painamalla äänimerkin painiketta (Kuva 11).
Siirrä istuimen sivulla olevaa säätövipua eteenpäin, liu’uta istuin haluamaasi asentoon ja vapauta vipu, niin istuin lukittuu asentoonsa (Kuva 12).

Säädä käsinojan kulmaa kiertämällä nuppia (Kuva 12).
Säädä istuimen selkänojan kulmaa siirtämällä vipua (Kuva 12).
Painomittari näyttää, kun istuin on säädetty käyttäjän painon mukaan (Kuva 12). Säädä korkeutta siten, että jousitus osuu vihreällä merkitylle alueelle.
Tällä vivulla säädetään istuin vastaamaan käyttäjän painoa (Kuva 12). Voit nostaa ilmanpainetta vetämällä vipua ylös ja laskea painetta painamalla vipua alas. Säätö on oikea, kun painomittari on vihreällä alueella.
USB-liitäntöihin voi kytkeä kannettavan laturin matkapuhelimen tai muun henkilökohtaisen elektronisen laitteen lataamista varten (Kuva 11).
Äänimerkki kuuluu, jos koneessa havaitaan jokin vika.
Äänimerkki kuuluu seuraavissa tapauksissa:
Moottori antaa ilmoituksen pysäytystä edellyttävästä viasta.
Moottori antaa ilmoituksen moottoriviasta.
Polttoaineen määrä on alhainen.

Ilmankierron säädin asettaa ohjaamon joko kierrättämään ohjaamossa olevaa ilmaa tai ottamaan raitisilmaa ohjaamon ulkopuolelta (Kuva 13).
Aseta säädin kierrätysasentoon, kun ilmastointilaite on käytössä.
Aseta säädin ottamaan raitisilmaa, kun lämmitin tai puhallin on käytössä.
Säädä puhaltimen nopeutta kääntämällä puhaltimen ohjausnuppia (Kuva 13).
Säädä ohjaamon lämpötilaa kääntämällä lämpötilan ohjausnuppia (Kuva 13).
Tällä kytkimellä kytketään tuulilasinpyyhkimet käyttöön ja pois käytöstä (Kuva 13).
Tällä kytkimellä kytketään ilmastointilaite käyttöön ja pois käytöstä (Kuva 13).
Avaa tuulilasi nostamalla salpoja ylöspäin (Kuva 14). Lukitse tuulilasi AVOIMEEN asentoon painamalla salpa pohjaan. Sulje ja lukitse tuulilasi vetämällä salpaa ulos ja painamalla se alas.

Avaa takaikkuna nostamalla salpoja ylöspäin. Lukitse ikkuna AVOIMEEN asentoon painamalla salpaa sisään. Sulje ja lukitse ikkuna vetämällä salpaa ulos ja painamalla se alas (Kuva 14).
Important: Sulje takaikkuna ennen konepellin avaamista, jotta konepelti ja takaikkuna eivät vahingoitu.
Note: Ominaisuuksia ja rakennetta voidaan muuttaa ilmoittamatta.

| Kuvaus | Kuva 15 viite | Mitta tai paino | |
| Korkeus ohjaamon kanssa | C | 240 cm | |
| Korkeus turvakaaren kanssa | I | 216 cm | |
| Kokonaispituus | F | 442 cm | |
| Varastointi- ja kuljetuspituus | G | 434 cm | |
| Leikkuuleveys | |||
| kokonaisleveys | D | 488 cm | |
| etuleikkuuyksikkö | 234 cm | ||
| sivuleikkuuyksikkö | 145 cm | ||
| etu- ja yksi sivuleikkuuyksikkö | 361 cm | ||
| Kokonaisleveys | |||
| leikkuuyksiköt alhaalla | E | 506 cm | |
| leikkuuyksiköt ylhäällä (kuljetusasento) | B | 251 cm | |
| Akseliväli | H | 194 cm | |
| Raideväli (renkaan keskeltä keskelle) | |||
| eturenkaat | A | 159 cm | |
| takarenkaat | J | 142 cm | |
| Maavara | 25,4 cm | ||
| Nettopaino ohjaamon kanssa | 3 313 kg | ||
| Nettopaino turvakaaren kanssa | 3 044 kg | ||
Koneeseen on saatavana valikoima Toron hyväksymiä lisälaitteita ja -varusteita, joiden avulla voidaan parantaa ja laajentaa sen ominaisuuksia. Ota yhteys valtuutettuun huoltoliikkeeseen tai valtuutettuun Toro-jälleenmyyjään tai siirry osoitteeseen www.Toro.com, jossa on luettelo hyväksytyistä lisälaitteista ja -varusteista.
Käytä vain aitoja Toro-varaosia ja -lisävarusteita, jotta kone toimisi parhaalla mahdollisella tavalla ja sen turvasertifiointi pysyisi voimassa. Muiden valmistajien varaosat ja lisävarusteet voivat osoittautua vaarallisiksi, ja niiden käyttö voi johtaa tuotteen takuun raukeamiseen.
Note: Koneen vasen ja oikea puoli määritellään normaalista käyttöasennosta käsin.
Älä anna lasten tai kouluttamattomien henkilöiden käyttää tai huoltaa laitetta. Paikalliset säännökset saattavat asettaa rajoituksia käyttäjän iälle. Omistaja vastaa käyttäjien ja mekaanikkojen koulutuksesta.
Tutustu laitteen turvallisen käytön ohjeisiin, ohjauslaitteisiin ja turvamerkintöihin.
Sammuta moottori, irrota virta-avain ja odota, että kaikki liikkuvat osat pysähtyvät, ennen kuin poistut käyttäjän paikalta. Anna koneen jäähtyä ennen sen säätöä, huoltoa, puhdistusta tai varastointia.
Selvitä, kuinka koneen saa pysäytettyä ja moottorin sammutettua nopeasti.
Tarkista, että käyttäjän pitokytkimet, turvakytkimet ja suojukset ovat paikoillaan ja toimivat oikein. Älä käytä konetta, mikäli ne eivät toimi kunnolla.
Tarkasta aina ennen liikkumista, että terät, teräpultit ja leikkuujärjestelmät ovat hyvässä käyttökunnossa. Vaihda kuluneet tai vaurioituneet terät ja pultit sarjoissa, jotta tasapaino säilyisi.
Tarkasta koneen käyttöalue ja poista siltä kaikki esineet, joita kone voi singota.
Tämä tuote luo sähkömagneettisen kentän. Jos käytät implantoitavaa elektronista lääkinnällistä laitetta, ota yhteys terveydenhuollon ammattilaiseen ennen tämän tuotteen käyttöä.
Käsittele polttoainetta erittäin varovasti. Se on tulenarkaa, ja höyryt räjähtävät herkästi.
Sammuta savukkeet, sikarit, piiput ja muut sytytyslähteet.
Käytä vain hyväksyttyä polttoaineastiaa.
Älä irrota polttoainesäiliön korkkia tai täytä polttoainesäiliötä moottorin ollessa käynnissä tai kuuma.
Älä lisää tai tyhjennä polttoainetta suljetussa tilassa.
Älä säilytä konetta tai polttoainesäiliötä tilassa, jossa on avotuli, kipinöitä tai varmistusliekki (esimerkiksi vedenlämmitin tai muu vastaava laite).
Jos polttoainetta roiskuu, älä yritä käynnistää moottoria. Vältä luomasta minkäänlaisia kipinälähteitä, ennen kuin polttoainehöyryt ovat hälvenneet.
Tarkista moottorin kampikammion öljymäärä ennen moottorin käynnistämistä ja koneen käyttämistä. Katso kohta Moottoriöljyn määrän tarkistus.
Ennen kuin käynnistät moottorin ja käytät konetta, tarkasta jäähdytysjärjestelmä. Katso kohta Moottorin jäähdytysjärjestelmän tarkistus.
Ennen kuin käynnistät moottorin ja käytät konetta, tarkasta hydraulijärjestelmä. Katso kohta Hydraulinesteen tarkistus.
132 l
Important: Käytä vain erittäin vähärikkistä dieselpolttoainetta. Suuremman rikkipitoisuuden polttoaine haurastuttaa hapetuskatalysaattoria, mikä aiheuttaa käyttöongelmia ja lyhentää moottorin osien käyttöikää.Seuraavien varoitusten laiminlyönti saattaa vaurioittaa moottoria.
Dieselpolttoaineen sijasta ei saa käyttää paloöljyä tai bensiiniä.
Dieselpolttoaineeseen ei saa sekoittaa paloöljyä tai käytettyä moottoriöljyä.
Polttoainetta ei sää säilyttää säiliöissä, joiden sisäpinta on sinkitty.
Polttoaineen lisäaineita ei saa käyttää.
Setaaniluku: 45 tai korkeampi
Rikkipitoisuus: Erittäin vähärikkinen (<15 ppm)
| Dieselpolttoaineen tiedot | Sijainti |
| ASTM D975 | Yhdysvallat |
| Nro 1-D S15 | |
| Nro 2-D S15 | |
| EN 590 | Euroopan unioni |
| ISO 8217 DMX | Kansainvälinen |
| JIS K2204, luokitus nro 2 | Japani |
| KSM-2610 | Korea |
Käytä vain puhdasta, tuoretta dieselpolttoainetta tai biodieselpolttoaineita.
Jotta polttoaine olisi tuoretta, osta sitä vain 180 päivän tarpeeseen.
Käytä kesälaatuista dieselpolttoainetta (nro 2-D) yli –7 °C:n lämpötiloissa ja talvilaatuista dieselpolttoainetta (nro 1-D tai nro 1-D / nro 2-D -seosta) alle –7 °C:n lämpötiloissa.
Note: Talvilaatuisen polttoaineen leimahduspiste on alhaisempi, ja sen kylmävirtausominaisuudet helpottavat käynnistystä ja vähentävät polttoainesuodattimen tukkeutumista.Kesälaatuisen polttoaineen käyttö lämpötilan ollessa yli –7 °C pidentää polttoainepumpun käyttöikää ja antaa talvilaatuista polttoainetta enemmän tehoa.
Tässä laitteessa voidaan käyttää myös polttoaineseosta, jossa on enintään 20 % biodieseliä (B20).
Rikkipitoisuus: Erittäin vähärikkinen (<15 ppm)
Biodieselpolttoaineen tiedot: ASTM D6751 tai EN 14214
Polttoaineseoksen tiedot: ASTM D975, EN 590 tai JIS K2204
Important: Petrodieselosuuden rikkipitoisuuden on oltava erittäin alhainen.
Noudata seuraavia varo-ohjeita:
Biodieselseokset voivat vahingoittaa maalattuja pintoja.
Käytä kylmällä säällä korkeintaan B5-seosta (biodieselpitoisuus 5 %).
Tarkkaile polttoaineen kanssa kosketuksiin joutuvia tiivisteitä ja letkuja, sillä ne voivat haurastua ajan mittaan.
Polttoainesuodattimeen voi muodostua tukoksia jonkin aikaa biodieselseosten käytön aloittamisen jälkeen.
Lisätietoja biodieselistä saa valtuutetulta Toro-jälleenmyyjältä.
Pysäköi kone tasaiselle alustalle (Kuva 16).
Sammuta moottori, irrota avain ja kytke seisontajarru.
Puhdista polttoainesäiliön korkin ympäristö ja irrota korkki.
Lisää polttoainetta ja asenna polttoainesäiliön korkki. Pyyhi läikkynyt polttoaine pois.

| Huoltoväli | Huoltotoimenpide |
|---|---|
| Aina ennen käyttöä tai päivittäin |
|
Oikea rengaspaine on 2,20 bar eturenkaissa ja 2,07 bar takarenkaissa kuvan mukaisesti (Kuva 17).
Important: Pidä rengaspaineet oikeissa lukemissa, jotta leikkuujäljen laatu pysyy hyvänä ja kone toimii oikein. Älä käytä liian alhaisia rengaspaineita.Tarkista kaikkien renkaiden rengaspaineet ennen koneen käyttöä.Pito ja renkaan luisun hallinta riippuvat etu- ja takarenkaiden rengaskokojen erosta. Käytä ainoastaan aitoja Toro-renkaita.

Kääntöpyörien renkaiden rengaspaineen on oltava 3,40 bar.
Important: Pidä rengaspaineet oikeissa lukemissa, jotta leikkuujäljen laatu pysyy hyvänä ja kone toimii oikein. Älä käytä liian alhaisia rengaspaineita.Tarkista kaikkien renkaiden rengaspaineet ennen koneen käyttöä.
| Huoltoväli | Huoltotoimenpide |
|---|---|
| 10 ensimmäisen käyttötunnin jälkeen |
|
| 250 käyttötunnin välein |
|
Mikäli pyöränmuttereiden kireyttä ei pidetä oikeana, pyörä voi vaurioitua tai irrota, mikä voi aiheuttaa tapaturman.
Kiristä etu- ja takapyörien mutterit momenttiin 135–150 N·m huoltoaikataulun mukaan.
Leikkuukorkeus on säädettävissä 25–153 mm:n korkeudelle 13 mm:n välein. Kun säädät leikkuukorkeutta, aseta kääntöpyörän akselit kääntöpyörän haarukoiden ylempiin tai alempiin reikiin, lisää (tai poista) yhtä suuri määrä välikappaleita kääntöpyörän haarukoihin ja kiinnitä takaketju (vain etuleikkuupöytä) haluttuihin reikiin.
Käynnistä moottori ja nosta leikkuuyksiköt, jotta leikkuukorkeutta voidaan muuttaa.
Nosta leikkuuyksikkö ja sammuta sitten moottori ja irrota virta-avain.
Aseta kääntöpyörän akselit kääntöpyörän haarukoihin toisiaan vastaaviin reikiin. Katso asetuksiin sopivat reiät taulukosta (Kuva 18).
Note: Jotta pyörän ja haarukan väliin ei keräänny ruohoa, konetta on käytettävä vähintään 76 mm:n leikkuukorkeudella ja akselipultti on asennettava kääntöpyörän haarukan alimpaan reikään. Kun konetta käytetään alle 76 mm:n leikkuukorkeudella ja ruohoa kerääntyy, poista leikkuujätteet pyörän ja haarukan alueelta ajamalla konetta vastakkaiseen suuntaan.

Löysää kiristyskantaa mukana toimitetulla kääntöpyörän kannan avaimella, irrota se kääntöpyörän kara-akselista ja liu’uta kääntöpyörän akseli pois kääntöpyörän varresta (Kuva 19).

Liu’uta akselille sopiva määrä välikappaleita haluttua leikkuukorkeutta varten.
Note: Määritä asetukseen vaadittava välikappalemäärä taulukon avulla (Kuva 18).
Note: Kääntöpyörän varren navan ylä- tai alapuolelle voidaan asentaa mikä tahansa yhdistelmä välikappaleita, jotta haluttu leikkuukorkeus tai leikkuupöydän taso saavutetaan.
Paina kääntöpyörän akseli etummaisen kääntöpyörän varren läpi.
Asenna välilevyt (alkuperäisasennuksen mukaisesti) ja jäljellä olevat välikappaleet akselille (Kuva 19).
Asenna kiristyskanta ja viimeistele kokoonpano kiristämällä kiristyskanta mukana toimitetulla kääntöpyörän kannan avaimella (Kuva 19).
Irrota sokka ja liitintappi, jotka kiinnittävät leikkuukorkeusketjut leikkuuyksikön takaosaan (Kuva 20).

Asenna leikkuukorkeusketjut haluttuun leikkuukorkeuden reikään liitintapilla ja sokalla (Kuva 21).
Note: Kun leikataan alle 51 mm:n leikkuukorkeudella, jalakset, johtopyörät ja rullat on siirrettävä ylimpiin reikiin.

Käynnistä moottori ja nosta leikkuuyksiköt, jotta leikkuukorkeutta voidaan muuttaa.
Sammuta moottori ja irrota virta-avain, kun leikkuuyksikkö on nostettu.
Aseta kääntöpyörän akselit kääntöpyörän haarukoihin toisiaan vastaaviin reikiin. Katso leikkuukorkeuden asetukseen sopivat reiät taulukosta (Kuva 22).
Note: Jotta pyörän ja haarukan väliin ei keräänny ruohoa, konetta on käytettävä vähintään 76 mm:n leikkuukorkeudella ja akselipultti on asennettava kääntöpyörän haarukan alimpaan reikään. Kun konetta käytetään alle 76 mm:n leikkuukorkeudella ja ruohoa kerääntyy, poista leikkuujätteet pyörän ja haarukan alueelta ajamalla konetta vastakkaiseen suuntaan.

Löysää kiristyskantaa mukana toimitetulla kääntöpyörän kannan avaimella, irrota se kääntöpyörän kara-akselista ja liu’uta kääntöpyörän akseli pois kääntöpyörän varresta (Kuva 23).
Note: Kääntöpyörän varren navan ylä- tai alapuolelle voidaan asentaa mikä tahansa yhdistelmä välikappaleita, jotta haluttu leikkuukorkeus tai leikkuupöydän taso saavutetaan.

5. Asenna kaksi välilevyä kääntöpyörän akseliin alkuperäisen asennuksen mukaisesti. Liu’uta akselille sopiva määrä välikappaleita haluttua leikkuukorkeutta varten.
Paina kääntöpyörän akseli kääntöpyörän varren läpi.
Asenna välilevyt (alkuperäisasennuksen mukaisesti) ja jäljellä olevat välikappaleet akselille.
Asenna kiristyskanta ja viimeistele kokoonpano kiristämällä kiristyskanta mukana toimitetulla kääntöpyörän kannan avaimella.
Aseta sisemmät jalakset ala-asentoon ajettaessa yli 51 mm:n leikkuukorkeudella ja yläasentoon leikkuukorkeuden ollessa alle 51 mm.
Säädä sisemmät jalakset (Kuva 24).
Important: Kiristä kunkin sisemmän jalaksen etuosassa oleva ruuvi momenttiin 9–11 N·m.

Aseta ulommat jalakset ala-asentoon ajettaessa yli 51 mm:n leikkuukorkeudella ja yläasentoon leikkuukorkeuden ollessa alle 51 mm.
Note: Kun ulommat jalakset kuluvat, ne voidaan vaihtaa leikkurin toiselle puolelle kääntämällä ne ympäri. Näin ulompia jalaksia voidaan käyttää kauemmin ennen kuin ne täytyy vaihtaa.
Säädä ulommat jalakset (Kuva 25).
Important: Kiristä kunkin ulomman jalaksen etuosassa oleva ruuvi momenttiin 9–11 N m.


Asenna rullat ala-asentoon ajettaessa yli 51 mm:n leikkuukorkeudella ja yläasentoon leikkuukorkeuden ollessa alle 51 mm.
Nurmiolojen ja ajoyksikön vastapainoasetusten erojen vuoksi kannattaa tehdä koeleikkuu ja tarkistaa leikkuujälki ennen varsinaisen leikkuun aloittamista.
Aseta kaikki leikkuuyksiköt haluamaasi leikkuukorkeuteen. Katso kohta Leikkuukorkeuden säätö.
Tarkista ja säädä etu- ja takarenkaiden rengaspaineet.
Note: Oikea rengaspaine on 2,20 bar eturenkaissa ja 2,07 bar takarenkaissa.
Tarkista ja säädä kaikkien kääntöpyörien rengaspaineeksi 3,40 bar.
Tarkista nosto- ja vastapainoasetukset moottorin käydessä KORKEIMMALLA JOUTOKäYNTINOPEUDELLA käyttämällä testiportteja. Katso kohta Hydraulijärjestelmän testiporttien tarkistus.
Tarkista, että terät eivät ole taipuneet. Katso kohta Taipuneen terän tarkistus.
Leikkaa ruohoa koealueelta ja varmista, että kaikki leikkuuyksiköt leikkaavat samalla korkeudella.
Jos jotain leikkuuyksikköä on vielä säädettävä, aja kone tasaiselle alustalle. Varmista alustan tasaisuus käyttämällä vähintään 2 m:n pituista suorasyrjäviivainta.
Terätason mittaamista varten leikkuukorkeus on nostettava ylimpään asentoon. Katso kohta Leikkuukorkeuden säätö.
Laske leikkuuyksiköt tasaiselle alustalle ja irrota leikkuuyksiköiden päällä olevat suojukset.
Käännä jokaisen karan terää, kunnes päät osoittavat eteen- ja taaksepäin.
Vain terän ulkokara: säädä etukääntöpyörän haarukoiden välilevyjä tasaisesti halutun leikkuukorkeuden mukaisesti.
Mittaa lattiasta leikkuuterän etukärkeen.
Käännä terää 180° ja mittaa etäisyys lattiasta leikkuuterän kärkeen.
Note: Terän takaosan pitäisi olla 7,5 mm etuosaa korkeammalla.
Note: Säädä takakääntöpyörän haarukoiden välilevyjä tarvittaessa.
Aseta terä sivuttain molempien sivuleikkuuyksiköiden ulkokaralle.
Mittaa etäisyys lattiasta molempien leikkuuyksiköiden leikkuusärmien kärkeen ja vertaa mittoja.
Note: Näiden lukemien on oltava 3 mm:n sisällä toisistaan. Älä tee mitään säätöjä tässä vaiheessa.
Aseta terä sivuttain sivuleikkuuyksikön sisäkaralle sekä vastaavalle etuleikkuuyksikön ulkokaralle.
Mittaa etäisyys lattiasta leikkuusärmän kärkeen sivuleikkuuyksikön sisäreunasta sekä vastaavasta etuleikkuuyksikön ulkoreunasta ja vertaa lukemia.
Note: Sivuleikkuuyksikön kääntöpyörien on pysyttävä maassa, kun vastapaino on asetettu oikein.
Note: Jos on tehtävä säätöjä etu- ja sivuleikkuuyksiköiden leikkauksen sovittamiseksi, säädöt tehdään vain sivuleikkuuyksiköihin.
Jos sivuleikkuuyksikön sisäreuna on liian korkealla suhteessa etuleikkuuyksikön ulkoreunaan, poista yksi välilevy sivuleikkuuyksikön etummaisen sisäkääntöpyörän varren alaosasta (Kuva 28 ja Kuva 29).
Note: Tarkista mittaukset molempien puolien sivuleikkuuyksiköiden ulkoreunoista sekä sivuleikkuuyksikön sisäreunan ja etuleikkuuyksikön ulkoreunan väliltä uudelleen.


Jos sisäreuna on yhä liian korkealla, poista toinenkin välilevy sivuleikkuuyksikön etummaisen sisäkääntöpyörän varren alaosasta ja yksi välilevy sivuleikkuuyksikön etummaisen ulkokääntöpyörän varresta (Kuva 28 ja Kuva 29).
Jos sivuleikkuuyksikön sisäreuna on liian matalalla suhteessa etuleikkuuyksikön ulkoreunaan, lisää yksi (⅛ tuuman) välilevy sivuleikkuuyksikön etummaisen sisäkääntöpyörän varren alaosaan (Kuva 28 ja Kuva 29).
Note: Tarkista mittaus molempien puolien sivuleikkuuyksiköiden ulkoreunoista sekä sivuleikkuuyksikön sisäreunan ja etuleikkuuyksikön ulkoreunan väliltä uudelleen.
Jos sisäreuna on yhä liian matalalla, lisää toinen välilevy sivuleikkuuyksikön etummaisen sisäkääntöpyörän varren alaosaan ja yksi välilevy sivuleikkuuyksikön etummaisen ulkokääntöpyörän varteen.
Kun etu- ja sivuleikkuuyksikköjen reunojen leikkuukorkeudet vastaavat toisiaan, varmista, että leikkuuyksikköjen kaltevuus on yhä 7,6 mm.
Istuessasi istuimella säädä taustapeiliä niin, että näet sen kautta hyvin ulos takaikkunasta. Voit vähentää valon aiheuttamaa häikäisyä vetämällä vipua taaksepäin ja kallistamalla peiliä (Kuva 30).

Istuessasi istuimella pyydä jotakuta toista säätämään sivupeilejä niin, että näet ajoneuvon ympäristön hyvin niiden kautta (Kuva 30).
Löysää asennusmuttereita ja aseta molemmat ajovalot niin, että ne osoittavat suoraan eteenpäin.
Note: Kiristä asennusmutteria juuri sen verran, että ajovalo pysyy asennossaan.
Aseta tasainen metallilevy ajovalon etuosan päälle.
Kiinnitä levyyn magneettinen astelevy.
Pidä kokoonpanoa paikallaan ja kallista ajovaloa varovasti kolme astetta alaspäin. Kiristä sitten mutteri.
Toista toimenpide toiselle ajovalolle.
Jos turvakytkimet ovat irronneet tai vaurioituneet, kone saattaa toimia odottamattomalla tavalla ja aiheuttaa henkilövahinkoja.
Älä yritä muuttaa turvajärjestelmiä tai poistaa niitä käytöstä.
Tarkista turvakytkimien toimivuus päivittäin ja vaihda mahdolliset vaurioituneet kytkimet ennen koneen käyttämistä.
Koneessa on turvakytkimet, jotka on suunniteltu pysäyttämään vetopyörä, kun kuljettaja poistuu istuimelta ajopolkimen ollessa pois VAPAA-asennosta. Myös leikkuupöydän käyttö vapautuu tässä tilanteessa. Kuljettaja voi kuitenkin poistua istuimelta, kun moottori on käynnissä ja ajopoljin on VAPAA-asennossa.
Aja kone hitaasti laajalle ja avoimelle alueelle.
Laske leikkuuyksiköt, sammuta moottori ja kytke seisontajarru.
Siirrä ajopoljin pois VAPAA-asennosta ja käynnistä moottori.
Note: Moottori ei saa käynnistyä. Jos moottori käynnistyy, turvajärjestelmässä on vika, joka on korjattava ennen kuin konetta käytetään seuraavan kerran.
Ota jalka pois ajopolkimelta, käynnistä moottori ja kytke seisontajarru.
Kun moottori on käynnistynyt, siirrä ajopoljin pois VAPAA-asennosta.
Note: Vetopyörän ei pitäisi toimia. Jos vetopyörä toimii, turvajärjestelmässä on vika, joka on korjattava ennen kuin konetta käytetään seuraavan kerran.
Käynnistä moottori.
Kun moottori on käynnistynyt, nouse istuimelta ja kytke voimanulosotto.
Note: Voimanulosotto ei saa kytkeytyä. Jos voimanulosotto kytkeytyy, turvajärjestelmässä on vika, joka on korjattava ennen kuin konetta käytetään seuraavan kerran.
Istuudu istuimelle ja vapauta voimanulosotto.
Kun moottori on käynnistynyt, kytke voimanulosotto ja nouse istuimelta.
Note: Voimanulosoton pitäisi vapautua yhden sekunnin jälkeen. Jos moottori ei sammu, turvajärjestelmässä on vika, joka on korjattava ennen kuin konetta käytetään seuraavan kerran.
Istuudu istuimelle, vapauta voimanulosotto ja käynnistä moottori.
Kun moottori on käynnistynyt, kytke voimanulosotto ja nosta jokainen leikkuuyksikkö erikseen.
Note: Nostetun leikkuuyksikön terien täytyy pysähtyä. Jos terät eivät pysähdy, turvajärjestelmässä on vika, joka on korjattava ennen kuin konetta käytetään seuraavan kerran.
| Huoltoväli | Huoltotoimenpide |
|---|---|
| Aina ennen käyttöä tai päivittäin |
|
Leikkuuyksikön terien on pysähdyttävä kokonaan noin viidessä sekunnissa sen jälkeen, kun leikkuupöytä kytketään pois käytöstä.
Note: Laske leikkuupöydät puhtaalle nurmelle tai kovalle alustalle, jotta ne eivät nostata pölyä tai leikkuujätettä. Tarkista pysäytysaika siten, että avustaja asettuu vähintään kuuden metrin päähän leikkuupöydästä ja tarkkailee yhden leikkuuyksikön teriä. Kytke leikkuuyksiköt pois käytöstä ja mittaa, kuinka kauan terien pysähtyminen kokonaan kestää. Jos tähän kuluu enemmän kuin seitsemän sekuntia, jarruventtiiliä on säädettävä. Lisätietoja säädön suorittamisesta saa valtuutetulta Toro-jälleenmyyjältä.
Omistaja ja käyttäjä voivat estää loukkaantumisia tai omaisuusvahinkoja aiheuttavat tapaturmat ja ovat siksi vastuussa niistä.
Pukeudu asianmukaisesti. Käytä silmäsuojaimia, pitkiä housuja, tukevia liukastumisen estäviä kenkiä ja kuulosuojaimia. Sido pitkät hiukset. Älä käytä löysiä vaatteita tai riippuvia koruja. Käytä pölynaamaria pölyisissä käyttöolosuhteissa.
Älä käytä konetta sairaana, väsyneenä tai alkoholin tai huumaavien aineiden vaikutuksen alaisena.
Koneen käyttö vaatii käyttäjän täyden huomion. Jos käyttäjän huomio keskittyy muualle, saattaa seurata henkilö- tai omaisuusvahinko.
Varmista ennen moottorin käynnistämistä, että kaikki käytöt ovat vapaalla ja että seisontajarru on kytketty. Käynnistä moottori ollessasi käyttäjän paikalla.
Älä kuljeta matkustajia koneessa äläkä päästä sivullisia tai lapsia käyttöalueelle.
Käytä konetta vain, kun näkyvyys on hyvä, jotta vältät kuopat ja piilevät vaarat.
Vältä märän ruohon leikkuuta. Heikentynyt pito voi aiheuttaa koneen luisumisen.
Pidä kädet ja jalat etäällä pyörivistä osista. Pysy etäällä heittoaukosta.
Varmista ennen peruuttamista, että reitti on vapaa, katsomalla taakse ja alas.
Ole varovainen lähestyessäsi kulmia, joissa on huono näkyvyys, pensaita, puita tai muita näköesteitä.
Pysäytä terät, jos et leikkaa ruohoa.
Jos kone osuu esteeseen tai tärisee epätavallisesti, pysäytä kone, irrota virta-avain ja odota, että kaikki liikkuvat osat ovat pysähtyneet, ennen kuin tarkastat lisälaitteen. Suorita tarvittavat korjaukset ennen koneen käytön jatkamista.
Hidasta ja ole varovainen kääntyessäsi koneella ja ylittäessäsi teitä ja jalkakäytäviä. Anna muille aina etuajo-oikeus.
Kytke leikkuuyksikön käyttö pois, sammuta moottori, irrota virta-avain ja odota, että kaikki liike on pysähtynyt, ennen kuin säädät leikkuukorkeutta (ellei sitä voi säätää käyttäjän paikalta).
Käytä moottoria vain tiloissa, joissa on hyvä ilmanvaihto. Pakokaasut sisältävät hiilimonoksidia, joka on hengenvaarallinen hengitettäessä.
Älä jätä käynnissä olevaa konetta ilman valvontaa.
Suorita seuraavat toimenpiteet ennen käyttäjän paikalta poistumista:
Pysäköi kone tasaiselle alustalle.
Vapauta voimanulosotto ja laske lisälaitteet alas.
Kytke seisontajarru.
Sammuta moottori ja irrota virta-avain.
Odota, että kaikki liikkuvat osat ovat pysähtyneet.
Käytä konetta vain, kun näkyvyys on hyvä. Älä käytä konetta ukonilman aikana.
Älä käytä konetta hinaukseen.
Käytä vain Toron hyväksymiä lisävarusteita, lisälaitteita ja varaosia.
Käytä vakionopeussäädintä (jos varusteena) vain silloin, kun konetta voidaan käyttää avoimella ja tasaisella alueella, jossa ei ole esteitä ja jossa kone voi liikkua tasaisella nopeudella keskeytyksettä.
Kaatumissuojausjärjestelmä on keskeinen ja tehokas turvalaite.
Älä irrota mitään kaatumissuojausjärjestelmän osia koneesta.
Varmista, että turvavyö on kiinnitetty koneeseen.
Vedä turvavyön hihna vatsasi yli ja kiinnitä vyö istuimen toisella puolella olevaan solkeen.
Kun haluat irrottaa turvavyön, pitele siitä kiinni, vapauta se painamalla soljen painiketta ja ohjaa se automaattiseen sisäänvetoaukkoon. Varmista, että turvavyö on nopeasti avattavissa hätätilanteessa.
Tarkista vapaa alikulkukorkeus ja varo osumasta esteisiin.
Pidä kaatumissuojausjärjestelmä turvallisessa käyttökunnossa tarkistamalla se vaurioiden varalta säännöllisesti ja pitämällä kaikki kiinnittimet tiukalla.
Vaihda vaurioituneet kaatumissuojausjärjestelmän osat. Älä korjaa tai muuta niitä.
Toron asentama ohjaamo toimii turvakaarena.
Käytä aina turvavyötä.
Rinteissä on huomattava koneen hallinnan menettämisen ja kaatumisen vaara. Tällaiset onnettomuudet voivat aiheuttaa vakavan tapaturman tai kuoleman. Käyttäjä on vastuussa turvallisesta käytöstä rinteissä. Koneen käyttö rinteissä edellyttää erityistä huolellisuutta.
Käyttäjän on arvioitava leikkuupaikan olosuhteet ja tarkastettava käyttöpaikka ja määritettävä niiden perusteella, onko rinne turvallinen koneen käyttöön. Tämä tarkastus on tehtävä huolellisesti ja harkiten.
Kun käytät konetta rinteissä, tarkista alla olevat ohjeet ja määritä, voidaanko konetta käyttää kyseisellä paikalla ja kyseisissä olosuhteissa. Maaston muutokset voivat vaikuttaa koneen käyttöön rinteissä.
Vältä koneen käynnistämistä, pysäyttämistä tai kääntämistä rinteissä. Vältä nopeuden tai suunnan äkillistä muuttamista. Käänny hitaasti ja vähän kerrallaan.
Älä käytä konetta olosuhteissa, joissa pito, ohjaus tai vakaus ovat kyseenalaisia.
Poista tai merkitse esteet, kuten ojat, kuopat, urat, töyssyt, kivet tai muut piilevät vaarat. Korkea ruoho voi peittää esteet. Maaston epätasaisuudet voivat kaataa koneen.
Huomaa, että koneen käyttö märässä ruohossa, poikittain rinteissä tai alamäessä saattaa johtaa koneen pidon menettämiseen. Pidon menetys vetopyörissä saattaa aiheuttaa luisumisen ja jarrujen ja ohjauksen hallinnan menetyksen.
Käytä konetta erityisen varovasti pudotusten, ojien, vallien, vesiesteiden tai muiden vaarojen lähellä. Kone voi kaatua yllättäen, jos pyörä menee reunan yli tai jos reuna sortuu. Määritä suoja-alue koneen ja mahdollisen vaaran välille.
Tunnista vaarat rinteen juurella. Jos vaaroja on, leikkaa rinne kävellen ohjattavalla ruohonleikkurilla.
Jos mahdollista, pidä leikkuuyksiköt laskettuina alas rinteissä käytön aikana. Leikkuuyksiköiden nostaminen rinteissä käytön aikana voi heikentää koneen vakautta.
Ole erittäin varovainen käyttäessäsi ruohonkeräysjärjestelmiä tai muita lisälaitteita. Ne voivat vaikuttaa koneen vakauteen ja aiheuttaa hallinnan menetyksen.
Tarkista, että seisontajarru on kytkettynä.
Nosta jalka ajopolkimelta ja varmista, että se on VAPAA-asennossa.
Käännä virta-avain KäYNNISSä-asentoon.
Kun hehkutulppien merkkivalo sammuu, käännä virta-avain KäYNNISTYS-asentoon.
Vapauta virta-avain heti moottorin käynnistyttyä ja anna sen palata KäYNNISSä-asentoon.
Anna moottorin lämmetä alhaisella nopeudella (ilman kuormitusta) 3–5 minuutin ajan. Säädä sitten moottorin käyntinopeus halutuksi kaasun säätökytkimellä.
Important: Käynnistysmoottori pysähtyy automaattisesti 30 sekunnin jälkeen vaurioitumisen välttämiseksi. Jos moottori ei käynnisty 30 sekunnin kuluessa, käännä virta-avain PYSäYTYS-asentoon, tarkista ohjauslaitteet ja toimenpiteet uudelleen, odota kaksi minuuttia ja yritä käynnistää uudelleen.
Note: Kun hydraulinesteen lämpötila on alle 4 °C, kone toimii lämmitystilassa: moottorin kierrosnopeus on korkeintaan 1 650 kierr./min ja vetopyöräkäyttöä ei voi asettaa ylemmälle nopeusalueelle. Kun nesteen lämpötila saavuttaa 4 °C, lämmitystila kytkeytyy pois.
Siirrä kaasun säätökytkin ALHAINEN JOUTOKäYNTINOPEUS -asentoon.
Siirrä voimanulosoton kytkin POIS-asentoon.
Kytke seisontajarru.
Käännä virta-avain PYSäYTYS-asentoon.
Irrota avain virtalukosta, jotta moottori ei käynnisty vahingossa.
Important: Kun konetta on käytetty täydellä kuormalla, anna moottorin käydä joutokäynnillä viisi minuuttia, ennen kuin sammutat sen. Muutoin turboahtimeen voi tulla vikoja.
Istu käyttäjän istuimelle ja käynnistä moottori.
Note: Kun moottorin kierrosnopeus on alle 2 000 kierr./min (esim. kun moottorin annetaan käydä alhaisella joutokäyntinopeudella tai kun konetta ajetaan sisään tai ulos rakennuksesta), kaikkia leikkuuyksiköitä ei voi nostaa kerralla. Leikkuuyksiköt voidaan nostaa tällöin vain yksi kerrallaan.
Nosta leikkuupöydät työntämällä leikkuupöydän nostokytkin taaksepäin.
Vapauta kahvaa kääntämällä salvat, joiden avulla leikkuupöydät pysyvät ylhäällä.
Istu käyttäjän istuimelle ja käännä virta-avain AJO-asentoon (Kuva 31).

Laske leikkuupöytä työntämällä leikkuupöydän nostokytkin eteenpäin.
Hiukkassuodatin (DPF) suodattaa pakokaasusta nokea.
Hiukkassuodattimen regeneraatioprosessi käyttää moottorin pakokaasun lämpöä, jota katalysaattori nostaa, kun se muuntaa kertynyttä nokea tuhkaksi.
Pidä seuraavat seikat mielessä, jotta hiukkasuodatin pysyy puhtaana:
Käytä moottoria täydellä nopeudella mahdollisuuksien mukaan, jotta hiukkassuodatin puhdistaa itsensä paremmin.
Käytä sopivaa moottoriöljyä.
Käytä moottoria mahdollisimman vähän joutokäynnillä.
Käytä vain erittäin vähärikkistä dieselpolttoainetta.
Pidä hiukkassuodattimen toiminta mielessä koneen käytön ja huollon aikana. Moottorin kuormitus tuottaa yleensä riittävän pakokaasujen lämpötilan hiukkassuodattimen regeneraatioon.
Important: Noen kertymistä hiukkassuodattimeen voidaan vähentää käyttämällä moottoria mahdollisimman vähän joutokäynnillä tai alhaisella nopeudella.
Pakokaasujen lämpötila on korkea (noin 600 °C) hiukkassuodattimen regeneraation aikana. Kuumat pakokaasut saattavat vahingoittaa käyttäjää tai sivullisia.
Älä käytä moottoria suljetussa tilassa.
Varmista, että pakokaasujärjestelmän lähellä ei ole syttyviä materiaaleja.
Varmista, että kuuma pakokaasu ei osu pintoihin, joita korkea lämpötila voi vahingoittaa.
Älä kosketa kuumaa pakokaasujärjestelmän osaa.
Älä seiso koneen pakoputken lähellä.
| Kuvake | Kuvakkeen määritelmä |
![]() | • Pysäköinti- tai palautusregeneraatiokuvake – regenerointia pyydetään. |
| • Suorita regeneraatio välittömästi. | |
![]() | • Regeneraatio on kuitattu, ja pyyntöä käsitellään. |
![]() | • Regeneraatio on käynnissä, ja pakokaasun lämpötila on koholla. |
![]() | • Typpioksidipäästöjen seurantajärjestelmän toimintahäiriö. Kone on huollettava. |
| Regeneraatiotyyppi | Hiukkassuodattimen regeneraatiota aiheuttavat olosuhteet | Hiukkassuodattimen käytön kuvaus |
|---|---|---|
| Passiivinen | Tehdään koneen normaalin käytön aikana suurella moottorin nopeudella tai kuormituksella | • Tietokeskuksessa ei näy passiivisen regeneraation kuvaketta. |
| • Passiivisen regeneraation aikana hiukkassuodatin käsittelee kuumia pakokaasuja, hapettaa haitallisia päästöjä ja polttaa nokea tuhkaksi. | ||
| Apu | Tehdään moottorin alhaisen nopeuden tai kuormituksen takia tai tietokoneen havaitessa hiukkassuodattimen alkavan tukkeutua noesta | • Tietokeskuksessa ei näy apuregeneraation kuvaketta. |
| • Apuregeneraation aikana moottorin tietokone säätää moottorin asetuksia pakokaasujen lämpötilan nostamista varten. | ||
| Nollaus | Tapahtuu 100 tunnin välein | • Kun korkean pakokaasujen lämpötilan
kuvake näkyy
tietokeskuksessa, regeneraatio on käynnissä. |
| Tapahtuu myös, jos moottorin normaali toiminta ylittää sallitun suodattimeen kertyneen nokimäärän | ||
| • Nollausregeneraation aikana moottorin tietokone ylläpitää normaalia suurempaa moottorin nopeutta suodattimen regeneraation varmistamiseksi. |
| Regeneraatiotyyppi | Hiukkassuodattimen regeneraatiota aiheuttavat olosuhteet | Hiukkassuodattimen käytön kuvaus |
|---|---|---|
| Pysäköinti | Tapahtuu, koska tietokone päättelee, että automaattinen hiukkassuodattimen puhdistus ei ole ollut riittävä. | • Kun nollaus odottaa- /
pysäköintiregeneraation tai palautusregeneraation kuvake näkyy tai regeneraatiota
pyydetään. |
| Tapahtuu myös silloin, kun käyttäjä käynnistää pysäköintiregeneraation | ||
| Voi tapahtua, koska regeneraation esto on aloitettu ja se on poistanut automaattisen hiukkassuodattimen puhdistuksen käytöstä | • Suorita pysäköintiregeneraatio mahdollisimman pian, jotta palautusregeneraatiota ei tarvita. | |
| Voi johtua väärän polttoaineen tai moottoriöljyn käytöstä | • Pysäköintiregeneraatio kestää 30–60 minuuttia. | |
| • Polttoainesäiliössä täytyy olla vähintään neljäsosan verran polttoainetta. | ||
| • Kone on pysäköitävä pysäköintiregeneraatiota varten. | ||
| Palautus | Tapahtuu, koska pysäköidyn palautuksen pyyntö on ohitettu, jolloin hiukkassuodatin voi olla vaarallisen tukossa | • Kun nollaus odottaa- / pysäköintiregeneraation
tai palautusregeneraation kuvake näytetään, palautusregeneraatiota
pyydetään. |
| • Palautusregeneraatio kestää enintään kolme tuntia. | ||
| • Polttoainesäiliön täytyy olla vähintään puoliksi täynnä. | ||
| • Kone on pysäköitävä palautusregeneraatiota varten. |
Vieritä PääVALIKOSSA alas kohtaan HUOLTO ja paina valintapainiketta.
Vieritä kohdassa HUOLTO kohtaan DPF REGENERATION (Hiukkassuodattimen regeneraatio) ja paina valintapainiketta.
Valitse tarvitsemasi regenerointitoiminto.

Avaa DPF REGENERATION (Hiukkassuodattimen regeneraatio) ‑valikko ja vieritä kohtaan LAST REGEN (Edellinen regeneraatio).
Valitse LAST REGEN (Edellinen regeneraatio) -vaihtoehto.
Määritä LAST REGEN (Edellinen regeneraatio) -kentässä, kuinka monta tuntia olet käyttänyt moottoria edellisen nollaus-, pysäköinti- tai palautusregeneraation jälkeen.
Palaa paluupainikkeella DPF REGENERATION (Hiukkassuodattimen regeneraatio) ‑näyttöön.

Nollausregeneraatio tuottaa enemmän moottorin pakokaasuja. Jos käytät laitetta puiden, pensaiden, korkean ruohon tai muiden lämpötilaherkkien kasvien tai materiaalien ympärillä, voit estää moottorin tietokonetta suorittamasta nollausregeneraatiota INHIBIT REGEN (Estä regeneraatio) -asetuksella.
Note: INHIBIT REGEN (Estä regeneraatio) -vaihtoehtoa käytetään aina, kun konetta huolletaan suljetussa tilassa.
Note: Jos asetat tietokeskuksen estämään regeneraation, tietokeskus näyttää ilmoituksen 15 minuutin välein, kun moottori pyytää nollausregeneraatiota.
Important: Kun sammutat moottorin ja käynnistät sen uudelleen, Estä regeneraatio -asetus on oletusarvoisesti POIS.
Avaa DPF REGENERATION (Hiukkassuodattimen regeneraatio) ‑valikko ja vieritä kohtaan INHIBIT REGEN (Estä regeneraatio).
Valitse INHIBIT REGEN (Estä regeneraatio) -vaihtoehto.
Vaihda regeneraation eston asetukseksi POIS tai PääLLä.
Varmista, että koneen polttoainesäiliössä on tarpeeksi polttoainetta suoritettavan regeneraatiotyypin mukaan:
Pysäköintiregeneraatio: Varmista, että polttoainesäiliössä on vähintään neljäsosan verran polttoainetta ennen pysäköintiregeneraatiota.
Palautusregeneraatio: Varmista, että polttoainesäiliö on vähintään puoliksi täynnä ennen palautusregeneraatiota.
Siirrä kone ulos alueelle, jossa ei ole syttyviä materiaaleja tai esineitä, joita korkea lämpötila voi vahingoittaa.
Pysäköi kone tasaiselle alustalle, siirrä kaikki säätimet VAPAA-asentoon, vapauta voimanulosotto ja laske leikkuuyksiköt.
Kytke seisontajarru ja anna moottorin saavuttaa alhainen joutokäyntinopeus.
Kun moottorin tietokone pyytää pysäköintiregeneraatiota, seuraa tietokeskuksessa näkyviä ohjeita:
Important: Koneen tietokone peruu hiukkassuodattimen regeneraation, jos lisäät moottorin nopeutta alhaiselta joutokäynniltä tai vapautat seisontajarrun.
Avaa DPF REGENERATION (Hiukkassuodattimen regeneraatio) ‑valikko ja vieritä kohtaan PARKED REGEN (Pysäköintiregeneraatio) tai RECOVERY REGEN (Palautusregeneraatio).
Valitse PARKED REGEN (Pysäköintiregeneraatio) tai RECOVERY REGEN (Palautusregeneraatio).
Note: Palautusregeneraation aloittaminen edellyttää, että syötät oikean PIN-koodin.
Varmista REGEN PARAMETERS (Regeneroinnin parametrit) -näytössä, että polttoainetta on ¼ säiliön tilavuudesta, jos suoritat pysäköintiregeneraatiota, tai ½ säiliön tilavuudesta, jos suoritat palautusregeneraatiota. Varmista, että seisontajarru on kytketty ja moottorin nopeus on asetettu alhaiselle joutokäynnille. Jatka painamalla valintapainiketta.
Jatka INITIATE DPF REGEN (Käynnistä hiukkassuodattimen regeneraatio) -näytössä painamalla seuraava-painiketta.
Tietokeskus näyttää viestin INITIATE DPF REGEN (Käynnistä hiukkassuodattimen regeneraatio).
Note: Peru regeneraatio tarvittaessa painamalla peruutuskuvaketta.
Tietokeskuksessa näkyy aikaa jäljellä -viesti.
Tietokeskus näyttää alkunäytön,
ja regeneraation kuittauskuvake tulee näkyviin
.
Note: Kun hiukkassuodattimen regeneraatio on käynnissä,
tietokeskuksessa näkyy korkean pakokaasujen lämpötilan
kuvake
.
Kun moottorin tietokone saa valmiiksi pysäköinti- tai palautusregeneraation, tietokeskuksessa näkyy ilmoitus. Poistu alkunäyttöön painamalla mitä tahansa painiketta.
Note: Jos regeneraatio ei valmistu, seuraa ilmoituksia ja poistu alkunäyttöön painamalla mitä tahansa painiketta.
Käynnissä olevan pysäköinti- tai palautusregeneraation voi peruuttaa PARKED REGEN CANCEL (Pysäköintiregeneraation peruutus)- tai RECOVERY REGEN CANCEL (Palautusregeneraation peruutus) -asetuksella.
Avaa DPF REGENERATION (Hiukkassuodattimen regeneraatio) -valikko ja vieritä kohtaan PARKED REGEN (Pysäköintiregeneraatio) tai RECOVERY REGEN (Palautusregeneraatio).
Peruuta pysäköintiregeneraatio tai palautusregeneraatio painamalla valintapainiketta.

Harjoittele koneella ajamista, koska siinä on hydrostaattinen vaihteisto ja se on ominaisuuksiltaan erilainen kuin monet nurmikonhoitokoneet.
Toro Smart Power™ -ominaisuuden ansiosta kuljettajan ei tarvitse kuulostella moottorin nopeutta raskaassa kuormituksessa. Smart Power ehkäisee moottorin juuttumista raskaissa leikkuuolosuhteissa säätelemällä automaattisesti koneen nopeutta ja optimoimalla leikkuutuloksen.
Jos Toro Smart Power™ -ominaisuus ei ole käytössä, pidä moottorin kierrosnopeus korkeana ja tasaisena ajopolkimen avulla. Tämä on tehtävä siten, että ajoyksikön ja lisälaitteen teho pysyy riittävänä käytön aikana. Vähennä ajonopeutta, kun lisälaitteen kuormitus kasvaa, ja lisää ajonopeutta, kun kuormitus pienenee.
Anna ajopolkimen liikkua taaksepäin moottorin käyntinopeuden vähentyessä, ja paina poljinta hitaasti moottorin käyntinopeuden kasvaessa. Kun taas ajat työalueelta toiselle ilman kuormitusta ja leikkuuyksikkö ylhäällä, aseta kaasun säätökytkin ylimpään asentoon ja paina ajopoljin hitaasti pohjaan saakka, jotta kone liikkuu suurimmalla ajonopeudella.
Ennen kuin sammutat moottorin, kytke kaikki ohjauslaitteet pois päältä ja laske moottorin nopeus ALHAISELLE JOUTOKäYNNILLE (1 000 kierr./min). Sammuta moottori kääntämällä virta-avain PYSäYTYS-asentoon.
Ennen kuin siirrät koneen, nosta leikkuuyksiköt ja kiinnitä sivuleikkuuyksikön kuljetuslukitsimet(Kuva 35).

Tässä koneessa on kaksi jännitejärjestelmää: 12 V:n ja 24 V:n järjestelmä.
Koneen toiminnot toimivat 12 V:n järjestelmän avulla lukuun ottamatta moottorin jäähdytyspuhaltimia ja hydraulijärjestelmän jäähdytyspuhaltimia. Koneen takaosan oikealla puolella sijaitsevat kaksi suurta 12 V:n akkua on kytketty rinnan tuottamaan 12 V:n nimellisjännite. Moottorin 12 V:n laturi lataa näitä akkuja.
Moottorin jäähdytyspuhaltimet ja hydraulijärjestelmän jäähdytyspuhaltimet toimivat 24 V:n järjestelmän avulla. Koneen takaosan vasemmalla puolella sijaitsevat kaksi pientä 12 V:n akkua on kytketty sarjaan tuottamaan 24 V:n nimellisjännite. 24 V:n laturi lataa näitä akkuja.
Akun kytkin sijaitsee koneen takaosan oikealla puolella. Tällä kytkimellä voidaan katkaista akkujen virta huollon tai korjauksen ajaksi.
Hydraulinesteen lämpötila säätelee hydraulipuhaltimen nopeutta. Moottorin jäähdytysnesteen lämpötila säätelee jäähdyttimen puhaltimen nopeutta. Taaksepäinpuhallusjakso käynnistää molemmat puhaltimet automaattisesti, kun joko moottorin jäähdytysneste tai hydraulineste saavuttaa tietyn lämpötilan. Suunnanvaihto puhaltaa roskat säleiköistä ja laskee näin moottorin jäähdytysnesteen ja hydraulinesteen lämpötilaa (Kuva 36). Jäähdyttimen puhaltimet tekevät lisäksi taaksepäinpuhallusjakson 21 minuutin välein jäähdytysnesteen lämpötilasta riippumatta.

Käynnistä moottori ja käytä sitä PUOLINOPEALLA JOUTOKäYNNILLä, kunnes se lämpenee. Vaihda moottorin nopeus KORKEALLE JOUTOKäYNNILLE, nosta leikkuuyksiköt, vapauta seisontajarru, paina ajopoljinta ja aja varovasti avoimelle alueelle.
Harjoittele ajoa eteen- ja taaksepäin sekä liikkeelle lähtöä ja pysähtymistä. Kun haluat pysäyttää koneen, ota jalka pois ajopolkimelta ja anna sen palata VAPAA-asentoon, tai pysäytä kone painamalla peruutuspoljinta.
Note: Jos ajat alas rinnettä, saatat joutua käyttämään peruutuspoljinta pysähtymiseen.
Harjoittele esteiden kiertoa leikkuuyksiköt laskettuna ja nostettuna. Varo vahingoittamasta konetta tai leikkuuyksiköitä ajaessasi kapeista väleistä.
Aja aina hitaasti epätasaisilla alueilla.
Jos tiellä on este, nosta leikkuuyksiköitä, jotta pääset leikkaamaan helposti sen ympäriltä.
Kun konetta kuljetetaan työalueelta toiselle, vapauta voimanulosotto, nosta leikkuuyksiköt täysin ylös, paina leikkuunohjauskytkin KULJETUS-asentoon, kytke kuljetuslukitsimet ja aseta kaasuvipu NOPEA-asentoon.
Leikkuukuviota on vaihdettava usein, jotta vältetään samaan suuntaan toistuvan leikkuun aiheuttamat leikkuujäljen ongelmat.
Vastapainojärjestelmä pitää yllä leikkuuyksiköiden nostosylintereiden hydraulista vastapainetta. Tämä paine parantaa vetoa siirtämällä leikkuuyksikön painon leikkurin vetopyörille. Vastapainon paine on asetettu tehtaalla niin, että leikkuujälki ja vetokyky ovat mahdollisimman hyvässä tasapainossa useimmissa nurmiolosuhteissa.
Vastapainon asetusta vähentämällä voi lisätä leikkuuyksikön vakautta, mutta samalla vetokyky voi heiketä. Vetokykyä voi lisätä kasvattamalla vastapainon asetusta, mutta tämä voi heikentää leikkuujälkeä. Vastapainon paineen säädöstä on lisätietoja ajoyksikön huolto-oppaassa.
Lisätietoja on After-cut Appearance Troubleshooting Guide -oppaassa osoitteessa www.Toro.com.
Kun aloitat leikkuun, kytke leikkuuyksiköt ja lähesty leikkuualuetta hitaasti.
Jotta nurmeen saadaan ammattimaisen suorat linjat ja raidat, joita tietyt käyttökohteet edellyttävät, etsi puu tai muu kaukana oleva kohde ja aja suoraan sitä kohti.
Heti kun etuleikkuuyksiköt saavuttavat leikkuualueen reunan, tee pisaran muotoinen käännös seuraavaa ajoa varten.
Leikkuuyksiköihin voidaan kiinnittää kiinnipultattavat levittimet. Levittimet toimivat hyvin silloin, kun ruohoa leikataan niin säännöllisesti, että kerralla leikataan korkeintaan 25 mm ruohoa. Jos leikataan liian pitkää ruohoa levittimien ollessa kiinnitettyinä, jälki saattaa huonontua ja kone saattaa tuntua vaativan enemmän tehoa nurmen leikkaamiseen. Levittimet sopivat hyvin myös lehtien silppuamiseen syksyllä.
Poista leikatessa noin kolmasosa ruohon korkeudesta. Poikkeuksellisen rehevää ja tiheää ruohikkoa ajettaessa leikkuukorkeus voidaan joutua korottamaan seuraavaan asetukseen (Kuva 37).

Leikkuupöydän kaltevuus tarkoittaa leikkuukorkeuden erotusta terätason etureunan ja takareunan välillä. Terän suositeltava kaltevuus on 7,6 mm. Yli 7,6 mm:n kaltevuus vähentää tehontarvetta, kasvattaa leikkuujätteen kappalekokoa ja heikentää leikkuujäljen laatua. Alle 7,6 mm:n kaltevuus lisää tehontarvetta, pienentää leikkuujätteen kappalekokoa ja parantaa leikkuujälkeä.
Vähennä auringon lämmittävää vaikutusta pysäköimällä kone varjoisaan paikkaan tai jättämällä ovet auki, jos kone joudutaan pysäköimään auringonpaisteeseen.
Tarkista, että ilmastointilaitteen ritilä on puhdas.
Tarkista, että ilmastointilaitteen lauhduttimen rivat ovat puhtaat.
Käytä ilmastointilaitteen tuuletinta keskinopeusasetuksella.
Varmista, että kattoverhous on kauttaaltaan kiinni katossa ja korjaa sitä tarvittaessa.
Mittaa ilman lämpötila kattoverhouksen etuosassa keskellä olevan tuuletusaukon kohdalta. Tämä vakiintuu yleensä lukemaan 10 °C tai sen alle.
Huolto-oppaassa on lisäohjeita.
Sammuta moottori, irrota virta-avain ja odota, että kaikki liikkuvat osat pysähtyvät, ennen kuin poistut käyttäjän paikalta. Anna koneen jäähtyä ennen sen säätöä, huoltoa, puhdistusta tai varastointia.
Vähennä tulipalon vaaraa poistamalla ruoho ja leikkuujäte leikkuuyksiköistä, käyttöpyöristä, äänenvaimentimista, jäähdytyssäleiköistä ja moottoritilasta. Puhdista öljy- ja polttoaineroiskeet.
Jos leikkuuyksiköt ovat kuljetusasennossa, käytä mekaanista varmistuslukkoa (jos saatavilla), ennen kuin jätät koneen ilman valvontaa.
Anna moottorin jäähtyä, ennen kuin varastoit laitteen suljettuun tilaan.
Irrota virta-avain ja sulje polttoaineen sulkuventtiili (jos asennettuna) ennen koneen varastointia tai kuljetusta.
Älä säilytä konetta tai polttoainesäiliötä tilassa, jossa on avotuli, kipinöitä tai varmistusliekki (esimerkiksi vedenlämmitin tai muu vastaava laite).
Huolla ja puhdista turvavyöt tarpeen mukaan
Note: Tämä hälytys on muistutus, joka estää akun tyhjentymisen.
Äänihälytys kuuluu seuraavissa tapauksissa:
Moottori on sammutettu.
Virta-avain on Käynnissä-asennossa.
Käyttäjä ei istu istuimella.
Important: Konetta ei saa työntää tai hinata nopeammin kuin 3–4,8 km/h. Suuremmalla nopeudella vaihteistoon voi tulla sisäisiä vaurioita.Ohitusventtiilien on oltava auki aina, kun konetta työnnetään tai hinataan.
Nosta konepelti ja paikanna pumpussa olevat ohitusventtiilit.

Löysää molempia hydrostaattisen vaihteiston hinausventtiileitä.
Avaa venttiilit kääntämällä kutakin venttiiliä kolme kierrosta vastapäivään, jotta nesteen ohivirtaus alkaa.
Vapauta automaattinen seisontajarru manuaalisesti ohitusventtiilin ja painimen avulla kuvan mukaisesti (Kuva 39).

Työnnä tai hinaa kone.
Kun kone on työnnetty tai hinattu, sulje ohitusventtiili. Kiristä venttiili momenttiin 70 N·m.
Note: Seisontajarrun manuaalinen vapautus palautuu automaattisesti, kun moottori käynnistetään tai ohitusventtiilin säätönuppi vedetään ylös.

Irrota virta-avain ja sulje polttoaineen sulkuventtiili (jos asennettuna) ennen koneen varastointia tai kuljetusta.
Ole varovainen lastatessasi konetta perävaunuun tai kuorma-autoon.
Käytä täysleveää ramppia lastatessasi konetta perävaunuun tai kuorma-autoon.
Kiinnitä kone tiukasti.
Note: Koneen vasen ja oikea puoli määritellään normaalista käyttöasennosta käsin.
Important: Lisää huoltotoimenpiteitä on moottorin käyttöoppaassa.
Important: Jos huollat konetta ja käytät moottoria pakokaasut ulos rakennuksesta vievä poistokanava asennettuna, aseta regeneraation eston asetukseksi PääLLä. Katso Regeneraation eston asettaminen.
Suorita seuraavat toimenpiteet ennen käyttäjän paikalta poistumista:
Pysäköi kone tasaiselle alustalle.
Vapauta voimanulosotto ja laske lisälaitteet alas.
Kytke seisontajarru.
Sammuta moottori ja irrota virta-avain.
Odota, että kaikki liikkuvat osat ovat pysähtyneet.
Käytä asianmukaista vaatetusta, mukaan lukien silmiensuojaimia, pitkälahkeisia housuja ja lujatekoisia liukastumisen estäviä jalkineita. Pidä kädet, jalat, vaatteet, korut ja pitkät hiukset etäällä liikkuvista osista.
Jos jätät avaimen virtalukkoon, joku voi vahingossa käynnistää moottorin ja vahingoittaa vakavasti lähellä olijoita. Irrota avain virtalukosta ennen huoltoa.
Anna koneen osien jäähtyä ennen huollon suorittamista.
Jos leikkuuyksiköt ovat kuljetusasennossa, käytä mekaanista varmistuslukkoa (jos varusteena), ennen kuin jätät koneen ilman valvontaa.
Jos mahdollista, älä huolla konetta moottorin ollessa käynnissä. Pysy etäällä liikkuvista osista.
Käytä moottoria vain tiloissa, joissa on hyvä ilmanvaihto. Pakokaasut sisältävät hiilimonoksidia, joka on hengenvaarallinen hengitettäessä.
Tue kone pukeilla, kun työskentelet koneen alla.
Vapauta paine varovasti osista, joihin on varastoitunut energiaa.
Pidä kaikki koneen osat hyvässä kunnossa ja kaikkien laitteiden kiinnitykset ja erityisesti terien kiinnikkeet tiukalla.
Vaihda kaikki kuluneet tai vaurioituneet tarrat.
Käytä vain Toro-alkuperäisvaraosia, jotta kone toimii turvallisesti ja parhaalla mahdollisella tavalla. Muiden valmistajien varaosat voivat osoittautua vaarallisiksi, ja niiden käyttö voi johtaa tuotteen takuun raukeamiseen.
| Huoltoväli | Huoltotoimenpide |
|---|---|
| 10 ensimmäisen käyttötunnin jälkeen |
|
| 50 ensimmäisen käyttötunnin jälkeen |
|
| Aina ennen käyttöä tai päivittäin |
|
| 50 käyttötunnin välein |
|
| 100 käyttötunnin välein |
|
| 250 käyttötunnin välein |
|
| 400 käyttötunnin välein |
|
| 500 käyttötunnin välein |
|
| 800 käyttötunnin välein |
|
| 1000 käyttötunnin välein |
|
| 1500 käyttötunnin välein |
|
| 2000 käyttötunnin välein |
|
| 3000 käyttötunnin välein |
|
| Ennen varastointia |
|
| Kahden vuoden välein |
|
Ota tästä sivusta kopioita.
| Tarkistettavat kohdat | Viikolle: | ||||||
|---|---|---|---|---|---|---|---|
| Maanantai | Tiistai | Keskiviikko | Torstai | Perjantai | Lauantai | Sunnuntai | |
| Tarkista turvajärjestelmän toiminta. | |||||||
| Tarkista jarrujen toiminta. | |||||||
| Tarkista moottoriöljyn määrä. | |||||||
| Tarkista jäähdytysjärjestelmän nesteen määrä. | |||||||
| Tyhjennä veden/polttoaineen erotin. | |||||||
| Tarkista ilmansuodatin, pölykansi ja paineventtiili. | |||||||
| Kuuntele, kuuluuko moottorista epätavallisia ääniä.1 | |||||||
| Tarkista, ettei jäähdyttimessä ja hydrauliöljyn jäähdyttimen säleikössä ole roskia. Poista roskat paineilmalla. | |||||||
| Kuuntele, kuuluuko käytettäessä epätavallisia ääniä. | |||||||
| Tarkista hydraulijärjestelmän nesteen määrä. | |||||||
| Tarkista, ettei hydrauliletkuissa ole vaurioita. | |||||||
| Tarkista nestevuodot. | |||||||
| Tarkista polttoaineen määrä. | |||||||
| Tarkista renkaiden ja kääntöpyörien rengaspaineet. | |||||||
| Tarkista mittareiden toiminta. | |||||||
| Tarkista leikkuukorkeussäätö. | |||||||
| Voitele kaikki rasvanipat.2 | |||||||
| Koneen puhdistus. | |||||||
| Korjaa maalipinnan vauriot. | |||||||
|
1Tarkasta hehkutulppa, ruiskutussuuttimet ja moottorin ilmansuodattimet, jos käynnistys on hidas, savua on liikaa tai käyntiääni on karkea. 2Välittömästi jokaisen pesun jälkeen luettelon mukaisesta huoltovälistä huolimatta. |
|||||||
| Tarkastuksen suoritti: | ||
| Vika | Päivämäärä | Huomio |
Avaa konepelti, jotta pääset käsiksi akun kytkimeen.
Käännä akun kytkin PääLLä- tai POIS-asentoon, ennen kuin teet seuraavat toimenpiteet:
Kytke koneeseen sähkövirta kääntämällä akun kytkin myötäpäivään PääLLä-asentoon (Kuva 43).
Katkaise koneen sähkövirta kääntämällä akun kytkin vastapäivään PYSäYTYS-asentoon (Kuva 43).
Important: Älä käännä akun kytkintä POIS-asentoon, kun moottori on käynnissä. Varmista, että kone on sammunut, ennen kuin käännät akun kytkimen POIS-asentoon, ettei kone tai moottori vaurioidu.

Laske siivekeleikkuupöytä tasaiselle alustalle.
Vapauta suojuksen salpa.
Irrota pultti, joka kiinnittää hihnasuojuksen (jos on).
Nosta suojuksen sivu- ja takareunat irti kiinnitystangoista (Kuva 46).

Nosta suojusta ja liu’uta sitä samalla noin 2,5 cm kohti ajoyksikköä, jotta suojuksen ulompi reuna irtoaa leikkuupöydästä (Kuva 47).

Nosta etureunaa, ohjaa suojus nostovarren ja rullan väliin ja irrota se (Kuva 48).

Laske siivekeleikkuupöytä tasaiselle alustalle.
Liu’uta suojus paikalleen ohjaamalla takareuna nostovarren ja rullan väliin.
Kun suojusta liu’utetaan pois ajoyksiköstä, ohjaa ulompi reuna leikkuupöydän etu- ja takakannattimien alitse.
Kohdista leikkuupöydän kiinnitystangot suojuksessa oleviin reikiin ja laske suojus paikalleen.
Asenna pultti, jolla hihnasuojus on kiinnitetty (jos on).
Kiinnitä leikkuupöydän suojuksen salpa.
| Huoltoväli | Huoltotoimenpide |
|---|---|
| 50 käyttötunnin välein |
|
Koneessa on rasvanippoja, jotka on voideltava säännöllisesti litiumpohjaisella yleisrasvalla nro 2. Voitele lisäksi kone välittömästi jokaisen pesun jälkeen.
Kääntöpyörän haarukka-akselin holkit, 2 (Kuva 52)
Kara-akselin laakerit (5, sijaitsevat karakotelon päällä) kuvan mukaisesti (Kuva 52)
Kiristinpyörän varren tappiholkit (3, sijaitsevat kiristinpyörän kääntöakselissa) kuvan mukaisesti (Kuva 52)
Siivekeleikkuupöydän tappiholkit (4, siiveketapeissa) kuvan mukaisesti (Kuva 52)

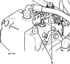
Important: Moottorin elektroninen ohjausyksikkö (ECU) ja sähköliittimet eivät saa joutua kosketuksiin veden kanssa, sillä tästä voi aiheutua vaurioita. Katso ECU:n ja sähköliitinten sijainti kuvasta (Kuva 56).

Sammuta moottori ja irrota virta-avain ennen öljyn tarkistusta tai lisäystä kampikammioon.
Älä muuta kierrosnopeussäätimen nopeutta tai käytä moottoria ylikierroksilla.
Tarkista, ettei ilmanpuhdistimen rungossa ole vaurioita, jotka voivat aiheuttaa ilmavuodon. Vaihda ilmanpuhdistimen runko, jos se on vaurioitunut. Tarkista, että ilmanottojärjestelmässä ei ole vuotoja, vaurioita tai löysiä letkunkiristimiä. Tarkasta myös, että ilmanpuhdistimen ja turboahtimen kumisen ilmanottoletkun liitännät on tehty asianmukaisesti.
Huolla ilmanpuhdistimen suodatin vain silloin, kun tietokeskuksessa näkyy viesti Check Air Filter (Tarkista ilmansuodatin). Ilmansuodattimen tarpeeton vaihtaminen vain kasvattaa mahdollisuutta, että moottoriin pääsee likaa suodattimen irrotuksen yhteydessä.
Varmista, että suojus on asetettu oikein ja että se on tiiviisti ilmanpuhdistimen rungon ympärillä.
| Huoltoväli | Huoltotoimenpide |
|---|---|
| 50 käyttötunnin välein |
|
Tarkista, ettei ilmanpuhdistimen rungossa ole vaurioita, jotka voivat aiheuttaa ilmavuodon. Vaihda vaurioitunut ilmanpuhdistimen runko.
Puhdista ilmanpuhdistimen suojus (Kuva 57).

| Huoltoväli | Huoltotoimenpide |
|---|---|
| 250 käyttötunnin välein |
|
| 500 käyttötunnin välein |
|
Koneen ilmanottojärjestelmää valvoo jatkuvasti ilmanoton ilmaisin, joka näyttää ilmoituksen, kun suodatin on vaihdettava. Älä vaihda elementtejä ennen tätä.
Important: Vaihda toissijaisen suodattimen elementti joka kolmannella pääsuodattimen huoltokerralla. Älä irrota toissijaista elementtiä puhdistaessasi tai vaihtaessasi pääsuodattimen elementtiä. Sisäelementti estää pölyä pääsemästä moottoriin, kun pääsuodattimen elementtiä huolletaan.
Important: Älä käytä moottoria ilman ilmanpuhdistinta, sillä tämä mahdollistaa epäpuhtauksien pääsyn moottoriin, mikä vahingoittaa moottoria.
Vapauta lukitsimet, joilla ilmanpuhdistimen suojus on kiinni ilmanpuhdistimen rungossa (Kuva 58).

Irrota ilmanpuhdistimen rungon suojus.
Ennen kuin irrotat suodattimen, poista pääsuodattimen ja kotelon väliin kertynyt lika matalapaineisella (2,75 bar, puhdas ja kuiva) ilmalla.
Note: Älä käytä korkeapaineista ilmaa, joka voi työntää lian suodattimen läpi ilmanottoon. Puhdistaminen estää lian joutumisen ilmanottoon pääsuodattimen irrottamisen yhteydessä.
Irrota pääsuodatin (Kuva 59).
Note: Älä puhdista käytettyä elementtiä, sillä elementin materiaali saattaa vaurioitua.
Note: Vaihda toissijaisen suodattimen elementti joka kolmannella pääsuodattimen huoltokerralla (Kuva 60).


Tarkista, että uudessa suodattimessa ei ole kuljetusvaurioita tarkastamalla suodattimen tiivistetty pää ja runko.
Important: Älä käytä viallista elementtiä.
Työnnä uusi suodatin paikoilleen puristamalla samalla elementin ulkokehää, jotta se asettuu koteloon.
Important: Älä paina suodattimen joustavaa keskikohtaa, jotta suodatin ei vaurioidu.
Puhdista irrotettavassa suojuksessa oleva lianpoistoaukko.
Irrota kuminen poistoventtiili suojuksesta, puhdista ontelo ja asenna poistoventtiili takaisin.
Asenna suojus siten, että kuminen poistoventtiili osoittaa alaspäin noin kello viiden ja kello seitsemän välille päästä katsottuna.
Kiinnitä suojuksen salvat.
Käytä vähintään seuraavien määritysten mukaista korkealaatuista, vähätuhkaista moottoriöljyä:
API-huoltoluokitus CJ-4 tai korkeampi
ACEA-huoltoluokitus E6
JASO-huoltoluokitus DH-2
Important: Jos käytetään moottoriöljyä, jonka luokitus ei ole API CJ-4 tai korkeampi, ACEA E6 tai JASO DH-2, hiukkassuodatin saattaa tukkeutua tai moottori vahingoittua.
Käytä seuraavaa moottoriöljyn viskositeettiluokitusta:
Suositus: SAE 15W-40 (yli -18 °C) F)
Vaihtoehto: SAE 10W-30 tai 5W-30 (kaikki lämpötilat)
Toro Premium -moottoriöljyä on saatavana valtuutetulta Toro-jälleenmyyjältä (viskositeettiluokitus 15W-40 tai 10W-30). Lisätietoja osanumeroista on osaluettelossa.
| Huoltoväli | Huoltotoimenpide |
|---|---|
| Aina ennen käyttöä tai päivittäin |
|
Moottori toimitetaan kampikammio öljyllä täytettynä, mutta öljymäärä on kuitenkin tarkistettava ennen moottorin ensimmäistä käynnistystä ja sen jälkeen.
Important: Tarkista moottoriöljy päivittäin. Jos moottoriöljyn määrä on mittatikun Full-merkin yläpuolella, moottoriöljyyn on ehkä sekoittunut polttoainetta.Jos moottoriöljyn määrä on Full-merkin yläpuolella, vaihda moottoriöljy.
Paras aika tarkistaa moottoriöljy on moottorin ollessa viileä ennen päivän ensimmäistä käynnistystä. Jos moottori on ollut käynnissä, anna öljyn valua takaisin öljypohjaan ainakin 10 minuutin ajan ennen tarkistusta. Jos öljyn taso on mittatikun Add-merkinnän kohdalla tai sen alapuolella, lisää öljyä mittatikun Full-merkintään saakka.Älä täytä moottoria liian täyteen öljyä.
Important: Pidä moottoriöljyn määrä mittatikun ylä- ja alarajojen välissä. Moottori saattaa pysähtyä, jos öljyä on sitä käytettäessä liian vähän tai liian paljon.
Tarkista moottoriöljyn määrä. Katso kohta Kuva 61.

Note: Kun käytät eri öljyä, tyhjennä kaikki vanha öljy kampikammiosta ennen uuden öljyn lisäämistä.
10,4 l suodattimen kanssa
| Huoltoväli | Huoltotoimenpide |
|---|---|
| 500 käyttötunnin välein |
|
Note: Vaihda moottoriöljy ja -öljynsuodatin useammin, jos käyttöolosuhteet ovat erittäin pölyiset tai hiekkaiset.
Käynnistä moottori ja anna sen käydä viiden minuutin ajan, jotta öljy lämpenee.
Pysäköi kone tasaiselle alustalle, kytke seisontajarru, laske leikkuupöytä, sammuta moottori ja irrota virta-avain.
Vaihda moottoriöljy kuvan mukaisesti (Kuva 62).


Vaihda moottorin öljynsuodatin (Kuva 63).
Note: Varmista, että öljynsuodattimen tiiviste koskettaa moottoria. Käännä sitä sitten vielä 3/4 kierrosta.


| Huoltoväli | Huoltotoimenpide |
|---|---|
| 1000 käyttötunnin välein |
|
Katso säätöohjeet moottorin käyttöoppaasta.
| Huoltoväli | Huoltotoimenpide |
|---|---|
| 1500 käyttötunnin välein |
|
Katso EGR-jäähdyttimen puhdistusohjeet moottorin käyttöoppaasta.
| Huoltoväli | Huoltotoimenpide |
|---|---|
| 1500 käyttötunnin välein |
|
Katso moottorin kampikammion huohotinjärjestelmän tarkistusohjeet moottorin käyttöoppaasta.
| Huoltoväli | Huoltotoimenpide |
|---|---|
| 2000 käyttötunnin välein |
|
Katso ohjeet polttoaineletkujen ja moottorin jäähdytysnesteletkujen tarkistukseen ja vaihtoon moottorin käyttöoppaasta.
| Huoltoväli | Huoltotoimenpide |
|---|---|
| 2000 käyttötunnin välein |
|
Moottorin käyttöoppaassa on lisätietoja moottorin imu- ja pakoventtiilien läppäyksestä ja säädöstä.
| Huoltoväli | Huoltotoimenpide |
|---|---|
| 3000 käyttötunnin välein |
|
Katso moottorin päästöjärjestelmän osien tarkastus- ja puhdistusohjeet moottorin käyttöoppaasta.
| Huoltoväli | Huoltotoimenpide |
|---|---|
| 3000 käyttötunnin välein |
|
Jos moottoriviat , tai näkyvät tietokeskuksessa (Kuva 64), puhdista nokisuodatin seuraavalla tavalla:



Tietoja hapetuskatalysaattorin ja hiukkassuodattimen nokisuodattimen purkamisesta ja kokoamisesta on huolto-oppaan moottoria koskevassa kohdassa.
Hapetuskatalysaattorin ja nokisuodattimen varaosia tai huoltoa saa ottamalla yhteyden valtuutettuun Toro-jälleenmyyjään.
Ota yhteys valtuutettuun Toro-jälleenmyyjään ja anna tämän nollata moottorin ECU puhtaan hiukkassuodattimen asennuksen jälkeen.
Tässä käyttöoppaassa on yksityiskohtaisemmat polttoaineen ja polttoainejärjestelmän huoltotiedot kuin Yanmar®-moottorin käyttöoppaassa, joka on polttoainetta ja polttoaineen huoltoa koskeva yleisopas.
On tärkeää ymmärtää, että polttoainejärjestelmän huolto, polttoaineen säilytys ja polttoaineen laatu edellyttävät toimenpiteitä, jotta käyttökatkokset ja suuret moottorin korjaukset voidaan välttää.
Polttoainejärjestelmä noudattaa tiukimpia valmistustoleransseja päästöjen ja ohjainten vaatimusten vuoksi. Dieselpolttoaineen laatu ja puhtaus ovat entistä tärkeämpiä dieselmoottoreissa nykypäivänä käytettävän korkeapaineisen yhteispaineruiskutusputkiston (HPCR) polttoaineen ruiskutusjärjestelmän pitkän käyttöiän vuoksi.
Important: Polttoainejärjestelmässä oleva vesi tai ilma vaurioittaa moottoria! Älä oleta, että uusi polttoaine olisi puhdasta. Varmista, että polttoaine on peräisin laadukkaalta toimittajalta. Säilytä polttoainetta oikein ja kuluta se 180 päivän sisällä.
Important: Jos polttoainesuodattimen vaihtoa, polttoainejärjestelmän huoltoa ja polttoaineen säilytystä koskevia ohjeita ei noudateta, moottorin polttoainejärjestelmä voi vikaantua ennenaikaisesti. Suorita kaikki polttoainejärjestelmän huoltotoimet ohjeistetuin aikavälein tai aina, kun polttoaineeseen pääsee epäpuhtauksia tai sen laatu on heikko.
Polttoaineen asianmukainen säilytys on tärkeää moottorin kannalta. Polttoaineen varastointisäiliöiden asianmukainen huolto usein unohdetaan, mikä johtaa epäpuhtauksien pääsemiseen koneeseen toimitettuun polttoaineeseen.
Hanki vain sen verran polttoainetta, minkä kulutat seuraavien 180 päivän kuluessa. Älä käytä polttoainetta, jota on säilytetty yli 180 päivän ajan. Näin polttoaineeseen pääsee vähemmän vettä ja muita epäpuhtauksia.
Jos vettä ei poisteta varastointisäiliöstä tai koneen polttoainesäiliöstä, säiliö tai polttoainejärjestelmän osat voivat ruostua tai likaantua. Homeesta, bakteereista tai sienistä säiliöön syntyvä liete rajoittaa virtausta ja tukkii suodattimen ja polttoaineruiskuttimet.
Seuraa säiliön polttoaineen laatua tarkistamalla polttoaineen varastointisäiliö ja koneen polttoainesäiliö säännöllisesti.
Varmista, että polttoaine on peräisin laadukkaalta toimittajalta.
Jos varastointisäiliössä tai koneen polttoainesäiliössä on vettä tai epäpuhtauksia, korjaa ongelma suorittamalla kaikki polttoainejärjestelmän huoltotoimet yhteistyössä polttoaineen toimittajan kanssa.
Älä säilytä dieselpolttoainetta säiliöissä, jotka on valmistettu sinkkipäällysteisistä osista.

| Huoltoväli | Huoltotoimenpide |
|---|---|
| Aina ennen käyttöä tai päivittäin |
|
Tyhjennä vesi polttoaineen-/vedenerottimesta kuvan mukaisesti (Kuva 66).

Esitäytä suodatin ja letkut korkeapainepumppuun. Katso kohta Polttoainejärjestelmän esitäyttö.
| Huoltoväli | Huoltotoimenpide |
|---|---|
| 400 käyttötunnin välein |
|
Vaihda suodatin kuvan mukaisesti (Kuva 67).

Esitäytä suodatin ja letkut korkeapainepumppuun. Katso kohta Polttoainejärjestelmän esitäyttö.
| Huoltoväli | Huoltotoimenpide |
|---|---|
| 500 käyttötunnin välein |
|
Puhdista polttoainesuodatinpään ympäristö (Kuva 68).

Irrota suodatin ja puhdista suodatinpään asennuspinta (Kuva 68).
Voitele suodattimen tiiviste puhtaalla voitelevalla moottoriöljyllä. Katso lisätietoja koneen mukana toimitetusta moottorin käyttöoppaasta.
Asenna kuiva suodatinkotelo käsin, kunnes tiiviste koskettaa suodatinpäätä. Kierrä sitten vielä puoli kierrosta.
Esitäytä suodatin ja letkut korkeapainepumppuun. Katso kohta Polttoainejärjestelmän esitäyttö.
Käynnistä moottori ja tarkista, ettei polttoainetta vuoda suodatinpään alueelta.
| Huoltoväli | Huoltotoimenpide |
|---|---|
| 800 käyttötunnin välein |
|
| Ennen varastointia |
|
Tyhjennä ja puhdista polttoainesäiliö aikataulun mukaisten huoltovälien ulkopuolella, jos polttoainejärjestelmä likaantuu tai jos kone on tarkoitus varastoida pitkäksi aikaa. Huuhtele säiliö puhtaalla polttoaineella.
Esitäytä suodatin ja letkut korkeapainepumppuun. Katso kohta Polttoainejärjestelmän esitäyttö.
| Huoltoväli | Huoltotoimenpide |
|---|---|
| 400 käyttötunnin välein |
|
Tarkasta, ettei polttoaineputkissa ole haurastumia, vaurioita tai löysiä liitäntöjä.
Vaihda kaikki kuluneet kiristimet ja letkut.
Note: Jos vaihdat polttoaineletkuja, esitäytä polttoainejärjestelmä. Katso kohta Polttoainejärjestelmän esitäyttö.
Esitäytä polttoainejärjestelmä seuraavien tilanteiden jälkeen:
Polttoainesuodatin vaihdetaan.
Vedenerotin tyhjennetään jokaisen käytön jälkeen tai päivittäin.
Polttoaine on lopussa.
Polttoaineletku vaihdetaan tai polttoainejärjestelmä avataan mistä tahansa syystä.
Esitäytä polttoainejärjestelmä seuraavasti:
Important: Älä esitäytä polttoainejärjestelmää pyörittämällä moottoria käynnistysmoottorilla.
Varmista, että polttoainesäiliössä on polttoainetta.
Esitäytä suodatin ja letkut korkeapainepumppuun noudattamalla seuraavia vaiheita, jotta ehkäistään pumpun kuluminen ja vahingoittuminen:
Käännä virta-avain KäYNNISSä-asentoon 15–20 sekunniksi.
Käännä virta-avain PYSäYTYS-asentoon 30–40 sekunniksi.
Note: Näin elektroninen ohjausyksikkö sammuu.
Käännä virta-avain KäYNNISSä-asentoon 15–20 sekunniksi.
Tarkista suodatin ja letkut vuotojen varalta.
Käynnistä moottori ja tarkista, että järjestelmässä ei ole vuotoja.
Irrota akun kytkennät ennen kuin korjaat konetta. Irrota ensin miinusnavan akkukenkä ja vasta sitten plusnavan akkukenkä. Kytke ensin plusnavan akkukenkä ja vasta sitten miinusnavan akkukenkä.
Lataa akku avoimessa tilassa, jossa on hyvä ilmanvaihto, kaukana kipinöistä ja avotulesta. Irrota laturin virtajohto ennen kuin kytket laturin akkuun tai irrotat sen akusta. Käytä suojavaatetusta ja eristettyjä työkaluja.
| Huoltoväli | Huoltotoimenpide |
|---|---|
| 50 käyttötunnin välein |
|
Important: Ennen kuin hitsaat konetta, irrota miinuskaapeli akusta, jotta sähköjärjestelmä ei vaurioidu. Lisäksi moottorin, tietokeskuksen ja koneen ohjainten kytkennät on irrotettava ennen koneen hitsaamista.
Note: Pidä akkukengät ja koko akkukotelo puhtaana, koska likainen akku purkautuu hitaasti. Puhdista akku pesemällä koko kotelo liuoksella, jossa on ruokasoodaa ja vettä. Huuhtele puhtaalla vedellä. Päällystä akkunavat ja kaapeliliittimet Grafo 112X -rasvalla (pintaan) (Toron rasvalla osanro 505-47) tai vaseliinilla ruostumisen ehkäisemiseksi.
Important: Jos koneeseen asennetaan lisävaruste, ainoat hyväksytyt virtalähteet ovat ajoyksikön sulakerasia (Kuva 73) ja ohjaamon sulakerasia (Kuva 75). Kummastakin sulakerasiasta on saatavissa enintään 10 ampeeria. Neuvoja saa valtuutetulta Toro-jälleenmyyjältä.
Note: Sammuta moottori ja irrota virta-avain, ennen kuin irrotat sulakkeet.
Ajoyksikön sulakkeet (Kuva 69) sijaitsevat virtakeskuskonsolissa istuimen takana (Kuva 70).
Ajoyksikön lisäsulakkeet (Kuva 71) sijaitsevat koneen takaosassa oikealla (Kuva 72).





Ohjaamon sulakkeet (Kuva 74) sijaitsevat sulakerasiassa ohjaamon sisäkatossa (Kuva 75).


Akkujen latauksen yhteydessä syntyy räjähdysherkkiä kaasuja.
Älä tupakoi akun lähettyvillä. Älä päästä kipinöitä tai liekkejä kosketuksiin akkujen kanssa.
Note: Tämä toimenpide koskee 12 V:n järjestelmän lataamista.
Important: Pidä akut täysin ladattuina. Tämä on erityisen tärkeää siksi, että näin ehkäistään akun vahingoittuminen, kun lämpötila on alle 0 °C.
Tee ennen huoltoa tehtävät toimenpiteet. Katso kohta Huoltoa edeltävät toimenpiteet.
Puhdista akun navat ja kotelo ulkopuolelta.
Note: Kytke akkulaturin johtimet akun napoihin ennen laturin kytkemistä virtalähteeseen.
Irrota suojukset navoista (Kuva 76).

Kytke akkulaturin plusjohdin akun plusnapaan (Kuva 77).

Kytke akkulaturin miinusjohdin akun miinusnapaan (Kuva 77).
Kytke akkulaturi virtalähteeseen, ja lataa akku alla olevan Akun lataustaulukon mukaisesti.
Important: Älä lataa akkua liikaa.
| Laturin asetus | Latauksen kesto |
|---|---|
| 4–6 A | 30 minuuttia |
| 25–30 A | 10–15 minuuttia |
Kun akku on ladattu täyteen, irrota laturi virtalähteestä. Irrota sitten laturin johtimet akun navoista (Kuva 77).
Koneen kaapeleilla käynnistämisen yhteydessä syntyy räjähdysherkkiä kaasuja.
Älä tupakoi akun lähettyvillä. Älä päästä kipinöitä tai liekkejä kosketuksiin akun kanssa.
Note: Tähän toimenpiteeseen tarvitaan kaksi henkilöä. Kytkennät tekevällä henkilöllä on oltava asianmukainen kasvosuojain sekä suojakäsineet ja -vaatteet.
Pysäköi kone tasaiselle alustalle, kytke seisontajarru, laske leikkuupöytä alas ja sammuta moottori.
Istu kuljettajan istuimelle ja pyydä avustajaa tekemään kytkennät.
Note: Varmista, että käynnistykseen käytetään 12 V:n akkua.
Important: Jos käytät käynnistykseen toista konetta, huolehdi siitä, että koneet eivät kosketa toisiaan.
Irrota suojukset navoista (Kuva 76).
Kytke pluskaapeli (+) akun plusnapaan (Kuva 78).

Kytke miinusapukaapeli akun miinusnapaan (Kuva 78).
Käynnistä moottori.
Important: Jos moottori käynnistyy ja pysähtyy, älä käytä käynnistysmoottoria, ennen kuin käynnistysmoottori lakkaa pyörimästä. Älä käytä käynnistysmoottoria enempää kuin 30 sekuntia kerrallaan. Anna moottorin jäähtyä 30 sekuntia, ennen kuin käytät käynnistysmoottoria.
Kun moottori käynnistyy, pyydä avustajaa irrottamaan miinuskaapeli (–) miinusnavasta ja sitten irrottamaan pluskaapeli (+) (Kuva 78).
Avaa konepelti ja käännä akun kytkin POIS-asentoon.
Irrota kolme laipparuuvia takapuskurin molemmilta puolilta kuvan mukaisesti (Kuva 79).
Löysää jäljellä olevia laipparuuveja, joilla takapuskuri on kiinnitetty runkoon, ja kallista puskuria alaspäin.

Löysää nuppeja ja irrota molemmat sivusuojukset (Kuva 80).

Irrota kuusi laipparuuvia, joilla takasuojus on kiinnitetty runkoon, ja irrota takasuojus (Kuva 81).

Irrota kiinnittimet, joilla akkujen suojus on kiinnitetty koneeseen, ja irrota suojus (Kuva 82).
Note: Merkitse muistiin, miten ja mihin kohtiin akkujen kaapelit on kytketty.
Löysää akkukaapelit ja irrota ne akuista.
Irrota akkujen pidikkeiden kiinnittimet.
Poista akut varovasti koneesta (Kuva 82).

Kiinnitä akut pidikkeillä (Kuva 82).
Kytke akkukaapelit.
Aseta akkujen suojus paikalleen ja kiinnitä se irrotetuilla kiinnittimillä.
Asenna takasuojus (Kuva 81).
Asenna sivusuojukset (Kuva 80).
Nosta takapuskuri paikalleen ja asenna laipparuuvit. Kiinnitä takapuskuri runkoon kiristämällä kaikki laipparuuvit (Kuva 79).
Käännä akun kytkin PääLLä-asentoon.
| Huoltoväli | Huoltotoimenpide |
|---|---|
| 1000 käyttötunnin välein |
|
Ota yhteys valtuutettuun Toro-jälleenmyyjään tai katso lisätietoja Toron huolto-oppaasta.
| Huoltoväli | Huoltotoimenpide |
|---|---|
| 1000 käyttötunnin välein |
|
Varmista, että takarenkaat ovat suorassa. Mittaa sitten takapyörien välinen etäisyys akselin korkeudelta takapyörien edestä ja takaa (Kuva 84).
Note: Etupuolen mitan on oltava 0–3 mm suurempi kuin takapuolen mitan.

Säädä aurauskulma löysäämällä raidetankojen molemmissa päissä olevia kiristimiä (Kuva 84).
Pyöritä raidetangon päätä, jolloin renkaan etupuoli liikkuu sisään- tai ulospäin.
Kun aurauskulma on oikea, kiristä raidetangon kiristimet.
Jäähdytysneste on myrkyllistä. Pidä poissa lasten ja lemmikkieläinten ulottuvilta.
Paineella suihkuava kuuma jäähdytysneste, kuuma jäähdytin ja sitä ympäröivät osat voivat aiheuttaa vakavia palovammoja.
Anna moottorin jäähtyä ainakin 15 minuuttia ennen jäähdyttimen korkin irrottamista.
Käytä korkkia käsitellessäsi liinaa ja aukaise korkki hitaasti, jotta paine pääsee pois.
Älä käytä konetta, jos suojukset eivät ole paikoillaan.
Pidä sormet, kädet ja vaatteet etäällä pyörivästä tuulettimesta ja käyttöhihnasta.
| Huoltoväli | Huoltotoimenpide |
|---|---|
| Aina ennen käyttöä tai päivittäin |
|
| 100 käyttötunnin välein |
|
Järjestelmän tilavuus on 10,4 litraa koneissa ilman ohjaamoa ja 17 litraa koneissa, joissa on ohjaamo.
Suositeltu jäähdytysneste: etyleeniglykolipakkasneste ja vesi (seossuhde 50/50).
Pyörivät tuulettimet tai käyttöhihnat voivat aiheuttaa henkilövahingon.
Älä käytä konetta, jos suojukset eivät ole paikoillaan.
Pidä sormet, kädet ja vaatteet etäällä pyörivästä tuulettimesta ja käyttöhihnasta.
Sammuta moottori, irrota virta-avain ja käännä akun kytkin POIS-asentoon ennen huoltoa.
Jos moottori on juuri sammutettu, kuuma, paineenalainen jäähdytysneste saattaa roiskua ja aiheuttaa palovammoja.
Älä aukaise jäähdyttimen korkkia moottorin käydessä.
Käytä korkkia käsitellessäsi liinaa ja aukaise korkki hitaasti, jotta paine pääsee pois.
Irrota varovasti jäähdyttimen korkki ja paisuntasäiliön korkki (Kuva 85).

Tarkista jäähdyttimen jäähdytysnesteen määrä (Kuva 85).
Note: Jäähdytysnestettä on oltava jäähtyneessä jäähdyttimessä täyttökaulan yläreunaan saakka ja paisuntasäiliössä Full-merkkiin saakka.
Jos jäähdytysnestettä on liian vähän, lisää suositeltua jäähdytysnestettä paisuntasäiliön Full-merkkiin asti.
Note: Älä käytä pelkkää vettä tai alkoholi-/metanolipohjaista jäähdytysnestettä.
Asenna jäähdyttimen korkki ja paisuntasäiliön korkki.
| Huoltoväli | Huoltotoimenpide |
|---|---|
| Aina ennen käyttöä tai päivittäin |
|
Tee ennen huoltoa tehtävät toimenpiteet. Katso kohta Huoltoa edeltävät toimenpiteet.
Important: Älä puhdista jäähdyttimen tai hydraulinesteen jäähdyttimen kennoa vedellä. Jäähdyttimen tai hydraulinesteen jäähdyttimen kennon puhdistaminen vedellä voi edistää ruostumista ja osien vaurioitumista.
Nosta konepelti täysin aukinaiseen asentoon.
Käännä moottorin jäähdytyspuhaltimet taaksepäin jäähdyttimestä ja aseta kannatintanko loveen (Kuva 86).

Puhdista jäähdyttimen kenno roskista puhaltamalla puhdasta paineilmaa moottorin puolelta taaksepäin.
Käännä moottorin jäähdytyspuhaltimet eteenpäin ja aseta kannatintanko loveen (Kuva 87).

Nosta konepelti täysin aukinaiseen asentoon.
Käännä hydraulijärjestelmän jäähdytyspuhaltimet ylöspäin ja aseta kannatintanko loveen (Kuva 88).

Puhdista jäähdyttimen kenno roskista puhaltamalla puhdasta paineilmaa moottorin puolelta ylöspäin.
Käännä hydraulijärjestelmän jäähdytyspuhaltimet alaspäin ja aseta kannatintanko loveen (Kuva 89).

| Huoltoväli | Huoltotoimenpide |
|---|---|
| 2000 käyttötunnin välein |
|
Järjestelmän tilavuus on 10,4 litraa koneissa ilman ohjaamoa ja 17 litraa koneissa, joissa on ohjaamo.
Tee ennen huoltoa tehtävät toimenpiteet. Katso kohta Huoltoa edeltävät toimenpiteet.
Irrota jäähdyttimen korkki.
Aseta jäähdyttimen tyhjennysletku tyhjennysastiaan, avaa jäähdyttimen letkun tyhjennysventtiili ja tyhjennä neste astiaan (Kuva 90).

Sulje jäähdyttimen tyhjennysletkun venttiili (Kuva 90).
Täytä jäähdytin jäähdytysnesteellä, kunnes nesteen pinta on täyttöaukon reunan kohdalla (Kuva 91).

Asenna jäähdyttimen korkki.
Irrota jäähdytysnesteen letku moottorin öljynjäähdyttimestä (Kuva 92).

Sulje moottorin jäähdytysnesteen valuttua jäähdyttimen tyhjennysletkun tyhjennysventtiili ja liitä jäähdytysnesteen letku.
Irrota paisuntasäiliön korkki ja täytä säiliö moottorin jäähdytysnesteellä Low-merkkiin asti. Asenna korkki.
Käynnistä moottori ja käytä sitä, kunnes se saavuttaa käyttölämpötilan.
Tarkista moottorin jäähdytysnesteen määrä. Katso kohta Moottorin jäähdytysjärjestelmän tarkistus.
Lisää jäähdytysnestettä paisuntasäiliön Full-merkkiin asti.
Tarkista, ettei moottorin jäähdytysnesteletkujen liitännöissä ole vuotoja.
| Huoltoväli | Huoltotoimenpide |
|---|---|
| 50 ensimmäisen käyttötunnin jälkeen |
|
| 250 käyttötunnin välein |
|
Katso huolto-ohjeet koneen mukana toimitetusta moottorin käyttöoppaasta.
| Huoltoväli | Huoltotoimenpide |
|---|---|
| 10 ensimmäisen käyttötunnin jälkeen |
|
| 1000 käyttötunnin välein |
|
Ilmastointijärjestelmän kompressorin ja 24 V:n laturin hihnat käyttävät jousikuormitteista kiristintä, joka on säädetty tehtaalla. Katso huolto-ohjeet Toron huolto-oppaasta.
| Huoltoväli | Huoltotoimenpide |
|---|---|
| 50 käyttötunnin välein |
|
| 1000 käyttötunnin välein |
|
Terän käyttöhihna, jota kiristetään jousikuormitteisen kiristinpyörän avulla, on erittäin kestävä. Hihna kuitenkin kuluu ajan mittaan. Kuluneen hihnan merkkejä ovat vinkuminen hihnan pyöriessä, luistavat terät ruohoa leikattaessa, rispaantuneet reunat, palojäljet ja murtumat. Vaihda hihna, jos jokin näistä merkeistä ilmenee.
Laske leikkuuyksikkö lattialle.
Irrota hihnasuojukset leikkuuyksikön päältä ja aseta ne syrjään.
Löysää etuleikkuupöydässä olevan kiristinpyörän pysäytinruuvin vastamuttereita ja kierrä pysäytinruuvi kannattimeen (Kuva 93).

Käytä räikkäavainta tai vastaavaa työkalua ja siirrä sivuleikkuupöytien kiristinpyörät irti käyttöhihnasta, jolloin hihnan jännitys vapautuu ja hihna voidaan vetää pois sivuleikkuupöytien hihnapyörien päältä (Kuva 93).
Irrota pultit, joilla hydraulimoottori on kiinnitetty leikkuuyksikköön (Kuva 94).

Nosta moottori pois leikkuuyksiköstä ja aseta se leikkuuyksikön päälle.
Irrota vanha hihna karapyörien ja kiristinpyörän ympäriltä.
Asenna uusi hihna karapyörien ja kiristinpyöräkokoonpanon ympärille (Kuva 95).

Säädä kiristinpyörän pysäytinruuvi ja kiristä vastamutterit.
Asenna hydraulimoottori leikkuuyksikköön ja kiinnitä se aiemmin irrotetuilla pulteilla.
Kiristä pultit momenttiin 47,5 N·m.
Asenna hihnasuojukset.
Note: Ylempi hihna on irrotettava ennen alempaa hihnaa.
Laske leikkuuyksikkö lattialle.
Irrota hihnasuojukset leikkuuyksikön päältä ja aseta ne syrjään.
Irrota pultit, joilla hydraulimoottori on kiinnitetty leikkuuyksikköön (Kuva 94).
Nosta moottori pois leikkuuyksiköstä ja aseta se leikkuuyksikön päälle.
Käytä räikkäavainta tai vastaavaa työkalua ja siirrä kiristinpyörät irti käyttöhihnasta, jolloin hihnan jännitys vapautuu ja hihna voidaan vetää pois hihnapyörien päältä (Kuva 96).

Irrota vanha hihna karapyörien ja kiristinpyörän ympäriltä.
Asenna uusi hihna karapyörien ja kiristinpyöräkokoonpanon ympärille (Kuva 97 ja Kuva 98).


Asenna hydraulimoottori leikkuuyksikköön ja kiinnitä se aiemmin irrotetuilla pulteilla.
Kiristä pultit momenttiin 47,5 N·m.
Asenna hihnasuojukset.
Jos nestettä pääsee ihon alle, hakeudu välittömästi lääkäriin. Lääkärin on poistettava neste kirurgisesti muutaman tunnin sisällä.
Varmista, että kaikki hydrauliletkut ja -putket ovat hyvässä kunnossa ja että kaikki hydrauliputkien liitokset ja kiinnitykset ovat tiukalla, ennen kuin lisäät hydraulijärjestelmän painetta.
Pidä keho ja kädet kaukana vuotavista rei’istä ja suuttimista, joista suihkuaa korkeapaineista hydraulinestettä.
Etsi hydraulinestevuotoja pahvin tai paperin avulla.
Poista paine varovasti hydraulijärjestelmästä, ennen kuin huollat järjestelmää.
Säiliö on täytetty tehtaalla korkealaatuisella hydraulinesteellä. Tarkista hydraulinesteen taso ennen moottorin ensimmäistä käynnistystä ja sen jälkeen päivittäin. Katso kohta Hydraulinesteen tarkistus.
Suositeltu hydraulineste: Toro PX Extended Life Hydraulic Fluid (saatavana 19 litran astioissa tai 208 litran tynnyreissä).
Note: Kun koneessa käytetään suositeltua nestettä, neste ja suodatin voidaan vaihtaa harvemmin.
Vaihtoehtoiset hydraulinesteet: Jos Toro PX Extended Life Hydraulic Fluid -nestettä ei ole saatavana, voidaan käyttää muita tavallisia, öljypohjaisia hydraulinesteitä, jotka täyttävät kaikki jäljempänä luetellut vaatimukset (ominaisuudet ja standardit). Älä käytä synteettistä nestettä. Pyydä voiteluaineiden jälleenmyyjältä neuvoja sopivan tuotteen valitsemiseen.
Note: Toro ei vastaa vääränlaisten nesteiden käytöstä aiheutuneista vaurioista, joten käytä vain sellaisten tunnettujen valmistajien tuotteita, joiden luokituksiin voi luottaa.
| Ominaisuudet: | ||
| Viskositeetti, ASTM D445 | cSt / 40 °C 44–48 | |
| Viskositeetti-indeksi, ASTM D2270 | 140 tai korkeampi | |
| Jähmepiste, ASTM D97 | -37 °C – -45 °C | |
| Standardit: | Eaton Vickers 694 (I-286-S, M-2950-S/35VQ25 tai M-2952-S) | |
Note: Monet hydraulinesteet ovat lähes värittömiä, mikä vaikeuttaa vuotojen toteamista. Hydraulinesteelle tarkoitettua punaista värilisäainetta on saatavana 20 ml:n pulloissa. Yksi pullo riittää 15–22 litralle hydraulinestettä. Tilaa valtuutetulta Toro-jälleenmyyjältäsi, osanro 44-2500.
Tilavuus on 62,7 litraa.
| Huoltoväli | Huoltotoimenpide |
|---|---|
| Aina ennen käyttöä tai päivittäin |
|
Tee ennen huoltoa tehtävät toimenpiteet. Katso kohta Huoltoa edeltävät toimenpiteet.
Nosta koneen oikealla puolella oleva huoltosuojus, jotta saat esiin hydraulisäiliön korkin (Kuva 99).

Puhdista hydraulisäiliön täyttökaulaa ja korkkia ympäröivä alue (Kuva 99).
Irrota korkki täyttökaulasta.
Vedä mittatikku ulos täyttökaulasta ja pyyhi tikku puhtaalla liinalla. Työnnä mittatikku täyttökaulaan, vedä se taas ulos ja tarkista nesteen pinnan korkeus (Kuva 100).
Note: Nesteen tason pitäisi olla mittatikkuun merkityllä turvallisella käyttöalueella.

Jos nestettä on liian vähän, lisää nestettä riittävästi, jotta pinta nousee ylempään merkkiin saakka.
Työnnä mittatikku takaisin paikoilleen ja sulje täyttökaulan korkki.
Sulje suojus.
| Huoltoväli | Huoltotoimenpide |
|---|---|
| 800 käyttötunnin välein |
|
| 2000 käyttötunnin välein |
|
| Kahden vuoden välein |
|
Pysäköi kone tasaiselle alustalle, kytke seisontajarru, laske leikkuupöytä, sammuta moottori ja irrota virta-avain.
Aseta suuri tyhjennysastia hydraulinestesäiliön alle.
Irrota hydraulisäiliön korkki ja mittatikku.
Irrota tyhjennystulppa säiliön pohjasta ja anna hydraulinesteen valua astiaan (Kuva 101).

Asenna tyhjennystulppa, kun hydraulineste on valunut.
Täytä säiliö hydraulinesteellä. Katso kohta Hydraulinesteen tarkistus.
Important: Käytä vain ohjeissa mainittuja hydraulinesteitä. Muut nesteet saattavat vahingoittaa järjestelmää.
Asenna säiliön mittatikku ja korkki.
Käynnistä moottori ja käytä kaikkia hydraulisia laitteita, jotta hydraulineste leviää koko järjestelmään.
Note: Varmista myös, että vuotoja ei ole. Sammuta sitten moottori.
Tarkista nestemäärä ja lisää nestettä mittatikun Full-merkintään saakka.
Note: Älä täytä liikaa.
| Huoltoväli | Huoltotoimenpide |
|---|---|
| 800 käyttötunnin välein |
|
| 1000 käyttötunnin välein |
|
Jos hydraulineste saastuu, ota yhteys valtuutettuun Toro-jälleenmyyjääsi, sillä koko järjestelmä on huuhdeltava. Saastunut neste näyttää maitomaiselta tai mustalta puhtaaseen nesteeseen verrattuna.
Käytä Toro-vaihtosuodattimia (osanro 86-6110 koneen vasemmalla puolella ja osanro 75-1310 koneen oikealla puolella).
Important: Muiden suodattimien käyttö saattaa mitätöidä joidenkin osien takuun.
Pysäköi kone tasaiselle alustalle, kytke seisontajarru, laske leikkuupöytä, sammuta moottori ja irrota virta-avain.
Puhdista suodattimen kiinnitysalueen ympäristö.
Aseta tyhjennysastia suodattimen alle ja irrota suodatin (Kuva 101).
Voitele uuden suodattimen tiiviste ja täytä suodatin hydraulinesteellä.
Varmista, että kaikki suodattimen asennuskohdat ovat puhtaita. Kierrä suodatinta, kunnes tiiviste koskettaa asennuslevyä. Kiristä sitten vielä puoli kierrosta.
Täytä säiliö hydraulinesteellä. Katso kohta Hydraulinesteen tarkistus.
Important: Käytä vain ohjeissa mainittuja hydraulinesteitä. Muut nesteet saattavat vahingoittaa järjestelmää.
Asenna säiliön mittatikku ja korkki.
Käynnistä moottori ja käytä kaikkia hydraulisia laitteita, jotta hydraulineste leviää koko järjestelmään.
Note: Varmista myös, että vuotoja ei ole. Sammuta sitten moottori.
Tarkista nestemäärä ja lisää nestettä mittatikun Full-merkintään saakka.
Note: Älä täytä liikaa.
| Huoltoväli | Huoltotoimenpide |
|---|---|
| Kahden vuoden välein |
|
Paineella suihkuava hydraulineste voi läpäistä ihon ja aiheuttaa vammoja.
Jos nestettä joutuu ihon alle, hakeudu välittömästi lääkäriin.
Varmista, että kaikki hydrauliletkut ja -putket ovat hyvässä kunnossa ja että kaikki hydrauliputkien liitokset ja liittimet ovat tiukalla, ennen kuin lisäät hydraulijärjestelmän painetta.
Pidä keho ja kädet kaukana vuotavista rei’istä ja suuttimista, joista suihkuaa korkeapaineista hydraulinestettä.
Etsi hydraulinestevuotoja pahvin tai paperin avulla.
Poista paine varovasti hydraulijärjestelmästä, ennen kuin huollat järjestelmää.
Tarkista päivittäin, ettei hydrauliletkuissa ja -putkissa ole vuotoja, kulumia, säävahinkoja tai kemiallisia vaurioita ja etteivät letkut ole kiertyneet eivätkä kiinnitykset tai liitännät löystyneet. Suorita kaikki tarvittavat korjaukset ennen koneen käyttöä.
Testiporttien avulla testataan hydraulipiirien paine. Ota yhteys valtuutettuun Toro-jälleenmyyjään tai katso lisätietoja Toron huolto-oppaasta.
Note: Vaikka tätä toimenpidettä ei tarvitse suorittaa normaalin huollon yhteydessä, etuleikkuuyksikkö voidaan kääntää pystyyn.
Nosta etuleikkuuyksikkö hieman irti lattiasta, kytke seisontajarru, sammuta moottori ja irrota virta-avain.
Tee ennen huoltoa tehtävät toimenpiteet. Katso kohta Huoltoa edeltävät toimenpiteet.
Poista pidike ja irrota vaimenninyksikkö leikkuuyksiköstä (Kuva 102).

Irrota sokka ja liitintappi, jotka kiinnittävät leikkuukorkeusketjut leikkuuyksikön takaosaan (Kuva 103).

Käynnistä moottori ja nosta etuleikkuuyksikköä hitaasti. Sammuta moottori ja irrota virta-avain.
Kiilaa puukappale leikkuupöydän takaosan ja koneen väliin (Kuva 104).

Pyydä toista henkilöä pitelemään leikkuuyksikön etuosaa ja poista puukappale.
Istuudu istuimelle, käynnistä moottori ja laske leikkuuyksikköä, kunnes se on vain vähän irti maasta.
Kiinnitä leikkuukorkeusketjut leikkuuyksikön takaosaan.
Kytke vaimenninyksikkö ja kiinnitä se pidikkeellä.
Leikkuupöydän kaltevuus tarkoittaa leikkuukorkeuden erotusta terätason etureunan ja takareunan välillä. Terän suositeltava kaltevuus on 6,3–9,7 mm. Tällöin terätason takareuna on 7,5 mm korkeammalla kuin terätason etureuna.
Pysäköi kone tasaiselle alustalle, kytke seisontajarru, laske leikkuupöytä, sammuta moottori ja irrota virta-avain.
Aseta leikkuuyksikkö haluttuun leikkuukorkeuteen.
Varmista, että siivekkeet ovat samassa tasossa etuleikkuupöydän kanssa ja että etuleikkuupöytä on vaakasuorassa sivusuuntaisesti.
Käännä teriä niin, että ne osoittavat suoraan eteenpäin (Kuva 105).

Mittaa lyhyen viivaimen avulla etäisyys lattiasta etuterän etukärkeen ja kirjaa lukema ylös.
Mittaa etäisyys lattiasta siiveketerän takakärkeen ja kirjaa lukema ylös.
Laske kunkin terän kaltevuus vähentämällä etumitta takamitasta.
Löysää vastamuttereita leikkuukorkeusketjun U-pultin ylä- tai alapäästä (Kuva 106).
Note: Löysää tai kiristä leikkuukorkeusketjun muttereita yhtä paljon niin, että leikkuupöytä pysyy vaakasuorassa sivusuuntaisesti.

Nosta tai laske leikkuuyksikön takaosaa ja aseta oikea leikkuupöydän kaltevuus terien keskimääräisen kaltevuuden perusteella säätämällä toista mutterisarjaa.
Kiristä vastamutterit.
Irrota kiristyskanta kara-akselista ja liu’uta kara pois kääntöpyörän varresta (Kuva 107).

Nosta tai laske kääntöpyörää sijoittamalla välilevyt niin, että leikkuuyksikkö on oikeassa kaltevuudessa.
Asenna kiristyskanta.
Kääntöpyörien varsien holkit on painettu putken ylä- ja alapäähän, ja runsaan käytön jälkeen holkit kuluvat. Tarkasta holkit siirtämällä kääntöpyörän haarukkaa edestakaisin ja sivulta toiselle. Jos kääntöpyörän kara on löysällä holkkien sisällä, holkit ovat kuluneet, ja ne on vaihdettava.
Irrota kiristyskanta ja kääntöpyörän haarukka (Kuva 107).
Note: Kirjaa ylös aluslaattojen ja välikappaleiden sijainti ennen irrotusta, jotta leikkuupöydän kaltevuutta ei tarvitse säätää uudelleen.
| Huoltoväli | Huoltotoimenpide |
|---|---|
| 500 käyttötunnin välein |
|
Irrota lukkomutteri pultista, jolla kääntöpyöräkokoonpano on kiinnitetty kääntöpyörän haarukan tai kääntöpyörän varren väliin (Kuva 108).

Tartu kääntöpyörään ja irrota pultti haarukasta tai kääntövarresta (Kuva 108).
Irrota laakeri pyörännavasta ja päästä laakerin välikappale putoamaan (Kuva 108).
Irrota laakeri pyörännavan vastakkaiselta puolelta (Kuva 108).
Tarkasta, etteivät laakerit, välikappale ja pyörännavan sisäpuoli ole kuluneet.
Note: Vaihda vaurioituneet osat.
Työnnä laakeri pyörännapaan kääntöpyörän kokoamista varten.
Note: Asentaessasi laakereita paina laakerin ulompaa vierintäpintaa.
Liu’uta välikappale pyörännapaan. Työnnä toinen laakeri pyörännavan avoimeen päähän siten, että se kiinnittyy pyörännavan sisällä olevaan laakerin välikappaleeseen.
Asenna kääntöpyöräkokoonpano kääntöpyörän haarukan väliin ja kiinnitä se pultilla ja lukkomutterilla.
Terä on tarkistettava säännöllisesti kulumisen ja vaurioiden varalta.
Ole varovainen, kun tarkastat teriä. Kiedo terien ympärille esimerkiksi kangas tai käytä käsineitä ja noudata varovaisuutta teriä huoltaessasi. Terät saa ainoastaan vaihtaa tai teroittaa. Niitä ei saa suoristaa eikä hitsata.
Ole varovainen käsitellessäsi moniteräisiä koneita, sillä yhden terän kääntäminen saattaa kääntää myös muita teriä.
Jos kone osuu vieraaseen esineeseen, tarkasta, onko koneessa vaurioita ja korjaa ne ennen laitteen käynnistämistä ja käyttämistä. Kiristä kaikki karapyörän mutterit momenttiin 176–203 N·m.
Nosta leikkuuyksikkö.
Tee ennen huoltoa tehtävät toimenpiteet. Katso kohta Huoltoa edeltävät toimenpiteet.
Tue leikkuuyksikkö siten, ettei se pääse vahingossa putoamaan alas.
Käännä terää, kunnes päät osoittavat eteen- ja taaksepäin. Mittaa etäisyys leikkuuyksikön sisäpinnasta terän etuosan leikkuusärmään (Kuva 109).
Note: Merkitse mitta muistiin.

Käännä terän vastakkainen pää osoittamaan eteenpäin ja mittaa leikkuuyksikön ja terän leikkuusärmän etäisyys samassa asennossa kuin vaiheessa 4.
Note: Vaiheiden 4 ja 5 välisten mittojen ero ei saa olla yli 3 mm. Jos ero on yli 3 mm, terä on vaihdettava, koska se on taipunut. Katso kohta Leikkuuyksiköiden terien irrotus ja asennus.
Vaihda terä, jos se osuu kiinteään esineeseen tai jos se on epätasapainossa tai taipunut. Käytä aina alkuperäisiä Toro-vaihtoteriä, jotta turvallisuus ja suorituskyky olisivat parhaat mahdolliset.
Pysäköi kone tasaiselle alustalle, nosta leikkuuyksikkö kuljetusasentoon, kytke seisontajarru, sammuta moottori ja irrota virta-avain.
Note: Tue leikkuuyksikkö siten, ettei se pääse vahingossa putoamaan alas.
Tartu terän päähän liinan tai paksun hansikkaan avulla.
Irrota teräpultti, nurmisuojakupu ja terä kara-akselista (Kuva 110).

Asenna terä, nurmisuojakupu ja teräpultti ja kiristä teräpultti momenttiin 115–149 N∙m.
Important: Terän kaarevan puolen on osoitettava leikkuuyksikön sisäpuolta kohti, jotta leikkuujäljestä tulee moitteeton.
Note: Jos terä on osunut vieraaseen esineeseen, kiristä kaikki karapyörän mutterit momenttiin 115–149 N·m.
| Huoltoväli | Huoltotoimenpide |
|---|---|
| 10 ensimmäisen käyttötunnin jälkeen |
|
| Aina ennen käyttöä tai päivittäin |
|
| 50 käyttötunnin välein |
|
Sekä leikkuusärmät että siipi, eli ylöspäin käännetty osa leikkuusärmää vastapäätä, vaikuttavat leikkuutulokseen. Siipi nostaa ruohon suoraksi pystyyn ja tuottaa tasaisen leikkuutuloksen. Siipi kuluu kuitenkin vähitellen käytön aikana, mikä heikentää leikuujäljen laatua terävistä leikkuusärmistä huolimatta. Terän leikkuusärmän on oltava terävä, jotta ruoho leikkautuu eikä repeydy. Leikkuusärmä on tylsä, kun ruohon kärjet ovat ruskeat ja repeytyneet. Teroita leikkuusärmät, jotta leikkuutulos parantuu.
Sijoita kone tasaiselle alustalle. Nosta leikkuuyksikkö, kytke seisontajarru ja aseta ajopoljin VAPAA-asentoon. Varmista, että voimanulosoton kytkin on POIS-asennossa, sammuta moottori ja irrota virta-avain.
Tarkasta terän leikkuusärmät huolellisesti (kiinnitä huomiota varsinkin kohtiin, joissa terän tasaiset ja käyrät osat kohtaavat) kuvan mukaisesti (Kuva 111).
Note: Koska hiekka ja hankaavat materiaalit voivat kuluttaa metallia, jolla terän tasaiset ja käyrät osat liittyvät toisiinsa, tarkasta terä ennen koneen käyttöä. Vaihda terä, jos siinä on kulumisen merkkejä (Kuva 111).

Tarkasta kaikkien terien leikkuusärmät.
Teroita leikkuusärmät, jos ne ovat tylsät tai urautuneet (Kuva 112).

Note: Teroita vain leikkuusärmän yläosa ja säilytä alkuperäinen leikkuukulma, jotta terävyys säilyy.
Note: Terä säilyttää tasapainonsa, kun molemmista leikkuusärmistä poistetaan metallia yhtä paljon.
Note: Irrota terät ja teroita ne hiomalaitteessa. Asenna leikkuusärmien teroituksen jälkeen terä, nurmisuojakupu ja teräpultti. Katso Leikkuuyksiköiden terien irrotus ja asennus.
Jos saman leikkuuyksikön terät ovat epätasapainossa, ruohon leikkausjäljessä on raitoja. Ongelma voidaan korjata varmistamalla, että terät ovat suorassa.
Käytä 1 m:n pituista vesivaakaa ja etsi tasainen pinta työpajan lattialta.
Nosta leikkuukorkeus ylimpään asentoon. Katso kohta Leikkuukorkeuden säätö.
Laske leikkuuyksikkö tasaiselle alustalle ja irrota leikkuuyksikön päällä olevat suojukset.
Käännä teriä, kunnes päät osoittavat eteen- ja taaksepäin.
Mittaa etäisyys lattiasta leikkuusärmän etukärkeen. Merkitse mitta muistiin.
Käännä samaa terää siten, että sen vastakkainen pää osoittaa eteenpäin, ja mittaa uudelleen.
Note: Näiden etäisyyksien välinen ero saa olla korkeintaan 3 mm. Jos etäisyys on yli 3 mm, vaihda terä, koska se on taipunut. Mittaa kaikki terät.
Varmista, että leikkuupöytä on vaakasuorassa sivusuuntaisesti ja säädä tarvittaessa.
Asenna hihnasuojukset.
Important: Käsittele ohjaamon tiivisteitä ja valoja varovaisesti (Kuva 113). Jos käytät painepesuria, pidä pesurin suutin ainakin 60 cm:n päässä koneesta. Älä pese ohjaamon tiivisteitä ja valoja tai takaulokkeen alapuolta suoraan painepesurilla.

| Huoltoväli | Huoltotoimenpide |
|---|---|
| 250 käyttötunnin välein |
|
Irrota ruuvit ja säleiköt ohjaamon sisällä ja takana olevista ilmansuodattimista (Kuva 114 ja Kuva 115).


Puhdista suodattimet puhaltamalla puhdasta, öljytöntä paineilmaa niiden läpi.
Important: Vaihda suodatin, jos siinä on reikä, repeämä tai muu vaurio.
Asenna suodattimet ja säleikkö ja kiinnitä ne siipiruuveilla.
Ohjaamon esisuodatin estää suuria roskia, kuten ruohonkorsia ja lehtiä, päätymästä ohjaamon suodattimiin.
Käännä sihdin suojus alas.
Puhdista suodatin vedellä.
Important: Älä käytä painepesuria.
Note: Vaihda suodatin, jos siinä on reikä, repeämä tai muu vaurio.
Anna esisuodattimen kuivua ennen kuin asennat sen koneeseen.
Käännä suodattimen sihtiä kielekkeissä, kunnes salpa lukittuu salvan kannatinkokoonpanoon (Kuva 116).

| Huoltoväli | Huoltotoimenpide |
|---|---|
| 250 käyttötunnin välein |
|
Irrota jokaisen puhaltimen johto.

Irrota molemmat nupit ja irrota puhallinkokoonpano.
Avaa ilmastointilaitteen kokoonpanon neljä salpaa ja irrota ritilä.

Irrota ilmansuodattimet (katso Kuva 115).
Puhdista ilmastointilaitteen kokoonpano.
Asenna ilmansuodattimet, ritilä ja puhallinkokoonpano (Kuva 115, Kuva 117 ja Kuva 118).
Kytke jokaisen puhaltimen johto (Kuva 117).
Sammuta moottori, irrota virta-avain ja odota, että kaikki liikkuvat osat pysähtyvät, ennen kuin poistut käyttäjän paikalta. Anna koneen jäähtyä ennen sen säätöä, huoltoa, puhdistusta tai varastointia.
Älä säilytä konetta tai polttoainesäiliötä tilassa, jossa on avotuli, kipinöitä tai varmistusliekki (esimerkiksi vedenlämmitin tai muu vastaava laite).
Important: Älä puhdista konetta suolapitoisella tai kierrätetyllä vedellä.
Puhdista ajoyksikkö, leikkuuyksiköt ja moottori huolellisesti.
Tarkista rengaspaine. Täytä kaikki ajoyksikön renkaat paineeseen 0,83–1,03 bar.
Tarkista, etteivät kiinnikkeet ole löysällä, ja kiristä tarvittaessa.
Rasvaa kaikki rasvanipat ja nivelet. Pyyhi pois ylimääräinen voiteluaine.
Hio varovasti ja maalaa korjausmaalilla maalipinnat, jotka ovat naarmuuntuneet, lohkeilleet tai ruostuneet. Korjaa kaikki metallirungossa olevat kolhut.
Huolla akku ja kaapelit seuraavasti:
Irrota akkuliittimet akun navoista.
Note: Irrota ensin miinusnavan akkukenkä ja vasta sitten plusnavan akkukenkä. Kytke ensin plusnavan akkukenkä ja vasta sitten miinusnavan akkukenkä.
Puhdista akku, akkukengät ja navat teräsharjalla ja ruokasoodaliuoksella.
Voitele kaapeliliittimet ja akun navat Grafo 112X -suojarasvalla (osanumero 505-47) tai vaseliinilla ruostumisen ehkäisemiseksi.
Lataa akku hitaasti 60 päivän välein 24 tunnin ajan, jotta akkuun ei muodostu lyijysulfaattia.
Tyhjennä moottoriöljy öljysäiliöstä ja asenna tyhjennystulppa paikalleen.
Irrota ja hävitä öljynsuodatin. Asenna uusi öljynsuodatin.
Lisää öljysäiliöön ilmoitettu määrä moottoriöljyä.
Käännä virta-avain KäYNNISSä-asentoon, käynnistä moottori ja käytä sitä joutokäynnillä noin kahden minuutin ajan.
Käännä virta-avain PYSäYTYS-asentoon.
Tyhjennä kaikki polttoaine perusteellisesti polttoainesäiliöstä ja letkuista sekä polttoainesuodatin-/vedenerotinkokoonpanosta.
Huuhtele polttoainesäiliö tuoreella ja puhtaalla dieselpolttoaineella.
Varmista kaikki polttoainejärjestelmän liitännät.
Puhdista ja huolla ilmanpuhdistinjärjestelmä perusteellisesti.
Tiivistä ilmanpuhdistimen imuaukko sekä pakoaukko säänkestävällä teipillä.
Tarkista pakkassuojaus ja lisää pakkasnestettä alueella odotettavissa olevan alimman lämpötilan mukaan.