Bakım
Uyarı
Makineye gerektiği gibi bakılmaması sistemlerinin erken arızalanmasına, bu da sizin veya etraftakilerin zarar görmesine yol açabilir.
Makineye her zaman bu talimatlarda belirtildiği gibi bakım yapın ve sorunsuz çalışır durumda olmasını sağlayın.
Note: Normal çalıştırma konumundan makinenin sol ve sağ tarafını belirleyin.
Bakım Güvenliği
-
Operatör konumundan ayrılmadan önce şunları yapın:
-
Makineyi düz bir zemine park edin.
-
Kesim ünitesini (ünitelerini) devre dışı bırakın.
-
Çekiş sisteminin Boş konumunda olduğunu teyit edin.
-
Park frenini etkinleştirin.
-
Makinenin motorunu kapatın ve anahtarını (varsa) çıkarın.
-
Tüm hareketin durmasını bekleyin.
-
-
Bakım yapmadan önce, makine bileşenlerinin soğumasını bekleyin.
-
Mümkünse, makine çalışıyorken bakım işi yapmayın. Hareketli parçalardan uzak durun.
-
Bir bakım ayarının yapılması için makinenin açık durumda olması gerekiyorsa ellerinizi, ayaklarınızı, giysilerinizi ve vücudunuzun tüm kısımlarını kesim ünitesinden, ek parçalardan ve hareketli parçalardan uzak tutun. Çevredekileri makineden uzak tutun.
-
Yangınları önlemek için kesim ünitesi, tahrik ünitesi, motor ve pildeki çimler ile kalıntıları temizleyin.
-
Tüm parçaların sorunsuz çalışır durumda kalmasını sağlayın. Aşınmış, hasar görmüş veya eksik parça ve etiketleri yenileriyle değiştirin. Makinenin emniyetli çalışma durumunda olmasını sağlamak için tüm donanımın sıkı olmasını sağlayın.
-
Çim yakalayıcı bileşenlerini sıkça kontrol edin, gerektiğinde yenileriyle değiştirin.
-
Makinenin emniyetli ve optimum performans sergilemesi için sadece orijinal Toro yedek parçalarını kullanın. Başka üreticilere ait yedek parçalar tehlikeli olabilir ve bunların kullanılması ürün garantisini geçersiz kılabilir.
-
Büyük onarımlar gerekiyorsa veya yardıma ihtiyacınız varsa, yetkili bir Toro Distribütörüne danışın.
Önerilen Bakım Çizelgesi
| Bakım Servisi Aralıkları | Bakım Prosedürü |
|---|---|
| Her kullanımdan sonra |
|
| Her 750 saatte |
|
Günlük Bakım Kontrol Listesi
Important: Rutin kullanım için bu sayfayı çoğaltın.
| Bakım Kontrol Öğesi | Bakım haftası: | ||||||
|---|---|---|---|---|---|---|---|
| Pzt. | Sal. | Çar. | Per. | Cum. | Cmt. | Paz. | |
| Fren kilidi kolunun çalışmasını kontrol edin. | |||||||
| Olağan dışı çalışma sesleri olup olmadığını kontrol edin. | |||||||
| Silindir-alt bıçak ayarını kontrol edin. | |||||||
| Kesim yüksekliği ayarını kontrol edin. | |||||||
| Hasar görmüş boyalı kısımlara rötuş yapın. | |||||||
| Makineyi temizleyin. | |||||||
| Kontrolü yapan: | ||
| Öğe | Tarih | Bilgi |
Bakım Öncesi Prosedürler
Makinenin Bakım için Hazırlanması
Uyarı
Siz makinenin bakımını veya ayarını yaparken, birisi makineyi çalıştırabilir. Makinenin bu şekilde çalıştırılması siz veya etraftakiler için ağır yaralanma tehlikesi yaratabilir.
Herhangi bir bakım yapmadan önce çekiş manivelasını serbest bırakın, park frenini etkinleştirin, anahtarı çıkarın ve pili makineden ayırın.
Makinede herhangi bir bakım, temizlik veya ayar yapmadan önce şunları gerçekleştirin:
-
Makineyi düz bir zemine park edin.
-
Park frenini etkinleştirin.
-
Makineyi kapatın.
-
Servis, depolama veya onarım yapmadan önce tüm hareketli parçaların durmasını bekleyin.
-
T kolu konnektörünü ana güç kaynağı konnektöründen (Şekil 34) çekerek pil bağlantısını kesin.

Elektrik Sistemi Bakımı
Elektrik Sistemi Emniyeti
-
Makineyi onarmadan önce pili makineden ayırın.
-
Pili, kıvılcım ve alevlerden uzak, iyi havalandırılan, açık bir ortamda şarj edin. Pili bağlamadan veya bağlantısını ayırmadan önce şarj cihazının fişini çekin. Koruyucu kıyafet giyin ve yalıtımlı aletler kullanın.
Pil Takımının Onarımı
Pil takımında kullanıcının onarabileceği tek parça, etiketlerdir. Pil takımının veya ana kontrol ünitesinin ana bölmesini açmaya çalışırsanız garantinizi geçersiz kılarsınız. Pil takımınızla ilgili bir sorun yaşıyorsanız yardım için yetkili Toro distribütörünüzle iletişime geçin.
Uyarı
Pil takımı, yanıklara veya elektrik çarpması sonucu ölmenize yol açabilecek yüksek voltaj barındırır.
-
Pil takımını açmaya çalışmayın.
-
Pil takımının konnektörüne ürünle birlikte gelen kablo demeti konnektöründen başka bir ürün takmayın.
-
Kutusu çatlamış bir pil takımına temas ederken son derece dikkatli olun.
-
Yalnızca pil takımı için tasarlanmış şarj cihazını kullanın
Pilin Bertaraf Edilmesi
Lityum-iyon pil, yerel ve federal yönetmeliklere uygun olarak bertaraf edilmeli veya geri dönüştürülmelidir.
Pil Şarj Cihazının Bakımı
Important: Tüm elektrik onarımları yalnızca yetkili bir Toro distribütörü tarafından gerçekleştirilmelidir.
Operatörün, şarj cihazını hasara ve hava koşullarına karşı korumak dışında yapabileceği çok az bakım vardır.
Pil Şarj Cihazı Kablolarının Bakımı
-
Kabloları her kullanımdan sonra hafif nemli bir bezle temizleyin.
-
Kullanmadığınız zamanlarda kabloları bobin haline getirin.
-
Kabloları hasara karşı düzenli olarak inceleyin ve gerektiğinde Toro tarafından onaylanmış kablolarla değiştirin.
Pil Şarj Cihazı Kutusunun Temizlenmesi
Kutuyu her kullanımdan sonra hafif nemli bir bezle temizleyin.
Sigortaların Değiştirilmesi
Makine şarj edilmiş olmasına rağmen açılmazsa aşağıdaki talimatlar doğrultusunda makinenin sigortalarını kontrol edin:
-
Makineyi kapatın ve pil takımının bağlantısını kesin.
-
Pil takımı kapağını sabitleyen 4 vidayı (Şekil 35) sökün ve kapağı çıkarın.

-
Sigorta blokundaki sigortaları kontrol edin (Şekil 36).

-
Herhangi bir sigorta atmışsa, uygun voltaj ve amperde bir sigorta ile değiştirin. Belirli sigorta parça numaraları için çekiş ünitesi Servis Kılavuzuna bakın.
Important: Makine üzerindeki tüm sigortalar 80 V için derecelendirilmiştir. Otomotiv tipi 12 V sigortalar kullanmayın.
Pil Arayüz Panelinin Okunması
Pil üzerindeki bir arayüz panelinde şarj durumu, şarj seviyesi, arızalar ve pil güncellemeleri dahil olmak üzere pil durumunu gösteren ışıklar yanar. Pil arayüz paneli hakkında daha fazla bilgi için yetkili Toro distribütörünüze başvurun.
Sürüş Sistemi Bakımı
Şanzıman Yağının Değiştirilmesi
| Bakım Servisi Aralıkları | Bakım Prosedürü |
|---|
Note: Bu prosedür için Şekil 37 bölümüne bakın.

-
Havalandırma deliği ve adaptör grubunu şanzımandan sökün.
-
Birinden yardım alarak makineyi geriye doğru yatırın ve şanzımanın altına bir kap yerleştirin.
Note: Şanzımandaki sıvıyı bu kapta toplayın.
-
Boşaltma tapasını şanzımandan çıkarın ve sıvının boşalmasını bekleyin.
-
Boşaltma tapasını takın.
-
Boşaltma tapasını 4 ila 5 N∙m torkla sıkın.
-
Adaptör havalandırma deliğinden 473 ml Dexron VI sentetik şanzıman yağı ekleyin.
-
Havalandırma deliği ve adaptör grubunu takın ve 12 ila 15 N∙m torkla sıkın.
Kontrol Sistemi Bakımı
Servis/Park Freninin Ayarlanması
Çalışma sırasında kayma yapıyorsa, servis/park frenini ayarlayın.
-
Park frenini devre dışı bırakın.
-
Park freni kolunun ucundaki hareket boşluğunu ölçün (Şekil 38).
Kolun ucundaki hareket boşluğu 12,7 ila 25,4 mm olmalıdır. Boşluk bu değerde değilse, fren kablosunu ayarlamak için 3. adıma geçin.

-
Fren kablosu gergisini ayarlamak için aşağıdaki adımları uygulayın:
-
Kablo gergisini artırmak için, ön kablo sıkma somununu gevşetin ve arka sıkma somununu sıkın (Şekil 39). Gerektiğinde gergiyi ayarlamak için 2 adımını tekrarlayın.
-
Kablo gergisini azaltmak için, arka sıkma somununu gevşetin ve ön kablo sıkma somununu sıkın (Şekil 39). Gerektiğinde gergiyi ayarlamak için 2 adımını tekrarlayın.
-

Kesim Ünitesi Bakımı
Bıçak Güvenliği
-
Silindir kesim ünitesini kontrol ederken dikkatli olun. Silindire bakım yaparken eldiven takın ve tedbirli olun.
-
Aşınmış veya hasar görmüş bir bıçak ya da alt bıçak kırılabilir, fırlayan bıçak parçaları size veya çevredekilere isabet edebilir ve ağır yaralanma veya ölüme yol açabilir.
-
Bıçakları ve alt bıçakları aşınma veya hasara karşı düzenli olarak kontrol edin.
-
Bıçakları kontrol ederken dikkatli olun. Bunlara bakım yaparken eldiven takın ve tedbirli olun. Bıçakları veya alt bıçakları sadece yenileriyle değiştirin ya da tersten bileyin, asla düzleştirmeyin veya kaynak uygulamayın.
-
Bıçaklara bakım yaparken güç bağlantısını kestikten sonra da bıçakları hareket ettirebileceğinizi unutmayın.
Kesim Ünitesinin Takılması (04835 ve 04845 Modelleri)
-
Destek ayağını KESIM ÜNITESI SERVIS konumuna getirin.
-
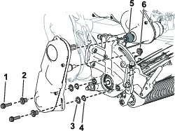
Silindir tahrik grubunu yan plakaya sabitleyen donanımı sökün (Şekil 40).

-
Silindir tahrik grubunu, düz rondelaları, yaylı pulları ve ara parçaları yan plakadan çıkarın (Şekil 40).
-
Kesim ünitesini şasiye hizalayın.
-
Kesim ünitesini şasiye sabitlemek için 4 adet düz başlı vida kullanın (Şekil 41).

-
Daha önce söktüğünüz düz başlı vidaları, rondelaları ve ara parçaları kullanarak silindir tahrik grubunu kesim ünitesi yan plakasına sabitleyin (Şekil 42).
Silindir tahrik grubu tahrik milinin, şanzıman tahrik mili kaplinine takıldığından emin olun (Şekil 42).

Kesim Ünitesinin Takılması (04865 Modeli)
-
Destek ayağını KESIM ÜNITESI SERVIS konumuna getirin.
-
Kesim ünitesini şasiye hizalayın.
-
Süspansiyon kilit mandallarını bastırarak kesim ünitesini makineye sabitleyin (Şekil 43).

-
Ayar halkasını şanzıman kaplin mili oluğundan çıkarın ve altıgen boruyu kesim ünitesi kaplin miline sokun (Şekil 43).
-
Çim sepetini takın.
Kesim Ünitesinin Çıkarılması(04835 ve 04845 Modelleri)
Kesim Ünitesinin Çıkarılması (04865 Modeli)
Note: Kesim ünitesi çıkarılmışken silindir donanımını etkinleştirirseniz altıgen boru ayrılır.
-
Destek ayağını KESIM ÜNITESI SERVIS konumuna getirin.
-
Çim sepetini (varsa) çıkarın.
-
Ayar halkasını (Şekil 46) şanzıman mili oluğunun içine geçirin.
Note: Bu, yayın gergisini alacaktır.
-
Altıgen boruyu kaydırarak kesim ünitesi kaplin milinden çıkarın (Şekil 46).

-
Süspansiyon kilit mandallarını yukarı iterek kesim ünitesini makineden ayırın (Şekil 46).
-
Kesim ünitesini şasiden sökün.
Kesim Ünitesine Ters Bileyleme Yapılması
Kesim ünitesini geriye yaslamak için aşağıdaki seçeneklerden birini uygulayın:
-
Access Ters Bileyleme Setini (139-4342 Modeli) takın ve bir ters bileyleme makinesi kullanın. Bu seti almak için yetkili Toro distribütörünüze danışın.
-
Bilgi Merkezi’ni kullanarak Ters Bileyleme Moduna girin.
Ters Bileyleme Moduna girmek için SERVIS menüsünden TERS BILEYLEME öğesini seçin. Kesim ünitesini ters bileylemek için Bilgi Merkezi'ndeki komutları izleyin.
Note: Manivela serbest bırakıldığında Ters Bileyleme Modu devre dışı kalır. Manivelayı takıldığı konuma sabitlemek için manivela yakalama çatalını (bağımsız parça torbasında gönderilir) kullanabilirsiniz.Ters bileyleme işleminiz tamamlandıktan sonra manivela yakalama çatalını çıkarın.

Temizlik
Makinenin Temizlenmesi
| Bakım Servisi Aralıkları | Bakım Prosedürü |
|---|---|
| Her kullanımdan sonra |
|
Her kullanımdan sonra makineyi yumuşak deterjan ve suyla yıkayın. Makineyi basınçlı makinelerle yıkamayın. Özellikle vites kolu plakasının, Bilgi Merkezi'nin, güç merkezinin ve makine güç konnektörünün yakınında aşırı su kullanmaktan kaçının. Çalışma sırasında uygun soğutmanın sağlanabilmesi için motoru temizleyin. Ayrıca, beyaz rengini koruması için pil takımını mümkün olduğunca temiz tutun. Beyaz renk güneş ışığını yansıtır ve pilin güneşte aşırı ısınmasını önler.
Important: Makineyi temizlemek için tuzlu veya arıtılmış atık su kullanmayın.
Important: Makineyi her zaman doğrudan güneş ışığı almayan bir yerde saklayın veya park edin; aksi takdirde güneşten kaynaklanan ısınma pil takımının ömrünü kısaltır.




çok dikkat
edin. Talimatlara uyulmaması bedensel yaralanmalara veya ölüme
yol açabilir.


























)
























(Kapalı) olarak değiştirin.
(Açık) konumuna getirin, PIN kodunu
ayarlayın ve kontak anahtarını OFF (Kapalı) konumuna ve ardından ON (Açık) konumuna çevirin.

görüntülenir.





