| Intervalo de mantenimiento y servicio | Procedimiento de mantenimiento |
|---|---|
| Cada vez que se utilice o diariamente |
|
Este cortacésped de asiento de cuchillas rotativas está diseñado para ser usado por operadores profesionales contratados. Está diseñado principalmente para segar césped bien mantenido en zonas verdes residenciales o comerciales. El uso de este producto para otros propósitos que los previstos podría ser peligroso para usted y para otras personas.
Lea este manual detenidamente para aprender a utilizar y mantener correctamente su producto, y para evitar lesiones y daños al producto. Usted es responsable de utilizar el producto de forma correcta y segura.
Visite www.Toro.com para buscar materiales de formación y seguridad o información sobre accesorios, para localizar un distribuidor o para registrar su producto.
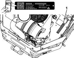
Cuando necesite asistencia técnica, piezas genuinas Toro o información adicional, póngase en contacto con un Servicio Técnico Autorizado o con Asistencia al Cliente de Toro, y tenga a mano los números de modelo y serie de su producto. La Figura 1 identifica la ubicación de los números de serie y de modelo en el producto. Escriba los números en el espacio provisto.
Important: Con su dispositivo móvil, puede escanear el código QR de la calcomanía del número de serie (en su caso) para acceder a información sobre la garantía, las piezas, y otra información sobre el producto.

Este manual utiliza 2 palabras para resaltar información. Importante llama la atención sobre información mecánica especial, y Nota resalta información general que merece una atención especial.
El símbolo de alerta de seguridad (Figura 2) aparece tanto en este manual como en la máquina para identificar mensajes de seguridad importantes que debe seguir para evitar accidentes. Este símbolo aparecerá junto a la palabra Danger (Peligro), Warning (Advertencia) o Caution (Cuidado).
Peligro: Indica una situación peligrosa inminente, que si no se evita, causará la muerte o lesiones graves.
Advertencia indica una situación potencialmente peligrosa que si no se evita, podría causar la muerte o lesiones graves.
Cuidado indica una situación potencialmente peligrosa que si no se evita, podría causar lesiones menores o moderadas.

El uso o la operación del motor en cualquier terreno forestal, de monte o cubierto de hierba a menos que el motor esté equipado con parachispas (conforme a la definición de la sección 4442) mantenido en buenas condiciones de funcionamiento, o haya sido fabricado, equipado y mantenido para la prevención de incendios, constituye una infracción de la legislación de California (California Public Resource Code Section 4442 o 4443).
El manual del propietario del motor adjunto ofrece información sobre las normas de la U.S. Environmental Protection Agency (EPA) y de la California Emission Control Regulation sobre sistemas de emisiones, mantenimiento y garantía. Puede solicitarse un manual nuevo al fabricante del motor.
Par bruto o neto: el par bruto o neto de este motor fue calculada por el fabricante del motor con arreglo a lo estipulado en el documento J1940 o J2723 de la Society of Automotive Engineers (Sociedad de Ingenieros del Automóvil - SAE). Debido a que el motor está configurado para cumplir los requisitos de seguridad, emisiones y operación, su potencia real en este tipo de cortacésped será significativamente menor. Consulte la información del fabricante del motor incluida con la máquina.
Important: Si utilizará un máquina con motor Toro a una altura superior a 1500 m (5000 pies) por un periodo prolongado, asegúrese de que el kit de gran altitud se haya instalado de modo que el motor cumpla con las normativas de emisiones CARB/EPA. El kit de gran altitud aumenta el rendimiento del motor mientras que previene la suciedad de la bujía, la dificultad de arranque y las emisiones aumentadas. Una vez que haya instalado el kit, coloque la etiqueta de gran altitud al lado de la pegatina de número de serie en la máquina. Póngase en contacto con cualquier distribuidor autorizado de Toro para obtener el kit de gran altitud adecuado y la etiqueta de gran altitud para su máquina. Para localizar un distribuidor cerca de usted, visite nuestra página web www.Toro.com o llame a nuestro Departamento de Atención al Cliente (Toro Customer Care Department) a los números que se encuentran en su Declaración de Garantía de Control de Emisiones.Retire el kit del motor y restablezca el motor a su configuración de fábrica original cuando se utilice por debajo de 1500 m (5000 pies). No opere en altitudes inferiores un motor que ha sido transformado para su uso en altitudes elevadas; de lo contrario, podría sobrecalentar y dañar el motor.Si no está seguro de su máquina ha sido transformada para su uso en altitudes elevadas, consulte la siguiente etiqueta.

CALIFORNIA
Advertencia de la Propuesta 65
Los gases de escape de este producto contienen productos químicos que el Estado de California sabe que causan cáncer, defectos congénitos u otros peligros para la reproducción.
Los bornes, terminales y otros accesorios de la batería contienen plomo y compuestos de plomo, productos químicos reconocidos por el Estado de California como causantes de cáncer y daños reproductivos. Lávese las manos después de manejar el material.
El uso de este producto puede provocar la exposición a sustancias químicas que el Estado de California considera causantes de cáncer, defectos congénitos u otros trastornos del sistema reproductor.
Este producto es capaz de amputar manos y pies y de lanzar objetos al aire. Siga siempre todas las instrucciones de seguridad con el fin de evitar lesiones personales graves o la muerte.
Lea y comprenda el contenido de este Manual del operador antes de arrancar el motor.
Mantenga alejadas a otras personas y a niños.
No deje que la máquina sea utilizada o mantenida por niños o por personas que no hayan recibido la formación adecuada. Sólo permita que manejen o mantengan la máquina personas responsables, formadas, familiarizadas con las instrucciones y físicamente capaces de utilizar la máquina.
Mantenga siempre la barra antivuelco en la posición de totalmente elevada y bloqueada, y utilice el cinturón de seguridad.
No utilice la máquina cerca de terraplenes, fosas, taludes, agua, u otros peligros, o en pendientes de más de 15°.
No coloque las manos o los pies cerca de los componentes en movimiento de la máquina.
No utilice la máquina sin que estén colocados y funcionen correctamente todos los protectores, interruptores de seguridad y otros dispositivos de protección o seguridad.
Pare el motor, retire la llave y espere a que se detengan todas las piezas en movimiento antes de abandonar el puesto del operador. Deje que se enfríe la máquina antes de hacer trabajos de ajuste, mantenimiento, repostaje, limpieza o almacenamiento.

![]() |
Las pegatinas de seguridad e instrucciones están a la vista del operador y están ubicadas cerca de cualquier zona de peligro potencial. Sustituya cualquier calcomanía que esté dañada o que falte. |



















La pegatina 131-1097 es para motores Toro solamente.

La pegatina 126-8383 es únicamente para máquinas que no tengan MyRide.

La pegatina 132-0871 es para modelos con MyRide solamente.

La pegatina 132-5067 es para modelos con MyRide solamente.


Familiarícese con todos los controles antes de poner en marcha el motor y trabajar con la máquina.

El interruptor de encendido, que se utiliza para arrancar y apagar el motor, tiene tres posiciones: PARADA, MARCHA y ARRANQUE. Consulte Cómo arrancar el motor.
Utilice el enchufe eléctrico (Figura 6) para alimentar dispositivos móviles.
Utilice el interruptor de las luces para ENCENDER o APAGAR las luces (Figura 6).
Utilice el control del estárter para poner en marcha el motor en frío.
El acelerador controla la velocidad del motor y tiene un ajuste variable continuo de LENTO a RáPIDO (Figura 6).
El mando de control de las cuchillas, representado por un símbolo de toma de fuerza (TDF), engrana y desengrana la transmisión de potencia a las cuchillas del cortacésped (Figura 6).
El horímetro registra el número de horas de operación de la máquina. Funciona cuando el motor está en marcha. Utilice el recuento de horas para programar el mantenimiento regular (Figura 7).

Hay una serie de símbolos en el contador de horas, que indican con un triángulo negro si el componente de seguridad está en la posición correcta (Figura 7).
Si se gira el interruptor de encendido a la posición de CONECTADO durante unos segundos, se muestra el voltaje de la batería en la zona donde normalmente se muestran las horas de uso.
La luz de la batería se enciende al accionarse el interruptor de encendido, y cuando la carga está por debajo del nivel correcto de operación Figura 7.
La unidad de control electrónica (UCE) monitoriza constantemente el funcionamiento del sistema de control de combustible.
Si se detecta un problema o una avería en el sistema, se enciende el indicador de avería multifunción (IAM).
El IAM es el piloto rojo situado en el panel derecho de la consola.
Si se enciende el IAM, realice las comprobaciones iniciales de localización de fallos; consulte la sección IAM, en .
Si estas comprobaciones no corrigen el problema, será necesario que un Servicio Técnico Autorizado realice un diagnóstico y mantenimiento completos.
Las palancas de control de movimiento se utilizan para conducir la máquina hacia adelante, hacia atrás y girarla en ambos sentidos (Figura 5).
Mueva las palancas de control de movimiento hacia fuera, desde la posición central a la posición de BLOQUEO/PUNTO MUERTO antes de bajarse de la máquina (Figura 29). Ponga siempre las palancas de control de movimiento en posición de BLOQUEO/PUNTO MUERTO cuando pare la máquina o antes de dejarla desatendida.
Cada vez que apaga el motor, ponga el freno de estacionamiento para evitar que la máquina se desplace accidentalmente.
Cierre la válvula de cierre de combustible antes de transportar o almacenar la máquina; consulte Uso de la válvula de cierre de combustible.
Note: Las especificaciones y diseños están sujetos a modificación sin previo aviso.
| Carcasa de 122 cm (48") | Carcasa de 132 cm (52") | Carcasa de 152 cm (60") | |
|---|---|---|---|
| Sin carcasa de corte | 129 cm (51") | 137 cm (53-15/16") | 141 cm (55½") |
| Deflector elevado | 142 cm (56") | 147 cm (57-11/16") | 163 cm (64¼") |
| Deflector bajado | 160 cm (63⅛") | 171 cm (67-3/16") | 191 cm (75¼") |
| Deflector retirado | 132 cm (52⅛") | 141 cm (55⅝") | 156 cm (61⅝") |
| Carcasa de 122 cm (48") | Carcasa de 132 cm (52") | Carcasa de 152 cm (60") |
|---|---|---|
| 220 cm (86½") | 220 cm (86½") | 220 cm (86½") |
| Carcasa de 122 cm (48") | Carcasa de 132 cm (52") | Carcasa de 152 cm (60") | |
|---|---|---|---|
| Barra antivuelco – elevada | 182 cm (71⅝") | 185 cm (73") | 182 cm (71⅝") |
| Barra antivuelco – bajada (MyRide) | 126 cm (49½") | 126 cm (49½") | 126 cm (49½") |
| Barra antivuelco — bajada (máquinas sin MyRide) | 118 cm (46⅜") | 118 cm (46⅜") | 118 cm (46⅜") |
| Máquinas de 122 cm (48") | Máquinas de 132 cm (52") | Máquinas de 152 cm (60") |
|---|---|---|
| 445 kg (982 libras) | 455-491 kg (1004-1082 libras) | 481-510 kg (1060-1125 libras) |
| Peso sobre el enganche | Peso bruto de remolque * |
|---|---|
| 22 kg (49 libras) | 113 kg (250 libras) |
* El peso total del objeto que se está remolcando (por ejemplo, remolque con su carga, escarificadora arrastrada, aireador, etc.)
Está disponible una selección de aperos y accesorios homologados por Toro que pueden utilizarse con la máquina a fin de potenciar y aumentar sus prestaciones. Póngase en contacto con su Servicio Técnico Autorizado o con su distribuidor autorizado Toro, o visite www.Toro.com para obtener una lista de todos los aperos y accesorios homologados.
Para asegurar un rendimiento óptimo y mantener la certificación de seguridad de la máquina, utilice solamente piezas y accesorios genuinos Toro. Las piezas de repuesto y accesorios de otros fabricantes podrían ser peligrosos, y su uso podría invalidar la garantía del producto.
Note: Los lados derecho e izquierdo de la máquina se determinan desde la posición normal del operador.
No deje que la máquina sea utilizada o mantenida por niños o por personas que no hayan recibido la formación adecuada. La normativa local puede imponer límites sobre la edad del operador. El propietario es responsable de proporcionar formación a todos los operadores y mecánicos.
Inspeccione la zona donde se va a utilizar la máquina, y retire cualquier objeto que pudiera interferir con el funcionamiento de la máquina o que pudiera ser arrojado por la máquina.
Familiarícese con la operación segura del equipo, los controles del operador y las señales de seguridad.
Compruebe que los controles de presencia del operador, los interruptores de seguridad y los protectores están instalados y que funcionan correctamente. No utilice la máquina si no funcionan correctamente.
Pare el motor, retire la llave y espere a que se detengan todas las piezas en movimiento antes de abandonar el puesto del operador. Deje que se enfríe la máquina antes de hacer trabajos de ajuste, mantenimiento, repostaje, limpieza o almacenamiento.
Antes de segar, inspeccione la máquina para asegurarse de que los conjuntos de corte funcionan correctamente.
Evalúe el terreno para determinar cuáles son los equipos y aperos o accesorios apropiados que se requieren para operar la máquina de manera adecuada y segura.
Lleve ropa adecuada, incluyendo protección ocular, pantalón largo, calzado resistente y antideslizante y protección auricular. Si tiene el pelo largo, recójaselo, y no lleve joyas o prendas sueltas.
No lleve pasajeros en la máquina.
Mantenga a otras personas y a los animales domésticos alejados de la máquina durante el uso. Apague la máquina y los accesorios si alguien entra en la zona.
No utilice la máquina a menos que todos los protectores y dispositivos de seguridad, como por ejemplo los deflectores y el recogedor entero, estén colocados y funcionen correctamente. Sustituya cualquier pieza desgastada o deteriorada cuando sea necesario.
El combustible es extremadamente inflamable y altamente explosivo. Un incendio o una explosión provocados por el combustible puede causarle quemaduras a usted y a otras personas así como daños materiales.
Para evitar que una carga estática prenda el combustible, retire la máquina del camión o del remolque y repóstela en el suelo, lejos de otros vehículos. Si esto no es posible, coloque un recipiente de combustible portátil en el suelo, lejos de otros vehículos, y llénelo; luego reposte la máquina desde el recipiente de combustible en vez de usar un surtidor o boquilla dosificadora de combustible.
Llene el depósito de combustible en el exterior sobre terreno llano, en una zona abierta y con el motor frío. Limpie cualquier combustible derramado.
No maneje combustible si está fumando, ni cerca de una llama desnuda o chispas.
No retire el tapón de combustible ni añada combustible al depósito si el motor está caliente o en marcha.
Si se derrama combustible, no intente arrancar el motor. Evite crear una fuente de ignición hasta que los vapores del combustible se hayan disipado.
Almacene el combustible en un recipiente homologado y manténgalo fuera del alcance de los niños.
El combustible es dañino o mortal si es ingerido. La exposición a largo plazo a los vapores puede causar lesiones y enfermedades graves.
Evite la respiración prolongada de los vapores.
Mantenga las manos y la cara alejadas de la boquilla y de la abertura del depósito de combustible.
Mantenga el combustible alejado de los ojos y la piel.
No guarde la máquina o un recipiente de combustible en un lugar donde pudiera haber una llama desnuda, chispas o una llama piloto, por ejemplo en un calentador de agua u otro electrodoméstico.
No utilice la máquina a menos que esté instalado un sistema completo de escape en buenas condiciones de funcionamiento.
Mantenga la boquilla en contacto con el borde del depósito de combustible o el orificio del recipiente en todo momento hasta que termine de repostar. No utilice dispositivos que mantengan abierta la boquilla.
Si se derrama combustible sobre su ropa, cámbiese de ropa inmediatamente.
No llene demasiado el depósito de combustible. Vuelva a colocar el tapón de combustible y apriételo firmemente.
Limpie la hierba y los residuos de la unidad de corte, el silenciador, las transmisiones, el recogedor y el compartimento del motor para ayudar a prevenir incendios. Limpie cualquier aceite o combustible derramado.
Para obtener los mejores resultados, utilice solamente gasolina fresca (comprada hace menos de 30 días), sin plomo, de 87 o más octanos (método de cálculo (R+M)/2).
Etanol: Es aceptable el uso de gasolina con hasta el 10% de etanol (gasohol) o el 15% de MTBE (éter metil tert-butílico) por volumen. El etanol y el MTBE no son lo mismo. No está autorizado el uso de gasolina con el 15% de etanol (E15) por volumen. No utilice nunca gasolina que contenga más del 10% de etanol por volumen, como por ejemplo la E15 (contiene el 15% de etanol), la E20 (contiene el 20% de etanol) o la E85 (contiene hasta el 85% de etanol). El uso de gasolina no autorizada puede causar problemas de rendimiento o daños en el motor que pueden no estar cubiertos bajo la garantía.
No utilice gasolina que contenga metanol.
No guarde combustible en el depósito de combustible o en recipientes de combustible durante el invierno a menos que haya añadido un estabilizador.
No añada aceite a la gasolina.
Use un estabilizador/acondicionador en la máquina para obtener las siguientes ventajas:
Mantiene el combustible fresco durante más tiempo si se siguen las indicaciones del fabricante del estabilizador de combustible
Limpia el motor durante el funcionamiento.
Elimina la formación de depósitos pegajosos, con aspecto de barniz, en el sistema de combustible, que pueden dificultar el arranque.
Important: No utilice aditivos de combustible que contengan metanol o etanol.
Agregue la cantidad adecuada de estabilizador/acondicionador de combustible al combustible.
Note: Un estabilizador/acondicionador de combustible es más eficaz cuando se mezcla con combustible fresco. Para reducir al mínimo los depósitos de barniz en el sistema de combustible, utilice siempre un estabilizador de combustible.
Aparque la máquina en una superficie nivelada.
Ponga el freno de estacionamiento.
Apague el motor y retire la llave.
Limpie alrededor del tapón del depósito de combustible.
Llene el depósito de combustible hasta la parte inferior del cuello de llenado (Figura 8).
Note: No llene completamente el depósito de combustible. El espacio vacío en el depósito permitirá la dilatación de la gasolina.

Cada día, antes de arrancar la máquina, siga los procedimientos marcados como “Cada uso/A diario” en la sección .
Los motores nuevos necesitan tiempo para desarrollar toda su potencia. La fricción generada por las carcasas y los sistemas de propulsión de los cortacéspedes es mayor cuando éstos son nuevos, lo que supone una carga adicional para el motor. Las máquinas nuevas necesitan un periodo de rodaje de 40–50 horas para desarrollar la máxima potencia y el mejor rendimiento.
Para evitar lesiones o la muerte en caso de un vuelco, mantenga la barra antivuelco en posición totalmente elevada y bloqueada, y utilice el cinturón de seguridad.
Asegúrese de que el asiento está sujeto a la máquina.
No hay protección contra vuelcos cuando la barra antivuelco está bajada.
Baje la barra antivuelco únicamente cuando sea imprescindible.
No use el cinturón de seguridad si la barra antivuelco está bajada.
Conduzca lentamente y con cuidado.
Eleve la barra antivuelco tan pronto como haya espacio suficiente.
Compruebe cuidadosamente que hay espacio suficiente antes de conducir por debajo de cualquier objeto en alto (por ejemplo, ramas, portales, cables eléctricos) y no entre en contacto con ellos.
Important: Baje la barra antivuelco únicamente cuando sea imprescindible.
En ambos lados de la barra antivuelco, retire la chaveta y el pasador.
Baje la barra antivuelco.
Note: Hay 2 posiciones de bajada, como se muestra en la Figura 10.
Instale los 2 pasadores y sujételos con las chavetas.


Important: Utilice siempre el cinturón de seguridad cuando la barra antivuelco está en la posición elevada.
Retire las chavetas y retire los 2 pasadores.
Eleve la barra antivuelco a la posición vertical.
Instale los 2 pasadores y sujételos con las chavetas.

Si los interruptores de seguridad están desconectados o dañados, la máquina podría ponerse en marcha inesperadamente y causar lesiones personales.
No manipule los interruptores de seguridad.
Compruebe la operación de los interruptores de seguridad cada día, y sustituya cualquier interruptor dañado antes de operar la máquina.
El sistema de interruptores de seguridad ha sido diseñado para impedir que el motor arranque a menos que ocurra lo siguiente:
El freno de estacionamiento esté puesto.
El mando de control de las cuchillas (TDF) está desengranado.
Las palancas de control de movimiento estén en la posición de BLOQUEO/PUNTO MUERTO.
El sistema de interruptores de seguridad también está diseñado para parar el motor cuando se muevan las palancas de control de movimiento desde la posición de BLOQUEO DE PUNTO MUERTO con el freno de estacionamiento puesto, o si usted se levanta del asiento cuando la TDF está engranada.
El contador de horas tiene indicadores que notifican al usuario si el componente de seguridad está en la posición correcta. Cuando el componente está en la posición correcta, aparece un indicador en la pantalla.

| Intervalo de mantenimiento y servicio | Procedimiento de mantenimiento |
|---|---|
| Cada vez que se utilice o diariamente |
|
Verifique el sistema de interruptores de seguridad cada vez que vaya a utilizar la máquina. Si el sistema no funciona de la forma que se describe a continuación, póngase en contacto con un Servicio Técnico Autorizado para que lo reparen inmediatamente.
Siéntese en el asiento, ponga el freno de estacionamiento y mueva el mando de control de las cuchillas (TDF) a ENGRANADO. Intente arrancar el motor; el motor no debe arrancar.
Siéntese en el asiento, ponga el freno de estacionamiento y mueva el mando de control de las cuchillas (TDF) a DESENGRANADO. Mueva cualquiera de las palancas de control de movimiento fuera de la posición de BLOQUEO/PUNTO MUERTO. Intente arrancar el motor; el motor no debe arrancar. Repita con la otra palanca de control.
Siéntese en el asiento, ponga el freno de estacionamiento, mueva el mando de control de las cuchillas (TDF) a DESENGRANADO y mueva las palancas de control de movimiento a la posición de BLOQUEO/PUNTO MUERTO. Ahora arranque el motor. Con el motor en marcha, quite el freno de estacionamiento, engrane el mando de control de las cuchillas (TDF) y levántese un poco del asiento; el motor debe pararse.
Siéntese en el asiento, ponga el freno de estacionamiento, mueva el mando de control de las cuchillas (TDF) a DESENGRANADO y mueva las palancas de control de movimiento a la posición de BLOQUEO/PUNTO MUERTO. Ahora arranque el motor. Con el motor en marcha, ponga cualquiera de las palancas de control de movimiento en posición central y muévala (hacia adelante o hacia atrás); el motor debe pararse. Repita con la otra palanca de control.
Siéntese en el asiento, quite el freno de estacionamiento, mueva el mando de control de las cuchillas (TDF) a DESENGRANADO y mueva las palancas de control de movimiento a la posición de BLOQUEO/PUNTO MUERTO. Intente arrancar el motor; el motor no debe arrancar.
El asiento puede moverse hacia adelante y hacia atrás (Figura 13). Coloque el asiento en la posición que le permita controlar mejor la máquina y en la que esté más cómodo.

El asiento puede ajustarse para que la conducción sea más suave y cómoda. Coloque el asiento en la posición más cómoda para usted.
Para ajustarlo, gire el pomo situado en la parte delantera en cualquier sentido hasta encontrar la posición más cómoda (Figura 14).

El sistema de suspensión MyRide™ se ajusta para brindar una conducción sea más suave y cómoda. El ajuste de los 2 conjuntos de choque traseros es el ajuste más fácil y rápido para el cambio del sistema de suspensión. Coloque el sistema de suspensión donde le quede más cómodo.
Las ranuras para los conjuntos de choque traseros tienen posiciones de palancas de bloqueo para files de referencia. Los conjuntos de amortiguador traseros pueden colocarse en cualquier lugar de la ranura, no solo en las muescas de posicionamiento. El siguiente gráfico muestra la posición para una conducción blanda o firme y las posiciones de las diferentes muescas de posicionamiento (Figura 15).

Note: Asegúrese de que los conjuntos de choque traseros izquierdos y derechos siempre se ajusten en las mismas posiciones.
Ajuste los conjuntos de choque traseros (Figura 16).


El propietario/operador puede prevenir y es responsable de cualquier accidente que pueda provocar lesiones personales o daños materiales.
Dedique toda su atención al manejo de la máquina. No realice ninguna actividad que pudiera distraerle; de lo contrario, pueden producirse lesiones o daños materiales.
No utilice la máquina si está enfermo, cansado, o bajo la influencia de alcohol o drogas.
El contacto con la cuchilla puede causar lesiones personales graves. Pare el motor, retire la llave y espere a que se detengan todas las piezas en movimiento antes de abandonar el puesto del operador. Cuando gire la llave a la posición de DESCONECTADO, el motor debe apagarse y la cuchilla debe detenerse. Si no, deje de usar la máquina inmediatamente y póngase en contacto con un Servicio Técnico Autorizado.
Utilice la máquina solo en buenas condiciones de visibilidad y bajo condiciones meteorológicas apropiadas. No haga funcionar la máquina cuando hay riesgo de tormentas eléctricas.
Mantenga las manos y los pies alejados de las unidades de corte. Manténgase alejado del orificio de descarga.
No siegue con el deflector de descarga elevado, retirado o modificado, a menos que tenga colocado y en buenas condiciones de funcionamiento un sistema de recogida de hierba o un kit de mulching.
No corte el césped en marcha atrás a menos que sea absolutamente necesario. Mire siempre hacia abajo y detrás de usted antes de conducir la máquina en marcha atrás.
Extreme la precaución al acercarse a esquinas ciegas, arbustos, árboles u otros objetos que puedan bloquear su visión.
Pare las cuchillas siempre que no esté segando.
Si la máquina golpea un objeto o empieza a vibrar, apague inmediatamente el motor, retire la llave (en su caso), espere a que se detengan todas las piezas en movimiento antes de examinar la máquina en busca de daños. Haga todas las reparaciones necesarias antes de volver a utilizar la máquina.
Vaya más despacio y tenga cuidado al girar y al cruzar calles y aceras con la máquina. Ceda el paso siempre.
Antes de abandonar la posición del operador, haga lo siguiente:
Aparque la máquina en una superficie nivelada.
Desengrane la TDF y baje los accesorios.
Ponga el freno de estacionamiento.
Apague el motor y retire la llave.
Espere a que se detengan todas las piezas en movimiento.
Haga funcionar el motor únicamente en zonas bien ventiladas. Los gases de escape contienen monóxido de carbono, que es letal si se inhala.
No deje nunca desatendida la máquina si está funcionando.
Conecte los equipos remolcados a la máquina únicamente en el punto de enganche.
No utilice la máquina a menos que todos los protectores y dispositivos de seguridad, como por ejemplo los deflectores y el recogedor entero, estén colocados y funcionen correctamente. Sustituya cualquier pieza desgastada o deteriorada cuando sea necesario.
Utilice solamente accesorios y aperos homologados por Toro.
Esta máquina produce niveles sonoros que superan los 85 dBA en el oído del operador, y pueden causar pérdidas auditivas con períodos extendidos de exposición.

Limpie la hierba y los residuos de la unidad de corte, las transmisiones, el silenciador y el motor para prevenir incendios.
Arranque el motor con los pies bien alejados de las cuchillas.
Esté pendiente del sentido de descarga del cortacésped y no oriente la descarga hacia nadie. Evite descargar material contra una pared u otra obstrucción, porque el material podría rebotar hacia usted.
Pare las cuchillas, reduzca la velocidad de la máquina y extreme las precauciones al cruzar superficies que no sean de hierba o al transportar la máquina a y desde la zona de trabajo.
No cambie la velocidad del regulador del motor ni haga funcionar el motor a una velocidad excesiva.
A menudo los niños se sienten atraídos por la máquina y la actividad de segar. No suponga nunca que los niños van a permanecer en el último lugar en que los vio.
Mantenga a los niños alejados de la zona de trabajo y bajo la atenta mirada de un adulto responsable que no sea el operador.
Esté alerta y apague la máquina si entran niños en la zona de trabajo.
Antes de conducir en marcha atrás o girar la máquina, mire hacia abajo y hacia atrás para asegurarse de que no hay niños pequeños presentes.
No lleve niños en la máquina, incluso cuando las cuchillas no están en movimiento. Los niños podrían caerse y sufrir lesiones graves, o podrían impedir que usted maneje la máquina con seguridad. Cualquier niño que haya sido transportado en el pasado podría aparecer sin aviso en la zona de trabajo, y podría ser arrollado por la máquina, incluso en marcha atrás.
El ROPS es un dispositivo de seguridad integrado y eficaz. No retire ni modifique el ROPS.
No hay protección contra vuelcos cuando la barra antivuelco está bajada.
Mantenga la barra antivuelco en la posición de totalmente elevada y bloqueada, y lleve el cinturón de seguridad siempre que la barra antivuelco esté elevada.
Asegúrese de que el cinturón de seguridad puede ser desabrochado rápidamente en caso de emergencia.
Baje la barra antivuelco únicamente cuando sea imprescindible. No lleve el cinturón de seguridad cuando la barra antivuelco está bajada.
Eleve la barra antivuelco tan pronto como haya espacio suficiente.
Si una rueda pasa por un borde, una zanja o una orilla empinada, o entra en el agua, puede causar un vuelco, que puede dar lugar a lesiones graves o la muerte.
Compruebe cuidadosamente que hay espacio suficiente antes de conducir por debajo de cualquier objeto y no entre en contacto con ellos.
En caso de un vuelco, lleve la máquina a un Servicio Técnico Autorizado para que inspeccione el ROPS.
Si algún componente del ROPS está dañado, sustitúyalo. No lo repare ni lo cambie.
Utilice solamente accesorios y aperos instalados en el ROPS que hayan sido homologados por Toro.
Las pendientes son una de las principales causas de accidentes por pérdida de control y vuelcos, que pueden causar lesiones graves o la muerte. El operador es responsable de la seguridad cuando trabaja en pendientes. El uso de la máquina en cualquier pendiente exige un cuidado especial. Antes de usar la máquina en una pendiente, haga lo siguiente:
Lea y comprenda las instrucciones sobre pendientes del manual y las que están colocadas en la máquina.
Utilice un indicador de ángulo para determinar la inclinación aproximada de la zona.
No utilice la máquina nunca en pendientes de más de 15°.
Evalúe las condiciones del lugar de trabajo para determinar si es seguro trabajar en la pendiente con la máquina. Utilice el sentido común y el buen juicio al realizar este evaluación. Cualquier cambio que se produzca en el terreno, como por ejemplo un cambio de humedad, puede afectar rápidamente al uso de la máquina en una pendiente.
Identifique cualquier obstáculo situado en la base de la pendiente. No utilice la máquina cerca de terraplenes, fosas, taludes, agua, u otros peligros. La máquina podría volcar repentinamente si una rueda pasa por el borde de un terraplén o fosa, o si se socava un talud. Mantenga una distancia prudente (el doble de la anchura de la máquina) entre la máquina y cualquier obstáculo. Utilice una máquina dirigida o una desbrozadora manual para segar la hierba en estas zonas.
Evite arrancar, parar o girar la máquina en cuestas o pendientes. Evite hacer cambios bruscos de velocidad o de dirección; gire poco a poco, y a baja velocidad.
No utilice la máquina en condiciones que puedan comprometer la tracción, la dirección o la estabilidad de la máquina. Tenga en cuenta que conducir en hierba mojada, atravesar pendientes empinadas, o bajar cuestas puede hacer que la máquina pierda tracción. La transferencia de peso a las ruedas delanteras puede hacer que patine la máquina, con pérdida de frenado y de control de dirección. La máquina puede deslizarse incluso con las ruedas motrices inmovilizadas.
Retire o señale cualquier obstáculo, como zanjas, baches, surcos, montículos, rocas u otros peligros ocultos. La hierba alta puede ocultar obstáculos. Un terreno irregular puede hacer que la máquina vuelque.
Extreme las precauciones al trabajar con accesorios o aperos, como por ejemplo sistemas de recogida de hierba. Éstos pueden afectar a la estabilidad de la máquina y causar pérdidas de control. Siga las instrucciones sobre los contrapesos.
Si es posible, mantenga la carcasa bajada al suelo mientras trabaje en pendientes. La elevación de la carcasa mientras se trabaja en pendientes puede hacer que la máquina pierda estabilidad.

Enganche el equipo a remolcar únicamente en el punto de enganche.
No utilice la máquina como vehículo de remolque a menos que tenga un enganche instalado.
No supere el peso bruto de remolque.
No deje que se acerquen niños u otras personas al equipo remolcado.
En las pendientes, el peso del equipo remolcado puede causar una pérdida de tracción, aumentar el riesgo de vuelco o provocar una pérdida de control. Reduzca el peso remolcado y vaya más despacio.
La distancia de parada puede aumentar con el peso de la carga remolcada. Conduzca lentamente y deje una distancia de parada mayor.
Haga giros abiertos para mantener el accesorio alejado de la máquina.
Utilice la carcasa de corte como escalón para subirse al puesto del operador (Figura 19).

Ponga siempre el freno de estacionamiento cuando pare la máquina o cuando la deje desatendida.
Aparque la máquina en una superficie nivelada.


El mando de control de las cuchillas (TDF) arranca y detiene las cuchillas del cortacésped y cualquier accesorio conectado.
Note: El uso del mando de control de las cuchillas (TDF) con el acelerador en la posición intermedia o menos producirá un desgaste excesivo en las correas de transmisión.


Puede mover el control del acelerador entre las posiciones de RáPIDO y LENTO (Figura 24).
Utilice siempre la posición de RáPIDO para engranar la TDF.

Note: Si el motor está caliente, puede no ser necesario usar el estárter.
Important: No active el motor de arranque durante más de 5 segundos cada vez. Si se acciona el motor de arranque durante más de 5 segundos seguidos, puede dañarse. Si el motor no arranca, espere 10 segundos antes de utilizar el motor de arranque de nuevo.

Note: Consulte Figura 45 para conocer qué motor tiene usted.
Los niños u otras personas podrían resultar lesionados si mueven o intentan operar la máquina mientras está desatendida.
Retire siempre la llave y ponga el freno de estacionamiento cuando deje la máquina sin supervisión.
Deje el motor en ralentí a velocidad baja durante 60 segundos antes de girar el interruptor de encendido a Desconectado.

Important: Asegúrese de que la válvula de cierre de combustible está cerrada antes de transportar o almacenar la máquina para evitar fugas de combustible. Ponga el freno de estacionamiento antes de transportar la máquina. Retire la llave puesto que la bomba de combustible puede funcionar y hacer que la batería pierda su carga.
Note: Asegúrese de que el acelerador está en la posición de RáPIDO antes de parar el motor.

Important: Asegúrese de que la válvula de cierre de combustible está cerrada antes de transportar o almacenar la máquina para evitar fugas de combustible. Ponga el freno de estacionamiento antes de transportar la máquina. Retire la llave puesto que la bomba de combustible puede funcionar y hacer que la batería pierda su carga.

Las ruedas motrices giran de manera independiente, impulsadas por motores hidráulicos en cada eje. Un lado puede girar hacia atrás mientras el otro lado gira hacia adelante, haciendo que la máquina rote sobre su eje en lugar de trazar una curva. Esto mejora mucho la maniobrabilidad de la máquina, pero puede ser necesario un periodo de adaptación si no está familiarizado con este sistema.
El control del acelerador regula la velocidad del motor en rpm (revoluciones por minuto). Ponga el acelerador en posición RáPIDO para conseguir el mejor rendimiento. Siegue siempre con el acelerador en posición rápido.
La máquina puede girar muy rápidamente. Usted puede perder el control de la máquina y causar lesiones personales o daños a la máquina.
Extreme las precauciones al girar.
Reduzca la velocidad de la máquina antes de hacer giros cerrados.
Note: El motor se para si usted mueve el control de tracción con el freno de estacionamiento puesto.
Para detener la máquina, tire de las palancas de control de movimiento a la posición de PUNTO MUERTO.
Quite el freno de estacionamiento.
Mueva las palancas de control de movimiento a la posición central desbloqueada.
Para ir hacia adelante, empuje lentamente las palancas de control de movimiento hacia adelante (Figura 30).

Mueva las palancas de control de movimiento a la posición central desbloqueada.
Para ir hacia atrás, tire lentamente de las palancas de control de movimiento hacia atrás (Figura 31).

El cortacésped cuenta con un deflector de hierba abisagrado que dispersa los recortes de hierba a un lado y hacia abajo, hacia el césped.
Si la máquina no tiene correctamente montado un deflector de hierba, una tapa de descarga o un recogedor completo, usted y otras personas están expuestos a contacto con las cuchillas y a residuos lanzados al aire. El contacto con las cuchillas del cortacésped en rotación y con los residuos lanzados al aire causará lesiones o muerte.
No retire nunca el deflector de hierba de la carcasa de corte porque el deflector de hierba dirige el material hacia abajo, al césped. Si el deflector de hierba se deteriora alguna vez, sustitúyalo inmediatamente.
No coloque nunca las manos o los pies debajo de la carcasa del cortacésped.
No intente nunca despejar la zona de descarga o las cuchillas del cortacésped sin antes mover el mando de control de las cuchillas (TDF) a la posición de DESENGRANADO, girar el interruptor de encendido a DESCONECTADO y retirar la llave del interruptor de encendido.
Compruebe que el deflector de hierba está bajado.
Presione el pedal de elevación de la carcasa hacia adelante del todo para bloquear la carcasa de corte en la posición de TRANSPORTE (Figura 32).
Presione el pedal de elevación de la carcasa hacia adelante y empuje el bloqueo de transporte hacia adelante a la posición de DESBLOQUEADO, luego baje lentamente la carcasa de corte (Figura 32).

Puede ajustar la altura de corte de 38 mm a 127 mm (1½" a 5") en incrementos de 6 mm (¼") colocando el pasador en diferentes orificios.
Presione el pedal de elevación de la carcasa hacia adelante del todo para bloquear la carcasa de corte en la posición de TRANSPORTE (que es también la posición de altura de corte de 127 mm (5")), como se muestra en la Figura 33.
Para ajustar la altura de corte, retire el pasador del soporte de altura de corte (Figura 33).
Seleccione el orificio del soporte de altura de corte que corresponde a la altura de corte deseada, e inserte el pasador (Figura 33).
Presione el pedal de elevación de la carcasa hacia adelante, empuje el bloqueo de transporte hacia adelante, y baje lentamente la carcasa de corte.

Cada vez que usted cambie la altura de corte, ajuste también la altura de los rodillos protectores del césped.
Aparque la máquina en una superficie nivelada, desengrane el mando de control de las cuchillas y ponga el freno de estacionamiento.
Pare el motor, retire la llave y espere a que se detengan todas las piezas en movimiento antes de abandonar el puesto del operador.
Ajuste los rodillos protectores del césped según se muestra en Figura 34, Figura 35 y Figura 36.



Para aumentar al máximo la calidad de corte y la circulación de aire, trabaje con el motor en la posición de RáPIDO. Se requiere aire para cortar bien la hierba, así que no ponga la altura de corte tan baja como para rodear totalmente la carcasa de corte de hierba sin cortar. Trate siempre de tener un lado de la carcasa de corte libre de hierba sin cortar, para permitir la entrada de aire en la carcasa.
Corte la hierba algo más larga de lo habitual para asegurar que la altura de corte de la carcasa de corte no deje “calvas” en terrenos desiguales. Sin embargo, la altura de corte utilizada habitualmente suele ser la mejor. Si la hierba tiene más de 15 cm (6") de alto, es preferible cortar el césped dos veces para asegurar una calidad de corte aceptable.
Es mejor cortar solamente un tercio aproximadamente de la hoja de hierba. No se recomienda cortar más, a menos que la hierba sea escasa o al final del otoño, cuando la hierba crece más despacio.
Alterne la dirección de corte para mantener la hierba erguida. De esta forma también se ayuda a dispersar mejor los recortes sobre el césped y se conseguirá una mejor descomposición y fertilización.
La hierba crece a velocidades diferentes en diferentes épocas del año. Para mantener la misma altura de corte, corte el césped con más frecuencia durante la primavera. A medida que avanza el verano, la velocidad de crecimiento de la hierba decrece, por ello debe cortarse con menor frecuencia. Si no puede segar durante un período de tiempo prolongado, siegue primero con una altura de corte alta y, después de dos días, vuelva a segar con un ajuste más bajo.
Para mejorar la calidad de corte, utilice una velocidad de avance más baja en determinadas condiciones.
Al cortar césped de altura irregular, eleve la altura de corte para evitar arrancar el césped.
Si es necesario detener el avance de la máquina mientras se corta el césped, es posible que caiga un montón de recortes sobre el césped. Para evitar esto, diríjase con las cuchillas engranadas a una zona del césped que ya haya sido segada, o desengrane la carcasa de corte al desplazarse hacia adelante.
Limpie los recortes y la suciedad de los bajos de la carcasa de corte después de cada uso. Si se acumulan hierba y suciedad en el interior de la carcasa de corte, la calidad del corte llegará a ser insatisfactoria.
Mantenga las cuchillas afiladas durante toda la temporada de corte, ya que una cuchilla afilada corta limpiamente y sin rasgar o deshilachar las hojas de hierba. Si se rasgan o se deshilachan, los bordes de las hojas se secarán, lo cual retardará su crecimiento y favorecerá la aparición de enfermedades. Compruebe después de cada uso que las cuchillas están bien afiladas y que no están desgastadas o dañadas. Elimine cualquier mella con una lima, y afile las cuchillas si es necesario. Si una cuchilla está desgastada o deteriorada, sustitúyala inmediatamente por una cuchilla nueva genuina Toro.
Ponga el freno de estacionamiento, apague el motor, retire la llave y espere a que se detengan todas las piezas en movimiento antes de abandonar el puesto del operador. Deje que se enfríe la máquina antes de hacer trabajos de ajuste, mantenimiento, repostaje, limpieza o almacenamiento.
Limpie la hierba y los residuos de la unidad de corte, el silenciador, las transmisiones, el recogedor y el compartimento del motor para ayudar a prevenir incendios. Limpie cualquier aceite o combustible derramado.
Cierre el combustible y retire la llave antes de almacenar o transportar la máquina.
Cierre la válvula de cierre de combustible durante el transporte, el mantenimiento y el almacenamiento (Figura 37).
Asegúrese de que la válvula de cierre del combustible está abierta antes de arrancar el motor.


Las manos pueden enredarse en los componentes giratorios de la transmisión, debajo de la carcasa del motor, lo que podría dar lugar a lesiones graves.
Pare el motor, retire la llave y espere a que se detengan todas las piezas móviles antes de acceder a las válvulas de liberación de las ruedas motrices.
El motor y las transmisiones hidráulicas pueden alcanzar temperaturas muy altas. El contacto con un motor caliente o una transmisión hidráulica caliente puede causar quemaduras graves.
Deje que se enfríen totalmente el motor y las transmisiones hidráulicas antes de acceder a las válvulas de liberación de las ruedas motrices.
Las válvulas de liberación de las ruedas motrices están situadas detrás del asiento, cerca del compartimento del motor.
Aparque la máquina en una superficie nivelada, desengrane el mando de control de las cuchillas (TDF) y ponga el freno de estacionamiento.
Pare el motor, retire la llave y espere a que se detengan todas las piezas en movimiento antes de abandonar el puesto del operador.
Para empujar la máquina, mueva las palancas de desvío hacia atrás y hacia fuera para bloquearlas en esa posición, como se muestra en la Figura 38.
Repita este procedimiento en el otro lado de la máquina.

La máquina es capaz de arrastrar remolques y aperos. Póngase en contacto con su distribuidor autorizado Toro para adquirir enganches de remolque.
La máquina puede arrastrar remolques con un peso bruto de remolque (PBR) máximo de 113 kg (250 libras).
No supere los 22 kg (49 libras) de peso sobre el enganche de la máquina.
Al transportar cargas o tirar de un remolque, no sobrecargue la máquina o el remolque. La sobrecarga puede causar un bajo rendimiento o dañar las unidades de transmisión hidráulica, los neumáticos y el bastidor.
Aparque la máquina en una superficie nivelada, desengrane el mando de control de las cuchillas (TDF) y ponga el freno de estacionamiento.
Apague el motor, retire la llave y espere a que se detengan todas las piezas en movimiento antes de abandonar el puesto del operador.
Introduzca el soporte de la bola del enganche en el receptor situado en la parte trasera de la máquina.
Introduzca el pasador de enganche a través del orificio del receptor y del soporte de la bola del enganche.
Sujete el enganche con la chaveta.

Utilice un remolque para cargas pesadas o un camión para transportar la máquina. Utilice una rampa de ancho completo. Asegúrese de que el remolque o el camión tenga todos los frenos y todas las luces y señalizaciones requeridos por la ley. Por favor, lea cuidadosamente todas las instrucciones de seguridad. El conocer esta información puede ayudar a evitarle lesiones a usted o a otras personas. Consulte en la normativa local los requisitos aplicables al remolque y al sistema de amarre.
Conducir en una calle o carretera sin señales de giro, luces, marcas reflectantes o un indicador de vehículo lento es peligroso y puede ser causa de accidentes que pueden provocar lesiones personales.
No conduzca la máquina en una calle o carretera pública.
El cargar la máquina en un remolque o un camión aumenta la posibilidad de un vuelco y podría causar lesiones graves o la muerte (Figura 40).
Utilice únicamente una rampa de ancho completo; no utilice rampas individuales para cada lado de la máquina.
No supere un ángulo de 15 grados entre la rampa y el suelo, o entre la rampa y el remolque o camión.
Asegúrese de que la rampa tiene una longitud de al menos cuatro veces la altura de la plataforma del remolque o del camión sobre el suelo. De esta forma se asegura que el ángulo de la rampa no supere los 15 grados en terreno llano.

El cargar la máquina en un remolque o un camión aumenta la posibilidad de un vuelco y podría causar lesiones graves o la muerte.
Extreme las precauciones al hacer funcionar la máquina en una rampa.
Suba la máquina por la rampa en marcha atrás y baje la máquina por la rampa conduciendo hacia adelante.
Evite acelerar o desacelerar bruscamente al conducir la máquina en una rampa, porque esto podría provocar un vuelco o una pérdida de control.
Si utiliza un remolque, conéctelo al vehículo que lo arrastra y conecte las cadenas de seguridad.
En su caso, conecte los frenos y las luces del remolque.
Baje la rampa, asegurándose de que el ángulo entre la rampa y el suelo no supera los 15 grados (Figura 40).
Suba la máquina por la rampa en marcha atrás (Figura 41).

Apague el motor, retire la llave y ponga el freno de estacionamiento.
Amarre la máquina junto a las ruedas giratorias delanteras y el bastidor trasero con correas, cadenas, cables o cuerdas (Figura 42). Consulte la normativa local respecto a los requisitos de amarre.

Si deja la llave en el interruptor, alguien podría arrancar el motor accidentalmente y causar lesiones graves a usted o a otras personas. Retire la llave del interruptor de encendido antes de realizar cualquier operación de mantenimiento.
Antes de abandonar el puesto del operador, haga lo siguiente:
Aparque la máquina en una superficie nivelada.
Desengrane las transmisiones.
Ponga el freno de estacionamiento.
Apague el motor y retire la llave.
Deje que los componentes de la máquina se enfríen antes de realizar tareas de mantenimiento.
No permita que personas que no hayan recibido formación realicen mantenimiento en la máquina.
Mantenga las manos y los pies alejados de las piezas en movimiento y las superficies calientes. Si es posible, no haga ajustes mientras el motor está funcionando.
Alivie con cuidado la tensión de aquellos componentes que tengan energía almacenada.
Compruebe frecuentemente el funcionamiento del freno de estacionamiento. Ajústelo y realice el mantenimiento cuando sea necesario.
No manipule nunca los dispositivos de seguridad. Compruebe regularmente que funcionan correctamente.
Limpie la hierba y los residuos de la unidad de corte, el silenciador, las transmisiones, el recogedor y el compartimento del motor para prevenir incendios.
Limpie cualquier derrame de aceite o combustible y retire cualquier residuo empapado en combustible.
No confíe en gatos hidráulicos o mecánicos para apoyar la máquina; apoye la máquina sobre gatos fijos cada vez que eleve la máquina.
Mantenga todas las piezas en buenas condiciones de uso y todas las fijaciones bien apretadas, especialmente las fijaciones de las cuchillas. Sustituya cualquier pegatina que esté desgastada o deteriorada.
Desconecte el cable del borne negativo de la batería antes de reparar la máquina.
Para asegurar un rendimiento óptimo, utilice únicamente piezas y accesorios genuinos de Toro. Las piezas de repuesto y accesorios de otros fabricantes podrían ser peligrosos, y su uso podría invalidar la garantía del producto.
| Intervalo de mantenimiento y servicio | Procedimiento de mantenimiento |
|---|---|
| Después de las primeras 5 horas |
|
| Después de las primeras 75 horas |
|
| Cada vez que se utilice o diariamente |
|
| Después de cada uso |
|
| Cada 50 horas |
|
| Cada 100 horas |
|
| Cada 100 horas o cada año, lo que ocurra primero |
|
| Cada 200 horas |
|
| Cada 250 horas |
|
| Cada 300 horas |
|
| Cada 400 horas |
|
| Cada 500 horas |
|
| Cada 600 horas |
|
| Cada mes |
|
| Cada año |
|
| Cada año o antes del almacenamiento |
|
Important: Consulte los demás procedimientos de mantenimiento del manual del propietario del motor.
Si deja la llave en el interruptor, alguien podría arrancar el motor accidentalmente y causar lesiones graves a usted o a otras personas.
Apague el motor y retire la llave del interruptor antes de realizar cualquier operación de mantenimiento.
Engrase la máquina más a menudo en condiciones de mucho polvo o suciedad.
Tipo de grasa: Grasa de litio Nº 2 o grasa de molibdeno
Aparque la máquina en una superficie nivelada, desengrane el mando de control de las cuchillas y ponga el freno de estacionamiento.
Pare el motor, retire la llave y espere a que se detengan todas las piezas en movimiento antes de abandonar el puesto del operador.
Limpie los engrasadores con un trapo.
Note: Raspe la pintura que pudiera haber sobre los puntos de engrase.
Conecte una pistola de engrasar al punto de engrase.
Bombee grasa hasta que empiece a rezumar grasa de los cojinetes.
Limpie cualquier exceso de grasa.
| Intervalo de mantenimiento y servicio | Procedimiento de mantenimiento |
|---|---|
| Cada 100 horas |
|
Utilice aceite ligero o lubricante en spray para lubricar los pivotes de elevación de la carcasa.

| Intervalo de mantenimiento y servicio | Procedimiento de mantenimiento |
|---|---|
| Cada 400 horas |
|
| Cada año |
|
Aparque la máquina en una superficie nivelada, desengrane el mando de control de las cuchillas y ponga el freno de estacionamiento.
Pare el motor, retire la llave y espere a que se detengan todas las piezas en movimiento antes de abandonar el puesto del operador.
Retire el tapón guardapolvo y ajuste los pivotes de las ruedas; no coloque el tapón guardapolvo hasta que termine de engrasar; consulte Engrasado de la máquina.
Retire el tapón hexagonal.
Enrosque un engrasador en el orificio.
Bombee grasa en el engrasador hasta que rezume por el cojinete superior.
Retire el engrasador del orificio. Vuelva a colocar el tapón hexagonal y la tapa.
| Intervalo de mantenimiento y servicio | Procedimiento de mantenimiento |
|---|---|
| Cada año |
|
Aparque la máquina en una superficie nivelada, desengrane el mando de control de las cuchillas y ponga el freno de estacionamiento.
Pare el motor, retire la llave y espere a que se detengan todas las piezas en movimiento antes de abandonar el puesto del operador.
Eleve el cortacésped para facilitar el acceso.
Retire la rueda giratoria de la horquilla.
Retire los protectores de los retenes del cubo de la rueda.

Retire una tuerca espaciadora del eje de la rueda giratoria.
Note: Las tuercas espaciadoras llevan fijador de roscas para pegarlas al eje.
Retire el eje (con la otra tuerca espaciadora aún montada en el mismo) del conjunto de la rueda.
Retire los retenes haciendo palanca, e inspeccione los cojinetes en busca de señales de desgaste o daños; sustitúyalos si es necesario.
Llene los cojinetes con grasa de propósito general.
Introduzca un cojinete y un retén nuevo en la rueda.
Si en el conjunto del eje faltan ambas tuercas espaciadoras, aplique un fijador de roscas a una tuerca espaciadora y enrósquela en el eje con los segmentos planos hacia fuera.
Note: No enrosque la tuerca espaciadora completamente en el extremo del eje. Deje un espacio de 3 mm (⅛") aproximadamente entre la superficie exterior de la tuerca espaciadora y el extremo del eje, dentro de la tuerca).
Introduzca el eje con la tuerca montada en la rueda, en el lado que contiene el retén nuevo y el cojinete.
Con la cara abierta de la rueda hacia arriba, llene el interior de la rueda alrededor del eje con grasa de propósito general.
Introduzca el segundo cojinete y un retén nuevo en la rueda.
Aplique fijador de roscas a la segunda tuerca espaciadora y enrósquela en el eje con los segmentos planos hacia fuera.
Apriete la tuerca a 8–9 N·m (75–80 pulgadas-libra), aflójela, luego apriétela a 2–3 N·m (20–25 pulgadas-libra).
Note: Asegúrese de que el eje no sobresale de ninguna de las tuercas.
Instale los protectores de los retenes sobre el cubo de la rueda e introduzca la rueda en la horquilla.
Instale el perno de la rueda y apriete la tuerca del todo.
Important: Para evitar que se dañen el cojinete y el retén, compruebe el ajuste del cojinete a menudo. Gire la rueda. La rueda no debe girar libremente (más de 1–2 vueltas), ni tener holgura lateral. Si la rueda gira libremente, ajuste el apriete de la tuerca espaciadora hasta que quede ligeramente frenada. Aplique otra capa de fijador de roscas.
Mantenga las manos, los pies, la cara, otras partes del cuerpo y la ropa alejados del silenciador y de otras superficies calientes. Deje que se enfríen los componentes del motor antes de realizar cualquier tarea de mantenimiento.
No cambie la velocidad del regulador del motor ni haga funcionar el motor a una velocidad excesiva.
Use el siguiente gráfico para identificar el motor que usted tiene y pasar a la sección que se indica a continuación para realizar tareas de mantenimiento (Figura 45).

Para el mantenimiento de motores Kawasaki, consulte Mantenimiento de un motor Kawasaki®.
Para el mantenimiento de motores Toro, consulte Mantenimiento de un motor Toro.
Para el mantenimiento de motores Briggs & Stratton, consulte Mantenimiento de un motor Briggs & Stratton®.
| Intervalo de mantenimiento y servicio | Procedimiento de mantenimiento |
|---|---|
| Cada 300 horas |
|
Esta sección se utiliza únicamente para máquinas con motores Kawasaki. Si su motor se ve igual al motor que se muestra en Figura 46, entonces usted tiene un motor Kawasaki.
Important: Consulte los procedimientos adicionales de mantenimiento del manual del propietario del motor.

| Intervalo de mantenimiento y servicio | Procedimiento de mantenimiento |
|---|---|
| Cada 250 horas |
|
| Cada 500 horas |
|
Note: Revise el limpiador de aire con mayor frecuencia en condiciones de trabajo de mucho polvo o suciedad.
Aparque la máquina en una superficie nivelada, desengrane el mando de control de las cuchillas (TDF) y ponga el freno de estacionamiento.
Pare el motor, retire la llave y espere a que se detengan todas las piezas en movimiento antes de abandonar el puesto del operador.
Abra los cierres del limpiador de aire y tire de la tapa de la entrada de aire para separarla del cuerpo del limpiador de aire (Figura 47).

Limpie el interior de la tapa del limpiador de aire con aire comprimido.
Extraiga con cuidado el filtro primario de la carcasa del limpiador de aire (Figura 47).
Note: Evite golpear el filtro contra el lado de la carcasa.
Retire el filtro de seguridad únicamente para cambiarla.
Inspeccione el filtro de seguridad. Si está sucio, cambie tanto el filtro primario como el filtro de seguridad.
Important: No intente limpiar el filtro de seguridad. Si el filtro de seguridad está sucio, entonces el filtro primario está dañado.
Inspeccione el filtro primario mirando dentro del mismo mientras dirige una luz potente al exterior del filtro. Si el filtro primario está sucio, doblado o dañado, cámbielo.
Note: Los agujeros del filtro aparecerán en forma de puntos luminosos. No limpie el filtro primario.
Important: Para evitar dañar el motor, no haga funcionar nunca el motor sin que estén instalados ambos filtros de aire y la tapa.
Si está instalando filtros nuevos, compruebe cada filtro para asegurarse de que no ha sufrido daños durante el transporte.
Note: No utilice un filtro dañado.
Si va a cambiar el filtro interno, deslícelo cuidadosamente en el cuerpo del filtro (Figura 47).
Deslice cuidadosamente el filtro primario por encima del filtro de seguridad (Figura 47).
Note: Asegúrese de que el filtro primario está bien asentado empujando sobre el borde exterior mientras lo instala.
Important: No empuje sobre la zona blanda interior del filtro.
Instale la tapa del limpiador de aire y fije los cierres (Figura 47).
| Intervalo de mantenimiento y servicio | Procedimiento de mantenimiento |
|---|---|
| Cada vez que se utilice o diariamente |
|
| Cada 100 horas |
|
| Cada 200 horas |
|
Tipo de aceite: Aceite detergente (Servicio API SF, SG, SH, SJ o SL)
Capacidad del cárter: 1.8 litros (61 onzas fluidas) sin filtro de aceite; 2.1 litros (71 onzas fluidas) con filtro de aceite
Viscosidad: Consulte la tabla siguiente.

Note: Si bien se recomienda aceite de motor 10W-40 en la mayoría de los casos, es posible que necesite cambiar la viscosidad del aceite según las condiciones climáticas. El uso de aceite de motor 20W-50 en temperaturas ambiente superiores puede reducir el consumo de aceite.
Note: Compruebe el aceite con el motor frío.
Important: Si sobrecarga o no llena lo suficiente el cárter del motor con aceite, podría dañarse el motor al ponerse en marcha.
Aparque la máquina en una superficie nivelada, desengrane el mando de control de las cuchillas (TDF) y ponga el freno de estacionamiento.
Pare el motor, retire la llave y espere a que se detengan todas las piezas en movimiento antes de abandonar el puesto del operador.
Note: Asegúrese de que el motor está frío, y que el aceite ha tenido tiempo para drenarse al cárter.
Para que no entre suciedad, recortes de hierba, etc., en el motor, limpie la zona alrededor del tapón de llenado/varilla de aceite antes de retirarlo (Figura 49).


Note: Elimine el aceite usado en un centro de reciclaje.
Arranque el motor y déjelo funcionar durante 5 minutos.
Note: De esta forma, el aceite se calentará y será más fácil drenarlo.
Aparque la máquina de manera que el lado de drenaje esté ligeramente más bajo que el lado opuesto para asegurar que el aceite se drene completamente.
Desengrane el mando de control de las cuchillas (TDF) y ponga el freno de estacionamiento.
Pare el motor, retire la llave y espere a que se detengan todas las piezas en movimiento antes de abandonar el puesto del operador.
Drene el aceite del motor (Figura 50).


Vierta lentamente un 80% aproximadamente del aceite especificado por el tubo de llenado, luego añada lentamente el resto del aceite hasta que llegue a la marca de Lleno (Figura 51).

Arranque el motor y conduzca hasta una zona llana.
Compruebe el nivel de aceite otra vez.
Drene el aceite del motor; consulte Cambio del aceite del motor.
Sustituya el filtro de aceite del motor (Figura 52).


Note: Asegúrese de que la junta del filtro de aceite toca el motor, luego apriete el filtro de aceite ¾ de vuelta más.
Llene el cárter con el tipo correcto de aceite nuevo; consulte Especificaciones de aceite del motor.
| Intervalo de mantenimiento y servicio | Procedimiento de mantenimiento |
|---|---|
| Cada 100 horas |
|
Asegúrese de que la distancia entre los electrodos central y lateral es correcta antes de instalar la bujía. Utilice una llave para bujías para desmontar e instalar la bujía y una galga de espesores/herramienta de separación de electrodos para comprobar y ajustar la distancia entre los mismos. Instale una bujía nueva si es necesario.
Tipo de bujía NGK®BPR4ES o equivalente
Distancia entre electrodos: 0.76 mm (0.03")
Aparque la máquina en una superficie nivelada, desengrane el mando de control de las cuchillas (TDF) y ponga el freno de estacionamiento.
Pare el motor, retire la llave y espere a que se detengan todas las piezas en movimiento antes de abandonar el puesto del operador.
Limpie la zona alrededor de la base de la bujía para que no caiga suciedad en el motor.
Localice y retire la(s) bujía(s), como se muestra en la Figura 53.


Important: No limpie la(s) bujía(s). Cambie siempre las bujías si tienen un revestimiento negro, electrodos desgastados, una película aceitosa o grietas.
Si se observa un color gris o marrón claro en el aislante, el motor está funcionando correctamente. Si el aislante aparece de color negro, significa que el limpiador de aire está sucio.
Ajuste la distancia a 0.75 mm (0.03").


| Intervalo de mantenimiento y servicio | Procedimiento de mantenimiento |
|---|---|
| Cada 300 horas |
|
Esta sección se utiliza únicamente para máquinas con motores Toro. Si su motor se ve igual al motor que se muestra en Figura 56, entonces usted tiene un motor Toro.

| Intervalo de mantenimiento y servicio | Procedimiento de mantenimiento |
|---|---|
| Cada 250 horas |
|
Note: Revise el limpiador de aire con mayor frecuencia en condiciones de trabajo de mucho polvo o arena.
Aparque la máquina en una superficie nivelada, desengrane el mando de control de las cuchillas (TDF) y ponga el freno de estacionamiento.
Pare el motor, retire la llave y espere a que se detengan todas las piezas en movimiento antes de abandonar el puesto del operador.
Abra los cierres del limpiador de aire y tire de la tapa de la entrada de aire para separarla del cuerpo del limpiador de aire (Figura 58).

Limpie el interior de la tapa del limpiador de aire con aire comprimido.
Extraiga con cuidado el filtro del cuerpo del limpiador de aire (Figura 58).
Note: Evite golpear el filtro contra el lado de la carcasa.
Inspeccione el filtro mirando dentro del mismo mientras dirige una luz potente al exterior del filtro. Si el filtro está sucio, doblado o dañado, cámbielo.
Note: Los agujeros del filtro aparecerán en forma de puntos luminosos. No limpie el filtro.
Important: Para evitar dañar el motor, no haga funcionar nunca el motor sin que estén instalados el filtro de aire y la tapa.
Si está instalando un filtro nuevo, compruebe el filtro para asegurarse de que no ha sufrido daños durante el transporte.
Note: No utilice un filtro dañado.
Introduzca el filtro con cuidado en la carcasa del limpiador de aire (Figura 58).
Note: Asegúrese de que el filtro está bien asentado empujando sobre el borde exterior mientras lo instala.
Important: No empuje sobre la zona blanda interior del filtro.
Instale la tapa del limpiador de aire y fije los cierres (Figura 58).
| Intervalo de mantenimiento y servicio | Procedimiento de mantenimiento |
|---|---|
| Después de las primeras 5 horas |
|
| Cada vez que se utilice o diariamente |
|
Tipo de aceite: Aceite detergente (Servicio API SF, SG, SH, SJ o SL)
Capacidad del cárter: 2.4 litros (81 onzas fluidas) con filtro de aceite
Viscosidad: Consulte la tabla siguiente.

Note: Compruebe el aceite con el motor frío.
Important: Si sobrecarga o no llena lo suficiente el cárter del motor con aceite, podría dañarse el motor al ponerse en marcha.
Aparque la máquina en una superficie nivelada, desengrane el mando de control de las cuchillas (TDF) y ponga el freno de estacionamiento.
Pare el motor, retire la llave y espere a que se detengan todas las piezas en movimiento antes de abandonar el puesto del operador.
Note: Asegúrese de que el motor está frío, y que el aceite ha tenido tiempo para drenarse al cárter.
Para que no entre suciedad, recortes de hierba, etc., en el motor, limpie la zona alrededor del tapón de llenado/varilla de aceite antes de retirarlo (Figura 49).

Aparque la máquina en una superficie nivelada para asegurarse de que el aceite drene por completo.
Desengrane el mando de control de las cuchillas (TDF) y ponga el freno de estacionamiento.
Apague el motor, retire la llave y espere a que se detengan todas las piezas en movimiento antes de abandonar el puesto del operador.
Drene el aceite del motor.


Sustituya el filtro de aceite del motor (Figura 61).
Note: Asegúrese de que la junta del filtro de aceite toca el motor, luego apriete el filtro ¾ de vuelta más.

Vierta lentamente un 80% aproximadamente del aceite especificado por el tubo de llenado, luego añada lentamente el resto del aceite hasta que llegue a la marca de Lleno (Figura 62).

Elimine el aceite usado en un centro de reciclaje.
| Intervalo de mantenimiento y servicio | Procedimiento de mantenimiento |
|---|---|
| Cada 200 horas |
|
Asegúrese de que la distancia entre los electrodos central y lateral es correcta antes de instalar la bujía. Utilice una llave para bujías para desmontar e instalar la bujía y una galga de espesores/herramienta de separación de electrodos para comprobar y ajustar la distancia entre los mismos. Instale una bujía nueva si es necesario.
Tipo: Champion ® RN9YC o NGK® BPR6ES
Distancia entre electrodos: 0.76 mm (0.03")
Aparque la máquina en una superficie nivelada, desengrane el mando de control de las cuchillas (TDF) y ponga el freno de estacionamiento.
Pare el motor, retire la llave y espere a que se detengan todas las piezas en movimiento antes de abandonar el puesto del operador.
Limpie la zona alrededor de la base de la bujía para que no caiga suciedad en el motor.
Localice y retire la(s) bujía(s), como se muestra en la Figura 64.


Important: No limpie la(s) bujía(s). Cambie siempre las bujías si tienen un revestimiento negro, electrodos desgastados, una película aceitosa o grietas.
Si se observa un color gris o marrón claro en el aislante, el motor está funcionando correctamente. Si el aislante aparece de color negro, significa que el limpiador de aire está sucio.
Ajuste la distancia a 0.76 mm (0.03").


| Intervalo de mantenimiento y servicio | Procedimiento de mantenimiento |
|---|---|
| Cada 250 horas |
|
| Cada 400 horas |
|
| Cada 600 horas |
|
Desengrane la TDF, mueva las palancas de control de movimiento a la posición de BLOQUEO/PUNTO MUERTO, y ponga el freno de estacionamiento.
Pare el motor, retire la llave y espere a que se detengan todas las piezas en movimiento antes de abandonar el puesto del operador.
Abra los enganches del limpiador de aire y tire de la tapa de la entrada de aire para separarla del cuerpo del limpiador de aire (Figura 66).

Limpie el interior de la tapa del limpiador de aire con aire comprimido.
Extraiga con cuidado el filtro primario de la carcasa del limpiador de aire (Figura 66).
Note: Evite golpear el filtro contra el lado de la carcasa.
Retire el filtro interior únicamente para cambiarla.
Inspeccione el filtro de seguridad. Si está sucio, cambie tanto el filtro primario como el filtro de seguridad.
Important: No intente limpiar el filtro de seguridad. Si el filtro de seguridad está sucio, entonces el filtro primario está dañado.
Inspeccione el filtro primario mirando dentro del mismo mientras dirige una luz potente al exterior del filtro. Si el filtro primario está sucio, doblado o dañado, cámbielo.
Note: Los agujeros del filtro aparecerán en forma de puntos luminosos. No limpie el filtro primario.
Important: Para evitar dañar el motor, no haga funcionar nunca el motor sin que estén instalados ambos filtros de aire y la tapa.
Si está instalando filtros nuevos, compruebe cada filtro para asegurarse de que no ha sufrido daños durante el transporte.
Note: No utilice un filtro dañado.
Si va a cambiar el filtro interno, deslícelo cuidadosamente en el cuerpo del filtro (Figura 66).
Deslice cuidadosamente el filtro primario por encima del filtro de seguridad (Figura 66).
Note: Asegúrese de que el filtro primario está bien asentado empujando sobre el borde exterior mientras lo instala.
Important: No empuje sobre la zona blanda interior del filtro.
Instale la tapa del limpiador de aire con el respiradero hacia abajo, y gírela hasta que los enganches la bloqueen en su sitio (Figura 66).
Tipo de aceite: Aceite detergente (Servicio API SJ o superior)
Capacidad de aceite: 2.0 litros (68 onzas fluidas) con el filtro; 1.9 litros (66 onzas fluidas) sin el filtro
Viscosidad: Consulte la tabla siguiente.

| Intervalo de mantenimiento y servicio | Procedimiento de mantenimiento |
|---|---|
| Cada vez que se utilice o diariamente |
|
Note: Compruebe el aceite con el motor frío.
El contacto con superficies calientes puede causar lesiones personales.
Mantenga las manos, los pies, la cara, la ropa y otras partes del cuerpo alejados del silenciador y de otras superficies calientes.
Important: No llene excesivamente el cárter de aceite, ya que esto podría dañar el motor. No haga funcionar el motor si el nivel de aceite está por debajo de la marca Bajo porque podría dañar el motor.
Aparque la máquina en una superficie nivelada, desengrane la TDF y ponga el freno de estacionamiento.
Apague el motor, retire la llave y espere a que se detengan todas las piezas en movimiento antes de abandonar el puesto del operador.
Compruebe el nivel de aceite del motor, según se muestra en (Figura 68).

| Intervalo de mantenimiento y servicio | Procedimiento de mantenimiento |
|---|
Note: Elimine el aceite usado en un centro de reciclaje.
Aparque la máquina de manera que el lado de drenaje esté ligeramente más bajo que el lado opuesto para asegurar que el aceite se drene completamente.
Desengrane la TDF, mueva las palancas de control de movimiento a la posición de BLOQUEO/PUNTO MUERTO, y ponga el freno de estacionamiento.
Apague el motor, retire la llave y espere a que se detengan todas las piezas en movimiento antes de abandonar el puesto del operador.
Cambie el aceite del motor como se indica en la figura.

Sustituya el filtro de aceite del motor como se indica en la figura.
Note: Asegúrese de que la junta del filtro de aceite toca el motor, luego apriete el filtro ¾ de vuelta más.

Vierta lentamente un 80% aproximadamente del aceite especificado por el tubo de llenado, luego añada lentamente el resto del aceite hasta que llegue a la marca de Lleno.

Arranque el motor y conduzca hasta una zona llana.
Compruebe el nivel de aceite otra vez.
| Intervalo de mantenimiento y servicio | Procedimiento de mantenimiento |
|---|
Asegúrese de que la distancia entre los electrodos central y lateral es correcta antes de instalar la bujía.
Utilice una llave de bujías para desmontar e instalar la(s) bujía(s) y una galga de espesores/herramienta para electrodos para comprobar y ajustar la distancia entre los mismos. Instale una o más bujías nuevas si es necesario.
Tipo: Briggs & Stratton® 491055
Distancia entre electrodos: 0.76 mm (0.03")
Aparque la máquina en una superficie nivelada, desengrane la TDF y ponga el freno de estacionamiento.
Apague el motor, retire la llave y espere a que se detengan todas las piezas en movimiento antes de abandonar el puesto del operador.
Retire la bujía, según se muestra en Figura 72.

Important: No limpie la(s) bujía(s). Cambie siempre las bujías si tienen un revestimiento negro, electrodos desgastados, una película aceitosa o grietas.
Si se observa un color gris o marrón claro en el aislante, el motor está funcionando correctamente. Si el aislante aparece de color negro, significa que el limpiador de aire está sucio.
Ajuste la distancia a 0.75 mm (0.03").


| Intervalo de mantenimiento y servicio | Procedimiento de mantenimiento |
|---|---|
| Cada vez que se utilice o diariamente |
|
Para asegurar una refrigeración correcta, asegúrese de mantener limpias en todo momento la rejilla, las aletas de refrigeración, y otras superficies externas del motor.
Important: La operación del motor con la rejilla bloqueada, las aletas de refrigeración sucias o atascadas, o sin las tapas de ventilación dañará el motor debido al sobrecalentamiento.
| Intervalo de mantenimiento y servicio | Procedimiento de mantenimiento |
|---|---|
| Cada vez que se utilice o diariamente |
|
Antes de cada uso, retire cualquier acumulación de hierba, suciedad y otros residuos de la rejilla del motor, del escape, del enfriador de aceite del motor y de la zona alrededor del motor. Esto ayuda a asegurar una refrigeración adecuada y una velocidad de motor correcta, y reduce la posibilidad de sobrecalentamiento y daños mecánicos al motor.
| Intervalo de mantenimiento y servicio | Procedimiento de mantenimiento |
|---|---|
| Cada 400 horas |
|
Aparque la máquina en una superficie nivelada, desengrane la TDF y ponga el freno de estacionamiento.
Apague el motor, retire la llave y espere a que se detengan todas las piezas en movimiento antes de abandonar el puesto del operador.
Retire la rejilla de entrada de aire y la carcasa del ventilador.
Limpie los residuo y la hierba de los componentes del motor.
Instale la rejilla de entrada de aire y la carcasa del ventilador.

| Intervalo de mantenimiento y servicio | Procedimiento de mantenimiento |
|---|---|
| Cada 50 horas |
|
Los componentes calientes del sistema de escape pueden incendiar los vapores del combustible, incluso después de que se apague el motor. Las partículas calientes expulsadas durante la operación del motor pueden incendiar materiales inflamables, dando lugar a lesiones personales o daños materiales.
No reposte combustible ni ponga en marcha el motor si el parachispas no está instalado.
Aparque la máquina en una superficie nivelada, desengrane la TDF y ponga el freno de estacionamiento.
Apague el motor, retire la llave y espere a que se detengan todas las piezas en movimiento antes de abandonar el puesto del operador.
Espere a que se enfríe el silenciador.
Si observa roturas en la rejilla o en las soldaduras, sustituya el parachispas.
Si la rejilla está atascada, retire el parachispas y sacuda la rejilla para eliminar partículas sueltas, luego límpiela con un cepillo de alambre (sumérjala en disolvente si es necesario).
Instale el parachispas en la salida del tubo de escape.
| Intervalo de mantenimiento y servicio | Procedimiento de mantenimiento |
|---|---|
| Cada 500 horas |
|
Aparque la máquina en una superficie nivelada, desengrane el mando de control de las cuchillas (TDF) y ponga el freno de estacionamiento.
Pare el motor, retire la llave y espere a que se detengan todas las piezas en movimiento antes de abandonar el puesto del operador.
Desmonte el filtro de la manguera de ventilación.
Inserte un nuevo filtro en el extremo de la manguera de ventilación.
En ciertas condiciones, el combustible es extremadamente inflamable y altamente explosivo. Un incendio o una explosión provocados por el combustible puede causarle quemaduras a usted y a otras personas así como daños materiales.
Consulte Seguridad en el manejo del combustible para obtener una lista completa de precauciones relacionadas con el sistema de combustible.
| Intervalo de mantenimiento y servicio | Procedimiento de mantenimiento |
|---|---|
| Cada 500 horas |
|
Important: Instale los tubos de combustible y sujételos con bridas de plástico de la misma manera que estaban al salir de la fábrica, para mantener los tubos de combustible alejados de componentes que podrían dañar los tubos.
No instale nunca un filtro sucio después de retirarlo del tubo de combustible.
El filtro de combustible está situado cerca del motor en la parte delantera izquierda del motor.
Aparque la máquina en una superficie nivelada, desengrane el mando de control de las cuchillas (TDF) y ponga el freno de estacionamiento.
Pare el motor, retire la llave y espere a que se detengan todas las piezas en movimiento antes de abandonar el puesto del operador.
Deje que la máquina se enfríe.
Cambie el filtro de combustible (Figura 76).
Note: Asegúrese de que la flecha de dirección de flujo del filtro nuevo apunta hacia el motor.

No intente vaciar el depósito de combustible. Asegúrese de que el vaciado del depósito de combustible y el mantenimiento de cualquier componente del sistema de combustible sea realizado por un Servicio Técnico Autorizado.
Desconecte el cable del borne negativo de la batería antes de reparar la máquina.
Cargue la batería en una zona abierta y bien ventilada, lejos de chispas y llamas. Desenchufe el cargador antes de conectar o desconectar la batería. Lleve ropa protectora y utilice herramientas aisladas.
| Intervalo de mantenimiento y servicio | Procedimiento de mantenimiento |
|---|---|
| Cada mes |
|
Los terminales de la batería o una herramienta metálica podrían hacer cortocircuito si entran en contacto con los componentes metálicos de la máquina, causando chispas. Las chispas podrían hacer explotar los gases de la batería, causando lesiones personales.
Al retirar o colocar la batería, no deje que los bornes toquen ninguna parte metálica de la máquina.
No deje que las herramientas metálicas hagan cortocircuito entre los bornes de la batería y las partes metálicas de la máquina.
Una desconexión incorrecta de los cables de la batería podría dañar la máquina y los cables, causando chispas. Las chispas podrían hacer explotar los gases de la batería, causando lesiones personales.
Desconecte siempre el cable negativo (negro) de la batería antes de desconectar el cable positivo (rojo).
Conecte siempre el cable positivo (rojo) de la batería antes de conectar el cable negativo (negro).
Aparque la máquina en una superficie nivelada, desengrane el mando de control de las cuchillas (TDF) y ponga el freno de estacionamiento.
Pare el motor, retire la llave y espere a que se detengan todas las piezas en movimiento antes de abandonar el puesto del operador.
Retire la batería, según se muestra en Figura 77.


El proceso de carga de la batería produce gases que pueden explotar.
Nunca fume cerca de la batería, y mantenga alejados de la batería chispas y llamas.
Important: Mantenga siempre la batería completamente cargada (densidad específica de 1.265). Esto es especialmente importante para evitar daños a la batería cuando la temperatura está por debajo de los 0 °C (32 °F).
Retire la batería del chasis; consulte Retirada de la batería.
Cargue la batería durante 10 a 15 minutos a entre 25 A y 30 A, o durante 30 minutos a 10 A.
Note: No sobrecargue la batería.
Cuando la batería esté completamente cargada, desconecte el cargador de la toma de electricidad, luego desconecte los cables del cargador de los bornes de la batería (Figura 78).
Instale la batería en la máquina y conecte los cables de la batería; consulte Instalación de la batería.
Note: No haga funcionar la máquina con la batería desconectada; puede causar daños al sistema eléctrico.

Coloque la batería en la bandeja, con los bornes frente al depósito de aceite hidráulico (Figura 77).
Conecte primero el cable positivo (rojo) al borne positivo (+) de la batería.
Conecte el cable negativo (negro) y el cable de tierra al borne negativo (–) de la batería.
Note: En máquinas MyRide, asegúrese de que el cable de tierra no roza contra el brazo arrastrado ni contra el soporte inferior del amortiguador (Figura 79).

Fije los cables con 2 pernos, 2 arandelas, y 2 contratuercas (Figura 77).
Deslice el protector de borne rojo sobre el borne positivo (+) de la batería.
Fije la batería con la correa de goma (Figura 77).
El sistema eléctrico está protegido con fusibles. No requiere mantenimiento; no obstante, si se funde un fusible, compruebe que no hay avería ni cortocircuito en el componente/circuito.
Los fusibles están situados en la parte trasera, cerca del motor (Figura 80).
Para cambiar un fusible, tire del mismo para retirarlo.
Instale un fusible nuevo (Figura 80).

| Intervalo de mantenimiento y servicio | Procedimiento de mantenimiento |
|---|---|
| Cada vez que se utilice o diariamente |
|
Inspeccione el cinturón de seguridad en busca de señales de desgaste o cortes, y compruebe el funcionamiento del retractor y de la hebilla. Sustituya el cinturón de seguridad si está dañado.
Desengrane el mando de control de las cuchillas (TDF).
Conduzca hacia un lugar llana y abierta, y mueva las palancas de control de movimiento a la posición de BLOQUEO/PUNTO MUERTO.
Ponga la palanca del acelerador en un punto intermedio entre las posiciones de LENTO y RáPIDO.
Mueva ambas palancas de control de movimiento hacia adelante hasta que toquen los topes en la ranura en T.
Compruebe hacia qué lado se desvía la máquina.
Si la máquina se desvía hacia la derecha, inserte una llave hexagonal de 3/16" a través del orificio de acceso del panel izquierdo delantero y gire el tornillo en sentido horario o antihorario para ajustar el recorrido de la palanca (Figura 81).
Si la máquina se desvía hacia la izquierda, inserte una llave hexagonal de 3/16" a través del orificio de acceso del panel derecho delantero y gire el tornillo en sentido horario o antihorario para ajustar el recorrido de la palanca (Figura 81).
Conduzca la máquina y compruebe la dirección total hacia adelante.
Repita el ajuste hasta alcanzar la dirección deseada.

| Intervalo de mantenimiento y servicio | Procedimiento de mantenimiento |
|---|---|
| Cada 50 horas |
|
Mantenga la presión de los neumáticos de las ruedas giratorias y los neumáticos traseros a 0.90 bar (13 psi). Una presión desigual en los neumáticos puede hacer que el corte sea desigual. Las lecturas de presión son más exactas cuando los neumáticos están fríos.

Compruebe la torsión de las tuercas de las ruedas y apriételas a 122–136 N·m (90–100 pies-libra).
| Intervalo de mantenimiento y servicio | Procedimiento de mantenimiento |
|---|---|
| Cada 500 horas |
|
Note: Realice este procedimiento cuando retire o cambie un componente del freno.
Aparque la máquina en una superficie nivelada, desengrane el mando de control de las cuchillas (TDF) y ponga el freno de estacionamiento.
Pare el motor, retire la llave y espere a que se detengan todas las piezas en movimiento antes de abandonar el puesto del operador.
Prepare la máquina para ser empujada a mano. Consulte Uso de las válvulas de desvío de las ruedas motrices.
Levante la parte trasera de la máquina y apóyela sobre gatos fijos.
Podría ser peligroso confiar únicamente en gatos mecánicos o hidráulicos para apoyar la máquina en alto para realizar tareas de mantenimiento o reparación, porque los gatos pueden no proporcionar suficiente apoyo, o pueden fallar y dejar caer la máquina, provocando posibles lesiones graves.
No confíe únicamente en gatos mecánicos o hidráulicos para apoyar la máquina. Utilice caballetes u otro medio de sustentación equivalente.
Ponga y quite el freno de estacionamiento y compruebe cada neumático para asegurarse de que cada freno pueda ponerse y quitarse.
Si es necesario un ajuste, quite el freno de estacionamiento. Retire el pasador del eje del acoplamiento del freno (Figura 83).

Compruebe la longitud de ambos muelles como se muestra en Figura 84. Si se requiere un ajuste, gire la tuerca superior en el sentido de las agujas del reloj para acortar el muelle y en el sentido contrario a las agujas del reloj para alargarlo.

Empuje la palanca del freno de estacionamiento completamente hacia adelante y abajo.
Gire el eje del acoplamiento del freno hasta que el extremo quede alineado con el taladro de la palanca.
Acorte el acoplamiento girándolo en el sentido de las agujas del reloj.
Alargue el acoplamiento girándolo en el sentido contrario a las agujas del reloj.
Introduzca el eje del acoplamiento del freno en el taladro del freno de estacionamiento y fíjelo con el pasador. Repita el paso 5 y realice ajustes si es necesario.
Cuando haya completado los ajustes, retire los soportes fijos o soporte equivalente y baje la máquina.
Ponga la máquina en la posición de FUNCIONAMIENTO. Consulte Uso de las válvulas de desvío de las ruedas motrices.
| Intervalo de mantenimiento y servicio | Procedimiento de mantenimiento |
|---|---|
| Cada 50 horas |
|
Cambie la correa si está desgastada. Las señales de una correa desgastada incluyen chirridos cuando la correa está en movimiento, patinaje de las cuchillas durante la siega, bordes deshilachados, o marcas de quemaduras o grietas.
Aparque la máquina en una superficie nivelada, desengrane el mando de control de las cuchillas (TDF) y ponga el freno de estacionamiento.
Pare el motor, retire la llave y espere a que se detengan todas las piezas en movimiento antes de abandonar el puesto del operador.
Baje el cortacésped a la posición de altura de corte de 76 mm (3").
Retire las cubiertas de la correa (Figura 85).

Utilice una llave de carraca de ⅜" en el orificio cuadrado del brazo tensor para aliviar la tensión del muelle tensor (Figura 86).
Retire la correa de las poleas de la carcasa de corte y de la polea del embrague.
Instale la guía de la correa en el brazo tensor tensado con muelle (Figura 86).
Retire la correa.
Pase la correa nueva alrededor de las poleas del cortacésped y de la polea del embrague, debajo del motor (Figura 86).

Instale la guía de la correa en el brazo tensor (Figura 86).
Utilizando la llave de carraca de ⅜" en el orificio cuadrado, instale el muelle tensor (Figura 86).
Note: Asegúrese de que los extremos del muelle están asentados en las ranuras de anclaje.
Instale las cubiertas de la correa (Figura 87).

Aparque la máquina en una superficie nivelada, desengrane el mando de control de las cuchillas (TDF) y ponga el freno de estacionamiento.
Pare el motor, retire la llave y espere a que se detengan todas las piezas en movimiento antes de abandonar el puesto del operador.
Retire la correa del cortacésped; consulte Cómo cambiar la correa del cortacésped.
Levante la máquina y apóyela sobre gatos fijos.
Utilice una llave de carraca de ½" o similar en uno de los orificios cuadrados del brazo tensor para aliviar la tensión del muelle tensor (Figura 88).
Retire la correa existente de la polea tensora, de las 2 poleas de transmisión de la bomba hidráulica y de la polea del motor (Figura 88).
Instale la correa nueva alrededor de la polea tensora, la polea del motor y de las 2 poleas de la bomba hidráulica (Figura 88).
Con la ayuda de la llave de carraca de ½" o similar en uno de los orificios cuadrados, instale el muelle tensor.
Note: Asegúrese de que los extremos del muelle están asentados en las ranuras de anclaje.
Instale la correa del cortacésped; consulte Cómo cambiar la correa del cortacésped.

Si los extremos de las palancas chocan entre sí, consulte Ajuste de los acoplamientos de control de movimiento.
Las palancas de control de movimiento pueden ser ajustadas hacia arriba o hacia abajo para que su manejo sea más cómodo.
Aparque la máquina en una superficie nivelada, desengrane el mando de control de las cuchillas (TDF) y ponga el freno de estacionamiento.
Pare el motor, retire la llave y espere a que se detengan todas las piezas en movimiento antes de abandonar el puesto del operador.
Retire las fijaciones que sujetan la palanca de control al brazo de la palanca.

Mueva la palanca al juego de orificios siguiente. Sujete la palanca con las fijaciones.
Repita el ajuste con la otra palanca de control.
Aparque la máquina en una superficie nivelada, desengrane el mando de control de las cuchillas (TDF) y ponga el freno de estacionamiento.
Pare el motor, retire la llave y espere a que se detengan todas las piezas en movimiento antes de abandonar el puesto del operador.
Afloje el perno superior que fija la palanca de control al brazo de la palanca.
Afloje el perno inferior lo suficiente para poder desplazar hacia adelante o hacia atrás la palanca de control. Apriete ambos pernos para fijar el control en la posición nueva.
Repita el ajuste con la otra palanca de control.

Los acoplamientos de control de las bombas están situados en cada lado de la máquina, debajo del asiento. Gire la tuerca del extremo con una llave de ½" para hacer ajustes finos a fin de que la máquina no se desplace en punto muerto. Cualquier ajuste debe realizarse únicamente para la posición de punto muerto.
El motor debe estar en marcha y las ruedas motrices deben estar girando para poder realizar los ajustes. El contacto con piezas en movimiento o superficies calientes puede causar lesiones personales.
Mantenga alejados de los componentes rotativos y de la superficies calientes los dedos, las manos y la ropa.
Aparque la máquina en una superficie nivelada, desengrane el mando de control de las cuchillas (TDF) y ponga el freno de estacionamiento.
Pare el motor, retire la llave y espere a que se detengan todas las piezas en movimiento antes de abandonar el puesto del operador.
Presione el pedal de elevación de la carcasa, retire el pasador de altura de corte y baje la carcasa de corte al suelo.
Levante la parte trasera de la máquina y apóyela sobre gatos fijos a una altura suficiente para permitir que las ruedas motrices giren libremente.
Retire la conexión eléctrica del interruptor de seguridad del asiento, situado debajo del cojín del asiento.
Note: El interruptor forma parte del conjunto del asiento.
Provisionalmente, instale un puente entre los terminales del conector del arnés de cableado principal.
Arranque el motor, hágalo funcionar a su velocidad máxima y quite el freno de estacionamiento.
Note: Antes de arrancar el motor, asegúrese de que el freno de estacionamiento está puesto y que las palancas de control de movimiento están hacia fuera. No es necesario que esté sentado en el asiento.
Haga funcionar la máquina durante al menos 5 minutos con las palancas de control de movimiento a velocidad máxima hacia adelante para que el fluido hidráulico alcance su temperatura normal de operación.
Note: Las palancas de control de movimiento deben estar en punto muerto mientras se realizan ajustes.
Ponga las palancas de control de movimiento en la posición de punto MUERTO.
Ajuste la longitud de las varillas de control de las bombas girando la tuerca en el sentido apropiado hasta que las ruedas se muevan ligeramente en marcha atrás (Figura 91).

Mueva las palancas de control de movimiento a la posición de MARCHA ATRáS y, aplicando una ligera presión a la palanca, deje que los muelles de retorno a punto muerto devuelvan las palancas a punto muerto.
Note: Las ruedas deben dejar de girar o moverse muy lentamente en marcha atrás.
Pare la máquina.
Retire el puente del arnés de cables y enchufe el conector en el interruptor del asiento.
Retire los soportes.
Eleve la carcasa de corte e instale el pasador de altura de corte.
Compruebe que la máquina no se desplaza en punto muerto con el freno de estacionamiento quitado.
Busque atención médica inmediatamente si el fluido hidráulico penetra en la piel. Cualquier fluido inyectado debe ser extraído quirúrgicamente por un médico en el espacio de pocas horas.
Asegúrese de que todas las mangueras y líneas de fluido hidráulico están en buenas condiciones de uso y que todos los acoplamientos y conexiones hidráulicos están apretados antes de aplicar presión al sistema hidráulico.
Mantenga el cuerpo y las manos alejados de fugas pequeñas o boquillas que expulsan fluido hidráulico a alta presión.
Utilice un cartón o un papel para buscar fugas hidráulicas.
Alivie de manera segura toda presión en el sistema hidráulico antes de realizar trabajo alguno en el sistema hidráulico.
Tipo de fluido hidráulico: Fluido hidráulico Toro® HYPR-OIL™ 500
Important: Utilice el fluido especificado. Otros fluidos podrían causar daños en el sistema hidráulico.
Capacidad del sistema hidráulico (con los filtros retirados): 1.7 L (1.8 cuartos de galón US)
| Intervalo de mantenimiento y servicio | Procedimiento de mantenimiento |
|---|---|
| Cada vez que se utilice o diariamente |
|
Deje que el fluido hidráulico se enfríe. Compruebe el nivel de fluido con el fluido frío.
Retire el tapón del orificio superior del transeje en cada lado y asegúrese de que aparece fluido en la parte inferior del orificio superior de cada transeje (Figura 92).
Si es necesario, añada fluido hidráulico Toro® HYPR-OIL™ 500 a través del orificio de llenado hasta que aparezca fluido en la parte inferior del orificio superior de cada transeje (Figura 92 y Figura 93).

| Intervalo de mantenimiento y servicio | Procedimiento de mantenimiento |
|---|---|
| Después de las primeras 75 horas |
|
| Cada 400 horas |
|
Para cambiar el fluido hidráulico, es necesario retirar los filtros. Cambie ambos filtros al mismo tiempo; consulte en Especificación del fluido hidráulico las especificaciones del fluido.
Purgue el aire del sistema después de instalar los filtros nuevos y añadir fluido; consulte Purga del sistema hidráulico. Repita el proceso de purga hasta que el fluido permanezca en la línea FULL COLD del depósito después de la purga. Si no se realiza correctamente este procedimiento, pueden producirse daños irreparables en el sistema de tracción del transeje.
Aparque la máquina en una superficie nivelada, desengrane el mando de control de las cuchillas (TDF) y ponga el freno de estacionamiento.
Pare el motor, retire la llave y espere a que se detengan todas las piezas en movimiento antes de abandonar el puesto del operador.
Deje que el motor se enfríe.
Localice el filtro y los protectores de cada sistema de tracción del transeje (Figura 93).
Retire los 3 tornillos que sujetan el protector del filtro, y retire el protector (Figura 93).

Limpie cuidadosamente la zona alrededor de los filtros.
Important: No permita que entre suciedad en el sistema hidráulico porque lo puede contaminar.
Coloque un recipiente de vaciado debajo del filtro para recoger el fluido que sale del filtro al retirarse el filtro y los tapones de ventilación.
Localice y retire el tapón de ventilación de cada transmisión..
Desenrosque el filtro, retírelo y deje que se vacíe el fluido del sistema de transmisión.
Repita este procedimiento en ambos filtros.
Aplique una capa fina de fluido hidráulico a la superficie de la junta de goma de cada filtro.
Gire el filtro en sentido horario hasta que la junta de goma entre en contacto con el adaptador del filtro, luego apriete el filtro entre tres cuartos de vuelta y una vuelta completa más.
Haga lo mismo en el otro filtro.
Instale los protectores de filtro sobre cada filtro que retiró anteriormente.
Utilice los 3 tornillos para sujetar los protectores de los filtros.
Compruebe que los tapones de ventilación han sido retirados antes de añadir fluido.
Retire el tapón del orificio superior (Figura 93) de los transejes izquierdo y derecho antes de llenarlos de aceite.
Esto permitirá que los transejes se purguen mientras se llenan de aceite.
Llenar con el fluido especificado hasta que el fluido aparezca en la parte inferior del orificio superior de cada transeje.
Instale el tapón del orificio superior en cada transeje cuando el nivel de aceite llegue a este orificio (Figura 93).
Apriete los tapones a 20 N·m (15 pies-libra).
Vaya al paso Purga del sistema hidráulico.
Important: Si no se realiza correctamente el procedimiento de Purga del sistema hidráulico después de cambiar los filtros hidráulicos y el fluido, pueden producirse daños irreparables en el sistema de tracción del transeje.

Levante la parte trasera de la máquina y apóyela sobre gatos fijos (u otro soporte equivalente) a una altura suficiente para permitir que las ruedas motrices giren libremente.

Arranque el motor, mueva el control del acelerador hacia adelante a la posición intermedia y quite el freno de estacionamiento.
Mueva las palancas de desvío a la posición de empujar la máquina. Con las válvulas de desvío abiertas y el motor en marcha, mueva lentamente las palancas de control de movimiento hacia adelante y hacia atrás 5 o 6 veces.
Mueva las palancas de desvío a la posición de operación de la máquina.
Con la válvula de desvío cerrada y el motor en marcha, mueva lentamente la palanca de control hacia adelante y hacia atrás 5 o 6 veces.
Repita el paso 2 hasta que haya purgado todo el aire del sistema.
Note: Si el transeje funciona con un nivel de ruido normal, y se desplaza hacia adelante y hacia atrás a una velocidad normal, está purgado.
Compruebe el nivel de fluido; consulte Comprobación del nivel de fluido hidráulico.
Inspeccione periódicamente las cuchillas en busca de desgaste y daños.
Tenga cuidado al revisar las cuchillas. Envuelva las cuchillas o lleve guantes, y extreme las precauciones al realizar el mantenimiento de las cuchillas. Solo reemplace o afile las cuchillas; no las enderece ni las suelde nunca.
En máquinas con múltiples cuchillas, tenga cuidado puesto que girar una cuchilla puede hacer que giren otras cuchillas.
Sustituya cuchillas o pernos gastados o dañados en conjuntos completos para no desequilibrar la máquina.
Aparque la máquina en una superficie nivelada, desengrane el mando de control de las cuchillas (TDF) y ponga el freno de estacionamiento.
Apague el motor, retire la llave y desconecte los cables de las bujías.
| Intervalo de mantenimiento y servicio | Procedimiento de mantenimiento |
|---|---|
| Cada vez que se utilice o diariamente |
|
Inspeccione los filos de corte (Figura 96).
Si los filos están romos o tienen muescas, retire la cuchilla y afílela; consulte Afilado de las cuchillas.
Inspeccione las cuchillas, especialmente en la parte curva.
Si observa fisuras, desgaste o la formación de una ranura en esta zona, instale de inmediato una cuchilla nueva (Figura 96).

Note: La máquina debe estar sobre una superficie nivelada para realizar el procedimiento siguiente.
Eleve la carcasa de corte a la altura de corte más alta.
Llevando guantes fuertemente acolchados u otro tipo de protección apropiada para las manos, gire la cuchilla lentamente hasta una posición que permita medir la distancia entre el filo de corte y la superficie nivelada en la que descansa la máquina (Figura 97).

Mida desde la punta de la cuchilla hasta la superficie plana (Figura 98).

Gire la misma cuchilla 180 grados de manera que el otro extremo esté en la misma posición (Figura 99).

Mida desde la punta de la cuchilla hasta la superficie plana (Figura 100).
Note: La diferencia no debe ser superior a 3 mm (⅛").

Si la diferencia entre A y B es de más de 3 mm (⅛"), sustituya la cuchilla por una cuchilla nueva; consulte Cómo retirar las cuchillas y Instalación de las cuchillas.
Note: Si cambia una cuchilla doblada por una nueva, y la dimensión obtenida sigue siendo de más de 3 mm (⅛"), el eje de la cuchilla podría estar doblado. Póngase en contacto con su Servicio Técnico Autorizado para que revise la máquina.
Si la diferencia está dentro de los límites, pase a la cuchilla siguiente.
Repita este procedimiento con cada cuchilla.
Cambie las cuchillas si han golpeado un objeto sólido o si una cuchilla está desequilibrada o doblada.
Sujete el eje con una llave.
Retire del eje el perno de la cuchilla, la arandela curva y la cuchilla (Figura 101).

Utilice una lima para afilar el filo de corte en ambos extremos de la cuchilla (Figura 102).
Note: Mantenga el ángulo original.
Note: La cuchilla permanece equilibrada si se retira la misma cantidad de material de ambos bordes de corte.

Verifique el equilibrio de la cuchilla colocándola sobre un equilibrador de cuchillas (Figura 103).
Note: Si la cuchilla se mantiene horizontal, está equilibrada y puede utilizarse.
Note: Si la cuchilla no está equilibrada, rebaje algo el metal en la parte de la vela solamente con una lima (Figura 102).

Repita este procedimiento hasta que la cuchilla esté equilibrada.
Instale la cuchilla en el eje (Figura 101).
Important: La parte curva de la cuchilla debe apuntar hacia arriba, hacia el interior del cortacésped para asegurar un corte correcto.
Instale la arandela curva y el perno de la cuchilla (Figura 101).
Note: Instale la arandela curva con el cono hacia la cabeza del perno.
Apriete el perno de la cuchilla a 115–150 N·m (85 a 110 pies-libra).
Compruebe que la carcasa de corte está nivelada cada vez que instale el cortacésped o cuando observe un corte desigual en el césped.
Compruebe que las cuchillas no están dobladas antes de nivelar la carcasa; retire y sustituya cualquier cuchilla que esté doblada; consulte Verificación de la rectilinealidad de las cuchillas antes de continuar.
Nivele el cortacésped lateralmente primero, luego puede ajustar la inclinación longitudinal.
Requisitos:
La máquina debe estar sobre una superficie nivelada.
Todos los neumáticos deben estar correctamente inflados; consulte Comprobación de la presión de los neumáticos.
Aparque la máquina en una superficie nivelada, desengrane el mando de control de las cuchillas (TDF) y ponga el freno de estacionamiento.
Pare el motor, retire la llave y espere a que se detengan todas las piezas en movimiento antes de abandonar el puesto del operador.
Compruebe la presión de los neumáticos de las ruedas motrices; consulte Comprobación de la presión de los neumáticos.
Ponga la carcasa de corte en la posición de bloqueo de transporte o en la posición de altura de corte más alta.
Gire cuidadosamente las cuchillas en sentido longitudinal.
Mida entre la punta de la cuchilla y la superficie plana (Figura 104). Si ambas mediciones no están dentro de los 5 mm (3/16"), ajuste la nivelación; siga con este procedimiento.

Compruebe el nivel longitudinal de la cuchilla (Figura 105). Asegúrese de que la punta de la cuchilla delantera está más abajo que la punta de la cuchilla trasera, como se muestra en Altura de bloque y soporte. Si se requieren ajustes, siga con este procedimiento.

Ajuste los rodillos protectores del césped en los orificios superiores o retírelos completamente para este ajuste.
Eleve la carcasa a la posición de Transporte (127 mm o 5").
Afloje lentamente el tornillo de ajuste del muelle auxiliar de elevación hasta que pueda retirar el tornillo (Figura 106).
Note: Conserve el tornillo para la instalación.

Coloque 2 bloques (ver Altura de bloque y soporte) debajo del borde trasero del faldón de la carcasa de corte, uno en cada lado de la carcasa de corte (Figura 107).
Ponga la palanca de altura de corte en la posición de 76 mm (3"); consulte Ajuste de la altura de corte.
Coloque 2 bloques debajo de cada lado del borde delantero de la carcasa, pero no debajo de los soportes de los rodillos protectores del césped o soldaduras.

| Tamaño de la carcasa | Altura de bloque delantero | Soporte |
| Todas las carcasas de corte | 73 mm (2⅞") | 4.8 a 6.4 mm (3/16" a ¼") |
Gire cuidadosamente las cuchillas colocándolas perpendicularmente al sentido de avance de la máquina (Figura 104).
Baje la carcasa de corte a la posición de 76 mm (3"); consulte Ajuste de la altura de corte.
Afloje las contratuercas (Figura 108) en las 4 esquinas y asegúrese de que la carcasa de corte queda bien asentada sobre los 4 bloques.
Elimine la holgura de los mecanismos de suspensión de la carcasa y asegúrese de que el pedal de elevación de la carcasa está contra el tope.
Apriete los 4 pernos.

Asegúrese de que los bloques están ajustados debajo del faldón de la carcasa y que todos los pernos de fijación están bien apretados
Siga nivelando la carcasa comprobando la inclinación longitudinal de las cuchillas.
Compruebe la nivelación de las cuchillas y repita el procedimiento de nivelación de la carcasa si es necesario.
Eleve la carcasa a la posición de Transporte (127 mm o 5").
Instale el muelle auxiliar de elevación ajustando el tornillo que retiró anteriormente en el paso 10.
Ajuste la distancia entre el muelle y el soporte a 22 – 29 mm (⅞" – 1⅛").
Antes de retirar la carcasa de corte o de realizar mantenimiento en la misma, inmovilice los brazos de la carcasa, que están tensados con muelles.
Aparque la máquina en una superficie nivelada, desengrane el mando de control de las cuchillas (TDF) y ponga el freno de estacionamiento.
Pare el motor, retire la llave y espere a que se detengan todas las piezas en movimiento antes de abandonar el puesto del operador.
Coloque el pasador de ajuste de altura en el orificio que corresponde a una altura de 7.6 cm (3").
Retire las cubiertas de la correa.
Afloje la tensión de la carcasa de corte y retire la correa del cortacésped; consulte Mantenimiento de las correas.
Retire los pernos y las tuercas de la parte delantera de la placa debajo del reposapiés.
Retire y guarde los pernos y las tuercas de ambos lados de la máquina (Figura 109).
Deslice la carcasa hacia fuera en el lado derecho de la máquina.

Si el hueco de descarga se deja destapado, la máquina podría arrojar objetos hacia usted o hacia otras personas y causar lesiones graves. También podría producirse un contacto con la cuchilla.
No utilice nunca la máquina sin haber instalado una placa de mulching, un deflector de descarga o un sistema de recogida de hierba.
Retire la contratuerca, el perno, el muelle y el espaciador que sujetan el deflector a los soportes de pivote (Figura 110).
Retire el deflector de hierba dañado o desgastado (Figura 110).

Coloque el espaciador y el muelle en el deflector de hierba.
Coloque uno de los ganchos en J del muelle detrás del reborde de la carcasa.
Note: Asegúrese de colocar un extremo con gancho en J del muelle detrás del reborde de la carcasa antes de instalar el perno, según se muestra en Figura 110.
Instale el perno y la tuerca.
Coloque 1 extremo en J del muelle alrededor del deflector de hierba (Figura 110).
Important: El deflector de hierba debe poder girar. Levante el deflector hasta que esté totalmente abierto, y asegúrese de que gire hasta cerrarse por completo.
| Intervalo de mantenimiento y servicio | Procedimiento de mantenimiento |
|---|---|
| Después de cada uso |
|
Aparque la máquina en una superficie nivelada, desengrane el mando de control de las cuchillas (TDF) y ponga el freno de estacionamiento.
Pare el motor, retire la llave y espere a que se detengan todas las piezas en movimiento antes de abandonar el puesto del operador.
Eleve la carcasa de corte a la posición de TRANSPORTE.
| Intervalo de mantenimiento y servicio | Procedimiento de mantenimiento |
|---|---|
| Cada vez que se utilice o diariamente |
|
Utilice aire comprimido para limpiar el sistema de suspensión.
Note: No limpie los conjuntos de choque con agua a presión (Figura 111).

El aceite de motor, las baterías, el fluido hidráulico y el refrigerante del motor son contaminantes medioambientales. Elimínelos de acuerdo con la normativa estatal y local.
Apague el motor, retire la llave y espere a que se detengan todas las piezas en movimiento antes de abandonar el puesto del operador. Deje que se enfríe la máquina antes de hacer trabajos de ajuste, mantenimiento, limpieza o almacenamiento.
No guarde la máquina o el combustible cerca de llamas, y no drene el combustible dentro de un edificio o dentro de un remolque cerrado.
No guarde la máquina o un recipiente de combustible en un lugar donde pudiera haber una llama desnuda, chispas o una llama piloto, por ejemplo en un calentador de agua u otro electrodoméstico.
Desengrane el mando de control de las cuchillas (TDF) y accione el freno de estacionamiento.
Pare el motor, retire la llave y espere a que se detengan todas las piezas en movimiento antes de abandonar el puesto del operador.
Retire los recortes de hierba, la suciedad y la mugre de las piezas externas de toda la máquina, especialmente el motor y el sistema hidráulico. Limpie la suciedad y la broza de la parte exterior del alojamiento de las aletas de la culata de cilindros del motor y del soplador.
Important: La máquina puede lavarse con un detergente suave y agua. No lave la máquina a presión. Evite el uso excesivo de agua, especialmente cerca del panel de control, el motor, las bombas hidráulicas y los motores eléctricos.
Compruebe el funcionamiento del freno de estacionamiento; consulte Ajuste del freno de estacionamiento.
Revise el limpiador de aire; consulte Mantenimiento del limpiador de aire.
Engrase la máquina; consulte Lubricación.
Cambie el aceite del cárter; consulte Mantenimiento del motor.
Compruebe la presión de los neumáticos; consulte Comprobación de la presión de los neumáticos.
Cambie los filtros hidráulicos; consulte Cambio del aceite hidráulico y los filtros.
Cargue la batería; consulte Cómo cargar la batería.
Rasque cualquier acumulación importante de hierba y suciedad de los bajos del cortacésped, luego lávelo con una manguera de jardín.
Note: Haga funcionar la máquina con el mando de control de las cuchillas (TDF) engranado y el motor en ralentí alto durante 2 a 5 minutos después del lavado.
Compruebe la condición de las cuchillas; consulte Mantenimiento de las cuchillas de corte.
Prepare la máquina para su almacenamiento cuando no la vaya a utilizar durante más de 30 días. Prepare la máquina para el almacenamiento de la manera siguiente:
Agregue un estabilizador/acondicionador a base de petróleo al combustible del depósito. Siga las instrucciones de mezcla del fabricante del estabilizador. No use un estabilizador a base de alcohol (etanol o metanol).
Note: Un estabilizador/acondicionador de combustible es más eficaz cuando se mezcla con combustible fresco y se utiliza en todo momento.
Haga funcionar el motor para distribuir el combustible con acondicionador por todo el sistema de combustible durante 5 minutos.
Pare el motor, deje que se enfríe y drene el depósito de combustible.
Arranque el motor y hágalo funcionar hasta que se pare.
Deseche el combustible adecuadamente. Recicle el combustible según la normativa local.
Important: No guarde combustible que contenga estabilizador/acondicionador durante más tiempo que el recomendado por el fabricante del estabilizador de combustible.
Retire la(s) bujía(s) y verifique su condición; consulte Mantenimiento de la(s) bujía(s). Con la(s) bujía(s) retirada(s) del motor, vierta 30 ml (2 cucharadas soperas) de aceite de motor en el orificio de la bujía. Utilice el motor de arranque para hacer girar el motor y distribuir el aceite dentro del cilindro. Instale la(s) bujía(s). No instale los cables en la(s) bujía(s).
Revise y apriete todos los pernos, tuercas y tornillos. Repare o sustituya cualquier pieza dañada.
Pinte las superficies que estén arañadas o donde esté visible el metal. Puede adquirir la pintura en su Servicio Técnico Autorizado.
Guarde la máquina en un garaje o almacén seco y limpio. Retire la llave del interruptor y guárdela fuera del alcance de niños u otros usuarios no autorizados. Cubra la máquina para protegerla y para conservarla limpia.
| Problem | Possible Cause | Corrective Action |
|---|---|---|
| El motor se sobrecalienta. |
|
|
| Se enciende el indicador de avería multifunción (IAM). |
|
|
| El motor de arranque no se engrana. |
|
|
| El motor no arranca, arranca con dificultad, o no sigue funcionando. |
|
|
| El motor pierde potencia. |
|
|
| La máquina se desvía a la derecha o a la izquierda (con las palancas de control de movimiento totalmente hacia adelante). |
|
|
| No es posible conducir la máquina. |
|
|
| La máquina vibra de manera anormal. |
|
|
| La altura de corte no es homogénea. |
|
|
| Las cuchillas no giran. |
|
|
| El embrague no se engrana. |
|
|


