| Khoảng thời gian Dịch vụ Bảo trì | Quy trình Bảo trì |
|---|---|
| Trước mỗi lần sử dụng hoặc hàng ngày |
|
Máy cắt cỏ lưỡi cắt xoay và có người lái được thiết kế để người vận hành chuyên nghiệp của công ty sử dụng. Sản phẩm được thiết kế chủ yếu để cắt cỏ trên những bãi cỏ được bảo dưỡng tốt ở các khu dân cư hoặc thương mại. Việc sử dụng sản phẩm này cho các mục đích khác với mục đích sử dụng ban đầu có thể gây nguy hiểm cho bạn và những người xung quanh.
Hãy đọc kỹ thông tin này để hiểu cách vận hành và bảo trì sản phẩm của bạn đúng cách cũng như để tránh gây chấn thương và hư hỏng sản phẩm. Bạn là người chịu trách nhiệm vận hành sản phẩm đúng cách và an toàn.
Hãy truy cập www.Toro.com để xem các tài liệu về an toàn sản phẩm và đào tạo vận hành, thông tin về phụ kiện, trợ giúp tìm đại lý hoặc đăng ký sản phẩm của bạn.
Bất cứ khi nào bạn cần dịch vụ, phụ tùng Toro chính hãng hoặc thông tin bổ sung, vui lòng chuẩn bị sẵn mẫu máy, số sê-ri của sản phẩm và liên hệ với Đại lý Dịch vụ được Ủy quyền hoặc Dịch vụ Khách hàng của Toro. Hình 1 xác định vị trí ghi thông tin về mẫu máy và số sê-ri trên sản phẩm. Hãy viết các số vào khoảng trống cho sẵn.
Important: Bạn có thể quét mã QR trên nhãn mác số sê-ri (nếu được trang bị) bằng thiết bị di động của mình để truy cập thông tin về bảo hành, phụ tùng và các sản phẩm khác.

Hướng dẫn sử dụng này sử dụng 2 từ để nêu bật thông tin. Các chú ý quan trọng về thông tin cơ học đặc biệt và Lưu ý đều nhấn mạnh thông tin chung mà bạn cần đặc biệt lưu tâm.
Ký hiệu cảnh báo an toàn (Hình 2) xuất hiện cả trong sách hướng dẫn này và dán trên máy để xác định các thông báo an toàn quan trọng mà bạn phải tuân theo để tránh tai nạn. Ký hiệu này sẽ xuất hiện với từ Nguy hiểm, Cảnh báo hoặc Thận trọng.
Nguy hiểm cho biết trường hợp nguy hiểm sắp xảy ra, nếu không tránh, sẽ dẫn đến tử vong hoặc thương tích nghiêm trọng.
Cảnh báo cho biết trường hợp nguy hiểm tiềm ẩn, nếu không tránh, có thể dẫn đến tử vong hoặc thương tích nghiêm trọng.
Thận trọng cho biết trường hợp nguy hiểm tiềm ẩn, nếu không tránh, có thể dẫn đến thương tích nhẹ hoặc trung bình.

Việc sử dụng hoặc vận hành máy này trên bất kỳ vùng đất có rừng cây, bụi rậm hoặc cỏ bao phủ nào là hành vi vi phạm Mục 4442 hoặc 4443 của Bộ luật Tài nguyên Công California, nếu máy không được trang bị bộ ngăn tia lửa, theo định nghĩa ở Mục 4442, được duy trì trong trạng thái hoạt động hiệu quả hoặc máy không được chế tạo, trang bị và bảo trì giúp phòng ngừa hỏa hoạn.
Hướng dẫn sử dụng máy đính kèm cung cấp thông tin liên quan đến Cơ quan Bảo vệ Môi trường (EPA) của Hoa Kỳ và Quy định Kiểm soát Khí thải của California về các hệ thống khí thải, bảo trì và bảo hành. Bạn có thể đặt hàng các phụ tùng thay thế từ nhà sản xuất máy.
Vui lòng tham khảo thông tin của nhà sản xuất động cơ đi kèm với máy.
Tổng mô-men xoắn hoặc Mô-men xoắn thực: Tổng mô-men xoắn hoặc mô-men xoắn thực của động cơ này được nhà sản xuất động cơ đánh giá trong phòng thí nghiệm theo Hiệp hội Kỹ sư Ô tô (SAE) J1940 hoặc J2723. Vì cấu hình phải đáp ứng yêu cầu về an toàn, khí thải và vận hành nên mô-men xoắn thực của động cơ trên loại máy cắt cỏ này sẽ thấp hơn đáng kể. Vui lòng tham khảo thông tin của nhà sản xuất động cơ đi kèm với máy.
CALIFORNIA
Cảnh báo theo Dự luật 65
Khói thải động cơ từ sản phẩm này chứa các hóa chất được Tiểu bang California xem là nguyên nhân gây ung thư, dị tật bẩm sinh hoặc gây hại cho hệ sinh sản.
Cọc bình ắc quy, thiết bị đầu cuối và phụ kiện liên quan đến ắc quy có chứa chì và các hợp chất của chì, các hóa chất được Tiểu bang California xem là nguyên nhân gây ra ung thư và gây hại cho hệ sinh sản. Rửa tay sau khi xử lý.
Việc sử dụng sản phẩm này có thể dẫn đến tình trạng phơi nhiễm với hóa chất được Tiểu Bang California xem là nguyên nhân gây ung thư, dị tật bẩm sinh hoặc gây hại cho hệ sinh sản.
Sản phẩm này có thể cắt cụt tay, chân và là sản phẩm dễ bị xê dịch. Luôn tuân thủ tất cả các hướng dẫn an toàn để tránh gây thương tích cá nhân nghiêm trọng hoặc tử vong.
Đọc và hiểu nội dung của Hướng dẫn Vận hành này trước khi khởi động động cơ.
Để tránh xa người ngoài và trẻ em.
Không cho phép trẻ em hoặc người chưa được đào tạo vận hành hoặc bảo trì máy. Chỉ cho phép những người có trách nhiệm, được đào tạo, quen thuộc với hướng dẫn và có đủ năng lực thể chất vận hành hoặc bảo dưỡng máy.
Luôn giữ thanh lăn ở vị trí khóa và nâng hoàn toàn cũng như sử dụng dây đai an toàn.
Không vận hành máy gần dốc thẳng đứng, mương, bờ kè, nước, hoặc các mối nguy hiểm khác, hoặc trên dốc lớn hơn 15°.
Không để tay hoặc chân của bạn gần các bộ phận đang chuyển động của máy.
Không vận hành máy khi tất cả các bộ phận bảo vệ, công tắc an toàn và các thiết bị bảo vệ an toàn khác không ở đúng vị trí và không hoạt động bình thường.
Tắt động cơ, rút chìa khóa và chờ cho tất cả các bộ phận chuyển động dừng lại trước khi rời khỏi vị trí của người vận hành. Để máy nguội trước khi bảo dưỡng, điều chỉnh, đổ nhiên liệu, vệ sinh hoặc cất giữ.

![]() |
Người vận hành có thể dễ dàng nhìn thấy các nhãn mác và hướng dẫn an toàn được đặt gần bất kỳ khu vực tiềm ẩn nguy hiểm nào. Hãy thay thế bất kỳ nhãn mác nào bị hỏng hoặc bị thiếu. |















Nhãn mác 144-0405 dành cho máy không được trang bị đèn trước tùy chọn.



Nhãn mác 144-6569 dành cho máy được trang bị đèn trước.


Nhãn mác 126-8383 chỉ dành cho máy không có MyRide.

Nhãn mác 132-0871 chỉ dành cho máy có MyRide.

Nhãn mác 132-5067 chỉ dành cho máy có MyRide.


Làm quen với tất cả các nút điều khiển trước khi bạn khởi động động cơ và vận hành máy.

Công tắc chìa khóa, được sử dụng để khởi động và tắt động cơ, có ba vị trí: TắT, CHạY và KHởI độNG. Tham khảo Khởi động Động cơ.
Sử dụng công tắc đèn để chuyển đèn sang vị trí BậT hoặc TắT (Hình 5).
Sử dụng cần điều khiển bướm gió để khởi động động cơ nguội.
Van tiết lưu điều khiển tốc độ động cơ và có cài đặt biến liên tục từ vị trí CHậMđến NHANH (Hình 5).
Công tắc điều khiển lưỡi cắt, được biểu thị bằng ký hiệu truyền năng lượng (PTO), bật và tắt nguồn điện đến các lưỡi cắt của máy cắt cỏ (Hình 5).
Đồng hồ đo giờ ghi lại số giờ động cơ đã hoạt động. Đồng hồ hoạt động khi động cơ đang chạy. Sử dụng những thời điểm này để lên lịch bảo trì thường xuyên (Hình 6).

Có các ký hiệu trên đồng hồ đo giờ cho biết hình tam giác màu đen có nghĩa là bộ phận khóa liên động được đặt đúng vị trí (Hình 6).
Nếu bạn xoay công tắc chìa khóa sang vị trí BậT trong vài giây, điện áp ắc quy sẽ hiển thị ở khu vực thường hiển thị số giờ.
Đèn ắc quy bật khi bật công tắc chìa khóa và khi sạc ở dưới mức hoạt động chính xác (Hình 6).
Thiết bị điều khiển điện tử (ECU) liên tục giám sát hoạt động của hệ thống EFI.
Nếu phát hiện sự cố hoặc lỗi trong hệ thống, đèn chỉ báo trục trặc (MIL) sẽ phát sáng.
MIL là đèn màu đỏ nằm ở bảng điều khiển bên phải.
Ngay khi MIL phát sáng, hãy thực hiện kiểm tra khắc phục sự cố ban đầu; tham khảo mục MIL ở dưới .
Nếu những lần kiểm tra này không khắc phục được sự cố thì cần phải được Đại lý dịch vụ ủy quyền chẩn đoán và bảo dưỡng thêm.
Sử dụng cần điều khiển chuyển động để điều khiển máy tiến, lùi và rẽ theo một trong hai hướng (Hình 4).
Di chuyển các cần điều khiển chuyển động từ trung tâm ra ngoài đến vị trí KHóA Số MO khi rời khỏi máy (Hình 27). Luôn đặt các cần điều khiển chuyển động vào vị trí KHóA Số MO khi bạn dừng máy hoặc khi máy không có người giám sát.
Bất cứ khi nào bạn tắt động cơ, hãy bật phanh đỗ để tránh máy vô tình di chuyển.
Đóng van ngắt nhiên liệu khi vận chuyển hoặc cất giữ máy; tham khảo Sử dụng Van Ngắt Nhiên liệu.
Note: Thông số kỹ thuật và thiết kế có thể được thay đổi mà không cần phải thông báo.
| Mâm cắt 48 inch | Mâm cắt 52 inch | Mâm cắt 60 inch | Mâm cắt 72 inch | |
|---|---|---|---|---|
| Không có mâm cắt cho xe | 129 cm (50-15/16 inch) | 137 cm (53-7/8 inch) | 140 cm (55 inch) | 150 cm (58-15/16 inch) |
| Bộ làm lệch hướng nâng lên | 141 cm (55-7/16 inch) | 150 cm (58-15/16 inch) | 166 cm (65-1/2 inch) | 192 cm (75-5/8 inch) |
| Bộ làm lệch hướng hạ xuống | 160 cm (63-1/8 inch) | 171 cm (67-3/16 inch) | 191 cm | 223 cm (87-5/8 inch) |
| Đã tháo bộ làm lệch hướng | 132 cm (52-1/8 inch) | 141 cm (55-5/8 inch) | 156 cm (61-5/8 inch) | 187 cm (73-11/16 inch) |
| Máy 48 inch, 52 inch và 60 inch | Máy 72 inch | |
|---|---|---|
| Lốp 24 inch | Lốp 26 inch | Lốp 26 inch |
| 219 cm (86-5/16 inch) | 220 cm (86-1/2 inch) | 227 cm (89-5/16 inch) |
| Máy có lốp 24 inch | Máy có lốp 26 inch | |
|---|---|---|
| Thanh lăn—Nâng lên | 182 cm (71-5/8 inch) | 185 cm (73 inch) |
| Thanh lăn—Hạ xuống (MyRide) | 126 cm (49-1/2 inch) | 129 cm (50-13/16 inch) |
| Thanh lăn—Hạ xuống (Không có MyRide) | 118 cm (46-3/8 inch) | 129 cm (50-13/16 inch) |
| Máy 48 inch | Máy 52 inch | Máy 60 inch | Máy 72 inch |
|---|---|---|---|
| 512 kg (1.130 lb) | 531 đến 540 kg (1.170 đến 1.190 lb) | 535 đến 590 kg (1.180 đến 1.300 lb) | 617 kg (1.360 lb) |
| Trọng lượng lưỡi | Tổng trọng lượng kéo * |
|---|---|
| 22 kg (49 lb) | 113 kg (250 lb) |
*Tổng trọng lượng của vật thể được kéo (ví dụ: xe moóc và trọng tải, bộ làm tơi cỏ kéo phía sau, thiết bị sục khí, v.v.)
Lựa chọn bộ gá và phụ kiện đã được Toro phê duyệt và có sẵn để sử dụng với máy nhằm nâng cao và mở rộng khả năng của máy. Hãy liên hệ với Đại lý Dịch vụ được Ủy quyền hoặc nhà phân phối Toro được ủy quyền của bạn hoặc truy cập www.Toro.com để xem danh sách tất cả các bộ gá và phụ kiện đã được phê duyệt.
Để đảm bảo hiệu suất tối ưu và tiếp tục được chứng nhận an toàn cho máy, chỉ sử dụng các phụ tùng và phụ kiện thay thế chính hãng của Toro. Các phụ kiện và phụ tùng thay thế do các nhà sản xuất khác sản xuất có thể gây nguy hiểm và việc sử dụng chúng có thể làm mất hiệu lực bảo hành của sản phẩm.
Note: Xác định các mặt bên trái và bên phải của máy từ vị trí hoạt động bình thường.
Không cho phép trẻ em hoặc người chưa được đào tạo vận hành hoặc bảo trì máy. Quy định địa phương có thể hạn chế độ tuổi của người vận hành. Chủ sở hữu chịu trách nhiệm đào tạo tất cả các nhân viên vận hành và thợ máy.
Kiểm tra khu vực bạn sẽ sử dụng máy và loại bỏ tất cả các đồ vật có thể cản trở hoạt động của máy hoặc có thể bị văng ra từ máy.
Làm quen với cách vận hành thiết bị an toàn, nút điều khiển của người vận hành và biển báo an toàn.
Kiểm tra xem nút điều khiển khi có mặt người vận hành, công tắc an toàn và các bộ phận bảo vệ đã được gắn và hoạt động bình thường chưa. Không vận hành máy trừ khi chúng hoạt động bình thường.
Tắt động cơ, rút chìa khóa và chờ cho tất cả các bộ phận chuyển động dừng lại trước khi rời khỏi vị trí của người vận hành. Để máy nguội trước khi bảo dưỡng, điều chỉnh, đổ nhiên liệu, vệ sinh hoặc cất giữ.
Trước khi cắt cỏ, hãy kiểm tra máy để đảm bảo các cụm dao xoắn hoạt động tốt.
Đánh giá địa hình để xác định các bộ gá và thiết bị phù hợp hoặc phụ kiện cần thiết để vận hành máy đúng cách và an toàn.
Mặc quần áo phù hợp, bao gồm bảo vệ mắt; quần dài; giày dép chắc chắn, chống trơn trượt; và bảo vệ thính giác. Buộc tóc dài lại và không mặc quần áo rộng hoặc đeo trang sức lỏng lẻo.
Không chở người đi cùng trên máy.
Không để người xung quanh và vật nuôi lại gần máy trong quá trình vận hành. Tắt máy và (các) bộ gá nếu có người đi vào khu vực máy hoạt động.
Không vận hành máy trừ khi tất cả các bộ phận bảo vệ và thiết bị an toàn, chẳng hạn như bộ làm lệch hướng và toàn bộ hứng cỏ, đang nằm đúng vị trí và hoạt động bình thường. Thay các bộ phận bị mòn hoặc xuống cấp khi cần thiết.
Nhiên liệu rất dễ cháy và rất dễ nổ. Cháy hoặc nổ do nhiên liệu có thể gây bỏng cho bạn và những người khác và có thể gây thiệt hại về tài sản.
Để tránh tĩnh điện làm cháy nhiên liệu, hãy tháo máy ra khỏi xe tải hoặc xe moóc và đổ tiếp nhiên liệu trên mặt đất, cách xa tất cả các phương tiện. Nếu không thể, hãy đặt bình chứa nhiên liệu di động trên mặt đất, cách xa tất cả các phương tiện và đổ đầy nhiên liệu vào đó; sau đó đổ tiếp nhiên liệu cho máy từ bình chứa nhiên liệu thay vì từ đầu phun của bộ phân phối nhiên liệu.
Phải đổ đầy bình nhiên liệu ở ngoài trời trên mặt đất bằng phẳng, ở khu vực thông thoáng và khi động cơ nguội. Lau sạch nếu bị tràn nhiên liệu.
Không xử lý nhiên liệu khi đang hút thuốc hoặc xung quanh có ngọn lửa trần hoặc tia lửa.
Không tháo nắp nhiên liệu hoặc đổ thêm nhiên liệu vào bình khi động cơ đang chạy hoặc đang nóng.
Nếu bạn đổ tràn nhiên liệu thì không được khởi động động cơ. Hãy tránh tạo ra nguồn gây cháy cho đến khi hơi nhiên liệu đã tản đi hết.
Bảo quản nhiên liệu trong bình chứa đã được phê duyệt và để xa tầm tay trẻ em.
Nhiên liệu có hại hoặc có thể gây tử vong nếu nuốt phải. Tiếp xúc lâu dài với hơi có thể dẫn đến thương tích và bệnh tật nghiêm trọng.
Tránh hít phải hơi trong thời gian dài.
Giữ tay và mặt tránh xa vòi phun và lỗ mở của bình nhiên liệu.
Để nhiên liệu tránh xa mắt và da.
Không cất giữ máy hoặc bình chứa nhiên liệu ở nơi có lửa trần, tia lửa hoặc đèn đánh lửa, chẳng hạn như trên máy nước nóng hoặc trên thiết bị khác.
Không vận hành máy khi toàn bộ hệ thống xả chưa ở đúng vị trí và tình trạng hoạt động chưa phù hợp.
Luôn luôn để đầu phun của bộ phân phối nhiên liệu tiếp xúc với vành lỗ mở của bình nhiên liệu hoặc bình chứa nhiên liệu cho đến khi đổ nhiên liệu xong. Không sử dụng thiết bị mở khóa mắt phun.
Nếu bạn đổ tràn nhiên liệu vào quần áo, hãy thay quần áo ngay lập tức.
Không đổ quá đầy bình nhiên liệu. Đậy nắp nhiên liệu và siết chặt.
Làm sạch cỏ và mảnh vụn khỏi dao xoắn, bộ triệt tiếng ồn, bộ phận truyền động, bộ hứng cỏ và khoang động cơ để giúp ngăn ngừa hỏa hoạn. Lau sạch dầu hoặc nhiên liệu bị tràn.
Để đạt kết quả tốt nhất, chỉ sử dụng xăng sạch, mới (dưới 30 ngày tuổi), không pha chì có chỉ số octan từ 87 trở lên (phương pháp ghi chỉ số (R + M)/2).
Etanol: Xăng có tối đa 10% etanol (gasohol) hoặc 15% MTBE (ete metyl butyl bậc ba) theo thể tích được chấp nhận. Etanol và MTBE không giống nhau. Xăng có 15% etanol (E15) theo thể tích không được phê duyệt sử dụng. Không bao giờ sử dụng xăng có chứa hơn 10% etanol theo thể tích, chẳng hạn như E15 (chứa 15% etanol), E20 (chứa 20% etanol), hoặc E85 (chứa lên tới 85% etanol). Sử dụng xăng không được phê duyệt có thể gây ra các vấn đề về hiệu suất và/hoặc hư hỏng động cơ, những lỗi này không được bảo hành.
Không sử dụng xăng có chứa metanol.
Không dự trữ nhiên liệu trong bình nhiên liệu hoặc bình chứa nhiên liệu trong mùa đông trừ khi bạn sử dụng chất ổn định nhiên liệu.
Không đổ thêm dầu vào xăng.
Sử dụng chất ổn định/điều hòa nhiên liệu trong máy để mang lại những lợi ích sau:
Giữ nhiên liệu mới trong thời gian dài hơn khi được sử dụng theo chỉ dẫn của nhà sản xuất chất ổn định nhiên liệu
Làm sạch động cơ trong khi động cơ chạy
Loại bỏ sự tích tụ vecni giống như keo trong hệ thống nhiên liệu gây khó khởi động
Important: Không sử dụng phụ gia nhiên liệu có chứa metanol hoặc etanol.
Đổ thêm đúng lượng chất ổn định/điều hòa nhiên liệu vào nhiên liệu.
Note: Chất ổn định/điều hòa nhiên liệu có hiệu quả nhất khi được trộn với nhiên liệu mới. Để giảm thiểu khả năng đóng cặn vecni trong hệ thống nhiên liệu, hãy luôn sử dụng chất ổn định nhiên liệu.
Đỗ máy trên bề mặt bằng phẳng.
Bật phanh đỗ.
Tắt động cơ và rút chìa khóa.
Làm sạch xung quanh nắp bình nhiên liệu.
Đổ đầy bình nhiên liệu đến đáy cổ bình nạp (Hình 7).
Note: Không đổ đầy hoàn toàn bình nhiên liệu. Không gian trống trong bình cho phép nhiên liệu giãn nở.

Trước khi khởi động máy mỗi ngày, hãy thực hiện các quy trình Mỗi Lần sử dụng/Hàng ngày được liệt kê trong .
Động cơ mới cần có thời gian để phát huy toàn bộ công suất. Mâm cắt và hệ thống truyền động của máy cắt cỏ có ma sát cao hơn khi còn mới, tạo thêm tải trọng cho động cơ. Dành thời gian ngắt xen 40 đến 50 giờ để máy móc mới phát huy toàn bộ công suất và hiệu suất tốt nhất.
Để tránh gây chấn thương hoặc tử vong do lật xe, hãy giữ thanh lăn ở vị trí nâng hoàn toàn và khóa rồi sử dụng dây đai an toàn.
Đảm bảo ghế được siết chặt vào máy.
Không có bảo vệ chống lật khi thanh lăn ở vị trí hạ xuống.
Chỉ hạ thanh lăn khi thực sự cần thiết.
Không đeo dây đai an toàn khi thanh lăn ở vị trí hạ xuống.
Lái xe chậm và cẩn thận.
Nâng thanh lăn ngay khi khoảng sáng cho phép.
Kiểm tra cẩn thận khoảng sáng trên cao (ví dụ như nhánh cây, lối ra vào, dây điện) trước khi lái dưới bất kỳ đồ vật nào và không tiếp xúc với chúng.
Important: Chỉ hạ thanh lăn khi thực sự cần thiết.
Đối với cả hai mặt của thanh lăn, hãy tháo chốt kẹp ghim và chốt.
Hạ thanh lăn đến vị trí hạ xuống.
Note: Có 2 vị trí hạ xuống như được minh họa trong Hình 9.
Lắp 2 chốt và siết chặt bằng các chốt kẹp ghim.


Important: Luôn sử dụng dây đai an toàn với thanh lăn ở vị trí nâng lên.
Tháo các chốt kẹp ghim và tháo 2 chốt.
Nâng thanh lăn lên vị trí thẳng đứng.
Lắp 2 chốt và siết chặt bằng các chốt kẹp ghim.

Nếu các công tắc khóa liên động an toàn bị ngắt kết nối hoặc bị hỏng, máy có thể hoạt động bất ngờ, gây chấn thương cá nhân.
Không làm xáo trộn công tắc khóa liên động.
Kiểm tra hoạt động của các công tắc khóa liên động hàng ngày và thay bất kỳ công tắc nào bị hỏng trước khi vận hành máy.
Hệ thống khóa liên động an toàn được thiết kế để ngăn động cơ khởi động trừ khi xảy ra những trường hợp sau:
Phanh đỗ được bật.
Công tắc điều khiển lưỡi cắt (PTO) được tắt.
Cần điều khiển chuyển động ở vị trí KHóA Số MO.
Hệ thống khóa liên động an toàn cũng được thiết kế để tắt động cơ khi cần điều khiển chuyển từ vị trí KHóA Số MO với phanh đỗ được bật hoặc nếu bạn đứng dậy khỏi ghế khi PTO được bật.
Đồng hồ đo giờ có các chỉ báo để thông báo cho người dùng khi bộ phận khóa liên động ở đúng vị trí. Khi bộ phận ở đúng vị trí, chỉ báo sẽ hiển thị trên màn hình.

| Khoảng thời gian Dịch vụ Bảo trì | Quy trình Bảo trì |
|---|---|
| Trước mỗi lần sử dụng hoặc hàng ngày |
|
Kiểm tra hệ thống khóa liên động an toàn trước mỗi lần bạn sử dụng máy. Nếu hệ thống an toàn không hoạt động như mô tả dưới đây, vui lòng yêu cầu Đại lý Dịch vụ được Ủy quyền sửa chữa hệ thống an toàn ngay lập tức.
Ngồi trên ghế, bật phanh đỗ và di chuyển công tắc điều khiển lưỡi cắt (PTO) đến vị trí BậT. Thử khởi động động cơ; động cơ sẽ không khởi động.
Ngồi trên ghế, bật phanh đỗ và di chuyển công tắc điều khiển lưỡi cắt (PTO) đến vị trí TắT. Di chuyển cần điều khiển chuyển động ra khỏi vị trí KHóA Số MO. Thử khởi động động cơ; động cơ sẽ không khởi động. Lặp lại với cần điều khiển khác.
Ngồi trên ghế, bật phanh đỗ, di chuyển công tắc điều khiển lưỡi cắt (PTO) đến vị trí TắT và di chuyển cần điều khiển chuyển động đến vị trí KHóA Số MO. Bây giờ khởi động động cơ. Trong khi động cơ đang chạy, hãy tắt phanh đỗ, bật công tắc điều khiển lưỡi cắt (PTO) và hơi nhích lên khỏi ghế; động cơ sẽ tắt.
Ngồi trên ghế, bật phanh đỗ, di chuyển công tắc điều khiển lưỡi cắt (PTO) đến vị trí TắT và di chuyển cần điều khiển chuyển động đến vị trí KHóA Số MO. Bây giờ khởi động động cơ. Trong khi động cơ đang chạy, tập trung vào điều khiển chuyển động và di chuyển (tiến hoặc lùi); động cơ sẽ tắt. Lặp lại cho điều khiển chuyển động khác.
Ngồi trên ghế, tắt phanh đỗ, di chuyển công tắc điều khiển lưỡi cắt (PTO) đến vị trí TắT và di chuyển cần điều khiển chuyển động đến vị trí KHóA Số MO. Thử khởi động động cơ; động cơ sẽ không khởi động.
Ghế có thể di chuyển về phía trước và về phía sau (Hình 12). Đặt ghế ở vị trí bạn có thể điều khiển máy tốt nhất và cảm thấy thoải mái nhất.

Ghế có thể điều chỉnh để mang lại chuyến đi êm ái và thoải mái. Định vị ghế để bạn cảm thấy thoải mái nhất.
Để điều chỉnh, hãy xoay núm xoay ở phía trước theo một trong hai hướng để mang lại cảm giác thoải mái nhất (Hình 13).

Hệ thống giảm xóc MyRide™ điều chỉnh để mang lại chuyến đi êm ái và thoải mái. Bạn có thể điều chỉnh 2 cụm giảm xóc phía sau để thay đổi hệ thống treo một cách nhanh chóng và dễ dàng. Định vị hệ thống treo để bạn cảm thấy thoải mái nhất.
Các khe của cụm giảm xóc phía sau có vị trí bộ hãm để tham khảo. Bạn có thể định vị cụm giảm xóc phía sau ở bất kỳ vị trí nào trong khe, không chỉ ở vị trí bộ hãm. Hình dưới đây minh họa vị trí tạo chuyến đi nhẹ nhàng hoặc vững chắc và các vị trí bộ hãm khác nhau (Hình 14).

Note: Đảm bảo cụm giảm xóc phía sau ở bên trái và bên phải luôn được điều chỉnh về vị trí giống nhau.
Điều chỉnh cụm giảm xóc phía sau (Hình 15).


Chủ sở hữu/người vận hành có thể ngăn chặn và phải chịu trách nhiệm về những tai nạn có thể gây thương tích cá nhân hoặc thiệt hại về tài sản.
Bạn cần tập trung cao độ khi vận hành máy. Tránh bị phân tâm vào bất kỳ hoạt động nào khác; nếu không, bạn có thể gây chấn thương cho bản thân hoặc gây thiệt hại về tài sản.
Không vận hành máy khi bị ốm, mệt mỏi hoặc đang chịu ảnh hưởng của các chất có cồn, chất gây nghiện.
Tiếp xúc với lưỡi cắt có thể dẫn đến gây thương tích cá nhân nghiêm trọng. Tắt động cơ, rút chìa khóa và chờ cho tất cả các bộ phận chuyển động dừng lại trước khi rời khỏi vị trí của người vận hành. Khi bạn xoay chìa khóa đến vị trí TẮT, động cơ sẽ tắt và lưỡi cắt sẽ dừng lại. Nếu không, hãy ngừng sử dụng máy ngay lập tức và liên hệ với Đại lý Dịch vụ được Ủy quyền.
Chỉ vận hành máy khi có tầm nhìn tốt và điều kiện thời tiết thích hợp. Không vận hành máy khi có nguy cơ bị sét đánh.
Giữ tay và chân tránh xa dao xoắn. Tránh xa các lỗ xả.
Không cắt cỏ nếu bộ làm lệch hướng xả đang nâng lên, bị tháo ra hoặc thay đổi trừ khi có hệ thống thu gom cỏ hoặc bộ che phủ ở đúng vị trí và hoạt động bình thường.
Không cắt cỏ khi lùi trừ khi thực sự cần thiết. Luôn nhìn xuống phía dưới và về phía sau trước khi lùi máy.
Hết sức cẩn thận khi đến gần góc khuất, bụi rậm, cây cối hoặc các vật thể khác có thể cản tầm nhìn của bạn.
Phải dừng lưỡi cắt mỗi khi không cắt cỏ.
Nếu máy va phải vật thể hoặc bắt đầu rung, hãy tắt động cơ ngay lập tức, rút chìa khóa (nếu được trang bị) và chờ tất cả các bộ phận đang chuyển động dừng lại trước khi kiểm tra máy xem có bị hư hỏng không. Thực hiện tất cả các sửa chữa cần thiết trước khi hoạt động trở lại.
Giảm tốc độ và thận trọng khi rẽ và băng qua đường và vỉa hè bằng máy. Luôn nhường quyền ưu tiên qua đường.
Trước khi bạn rời khỏi vị trí vận hành, hãy thực hiện các bước sau:
Đỗ máy trên bề mặt bằng phẳng.
Tắt truyền động và hạ các bộ gá.
Bật phanh đỗ.
Tắt động cơ và rút chìa khóa.
Chờ cho tất cả các bộ phận đang chuyển động dừng lại.
Chỉ vận hành động cơ ở những khu vực thông gió tốt. Khí thải có chứa carbon monoxide, có thể gây chết người nếu hít phải.
Không bao giờ để máy chạy mà không được giám sát.
Chỉ được gắn thiết bị được kéo vào máy tại điểm cầu móc.
Không vận hành máy trừ khi tất cả các bộ phận bảo vệ và thiết bị an toàn, chẳng hạn như bộ làm lệch hướng và toàn bộ hứng cỏ, đang nằm đúng vị trí và hoạt động bình thường. Thay các bộ phận bị mòn hoặc xuống cấp khi cần thiết.
Chỉ sử dụng phụ kiện và bộ gá đã được Toro phê duyệt.
Máy này tạo ra mức âm thanh vượt quá 85 dBA đến tai người vận hành và có thể gây mất thính lực khi tiếp xúc trong thời gian dài.

Làm sạch cỏ và mảnh vụn khỏi dao xoắn, bộ phận truyền động, bộ triệt tiếng ồn và động cơ để giúp ngăn ngừa hỏa hoạn.
Khi dùng chân khởi động động cơ phải để bàn chân cách xa lưỡi cắt.
Hãy lưu ý đường xả của máy cắt cỏ và hướng đường xả tránh xa những người khác. Tránh xả vật liệu vào tường hoặc vật cản vì vật liệu có thể bắn ngược về phía bạn.
Dừng lưỡi cắt, giảm tốc độ máy và thận trọng khi băng qua các bề mặt không phải cỏ hoặc khi vận chuyển máy đi hoặc đến khu vực vận hành.
Không thay đổi tốc độ bộ điều khiển động cơ hoặc chạy quá tốc độ của động cơ.
Trẻ em thường bị thu hút bởi máy móc và hoạt động cắt cỏ. Đừng bao giờ cho rằng trẻ sẽ ở đúng vị trí mà bạn nhìn thấy trẻ lần cuối.
Giữ trẻ em ở ngoài khu vực vận hành và dưới sự giám sát cẩn thận của người lớn có trách nhiệm mà không phải là người vận hành.
Cảnh giác và tắt máy nếu trẻ em đi vào khu vực vận hành.
Trước khi lùi hoặc quay máy, hãy nhìn xuống và quan sát xung quanh để xem có trẻ nhỏ không.
Không chở trẻ em trên máy, ngay cả khi các lưỡi cắt không chuyển động. Trẻ em có thể bị ngã và bị thương nghiêm trọng hoặc ngăn cản bạn vận hành máy một cách an toàn. Trẻ nhỏ đã từng được ngồi trên máy trước đây có thể sẽ lại xuất hiện trong khu vực vận hành mà không báo trước và có thể bị máy đè qua hoặc lùi trúng.
ROPS là thiết bị an toàn không thể thiếu và hoạt động hiệu quả. Không được tháo hoặc thay đổi ROPS.
Khi thanh lăn hạ xuống thì không có bảo vệ chống lật.
Giữ thanh lăn ở vị trí khóa và nâng hoàn toàn và luôn thắt dây đai an toàn bất cứ khi nào nâng thanh lăn lên.
Đảm bảo dây đai an toàn có thể được nhả ra nhanh chóng trong trường hợp khẩn cấp.
Chỉ hạ thanh lăn khi thực sự cần thiết. Không được đeo dây đai an toàn khi thanh lăn hạ xuống.
Nâng thanh lăn ngay khi khoảng sáng cho phép.
Bánh xe rơi qua mép, mương, bờ dốc đứng, hoặc nước có thể gây lật, có thể dẫn đến chấn thương nghiêm trọng hoặc tử vong.
Kiểm tra cẩn thận khoảng sáng trên cao trước khi lái dưới bất kỳ đồ vật nào và không tiếp xúc với chúng.
Trong trường hợp bị lật, hãy đưa máy đến Đại lý Dịch vụ được Ủy quyền và yêu cầu kiểm tra ROPS.
Thay thế các bộ phận ROPS bị hỏng. Không sửa chữa hoặc thay đổi các bộ phận này.
Chỉ sử dụng các phụ kiện và bộ phận gắn kèm được lắp đặt trên ROPS đã được Toro phê duyệt.
Dốc là yếu tố chính liên quan đến tai nạn mất kiểm soát và lật xe, có thể dẫn đến chấn thương nặng hoặc tử vong. Người vận hành chịu trách nhiệm vận hành an toàn trên dốc. Vận hành máy trên bất kỳ độ dốc nào cũng cần phải hết sức thận trọng. Trước khi sử dụng máy trên dốc, hãy thực hiện như sau:
Xem lại và hiểu hướng dẫn về độ dốc trong hướng dẫn sử dụng và trên máy.
Sử dụng bộ chỉ báo góc để xác định góc dốc gần đúng của khu vực.
Không bao giờ vận hành trên dốc lớn hơn 15°.
Đánh giá các điều kiện của địa điểm làm việc trong ngày để xác định xem độ dốc có an toàn để vận hành máy hay không. Sử dụng phán đoán theo kinh nghiệm và phán đoán tốt khi thực hiện đánh giá này. Những thay đổi về địa hình, chẳng hạn như độ ẩm, có thể nhanh chóng ảnh hưởng đến vận hành máy trên dốc.
Xác định mối nguy hiểm ở chân dốc. Không vận hành máy gần dốc thẳng đứng, mương, bờ kè, nước hoặc các mối nguy hiểm khác. Máy có thể đột ngột lật nếu một bánh xe đi qua mép hoặc mép bị sập. Giữ khoảng cách an toàn (gấp đôi chiều rộng của máy) giữa máy và mọi mối nguy hiểm. Sử dụng máy đẩy tay hoặc máy tỉa xén cầm tay để cắt cỏ ở những khu vực này.
Tránh khởi động, dừng hoặc quay máy trên đường dốc. Tránh thay đổi tốc độ hoặc hướng đi đột ngột; hãy rẽ chậm và từ từ.
Không vận hành máy trong bất kỳ điều kiện nào khi nghi ngờ có vấn đề về lực kéo, lái hoặc độ ổn định. Lưu ý rằng việc vận hành máy trên cỏ ướt, ngang dốc hoặc xuống dốc có thể làm mất lực kéo của máy. Mất lực kéo đến các bánh xe truyền động có thể dẫn đến trượt, mất phanh và mất lái. Máy có thể trượt ngay cả khi các bánh xe truyền động đã dừng.
Loại bỏ hoặc đánh dấu các chướng ngại vật như mương, hố, vệt lún, chỗ lồi, đá hoặc các nguy cơ tiềm ẩn khác. Cỏ cao có thể che khuất chướng ngại vật. Địa hình không bằng phẳng có thể làm lật máy.
Cẩn thận hơn khi vận hành với các phụ kiện hoặc bộ gá, chẳng hạn như hệ thống thu gom cỏ. Những bộ gá này có thể làm thay đổi độ ổn định của máy và gây mất kiểm soát. Làm theo hướng dẫn về đối trọng.
Nếu có thể, hãy hạ thấp mâm cắt xuống sát đất khi đang vận hành trên dốc. Nâng mâm cắt khi đang vận hành trên dốc có thể khiến máy hoạt động không ổn định.

Không gắn thiết bị được kéo ngoại trừ tại điểm cầu móc.
Không sử dụng máy làm phương tiện kéo trừ khi máy có lắp cầu móc.
Không được vượt quá tổng trọng lượng kéo.
Tuyệt đối không cho phép trẻ em hoặc những người khác ở gần thiết bị được kéo.
Trên đường dốc, trọng lượng của thiết bị được kéo có thể gây mất lực kéo, tăng nguy cơ bị lật xe và mất kiểm soát. Giảm trọng lượng kéo và giảm tốc độ.
Khoảng cách dừng có thể tăng theo trọng lượng của tải được kéo. Đi chậm và giúp tạo thêm khoảng cách để dừng.
Tạo góc rẽ rộng để giữ cho bộ phận gắn kèm tránh xa máy.
Sử dụng mâm cắt của máy cắt cỏ làm bậc lên xuống để bước vào vị trí của người vận hành (Hình 18).

Luôn bật phanh đỗ khi bạn dừng máy hoặc để máy không được giám sát.
Đỗ máy trên bề mặt bằng phẳng.


Công tắc điều khiển lưỡi cắt (PTO) khởi động và dừng các lưỡi dao của máy cắt cỏ và bất kỳ bộ phận gắn kèm chạy điện nào.
Note: Bật công tắc điều khiển lưỡi cắt (PTO) với vị trí van tiết lưu ở mức một nửa hoặc thấp hơn sẽ gây mài mòn quá mức cho dây đai truyền động.


Bạn có thể di chuyển cần điều khiển van tiết lưu giữa các vị trí NHANH và CHậM (Hình 23).
Luôn sử dụng vị trí NHANH khi bật PTO.

Note: Động cơ ấm hoặc nóng có thể không yêu cầu sử dụng bướm gió.
Important: Không bật bộ khởi động trong quá 5 giây trong một lần. Bật mô-tơ khởi động trong quá 5 giây có thể làm hỏng mô-tơ khởi động. Nếu động cơ không khởi động, hãy chờ 10 giây trước khi vận hành lại bộ khởi động động cơ.

Trẻ em hoặc những người xung quanh có thể bị thương nếu di chuyển hoặc cố gắng vận hành máy khi không được giám sát.
Luôn rút chìa khóa và bật phanh đỗ khi để máy không được giám sát.


Các bánh xe truyền động quay độc lập, được cung cấp năng lượng bởi mô-tơ thủy lực trên mỗi trục. Bạn có thể quay lùi 1 mặt trong khi quay tiến mặt kia, làm cho máy quay quanh trục chứ không quay rẽ. Điều này giúp cải thiện đáng kể khả năng điều khiển máy nhưng có thể cần thời gian để bạn thích nghi với cách máy di chuyển.
Cần điều khiển van tiết lưu điều chỉnh tốc độ động cơ được đo bằng vòng/phút (số vòng quay trên phút). Đặt cần điều khiển van tiết lưu ở vị trí NHANH để đạt hiệu suất tốt nhất. Luôn vận hành ở vị trí van tiết lưu lưu động hoàn toàn khi cắt cỏ.
Máy có thể quay quanh trục rất nhanh. Bạn có thể mất kiểm soát máy và gây chấn thương cá nhân hoặc làm hỏng máy.
Hãy thận trọng khi quay rẽ.
Giảm tốc độ máy trước khi rẽ gấp.
Note: Động cơ sẽ tắt khi bạn di chuyển điều khiển lực kéo với phanh đỗ được bật.
Để dừng máy, kéo cần điều khiển chuyển động đến vị trí Số MO.
Tắt phanh tay.
Di chuyển cần điều khiển chuyển động đến vị trí trung tâm, vị trí đã mở khóa.
Để tiến về phía trước, từ từ đẩy cần điều khiển chuyển động về phía trước (Hình 28).

Di chuyển cần điều khiển chuyển động đến vị trí trung tâm, vị trí đã mở khóa.
Để đi lùi, từ từ kéo cần điều khiển chuyển động về phía sau (Hình 29).

Máy cắt cỏ có một bộ làm lệch hướng cỏ có bản lề giúp phân tán cỏ đã xén sang một bên và hướng xuống sân cỏ.
Nếu không có bộ làm lệch hướng cỏ, nắp xả hoặc cụm hứng cỏ hoàn chỉnh được gắn ở đúng vị trí, bạn và những người khác có thể tiếp xúc với lưỡi cắt và các mảnh vụn bị văng ra. Tiếp xúc với (các) lưỡi cắt đang xoay của máy cắt cỏ và các mảnh vụn bị văng ra sẽ gây chấn thương hoặc tử vong.
Không bao giờ tháo bộ làm lệch hướng cỏ ra khỏi mâm cắt của máy cắt cỏ vì bộ làm lệch hướng cỏ định hướng vật liệu hướng xuống sân cỏ. Nếu bộ làm lệch hướng cỏ bị hỏng, hãy thay ngay lập tức.
Không bao giờ đặt tay hoặc chân dưới mâm cắt máy cắt cỏ.
Không bao giờ cố gắng dọn sạch khu vực xả hoặc lưỡi cắt của máy cắt cỏ trừ khi bạn di chuyển công tắc điều khiển lưỡi cắt (PTO) đến vị trí TắT , xoay công tắc chìa khóa sang vị trí TắT và rút chìa khóa khỏi công tắc chìa khóa.
Đảm bảo bộ làm lệch hướng cỏ ở vị trí hạ xuống.
Bạn có thể điều chỉnh độ cao cắt từ 38 đến 140 mm (1-1/2 đến 5-1/2 inch) với gia số 6 mm (1/4 inch) bằng cách di chuyển chốt hình chữ U vào các vị trí lỗ khác nhau.
Đẩy bàn đạp nâng mâm cắt hoàn toàn về phía trước để khóa mâm cắt của máy cắt cỏ ở vị trí VậN CHUYểN (cũng là vị trí độ cao cắt 140 mm/5-1/2 inch) như được minh họa trong Hình 31.
Để điều chỉnh, hãy tháo chốt ra khỏi khung độ cao mặt cắt (Hình 31).
Chọn một lỗ trên khung độ cao mặt cắt tương ứng với độ cao cắt mong muốn rồi lắp chốt (Hình 31).
Đẩy bàn đạp nâng mâm cắt về phía trước, đẩy khóa vận chuyển về phía trước và từ từ hạ mâm cắt của máy cắt cỏ xuống.

Đẩy công tắc nâng mâm cắt lên (Hình 33) cho đến khi mâm cắt được nâng hoàn toàn.
Lắp chốt độ cao cắt vào vị trí độ cao cắt 140 mm (5-1/2 inch) của giá đỡ.

Nhấn công tắc nâng mâm cắt xuống cho đến khi liên kết độ cao cắt tiếp xúc nhẹ với chốt độ cao cắt.
Important: Vận chuyển máy mà không tựa mâm cắt lên chốt độ cao cắt sẽ gây ra hư hỏng không cần thiết cho bộ khởi động nâng mâm cắt.
Đẩy công tắc nâng mâm cắt lên (Hình 33).

Chọn một lỗ trên khung độ cao mặt cắt tương ứng với độ cao cắt mong muốn rồi lắp chốt (Hình 34).
Nhấn công tắc nâng mâm cắt xuống cho đến khi liên kết độ cao cắt tiếp xúc nhẹ với chốt độ cao cắt (Hình 34).
Note: Tiếp xúc quá nhiều giữa liên kết độ cao cắt và chốt độ cao cắt có thể ảnh hưởng xấu đến độ cao cắt và cân bằng của mâm cắt của máy cắt cỏ.

Bất cứ khi nào bạn thay đổi độ cao cắt, hãy điều chỉnh độ cao của con lăn chống cạp đất.
Để thao tác cắt cỏ tốt nhất và không khí lưu thông tối đa, hãy vận hành động cơ ở vị trí NHANH. Cần có không khí để cắt triệt để cỏ xén, do đó, không đặt độ cao cắt quá thấp để hoàn toàn bao quanh mâm cắt của máy cắt cỏ trong đám cỏ chưa cắt. Luôn cố gắng để 1 mặt của mâm cắt của máy cắt cỏ không nằm trong đám cỏ chưa cắt, điều này cho phép không khí được hút vào mâm cắt của máy cắt.
Cắt cỏ dài hơn bình thường một chút để đảm bảo độ cao cắt của mâm cắt của máy cắt cỏ không cắt phải mặt đất không bằng phẳng. Tuy nhiên, độ cao cắt được sử dụng trong quá khứ thường là độ cao tốt nhất để sử dụng. Khi cắt cỏ cao hơn 15 cm, bạn có thể muốn cắt cỏ hai lần để đảm bảo chất lượng mặt cắt có thể chấp nhận được.
Tốt nhất chỉ nên cắt khoảng 1/3 lá cỏ. Không nên cắt nhiều hơn mức được khuyến nghị trừ khi cỏ thưa, hoặc vào cuối mùa thu khi cỏ mọc chậm hơn.
Xen kẽ hướng cắt cỏ để giữ cho cỏ đứng thẳng. Điều này cũng giúp phân tán cỏ xén, giúp tăng cường phân hủy và bón phân.
Cỏ phát triển với tốc độ khác nhau vào các thời điểm khác nhau trong năm. Để duy trì cùng một độ cao cắt, hãy cắt cỏ thường xuyên hơn vào đầu mùa xuân. Khi tốc độ phát triển của cỏ chậm lại vào giữa mùa hè, hãy cắt cỏ ít thường xuyên hơn. Nếu bạn không thể cắt cỏ trong thời gian dài, trước tiên, cắt cỏ ở độ cao cắt cao, 2 ngày sau đó, cắt cỏ ở cài đặt độ cao thấp hơn.
Để cải thiện chất lượng mặt cắt, hãy sử dụng tốc độ trên mặt đất chậm hơn ở những điều kiện nhất định.
Khi cắt trên sân cỏ không bằng phẳng, hãy nâng độ cao cắt để tránh cạp đất sân cỏ.
Nếu bạn phải dừng máy chuyển động về phía trước trong khi cắt, đám cỏ xén có thể rơi xuống trên sân cỏ. Để tránh điều này, hãy di chuyển đến khu vực đã cắt trước đó với các lưỡi cắt được bật hoặc bạn có thể tắt mâm cắt của máy cắt cỏ trong khi di chuyển về phía trước.
Làm sạch các mảnh vụn và bụi bẩn ở mặt dưới của mâm cắt của máy cắt cỏ sau mỗi lần sử dụng. Nếu cỏ và bụi bẩn tích tụ bên trong mâm cắt máy cắt cỏ, chất lượng mặt cắt cuối cùng sẽ không đạt yêu cầu.
Duy trì các lưỡi cắt sắc bén trong suốt mùa cắt vì lưỡi cắt sắc bén sẽ cắt sạch mà không làm xé rách hoặc nghiền vụn lá cỏ. Xé rách và nghiền vụn biến cỏ thành màu nâu ở mép lá, làm chậm sự phát triển và tăng khả năng mắc bệnh. Kiểm tra các lưỡi cắt của máy cắt cỏ sau mỗi lần sử dụng để có sắc bén và bị mài mòn hay hư hỏng hay không. Giũa mọi vết mẻ và mài lưỡi cắt khi cần thiết. Nếu lưỡi cắt bị hỏng hoặc bị mòn, hãy thay ngay bằng lưỡi cắt thay thế chính hãng của Toro.
Bật phanh đỗ, tắt động cơ, rút chìa khóa và chờ cho tất cả các bộ phận chuyển động dừng lại trước khi rời khỏi vị trí của người vận hành. Để máy nguội trước khi bảo dưỡng, điều chỉnh, đổ nhiên liệu, vệ sinh hoặc cất giữ.
Làm sạch cỏ và mảnh vụn khỏi dao xoắn, bộ triệt tiếng ồn, bộ phận truyền động, bộ hứng cỏ và khoang động cơ để giúp ngăn ngừa hỏa hoạn. Lau sạch dầu hoặc nhiên liệu bị tràn.
Ngắt nhiên liệu và rút chìa khóa trước khi cất giữ hoặc vận chuyển máy.
Đóng van ngắt nhiên liệu để vận chuyển, bảo trì và cất giữ (Hình 38).
Đảm bảo van ngắt nhiên liệu được mở khi khởi động động cơ.


Tay có thể vướng vào các bộ phận truyền động đang xoay bên dưới bàn động cơ, điều này có thể dẫn đến thương tích nghiêm trọng.
Tắt động cơ, rút chìa khóa và để tất cả các bộ phận chuyển động dừng lại trước khi tiếp cận van nhả bánh xe truyền động.
Động cơ và các thiết bị truyền động thủy lực có thể trở nên rất nóng. Chạm vào động cơ đang nóng hoặc các thiết bị truyền động thủy lực có thể gây bỏng nghiêm trọng.
Chờ cho động cơ và các thiết bị truyền động thủy lực nguội hoàn toàn trước khi tiếp cận các van nhả bánh xe truyền động.
Các van nhả bánh xe truyền động được đặt ở bên trái và bên phải bên dưới bàn của động cơ.
Đỗ máy trên bề mặt bằng phẳng, tắt công tắc điều khiển lưỡi cắt và bật phanh đỗ.
Tắt động cơ, rút chìa khóa và chờ cho tất cả các bộ phận chuyển động dừng lại trước khi rời khỏi vị trí của người vận hành.
Để đẩy máy, di chuyển cả hai cần phân nhánh về phía trước và khóa chúng vào đúng vị trí (Hình 39).
Gài phanh tay trước khi đẩy máy.
Để chạy máy, di chuyển cần phân nhánh về phía sau và khóa chúng vào vị trí (Hình 39).

Các van nhả bánh xe truyền động được đặt ở bên trái và bên phải bên dưới bàn của động cơ.
Đỗ máy trên bề mặt bằng phẳng, tắt công tắc điều khiển lưỡi cắt và bật phanh đỗ.
Tắt động cơ, rút chìa khóa và chờ cho tất cả các bộ phận chuyển động dừng lại trước khi rời khỏi vị trí của người vận hành.
Sử dụng tuốc nơ vít đầu phẳng, xoay cả hai cam đến vị trí PHâN NHáNH (Hình 40).
Gài phanh tay trước khi đẩy máy.
Để chạy máy, xoay cả hai cam đến vị trí CHạY (Hình 40).

Máy có khả năng kéo xe moóc và bộ phận gắn kèm. Liên hệ với nhà phân phối Toro được ủy quyền của bạn để biết cầu móc kéo hiện có.
Máy của bạn có thể kéo xe moóc có tổng trọng lượng xe moóc tối đa (GTW) lên tới 113 kg (250 lb).
Trọng lượng lưỡi trên cầu móc kéo của máy không được vượt quá 22 kg (49 lb).
Khi vận chuyển hàng hóa hoặc kéo xe moóc, không được chất quá tải lên máy hoặc xe moóc. Quá tải có thể gây ra hiệu suất kém hoặc làm hỏng bộ phận truyền động thủy lực, lốp và khung.
Đỗ máy trên bề mặt bằng phẳng, tắt công tắc điều khiển lưỡi cắt (PTO) và bật phanh đỗ.
Tắt động cơ, rút chìa khóa và chờ cho tất cả các bộ phận chuyển động của máy dừng lại trước khi rời khỏi vị trí vận hành.
Lắp giá gắn bi cầu móc vào bộ thu gom nằm ở phía sau máy.
Lắp chốt cầu móc qua lỗ trên bộ thu gom và giá gắn bi cầu móc.
Siết chặt cầu móc bằng cách sử dụng chốt kẹp ghim.

Sử dụng xe moóc hoặc xe tải hạng nặng để vận chuyển máy. Sử dụng đường dốc có chiều rộng đầy đủ. Đảm bảo xe moóc hoặc xe tải có tất cả hệ thống phanh, đèn chiếu sáng và đánh dấu cần thiết theo yêu cầu của pháp luật. Vui lòng đọc kỹ tất cả hướng dẫn an toàn. Biết thông tin này có thể giúp bạn hoặc những người xung quanh tránh bị chấn thương. Tham khảo pháp lệnh ở địa phương của bạn để biết yêu cầu về xe moóc và dây buộc.
Điều khiển xe trên đường phố hoặc lòng đường mà không có đèn báo rẽ, đèn chiếu sáng, vạch phản quang, biểu tượng xe đang chạy chậm sẽ rất nguy hiểm và có thể dẫn đến tai nạn, gây chấn thương cá nhân.
Không điều khiển máy trên đường phố hoặc lòng đường công cộng.
Chất máy lên xe moóc hoặc xe tải làm tăng khả năng bị lật và có thể gây chấn thương nghiêm trọng hoặc tử vong (Hình 42).
Chỉ sử dụng đường dốc có chiều rộng đầy đủ; không sử dụng các đường dốc riêng lẻ cho mỗi bên của máy.
Không được vượt quá một góc 15 độ giữa đường dốc và mặt đất hoặc giữa đường dốc và xe moóc hoặc xe tải.
Đảm bảo chiều dài của đường dốc dài ít nhất 4 lần chiều cao của thùng xe moóc hoặc thùng xe tải đến mặt đất. Điều này đảm bảo góc vượt dốc không vượt quá 15 độ trên mặt đất bằng phẳng.

Chất máy lên xe moóc hoặc xe tải làm tăng khả năng bị lật và có thể gây chấn thương nghiêm trọng hoặc tử vong.
Hết sức thận trọng khi vận hành máy trên đường dốc.
Lùi máy lên đường dốc và lái máy về phía trước khi xuống đường dốc.
Tránh tăng tốc hoặc giảm tốc đột ngột khi đang điều khiển máy trên đường dốc vì điều này có thể gây ra tình trạng mất kiểm soát hoặc lật xe.
Nếu sử dụng xe moóc, hãy kết nối với xe kéo và kết nối xích an toàn.
Nếu có thể, hãy kết nối hệ thống phanh và đèn của xe moóc.
Hạ đường dốc xuống, đảm bảo góc giữa đường dốc và mặt đất không vượt quá 15 độ (Hình 42).
Lùi máy lên đường dốc (Hình 43).

Tắt động cơ, rút chìa khóa và bật phanh đỗ.
Buộc máy xuống gần bánh xe đúc phía trước và khung phía sau bằng dây đeo, dây xích, dây cáp hoặc dây thừng (Hình 44). Tham khảo các quy định của địa phương để biết yêu cầu về buộc.

Nếu bạn để chìa khóa trong công tắc, ai đó có thể vô tình khởi động động cơ và gây chấn thương nghiêm trọng cho bạn hoặc những người xung quanh khác. Rút chìa khóa khỏi công tắc trước khi bạn thực hiện bất kỳ hoạt động bảo trì nào.
Trước khi bạn rời khỏi vị trí của người vận hành, hãy thực hiện các bước sau:
Đỗ máy trên bề mặt bằng phẳng.
Tắt các bộ phận truyền động.
Gài phanh tay.
Tắt động cơ và rút chìa khóa.
Chờ cho các bộ phận của máy nguội trước khi tiến hành bảo trì.
Không cho phép nhân viên chưa qua đào tạo bảo dưỡng máy.
Giữ tay và chân tránh xa các bộ phận đang chuyển động hoặc bề mặt nóng. Nếu có thể, không thực hiện điều chỉnh khi động cơ đang chạy.
Cẩn thận giải phóng áp suất từ các bộ phận có năng lượng dự trữ.
Thường xuyên kiểm tra hoạt động của phanh tay. Điều chỉnh và bảo dưỡng nếu cần thiết.
Không bao giờ xáo trộn các thiết bị an toàn. Kiểm tra thường xuyên xem chúng có vận hành đúng cách không.
Làm sạch cỏ và mảnh vụn khỏi dao xoắn, bộ triệt tiếng ồn, bộ phận truyền động, bộ hứng cỏ và khoang động cơ để giúp ngăn ngừa hỏa hoạn.
Làm sạch dầu hoặc nhiên liệu bị tràn và loại bỏ các mảnh vụn bị thấm dầu.
Không dựa vào kích thủy lực hoặc kích cơ để nâng máy; khi nâng máy thì hãy sử dụng con đội kê để nâng.
Giữ tất cả các bộ phận ở tình trạng hoạt động tốt và siết chặt tất cả các phần cứng, đặc biệt là phần cứng gắn lưỡi cắt. Hãy thay tất cả các nhãn mác bị mòn hoặc bị hỏng.
Ngắt kết nối cáp khỏi cực âm của ắc quy trước khi sửa chữa máy.
Để đảm bảo hiệu suất tối ưu, chỉ sử dụng các phụ tùng và phụ kiện thay thế chính hãng của Toro. Các phụ kiện và phụ tùng thay thế do các nhà sản xuất khác sản xuất có thể gây nguy hiểm và việc sử dụng chúng có thể làm mất hiệu lực bảo hành của sản phẩm.
| Khoảng thời gian Dịch vụ Bảo trì | Quy trình Bảo trì |
|---|---|
| Sau 8 giờ đầu tiên |
|
| Sau 100 giờ đầu tiên |
|
| Trước mỗi lần sử dụng hoặc hàng ngày |
|
| Sau mỗi lần sử dụng |
|
| 50 giờ một lần |
|
| 100 giờ một lần |
|
| 150 giờ một lần |
|
| 200 giờ một lần |
|
| 250 giờ một lần |
|
| 300 giờ một lần |
|
| 400 giờ một lần |
|
| Cứ 400 giờ một lần hoặc hàng năm, tùy thời điểm nào đến trước |
|
| 500 giờ một lần |
|
| 600 giờ một lần |
|
| Hàng tháng |
|
| Hàng năm |
|
| Hàng năm hoặc trước khi bảo quản |
|
Important: Tham khảo hướng dẫn sử dụng động cơ để biết thêm các quy trình bảo trì.
Nếu bạn để chìa khóa trong công tắc, ai đó có thể vô tình khởi động động cơ và gây chấn thương nghiêm trọng cho bạn hoặc những người xung quanh khác.
Tắt động cơ và rút chìa khóa ra khỏi công tắc trước khi bạn thực hiện bất kỳ bảo trì nào.
Bôi mỡ cho máy thường xuyên hơn trong điều kiện bẩn hoặc nhiều bụi.
Loại Mỡ: Mỡ lithium hoặc molybdenum số 2
Đỗ máy trên bề mặt bằng phẳng, tắt công tắc điều khiển lưỡi cắt và bật phanh đỗ.
Tắt động cơ, rút chìa khóa và chờ cho tất cả các bộ phận chuyển động của máy dừng lại trước khi rời khỏi vị trí vận hành.
Dùng giẻ lau sạch các núm tra mỡ.
Note: Cạo sạch sơn khỏi mặt trước của (các) núm tra mỡ.
Kết nối súng bắn mỡ vào núm tra mỡ.
Bơm mỡ vào các núm tra mỡ cho đến khi mỡ bắt đầu chảy ra khỏi vòng bi.
Lau sạch bất kỳ dầu mỡ dư thừa nào.
| Khoảng thời gian Dịch vụ Bảo trì | Quy trình Bảo trì |
|---|---|
| 100 giờ một lần |
|
Sử dụng dầu nhẹ hoặc chất bôi trơn dạng xịt để bôi trơn cho trục nâng mâm cắt.

| Khoảng thời gian Dịch vụ Bảo trì | Quy trình Bảo trì |
|---|---|
| 400 giờ một lần |
|
| Hàng năm |
|
Đỗ máy trên bề mặt bằng phẳng, tắt công tắc điều khiển lưỡi cắt và bật phanh đỗ.
Tắt động cơ, rút chìa khóa và chờ cho tất cả các bộ phận chuyển động của máy dừng lại trước khi rời khỏi vị trí vận hành.
Tháo nắp chắn bụi và điều chỉnh các trục đúc và giữ nắp chắn bụi mở cho đến khi bôi mỡ xong; tham khảo Bôi mỡ cho Máy.
Tháo phích cắm lục giác.
Vặn núm vú mỡ theo đường ren vào lỗ.
Bơm mỡ vào núm tra mỡ cho đến khi chảy ra xung quanh vòng bi trên cùng.
Tháo núm tra mỡ ra khỏi lỗ. Lắp phích cắm lục giác và nắp.
| Khoảng thời gian Dịch vụ Bảo trì | Quy trình Bảo trì |
|---|---|
| Hàng năm |
|
Đỗ máy trên bề mặt bằng phẳng, tắt công tắc điều khiển lưỡi cắt và bật phanh đỗ.
Tắt động cơ, rút chìa khóa và chờ cho tất cả các bộ phận chuyển động của máy dừng lại trước khi rời khỏi vị trí vận hành.
Nâng máy cắt cỏ để tiếp cận.
Tháo bánh xe đúc ra khỏi phuộc đúc.
Tháo các bộ phận bảo vệ phớt dầu ra khỏi trục bánh xe.

Tháo đai ốc vòng chêm ra khỏi cụm trục trong bánh xe đúc.
Note: Hợp chất khóa ren đã được sử dụng để khóa các đai ốc vòng chêm vào trục.
Tháo trục (với đai ốc vòng chêm khác vẫn được lắp vào trục) ra khỏi cụm bánh xe.
Nạy các phớt dầu và kiểm tra các vòng bi xem có bị mòn hoặc hư hỏng hay không và thay nếu cần.
Bọc các vòng bi bằng mỡ đa dụng.
Lắp 1 vòng bi và 1 phớt dầu mới vào bánh xe.
Nếu cụm trục bị thiếu cả hai đai ốc vòng chêm, hãy áp dụng hợp chất khóa ren vào 1 đai ốc vòng chêm và vặn theo đường ren lên trên trục với cờ lê phẳng hướng mặt ra ngoài.
Note: Không vặn hết đai ốc vòng chêm theo đường ren vào đầu trục. Để cách bề mặt ngoài của đai ốc vòng chêm đến đầu trục bên trong đai ốc khoảng 3 mm.
Lắp đai ốc và trục đã lắp ráp vào bánh xe bên có phớt dầu và vòng bi mới.
Với đầu mở của bánh xe hướng mặt lên trên, hãy đổ đầy mỡ đa dụng vào bên trong bánh xe xung quanh trục.
Lắp vòng bi thứ hai và phớt dầu mới vào bánh xe.
Bôi hợp chất khóa ren vào đai ốc vòng chêm thứ hai và vặn theo đường ren lên trục với các cờ lê phẳng hướng mặt ra ngoài.
Xoay mô-men xoắn của đai ốc từ 8 đến 9 N∙m, nới lỏng đai ốc, sau đó xoay mô-men xoắn từ 2 đến 3 N∙m.
Note: Đảm bảo trục không vượt ra ngoài một trong hai đai ốc.
Lắp bộ phận bảo vệ phớt dầu trên trục bánh xe và lắp bánh xe vào phuộc đúc.
Lắp bu lông đúc và siết chặt đai ốc hoàn toàn.
Important: Để tránh làm hỏng phớt dầu và vòng bi, hãy thường xuyên kiểm tra việc điều chỉnh vòng bi. Quay lốp đúc. Lốp không được quay tự do (nhiều hơn 1 hoặc 2 vòng) hoặc có bất kỳ dịch chuyển bên nào. Nếu bánh xe quay tự do, hãy điều chỉnh mô-men xoắn trên đai ốc vòng chêm cho đến khi có lực ma sát nhẹ. Bôi một lớp hợp chất khóa ren khác.
Giữ cho tay, chân, mặt, các bộ phận cơ thể khác và quần áo của bạn tránh xa bộ triệt tiếng ồn và các bề mặt nóng khác. Chờ cho các bộ phận của động cơ nguội trước khi tiến hành bảo trì.
Không thay đổi tốc độ bộ điều khiển động cơ hoặc chạy quá tốc độ của động cơ.
Sử dụng hình ảnh sau để xác định động cơ của bạn và chuyển đến mục được liệt kê dưới đây để bảo dưỡng (Hình 47).

Để bảo trì động cơ Kawasaki, tham khảo Bảo dưỡng Động cơ Kawasaki®.
Để bảo trì động cơ Kohler, tham khảo Bảo dưỡng Động cơ Kohler®.
| Khoảng thời gian Dịch vụ Bảo trì | Quy trình Bảo trì |
|---|---|
| 300 giờ một lần |
|
Phần này chỉ dành cho máy có động cơ Kawasaki. Nếu động cơ của bạn giống động cơ được minh họa trong Hình 48, tức là bạn có động cơ Kawasaki.
Important: Tham khảo hướng dẫn sử dụng động cơ để biết thêm các quy trình bảo trì.

| Khoảng thời gian Dịch vụ Bảo trì | Quy trình Bảo trì |
|---|---|
| 250 giờ một lần |
|
| 500 giờ một lần |
|
Note: Bảo dưỡng bộ lọc khí thường xuyên hơn nếu điều kiện vận hành có quá nhiều bụi hoặc nhiều cát.
Đỗ máy trên bề mặt bằng phẳng, tắt công tắc điều khiển lưỡi cắt (PTO) và bật phanh đỗ.
Tắt động cơ, rút chìa khóa và chờ cho tất cả các bộ phận chuyển động của máy dừng lại trước khi rời khỏi vị trí vận hành.
Nhả chốt trên bộ lọc khí và kéo nắp bộ lọc khí ra khỏi thân bộ lọc khí (Hình 49).

Làm sạch bên trong nắp bộ lọc khí bằng khí nén.
Nhẹ nhàng trượt bộ lọc sơ cấp ra khỏi thân của bộ lọc khí (Hình 49).
Note: Tránh gõ vào mặt bên thân của bộ lọc.
Tháo bộ lọc an toàn chỉ khi thay thế.
Kiểm tra bộ lọc an toàn. Nếu bị bẩn, hãy thay cả bộ lọc an toàn và bộ lọc sơ cấp.
Important: Không cố gắng làm sạch bộ lọc an toàn. Nếu bộ lọc an toàn bị bẩn thì bộ lọc sơ cấp bị hỏng.
Kiểm tra hư hỏng của bộ lọc sơ cấp bằng cách nhìn vào bên trong bộ lọc trong khi chiếu đèn sáng ở bên ngoài bộ lọc. Nếu bộ lọc sơ cấp bị bẩn, bị cong hoặc bị hỏng, hãy thay bộ lọc đó.
Note: Các lỗ trong bộ lọc xuất hiện dưới dạng điểm sáng. Không làm sạch bộ lọc sơ cấp.
Important: Để tránh làm hỏng động cơ, hãy luôn vận hành động cơ khi đã lắp cả bộ lọc khí và nắp.
Nếu bạn sẽ lắp các bộ lọc mới, hãy kiểm tra từng bộ lọc xem có bị hư hỏng khi vận chuyển không.
Note: Không sử dụng bộ lọc bị hỏng.
Nếu bạn sẽ thay bộ lọc bên trong, hãy cẩn thận trượt vào thân bộ lọc (Hình 49).
Cẩn thận trượt bộ lọc sơ cấp trên bộ lọc an toàn (Hình 49).
Note: Đảm bảo bộ lọc sơ cấp được đặt hoàn toàn bằng cách đẩy vào vành ngoài trong khi lắp.
Important: Không nhấn vào vùng mềm bên trong của bộ lọc.
Lắp nắp bộ lọc khí và siết chặt các chốt (Hình 49).
| Khoảng thời gian Dịch vụ Bảo trì | Quy trình Bảo trì |
|---|---|
| Sau 8 giờ đầu tiên |
|
| Trước mỗi lần sử dụng hoặc hàng ngày |
|
| 100 giờ một lần |
|
| 200 giờ một lần |
|
Loại Dầu: Dầu tẩy rửa (SF, SG, SH, SJ hoặc SL của dịch vụ API)
Dung tích cacte:
Động cơ Kawasaki FX751 và FX801—2,3 L (78 fl oz) khi thay bộ lọc; 2,1 L (71 fl oz) khi không thay bộ lọc
Động cơ Kawasaki FX921 và FX1000—1,9 L (64 fl oz) khi thay bộ lọc; 1,7 L (57 fl oz) khi không thay bộ lọc
Độ nhớt: Xem bảng dưới đây.

Note: Mặc dù dầu động cơ 10W-40 được khuyến nghị cho hầu hết các điều kiện, bạn có thể cần phải thay đổi độ nhớt của dầu để phù hợp với điều kiện không khí. Sử dụng dầu động cơ 20W-50 ở nhiệt độ môi trường xung quanh cao hơn có thể làm giảm mức tiêu thụ dầu.
Note: Kiểm tra dầu khi động cơ nguội.
Important: Nếu bạn đổ quá nhiều hoặc đổ thiếu dầu vào cacte động cơ và chạy động cơ, bạn có thể làm hỏng động cơ.
Đỗ máy trên bề mặt bằng phẳng, tắt công tắc điều khiển lưỡi cắt (PTO) và bật phanh đỗ.
Tắt động cơ, rút chìa khóa và chờ cho tất cả các bộ phận chuyển động của máy dừng lại trước khi rời khỏi vị trí vận hành.
Note: Đảm bảo động cơ nguội để dầu có thời gian xả vào bình hứng.
Để giữ bụi bẩn, cỏ xén, v.v. ra khỏi động cơ, hãy làm sạch khu vực xung quanh nắp nạp dầu và que thăm trước khi tháo ra (Hình 51).


Note: Thải bỏ dầu đã sử dụng tại trung tâm tái chế.
Khởi động động cơ và để động cơ chạy trong 5 phút.
Note: Điều này làm nóng dầu để xả dầu tốt hơn.
Đỗ máy sao cho phía xả thấp hơn một chút so với phía đối diện để đảm bảo dầu xả hoàn toàn.
Tháo công tắc điều khiển lưỡi cắt (PTO) và bật phanh đỗ.
Tắt động cơ, rút chìa khóa và chờ cho tất cả các bộ phận chuyển động của máy dừng lại trước khi rời khỏi vị trí vận hành.
Xả dầu ra khỏi động cơ Hình 52.


Đổ từ từ khoảng 80% lượng dầu quy định vào ống nạp và từ từ đổ thêm dầu bổ sung để đưa dầu đến vạch Đầy (Hình 53).

Khởi động động cơ và lái xe đến khu vực bằng phẳng.
Kiểm tra lại mức dầu.
Xả dầu ra khỏi động cơ; tham khảo Thay Dầu Động cơ.
Thay bộ lọc dầu động cơ (Hình 54).


Note: Đảm bảo miếng đệm của bộ lọc dầu tiếp xúc với động cơ, sau đó vặn bộ lọc dầu thêm 3/4 vòng.
Đổ đầy loại dầu mới phù hợp vào cacte; tham khảo Thông số kỹ thuật của Dầu Động cơ.
| Khoảng thời gian Dịch vụ Bảo trì | Quy trình Bảo trì |
|---|---|
| 100 giờ một lần |
|
Đảm bảo khe khí giữa điện cực trung tâm và điện cực bên là chính xác trước khi lắp bugi. Sử dụng cờ lê bugi để tháo và lắp bugi và dụng cụ tạo khe hở hoặc thiết bị đo khe hở để kiểm tra và điều chỉnh khe khí. Lắp bugi mới nếu cần thiết.
Loại bugi:
Động cơ Kawasaki FX751 và FX801—NGK® BPR4ES hoặc tương đương
Động cơ Kawasaki FX921 và FX1000—NGK® BPR5ES hoặc tương đương
Khe Khí: 0,75 mm (0,030 inch)
Đỗ máy trên bề mặt bằng phẳng, tắt công tắc điều khiển lưỡi cắt (PTO) và bật phanh đỗ.
Tắt động cơ, rút chìa khóa và chờ cho tất cả các bộ phận chuyển động của máy dừng lại trước khi rời khỏi vị trí vận hành.
Làm sạch khu vực xung quanh đế phích cắm để giữ bụi bẩn và các mảnh vụn ra khỏi động cơ.
Xác định vị trí và tháo (các) bugi như được minh họa trong Hình 55.


Important: Không làm sạch (các) bugi. Luôn thay bugi khi có lớp phủ đen, các điện cực bị mòn, màng dầu hoặc vết nứt.
Nếu bạn nhìn thấy màu nâu nhạt hoặc màu xám nhạt trên vật cách điện, động cơ đang hoạt động tốt. Lớp phủ màu đen trên vật cách điện thường có nghĩa là bộ lọc khí bị bẩn.
Cài đặt khoảng cách 0,75 mm.


Phần này chỉ dành cho máy có động cơ Kohler. Nếu động cơ của bạn giống động cơ được minh họa trong Hình 58, tức là bạn có động cơ Kohler.
Important: Tham khảo hướng dẫn sử dụng động cơ để biết thêm các quy trình bảo trì.

| Khoảng thời gian Dịch vụ Bảo trì | Quy trình Bảo trì |
|---|---|
| 150 giờ một lần |
|
| 300 giờ một lần |
|
| 600 giờ một lần |
|
Đỗ máy trên bề mặt bằng phẳng, tắt công tắc điều khiển lưỡi cắt (PTO) và bật phanh đỗ.
Tắt động cơ, rút chìa khóa và chờ cho tất cả các bộ phận chuyển động của máy dừng lại trước khi rời khỏi vị trí vận hành.
Nhả chốt trên bộ lọc khí và kéo nắp cửa nạp khí ra khỏi thân bộ lọc khí (Hình 59).
Làm sạch màn cửa nạp khí và nắp.
Lắp nắp cửa nạp khí và siết chặt bằng các chốt (Hình 59).

Nhả chốt trên bộ lọc khí và kéo nắp bộ lọc khí ra khỏi thân bộ lọc khí (Hình 60).
Làm sạch bên trong nắp bộ lọc khí bằng khí nén.
Nhẹ nhàng trượt bộ lọc sơ cấp ra khỏi thân của bộ lọc khí (Hình 60).
Note: Tránh gõ vào mặt bên thân của bộ lọc.
Chỉ tháo bộ lọc bên trong nếu bạn định thay thế.
Important: Tuyệt đối không cố gắng làm sạch bộ lọc bên trong. Nếu bộ lọc an toàn bị bẩn thì bộ lọc sơ cấp bị hỏng. Thay cả hai bộ lọc.

Kiểm tra hư hỏng của bộ lọc sơ cấp bằng cách nhìn vào bên trong bộ lọc, trong khi chiếu đèn sáng ở bên ngoài bộ lọc.
Note: Các lỗ trong bộ lọc sẽ xuất hiện dưới dạng điểm sáng. Nếu bộ lọc bị hỏng, hãy vứt bỏ.
Kiểm tra bộ lọc bên trong. Nếu bị bẩn, hãy thay cả bộ lọc bên trong và bộ lọc sơ cấp.
Important: Không cố gắng làm sạch lõi lọc bên trong. Nếu bộ lọc bên trong bị bẩn thì bộ lọc sơ cấp bị hỏng.
Kiểm tra hư hỏng của bộ lọc sơ cấp bằng cách nhìn vào bên trong bộ lọc trong khi chiếu đèn sáng ở bên ngoài bộ lọc. Nếu bộ lọc sơ cấp bị bẩn, bị cong hoặc bị hỏng, hãy thay bộ lọc đó.
Note: Các lỗ trong bộ lọc xuất hiện dưới dạng điểm sáng. Không làm sạch bộ lọc sơ cấp.
Important: Để tránh làm hỏng động cơ, hãy luôn vận hành động cơ khi đã lắp cả bộ lọc khí và nắp.
Nếu bạn sẽ lắp các bộ lọc mới, hãy kiểm tra từng bộ lọc xem có bị hư hỏng khi vận chuyển không.
Note: Không sử dụng bộ lọc bị hỏng.
Nếu bạn sẽ thay bộ lọc an toàn, hãy cẩn thận trượt vào thân bộ lọc (Hình 60).
Cẩn thận trượt bộ lọc sơ cấp trên bộ lọc an toàn (Hình 60).
Note: Đảm bảo bộ lọc sơ cấp được đặt hoàn toàn bằng cách đẩy vào vành ngoài trong khi lắp.
Important: Không nhấn vào vùng mềm bên trong của bộ lọc.
Lắp nắp bộ lọc khí và siết chặt các chốt (Hình 60).
| Khoảng thời gian Dịch vụ Bảo trì | Quy trình Bảo trì |
|---|---|
| Trước mỗi lần sử dụng hoặc hàng ngày |
|
| 100 giờ một lần |
|
| 200 giờ một lần |
|
Loại dầu: Dầu tẩy rửa (SJ hoặc cao hơn của dịch vụ API)
Dung tích dầu: 1,9 L (64 fl oz) có thay bộ lọc; 1,6 L (54 fl oz) mà không thay bộ lọc
Độ nhớt: Xem bảng dưới đây.

Note: Kiểm tra dầu khi động cơ nguội.
Important: Nếu bạn đổ quá nhiều hoặc đổ thiếu dầu vào cacte động cơ và chạy động cơ, bạn có thể làm hỏng động cơ.
Đỗ máy trên bề mặt bằng phẳng, tắt công tắc điều khiển lưỡi cắt (PTO) và bật phanh đỗ.
Tắt động cơ, rút chìa khóa và chờ cho tất cả các bộ phận chuyển động của máy dừng lại trước khi rời khỏi vị trí vận hành.
Note: Đảm bảo động cơ nguội để dầu có thời gian xả vào bình hứng.
Để giữ bụi bẩn, cỏ xén, v.v. ra khỏi động cơ, hãy làm sạch khu vực xung quanh nắp nạp dầu và que thăm trước khi tháo ra (Hình 62).


Note: Thải bỏ dầu đã sử dụng tại trung tâm tái chế.
Khởi động động cơ và để động cơ chạy trong 5 phút.
Note: Điều này làm nóng dầu để xả dầu tốt hơn.
Đỗ máy sao cho phía xả thấp hơn một chút so với phía đối diện để đảm bảo dầu xả hoàn toàn.
Tháo công tắc điều khiển lưỡi cắt (PTO) và bật phanh đỗ.
Tắt động cơ, rút chìa khóa và chờ cho tất cả các bộ phận chuyển động của máy dừng lại trước khi rời khỏi vị trí vận hành.
Xả dầu ra khỏi động cơ Hình 63.


Đổ từ từ khoảng 80% lượng dầu quy định vào ống nạp và từ từ đổ thêm dầu bổ sung để đưa dầu đến vạch Đầy (Hình 64).

Khởi động động cơ và lái xe đến khu vực bằng phẳng.
Kiểm tra lại mức dầu.
Xả dầu ra khỏi động cơ; tham khảo Thay Dầu Động cơ.
Thay bộ lọc dầu động cơ (Hình 65).


Note: Đảm bảo miếng đệm của bộ lọc dầu tiếp xúc với động cơ, sau đó vặn bộ lọc dầu thêm 3/4 vòng.
Đổ đầy loại dầu mới phù hợp vào cacte; tham khảo Thông số kỹ thuật của Dầu Động cơ.
| Khoảng thời gian Dịch vụ Bảo trì | Quy trình Bảo trì |
|---|---|
| 200 giờ một lần |
|
| 500 giờ một lần |
|
Loại: Champion XC12YC
Khe Khí: 0,76 mm (0,030 inch)
Đỗ máy trên bề mặt bằng phẳng, tắt công tắc điều khiển lưỡi cắt (PTO) và bật phanh đỗ.
Tắt động cơ, rút chìa khóa và chờ cho tất cả các bộ phận chuyển động của máy dừng lại trước khi rời khỏi vị trí vận hành.
Làm sạch khu vực xung quanh đế bugi để giữ bụi bẩn và các mảnh vụn ra khỏi động cơ.
Xác định vị trí và tháo (các) bugi như được minh họa trong Hình 66.


Important: Không làm sạch (các) bugi. Luôn thay bugi khi có lớp phủ đen, các điện cực bị mòn, màng dầu hoặc vết nứt.
Nếu bạn nhìn thấy màu nâu nhạt hoặc màu xám nhạt trên vật cách điện, động cơ đang hoạt động tốt. Lớp phủ màu đen trên vật cách điện thường có nghĩa là bộ lọc khí bị bẩn.
Cài đặt khoảng cách thành 0,76 mm (0,030 inch).


| Khoảng thời gian Dịch vụ Bảo trì | Quy trình Bảo trì |
|---|---|
| Trước mỗi lần sử dụng hoặc hàng ngày |
|
Trước mỗi lần sử dụng, hãy loại bỏ cỏ, bụi bẩn hoặc các mảnh vụn khác tích tụ ra khỏi màn động cơ, hệ thống xả của động cơ, bộ làm mát dầu động cơ và khu vực xung quanh động cơ. Điều này giúp đảm bảo làm mát đầy đủ và tốc độ động cơ chính xác cũng như giảm khả năng quá nhiệt và hư hỏng cơ học cho động cơ.
| Khoảng thời gian Dịch vụ Bảo trì | Quy trình Bảo trì |
|---|---|
| 50 giờ một lần |
|
Các bộ phận của hệ thống xả nóng có thể bắt cháy hơi nhiên liệu ngay cả khi bạn đã tắt động cơ. Các hạt nóng thoát ra trong quá trình vận hành động cơ có thể gây cháy các vật liệu dễ cháy, dẫn đến gây thương tích cá nhân hoặc thiệt hại tài sản.
Không đổ tiếp nhiên liệu hoặc chạy động cơ trừ khi đã lắp bộ ngăn tia lửa.
Đỗ máy trên bề mặt bằng phẳng, tắt hệ dẫn động PTO và bật phanh tay.
Tắt động cơ, rút chìa khóa và chờ cho tất cả các bộ phận chuyển động dừng lại trước khi rời khỏi vị trí của người vận hành.
Chờ cho bộ triệt tiếng ồn nguội.
Nếu bạn thấy bất kỳ vết đứt nào trên màn hoặc mối hàn, hãy thay bộ ngăn tia lửa.
Nếu màn đã bị bít, hãy tháo bộ ngăn tia lửa, lắc các hạt rời ra khỏi bộ ngăn tia lửa và làm sạch màn bằng bàn chải sắt (ngâm màn trong dung môi nếu cần).
Lắp bộ ngăn tia lửa vào cửa xả.
Trong những điều kiện nhất định, nhiên liệu rất dễ cháy và rất dễ nổ. Cháy hoặc nổ do nhiên liệu có thể gây bỏng cho bạn và những người khác và có thể gây thiệt hại về tài sản.
Tham khảo An toàn Nhiên liệu để biết danh sách đầy đủ các biện pháp phòng ngừa liên quan đến nhiên liệu.
| Khoảng thời gian Dịch vụ Bảo trì | Quy trình Bảo trì |
|---|---|
| 500 giờ một lần |
|
Important: Lắp các ống mềm dẫn nhiên liệu và siết chặt bằng dây buộc bằng nhựa giống như chúng được lắp ban đầu tại nhà máy để giữ cho đường đường dẫn nhiên liệu tránh xa các bộ phận có thể gây hư hỏng đường dẫn nhiên liệu.
Không bao giờ lắp bộ lọc bẩn sau khi tháo ra khỏi đường dẫn nhiên liệu.
Bộ lọc nhiên liệu nằm gần động cơ ở phía trước bên trái của động cơ.
Đỗ máy trên bề mặt bằng phẳng, tắt công tắc điều khiển lưỡi cắt (PTO) và bật phanh đỗ.
Tắt động cơ, rút chìa khóa và chờ cho tất cả các bộ phận chuyển động của máy dừng lại trước khi rời khỏi vị trí vận hành.
Để máy nguội.
Thay bộ lọc nhiên liệu (Hình 69).
Note: Đảm bảo mũi tên chỉ hướng dòng chảy trên bộ lọc thay thế hướng đến động cơ.

Đừng cố xả bình nhiên liệu. Đảm bảo Đại lý Dịch vụ được Ủy quyền xả bình nhiên liệu và bảo dưỡng bất kỳ bộ phận nào của hệ thống nhiên liệu.
Ngắt kết nối cáp khỏi cực âm của ắc quy trước khi sửa chữa máy.
Sạc ắc quy ở khu vực thoáng, thông gió tốt, tránh xa lửa và tia lửa. Rút phích cắm bộ sạc trước khi kết nối hoặc ngắt kết nối ắc quy. Mặc quần áo bảo hộ và sử dụng các dụng cụ cách điện.
| Khoảng thời gian Dịch vụ Bảo trì | Quy trình Bảo trì |
|---|---|
| Hàng tháng |
|
Các cực ắc quy hoặc dụng cụ kim loại có thể bị đoản mạch với các bộ phận kim loại của máy, gây ra tia lửa. Tia lửa có thể gây nổ khí bình ắc quy, gây chấn thương cá nhân.
Khi tháo hoặc lắp ắc quy, không để các cực ắc quy chạm vào bất kỳ bộ phận kim loại nào của máy.
Không để các dụng cụ kim loại bị đoản mạch giữa các cực ắc quy và các bộ phận kim loại của máy.
Nếu tháo cáp ra khỏi ắc quy không chính xác có thể làm hỏng máy và cáp, gây ra tia lửa. Tia lửa có thể gây nổ khí bình ắc quy, gây chấn thương cá nhân.
Luôn ngắt kết nối cáp âm (màu đen) của ắc quy trước khi ngắt kết nối cáp dương (màu đỏ).
Luôn kết nối cáp dương (màu đỏ) của ắc quy trước khi kết nối cáp âm (màu đen).
Đỗ máy trên bề mặt bằng phẳng, tắt công tắc điều khiển lưỡi cắt (PTO) và bật phanh đỗ.
Tắt động cơ, rút chìa khóa và chờ cho tất cả các bộ phận chuyển động của máy dừng lại trước khi rời khỏi vị trí vận hành.
Tháo ắc quy như được minh họa trong Hình 70.


Sạc ắc quy sẽ tạo ra khí có thể phát nổ.
Không bao giờ hút thuốc gần ắc quy và để tia lửa và ngọn lửa tránh xa ắc quy.
Important: Luôn luôn sạc đầy ắc quy (trọng lượng riêng 1,265). Điều này đặc biệt quan trọng để tránh làm hỏng ắc quy khi nhiệt độ dưới 0°C.
Tháo ắc quy ra khỏi khung gầm; tham khảo Tháo Ắc quy.
Sạc ắc quy trong 10 đến 15 phút ở 25 đến 30 A hoặc trong 30 phút ở 10 A.
Note: Không sạc ắc quy quá nhiều.
Khi ắc quy đã được sạc đầy, hãy rút bộ sạc ra khỏi ổ cắm điện, sau đó ngắt dây sạc khỏi cọc bình ắc quy (Hình 71).
Lắp ráp ắc quy vào trong máy và kết nối cáp ắc quy; tham khảo Lắp Ắc quy.
Note: Không chạy máy khi đã ngắt kết nối ắc quy; có thể xảy ra hư hỏng phần điện.

Lắp ắc quy vào khay với các cực và cọc bình đối diện với bình thủy lực (Hình 70).
Lắp cáp dương (đỏ) của ắc quy vào cực dương (+) của ắc quy.
Lắp cáp âm (đen) của ắc quy và dây tiếp địa vào cực âm (-) của ắc quy.
Note: Đối với máy MyRide, hãy đảm bảo cáp tiếp địa không cọ xát với tay đòn móc hoặc giá gắn giảm xóc phía dưới (Hình 73).

Siết cố định cáp bằng 2 bu lông, 2 vòng đệm và 2 đai ốc khóa (Hình 70).
Trượt ngăn chứa cực màu đỏ vào cực dương (+) của ắc quy.
Cố định ắc quy bằng dây đeo cao su (Hình 70).
Hệ thống điện được bảo vệ bằng cầu chì. Hệ thống không yêu cầu bảo trì; tuy nhiên nếu cầu chì nổ, hãy kiểm tra bộ phận và mạch xem có trục trặc hoặc đoản mạch hay không.
Các cầu chì nằm trên bảng điều khiển bên phải bên cạnh ghế (Hình 73).
Để thay cầu chì, hãy kéo cầu chì để tháo ra.
Lắp cầu chì mới (Hình 73).

| Khoảng thời gian Dịch vụ Bảo trì | Quy trình Bảo trì |
|---|---|
| Trước mỗi lần sử dụng hoặc hàng ngày |
|
Kiểm tra dây đai an toàn xem có bị mòn, đứt và kiểm tra hoạt động đúng cách của bộ phận co rút và khóa hay không. Thay dây đai an toàn nếu bị hỏng.
Tắt công tắc điều khiển lưỡi cắt (PTO).
Lái máy đến khu vực bằng phẳng, thông thoáng và di chuyển cần điều khiển chuyển động đến vị trí KHóA Số MO.
Di chuyển bướm ga giữa chừng giữa các vị trí NHANH và CHậM.
Di chuyển cả hai cần điều khiển chuyển động về phía trước cho đến khi cả hai đều chạm tới điểm dừng trong khe chữ T.
Kiểm tra máy bám rãnh cách nào.
Nếu máy bám rãnh sang phải, hãy lắp cờ lê lục giác 3/16 inch qua lỗ tiếp cận ở bảng điều khiển phía trước bên trái trên nắp và xoay vít bám rãnh theo chiều kim đồng hồ hoặc ngược chiều kim đồng hồ để điều chỉnh hành trình của cần (Hình 74).
Nếu máy bám rãnh sang trái, hãy lắp cờ lê lục giác 3/16 inch qua lỗ tiếp cận ở bảng điều khiển phía trước bên phải trên nắp và xoay vít bám rãnh theo chiều kim đồng hồ hoặc ngược chiều kim đồng hồ để điều chỉnh hành trình của cần (Hình 74).
Lái máy và kiểm tra toàn bộ đường bám rãnh về phía trước.
Lặp lại điều chỉnh cho đến khi đạt được đường bám rãnh mong muốn.

| Khoảng thời gian Dịch vụ Bảo trì | Quy trình Bảo trì |
|---|---|
| 50 giờ một lần |
|
Duy trì áp suất khí trong lốp đúc và lốp sau ở mức 90 kPa. Áp suất lốp không đồng đều có thể gây ra hiện tượng mặt cắt không đồng đều. Kiểm tra lốp xe khi nguội để có chỉ số đo áp suất chính xác nhất.

Kiểm tra và tạo mô-men xoắn của đai ốc vấu của bánh xe đến 122 đến 136 N∙m.
| Khoảng thời gian Dịch vụ Bảo trì | Quy trình Bảo trì |
|---|---|
| Sau 100 giờ đầu tiên |
|
| 500 giờ một lần |
|
Note: Kiểm tra để đảm bảo phanh đỗ đã được điều chỉnh phù hợp. Quy trình này phải được tuân thủ sau 100 giờ đầu tiên hoặc khi một bộ phận của phanh đã được tháo hoặc thay.
Nếu bạn cần điều chỉnh phanh đỗ, hãy liên hệ với Đại lý Dịch vụ được Ủy quyền.
Chỉ dựa vào kích cơ hoặc kích thủy lực để nâng máy đã nâng để bảo dưỡng hoặc bảo trì đều có thể nguy hiểm vì kích có thể không đủ lực nâng hoặc có thể gặp trục trặc, dẫn đến máy đổ sập và có thể gây thương tích nghiêm trọng.
Không chỉ dựa vào kích cơ khí hoặc kích thủy lực để nâng đỡ. Sử dụng con đội kê phù hợp hoặc giá đỡ tương đương.
Đỗ máy trên bề mặt bằng phẳng.
Tắt công tắc điều khiển lưỡi dao (PTO), di chuyển cần điều khiển chuyển động đến vị trí KHóA TRUNG LậP và bật phanh đỗ.
Tắt máy, rút chìa khóa và chờ cho tất cả các bộ phận chuyển động của máy dừng lại trước khi rời khỏi vị trí vận hành.
Thiết lập máy để đẩy máy bằng tay. Tham khảo Sử dụng Van Nhả Bánh xe Truyền động.
Nâng phía sau của máy và đỡ máy bằng con đội kê.
Bật và tắt phanh tay, đồng thời kiểm tra từng lốp truyền động để đảm bảo mỗi phanh đều bật và tắt.
Nếu cần điều chỉnh, hãy tắt phanh tay. Kiểm tra xem tất cả các bộ phận của liên kết phanh đỗ có bị mài mòn không. Thay bất kỳ bộ phận nào bị mài mòn (Hình 76) và lặp lại bước 6.

Kiểm tra cả hai chiều dài lò xo như được minh họa trong Hình 77. Nếu cần điều chỉnh, hãy xoay đai ốc giữ lò xo theo chiều kim đồng hồ để rút ngắn lò xo và ngược chiều kim đồng hồ để kéo dài lò xo. Lặp lại bước 6.

Khi điều chỉnh xong, tháo con đội kê hoặc thiết bị nâng tương đương và hạ máy xuống.
Đặt máy vào vị trí VậN HàNH. Tham khảo Sử dụng Van Nhả Bánh xe Truyền động.
| Khoảng thời gian Dịch vụ Bảo trì | Quy trình Bảo trì |
|---|---|
| 50 giờ một lần |
|
Thay dây đai nếu bị mòn. Các dấu hiệu của dây đai bị mòn bao gồm tiếng kêu trong khi dây đai đang xoay; lưỡi cắt trượt trong khi cắt cỏ; và các mép bị xơ, vết cháy và vết nứt trên dây đai.
Đỗ máy trên bề mặt bằng phẳng, tắt công tắc điều khiển lưỡi cắt (PTO) và bật phanh đỗ.
Tắt động cơ, rút chìa khóa và chờ cho tất cả các bộ phận chuyển động của máy dừng lại trước khi rời khỏi vị trí vận hành.
Hạ máy cắt cỏ xuống độ cao cắt 76 mm.
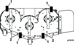
Tháo các vỏ dây đai (Hình 78).

Sử dụng chốt khóa 3/8 inch trong lỗ vuông trên tay đòn cần căng để loại bỏ lực căng trên lò xo cần căng (Hình 79).
Tháo dây đai ra khỏi ròng rọc mâm cắt của máy cắt cỏ và ròng rọc ly hợp.
Tháo dẫn hướng dây đai trên tay đòn cần căng chịu tải bằng lò xo (Hình 79).
Tháo dây đai hiện có.
Lắp dây đai mới xung quanh ròng rọc máy cắt cỏ và ròng rọc ly hợp ở dưới động cơ (Hình 79).

Lắp dẫn hướng dây đai trên tay đòn cần căng (Hình 79).
Sử dụng chốt khóa 3/8 inch trong lỗ vuông, lắp lò xo cần căng (Hình 79).
Note: Đảm bảo các đầu lò xo nằm trong rãnh neo.
Lắp các vỏ dây đai (Hình 80).

Đỗ máy trên bề mặt bằng phẳng, tắt công tắc điều khiển lưỡi cắt (PTO) và bật phanh đỗ.
Tắt động cơ, rút chìa khóa và chờ cho tất cả các bộ phận chuyển động của máy dừng lại trước khi rời khỏi vị trí vận hành.
Tháo dây đai máy cắt cỏ; tham khảo Thay Dây đai Máy cắt cỏ.
Nâng máy và đỡ máy bằng con đội kê.
Sử dụng chôt khóa hoặc thanh ngắt 1/2 inch ở một trong các lỗ vuông trên tay đòn cần căng để loại bỏ lực căng trên lò xo cần căng (Hình 81).
Tháo dây đai hiện có ra khỏi ròng rọc cần căng, 2 ròng rọc truyền động bơm thủy lực và ròng rọc động cơ (Hình 81).
Lắp dây đai mới xung quanh ròng rọc cần căng, ròng rọc động cơ và 2 ròng rọc bơm thủy lực (Hình 81).
Sử dụng chốt khóa hoặc thanh ngắt 1/2 inch trong một trong các lỗ vuông, lắp lò xo cần căng.
Note: Đảm bảo các đầu lò xo nằm trong rãnh neo.
Lắp dây đai máy cắt cỏ; tham khảo Thay Dây đai Máy cắt cỏ.

Nếu các đầu cần chạm vào nhau, tham khảo Điều chỉnh lLiên kết Điều khiển Chuyển động.
Bạn có thể điều chỉnh cần điều khiển chuyển động cao hơn hoặc thấp hơn để tạo cảm giác thoải mái tối đa.
Đỗ máy trên bề mặt bằng phẳng, tắt công tắc điều khiển lưỡi cắt (PTO) và bật phanh đỗ.
Tắt động cơ, rút chìa khóa và chờ cho tất cả các bộ phận chuyển động của máy dừng lại trước khi rời khỏi vị trí vận hành.
Tháo phần cứng đang giữ cần điều khiển đến trục tay đòn điều khiển.

Di chuyển cần điều khiển đến cụm lỗ tiếp theo. Cố định cần bằng phần cứng.
Lặp lại điều chỉnh đối với cần điều khiển đối diện.
Đỗ máy trên bề mặt bằng phẳng, tắt công tắc điều khiển lưỡi cắt (PTO) và bật phanh đỗ.
Tắt động cơ, rút chìa khóa và chờ cho tất cả các bộ phận chuyển động của máy dừng lại trước khi rời khỏi vị trí vận hành.
Nới lỏng bu lông trên đang giữ cần điều khiển đến trục tay đòn điều khiển.
Nới lỏng bu lông dưới vừa đủ để xoay cần điều khiển về phía trước hoặc phía sau. Siết chặt cả hai bu lông để siết chặt cần điều khiển ở vị trí mới.
Lặp lại điều chỉnh đối với cần điều khiển đối diện.

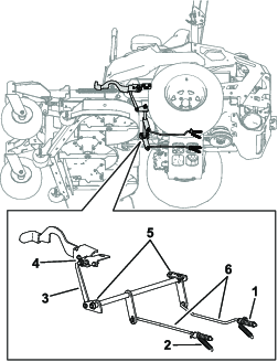
Nằm ở một trong hai bên của máy, bên dưới ghế, là các liên kết điều khiển bơm. Xoay đai ốc ở đầu bằng chìa vặn đầu ống sâu 1/2-inch cho phép điều chỉnh tinh chỉnh để máy không di chuyển ở vị trí số Mo. Mọi điều chỉnh chỉ nên được thực hiện cho vị trí số Mo.
Động cơ phải đang chạy và các bánh xe truyền động đang quay để bạn có thể thực hiện điều chỉnh. Tiếp xúc với các bộ phận đang chuyển động hoặc bề mặt nóng có thể gây chấn thương cá nhân.
Giữ các ngón tay, bàn tay và quần áo của bạn không tiếp xúc với các bộ phận đang xoay và bề mặt nóng.
Đỗ máy trên bề mặt bằng phẳng, tắt công tắc điều khiển lưỡi cắt (PTO) và bật phanh đỗ.
Tắt động cơ, rút chìa khóa và chờ cho tất cả các bộ phận chuyển động của máy dừng lại trước khi rời khỏi vị trí vận hành.
Đẩy bàn đạp nâng mâm cắt, tháo chốt độ cao cắt và hạ mâm cắt của máy cắt cỏ xuống mặt đất
Nâng phía sau của máy lên và đỡ máy bằng con đội kê (hoặc giá đỡ tương đương) vừa đủ cao để cho phép các bánh xe truyền động quay tự do.
Tháo kết nối điện ra khỏi công tắc an toàn của ghế, nằm dưới đệm dưới cùng của ghế.
Note: Công tắc là một bộ phận của cụm ghế.
Tạm thời lắp đoạn dây nối qua các cực trong đầu nối của bộ dây an toàn chính.
Khởi động động cơ, chạy khi van tiết lưu lưu động hoàn toàn và tắt phanh đỗ.
Note: Trước khi khởi động động cơ, đảm bảo phanh đỗ được bật và cần điều khiển chuyển động ở ngoài. Bạn không cần phải ngồi trên ghế.
Chạy máy ít nhất 5 phút với cần truyền động ở tốc độ tối đa để đưa chất lỏng thủy lực lên đến nhiệt độ vận hành.
Note: Cần điều khiển chuyển động phải ở vị trí số Mo khi bạn đang thực hiện bất kỳ điều chỉnh nào.
Đưa cần điều khiển chuyển động sang vị trí Số MO .
Kiểm tra và đảm bảo các mấu của tấm điều khiển chạm vào các tấm trở về số mo trên thiết bị thủy lực.
Điều chỉnh độ dài cần điều khiển bơm bằng cách xoay đai ốc theo hướng phù hợp cho đến khi bánh xe hơi rung rinh theo hướng lùi (Hình 84 và Hình 85).


Di chuyển các cần điều khiển chuyển động đến vị trí LùI và cùng lúc tác dụng một lực nhẹ lên cần, để lò xo chỉ báo lùi đưa các cần về vị trí số mo.
Note: Các bánh xe sẽ ngừng quay hoặc hơi rung rinh theo hướng lùi.
Note: Bạn có thể cần phải tháo nắp điều khiển chuyển động để có quyền tiếp cận.
Tắt máy.
Tháo đoạn dây nối ra khỏi bộ dây an toàn và cắm đầu nối vào công tắc ghế.
Tháo con đội kê.
Nâng mâm cắt của máy cắt cỏ và lắp chốt độ cao cắt.
Kiểm tra và đảm bảo máy không bị rung rinh ở vị trí số Mo khi phanh đỗ đã được tắt.
Tìm kiếm dịch vụ chăm sóc y tế ngay lập tức nếu bị tiêm chất lỏng vào da. Chất lỏng bị tiêm phải được bác sĩ phẫu thuật loại bỏ trong vòng vài giờ.
Đảm bảo tất cả các ống mềm và đường dẫn chất lỏng thủy lực ở tình trạng tốt và tất cả các kết nối và đầu nối thủy lực đều được siết chặt trước khi tạo áp lực lên hệ thống thủy lực.
Giữ cơ thể và tay tránh khỏi vị trí rò rỉ qua lỗ chốt hoặc mắt phun phun ra chất lỏng thủy lực áp suất cao.
Sử dụng bìa cứng hoặc giấy để tìm vị trí rò rỉ thủy lực.
Giảm áp suất trong hệ thống thủy lực một cách an toàn trước khi thực hiện bất kỳ công việc nào trên hệ thống thủy lực.
Loại Chất lỏng Thủy lực: Chất lỏng thủy lực Toro® HYPROIL™ 500.
Important: Sử dụng chất lỏng quy định. Các chất lỏng khác có thể làm hỏng hệ thống thủy lực.
Dung tích hệ thống thủy lực ZT 4400 Hydros (đã tháo bộ lọc): 7,57 L (8 US qt)
Dung tích hệ thống thủy lực ZT 5400 Hydros (đã tháo bộ lọc): 9,46 L (10 US qt)
| Khoảng thời gian Dịch vụ Bảo trì | Quy trình Bảo trì |
|---|---|
| Trước mỗi lần sử dụng hoặc hàng ngày |
|
Để chất lỏng thủy lực nguội. Kiểm tra mức dầu khi chất lỏng nguội.
Kiểm tra bình chứa giãn nở và nếu cần, đổ thêm chất lỏng thủy lực Toro® HYPR-OIL™ 500 đến vạch NGUỘI HOÀN TOÀN (Hình 86).

| Khoảng thời gian Dịch vụ Bảo trì | Quy trình Bảo trì |
|---|---|
| Sau 100 giờ đầu tiên |
|
Để thay chất lỏng thủy lực, các bộ lọc cần được tháo ra. Thay cả hai cùng một lúc; tham khảo Thông số kỹ thuật của Chất lỏng Thủy lực để biết thông số kỹ thuật của chất lỏng.
Lọc toàn bộ khí trong hệ thống sau khi bạn lắp bộ lọc mới và đổ thêm chất lỏng. Tham khảo Xả Hệ thống Thủy lực. Lặp lại quá trình xả cho đến khi chất lỏng vẫn còn ở vạch ĐầY NGUộI trong bình chứa sau khi lọc.
Important: Không thực hiện đúng quy trình này có thể dẫn đến hư hỏng không thể khắc phục được đối với hệ thống truyền động trục xe.
Quy trình này khác nhau tùy thuộc vào hệ thống truyền động của model xe. Nếu không rõ hệ thống truyền động nào có trên model, hãy liên hệ với Đại lý Dịch vụ được Ủy quyền của bạn.
Đỗ máy trên bề mặt bằng phẳng, tắt công tắc điều khiển lưỡi cắt (PTO) và bật phanh đỗ.
Tắt động cơ, rút chìa khóa và chờ cho tất cả các bộ phận chuyển động của máy dừng lại trước khi rời khỏi vị trí vận hành.
Để động cơ nguội.
Xác định vị trí và tháo nút lỗ thông hơi như sau:
Note: Đảm bảo bạn theo dõi nút lỗ thông hơi sau khi tháo, vì nó có thể dễ bị đặt nhầm chỗ.
Cẩn thận làm sạch khu vực xung quanh bộ lọc.
Important: Không để bụi bẩn xâm nhập vào hệ thống thủy lực; nếu không, có thể gây nhiễm bẩn.
Đặt đĩa dầu bên dưới bộ lọc để hứng chất lỏng xả ra khi đã tháo bộ lọc và các nút lỗ thông hơi.
Tháo nắp của bộ lọc chất lỏng thủy lực ra khỏi trục xe để xả chất lỏng (Hình 89).

Tháo vòng chữ O ra khỏi nắp bộ lọc và loại bỏ vòng chữ O.
Sau khi chất lỏng thủy lực xả ra khỏi trục xe, hãy tháo bộ lọc ra khỏi vỏ trục xe.
Lặp lại quy trình này ở phía bên kia của máy.
Lắp bộ lọc mới vào trục xe và vòng chữ O mới lên nắp bộ lọc.
Lắp nắp bộ lọc.
Tạo mô-men xoắn cho nắp bộ lọc như sau:
ZT 4400 Hydros: 22,6 đến 33,8 N∙m (200 đến 300 in-lb)
ZT 5400 Hydros: 54,3 đến 65,5 N∙m (480 đến 580 in-lb)
Tháo nắp ra khỏi bình giãn nở và đổ đầy chất lỏng được chỉ định vào trục xe cho đến khi đạt được dung tích chất lỏng phù hợp.
Note: Việc đổ đầy trục xe có thể mất nhiều thời gian hơn dự kiến.
Lắp các nút lỗ thông hơi đã tháo trước đó và tạo mô-men xoắn cho nút này từ 395 đến 904 N∙cm (35 đến 80 in-lb).
Tiếp tục đến Xả Hệ thống Thủy lực.
Important: Không thực hiện quy trình Xả Hệ thống Thủy lực sau khi thay bộ lọc thủy lực và chất lỏng sẽ có thể dẫn đến hư hỏng không thể khắc phục được đối với hệ thống truyền động trục xe.
Nâng phía sau của máy và đỡ máy bằng con đội kê (hoặc thiết bị nâng đỡ tương đương) vừa đủ cao để cho phép các bánh xe truyền động quay tự do.

Khởi động động cơ, di chuyển cần điều khiển bướm ga về phía trước đến 1/2 vị trí bướm ga, và tắt phanh tay.
Di chuyển cần phân nhánh đi vòng sang vị trí đẩy máy. Khi van rẽ nhánh đi vòng mở và động cơ đang chạy, từ từ di chuyển các cần điều khiển chuyển động theo cả hướng tiến và lùi 5 hoặc 6 lần.
Di chuyển cần phân nhánh đi vòng vào vị trí vận hành máy.
Khi van rẽ nhánh đi vòng đóng và động cơ đang chạy, từ từ di chuyển cần điều khiển theo cả hướng tiến và lùi 5 đến 6 lần.
Tắt động cơ và kiểm tra mức chất lỏng trong bình chứa giãn nở. Đổ thêm chất lỏng quy định cho đến khi đạt đến vạch NGUộI HOàN TOàN trên bình chứa giãn nở.
Lặp lại bước 2 cho đến khi toàn bộ khí được lọc hoàn toàn ra khỏi hệ thống.
Note: Khi trục xe hoạt động ở mức ồn bình thường, di chuyển nhẹ nhàng theo hướng tiến và lùi ở tốc độ bình thường, khí sẽ được lọc.
Kiểm tra lần cuối mức chất lỏng trong bình chứa giãn nở. Đổ thêm chất lỏng quy định cho đến khi đạt đến vạch NGUộI HOàN TOàN trên bình chứa giãn nở.
Kiểm tra lưỡi cắt định kỳ xem có bị mòn hoặc hư hỏng không.
Cẩn thận khi kiểm tra các lưỡi cắt. Bọc các lưỡi cắtlưỡi dao hoặc đeo găng tay, và thận trọng khi bảo dưỡng các lưỡi cắtlưỡi dao. Chỉ thay hoặc mài các lưỡi cắtlưỡi dao; không bao giờ làm thẳng hoặc hàn.
Trên máy có nhiều lưỡi cắtlưỡi dao, hãy cẩn thận khi xoay một lưỡi dao vì có thể làm quay các lưỡi dao khác.
Thay thế lưỡi cắt và bu lông bị mòn hoặc bị hỏng theo bộ để đảm bảo cân bằng.
Để đảm bảo chất lượng mặt cắt vượt trội, hãy giữ cho các lưỡi cắt luôn sắc bén. Để mài và thay thuận tiện, bạn có thể muốn cần thêm lưỡi cắt có sẵn.
Đỗ máy trên bề mặt bằng phẳng, tắt công tắc điều khiển lưỡi cắt (PTO) và bật phanh đỗ.
Tắt động cơ, rút chìa khóa và ngắt kết nối dây bugi ra khỏi bugi.
| Khoảng thời gian Dịch vụ Bảo trì | Quy trình Bảo trì |
|---|---|
| Trước mỗi lần sử dụng hoặc hàng ngày |
|
Kiểm tra mép cắt (Hình 91).
Nếu các mép không sắc hoặc có vết mẻ, hãy tháo và mài lưỡi cắt; tham khảo Mài Lưỡi cắt.
Kiểm tra các lưỡi cắt, đặc biệt là ở khu vực bị cong.
Nếu bạn nhận thấy có bất kỳ vết nứt, vết mòn hoặc khe hình thành ở khu vực này, hãy lắp lưỡi cắt mới ngay (Hình 91).

Note: Máy phải ở trên bề mặt bằng phẳng khi thực hiện quy trình sau.
Nâng mâm cắt của máy cắt cỏ lên vị trí độ cao cắt cao nhất.
Trong khi đeo găng tay có đệm dày hoặc dụng cụ bảo vệ tay thích hợp khác, hãy từ từ xoay lưỡi cắt vào vị trí cho phép bạn đo khoảng cách giữa mép cắt và bề mặt bằng phẳng đặt máy nằm trên đó (Hình 92).

Đo từ đầu lưỡi cắt đến bề mặt phẳng (Hình 93).

Xoay cùng một lưỡi cắt 180 độ để mép cắt đối diện ở cùng một vị trí (Hình 94).

Đo từ đầu lưỡi cắt đến bề mặt phẳng (Hình 95).
Note: Phương sai không được quá 3 mm.

Nếu chênh lệch giữa A và B lớn hơn 3 mm, hãy thay bằng lưỡi cắt mới; tham khảo Tháo Lưỡi cắt và Lắp Lưỡi cắt.
Note: Nếu lưỡi cắt bị cong được thay bằng lưỡi cắt mới và kích thước đạt được tiếp tục vượt quá 3 mm, trục quay của lưỡi cắt có thể bị cong. Liên hệ với Đại lý Dịch vụ được Ủy quyền để được cung cấp dịch vụ.
Nếu phương sai nằm trong giới hạn, hãy di chuyển đến lưỡi cắt tiếp theo.
Lặp lại quy trình này trên mỗi lưỡi cắt.
Thay lưỡi cắt nếu chúng va vào vật rắn, hoặc nếu lưỡi cắt bị mất thăng bằng hoặc bị cong.
Đặt cờ lê trên mặt phẳng của trục quay chính hoặc giữ đầu lưỡi cắt bằng giẻ hoặc găng tay có đệm dày.
Tháo bu lông lưỡi cắt, ống lót và lưỡi cắt ra khỏi trục quay chính (Hình 96).

Dùng giũa để mài mép cắt ở cả hai đầu của lưỡi cắt (Hình 97).
Note: Duy trì góc ban đầu.
Note: Lưỡi cắt vẫn sẽ thăng bằng nếu cùng một lượng vật liệu được tháo ra khỏi cả hai mép cắt.

Kiểm tra độ cân bằng của lưỡi cắt bằng cách đặt lên bộ cân bằng lưỡi cắt (Hình 98).
Note: Nếu lưỡi cắt giữ ở vị trí nằm ngang, lưỡi cắt sẽ cân bằng và có thể được sử dụng.
Note: Nếu lưỡi cắt không cân bằng, chỉ giũa một ít kim loại ở đầu khu vực cắt (Hình 97).

Lặp lại quy trình này cho đến khi lưỡi cắt được cân bằng.
Lắp ống lót qua lưỡi cắt với mặt bích ống lót ở mặt dưới (cỏ) của lưỡi cắt (Hình 99).

Lắp cụm ống lót/lưỡi cắt vào trục quay chính (Hình 100).

Bôi chất bôi trơn hoặc mỡ chứa đồng vào ren của bu lông lưỡi cắt khi cần thiết để tránh bị kẹt. Lắp chặt bu lông lưỡi cắt.
Đặt cờ lê trên mặt phẳng của trục quay chính và xoay mô-men xoắn của bu lông lưỡi cắt từ 75 đến 81 N∙m.
Kiểm tra để đảm bảo mâm cắt cho xe bằng phẳng bất cứ khi nào bạn lắp máy cắt hoặc khi bạn thấy vết cắt không đồng đều trên bãi cỏ của mình.
Kiểm tra mâm cắt cho xe để phát hiện các lưỡi cắt bị cong trước khi cân bằng, đồng thời tháo và thay thế bất kỳ lưỡi cắt nào bị cong; tham khảo Kiểm tra Lưỡi cắt bị Cong trước khi tiếp tục.
Đầu tiên, cân bằn phẳng mâm cắt cho xe từ bên này sang bên kia; sau đó bạn có thể điều chỉnh độ dốc từ trước ra sau.
Yêu cầu:
Máy phải nằm trên bề mặt bằng phẳng.
Tất cả các lốp xe phải được bơm căng phù hợp; tham khảo Kiểm tra Áp suất Lốp.
Đỗ máy trên bề mặt bằng phẳng, tắt công tắc điều khiển lưỡi cắt (PTO) và bật phanh đỗ.
Tắt động cơ, rút chìa khóa và chờ cho tất cả các bộ phận chuyển động của máy dừng lại trước khi rời khỏi vị trí vận hành.
Kiểm tra áp suất lốp trong các lốp truyền động; tham khảo Kiểm tra Áp suất Lốp.
Đặt mâm cắt của máy cắt cỏ ở vị trí khóa vận chuyển hoặc cài đặt độ cao cắt cao nhất.
Cẩn thận xoay các lưỡi cắt từ bên này sang bên kia.
Đo từ mũi lưỡi cắt đến bề mặt phẳng (Hình 101). Nếu cả hai phép đo không nằm trong phạm vi 5 mm, hãy điều chỉnh độ cân bằng; tiếp tục quy trình này.

Kiểm tra mức lưỡi cắt từ trước ra sau (Hình 102). Đảm bảo mũi lưỡi cắt phía trước thấp hơn mũi lưỡi cắt phía sau như được minh họa trong bảng chiều cao khối và cào. Nếu cần điều chỉnh, hãy tiếp tục quy trình này.

Đặt các con lăn chống cạp đất vào các lỗ trên cùng hoặc tháo hoàn toàn cho thao tác điều chỉnh này.
Nâng mâm cắt đến vị trí vận chuyển (140 mm hoặc 5-1/2 inch).
Từ từ nới lỏng vít điều chỉnh trên lò xo hỗ trợ nâng cho đến khi bạn có thể tháo vít (Hình 103).
Note: Giữ lại vít để lắp đặt.

Đặt 2 khối (xem Bảng Chiều cao Khối và Cào) dưới mép sau của phần dưới mâm cắt; 1 khối ở mỗi bên của mâm cắt (Hình 104).
Cài đặt cần độ cao cắt đến vị trí 76 mm (3 inch); tham hoặc khảo Điều chỉnh Độ cao cắt để Nâng Mâm cắt Thủ công hoặc Điều chỉnh Chốt Độ cao cắt.
Đặt 2 khối dưới mỗi cạnh của mép trước mâm cắt, nhưng không được đặt dưới các khung đỡ hoặc mối hàn của con lăn chống cạp đất.

| Kích thước Mâm cắt | Chiều cao Khối Phía trước | Cào |
| Tất cả các mâm cắt của máy cắt cỏ | 73 mm (2-7/8 inch) | 4,8 đến 6,4 mm |
Cẩn thận xoay các lưỡi cắt từ bên này sang bên kia (Hình 101).
Hạ mâm cắt của máy cắt cỏ xuống vị trí 76 mm (3 inch); tham khảo Điều chỉnh Độ cao cắt để Nâng Mâm cắt Thủ công hoặc Điều chỉnh Chốt Độ cao cắt.
Nới lỏng các bu lông (Hình 105) trên tất cả 4 góc và đảm bảo mâm cắt của máy cắt cỏ nằm chắc chắn trên cả 4 khối.
Triệt tiêu các vị trí lỏng, chùng trên các khung đỡ mâm cắt và đảm bảo cần đẩy chân nâng mâm cắt đẩy về điểm dừng.
Siết chặt 4 bu lông.

Đảm bảo các khối vừa khít với phần dưới mâm cắt và siết chặt tất cả các bu lông của bộ gá
Tiếp tục cân bằng mâm cắt bằng cách kiểm tra độ dốc của lưỡi cắt từ trước ra sau.
Kiểm tra độ bằng phẳng của các lưỡi cắt và lặp lại quy trình cân phẳng mâm cắt nếu cần.
Nâng mâm cắt đến vị trí vận chuyển (140 mm hoặc 5-1/2 inch).
Lắp vít điều chỉnh lò xo hỗ trợ nâng đã tháo trước đó ở bước 10.
Thiết lập khoảng hở giữa lò xo và giá đỡ từ 22 đến 29 mm.
Trước khi bảo dưỡng hoặc tháo mâm cắt của máy cắt cỏ, hãy khóa các tay đòn mâm cắt chịu tải bằng lò xo.
Đỗ máy trên bề mặt bằng phẳng, tắt công tắc điều khiển lưỡi cắt (PTO) và bật phanh đỗ.
Tắt động cơ, rút chìa khóa và chờ cho tất cả các bộ phận chuyển động của máy dừng lại trước khi rời khỏi vị trí vận hành.
Đặt chốt điều chỉnh độ cao vào vị trí độ cao cắt 76 mm.
Tháo các vỏ dây đai.
Nới lỏng cần căng mâm cắt của máy cắt cỏ và tháo dây đai máy cắt cỏ; tham khảo Bảo trì Đai.
Tháo các bu lông và đai ốc ra khỏi mặt trước của tấm dưới thanh gác chân.
Tháo và giữ lại các bu lông và đai ốc trên cả hai mặt của máy (Hình 106).
Trượt mâm cắt ra phía bên phải của máy.

Lỗ xả không có nắp có thể cho phép máy ném văng các vật về phía bạn hoặc người xung quanh, dẫn đến gây chấn thương nghiêm trọng. Ngoài ra, có thể xảy ra tình trạng tiếp xúc với lưỡi cắt.
Không bao giờ vận hành máy trừ khi bạn lắp đặt tấm phủ, bộ làm lệch hướng xả hoặc hệ thống thu gom cỏ.
Tháo êcu hãm, bu lông, lò xo và vòng chêm giữ bộ làm lệch hướng vào khung trục (Hình 107).
Tháo bộ làm lệch hướng cỏ bị hỏng hoặc bị mòn (Hình 107).

Đặt vòng chêm và lò xo lên trên bộ làm lệch hướng cỏ.
Đặt đầu móc chữ J của lò xo phía sau mép mâm cắt.
Note: Đảm bảo đầu móc chữ J của lò xo được lắp phía sau mép mâm cắt trước khi lắp bu lông như được minh họa trong Hình 107.
Lắp bu lông và đai ốc.
Đặt đầu móc chữ J của lò xo xung quanh bộ làm lệch hướng cỏ (Hình 107).
Important: Bộ làm lệch hướng cỏ phải có thể xoay. Nâng bộ làm lệch hướng lên đến vị trí mở hoàn toàn và đảm bảo bộ làm lệch hướng đó xoay sang vị trí hướng xuống hoàn toàn.
| Khoảng thời gian Dịch vụ Bảo trì | Quy trình Bảo trì |
|---|---|
| Sau mỗi lần sử dụng |
|
Đỗ máy trên bề mặt bằng phẳng, tắt công tắc điều khiển lưỡi cắt (PTO) và bật phanh đỗ.
Tắt động cơ, rút chìa khóa và chờ cho tất cả các bộ phận chuyển động của máy dừng lại trước khi rời khỏi vị trí vận hành.
Nâng mâm cắt của máy cắt cỏ lên vị trí VậN CHUYểN.
| Khoảng thời gian Dịch vụ Bảo trì | Quy trình Bảo trì |
|---|---|
| Trước mỗi lần sử dụng hoặc hàng ngày |
|
Sử dụng khí nén để làm sạch hệ thống giảm xóc.
Note: Không làm sạch cụm giảm xóc bằng nước cao áp (Hình 108).

Dầu động cơ, pinắc quy, chất lỏng thủy lực và chất làm mát động cơ là những chất gây ô nhiễm môi trường. Thải bỏ những thứ này theo quy định của tiểu bang và địa phương của bạn.
Tắt động cơ, rút chìa khóa và chờ cho tất cả các bộ phận chuyển động dừng lại trước khi rời khỏi vị trí của người vận hành. Để máy nguội trước khi điều chỉnh, bảo dưỡng, vệ sinh hoặc cất giữ.
Không cất giữ máy hoặc đổ nhiên liệu gần ngọn lửa hoặc xả nhiên liệu trong nhà hoặc bên trong xe moóc kín.
Không cất giữ máy hoặc bình chứa nhiên liệu ở nơi có lửa trần, tia lửa hoặc đèn đánh lửa, chẳng hạn như trên máy nước nóng hoặc trên thiết bị khác.
Tháo công tắc điều khiển lưỡi cắt (PTO) và bật phanh đỗ.
Tắt động cơ, rút chìa khóa và chờ cho tất cả các bộ phận chuyển động của máy dừng lại trước khi rời khỏi vị trí vận hành.
Loại bỏ cỏ xén, bụi bẩn và cáu ghét ra khỏi các bộ phận bên ngoài của toàn bộ máy, đặc biệt là động cơ và hệ thống thủy lực. Làm sạch bụi bẩn và cặn bám ra khỏi bề ngoài cánh tản nhiệt đầu xilanh động cơ và vỏ quạt thổi.
Important: Bạn có thể rửa máy bằng chất tẩy rửa nhẹ và nước. Không rửa máy bằng áp lực. Tránh sử dụng quá nhiều nước, đặc biệt là gần bảng điều khiển, động cơ, bơm thủy lực và mô-tơ.
Kiểm tra hoạt động của phanh đỗ; tham khảo Điều chỉnh Phanh Tay.
Bảo dưỡng bộ lọc khí; tham khảo Bảo dưỡng Bộ lọc Khí.
Bôi mỡ cho máy; tham khảo Bôi trơn.
Thay dầu cacte; tham khảo Bảo trì Động cơ.
Kiểm tra áp suất lốp; tham khảo Kiểm tra Áp suất Lốp.
Thay bộ lọc thủy lực; tham khảo Thay Chất lỏng Thủy lực và Bộ lọc.
Sạc ắc quy; tham khảo Sạc Ắc quy.
Cạo cỏ và bụi tích tụ nhiều ra khỏi mặt dưới của máy cắt cỏ, sau đó rửa máy cắt cỏ bằng ống mềm làm vườn.
Note: Chạy máy với công tắc điều khiển lưỡi cắt (PTO) được bật và động cơ ở chế độ dừng lâu trong 2 đến 5 phút sau khi rửa.
Kiểm tra tình trạng của lưỡi cắt; tham khảo Bảo dưỡng Lưỡi Cắt.
Chuẩn bị máy để cất giữ khi không sử dụng quá 30 ngày. Chuẩn bị máy để cất giữ như sau:
Thêm chất ổn định/điều hòa chứa dầu mỏ vào nhiên liệu trong bình. Làm theo hướng dẫn trộn của nhà sản xuất chất ổn định. Không sử dụng chất ổn định chứa cồn (etanol hoặc metanol).
Note: Chất ổn định/điều hòa nhiên liệu có hiệu quả nhất khi được trộn với nhiên liệu mới và luôn được sử dụng.
Chạy động cơ để phân phối nhiên liệu điều hòa qua hệ thống nhiên liệu trong 5 phút.
Tắt động cơ, để nguội và xả bình nhiên liệu.
Khởi động động cơ và chạy cho đến khi động cơ dừng lại.
Thải bỏ nhiên liệu đúng cách. Tái chế nhiên liệu theo bộ luật địa phương.
Important: Không lưu trữ nhiên liệu có chứa chất ổn định/điều hòa lâu hơn thời hạn khuyến cáo của nhà sản xuất chất ổn định nhiên liệu.
Tháo và kiểm tra tình trạng của (các) bugi; tham khảo Bảo trì Động cơ. Sau khi tháo (các) bugi ra khỏi động cơ, đổ 30 ml (2 thìa canh) dầu động cơ vào lỗ bugi. Sử dụng bộ khởi động chạy điện để quay động cơ và phân phối dầu bên trong xilanh. Lắp (các) bugi. Không lắp dây trên (các) bugi.
Kiểm tra và siết chặt tất cả các bu lông, đai ốc và vít. Sửa chữa hoặc thay bất kỳ bộ phận nào bị hư hỏng.
Sơn tất cả các bề mặt kim loại trần hoặc bị trầy xước. Sơn có sẵn từ Đại lý Dịch vụ được Ủy quyền của bạn.
Cất giữ máy trong nhà để xe hoặc khu vực bảo quản khô ráo, sạch sẽ. Rút chìa khóa ra khỏi công tắc và để xa tầm tay trẻ em hoặc những người sử dụng khác không được ủy quyền. Đậy nắp máy để bảo vệ và giữ máy sạch sẽ.
| Problem | Possible Cause | Corrective Action |
|---|---|---|
| Động cơ quá nóng. |
|
|
| Đèn chỉ báo trục trặc (MIL) phát sáng. |
|
|
| Bộ khởi động không quay. |
|
|
| Động cơ không khởi động, khởi động khó khăn hoặc không thể tiếp tục chạy. |
|
|
| Động cơ bị mất nguồn. |
|
|
| Máy kéo sang trái hoặc phải (với cần điều khiển chuyển động về phía trước hoàn toàn). |
|
|
| Máy không điều khiển được. |
|
|
| Máy rung bất thường. |
|
|
| Độ cao cắt không đồng đều. |
|
|
| Lưỡi cắt không xoay. |
|
|
| Ly hợp không được bật. |
|
|


