| Underhållsintervall | Underhållsförfarande |
|---|---|
| Varje användning eller dagligen |
|
Maskinen är en åkarbetsutrustning som är avsedd att användas av yrkesförare som har anlitats för kommersiellt arbete. Den är främst konstruerad för att underhålla sandgropar på väl underhållna golfbanor och kommersiella anläggningar. Det kan medföra fara för dig och kringstående om maskinen används i andra syften än vad som avsetts.
Läs den här informationen noga så att du lär dig att använda och underhålla produkten på rätt sätt, och för att undvika person- och produktskador. Du är ansvarig för att produkten används på ett korrekt och säkert sätt.
Besök www.Toro.com om du behöver utbildningsmaterial för säkerhet och drift, information om tillbehör, hjälp med att hitta en återförsäljare eller om du vill registrera din produkt.
Kontakta en auktoriserad återförsäljare eller Toros kundservice och ha produktens modell- och serienummer till hands om du har behov av service, Toro originaldelar eller ytterligare information. Figur 1 visar var du finner produktens modell- och serienummer. Skriv in numren i det tomma utrymmet.
Important: Skanna rutkoden på serienummerplåten (i förekommande fall) med en mobil enhet för att få tillgång till information om garanti, reservdelar och annan produktinformation.

I den här bruksanvisningen anges potentiella risker och alla säkerhetsmeddelanden har markerats med en varningssymbol (Figur 2), som anger fara som kan leda till allvarliga personskador eller dödsfall om föreskrifterna inte följs.

Två ord används också i den här bruksanvisningen för att markera information. Viktigt anger speciell teknisk information och Observera anger allmän information värd att notera.
Produkten uppfyller alla relevanta europeiska direktiv. Mer information finns i produktens separata försäkran om överensstämmelse.
Det är ett brott mot avsnitt 4442 eller 4443 i Kaliforniens Public Resource Code att använda eller köra motorn på skogs-, busk- eller grästäckt mark om motorn inte är utrustad med en gnistsläckare som är i fullgott skick, vilket anges i avsnitt 4442, eller utan att motorn är konstruerad, utrustad och underhållen för att förhindra brand.
I vissa regioner måste maskinens motor vara utrustad med en gnistsläckare på grund av lokala eller nationella bestämmelser. Därför finns det gnistsläckare som tillbehör. Kontakta en auktoriserad Toro-återförsäljare om du behöver en gnistsläckare.
Den bifogade bruksanvisningen till motorn tillhandahålls för information om den amerikanska miljömyndigheten EPA:s (US Environmental Protection Agency) och Kaliforniens lagstiftning om utsläppskontroll för utsläppssystem, underhåll och garanti. Extra bruksanvisningar kan beställas från motortillverkaren.
Om maskinen är utrustad med en telematikenhet kontaktar du en auktoriserad Toro-återförsäljare för anvisningar om hur du aktiverar enheten.
KALIFORNIEN
Proposition 65 Varning
Motoravgaserna från denna produkt innehåller kemikalier som av den amerikanska delstaten Kalifornien anses orsaka cancer, fosterskador eller andra fortplantningsskador.
Batteripoler och kabelanslutningar med tillbehör innehåller bly och blyföreningar, kemikalier som den amerikanska delstaten Kalifornien anser kan orsaka cancer och fortplantningsskador. Tvätta händerna efter hantering.
Användning av produkten kan orsaka kemikalieexponering som av den amerikanska delstaten Kalifornien anses orsaka cancer, fosterskador och andra fortplantningsskador.
Den här produkten kan orsaka personskador. Följ alltid alla säkerhetsanvisningar för att undvika allvarliga personskador.
Läs och förstå innehållet i denna bruksanvisning innan du startar motorn. Se till att alla som använder den här produkten förstår varningarna och vet hur produkten ska användas.
Håll koncentrationen helt på maskinen när du använder den. Ägna dig inte åt aktiviteter som kan distrahera dig, eftersom personskador eller skador på egendom då kan uppstå.
Håll händer och fötter på avstånd från maskinens rörliga komponenter.
Kör endast maskinen om skydd och andra säkerhetsanordningar sitter på plats och fungerar.
Håll kringstående på avstånd från maskinen när den är i rörelse.
Håll barn på säkert avstånd från arbetsområdet. Låt aldrig barn köra maskinen.
Stanna maskinen och stäng av motorn innan du servar eller fyller på bränsle i maskinen.
Felaktigt bruk eller underhåll av maskinen kan leda till
personskador. För att minska risken för skador ska du alltid
följa säkerhetsanvisningarna och uppmärksamma varningssymbolen
. Symbolen betyder Var försiktig,
Varning eller Fara – anvisning om personsäkerhet. Underlåtenhet
att följa anvisningarna kan leda till personskador och innebära
livsfara.
![]() |
Säkerhetsdekalerna och säkerhetsinstruktionerna är fullt synliga för föraren och finns nära alla potentiella farozoner. Ersätt dekaler som har skadats eller saknas. |












Note: Vänster och höger sida på maskinen är lika med förarens vänstra respektive högra sida vid normal körning.
Note: Ta bort och släng alla transportfästen och fästanordningar.
Om du kör maskinen utan att transportbrädan eller något annat redskap har monterats kan den tippa över och orsaka personskador eller skador på egendom.
Maskinen får endast köras om transportbrädan eller ett annat godkänt redskap har monterats.
Ta bort transportbrädan innan du monterar redskap på maskinen.
Parkera maskinen på ett plant underlag, för reglerhandtagen till det NEUTRALA LåSLäGET, koppla in parkeringsbromsen, stäng av motorn och ta ut nyckeln.
Ta bort de muttrar, skruvar och brickor som fäster transportbrädan bak på maskinen (Figur 3).

Släng fästelementen och transportbrädan.
Delar som behövs till detta steg:
| Redskap och tillhörande delar (säljs separat) | – |
Om du kör maskinen utan att något redskap har monterats kan den tippa över och orsaka personskador eller skador på egendom.
Kör endast maskinen om ett godkänt redskap har monterats.
Parkera maskinen på ett plant underlag, för reglerhandtagen till det NEUTRALA LåSLäGET, koppla in parkeringsbromsen, stäng av motorn och ta ut nyckeln.
Information om hur du monterar redskap finns i monteringsanvisningarna.
Delar som behövs till detta steg:
| Främre vikter (i enlighet med vad som krävs för redskapet) | – |
När du monterar redskap på maskinen bör du lägga till extra vikter på maskinen, enligt specifikationen, för förbättrad hjuldrivning.
Med hjälp av tabellen nedan kan du avgöra hur många extra vikter som krävs. Maskinen levereras med fyra vikter. Extra vikter medföljer alla redskap vid behov.
Se Montera och demontera vikterna.
| Redskap | Antal vikter som behövs |
|---|---|
| Flexibel tandkratta | 4 |
| Flexibel tandkratta med finborste | 6 |
| Spikdressnät | 6 |
| Spikdressnät med dressnät för finputsning | 8 |
Delar som behövs till detta steg:
| Skruv (5/16 x ¾ tum) | 1 |
| Mutter (5/16 tum) | 2 |
Kapa kabelbandet som fäster batterikablarna vid ramen och släng kabelbandet (Figur 4).

Ta bort det röda plastskyddet från batteriets pluspol (Figur 5).

Dra loss den röda skyddslock från änden av batteriets pluskabel, och använd en skruv (5/16 x ¾ tum) och en mutter (5/16 tum) för att montera pluskabeln på batteriets pluspol.
Trä på den röda skyddslock över polen och fästelementen.
Ta bort det svarta plastskyddet från batteriets minuspol.
Använd en skruv (5/16 x ¾ tum) och en mutter (5/16 tum) för att montera minuskabeln på batteriets minuspol.
Delar som behövs till detta steg:
| Vältskydd | 1 |
| Skruv | 4 |
| Flänslåsmutter | 4 |
| Fjäderbricka | 4 |
| Fäste | 2 |
Packa upp vältskyddet.
Sätt vältskyddet på maskinen enligt Figur 6.

Montera fästena på maskinramen.
Important: Kontrollera att gas- och chokevajern är ur vägen, så att de inte kläms av vältskyddet eller något fäste.
Rikta in hålen i fästena, vältskyddet och ramen efter varandra.
Sätt i en skruv samt en fjäderbricka i respektive hål.
Important: Kontrollera att alla fjäderbrickor har placerats så att den välvda sidan är riktad mot skruvhuvudet enligt Figur 7.

Sätt en flänslåsmutter på respektive skruv och dra åt till ett vridmoment på 102 N·m.
En trådlös timmätare finns som tillval hos närmaste auktoriserade Toro-återförsäljare.
Se bruksanvisningen till det trådlösa timmätarsystemet.
Parkera maskinen på ett plant underlag, sänk ner redskapet, lägg i parkeringsbromsen, stäng av motorn och ta ut nyckeln.
Ta bort kontrollpanelen (Figur 8).

Leta reda på den trådlösa timmätarens bygel.
Note: Bygeln har en etikett.
Fäst den trådlösa timmätaren.
Fäst den trådlösa timätaren vid det befintliga kablaget så att större rörelser på konsolen förhindras.
Montera kontrollpanelen.
Delar som behövs till detta steg:
| Skruv (nr 10 x 9/16 tum) | 2 |
| Mutter (nr 10) | 2 |
| Telematikenhet | 1 |
| Fäste | 1 |
| Skruv (5/16 x ¼ tum) | 2 |
| Telematikkablage | 1 |
| Kabelband | 2 |
Använd två skruvar (nr 10 x 9/16 tum) och två muttrar (nr 10) för att säkra telematikenheten på fästet.

Använd två skruvar (5/16 x ¼ tum) för att säkra fästet och R-klämman på vältskyddet.

Koppla ihop telematikkontakten med telematikkablagets kontakt.

Anslut telematikkablaget till maskinkablaget.

Använd kabelband för att fästa kablagen på vältskyddet.



Använd reglerhandtagen (Figur 14) för att köra maskinen framåt och bakåt samt för att svänga i valfri riktning.
Det finns tre lägen i tändningslåset (Figur 15) som används för att starta och stänga av motorn: AVSTäNGT LäGE, KöRLäGE och STARTLäGE. Vrid nyckeln medurs till STARTLäGET för att starta motorn. Släpp nyckeln när motorn startar. Nyckeln förs automatiskt till KöRLäGET. Stäng av motorn genom att vrida nyckeln motsols till det AVSTäNGDA läget.
När du ska starta en kall motor stänger du startspjället genom att dra upp chokereglaget (Figur 15) till avstängt läge. När motorn har startat regleras choken så att motorn kör jämnt. Öppna choken så snart som möjligt genom att skjuta reglaget nedåt till det öPPNA läget.
Note: En varm motor kräver lite eller ingen choke.
Med gasreglaget (Figur 15) reglerar du motorns hastighet. Om du för gasreglaget framåt mot det SNABBA läget ökar motorhastigheten. Om du för det bakåt mot det LåNGSAMMA läget minskas motorhastigheten.
Note: Du kan inte stänga av motorn med gasreglaget.
Höj redskapet genom att trycka på den övre delen av redskapsbrytaren (Figur 16). Sänk redskapet genom att trycka på den nedre delen av redskapsbrytaren.

Note: Maskinen har en dubbelverkande lyftcylinder. Du kan tillämpa ett nedåtgående tryck på redskapet under vissa driftsförhållanden.
Lägg i parkeringsbromsen (Figur 14) genom att dra parkeringsbromsspaken bakåt. Lossa den genom att trycka spaken framåt.
Timmätaren (Figur 15) visar det totala antalet timmar som maskinen har varit i drift. Timmätaren är i drift när tändningslåset är i PåSLAGET läge, så länge som batteriet är fulladdat (13,8 V eller mer) eller om du sitter i sätet, vilket aktiverar sätesomkopplaren.
En trådlös timmätare finns som tillval hos närmaste auktoriserade Toro-återförsäljare. Monteringsanvisningar finns i Montera en trådlös timmätare.
Sitt på sätet och för spaken fram på sätet (Figur 17) åt vänster och skjut sätet till önskat läge. Släpp spaken för att låsa sätet på plats.

Note: Specifikationer och design kan komma att ändras utan föregående meddelande.
| Endast maskinen | Med flexibel tandkratta | Med spikdressnät | Med spikdressnät och dressnät | |
|---|---|---|---|---|
| Vikt | 399 kg* | 417 kg** | 439 kg** | 445 kg** |
| Bredd | 147 cm | 213 cm | 182 cm | 198 cm |
| Längd | 186 cm | 226 cm | 215 cm | 297 cm |
| Höjd | 185 cm | |||
| Hjulbas | 147 cm | |||
* med 4 vikter, tom bränsletank och utan förare
** med redskap och vikter, tom bränsletank och utan förare
Det finns ett urval av godkända Toro-redskap och -tillbehör som du kan använda för att förbättra och utöka maskinens kapacitet. Kontakta en auktoriserad serviceverkstad eller återförsäljare eller gå till www.Toro.com för att se en lista över alla godkända redskap och tillbehör.
Använd originaldelar från Toro för att skydda din investering och bibehålla Toro-utrustningen i toppskick. Toro tillhandahåller reservdelar som är mycket driftsäkra tack vare att de har utformats exakt efter utrustningens tekniska specifikation. Använd enbart originaldelar från Toro så slipper du bekymmer.
Note: Vänster och höger sida på maskinen är lika med förarens vänstra respektive högra sida vid normal körning.
Parkera maskinen på ett jämnt underlag, koppla in parkeringsbromsen, stäng av motorn, ta ut nyckeln och vänta tills alla rörliga delar har stannat innan du kliver ur maskinen.
Låt aldrig barn eller någon som inte har fått utbildning använda eller utföra underhåll på maskinen. Lokala bestämmelser kan begränsa användarens ålder. Det är ägaren som ansvarar för att utbilda alla förare och mekaniker.
Lär dig hur man använder utrustningen på ett säkert sätt och bekanta dig med manöverreglage och säkerhetsskyltar.
Lär dig att stanna maskinen och motorn snabbt.
Kontrollera att förarnärvaroreglage, säkerhetsbrytare och skydd sitter fast och fungerar som de ska. Kör inte maskinen om dessa inte fungerar som de ska.
Kontrollera att komponenter och fästen är i gott bruksskick innan du använder maskinen. Byt ut slitna eller skadade komponenter och fästen.
Inspektera området där maskinen ska användas och ta bort föremål som maskinen kan slunga omkring.
Var ytterst försiktig när du hanterar bränsle. Det är brandfarligt och dess ångor är explosiva.
Släck alla cigaretter, cigarrer, pipor och övriga antändningskällor.
Använd endast en godkänd bränslebehållare.
Ta inte bort tanklocket och fyll inte på bränsle i bränsletanken medan motorn är igång eller fortfarande är varm.
Fyll inte på eller tappa ut bränsle från maskinen i ett slutet utrymme.
Förvara inte maskinen eller bränslebehållaren i närheten av en öppen låga, gnista eller tändlåga, t.ex. nära en varmvattenberedare eller någon annan utrustning.
Om du spiller ut bränsle ska du inte försöka att starta motorn. Undvik att skapa några gnistor tills bränsleångorna har skingrats.
Det tar tid för nya motorer att komma upp i sin fulla prestanda. Drivsystem har större friktion när de är nya, vilket belastar motorn ytterligare.
Använd de första åtta drifttimmarna för att köra in maskinen.
De första körtimmarna är mycket viktiga för maskinens framtida driftssäkerhet och du bör noga övervaka maskinens funktioner och prestanda så att mindre problem, som kan leda till större problem, identifieras och kan korrigeras. Inspektera maskinen ofta under inkörningen och leta efter tecken på oljeläckage, lösa fästanordningar och andra fel.
Om nedanstående redskap monteras på maskinen rekommenderas extra vikter för att förbättra hjuldrivningen. Med hjälp av tabellen nedan kan du avgöra hur många extra vikter som krävs. Maskinen levereras med fyra vikter. Extra vikter medföljer alla redskap vid behov.
| Redskap | Antal vikter som behövs |
|---|---|
| Flexibel tandkratta | 4 |
| Flexibel tandkratta med finborste | 6 |
| Spikdressnät | 6 |
| Spikdressnät med dressnät för finputsning | 8 |
Ta bort de två skruvarna och de två muttrarna som håller nuvarande vikter på plats på maskinens främre del (Figur 18).
Note: Om maskinen är utrustad med en lampsats ska du ta bort skruven och muttern som fäster den främre lampan vid maskinen. Spara alla delar, se Monteringsinstruktioner för lampsats.

Ta bort eller lägg till vikter efter behov.
Fäst vikterna med de två skruvarna och de två muttrarna.
Använd de befintliga skruvarna för de flesta av redskapen.
Dressnätet för finputsning innehåller två längre skruvar som kompensation för de extra vikter som krävs.
Note: Om maskinen är utrustad med lampsats ska du montera den främre lampan genom att föra in skruven genom vikterna och fästa den med muttern, se Monteringsinstruktioner för lampsats.
Bränsletankskapacitet: 17 l
Rekommenderat bränsle:
Använd endast ren och färsk (ej äldre än 30 dagar) blyfri bensin med oktantal 87 eller högre för bästa resultat (klassificeringsmetod (R+M)/2).
Etanol: Bensin som innehåller upp till 10 % etanol (gasohol) eller 15 % MTBE (metyl-tertiär-butyleter) baserat på volym är godkänd. Etanol och MTBE är inte samma sak. Bensin med 15 % etanol (E15) baserat på volym får inte användas. Använd aldrig bensin som innehåller över 10 % etanol baserat på volym, som E15 (innehåller 15 % etanol), E20 (innehåller 20 % etanol) eller E85 (innehåller 85 % etanol). Användning av ej godkänd bensin kan leda till prestandaproblem och/eller skador på motorn, vilka eventuellt inte omfattas av garantin.
Använd inte bensin som innehåller metanol.
Förvara inte bränsle i bränsletanken eller i en bränsledunk under vintern om inte en stabiliserare används.
Tillför inte olja i bensinen.
Parkera maskinen på ett plant underlag, sänk ner redskapet, för reglerhandtagen till det NEUTRALA LåSLäGET, koppla in parkeringsbromsen, stäng av motorn och ta ut nyckeln.
Rengör området runt tanklocket (Figur 19).

Ta av tanklocket.
Fyll tanken till ungefär 25 mm från tankens överkant (nedanför påfyllningsrörets smalare del). Fyll inte på för mycket.
Sätt tillbaka locket.
Torka upp allt bränsle som kan ha runnit över för att undvika brandrisk.
Utför följande procedurer varje dag innan du använder maskinen:
• Kontrollera oljenivån i motorn
Ägaren/operatören kan förebygga och ansvarar för olyckor som kan ge upphov till personskador eller skador på egendom.
Använd lämpliga kläder, inklusive ögonskydd, halkfria och ordentliga skor, långbyxor och hörselskydd. Sätt upp långt hår och använd inte hängande smycken.
Kör inte maskinen om du är sjuk, trött eller påverkad av alkohol eller läkemedel.
Låt aldrig passagerare åka på maskinen och håll kringstående personer och husdjur på avstånd från maskinen under drift.
Använd endast maskinen om du har god sikt, så att du kan undvika gropar och dolda faror.
Kör aldrig maskinen på vått gräs. Försämrat grepp kan göra att maskinen glider.
Se till att alla drivenheter är i neutralläge, parkeringsbromsen är ilagd och du sitter i förarsätet innan du startar motorn.
Titta bakåt och nedåt innan du backar för att se till att vägen är fri.
Var försiktig när du närmar dig hörn med skymd sikt, buskage, träd eller andra objekt som kan försämra sikten.
Kör inte nära stup, diken eller flodbäddar. Maskinen kan välta plötsligt om ett hjul kör över en kant eller kanten ger med sig.
Stanna maskinen och undersök redskapet om du kör på ett föremål eller om maskinen vibrerar på ett onormalt sätt. Reparera alla skador innan du börjar köra maskinen igen.
Sakta ned och var försiktig när du svänger och korsar vägar och trottoarer med maskinen. Lämna alltid företräde.
Låt aldrig motorn gå i ett utrymme där avgaser inte kan komma ut.
Lämna aldrig en maskin som är i gång utan uppsikt.
Gör följande innan du lämnar förarplatsen:
Parkera maskinen på ett plant underlag.
Sänk redskapen.
Lägg i parkeringsbromsen.
Stäng av motorn och tag ut nyckeln.
Vänta tills alla rörliga delar har stannat.
Använd inte maskinen när det finns risk för blixtnedslag.
Använd inte maskinen som bogserfordon.
Våttorka ytorna före underhåll för att minimera dammsamling (vid behov).
Använd endast tillbehör, redskap och reservdelar som har godkänts av Toro.
Ta inte bort vältskyddet från maskinen.
Kontrollera att säkerhetsbältet är fastspänt och att du kan knäppa upp det snabbt i en nödsituation.
Var mycket uppmärksam på hinder som kan finnas ovanför dig och vidrör dem inte.
Håll vältskyddet i säkert bruksskick genom att regelbundet inspektera det noga och kontrollera att det inte är skadat, samt hålla alla fästelement åtdragna.
Byt ut ett skadat vältskydd. Reparera eller ändra det inte.
Vältskyddet är en inbyggd säkerhetsanordning.
Använd alltid säkerhetsbältet.
Skapa egna rutiner och regler för körning i sluttningar. Rutinerna ska innehålla en kartläggning av arbetsplatsen för att avgöra vilka sluttningar som är säkra för maskindrift. Använd alltid sunt förnuft och ett gott omdöme när du utför kontrollen.
Sluttningar är en betydande faktor vid olyckor som orsakas av att föraren förlorat kontrollen eller att maskinen välter, vilket kan innebära livsfara eller leda till allvarliga personskador. Det är föraren som är ansvarig för säker manövrering i sluttningar. Om du kör maskinen i en sluttning måste du vara extra försiktig.
Sluttningar är en betydande faktor vid olyckor som orsakas av förlorad kontroll eller tippning. Sådana olyckor kan orsaka allvarliga personskador eller dödsfall. Om du kör maskinen i en sluttning måste du vara extra försiktig.
Kör maskinen i en lägre hastighet när du befinner dig i en sluttning.
Om du känner dig osäker när du kör maskinen i sluttningar ska du inte köra där.
Se upp för hål, rötter, ojämnheter, stenar och andra dolda risker. Ojämn terräng kan göra att maskinen välter. Det kan finnas dolda hinder i högt gräs.
Välj en låg hastighet så att du inte behöver stanna eller växla när du kör i en sluttning.
Maskinen kan välta innan däcken förlorar greppet.
Kör aldrig maskinen på vått gräs. Däcken kan förlora greppet oavsett om bromsarna är tillgängliga och fungerar.
Undvik att starta, stänga av eller vända maskinen i en sluttning.
Rörelse i sluttningar ska ske långsamt och gradvis. Ändra inte maskinens hastighet eller riktning tvärt.
Kör inte maskinen nära stup, diken, flodbäddar eller vattendrag. Maskinen kan välta plötsligt om ett hjul kör över en kant eller kanten ger med sig. Håll ett säkert avstånd mellan maskinen och riskfyllda områden (två maskinbredder).
Flytta reglerhandtagen till det NEUTRALA LåSLäGET (Figur 20).

Lägg i parkeringsbromsen. Se Lägga i parkeringsbromsen.
Dra ut chokereglaget uppåt till det PåSLAGNA läget (när du startar en kall motor) och för gasreglaget till det LåNGSAMMA läget.
Important: När maskinen körs i en temperatur som understiger 0 °C låter du maskinen bli varm innan du använder den. Det förhindrar skador på hydraulsystemet.
Sätt i nyckeln i tändningslåset och vrid den medurs för att starta motorn. Släpp nyckeln när motorn startar. Reglera choken så att motorn kör jämnt.
Important: Undvik att överhetta startmotorn genom att inte låta tändningsnyckeln sitta i STARTLäGET i mer än 10 sekunder. Om du har försökt att starta motorn i 10 sekunder väntar du i 60 sekunder innan du startar den på nytt.
Stäng av motorn genom att flytta gasreglaget till det LåNGSAMMA läget och vrid tändningsnyckeln till det AVSTäNGDA läget. Ta ut nyckeln ur tändningslåset för att undvika oavsiktlig start.
Note: I en nödsituation vrider du tändningsnyckeln till det AVSTäNGDA läget.
Lägg alltid i parkeringsbromsen när du stannar maskinen eller lämnar den utan uppsikt.
Parkeringsbromsen kanske inte räcker för att hålla maskinen parkerad i en sluttning. Det kan leda till personskador eller skador på egendom.
Vid parkering i en sluttning måste hjulen alltid kilas fast eller blockeras på något sätt.
Lägg i parkeringsbromsen genom att dra handtaget uppåt (Figur 21).

Tryck ned handtaget för att koppla ur parkeringsbromsen (Figur 22).

Om säkerhetsbrytarna är urkopplade eller skadade kan maskinen oväntat starta och orsaka personskador.
Gör inga otillåtna ändringar på säkerhetsbrytarna.
Kontrollera säkerhetsbrytarnas funktion dagligen och byt ut eventuella skadade brytare innan maskinen körs.
Säkerhetssystemet är konstruerat så att motorn inte kan startas om inte:
parkeringsbromsen är åtdragen.
Reglerhandtagen är i det NEUTRALA LåSLäGET
Motorn stoppas även av säkerhetssystemet om du för reglerhandtagen ut ur det NEUTRALA LåSLäGET när du inte sitter i sätet eller om parkeringsbromsen ligger i.
Det finns symboler på timmätaren som visar om säkerhetskomponenten är i rätt läge. När komponenten är i rätt läge tänds en triangel på motsvarande plats (Figur 23).

Note: Spärren för kraftuttaget (PTO) används inte på maskinen.
| Underhållsintervall | Underhållsförfarande |
|---|---|
| Varje användning eller dagligen |
|
Låt omedelbart en auktoriserad Toro-återförsäljare reparera säkerhetssystemet om det inte fungerar enligt nedanstående beskrivning.
Sitt i sätet, för reglerhandtagen till NEUTRALLäGET och koppla in parkeringsbromsen.
Starta motorn.
Kliv ur sätet och för sakta reglerhandtagen framåt och bakåt.
Motorn ska stängas av 1−3 sekunder efter att du har fört respektive reglagehandtag i någon riktning. Om den inte gör det åtgärdar du problemet. Upprepa steg 2 och 3 för det andra reglagehandtaget.
Sitt på sätet och dra åt parkeringsbromsen. För något av reglerhandtagen från det NEUTRALA LåSLäGET. Försök att starta motorn – den ska inte dras runt. Upprepa det här steget för det andra reglerhandtaget.
Du måste alltid vara uppmärksam när du använder maskinen för att undvika att den välter eller att du förlorar kontrollen.
Var försiktig när du kör ner i och upp ur sandgropar.
Var mycket försiktig runt diken, bäckar och andra farliga platser.
Var försiktig när du använder maskinen i branta sluttningar.
Sänk farten när du gör tvära svängar eller när du svänger i sluttningar.
Undvik att stanna och starta plötsligt.
Växla inte från backläget till läget helt framåt utan att först stanna helt.
Maskinen kan rotera väldigt snabbt. Om du använder reglagehandtagen felaktigt kan du förlora kontrollen över maskinen och skada någon eller skada maskinen eller annan egendom.
Var försiktig i svängar.
Sakta ned innan du gör skarpa svängar.

Note: Motorn stängs av om du flyttar reglagehandtagen och parkeringsbromsen ligger i.
Koppla ur parkeringsbromsen. Se Koppla ur parkeringsbromsen.
För reglerhandtagen till mittläget, olåst läge.
Kör framåt genom att försiktigt föra reglerhandtagen framåt (Figur 25).
Stanna maskinen genom att föra reglerhandtagen till NEUTRALLäGET.

Kontrollera att redskapet sitter på rätt plats.
För reglerhandtagen till mittläget, olåst läge.
Kör bakåt genom att titta bakåt och sakta dra reglerhandtaget bakåt (Figur 26).

Läs hela avsnittet om krattning innan du räfsar sandgropen. Vilka justeringar som krävs påverkas av flera faktorer: sandens struktur och djup, dess fuktinnehåll, hur komprimerad den är och förekomsten av ogräs. Alla dessa faktorer kan variera mellan olika banor eller till och med mellan olika sandgropar på en och samma bana. Genom att justera räfsan kan du få perfekt resultat där du ska använda maskinen.
Öva dig på att räfsa i en stor och plan sandgrop på banan. Prova att starta och stanna, svänga, höja och sänka räfsan, köra ned i och upp ur sandgropen osv. Kör med medelhögt motorvarvtal och låg hastighet. Övningarna hjälper föraren att få bättre kontroll över maskinen.
Det räfsmönster som rekommenderas i sandgropar visas i Figur 27. Om du följer det mönstret slipper du onödig överlappning samtidigt som du får minimal komprimering och ett fint, jämnt mönster i sanden. Detta är den mest effektiva räfsmetoden. Det är dock viktigt att variera räfsmönstret regelbundet för att minska risken att skapa en tvättbrädseffekt.

Kör ned i sandgropen mitt på kortsidan, där det är som lättast att ta sig nedför kanten. Kör genom sandgropens mitt nästan ända bort till den motsatta kortsidan. Sväng sedan så snävt du kan åt endera hållet, och fortsätt tillbaka precis intill den sand du räfsade i första varvet. Kör i en utåtriktad cirkel enligt Figur 27, och kör bort ifrån sandgropen i en rät vinkel i ett plant område.
Snygga till branta, korta kanter och små gropar med en handräfsa.
Tips vid räfsning
Om sanden är tillräckligt djup kan du räfsa ända till kanten på sandgropen i plana områden.
Om sand sprids ut på gräsmattan bör du hålla tillräckligt avstånd från kanten för att undvika att påverka jorden under den.
Räfsa inte för nära en kort brant kant. Sanden kommer då bara att rinna ned i botten på sandgropen.
Viss finputsning med en handräfsa kan behövas vid branta kanter, i små gropar osv.
När du kör ned i en sandgrop ska du inte sänka ned räfsan förrän den befinner sig över sanden. Detta förhindrar att gräsklipp eller annat skräp dras in i uppsamlaren. Sänk ned räfsan medan maskinen är i rörelse.
När du kör upp ur sandgropen ska du börja höja upp räfsan när framhjulet lämnar gropen. Medan maskinen körs vidare upp ur gropen höjs räfsan upp så att inte sand dras ut på gräset.
Genom erfarenhet och övning lär du dig snabbt när du bör utföra de olika momenten då du kör ned i och upp ur en sandgrop.
Ta bort gräs och skräp från ljuddämparen och motorrummet för att undvika eldsvåda. Torka upp eventuellt olje- eller bränslespill.
Parkera maskinen på ett jämnt underlag, koppla in parkeringsbromsen, stäng av motorn, ta ut nyckeln och vänta tills alla rörliga delar har stannat innan du kliver ur maskinen.
Låt motorn svalna innan maskinen ställs undan i ett slutet utrymme.
Stäng av bränsletillförseln på maskinen vid förvaring och transport.
Förvara aldrig maskinen eller bränslebehållaren i närheten av en öppen låga, gnista eller tändlåga, t.ex. på en varmvattenberedare eller någon annan anordning.
Håll alla maskindelar i gott bruksskick och samtliga fästelement åtdragna.
Underhåll och rengör säkerhetsbälten vid behov.
Byt ut alla slitna eller skadade dekaler.
Motorn och hydrostatiska transmissioner kan bli mycket heta och orsaka allvarliga brännskador.
Låt motorn och hydrostatiska transmissioner svalna helt innan du närmar dig överströmningsventilreglagen.
Important: Maskinen ska inte bogseras långa sträckor eller med hög hastighet. Om du gör det kan maskinen skadas. Du kan bogsera maskinen långsamt från trimningsytan till släpet på platsen.
Överströmningsventilreglagen sitter ovanpå respektive hydrostatisk transmission.
Important: Kontrollera att överströmningsreglagen är så långt fram som möjligt innan du använder maskinen. Annars kan hydraulsystemet få allvarliga skador.
Parkera maskinen på ett plant underlag, sänk ner redskapet, för reglerhandtagen till det NEUTRALA LåSLäGET, koppla in parkeringsbromsen, stäng av motorn och ta ut nyckeln.
Vrid överströmningsreglagen (Figur 28 och Figur 29) från undersidan av maskinen så att de pekar inåt, mot maskinens mitt (Figur 30) och koppla ur parkeringsbromsen. Se Använda parkeringsbromsen.
Note: Hydraulvätskan kan då passera förbi pumparna så att hjulen kan rotera fritt.



När du är klar med att knuffa eller bogsera maskinen vrider du överströmningsventilreglagen så att de pekar mot maskinens front så att maskinen kan köra (Figur 30).
Det är farligt att köra på gator och vägar utan blinkers, strålkastare och reflexer samt utan en skylt med ”långsamtgående fordon”, och det kan orsaka olyckor med personskador som följd.
Kör aldrig maskinen på allmän väg.
Om du använder en släpvagn ska den kopplas till det bogserande fordonet och säkras med säkerhetskedjor.
Anslut släpvagnsbromsarna om tillämpligt.
Lasta maskinen på släpvagnen eller lastbilen.
För reglerhandtagen till det NEUTRALA LåSLäGET, koppla in parkeringsbromsen, stäng av motorn och ta ut nyckeln.
Använd maskinens fästöglor (Figur 31) för att fästa maskinen säkert på transportfordonet med hjälp av spännband, kedjor, kablar eller rep.

Var mycket försiktig när du lastar maskinen på eller av ett släp eller en lastbil. Använd en fullbreddsramp som är bredare än maskinen för den här proceduren.
Important: Använd inte smala, åtskilda ramper för maskinens båda sidor.
Släpet eller lastbilen och rampen ska stå så plant som möjligt när maskinen lastas för att undvika att redskapet fastnar när maskinen flyttas från marken till rampen.
Vid lastning av maskinen på eller i närheten av en sluttning ska släpet eller lastbilen placeras så att det/den riktas nedför sluttningen, och så att rampen är riktad uppför. På så vis minimeras rampens lutningsvinkel.
Om man lastar på maskinen på ett transportfordon ökar risken för att maskinen välter bakåt, vilket kan orsaka allvarliga personskador och innebära livsfara.
Var mycket försiktig vid körning på en ramp.
Kontrollera att vältskyddet är monterat och sitter fast ordentligt. Använd säkerhetsbälte när du lastar på eller av maskinen. Kontrollera att släpvagnen är tillräckligt hög för vältskyddet.
Använd endast en fullbreddsramp. Använd inte åtskilda ramper för var sida av maskinen.
Undvik plötslig acceleration eller inbromsning när du kör maskinen på en ramp, eftersom det kan leda till att du tappar kontrollen eller tippar.
Kontrollera att ett redskap monterats och höjts upp vid lastning av maskinen på ett transportfordon.

Note: Vänster och höger sida på maskinen är lika med förarens vänstra respektive högra sida vid normal körning.
Om du lämnar nyckeln i tändningslåset kan någon råka starta motorn av misstag och skada dig eller någon annan person allvarligt.
Ta ut nyckeln ur tändningslåset innan du utför något underhåll.
Gör följande innan du justerar, rengör eller reparerar maskinen, eller när du lämnar den utan uppsikt:
Parkera maskinen på ett plant underlag.
Flytta gasreglaget till läget för låg tomgång.
Sänk redskapet.
Se till att drivningen är i neutralläge.
Lägg i parkeringsbromsen.
Stäng av motorn och tag ut nyckeln.
Vänta tills alla rörliga delar har stannat.
Låt maskinens komponenter svalna innan du utför något underhåll.
Utför om möjligt inget underhåll på maskinen medan motorn är igång. Håll dig på avstånd från rörliga delar.
Stötta upp maskinen eller dess komponenter med domkrafter när så behövs.
Lätta försiktigt på trycket i komponenter som lagrar energi.
| Underhållsintervall | Underhållsförfarande |
|---|---|
| Efter de första 8 timmarna |
|
| Efter de första 50 timmarna |
|
| Varje användning eller dagligen |
|
| Var 100:e timme |
|
| Var 200:e timme |
|
| Var 250:e timme |
|
| Var 300:e timme |
|
| Var 400:e timme |
|
| Var 800:e timme |
|
Important: Ytterligare information om underhållsrutiner finns i bruksanvisningen till motorn.
Kopiera sidan och använd den regelbundet.
| Kontrollpunkt | Vecka: | ||||||
|---|---|---|---|---|---|---|---|
| Mån. | Tis. | Ons. | Tors. | Fre. | Lör. | Sön. | |
| Kontrollera säkerhetsbrytarnas funktion. | |||||||
| Kontrollera parkeringsbromsens funktion. | |||||||
| Kontrollera reglerhandtagens funktion. | |||||||
| Kontrollera bränslenivån. | |||||||
| Kontrollera oljenivån i motorn. | |||||||
| Kontrollera luftfiltret. | |||||||
| Rengör motorkylflänsarna. | |||||||
| Kontrollera ovanliga motorljud. | |||||||
| Kontrollera ovanliga driftljud. | |||||||
| Kontrollera hydraulvätskenivån. | |||||||
| Kontrollera att det inte finns några skador på hydraulslangarna. | |||||||
| Kontrollera om det läcker vätska någonstans. | |||||||
| Kontrollera däcktrycket. | |||||||
| Kontrollera instrumentfunktionen. | |||||||
| Smörj alla smörjnipplar.1 | |||||||
| Bättra på skadad lack. | |||||||
| 1. Omedelbart efter varje tvätt, oavsett intervallet i listan. | |||||||
| Anteckningar om särskilda problem | ||
| Kontrollen utförd av: | ||
| Artikel | Datum | Information |
Mekaniska eller hydrauliska domkrafter kan eventuellt inte stötta maskinen, vilket kan leda till allvarliga personskador.
Använd pallbockar för att stötta upp maskinen.
I Figur 33 visas de olika stödpunkterna.

| Underhållsintervall | Underhållsförfarande |
|---|---|
| Var 100:e timme |
|
Typ av fett: Nr 2 på litiumbas
Smörj alla smörjnipplar på framhjulets nav, remsträckaren och redskapslyften så här:
Parkera maskinen på ett plant underlag, sänk ner redskapet, för reglerhandtagen till det NEUTRALA LåSLäGET, koppla in parkeringsbromsen, stäng av motorn och ta ut nyckeln.
Torka av smörjnippeln så att främmande partiklar inte kan leta sig in i lagret eller bussningen.
Sätt en fettspruta på nippeln och pumpa in fett i nippeln.
Torka bort överflödigt fett.
Stäng av motorn innan du kontrollerar oljenivån eller fyller på olja i vevhuset.
Ändra inte varvtalshållarens inställning och övervarva inte motorn.
| Underhållsintervall | Underhållsförfarande |
|---|---|
| Varje användning eller dagligen |
|
Toro Premium-motorolja finns att köpa hos närmaste auktoriserade Toro-återförsäljare.
Vevhusvolym: 1,8 l med filterbyte
Använd olja för fyrtaktsmotorer som uppfyller eller överskrider följande krav:
API-servicekategori: SJ, SL, SM eller högre
Viskositet: SAE 30, se följande tabell för övriga viskositeter (Figur 37):
Important: Vid bruk av oljor med flera viskositeter, t.ex. 10W-30, ökar oljeförbrukningen. Kontrollera oljenivån oftare vid användning av sådana oljor.

Parkera maskinen på ett plant underlag, sänk ner redskapet, för reglerhandtagen till det NEUTRALA LåSLäGET, koppla in parkeringsbromsen, stäng av motorn och ta ut nyckeln.
Ta ut oljestickan (Figur 38) och torka av den med en ren trasa (Figur 39).


Sätt in oljestickan i påfyllningsröret utan att skruva fast den i öppningen.
Ta ut oljestickan ur röret och kontrollera oljenivån. Om oljenivån är låg häller du sakta i olja i påfyllningsröret så att nivån höjs till den övre markeringen på oljestickan.
Important: Motoroljenivån ska ligga mellan den övre och nedre markeringen på oljestickan. Motorn kan skadas om den körs med för mycket eller för lite motorolja.
Sätt ner oljestickan så den sitter ordentligt.
Important: Oljestickan måste sitta helt på plats i röret så att vevhuset försluts på rätt sätt. Om vevhuset inte försluts som det ska kan motorn skadas.
| Underhållsintervall | Underhållsförfarande |
|---|---|
| Efter de första 8 timmarna |
|
| Var 100:e timme |
|
Toro Premium-motorolja finns att köpa hos närmaste auktoriserade Toro-återförsäljare.
Vevhusvolym: 1,66 liter med filterbyte
Använd olja för fyrtaktsmotorer som uppfyller eller överskrider följande krav:
API-servicekategori: SJ, SL, SM eller högre
Viskositet: SAE 30, se följande tabell för övriga viskositeter (Figur 40):
Important: Vid bruk av oljor med flera viskositeter, t.ex. 10W-30, ökar oljeförbrukningen. Kontrollera oljenivån oftare vid användning av sådana oljor.

Kör motorn i ett par minuter för att värma upp oljan.
Parkera maskinen på ett plant underlag, sänk ner redskapet, för reglerhandtagen till det NEUTRALA LåSLäGET, koppla in parkeringsbromsen, stäng av motorn och ta ut nyckeln.
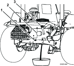
Ta bort avtappningspluggen (Figur 42) och låt olja rinna ut i ett lämpligt kärl. Sätt tillbaka avtappningspluggen när oljan har slutat att rinna.
Note: För in en bit papper eller tunn kartong i avtappningsöppningen för att leda oljan bort från motorns fästplatta (Figur 41).


Ta ut oljestickan och torka av den med en ren trasa (Figur 43).

Häll färsk olja i påfyllningsröret.
Starta motorn och låt den gå i ca tre minuter. Kontrollera att det inte finns några läckor.
Stäng av motorn.
Kontrollera oljenivån och fyll på olja vid behov.
Sätt i oljestickan.
Lämna in förbrukad olja på en återvinningsstation.
| Underhållsintervall | Underhållsförfarande |
|---|---|
| Efter de första 8 timmarna |
|
| Var 100:e timme |
|
Kör motorn i ett par minuter för att värma upp oljan.
Parkera maskinen på ett plant underlag, sänk ner redskapet, för reglerhandtagen till det NEUTRALA LåSLäGET, koppla in parkeringsbromsen, stäng av motorn och ta ut nyckeln.
Tappa ut motoroljan, se Byta ut motoroljan.
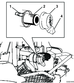
Placera ett avtappningskärl under oljefiltret och vrid filtret moturs för att ta bort det (Figur 44).

Stryk på ett tunt lager ren olja på den nya filtrets packning.
Skruva på det nya filtret för hand tills packningen nuddar vid filteradaptern. Dra sedan åt det ytterligare 3/4 varv.
Important: Dra inte åt filtret för hårt.
Kontrollera oljenivån, se Kontrollera oljenivån i motorn.
Fyll vid behov på olja i påfyllningsröret.
Starta motorn och låt den gå i ca tre minuter. Kontrollera att det inte finns några läckor.
Stäng av motorn.
Kontrollera oljenivån och fyll på olja vid behov.
Note: Filtret innehåller olja så oljenivån kan sjunka när du monterar ett nytt filter.
Sätt i oljestickan.
Lämna in förbrukad olja på en återvinningsstation.
| Underhållsintervall | Underhållsförfarande |
|---|---|
| Var 200:e timme |
|
| Var 400:e timme |
|
Note: Om du byter luftfiltret tidigare ökar risken för att smuts kommer in i motorn när filtret har avlägsnats.
Parkera maskinen på ett plant underlag, sänk ner redskapet, för reglerhandtagen till det NEUTRALA LåSLäGET, koppla in parkeringsbromsen, stäng av motorn och ta ut nyckeln.
Lossa spärrhakarna som fäster luftrenarkåpan på luftrenarhuset (Figur 45).

Ta bort kåpan från luftrenaren.
Ta bort det gamla filtret och montera det nya.
Note: Undersök om det nya filtret har några transportskador genom att kontrollera filtrets förseglade ände och själva filtret. Använd inte ett skadat filter. Sätt i det nya filtret genom att trycka på dess yttre kant för att fästa det i behållaren. Tryck inte mitt på filtret där det är böjligt.
Note: Rengör inte det använda elementet, eftersom det kan skada filtermediet.
Rengör smutsutblåsningens öppning i den avtagbara kåpan.
Montera kåpan så att smutsutblåsningens öppning är riktad nedåt.
Fäst spärrhakarna.
Kontrollera hela intagssystemet och leta efter läckor, skador eller lösa slangklämmor.
| Underhållsintervall | Underhållsförfarande |
|---|---|
| Var 100:e timme |
|
Typ: NGK BPR4ES (eller motsvarande)
Mellanrum: 0,76 mm
Note: Tändstiften håller vanligtvis länge, men du bör kontrollera dem om motorn inte fungerar.
Parkera maskinen på ett plant underlag, sänk ner redskapet, för reglerhandtagen till det NEUTRALA LåSLäGET, koppla in parkeringsbromsen, stäng av motorn och ta ut nyckeln.
Rengör området runt respektive tändstift så att inte främmande partiklar faller ned i cylindern när du tar bort tändstiften.

Lossa tändkablarna från tändstiften och skruva ut stiften ur cylinderöverdelarna.
Kontrollera att sidoelektroden, mittelektroden och isolatorn inte är skadade.
Important: Byt ut tändstiften om de är spruckna, skadade eller smutsiga eller på annat sätt defekta. Rengör inte elektroderna eftersom flagor kan ta sig in i cylindern och orsaka skador på motorn.
Ställ in avståndet mellan mittelektroden och sidoelektroden till 0,76 mm för respektive tändstift, se Figur 47. Montera bägge tändstift med korrekt mellanrum mot packningsförslutningen och dra åt dem till 22 N·m.

| Underhållsintervall | Underhållsförfarande |
|---|---|
| Var 300:e timme |
|
Den här proceduren måste genomföras med lämpliga verktyg. Kontakta din auktoriserade Kawasaki-motorleverantör för service om du inte har rätt utrustning och tillräckliga kunskaper om mekanik.
| Underhållsintervall | Underhållsförfarande |
|---|---|
| Var 300:e timme |
|
Den här proceduren måste genomföras med lämpliga verktyg. Kontakta din auktoriserade Kawasaki-motorleverantör för service om du inte har rätt utrustning och tillräckliga kunskaper om mekanik.
| Underhållsintervall | Underhållsförfarande |
|---|---|
| Var 200:e timme |
|
| Var 400:e timme |
|
Parkera maskinen på ett plant underlag, sänk ner redskapet, för reglerhandtagen till det NEUTRALA LåSLäGET, koppla in parkeringsbromsen, stäng av motorn och ta ut nyckeln.
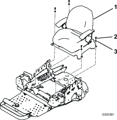
Ta bort fästelementen som fäster sätet på maskinen.

Koppla bort filtret från kolkanistern (Figur 49).

Anslut det nya filtret till kolkanistern.
Montera sätets stödplåt och sätet.
| Underhållsintervall | Underhållsförfarande |
|---|---|
| Var 800:e timme |
|
Bränsleledningen har ett inbyggt filter. Byt ut det på följande sätt:
Parkera maskinen på ett plant underlag, sänk ner redskapet, för reglerhandtagen till det NEUTRALA LåSLäGET, koppla in parkeringsbromsen, stäng av motorn och ta ut nyckeln.
Lossa slangklämman på filtrets förgasarsida och ta bort bränsleeldningen från filtret (Figur 50 och Figur 51).


Sätt ett uppsamlingskärl under filtret, lossa den sista slangklämman och ta bort filtret.
Trä på slangklämmorna på bränsleledningarnas ändar.
Trä på bränsleledningarna på det nya bränslefiltret och fäst dem med slangklämmorna.
Note: Montera det nya filtret så att pilen på filterhuset pekar bort från bränsletanken (mot förgasaren).
Koppla bort batteriet innan reparation utförs på maskinen. Lossa minusanslutningen först och plusanslutningen sist. Anslut först plusanslutningen och sedan minusanslutningen.
Ladda batteriet i ett öppet och välventilerat utrymme, på avstånd från gnistor och öppna lågor. Koppla ur laddaren innan batteriet ansluts eller kopplas bort.
Använd skyddskläder och isolerade verktyg.
Avlägsna eventuell rost från batteripolerna och kontrollera att anslutningarna är åtdragna innan du startar maskinen med startkablar.
Important: Korrosion eller lösa anslutningar kan när som helst leda till oönskade elektriska spänningstoppar när du startar maskinen med startkablar, vilket kan skada maskinen.Försök inte att starta maskinen med startkablar om batteripolerna sitter löst eller har korroderat.
Att starta ett svagt batteri som är sprucket eller fryst, har en låg elektrolytnivå eller en öppen/kortsluten battericell med startkablar kan orsaka en explosion som leder till allvarliga personskador.
Starta inte ett svagt batteri med startkablar under sådana förhållanden.
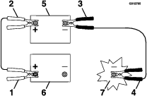
Kontrollera att tillsatsbatteriet är ett fungerande fulladdat blybatteri på minst 12,6 V. Använd startkablar av rätt dimension som är korta så att spänningsfallet mellan systemen reduceras. Använd färgkodade eller märkta kablar för korrekt polaritet.
Note: Kontrollera att luftarlocken sluter åt och sitter plana. Lägg om möjligt en fuktig duk över luftarlocket på respektive batteri. Kontrollera att maskinerna inte är i kontakt med varandra och att bägge de elektriska systemen är avstängda och har samma märkspänning. Anvisningarna gäller endast system med negativ jord.
Anslut pluskabeln (+) till pluspolen (+) på det urladdade batteriet som är anslutet till startmotorn eller magnetspolen enligt Figur 52.

Anslut pluskabelns andra ände till tillsatsbatteriets pluspol.
Anslut den svarta minuskabeln (–) till tillsatsbatteriets andra pol (minuspolen).
Gör den sista anslutningen till det urladdade batteriet på maskinens motorblock (ej på batteriets minuspol), på avstånd från batteriet, och gå därefter undan (Figur 53).

Starta motorn och ta bort alla kablar i motsatt ordning mot vad du anslöt dem.
Note: Koppla från den kabel (svart kabel) som är ansluten till motorblocket först.
Parkera maskinen på ett plant underlag, sänk ner redskapet, för reglerhandtagen till det NEUTRALA LåSLäGET, koppla in parkeringsbromsen, stäng av motorn och ta ut nyckeln.
Säkringsblocket (Figur 54) sitter i närheten av kontrollpanelen.

Vid byte av säkring drar du helt enkelt ut säkringen från säkringsblocket och monterar en ny säkring.
Important: Använd alltid en säkring av samma sort och strömstyrka som den du ersätter, annars kan det elektriska systemet skadas. Information om funktion och strömstyrka för respektive säkring finns på dekalen som sitter på baksidan av sätet.
Vid laddning av batteriet bildas gaser som kan explodera och allvarligt skada dig och övriga kringstående.
Rök aldrig nära batteriet och håll batteriet på avstånd från gnistor och eldslågor.
Important: Håll alltid batteriet fulladdat. Detta är särskilt viktigt för att batteriet inte ska skadas när temperaturen understiger 0 °C.
Parkera maskinen på ett plant underlag, sänk ner redskapet, för reglerhandtagen till det NEUTRALA LåSLäGET, koppla in parkeringsbromsen, stäng av motorn och ta ut nyckeln.
Ladda batteriet i 10–15 minuter vid 25–30 A eller 30 minuter vid 10 A.
När batteriet är fulladdat ska laddaren kopplas bort från eluttaget, och laddningskablarna kopplas bort från batteripolerna (Figur 55).
Sätt i batteriet i maskinen och anslut batterikablarna, se Montera batteriet.
Important: Kör inte maskinen med bortkopplat batteri, eftersom det kan orsaka elektriska skador.

När batteriet inte längre går att ladda ska det bytas ut, se Ta bort batteriet och Montera batteriet.
Parkera maskinen på ett plant underlag, sänk ner redskapet, för reglerhandtagen till det NEUTRALA LåSLäGET, koppla in parkeringsbromsen, stäng av motorn och ta ut nyckeln.
Ta bort vingmuttrarna och brickorna som fäster batterilåset (Figur 56).

Lossa minuskabeln (svart) från batteripolen.
Felaktig dragning av batterikablarna kan skada maskinen och kablarna samt orsaka gnistor. Gnistorna kan få batterigaserna att explodera, vilket kan leda till personskador.
Lossa alltid batteriets minuskabel (svart) innan du lossar pluskabeln (röd).
Anslut alltid pluskabeln (röd) innan du ansluter minuskabeln (svart).
Batteripolerna eller verktyg av metall kan kortslutas mot maskinkomponenter i metall och orsaka gnistor. Gnistorna kan få batterigaserna att explodera, vilket kan leda till personskador.
Låt inte batterianslutningarna komma i kontakt med några av maskinens metalldelar när du monterar eller tar bort batteriet.
Låt inte metalldelar kortsluta mellan batterianslutningarna och maskinens metalldelar.
Dra av den röda skyddslock från batteriets pluspol (+) och ta bort batteriets pluskabel (röd).
Ta bort batteriet.
Placera batteriet i lådan.

Anslut batteriets pluskabel (röd) till batteriets pluspol (+) och dra åt skruvmuttern.
Important: Den röda kabeln kanske omges av ett kabelskydd. Pluskabeln är den med en röd skyddslock.
Anslut minuskabeln (svart) till batteriets minuspol (–) och dra åt skruvmuttern.
Trä på den röda skyddslock på batteriets pluspol (+).
Montera låset och fäst det med vingmuttrarna och brickorna.
| Underhållsintervall | Underhållsförfarande |
|---|---|
| Var 100:e timme |
|
Parkera maskinen på ett plant underlag, sänk ner redskapet, för reglerhandtagen till det NEUTRALA LåSLäGET, koppla in parkeringsbromsen, stäng av motorn och ta ut nyckeln.
Håll batteriets ovansida ren. Om maskinen förvaras på en plats med extremt hög temperatur, kommer batteriet att laddas ur snabbare än om maskinen förvaras på en sval plats.
Håll batteriets ovansida ren genom att tvätta den med en borste som doppats i ammoniak eller en bikarbonatslösning. Spola ovansidan med vatten efter rengöringen. Ta inte bort påfyllningslocket vid rengöring av batteriet.
Batteriets kablar måste sitta tätt över polerna för att tillhandahålla god elektrisk kontakt.
Om kabelanslutningarna har utsatts för korrosion lossar du kablarna. Minuskabeln (–) lossas först. Skrapa sedan klämmorna och kabelanslutningarna separat. Anslut kablarna. Pluskabeln (+) ansluts först. Bestryk sedan kabelanslutningarna med vaselin.
| Underhållsintervall | Underhållsförfarande |
|---|---|
| Varje användning eller dagligen |
|
Parkera maskinen på ett plant underlag, sänk ner redskapet, lägg i parkeringsbromsen, stäng av motorn och ta ut nyckeln.
Kontrollera däcktrycket innan maskinen används (Figur 58).
Tryck: 0,48 bar

| Underhållsintervall | Underhållsförfarande |
|---|---|
| Efter de första 8 timmarna |
|
| Var 100:e timme |
|
Parkera maskinen på ett plant underlag, sänk ner redskapet, lägg i parkeringsbromsen, stäng av motorn och ta ut nyckeln.
Dra åt hjulmuttrarna (Figur 58) till 61–75 N·m.
Kör till ett plant öppet område och för reglerhandtagen till det NEUTRALA LåSLäGET.
För gasreglaget halvvägs mellan det SNABBA och LåNGSAMMA läget.
För båda reglerhandtagen hela vägen framåt tills de båda når stoppen i T-skåran.
Kontrollera åt vilket håll maskinen går.
Parkera maskinen på ett plant underlag, sänk ner redskapet, för reglerhandtagen till det NEUTRALA LåSLäGET, koppla in parkeringsbromsen, stäng av motorn och ta ut nyckeln.
Gör följande, beroende på åt vilket håll maskinen går:
Om den går åt höger lossar du skruvarna och justerar den vänstra stopplattan bakåt tills maskinen går rakt (Figur 59).
Om den går åt vänster lossar du skruvarna och justerar den högra stopplattan bakåt tills maskinen går rakt (Figur 59).

Dra åt skruvarna för att fästa stopplattan (Figur 59).
Important: Kontrollera att bägge reglerhandtagen stannar mot stopplattan och inte mot transmissionens interna stopp.
Parkera maskinen på ett plant underlag, sänk ner redskapet, för reglerhandtagen till det NEUTRALA LåSLäGET, koppla in parkeringsbromsen, stäng av motorn och ta ut nyckeln.
Höj upp den bakre delen av maskinen och stötta med pallbockar, se Lyfta maskinen.
Mekaniska eller hydrauliska domkrafter kan eventuellt inte stötta maskinen, vilket kan leda till allvarliga personskador.
Använd pallbockar för att stötta upp maskinen.
Använd en spärrhake i det fyrkantiga hålet i spännarmen som motvikt mot spännfjädern (Figur 60) och lossa remmen från remspännarskivan.

Haka loss spännfjädern från spännarmen och ramen (Figur 60).
Lossa muttern som fäster spännmonteringen vid ramen (Figur 61).

Lossa skruven som fäster den gamla remspännarskivan vid spännarmen och montera en ny skiva (Figur 62).

Lossa remmen från transmissionsskivorna och motorremskivan.
Montera den nya remmen runt motorremskivan och de två transmissionsskivorna.
Montera fjädern på spännarmen och ramen (Figur 60).
Använd en spärrhake i det fyrkantiga hålet i spännarmen för att tillfälligt dra ut spännfjädern och rikta in remmen efter spännarskivan.
Reglagehandtagen har två höjdlägen: högt och lågt.
Parkera maskinen på ett plant underlag, sänk ner redskapet, för reglerhandtagen till det NEUTRALA LåSLäGET, koppla in parkeringsbromsen, stäng av motorn och ta ut nyckeln.
Lossa skruvarna och flänsmuttrarna som fäster handtagen vid spakarna (Figur 63).

Rikta in handtagens främre-bakre läge genom att föra ihop dem till NEUTRALLäGET och justera dem tills de är i linje (Figur 64).

Dra åt skruvarna och flänsmuttrarna som fäster handtagen vid spakarna.
Genom att vrida de dubbla muttrarna på reglerhandtagets länksystem kan du finjustera inställningen så att maskinen inte rör sig i neutralläget. Gör endast ändringar för neutralläget.
Vid reglering av reglerhandtagets länksystem måste motorn vara igång och drivhjulen kunna snurra. Kontakt med rörliga delar eller varma ytor kan leda till personskador.
Håll händer, fötter, andra kroppsdelar samt kläder borta från roterande delar och heta ytor.
Parkera maskinen på ett plant underlag, sänk ner redskapet, för reglerhandtagen till det NEUTRALA LåSLäGET, koppla in parkeringsbromsen, stäng av motorn och ta ut nyckeln.
Höj upp maskinens tre hjul från golvet och stötta maskinen med pallbockar så högt att drivhjulen precis kan snurra fritt, se Lyfta maskinen.
Mekaniska eller hydrauliska domkrafter kan eventuellt inte stötta maskinen, vilket kan leda till allvarliga personskador.
Använd pallbockar för att stötta upp maskinen.
Tryck ned sätet eller placera en vikt på sätet för att trycka ned säkerhetsströmbrytaren.
Starta motorn och för gasreglaget till det snabba läget.
Avlägsna trycket (eller vikten) från sätet.
Koppla ur parkeringsbromsen.
På ena sidan av maskinen vrider du de dubbla muttrarna på länksystemet sakta (Figur 65) tills hjulet på den sidan börjar rotera. Sedan vrider du de dubbla muttrarna åt andra hållet tills hjulet roterar i den andra riktningen.
Note: Reglerhandtagen måste vara i NEUTRALLäGET då du gör eventuella justeringar.

Vrid tillbaka de dubbla muttrarna åt andra hållet tills de är ungefär halvvägs mellan de två lägena.
Upprepa steg 7 och 8 för den andra sidan.
Stäng av motorn.
Ta bort pallbockarna och sänk försiktigt ned maskinen till marken.
Starta motorn igen och kontrollera att maskinen inte kryper i neutralläge när parkeringsbromsen inte är ilagd.
Du kan justera den övre motviktens fästskruv för att ändra reglagehandtagets motstånd.
Parkera maskinen på ett plant underlag, sänk ner redskapet, för reglerhandtagen till det NEUTRALA LåSLäGET, koppla in parkeringsbromsen, stäng av motorn och ta ut nyckeln.
Lossa de skruvar som fäster stopplattorna vid ramen för att nå motvikternas fästskruvar (Figur 66).

Lossa låsmuttern, flytta motviktens fästskruv till önskat läge och montera låsmuttern. I Figur 67 visas de olika monteringsalternativen.
Note: Dra åt låsmuttern till 22,6 N·m. Skruven ska sticka ut utanför låsmuttern när den är åtdragen.

Justera spårningen, se Justera spårningen.
Justera reglerhandtagen på följande sätt om du föredrar att ha olika motstånd sidledes när du för dem in och ut ur det NEUTRALA LåSLäGET:
Parkera maskinen på ett plant underlag, sänk ner redskapet, för reglerhandtagen till det NEUTRALA LåSLäGET, koppla in parkeringsbromsen, stäng av motorn och ta ut nyckeln.
Lossa kontramuttern (Figur 68).

Dra åt eller lossa flänsmuttern till önskat motstånd.
Dra åt flänsmuttern för ökat motstånd.
Lossa flänsmuttern för minskat motstånd.
Dra åt kontramuttern.
Upprepa det här förfarandet för det andra reglerhandtaget.
Gasen fungerar som den ska om gasreglaget är korrekt justerat. Innan förgasaren justeras måste du kontrollera att gasreglaget fungerar som det ska.
Parkera maskinen på ett plant underlag, sänk ner redskapet, för reglerhandtagen till det NEUTRALA LåSLäGET, koppla in parkeringsbromsen, stäng av motorn och ta ut nyckeln.
Lossa klämskruven som fäster gasvajerns hölje vid motorn (Figur 69).

För gasreglaget framåt till det snabba läget.
Dra upp gasvajerns hölje (Figur 69) tills gasvajern är nästan helt spänd och dra åt klämskruven.
Dra åt klämskruven och kontrollera motorvarvtalet:
Hög tomgång: 2 750–2 950 varv/min.
Låg tomgång: 1 450–1 650 varv/min.
Parkera maskinen på ett plant underlag, sänk ner redskapet, för reglerhandtagen till det NEUTRALA LåSLäGET, koppla in parkeringsbromsen, stäng av motorn och ta ut nyckeln.
Lossa klämskruven som fäster chokevajerns hölje vid motorn (Figur 69).
Tryck ned chokereglaget till det öPPNA läget. Se Choke.
Kontrollera att förgasarens chokeventil är helt öppen.
Dra upp chokevajerns hölje (Figur 69) tills chokevajern är nästan helt spänd och dra åt klämskruven.
Kontrollera att chokeventilen övergår till det helt stängda läget när du drar upp chokereglaget och till det helt öppna läget när du trycker ned chokereglaget.
Motorn måste vara igång när hastighetsreglaget för motorns varvtalshållare justeras. Kontakt med rörliga delar eller varma ytor kan leda till personskador.
Kontrollera att reglerhandtagen är i det NEUTRALA LåSLäGET och koppla in parkeringsbromsen innan du utför denna procedur.
Håll kläder, händer, fötter och andra kroppsdelar borta från roterande delar, ljuddämparen och andra heta ytor.
Justera den låga tomgången så här:
Starta motorn och låt den gå på halvt gaspådrag i ungefär fem minuter så att den värms upp.
För gasreglaget till det LåNGSAMMA läget.
Tryck varvtalsspakens fjäderände nedåt (Figur 70).

Justera förgasarens stoppskruv (Figur 71) så att tomgången är 1 350−1 550 varv/min.
Note: Kontrollera hastigheten med en varvräknare.

Låt varvtalsspaken återgå till ursprungsläget.
Lossa kontramuttern på ställskruven för låg tomgång.
Justera ställskruven för låg tomgång så att tomgången är inställd på 1 450−1 650 varv/min.
Dra åt kontramuttern.
Justera den höga tomgången så här:
Important: Justera inte den höga tomgången om luftrenaren har tagits bort.
Sätt på motorn och låt den bli ordentligt varm.
Lossa kontramuttern på ställskruven för hög tomgång några varv.
Flytta gasreglaget så att tomgången blir 2 750−2 950 varv/min.
Dra åt ställskruven för hög tomgång så att den precis nuddar växelväljarspakens flik.

Dra åt kontramuttern.
Uppsök läkare omedelbart om du blir träffad av en hydrauloljestråle och hydrauloljan tränger in i huden. Vätska som trängt in i huden måste opereras bort inom några få timmar av en läkare.
Se till att alla hydrauloljeslangar och -ledningar är i gott skick och att alla hydraulanslutningar och -kopplingar är ordentligt åtdragna innan hydraulsystemet trycksätts.
Håll kropp och händer borta från småläckor eller munstycken som sprutar ut hydraulvätska under högt tryck.
Använd en kartong- eller pappersbit för att hitta hydraulläckor.
Lätta på allt tryck i hydraulsystemet på ett säkert sätt innan något arbete utförs i hydraulsystemet.
Om du reparerar eller byter ut en hydraulisk komponent ska du byta ut hydraulvätskefiltren och kontrollera det hydrauliska systemet för att säkerställa korrekt funktion.
Important: Se till att hydraultankarna och grenrörsfiltret alltid är fyllda med vätska när hydraulsystemet kontrolleras.
Parkera maskinen på ett plant underlag, sänk ner redskapet, för reglerhandtagen till det NEUTRALA LåSLäGET, koppla in parkeringsbromsen, stäng av motorn och ta ut nyckeln.
Höj upp maskinens tre hjul från golvet och stötta maskinen med pallbockar så högt att drivhjulen precis kan snurra fritt, se Lyfta maskinen.
Mekaniska eller hydrauliska domkrafter kan eventuellt inte stötta maskinen, vilket kan leda till allvarliga personskador.
Använd pallbockar för att stötta upp maskinen.
Starta motorn och ställ in gasreglaget så att motorn körs på låg tomgång.
För reglerhandtagen så långt fram som möjligt och kontrollera att drivhjulen snurrar jämnt.
För reglerhandtagen så långt bak som möjligt och kontrollera att drivhjulen snurrar jämnt.
Tryck på redskapsbrytaren tills lyftcylinderstaven rör sig in och ut upprepade gånger.
Om cylinderstaven inte rör sig efter 10−15 sekunder eller om pumpen låter onormalt stänger du omedelbart av motorn och tar reda på orsaken.
Kontrollera om följande förhållanden föreligger och utför nödvändiga reparationer eller kontakta en auktoriserad Toro-återförsäljare:
Remmen har tagits bort eller är mycket sliten.
Vätskenivån är för låg.
Ett hydrauliskt filter sitter löst.
Laddningspumpen är utsliten.
Laddningsövertrycksfiltret är utslitet.
Det är något problem med brytaren eller kablarna.
Magnetventilen är igensatt.
| Underhållsintervall | Underhållsförfarande |
|---|---|
| Varje användning eller dagligen |
|
Important: Kontrollera endast hydraulvätskenivån när motorn och hydraulsystemet har svalnat för korrekt mätnoggrannhet.
Maskinens tankar fylls med högkvalitativ hydraulvätska på fabriken. Det är bäst att kontrollera hydraulvätskan när vätskan är kall. Maskinen ska vara i transportinställningen. Om vätskenivån ligger under den övre kanten på den vågräta delen av det utskurna inspektionsfönstret på hydraultankarnas baksida (Figur 73) fyller du på vätska till den godkända nivån. Fyll inte på för mycket i tankarna. Om vätskenivån når upp till den övre kanten på den vågräta delen av inspektionsfönstret behöver du inte fylla på vätska. Rekommenderad utbytesvätska:
Vätsketyp: Toro Premium Transmission/Hydraulisk traktorvätska, Toro Premium Universal Traktorvätska eller Mobilfluid® 424
Kapacitet:
Vänster sida – 1,9 liter
Höger sida – 2,0 liter
Alternativa vätskor: Om den specificerade vätskan inte är tillgänglig kan andra universalhydraulvätskor för traktorer (UTHF) användas, men det får endast vara konventionella, petroleumbaserade produkter, inte syntetiska eller biologiskt nedbrytbara vätskor. Specifikationerna måste ligga inom angivet intervall för alla nedanstående materialegenskaper och vätskan måste uppfylla angivna branschstandarder. Kontrollera med din vätskeleverantör att vätskan uppfyller dessa specifikationer.
Note: Toro ansvarar inte för skador som uppstått till följd av att felaktiga vätskor använts. Använd därför endast produkter från välkända tillverkare som ansvarar för sina rekommendationer.
| Materialegenskaper: | |
| Viskositet, ASTM D445 | cSt vid 40 °C: 55 till 62 |
| Viskositetsindex, ASTM D2270 | 140 till 152 |
| Flytpunkt, ASTM D97 | –37 °C till –43 °C |
| Branschspecifikationer: API GL-4, AGCO Powerfluid 821 XL, Ford New Holland FNHA-2-C-201.00, Kubota UDT, John Deere J20C, Vickers 35VQ25 och Volvo WB-101/BM | |
Note: Många hydraulvätskor är nästintill färglösa vilket gör det svårt att upptäcka läckor. Det finns en rödfärgstillsats till hydraulvätskan i flaskor om 20 ml. En flaska räcker till 15–22 liter hydraulvätska. Beställ artikelnr 44-2500 från en auktoriserad Toro-återförsäljare.
Parkera maskinen på ett plant underlag, sänk ner redskapet, lägg i parkeringsbromsen, stäng av motorn och ta ut nyckeln.
Titta i öppningen i respektive vätsketankfäste och kontrollera hydraulvätskenivån.
Note: Vätskenivån ska vara längst ned i respektive öppning enligt Figur 73.

Om vätskenivån är låg i någon av tankarna fyller du på vätska så här:
Gör rent omkring locken till vätsketankarna så att inte skräp kommer in i systemet (Figur 73).
Skruva av tanklocken.
Fyll tanken sakta med rätt hydraulvätska tills nivån når botten av fästenas öppningar.
Important: Undvik föroreningar i systemet genom att rengöra ovanpå vätskebehållaren innan den öppnas. Se till att pipen och tratten är rena.
Important: Fyll inte på för mycket i tankarna.
Sätt tillbaka tanklocken.
| Underhållsintervall | Underhållsförfarande |
|---|---|
| Efter de första 50 timmarna |
|
| Var 250:e timme |
|
| Var 400:e timme |
|
Kapacitet:
Vänster sida – 1,9 liter
Höger sida – 2,0 liter
Vätsketyp: Toro Premium Transmission/Hydraulisk traktorvätska, Toro Premium Universal Traktorvätska eller Mobilfluid® 424
Parkera maskinen på ett plant underlag, sänk ner redskapet, för reglerhandtagen till det NEUTRALA LåSLäGET, koppla in parkeringsbromsen, stäng av motorn och ta ut nyckeln.
Placera ett avtappningskärl under den vänstra hydrostatiska transmissionen.
Ta ut avtappningspluggen på pumpsidan och avtappningspluggen på växellådssidan (Figur 74), och låt all olja rinna ut.

Ta bort filterlocket och dra ut filtret ur transmissionen (Figur 75).

Montera ett nytt filter och sätt tillbaka filterlocket.
Upprepa steg 2 till 5 för den högra hydrostatiska transmissionen.
Rengör området runt grenrörsfiltret, som sitter på maskinens högra sida.
Sätt ett avtappningskärl under grenrörsfiltret (Figur 76).

Lossa försiktigt grenrörsfiltret tills vätska flödar förbi packningen och droppar ut.
Ta bort filtret när vätskan börjar rinna långsammare.
Smörj packningen på det nya filtret med ren hydraulvätska och vrid fast det för hand tills packningen nuddar vid monteringsunderlaget.
Dra sedan åt filtret ytterligare 3/4 varv.
Fyll bägge hydraultankarna med färsk hydraulvätska tills nivån når upp till nedre delen av siktglasen i tankfästena.
Important: Fyll inte på för mycket olja i hydraulsystemet. Se Kontrollera hydraulvätskenivån.
Note: Du kan ta bort pluggen (Figur 77) ovanpå respektive hydrostatisk transmission för att låta vätskan flöda in i systemet snabbare. När vätska börjar rinna ut ur hålet sätter du tillbaka pluggen och fortsätter att fylla på vätska i tanken tills rätt nivå har uppnåtts.
Important: Kontrollera att pluggarna säkert sitter på plats innan du startar motorn.

Starta och kör motorn. Kör lyftcylindern tills den skjuter ut och går tillbaka.
Kontrollera att maskinen kan köra framåt och bakåt.
Stäng av motorn och kontrollera vätskenivån i tanken. Fyll på vätska vid behov.
Kontrollera att anslutningarna inte läcker och att hydraulsystemet fungerar som det ska, se Kontrollera hydraulsystemet.
Kassera den använda vätskan på lämpligt sätt.
| Underhållsintervall | Underhållsförfarande |
|---|---|
| Varje användning eller dagligen |
|
Kontrollera hydraulledningarna och -slangarna dagligen för att se om det finns läckor, vridna ledningar, lösa fäststöd, slitage, lösa beslag, väderslitage och kemiskt slitage. Reparera alla eventuella skador innan du kör maskinen igen.
| Underhållsintervall | Underhållsförfarande |
|---|---|
| Varje användning eller dagligen |
|
När du är färdig med maskinen parkerar du den på ett plant underlag. Sänk sedan ner redskapet, för reglerhandtagen till det NEUTRALA LåSLäGET, koppla in parkeringsbromsen, stäng av motorn och ta ut nyckeln.
Skölj av maskinen med en trädgårdsslang utan munstycke så att förslutningarna och lagren inte förorenas eller skadas av ett för högt vattentryck.
Se till att kylflänsarna och området runt motorns kylluftsintag är rena från skräp. När du har rengjort maskinen kontrollerar du att det inte finns några hydraulvätskeläckor, skador eller eventuellt slitage på de hydrauliska och mekaniska komponenterna.
Parkera maskinen på ett plant underlag, för reglerhandtagen till det NEUTRALA LåSLäGET, koppla in parkeringsbromsen, stäng av motorn och ta ut nyckeln.
Rengör maskinen, redskapen och motorn ordentligt.
Kontrollera däcktrycket. Pumpa alla däck till 0,48 bar.
Kontrollera om något av fästelementen är löst och dra åt om det behövs.
Smörj eller olja samtliga smörjnipplar och svängpunkter. Torka av överflödigt fett.
Sandpappra lätt och bättra på lacken där färgen har skrapats av, flagnat eller i rostiga områden.
Byt motoroljan och oljefiltret, se Byta ut motoroljan.
Konditionera bränslesystemet på följande sätt:
Tillsätt en oljebaserad stabiliserare/konditionerare till bränslet i tanken. Följ blandningsanvisningarna från tillverkaren. Använd inte en alkoholbaserad stabiliserare (etanol eller metanol).
Toro-bränslestabiliserare finns att köpa hos närmaste auktoriserade Toro-återförsäljare.
Important: Förvara inte bränsle som innehåller stabiliserare/konditionerare längre än den tid som rekommenderas av bränslestabiliserarens tillverkare.
Note: En stabiliserare/konditionerare fungerar effektivast när den blandas med färsk bensin och alltid används.
Låt motorn gå i 5 minuter så att det stabiliserade bränslet fördelas i bränslesystemet.
Stäng av motorn, låt den svalna och töm bränsletanken med en hävert av pumptyp. Kassera bränslet på en återvinningsstation enligt lokala föreskrifter.
Starta motorn och kör den tills den stängs av.
Choka motorn.
Starta och kör den tills den inte längre startar.
Rengör och serva luftrenaren ordentligt. Se Serva luftrenaren.
Täta luftrenarens inlopp och avgasutloppet med väderbeständig maskeringstejp.
Kontrollera att oljestickan och bränsletankens lock sitter ordentligt på plats.
Serva batteriet och kablarna på följande sätt:
Ta bort batteriets kabelanslutningar från batteripolerna.
Rengör batteriet, kabelanslutningarna och polerna med en stålborste och bakpulverlösning.
Smörj in kabelanslutningarna och batteriterminalerna med smörjfett av typen Grafo 112X skin-over (Toro artikelnr 505-47) eller vaselin för att förhindra korrosion.
Ladda långsamt batteriet i 24 timmar var 60:e dag för att förhindra att det blysulfateras.
Note: Ett fulladdat batteri har en specifik vikt på 1 250.
Note: Förvara batteriet svalt för att undvika att det laddas ur snabbt. Se till att batteriet är fulladdat för att förhindra att det fryser.
| Problem | Possible Cause | Corrective Action |
|---|---|---|
| Startmotorn startar inte. |
|
|
| Motorn startar inte, är trögstartad eller stannar efter en stund. |
|
|
| Motorn tappar kraft. |
|
|
| Motorn överhettas. |
|
|
| Maskinen drar åt vänster eller höger (med reglagehandtagen riktade framåt). |
|
|
| Maskinen driver inte. |
|
|
| Maskinen vibrerar på ett onormalt sätt. |
|
|