| Huoltoväli | Huoltotoimenpide |
|---|---|
| Aina ennen käyttöä tai päivittäin |
|
Tämä kone on ajettava hyötyajoneuvo, joka on tarkoitettu ammattimaiseen kaupalliseen käyttöön. Se on tarkoitettu pääasiassa hiekkaesteiden kunnostukseen golfkentillä ja kaupallisten kiinteistöjen viheralueilla. Tuotteen käyttäminen muuhun kuin sen aiottuun käyttötarkoitukseen voi olla vaarallista käyttäjälle ja sivullisille.
Lue nämä tiedot huolellisesti, jotta opit käyttämään ja huoltamaan laitetta asianmukaisesti sekä välttämään tapaturmia ja laitevaurioita. Olet itse vastuussa tuotteen asianmukaisesta ja turvallisesta käytöstä.
Vieraile osoitteessa www.Toro.com, jos tarvitset tuoteturvallisuuteen ja käyttökoulutukseen liittyviä materiaaleja tai tietoja lisävarusteista tai lähimmästä jälleenmyyjästä tai jos haluat rekisteröidä tuotteesi.
Aina kun tarvitset huoltoa, alkuperäisiä Toro-varaosia tai lisätietoja, ota yhteys valtuutettuun huoltoliikkeeseen tai Toron asiakaspalveluun. Ota tällöin tuotteesi malli- ja sarjanumerot valmiiksi esiin. Kuva 1 näyttää laitteen malli- ja sarjanumeron sijainnin. Kirjoita numerot annettuun tilaan.
Important: Skannaamalla sarjanumerokilvessä olevan QR-koodin (jos varusteena) mobiililaitteella saat tuotetietoja sekä takuu- ja varaosatietoja.

Tässä käyttöoppaassa esiintyvä varoitusmerkintä (Kuva 2) ilmaisee vaaratilannetta, josta saattaa olla seurauksena vakava tapaturma tai jopa kuolema, jos suositellut varotoimenpiteet laiminlyödään.

Tässä käyttöoppaassa käytetään kahta termiä tietojen korostamiseksi. Tärkeää kiinnittää huomiota mekaanisiin erikoistietoihin ja Huomautus korostaa erityishuomion ansaitsevia yleistietoja.
Tämä tuote on asianmukaisten eurooppalaisten direktiivien mukainen. Lisätietoja on erillisessä tuotekohtaisessa vaatimustenmukaisuusvakuutuksessa.
Kalifornian laki (California Public Resource Code, pykälät 4442 ja 4443) kieltää tämän moottorin käytön metsä-, pensaikko- tai ruohopeitteisillä mailla, jos moottoria ei ole varustettu pykälässä 4442 mainitulla hyvässä käyttökunnossa pidetyllä kipinänsammuttimella tai jos moottoria ei ole suojattu, varustettu ja huollettu palovaaran ehkäisemiseksi.
Koska joillain alueilla on paikallisia, osavaltiollisia tai liittovaltiollisia säännöksiä, jotka edellyttävät kipinänsammuttimen käyttöä tämän koneen moottorissa, kipinänsammutin on saatavana lisävarusteena. Jos tarvitset kipinänsammuttimen, ota yhteys valtuutettuun Toro-huoltoliikkeeseen.
Mukana toimitettavassa moottorin käyttöoppaassa on Yhdysvaltojen ympäristönsuojeluelimeen EPA:han (Environmental Protection Agency) ja Kalifornian päästöjärjestelmien päästöjen valvontasääntöihin sekä kunnossapitoon ja takuuseen liittyviä tietoja. Käyttöoppaita voi tilata moottorin valmistajalta.
Jos koneessa on telematiikkalaite, saat ohjeet laitteen aktivointiin valtuutetulta Toro-jälleenmyyjältä.
KALIFORNIA
Lakiesityksen 65 mukainen varoitus
Tämän tuotteen moottorin tuottamat pakokaasut sisältävät kemikaaleja, jotka Kalifornian osavaltion tietojen mukaan aiheuttavat syöpää, synnynnäisiä epämuodostumia tai muuta lisääntymiseen liittyvää haittaa.
Akun liitännät, navat ja niihin liittyvät lisävarusteet sisältävät lyijyä ja lyijy-yhdisteitä, joiden tiedetään aiheuttavan syöpää ja haittaavan lisääntymistä. Pese kädet, kun olet käsitellyt näitä osia.
Tämän tuotteen käyttäminen voi altistaa kemikaaleille, jotka Kalifornian osavaltion tietojen mukaan aiheuttavat syöpää, synnynnäisiä epämuodostumia tai muuta lisääntymiseen liittyvää haittaa.
Tämä tuote voi aiheuttaa henkilövahingon. Noudata aina kaikkia turvallisuusohjeita, jotta vakavilta loukkaantumisilta vältytään.
Lue ja sisäistä tämän käyttöoppaan sisältö ennen moottorin käynnistämistä. Huolehdi siitä, että kaikki tuotteen käyttäjät tietävät, miten sitä käytetään, ja ymmärtävät varoitukset.
Koneen käyttö vaatii käyttäjän täyden huomion. Jos käyttäjän huomio keskittyy muualle, saattaa seurata henkilö- tai omaisuusvahinko.
Älä laita käsiä tai jalkoja koneen liikkuvien osien lähelle.
Älä käytä konetta ilman paikallaan olevia ja toimivia suojuksia ja muita suojalaitteita.
Pidä kone etäällä sivullisista sen ollessa liikkeessä.
Älä päästä lapsia käyttöalueelle. Älä koskaan anna lasten käyttää tätä laitetta.
Pysäytä kone ja sammuta moottori ennen huoltoa tai polttoainesäiliön täyttämistä.
Laitteen asiaton käyttö tai huolto voi aiheuttaa tapaturman.
Vähennä loukkaantumisriskiä noudattamalla näitä
turvallisuusohjeita ja huomioimalla aina varoitusmerkki
, joka tarkoittaa varoitusta,
vaaraa tai hengenvaaraa – henkilöturvallisuusohjeet. Ohjeiden
noudattamatta jättäminen saattaa johtaa henkilövahinkoon
tai kuolemaan.
![]() |
Turva- ja ohjetarrat on sijoitettu hyvin näkyville paikoille mahdollisten vaara-alueiden lähettyville. Korvaa vioittuneet tai kadonneet tarrat uusilla. |












Note: Koneen vasen ja oikea puoli määritellään normaalista käyttöasennosta käsin.
Note: Irrota ja hävitä kaikki kuljetustuet ja -kiinnikkeet.
Jos koneella ajetaan ilman kuljetuslevyä tai asennettua lisälaitetta, kone voi kaatua ja aiheuttaa loukkaantumisen tai omaisuusvahingon.
Koneella saa ajaa vain, kun kuljetuslevy tai hyväksytty lisälaite on asennettu.
Ennen kuin lisälaite voidaan asentaa laitteeseen, kuljetuslevy on irrotettava.
Pysäköi kone tasaiselle alustalle, siirrä ohjauskahvat LUKITTU VAPAA -asentoon, kytke seisontajarru, sammuta moottori ja irrota virta-avain.
Irrota mutterit, pultit ja aluslaatat, jotka kiinnittävät kuljetuslevyn laitteen takaosaan (Kuva 3).

Kiinnitystarvikkeita ja kuljetuslevyä ei enää tarvita.
Vaiheeseen tarvittavat osat:
| Lisälaite ja siihen liittyvät osat (myydään erikseen) | – |
Jos ajoneuvolla ajetaan ilman asennettua lisälaitetta, ajoneuvo voi kaatua ja aiheuttaa loukkaantumisen tai omaisuusvahingon.
Ajoneuvolla saa ajaa vain, kun hyväksytty lisälaite on asennettu.
Pysäköi kone tasaiselle alustalle, siirrä ohjauskahvat LUKITTU VAPAA -asentoon, kytke seisontajarru, sammuta moottori ja irrota virta-avain.
Lisätietoja lisälaitteen asennuksesta on liitteenä olevassa asennusohjeessa.
Vaiheeseen tarvittavat osat:
| Etupainot (tarpeen mukaan kutakin lisälaitetta varten) | – |
Lisälaitteita asennettaessa ajoneuvoon on kuitenkin asennettava määrityksen mukaiset lisäpainot, jotta ajoneuvon suorituskyky paranee.
Määritä tarvittavat lisäpainot seuraavan taulukon avulla. Laitteen mukana toimitetaan neljä painoa. Lisälaitteen mukana toimitetaan tarvittaessa vaadittu määrä lisäpainoja.
Katso kohta Painojen asennus ja irrotus.
| Lisälaite | Tarvittava painojen määrä |
|---|---|
| Joustava tasaushara | 4 |
| Joustava tasaushara ja viimeistelyharja | 6 |
| Piikkilana | 6 |
| Piikkilana ja viimeistelymattolana | 8 |
Vaiheeseen tarvittavat osat:
| Pultti (5/16 ×¾ tuumaa) | 1 |
| Mutteri (5/16 tuumaa) | 2 |
Katkaise nippuside, jolla akun kaapelit on kiinnitetty runkoon, ja hävitä nippuside (Kuva 4).

Irrota akun plusnavan punainen muovisuojus (Kuva 5).

Vedä punaista suojusta poispäin pluskaapelin päästä ja kiinnitä pluskaapeli akun plusnapaan pultilla (5/16 × ¾ tuumaa) ja mutterilla (5/16 tuumaa).
Vedä punainen suojus takaisin navan ja kiinnittimien päälle.
Irrota akun miinusnavan musta muovisuojus.
Kiinnitä miinuskaapeli akun miinusnapaan pultilla (5/16 × ¾ tuumaa) ja mutterilla (5/16 tuumaa).
Vaiheeseen tarvittavat osat:
| Turvakaari | 1 |
| Pultti | 4 |
| Laippalukkomutteri | 4 |
| Jousialuslaatta | 4 |
| Kannatin | 2 |
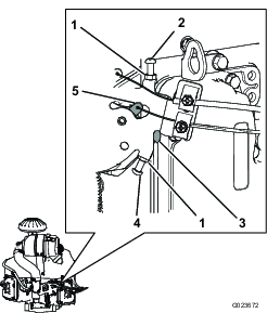
Poista turvakaari kuljetuslaatikosta.
Aseta turvakaari koneeseen kuvan mukaisesti (Kuva 6).

Asenna kannattimet koneen runkoon.
Important: Varmista, että kaasuvaijeri ja rikastinvaijeri eivät ole tiellä tai jää turvakaaren tai kannattimen väliin puristuksiin.
Kohdista kannatinten reiät turvakaaressa ja rungossa oleviin reikiin.
Asenna pultti ja jousialuslaatta kunkin reiän lävitse.
Important: Tarkista, että jousialuslaatat on sijoitettu kuvan mukaisesti niin, että kupera puoli on pultin kantaan päin (Kuva 7).

Asenna laippalukkomutteri jokaiseen pulttiin ja kiristä ne momenttiin 102 N·m.
Valtuutetulta Toro-jälleenmyyjältä voi hankkia lisävarusteena langattoman tuntilaskurin.
Lisätietoja on langattoman tuntilaskurijärjestelmän oppaassa.
Pysäköi kone tasaiselle alustalle, laske lisälaite, kytke seisontajarru, sammuta moottori ja irrota virta-avain.
Irrota ohjauspaneeli (Kuva 8).

Paikanna langattoman tuntilaskurin välijohdin.
Note: Välijohtimessa on merkintä.
Kiinnitä langaton tuntilaskuri.
Kiinnitä langaton tuntilaskuri nykyiseen johdinsarjaan, jotta se ei liiku liikaa konsolissa.
Asenna ohjauspaneeli.
Vaiheeseen tarvittavat osat:
| Pultti (#10 × 9/16 tuumaa) | 2 |
| Mutteri (#10) | 2 |
| Telematiikkalaite | 1 |
| Kannatin | 1 |
| Ruuvi (5/16 × ¼ tuumaa) | 2 |
| Telematiikan johdinsarja | 1 |
| Nippuside | 2 |
Kiinnitä telematiikkalaite laitteen kannattimeen kahdella pultilla (#10 × 9/16 tuumaa) ja kahdella mutterilla (#10).

Kiinnitä kannatin ja R-liitin turvakaareen kahdella ruuvilla (5/16 × ¼ tuumaa).

Yhdistä telematiikkaliitin telematiikan johdinsarjan liittimeen.

Kytke telematiikan johdinsarja koneen johdinsarjaan.

Kiinnitä johdinsarjat turvakaareen nippusiteillä.



Ohjauskahvoilla (Kuva 14) laitetta kuljetetaan eteen- ja taaksepäin sekä käännetään.
Moottori käynnistetään ja sammutetaan virtalukosta (Kuva 15). Siinä on kolme asentoa: PYSäYTYS, KäYNNISSä ja KäYNNISTYS. Käynnistä moottori kääntämällä avain myötäpäivään KäYNNISTYS-asentoon. Vapauta avain, kun moottori käynnistyy. Avain siirtyy automaattisesti KäYNNISSä-asentoon. Sammuta moottori kääntämällä avain vastapäivään PYSäYTYS-asentoon.
Kun käynnistät kylmää moottoria, sulje kaasuttimen rikastin vetämällä rikastimen vipu (Kuva 15) ylös KIINNI-asentoon. Kun moottori on käynnistynyt, pidä moottorin käynti tasaisena rikastinta säätämällä. Avaa rikastin mahdollisimman pian työntämällä vipu alas AUKI-asentoon.
Note: Lämmin moottori vaatii vain vähän tai ei ollenkaan rikastinta.
Kaasuvivulla (Kuva 15) ohjataan moottorin kierrosnopeutta. Moottorin nopeutta lisätään siirtämällä kaasuvipua eteenpäin NOPEA-asentoa kohti. Moottorin nopeutta lasketaan siirtämällä vipua taaksepäin HIDAS-asentoa kohti.
Note: Kaasuvivulla ei voi sammuttaa moottoria.
Nosta lisälaite painamalla lisälaitteen kytkimen yläosaa (Kuva 16) ja laske lisälaite painamalla lisälaitteen kytkimen alaosaa.

Note: Tässä koneessa on kaksitoiminen nostosylinteri. Lisälaitteen painetta voidaan lisätä tiettyjä käyttöolosuhteita varten.
Kytke seisontajarru (Kuva 14) vetämällä sen vipua taaksepäin. Vapauta se työntämällä vipua eteenpäin.
Tuntilaskuri (Kuva 15) ilmoittaa koneen käyttötuntien kokonaismäärän. Tuntilaskuri on käytössä aina, kun virta-avain on KäYNNISSä-asennossa, kun akku on ladattu täyteen (13,8 V tai suurempi) tai kun käyttäjä istuu istuimelle ja aktivoi siten istuinkytkimen.
Valtuutetulta Toro-jälleenmyyjältä voi hankkia lisävarusteena langattoman tuntilaskurin. Asennusohjeet ovat kohdassa Langattoman tuntilaskurin asennus.
Asetu istuimelle, siirrä istuimen edessä oleva vipu (Kuva 17) vasemmalle ja siirrä istuin haluttuun kohtaan. Lukitse istuin paikalleen vapauttamalla vipu.

Note: Ominaisuuksia ja rakennetta voidaan muuttaa ilmoittamatta.
| Pelkkä kone | Joustava tasaushara asennettuna | Piikkilana asennettuna | Piikkilana ja viimeistelymatto asennettuina | |
|---|---|---|---|---|
| Paino | 399 kg* | 417 kg** | 439 kg** | 445 kg** |
| Leveys | 147 cm | 213 cm | 182 cm | 198 cm |
| Pituus | 186 cm | 226 cm | 215 cm | 297 cm |
| Korkeus | 185 cm | |||
| Akseliväli | 147 cm | |||
* neljä painoa asennettuna, polttoainesäiliö tyhjänä ja ilman käyttäjää
** lisälaite ja painot asennettuina, polttoainesäiliö tyhjänä ja ilman käyttäjää
Koneeseen on saatavana valikoima Toron hyväksymiä lisälaitteita ja -varusteita, joiden avulla voidaan parantaa ja laajentaa sen ominaisuuksia. Ota yhteys valtuutettuun huoltoliikkeeseen tai jakelijaan tai siirry osoitteeseen www.Toro.com, jossa on luettelo hyväksytyistä lisälaitteista ja -varusteista.
Käyttämällä alkuperäisiä Toro-varaosia suojaat investointisi parhaiten ja ylläpidät Toro-laitteen erinomaista suorituskykyä. Toro toimittaa alkuperäisiä varaosia, jotka on suunniteltu erityisen tarkasti laitteidemme teknisten määritysten mukaisesti. Vaadi alkuperäisiä Toro-varaosia ja voit olla huoletta.
Note: Koneen vasen ja oikea puoli määritellään normaalista käyttöasennosta käsin.
Pysäköi kone tasaiselle alustalle, kytke seisontajarru, sammuta moottori, irrota virta-avain ja odota, että kaikki liikkuvat osat ovat pysähtyneet, ennen kuin poistut koneen luota.
Älä anna lasten tai kouluttamattomien henkilöiden käyttää tai huoltaa laitetta. Paikalliset säännökset saattavat asettaa rajoituksia käyttäjän iälle. Omistaja vastaa käyttäjien ja mekaanikkojen koulutuksesta.
Tutustu laitteen turvallisen käytön ohjeisiin, ohjauslaitteisiin ja turvamerkintöihin.
Selvitä, kuinka koneen saa pysäytettyä ja moottorin sammutettua nopeasti.
Tarkista, että käyttäjän pitokytkimet, turvakytkimet ja suojalevyt ovat paikoillaan ja toimivat oikein. Älä käytä konetta, mikäli ne eivät toimi kunnolla.
Tarkasta kone aina ennen käyttöä ja varmista, että komponentit ja kiinnittimet ovat hyvässä käyttökunnossa. Vaihda kuluneet tai vaurioituneet komponentit ja kiinnittimet.
Tarkasta koneen käyttöalue ja poista siltä kaikki esineet, joita kone voi singota.
Käsittele polttoainetta erittäin varovasti. Se on tulenarkaa, ja höyryt räjähtävät herkästi.
Sammuta savukkeet, sikarit, piiput ja muut sytytyslähteet.
Käytä vain hyväksyttyä polttoaineastiaa.
Älä irrota polttoainesäiliön korkkia tai täytä polttoainesäiliötä moottorin ollessa käynnissä tai kuuma.
Älä lisää tai tyhjennä polttoainetta suljetussa tilassa.
Älä säilytä konetta tai polttoainesäiliötä tilassa, jossa on avotuli, kipinöitä tai varmistusliekki (esimerkiksi vedenlämmitin tai muu vastaava laite).
Jos polttoainetta roiskuu, älä yritä käynnistää moottoria. Vältä luomasta minkäänlaisia kipinälähteitä, ennen kuin polttoainehöyryt ovat hälvenneet.
Uusissa moottoreissa täyden voiman saavuttaminen kestää jonkin aikaa. Uuden laitteen vetojärjestelmissä on enemmän moottoria kuormittavaa kitkaa.
Sisäänajoon tarvitaan noin kahdeksan käyttötuntia.
Koska ensimmäiset käyttötunnit ovat erittäin tärkeitä koneen tulevan luotettavuuden kannalta, seuraa sen toimintoja ja toimintaa tarkkaavaisesti, jotta mahdolliset pienet viat voidaan korjata ennen kuin ne pahenevat. Tarkasta kone usein sisäänajojakson aikana öljynvuodon merkkien, löysien kiinnittimien tai muiden vikojen varalta.
Jos koneeseen lisätään seuraavat lisälaitteet, suositellaan myös lisäpainoja koneen suorituskyvyn parantamiseksi. Määritä tarvittavat lisäpainot seuraavan taulukon avulla. Laitteen mukana toimitetaan neljä painoa. Lisälaitteen mukana toimitetaan tarvittaessa vaadittu määrä lisäpainoja.
| Lisälaite | Tarvittava painojen määrä |
|---|---|
| Joustava tasaushara | 4 |
| Joustava tasaushara ja viimeistelyharja | 6 |
| Piikkilana | 6 |
| Piikkilana ja viimeistelymattolana | 8 |
Irrota kaksi pulttia ja kaksi mutteria, joilla nykyiset painot on kiinnitetty laitteen etuosaan (Kuva 18).
Note: Jos laitteessa on valosarja, irrota mutteri ja pultti, joilla etuvalo on kiinnitetty laitteeseen. Säilytä kaikki osat. Lisätietoja on valosarjan asennusohjeissa.

Lisää tai poista painoja tarpeen mukaan.
Kiinnitä painot kahdella pultilla ja kahdella mutterilla.
Useimpien lisälaitteiden kohdalla voi käyttää olemassa olevia pultteja.
Viimeistelymattolanassa on kaksi pidempää pulttia, joiden avulla voidaan kiinnittää sen edellyttämät lisäpainot.
Note: Jos laitteessa on valosarja, asenna etuvalo työntämällä pultti painojen läpi ja kiinnittämällä se mutterilla. Lisätietoja on valosarjan asennusohjeissa.
Polttoainesäiliön tilavuus: 17 litraa
Suositeltu polttoaine:
Moottori toimii parhaiten, kun käytetään vain puhdasta ja uutta (korkeintaan 30 päivää vanhaa) lyijytöntä bensiiniä, jonka tieoktaaniluku (pumppuoktaaniluku) on vähintään 87 (RON + MON / 2).
Etanoli: Enintään 10 % etanolia (bensiinin ja etanolin seosta) tai 15 % MTBE:tä (metyyli-tertiääri-butyylieetteriä) sisältävää polttoainetta voidaan käyttää. Etanoli ja MTBE eivät ole sama asia. Bensiiniä, jonka tilavuudesta on enemmän kuin 15 % (E15) etanolia, ei ole hyväksytty käyttöön. Älä käytä bensiiniä, jonka tilavuudesta enemmän kuin 10 % on etanolia (kuten 15 % etanolia sisältävä E15, 20 % etanolia sisältävä E20 tai 85 % etanolia sisältävä E85. Muun kuin hyväksytyn bensiinin käyttö voi aiheuttaa toimintaongelmia ja/tai moottorivaurioita, joita takuu ei ehkä kata.
Metanolia sisältävää bensiiniä ei saa käyttää.
Polttoainetta ei saa säilyttää talven yli polttoainesäiliössä tai -astioissa, ellei polttoaineeseen ole lisätty stabilointiainetta.
Bensiiniin ei saa lisätä öljyä.
Pysäköi kone tasaiselle alustalle, laske lisälaite, siirrä ohjauskahvat LUKITTU VAPAA -asentoon, kytke seisontajarru, sammuta moottori ja irrota virta-avain.
Puhdista polttoainesäiliön korkin ympäristö (Kuva 19).

Irrota polttoainesäiliön korkki.
Täytä säiliö noin 25 mm säiliön yläreunan (täyttökaulan alareunan) alapuolelle. Älä täytä liikaa.
Asenna korkki.
Estä palovaara pyyhkimällä läikkynyt polttoaine pois.
Suorita seuraavat päivittäiset toimenpiteet ennen koneen käyttöä:
• Moottoriöljyn määrän tarkistus
Omistaja ja käyttäjä voivat estää loukkaantumisia tai omaisuusvahinkoja aiheuttavat tapaturmat ja ovat siksi vastuussa niistä.
Pukeudu asianmukaisesti. Käytä silmäsuojaimia, tukevia liukastumisen estäviä kenkiä, pitkiä housuja ja kuulosuojaimia. Pitkät hiukset eivät saa roikkua vapaina. Älä käytä riippuvia koruja.
Älä käytä konetta sairaana, väsyneenä tai alkoholin tai huumausaineiden vaikutuksen alaisena.
Älä kuljeta matkustajia koneessa ja pidä sivulliset ja lemmikit poissa koneen luota käytön aikana.
Käytä konetta vain hyvän näkyvyyden vallitessa, jotta vältät kuopat ja muut piilevät vaarat.
Vältä käyttöä märällä ruoholla. Heikentynyt pito voi aiheuttaa koneen luisumisen.
Varmista ennen moottorin käynnistämistä, että kaikki käytöt ovat vapaalla ja että seisontajarru on kytketty. Käynnistä moottori ollessasi käyttäjän paikalla.
Katso taakse ja alas ennen peruuttamista ja varmista, että reitti on vapaa.
Ole varovainen lähestyessäsi kulmia, joissa on huono näkyvyys, pensaita, puita tai muita näköesteitä.
Älä käytä konetta pudotusten, ojien tai vallien lähettyvillä. Kone voi kaatua yllättäen, jos pyörä menee reunan yli tai jos reuna sortuu.
Pysäytä kone ja tarkasta lisälaite, jos kone osuu esteeseen tai jos kone tärisee epätavallisesti. Suorita tarvittavat korjaukset ennen käytön jatkamista.
Hidasta ja ole varovainen kääntyessäsi koneella ja ylittäessäsi teitä ja jalkakäytäviä. Anna muille aina etuajo-oikeus.
Älä koskaan käytä moottoria tilassa, johon voi kertyä pakokaasuja.
Älä jätä käynnissä olevaa konetta ilman valvontaa.
Tee seuraavat toimet ennen käyttäjän paikalta poistumista:
Pysäköi kone tasaiselle alustalle.
Laske lisälaitteet.
Kytke seisontajarru.
Sammuta moottori ja irrota virta-avain.
Odota, kunnes kaikki liikkuvat osat ovat pysähtyneet.
Älä käytä konetta ukonilman aikana.
Älä käytä konetta hinaukseen.
Kostuta pinnat tarvittaessa ennen kunnostusta, jotta pölyä muodostuu vähemmän.
Käytä vain Toron hyväksymiä lisävarusteita, lisälaitteita ja varaosia.
Älä irrota kaatumissuojausjärjestelmää koneesta.
Varmista, että turvavyö on kiinnitetty ja nopeasti avattavissa hätätilanteessa.
Tarkista vapaa alikulkukorkeus ja varo osumasta esteisiin.
Pidä kaatumissuojausjärjestelmä turvallisessa käyttökunnossa tarkistamalla se vaurioiden varalta säännöllisesti ja pitämällä kaikki kiinnittimet tiukalla.
Vaihda vaurioitunut kaatumissuojausjärjestelmä. Älä korjaa tai muuta sitä.
Kaatumissuojausjärjestelmä on keskeinen turvalaite.
Käytä aina turvavyötä.
Laadi omat toimintatavat ja ohjeet rinnekäyttöä varten. Ohjeissa on mainittava käyttöpaikan tarkastus, jonka aikana määritetään, missä rinteissä konetta voi käyttää turvallisesti. Tämä tarkastus on tehtävä huolellisesti ja harkiten.
Rinteissä on huomattava koneen hallinnan menettämisen ja kaatumisen vaara. Tällaiset onnettomuudet voivat aiheuttaa vakavan tapaturman tai kuoleman. Käyttäjä on vastuussa turvallisesta käytöstä rinteissä. Koneen käyttö rinteissä edellyttää erityistä huolellisuutta.
Rinteissä on huomattava koneen hallinnan menettämisen ja kaatumisen vaara. Tällaiset onnettomuudet voivat aiheuttaa vakavan tapaturman tai kuoleman. Koneen käyttö rinteissä edellyttää erityistä huolellisuutta.
Käytä konetta rinteissä pienemmällä nopeudella.
Jos koneen käyttö rinteessä ei vaikuta turvalliselta työskentelyn aikana, älä käytä konetta rinteessä.
Varo kuoppia, uria, töyssyjä, kiviä ja muita piileviä vaaroja. Maaston epätasaisuudet voivat kaataa koneen. Korkea ruoho voi peittää esteet.
Valitse alhainen ajonopeus, jotta rinteessä ei tarvitse pysähtyä tai vaihtaa vaihdetta.
Kone voi kaatua jo ennen kuin renkaat menettävät pidon.
Vältä koneen käyttöä märällä ruoholla. Renkaat voivat menettää pidon, vaikka jarrut toimivat oikein.
Vältä koneen käynnistämistä, pysäyttämistä tai kääntämistä rinteissä.
Liiku rinteissä hitaasti ja varovasti. Älä muuta koneen nopeutta tai suuntaa äkillisesti.
Älä käytä konetta pudotusten, ojien, maavallien tai vesialueiden lähellä. Kone voi kaatua yllättäen, jos pyörä menee reunan yli tai jos reuna sortuu. Määritä suoja-alue koneen ja mahdollisen vaaran välille (kaksi koneen leveyttä).
Siirrä ohjauskahvat LUKITTU VAPAA -asentoon (Kuva 20).

Kytke seisontajarru. Katso kohta Seisontajarrun kytkentä.
Vedä rikastimen vipu ylös PääLLä-asentoon (kylmää moottoria käynnistettäessä) ja siirrä kaasuvipu HIDAS-asentoon.
Important: Kun konetta käytetään alle 0 °C:n lämpötiloissa, anna sen lämmetä ennen käyttöä. Näin estetään hydraulijärjestelmän vaurioituminen.
Käynnistä moottori työntämällä avain virtalukkoon ja kiertämällä sitä myötäpäivään. Vapauta avain, kun moottori käynnistyy. Pidä moottorin käynti tasaisena rikastinta säätämällä.
Important: Käytä virta-avainta KäYNNISTYS-asennossa korkeintaan 10 sekuntia, jotta käynnistysmoottori ei ylikuumene. Odota 10 sekunnin yhtäjaksoisen käynnistämisen jälkeen minuutin verran, ennen kuin yrität uudelleen.
Sammuta moottori siirtämällä kaasuvipu HIDAS-asentoon ja kääntämällä virta-avain PYSäYTYS-asentoon. Irrota avain virtalukosta, jotta moottori ei käynnisty vahingossa.
Note: Hätätilanteessa käännä virta-avain PYSäYTYS-asentoon.
Kytke seisontajarru aina, kun pysäytät koneen tai jätät sen ilman valvontaa.
Seisontajarru ei välttämättä pidä konetta paikallaan rinteessä, mistä voi aiheutua henkilö- tai omaisuusvahinkoja.
Pysäköi kone rinteeseen vain, jos pyörät voidaan kiilata tai pukita.
Seisontajarru kytketään vetämällä kahvaa ylöspäin (Kuva 21).

Seisontajarru vapautetaan painamalla kahvaa alaspäin (Kuva 22).

Jos turvakytkimet ovat irronneet tai vaurioituneet, laite saattaa toimia odottamattomalla tavalla ja aiheuttaa henkilövahinkoja.
Älä kajoa turvakytkimiin.
Tarkista turvakytkimien toimivuus päivittäin ja vaihda mahdolliset vaurioituneet kytkimet ennen koneen käyttämistä.
Turvajärjestelmä huolehtii siitä, että moottori käynnistyy vain, kun:
seisontajarru on kytkettynä
Ohjauskahvat ovat LUKITTU VAPAA -asennossa
Turvajärjestelmä myös sammuttaa moottorin, kun ohjauskahvat siirretään pois LUKITUSTA VAPAA-asennosta kuljettajan noustessa pois istuimelta tai kun seisontajarru kytketään.
Tuntilaskurissa on merkintöjä, jotka ilmoittavat käyttäjälle, kun turvajärjestelmän komponentti on oikeassa asennossa. Kun komponentti on oikeassa asennossa, kyseisessä kohdassa näkyy kolmio (Kuva 23).

Note: Tässä laitteessa ei käytetä voimanulosoton (PTO:n) turvalukitusta.
| Huoltoväli | Huoltotoimenpide |
|---|---|
| Aina ennen käyttöä tai päivittäin |
|
Jos turvajärjestelmä ei toimi alla kuvatulla tavalla, se on välittömästi korjautettava valtuutetulla Toro-jälleenmyyjällä.
Asetu istuimelle, siirrä ohjauskahvat VAPAA-asentoon ja kytke seisontajarru.
Käynnistä moottori.
Poistu istuimelta ja liikuta molempia ohjauskahvoja hitaasti eteen- ja taaksepäin.
Moottorin on sammuttava 1–3 sekunnin kuluessa siitä, kun jompaakumpaa ohjauskahvaa liikutetaan jompaankumpaan suuntaan. Jos näin ei tapahdu, korjaa ongelma. Toista vaiheet 2–3 toisen ohjauskahvan kohdalla.
Asetu istuimelle ja kytke seisontajarru. Siirrä jompikumpi ohjauskahva pois LUKITUSTA VAPAA-asennosta. Yritä käynnistää moottori. Moottori ei saa käynnistyä. Toista tämä vaihe toisen ohjauskahvan kohdalla.
Ajoneuvon käyttö vaatii valppautta, ettei ajoneuvo kaadu ja ettet menetä sen hallintaa.
Ole varovainen siirtyessäsi hiekkaesteille ja poistuessasi niiltä.
Ole erittäin varovainen ojien, purojen ja muiden vaarallisten paikkojen ympärillä.
Käytä konetta jyrkissä rinteissä erityisen varovasti.
Hidasta vauhtia, kun teet jyrkkiä käännöksiä tai käännyt rinteissä.
Vältä äkkilähtöjä ja -pysäytyksiä.
Älä vaihda peruutuksesta eteenpäin ajoon, ennen kuin olet pysähtynyt ensin kokonaan.
Kone voi kääntyä hyvin nopeasti. Ohjauskahvojen virheellinen käyttö voi johtaa hallinnan menetykseen ja loukkaantumiseen tai koneen tai muun omaisuuden vahinkoihin.
Ole varovainen kääntyessäsi.
Hidasta konetta ennen jyrkkiä käännöksiä.

Note: Moottori sammuu, jos ohjauskahvoja liikutetaan seisontajarrun ollessa kytkettynä.
Vapauta seisontajarru. Katso kohta Seisontajarrun vapautus.
Siirrä ohjauskahvat keskelle, lukitsemattomaan asentoon.
Kun haluat ajaa eteenpäin, työnnä ohjauskahvoja hitaasti eteenpäin (Kuva 25).
Pysäytä kone siirtämällä ohjauskahvat VAPAA-asentoon.

Varmista, että lisälaite on halutussa asennossa.
Siirrä ohjauskahvat keskelle, lukitsemattomaan asentoon.
Aja taaksepäin katsomalla taaksesi ja vetämällä ohjauskahvoja hitaasti taaksepäin (Kuva 26).

Lue tämä haraamista käsittelevä osa kokonaan ennen hiekkaesteen haraamista. Tarvittavat säädöt riippuvat monista tekijöistä. Hiekan rakenne ja syvyys, kosteuspitoisuus, rikkaruohot ja pakkautumisen määrä vaihtelevat eri kentillä ja jopa saman kentän eri hiekkaesteillä. Säädä hara käyttöalueen mukaisesti, jotta jälki olisi mahdollisimman hyvä.
Harjoittele haraamista suurella ja tasaisella hiekkaesteellä. Harjoittele käynnistystä ja pysäytystä, kääntymistä, haran nostoa ja laskua, hiekkaesteeseen menoa ja sieltä poistumista. Harjoittele kohtalaisella moottorin kierrosluvulla ja hitaalla ajonopeudella. Harjoittelu auttaa käyttäjää saamaan laitteen käyttövarmuutta.
Hiekkaesteen suositeltu harauskuvio: Kuva 27. Näin limittäisyys jää vähäiseksi, hiekka tiivistyy mahdollisimman vähän ja kuviosta tulee siisti. Tämä on tehokkain harausmenetelmä, mutta on silti tärkeää vaihdella kuviota säännöllisesti, jotta hiekkaan ei synny kumpareita.

Aja hiekkaesteeseen pitkittäissuunnassa kohdasta, jossa törmä on loivin. Aja hiekkaesteen keskikohdan läpi melkein päähän saakka ja käänny jompaankumpaan suuntaan mahdollisimman jyrkästi. Palaa suoraan takaisin ensimmäisen reitin vierestä. Kierrä ulospäin kuvan mukaisesti (Kuva 27) ja poistu hiekkaesteestä suorassa kulmassa tasaisella alueella.
Viimeistele jyrkät, lyhyet törmät ja pienet taskut haravalla.
Harausohjeita
Jos hiekka on riittävän syvää, voidaan tasaisilla alueilla harata hiekkaesteen reunalle saakka.
Jos hiekka ulottuu ohuelti nurmelle, pysy riittävän etäällä reunasta, jotta et riko alla olevaa maaperää.
Älä haraa liian lähellä lyhyttä jyrkkää törmää. Hiekka vain valuu hiekkaesteen pohjalle.
Jyrkkiä törmiä, pieniä taskuja jne. voidaan joutua siistimään haravalla.
Kun ajat hiekkaesteeseen, älä laske haraa ennen kuin se on hiekan yläpuolella. Näin et vahingossa vedä leikkuujätettä tai muita roskia hiekkaesteeseen. Laske hara, kun kone liikkuu.
Kun poistut hiekkaesteestä, aloita haran nostaminen, kun eturengas poistuu esteestä. Kun kone siirtyy pois esteestä, hara nousee eikä vedä hiekkaa ruoholle.
Käyttäjä huomaa pian kokemuksen ja harjoittelun myötä, miten esteeseen ajo ja sieltä poistuminen kannattaa ajoittaa.
Vähennä tulipalon vaaraa poistamalla ruoho ja leikkuujäte äänenvaimentimesta ja moottoritilasta. Puhdista öljy- ja polttoaineroiskeet.
Pysäköi kone tasaiselle alustalle, kytke seisontajarru, sammuta moottori, irrota virta-avain ja odota, että kaikki liikkuvat osat ovat pysähtyneet, ennen kuin poistut koneen luota.
Anna moottorin jäähtyä, ennen kuin varastoit laitteen suljettuun tilaan.
Sulje polttoaineen sulkuventtiili ennen koneen varastointia tai kuljetusta.
Älä säilytä konetta tai polttoainesäiliötä tilassa, jossa on avotuli, kipinöitä tai varmistusliekki (esimerkiksi vedenlämmitin tai muu vastaava laite).
Pidä kaikki koneen osat hyvässä kunnossa ja kaikki kiinnitykset tiukalla.
Huolla ja puhdista turvavyöt tarpeen mukaan.
Vaihda kaikki kuluneet tai vaurioituneet tarrat.
Moottori ja hydrostaattinen vaihteisto voivat kuumentua voimakkaasti ja aiheuttaa vakavia palovammoja.
Anna moottorin ja hydrostaattisen vaihteiston jäähtyä kokonaan, ennen kuin käytät ohitusventtiilin vipuja.
Important: Älä hinaa konetta pitkiä matkoja korkeilla nopeuksilla. Muussa tapauksessa kone saattaa vaurioitua. Kone voidaan hinata hitaasti käyttöalueelta perävaunuun.
Ohitusventtiilien vivut sijaitsevat kunkin hydrostaattisen vaihteiston päällä.
Important: Varmista, että ohitusventtiilien vivut ovat täysin etuasennossa koneen käytön aikana. Muuten hydraulijärjestelmä saattaa vaurioitua vakavasti.
Pysäköi kone tasaiselle alustalle, laske lisälaite, siirrä ohjauskahvat LUKITTU VAPAA -asentoon, kytke seisontajarru, sammuta moottori ja irrota virta-avain.
Käännä koneen alla olevia ohitusventtiilien vipuja (Kuva 28 ja Kuva 29) niin, että ne osoittavat sisäänpäin koneen keskustaa kohti (Kuva 30), ja vapauta seisontajarru. Katso kohta Seisontajarrun käyttö.
Note: Tällöin hydraulineste ohittaa pumput ja pyörät pääsevät pyörimään.



Kun laitetta ei enää työnnetä tai hinata, käännä ohitusventtiilien vipuja niin, että ne osoittavat eteenpäin laitteen etuosaa kohti, jotta laitteella voidaan jälleen ajaa (Kuva 30).
Kaduilla ja teillä ajaminen ilman suuntavilkkuja, valoja, heijastavia merkintöjä tai hitaan ajoneuvon merkkiä on vaarallista ja saattaa aiheuttaa henkilövahinkoihin johtavan onnettomuuden.
Älä aja koneella julkisella tiellä tai kadulla.
Jos käytät perävaunua, kiinnitä se vetoajoneuvoon ja käytä turvaketjuja.
Kytke tarvittaessa perävaunun jarrut.
Lastaa kone perävaunuun tai lava-autoon.
Siirrä ohjauskahvat LUKITTU VAPAA -asentoon, kytke seisontajarru, sammuta moottori ja irrota virta-avain.
Kiinnitä kone kuljetusajoneuvoon tiukasti kiinnityslenkeistä (Kuva 31) hihnoilla, ketjuilla, kaapeleilla tai köysillä.

Ole erittäin varovainen perävaunuun tai lava-autoon lastaamisen tai niiltä purkamisen aikana. Käytä toimenpiteeseen täysleveää ramppia, joka on konetta leveämpi.
Important: Älä käytä kapeita erillisiä ramppeja koneen molemmilla puolilla.
Perävaunun tai lava-auton ja rampin on oltava mahdollisimman vaakasuorassa koneen lastauksen aikana, jotta lisälaite ei juutu kiinni koneen liikkuessa maasta rampille.
Jos kone lastataan rinteessä tai lähellä rinnettä, sijoita perävaunu tai lava-auto siten, että se on rinteen alapäässä ja ramppi on ylöspäin rinteeseen. Tällöin rampin kulma on mahdollisimman pieni.
Laitteen lastaaminen kuljetusajoneuvoon lisää kaatumisen mahdollisuutta, ja voi aiheuttaa vakavan loukkaantumisen tai kuoleman.
Käytä konetta rampilla erityisen varovasti.
Varmista, että kaatumissuojausjärjestelmä on asennettu ja kiinnitetty huolellisesti, ja käytä turvavyötä koneen lastauksen ja purkamisen aikana. Varmista, että kaatumissuojausjärjestelmän ja suljetun peräkärryn katon väliin jää tilaa.
Käytä vain täysleveää ramppia. Älä käytä erillisiä ramppeja koneen molemmilla puolilla.
Vältä äkillistä kiihdyttämistä tai hidastamista konetta rampilla ajettaessa, sillä tämä voi aiheuttaa hallinnan menetyksen tai kaatumisen.
Varmista, että lisälaite on asennettu ja että se on nostettu ylös, kun laite kuormataan kuljetusajoneuvoon.

Note: Koneen vasen ja oikea puoli määritellään normaalista käyttöasennosta käsin.
Jos jätät avaimen virtalukkoon, joku voi vahingossa käynnistää moottorin ja vahingoittaa vakavasti lähellä olijoita.
Irrota avain virtalukosta ennen huoltoa.
Tee ennen koneen säätämistä, puhdistamista tai korjaamista ja ennen koneelta poistumista seuraavat toimenpiteet:
Pysäköi kone tasaiselle alustalle.
Siirrä kaasun säätökytkin alhaisen joutokäynnin asentoon.
Laske lisälaite.
Varmista, että veto on vapaalla.
Kytke seisontajarru.
Sammuta moottori ja irrota virta-avain.
Odota, kunnes kaikki liikkuvat osat ovat pysähtyneet.
Anna koneen osien jäähtyä ennen huoltoa.
Jos mahdollista, älä huolla konetta moottorin ollessa käynnissä. Pysy etäällä liikkuvista osista.
Tue kone tai sen osat tarvittaessa pukkien avulla.
Vapauta paine huolellisesti osista, joihin on varastoitunut energiaa.
| Huoltoväli | Huoltotoimenpide |
|---|---|
| 8 ensimmäisen käyttötunnin jälkeen |
|
| 50 ensimmäisen käyttötunnin jälkeen |
|
| Aina ennen käyttöä tai päivittäin |
|
| 100 käyttötunnin välein |
|
| 200 käyttötunnin välein |
|
| 250 käyttötunnin välein |
|
| 300 käyttötunnin välein |
|
| 400 käyttötunnin välein |
|
| 800 käyttötunnin välein |
|
Important: Lisää huoltotoimenpiteitä on moottorin käyttöohjeessa.
Ota tästä sivusta kopioita.
| Tarkistettavat kohdat | Viikolle: | ||||||
|---|---|---|---|---|---|---|---|
| Ma | Ti | Ke | To | Pe | La | Su | |
| Tarkista turvajärjestelmän toiminta. | |||||||
| Tarkista seisontajarrun toiminta. | |||||||
| Tarkista ohjauskahvojen toiminta. | |||||||
| Tarkista polttoaineen määrä. | |||||||
| Tarkista moottoriöljyn määrä. | |||||||
| Tarkista ilmansuodattimen kunto. | |||||||
| Puhdista moottorin jäähdytysrivat. | |||||||
| Tarkista, kuuluuko moottorista epätavallisia ääniä. | |||||||
| Tarkista, kuuluuko käytön aikana epätavallisia ääniä. | |||||||
| Tarkista hydraulinesteen määrä. | |||||||
| Tarkista, ettei hydrauliletkuissa ole vaurioita. | |||||||
| Tarkista nestevuodot. | |||||||
| Tarkista rengaspaine. | |||||||
| Tarkista mittareiden toiminta. | |||||||
| Voitele kaikki rasvanipat.1 | |||||||
| Korjaa maalipinnan vauriot. | |||||||
| 1. Välittömästi jokaisen pesun jälkeen luettelon mukaisesta huoltovälistä riippumatta. | |||||||
| Todetut viat | ||
| Tarkastuksen suoritti: | ||
| Vika | Päivämäärä | Huomio |
Mekaaniset tai hydrauliset tunkit saattavat pettää ja aiheuttaa vakavan loukkaantumisen.
Tue kone akselipukeilla.
Kuva 33 esittää oikeita tuentakohtia.

| Huoltoväli | Huoltotoimenpide |
|---|---|
| 100 käyttötunnin välein |
|
Rasvatyyppi: litiumrasva nro 2
Rasvaa kaikki rasvanipat etupyörän navassa, hihnankiristimessä ja lisälaitteen nostimessa seuraavasti:
Pysäköi kone tasaiselle alustalle, laske lisälaite, siirrä ohjauskahvat LUKITTU VAPAA -asentoon, kytke seisontajarru, sammuta moottori ja irrota virta-avain.
Pyyhi rasvanippa puhtaaksi, ettei epäpuhtauksia pääse laakeriin tai holkkiin.
Kiinnitä voitelupistooli nippaan ja pumppaa nippaan rasvaa.
Pyyhi pois liika rasva.
Moottori on sammutettava ennen öljyn tarkistusta tai lisäystä kampikammioon.
Älä muuta kierrosnopeussäätimen nopeutta tai käytä moottoria ylikierroksilla.
| Huoltoväli | Huoltotoimenpide |
|---|---|
| Aina ennen käyttöä tai päivittäin |
|
Toro Premium -moottoriöljyä on saatavana valtuutetulta Toro-jälleenmyyjältä.
Kampikammion tilavuus: 1,8 litraa suodattimen vaihdon yhteydessä
Käytä vähintään seuraavien määritysten mukaista nelitahtimoottoriöljyä:
API-huoltoluokitus: SJ, SL, SM tai korkeampi
Viskositeetti: SAE 30; tarkista muut viskositeetit seuraavasta taulukosta (Kuva 37).
Important: Moniviskositeettiöljyjen, kuten 10W-30, käyttö lisää öljyn kulutusta. Tarkista öljypinta useammin, kun käytät niitä.

Pysäköi kone tasaiselle alustalle, laske lisälaite, siirrä ohjauskahvat LUKITTU VAPAA -asentoon, kytke seisontajarru, sammuta moottori ja irrota virta-avain.
Irrota mittatikku (Kuva 38) ja pyyhi se puhtaalla liinalla (Kuva 39).


Asenna mittatikku täyttöputkeen kiertämättä sitä kiinni aukkoon.
Irrota mittatikku putkesta ja tarkista öljymäärä. Jos öljyä on vähän, kaada täyttöputkeen hitaasti juuri sen verran öljyä, että pinta nousee mittatikun ylärajamerkinnän tasalle.
Important: Pidä moottoriöljyn määrä mittatikun ylä- ja alarajojen välissä. Jos moottorissa on liikaa tai liian vähän öljyä, käytöstä voi seurata moottorivaurio.
Asenna mittatikku tukevasti paikalleen.
Important: Mittatikun on oltava täysin paikallaan putkessa, jotta moottorin kampikammion tiivistys on riittävä. Jos kampikammion tiivistys on huono, seurauksena voi olla moottorivaurio.
| Huoltoväli | Huoltotoimenpide |
|---|---|
| 8 ensimmäisen käyttötunnin jälkeen |
|
| 100 käyttötunnin välein |
|
Toro Premium -moottoriöljyä on saatavana valtuutetulta Toro-jälleenmyyjältä.
Kampikammion tilavuus: 1,66 litraa suodattimen vaihdon yhteydessä
Käytä vähintään seuraavien määritysten mukaista nelitahtimoottoriöljyä:
API-huoltoluokitus: SJ, SL, SM tai korkeampi
Viskositeetti: SAE 30; tarkista muut viskositeetit seuraavasta taulukosta (Kuva 40).
Important: Moniviskositeettiöljyjen, kuten 10W-30, käyttö lisää öljyn kulutusta. Tarkista öljypinta useammin, kun käytät niitä.

Käytä moottoria muutaman minuutin ajan, jotta öljy lämpiää.
Pysäköi kone tasaiselle alustalle, laske lisälaite, siirrä ohjauskahvat LUKITTU VAPAA -asentoon, kytke seisontajarru, sammuta moottori ja irrota virta-avain.
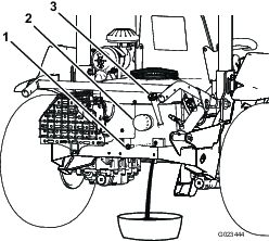
Irrota tyhjennystulppa (Kuva 42) ja valuta öljy tarkoitukseen sopivaan astiaan. Kun öljyä ei enää valu, asenna tyhjennystulppa takaisin.
Note: Johda öljy pois moottorin asennuslevystä asettamalla paperipala tai kevyt pahvi tyhjennysaukkoon (Kuva 41).


Irrota mittatikku ja pyyhi se puhtaalla liinalla (Kuva 43).

Kaada täyttöputkeen uutta öljyä.
Käynnistä moottori ja anna sen käydä noin kolme minuuttia. Tarkista, että vuotoja ei ole.
Sammuta moottori.
Tarkasta öljypinta ja lisää öljyä tarvittaessa.
Asenna mittatikku.
Hävitä käytetty öljy paikallisten asetusten mukaisesti.
| Huoltoväli | Huoltotoimenpide |
|---|---|
| 8 ensimmäisen käyttötunnin jälkeen |
|
| 100 käyttötunnin välein |
|
Käytä moottoria muutaman minuutin ajan, jotta öljy lämpiää.
Pysäköi kone tasaiselle alustalle, laske lisälaite, siirrä ohjauskahvat LUKITTU VAPAA -asentoon, kytke seisontajarru, sammuta moottori ja irrota virta-avain.
Tyhjennä moottoriöljy. Katso kohta Moottoriöljyn vaihto.
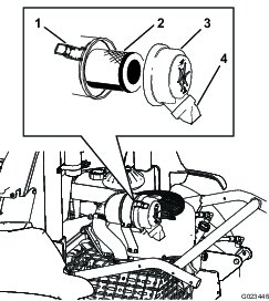
Aseta tyhjennysastia öljynsuodattimen alle, kierrä suodatinta vastapäivään ja irrota suodatin (Kuva 44).

Levitä ohut kerros puhdasta öljyä uuden suodattimen tiivisteeseen.
Kierrä uusi suodatin käsin paikoilleen, kunnes tiiviste koskettaa suodattimen istukkaa. Kiristä sitten vielä 3/4-kierrosta.
Important: Älä kiristä suodatinta liikaa.
Tarkista öljymäärä. Katso kohta Moottoriöljyn määrän tarkistus.
Lisää tarvittaessa öljyä täyttöputkeen.
Käynnistä moottori ja anna sen käydä noin kolme minuuttia. Tarkista, että vuotoja ei ole.
Sammuta moottori.
Tarkasta öljypinta ja lisää öljyä tarvittaessa.
Note: Suodattimeen mahtuu hiukan öljyä, joten öljyn pinta voi laskea uuden suodattimen asennuksen yhteydessä.
Asenna mittatikku.
Hävitä käytetty öljy paikallisten asetusten mukaisesti.
| Huoltoväli | Huoltotoimenpide |
|---|---|
| 200 käyttötunnin välein |
|
| 400 käyttötunnin välein |
|
Note: Ilmansuodattimen tarpeeton vaihtaminen vain kasvattaa mahdollisuutta, että moottoriin pääsee likaa suodattimen irrotuksen yhteydessä.
Pysäköi kone tasaiselle alustalle, laske lisälaite, siirrä ohjauskahvat LUKITTU VAPAA -asentoon, kytke seisontajarru, sammuta moottori ja irrota virta-avain.
Vapauta lukitsimet, joilla ilmanpuhdistimen suojus on kiinni ilmanpuhdistimen rungossa (Kuva 45).

Irrota ilmanpuhdistimen rungon suojus.
Irrota vanha suodatin ja asenna uusi suodatin.
Note: Tarkista, että uudessa suodattimessa ei ole kuljetusvaurioita tarkastamalla suodattimen tiivistetty pää ja runko. Älä käytä viallista elementtiä. Työnnä uusi suodatin paikoilleen puristamalla samalla elementin ulkokehää, jotta se asettuu koteloon. Älä paina suodattimen joustavaa keskikohtaa.
Note: Älä puhdista käytettyä elementtiä, sillä elementin materiaali saattaa vaurioitua.
Puhdista irrotettavassa suojuksessa oleva lianpoistoaukko.
Asenna suojus niin, että lianpoistoaukko osoittaa alaspäin.
Kiinnitä lukitsimet.
Tarkista, että ilmanottojärjestelmässä ei ole vuotoja, vaurioita tai löysiä letkunkiristimiä.
| Huoltoväli | Huoltotoimenpide |
|---|---|
| 100 käyttötunnin välein |
|
Tyyppi: NGK BPR4ES (tai vastaava)
Kärkiväli: 0,76 mm
Note: Sytytystulpat kestävät yleensä pitkään, mutta ne on tarkistettava, jos moottorissa on toimintahäiriöitä.
Pysäköi kone tasaiselle alustalle, laske lisälaite, siirrä ohjauskahvat LUKITTU VAPAA -asentoon, kytke seisontajarru, sammuta moottori ja irrota virta-avain.
Puhdista sytytystulppien ympäristö, jotta sylintereihin ei pääse epäpuhtauksia, kun tulpat irrotetaan.

Irrota sytytystulppien johdot sytytystulpista ja irrota tulpat sylinterinkannesta.
Tarkasta, että sivu- ja keskielektrodit sekä eriste eivät ole vahingoittuneet.
Important: Vaihda halkeillut, likainen tai muuten viallinen sytytystulppa. Älä puhdista elektrodeja, koska sylinteriin päätyvät hiukkaset voivat vaurioittaa moottoria.
Aseta jokaisen sytytystulpan keski- ja sivuelektrodien kärkiväliksi 0,76 mm. Katso Kuva 47. Asenna oikealla kärkivälillä varustetut sytytystulpat tiivisteineen ja kiristä tulpat momenttiin 22 N·m.

| Huoltoväli | Huoltotoimenpide |
|---|---|
| 300 käyttötunnin välein |
|
Tämä toimenpide on tehtävä asianmukaisilla työkaluilla. Jos asianmukaisia välineitä ja riittävää mekaniikka-alan pätevyyttä ei ole, teetä huolto valtuutetulla Kawasaki-moottorin jälleenmyyjällä.
| Huoltoväli | Huoltotoimenpide |
|---|---|
| 300 käyttötunnin välein |
|
Tämä toimenpide on tehtävä asianmukaisilla työkaluilla. Jos asianmukaisia välineitä ja riittävää mekaniikka-alan pätevyyttä ei ole, teetä huolto valtuutetulla Kawasaki-moottorin jälleenmyyjällä.
| Huoltoväli | Huoltotoimenpide |
|---|---|
| 200 käyttötunnin välein |
|
| 400 käyttötunnin välein |
|
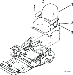
Pysäköi kone tasaiselle alustalle, laske lisälaite, siirrä ohjauskahvat LUKITTU VAPAA -asentoon, kytke seisontajarru, sammuta moottori ja irrota virta-avain.
Irrota kiinnikkeet, joilla istuinkokoonpano on kiinnitetty laitteeseen.

Irrota suodatin hiilisäiliöstä (Kuva 49).

Kytke uusi suodatin hiilisäiliöön.
Asenna istuimen tukilevy ja istuin.
| Huoltoväli | Huoltotoimenpide |
|---|---|
| 800 käyttötunnin välein |
|
Polttoaineletkussa on suodatin. Vaihda se seuraavasti:
Pysäköi kone tasaiselle alustalle, laske lisälaite, siirrä ohjauskahvat LUKITTU VAPAA -asentoon, kytke seisontajarru, sammuta moottori ja irrota virta-avain.
Löysää kaasuttimen puolella olevaa suodattimen letkunkiristintä ja irrota polttoaineletku suodattimesta (Kuva 50 ja Kuva 51).


Aseta tyhjennysastia suodattimen alle, löysää jäljellä olevaa letkunkiristintä ja irrota suodatin.
Työnnä letkunkiristimet polttoaineletkujen päihin.
Työnnä polttoaineletkut uuteen polttoainesuodattimeen ja kiinnitä ne letkunkiristimillä.
Note: Asenna uusi suodatin siten, että suodattimessa oleva nuoli osoittaa pois polttoainesäiliöstä (kaasuttimeen päin).
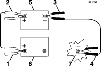
Irrota akun kytkennät ennen kuin korjaat konetta. Irrota kaapeli ensin miinusnavasta ja vasta sitten plusnavasta. Kytke ensin plusnavan akkukenkä ja vasta sitten miinusnavan akkukenkä.
Lataa akku avoimessa tilassa, jossa on hyvä ilmanvaihto, kaukana kipinöistä ja avotulesta. Irrota laturin virtajohto ennen kuin kytket laturin akkuun tai irrotat sen akusta.
Käytä suojavaatetusta ja eristettyjä työkaluja.
Ennen kuin käynnistät laitetta kaapeleilla, poista mahdollinen korroosio akun navoista ja varmista, että kytkennät ovat tiukalla.
Important: Korroosio ja löysät kytkennät voivat aiheuttaa kaapeleilla käynnistyksen aikana jännitepiikkejä, jotka voivat vaurioittaa moottoria.Älä yritä käynnistää laitetta kaapeleilla, jos akun navoissa on korroosiota tai jos ne ovat löysällä.
Jos apukaapeleilla yritetään käynnistää heikkokuntoista akkua, joka on haljennut tai jäätynyt, jossa on liian vähän akkunestettä tai jonka akkukennossa on avoin piiri tai oikosulku, akku voi räjähtää ja aiheuttaa vakavan loukkaantumisen.
Heikkokuntoista akkua ei saa käynnistää apukaapeleilla, jos jokin näistä olosuhteista on voimassa.
Varmista, että apuakku on hyvä, täyteen ladattu lyijyakku, jonka jännite on vähintään 12,6 V. Käytä riittävän paksuja, lyhyitä käynnistyskaapeleita, jotta jännitehäviö on mahdollisimman pieni. Varmista, että kaapeleissa on oikeaa napaisuutta osoittava värikoodaus tai merkinnät.
Note: Varmista, että tuuletuskorkit ovat kiinni ja tasassa. Aseta kostea liina (jos on) kunkin akun tuuletuskorkkien päälle. Varmista, että laitteet eivät kosketa toisiaan, että kummankaan sähköjärjestelmän virtaa ei ole kytketty ja että molempien järjestelmien nimellisjännite on sama. Nämä ohjeet koskevat vain miinusmaadoitettuja järjestelmiä.
Kytke pluskaapeli (+) tyhjentyneen akun plusnapaan (+), joka on kytketty käynnistimeen tai solenoidiin kuvan mukaisesti (Kuva 52).

Kytke pluskaapelin toinen pää apuakun plusnapaan.
Kytke musta miinuskaapeli (–) apuakun toiseen napaan (miinusnapaan).
Tee viimeinen kytkentä tyhjentyneellä akulla varustetun laitteen moottorilohkoon (ei akun miinusnapaan) etäälle akusta ja siirry kauemmaksi (Kuva 53).

Käynnistä moottori ja irrota kaapelit kytkentään nähden päinvastaisessa järjestyksessä.
Note: Irrota ensin moottorilohkoon kytketty (musta) kaapeli.
Pysäköi kone tasaiselle alustalle, laske lisälaite, siirrä ohjauskahvat LUKITTU VAPAA -asentoon, kytke seisontajarru, sammuta moottori ja irrota virta-avain.
Sulakerasia (Kuva 54) on ohjauspaneelin lähellä.

Sulake vaihdetaan vetämällä se irti sulakerasiasta ja asentamalla uusi sulake.
Important: Käytä aina vaihdettavaan sulakkeeseen nähden samantyyppistä ja ampeeriluvultaan vastaavaa uutta sulaketta, jotta sähköjärjestelmä ei vahingoitu. Lisätietoja kunkin sulakkeen toiminnosta ja ampeeriluvusta on istuimen takana olevassa tarrassa.
Akkua ladattaessa muodostuu kaasuja, jotka voivat räjähtää ja aiheuttaa käyttäjän tai sivullisten vakavan loukkaantumisen.
Älä tupakoi akun lähettyvillä. Älä päästä kipinöitä tai liekkejä kosketuksiin akun kanssa.
Important: Pidä akku aina täysin ladattuna. Tämä on erityisen tärkeää siksi, että näin ehkäistään akun vahingoittuminen, kun lämpötila on alle 0 °C.
Pysäköi kone tasaiselle alustalle, laske lisälaite, siirrä ohjauskahvat LUKITTU VAPAA -asentoon, kytke seisontajarru, sammuta moottori ja irrota virta-avain.
Lataa akkua 10–15 minuuttia 25–30 ampeerin sähkövirralla tai 30 minuuttia 10 ampeerin virralla.
Kun akku on ladattu täyteen, irrota laturi pistorasiasta. Irrota sitten laturin johtimet akun navoista (Kuva 55).
Asenna akku koneeseen ja kytke akun kaapelit. Katso kohta Akun asennus.
Important: Älä käytä konetta, kun akkua ei ole kytketty. Se voi aiheuttaa sähkövaurioita.

Jos akku ei enää pidä varausta, se on vaihdettava. Katso Akun irrotus ja Akun asennus.
Pysäköi kone tasaiselle alustalle, laske lisälaite, siirrä ohjauskahvat LUKITTU VAPAA -asentoon, kytke seisontajarru, sammuta moottori ja irrota virta-avain.
Irrota siipimutterit ja aluslaatat, joka kiinnittävät akun pidikkeen (Kuva 56).

Irrota (musta) miinuskaapeli akun navasta.
Akun kaapeleiden virheellinen asennus voi vahingoittaa konetta ja kaapeleita aiheuttaen kipinöitä. Kipinät voivat saada akun kaasut räjähtämään ja aiheuttaa siten henkilövahingon.
Irrota aina akun miinuskaapeli (musta) ennen pluskaapelin (punainen) irrottamista.
Kytke aina akun pluskaapeli (punainen) ennen miinuskaapelia (musta).
Akun navat tai metallityökalut voivat aiheuttaa oikosulun koskettaessaan koneen metalliosia, mistä voi seurata kipinöitä. Kipinät voivat saada akun kaasut räjähtämään ja aiheuttaa siten henkilövahingon.
Kun irrotat tai asennat akun, älä anna akun napojen koskettaa koneen metalliosia.
Älä päästä metallityökaluja aiheuttamaan oikosulkua akun napojen ja laitteen metalliosien välille.
Vedä punainen navan suojus pois akun plusnavasta (+) ja irrota akun pluskaapeli (punainen).
Irrota akku.
Aseta akku alustalle.

Asenna akun pluskaapeli (punainen) akun plusnapaan (+) ja kiristä mutteri pulttiin.
Important: Punaisen kaapelin päällä voi olla johdinnippu. Pluskaapelin tunnistaa punaisesta suojuksesta.
Asenna miinusmaadoituskaapeli (musta) akun miinusnapaan (–) ja kiristä mutteri pulttiin.
Vedä punainen navan suojus akun plusnavan (+) päälle.
Asenna akun pidike ja kiinnitä se siipimuttereilla ja aluslaatoilla.
| Huoltoväli | Huoltotoimenpide |
|---|---|
| 100 käyttötunnin välein |
|
Pysäköi kone tasaiselle alustalle, laske lisälaite, siirrä ohjauskahvat LUKITTU VAPAA -asentoon, kytke seisontajarru, sammuta moottori ja irrota virta-avain.
Pidä akun yläpuoli puhtaana. Jos kone varastoidaan erityisen lämpimään paikkaan, akku tyhjenee nopeammin kuin viileässä paikassa.
Pidä akun yläosa puhtaana pesemällä se ammoniakkiin tai soodaliuokseen kastetulla harjalla. Huuhtele yläosa vedellä puhdistuksen jälkeen. Älä irrota täyttöaukon korkkia akun puhdistuksen ajaksi.
Akun kaapeleiden on oltava tiukasti kiinni akun navoissa, jotta sähkökytkentä toimii hyvin.
Jos akun navat ruostuvat, irrota kaapelit – miinuskaapeli (–) ensin – ja raaputa liittimiä ja napoja erikseen. Kytke kaapelit – pluskaapeli (+) ensin – ja levitä napojen päälle vaseliinia.
| Huoltoväli | Huoltotoimenpide |
|---|---|
| Aina ennen käyttöä tai päivittäin |
|
Pysäköi kone tasaiselle alustalle, laske lisälaite, kytke seisontajarru, sammuta moottori ja irrota virta-avain.
Tarkista rengaspaine ennen koneen käyttöä (Kuva 58).
Paine: 0,48 bar

| Huoltoväli | Huoltotoimenpide |
|---|---|
| 8 ensimmäisen käyttötunnin jälkeen |
|
| 100 käyttötunnin välein |
|
Pysäköi kone tasaiselle alustalle, laske lisälaite, kytke seisontajarru, sammuta moottori ja irrota virta-avain.
Kiristä pyöränmutterit (Kuva 58) momenttiin 61–75 N·m.
Aja avoimelle ja tasaiselle alueelle ja siirrä ohjauskahvat LUKITTU VAPAA -asentoon.
Siirrä kaasuvipu NOPEA- ja HIDAS-asentojen puoliväliin.
Siirrä molemmat ohjauskahvat kokonaan eteen, kunnes ne osuvat T-aukon pysäyttimiin.
Tarkista, mihin suuntaan kone vetää.
Pysäköi kone tasaiselle alustalle, laske lisälaite, siirrä ohjauskahvat LUKITTU VAPAA -asentoon, kytke seisontajarru, sammuta moottori ja irrota virta-avain.
Tee jompikumpi seuraavista sen mukaan, mihin suuntaan kone vetää:
Jos laite vetää oikealle, löysää pultteja ja säädä vasemmanpuoleista pysäytyslevyä taaksepäin, kunnes laite kulkee suoraan (Kuva 59).
Jos laite vetää vasemmalle, löysää pultteja ja säädä oikeanpuoleista pysäytyslevyä taaksepäin, kunnes laite kulkee suoraan (Kuva 59).

Lukitse pysäytyslevy kiristämällä pultit (Kuva 59).
Important: Varmista, että molemmat ohjauskahvat pysähtyvät pysäytyslevyä eikä vaihteiston sisäistä pysäytintä vasten.
Pysäköi kone tasaiselle alustalle, laske lisälaite, siirrä ohjauskahvat LUKITTU VAPAA -asentoon, kytke seisontajarru, sammuta moottori ja irrota virta-avain.
Nosta laitteen takaosa ja tue se akselipukeilla. Katso Koneen nosto.
Mekaaniset tai hydrauliset tunkit saattavat pettää ja aiheuttaa vakavan loukkaantumisen.
Tue kone akselipukeilla.
Aseta räikkäavain kiristinvarren nelikulmaiseen reikään kiristimen jousen vastavoimaksi (Kuva 60) ja irrota hihna kiristimen hihnapyörältä.

Irrota kiristimen jousi kiristinvarresta ja rungosta (Kuva 60).
Irrota mutteri, joilla kiristinkokoonpano on kiinnitetty runkoon (Kuva 61).

Irrota pultti, jolla vanha kiristimen hihnapyörä on kiinnitetty kiristinvarteen, ja asenna uusi hihnapyörä (Kuva 62).

Irrota hihna vaihteiston hihnapyöristä ja moottorin hihnapyörästä.
Asenna uusi hihna moottorin hihnapyörän ja kahden vaihteiston hihnapyörän ympärille.
Asenna jousi kiristinvarteen ja runkoon (Kuva 60).
Venytä kiristimen jousta tilapäisesti kiristinvarren nelikulmaiseen reikään asetetulla räikkäavaimella ja kohdista hihna kiristimen hihnapyörälle.
Ohjauskahvoilla on kaksi korkeutta: korkea ja matala.
Pysäköi kone tasaiselle alustalle, laske lisälaite, siirrä ohjauskahvat LUKITTU VAPAA -asentoon, kytke seisontajarru, sammuta moottori ja irrota virta-avain.
Löysää pultit ja laippamutterit, joilla kahvat on kiinnitetty vipuihin (Kuva 63).

Kohdista kahvat etu-takasuunnassa siirtämällä ne yhteen VAPAA-asentoon ja liu’uttamalla niitä, kunnes ne ovat kohdakkain (Kuva 64).

Kiinnitä kahvat vipuihin kiristämällä pultit ja laippamutterit.
Ohjauskahvan vivuston kaksoismuttereita kääntämällä säätöä voi hienosäätää niin, että laite ei liiku vapaalla vaihteella. Tee säädöt vain vapaa-asentoa varten.
Ohjauskahvan säätöä varten moottorin on oltava käynnissä ja vetopyörien on voitava pyöriä. Kosketus liikkuviin osiin tai kuumiin pintoihin voi aiheuttaa tapaturman.
Pidä kädet, jalat ja muut ruumiinosat sekä vaatteet etäällä pyörivistä osista ja kuumista pinnoista.
Pysäköi kone tasaiselle alustalle, laske lisälaite, siirrä ohjauskahvat LUKITTU VAPAA -asentoon, kytke seisontajarru, sammuta moottori ja irrota virta-avain.
Nosta laitteen kaikki kolme pyörää irti maasta ja tue laite akselipukeilla niin, että vetopyörät voivat pyöriä esteettä. Katso Koneen nosto.
Mekaaniset tai hydrauliset tunkit saattavat pettää ja aiheuttaa vakavan loukkaantumisen.
Tue kone akselipukeilla.
Aseta istuimelle paino tai paina sitä alas, jotta turvalukituksen kytkin painuu alas.
Käynnistä moottori ja siirrä kaasuvipu nopealle.
Poista paino (tai paine) istuimelta.
Vapauta seisontajarru.
Käännä koneen yhdellä puolella vivuston kaksoismuttereita hitaasti (Kuva 65), kunnes sen puolen pyörä alkaa pyöriä. Käännä sitten kaksoismuttereita vastakkaiseen suuntaan, kunnes pyörä alkaa pyöriä toiseen suuntaan.
Note: Ohjauskahvojen on oltava VAPAA-asennossa säätämisen aikana.

Käännä kahta mutteria takaisin toiseen suuntaan, kunnes ne ovat kahden asennon puolivälissä.
Toista vaiheet 7 ja 8 toisella puolella.
Sammuta moottori.
Poista akselipukit ja laske laite varovasti maahan.
Käynnistä moottori uudelleen ja varmista, että kone ei ala ryömiä vapaalla, kun seisontajarru vapautetaan.
Ohjauskahvan vastusta voi muuttaa säätämällä ylempää vaimentimen kiinnityspulttia.
Pysäköi kone tasaiselle alustalle, laske lisälaite, siirrä ohjauskahvat LUKITTU VAPAA -asentoon, kytke seisontajarru, sammuta moottori ja irrota virta-avain.
Vaimentimen kiinnityspultteihin pääsee käsiksi irrottamalla pultit, joilla pysäytyslevyt on kiinnitetty runkoon (Kuva 66).

Irrota lukkomutteri, siirrä vaimentimen kiinnityspultti haluttuun asentoon ja asenna lukkomutteri. Kuva 67 esittää kiinnitysvaihtoehtoja.
Note: Kiristä lukkomutteri momenttiin 22,6 N·m. Pultin pitää tulla lukkomutterin päätä pidemmälle, kun se on kiristetty.

Säädä ohjauskulma. Katso Ohjauskulman säätö.
Ohjauskahvojen sivusuuntaista vastusta LUKITTU VAPAA -asentoon ja siitä pois siirryttäessä voi tarvittaessa säätää seuraavasti:
Pysäköi kone tasaiselle alustalle, laske lisälaite, siirrä ohjauskahvat LUKITTU VAPAA -asentoon, kytke seisontajarru, sammuta moottori ja irrota virta-avain.
Irrota vastamutteri (Kuva 68).

Säädä tuntuma halutuksi kiristämällä tai löysäämällä laippamutteria.
Vastusta voi lisätä kiristämällä laippamutteria.
Vastusta voi vähentää löysäämällä laippamutteria.
Kiristä vastamutteri.
Toista tämä toimenpide toisen ohjauskahvan kohdalla.
Kaasu toimii oikein vain, jos kaasuvipu on säädetty oikein. Ennen kuin säädät kaasutinta, varmista, että kaasuvipu toimii asianmukaisesti.
Pysäköi kone tasaiselle alustalle, laske lisälaite, siirrä ohjauskahvat LUKITTU VAPAA -asentoon, kytke seisontajarru, sammuta moottori ja irrota virta-avain.
Löysää pidätinruuvia, joka kiinnittää kaasuvaijerin vaipan moottoriin (Kuva 69).

Siirrä kaasuvipu eteenpäin nopealle.
Vedä kaasuvaijerin vaippaa (Kuva 69) ylöspäin, kunnes kaasuvaijerissa ei ole juuri lainkaan löysää, ja kiristä pidätinruuvi.
Kiristä pidätinruuvi ja tarkista moottorin pyörimisnopeus:
Korkea joutokäyntinopeus: 2750–2950 kierr./min
Alhainen joutokäyntinopeus: 1450–1650 rpm
Pysäköi kone tasaiselle alustalle, laske lisälaite, siirrä ohjauskahvat LUKITTU VAPAA -asentoon, kytke seisontajarru, sammuta moottori ja irrota virta-avain.
Löysää pidätinruuvia, joka kiinnittää rikastinvaijerin vaipan moottoriin (Kuva 69).
Työnnä rikastimen vipu alas AUKI-asentoon. Katso kohta Rikastimen vipu.
Tarkista, että kaasuttimen rikastinventtiili on täysin auki.
Vedä rikastinvaijerin vaippaa (Kuva 69) ylöspäin, kunnes rikastinvaijerissa ei ole juuri lainkaan löysää, ja kiristä pidätinruuvi.
Tarkista, että rikastinventtiili liikkuu täysin suljettuun asentoon, kun vedät rikastimen vipua ulospäin, ja täysin avoimeen asentoon, kun työnnät rikastimen vipua alaspäin.
Moottorin pitää olla käynnissä moottorin kierrosnopeuden säätimen säädön aikana. Kosketus liikkuviin osiin tai kuumiin pintoihin voi aiheuttaa tapaturman.
Varmista, että ohjauskahvat ovat LUKITTU VAPAA -asennossa, ja kytke seisontajarru ennen tätä toimenpidettä.
Pidä vaatteet, kädet, jalat ja muut ruumiinosat etäällä pyörivistä osista, äänenvaimentimesta ja muista kuumista osista.
Säädä alhaista joutokäyntiä seuraavasti:
Käynnistä moottori ja anna sen lämmetä puolella kaasulla noin viiden minuutin ajan.
Siirrä kaasuvipu HIDAS-asentoon.
Työnnä nopeudensäätimen varren jousipäätä alaspäin (Kuva 70).

Säädä kaasuttimen vasteruuvia (Kuva 71) niin, että joutokäyntinopeus on 1350–1550 kierr./min.
Note: Varmista nopeus kierrosnopeusmittarilla.

Anna nopeudensäätimen varren palata alkuperäiseen asentoon.
Löysää alhaisen joutokäynnin nopeuden säätöruuvin vastamutteria.
Säädä alhaisen joutokäynnin säätöruuvia niin, että joutokäyntinopeus on 1450–1650 kierr./min.
Kiristä vastamutteri.
Säädä korkeaa joutokäyntiä seuraavasti:
Important: Älä säädä korkean joutokäynnin nopeutta, jos ilmanpuhdistin on irrotettu.
Käynnistä moottori ja anna sen lämmitä kunnolla.
Löysää korkean joutokäynnin nopeuden säätöruuvin vastamutteria muutama kierros.
Siirrä kaasuvipua niin, että joutokäyntinopeus on 2750–2950 kierr./min.
Kiristä korkean joutokäynnin säätöruuvi niin, että se juuri koskettaa nopeudensäätövivun kielekettä.

Kiristä vastamutteri.
Jos nestettä pääsee ihon alle, hakeudu välittömästi lääkäriin. Lääkärin on poistettava neste kirurgisesti muutaman tunnin sisällä.
Varmista, että kaikki hydrauliletkut ja -putket ovat hyvässä kunnossa ja että kaikki hydrauliliitokset ja -liittimet ovat tiukalla, ennen kuin lisäät hydraulijärjestelmän painetta.
Pidä keho ja kädet kaukana vuotavista rei’istä ja suuttimista, joista suihkuaa korkeapaineista hydraulinestettä.
Etsi hydraulinestevuotoja pahvin tai paperin avulla.
Poista paine varovasti hydraulijärjestelmästä, ennen kuin huollat järjestelmää.
Hydrauliosien korjauksen tai vaihdon yhteydessä on aina vaihdettava hydraulinesteen suodattimet ja tarkistettava, että hydraulijärjestelmä toimii oikein.
Important: Varmista, että hydraulisäiliöissä ja jakoputkiston suodattimessa on nestettä aina, kun hydraulijärjestelmää tarkistetaan.
Pysäköi kone tasaiselle alustalle, laske lisälaite, siirrä ohjauskahvat LUKITTU VAPAA -asentoon, kytke seisontajarru, sammuta moottori ja irrota virta-avain.
Nosta laitteen kaikki kolme pyörää irti maasta ja tue laite akselipukeilla niin, että vetopyörät voivat pyöriä esteettä. Katso Koneen nosto.
Mekaaniset tai hydrauliset tunkit saattavat pettää ja aiheuttaa vakavan loukkaantumisen.
Tue kone akselipukeilla.
Käynnistä moottori ja säädä kaasu niin, että moottori käy alhaisella joutokäynnillä.
Siirrä ohjauskahvat etuasentoon ja tarkista, että vetopyörät pyörivät tasaisesti.
Siirrä ohjauskahvat taka-asentoon ja tarkista, että vetopyörät pyörivät tasaisesti.
Paina lisälaitteen kytkintä, kunnes nostosylinterin tanko liikkuu sisään ja ulos useita kertoja.
Jos sylinterin tanko ei liiku 10–15 sekunnin jälkeen tai jos pumpusta kuuluu epätavallisia ääniä, sammuta moottori välittömästi ja määritä ongelman syy.
Tarkista, ilmeneekö mitään seuraavista ongelmista, ja tee tarvittavat korjaukset tai ota yhteys valtuutettuun Toro-jälleenmyyjään.
Hihna on irronnut tai kulunut voimakkaasti.
Nestettä ei ole riittävästi.
Hydraulisuodatin on löysällä.
Syöttöpumppu on kulunut.
Syötön rajoittimen suodatin on kulunut.
Kytkimen toiminnassa tai johdotuksessa on ongelma.
Solenoidiventtiili on tukossa.
| Huoltoväli | Huoltotoimenpide |
|---|---|
| Aina ennen käyttöä tai päivittäin |
|
Important: Tarkkoihin tuloksiin päästään, kun hydraulinesteen määrä tarkistetaan moottorin ja hydraulijärjestelmän ollessa kylmiä.
Koneen säiliöt on täytetty tehtaalla korkealaatuisella hydraulinesteellä. Hydraulineste on paras tarkistaa, kun neste on viileää. Koneen on oltava kuljetusmäärityksessä. Jos nestetaso on hydraulisäiliöiden takaosassa olevan tarkastuslasin vaakasuuntaisen osan yläreunan alapuolella (Kuva 73), lisää nestettä riittävälle tasolle asti. Älä ylitäytä säiliöitä.Jos nestetaso on tarkastuslasin vaakasuuntaisen osan yläreunassa, nestettä ei tarvitse lisätä. Suositettu neste:
Nestetyyppi: Toro Premium Transmission tai Hydraulic Tractor Fluid, Toro Premium Universal Tractor Fluid tai Mobilfluid® 424
Tilavuus:
Vasen puoli: 1,9 litraa
Oikea puoli: 2,0 litraa
Vaihtoehtoiset nesteet: Jos määritettyä nestettä ei ole saatavana, voidaan käyttää muita yleisesti traktoreissa käytettäviä öljypohjaisia nesteitä, mutta niiden on oltava ainoastaan tavallisia, öljypohjaisia tuotteita, ei synteettisiä tai luonnossa hajoavia nesteitä. Määritysten on täytettävä kaikki jäljempänä luetellut vaatimukset (ominaisuudet ja standardit). Tarkista nesteen toimittajalta, että neste täyttää nämä määritykset.
Note: Toro ei vastaa vääränlaisten öljyjen käytöstä aiheutuneista vaurioista, joten käytä vain sellaisten tunnettujen valmistajien tuotteita, joiden luokituksiin voidaan luottaa.
| Ominaisuudet: | |
| Viskositeetti, ASTM D445 | cSt / 40 °C 55–62 |
| Viskositeetti-indeksi, ASTM D2270 | 140–152 |
| Jähmepiste, ASTM D97 | –37 °C–43 °C |
| Standardit: API GL-4, AGCO Powerfluid 821 XL, Ford New Holland FNHA-2-C-201.00, Kubota UDT, John Deere J20C, Vickers 35VQ25 ja Volvo WB-101/BM | |
Note: Monet hydraulinesteet ovat lähes värittömiä, mikä vaikeuttaa vuotojen toteamista. Hydraulinesteelle tarkoitettua punaista värilisäainetta on saatavana 20 ml:n pulloissa. Yksi pullo riittää 15–22 litralle hydraulinestettä. Tilaa valtuutetulta Toro-jälleenmyyjältäsi (osanro 44-2500).
Pysäköi kone tasaiselle alustalle, laske lisälaite, kytke seisontajarru, sammuta moottori ja irrota virta-avain.
Katso kunkin nestesäiliön kannattimen aukkoon ja tarkista hydraulinesteen määrä.
Note: Nesteen pinnan on oltava molempien aukkojen alareunan tasalla kuvan mukaisesti (Kuva 73).

Jos nestettä on vähän jommassakummassa säiliössä, lisää nestettä seuraavasti:
Puhdista nestesäiliöiden korkkeja ympäröivä alue, jotta järjestelmään ei pääse likaa (Kuva 73).
Irrota korkit säiliöistä.
Täytä säiliö hitaasti oikealla hydraulinesteellä, kunnes nesteen taso ulottuu kannatinten aukkojen alareunan tasalle.
Important: Jotta järjestelmä ei likaantuisi, puhdista nesteastian yläosa ennen sen avaamista. Tarkista, että kaatonokka ja suppilo ovat puhtaat.
Important: Älä ylitäytä säiliöitä.
Laita säiliöiden korkit paikoilleen.
| Huoltoväli | Huoltotoimenpide |
|---|---|
| 50 ensimmäisen käyttötunnin jälkeen |
|
| 250 käyttötunnin välein |
|
| 400 käyttötunnin välein |
|
Tilavuus:
Vasen puoli: 1,9 litraa
Oikea puoli: 2,0 litraa
Nestetyyppi: Toro Premium Transmission tai Hydraulic Tractor Fluid, Toro Premium Universal Tractor Fluid tai Mobilfluid® 424
Pysäköi kone tasaiselle alustalle, laske lisälaite, siirrä ohjauskahvat LUKITTU VAPAA -asentoon, kytke seisontajarru, sammuta moottori ja irrota virta-avain.
Aseta tyhjennysastia vasemmanpuoleisen hydrostaattisen vaihteiston alle.
Irrota pumpun puoleinen tyhjennystulppa ja vaihteiston puoleinen tyhjennystulppa (Kuva 74) ja tyhjennä öljy kokonaan.

Irrota suodattimen suojus ja vedä suodatin ulos vaihteistosta (Kuva 75).

Asenna uusi suodatin ja suodattimen suojus.
Toista tarvittaessa vaiheet 2–5 oikeanpuoleisen hydrostaattisen vaihteiston kohdalla.
Puhdista jakoputkiston suodatinta ympäröivä alue laitteen oikealla puolella.
Aseta tyhjennysastia jakoputkiston suodattimen alle (Kuva 76).

Löysää jakoputkiston suodatinta hitaasti, kunnes nestettä pääsee valumaan tiivisteen ohi.
Irrota suodatin, kun nesteen virtaus hidastuu.
Voitele vaihtosuodattimen tiivisterengas puhtaalla hydraulinesteellä ja asenna se käsin, kunnes tiiviste koskettaa kiinnityspintaan.
Kiristä suodatinta sitten 3/4-kierrosta.
Täytä kaikki hydraulisäiliöt puhtaalla hydraulinesteellä, kunnes taso ulottuu säiliöiden kannattimien tarkistuslasien alareunaan.
Important: Älä täytä hydraulijärjestelmää liian täyteen. Katso Hydraulinesteen määrän tarkistus.
Note: Irrota kunkin hydrostaattisen vaihteiston päällä oleva tulppa (Kuva 77), jotta neste virtaa järjestelmään nopeammin. Kun nestettä alkaa tulla reiästä, asenna tulppa ja jatka säiliön täyttämistä, kunnes neste ulottuu oikealle tasolle.
Important: Tarkista, että tulpat ovat paikoillaan, ja kiristä ne ennen moottorin käynnistystä.

Käynnistä ja moottori ja anna sen käydä. Käytä nostosylinteriä, kunnes se alkaa toimia.
Tarkista, että laitteella voi ajaa eteen- ja taaksepäin.
Sammuta moottori ja tarkista säiliön nestetaso. Lisää nestettä tarvittaessa.
Tarkista, että liitokset eivät vuoda ja että hydraulijärjestelmä toimii oikein. Katso Hydraulijärjestelmän tarkastus.
Hävitä käytetty neste asianmukaisesti.
| Huoltoväli | Huoltotoimenpide |
|---|---|
| Aina ennen käyttöä tai päivittäin |
|
Tarkista päivittäin, ettei hydrauliletkuissa ja -putkissa ole vuotoja, kulumia, säävahinkoja tai kemiallisia vaurioita ja etteivät letkut ole kiertyneet eivätkä kiinnitykset tai liitännät löystyneet. Suorita kaikki tarvittavat korjaukset ennen koneen käyttöä.
| Huoltoväli | Huoltotoimenpide |
|---|---|
| Aina ennen käyttöä tai päivittäin |
|
Pysäköi kone käytön jälkeen tasaiselle alustalle, laske lisälaite, siirrä ohjauskahvat LUKITTU VAPAA -asentoon, kytke seisontajarru, sammuta moottori ja irrota virta-avain.
Pese kone huolellisesti vain puutarhaletkun avulla (ilman suutinta), jotta liiallinen vedenpaine ei aiheuta veden pääsyä laitteen osien sisälle tai vaurioita tiivisteitä tai laakereita.
Varmista, ettei jäähdytysrivoissa ja moottorin jäähdytysilmanoton ympärillä ole likaa tai roskia. Tarkasta kone puhdistuksen jälkeen mahdollisten hydraulinestevuotojen ja hydrauliosien tai mekaanisten osien vaurioiden tai kulumien varalta.
Pysäköi kone tasaiselle alustalle, siirrä ohjauskahvat LUKITTU VAPAA -asentoon, kytke seisontajarru, sammuta moottori ja irrota virta-avain.
Puhdista laite, lisälaitteet ja moottori huolellisesti.
Tarkista rengaspaine. Täytä renkaat paineeseen 0,48 bar.
Tarkista, etteivät kiinnikkeet ole löysällä, ja kiristä tarvittaessa.
Rasvaa tai öljyä kaikki rasvanipat ja nivelet. Pyyhi pois ylimääräinen voiteluaine.
Hio varovasti ja maalaa korjausmaalilla maalipinnat, jotka ovat naarmuuntuneet, lohkeilleet tai ruostuneet.
Vaihda moottorin öljy ja suodatin. Katso Moottoriöljyn vaihto.
Valmistele polttoainejärjestelmä seuraavasti:
Lisää polttoainesäiliöön öljypohjaista stabilointi-/lisäainetta. Noudata stabilointiaineen valmistajan sekoitusohjeita. Älä käytä alkoholipohjaista stabilointiainetta (etanolia tai metanolia).
Toron polttoaineen stabilointiainetta on saatavana valtuutetulta Toro-jälleenmyyjältä.
Important: Stabilointiainetta/-lisäainetta sisältävää polttoainetta ei saa säilyttää polttoaineen stabilointiaineen valmistajan suositusta kauempaa.
Note: Stabilointi-/lisäaine toimii tehokkaimmin, kun se sekoitetaan uuteen polttoaineeseen ja kun sitä käytetään jatkuvasti.
Käytä moottoria viisi minuuttia, jotta lisäaineistettu polttoaine leviää polttoainejärjestelmään.
Sammuta moottori, anna sen jäähtyä ja tyhjennä polttoainesäiliö pumpputyyppisellä lapolla. Hävitä polttoaine paikallisten asetusten mukaisesti.
Käynnistä moottori ja anna sen käydä, kunnes se sammuu.
Käytä rikastinta.
Käynnistä moottori ja käytä sitä, kunnes se ei käynnisty enää uudelleen.
Puhdista ja huolla ilmanpuhdistinjärjestelmä perusteellisesti. Katso Ilmanpuhdistimen huolto.
Tiivistä ilmanpuhdistimen imuaukko sekä pakoaukko säänkestävällä suojateipillä.
Tarkista mittatikku ja polttoainesäiliön korkki ja varmista, että ne ovat tiukasti paikoillaan.
Huolla akku ja kaapelit seuraavasti:
Irrota akkuliittimet akun navoista.
Puhdista akku, liittimet ja navat teräsharjalla ja liuoksella, jossa on ruokasoodaa.
Päällystä kaapeliliittimet ja akun navat Grafo 112X -pintarasvalla (Toron rasvalla osanro 505-47) tai vaseliinilla ruostumisen ehkäisemiseksi.
Lataa akku hitaasti 60 päivän välein 24 tunnin ajan, jotta akkuun ei muodostu lyijysulfaattia.
Note: Täysin ladatun akun ominaispaino on 1,250.
Note: Varastoi akku viileässä ympäristössä, jotta sen lataus purkautuu mahdollisimman hitaasti. Varmista, että akku on ladattu täyteen, jotta se ei jäädy.
| Problem | Possible Cause | Corrective Action |
|---|---|---|
| Käynnistin ei pyöritä. |
|
|
| Moottori ei käynnisty, käynnistyy huonosti tai ei pysy käynnissä. |
|
|
| Moottori menettää tehoaan |
|
|
| Moottori ylikuumenee |
|
|
| Laite vetää vasemmalle tai oikealle (vaikka ohjauskahvat ovat kokonaan eteenpäin). |
|
|
| Kone ei liiku. |
|
|
| Kone tärisee epänormaalisti. |
|
|