| Cadenza di manutenzione | Procedura di manutenzione |
|---|---|
| Prima di ogni utilizzo o quotidianamente |
|
Questa è una macchina multiuso destinata all’uso da parte di professionisti e operatori del verde per applicazioni commerciali. Il suo scopo primario è quello di falciare l'erba di parchi, campi da golf, campi sportivi, lungo le strade e su aree verdi commerciali. L'utilizzo di questo prodotto per scopi non conformi alle funzioni per cui è stato concepito può essere pericoloso per voi e gli astanti.
Leggete attentamente il presente manuale al fine di utilizzare e mantenere correttamente il prodotto ed evitare infortuni e danni. Siete responsabili dell'utilizzo del prodotto in maniera corretta e sicura.
Visitate il sito www.Toro.com per ricevere materiali di formazione sulla sicurezza e il funzionamento dei prodotti, avere informazioni sugli accessori, ottenere assistenza nella ricerca di un rivenditore o registrare il vostro prodotto.
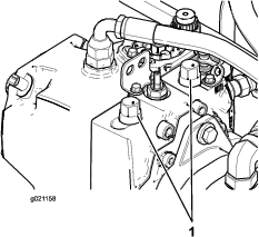
Per assistenza, ricambi originali Toro o ulteriori informazioni, rivolgetevi a un Distributore Toro autorizzato o ad un Centro Assistenza Toro ed abbiate sempre a portata di mano il numero del modello ed il numero di serie del prodotto. La Figura 1 indica la posizione del numero del modello e del numero di serie sul prodotto. Scrivete i numeri negli spazi previsti.
Important: Con il vostro dispositivo mobile, potete scansionare il codice QR sull'adesivo del numero di serie (se presente) per accedere a informazioni su garanzia, ricambi e altre informazioni sui prodotti.

Questo manuale identifica pericoli potenziali e riporta messaggi di sicurezza evidenziati dal simbolo di avviso di sicurezza (Figura 2) che segnala un pericolo che può causare lesioni personali gravi o fatali se non osserverete le precauzioni consigliate.

Per evidenziare le informazioni vengono utilizzate due parole. Importante: indica informazioni meccaniche di particolare importanza; Nota evidenzia informazioni generali di particolare rilevanza.
Questo prodotto è conforme a tutte le direttive europee pertinenti. Per informazioni dettagliate, consultate la Dichiarazione di Conformità (DICO) specifica del prodotto, fornita a parte.
Costituisce una trasgressione al Codice delle Risorse Pubbliche della California, Sezione 4442 o 4443, utilizzare o azionare questo motore su terreno forestale, sottobosco o prateria a meno che non sia dotato di parascintille, come definito nella Sezione 4442, mantenuto in efficace stato di funzionamento, o a meno che il motore sia realizzato, attrezzato o mantenuto per la prevenzione di incendi.
Il manuale d'uso del motore allegato fornisce informazioni sull'Environmental Protection Agency (EPA) degli Stati Uniti e sul regolamento del Controllo delle Emissioni dello stato della California riguardante sistemi di emissione, manutenzione e garanzia. I ricambi possono essere ordinati tramite il produttore del motore.
Se questa macchina è dotata di un dispositivo telematico, fate riferimento al vostro distributore Toro autorizzato per le istruzioni di attivazione del dispositivo.
CALIFORNIA
Avvertenza norma "Proposition 65"
I gas di scarico dei motori Diesel e alcuni dei loro elementi costitutivi sono noti allo Stato della California come cancerogeni e responsabili di difetti congeniti ed altri problemi riproduttivi.
I poli delle batterie, i morsetti e gli accessori attinenti contengono piombo e relativi composti, sostanze chimiche che nello Stato della California sono considerate cancerogene e causa di anomalie della riproduzione. Lavate le mani dopo aver maneggiato la batteria.
L'utilizzo del presente prodotto potrebbe esporre a sostanze chimiche che nello Stato della California sono considerate cancerogene e causa di anomalie congenite o di altre problematiche della riproduzione.
Questo prodotto è in grado di amputare mani e piedi, e di scagliare oggetti. Rispettate sempre tutte le norme di sicurezza per evitare gravi lesioni personali.
Leggete attentamente il contenuto di questo Manuale dell'operatore prima di avviare il motore.
Prestate la massima attenzione mentre utilizzate la macchina. Per evitare il rischio di lesioni personali o danni materiali, non impegnatevi in attività che possano causare distrazioni.
Non utilizzate la macchina senza che tutti gli schermi e gli altri dispositivi di protezione siano montati e funzionanti.
Tenete mani e piedi a distanza dalle parti rotanti. Restate lontani dall'apertura di scarico.
Tenete lontani le persone presenti e i bambini dall'area di lavoro. Non consentite mai che l'uso della macchina a ragazzi e bambini.
Spegnete il motore, togliete la chiave e attendete che tutte le parti in movimento si arrestino prima di abbandonare la posizione dell'operatore. Lasciate raffreddare la macchina prima di eseguire interventi di regolazione, manutenzione, pulizia o prima del rimessaggio.
L'errato utilizzo o l'errata manutenzione di questa
macchina può causare infortuni. Per ridurre il rischio di incidenti,
rispettate le seguenti norme di sicurezza e fate sempre attenzione
al simbolo di avviso di sicurezza
che riporta l'indicazione di Attenzione,
Avvertenza o Pericolo – istruzioni per la sicurezza personale.
Il mancato rispetto di queste istruzioni può provocare lesioni
personali anche fatali.
![]() |
Gli adesivi di sicurezza e quelli con le istruzioni sono chiaramente visibili e sono affissi accanto a zone particolarmente pericolose. Sostituite eventuali adesivi danneggiati o mancanti. |








































Note: Stabilite i lati sinistro e destro della macchina rispetto alla normale posizione di guida.
Parcheggiate la macchina su terreno pianeggiante, inserite il freno di stazionamento, spegnete il motore e togliete la chiave.
Rimuovete le fascette e gli ancoraggi che fissano i piatti laterali per la spedizione.
Parti necessarie per questa operazione:
| Copertura del piatto destro | 1 |
| Copertura del piatto sinistro | 1 |
| Cinghia trapezoidale | 2 |
Togliete i dadi che fissano i bulloni di arresto anteriore e posteriore ai supporti dei piatti delle alette di destra (Figura 3).

Sostenendo l'aletta destra, togliete i bulloni di arresto anteriore e posteriore dai supporti del piatto (Figura 3).
Note: Lasciate gli eccentrici posizionati tra i supporti del piatto.
Abbassate l'aletta nella posizione di servizio.
Montate i bulloni di arresto anteriore e posteriore attraverso i fori di montaggio superiori e gli eccentrici (Figura 4).
Note: Verificate che il bullone di arresto entri a contatto con la linguetta sul perno di cerniera.

Montate i dadi che fissano i bulloni di arresto.
Note: Non serrate i dadi in questa fase.
Ripetete questa procedura sull'aletta di sinistra.
Montate le cinghie delle alette come segue:
Iniziate disponendo la cinghia attorno alla puleggia del fusello dell'aletta e alla puleggia del fusello del piatto anteriore (Figura 5).

Utilizzando una leva a cricchetto o uno strumento simile, spostate la puleggia tendicinghia lontano dalle pulegge (Figura 5).
Disponete la cinghia attorno alla puleggia del fusello dell'aletta e alla puleggia del fusello superiore sul piatto anteriore.
Rilasciate la puleggia tendicinghia per mettere sotto tensione la cinghia.
Montate il coperchio del piatto dell'aletta e fissatelo con un fermo in gomma (Figura 6).
Note: Assicuratevi di far scorrere il coperchio sotto le linguette del coperchio del piatto anteriore centrale prima di inserirlo sui ganci di montaggio e sul montante.
Ripetete l'operazione sull'altra aletta.

Controllate la pressione degli pneumatici e delle ruote orientabili prima dell'uso; vedere Controllo della pressione degli pneumatici e Controllo della pressione degli pneumatici delle ruote orientabili.
Important: Per garantire un’ottima qualità di taglio e le prestazioni previste per questa macchina, mantenete la pressione in tutti gli pneumatici. Non usate una insufficiente pressione di gonfiaggio degli pneumatici.
Important: Le prestazioni di trazione, compreso il controllo dello slittamento degli pneumatici, dipendono dal rapporto delle dimensioni degli pneumatici anteriori e posteriori. Utilizzate solo pneumatici Toro originali.
Note: Effettuate questa procedura su terreno piano e regolare.
Vedere Regolazione dell'altezza di taglio.
Girate la lama su ciascun perno esterno, fino a disporla in parallelo con la lunghezza della macchina.
Misurate dal suolo all'estremità anteriore della lama.
Regolate gli spessori di 3 mm sulla forcella (o forcelle) della ruota orientabile anteriore, finché l’altezza di taglio non corrisponde a quella desiderata.
Ruotate le lame di 180° e misurate la distanza tra il pavimento e l'estremità della lama.
Allentate i controdadi inferiori sul bullone a U della catena dell'altezza di taglio.
Regolate i dadi per sollevare o abbassare la parte posteriore dell'apparato di taglio in modo che le punte delle lame posteriori si trovino più in alto di 6–10 mm rispetto alle punte anteriori.
Serrate i controdadi.
Girate la lama su ciascun'aletta, in modo che sia rivolta da un lato all'altro.
Allentate i bulloni e i dadi che fissano i 2 distanziali degli eccentrici alle alette (Figura 7).

Ruotate l'eccentrico anteriore fino a quando non raggiunge il massimo gioco con la superficie della scanalatura interna della staffa orientabile dell'aletta.
Ruotate l'eccentrico posteriore (più vicino al trattore) fino a quando l'estremità della lama esterna non si trova circa 3 mm più in alto dell'altezza di taglio desiderata (Figura 7).
Note: È presente una tacca sull'esagono dell'eccentrico, a 180° dal lobo sulla camma dell'eccentrico (Figura 8). Utilizzate le tacche come riferimento per la posizione dei lobi durante la regolazione degli eccentrici.

Serrate il bullone e il dado per questo eccentrico a 149 N·m.
Regolate l'eccentrico anteriore fino a quando non entra appena a contatto con la superficie della scanalatura interna delle staffe orientabili dell'aletta.
Serrate il bullone e il dado per questo eccentrico a 149 N·m.
Ripetete l'operazione sull'aletta opposta.
Controllate il livello dell'olio motore prima dell'avviamento del motore; vedere Controllo del livello dell'olio motore.
Controllate il livello del fluido idraulico prima dell'avviamento del motore; vedere Controllo del fluido idraulico.
Controllate l'impianto di raffreddamento prima di avviare il motore; vedere Verifica del sistema di raffreddamento del motore.
Ingrassate la macchina prima dell'uso; vedere Ingrassaggio di cuscinetti e boccole.
Important: In caso di mancato corretto ingrassaggio della macchina, si verificherà l'avaria prematura di componenti importanti.
Parti necessarie per questa operazione:
| Adesivo dell'anno di produzione | 1 |
Sulle macchine che richiedono la conformità CE, applicate l’adesivo dell’anno di produzione contenuto nelle parti sfuse e nel kit CE, venduto separatamente (Figura 9).


Note: Stabilite i lati sinistro e destro della macchina rispetto alla normale posizione di guida.

Il pedale di comando della trazione controlla il funzionamento in marcia avanti e retromarcia. Premete la parte superiore del pedale per fare marcia avanti e la parte inferiore per la retromarcia. La velocità di trasferimento dipende dal grado di pressione sul pedale. La velocità di trasferimento massima si ottiene premendo a fondo il pedale con l'acceleratore in posizione MINIMO SUPERIORE (Figura 11).
Per fermare la macchina, riducete la pressione sul pedale della trazione e lasciate che ritorni al centro.
L'interruttore del freno di stazionamento richiede 2 azioni per inserire il freno di stazionamento. Tenendo indietro il piccolo fermo, premete in avanti l'interruttore del freno di stazionamento per inserirlo. Premete indietro l'interruttore del freno di stazionamento per disinserirlo (Figura 11).
Premete in avanti l’interruttore delle luci di emergenza per azionare le luci di emergenza e indietro per disattivarle (Figura 11).
Premete il lato sinistro dell'interruttore degli indicatori di direzione per attivare il segnale di svolta a sinistra e il lato destro per attivare il segnale di svolta a destra (Figura 11).
Note: La posizione centrale è spenta.
L'interruttore a chiave ha 3 posizioni: ARRESTO, FUNZIONAMENTO/PRERISCALDAMENTO e AVVIAMENTO (Figura 11).
L'interruttore PDF ha 2 posizioni: DISINSERITO (avviamento) (e INSERITO (arresto). Estraete il pulsante PDF per innestare l'attrezzo o le lame del piatto di taglio. Premete il pulsante per disinnestare il funzionamento dell'attrezzo (Figura 11).
Premete la parte anteriore dell'interruttore per selezionare il RANGE DI ALTA VELOCITà. Premete la parte posteriore dell'interruttore per selezionare il RANGE DI BASSA VELOCITà. La macchina deve essere stazionaria o viaggiare a meno di 1,0 km/h per passare dal regime ALTO a quello BASSO e viceversa (Figura 11).
Il comando elettronico della velocità imposta la velocità desiderata della macchina.
Spostate il comando elettronico della velocità in posizione centrale per attivare il comando elettronico della velocità in posizione di ACCENSIONE. Spingete l'interruttore in avanti per impostare la velocità. Spingete l'interruttore indietro per disinserire il comando elettronico della velocità (Figura 11).
Note: Lo spostamento del pedale mentre si procede in retromarcia disattiva il comando elettronico della velocità.
Quando inserite il comando elettronico della velocità potete modificare la velocità utilizzando il comando dell'InfoCenter.
Gli interruttori di sollevamento del piatto sollevano e abbassano gli apparati di taglio (Figura 11).
Spingete gli interruttori in avanti per abbassare l'apparato di taglio e indietro per sollevarlo.
Note: Gli apparati di taglio non si abbassano quando la macchina si trova nel range ELEVATO di velocità e non si sollevano o abbassano se non vi trovate sul sedile mentre il motore è in funzione.
Note: La funzione di sollevamento del piatto è limitata alle velocità del motore inferiori a 2.000 giri/min. Solo un piatto alla volta si solleva alle velocità inferiori a 2.000 giri/min.
L'interruttore dell'acceleratore ha 2 posizioni: MINIMO INFERIORE e MINIMO SUPERIORE (Figura 11).
Spingete in avanti l'interruttore per 2 secondi o più per impostare l'acceleratore in posizione di regime MINIMO SUPERIORE; spingete indietro l'interruttore per 2 secondi o più per impostare l'acceleratore in posizione MINIMO INFERIORE; oppure spingete momentaneamente l'interruttore in qualsiasi direzione per aumentare o diminuire la velocità del motore in incrementi di 100 giri/min.
Premete l'interruttore delle luci verso l'alto per attivare i fari in posizione di ACCENSIONE (Figura 11).
Premete l'interruttore delle luci verso il basso per disattivare i fari in posizione di SPEGNIMENTO.
Premete il pulsante dell'avvisatore acustico per attivare l'avvisatore acustico (Figura 11).
Spingete verso l'esterno la leva di regolazione del sedile a fianco del sedile, fate scorrere il sedile nella posizione desiderata e lasciate andare la leva per bloccarlo in tale posizione (Figura 12).

Ruotate la manopola per regolare l'inclinazione del bracciolo (Figura 12).
Spostate la leva per regolare l'inclinazione dello schienale (Figura 12).
L’indicatore del peso indica quando il sedile è regolato secondo il peso dell’operatore (Figura 12). Regolate l'altezza posizionando la sospensione all'interno dei parametri della zona verde.
Utilizzate questa leva per regolare in base al peso corretto dell'operatore (Figura 12). Sollevate la leva per aumentare la pressione dell'aria e abbassate la leva per diminuire la pressione dell'aria. La regolazione corretta si ottiene quando l'indicatore del peso è nella zona verde.
Potete inserire il caricatore portatile nelle porte USB per caricare un dispositivo personale, come un telefono o un altro dispositivo elettronico (Figura 11).
L'allarme si attiva quando viene rilevato un guasto.
Il cicalino suona quando si verificano le seguenti condizioni:
Il motore invia un guasto arresto
Il motore invia un guasto controllo motore
Il livello del carburante è basso

Il comando di ricircolo dell'aria imposta il ricircolo dell'aria nella cabina o il prelievo dell'aria nella cabina dall'esterno (Figura 13).
Impostate il ricircolo dell'aria quando è in uso l'aria condizionata.
Impostate il prelievo dell'aria dall'esterno quando è in uso il riscaldamento o la ventola.
Ruotate la manopola di comando della ventilazione per regolare la velocità della ventola (Figura 13).
Ruotate la manopola di comando della temperatura per regolare la temperatura dell'aria all'interno della cabina (Figura 13).
Utilizzate questo interruttore per azionare o spegnere i tergicristalli del parabrezza (Figura 13).
Utilizzate questo interruttore per azionare o spegnere l'aria condizionata (Figura 13).
Tirate verso l'alto le leve per aprire il parabrezza (Figura 14). Premete sulla leva per bloccare il parabrezza posizione APERTA. Tirate verso l'esterno e il basso la leva per chiudere e bloccare il parabrezza.

Tirate verso l'alto le leve per aprire il finestrino posteriore. Premete il fermo verso l'interno per bloccare il finestrino in posizione di APERTURA. Tirate verso l'esterno e il basso la leva per chiudere e bloccare il finestrino (Figura 14).
Important: Chiudete il finestrino posteriore prima di aprire il cofano o potrebbe verificarsi un danno al cofano o al finestrino posteriore.
Note: Specifiche e disegno sono soggetti a variazione senza preavviso.

| Descrizione | Figura 15 riferimento | Dimensioni o peso | |
| Altezza con cabina | C | 240 cm | |
| Altezza con roll bar | I | 216 cm | |
| Lunghezza totale | F | 442 cm | |
| Lunghezza per rimessaggio o trasferimento | G | 434 cm | |
| Larghezza di taglio | |||
| totale | D | 488 cm | |
| apparato di taglio anteriore | 234 cm | ||
| apparato di taglio laterale | 145 cm | ||
| apparato di taglio anteriore e uno laterale | 361 cm | ||
| Larghezza totale | |||
| apparati di taglio abbassati | E | 506 cm | |
| apparati di taglio sollevati (posizione di trasferimento) | B | 251 cm | |
| Interasse | H | 194 cm | |
| Carreggiata (da centro a centro dello pneumatico) | |||
| anteriore | A | 159 cm | |
| posteriore | J | 142 cm | |
| Distanza da terra | 25,4 cm | ||
| Peso netto con cabina | 3313 kg | ||
| Peso netto con roll bar | 3044 kg | ||
Per ottimizzare e ampliare le applicazioni della macchina, è disponibile una gamma di attrezzi e accessori approvati da Toro per l'uso con la macchina. Richiedete la lista degli attrezzi ed accessori approvati ad un Centro Assistenza Toro o ad un Distributore autorizzati, oppure visitate www.Toro.com
Per garantire prestazioni ottimali e mantenere sempre la macchina in conformità alle norme di sicurezza, utilizzate esclusivamente ricambi e accessori originali Toro. Ricambi e accessori di altri produttori potrebbero risultare pericolosi e il loro impiego potrebbe far decadere la garanzia del prodotto.
Note: Stabilite i lati sinistro e destro della macchina rispetto alla normale posizione di guida.
Non consentite l'uso e la manutenzione della macchina a ragazzi, bambini o adulti senza adeguata formazione. Le normative locali possono imporre limiti all'età dell'operatore. Il proprietario è responsabile della formazione di tutti gli operatori e i meccanici.
Familiarizzate con il funzionamento sicuro dell'apparecchiatura, dei comandi dell'operatore e degli adesivi di sicurezza.
Spegnete il motore, togliete la chiave e attendete che tutte le parti in movimento si arrestino prima di abbandonare la posizione dell'operatore. Lasciate raffreddare la macchina prima di eseguire interventi di regolazione, manutenzione, pulizia o prima del rimessaggio.
Imparate come arrestare la macchina e spegnere rapidamente il motore.
Verificate che i comandi di presenza dell'operatore, gli interruttori di sicurezza e le protezioni siano fissati e correttamente funzionanti. Se non funzionano correttamente, non azionate la macchina.
Prima della tosatura, ispezionate sempre la macchina per accertarvi che le lame, i bulloni delle lame e i gruppi di taglio siano in condizioni di funzionamento ottimali. Sostituite in serie lame e bulloni usurati o danneggiati per mantenere il bilanciamento.
Ispezionate l'area dove utilizzerete la macchina e rimuovete tutti gli oggetti che potrebbero essere scagliati via dalla macchina.
Questo prodotto genera un campo elettromagnetico. Se indossate un dispositivo medico elettronico impiantabile, consultate il vostro medico prima di utilizzare il prodotto.
Prestate estrema cautela quando maneggiate il carburante. È infiammabile e produce vapori esplosivi.
Spegnete sigarette, sigari, pipe e altre fonti di ignizione.
Utilizzate soltanto taniche per carburanti approvate.
Non rimuovete il tappo del carburante e non rabboccate il serbatoio del carburante mentre il motore è in funzione o è caldo.
Non rabboccate e non spurgate il carburante in uno spazio chiuso.
Non rimessate la macchina o la tanica del carburante in luoghi in cui siano presenti fiamme aperte, scintille o spie, come uno scaldabagno o altri apparecchi.
Se del carburante dovesse fuoriuscire, non tentate di avviare il motore, evitate di creare fonti di ignizione fino a quando i vapori di carburante non saranno evaporati.
Prima di avviare il motore e di utilizzare la macchina, controllate il livello dell'olio nella coppa; vedere Controllo del livello dell'olio motore.
Prima di avviare il motore e di utilizzare la macchina, controllate l'impianto di raffreddamento; vedere Verifica del sistema di raffreddamento del motore.
Prima di avviare il motore e di utilizzare la macchina, controllate l'impianto idraulico; vedere Controllo del fluido idraulico.
132 litri
Important: Utilizzate solamente gasolio con un contenuto di zolfo molto bassa. Il carburante con valori superiori di zolfo degrada il catalizzatore dell'ossidazione del diesel (DOC), causando problemi operativi e abbreviando la durata operativa dei componenti del motore.La mancata osservanza delle seguenti precauzioni può danneggiare il motore.
Non utilizzate mai cherosene o benzina al posto di carburante diesel.
Non miscelate mai cherosene o olio motore già usato con il gasolio.
Non conservate mail il carburante in contenitori con rivestimento interno in zinco.
Non utilizzate additivi per il carburante.
Valore nominale di cetano: 45 o superiore
Contenuto di zolfo: zolfo ultra basso (<15 ppm)
| Specifiche del carburante diesel | Posizione |
| ASTM D975 | USA |
| N. 1-D S15 | |
| N. 2-D S15 | |
| EN 590 | Unione europea |
| ISO 8217 DMX | Internazionale |
| JIS K2204 grado n. 2 | Giappone |
| KSM-2610 | Corea |
Utilizzate solo carburante diesel o carburanti biodiesel freschi e puliti.
Acquistate il carburante in quantità tali che ne consentano il consumo entro 180 giorni in modo da garantirne la freschezza.
Utilizzate gasolio per uso estivo (n. 2-D) a temperature superiori a -7 °C e gasolio per uso invernale (n. 1-D o miscela n. 1-D/2-D) a temperature inferiori a -7 °C.
Note: L'uso di carburante per uso invernale a basse temperature assicura un punto di infiammabilità inferiore e caratteristiche di flusso a freddo che agevolano l'avvio e riducono la chiusura del filtro del carburante.L'uso del carburante per uso estivo a temperature superiori a -7 °C contribuisce a una più lunga durata della pompa del carburante e a una maggiore potenza rispetto al carburante per uso invernale.
Questa macchina può anche funzionare con una miscela di biodiesel fino a B20 (20% biodiesel, 80% gasolio).
Contenuto di zolfo: zolfo ultra basso (<15 ppm)
Specifiche del carburante biodiesel: ASTM D6751 o EN 14214
Specifiche della miscela di carburante: ASTM D975, EN 590 o JIS K2204
Important: La porzione di diesel deve avere un contenuto ultra basso di zolfo.
Prendete le seguenti precauzioni:
Le miscele di biodiesel possono danneggiare le superfici verniciate.
In caso di condizioni atmosferiche fredde utilizzate miscele B5 (contenuto di biodiesel pari al 5%) o inferiori.
Monitorate le guarnizioni di tenuta, i flessibili e le guarnizioni a contatto con il carburante, poiché con il tempo potrebbero degradarsi.
Dopo la conversione a miscele di biodiesel, per un certo periodo il filtro del carburante potrebbe risultare intasato.
Per maggiori informazioni sul biodiesel contattate il vostro distributore Toro autorizzato.
Parcheggiate la macchina su terreno pianeggiante (Figura 16).
Spegnete il motore, togliete la chiave e inserite il freno di stazionamento.
Pulite intorno al tappo del serbatoio carburante e togliete il tappo.
Aggiungete il carburante e montate il tappo del serbatoio del carburante. Tergete il carburante eventualmente versato.

| Cadenza di manutenzione | Procedura di manutenzione |
|---|---|
| Prima di ogni utilizzo o quotidianamente |
|
La pressione esatta è di 2,2 bar negli pneumatici anteriori e 2,07 bar in quelli posteriori, come illustrato nella Figura 17.
Important: Per garantire un'ottima qualità di taglio e le prestazioni previste per questa macchina, mantenete la pressione in tutti gli pneumatici. Non usate una insufficiente pressione di gonfiaggio degli pneumatici.Verificate la pressione dell'aria in tutti gli pneumatici prima di utilizzare la macchina.Le prestazioni di trazione, compreso il controllo dello slittamento degli pneumatici, dipendono dal rapporto delle dimensioni degli pneumatici anteriori e posteriori. Utilizzate solo pneumatici Toro originali.

La pressione giusta dell'aria negli pneumatici delle ruote orientabili è di 3,40 bar.
Important: Per garantire un'ottima qualità di taglio e le prestazioni previste per questa macchina, mantenete la pressione in tutti gli pneumatici. Non usate una insufficiente pressione di gonfiaggio degli pneumatici.Verificate la pressione dell'aria in tutti gli pneumatici prima di utilizzare la macchina.
| Cadenza di manutenzione | Procedura di manutenzione |
|---|---|
| Dopo le prime 10 ore |
|
| Ogni 250 ore |
|
Il mancato serraggio dei dadi delle ruote alla coppia prevista può causare guasti o la perdita di una ruota, pregiudicando l’integrità fisica delle persone.
Serrate i dadi delle ruote anteriori e posteriori a 135–150 N∙m, in conformità con il programma di manutenzione.
Potete regolare l'altezza di taglio da 25 a 153 mm, con incrementi di 13 mm. Per regolare l'altezza di taglio, posizionate i fuselli delle ruote orientabili nei fori superiori o inferiori delle forcelle delle ruote orientabili, aggiungete o togliete un numero uguale di distanziali dalle forcelle e fissate la catena posteriore (solo piatto anteriore) nei fori opportuni.
Avviate il motore e sollevate gli apparati di taglio per modificare l'altezza di taglio.
Spegnete il motore e togliete la chiave una volta sollevato l'apparato di taglio.
Posizionate gli assali delle ruote orientabili negli stessi fori di tutte le forcelle; fate riferimento al grafico (Figura 18) per determinare i fori corretti per l'impostazione.
Note: Per evitare accumuli di erba tra la ruota e la forcella, azionate la macchina a un'altezza di taglio di 76 mm o superiore e montate il bullone dell'assale nel foro della forcella della ruota orientabile inferiore. Quando utilizzate la macchina ad altezze di taglio inferiori a 76 mm e notate depositi di erba falciata, invertite la direzione della macchina per eliminare i frammenti di erba dalle adiacenze della ruota e della forcella.

Utilizzando la chiave del cappuccio delle ruote orientabili, allentate il cappuccio di tensione e toglietelo dall'asse del perno della ruota orientabile ed estraete il perno dal braccio della ruota orientabile (Figura 19).

Mettete il numero opportuno di distanziali sull'asse del perno, fino ad ottenere l'altezza di taglio richiesta.
Note: Fate riferimento allo schema per stabilire le combinazioni di distanziali necessari per la regolazione (Figura 18).
Note: Potete utilizzare gli spessori in qualsiasi combinazione sopra o sotto il mozzo del braccio della ruota orientabile (come richiesto) per ottenere l'altezza di taglio o il livello del piatto desiderati.
Spingete l'albero della ruota orientabile nel braccio della ruota orientabile anteriore.
Montate gli spessori (come in origine) e i distanziali rimanenti sull’albero (Figura 19).
Montate il cappuccio di tensione e serratelo con la chiave del cappuccio della ruota orientabile in dotazione per fissare il gruppo (Figura 19).
Togliete la coppiglia e il perno con testa che fissano le catene dell'altezza di taglio sul retro dell'apparato di taglio (Figura 20).

Montate le catene dell'altezza di taglio nel foro dell'altezza di taglio desiderata usando il perno con testa e la coppiglia (Figura 21).
Note: Quando tosate a un'altezza inferiore a 51 mm, spostate i pattini, le ruote limitatrici e i rulli nei fori superiori.

Avviate il motore e sollevate gli apparati di taglio per modificare l'altezza di taglio.
Quando l’apparato di taglio è sollevato, spegnete il motore e togliete la chiave.
Posizionate gli assali delle ruote orientabili negli stessi fori di tutte le forcelle; fate riferimento al grafico (Figura 22) per determinare i fori corretti per l'impostazione dell'altezza di taglio.
Note: Per evitare accumuli di erba tra la ruota e la forcella, azionate la macchina a un'altezza di taglio di 76 mm o superiore e montate il bullone dell'assale nel foro della forcella della ruota orientabile inferiore. Quando utilizzate la macchina ad altezze di taglio inferiori a 76 mm e notate depositi di erba falciata, invertite la direzione della macchina per eliminare i frammenti di erba dalle adiacenze della ruota e della forcella.

Utilizzando la chiave del cappuccio delle ruote orientabili, allentate il cappuccio di tensione e toglietelo dall'asse del perno della ruota orientabile ed estraete il perno dal braccio della ruota orientabile (Figura 23).
Note: Potete utilizzare gli spessori in qualsiasi combinazione sopra o sotto il mozzo del braccio della ruota orientabile come richiesto per ottenere l'altezza di taglio o il livello del piatto desiderati.

5. Montate 2 spessori sull'albero come originariamente montato e mettete il numero opportuno di distanziali sull'asse del perno, fino ad ottenere l'altezza di taglio richiesta.
Spingete l'albero della ruota orientabile nel braccio della ruota orientabile.
Montate gli spessori (come in origine) e i distanziali rimanenti sull’albero.
Montate il cappuccio di tensione e serratelo con la chiave del cappuccio della ruota orientabile in dotazione per fissare il gruppo.
Montate i pattini interni nella posizione inferiore per lavori con altezze di taglio superiori a 51 mm e nella posizione superiore per altezze di taglio inferiori.
Regolate i pattini interni (Figura 24).
Important: Serrate la vite davanti a ciascun pattino interno a un valore compreso tra 9 e 11 N·m.

Montate i pattini esterni nella posizione inferiore per lavori con altezze di taglio superiori a 51 mm e nella posizione superiore per altezze di taglio inferiori.
Note: Quando i pattini esterni sono consumati, potete capovolgerli e utilizzarli sui lati opposti del tosaerba. Potrete così utilizzare più a lungo i pattini esterni prima di sostituirli.
Regolate i pattini esterni (Figura 25).
Important: Serrate la vite davanti a ciascun pattino esterno a un valore compreso tra 9 e 11 N·m.


Montate il rullo nella posizione inferiore per lavori con altezze di taglio superiori a 51 mm e in una posizione superiore per altezze di taglio inferiori.
Poiché sono possibili differenze nelle condizioni dell'erba e nelle regolazioni di contrappeso dell'unità motrice, falciate un'area di prova e controllatene l'aspetto prima di iniziare il taglio dell'intera area.
Regolate tutti gli apparati di taglio all'altezza di taglio desiderata; fate riferimento a Regolazione dell'altezza di taglio.
Controllate e regolate la pressione degli pneumatici anteriori e posteriori.
Note: La pressione esatta è di 2,2 bar negli pneumatici anteriori e 2,07 bar in quelli posteriori.
Controllate la pressione delle ruote orientabili e regolatela a 3,40 bar.
Controllate le pressioni di sollevamento e contrappeso con l'acceleratore del motore al MINIMO SUPERIORE, utilizzando i fori diagnostici; fate riferimento a Ispezione dei fori diagnostici dell'impianto idraulico.
Controllate le lame curve; fate riferimento a Verifica dell'assenza di curvatura della lama.
Tagliate l'erba in una zona di prova al fine di stabilire se tutti gli apparati di taglio lavorano alla stessa altezza.
Se avete la necessità di regolare un apparato di taglio, individuate una superficie piatta, verificandone la planarità con un regolo da 2 m o più lungo.
Per agevolare la misurazione del livello della lama, sollevate l'altezza di taglio alla massima posizione; vedere Regolazione dell'altezza di taglio.
Abbassate gli apparati di taglio su una superficie piana e togliete le protezioni dalla parte superiore degli apparati di taglio.
Girate la lama di ciascun perno fino a disporla in parallelo con la lunghezza della macchina.
Solo per il fusello della lama esterna, regolate in modo equo gli spessori sulle forcelle della ruota orientabile anteriore finché l'altezza di taglio non corrisponde a quella desiderata.
Misurate dal suolo all'estremità anteriore della lama di taglio.
Ruotate la lama di 180° e misurate la distanza tra il pavimento e l'estremità della lama di taglio.
Note: Vale a dire, il retro della lama deve essere 7,6 mm più alto del davanti.
Note: Se è necessario fare una regolazione, regolate gli spessori sulle forcelle della ruota orientabile posteriore.
Posizionate le estremità della lama sul fusello esterno di entrambi gli apparati di taglio laterali.
Misurate dal suolo fino alla punta del tagliente di entrambi gli apparati e raffrontate le misure.
Note: La differenza tra questi valori non deve superare i 3 mm. A questo punto non fate alcuna regolazione.
Posizionate le estremità della lama sul fusello interno dell'apparato di taglio laterale e sul fusello esterno corrispondente dell'apparato di taglio anteriore.
Misurate dal suolo fino alla punta del tagliente sul bordo interno dell'apparato di taglio laterale e al corrispondente bordo esterno dell'apparato di taglio anteriore, e raffrontate.
Note: Le ruote orientabili degli apparati di taglio laterali devono rimanere a contatto con il suolo quando il contrappeso è montato.
Note: Nel caso in cui sia necessaria una messa a punto per ottenere la corrispondenza del taglio tra gli apparati di taglio anteriore e laterali, regolate soltanto gli apparati di taglio laterali.
Se il bordo interno dell’apparato di taglio laterale è troppo alto rispetto al bordo esterno dell’apparato di taglio anteriore, togliete uno spessore dalla base del braccio della ruota orientabile anteriore interna dell’apparato di taglio laterale (Figura 28 e Figura 29).
Note: Ricontrollate la misura tra i bordi esterni di entrambi gli apparati di taglio laterali e tra il bordo interno dell'apparato di taglio laterale e il bordo esterno dell'apparato di taglio anteriore.


Se il bordo interno è ancora troppo alto, togliete un altro spessore dalla base del braccio della ruota orientabile anteriore interna dell'apparato di taglio laterale e uno spessore dal braccio della ruota orientabile anteriore esterna dell'apparato di taglio laterale (Figura 28 e Figura 29).
Se il bordo interno dell’apparato di taglio laterale è troppo basso rispetto al bordo esterno dell’apparato di taglio anteriore, aggiungete uno spessore (3 mm) alla base del braccio della ruota orientabile anteriore interna dell’apparato di taglio laterale (Figura 28 e Figura 29).
Note: Ricontrollate la misura tra i bordi esterni di entrambi gli apparati di taglio laterali e tra il bordo interno dell'apparato di taglio laterale e il bordo esterno dell'apparato di taglio anteriore.
Se il bordo interno è ancora troppo basso, aggiungete un altro spessore alla base del braccio della ruota orientabile anteriore interna dell'apparato di taglio laterale e aggiungete uno spessore al braccio della ruota orientabile anteriore esterna dell'apparato di taglio laterale.
Quando l'altezza di taglio ai bordi degli apparati di taglio anteriore e laterali corrisponde, verificate che l'inclinazione dell'apparato di taglio sia sempre di 7,6 mm.
Stando seduti al posto di guida, regolate lo specchietto retrovisore per ottenere la visuale ottimale dell'area oltre il finestrino posteriore. Tirate la leva indietro per inclinare lo specchietto e ridurre la luminosità e il riverbero della luce (Figura 30).

Stando seduti al posto di guida, fatevi aiutare da un'altra persona per regolare gli specchietti esterni e ottenere la visuale ottimale dell'area ai lati della macchina (Figura 30).
Allentate i dadi di fissaggio e posizionate ogni faro in modo tale che punti esattamente diritto.
Note: Serrate il dado di fissaggio quel tanto necessario a mantenere il faro nella posizione che gli avete dato.
Collocate un pezzo di lamiera piatta sulla parte frontale del faro.
Applicate un rapportatore magnetico sulla piastra.
Tenendo in posizione l'insieme così ottenuto, con cautela inclinate il faro di 3° verso il basso, quindi serrate il dado.
Ripetete l'operazione sull'altra luce anteriore.
Se gli interruttori di sicurezza sono scollegati o guasti, la macchina può muoversi improvvisamente e causare incidenti.
Non manomettete né disattivate i sistemi di sicurezza.
Ogni giorno, controllate il funzionamento dei microinterruttori di sicurezza, e prima di azionare la macchina sostituite gli interruttori guasti.
Il sistema dei microinterruttori di sicurezza è progettato per disattivare la trazione quando l'operatore abbandona il posto di guida con il pedale della trazione fuori dalla posizione di FOLLE. Anche la trasmissione del piatto di taglio si disinserisce alle stesse condizioni. Tuttavia potete lasciare il sedile mentre il motore è acceso se il pedale della trazione è in posizione di FOLLE.
Guidate lentamente la macchina in una zona ampia e aperta.
Abbassate l'apparato (o gli apparati) di taglio, spegnete il motore ed innestate il freno di stazionamento.
Spostate il pedale della trazione dalla posizione di FOLLE e avviate il motore.
Note: Il motore non dovrebbe avviarsi. Se si avvia, significa che il sistema di sicurezza non funziona correttamente ed è necessario riparare il guasto prima di riprendere il lavoro.
Togliete il piede dal pedale di comando della trazione, avviate il motore e inserite il freno di stazionamento.
Con il motore in funzione, togliete il pedale della trazione dalla posizione di FOLLE.
Note: La trazione non dovrebbe funzionare. Se funziona, significa che il sistema di sicurezza non funziona correttamente ed è necessario riparare il guasto prima di riprendere il lavoro.
Avviate il motore.
Con il motore in funzione, sollevatevi dal sedile e innestate la PDF.
Note: La PDF non deve innestarsi. Se si innesta, significa che il sistema di sicurezza non funziona correttamente ed è necessario riparare il guasto prima di riprendere il lavoro.
Sedetevi sul sedile e disinnestate la PDF.
Con il motore in funzione, inserite la PDF e sollevatevi dal sedile.
Note: La trasmissione della PDF dovrebbe disinnestarsi dopo un ritardo di 1 secondo. Se non si spegne, significa che il sistema di sicurezza non funziona correttamente ed è necessario riparare il guasto prima di riprendere il lavoro.
Sedetevi sul sedile, disinnestate la PDF e avviate il motore.
Con il motore in funzione, innestate la PDF e sollevate ciascun apparato di taglio singolarmente.
Note: Le lame dell'apparato di taglio sollevato dovrebbero fermarsi. Se le lame non si fermano, significa che il sistema di sicurezza non funziona correttamente ed è necessario correggerlo prima di riprendere il lavoro.
| Cadenza di manutenzione | Procedura di manutenzione |
|---|---|
| Prima di ogni utilizzo o quotidianamente |
|
Le lame dell'apparato di taglio devono arrestarsi completamente circa 5 secondi dopo la chiusura dell’interruttore d’innesto del piatto di taglio.
Note: Assicuratevi di abbassare i piatti di taglio su tappeto erboso pulito o su una superficie solida pulita, per evitare di scagliare polvere e detriti. Per verificare il tempo di arresto, chiedete a qualcuno di mettersi dietro il piatto di taglio, a 6 metri o più di distanza, e di guardare le lame di uno degli apparati di taglio. Disinserite gli apparati di taglio e prendete nota del tempo trascorso prima che le lame siano pervenute a un arresto completo. Se il tempo è superiore a 7 secondi, regolate la valvola frenante; contattate il vostro distributore Toro autorizzato per richiedere assistenza per questa regolazione.
Il proprietario/operatore è tenuto a evitare incidenti che possano causare lesioni personali o danni materiali.
Indossate un abbigliamento idoneo, inclusi occhiali di protezione, pantaloni lunghi, calzature antiscivolo robuste e protezioni per le orecchie. Legate i capelli lunghi e non indossate indumenti larghi o gioielli pendenti. Indossate una mascherina antipolvere in ambienti di lavoro polverosi.
Non utilizzate la macchina se siete malati, stanchi o sotto l'effetto di alcol o droghe.
Prestate la massima attenzione mentre utilizzate la macchina. Non svolgete nessuna attività che vi possa distrarre; in caso contrario potrebbero verificarsi infortuni o danni.
Prima di avviare il motore, accertatevi che tutte le trasmissioni siano in posizione di folle, che il freno di stazionamento sia innestato e che vi troviate nella posizione operativa.
Non trasportate passeggeri sulla macchina e tenete lontane le persone presenti e i bambini dall'area operativa.
Utilizzate la macchina solo in buone condizioni di visibilità, in modo tale da poter evitare buche o pericoli nascosti.
Evitate la tosatura sull'erba bagnata. La trazione ridotta può causare lo slittamento della macchina.
Tenete mani e piedi a distanza dalle parti rotanti. Restate lontani dall'apertura di scarico.
Prima di fare marcia indietro, guardate indietro e abbassate lo sguardo per accertarvi che il percorso sia libero.
Prestate attenzione quando vi avvicinate ad angoli ciechi, cespugli, alberi o altri oggetti che possano ostacolare la visuale.
Fermate le lame ogni volta che non state effettuando la tosatura.
Spegnete la macchina, togliete la chiave e attendete che tutte le parti in movimento si arrestino prima di ispezionare l'attrezzo dopo avere urtato un oggetto o in caso di vibrazioni anomale della macchina. Effettuate tutte le riparazioni necessarie prima di riprendere le operazioni.
Rallentate e fate attenzione quando eseguite curve o attraversate strade e marciapiedi con la macchina. Date sempre la precedenza.
Disinnestate la trasmissione all'apparato di taglio, spegnete il motore, togliete la chiave e attendete che si arresti ogni movimento prima di regolare l'altezza di taglio (a meno che non possiate regolarla dalla posizione operativa).
Azionate il motore solo in aree ben ventilate. I gas di scarico possono contenere monossido di carbonio, che è letale se inalato.
Non lasciate incustodita la macchina in funzione.
Prima di abbandonare la posizione dell'operatore, effettuate le seguenti operazioni:
Parcheggiate la macchina su terreno pianeggiante.
Disinnestate la presa di forza e abbassate al suolo l'attrezzatura.
Inserite il freno di stazionamento.
Spegnete il motore e togliete la chiave.
Attendete che tutte le parti in movimento si arrestino.
Utilizzate la macchina solo quando la visibilità è ottimale. Non utilizzate la macchina se c'è rischio di fulmini.
Non usate la macchina come veicolo di traino.
Utilizzate solo accessori, attrezzi e ricambi approvati da Toro.
Utilizzate la trazione elettronica (se presente) solo quando potete utilizzare la macchina in un'area aperta e pianeggiante, priva di ostacoli e dove la macchina possa procedere a velocità costante, senza interruzioni.
Il sistema di protezione antiribaltamento (ROPS) è un dispositivo di sicurezza integrato ed efficace.
Non rimuovete alcuno dei componenti del sistema di protezione antiribaltamento (ROPS) dalla macchina.
Accertatevi che la cintura di sicurezza sia fissata alla macchina.
Tirate la cinghia della cintura sulle ginocchia e allacciatela all'alloggiamento sull'altro lato del sedile.
Per scollegare la cintura di sicurezza, tenetela ferma, premete il pulsante sull'alloggiamento per rilasciarla e guidatela nell'apertura di ritrazione automatica. Accertatevi di poter rilasciare rapidamente la cintura in caso di emergenza.
Verificate con attenzione l'eventuale presenza di ostacoli al di sopra della macchina e non entrate a contatto con tali ostacoli.
Mantenete il sistema di protezione antiribaltamento (ROPS) in condizioni operative sicure effettuando periodicamente ispezioni accurate e accertandovi che i fermi di montaggio siano stretti.
Sostituite i componenti del sistema di protezione antiribaltamento (ROPS) danneggiati. Non effettuate riparazioni o modifiche.
Una cabina installata da Toro è un roll bar.
Mettete sempre la cintura di sicurezza.
Le pendenze sono un importante fattore che influisce su incidenti causati da perdita di controllo e ribaltamento che possono provocare lesioni personali gravi o fatali. Siete responsabili del funzionamento sicuro in pendenza. L'utilizzo della macchina in pendenza richiede un livello di attenzione superiore.
Valutate le condizioni del sito per determinare se la pendenza è sicura per l'utilizzo della macchina, effettuando anche un sopralluogo del sito. Basatevi sempre su buon senso e giudizio quando effettuate questa ricognizione.
Consultate le istruzioni relative alle pendenze elencate di seguito per l'utilizzo della macchina in pendenza e per determinare se potete utilizzare la macchina nelle condizioni di un particolare giorno e su un particolare sito. I cambiamenti del terreno possono determinare un cambiamento del funzionamento in pendenza della macchina.
Evitate di avviare, arrestare o sterzare quando la macchina procede in pendenza. Evitate repentini cambiamenti di velocità o direzione. Svoltate lentamente e in maniera graduale.
Non azionate la macchina in condizioni in cui la trazione, la sterzata o la stabilità possono essere compromessi.
Rimuovete o segnalate le ostruzioni, come fossati, buche, solchi, dossi, rocce o altri pericoli nascosti. L'erba alta può nascondere ostacoli. Su terreni accidentati la macchina potrebbe ribaltarsi.
Siate consapevoli che l'utilizzo della macchina su erba bagnata, trasversalmente su pendenze o in discesa può causare una perdita di trazione della macchina. La perdita di trazione delle ruote motrici può comportare uno slittamento e una perdita di capacità frenante e sterzante.
Prestate estrema cautela durante l'utilizzo della macchina in prossimità di scarpate, fossati, terrapieni, zone d'acqua pericolose o altri pericoli. La macchina potrebbe ribaltarsi improvvisamente nel caso in cui una ruota supera il ciglio o se il ciglio cede. Individuate un margine di sicurezza tra la macchina ed eventuali pericoli.
Individuate i pericoli alla base della pendenza. In presenza di pericoli, tosate il terreno in pendenza con una macchina a spinta.
Se possibile, tenete abbassati gli apparati di taglio a terra durante l'uso della macchina in pendenza. Il sollevamento degli apparati di taglio durante l'uso in pendenza può causare l'instabilità della macchina.
Prestate estrema cautela con i sistemi di raccolta dello sfalcio o altri attrezzi. Tali attrezzi possono influire sulla stabilità della macchina e farvi perdere il controllo.
Verificate che il freno di stazionamento sia inserito.
Togliete il piede dal pedale della trazione e verificate che sia in FOLLE.
Girate la chiave di accensione in posizione di FUNZIONAMENTO.
Quando l'intensità della spia della candela a incandescenza si affievolisce, girate la chiave di accensione in posizione di AVVIAMENTO.
Rilasciate immediatamente la chiave quando il motore si avvia e lasciate che torni in posizione di FUNZIONAMENTO.
Lasciate riscaldare il motore a velocità bassa (senza carico) per 3-5 minuti, poi azionate l'interruttore dell'acceleratore per ottenere la velocità del motore desiderata.
Important: Il motore dello starter si disinserisce automaticamente dopo 30 secondi per evitare un guasto prematuro del motore dello starter. Se il motore non si avvia dopo 30 secondi, girate la chiave in posizione di SPEGNIMENTO, controllate nuovamente la posizione dei comandi e le procedure, attendete 2 minuti e ripetete la procedura di avviamento.
Note: Quando la temperatura del fluido idraulico è inferiore a 4 °C, la macchina funziona in modalità riscaldamento, limitando la velocità del motore a 1.650 giri/min ed evitando il funzionamento della trasmissione della trazione nel range di massima. Quando la temperatura del fluido raggiunge 4 °C, la modalità di riscaldamento si disattiva.
Impostate l'interruttore dell'acceleratore nella posizione MINIMO INFERIORE.
Spostate l’interruttore PDF in posizione di SPEGNIMENTO.
Inserite il freno di stazionamento.
Ruotate la chiave di accensione in posizione di SPEGNIMENTO.
Togliete la chiave dall'interruttore per evitare l'avviamento accidentale del motore.
Important: Al termine di un'operazione a pieno carico, lasciate girare il motore al minimo per 5 minuti prima di spegnerlo. La mancata osservanza di questa istruzione può causare problemi al turbocompressore.
Stando seduti sul sedile dell'operatore, avviate il motore.
Note: Ogni volta che azionate la macchina a un regime inferiore a 2000 giri/min (ad es. quando fate girare il motore al minimo inferiore o spostate la macchina dentro o fuori da un edificio), non sarete in grado di sollevare tutti gli apparati di taglio contemporaneamente. Potrete sollevare solo un apparato di taglio per volta.
Spingete indietro gli interruttori di sollevamento dei piatti di taglio per sollevare i piatti.
Utilizzando la maniglia, sganciate i fermi che fissano i piatti in posizione sollevata.
Stando seduti sul sedile dell'operatore, girate la chiave di accensione in posizione di FUNZIONAMENTO (Figura 31).

Spingete in avanti gli interruttori di sollevamento dei piatti di taglio per abbassare i piatti.
Il filtro antiparticolato (DPF) rimuove la fuliggine dal gas di scarico del motore.
Il processo di rigenerazione del DPF utilizza il calore proveniente dallo scarico del motore che viene amplificato dal catalizzatore per ridurre la fuliggine accumulata in cenere.
Per mantenere pulito il DPF occorre tenere a mente quanto segue.
Fate girare il motore al regime massimo tutte le volte che è possibile per favorire l'autopulizia del DPF.
Utilizzate olio motore appropriato.
Riducete il più possibile la quantità di tempo con il motore al minimo.
Utilizzate solo diesel con bassissimo tenore di zolfo.
Azionate la vostra macchina e manutenetela tenendo presente la funzione del DPF. Il motore sotto carico produce in genere una temperatura di scarico idonea alla rigenerazione del DPF.
Important: Riducete il più possibile la quantità di tempo con il motore al minimo, oppure azionate il motore a basso regime per contribuire a ridurre l'accumulo di fuliggine nel DPF.
Durante la rigenerazione DPF, la temperatura di scarico è molto alta (circa 600 °C. Il gas di scarico caldo può causare danni a voi o ad altre persone.
Non azionate il motore in un'area chiusa.
Accertatevi che non vi siano materiali infiammabili in prossimità del sistema di scarico.
Accertatevi che il gas di scarico caldo non venga a contatto con superfici che potrebbero venire danneggiate dal calore.
Non toccate un componente del sistema di scarico caldo.
Non posizionatevi vicino o attorno al tubo di scarico della macchina.
| Icona | Definizione delle icone |
![]() | • Icona Rigenerazione parcheggiata o di recupero: la rigenerazione è necessaria. |
| • Eseguite immediatamente la rigenerazione. | |
![]() | • La rigenerazione è stata riconosciuta e la richiesta è in elaborazione. |
![]() | • La rigenerazione è in corso e la temperatura di scarico è elevata. |
![]() | • Avaria del sistema di controllo NOx; la macchina necessita di assistenza. |
| Tipo di rigenerazione | Condizioni che causano la rigenerazione del FAP | Descrizione del funzionamento del DPF |
|---|---|---|
| Passivo | Si verifica durante il normale funzionamento della macchina ad alto regime del motore o ad alto carico del motore | • L'InfoCenter non visualizza un'icona indicante la rigenerazione passiva. |
| • Durante la rigenerazione passiva, il FAP tratta gas di scarico con temperatura elevata, ossidando le emissioni nocive e bruciando la fuliggine in cenere. | ||
| Assistito | Si verifica a causa del basso regime del motore, basso carico del motore o quando il computer rileva la crescente ostruzione del FAP da parte della fuliggine | • L'InfoCenter non visualizza un'icona indicante la rigenerazione assistita. |
| • Durante la rigenerazione assistita, il computer del motore regola le impostazioni del motore al fine di aumentare la temperatura di scarico. | ||
| Ripristino | Ha luogo ogni 100 ore | • Quando nell'InfoCenter viene visualizzata
l'icona della temperatura di scarico elevata , è in corso una
rigenerazione. |
| Ha luogo anche quando a fronte di un normale funzionamento del motore la quantità di fuliggine accumulata supera quella consentita all'interno del filtro. | ||
| • Durante la rigenerazione di recupero, il computer del motore mantiene elevati i giri del motore per garantire la rigenerazione del filtro. |
| Tipo di rigenerazione | Condizioni che causano la rigenerazione del FAP | Descrizione del funzionamento del DPF |
|---|---|---|
| Parcheggiata | Ha luogo perché il computer stabilisce che la pulizia automatica del DPF è insufficiente. | • Quando viene visualizzata l'icona
della rigenerazione di ripristino in stand by o della rigenerazione
parcheggiata o di recupero è necessario procedere alla rigenerazione. |
| Ha luogo anche perché avviate una rigenerazione parcheggiata. | ||
| Può aver luogo perché è stata avviata l'inibizione della rigenerazione che ha disattivato la pulizia automatica del DPF | • Effettuate la rigenerazione parcheggiata appena possibile per evitare la necessità di una rigenerazione di recupero. | |
| Potrebbe essere dovuta all'uso di un carburante o un olio motore non corretti | • Il completamento di una rigenerazione parcheggiata richiede da 30 a 60 minuti. | |
| • Il serbatoio deve contenere almeno 1/4 di carburante. | ||
| • Dovete parcheggiare la macchina per effettuare una rigenerazione parcheggiata. | ||
| Recupero | Ha luogo perché la richiesta di rigenerazione parcheggiata è stata ignorata, consentendo al DPF di raggiungere un punto critico di intasamento. | • Quando viene visualizzata l'icona della
rigenerazione di ripristino in stand by o della rigenerazione parcheggiata
o di recupero , è necessario procedere alla rigenerazione di recupero. |
| • Il completamento di una rigenerazione di recupero richiede fino a 3 ore. | ||
| • La macchina deve avere almeno ½ serbatoio di carburante. | ||
| • Dovete parcheggiare la macchina per effettuare una rigenerazione di recupero. |
Dal MAIN MENU (MENU PRINCIPALE), scorrete verso il basso fino alla voce SERVICE (REVISIONE) e premete il pulsante seleziona.
Nel menu SERVICE (REVISIONE), scorrete fino alla voce DPF REGENERATION (RIGENERAZIONE DEL DPF) e premete il pulsante seleziona.
Selezionate la funzione di rigenerazione desiderata.

Accedete al menu DPF REGENERATION (RIGENERAZIONE DEL DPF) e scorrete fino all'opzione LAST REGEN (ULTIMA RIGENERAZIONE).
Selezionate la voce LAST REGEN (ULTIMA RIGENERAZIONE).
Utilizzate il campo LAST REGEN per sapere per quante ore è stato in funzione il motore dall’ultima rigenerazione di ripristino, parcheggiata o di recupero.
Usate il pulsante indietro per tornare alla schermata DPF REGENERATION (RIGENERAZIONE DEL DPF).

Una rigenerazione di ripristino produce un'elevata quantità di scarichi. Se state utilizzando la macchina vicino ad alberi, cespugli, erba alta o a piante e materiali sensibili alla temperatura, potete usare l'impostazione INHIBIT REGEN (Inibisci rigenerazione) per impedire al computer del motore di eseguire una rigenerazione di ripristino.
Note: L'opzione INHIBIT REGEN viene utilizzata sempre quando si esegue la manutenzione in un'area chiusa.
Note: Se è impostato per inibire la rigenerazione, ogni 15 minuti l’InfoCenter visualizza un avviso mentre il motore richiede una rigenerazione di ripristino.
Important: Quando spegnete e riavviate il motore, l’inibizione della rigenerazione si imposta di default su SPEGNIMENTO.
Accedete al menu DPF REGENERATION (RIGENERAZIONE DEL DPF) e scorrete in basso fino all'opzione INHIBIT REGEN (INIBISCI RIGENERAZIONE).
Selezionate la voce INHIBIT REGEN.
Modificate l'impostazione di inibizione della rigenerazione da OFF a ON.
Accertatevi che la macchina abbia carburante sufficiente nel serbatoio per il tipo di rigenerazione che eseguite:
Parked Regeneration (Rigenerazione parcheggiata): Accertatevi di avere 1/4 di serbatoio di carburante prima di eseguire la rigenerazione assistita.
Recovery Regeneration (Rigenerazione di recupero): Accertatevi di avere 1/2 serbatoio di carburante prima di eseguire la rigenerazione di recupero.
Spostate la macchina all'aperto, lontano da materiali combustibili o da cose che il calore potrebbe danneggiare.
Parcheggiate la macchina su una superficie pianeggiante, portate tutti i comandi in posizione di FOLLE, disinnestate la PDF e abbassate gli apparati di taglio.
Innestate il freno di stazionamento e lasciate che il motore raggiunga il minimo inferiore.
Quando il computer del motore richiede una rigenerazione parcheggiata, seguite le indicazioni dei messaggi dell'InfoCenter.
Important: Se aumentate il regime del motore oltre il minimo inferiore oppure disinserite il freno di stazionamento, il computer della macchina cancella la rigenerazione DPF.
Accedete al menu DPF REGENERATION (RIGENERAZIONE DEL DPF) e scorrete verso il basso fino all'opzione PARKED REGEN (RIGENERAZIONE PARCHEGGIATA) o RECOVERY REGEN (RIGENERAZIONE DI RECUPERO).
Selezionate la voce PARKED REGEN o RECOVERY REGEN.
Note: L'avvio di una rigenerazione di recupero richiede l'inserimento del codice PIN.
Nella schermata REGEN PARAMETERS (PARAMETRI RIGENERAZIONE) verificate che, se state eseguendo una rigenerazione parcheggiata, il serbatoio sia pieno di carburante per 1/4 della sua capacità o, se state eseguendo una rigenerazione di recupero, sia pieno di carburante per la metà della sua capacità. Verificate che il freno di stazionamento sia inserito e che la velocità del motore sia impostata sul minimo inferiore. Premete il pulsante seleziona per continuare.
Nella schermata INITIATE DPF REGEN (AVVIO RIGENERAZIONE DPF) selezionate il pulsante successiva per continuare.
L’InfoCenter visualizza il messaggio INITIATE DPF REGEN (AVVIO RIGENERAZIONE DPF).
Note: Se opportuno, selezionate l'icona annulla per annullare il processo di rigenerazione.
L’InfoCenter visualizza il messaggio relativo al tempo di completamento.
L’InfoCenter visualizza la schermata Home e
l’icona di acquisizione della rigenerazione (
).
Note: Mentre è in corso la rigenerazione DPF l’InfoCenter
visualizza l’icona della temperatura di scarico elevata
.
Dopo che il computer del motore ha terminato una rigenerazione parcheggiata o di recupero, sull'InfoCenter viene visualizzato un avviso. Premete qualsiasi pulsante per uscire dalla schermata Home.
Note: Se non riuscite a completare la rigenerazione, seguite gli avvisi e premete uno qualsiasi dei pulsanti per uscire dalla schermata Home.
Usate l’impostazione PARKED REGEN CANCEL (Annulla rigenerazione parcheggiata) o RECOVERY REGEN CANCEL (Annulla rigenerazione di recupero) per annullare un processo di rigenerazione parcheggiata o di recupero in esecuzione.
Accedete al menu DPF REGENERATION (RIGENERAZIONE DEL DPF) e scorrete fino all'opzione PARKED REGEN (RIGENERAZIONE PARCHEGGIATA) o RECOVERY REGEN (RIGENERAZIONE DI RECUPERO).
Premete il pulsante seleziona per annullare una rigenerazione parcheggiata o di recupero.

Esercitatevi a guidare la macchina poiché è dotata di trasmissione idrostatica e le sue caratteristiche differiscono da quelle di altre macchine per la manutenzione dei tappeti erbosi.
Con Toro Smart Power™, non dovete fare attenzione alla velocità del motore in condizioni di carico pesante. Lo Smart Power impedisce al motore di impantanarsi in condizioni di manto erboso denso controllando automaticamente la velocità della macchina e ottimizzando le prestazioni di taglio.
Se Toro Smart Power™ è disattivato, dovete regolare il pedale della trazione in modo da tenere il regime del motore (giri/min) alto e costante. Questa operazione è necessaria per conservare sufficiente energia per il trattorino e l’attrezzo mentre sono in funzione. Diminuite la velocità di trasferimento quando aumenta il carico sugli attrezzi e aumentatela quando il carico diminuisce.
Lasciate che il pedale di comando della trazione arretri quando diminuisce il regime del motore e premetelo lentamente quando la velocità del motore aumenta. Al confronto, quando vi spostate da un'area di lavoro ad un'altra senza carico e con gli apparati di taglio sollevati, portate l'acceleratore in posizione superiore e abbassate il pedale della trazione lentamente ma a fondo per ottenere la massima velocità di trasferimento.
Prima di spegnere il motore, disinserite tutti i comandi e riducete la velocità del motore al MINIMO INFERIORE (1.000 giri/min). Girate la chiave di accensione in posizione di SPEGNIMENTO per spegnere il motore.
Prima di trasferire la macchina, sollevate gli apparati di taglio e bloccate i fermi di trasferimento sull'apparato di taglio laterale (Figura 35).

Questa macchina è progettata con 2 impianti di tensione: 12 V e 24 V.
L'impianto a 12 V alimenta tutte le funzioni della macchina, ad eccezione delle ventole di raffreddamento del motore e delle ventole di raffreddamento idraulico. Le 2 grandi batterie da 12 V nell'angolo posteriore destro della macchina sono collegate in parallelo per fornire 12 V nominali. L'alternatore del motore a 12 V carica queste batterie.
L'impianto a 24 V alimenta le ventole di raffreddamento del motore e le ventole di raffreddamento idraulico. Le 2 piccole batterie da 12 V nell'angolo posteriore sinistro della macchina sono collegate in serie per fornire 24 V nominali. L'alternatore a 24 V carica queste batterie.
L'interruttore di scollegamento della batteria è situato sul lato posteriore destro della macchina. Questo interruttore può essere utilizzato per scollegare l'alimentazione dalle batterie durante le procedure di assistenza o manutenzione.
La velocità della ventola idraulica è controllata dalla temperatura del fluido idraulico. La velocità della ventola del radiatore è controllata dalla temperatura del refrigerante motore. Quando il refrigerante del motore o il fluido idraulico raggiungono una certa temperatura, un ciclo inverso fa avviare automaticamente entrambe le ventole. Questa inversione soffia via i detriti dalle griglie, abbassando le temperature del motore e del fluido idraulico (Figura 36). Inoltre, le ventole del radiatore effettuano un ciclo inverso ogni 21 minuti, indipendentemente dalla temperatura del refrigerante.

Avviate il motore e lasciatelo in funzione a MEZZO FOLLE fino a quando non è caldo. Portate l’interruttore del regime del motore al MINIMO ALTO, sollevate gli apparati di taglio, disinserite il freno di stazionamento, premete il pedale della marcia avanti e guidate con cautela in direzione di un'area aperta.
Esercitatevi a fare marcia avanti e la retromarcia, e ad avviare e fermare la macchina. Per fermare la macchina togliete il piede dal pedale della trazione e lasciate che il pedale ritorni in FOLLE o premete il pedale di retromarcia.
Note: Quando procedete in discesa con la macchina, potreste avere bisogno di usare il pedale di retromarcia per fermarvi.
Esercitatevi a guidare attorno ad ostacoli, con gli apparati di taglio sollevati ed abbassati. Prestate la massima attenzione quando guidate fra spazi limitati, al fine di non danneggiare la macchina o gli apparati di taglio.
Guidate sempre lentamente in zone accidentate.
Se vi imbattete in un ostacolo, sollevate gli apparati di taglio per tosarvi attorno.
Durante il trasferimento della macchina da un'area di lavoro a un’altra, spegnete la PDF, mettete gli apparati di taglio in posizione completamente sollevata, portate l'interruttore di tosatura/trasferimento in posizione di TRASFERIMENTO, inserite i fermi di trasferimento e impostate l'acceleratore su VELOCE.
Modificate spesso gli schemi di tosatura per ridurre al minimo i problemi di aspetto dopo il taglio dovuti agli interventi ripetuti in un'unica direzione.
Il sistema di contrappeso mantiene la contropressione idraulica sui cilindri di sollevamento dell’apparato di taglio. Questa pressione migliora la trazione poiché trasferisce il peso dell'apparato di taglio alle ruote motrici del tosaerba. La pressione del contrappeso è stata impostata in stabilimento per garantire l'equilibrio ottimale tra aspetto dopo il taglio e capacità di trazione nella maggiore parte delle condizioni del tappeto erboso.
La riduzione del contrappeso impostato può migliorare la stabilità dell’apparato di taglio, ma ridurre la capacità di trazione, mentre l'incremento del contrappeso impostato può migliorare la capacità di trazione, ma provocare un aspetto insoddisfacente dopo il taglio. Fate riferimento al Manuale di manutenzione del vostro trattorino per le istruzioni di regolazione della pressione del contrappeso.
Fate riferimento alla Guida alla risoluzione dei problemi dopo il taglio, disponibile sul sito www.Toro.com.
Per iniziare la tosatura innestate gli apparati di taglio ed avvicinatevi lentamente all'area da tosare.
Per ottenere un taglio professionale in linea retta e le strisce richieste in alcuni casi, scegliete un albero o un altro oggetto lontano e guidate diritti verso di esso.
Non appena gli apparati di taglio anteriori raggiungono il bordo dell'area di tosatura, effettuate una svolta a forma di lacrima per allinearvi rapidamente per la passata successiva.
Sono disponibili deflettori imbullonati per mulching per gli apparati di taglio. I deflettori per mulching sono molto efficaci quando mantenete il tappeto erboso a intervalli regolari, per evitare di falciare più di 25 mm di crescita per taglio. Quando sono montati i deflettori di mulching e lo sfalcio tagliato è troppo lungo, l'aspetto del tappeto erboso tosato può deteriorare e si registra un aumento della potenza di taglio del tappeto erboso. I deflettori di mulching sono efficaci anche per trinciare le foglie in autunno.
Rimuovete circa un terzo del filo d’erba mentre tosate. Nel caso di tappeti erbosi lussureggianti e fitti è talvolta necessario sollevare l'altezza di taglio alla regolazione successiva (Figura 37).

L'angolo di inclinazione del piatto di taglio corrisponde alla differenza dell'altezza di taglio tra la parte anteriore e quella posteriore del livello della lama. Utilizzate per le lame una inclinazione di 7,6 mm. Con una inclinazione superiore a 7,6 mm è necessaria una minore potenza, i residui dello sfalcio sono più grandi e la qualità di taglio è inferiore. Con una inclinazione inferiore a 7,6 mm è necessaria una maggiore potenza, i residui dello sfalcio sono più piccoli e la qualità di taglio è migliore.
Per limitare il calore solare, parcheggiate la macchina all'ombra o lasciate le porte aperte direttamente al sole.
Verificate che la griglia dell'aria condizionata sia pulita.
Verificate che le alette del condensatore dell'aria condizionata siano pulite.
Adoperate il soffiatore del condizionatore ad una velocità media.
Assicuratevi che vi sia una guarnizione continua tra il tetto e il rivestimento del padiglione e correggete se necessario.
Misurate la temperatura dell'aria sulla parte anteriore dello sfiato centrale nel rivestimento del padiglione. Dovrebbe stabilizzarsi a una temperatura pari o inferiore a 10 °C.
Per ulteriori informazioni, vedere il Manuale di manutenzione.
Spegnete il motore, togliete la chiave e attendete che tutte le parti in movimento si arrestino prima di abbandonare la posizione dell'operatore. Lasciate raffreddare la macchina prima di eseguire interventi di regolazione, manutenzione, pulizia o prima del rimessaggio.
Per contribuire a ridurre il rischio di incendi, accertatevi che gli apparati di taglio, gli scarichi, le griglie di raffreddamento e il vano motore non presentino accumuli di erba o detriti. Pulite eventuali fuoriuscite di olio o carburante.
Se gli apparati di taglio sono in posizione di trasferimento, utilizzate il blocco meccanico positivo (se disponibile) prima di lasciare la macchina incustodita.
Lasciate raffreddare il motore prima di riporre la macchina in un ambiente chiuso.
Togliete la chiave (se in dotazione) e interrompete l'erogazione di carburante prima di rimessare o trainare la macchina.
Non depositate mai la macchina o la tanica del carburante in presenza di fiamme libere, scintille o spie (ad es. vicino a uno scaldabagno o altre apparecchiature).
Effettuate la manutenzione e la pulizia delle cinture di sicurezza in base alla necessità.
Note: Questo allarme funge da promemoria per evitare che la batteria si scarichi.
Un allarme acustico suona quando si verificano le seguenti condizioni:
Il motore è spento.
La chiave è in posizione di funzionamento.
L’operatore non è seduto.
Important: Non spingete né trainate la macchina a velocità superiori a 3–4,8 km/h. Se spingete o trainate a velocità maggiore, la trasmissione interna può danneggiarsi.Le valvole di bypass devono essere aperte ogni volta che spingete o trainate la macchina.
Sollevate il cofano e individuate le valvole di bypass sulla pompa.

Allentate entrambe le valvole di traino sulla trasmissione idrostatica.
Girate ogni valvola 3 volte in senso antiorario per aprirla e consentire al fluido di bypassare internamente.
Rilasciate manualmente il freno di stazionamento utilizzando la valvola di bypass e lo stantuffo, come illustrato nella Figura 39.

Spingete o trainate la macchina.
Dopo aver terminato di spingere o di trainare la macchina, chiudete la valvole di bypass. Serrate la valvola a 70 N∙m.
Note: Il rilascio manuale del freno di stazionamento si resetta automaticamente quando avviate il motore o quando tirate verso l'alto la manopola della valvola di bypass.

Togliete la chiave e interrompete l’erogazione di carburante (se in dotazione) prima di rimessare o trainare la macchina.
Prestate la massima attenzione durante il carico e lo scarico della macchina da un rimorchio o da un autocarro.
Utilizzate rampe a tutta larghezza per caricare la macchina su un rimorchio o un autocarro.
Fissate la macchina in sicurezza.
Note: Stabilite i lati sinistro e destro della macchina rispetto alla normale posizione di guida.
Important: Per ulteriori interventi di manutenzione si rimanda al manuale per l'uso del motore.
Important: Se state eseguendo la manutenzione della macchina e il motore funziona con un condotto di estrazione dello scarico, impostate la funzione di inibizione della rigenerazione su ON; fate riferimento a Impostazione dell’inibizione della rigenerazione.
Prima di abbandonare la posizione dell'operatore, effettuate le seguenti operazioni:
Parcheggiate la macchina su terreno pianeggiante.
Disinnestate la presa di forza e abbassate al suolo l'attrezzatura.
Inserite il freno di stazionamento.
Spegnete il motore e togliete la chiave.
Attendete che ogni movimento si arresti.
Indossate indumenti appropriati, incluse protezioni per gli occhi, pantaloni lunghi e calzature antiscivolo robuste. Tenete mani, piedi, indumenti, gioielli e capelli lunghi lontano dalle parti in movimento.
Se lasciate la chiave nell'interruttore, qualcuno potrebbe accidentalmente avviare il motore e ferire gravemente voi o altre persone. Togliete la chiave dall'interruttore prima di eseguire qualunque intervento di manutenzione.
Lasciate che i componenti della macchina si raffreddino prima di eseguire la manutenzione.
Se gli apparati di taglio sono in posizione di trasferimento, utilizzate il blocco meccanico positivo (se in dotazione) prima di lasciare la macchina incustodita.
Se possibile, non effettuate la manutenzione con il motore in funzione. Tenetevi a distanza dalle parti in movimento.
Azionate il motore solo in aree ben ventilate. I gas di scarico possono contenere monossido di carbonio, che è letale se inalato.
Sostenete la macchina con cavalletti metallici ogni qualvolta lavorate sotto la macchina.
Scaricate con cautela la pressione dai componenti che hanno accumulato energia.
Mantenete tutte le parti della macchina in buone condizioni di funzionamento e tutti i componenti adeguatamente serrati, soprattutto la bulloneria degli accessori delle lame.
Sostituite tutti gli adesivi consumati o danneggiati.
Per garantire prestazioni sicure e ottimali della macchina, adoperate solo ricambi Toro originali. L'uso di ricambi di altri costruttori può essere pericoloso e può annullare la garanzia del prodotto.
| Cadenza di manutenzione | Procedura di manutenzione |
|---|---|
| Dopo le prime 10 ore |
|
| Dopo le prime 50 ore |
|
| Prima di ogni utilizzo o quotidianamente |
|
| Ogni 50 ore |
|
| Ogni 100 ore |
|
| Ogni 250 ore |
|
| Ogni 400 ore |
|
| Ogni 500 ore |
|
| Ogni 800 ore |
|
| Ogni 1000 ore |
|
| Ogni 1500 ore |
|
| Ogni 2000 ore |
|
| Ogni 3000 ore |
|
| Prima del rimessaggio |
|
| Ogni 2 anni |
|
Fotocopiate questa pagina e utilizzatela quando opportuno.
| Punto di verifica per la manutenzione | Per la settimana di: | ||||||
|---|---|---|---|---|---|---|---|
| Lunedì | Martedì | Mercoledì | Giovedì | Venerdì | Sabato | Domenica | |
| Controllate il funzionamento dei microinterruttori di sicurezza. | |||||||
| Verificate il funzionamento dei freni. | |||||||
| Controllate il livello dell'olio motore. | |||||||
| Controllate il livello del fluido dell'impianto di raffreddamento. | |||||||
| Spurgate il separatore di condensa/carburante. | |||||||
| Controllate il filtro dell'aria, il cappuccio antipolvere e la valvola di sfogo. | |||||||
| Controllate i rumori insoliti del motore.1 | |||||||
| Verificate le griglie del radiatore e del radiatore dell'olio per escludere detriti ed eliminateli utilizzando aria compressa. | |||||||
| Controllate eventuali rumori insoliti di funzionamento. | |||||||
| Controllo del livello del fluido dell'impianto idraulico. | |||||||
| Accertatevi che i tubi idraulici non siano danneggiati. | |||||||
| Verificate che non ci siano perdite di liquido. | |||||||
| Controllate il livello del carburante. | |||||||
| Controllate la pressione degli pneumatici e delle ruote orientabili. | |||||||
| Verificate il funzionamento degli strumenti. | |||||||
| Controllate la regolazione dell'altezza di taglio. | |||||||
| Lubrificate gli ingrassatori.2 | |||||||
| Pulite la macchina. | |||||||
| Ritoccate eventuale vernice danneggiata. | |||||||
|
1Controllate la candela a incandescenza, gli ugelli dell'iniettore e i filtri dell'aria, se notate un avviamento difficile, fumo eccessivo o il funzionamento anomalo del motore. 2Immediatamente dopo ogni lavaggio, indipendentemente dalla cadenza indicata. |
|||||||
| Ispezione eseguita da: | ||
| Art. | Data | Informazioni |
Aprite il cofano per accedere all'interruttore di scollegamento della batteria.
Girate l'interruttore di scollegamento della batteria in posizione di ACCENSIONE o SPEGNIMENTO per effettuare le seguenti operazioni:
Per eccitare la macchina elettricamente, ruotate l'interruttore di scollegamento della batteria in senso orario in posizione di ACCENSIONE (Figura 43).
Per diseccitare la macchina elettricamente, ruotate l'interruttore di scollegamento della batteria in senso antiorario in posizione di SPEGNIMENTO (Figura 43).
Important: Non ruotate l'interruttore di scollegamento della batteria in posizione di SPEGNIMENTO quando il motore gira. Assicuratevi che la macchina sia spenta prima di girare l'interruttore di scollegamento della batteria in posizione di SPEGNIMENTO, dal momento che potreste causare danni al motore e/o alla macchina.

Abbassate il piatto laterale su terreno pianeggiante.
Sganciate il fermo del coperchio.
Rimuovete il bullone che fissa il copricinghia (se provvisto).
Sollevate i bordi dei coperchi posteriori interni dai supporti di montaggio (Figura 46).

Sollevando il coperchio, fatelo scorrere verso il trattorino di circa 2,5 cm, per sganciare il bordo del coperchio esterno dal piatto (Figura 47).

Sollevate il bordo anteriore e guidatelo tra il braccio di sollevamento e il rullo per rimuoverlo (Figura 48).

Abbassate il piatto laterale su terreno pianeggiante.
Fate scorrere il coperchio in posizione guidando il bordo posteriore tra il braccio di sollevamento e il rullo.
Facendo scorrere il coperchio via dal trattorino, guidate il bordo esterno sotto le staffe anteriore e posteriore sul piatto.
Allineate i supporti di montaggio del piatto con i fori nel coperchio e abbassate il coperchio in posizione.
Montate il bullone che fissa il copricinghia (se presente).
Agganciate il fermo del coperchio del piatto.
| Cadenza di manutenzione | Procedura di manutenzione |
|---|---|
| Ogni 50 ore |
|
La macchina è dotata di raccordi di ingrassaggio che devono essere lubrificati a intervalli regolari con grasso n. 2 al litio. Inoltre, ingrassate la macchina immediatamente dopo ogni lavaggio.
2 bracci di impatto (Figura 49)
2 perni di articolazione del cilindro di sollevamento del piatto anteriore (Figura 49)
2 perni di articolazione del cilindro di sollevamento dei piatti laterali (Figura 49)
4 giunti a sfera del cilindro di sterzatura (Figura 50)
2 giunti a sfera del tirante (Figura 50)
2 boccole del perno del fuso a snodo (Figura 50)
1 boccola del perno di articolazione dell'assale posteriore (Figura 51)



2 boccole dell'albero della forcella della ruota orientabile (Figura 52)
5 cuscinetti dell'albero del fusello (situati sull'alloggiamento del fusello) come illustrato nella Figura 52
3 boccole del perno di articolazione del braccio del tendicinghia (situate sull'albero del perno di articolazione del tendicinghia) come illustrato nella Figura 52
4 boccole del piatto delle alette (situate sui perni del perno di articolazione delle alette) come illustrato nella Figura 52

4 boccola dell'albero della forcella della ruota orientabile (Figura 54)
3 cuscinetti dell'albero del fusello (situati sull'alloggiamento del fusello) come illustrato nella Figura 54
2 boccole del perno di articolazione del braccio del tendicinghia (situate sull'albero del perno di articolazione del tendicinghia) come illustrato nella Figura 54

Important: Evitate che la centralina del motore (ECU) o i connettori elettrici vengano a contatto con acqua, dato che ciò può causare danni; fate riferimento a Figura 56 per la posizione dell'ECU e dei collegamenti elettrici.

Prima di controllare l'olio o di rabboccare la coppa, spegnete il motore e togliete la chiave.
Non cambiate la velocità del regolatore e non utilizzate il motore a velocità eccessiva.
Verificate che il corpo del filtro dell'aria sia privo di danni che possano causare una fuoriuscita d'aria e sostituitelo se danneggiato. Verificate che l'intero sistema di presa d'aria non sia danneggiato, non accusi perdite e che le fascette stringitubo non siano allentate. Inoltre, ispezionate i raccordi del flessibile della presa d'aria in gomma nel filtro dell'aria e nel turbocompressore per assicurarvi che i collegamenti siano completi.
Effettuate la manutenzione del filtro dell'aria solo quando viene visualizzato il messaggio “Check Air Filter” (Pulire il filtro dell'aria) sull'InfoCenter. Sostituendo il filtro dell’aria prima del necessario si aumenta il rischio che la morchia penetri nel motore quando si toglie il filtro.
Verificate che il coperchio si chiuda ermeticamente intorno al corpo del filtro.
| Cadenza di manutenzione | Procedura di manutenzione |
|---|---|
| Ogni 50 ore |
|
Verificate che il corpo del filtro dell'aria sia privo di danni che possano causare una fuoriuscita d'aria. Se il corpo del filtro dell’aria è danneggiato, sostituitelo.
Pulite il coperchio del filtro dell'aria (Figura 57).

| Cadenza di manutenzione | Procedura di manutenzione |
|---|---|
| Ogni 250 ore |
|
| Ogni 500 ore |
|
Il sistema di presa d'aria su questa macchina è costantemente monitorato da un sensore di limitazione dell'aria che mostrerà un'avvertenza quando dovrete sostituire il filtro. Non sostituite gli elementi fino a quando ciò non si verifica.
Important: Sostituite l'elemento del filtro secondario solo ogni 3 interventi di manutenzione sul filtro primario. Non togliete l'elemento secondario durante la pulizia o la sostituzione dell'elemento primario. L'elemento interno evita l'ingresso della polvere nel motore quando effettuate la manutenzione dell'elemento primario.
Important: Non azionate il motore senza elementi del filtro dell'aria poiché ciò causerebbe l'ingresso di materiali estranei nel motore danneggiandolo.
Rilasciate i fermi che fissano il coperchio del filtro dell'aria al relativo corpo (Figura 58).

Togliete il coperchio dal corpo del filtro dell'aria.
Prima di rimuovere il filtro, utilizzate aria compressa a bassa pressione (2,75 bar, pulita e asciutta) per agevolare la rimozione di grossi detriti depositati tra il filtro primario esterno e la scatola.
Note: Evitate di usare aria ad alta pressione, che potrebbe spingere la morchia attraverso il filtro e nell'aspirazione. Questa operazione di pulizia impedisce che la rimozione del filtro primario causi lo spostamento dei detriti nella zona di aspirazione.
Togliete il filtro primario dell’olio (Figura 59).
Note: Non pulite l'elemento usato, per non danneggiare l'elemento filtrante.
Note: Sostituite il filtro secondario ogni 3 interventi di manutenzione sul filtro primario (Figura 60).


Controllate il filtro nuovo e accertatevi che non sia stato danneggiato durante la spedizione, in particolare l'estremità di tenuta del filtro ed il corpo.
Important: Non usate l'elemento se è avariato.
Montate il filtro nuovo premendo sul bordo esterno dell'elemento per inserirlo nella scatola.
Important: Non premete sulla parte centrale flessibile del filtro poiché potreste danneggiare il filtro stesso.
Pulite il foro di espulsione della morchia, previsto nel coperchio rimovibile.
Togliete la valvola di uscita in gomma dal coperchio, pulite la cavità e rimontate la valvola di uscita.
Montate il coperchio con la valvola di uscita in gomma disposta in giù, in una posizione tra le ore 5 e le ore 7 vista dall'estremità.
Fissate i dispositivi di chiusura del coperchio.
Utilizzate olio motore di alta qualità e basso contenuto di cenere che soddisfi o superi le seguenti specifiche:
Categoria API Service CJ-4 o superiori
Categoria ACEA Service E6
Categoria JASO Service DH-2
Important: L'utilizzo di olio motore diverso da API CJ-4 o superiori, ACEA E6 o JASO DH-2 può causare l'otturazione del filtro antiparticolato o danni al motore.
Utilizzate il seguente grado di viscosità dell'olio motore:
Olio di preferenza: SAE 15W-40 (sopra -18 ° F)
Olio alternativo: SAE 10W-30 o 5W-30 (tutte le temperature)
L'olio motore premium Toro è disponibile presso il vostro distributore Toro autorizzato nei gradi di viscosità 15W-40 o 10W-30. Vedere i numeri delle parti nel Catalogo ricambi.
| Cadenza di manutenzione | Procedura di manutenzione |
|---|---|
| Prima di ogni utilizzo o quotidianamente |
|
Al momento della fornitura la coppa del motore contiene dell'olio, il cui livello deve tuttavia essere controllato prima e dopo il primo avvio del motore.
Important: Controllate l'olio motore quotidianamente. Se il livello dell'olio è superiore alla tacca di pieno sull'asta di livello, l'olio motore potrebbe essere diluito con carburante;Se il livello dell'olio motore è superiore alla tacca di pieno, occorre cambiare l'olio motore.
Il momento migliore per controllare l'olio del motore è a motore freddo prima che venga avviato per la giornata. Se è già stato avviato, lasciate che l'olio ritorni nel pozzetto per almeno 10 minuti prima di controllarlo. Se il livello dell'olio è pari o sotto la tacca di aggiunta sull'asta, aggiungere olio fino a portarne il livello alla tacca di pieno. Non riempite eccessivamente il motore d'olio
Important: Mantenete il livello dell'olio motore entro i limiti superiore e inferiore dell'asta di livello; il motore potrebbe danneggiarsi se lo azionate con troppo o troppo poco olio.
Controllate il livello dell'olio del motore; fate riferimento a Figura 61.

Note: Quando utilizzate un olio differente dal precedente, drenate completamente l'olio usato dalla coppa prima di aggiungere quello nuovo.
10,4 litri con il filtro
| Cadenza di manutenzione | Procedura di manutenzione |
|---|---|
| Ogni 500 ore |
|
Note: Cambiate l'olio e il filtro del motore più spesso in ambienti particolarmente sporchi o polverosi.
Avviate il motore e lasciatelo in moto per circa 5 minuti per far riscaldare l'olio.
Parcheggiate la macchina su terreno pianeggiante, inserite il freno di stazionamento, abbassate il piatto di taglio, spegnete il motore e togliete la chiave.
Cambiate l'olio motore come mostrato in Figura 62.


Cambiate il filtro dell'olio del motore (Figura 63).
Note: Assicuratevi che la guarnizione del filtro dell'olio tocchi il motore e poi siano completati altri 3/4 di giro.


| Cadenza di manutenzione | Procedura di manutenzione |
|---|---|
| Ogni 1000 ore |
|
Per la procedura di regolazione si rimanda al manuale del proprietario del motore.
| Cadenza di manutenzione | Procedura di manutenzione |
|---|---|
| Ogni 1500 ore |
|
Per maggiori informazioni sulla pulizia del radiatore del ricircolo dei gas esausti (EGR), fate riferimento al manuale d'uso del motore.
| Cadenza di manutenzione | Procedura di manutenzione |
|---|---|
| Ogni 1500 ore |
|
Per maggiori informazioni sull'ispezione del sistema di sfiato della coppa dell'olio del motore, fate riferimento al manuale d'uso del motore.
| Cadenza di manutenzione | Procedura di manutenzione |
|---|---|
| Ogni 2000 ore |
|
Per maggiori informazioni sulla verifica e sostituzione dei flessibili del carburante e dei flessibili del refrigerante motore, fate riferimento al manuale d'uso del motore.
| Cadenza di manutenzione | Procedura di manutenzione |
|---|---|
| Ogni 2000 ore |
|
Per informazioni sulla lappatura o la regolazione della presa d'aria del motore e delle valvole di scarico; fate riferimento al manuale d'uso del motore.
| Cadenza di manutenzione | Procedura di manutenzione |
|---|---|
| Ogni 3000 ore |
|
Per maggiori informazioni sull'ispezione e la pulizia dei componenti di controllo delle emissioni del motore, fate riferimento al manuale d'uso del motore.
| Cadenza di manutenzione | Procedura di manutenzione |
|---|---|
| Ogni 3000 ore |
|
Se gli errori motore , , o vengono visualizzati sull’InfoCenter (Figura 64) pulite il filtro antiparticolato come descritto di seguito:



Fate riferimento alla sezione Motore nel Manuale di manutenzione per le informazioni su smontaggio e montaggio del catalizzatore di ossidazione diesel e del filtro antifuliggine del FAP.
Fate riferimento al vostro Centro assistenza autorizzato Toro per i ricambi o la manutenzione per il catalizzatore di ossidazione diesel e il filtro antifuliggine.
Contattate il vostro Centro assistenza Toro autorizzato perché effettui il reset dell'ECU del motore dopo l'installazione di un FAP pulito.
Il presente Manuale dell'operatore contiene informazioni più dettagliate relative alla manutenzione del carburante e dell'impianto del carburante rispetto al Manuale del proprietario del motore Yanmar®, contenente solo informazioni generali relative al carburante e alla manutenzione del carburante.
È importante comprendere l'importanza della manutenzione dell'impianto del carburante, della conservazione del carburante e della qualità del carburante per evitare tempi di inattività e interventi importanti di riparazione del motore.
L'impianto del carburante presenta tolleranze estremamente ridotte per via dei requisiti relativi alle emissioni e ai controlli. La qualità e la pulizia del gasolio sono più importanti per la longevità dei moderni sistemi di iniezione di carburante common rail ad alta pressione (HPCR) per i motori a gasolio.
Important: Acqua o aria nell'impianto del carburante danneggiano il motore! Non date per scontato che il carburante nuovo sia pulito. Accertatevi che il vostro carburante provenga da un fornitore di qualità, conservate il carburante in modo corretto e utilizzatelo entro 180 giorni.
Important: Nel caso in cui non seguiate le procedure per la sostituzione del filtro carburante, la manutenzione dell'impianto del carburante e la conservazione del carburante, l'impianto del carburante potrebbe guastarsi prematuramente. Effettuate tutte le operazioni di manutenzione dell'impianto del carburante secondo gli intervalli specificati o qualora il carburante sia contaminato o di bassa qualità.
Una corretta conservazione del carburante è fondamentale per mantenere il motore in buono stato. Una corretta manutenzione dei serbatoi di stoccaggio del carburante spesso è sottovalutata e causa la contaminazione del carburante erogato alla macchina.
Acquisite solo il carburante sufficiente per il consumo entro 180 giorni. Non utilizzate carburante stoccato per oltre 180 giorni. Ciò aiuta a ridurre la presenza di acqua e altri agenti contaminanti all'interno del carburante.
Se non rimuovete l'acqua dal serbatoio di stoccaggio o dal serbatoio del carburante della macchina, potrebbe prodursi ruggine o contaminazione nel serbatoio di stoccaggio e nei componenti dell'impianto del carburante. La fanghiglia nel serbatoio formatasi a causa di muffa, batteri o funghi restringe il flusso e ostruisce il filtro e gli iniettori del carburante.
Ispezionate regolarmente il serbatoio di stoccaggio del carburante e il serbatoio del carburante della macchina per monitorare la qualità del carburante nel serbatoio.
Accertatevi che il carburante provenga da un fornitore di qualità.
Se individuate dell'acqua o degli agenti contaminanti all'interno del serbatoio di stoccaggio del carburante o del serbatoio della macchina, risolvete il problema assieme al vostro fornitore di carburante ed effettuate tutte le operazioni di manutenzione dell'impianto del carburante.
Non stoccate gasolio in serbatoi o taniche realizzati con componenti placcati in zinco.

| Cadenza di manutenzione | Procedura di manutenzione |
|---|---|
| Prima di ogni utilizzo o quotidianamente |
|
Spurgate l'acqua dal separatore carburante/acqua come illustrato nella Figura 66.

Innescate il filtro e le linee alla pompa ad alta pressione; fate riferimento a Innesco dell'impianto del carburante.
| Cadenza di manutenzione | Procedura di manutenzione |
|---|---|
| Ogni 400 ore |
|
Sostituite il filtro come illustrato nella Figura 67.

Innescate il filtro e le linee alla pompa ad alta pressione; fate riferimento a Innesco dell'impianto del carburante.
| Cadenza di manutenzione | Procedura di manutenzione |
|---|---|
| Ogni 500 ore |
|
Pulite le superfici circostanti la testa del filtro del carburante (Figura 68).

Togliete il filtro e pulite la superficie di montaggio della testa del filtro (Figura 68).
Lubrificate la guarnizione del filtro con olio motore lubrificante pulito; fate riferimento al manuale d'uso del motore (in dotazione con la macchina) per ulteriori informazioni.
Montate a mano la scatola del filtro asciutto finché la guarnizione non tocca la testa del filtro, poi ruotatela per un altro mezzo giro.
Innescate il filtro e le linee alla pompa ad alta pressione; fate riferimento a Innesco dell'impianto del carburante.
Avviate il motore e verificate che non ci siano fuoriuscite di carburante attorno alla testa del filtro.
| Cadenza di manutenzione | Procedura di manutenzione |
|---|---|
| Ogni 800 ore |
|
| Prima del rimessaggio |
|
Oltre all'intervallo di manutenzione indicato, eseguite questa operazione se l'impianto di alimentazione viene contaminato o se la macchina non sarà utilizzata per un lungo periodo. Utilizzate del carburante pulito per lavare il serbatoio.
Innescate il filtro e le linee alla pompa ad alta pressione; fate riferimento a Innesco dell'impianto del carburante.
| Cadenza di manutenzione | Procedura di manutenzione |
|---|---|
| Ogni 400 ore |
|
Controllate i tubi di alimentazione per accertarvi dell'assenza di deterioramenti, danni o raccordi allentati.
Sostituite eventuali serratubi o tubi danneggiati.
Note: Innescate l'impianto del carburante nel caso in cui sostituiate dei tubi di alimentazione; fate riferimento a Innesco dell'impianto del carburante.
Innescate l’impianto del carburante a seguito di queste situazioni:
Sostituzione del filtro del carburante.
Spurgo del separatore di condensa dopo ciascun utilizzo o giornalmente.
Esaurimento del carburante.
Sostituzione di un tubo del carburante o apertura dell'impianto del carburante per un qualsiasi motivo.
Per innescare l’impianto del carburante eseguite i passaggi seguenti:
Important: Non utilizzate il motorino di avviamento del motore per innestare il motore per l'innesco dell'impianto di carburante.
Verificate che il serbatoio contenga carburante.
Effettuate i seguenti passaggi per innescare il filtro e le linee alla pompa ad alta pressione per evitare usura o danni alla pompa:
Girate la chiave in posizione di ACCENSIONE per 15-20 secondi.
Girate la chiave in posizione di SPEGNIMENTO per 30-40 secondi.
Note: Questo consente di spegnere l’ECU.
Girate la chiave in posizione di ACCENSIONE per 15-20 secondi.
Ispezionate per escludere fuoriuscite attorno al filtro e ai flessibili.
Avviate il motore e verificate che non ci siano fuoriuscite.
Scollegate la batteria prima di riparare la macchina. Scollegate prima il morsetto negativo, poi quello positivo. Collegate prima il morsetto positivo, poi quello negativo.
Caricate la batteria in un'area aperta e ben ventilata, lontano da fiamme e scintille. Togliete la spina del caricabatterie prima di collegare o scollegare la batteria. Indossate indumenti di protezione e adoperare utensili isolati.
| Cadenza di manutenzione | Procedura di manutenzione |
|---|---|
| Ogni 50 ore |
|
Important: Prima di effettuare interventi di saldatura sulla macchina, scollegate il cavo negativo dalla batteria per evitare di danneggiare l’impianto elettrico. Inoltre, dovete scollegare il motore, l'InfoCenter e i controller della macchina prima di effettuare operazioni di saldatura sulla macchina.
Note: Mantenete puliti i morsetti e la scatola della batteria, poiché le batterie sporche si scaricano lentamente. Per pulire la batteria, lavate la scatola completa con una soluzione di bicarbonato di sodio e acqua. Risciacquate con acqua pulita. Per impedire la corrosione, ricoprite i morsetti della batteria e i connettori dei cavi con grasso Grafo 112X (rivestimento) (n. di parte Toro 505-47) o vaselina.
Important: Se state montando un accessorio ausiliario sulla macchina, le uniche posizioni approvate per l'alimentazione sono il portafusibili del trattorino (Figura 73) o il portafusibili della cabina (Figura 75). Sono disponibili un massimo di 10 A in ciascuna posizione. Contattate il vostro distributore Toro autorizzato per ricevere assistenza.
Note: Spegnete il motore e togliete la chiave prima di rimuovere i fusibili.
I fusibili del trattorino (Figura 69) si trovano nella consolle di alimentazione situata dietro il sedile (Figura 70).
Fusibili del trattorino aggiuntivi (Figura 71) sono situati sul lato posteriore destro della macchina (Figura 72).





I fusibili della cabina (Figura 74) si trovano nella relativa scatola inserita nel rivestimento del padiglione della cabina (Figura 75).


Durante la ricarica delle batterie si sviluppano gas esplosivi.
Non fumate nelle adiacenze della batteria e tenete scintille e fiamme lontano dalle batterie.
Note: Questa procedura serve a caricare l’impianto a 12 V.
Important: Le batterie devono essere completamente cariche. Questo aspetto è particolarmente importante per non danneggiare la batteria qualora la temperatura scenda sotto 0 °C.
Effettuate la procedura di pre-manutenzione; vedere Procedure pre-manutenzione.
Pulite la parte esterna della scatola della batteria e i poli della batteria.
Note: Collegate i cavi di ricarica ai poli della batteria prima di collegare il caricabatterie all'alimentazione.
Togliete i coperchi dai poli di avviamento (Figura 76).

Collegate il cavo di ricarica positivo al polo di avviamento positivo (Figura 77).

Collegate il cavo di ricarica negativo al polo di avviamento negativo (Figura 77).
Collegate il caricabatterie all'alimentazione e caricate la batteria in base alla Tabella di ricarica della batteria seguente.
Important: Non sovraccaricatela.
| Impostazione del caricabatterie | Tempo di ricarica |
|---|---|
| Da 4 a 6 A | 30 minuti |
| Da 25 a 30 A | Da 10 a 15 minuti |
Quando le batterie sono completamente cariche, staccate il caricabatterie dalla presa elettrica e scollegate i cavi di ricarica dai poli di avviamento (Figura 77).
L'avviamento della batteria con cavetti può produrre gas esplosivi.
Non fumate nelle adiacenze della batteria e tenete scintille e fiamme lontano dalla batteria.
Note: Questa procedura richiede l'intervento di 2 persone. Assicuratevi che la persona che effettua i collegamenti indossi le corrette protezioni per il viso, guanti e abbigliamento protettivi.
Parcheggiate la macchina su una superficie pianeggiante, inserite il freno di stazionamento, abbassate il piatto di taglio e spegnete il motore.
Sedetevi sul sedile dell'operatore e fate in modo che l'altra persona effettui i collegamenti.
Note: Assicuratevi che la batteria del cavetto sia una batteria da 12 V.
Important: Se utilizzate un'altra macchina come fonte di alimentazione, assicuratevi che le 2 macchine non si tocchino tra loro.
Togliete i coperchi dai poli di avviamento (Figura 76).
Collegate il cavo di avviamento positivo (+) al polo di avviamento positivo (Figura 78).

Collegate il cavo di avviamento negativo (-) al polo di avviamento negativo (Figura 78).
Avviate il motore.
Important: Se il motore si avvia e poi si arresta, non azionate il motorino di avviamento fino a quando il motore non smette di girare. Non utilizzate il motorino di avviamento per più di 30 secondi alla volta. Attendete 30 secondi prima di azionare il motorino di avviamento per raffreddare il motore.
All'avvio del motore, fate in modo che l'altra persona scolleghi il cavo di avviamento negativo (-) dal polo di avviamento negativo e che, successivamente, scolleghi il cavo di avviamento positivo (+) (Figura 78).
Aprite il cofano e ruotate l'interruttore di scollegamento della batteria in posizione di SPEGNIMENTO.
Togliete le tre (3) viti flangiate da ciascun lato del paraurti posteriore, come illustrato nella Figura 79.
Allentate le viti flangiate rimanenti che fissano il paraurti posteriore al telaio e ruotate il paraurti verso il basso.

Allentate le manopole e rimuovete entrambe le coperture laterali (Figura 80).

Rimuovete le 6 viti flangiate che fissano la copertura posteriore al telaio e rimuovete la copertura posteriore (Figura 81).

Rimuovete i dispositivi di fissaggio che fissano il coperchio della batteria alla macchina e rimuovete la copertura (Figura 82).
Note: Prendete nota del modo e della posizione di montaggio dei cavi della batteria.
Allentate e rimuovete i cavi della batteria dalle batterie.
Rimuovete i dispositivi di fissaggio che fissano gli ancoraggi della batteria.
Rimuovete attentamente le batterie dalla macchina (Figura 82).

Fissare le batterie con i dispositivi di fissaggio (Figura 82).
Montate i cavi della batteria.
Posizionate il coperchio della batteria e fissatelo con i dispositivi di fissaggio rimossi.
Montate la copertura posteriore (Figura 81).
Montate le coperture laterali (Figura 80).
Sollevate il paraurti posteriore in posizione e montate le viti flangiate. Serrate tutte le viti flangiate che fissano il paraurti posteriore al telaio (Figura 79).
Girate l'interruttore di scollegamento della batteria in posizione di ACCENSIONE.
| Cadenza di manutenzione | Procedura di manutenzione |
|---|---|
| Ogni 1000 ore |
|
Contattate il vostro distributore Toro autorizzato o consultate il Manuale di manutenzione Toro per assistenza.
| Cadenza di manutenzione | Procedura di manutenzione |
|---|---|
| Ogni 1000 ore |
|
Con gli pneumatici posteriori in posizione diritta, misurate la distanza esterna (all’altezza dell’assale) sulla parte anteriore e posteriore degli pneumatici posteriori (Figura 84).
Note: La misurazione anteriore deve risultare di 0–3 mm superiore a quella posteriore.

Per regolare la convergenza, allentate i morsetti su entrambe le estremità dei tiranti (Figura 84).
Girate il tirante in modo da spostare la parte anteriore dello pneumatico verso l'interno o l'esterno.
Una volta ottenuta la giusta convergenza, serrate i morsetti dei tiranti.
L'ingestione di refrigerante del motore può causare avvelenamento, per cui tenetelo fuori dalla portata di bambini e animali domestici.
Se viene scaricato refrigerante caldo sotto pressione o si tocca il radiatore o le parti adiacenti calde, possono verificarsi gravi ustioni.
Lasciate sempre raffreddare il motore per almeno 15 minuti prima di rimuovere il tappo del radiatore.
Aprite il tappo del radiatore con uno straccio, agendo lentamente per lasciare fuoriuscire il vapore.
Non usate la macchina se le coperture non sono montate.
Tenete dita, mani e abiti lontano dalla ventola e dalla cinghia di trasmissione quando girano.
| Cadenza di manutenzione | Procedura di manutenzione |
|---|---|
| Prima di ogni utilizzo o quotidianamente |
|
| Ogni 100 ore |
|
La capacità dell'impianto su una macchina senza cabina è pari a 10,4 litri e con cabina pari a 17 litri.
Refrigerante raccomandato: antigelo al glicole etilenico e acqua (miscela al 50/50).
Le ventole rotanti e le cinghie di trasmissione possono causare infortuni.
Non usate la macchina se le coperture non sono montate.
Tenete dita, mani e abiti lontano dalla ventola e dalla cinghia di trasmissione quando girano.
Spegnete il motore, togliete la chiave e girate l'interruttore di scollegamento della batteria in posizione di SPEGNIMENTO prima di effettuare la manutenzione.
Se il motore è rimasto in funzione, il refrigerante nel radiatore sarà caldo e sotto pressione e può fuoriuscire provocando ustioni.
Non aprite il tappo del radiatore quando il motore gira.
Aprite il tappo del radiatore con uno straccio, agendo lentamente per lasciare fuoriuscire il vapore.
Togliete con cautela il tappo del radiatore e il tappo del serbatoio di espansione (Figura 85).

Controllate il livello del refrigerante nel radiatore (Figura 85).
Note: Una volta freddo, il radiatore deve essere riempito fino alla parte superiore del collo del bocchettone ed il serbatoio di espansione fino al segno di pieno Full.
Se il livello di refrigerante è basso, rabboccate con refrigerante sostitutivo raccomandato nel serbatoio di espansione, fino a portarlo al segno di pieno Full.
Note: Non usate solo acqua o refrigeranti a base di alcol o metanolo.
Montate il tappo del radiatore e quello del serbatoio di espansione.
| Cadenza di manutenzione | Procedura di manutenzione |
|---|---|
| Prima di ogni utilizzo o quotidianamente |
|
Effettuate la procedura di pre-manutenzione; vedere Procedure pre-manutenzione.
Important: Non utilizzate acqua per pulire il nucleo del radiatore o il nucleo del radiatore del fluido idraulico. L'uso di acqua per la pulizia del nucleo del radiatore o del nucleo del radiatore del fluido idraulico può favorire la precoce corrosione e danni ai componenti.
Sollevate il cofano in posizione completamente aperta.
Ruotate le ventole di raffreddamento del motore all'indietro rispetto al radiatore e bloccate l'asta di sostegno nella tacca (Figura 86).

Utilizzando aria compressa pulita, soffiate via i detriti dal lato motore verso la parte posteriore, per pulire il nucleo del radiatore.
Ruotate le ventole di raffreddamento del motore in avanti e bloccate l'asta di sostegno nella tacca (Figura 87).

Sollevate il cofano in posizione completamente aperta.
Ruotate le ventole di raffreddamento idraulico verso l'alto e bloccate l'asta di sostegno nella tacca (Figura 88).

Utilizzando aria compressa pulita, soffiate via i detriti dal lato motore verso l'alto, per pulire il nucleo di raffreddamento.
Ruotate le ventole di raffreddamento idraulico verso il basso e bloccate l'asta di sostegno nella tacca (Figura 89).

| Cadenza di manutenzione | Procedura di manutenzione |
|---|---|
| Ogni 2000 ore |
|
La capacità dell'impianto su una macchina senza cabina è pari a 10,4 litri e con cabina pari a 17 litri.
Effettuate la procedura di pre-manutenzione; vedere Procedure pre-manutenzione.
Togliete il tappo del radiatore.
Con il flessibile di spurgo del radiatore posizionato in una bacinella, aprite la valvola di spurgo sul flessibile del radiatore e spurgate il fluido in una bacinella (Figura 90).

Chiudete la valvola sul flessibile di spurgo del radiatore (Figura 90).
Riempite il radiatore con refrigerante fino a quando il livello non è pari con il bordo del foro del filtro (Figura 91).

Montate il tappo del radiatore.
Togliete il flessibile del refrigerante dal radiatore dell'olio del motore (Figura 92).

Dopo aver spurgato il refrigerante del motore, chiudete la valvola di spurgo sul flessibile di spurgo del radiatore e collegate il flessibile del refrigerante.
Rimuovete il tappo del serbatoio di espansione e riempitelo fino al segno inferiore con il refrigerante del motore. Montate il tappo.
Avviate il motore e lasciatelo girare finché non raggiunge la temperatura operativa.
Controllate il livello del refrigerante motore; fate riferimento a Verifica del sistema di raffreddamento del motore.
Aggiungete refrigerante al serbatoio di espansione per portare il livello del refrigerante al segno di pieno Full.
Verificate tutti i raccordi dei flessibili del refrigerante del motore che non devono presentare fuoriuscite.
| Cadenza di manutenzione | Procedura di manutenzione |
|---|---|
| Dopo le prime 50 ore |
|
| Ogni 250 ore |
|
Per informazioni sulla procedura di manutenzione si rimanda al manuale d'uso del motore (fornito con la macchina).
| Cadenza di manutenzione | Procedura di manutenzione |
|---|---|
| Dopo le prime 10 ore |
|
| Ogni 1000 ore |
|
La cinghia del compressore c.a. e dell'alternatore da 24 V utilizza un tendicinghia a molla preimpostato in fabbrica. Per l'operazione di manutenzione, fate riferimento al Manuale di manutenzione Toro.
| Cadenza di manutenzione | Procedura di manutenzione |
|---|---|
| Ogni 50 ore |
|
| Ogni 1000 ore |
|
La cinghia di trasmissione della lama, tesa dalla puleggia tendicinghia a molla, ha una lunga durata. Tuttavia, dopo molte ore di funzionamento, presenterà segni di usura. I segnali di una cinghia usurata sono il cigolio durante la rotazione della cinghia, lo slittamento delle lame durante il taglio dell'erba, bordi frastagliati, segni di bruciature e crepe. Sostituite la cinghia se notate uno qualsiasi di questi segni.
Abbassate al suolo l’apparato di taglio.
Togliete i copricinghia dalla parte superiore dell’apparato di taglio e metteteli da parte.
Sul piatto anteriore, in posizione centrale, allentate i controdadi sulla vite di arresto della puleggia tendicinghia e avvitate la vite di arresto nella staffa (Figura 93).

Con una leva a cricchetto o uno strumento simile, allontanate ciascuna puleggia tendicinghia dei piatti laterali dalla cinghia di trasmissione per allentare la tensione della cinghia e staccarla dalla puleggia dei piatti laterali (Figura 93).
Togliete i bulloni che fissano il motore idraulico all’apparato di taglio (Figura 94).

Togliete il motore e appoggiatelo sopra l'apparato di taglio.
Togliete la vecchia cinghia dalle pulegge del fusello e dalla puleggia tendicinghia.
Infilate la nuova cinghia attorno alle pulegge dei fuselli e al gruppo puleggia tendicinghia (Figura 95).

Regolate la vite di arresto sulla puleggia tendicinghia e serrate i controdadi.
Montate il motore idraulico sull'apparato di taglio e fissatelo utilizzando i bulloni rimossi in precedenza.
Serrate i bulloni a 47,5 N∙m (35 ft-lb).
Montate i copricinghia.
Note: Per rimuovere la cinghia inferiore, dovete prima rimuovere quella superiore.
Abbassate al suolo l’apparato di taglio.
Togliete i copricinghia dalla parte superiore dell’apparato di taglio e metteteli da parte.
Togliete i bulloni che fissano il motore idraulico all’apparato di taglio (Figura 94).
Togliete il motore e appoggiatelo sopra l'apparato di taglio.
Con una leva a cricchetto o uno strumento simile, allontanate le pulegge tendicinghia dalla cinghia di trasmissione per allentare la tensione della cinghia e staccarla dalle pulegge (Figura 96).

Togliete la vecchia cinghia dalle pulegge del fusello e dalla puleggia tendicinghia.
Infilate la nuova cinghia attorno alle pulegge dei fuselli e al gruppo puleggia tendicinghia (Figura 97 e Figura 98).


Montate il motore idraulico sull'apparato di taglio e fissatelo utilizzando i bulloni rimossi in precedenza.
Serrate i bulloni a 47,5 N∙m (35 ft-lb).
Montate i copricinghia.
Se il fluido penetra nella pelle, rivolgetevi immediatamente a un medico. Il fluido idraulico penetrato sotto la pelle deve essere asportato da un medico entro poche ore.
Prima di mettere l'impianto sotto pressione, accertatevi che tutti i circuiti e i tubi dell'olio idraulico siano in buone condizioni e che tutte le connessioni e i raccordi idraulici siano serrati saldamente.
Tenete corpo e mani lontano da perdite filiformi o da ugelli che emettono fluido idraulico pressurizzato.
Usate carta o cartone per individuare eventuali perdite di fluido idraulico.
Rilasciate in maniera sicura la pressione dall'impianto idraulico prima di eseguire qualunque intervento sull'impianto.
Il serbatoio viene rifornito in fabbrica con liquido idraulico di qualità elevata. Controllate il livello del fluido idraulico prima di avviare il motore per la prima volta e in seguito ogni giorno; fate riferimento a Controllo del fluido idraulico.
Fluido idraulico consigliato: Toro PX Extended Life Hydraulic Fluid (fluido idraulico per prolungare la durata); disponibile in fustini da 19 litri o in contenitori da 208 litri.
Note: Una macchina che utilizza il fluido di ricambio raccomandato richiede cambi meno frequenti di fluido e filtro.
Fluidi idraulici alternativi: qualora il fluido Toro PX Extended Life non fosse disponibile, si potranno utilizzare altri fluidi idraulici di tipo tradizionale a base di petrolio con specifiche che rientrino nell'intervallo indicato per tutte le seguenti proprietà materiali e siano conformi agli standard di settore. Non usate fluidi sintetici. Il distributore di lubrificanti vi consiglierà sulla scelta di un prodotto soddisfacente.
Note: Toro non si assume alcuna responsabilità per danni causati da sostituzioni non idonee, pertanto si raccomanda di utilizzare solo prodotti di costruttori di buona reputazione, che rispondano delle proprie raccomandazioni.
| Proprietà materiali: | ||
| Viscosità, ASTM D445 | cSt a 40 °C da 44 a 48 | |
| Indice di viscosità ASTM D2270 | 140 o superiore | |
| Punto di scorrimento, ASTM D97 | da -37 °C a -45 °C | |
| Caratteristiche industriali: | Eaton Vickers 694 (I-286-S, M-2950-S/35VQ25 o M-2952-S) | |
Note: Molti fluidi idraulici sono praticamente incolori, e rendono difficile il rilevamento di fuoriuscite. Un additivo con colorante rosso per il fluido idraulico è disponibile in flaconi da 20 ml. Una confezione è sufficiente per 15–22 litri di fluido idraulico. Per ottenerlo, ordinate il n. cat. 44-2500 presso il Distributore Toro autorizzato di zona.
La capacità è di 62,7 litri.
| Cadenza di manutenzione | Procedura di manutenzione |
|---|---|
| Prima di ogni utilizzo o quotidianamente |
|
Effettuate la procedura di pre-manutenzione; vedere Procedure pre-manutenzione.
Sollevate il coperchio di accesso per esporre il tappo del serbatoio idraulico, sul lato destro della macchina (Figura 99).

Pulite attorno al collo del bocchettone e del tappo del serbatoio idraulico (Figura 99).
Togliete il tappo dal collo del bocchettone.
Togliete l’asta di livello dal collo del bocchettone e pulitela strofinandola con un cencio pulito. Inserite l'asta di livello nel collo del bocchettone, quindi estraetela e controllate il livello del fluido (Figura 100).
Note: Il livello del fluido deve essere all'interno dell'intervallo operativo sicuro sull'asta di livello.

Se il livello è basso, rabboccate con olio adatto fino a portarlo alla tacca superiore.
Montate l'asta di livello e il tappo sul collo del bocchettone.
Chiudete il coperchio.
| Cadenza di manutenzione | Procedura di manutenzione |
|---|---|
| Ogni 800 ore |
|
| Ogni 2000 ore |
|
| Ogni 2 anni |
|
Parcheggiate la macchina su terreno pianeggiante, inserite il freno di stazionamento, abbassate il piatto di taglio, spegnete il motore e togliete la chiave.
Mettete una grossa bacinella di spurgo sotto il serbatoio del fluido idraulico.
Rimuovete il tappo del serbatoio idraulico e l'asta di livello.
Rimuovete il tappo di spurgo dalla base del serbatoio e lasciate fuoriuscire il fluido idraulico nella bacinella (Figura 101).

Quando il fluido idraulico cessa di defluire, montate il tappo di spurgo.
Riempite il serbatoio di fluido idraulico; fate riferimento a Controllo del fluido idraulico.
Important: Usate soltanto i fluidi idraulici specificati. Altri fluidi possono danneggiare l'impianto.
Montate l'asta di livello e il tappo del serbatoio
Avviate il motore ed attivate tutti i comandi idraulici per distribuire il fluido attraverso l’impianto.
Note: Verificate inoltre l'assenza di perdite, poi spegnete il motore.
Controllate il livello del fluido e rabboccate fino a raggiungere la tacca Pieno sull’asta di livello.
Note: Non riempite troppo.
| Cadenza di manutenzione | Procedura di manutenzione |
|---|---|
| Ogni 800 ore |
|
| Ogni 1000 ore |
|
Nel caso in cui il fluido idraulico si contamini, rivolgetevi al vostro distributore Toro autorizzato per il necessario lavaggio dell'impianto. Il fluido contaminato ha un aspetto lattiginoso o nero rispetto al fluido pulito.
Utilizzate filtri di ricambio Toro (n. cat. 86-6110 per il lato sinistro della macchina e n. cat. 75-1310 per il lato destro della macchina).
Important: L'uso di altri filtri può invalidare la garanzia di alcuni componenti.
Parcheggiate la macchina su terreno pianeggiante, inserite il freno di stazionamento, abbassate il piatto di taglio, spegnete il motore e togliete la chiave.
Pulite le superfici circostanti il filtro.
Collocate una bacinella di spurgo sotto il filtro e togliete il filtro (Figura 101).
Lubrificate la guarnizione del nuovo filtro e riempite il filtro con fluido idraulico.
Assicuratevi che l'area di montaggio di ciascun filtro sia pulita e avvitate il filtro fino a quando la guarnizione non è a contatto con la piastra di montaggio, poi serrate il filtro di un altro 1/2 giro.
Riempite il serbatoio di fluido idraulico; fate riferimento a Controllo del fluido idraulico.
Important: Usate soltanto i fluidi idraulici specificati. Altri fluidi possono danneggiare l'impianto.
Montate l'asta di livello e il tappo del serbatoio
Avviate il motore ed attivate tutti i comandi idraulici per distribuire il fluido attraverso l’impianto.
Note: Verificate inoltre l'assenza di perdite, poi spegnete il motore.
Controllate il livello del fluido e rabboccate fino a raggiungere la tacca Pieno sull’asta di livello.
Note: Non riempite troppo.
| Cadenza di manutenzione | Procedura di manutenzione |
|---|---|
| Ogni 2 anni |
|
Se il fluido idraulico fuoriesce sotto pressione, può penetrare la pelle e causare infortuni.
Se il fluido viene iniettato nella pelle, rivolgetevi immediatamente ad un medico.
Verificate che tutti i tubi e i flessibili dell'olio idraulico siano in buone condizioni e che tutte le connessioni e i raccordi idraulici siano saldamente serrati, prima di mettere l'impianto sotto pressione.
Tenete corpo e mani lontano da perdite filiformi o da ugelli che emettono fluido idraulico pressurizzato.
Usate carta o cartone per individuare eventuali perdite di fluido idraulico.
Rilasciate in maniera sicura la pressione dall'impianto idraulico prima di eseguire qualunque intervento sull'impianto.
Controllate i tubi idraulici e i flessibili ogni giorno per rilevare fuoriuscite, tubi attorcigliati, attacchi allentati, usura, raccordi allentati e deterioramento causato dalle condizioni atmosferiche e da agenti chimici. Eseguite tutte le riparazioni necessarie prima di usare la macchina.
I fori diagnostici servono a verificare la pressione dei circuiti idraulici. Contattate il vostro distributore Toro autorizzato o consultate il Manuale di manutenzione Toro per assistenza.
Note: Sebbene non sia necessario per le normali procedure di manutenzione, potete ruotare (inclinare) l'apparato di taglio anteriore in posizione verticale.
Sollevate leggermente l'apparato di taglio anteriore da terra, innestate il freno di stazionamento, spegnete il motore e togliete la chiave.
Effettuate la procedura di pre-manutenzione; vedere Procedure pre-manutenzione.
Togliete il fermaglio di ritegno e scollegate il gruppo ammortizzatore dall'apparato di taglio (Figura 102).

Togliete la coppiglia e il perno con testa che fissano le catene dell'altezza di taglio sul retro dell'apparato di taglio (Figura 103).

Avviate il motore, sollevate lentamente l'apparato di taglio anteriore, spegnete il motore e togliete la chiave di accensione.
Inserite un blocco di legno tra la parte posteriore del piatto e la macchina (Figura 104).

Con l'aiuto di un'altra persona che tenga ferma la parte anteriore dell'apparato di taglio, rimuovete il blocco di legno.
Sedetevi sul sedile, avviate il motore e abbassate l'apparato di taglio finché non si trova a poca distanza da terra.
Fissate le catene dell'altezza di taglio alla parte posteriore dell'apparato di taglio.
Collegate il gruppo ammortizzatore e fissatelo con il fermaglio di ritegno.
L'angolo di inclinazione dei piatti di taglio corrisponde alla differenza dell'altezza di taglio tra l'estremità anteriore e quella posteriore della lama. Impostate l'angolo di inclinazione della lama a 6,3–9,7 mm, in modo che l'estremità posteriore della lama sia 7,6 mm più alta di quella anteriore.
Parcheggiate la macchina su terreno pianeggiante, inserite il freno di stazionamento, abbassate il piatto di taglio, spegnete il motore e togliete la chiave.
Regolate l'elemento di taglio all'altezza di taglio desiderata.
Assicuratevi che le alette siano a livello del piatto anteriore e che il piatto anteriore sia in piano lateralmente.
Ruotate ogni lama in modo che sia orientata direttamente in avanti (Figura 105).

Con un righello, misurate la distanza tra il pavimento e l'estremità anteriore della lama anteriore e annotate questa misura.
Misurate dal suolo all'estremità posteriore della lama dell'aletta e annotate questa misura.
Per calcolare l'angolo d'inclinazione di ciascuna lama, sottraete la dimensione ottenuta per la misurazione anteriore da quella ottenuta dalla misurazione posteriore.
Allentate i controdadi sulla parte superiore o inferiore del bullone a U della catena dell’altezza di taglio (Figura 106).
Note: Allentate o serrate i dadi della catena dell'altezza di taglio in modo equo, così che il piatto rimanga in piano lateralmente.

Regolate l'altro gruppo di dadi per sollevare o abbassare la parte posteriore dell'apparato di taglio, fino ad ottenere l'inclinazione corretta in base all'inclinazione media di ciascuna lama.
Serrate i controdadi.
Togliete il cappuccio di tensione dall'asse del perno della ruota orientabile ed estraete il perno dal braccio della ruota orientabile (Figura 107).

Posizionate gli spessori come occorre per sollevare o abbassare il gruppo della ruota orientabile fino ad ottenere la corretta inclinazione dell'apparato di taglio.
Montate il tappo tenditore.
Nel tubo dei bracci delle ruote orientabili sono inserite, in alto e in basso, delle boccole; dopo molte ore di servizio le boccole si consumano. Per controllare le boccole, spostate la forcella della ruota orientabile avanti e indietro e da un lato all'altro. Se il fusello delle ruote orientabili è lento all'interno delle boccole, le boccole sono usurate; sostituitele.
Rimuovete il cappuccio di tensione e la forcella della ruota orientabile (Figura 107).
Note: Registrate la posizione delle rondelle e dei distanziali prima di rimuoverli, in modo da non dover regolare l’inclinazione del piatto.
| Cadenza di manutenzione | Procedura di manutenzione |
|---|---|
| Ogni 500 ore |
|
Togliete il dado di bloccaggio dal bullone che fissa il gruppo ruota orientabile alla forcella o al braccio di rotazione (Figura 108).

Afferrate la ruota orientabile ed estraete la vite a testa cilindrica dalla forcella o dal braccio di rotazione (Figura 108).
Togliete il cuscinetto dal mozzo della ruota e lasciate cadere il distanziale del cuscinetto (Figura 108).
Togliete il cuscinetto dalla parte opposta del mozzo della ruota (Figura 108).
Controllate che i cuscinetti, il distanziale e l’interno del mozzo non siano usurati.
Note: Sostituite le parti avariate.
Per montare la ruota orientabile, inserite il cuscinetto nel mozzo della ruota.
Note: Durante il montaggio dei cuscinetti, premete l’anello esterno del cuscinetto.
Fate scorrere il distanziale del cuscinetto nel mozzo della ruota e spingete l'altro cuscinetto nell'estremità aperta del mozzo della ruota, in modo da imprigionare il distanziale all'interno del mozzo.
Montate il gruppo ruota orientabile tra le forcelle e fissatelo in sede con il bullone e il dado di bloccaggio.
Controllate la lama a intervalli regolari, per accertarvi che non sia consumata o danneggiata.
Prestate la massima attenzione quando controllate le lame. Durante gli interventi di manutenzione, avvolgete le lame o indossate guanti adatti allo scopo, prestando molta attenzione. Le lame possono essere solo affilate o sostituite, ma non raddrizzate né saldate.
Su macchine multilama, tenete presente che la rotazione di una lama può provocare la rotazione di altre lame.
Dopo avere urtato contro un corpo estraneo, ispezionate la macchina per rilevare eventuali danni, ed effettuate le riparazioni necessarie prima di riavviare l'attrezzatura. Serrate tutti i dadi delle pulegge del fusello a 176–203 N·m.
Sollevamento dell'apparato di taglio.
Effettuate la procedura di pre-manutenzione; vedere Procedure pre-manutenzione.
Bloccate l’apparato di taglio per impedire che cada accidentalmente.
Ruotate la lama fino a quando le estremità non sono rivolte in avanti e indietro e misurate la distanza tra l’interno dell'apparato di taglio e il tagliente sulla parte anteriore della lama (Figura 109).
Note: Annotate questa misura.

Fate ruotare l'estremità opposta della lama in avanti e misurate la distanza tra l'apparato di taglio e il filo della lama nella stessa posizione di cui al punto 4.
Note: La differenza tra le misure rilevate alle voci 4 e 5 non deve superare i 3 mm. Se la differenza supera 3 mm, la lama è curva e dev'essere sostituita; vedere Rimozione e montaggio della lama o delle lame dell’apparato di taglio.
Sostituite la lama se colpisce un corpo solido, se è sbilanciata o curva. Utilizzate solo lame di ricambio originali Toro per garantire sicurezza e prestazioni ottimali.
Parcheggiate la macchina su terreno pianeggiante, sollevate l’apparato di taglio alla posizione di trasferimento, inserite il freno di stazionamento, spegnete il motore e togliete la chiave.
Note: Bloccate l’apparato di taglio per impedire che cada accidentalmente.
Afferrate l’estremità della lama con un cencio o un guanto bene imbottito.
Togliete il bullone, la coppa antistrappo e la lama dall’asse del perno (Figura 110).

Montate la lama, la coppa antistrappo e il bullone della lama e serrate quest'ultimo a un valore compreso tra 115 e 149 N∙m.
Important: Perché tagli correttamente, il lato curvo della lama deve essere rivolto verso l'interno dell'apparato di taglio.
Note: Dopo avere urtato un corpo estraneo, serrate tutti i dadi della puleggia del perno a un valore compreso tra 115 e 149 N·m.
| Cadenza di manutenzione | Procedura di manutenzione |
|---|---|
| Dopo le prime 10 ore |
|
| Prima di ogni utilizzo o quotidianamente |
|
| Ogni 50 ore |
|
Sia i taglienti sia la costa, cioè la parte rivolta in alto opposta al tagliente, contribuiscono alla buona qualità del taglio. La costa solleva l'erba in verticale, consentendo in questo modo un taglio uniforme. Tuttavia, con l'usura della costa dovuta all’utilizzo, la qualità del taglio si deteriora, benché i taglienti siano ancora affilati. Il tagliente della lama deve essere affilato, in modo che l'erba venga tagliata anziché strappata. Il tagliente è smussato quando le punte dei fili d'erba appaiono marroni e sfilacciate. Per correggere questa condizione, affilate i taglienti
Posizionate la macchina su una superficie piana, sollevate l'apparato di taglio, inserite il freno di stazionamento, mettete in FOLLE il pedale di comando della trazione, assicuratevi che l'interruttore della PDF sia in posizione di SPEGNIMENTO, spegnete il motore e togliete la chiave.
Verificate accuratamente i taglienti (con particolare attenzione ai punti d'incontro delle sezioni piatta e curva della lama), come illustrato nella Figura 111.
Note: Sabbia e materiali abrasivi possono consumare il metallo che connette le sezioni piatta e curva della lama, per cui si consiglia di controllare la lama prima di usare il tosaerba. Se riscontrate segni di usura, sostituite la lama (Figura 111).

Controllate i taglienti di tutte le lame,
e affilateli se fossero ottusi o scheggiati (Figura 112).

Note: Affilate soltanto la parte superiore del tagliente e mantenete l'angolo di taglio originale per garantire l'affilatura.
Note: La lama rimane bilanciata soltanto se viene rimossa una quantità uguale di metallo da entrambi i taglienti.
Note: Togliete le lame ed affilatele su un’affilatrice. Dopo avere affilato i taglienti, montate la lama insieme alla coppa antistrappo e al bullone della lama; fate riferimento a Rimozione e montaggio della lama o delle lame dell’apparato di taglio.
Quando vi è un allineamento errato tra le lame di un singolo apparato di taglio, l'erba risulterà striata dopo il taglio. Potete correggere questo problema garantendo che le lame siano diritte.
Con una livella lunga 1 m, trovate una superficie pianeggiante sul pavimento dell'officina.
Sollevate al massimo l'altezza di taglio; vedere Regolazione dell'altezza di taglio.
Abbassate l'apparato di taglio su una superficie piana e togliete le protezioni dalla parte superiore dell'apparato di taglio.
Girate le lame fino a disporle in parallelo con la lunghezza della macchina.
Misurate dal suolo alla punta anteriore del tagliente. Annotate questa condizione.
Fate ruotare la stessa lama in modo che l'estremità opposta si trovi davanti e misurate di nuovo.
Note: La differenza tra le misure non deve superare i 3 mm. Se la differenza supera i 3 mm, la lama è curva, quindi sostituitela. Misurate tutte le lame.
Assicuratevi che il piatto sia in piano lateralmente e regolate come necessario.
Montate i copricinghia.
Important: Prestate attenzione alle guarnizioni e alle luci della cabina (Figura 113). Se utilizzate una lancia a pressione, mantenete l'asta di lavaggio ad almeno 0,6 m di distanza dalla macchina. Non utilizzate la lancia a pressione direttamente sulle guarnizioni o le luci della cabina o sotto la sporgenza posteriore.

| Cadenza di manutenzione | Procedura di manutenzione |
|---|---|
| Ogni 250 ore |
|
Rimuovete le viti e le griglie sia dal filtro dell'aria interno alla cabina, sia da quello sulla parte posteriore della cabina (Figura 114 e Figura 115).


Pulite i filtri soffiando aria compressa pulita e priva di tracce d'olio attraverso gli stessi.
Important: Se un filtro presenta un buco, uno strappo o un altro tipo di danno, sostituitelo.
Montate i filtri e la grata con le viti a testa zigrinata.
Il prefiltro della cabina evita che grossi detriti, come erba e foglie, penetrino nei filtri della cabina.
Ruotate il coperchio dello schermo verso il basso.
Pulite il filtro con acqua.
Important: Non utilizzate il lavaggio a pressione.
Note: Se il filtro presenta un foro, uno strappo o un altro danno, sostituitelo.
Lasciate asciugare il prefiltro prima di montarlo sulla macchina.
Ruotate lo schermo del filtro attorno alle alette fino a quando il fermo non si blocca nel gruppo del supporto del fermo (Figura 116).

| Cadenza di manutenzione | Procedura di manutenzione |
|---|---|
| Ogni 250 ore |
|
Scollegate il filo per ciascuna ventola.

Rimuovete le 2 manopole e rimuovete il gruppo della ventola.
Aprite i 4 fermi sul gruppo dell'aria condizionata e rimuovete la griglia.

Togliete i filtri dell'aria (vedere Figura 115).
Pulite il gruppo dell'aria condizionata.
Installate i filtri dell'aria, la griglia e il gruppo ventola (Figura 115, Figura 117 e Figura 118).
Collegate il filo per ciascuna ventola (Figura 117).
Spegnete il motore, togliete la chiave e attendete che tutte le parti in movimento si arrestino prima di abbandonare la posizione dell'operatore. Lasciate raffreddare la macchina prima di eseguire interventi di regolazione, manutenzione, pulizia o prima del rimessaggio.
Non rimessate la macchina o la tanica del carburante in luoghi in cui siano presenti fiamme aperte, scintille o spie, come uno scaldabagno o altri apparecchi.
Important: Non utilizzate acqua salmastra o rigenerata per pulire la macchina.
Pulite accuratamente il trattorino, gli elementi di taglio e il motore.
Controllate la pressione degli pneumatici. Gonfiate tutti gli pneumatici del trattorino a un valore compreso tra 0,83 e 1,03 bar.
Controllate tutti gli elementi di fissaggio per eventuali allentamenti; all'occorrenza serrateli.
Lubrificate con grasso tutti i raccordi di ingrassaggio e i punti di articolazione. Tergete il lubrificante superfluo.
Carteggiate leggermente e ritoccate le aree verniciate graffiate, scheggiate o arrugginite. Riparate ogni intaccatura nel metallo.
Revisionate la batteria e i cavi come segue:
togliete i morsetti della batteria dai poli;
Note: Scollegate sempre prima il morsetto negativo, per ultimo quello positivo. Collegate sempre prima il morsetto positivo, per ultimo quello negativo.
Pulite la batteria, i morsetti e i poli con una spazzola metallica e una soluzione di bicarbonato di sodio;
per impedire la corrosione, ricoprite i morsetti e i poli della batteria con grasso di rivestimento Grafo 112X (numero cat. 505-47) o vaselina
per impedire la solfatazione di piombo della batteria, caricatela lentamente ogni 60 giorni per 24 ore.
Spurgate l'olio del motore dalla coppa e montate il tappo di spurgo.
Togliete il filtro dell'olio e scartatelo. Montate un nuovo filtro dell'olio.
Riempite la coppa dell'olio con la giusta quantità di olio motore.
Girate la chiave nell'interruttore in posizione di ACCENSIONE, avviate il motore e lasciatelo in funzione al minimo per circa 2 minuti.
Girate la chiave nell'interruttore in posizione di SPEGNIMENTO.
Spurgate tutto il carburante dal serbatoio del carburante, dai tubi di alimentazione e dal filtro del carburante/separatore di condensa.
Lavate il serbatoio del carburante con gasolio nuovo e pulito.
Fissate tutti i raccordi dell'impianto di carburante.
Pulite accuratamente il gruppo filtro dell'aria e revisionatelo.
Sigillate l'entrata del filtro dell'aria e l'uscita di scarico con un nastro resistente agli agenti atmosferici.
Verificate la protezione antigelo, e rabboccate per far fronte alla temperatura minima prevista nella vostra zona.