| Karbantartási időköz | Karbantartási intézkedés |
|---|---|
| Minden egyes használat előtt, vagy naponta |
|
Megfelelően felszerelve ez a munkaeszköz a járművet professzionális kezelők számára, kereskedelmi alkalmazáshoz készült célorientált gyeppermetező géppé alakítja. Elsősorban parkok, golfpályák, sportpályák és kereskedelmi területeken létesített füves területek jól karbantartott gyepének permetezésére készült.
Gondosan olvassa el ezt a tájékoztatót, hogy a termék megfelelő üzemeltetését és karbantartását elsajátítva elkerülje a sérüléseket, valamint a termék károsodását. Ön felelős a termék megfelelő és biztonságos üzemeltetéséért.
Látogasson el a www.Toro.com weboldalra további információkért, például munkavédelmi tippekért, oktatóanyagokért, tartozékinformációkért, kérjen segítséget márkakereskedés kereséséhez, vagy regisztrálja termékét.
Ha szervizre, eredeti Toro-alkatrészekre vagy további információkra van szüksége, forduljon hivatalos márkaszervizhez vagy a Toro ügyfélszolgálatához, és készítse elő terméke típus- és gyári számát. A(z) Ábra 1 jelzi a típus- és gyári szám helyét a terméken. Írja fel a számokat az erre előkészített helyre.
Important: Fontos: mobileszköze segítségével a sorozatszámot tartalmazó címkén található QR-kódot (ha van) beolvasva elérheti a garanciális tudnivalókat, az alkatrészekre vonatkozó adatokat és egyéb termékinformációkat.

A kézikönyv feltünteti a lehetséges veszélyeket, és a (Ábra 2) biztonsági figyelmeztető jelzéssel azonosított biztonsági üzeneteket tartalmaz. Ez a jelzés olyan veszélyre hívja fel a figyelmet, amely súlyos sérülést vagy halált okozhat, amennyiben nem követi az ajánlott óvintézkedéseket.

Ez a kézikönyv 2 szót használ az információ kiemelésére. A Fontos speciális műszaki információra hívja fel a figyelmet, a Megjegyzés külön figyelemre érdemes általános információt hangsúlyoz.
A termék megfelel minden vonatkozó európai irányelvnek; a részletekért kérjük, olvassa el a különálló termékspecifikus megfelelőségi nyilatkozatot (DOC).
A kaliforniai közös természeti erőforrásokról szóló törvény (California Public Resource Code) 4442. és 4443. szakasza értelmében tilos a motor működtetése erdős, bokrokkal vagy fűvel takart talajon, kivéve akkor, ha a motor a 4442. szakaszban meghatározott szikragátló berendezéssel rendelkezik, rendszeres karbantartáson esik át, vagy a motor felépítése, felszerelése és karbantartása a tűzesetek megakadályozásának szem előtt tartásával történt.
KALIFORNIA
65-ös számú figyelmeztetés
A termék használata Kalifornia állam jogszabályai által rákkeltőnek, születési, illetve reprodukciós rendellenességet okozónak nyilvánított vegyi anyag vagy vegyi anyagok hatásának való kitettséget eredményezhet.
A kezelő vagy a tulajdonos által nem megfelelően végzett karbantartás személyi sérüléssel járhat. A lehetséges sérülések elkerülése érdekében kövesse a biztonsági útmutatóban leírtakat, és mindig ügyeljen a biztonsági figyelmeztető szimbólumra (Ábra 2), amelynek jelentése lehet Vigyázat, Figyelmeztetés vagy Veszély – személyes munkavédelmi utasítások. Az utasítások be nem tartása súlyos, akár végzetes személyi sérüléshez is vezethet.
A termék személyi sérülést okozhat. A súlyos személyi sérülések elkerülése érdekében mindig kövesse a biztonsági utasításokat.
A motor beindítása előtt olvassa el és értelmezze a jelen kezelői kézikönyv tartalmát.
A gép működtetését teljes odafigyeléssel végezze. Ne bonyolódjon olyan tevékenységbe, amely elvonhatja a figyelmét, különben személyi sérülés vagy anyagi kár lehet a következmény.
A vegyszerekkel való érintkezés elleni védelem érdekében viseljen megfelelő személyi védőfelszerelést (PPE). A permetezőrendszerben használt vegyi anyagok veszélyesek és mérgezőek lehetnek.
Tartsa távol kezeit és lábait a gép mozgó alkatrészeitől.
Ne működtesse a gépet felszerelt és üzemképes védőburkolatok és biztonsági berendezések nélkül.
Ne tartózkodjon a permetezőfúvókák kimeneténél és a permet szóródásának területén. Tartsa távol a nézelődőket és a gyerekeket a működtetési területtől.
Soha ne engedje, hogy a gépet gyerekek üzemeltessék.
Mielőtt elhagyja a gépet, parkolja azt le sík talajon, húzza be a rögzítőféket, állítsa le a motort, vegye ki a kulcsot (ha van), és várja meg, amíg minden mozgó alkatrész megáll. Hagyja lehűlni a gépet, mielőtt beállítási, szervizelési, tisztítási vagy tárolási munkába kezd rajta.
A gép nem megfelelő használata vagy karbantartása
személyi sérüléshez vezethet. A lehetséges
sérülések elkerülése érdekében
kövesse a biztonsági útmutatóban leírtakat,
és mindig ügyeljen a biztonsági figyelmeztető
szimbólumra (
), amelynek jelentése lehet Figyelem, Vigyázat
vagy Veszély – személyes biztonsági utasítások.
Az utasítások be nem tartása súlyos személyi
sérüléshez vagy halálhoz vezethet.
A kézikönyv nem mutatja be a jelen géphez alkalmas összes munkaeszközt. További biztonsági utasításokért lásd az egyes munkaeszközökhöz mellékelt kezelői kézikönyvet.
![]() |
A biztonsági címkék és utasítások a kezelő számára feltűnő helyen, a potenciálisan veszélyes területek közelében találhatók. A sérült vagy hiányzó matricát cserélje le, illetve pótolja. |

















Important: A 41240 számú modell a 416500000 vagy magasabb sorozatszámú, csak kézi sebességváltóval rendelkező Workman HDX gépekre szerelhető.
Note: A gép jobb és bal oldalát normál üzemeltetési helyzetben határozza meg.
Note: Amennyiben kérdései merülnek fel, vagy további információkra van szüksége a permetezést vezérlő rendszerrel kapcsolatban, tekintse meg a rendszerhez mellékelt Kezelői kézikönyvet.
Important: Ez a permetező permetezőfúvókák nélkül kerül forgalomba.A permetező használatához be kell szereznie és fel kell szerelnie a fúvókákat. Az elérhető szakaszkészletekkel és tartozékokkal kapcsolatos információkért forduljon a hivatalos Toro-forgalmazóhoz. A fúvókák felszerelését követően a permetező első használata előtt állítsa be a szakaszok megkerülőszelepeit, hogy a nyomás és a kijuttatási mennyiség egy vagy több szakasz kikapcsolása esetén is azonos maradjon minden szakasznál. Lásd: A permetezőáram kalibrálása.
Important: A Multi Pro WM gyeppermetező használatához a Workman járművet négyoszlopos bukókerettel vagy fülkével kell felszerelni.
A teljes plató tömege körülbelül 95 kg. Ha a platót segítség nélkül távolítja el, sérülést szenvedhet.
Ne próbálja meg egyedül felszerelni vagy eltávolítani a platót.
Kérjen segítséget 2-3 másik személytől, vagy használjon híddarut.
Parkoljon le a géppel sík talajon, húzza be a rögzítőféket, és indítsa be a motort.
Tolja előre a hidraulikus emelő karját, és engedje le a platót, amíg a munkahengerrúd végénél lévő emelő munkahengerekhez tartozó kengyelcsapszegek ki nem lazulnak a platórögzítő lemezek szerelőnyílásaiban.
Engedje ki a hidraulikus emelő karját, reteszelje a hidraulikus emelő zárját, állítsa le a motort, és vegye ki az indítókulcsot; lásd a gép Kezelői kézikönyvét.
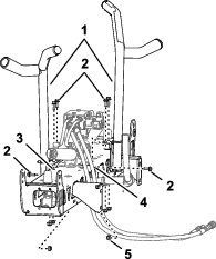
Távolítsa el a biztosítócsapokat a munkahengerrúd kengyelcsapszegeinek külső végéből (Ábra 3).

Távolítsa el a munkahengerrúd végeit a platórögzítő lemezhez rögzítő kengyelcsapszegeket a csapszegeket a gép középvonala felé nyomva (Ábra 3).
Távolítsa el a plató forgócsapkonzoljait a gép vázcsatornáihoz rögzítő biztosítócsapokat és kengyelcsapszegeket (Ábra 4).

Emelje le a platót a járműről.
Tárolja az emelő munkahengereket a tárolókapcsokban.
Ehhez az eljáráshoz szükséges alkatrészek:
| Hátsó mellékhajtáskészlet, nagy teherbírású Workman jármű (kézi sebességváltóval rendelkező HD sorozatú modellek) | 1 |
| Multi Pro WM gyeppermetező simítókészlet, kézi sebességváltóval rendelkező Workman haszonjármű (kézi sebességváltóval rendelkező HD sorozatú modellek) | 1 |
Kézi sebességváltóval rendelkező HD és HDX Workman modellek esetén hiánytalanul szerelje fel a nagy teherbírású Workman járművekhez tartozó hátsó mellékhajtáskészletet; lásd a nagy teherbírású Workman járművekhez tartozó hátsó mellékhajtáskészlet Felszerelési utasításait.
Egy 408 kg-os teherbírású emelőberendezés segítségével emelje ki a tartálycsúszkát a szállítókonténerből a 2 elülső és a 2 hátsó emelési pontnál tartva (Ábra 5).
Note: Gondoskodjon arról, hogy a tartálycsúszkát elég magasra emelje a bakok felszereléséhez.

Kézi sebességváltóval rendelkező HD és HDX sorozatú Workman modellek esetén lásd a kézi sebességváltóval rendelkező Workman haszonjárművekhez tartozó Multi Pro WM gyeppermetező kiegészítőkészlet felszerelési utasításait.
Ehhez az eljáráshoz szükséges alkatrészek:
| Leszorítókonzolok | 2 |
Távolítsa el a 2 hátsó peremes fejű csavart és a 2 peremes önbiztosító anyát, amelyek a motorcső tartókonzolját rögzítik a gépvázhoz (Ábra 6).
Note: Őrizze meg a rögzítőelemeket a későbbi felhasználás érdekében.

Forgassa el az emelő munkahengert, hogy elegendő hely legyen a tartálycsúszkához tartozó leszorítókonzol felszereléséhez (Ábra 6).
Rögzítse a leszorítókonzolokat a tartókonzolon és a vázon az 1. lépés során eltávolított 2 peremes fejű csavar és peremes önbiztosító anya segítségével (Ábra 7).

Húzza meg a csavarokat és az anyákat 91–113 N∙m nyomatékkal.
Ismételje meg az 1–4. lépést a gép ellentétes oldalán.
Ehhez az eljáráshoz szükséges alkatrészek:
| Tartály- és csúszkaegység | 1 |
| Kengyelcsapszegek | 2 |
| Kúpos kengyelcsapszeg | 2 |
| Sasszegek | 2 |
| Biztosítócsapok | 4 |
| Csavar (½ × 1½") | 2 |
| Anyák (½") | 2 |
A permetezőtartály-egység tárolt energia okozta veszélyt jelent. Ha az egység a felszerelés vagy eltávolítás során nincs megfelelően rögzítve, akkor elmozdulhat vagy leeshet, ezzel az Ön vagy más nézelődők sérülését okozva.
A permetezőtartály-egység rögzítéséhez használjon pántokat és egy felfüggesztett emelőberendezést a telepítés, eltávolítás és minden olyan karbantartási művelet során, amikor eltávolítja a rögzítőelemeket.
Az emelőberendezés segítségével emelje fel a tartálycsúszkaegységet (Ábra 8), és igazítsa a járműváz fölé úgy, hogy a szivattyú és a szelepegységek hátrafelé nézzenek.
Note: Kérjen meg valakit, hogy segítsen az alábbi lépések elvégzésében.

Lassan engedje le a tartálycsúszkát a gépvázra.
Tolja ki az emelő munkahengereket a tartálycsúszkán lévő konzolokig, majd igazítsa egymáshoz a hengerszerelvényeket és a tartálycsúszka konzoljain lévő furatokat (Ábra 9).

Rögzítse a tartálycsúszkát az emelő munkahengerekhez a gép két oldalán lévő kengyelcsapszegek és sasszegek segítségével.
Igazítsa egymáshoz a tartálycsúszkaegység hátulján lévő forgócsapok furatait és a járműváz végén lévő platóforgócső furatait (Ábra 10).

Helyezzen be egy kúpos kengyelcsapszeget és 2 biztosítócsapot a forgócsapba, ezzel rögzítve a tartályegységet a vázhoz (Ábra 10).
Tolja ki az emelő munkahengereket a tartály megemeléséhez és a tömege megtámasztásához.
Note: Válassza le a tartályegységet az emelőberendezésről.
Vegye ki a platókitámasztót a bukókeret paneljének hátulján található tartókból (Ábra 11).

Nyomja rá a platókitámasztót a munkahengerrúdra, ügyelve arra, hogy a kitámasztó végén levő fülek felfeküdjenek a munkahenger hengerének végére és a munkahengerrúd végére (Ábra 12).

Távolítsa el a permetezőtartály leeresztőszelepét és tömlőjét a csúszkacsatornához rögzítő kábelkötözőt (Ábra 13).

Húzza a leeresztőszelepet és a tömlőt a csúszkacsatorna külső részéhez (Ábra 14A).

Távolítsa el a 2 peremes csavart (5/16 × ⅝") a leeresztőszelep házából (Ábra 14).
Rögzítse a leeresztőszelepet a leeresztőszelep konzoljára (Ábra 14B) a 3. lépés során eltávolított 2 peremes csavar (5/16 × ⅝") segítségével.
Szorítsa meg kézzel a 2 peremes csavart (Ábra 14B).
Az akkumulátor kábeleinek helytelen elvezetése szikrákat okozva károsíthatja a permetezőt és a kábeleket. A szikrák hatására az akkumulátor gázai berobbanhatnak, ami személyi sérülést okozhat.
Először mindig a negatív (fekete) akkumulátorkábelt kösse le, csak ezután a pozitív (piros) kábelt.
Először mindig a pozitív (piros) akkumulátorkábelt kösse vissza, és csak ezután a negatív (fekete) kábelt.
Az akkumulátor pólusai vagy a fémszerszámok a permetező fém alkatrészeihez érve szikrázást keltő rövidzárlatot okozhatnak. A szikrák hatására az akkumulátor gázai berobbanhatnak, ami személyi sérülést okozhat.
Az akkumulátor ki- vagy beszerelése során ügyeljen arra, hogy annak pólusai ne érjenek a permetező fémalkatrészeihez.
Ügyeljen arra, hogy a fémszerszámok ne okozzanak rövidzárlatot az akkumulátor pólusai és a permetező fémalkatrészei között.
Nyomja össze az akkumulátorfedél oldalait, hogy a fülei elváljanak az akkumulátorrekesz alján lévő nyílásoktól, majd vegye le az akkumulátorfedelet (Ábra 15).

Csúsztassa vissza a fedelet, és kösse le a negatív akkumulátorpólust az akkumulátorról (Ábra 15).
Kösse le a pozitív akkumulátorpólust az akkumulátorról (Ábra 15).
Keresse meg a fordulatszám-érzékelő áramkörének 3 foglalatos csatlakozóját és a jármű áramkörének 3 tűs csatlakozóját a permetező kábelkötegénél.
A gép váltóművénél csatlakoztassa a gép a fordulatszám-érzékelőhöz tartozó kábelkötegének 3 tűs csatlakozóját a permetező a fordulatszám-érzékelőhöz tartozó kábelkötegének 3 foglalatos csatlakozójához (Ábra 16).

Csatlakoztassa a permetező kábelkötegénél lévő, a jármű áramköréhez tartozó 3 tűs csatlakozót a gép kábelkötegénél lévő, a jármű áramköréhez tartozó 3 foglalatos csatlakozóhoz.
Lásd a kézi sebességváltós Workman haszonjárművekhez tartozó Multi Pro WM gyeppermetező kiegészítőkészlet felszerelési utasításait.
Ehhez az eljáráshoz szükséges alkatrészek:
| Konzoltartó | 1 |
| Peremes önbiztosító anya (5/16") | 3 |
| Peremes csavar (5/16") | 3 |
| Műanyag persely | 2 |
| Kezelői konzol | 1 |
| Rugós szorítócsap | 1 |
| Kézzel hajtható gomb | 1 |
Note: Bizonyos Workman járművek esetében a kezelői szerelőlap a műszerfal ugyanazon pontján rögzül, ahová az opcionális kézigázkészlet tartókonzolja van felszerelve. Ha a kézigázkészlet fel van szerelve, távolítsa el a kézigázegység tartókonzolját a műszerfalról, igazítsa a kezelői szerelőlapot a műszerfalhoz, és szerelje a kézigáztartót a kezelői szerelőlapra. A kézigázegység eltávolítására és felszerelésére vonatkozó utasításokért lásd a kézigázkészlet Felszerelési utasításait.
Távolítsa el a műszerfal alsó-középső részét a műszerfaltartó konzolhoz rögzítő 3 csavart és 3 anyát (Ábra 17).
Note: Előfordulhat, hogy bizonyos régebbi Workman gépeken 4 csavar és peremes anya található.
Note: Selejtezze le a csavarokat és az anyákat.

Igazítsa egymáshoz a kezelői konzol tartókonzolján lévő furatokat és a műszerfaltartó konzol furatait (Ábra 17).
Rögzítse a műszerfaltartó konzolt és a tartókonzolt a 3 peremes fejű csavar (5/16 × 1") és a 3 peremes önbiztosító anya (5/16") segítségével.
Húzza meg a csavarokat és az anyákat (Ábra 17).
Illessze be a 2 műanyag perselyt a tartókonzolba (Ábra 17).
Távolítsa el a sasszeget, amely a kezelői konzol forgócsapját rögzíti a permetezőtartály tartókonzoljához.
Szerelje fel a kezelői konzolt a kezelői tartókonzolra, és rögzítse a kezelői konzolt a rugós szorítócsap segítségével (Ábra 18).
Note: Ügyeljen arra, hogy a rugós csap rá legyen fordítva a forgócsapra, ezzel biztosítva a rugós szorítócsap rögzítését.

Szerelje fel a kézzel hajtható gombot, majd szorítsa meg, hogy működés közben a konzol ne fordulhasson el (Ábra 18).
Ehhez az eljáráshoz szükséges alkatrészek:
| J-kapcsok | 3 |
| Csavar (¼ × ¾") | 1 |
| Peremes anya (¼") | 1 |
Szerelje fel a 2 J-kapcsot a középső konzolra a meglévő csavarokkal.

Szereljen fel egy J-kapcsot az utasülés mögé egy csavar (¼ × ½") és egy peremes anya (¼") használatával.

Rögzítse a kezelői konzol kábelkötegét a konzol és a bukókeret burkolatához a J-kapcsok segítségével.
Csatlakoztassa a permetező hátsó kábelkötegének 3 tűs csatlakozóját a kezelői konzolhoz csatlakoztatott elülső kábelkötegének 3 aljzatos csatlakozójához.

Nyomja össze a permetező hátsó kábelkötegének 24 tűs csatlakozóját és a kezelői konzolhoz csatlakoztatott elülső kábelköteg 24 aljzatos csatlakozóját.
A 24 tűs csatlakozón lévő kar átfordításával rögzítse a 2 csatlakozót egymáshoz.
Ehhez az eljáráshoz szükséges alkatrészek:
| Biztosítékcímke (127-3966) | 1 |
A permetező kezelői konzoljánál vezesse el az elülső kábelköteg biztosítékdobozokkal ellátott leágazását a műszerfal alsó része és a gépváz keresztcsöve között, majd vezesse le a gép biztosítékdobozának előre néző oldala felé (Ábra 22).

Keresse meg a szigetelés nélküli csatlakozóaljzatot a gép biztosítékdobozánál lévő nyitott, sárga színű tápvezeték végénél, valamint a szigetelt, penge alakú csatlakozót a permetező bekötésének biztosítékdobozánál lévő opcionális, sárga színű tápvezetéket (Ábra 23).

Csatlakoztassa a gép biztosítékdobozához tartozó, szigetelés nélküli csatlakozóaljzatot a permetező biztosítékdobozához tartozó szigetelt, penge alakú csatlakozóhoz (Ábra 23).
Igazítsa a permetező biztosítékdobozán lévő T szerelvényt a gép biztosítékdobozának T alakú nyílásaihoz, majd csúsztassa a permetező biztosítékdobozát a nyílásokba, amíg az teljesen fel nem ül a helyére (Ábra 24).

Helyezze fel a biztosítékcímkét a permetező biztosítékdoboza mellé.
Ehhez az eljáráshoz szükséges alkatrészek:
| Akkumulátorpólus csavarja | 2 |
| Rögzítőanya | 2 |
| Fedél – széles (akkumulátorpólus – piros) | 1 |
Az akkumulátor kábeleinek helytelen elvezetése szikrákat okozva károsíthatja a permetezőt és a kábeleket. A szikrák hatására az akkumulátor gázai berobbanhatnak, ami személyi sérülést okozhat.
Először mindig a pozitív (piros) akkumulátorkábelt kösse vissza, és csak ezután a negatív (fekete) kábelt.
Távolítsa el a pozitív és a negatív akkumulátorkábel saruján lévő anyákat és T csavarokat (Ábra 25).
Note: Az anyákra és a T csavarokra a továbbiakban nincs szükség.

Távolítsa el a (keskeny) fedelet a pozitív akkumulátorkábelről (Ábra 26).
Note: A keskeny akkumulátorfedélre a továbbiakban nincs szükség.

Szerelje fel a széles akkumulátorfedelet a piros akkumulátorkábel fölé a Ábra 26 szerint.
Note: Csúsztassa a fedelet a kábelek fölé úgy, hogy hozzá lehessen férni a pólushoz.
Illessze az olvadó link gyűrűs saruját (a permetező kábelezése) a széles akkumulátorfedélbe a Ábra 27 szerint.

Lazán helyezzen fel egy póluscsavart és egy rögzítőanyát a pozitív és negatív akkumulátorkábel sarujára (Ábra 28).

Rögzítse a kiolvasztható vezeték gyűrűs saruját (a permetező kábelkötege) a póluscsavar oszlopára, amelyet egy rögzítőanya segítségével rögzített a pozitív akkumulátorkábelre (Ábra 29).

Rögzítse a negatív kábel gyűrűs kábelsaruját (fekete – a permetező kábelkötege) a póluscsavar oszlopára, amelyet egy rögzítőanya segítségével rögzített a negatív akkumulátorkábelre (Ábra 29).
Szerelje a pozitív akkumulátorkábelt a pozitív akkumulátorpólusra, és húzza meg kézzel a rögzítőanyát (Ábra 30).

Szerelje a negatív akkumulátorkábelt a negatív akkumulátorpólusra, és húzza meg kézzel a rögzítőanyát.
Nyomja össze az akkumulátorfedél oldalait, igazítsa a fedélen lévő füleket az akkumulátorrekesz alján lévő nyílásokhoz, majd engedje el az akkumulátorfedelet (Ábra 31).

Ehhez az eljáráshoz szükséges alkatrészek:
| Csavar (½ × 1½") | 2 |
| Önbiztosító anya (½") | 2 |
Indítsa el a gépet, és kissé emelje meg a tartálycsúszkát az emelő munkahengerek segítségével.
Távolítsa el a platókitámasztót az emelő munkahengerről, és helyezze a kitámasztót a bukókeret paneljének hátulján található tartókba (Ábra 32 és Ábra 33).


Az emelő munkahengerek segítségével lassan engedje le a tartályt a vázra.
Note: Kérjen meg valakit, hogy a leengedés során felügyelje a tartálycsúszkát. Ügyeljen az esetlegesen becsípődő vagy meghajló tömlőkre és vezetékekre.
Ellenőrizze, hogy a tartálycsúszka megfelelően illeszkedik-e a gépvázra.
Távolítsa el a szervizfedeleket a csúszkaváz mindkét oldaláról (Ábra 34).

Ellenőrizze a csúszkaváz nyílásán keresztül látható tömlőket vagy vezetékeket, hogy nem lát-e rajtuk becsípődésre vagy meghajlásra utaló jeleket.
Important: Ha a tartálycsúszkaegység valamelyik tömlője vagy vezetéke becsípődött vagy meghajlott, emelje fel az egységet, módosítsa az elhelyezését, majd kösse vissza az egyes elemeket.
Igazítsa egymáshoz az első rögzítőkereteket és a A tartálycsúszkához tartozó leszorítókonzolok felszerelése című rész során felszerelt leszorítókonzolokat.
Rögzítse a tartálycsúszkaegység leszorítókonzolját a vázon lévő platókonzolhoz a gép mindkét oldalánál egy csavar (½ × 1½") és egy rögzítőanya (½") segítségével a Ábra 34 szerint.
Húzza meg a csavart és a rögzítőanyát 91–113 N∙m nyomatékkal.
Ismételje meg a 7–9. lépést a tartálycsúszka és a gép másik oldalán.
Ehhez az eljáráshoz szükséges alkatrészek:
| Középső szórórúdegység | 1 |
| Csavar (⅜ × 1") | 10 |
| Peremes önbiztosító anya (⅜") | 10 |
| Szórórúdszállító-tartó | 2 |
| Csavar (½ × 1¼") | 4 |
| Peremes anya (½") | 4 |
Rögzítse az emelőberendezést a középső szórórúdszakaszra, és vegye ki a szakaszt a szállítókonténerből.
Igazítsa a szórórúdszállító-tartókat a középső szórórúdszakaszhoz (Ábra 35).

Szerelje a tartókat a szórórúdszakaszra (Ábra 35 és Ábra 36) 6 csavar (⅜ × 1") és 6 peremes önbiztosító anya (⅜") segítségével.

Húzza meg a csavarokat és az anyákat 37–45 N∙m nyomatékkal.
Indítsa el a gépet, távolítsa el a platókitámasztót az emelő munkahengerről, tegye el a kitámasztót, engedje le a tartálycsúszkát, állítsa le a gépet, majd távolítsa el az indítókulcsot az indítókapcsolóból.
Igazítsa egymáshoz a középső szórórúdegység szakaszrögzítő konzoljainak alsó furatait és a permetező csúszkavázán lévő szórórúd-tartók alulról a harmadik furatát a Ábra 37 szerint.
Note: Szükség esetén lazítsa meg a szórórúdtartókat, és a furatok megfelelő beállítása érdekében igazítsa őket a középső szórórúdszakaszhoz. Húzza meg a csavarokat és az anyákat 67–83 N∙m nyomatékkal.

Szerelje a középső szórórúdegységet a permetező csúszkavázára 4 csavar (½ × 1¼") és 4 rögzítőanya (½") segítségével.
Húzza meg a csavarokat és az anyákat 67–83 N∙m nyomatékkal.
Lásd a kézi sebességváltós Workman haszonjárművekhez tartozó Multi Pro WM gyeppermetező kiegészítőkészlet felszerelési utasításait.
Ehhez az eljáráshoz szükséges alkatrészek:
| Bal oldali szórórúdszakasz | 1 |
| Jobb oldali szórórúdszakasz | 1 |
| Peremes csavarok (⅜ × 1¼") | 8 |
| Féktartó lemezek | 8 |
| Peremes önbiztosító anyák (⅜") | 8 |
| Kengyelcsapszeg | 2 |
| Sasszeg | 2 |
Az egyes szórórúdszakaszok tömege egyenként kb. 14 kg.
Távolítsa el a 4 peremes fejű csavart (⅜ × 1¼"), a 4 féktartó lemezt és a 4 peremes önbiztosító anyát (⅜") a középső szórórúdszakasz csuklós konzoljáról.
Forgassa el a középső szórórúdszakasz végénél lévő csuklócsapkonzolokat úgy, hogy a konzolok függőlegesen igazodjanak egymáshoz (Ábra 38).

Emelje fel a külső szórórúdszakaszt, majd igazítsa egymáshoz a külső szórórúdszakasz végénél lévő háromszög alakú rögzítőlemez furatait és a csuklócsapkonzol furatait.
Note: Ügyeljen arra, hogy a permetezőfúvókák fejtoldatai hátrafelé nézzenek.
Szerelje a csuklópántos lemezt a háromszög alakú lemezre az 1. lépés során eltávolított 4 peremes csavar, 4 féktartó lemez és 4 peremes anya segítségével (Ábra 38).
Húzza meg a csavarokat és az anyákat 37–45 N∙m nyomatékkal.
Igazítsa a szórórúdemelő munkahenger végén lévő rudat a csuklócsapkonzol kürtjén lévő furatokhoz (Ábra 38).

Rögzítse a rúdvéget a csuklócsapkonzolhoz egy kengyelcsapszeg és egy sasszeg segítségével (Ábra 38).
Ismételje meg az 1–5. lépést a középső szórórúdegység másik oldalán, az ellentétes szórórúdszakasszal is.
Note: Az eljárás befejezése előtt gondoskodjon arról, hogy a permetezőfúvókák fejtoldatai hátrafelé nézzenek.
Ehhez az eljáráshoz szükséges alkatrészek:
| Tömlőbilincsek | 3 |
| R-bilincs | 2 |
| Vállas csavar | 2 |
| Alátét | 2 |
| Anya | 2 |
Vezesse el a szórórúdszakaszok tömlőit a Ábra 40 és Ábra 41 szerint.


Rögzítse a szórórúdtömlőket a középső szórórúdszakasz elülső oldalához (Ábra 40 és Ábra 41) 1 R-bilincs, 1 vállas csavar (5/16 × 1"), 1 rögzítőanya (5/16") és 1 alátét (5/16") segítségével.
Szerelje a szórórúdszakaszhoz tartozó tömlőt a szórórúdszakasznál lévő bordás T szerelvényre, és rögzítse a tömlőt egy tömlőbilinccsel (Ábra 40 és Ábra 41).
Note: A tömlő felszerelésének megkönnyítése érdekében vigyen fel egy réteg folyékony szappant a T idom tömlőcsonkjára.
Ismételje meg az 1–3. lépést a permetező másik oldalán lévő szórórúdszakaszhoz tartozó tömlőnél is.
Vezesse el a középső szórórúdszakasz tömlőjét a Ábra 42 szerint.

Szerelje a szórórúdszakaszhoz tartozó tömlőt a középső szórórúdszakasznál lévő bordás T szerelvényre, és rögzítse a tömlőt egy tömlőbilinccsel (Ábra 42).
Note: A tömlő felszerelésének megkönnyítése érdekében vigyen fel egy réteg folyékony szappant a T idom tömlőcsonkjára.
A vegyi anyagok felviteléhez használt fúvókák típusa a szükséges kijuttatási mennyiségtől függően eltérő, ezért a készlet fúvókákat nem foglal magában. Az igényeinek megfelelő fúvókák beszerzését illetően forduljon a hivatalos Toro-forgalmazóhoz, és készüljön fel az alábbi információk megadására:
A kívánt kijuttatási mennyiség liter/ha, amerikai gallon/hold és amerikai gallon/1000 ft² értékben kifejezve.
A jármű kívánt sebessége km/h-ban kifejezve.
Csavarja be vagy illessze be a fúvókát a fúvókafoglalatba, majd helyezze rá a tömítést.
Csúsztassa a fúvókafoglalatot a fejtoldaton lévő fúvókaszerelvényre.
Fordítsa el a fúvókát az óramutató járásával megegyező irányba, ezzel rögzítve a foglalaton lévő bütyköket.
Ellenőrizze a fúvóka ventilátoros részét.
További információkért lásd a fúvókákhoz mellékelt Felszerelési utasításokat.
Ehhez az eljáráshoz szükséges alkatrészek:
| Tisztavíz-tartály | 1 |
| 90°-os könyökidom (¾" NPT) | 1 |
| 90°-os csap | 1 |
| A tisztavíz-tartály tartóeleme | 1 |
| Rögzítőpánt | 4 |
| Peremes csavar (5/16 ×⅝") | 4 |
| Peremes önbiztosító anya (5/16") | 10 |
| Tartócső (tisztavíz-tartály) | 1 |
| Ellenanya (5/16") | 1 |
| Csavar (5/16 × 1") | 1 |
| Vállas csavar (½ × 1-15/16") | 2 |
| Csavar (5/16 × 2¼") | 2 |
| Alátét (5/16") | 2 |
Szerelje a tisztavíz-tartályt a hozzá tartozó tartóelemre a 2 rögzítőpánt, a 4 peremes fejű csavar (5/16 × ⅝") és a 4 peremes önbiztosító anya (5/16") segítségével a Ábra 43 szerint.
Note: Ügyeljen arra, hogy a könyökidom és a csap a tartály ugyanazon oldalára kerüljön, ahol a tisztavíz-tartály címkéje van.

Húzza meg a csavarokat és az anyákat 20–25 N∙m nyomatékkal.
Igazítsa egymáshoz a tisztavíz-tartály csövét és a tartálytartó csatornát (Ábra 44).

Igazítsa egymáshoz a tartócső furatait és a csatorna furatait (Ábra 44).
Rögzítse a csövet a csatornához (Ábra 44) a 2 vállas csavar (½ × 1-15/16") és a 2 peremes önbiztosító anya (5/16") segítségével.
Húzza meg a csavarokat és az anyákat 20–25 N∙m nyomatékkal.
Csavarja az ellenanyát (5/16") a csavarra (5/16 × 1") a Ábra 44 szerint.
Csavarja a csavart (5/16 × 1") és az ellenanyát a tartálytartó csatorna aljára felhegesztett anyába, majd húzza meg kézzel a csavart és az ellenanyát (Ábra 44).
Note: A Multi Pro WM gyeppermetező használatához a Workman járművet négyoszlopos bukókerettel vagy fülkével kell felszerelni.
Szerelje fel a tisztavíz-tartályt és a tartót a tartócsőre a 2 csavar (5/16 × 2¼") és a 2 peremes önbiztosító anya (5/16") segítségével a Ábra 45 szerint.

Húzza meg a csavarokat és az anyákat 20–25 Nm nyomatékkal.
Ehhez az eljáráshoz szükséges alkatrészek:
| Töltőaljzategység | 1 |
| Peremes csavar (5/16 × ¾") | 1 |
Helyezze a töltőaljzategységet a tartály menetes furata fölé (Ábra 46), majd rögzítse egy peremes csavar (5/16 × ¾") segítségével.

Ehhez az eljáráshoz szükséges alkatrészek:
| Elülső emelőállvány | 2 |
| Hátsó emelőállvány | 2 |
| Sasszeg | 4 |
| Kengyelcsapszeg (4½") | 2 |
| Kengyelcsapszeg (3") | 2 |
| Gomb | 2 |
Illessze az elülső emelőállványokat fejjel lefelé az elülső lekötési pontok közelében található keretbe (Ábra 47).

Rögzítse az elülső emelőállványokat az állványok középső furatába helyezett 2 kengyelcsapszeg (3") és 2 sasszeg segítségével.
Illessze a hátsó emelőállványokat az alsó részüktől fogva a hátsó lekötési pontok közelében található keretbe (Ábra 48).

Rögzítse a hátsó emelőállványokat az állványok utolsó furatába helyezett 4 kengyelcsapszeg (4½") és 4 sasszeg segítségével.

Note: Ez a 6 gombos InfoCenter csak a kézi sebességváltós Workman HDX haszonjárművekhez érhető el. Ha Workman HDX-Auto haszonjárművel rendelkezik, használja továbbra is a 3 gombos InfoCentert.
Az InfoCenter LCD-kijelző információkat jelent meg a géppel és az akkumulátorral kapcsolatban, mint például az akkumulátortöltöttség, a fordulatszám vagy a diagnosztikai információk. További információkért lásd: Az InfoCenter használata.
A főszakasz kapcsolója (Ábra 49) a konzol oldalán, a kezelőüléstől jobbra található. Lehetővé teszi a permetezés megkezdését vagy leállítását. Nyomja le a kapcsolót a permetezőrendszer be- és kikapcsolásához.
A bal oldali, a középső és a jobb oldali szakasz kapcsolói a kezelőpanelen találhatók (Ábra 49). Tolja előre az egyes kapcsolókat a hozzájuk tartozó szakasz bekapcsolásához, és tolja hátra őket a kikapcsolásukhoz. Ha egy adott kapcsoló be van kapcsolva, a rajta lévő lámpa világít. Ezek a kapcsolók csak akkor vannak hatással a permetezőrendszer működésére, ha a főszakasz kapcsolója be van kapcsolva.
A kijuttatási mennyiséget szabályozó kapcsoló a kezelőpanel bal oldalán található (Ábra 49). Nyomja le és tolja felfelé a kapcsolót a permetezőrendszer kijuttatási mennyiségének növeléséhez, vagy nyomja le és húzza lefelé a kijuttatási mennyiség csökkentéséhez.
A szórórúdszakaszok emelőkapcsolói a kezelőpanelen találhatók, és a külső szórórúdszakaszok felemelésére szolgálnak.
A tartály mögött található szabályozószelep (Ábra 50) szabályozza a szakaszszelepekhez vezetett folyadék mennyiségét, illetve a tartályba visszavezetett mennyiséget.

Az áramlásmérő a szórórúdszakaszok szelepeihez továbbított folyadék áramlási sebességét méri (Ábra 50).
A szórórúdszakaszok szelepei a bal oldali, középső és jobb oldali szórórúdszakaszok permetezőfúvókáihoz továbbított permetezési nyomás be- és kikapcsolására szolgálnak (Ábra 50).
A szórórúdszakasz megkerülőszelepei (Ábra 51) az adott szórórúdszakasz kikapcsolásakor átirányítják a folyadékáramlást a szórórúdtól a tartályhoz. A szelepek beállításával gondoskodhat arról, hogy a szórórudakban uralkodó nyomás a használt szórórúd-kombinációtól függetlenül is állandó maradjon; lásd: A szakasz-megkerülőszelepek kalibrálása.

Ez a szelep a tartály hátulján, a bal oldalon található (Ábra 52). Fordítsa a szelepen lévő gombot 6 óra helyzetbe a tartálykeverés bekapcsolásához, és 8 óra helyzetbe annak kikapcsolásához.

Note: Kézi sebességváltóval rendelkező HD sorozatú modellek: a keverés eredményességéhez be kell kapcsolni a TLT-t és a tengelykapcsolót, a motornak pedig az alapjárati fordulatszám feletti sebességen kell járnia. Ha leállítja a permetezőt, és keverést szeretne végezni a tartály tartalmán, állítsa a tartományváltó kart SEMLEGES helyzetbe, engedje fel a tengelykapcsolót, húzza be a rögzítőféket, és állítsa be a kézi gázkart (ha van).
A permetezőszivattyú a gép hátulján található.
A gép középső konzolján állítsa a TLT-kart BEKAPCSOLT helyzetbe a szivattyú elindításához; állítsa a TLT-kart KIKAPCSOLT helyzetbe a szivattyú leállításához. Lásd a Workman HDX haszonjármű Kezelői kézikönyvét.

Note: A műszaki adatok és a kialakítás külön értesítés nélkül változhatnak.
| A permetezőrendszer alaptömege (a jármű tömege nélkül) | 424 kg |
| A tartály befogadóképessége | 757 liter |
| A jármű teljes hossza az alapfelszereltség részét képező permetezőrendszerrel | 422 cm |
| A jármű teljes tömege az alapfelszereltség részét képező, a tartály tetejére szerelt permetezőrendszerrel | 147 cm |
| A jármű teljes magassága az alapfelszereltség részét képező permetezőrendszerrel és a keresztalakban tárolt szórórudakkal | 234 cm |
| A jármű teljes szélessége az alapfelszereltség részét képező permetezőrendszerrel és a keresztalakban tárolt szórórudakkal | 175 cm |
A Toro által jóváhagyott tartozékok és adapterek széles választéka kapható a géphez, amelyek javítják és bővítik annak képességeit. A jóváhagyott tartozékok és adapterek listájáért forduljon hivatalos márkaszervizhez, hivatalos Toro-forgalmazóhoz, vagy látogasson el a www.Toro.com webhelyre.
Az optimális teljesítmény és a gép biztonsági tanúsítványának fenntartása érdekében csak eredeti Toro-pótalkatrészeket és -tartozékokat használjon.
Note: A gép jobb és bal oldalát normál üzemeltetési helyzetben határozza meg.
Note: Amennyiben a járművet a felszerelt permetezővel együtt kell utánfutón szállítania, gondoskodjon a szórórudak lekötéséről és rögzítéséről.
Soha ne engedje, hogy gyermekek vagy oktatásban nem részesült személyek üzemeltessék vagy szervizeljék a gépet. A helyi szabályozás korlátozhatja a kezelő életkorát. Az összes kezelő és szerelő képzéséért a tulajdonos tartozik felelősséggel.
Ismerkedjen meg a berendezés biztonságos üzemeltetésével, a kezelőszervekkel és a biztonsági jelzésekkel.
A kezelőállás elhagyása előtt végezze el az alábbiakat:
Parkolja le a gépet sík talajon.
Kapcsolja a váltóművet SEMLEGES helyzetbe.
Húzza be a rögzítőféket.
Állítsa le a motort és vegye ki az indítókulcsot (ha van).
Várja meg, amíg minden mozgó alkatrész megáll.
Ismerje meg, hogyan kell gyorsan megállítani a gépet és leállítani a motorját.
Ellenőrizze, hogy a kezelőijelenlét-kapcsolók, biztonsági kapcsolók és védőelemek fel vannak szerelve, és megfelelően működnek. Ne üzemeltesse a gépet, csak ha ezek megfelelően működnek.
Ha a gép nem működik megfelelően vagy bármilyen módon sérült, ne használja. A gép vagy a munkaeszköz használata előtt javítsa ki a hibát.
Győződjön meg az összes folyadékvezeték-csatlakozó szorosan meghúzott állapotáról, valamint a tömlők megfelelő állapotáról, mielőtt nyomás alá helyezi a rendszert.
A permetezőrendszerben használt vegyi anyagok veszélyesek és mérgezőek lehetnek az Ön, a nézelődők vagy az állatok egészségére, emellett károsíthatják a növényeket, a talajt és az egyéb vagyontárgyakat.
Olvassa el az egyes vegyi anyagokra vonatkozó információkat. Ha az említett információk nem állnak rendelkezésre, tagadja meg a permetezőrendszer működtetését, illetve az azzal való munkavégzést.
A permetezőrendszeren végzett munkálatok előtt ellenőrizze, hogy a rendszer átesett-e a gyártó(k) ajánlásainak megfelelő semlegesítésen és háromszoros öblítésen, valamint hogy az egyes szelepeket el-, majd visszafordították-e három alkalommal.
Ellenőrizze, hogy van-e elegendő mennyiségű tiszta víz és szappan a közelben, és a vegyszerekkel való esetleges érintkezés esetén azonnal mossa le az érintett bőrfelületet.
Figyelmesen olvassa el és kövesse az alkalmazott vegyszerekhez tartozó figyelmeztető címkéken és anyagbiztonsági adatlapokon (SDS-ek) szereplő információkat, és gondoskodjon saját védelméről a vegyszer gyártójának ajánlásai alapján.
Vegyszerek használata esetén mindig gondoskodjon teste védelméről. A vegyszerekkel való érintkezés elleni védelem érdekében viseljen megfelelő személyi védőfelszerelést (PPE), többek között az alábbiakat:
védőszemüveg és/vagy védőálarc;
vegyvédelmi öltözék;
légzésvédő vagy szűrőmaszk;
vegyszerálló védőkesztyű;
gumicsizma vagy egyéb, jelentős védelmet biztosító lábbeli;
tiszta váltásruha, szappan és eldobható papírtörlő a takarításhoz.
A vegyszerek használata vagy kezelése előtt feltétlenül végezze el a megfelelő képzéseket.
Mindig az adott feladathoz megfelelő vegyszert használja.
Kövesse a vegyszer gyártójának utasításait a vegyszer biztonságos kijuttatását illetően. Ne lépje túl a rendszerhez ajánlott kijuttatási nyomást.
Ne töltse fel, ne kalibrálja és ne tisztítsa meg a gépet, ha emberek, különösen gyermekek, valamint háziállatok vannak a közelben.
A vegyszerek kezelését jól szellőző helyen végezze.
Ne egyen, ne igyon és ne dohányozzon, ha vegyszerek közelében dolgozik.
A permetezőfúvókák tisztításához ne fújjon át rajtuk, és ne helyezze őket a szájához.
A vegyszerekkel végzett munka után mindig a lehető leghamarabb mosson kezet, és mossa le az egyéb, vegyszereknek kitett bőrfelületeket.
A vegyszereket az eredeti csomagolásukban, biztonságos helyen tárolja.
A fel nem használt vegyszerek és vegyszeres tartályok ártalmatlanítását a vegyszer gyártójának utasításai és a helyi előírások szerint végezze.
A vegyszerek és gőzeik veszélyesek; soha ne másszon be a tartályba, illetve ne hajoljon a tartály nyílása fölé vagy magába a nyílásba.
Kövesse a vegyszerek szórására vagy permetezésére vonatkozó helyi és állami előírásokat.
Note: Ez a 6 gombos InfoCenter csak a kézi sebességváltós Workman HDX haszonjárművekhez érhető el. Ha Workman HDX-Auto haszonjárművel rendelkezik, használja továbbra is a 3 gombos InfoCentert.
Az InfoCenter LCD-kijelzőjén a géppel kapcsolatos információk, például az üzemállapot, valamint különféle diagnosztikai és egyéb információk jelennek meg. Az InfoCenter indítási (splash) képernyőt és fő információs képernyőket jelenít meg. Bármikor átválthat a splash képernyő és a fő információs képernyők között úgy, hogy megnyomja az InfoCenter bármelyik gombját, majd a megfelelő nyílgombot.

Note: Az egyes gombok funkciója az éppen aktív funkciótól függően változhat. A LCD-kijelzőn az egyes gombok fölött egy-egy ikon látható, amely az adott gomb aktuális funkcióját jelzi.
![]() | Menü | ![]() | A tartály üres (kevesebb mint 10% maradt) | |
![]() | Görgetés fel/le | ![]() | A tartályban a szint alacsony (10% és 29% között) | |
![]() | Görgetés balra/jobbra | ![]() | A tartály félig van (30% és 69% között) | |
![]() | Előző képernyő | ![]() | Tartály tele (70% és 100% között) | |
![]() | Érték csökkentése | ![]() | Tartály tartalmának a növelése 1 gallonnal | |
![]() | Érték növelése | ![]() | Tartály tartalmának a növelése 10 gallonnal | |
![]() | Elfogadás | ![]() | Tartály tartalmának a növelése 25 literrel | |
![]() | Mentés | ![]() | Szórórúd kikapcsolva | |
![]() | PIN-kód | ![]() | Szórórúd aktív | |
![]() | Kilépés (hibák) menü | ![]() | Összes terület törlése | |
![]() | Akkumulátorfeszültség | ![]() | Aktív terület törlése | |
![]() | Üzemóra-számláló | ![]() | Lepermetezett terület | |
![]() | Zárolva | ![]() | Minden terület képernyője | |
![]() | Navigálás egy permetező területre | |||
![]() | Navigálás egy permetező területre |
Az InfoCenter kijelző menürendszerébe való belépéshez a főképernyőn nyomja meg a vissza gombot. Ekkor megnyílik a főmenü. Az alábbi táblázatok a menükben elérhető beállítások áttekintését mutatják be.
Védve
vannak a védett menükben – csak a PIN megadása
után érhető el
| Menüelem | Megnevezés |
| Calibration (Kalibrálás) | A Calibration (Kalibrálás) menü az áramlásmérő és a sebességérzékelő kalibrálását segíti. |
| Settings (Beállítások) | A Settings (Beállítások) menü lehetővé teszi a kijelző konfigurációs változóinak testreszabását és módosítását. |
| Machine Settings (Gépbeállítások) | A Machine Settings (Gépbeállítások) menü a gép változóinak a konfigurálását teszi lehetővé. |
| Service (Szerviz) | A Service (Szerviz) menü a géppel kapcsolatos olyan információkat közöl, mint például az üzemóraszám és a hibajelzések. |
| Diagnostics (Diagnosztika) | A Diagnostics (Diagnosztika) menü a gép egyes kapcsolóinak, érzékelőinek és vezérlési kimeneteinek állapotát jeleníti meg. A funkciót hibakeresésre használhatja adott problémáknál, mivel hamar megmutatja, hogy melyik gépvezérlés aktív és melyik nem. |
| About (Névjegy) | Az About (Névjegy) menü a gép típusjelét, sorozatszámát és szoftververzióját jeleníti meg. |
| Menüelem | Megnevezés |
| Test Speed (Tesztsebesség) | Ebben a menüben a kalibrálás során alkalmazandó tesztsebesség állítható be. |
| Flow Cal (Áramláskalibrálás) | Az áramlásmérő kalibrálása. |
| Speed Cal (Sebességkalibrálás) | A sebességérzékelő kalibrálása. |
| Use default flow calibration (Alapértelmezett áramlásérzékelő-kalibráció használata) | Visszaállítja az áramlásérzékelő kalibrálását az alapértelmezett számított átlagra, figyelmen kívül hagyva a tényleges mennyiséget. |
| Use default speed calibration (Alapértelmezett sebességkalibráció használata) | Visszaállítja a sebességérzékelő kalibrálását kalibrálást az alapértelmezett számított átlagra, figyelmen kívül hagyva a tényleges sebességet. |
| Menüelem | Megnevezés |
| Edit PIN (PIN-kód szerkesztése) | A vállalat által engedélyezett személy (felügyelő/szerelő) védett menükhöz való hozzáférésének engedélyezése PIN-kóddal. |
Protect Settings (Beállítások védelme) ![]() | Módosíthatja a védett menük beállításait. |
Reset Defaults (Alapértelmezett beállítások
visszaállítása) ![]() | Visszaállítja az alapértelmezett értékeket. |
| Backlight (Háttérvilágítás) | Az LCD-kijelző fényerejének beállítása. |
| Language (Nyelv) | Az InfoCenter által használt nyelv beállítása. |
| Units (Mértékegységek) | Az InfoCenter által használt mértékegységek beállítására szolgál (angolszász, gyep vagy metrikus). |
| Menüelem | Megnevezés |
| Tank Alert (Tartályriasztás) | Az alacsony tartályszinthez tartozó riasztás beállítása. |
Left Boom (Bal szórórúd) ![]() | A bal szakasz szélességének beállítása. |
Center Boom (Szórórúd középső
része) ![]() | A középső szakasz szélességének beállítása. |
Right Boom (Jobb szórórúd) ![]() | A jobb szakasz szélességének beállítása. |
Reset Defaults (Alapértelmezett beállítások
visszaállítása) ![]() | Visszaállítja az alapértelmezett értékeket. |
| Menüelem | Megnevezés |
| Faults (Hibák) | A Faults (Hibák) menü a gép mostanában előfordult hibáinak listáját tartalmazza. A Faults (Hibák) menüvel kapcsolatban további tájékoztatásért olvassa el a szervizelési kézikönyvet, vagy forduljon a hivatalos Toro-forgalmazóhoz, illetve olvassa el az itt közölt információkat. |
| Hours (Üzemóraszám) | Az üzemóraszámok listája, amíg a gép, a motor és a TLT be volt kapcsolva, valamint a gép vonulási idejének és a szerviz esedékességének óraszáma. |
Flow Rate (Térfogatáram) ![]() | Az aktuális térfogatáram megjelenítése. |
Flow Cal Value (Áramláskalibrálási
érték) ![]() | A feltételezett és a kalibrált térfogatáram közötti különbség kiszámításához használt aktuális szorzó megjelenítése. |
Speed Cal Value (Sebességkalibrálási érték) ![]() | A feltételezett és a kalibrált sebesség közötti különbség kiszámításához használt aktuális szorzó megjelenítése. |
| Menüelem | Megnevezés |
| Pumps (Szivattyúk) | Hozzáférés a pillanatnyi öblítés és az időzített öblítés beállításaihoz. |
| Booms (Szórórudak) | Hozzáférés a szórórudak bemeneteihez és kimeneteihez. |
| Engine Run (Motorüzem) | Hozzáférés a motorüzem bemeneteihez és kimeneteihez. |
| Menüelem | Megnevezés |
| Model (Típus) | A gép típusjelét jeleníti meg.. |
| SN (Sorozatszám) | A gép sorozatszámát jeleníti meg. |
| S/W Revision (Szoftververzió) | Az elsődleges vezérlőegység szoftverének verziószámát jeleníti meg. |
XDM–2700 ![]() | Az InfoCenter szoftverének verziószámát jeleníti meg. |
CAN Stats (CAN statisztika) ![]() | A CAN-busz adatainak felsorolása. |
Vannak olyan működési konfigurációs beállítások, amelyek a kijelzőn a Settings (Beállítások) menüben konfigurálhatók. A beállítások zárolásához használja a Protected Menu (Védett menü) funkciót.
Note: A kezdeti jelszókódot a szállításkor a forgalmazó programozza be.
Note: A gép gyári alapértelmezett PIN-kódja 0000 vagy 1234.
Ha megváltoztatta a PIN-kódot és elfelejtette, forduljon segítségért a hivatalos Toro-forgalmazóhoz.
A Main Menu (Főmenü) lehetőségnél görgessen le a Settings (Beállítások) menühöz, majd nyomja meg a kiválasztás gombot.

A Settings (Beállítások) menüben görgessen az Enter PIN (PIN-kód megadása) elemhez, és nyomja meg a kiválasztó gombot.
A PIN-kód megadásához nyomkodja addig a fel/le navigációs gombot, amíg meg nem jelenik a megfelelő első számjegy, majd a jobbra gombot megnyomva lépjen a következő számjegyre. Ismételje ezt a lépést az utolsó számjegy megadásáig.
Nyomja meg a kiválasztás gombot.
Note: Ha a kijelző elfogadta a PIN-kódot, és a védett menü feloldása sikeres, a képernyő jobb felső sarkában megjelenik a PIN” felirat.
A védett menü zárolásához fordítsa az indítókulcsot OFF (KI), majd ON (BE) helyzetbe.

A Setup (Beállítások) menüben görgessen le a Protect Settings (Beállítások védelme) lehetőséghez.
A beállítások PIN-kód megadása nélküli megtekintéséhez és módosításához kapcsolja Off (Ki) helyzetbe a Protect Settings (Beállítások védelme) lehetőséget a kiválasztás gombbal.
A beállítások PIN-kód megadásával való megtekintéséhez és módosításához kapcsolja Protect Settings (Beállítások védelme) lehetőséget On (Be) helyzetbe a kiválasztás gombbal, állítsa be a PIN-kódot, ezután fordítsa az indítókulcsot OFF (KI), majd ON (BE) helyzetbe.
Válassza ki a Machine Settings (Gépbeállítások) lehetőséget.
Válassza ki a Tank Alert (Tartályriasztás) lehetőséget.

Az iránygombok segítségével adja meg a tartályszint azon minimális értékét, amelynek elérésekor permetezés közben riasztást szeretne kapni.
Válassza ki a Machine Settings (Gépbeállítások) lehetőséget.
Válassza ki a frissíteni kívánt szórórudat.
Az iránygombok segítségével 2,5 cm-es lépésekben módosíthatja a szórórúd méretét.
| Beállítás | Alapértelmezett érték |
| Test Speed (Tesztsebesség) | 0,0 |
| Spray Tank Alert (Permetlétartály riasztás) | 1 gal/ltr |
| L Boom (Bal szórórúdszakasz) | 80" |
| C Boom (Középső szórórúdszakasz) | 60" |
| R Boom (Jobb szórórúdszakasz) | 80" |
Válassza a Machine Settings (Gépbeállítások) és a Reset Defaults (Alapértelmezett beállítások visszaállítása) lehetőséget.
Note: Az űrtartalmat megváltoztatva a tartályriasztás visszaáll alapértékre.
Nyomja meg az ENTER gombot a jobbra navigáláshoz. A kijelzőn megjelenik a tartály aktuális űrtartalma.
Nyomja meg a megfelelő gombot a tartály űrtartalmának a növeléséhez vagy csökkentéséhez.
Nyomja meg a fel/le iránygombot a ±10 (angolszász mértékegység esetén) vagy ±25 (metrikus mértékegység esetén) értékkel való ugráshoz.
Nyomja meg a balra/jobbra iránygombot az űrtartalom 1 fokozatonként történő módosításához.

A képernyők által mutatott adatok:
Permetezett terület (acre, hektár vagy 1000 ft2)
Permetezett mennyiség (amerikai gallon vagy liter)
A terület- és mennyiségadatok addig halmozódnak, amíg vissza nem állítja őket. Használjon külön alterületet minden egyes permetezési feladathoz a területén. Akár 20 alterületet is használhat.
Note: Ügyeljen, hogy a permetezés megkezdése előtt navigáljon arra részterületre a kijelzőn, amelyen dolgozik. A képernyőn megjelenő részterület az aktív részterület a lefedettség felhalmozásához.
Nyomja meg a VISSZA gombot a Total Area (Teljes terület) képernyőre való navigáláshoz.
Nyomja meg a JOBBRA gombot a Teljes terület adatainak visszaállításához.
Note: A teljes terület és a teljes mennyiség adatok visszaállítása a teljes terület képernyőn minden adatot nulláz minden részterületre vonatkozóan.

Nyomja meg a VISSZA gombot a Sub Area (Részterület) képernyőre való navigáláshoz.
Nyomja meg a FEL gombot a Részterület adatainak visszaállításához.

Amennyiben egy gépfunkció további intézkedést igényel, az InfoCenter képernyőjén automatikusan kezelői tájékoztatások jelennek meg. Például ha a motort a menetpedál lenyomása mellett próbálja meg beindítani, megjelenik egy tájékoztató arról, hogy a menetpedálnak SEMLEGES helyzetben kell lennie.
Nyomja meg a kijelző bármelyik gombját a tanácsadás törléséhez.
| A tájékoztatás kódja | Megnevezés |
|---|---|
| 200 | Indítás megakadályozva – a szivattyúkapcsoló aktív. |
| 201 | Indítás megakadályozva – a pedál nem SEMLEGES helyzetben van. |
| 202 | Indítás megakadályozva – a kezelő nincs az ülésben. |
| 203 | Indítás megakadályozva – a gázpedál nincs a helyén. |
| 204 | Indítás megakadályozva – indító aktiválásának időtúllépése |
| 205 | Rögzítőfék behúzva |
| 206 | Szivattyúindítás megakadályozva – a szórórúd aktív. |
| 207 | Szivattyúindítás megakadályozva – magas motorfordulatszám |
| 208 | Gáz-/fordulatszám-reteszelés megakadályozva – a szivattyú nem aktív. |
| 209 | Gázreteszelés megakadályozva – a rögzítőfék nincs behúzva. |
| 210 | Fordulatszám-reteszelés megakadályozva – a kezelő nincs az ülésben, vagy a rögzítőfék be van húzva. |
| 211 | Gáz-/fordulatszám-reteszelés megakadályozva – a tengelykapcsoló be van kapcsolva, vagy az üzemi fék be van húzva. |
| 212 | Riasztás – alacsony tartályszint |
| 213 | Öblítőszivattyú BEKAPCSOLVA |
| 220 | Áramlásérzékelő kalibrálása |
| 221 | Áramlásérzékelő kalibrálása – töltse fel a tartályt, és adja meg a betöltött mennyiséget. |
| 222 | Áramlásérzékelő kalibrálása – kapcsolja be a szivattyút. |
| 223 | Áramlásérzékelő kalibrálása – kapcsolja be az összes szórórudat |
| 224 | Áramlásérzékelő kalibrálása – a kalibrálás megkezdődött. |
| 225 | Áramlásérzékelő kalibrálása – a kalibrálás befejeződött. |
| 226 | Áramlásérzékelő kalibrálása – kilépés a kalibrálási módból |
| 231 | Fordulatszám-érzékelő kalibrálása |
| 232 | Fordulatszám-érzékelő kalibrálása – töltse fel a tisztavíz-tartályt, majd nyomja meg a Next (Következő) gombot |
| 233 | Fordulatszám-érzékelő kalibrálása – töltse fel félig a permetezőt vízzel, majd nyomja meg a Next (Következő) gombot |
| 234 | Fordulatszám-érzékelő kalibrálása – adja meg a kalibrációs távolságot, majd nyomja meg a Next (Következő) gombot. |
| 235 | Fordulatszám-érzékelő kalibrálása – jelölje ki, és haladjon végig a megadott távolságon kikapcsolt permetezőszakaszokkal. |
| 236 | Fordulatszám-érzékelő kalibrálása – a fordulatszám-érzékelő kalibrálása folyamatban |
| 237 | Fordulatszám-érzékelő kalibrálása – a fordulatszám-érzékelő kalibrálása befejezve |
| 238 | Fordulatszám-érzékelő kalibrálása – kapcsolja ki a szórórudakat. |
| 241 | Kalibrálás nem engedélyezett – alapértékek használata |
Amikor egy adott napon először kezdi használni a permetezőt, mindig ellenőrizze az alábbi elemeket:
Ellenőrizze a légnyomást a gumiabroncsokban.
Note: A gép abroncsai eltérnek az autók gumiabroncsaitól; a gyep tömörítésének és sérülésének minimalizálása érdekében kisebb légnyomást igényelnek.
Ellenőrizze az összes folyadék szintjét, és ha valamelyiket alacsonynak találja, töltse fel az adott folyadékot a megfelelő mennyiséggel.
Ellenőrizze a fékpedál működését.
Ellenőrizze a lámpák működését.
Fordítsa el a kormánykereket jobbra-balra, és ellenőrizze a kormányrendszer reakcióját.
Leállított motor mellett keressen olajszivárgást, laza alkatrészeket és egyéb rendellenességeket.
Ha a fenti elemek bármelyike nem megfelelő, értesítse a szerelőt, vagy beszéljen felettesével, mielőtt a gépet használatba venné. Előfordulhat, hogy a felettese más elemek napi szinten történő ellenőrzésére kéri, így célszerű megkérdeznie tőle, hogy mely ellenőrzések tartoznak az Ön hatáskörébe.
Note: Lásd a hivatalos Toro-forgalmazónál elérhető fúvókakiválasztási segédletet.
A fejtoldatok 3 különböző fúvóka fogadására képesek.
Állítsa le a permetezőt egy sík felületen, állítsa le a motort, húzza be a rögzítőféket, és vegye ki a kulcsot.
Állítsa a főszakasz kapcsolóját KI helyzetbe, majd a permetezőszivattyú kapcsolóját is állítsa KI helyzetbe.
Forgassa el a fúvókákhoz tartozó fejtoldatot bármelyik irányba a megfelelő fúvókához.
Végezzen el egy áramláskalibrálást; lásd: A permetezőáram kalibrálása.
Alapfelszereltség: 50-es hálós szívószűrő (kék)
A szívószűrőket ismertető táblázat segítségével azonosíthatja, hogy a vízzel egyenértékű viszkozitással rendelkező vegyszerek vagy oldatok alapján az Ön által használt permetezőfúvókákhoz milyen szűrőháló szükséges.
| Permetezőfúvóka színkódja (átfolyó vízmennyiség) | Szűrőháló szembősége* | Szűrő színkódja |
|---|---|---|
| Sárga (0,76 l/perc) | 50 | Kék |
| Piros (1,5 l/perc) | 50 | Kék |
| Barna (1,9 l/perc) | 50 (vagy 30) | Kék (vagy zöld) |
| Szürke (2,3 l/perc) | 30 | Zöld |
| Fehér (3 l/perc) | 30 | Zöld |
| Kék (3,8 l/perc) | 30 | Zöld |
| Zöld (5,7 l/perc) | 30 | Zöld |
| * A jelen táblázatban feltüntetett szívószűrők szembősége a vízzel egyenértékű viszkozitással rendelkező vegyszereken vagy oldatokon alapul. | ||
Important: Amennyiben nagyobb viszkozitású (sűrűbb) vegyszerekkel vagy nedvesíthető porral készített oldatokkal végez permetezést, előfordulhat, hogy az opcionális szívószűrőhöz durvább szűrőhálót kell használnia; lásd: Ábra 61.

Nagyobb kijuttatási mennyiséggel való permetezés esetén vegye fontolóra egy opcionális, durvább szívószűrő-háló használatát; lásd: Ábra 62.

Elérhető szembőségek:
Alapfelszereltség: 50-es hálós szívószűrő (kék)
A nyomásszűrőket ismertető táblázat segítségével azonosíthatja, hogy a vízzel egyenértékű viszkozitással rendelkező vegyszerek vagy oldatok alapján az Ön által használt permetezőfúvókákhoz milyen szűrőháló szükséges.
| Permetezőfúvóka színkódja (átfolyó vízmennyiség) | Szűrőháló szembősége* | Szűrő színkódja |
|---|---|---|
| A kis viszkozitású vegyszerekre vagy oldatokra, illetve kisebb kijuttatási mennyiségekre vonatkozó igényeknek megfelelően | 100 | Zöld |
| Sárga (0,76 l/perc) | 80 | Sárga |
| Piros (1,5 l/perc) | 50 | Kék |
| Barna (1,9 l/perc) | 50 | Kék |
| Szürke (2,3 l/perc) | 50 | Kék |
| Fehér (3 l/perc) | 50 | Kék |
| Kék (3,8 l/perc) | 50 | Kék |
| Zöld (5,7 l/perc) | 50 | Kék |
| A nagy viszkozitású vegyszerekre vagy oldatokra, illetve nagyobb kijuttatási mennyiségekre vonatkozó igényeknek megfelelően | 30 | Piros |
| A nagy viszkozitású vegyszerekre vagy oldatokra, illetve nagyobb kijuttatási mennyiségekre vonatkozó igényeknek megfelelően | 16 | Barna |
| * A jelen táblázatban feltüntetett nyomásszűrők szembősége a vízzel egyenértékű viszkozitással rendelkező vegyszereken vagy oldatokon alapul. | ||
Important: Amennyiben nagyobb viszkozitású (sűrűbb) vegyszerekkel vagy nedvesíthető porral készített oldatokkal végez permetezést, előfordulhat, hogy az opcionális nyomásszűrőhöz durvább szűrőhálót kell használnia; lásd: Ábra 63.

Nagyobb kijuttatási mennyiséggel való permetezés esetén vegye fontolóra egy opcionális, durvább nyomásszűrő háló használatát; lásd: Ábra 64.

Note: A fúvókahegyre helyezhető opcionális szűrő használatával gondoskodhat a fúvókahegy védelméről, és meghosszabbíthatja annak élettartamát.
A fúvókahegyre helyezhető szűrőket ismertető táblázat segítségével azonosíthatja, hogy a vízzel egyenértékű viszkozitással rendelkező vegyszerek vagy oldatok alapján az Ön által használt permetezőfúvókákhoz milyen szűrőháló szükséges.
| Permetezőfúvóka színkódja (átfolyó vízmennyiség) | Szűrőháló szembősége* | Szűrő színkódja |
|---|---|---|
| Sárga (0,76 l/perc) | 100 | Zöld |
| Piros (1,5 l/perc) | 50 | Kék |
| Barna (1,9 l/perc) | 50 | Kék |
| Szürke (2,3 l/perc) | 50 | Kék |
| Fehér (3 l/perc) | 50 | Kék |
| Kék (3,8 l/perc) | 50 | Kék |
| Zöld (5,7 l/perc) | 50 | Kék |
| * A jelen táblázatban feltüntetett fúvókaszűrők szembősége a vízzel egyenértékű viszkozitással rendelkező vegyszereken vagy oldatokon alapul. | ||
Important: Amennyiben nagyobb viszkozitású (sűrűbb) vegyszerekkel vagy nedvesíthető porral készített oldatokkal végez permetezést, előfordulhat, hogy a fúvókahegyre helyezhető opcionális szűrőhöz durvább szűrőhálót kell használnia; lásd: Ábra 65.

Nagyobb kijuttatási mennyiséggel való permetezés esetén vegye fontolóra egy opcionális, durvább fúvókaszűrő háló használatát; lásd: Ábra 66.

Important: Ne használjon visszanyert vizet (szürkevizet”) a tisztavíz-tartályban.
Note: A tisztavíz-tartály arra szolgál, hogy a vegyszerekkel való véletlen érintkezés esetén friss vizet biztosítson a bőrre, a szembe és egyéb felületekre került vegyszerek lemosásához.Vegyszerek kezelése vagy keverése előtt mindig töltse fel a tisztavíz-tartályt tiszta vízzel.
A tisztavíz-tartály a bukókereten, az utasülés mögött található (Ábra 67). A vegyszerekkel való véletlen érintkezés esetén friss vizet biztosít a bőrre, a szembe és egyéb felületekre került vegyszerek lemosásához.
A tartály feltöltéséhez csavarja le a tetején lévő tartálysapkát, és töltse fel a tartályt friss vízzel. Helyezze vissza a tartálysapkát.
A tisztavíz-tartály csapjának kinyitásához fordítsa el a csap karját.

Az optimális keverés és a tartály külső felületének tisztasága érdekében szerelje fel a vegyianyag-előkeverő készletet.
Important: Amikor csak lehetséges, ne használjon visszanyert vizet (szürkevizet”) a permetezőtartályban.
Important: Győződjön meg arról, hogy a használt vegyszerek kompatibilisek a VitonTM anyaggal (lásd a gyártói címkét; amennyiben egy vegyszer nem kompatibilis, az szerepel a címkén). A VitonTM anyaggal nem kompatibilis vegyszerek használata károsítja a permetező O gyűrűit, ezzel szivárgást okozva.
Important: A tartály első feltöltését követően ellenőrizze a tartályszíjak holtjátékát. Szükség esetén húzza meg őket.
Öblítse ki a permetezőrendszerből a permetezőrendszer-kondicionáló anyagot a szakaszok járatásával.
Parkoljon le sík talajon, állítsa a tartományválasztót semleges helyzetbe, húzza be a rögzítőféket, állítsa le a motort, és vegye ki az indítókulcsot.
Ellenőrizze, hogy a tartály leeresztőszelepe el van-e zárva.
Határozza meg az adott vegyszermennyiség kikeveréséhez szükséges vízmennyiséget a vegyszergyártó előírásainak megfelelően.
Nyissa fel a permetezőtartály fedelét.
Note: A tartályfedél a tartály tetejének közepénél található. A kinyitáshoz fordítsa el a fedél elülső felét az óramutató járásával ellentétes irányban, majd hajtsa fel. A tisztításhoz eltávolíthatja a tartályban lévő szitaszűrőt. A tartály lezárásához zárja le a fedelet, és fordítsa el az elülső felét az óramutató járásával megegyező irányban.
Töltse be a szükséges vízmennyiség ¾-ét a permetezőtartályba az antiszifon töltőaljzat segítségével.
Important: A permetezőtartályban mindig friss, tiszta vizet használjon. Üres tartályba ne töltsön koncentrátumot.

Indítsa be a motort, kapcsolja be a TLT-t, és állítsa be a kézi gázkart (ha van).
Állítsa a keverőkapcsolót BE helyzetbe.
Töltse be a tartályba a megfelelő mennyiségű vegyszerkoncentrátumot a gyártó utasításainak megfelelően.
Important: Nedvesíthető por használata esetén keverje el a port egy kis mennyiségű vízzel, és az így keletkezett iszapszerű anyagot helyezze a tartályba.
Öntse a maradék vizet a tartályba.
Note: A jobb keverés érdekében csökkentse a kijuttatási mennyiség beállítását.
| Karbantartási időköz | Karbantartási intézkedés |
|---|---|
| Minden egyes használat előtt, vagy naponta |
|
Important: A tartályszíjrögzítők túlfeszítése a tartály és a szíjak eldeformálódásához és sérüléséhez vezethet.
Töltse fel a főtartályt vízzel.
Ellenőrizze, hogy van-e bármilyen mozgás a tartályszíjak és a tartály között (Ábra 69).

Ha a tartályszíjak lazán illeszkednek a tartályhoz, húzza meg a szíjak tetején lévő peremes önbiztosító anyákat és a csavarokat, amíg a szíjak a tartály felületével egy szintbe nem kerülnek (Ábra 69).
Note: Ne húzza túl a tartályszíjak rögzítőelemeit.
Note: A permetező első használata előtt, a fúvókák cseréje esetén vagy saját igényeinek megfelelően végezze el a permetezőáram, a fordulatszám és a szakasz-megkerülőszelepek kalibrálását.
Töltse fel a permetezőtartályt tiszta vízzel.
Note: Ellenőrizze, hogy elegendő víz van-e a tartályban az egyes kalibrálási eljárások elvégzéséhez.
Engedje le a bal és a jobb oldali szórórúdszakaszt.
Állítsa a beállítások védelmét ki” értékre; lásd: Az InfoCenter használata.
Kezelő által biztosított berendezés: ± 1/10 másodperces pontosságú mérésre képes stopperóra és egy 50 ml-es osztásokkal ellátott tárolóedény.
Note: A gázretesszel nem rendelkező gépek permetezőáramának kalibrálásához 2 személy szükséges.
Kapcsolja a váltóművet SEMLEGES helyzetbe.
Húzza be a rögzítőféket, és indítsa be a motort.
Kapcsolja be a permetezőszivattyút és a keverést.
Nyomja le a gázpedált, amíg a motor el nem éri a maximális fordulatszámot.
Állítsa be a motorfordulatszámot a következőknek megfelelően:
Azon gépek esetében, amelyek nem rendelkeznek opcionális gázretesszel: kérjen meg egy másik személyt, hogy nyomja le a gázpedált, amíg a motor el nem éri a maximális fordulatszámot.
Note: Kérje meg a másik személyt, hogy gyűjtsön be mintákat a permetezőfúvókákról.
Azon gépek esetében, amelyek rendelkeznek opcionális gázretesszel, nyomja le a gázpedált, amíg a motor el nem éri a maximális fordulatszámot, majd állítsa be a gázreteszt; lásd a Workman kézigázkészlet használati utasításait.
Állítsa mindhárom szakaszkapcsolót és a fő szakaszkapcsolót BE helyzetbe.
Készüljön fel a felfogásteszt elvégzésére az osztásokkal ellátott tárolóedénnyel.
Kezdje 2,75 bar nyomással, majd a kijuttatási mennyiséget szabályozó kapcsoló segítségével módosítsa úgy a permetezési nyomást, hogy a felfogásteszt az alábbi táblázatban felsorolt mennyiségeket adja ki.
Note: Gyűjtsön be 3 mintát egyenként 15 másodperc alatt, és számítsa ki az összegyűlt vízmennyiségek átlagát.
| Fúvóka színe | 15 másodperc alatt begyűjtött milliliterek száma | 15 másodperc alatt begyűjtött unciák száma | ||
|---|---|---|---|---|
| Sárga | 189 | 6,4 | ||
| Piros | 378 | 12,8 | ||
| Barna | 473 | 16,0 | ||
| Szürke | 567 | 19,2 | ||
| Fehér | 757 | 25,6 | ||
| Kék | 946 | 32,0 | ||
| Zöld | 1 419 | 48,0 | ||
Ha a felfogásteszt kiadta a fenti táblázatban szereplő mennyiségeket, állítsa a felügyeleti mennyiségkizáró kapcsolót RETESZELT helyzetbe.
Fordítsa a fő szakaszkapcsolót KI helyzetbe.
Az InfoCenter felületén léptessen a Calibration (Kalibrálás) menüre, és válassza ki a FLOW CAL (ÁRAMLáSKALIBRáLáS) lehetőséget a következőknek megfelelően:
Note: A főképernyő ikonjának kiválasztásával bármikor megszakíthatja a kalibrálási műveleteket.
Nyomja meg kétszer az InfoCenter középső választógombját a menük megnyitásához.
Lépjen be a kalibrálási menübe az InfoCenter jobb oldali választógombjának megnyomásával.
Válassza ki a FLOW CAL (ÁRAMLáSKALIBRáLáS) lehetőséget a FLOW CAL elem kijelölésével, majd nyomja meg az InfoCenter jobb oldali választógombját.
A következő képernyőn adja meg az ismert vízmennyiséget, amelyet a szakaszok kipermeteznek majd a kalibrálási folyamat során; lásd az alábbi táblázatot.
Nyomja meg az InfoCenter jobb oldali választógombját.
Adja meg a vízhozamot az alábbi táblázatnak megfelelően a plusz (+) és mínusz (–) szimbólumok használatával.
| Fúvóka színe | Liter | Amerikai gallon |
| Sárga | 42 | 11 |
| Piros | 83 | 22 |
| Barna | 106 | 28 |
| Szürke | 125 | 33 |
| Fehér | 167 | 44 |
| Kék | 208 | 55 |
| Zöld | 314 | 83 |
Kapcsolja be a fő szakaszkapcsolót 5 percre.
Note: Ahogy a gép a permetezést végzi, az InfoCenter megjeleníti az általa számolt folyadékmennyiséget.
5 percnyi permetezést követően válassza ki a pipa ikont az InfoCenter középső gombjának megnyomásával.
Note: Elfogadható, ha a kalibrálási folyamat során megjelenített literérték eltér az InfoCenterben megadott ismert vízmennyiségtől.
Kapcsolja ki a fő szakaszkapcsolót, és válassza ki a pipa ikont az InfoCenter középső gombjának megnyomásával.
Note: A kalibrálás ezzel befejeződött.
Győződjön meg arról, hogy a permetezőtartály fel van töltve vízzel.
Egy nyílt, sík területen jelöljön ki egy 45–152 m-es távolságot.
Note: A pontosabb eredmények érdekében 152 m-t jelöljön ki.
Indítsa be a motort, és álljon a géppel a kijelölt távolság kezdőpontjára.
Note: A legpontosabb mérés érdekében igazítsa egy vonalba az első kerekek közepét a kezdővonallal.
Az InfoCenter felületén léptessen a Calibration (Kalibrálás) menüre, és válassza ki a Speed Calibration (Fordulatszám-kalibrálás) lehetőséget.
Note: A főképernyő ikonjának kiválasztásával bármikor megszakíthatja a kalibrálási műveletet.
Válassza ki a következő” nyilat (→) az InfoCenterben.
Adja meg a kijelölt távolságot az InfoCenterben a plusz (+) és mínusz (–) szimbólumok használatával.
Váltson első fokozatba, és haladjon végig teljes gázzal, egyenes vonalban a kijelölt távolságon.
Állítsa le a gépet a kijelölt távolság végén, és válassza ki a pipa ikont az InfoCenterben.
Note: A legpontosabb mérés érdekében lassítson le, és úgy álljon meg, hogy az első kerekek közepe egy vonalban legyen a célvonallal.
Note: A kalibrálás ezzel befejeződött.
A permetező első használata előtt, a fúvókák cseréje esetén vagy saját igényeinek megfelelően végezze el a permetezőáram, a fordulatszám és a szakasz-megkerülőszelepek kalibrálását.
Important: Az eljárást nyitott, sík területen végezze el.
Note: A gázretesszel nem rendelkező gépek szakasz-megkerülőszelepének kalibrálásához 2 személy szükséges.
Győződjön meg arról, hogy a permetezőtartály fel van töltve vízzel.
Kapcsolja a váltóművet SEMLEGES helyzetbe.
Húzza be a rögzítőféket, és indítsa be a motort.
Állítsa a 3 szakaszkapcsolót BE helyzetbe, de a fő szakaszkapcsolót hagyja KI helyzetben.
Állítsa a szivattyúkapcsolót BE helyzetbe, és kapcsolja be a keverést.
Állítsa be a motorfordulatszámot a következőknek megfelelően:
Azon gépek esetében, amelyek nem rendelkeznek opcionális gázretesszel: kérjen meg egy másik személyt, hogy nyomja le a gázpedált, amíg a motor el nem éri a maximális fordulatszámot.
Note: Kérje meg a másik személyt a szakasz-megkerülőszelepek beállítására.
Azon gépek esetében, amelyek rendelkeznek opcionális gázretesszel: nyomja le a gázpedált, amíg a motor el nem éri a maximális fordulatszámot, majd állítsa be a gázreteszt; lásd a Workman kézigázkészlet használati utasításait.
Az InfoCenter felületén léptessen a Calibration (Kalibrálás) menüre, és válassza ki a Test Speed (Tesztsebesség) lehetőséget.
Note: A főképernyő ikonjának kiválasztásával bármikor megszakíthatja a kalibrálási műveletet.
Adja meg az 5,6 km/h-s tesztsebességet a plusz (+) és mínusz (–) szimbólumok segítségével, majd válassza ki a főképernyő ikont.
Állítsa be a kijuttatási mennyiséget a kijuttatási mennyiséget szabályozó kapcsolóval az alábbi táblázatnak megfelelően.
| Fúvóka színe | SI (metrikus) | Angolszász | Gyep |
| Sárga | 159 liter/ha | 17 g/a | 0,39 g/k |
| Piros | 319 liter/ha | 34 g/a | 0,78 g/k |
| Barna | 394 liter/ha | 42 g/a | 0,96 g/k |
| Szürke | 478 liter/ha | 51 g/a | 1,17 g/k |
| Fehér | 637 liter/ha | 68 g/a | 1,56 g/k |
| Kék | 796 liter/ha | 85 g/a | 1,95 g/k |
| Zöld | 1 190 liter/ha | 127 g/a | 2,91 g/k |
Kapcsolja ki a bal oldali szakasz kapcsolóját, és állítsa be a bal oldali szakasz-megkerülőszelepet (Ábra 70), amíg a nyomásérték a korábban beállított szintre nem áll (jellemzően 2,75 bar).
Note: A megkerülőszelep számozott jelölői csak referenciaként szolgálnak.

Kapcsolja be a bal oldali szakasz kapcsolóját, és kapcsolja ki a jobb oldali szakasz kapcsolóját.
Állítsa be a jobb oldali szakasz-megkerülőszelepet (Ábra 70), amíg a nyomásérték a korábban beállított szintre nem áll (jellemzően 2,75 bar).
Kapcsolja be a jobb oldali szakasz kapcsolóját, és kapcsolja ki a középső szakasz kapcsolóját.
Állítsa be a középső szakasz-megkerülőszelepet (Ábra 70), amíg a nyomásérték a korábban beállított szintre nem áll (jellemzően 2,75 bar).
Kapcsolja ki az összes szakasz kapcsolóját.
Kapcsolja ki a permetezőszivattyút.
Note: A kalibrálás ezzel befejeződött.
| Karbantartási időköz | Karbantartási intézkedés |
|---|---|
| Évente |
|
Important: Az eljárást nyitott, sík területen végezze el.
Note: A gázretesszel nem rendelkező gépek keverő-megkerülőszelepének kalibrálásához 2 személy szükséges.
Győződjön meg arról, hogy a permetezőtartály fel van töltve vízzel.
Ellenőrizze, hogy a keverés-szabályozószelep nyitva van-e. Ha el lett állítva, most nyissa ki teljesen.
Kapcsolja a váltóművet SEMLEGES helyzetbe.
Húzza be a rögzítőféket, és indítsa be a motort.
Kapcsolja be a permetezőszivattyút.
Állítsa be a motorfordulatszámot a következőknek megfelelően:
Azon gépek esetében, amelyek nem rendelkeznek opcionális gázretesszel: kérjen meg egy másik személyt, hogy nyomja le a gázpedált, amíg a motor el nem éri a maximális fordulatszámot.
Note: Kérje meg a másik személyt, hogy gyűjtsön be mintákat a permetezőfúvókákról.
Azon gépek esetében, amelyek rendelkeznek opcionális gázretesszel, nyomja le a gázpedált, amíg a motor el nem éri a maximális fordulatszámot, majd állítsa be a gázreteszt; lásd a Workman kézigázkészlet használati utasításait.
Állítsa a 3 különálló szakszelep-kapcsolót KI helyzetbe.
Állítsa a fő szakaszkapcsolót BE helyzetbe.
Állítsa a rendszernyomást MAXIMáLIS értékre.
Nyomja a keverőkapcsolót KI helyzetbe, és olvassa le a nyomásmérőt.
Ha az érték 6,9 bar marad, a keverő-megkerülőszelep kalibrálása megfelelő.
Ha a nyomásmérő más értéket mutat, folytassa a következő lépéssel.
Állítsa be a keverőszelep hátulján lévő keverő-megkerülőszelepet (Ábra 72) úgy, hogy a nyomásmérőn látható érték 6,9 bar legyen.

Nyomja a szivattyúkapcsolót KI helyzetbe, állítsa a gázkart ALAPJáRAT helyzetbe, és fordítsa az indítókapcsolót KI helyzetbe.
Note: A főszakasz megkerülőszelepének beállításával csökkentheti vagy növelheti a tartályban lévő keverőfúvókákhoz továbbított folyadékáramot, ha a fő szórórúd kapcsolója KI helyzetbe van állítva.
Győződjön meg arról, hogy a permetezőtartály fel van töltve vízzel.
Húzza be a rögzítőféket.
Kapcsolja a váltóművet SEMLEGES helyzetbe.
Kapcsolja be a permetezőszivattyút.
Fordítsa a keverőkapcsolót BE helyzetbe.
Állítsa a fő szakaszkapcsolót KI helyzetbe.
Állítsa be a motorfordulatszámot a következőknek megfelelően:
Azon gépek esetében, amelyek nem rendelkeznek opcionális gázretesszel: kérjen meg egy másik személyt, hogy nyomja le a gázpedált, amíg a motor el nem éri a maximális fordulatszámot.
Note: Kérje meg a másik személyt, hogy gyűjtsön be mintákat a permetezőfúvókákról.
Azon gépek esetében, amelyek rendelkeznek opcionális gázretesszel, nyomja le a gázpedált, amíg a motor el nem éri a maximális fordulatszámot, majd állítsa be a gázreteszt; lásd a Workman kézigázkészlet használati utasításait.
Állítsa be a főszakasz megkerülőszelepét a tartályban végbemenő keverés mértékének szabályozásához (Ábra 72).
Csökkentse a gázt alapjárati fordulatszámra.
Állítsa a keverőkapcsolót és a szivattyúkapcsolót KI helyzetbe.
Állítsa le a motort.
A permetezőszivattyú a gép hátulján található (Ábra 73).

A tulajdonos/üzemeltető felelős a balesetekért, amelyek személyi sérülést is okozhatnak, és megakadályozhatja azokat.
Viseljen megfelelő öltözéket, beleértve a védőszemüveget, a hosszú szárú nadrágot, a megfelelő, csúszásgátló lábbelit és a hallásvédelmi eszközt is. Hosszú haját kösse hátra, és ne viseljen laza ruházatot vagy ékszert.
Viseljen a Vegyianyag-biztonság című részben foglaltaknak megfelelő személyi védőfelszerelést.
A gép működtetését teljes odafigyeléssel végezze. Ne bonyolódjon olyan tevékenységbe, amely elvonhatja a figyelmét, különben személyi sérülés vagy anyagi kár lehet a következmény.
Ne üzemeltesse a gépet, ha fáradt, vagy amíg alkohol vagy gyógyszer befolyása alatt áll.
Ne szállítson egynél több utast a gépen; az utas csak a kijelölt ülőhelyen ülhet.
Csak megfelelő fényviszonyok mellett használja a gépet. Ügyeljen a gödrökre és a rejtett veszélyforrásokra.
A motor beindítása előtt győződjön meg arról, hogy a kezelői helyen tartózkodik, a sebességváltó pedig SEMLEGES helyzetben van.
A gép mozgása közben mindig maradjon az ülésen. Amikor csak lehetséges, tartsa mindkét kezét a kormánykeréken, és karjait és lábait mindig tartsa a vezetőfülkén belül.
Legyen óvatos, amikor be nem látható kanyarokhoz, cserjékhez, fákhoz vagy más olyan tárgyakhoz közelít, amelyek akadályozhatják a látást.
A tolatás megkezdése előtt nézzen hátra, és ellenőrizze, hogy senki ne legyen a gép mögött. A tolatást lassan végezze.
Ne végezzen permetezési műveletet emberek, különösen gyermekek, valamint állatok közelében.
Ne használja a gépet átvágások, levezető árkok vagy feltöltések közelében. A gép hirtelen felborulhat, ha egy kereke túllóg azok peremén, vagy a perem beszakad.
Csökkentse a sebességet, ha durva, egyenetlen terepen, járdák, kátyúk és más hirtelen terepváltozások közelében végez munkát. A szállított terhek elmozdulhatnak, amitől a gép instabillá válhat.
Álljon meg a géppel, állítsa le a motort, vegye ki az indítókulcsot, húzza be a rögzítőféket, és vizsgálja meg a gépet sérülés szempontjából, ha az valamibe beleütközött, vagy ha rendellenes rezgést észlel. Az üzemeltetés folytatása előtt végezze el a szükséges javításokat.
Lassítson és járjon el figyelmesen, amikor kanyarodik, illetve utakat vagy járdákat keresztez a géppel. Mindig adja meg az elsőbbséget.
Járjon el különös óvatossággal, amikor a gépet nedves talajon, kedvezőtlen időjárási viszonyok között, nagyobb sebességgel vagy teljes terhelés mellett működteti. Ilyen körülmények között megnő a megálláshoz szükséges idő és távolság.
Ne érjen a motorhoz vagy a kipufogódobhoz, amíg jár a motor, vagy röviddel a motor leállítása után. Ezek a területek annyira felforrósodnak, hogy égési sérülést is okozhatnak.
A kezelőállás elhagyása előtt végezze el az alábbiakat:
Parkolja le a gépet sík talajon.
Kapcsolja a váltóművet SEMLEGES helyzetbe.
Kapcsolja ki a permetezőszivattyút.
Húzza be a rögzítőféket.
Állítsa le a motort és vegye ki az indítókulcsot (ha van).
Várja meg, amíg minden mozgó alkatrész megáll.
Ne járassa a motort olyan területen, ahol a kipufogógázok megrekedhetnek.
Ne használja a gépet, ha villámcsapás lehetősége áll fenn.
Csak a Toro által jóváhagyott tartozékokat vagy adaptereket alkalmazzon.
A Multi Pro WM használatához elsőként töltse fel a permetezőtartályt, ezután juttassa ki az oldatot a munkaterületre, végül pedig tisztítsa meg a tartályt. A permetező károsodásának elkerülése érdekében rendkívül fontos, hogy mindhárom lépést elvégezze. Például ne járjon el úgy, hogy este összekeveri és beletölti a vegyszereket a permetezőtartályba, majd reggel végzi el a permetezést. Ez a vegyszerek szétválását okozhatja, és károsíthatja a permetező alkatrészeit.
Important: A tartályjelölések csak referenciaként szolgálnak, és a kalibrálás szempontjából nem tekinthetők pontosnak.
A vegyszerek veszélyesek, és személyi sérülést okozhatnak.
A vegyszerek kezelése előtt olvassa el a címkéjükön szereplő utasításokat, valamint kövesse a gyártó ajánlásait és a szükséges óvintézkedéseket.
A vegyszerek a bőrtől távol tartandók. Bőrrel való érintkezés esetén alaposan mossa le az érintett területet tiszta, szappanos vízzel.
Viseljen védőszemüveget és minden egyéb, a vegyszer gyártója által ajánlott védőfelszerelést.
A Multi Pro WM permetezőt kifejezetten a nagy tartósságot szem előtt tartva terveztük, hogy garantálja az Ön által igényelt hosszú élettartamot. E cél elérése érdekében a permetező alkatrészeihez bizonyos okokból különböző anyagokat választottunk ki. Sajnos azonban nem létezik olyan anyag, amely minden előrelátható alkalmazáshoz tökéletes lenne.
Bizonyos vegyszerek agresszívabbak a többinél, és minden egyes vegyszer másképpen lép kölcsönhatásba a különböző anyagokkal. Bizonyos halmazállapotok (pl. nedvesíthető porok, faszén) erőteljesebb csiszoló hatással rendelkeznek, ezáltal pedig gyorsabb kopáshoz vezetnek. Amennyiben egy adott vegyszer elérhető olyan összetételben, amely hosszabb élettartamot biztosít a permetező számára, használja ezt az alternatív összetételt.
Mint minden esetben, most se felejtse el alaposan megtisztítani a gépet és a permetezőrendszert minden egyes alkalmazás után. Ez biztosítja a permetező hosszú és problémamentes élettartamát.
Important: Az oldat megfelelő keverésének biztosítása érdekében mindig használja a keverés funkciót, ha a tartályban oldat van. A keverés eredményességéhez be kell kapcsolni a TLT-t, a motornak pedig az alapjárati fordulatszám feletti sebességen kell járnia. Ha leállítja a járművet, és szeretné bekapcsolni a keverést, állítsa a váltókart SEMLEGES helyzetbe, húzza be a rögzítőféket, kapcsolja be a TLT-t, kapcsolja be a tengelykapcsolót, és állítsa be a kézi gázkart (ha van).
Note: Az eljárás azt feltételezi, hogy a TLT be van kapcsolva (kézi sebességváltóval rendelkező HD sorozatú modellek), és a szakaszszelep kalibrálása megtörtént.
Engedje le a helyükre a szórórudakat.
Állítsa a fő szakaszkapcsolót KI helyzetbe.
Állítsa a különálló szakaszkapcsolókat igény szerint BE helyzetbe.
Menjen a géppel arra a területre, ahol permetezést szeretne végezni.
Léptessen az InfoCenterben az Application Rate (Kijuttatási mennyiség) képernyőre, és állítsa be a kívánt mennyiséget az alábbi lépések elvégzésével:
Győződjön meg arról, hogy a szivattyú kapcsolója BE helyzetben van-e.
Kézi sebességváltóval rendelkező HD sorozatú modellek esetében válassza ki a kívánt fokozatot.
Kezdjen el haladni a géppel a kívánt munkasebességen.
Ellenőrizze, hogy a monitor a helyes kijuttatási mennyiséget mutatja-e. Szükség esetén állítsa be úgy a kijuttatási mennyiséget szabályozó kapcsolót, hogy a monitoron a kívánt kijuttatási mennyiség jelenjen meg.
Térjen vissza a permetezendő területre.
Állítsa a fő szakaszkapcsolót BE helyzetbe, és kezdje meg a permetezést.
Note: Amikor a tartály majdnem kiürült, előfordulhat, hogy a keverés során hab képződik a tartályban. Ennek elkerülése érdekében kapcsolja ki a keverőszelepet. Másik megoldásként habzásgátló anyagot is használhat a tartályban.
Ha befejezte a permetezést, állítsa a fő szakaszkapcsolót KI helyzetbe az összes szakasz kikapcsolásához, majd engedje ki a TLT-kart (kézi sebességváltóval rendelkező HD sorozatú modellek).
Important: Bizonyos körülmények között a motorból, a hűtőből és a kipufogódobból származó hő károsíthatja a füvet, amikor a permetezőt álló helyzetű üzemmódban használja. Az álló helyzetű üzemmódok közé tartozik a tartálykeverés, a szórófejjel végzett kézi permetezés vagy a gyalog kísért szórórúd használata.
Tegye meg a következő óvintézkedéseket:
Ne végezzen álló helyzetű permetezést rendkívül meleg és/vagy száraz körülmények között, mivel ezen időszakokban a gyep nagyobb stressznek van kitéve.
Ne parkoljon a gyepre, ha álló helyzetű permetezést végez. Amikor csak lehetséges, parkoljon kocsiösvényre.
Minimalizálja azt az időtartamot, amennyit a járó gép egy adott gyepfelületen végighaladva tölt. A gyep sérülésének mértéke az időtartamtól és a hőmérséklettől is függ.
A motor fordulatszámát állítsa a kívánt nyomás és áramlás eléréséhez szükséges lehető legalacsonyabbra. Ez minimalizálja a keletkező hőt és a hűtőventilátorból eredő légsebességet.
Biztosítsa, hogy a hő felfelé távozhasson el a motortérből – ehhez az álló helyzetű használat során emelje meg az ülésszerelvényeket ahelyett, hogy a jármű alá erőltetné őket.
A permetező kezelőpaneljén lévő szórórúdszakasz-emelő kapcsolók lehetővé teszik, hogy a kezelőülés elhagyása nélkül állíthassa át a külső permetezőszakaszokat szállítási helyzetből permetezési helyzetbe és vissza. Amikor csak lehetséges, állítsa le a gépet, mielőtt a permetezőszakaszokat átállítaná egy másik helyzetbe.
Aktiválja a hidraulikus emelő karját, és a reteszelésével gondoskodjon a szórórúdemelő vezérléséhez szükséges hidraulikáról.
Tolja előre a hidraulikus emelő karját.

Tolja balra a hidraulikus emelő zárját a zár reteszeléséhez.
Végezze el az alábbi lépéseket a külső permetezőszakaszok PERMETEZéSI helyzetbe állításához:
Parkolja le a gépet sík talajon.
A szórórúdszakaszok emelőkapcsolóinak segítségével engedje le a külső szakaszokat.
Note: Várjon, amíg a külső permetezőszakaszok elérik a teljesen kitolt permetezési helyzetet.
Végezze el a permetezési munkát, majd az alábbi lépéseket követve húzza vissza a külső permetezőszakaszokat szállítási helyzetbe:
Parkolja le a gépet sík talajon.
A szórórúdszakaszok emelőkapcsolóinak segítségével emelje fel az egyik külső szakaszt.
A szórórúdszakaszok emelőkapcsolóinak segítségével emelje fel a külső szakaszokat.
Addig emelje a szakaszokat, amíg teljesen az X” szállítási helyzetet alkotó szórórúdszállító tartóba nem kerülnek, és az emelő munkahengerek teljesen vissza nem húzódnak.
Important: Ha a külső permetezőszakaszok a kívánt helyzetbe kerültek, engedje fel a szórórúdszakaszok emelőkapcsolóját/emelőkapcsolóit. Ha a működtetőket nekivezeti a mechanikus ütközőknek, az az emelő munkahengerek és/vagy más hidraulikus alkatrészek károsodásához vezethet.
Important: Ügyeljen arra, hogy a szórórúdszakaszok a szállítási helyzetben ne érintkezzenek alacsonyan elhelyezett tárgyakkal, mert ez károsíthatja a szórórúdszakaszokat.
Important: A permetezőszakaszok megsérülhetnek, ha nem X” szállítási helyzetben és nem a szórórúdszállító tartó használatával szállítja őket.

Important: Az emelő munkahenger károsodásának elkerülése érdekében a gép szállítása előtt ellenőrizze, hogy a működtetők teljesen vissza vannak-e húzva.
Ügyeljen arra, hogy a korábban lepermetezett területek ne legyenek átfedésben.
Ügyeljen az eltömődött fúvókákra. Cseréljen ki minden kopott vagy sérült fúvókát.
A permetező leállítása előtt állítsa le a permetáramot a fő szakaszkapcsolóval. Ha a permetáram leállt, állítsa semleges helyzetbe a motorfordulatszám-rögzítőt, hogy a fordulatszám elég magas maradjon a keverési funkció működéséhez.
Jobb eredményt érhet el, ha a permetezőszakaszok bekapcsolásakor a permetező már mozgásban van.
Ügyeljen a kijuttatási mennyiségben bekövetkező változásokra – ezek azt is jelezhetik, hogy a sebességváltozás átlépte a fúvókák tartományát, illetve probléma adódott a permetezőrendszerrel.
Ha permetezés közben valamelyik fúvóka eltömődik, tisztítsa meg az alábbiaknak megfelelően:
Állítsa le a permetezőt egy sík felületen, állítsa le a motort, és húzza be a rögzítőféket.
Állítsa a főszakasz kapcsolóját KI helyzetbe, majd a permetezőszivattyú kapcsolóját is állítsa KI helyzetbe.
Távolítsa el az eltömődött fúvókát, majd tisztítsa meg vízzel feltöltött szórófejes üveg és egy fogkefe segítségével.
Helyezze fel a fúvókát.
Mielőtt elhagyja a gépet, parkolja azt le sík talajon, húzza be a rögzítőféket, állítsa le a motort, vegye ki a kulcsot, és várja meg, amíg minden mozgó alkatrész megáll.
Ha az adott napon már nem fogja használni a gépet, mosson le minden vegyszermaradványt a gép külső felületéről; lásd a Vegyianyag-biztonság című részt.
Bármely zárt térben való tárolás előtt hagyja a motort lehűlni.
Végezze el a biztonsági öv karbantartását és tisztítását szükség szerint.
Soha ne tárolja a gépet vagy az üzemanyaggyűjtő tartályt olyan helyen, ahol nyílt láng, szikra vagy őrláng fordul elő, mint például vízmelegítőkön vagy más eszközökön.
Tartsa a gép összes részegységét megfelelő üzemállapotban, a kötőelemeket pedig kellően meghúzva.
Cserélje ki az összes kopott, sérült vagy hiányzó matricát.
Important: A gép tisztítására ne használjon sós vizet (brakkvíz), se tisztított szennyvizet.
Parkolja le a gépet sík talajon, húzza be a rögzítőféket, állítsa le a motort, és vegye ki az indítókulcsot.
Keresse meg a tartály leeresztőszelepét a gép jobb oldalán (Ábra 76).

Nyissa ki a szelepet, hogy a tartályból minden fel nem használt anyag kiürüljön (Ábra 77).
Important: Ártalmatlanítsa a vegyi hulladékot a helyi előírások és az anyag gyártójának utasításai szerint.

Zárja el a leeresztőszelepet (Ábra 77).
| Karbantartási időköz | Karbantartási intézkedés |
|---|---|
| Évente |
|
Important: A permetezőt minden használat után azonnal ki kell üríteni és meg kell tisztítani. Ennek elmulasztása azt eredményezheti, hogy a vegyszerek beleszáradnak a vezetékekbe vagy megvastagszanak azokban, ezzel eltömítve a szivattyút és egyéb alkatrészeket.
Használja az ehhez a géphez jóváhagyott öblítőkészletet. Vegye fel a kapcsolatot a hivatalos Toro-forgalmazóval további információkért.
Minden permetezési munkamenet után tisztítsa meg a permetezőrendszert. A permetezőrendszer megfelelő tisztításához tegye az alábbiakat:
Végezzen 3 különálló öblítést.
Használja a vegyszerek gyártói által ajánlott tisztító- és semlegesítőszereket.
Az utolsó öblítést tiszta (tisztító- és semlegesítőszer-mentes) vízzel végezze.
Töltse fel a tartály legalább 190 liter vízzel, majd zárja le a fedelét.
Note: Igény szerint tisztító-/semlegesítőszert is adhat a vízhez. Az utolsó öblítéshez kizárólag tiszta, adalékanyag-mentes vizet használjon.
Engedje le a szórórudakat permetezési helyzetbe.
Indítsa be a motort és állítsa a szivattyúkapcsolót BE helyzetbe.
Állítsa a gázkart magasabb alapjárati fordulatszámra.
Ellenőrizze, hogy a keverőkapcsoló BE helyzetben van-e, és növelje a nyomást magas értékre a kijuttatási mennyiséget szabályozó kapcsoló segítségével.
A permetezés megkezdéséhez állítsa a fő szakaszkapcsolót és a különálló szakaszkapcsolókat BE helyzetbe.
Várjon, amíg a tartályban lévő összes víz kispriccel a fúvókákon keresztül.
Ellenőrizze a fúvókákat, és győződjön meg arról, hogy mindegyik megfelelően permetez.
Állítsa a fő szakaszkapcsolót KI helyzetbe, állítsa le a permetezőszivattyút, és állítsa le a motort.
Ismételje meg az 1–9. lépést még legalább 2 alkalommal, hogy biztosíthassa a permetezőrendszer teljes körű tisztítását.
Important: Minden esetben legalább 3 alkalommal el kell végeznie ezt az eljárást annak érdekében, hogy a permetezőrendszer teljesen tiszta legyen, ezzel megelőzve annak károsodását.
Tisztítsa meg a szívószűrőt és a nyomásszűrőt; lásd: A szívószűrő tisztítása és A nyomásszűrő tisztítása.
Important: Nedvesíthető porként elérhető vegyszerek használata esetén minden tartálynyi vegyszer elhasználása után tisztítsa meg a szitaszűrőt.
Kerti locsolótömlő használatával öblítse le a permetező külső felületét tiszta vízzel.
Távolítsa el a fúvókákat, és tisztítsa meg őket kézzel. Cserélje ki a sérült vagy elkopott fúvókákat.
| Karbantartási időköz | Karbantartási intézkedés |
|---|---|
| Minden egyes használat előtt, vagy naponta |
|
Parkolja le a gépet sík talajon, húzza be a rögzítőféket, állítsa le a szivattyút, állítsa le a motort, és vegye ki az indítókulcsot.
A permetezőtartály tetejénél távolítsa el a szűrőházról azt a rögzítőelemet, amely a tömlőszerelvényt rögzíti a nagy tömlőhöz (Ábra 78).

Távolítsa el a tömlőt és a tömlőszerelvényt a szűrőházról (Ábra 78).
Húzza ki a szívófejet a tartályon lévő szűrőházból (Ábra 79).

Tisztítsa meg a szívószűrőt tiszta vízzel.
Important: Ha a szűrő sérült vagy nem tisztítható, cserélje ki.
Helyezze a szívószűrőt a szűrőházba, amíg a szűrő teljesen be nem ül a helyére.
Igazítsa a tömlőt és a tömlőszerelvényt a tartály tetején lévő szűrőházhoz, majd rögzítse a szerelvényt és a házat a 2. lépés során eltávolított rögzítőelemmel.
| Karbantartási időköz | Karbantartási intézkedés |
|---|---|
| Minden egyes használat előtt, vagy naponta |
|
Parkolja le a gépet sík talajon, húzza be a rögzítőféket, állítsa le a permetezőszivattyút, állítsa le a motort, és vegye ki az indítókulcsot.
Helyezzen egy felfogóedényt a nyomásszűrő alá (Ábra 80).

Fordítsa el a leeresztősapkát az óramutató járásával ellentétes irányban, és távolítsa el a nyomásszűrő edényéről (Ábra 80).
Note: Várja meg, amíg az edény teljesen kiürül.
Fordítsa el az edényt az óramutató járásával ellentétes irányban, és távolítsa el a szűrőfejet (Ábra 80).
Távolítsa el a nyomásszűrő betétet (Ábra 80).
Tisztítsa meg a nyomásszűrő betétet tiszta vízzel.
Important: Ha a szűrő sérült vagy nem tisztítható, cserélje ki.
Ellenőrizze a leeresztőcsavar tömítését (az edényen belül) és az edény tömítését (a szűrőfejen belül) sérülés és kopás szempontjából (Ábra 80).
Important: Ha a csavar, az edény vagy mindkét elem tömítése sérült vagy kopott, cserélje ki.
Helyezze a nyomásszűrő betétet a szűrőfejbe (Ábra 80).
Note: Ellenőrizze, hogy a szűrőbetét szorosan illeszkedik-e a szűrőfejbe.
Szerelje az edényt a szűrőfejre, és húzza meg kézzel (Ábra 80).
Szerelje a leeresztősapkát az edény alján lévő szerelvényre, és húzza meg a sapkát kézzel (Ábra 80).
Parkolja le a gépet sík talajon, húzza be a rögzítőféket, állítsa le a permetezőszivattyút, állítsa le a motort, és vegye ki az indítókulcsot.
Távolítsa el a fúvókát a permetező fejtoldatra (Ábra 81).

Távolítsa el a fúvókaszűrőt (Ábra 81).
Tisztítsa meg a fúvókaszűrőt tiszta vízzel.
Important: Ha a szűrő sérült vagy nem tisztítható, cserélje ki.
Helyezze fel a fúvókaszűrőt (Ábra 81).
Note: Ellenőrizze, hogy a szűrő teljesen beül-e a helyére.
Helyezze fel a fúvókát a permetező fejtoldatra (Ábra 81).
| Karbantartási időköz | Karbantartási intézkedés |
|---|---|
| Minden használat után |
|
A kondicionálóra vonatkozó előírások: propilén-glikol nem mérgező RV-fagyálló” korróziógátló adalékkal
Important: Kizárólag korróziógátló adalékkal ellátott propilén-glikolt használjon. Ne használjon újrahasznosított propilén-glikolt. Ne használjon etilén-glikol alapú fagyállót.Ne használjon hozzáadott oldható alkoholt (metanol, etanol vagy izopropanol) vagy sóoldatot tartalmazó propilén-glikolt.
Parkolja le a gépet sík talajon, húzza be a rögzítőféket, állítsa le a motort, és vegye ki az indítókulcsot.
Töltsön kondicionálót a tartályba az alábbiaknak megfelelően:
Használatra kész (előre kikevert) propilén-glikol RV-fagyálló – töltsön 37,8 liter propilén-glikol RV-fagyállót a tartályba.
Koncentrált propilén-glikol RV-fagyálló esetén végezze el az alábbi lépéseket:
Töltsön a permetezőtartályba egy propilén-glikol RV-fagyállóból és vízből álló, 37,8 l-es keveréket. Készítse elő a fagyálló keveréket a gyártó utasításai szerint egy minimum –45°C-ig való használatra alkalmas koncentrátum előállításához.
Important: A permetező tisztításához csak tiszta vizet használjon.
Indítsa be a motort, és állítsa a permetezőszivattyú kapcsolóját BE helyzetbe.
Nyomja le a gázpedált a motorfordulatszám növeléséhez.
Fordítsa a keverőkapcsolót BE helyzetbe.
Várjon legalább 3 percig, hogy a kondicionáló és víz keveréke keringhessen a rendszerben.
Ajánlott eszköz: egy tiszta felfogóedény.
Álljon a géppel a leeresztőbetét területére, és húzza be a rögzítőféket.
Engedje le a külső szórórúdszakaszokat.
Állítsa a bal oldali, a középső és a jobb oldali szakaszkapcsolót, valamint a fő szakaszkapcsolót BE helyzetbe.
Hagyja működni a permetezőrendszert, amíg a kondicionáló ki nem ürül a fúvókákon keresztül.
Note: A propilén-glikol RV-fagyállók többsége rózsaszínű. A felfogóedény használatával gyűjtsön mintát a kiürülő folyadékból több fúvókánál is.
Kapcsolja ki a fő szakaszkapcsolót, a 3 szakaszkapcsolót, a keverőkapcsolót, a permetezőszivattyú kapcsolóját, állítsa le a motort, és vegye ki az indítókulcsot.
A gép szállításával vagy vontatásával kapcsolatos információkért lásd az adott Workman jármű Kezelői kézikönyvét.
Important: Kötözze a külső permetezőszakaszokat a szórószakasz-szállító tartókhoz.
Note: Az elektromos vagy hidraulikus bekötési rajz ingyenes példánya letölthető a www.Toro.com weboldalról, miután a honlap Manuals (Kézikönyvek) hivatkozásán keresztül megkereste az adott gépet.
Note: A gép jobb és bal oldalát normál üzemeltetési helyzetben határozza meg.
A kezelőállás elhagyása előtt végezze el az alábbiakat:
Parkolja le a gépet sík talajon.
Kapcsolja a váltóművet SEMLEGES helyzetbe.
Húzza be a rögzítőféket.
Állítsa le a motort és vegye ki az indítókulcsot (ha van).
Várja meg, amíg minden mozgó alkatrész megáll.
A karbantartás megkezdése előtt hagyja a gép elemeit lehűlni.
A gép karbantartását, javítását, beállítását és ellenőrzését kizárólag erre jogosult szakember végezheti.
Mielőtt bármilyen karbantartási munkálatba kezdene, alaposan tisztítsa meg és öblítse le a permetezőt; lásd a Vegyianyag-biztonság című részt.
A permetezőrendszerben használt vegyszerek mérgezőek, és veszélyesek lehetnek az Ön, a nézelődők, az állatok egészségére, illetve a növények, a talaj és egyéb vagyontárgyak épségére.
Figyelmesen olvassa el és kövesse az alkalmazott vegyszerekhez tartozó figyelmeztető címkéken és anyagbiztonsági adatlapokon (SDS-ek) szereplő információkat, és gondoskodjon saját védelméről a vegyszer gyártójának ajánlásai alapján.
Vegyszerek közelében mindig gondoskodjon a bőre védelméről. A vegyszerekkel való érintkezés elleni védelem érdekében viseljen megfelelő személyi védőfelszerelést (PPE), többek között az alábbiakat:
védőszemüveg és/vagy védőálarc;
vegyvédelmi öltözék;
légzésvédő vagy szűrőmaszk;
vegyszerálló védőkesztyű;
gumicsizma vagy egyéb, jelentős védelmet biztosító lábbeli;
tiszta váltásruha, szappan és eldobható papírtörlő a takarításhoz.
Ha vegyianyag-biztonsággal kapcsolatos információk nem állnak rendelkezésre, tagadja meg a permetezőrendszer működtetését, illetve az azzal való munkavégzést.
Ne töltse fel, ne kalibrálja és ne tisztítsa meg a gépet, ha emberek, különösen gyermekek, valamint háziállatok vannak a közelben.
A vegyszerek kezelését jól szellőző helyen végezze.
Legyen tiszta víz a közelben, különösen a permetezőtartály feltöltése során.
Ne egyen, ne igyon és ne dohányozzon, ha vegyszerek közelében dolgozik.
A permetezőfúvókák tisztításához ne fújjon át rajtuk, és ne helyezze őket a szájához.
A vegyszerekkel végzett munka után mindig a lehető leghamarabb mosson kezet, és mossa le az egyéb, vegyszereknek kitett bőrfelületeket.
A vegyszerek és gőzeik veszélyesek; soha ne másszon be a tartályba, illetve ne hajoljon a tartály nyílása fölé vagy magába a nyílásba.
Annak érdekében, hogy a teljes gép jó állapotban maradjon, tartsa az összes kötőelemet jól meghúzva.
A lehetséges tűzveszély csökkentése érdekében tartsa a motorteret többletzsírtól, vegyszerektől, fűtől, falevelektől és szennyeződésektől mentesen.
Ha a karbantartási beállítás elvégzéséhez járatni kell a motort, tartsa távol kezét, lábát, ruházatát és a teste minden részét a mozgó alkatrészektől. Senkit ne engedjen a gép közelébe.
Ne módosítsa a gép haladási sebességét. A biztonság és pontosság biztosítása érdekében ellenőriztesse hivatalos Toro-forgalmazóval a haladási sebességet.
Amennyiben a gép nagyobb javítást igényel, vagy segítségre van szüksége, vegye fel a kapcsolatot egy hivatalos Toro-forgalmazóval.
A gép mindennemű módosítása befolyásolhatja a gép működését, teljesítményét, tartósságát, ilyen módon történő használata pedig sérülést vagy halált okozhat. A gép ilyen módon történő használata a jótállást is érvénytelenítheti.
Bakolja alá a gépet, ha alatta végez munkát.
Az energiát tároló alkatrészekből óvatosan engedje ki a nyomást.
| Karbantartási időköz | Karbantartási intézkedés |
|---|---|
| Minden egyes használat előtt, vagy naponta |
|
| Minden használat után |
|
| Minden 50 órában |
|
| Minden 100 órában |
|
| Minden 200 órában |
|
| Minden 400 órában |
|
| Évente |
|
Important: A további karbantartási eljárásokkal kapcsolatban lásd a gép és a motor Kezelői kézikönyvét.
Rendszeres használathoz másolja le az oldalt.
| A karbantartás során ellenőrizendő elem | Hét: | ||||||
|---|---|---|---|---|---|---|---|
| Hét. | Ked. | Sze. | Csü. | Pén. | Szo. | Vas. | |
| Ellenőrizze az üzemi fék és a rögzítőfék működését. | |||||||
| Ellenőrizze a sebességváltó/semleges helyzet működését. | |||||||
| Ellenőrizze az üzemanyagszintet. | |||||||
| A tartály feltöltése előtt ellenőrizze a motorolaj szintjét. | |||||||
| A tartály feltöltése előtt ellenőrizze a váltóműolaj szintjét. | |||||||
| A tartály feltöltése előtt ellenőrizze a légszűrőt. | |||||||
| A tartály feltöltése előtt ellenőrizze a motor hűtőbordáit. | |||||||
| Ellenőrizze a szokatlan motorzajokat. | |||||||
| Ellenőrizze, nincsenek-e szokatlan üzemi zajok. | |||||||
| Ellenőrizze a gumiabroncsok nyomását. | |||||||
| Ellenőrizze, nincs-e folyadékszivárgás. | |||||||
| Ellenőrizze a műszerek működését. | |||||||
| Ellenőrizze a gázpedál működését. | |||||||
| Tisztítsa meg a szívófejet. | |||||||
| Ellenőrizze a kerékösszetartást. | |||||||
| Zsírozza be az összes zsírzószemet.1 | |||||||
| Javítsa a sérült fényezést javítófestékkel. | |||||||
1Minden lemosás után azonnal, az előírt időköztől függetlenül
| Az ellenőrzést végezte: | ||
| Tétel | Dátum | Információk |
| 1 | ||
| 2 | ||
| 3 | ||
| 4 | ||
| 5 | ||
| 6 | ||
| 7 | ||
| 8 | ||
| 9 | ||
| 10 | ||
Ha a kulcsot a gyújtáskapcsolóban hagyja, véletlenül beindíthatják a motort, és az Ön vagy a közelben állók súlyos sérülését okozhatják.
Mindennemű karbantartási munka előtt vegye ki az indítókulcsot a gyújtáskapcsolóból, és válassza le a negatív akkumulátorkábelt az akkumulátorról. Tegye félre az akkumulátorkábelt, hogy ne érhessen véletlenül az akkumulátorpólushoz.
A permetezőtartály-egység tárolt energia okozta veszélyt jelent. Ha az egység a felszerelés vagy eltávolítás során nincs megfelelően rögzítve, akkor elmozdulhat vagy leeshet, ezzel az Ön vagy más nézelődők sérülését okozva.
A permetezőtartály-egység rögzítéséhez használjon pántokat és egy felfüggesztett emelőberendezést a telepítés, eltávolítás és minden olyan karbantartási művelet során, amikor eltávolítja a rögzítőelemeket.
A tartályegység felemelésével hozzáférhet a motorhoz és egyéb belső alkatrészekhez. Hajtsa előre a szórórúdtoldatot, hogy a tömeg egyenletesebben oszoljon el.
Ürítse le a permetezőtartályt.
Parkolja le a járművet sík talajon.
A szórórúd-szabályozó kapcsoló segítségével emelje meg a szórórúdtoldatot kb. 45°-ra.
Húzza be a rögzítőféket, állítsa le a motort, és vegye ki az indítókulcsot.
Kösse le az akkumulátort.
Távolítsa el a csúszka elülső részén lévő biztonsági csavarokat (Ábra 82).

Válassza le a középkonzol kábelkötegét a fő kábelkötegről, és a fő kábelköteget lazítsa meg.
Hajtsa a szórórúdtoldatokat előre a tartályegység mentén, hogy a tömeg egyenletesebben oszoljon el, és hogy elkerülje a hátraborulást.
Emelje fel a tartályegységet annyira, hogy az emelő munkahengerek teljesen kitolódjanak.
Vegye ki a platókitámasztót a bukókeret paneljének hátuljánál lévő tartókból (Ábra 83).

Nyomja rá a platókitámasztót a munkahengerrúdra, ügyelve arra, hogy a kitámasztó végén levő fülek felfeküdjenek a munkahenger hengerének végére és az emelő munkahenger rúdjának végére (Ábra 84).

Ha készen áll a tartályegység leengedésére, vegye le a platókitámasztót a munkahengerről, és tegye be a bukókeret paneljének hátulján található tartóiba.
Important: Ne kísérelje meg a tartályegység leengedését úgy, hogy a platókitámasztó még a munkahengeren van.
Az emelő munkahengerek visszahúzásával óvatosan engedje le a tartályt a vázra.
Szerelje fel a 2 leszorítócsavart és rögzítőt a tartályegység rögzítéséhez.
Hajtsa hátra a szórórúdtoldatokat kitolt helyzetbe.
A szórórúd-szabályozó kapcsoló segítségével emelje a szórórúdtoldatokat SZáLLíTáSI helyzetbe.
A fő kábelköteget úgy vezesse el, hogy a lazaságot felvegye, majd csatlakoztassa a középkonzol kábelkötegéhez.
| Karbantartási időköz | Karbantartási intézkedés |
|---|---|
| Minden 50 órában |
|
A kenőzsír típusa: Mobil XHP 461
Keresse meg a zsírzószemeket a permetezőszivattyún.
Note: A szivattyú a gép hátsó végénél található.

Törölje tisztára a 2 távoli zsírzószemet.
Pumpáljon zsírt mindkét távoli zsírzószembe.
Törölje le a felesleges zsírt.
| Karbantartási időköz | Karbantartási intézkedés |
|---|---|
| Minden 100 órában |
|
Important: Ha lemossa vízzel a szórórúdcsuklót, tisztítsa meg a csuklóegységet a víztől és a hulladéktól, majd vigyen fel friss zsírt.
A kenőzsír típusa: 2-es sz. lítiumos kenőzsír
Törölje tisztára a zsírzógombokat, hogy ne kerülhessen idegen anyag a csapágyba vagy a perselybe.
Pumpáljon zsírt a csapágyba vagy perselybe minden szerelvénynél (Ábra 86).

Törölje le a felesleges zsírt.
Ismételje meg ezt az eljárást minden szórórúdcsuklónál.
Kösse le az akkumulátort a gép javítása előtt. Kösse le először a negatív, majd csak ezután a pozitív pólust. Kösse vissza először a pozitív, majd csak ezután a negatív pólust.
Az akkumulátor töltését végezze nyitott, jól szellőző helyen, szikráktól és nyílt lángtól távol. A töltőt az akkumulátorra csatlakoztatása vagy arról leválasztása előtt húzza ki a fali aljzatból.
Viseljen védőruházatot, és használjon szigetelt szerszámokat.
A permetezőrendszer biztosítékblokkja a jármű biztosítékblokkjának végére van felszerelve. Cserélje ki a kiolvadt biztosítékot azonos típusúra és értékűre.

| Karbantartási időköz | Karbantartási intézkedés |
|---|---|
| Minden 200 órában |
|
| Minden 400 órában |
|
Ellenőrizze a permetezőrendszer tömlőit, hogy nincs-e rajtuk repedés, szivárgás vagy egyéb sérülés. Ezzel együtt a csatlakozásokat és a szerelvényeket is ellenőrizze hasonló sérülések szempontjából. A sérült tömlőket és szerelvényeket cserélje ki.
| Karbantartási időköz | Karbantartási intézkedés |
|---|---|
| Minden 400 órában |
|
Note: Határozza meg, hogy az adott munkához milyen szembőségű szívószűrő szükséges; lásd: A szívószűrő kiválasztása.
Parkolja le a gépet sík talajon, húzza be a rögzítőféket, állítsa le a szivattyút, állítsa le a motort, és vegye ki az indítókulcsot.
A permetezőtartály tetejénél távolítsa el a szűrőházról azt a rögzítőelemet, amely a tömlőszerelvényt rögzíti a nagy tömlőhöz (Ábra 88).

Távolítsa el a tömlőt és a tömlőszerelvényt a szűrőházról (Ábra 88).
Távolítsa el a régi szívószűrőt a tartályon lévő szűrőházból (Ábra 89).
Note: Selejtezze le a régi szűrőt.

Szerelje be az új szívószűrőt a szűrőházba.
Note: Ellenőrizze, hogy a szűrő teljesen beül-e a helyére.
Igazítsa a tömlőt és a tömlőszerelvényt a tartály tetején lévő szűrőházhoz, majd rögzítse a szerelvényt és a házat a 2. lépés során eltávolított rögzítőelemmel.
| Karbantartási időköz | Karbantartási intézkedés |
|---|---|
| Minden 400 órában |
|
Note: Határozza meg, hogy az adott munkához milyen szembőségű nyomásszűrő szükséges; lásd: A nyomásszűrő kiválasztása.
Parkolja le a gépet sík talajon, húzza be a rögzítőféket, állítsa le a permetezőszivattyút, állítsa le a motort, és vegye ki az indítókulcsot.
Helyezzen egy felfogóedényt a nyomásszűrő alá (Ábra 90).

Fordítsa el a leeresztősapkát az óramutató járásával ellentétes irányban, és távolítsa el a nyomásszűrő edényéről (Ábra 90).
Note: Várja meg, amíg az edény teljesen kiürül.
Fordítsa el az edényt az óramutató járásával ellentétes irányban, és távolítsa el a szűrőfejet (Ábra 90).
Távolítsa el a régi nyomásszűrő betétet (Ábra 90).
Note: Selejtezze le a régi szűrőt.
Ellenőrizze a leeresztőcsavar tömítését (az edényen belül) és az edény tömítését (a szűrőfejen belül) sérülés és kopás szempontjából (Ábra 90).
Note: Ha a csavar, az edény vagy mindkét elem tömítése sérült vagy kopott, cserélje ki.
Helyezze az új nyomásszűrő betétet a szűrőfejbe (Ábra 90).
Note: Ellenőrizze, hogy a szűrőbetét szorosan illeszkedik-e a szűrőfejbe.
Szerelje az edényt a szűrőfejre, és húzza meg kézzel (Ábra 90).
Szerelje a leeresztősapkát az edény alján lévő szerelvényre, és húzza meg a sapkát kézzel (Ábra 90).
Note: Határozza meg, hogy az adott munkához milyen szembőségű fúvókaszűrő szükséges; lásd: A fúvókahegyre helyezhető szűrő kiválasztása (opcionális).
Parkolja le a gépet sík talajon, húzza be a rögzítőféket, állítsa le a permetezőszivattyút, állítsa le a motort, és vegye ki az indítókulcsot.
Távolítsa el a fúvókát a permetező fejtoldatra (Ábra 91).

Távolítsa el a régi fúvókaszűrőt (Ábra 91).
Note: Selejtezze le a régi szűrőt.
Helyezze fel az új fúvókaszűrőt (Ábra 91).
Note: Ellenőrizze, hogy a szűrő teljesen beül-e a helyére.
Helyezze fel a fúvókát a permetező fejtoldatra (Ábra 91).
| Karbantartási időköz | Karbantartási intézkedés |
|---|---|
| Minden 400 órában |
|
Note: Az alábbi gépalkatrészek a használat során elhasználódott alkatrészeknek minősülnek (kivéve abban az esetben, ha hibásnak találták őket), és nem tartoznak az ezen géphez kapcsolódó jótállás hatálya alá.
Az alábbi belső szivattyú-alkatrészeket ellenőriztesse egy hivatalos Toro-forgalmazóval sérülés szempontjából:
Szivattyúmembrán
A szivattyú visszacsapószelepének egységei
Szükség esetén cserélje ki az adott alkatrészeket.
| Karbantartási időköz | Karbantartási intézkedés |
|---|---|
| Minden 400 órában |
|
Parkolja le a gépet sík talajon, húzza be a rögzítőféket, állítsa le a szivattyút, állítsa le a motort, és vegye ki az indítókulcsot.
Tolja ki a külső szórórúdszakaszokat permetezési helyzetbe, és támassza meg őket állványok vagy szíjak és egy emelőberendezés segítségével.
Távolítsa el a forgócsapot rögzítő csavart és anyát, majd távolítsa el a csapot (Ábra 92).

Távolítsa el a szórórúd és csuklócsapkonzol egységét a középső keret végcsatornájáról, hogy hozzáférjen a nejlonperselyekhez.
Távolítsa el és ellenőrizze a csuklócsapkonzol elülső és hátsó oldalán lévő nejlonperselyeket (Ábra 92).
Note: Cseréljen ki minden kopott vagy sérült perselyt.
Kenje meg a nejlonperselyeket némi olajjal, majd szerelje be a perselyeket a csuklócsapkonzolba (Ábra 92).
Igazítsa egymáshoz a csuklócsapkonzol furatait és a végcsatorna furatait (Ábra 92).
Szerelje fel a forgócsapot, és rögzítse a 3. lépés során eltávolított peremes fejű csavar és peremes önbiztosító anya segítségével.
Ismételje meg a 2–8. lépést a másik külső szórórúdszakasznál is.
Az alábbi eljárás alkalmazásával beállíthatja a középső szórórúdon lévő működtetőket, hogy a bal és jobb oldali szórórudak szintben legyenek.
Tolja ki a szórórudakat permetezési helyzetbe.
Távolítsa el a sasszeget a forgócsapból (Ábra 93).

Emelje meg a szórórudat, és távolítsa el a csapot (Ábra 93), majd lassan engedje le a szórórudat a talajra.
Ellenőrizze a csapot sérülés szempontjából, és szükség esetén cserélje ki.
Használjon csavarkulcsot a működtetőrúd sík oldalain annak rögzítéséhez, majd lazítsa meg az ellenanyát, hogy be lehessen állítani az ellenőrzőszemes rudat (Ábra 94).

Fordítsa el a működtetőrúdban lévő ellenőrzőszemes rudat, hogy a kitolt működtetőt a kívánt helyzetnek megfelelően rövidítse vagy hosszabbítsa (Ábra 94).
Note: Az ellenőrzőszemes rudat fél vagy teljes fordulatokkal szükséges elfordítani ahhoz, hogy a rudat a szórórúdra lehessen szerelni.
A kívánt pozíció elérését követően húzza meg az ellenanyát, ezzel rögzítve a működtetőt és az ellenőrzőszemes rudat.
Emelje meg a szórórudat, hogy a csuklóegység egy vonalba kerüljön a működtetőrúddal.
Tartsa meg a szórórudat, és közben tolja át a csapot a szórórúd csuklóegységén és a működtetőrúdon is (Ábra 93).
Ha a csap a helyére került, engedje el a szórókeretet, és rögzítse a csapot a korábban eltávolított sasszeggel.
Szükség esetén ismételje meg az eljárást minden működtetőrúd csapágyán.
Important: A gép tisztítására ne használjon sós vizet (brakkvíz), se tisztított szennyvizet.
| Karbantartási időköz | Karbantartási intézkedés |
|---|---|
| Minden 200 órában |
|
Alaposan öblítse át és ürítse le a teljes permetezőrendszert.
Távolítsa el az áramlásmérőt a permetezőről, és öblítse le tiszta vízzel.
Távolítsa el a felvízi oldalon lévő rögzítőgyűrűt (Ábra 95).

Tisztítsa meg a turbinát és a turbinakerékagyat a fémforgácsoktól és a nedvesíthető poroktól.
Ellenőrizze a turbinalapátokat kopás szempontjából.
Note: Tartsa a kezében a turbinát, és forgassa meg. A turbinának szabadon, csekély ellenállással kell forognia. Amennyiben nem ez történik, cserélje ki.
Szerelje fel az áramlásmérőt.
A turbina szabad forgásának biztosítása érdekében kis nyomású (0,5 bar/50 kPa) légsugarat alkalmazzon.
Note: Ha a turbina nem forog szabadon, lazítsa meg a turbinakerékagy alján lévő hatlapfejű csavart 1/16 fordulattal, amíg szabadon nem kezd forogni.
A kezelőállás elhagyása előtt végezze el az alábbiakat:
Parkolja le a gépet sík talajon.
Kapcsolja ki a permetezőszivattyút.
Húzza be a rögzítőféket.
Állítsa le a motort és vegye ki az indítókulcsot (ha van).
Várja meg, amíg minden mozgó alkatrész megáll.
Hagyja lehűlni a gépet, mielőtt beállítási, szervizelési, tisztítási vagy tárolási munkába kezd rajta.
Ne tárolja a gépet vagy az üzemanyagtartályt olyan helyen, ahol nyílt láng, szikra vagy őrláng fordul elő, mint például vízmelegítőkön vagy más eszközökön.
Végezze el a következő eljárásokat:
Important: A gép tisztítására ne használjon sós vizet (brakkvíz), se tisztított szennyvizet.
Parkolja le a gépet sík talajon, húzza be a rögzítőféket, állítsa le a permetezőszivattyút és a motort, vegye ki a kulcsot, és várja meg, amíg minden mozgó alkatrész megáll, mielőtt elhagyja a gépet.
Note: Kézi sebességváltóval rendelkező HD és HDX sorozatú Workman modellek esetében kapcsolja ki a TLT-t.
Tisztítsa le a szennyeződéseket és lerakódásokat az egész gépből, beleértve a hengerfej hűtőbordáit és a ventilátorház külső részét is.
Important: A gépet kímélő mosószerrel és vízzel is lemoshatja. Ne használjon nagynyomású mosót a gép lemosásához. A magasnyomású víz károsíthatja az elektromos rendszert, illetve kimoshatja a szükséges zsírt a súrlódó pontokból. Kerülje a bő víz használatát, különösen a vezérlőpanel, a lámpák, a motor és az akkumulátor környékén.
Parkolja le a gépet a leürítési területen, húzza be a rögzítőféket, állítsa le a permetezőszivattyút és a motort, vegye ki a kulcsot, és várja meg, amíg minden mozgó alkatrész megáll, mielőtt elhagyja a gépet.
Ürítse ki az édesvíztartályt, és hagyja nyitva a tartály csapját.
Ürítse le a permetlétartály, amennyire csak lehetséges.
Készítsen rozsdagátló, alkoholmentes, RV fagyálló oldatot; lásd A kondicionáló előkészítése.
Kössön le a nyomásérzékelő csövek közül egyet a gyorscsatlakozó szerelvénynél a Ábra 96 szerint.

Indítsa be a motort, és engedje le a külső szórórúdszakaszokat.
Járassa néhány percig a permetezőszivattyút, hogy az RV-fagyállókeverék átjárhassa a permetezőrendszert és a felszerelt permetezési tartozékokat.
Állítsa a bal oldali, a középső és a jobb oldali szakaszkapcsolót BE helyzetbe.
Fordítsa a főszakasz kapcsolóját BE helyzetbe, és nézze meg az alábbiakat:
Győződjön meg arról, hogy a RV fagyálló folyik a nyomásérzékelő cső lecsatlakoztatott végéből.
Fújja ki a fúvókát, amíg a RV fagyálló láthatóvá válik.
Fordítsa a fő szakaszkapcsolót KI helyzetbe.
Állítsa a szivattyú kapcsolóját KI helyzetbe.
A szórórúdszakaszok emelőkapcsolóinak segítségével emelje fel a külső szakaszokat.
Addig emelje a szakaszokat, amíg teljesen az X” szállítási helyzetet alkotó szórórúdszállító tartóba nem kerülnek, és az emelő munkahengerek teljesen vissza nem húzódnak.
Note: A működtetőrúd sérülésének elkerülése érdekében ügyeljen arra, hogy az emelő munkahengerek teljesen vissza legyenek húzva.
Állítsa le a motort.
Ürítse le a permetlétartály, amennyire csak lehetséges.
Zsírozza meg a permetezőt; lásd: Kenés.
Ellenőrizzen és húzzon meg minden csavart és anyát.
Note: Javítsa meg vagy cserélje le a kopott vagy károsodott alkatrészeket.
Ellenőrizze a permetezőtömlők állapotát.
Note: A kopott vagy károsodott tömlőket cserélje ki.
Húzza meg az összes tömlőszerelvényt.
Fesse be az összes karcos vagy csupasz fémfelületet a hivatalos Toro-forgalmazótól beszerzett javítófestékkel.
Szükség esetén készítse elő a járművet a hosszú távú tárolásra; olvassa el a járművéhez tartozó Kezelői kézikönyvet.
Tárolja a gépet tiszta, száraz garázsban vagy tárolóhelyiségben.
A védelme érdekében takarja le és tartsa tisztán a gépet.
Helyezze be a nyomásérzékelő csövet a gyorscsatlakozó szerelvénybe, amíg az teljesen be nem ül (Ábra 97).

Zárja el az édesvíztartály csapját.
Töltsön üzemanyagot az üzemanyagtartályba.
Végezze el a jármű karbantartását; lásd a jármű Kezelői kézikönyvét.
Az emelőberendezés teherbírása: 408 kg
A permetezőtartály-egység tárolt energia okozta veszélyt jelent. Ha az egység a felszerelés vagy eltávolítás során nincs megfelelően rögzítve, akkor elmozdulhat vagy leeshet, ezzel az Ön vagy a nézelődők sérülését okozva.
A permetezőtartály-egység rögzítéséhez használjon pántokat és egy felfüggesztett emelőberendezést a telepítés, eltávolítás és minden olyan karbantartási művelet során, amikor eltávolítja a rögzítőelemeket.
Kösse le akkumulátorkábeleket az akkumulátorról; lásd: Az akkumulátor lekötése.
Válassza szét a permetező biztosítékdobozát és a gép biztosítékdobozát, majd válassza le a két biztosítékdobozt összekötő vezetékeket; lásd: A permetező biztosítékdobozának felszerelése.
Távolítsa el a kábelköteget a J-kapcsokról; lásd: A permetező hátsó elektromos kábelkötegének elvezetése a kezelői konzolhoz.
Lazítsa meg a konzol alatt lévő, kézzel hajtható gombot, és távolítsa el a sasszeget; lásd: A kezelői konzol felszerelése a gépre.
Válassza le a permetező biztosítékdobozát és a gép biztosítékdobozát összekötő kábelek saruit; lásd: A permetező biztosítékdobozának felszerelése.
Válassza szét a permetező biztosítékdobozát és a gép biztosítékdobozát; lásd: A permetező biztosítékdobozának felszerelése.
Távolítsa el a konzolt a gép műszerfalán lévő konzoltartóból, majd igazítsa a kezelői konzolon lévő forgócsapot az elülső tartályszíjnál lévő tartókonzolhoz (Ábra 98); lásd: A kezelői konzol felszerelése a gépre.

Helyezze a konzolt a tartóba, és rögzítse a forgócsapot a konzolhoz a sasszeg segítségével (Ábra 98).
Az emelőberendezés teherbírása: 408 kg
Igazítsa az elülső emelőállványt a tartály elejénél lévő bakfoglalathoz (Ábra 99).

Illessze a bakot a foglalatba, amíg a vízszintes bakcső középső furata egy vonalba nem kerül a foglalat tetején lévő furattal (Ábra 99).
Illessze a kengyelcsapszeget (½ × 3") a bak és a foglalat furataiba, majd rögzítse a kengyelcsapszeget egy sasszeg (5/32 × 2⅝") segítségével.
Csavarjon be egy rögzítőgombot a foglalatba, majd húzza meg kézzel a gombot (Ábra 99).
Igazítsa a hátsó emelőbakot a hátsó bakfoglalathoz (Ábra 100).

Igazítsa a bak tetején lévő furatot a tartálycsúszkavázon lévő furathoz (Ábra 100)
Rögzítse a bakot a foglalathoz és a vázhoz 2 kengyelcsapszeg (½ × 4½") és 2 sasszeg (5/32 × 2⅝") segítségével az alábbi szerint: Ábra 100.
Ismételje meg az 1–7. lépést a tartálycsúszka másik oldalán lévő elülső és hátsó baknál is.
Használja az emelőt és az első emelőállvány-hosszabbítót az emelőállványok meghosszabbításához.

Engedje le a szórórudakat kb. 45°-ra, majd hajtsa őket előre (Ábra 102).

Távolítsa el a 2 csavart (½ × 1½") és a 2 rögzítőanyát (½"), amelyek a tartálycsúszkaegység leszorítókonzolját a vázon lévő platókonzolhoz rögzítik a gép mindkét oldalánál; lásd: A tartálycsúszka leengedése.
Emelje fel a tartálycsúszkát az emelő munkahengerek segítségével, szerelje fel a munkahengerreteszt és végezze el az alábbiakat:
Note: Lásd: A tartályegység megemelése.
Kézi sebességváltóval rendelkező HD és HDX sorozatú Workman modellek esetén válassza le a TLT-tengelyt a váltómű TLT-jéről; lásd a kézi váltóműves Workman haszonjárművekhez tartozó Multi Pro WM gyeppermetező simítókészlet felszerelési utasításait.
Válassza le a fordulatszám-érzékelő vezetékeit; lásd: A fordulatszám-érzékelő kábelkötegének csatlakoztatása (kézi sebességváltóval rendelkező HD sorozatú modellek).
Távolítsa el a munkahengerreteszt és engedje le a tartálycsúszkát az emelő munkahengerek segítségével; lásd: A tartályegység leengedése.
Rögzítse az emelőberendezést az elülső bakok vízszintes csöveihez és a hátsó bakok függőleges oszlopához (Ábra 102).
Emelje meg a tartályegységet 7,5–10 cm-rel, majd távolítsa el az emelő munkahengereket a tartályegységhez rögzítő biztosítócsapokat és kengyelcsapszegeket.
Emelje el a tartálycsúszkát a géptől, hogy elég magasan legyen ahhoz, hogy levehesse a csúszkát a gépről (Ábra 102).
Óvatosan haladjon előre a járművel, a tartálycsúszkától távolodva.
Lassan engedje le a tartálycsúszkát a talajra.
| Problem | Possible Cause | Corrective Action |
|---|---|---|
| Az egyik szakasz nem végez permetezést. |
|
|
| Az egyik szakasz nem kapcsol ki. |
|
|
| Szivárog egy szakaszszelep. |
|
|
| A szakaszkapcsoló vagy kapcsolók kikapcsolásakor a permetezőfúvóka vagy fúvókák csöpögnek |
|
|
| Egy szórórúd bekapcsolásakor nyomáscsökkenés tapasztalható. |
|
|
