| Maintenance Service Interval | Maintenance Procedure |
|---|---|
| Before each use or daily |
|
This rotary-blade, riding lawn mower is intended to be used by professional, hired operators. It is designed primarily for cutting grass on well-maintained lawns on residential or commercial properties. Using this product for purposes other than its intended use could prove dangerous to you and bystanders.
Read this information carefully to learn how to operate and maintain your product properly and to avoid injury and product damage. You are responsible for operating the product properly and safely.
Visit www.Toro.com for product safety and operation training materials, accessory information, help finding a dealer, or to register your product.
Whenever you need service, genuine Toro parts, or additional information, contact an Authorized Service Dealer or Toro Customer Service and have the model and serial numbers of your product ready. Figure 1 identifies the location of the model and serial numbers on the product. Write the numbers in the space provided.
Important: With your mobile device, you can scan the QR code on the serial number decal (if equipped) to access warranty, parts, and other product information.

This manual uses 2 words to highlight information. Important calls attention to special mechanical information and Note emphasizes general information worthy of special attention.
The safety-alert symbol (Figure 2) appears both in this manual and on the machine to identify important safety messages that you must follow to avoid accidents. This symbol will appear with the word Danger, Warning, or Caution.
Danger indicates an imminently hazardous situation which, if not avoided, will result in death or serious injury.
Warning indicates a potentially hazardous situation which, if not avoided, could result in death or serious injury.
Caution indicates a potentially hazardous situation which, if not avoided, may result in minor or moderate injury.

It is a violation of California Public Resource Code Section 4442 or 4443 to use or operate the engine on any forest-covered, brush-covered, or grass-covered land unless the engine is equipped with a spark arrester, as defined in Section 4442, maintained in effective working order or the engine is constructed, equipped, and maintained for the prevention of fire.
The enclosed engine owner's manual is supplied for information regarding the US Environmental Protection Agency (EPA) and the California Emission Control Regulation of emission systems, maintenance, and warranty. Replacements may be ordered through the engine manufacturer.
Please refer to the engine manufacturer’s information included with the machine.
Gross or Net Torque: The gross or net torque of this engine was laboratory rated by the engine manufacturer in accordance with the Society of Automotive Engineers (SAE) J1940 or J2723. As configured to meet safety, emission, and operating requirements, the actual engine torque on this class of mower will be significantly lower. Please refer to the engine manufacturer’s information included with the machine.
CALIFORNIA
Proposition 65 Warning
The engine exhaust from this product contains chemicals known to the State of California to cause cancer, birth defects, or other reproductive harm.
Battery posts, terminals, and related accessories contain lead and lead compounds, chemicals known to the State of California to cause cancer and reproductive harm. Wash hands after handling.
Use of this product may cause exposure to chemicals known to the State of California to cause cancer, birth defects, or other reproductive harm.
This product is capable of amputating hands and feet and of throwing objects. Always follow all safety instructions to avoid serious personal injury or death.
Read and understand the contents of this Operator’s Manual before starting the engine.
Keep bystanders and children away.
Do not allow children or untrained people to operate or service the machine. Allow only people who are responsible, trained, familiar with the instructions, and physically capable to operate or service the machine.
Always keep the roll bar in the fully raised and locked position and use the seat belt.
Do not operate the machine near drop-offs, ditches, embankments, water, or other hazards, or on slopes greater than 15°.
Do not put your hands or feet near moving components of the machine.
Do not operate the machine without all guards, safety switches, and other safety protective devices in place and functioning properly.
Shut off the engine, remove the key, and wait for all moving parts to stop before leaving the operator’s position. Allow the machine to cool before servicing, adjusting, fueling, cleaning, or storing it.

![]() |
Safety decals and instructions are easily visible to the operator and are located near any area of potential danger. Replace any decal that is damaged or missing. |















Decal 144-0405 is for machines not equipped with an optional headlight.



Decal 144-6569 is for machines equipped with a headlight.



Decal 126-8383 is for machines without MyRide only.

Decal 132-0871 is for machines with MyRide only.

Decal 132-5067 is for machines with MyRide only.


Become familiar with all the controls before you start the engine and operate the machine.

The key switch, used to start and shut off the engine, has 3 positions: OFF, RUN, and START. Refer to Starting the Engine.
Use the light switch to turn the lights to the ON position or OFF position (Figure 5).
Use the choke control to start a cold engine.
The throttle controls the engine speed, and it has a continuous-variable setting from the SLOW to FAST position (Figure 5).
The blade-control switch, represented by a power-takeoff (PTO) symbol, engages and disengages power to the mower blades (Figure 5).
The hour meter records the number of hours the engine has operated. It operates when the engine is running. Use these times for scheduling regular maintenance (Figure 6).

There are symbols on the hour meter that indicate with a black triangle that the interlock component is positioned correctly (Figure 6).
If you turn the key switch to the ON position for a few seconds, the battery voltage displays in the area where the hours are normally displayed.
The battery light turns on when the key switch is turned on and when the charge is below the correct operating level (Figure 6).
The electronic-control unit (ECU) continuously monitors the operation of the EFI system.
If a problem or fault within the system is detected, the malfunction-indicator light (MIL) illuminates.
The MIL is the red light located in the right console panel.
Once the MIL illuminates, make initial troubleshooting checks; refer to the MIL section under .
If these checks do not correct the problem, further diagnosis and servicing by an Authorized Service Dealer is necessary.
Use the motion-control levers to drive the machine forward, reverse, and turn either direction (Figure 4).
Move the motion-control levers outward from the center to the NEUTRAL-LOCK position when exiting the machine (Figure 27). Always position the motion-control levers into the NEUTRAL-LOCK position when you stop the machine or leave it unattended.
Whenever you shut off the engine, engage the parking brake to prevent accidental movement of the machine.
Close the fuel-shutoff valve when transporting or storing the machine; refer to Using the Fuel-Shutoff Valve.
Note: Specifications and design are subject to change without notice.
| 48-inch Deck | 60-inch Deck | 72-inch Deck | |
|---|---|---|---|
| Without mower deck | 129 cm (50-15/16 inches) | 140 cm (55 inches) | 150 cm (58-15/16 inches) |
| Deflector up | 141 cm (55-7/16 inches) | 166 cm (65-1/2 inches) | 192 cm (75-5/8 inches) |
| Deflector down | 160 cm (63-1/8 inches) | 191 cm (75-1/4 inches) | 223 cm (87-5/8 inches) |
| Deflector removed | 132 cm (52-1/8 inches) | 156 cm (61-5/8 inches) | 187 cm (73-11/16 inches) |
| 48-inch and 60-inch Machines | 72-inch Machines | |
|---|---|---|
| 24-inch Tires | 26-inch Tires | 26-inch Tires |
| 219 cm (86-5/16 inches) | 220 cm (86-1/2 inches) | 227 cm (89-5/16 inches) |
| Machines with 24-inch tires | Machines with 26-inch tires | |
|---|---|---|
| Roll Bar—Up | 182 cm (71-5/8 inches) | 185 cm (73 inches) |
| Roll Bar—Down (MyRide) | 126 cm (49-1/2 inches) | 129 cm (50-13/16 inches) |
| Roll Bar—Down (Non-MyRide) | 118 cm (46-3/8 inches) | 129 cm (50-13/16 inches) |
| 48-inch machines | 60-inch machines | 72-inch machines |
|---|---|---|
| 512 kg (1,130 lb) | 535 to 590 kg (1,180 to 1,300 lb) | 617 kg (1,360 lb) |
| Tongue Weight | Gross Towing Weight * |
|---|---|
| 22 kg (49 lb) | 113 kg (250 lb) |
* The total weight of the object being towed (e.g., trailer and payload, pull-behind dethatcher, aerator, etc.)
A selection of Toro approved attachments and accessories is available for use with the machine to enhance and expand its capabilities. Contact your Authorized Service Dealer or authorized Toro distributor or go to www.Toro.com for a list of all approved attachments and accessories.
To ensure optimum performance and continued safety certification of the machine, use only genuine Toro replacement parts and accessories. Replacement parts and accessories made by other manufacturers could be dangerous, and such use could void the product warranty.
Note: Determine the left and right sides of the machine from the normal operating position.
Do not allow children or untrained people to operate or service the machine. Local regulations may restrict the age of the operator. The owner is responsible for training all operators and mechanics.
Inspect the area where you will use the machine, and remove all objects that could interfere with the operation of the machine or that the machine could throw.
Become familiar with the safe operation of the equipment, operator controls, and safety signs.
Check that operator-presence controls, safety switches, and guards are attached and working properly. Do not operate the machine unless they are functioning properly.
Shut off the engine, remove the key, and wait for all moving parts to stop before leaving the operator’s position. Allow the machine to cool before servicing, adjusting, fueling, cleaning, or storing it.
Before mowing, inspect the machine to ensure that the cutting assemblies are working properly.
Evaluate the terrain to determine the appropriate equipment and any attachments or accessories required to operate the machine properly and safely.
Wear appropriate clothing, including eye protection; long pants; substantial, slip-resistant footwear; and hearing protection. Tie back long hair and do not wear loose clothing or loose jewelry.
Do not carry passengers on the machine.
Keep bystanders and pets away from the machine during operation. Shut off the machine and attachment(s) if anyone enters the area.
Do not operate the machine unless all guards and safety devices, such as the deflectors and the entire grass catcher, are in place and functioning properly. Replace worn or deteriorated parts when necessary.
Fuel is extremely flammable and highly explosive. A fire or explosion from fuel can burn you and others and can damage property.
To prevent a static charge from igniting the fuel, remove the machine from the truck or trailer and refuel it on the ground, away from all vehicles. If this is not possible, place a portable fuel container on the ground, away from all vehicles, and fill it; then refuel the machine from the fuel container rather than from a fuel-dispenser nozzle.
Fill the fuel tank outdoors on level ground, in an open area, and when the engine is cold. Wipe up any fuel that spills.
Do not handle fuel when smoking or around an open flame or sparks.
Do not remove the fuel cap or add fuel to the tank while the engine is running or hot.
If you spill fuel, do not attempt to start the engine. Avoid creating a source of ignition until the fuel vapors have dissipated.
Store fuel in an approved container and keep it out of the reach of children.
Fuel is harmful or fatal if swallowed. Long-term exposure to vapors can cause serious injury and illness.
Avoid prolonged breathing of vapors.
Keep your hands and face away from the nozzle and the fuel-tank opening.
Keep fuel away from your eyes and skin.
Do not store the machine or fuel container where there is an open flame, spark, or pilot light, such as on a water heater or on other appliances.
Do not operate the machine without the entire exhaust system in place and in proper working condition.
Keep the fuel-dispenser nozzle in contact with the rim of the fuel tank or container opening at all times until fueling is complete. Do not use a nozzle lock-open device.
If you spill fuel on your clothing, change your clothing immediately.
Do not overfill the fuel tank. Replace the fuel cap and tighten it securely.
Clean grass and debris from the cutting unit, muffler, drives, grass catcher, and engine compartment to help prevent fires. Clean up oil or fuel spills.
For best results, use only clean, fresh (less than 30 days old), unleaded gasoline with an octane rating of 87 or higher ((R+M)/2 rating method).
Ethanol: Gasoline with up to 10% ethanol (gasohol) or 15% MTBE (methyl tertiary butyl ether) by volume is acceptable. Ethanol and MTBE are not the same. Gasoline with 15% ethanol (E15) by volume is not approved for use. Never use gasoline that contains more than 10% ethanol by volume, such as E15 (contains 15% ethanol), E20 (contains 20% ethanol), or E85 (contains up to 85% ethanol). Using unapproved gasoline may cause performance problems and/or engine damage which may not be covered under warranty.
Do not use gasoline containing methanol.
Do not store fuel either in the fuel tank or fuel containers over the winter unless you use a fuel stabilizer.
Do not add oil to gasoline.
Use a fuel stabilizer/conditioner in the machine to provide the following benefits:
Keeps fuel fresh longer when used as directed by the fuel-stabilizer manufacturer
Cleans the engine while it runs
Eliminates gum-like varnish buildup in the fuel system, which causes hard starting
Important: Do not use fuel additives containing methanol or ethanol.
Add the correct amount of fuel stabilizer/conditioner to the fuel.
Note: A fuel stabilizer/conditioner is most effective when mixed with fresh fuel. To minimize the chance of varnish deposits in the fuel system, use fuel stabilizer at all times.
Park the machine on a level surface.
Engage the parking brake.
Shut off the engine and remove the key.
Clean around the fuel-tank cap.
Fill the fuel tank to the bottom of the filler neck (Figure 7).
Note: Do not fill the fuel tank completely full. The empty space in the tank allows the fuel to expand.

Before starting the machine each day, perform the Each Use/Daily procedures listed in .
New engines take time to develop full power. Mower decks and drive systems have higher friction when new, placing additional load on the engine. Allow 40 to 50 hours of break-in time for new machines to develop full power and best performance.
To avoid injury or death from rollover, keep the roll bar in the fully raised, locked position and use the seat belt.
Ensure that the seat is secured to the machine.
There is no rollover protection when the roll bar is in the down position.
Lower the roll bar only when absolutely necessary.
Do not wear the seat belt when the roll bar is in the down position.
Drive slowly and carefully.
Raise the roll bar as soon as clearance permits.
Check carefully for overhead clearances (i.e., branches, doorways, electrical wires) before driving under any objects and do not contact them.
Important: Lower the roll bar only when absolutely necessary.
For both sides of the roll bar, remove the hairpin cotter and pin.
Lower the roll bar to the down position.
Note: There are 2 down positions, as shown in Figure 9.
Install the 2 pins and secure them with the hairpin cotters.


Important: Always use the seat belt with the roll bar in the raised position.
Remove the hairpin cotters and remove the 2 pins.
Raise the roll bar to the upright position.
Install the 2 pins, and secure them with the hairpin cotters.

If the safety-interlock switches are disconnected or damaged, the machine could operate unexpectedly, causing personal injury.
Do not tamper with the interlock switches.
Check the operation of the interlock switches daily and replace any damaged switches before operating the machine.
The safety-interlock system is designed to prevent the engine from starting unless the following occurs:
The parking brake is engaged.
The blade-control switch (PTO) is disengaged.
The motion-control levers are in the NEUTRAL-LOCK position.
The safety-interlock system also is designed to shut off the engine when the motion-control levers are moved from the NEUTRAL-LOCK position with the parking brake engaged or if you rise from the seat when the PTO is engaged.
The hour meter has indicators to notify the user when the interlock component is in the correct position. When the component is in the correct position, an indicator displays on the screen.

| Maintenance Service Interval | Maintenance Procedure |
|---|---|
| Before each use or daily |
|
Test the safety-interlock system before you use the machine each time. If the safety system does not operate as described below, have an Authorized Service Dealer repair the safety system immediately.
Sit on the seat, engage the parking brake, and move the blade-control switch (PTO) to the ON position. Try starting the engine; the engine should not start.
Sit on the seat, engage the parking brake, and move the blade-control switch (PTO) to the OFF position. Move either motion-control lever out of the NEUTRAL-LOCK position. Try starting the engine; the engine should not start. Repeat for the other control lever.
Sit on the seat, engage the parking brake, move the blade-control switch (PTO) to the OFF position, and move the motion-control levers to the NEUTRAL-LOCK position. Now start the engine. While the engine is running, disengage the parking brake, engage the blade-control switch (PTO), and rise slightly from the seat; the engine should shut off.
Sit on the seat, engage the parking brake, move the blade-control switch (PTO) to the OFF position, and move the motion-control levers to the NEUTRAL-LOCK position. Now start the engine. While the engine is running, center either motion control and move (forward or reverse); the engine should shut off. Repeat for other motion control.
Sit on the seat, disengage the parking brake, move the blade-control switch (PTO) to the OFF position, and move the motion-control levers to the NEUTRAL-LOCK position. Try starting the engine; the engine should not start.
The seat can move forward and backward (Figure 12). Position the seat where you have the best control of the machine and are most comfortable.

The seat is adjustable to provide a smooth and comfortable ride. Position the seat where you are most comfortable.
To adjust it, turn the knob in front either direction to provide the best comfort (Figure 13).

The MyRide™ suspension system adjusts to provide a smooth and comfortable ride. You can adjust the rear 2-shock assemblies to quickly and easily change the suspension system. Position the suspension system where you are most comfortable.
The slots for the rear-shock assemblies have detent positions for reference. You can position the rear-shock assemblies anywhere in the slot, not just in the detent positions. The following graphic shows the position for a soft or firm ride and the different detent positions (Figure 14).

Note: Ensure that the left and right rear-shock assemblies are always adjusted to the same positions.
Adjust the rear-shock assemblies (Figure 15).


The owner/operator can prevent and is responsible for accidents that may cause personal injury or property damage.
Use your full attention while operating the machine. Do not engage in any activity that causes distractions; otherwise, injury or property damage may occur.
Do not operate the machine while ill, tired, or under the influence of alcohol or drugs.
Contacting the blade can result in serious personal injury. Shut off the engine, remove the key, and wait for all moving parts to stop before leaving the operating position. When you turn the key to the OFF position, the engine should shut off and the blade should stop. If not, stop using your machine immediately and contact an Authorized Service Dealer.
Operate the machine only in good visibility and appropriate weather conditions. Do not operate the machine when there is the risk of lightning.
Keep your hands and feet away from the cutting units. Keep clear of the discharge opening.
Do not mow with the discharge deflector raised, removed, or altered unless there is a grass-collection system or mulch kit in place and working properly.
Do not mow in reverse unless it is absolutely necessary. Always look down and behind you before moving the machine in reverse.
Use extreme care when approaching blind corners, shrubs, trees, or other objects that may block your view.
Stop the blades whenever you are not mowing.
If the machine strikes an object or starts to vibrate, immediately shut off the engine, remove the key (if equipped), and wait for all moving parts to stop before examining the machine for damage. Make all necessary repairs before resuming operation.
Slow down and use caution when making turns and crossing roads and sidewalks with the machine. Always yield the right-of-way.
Before you leave the operating position, do the following:
Park the machine on a level surface.
Disengage the power takeoff and lower the attachments.
Engage the parking brake.
Shut off the engine and remove the key.
Wait for all moving parts to stop.
Operate the engine only in well-ventilated areas. Exhaust gases contain carbon monoxide, which is lethal if inhaled.
Never leave a running machine unattended.
Attach towed equipment to the machine only at the hitch point.
Do not operate the machine unless all guards and safety devices, such as the deflectors and the entire grass catcher, are in place and functioning properly. Replace worn or deteriorated parts when necessary.
Use only accessories and attachments approved by Toro.
This machine produces sound levels in excess of 85 dBA at the operator’s ear and can cause hearing loss through extended periods of exposure.

Clean grass and debris from the cutting unit, drives, muffler, and engine to help prevent fires.
Start the engine with your feet well away from the blades.
Be aware of the mower discharge path and direct the discharge away from others. Avoid discharging material against a wall or obstruction because the material may ricochet back toward you.
Stop the blades, slow down the machine, and use caution when crossing surfaces other than grass or when transporting the machine to and from the operating area.
Do not change the engine governor speed or overspeed the engine.
Children are often attracted to the machine and the mowing activity. Never assume that children will remain where you last saw them.
Keep children out of the operating area and under the watchful care of a responsible adult other than the operator.
Be alert and shut off the machine if children enter the operating area.
Before backing up or turning the machine, look down and all around for small children.
Do not carry children on the machine, even when the blades are not moving. Children could fall off and be seriously injured or prevent you from safely operating the machine. Children who have been given rides in the past could appear in the operating area without warning and be run over or backed over by the machine.
The ROPS is an integral and effective safety device. Do not remove or alter the ROPS.
There is no rollover protection when the roll bar is down.
Keep the roll bar in the fully raised and locked position and always wear your seat belt whenever the roll bar is up.
Ensure that the seat belt can be released quickly in the event of an emergency.
Lower the roll bar only when absolutely necessary. Do not wear the seat belt when the roll bar is down.
Raise the roll bar as soon as clearance permits.
Wheels dropping over edges, ditches, steep banks, or water can cause rollovers, which may result in serious injury or death.
Check carefully for overhead clearances before driving under any objects and do not contact them.
In the event of a rollover, take the machine to an Authorized Service Dealer and have the ROPS inspected.
Replace damaged ROPS components. Do not repair or alter them.
Use only accessories and attachments installed on the ROPS that are approved by Toro.
Slopes are a major factor related to loss of control and rollover accidents, which can result in severe injury or death. The operator is responsible for safe slope operation. Operating the machine on any slope requires extra caution. Before using the machine on a slope, do the following:
Review and understand the slope instructions in the manual and on the machine.
Use an angle indicator to determine the approximate slope angle of the area.
Never operate on slopes greater than 15°.
Evaluate the site conditions of the day to determine if the slope is safe for machine operation. Use common sense and good judgment when performing this evaluation. Changes in the terrain, such as moisture, can quickly affect the operation of the machine on a slope.
Identify hazards at the base of the slope. Do not operate the machine near drop-offs, ditches, embankments, water, or other hazards. The machine could suddenly roll over if a wheel goes over the edge or the edge collapses. Keep a safe distance (twice the width of the machine) between the machine and any hazard. Use a walk-behind machine or a hand trimmer to mow the grass in these areas.
Avoid starting, stopping, or turning the machine on slopes. Avoid making sudden changes in speed or direction; turn slowly and gradually.
Do not operate a machine under any conditions where traction, steering, or stability is in question. Be aware that operating the machine on wet grass, across slopes, or downhill may cause the machine to lose traction. Loss of traction to the drive wheels may result in sliding and a loss of braking and steering. The machine can slide even if the drive wheels are stopped.
Remove or mark obstacles such as ditches, holes, ruts, bumps, rocks, or other hidden hazards. Tall grass can hide obstacles. Uneven terrain could overturn the machine.
Use extra care while operating with accessories or attachments, such as grass-collection systems. These can change the stability of the machine and cause a loss of control. Follow directions for counterweights.
If possible, keep the deck lowered to the ground while operating on slopes. Raising the deck while operating on slopes can cause the machine to become unstable.

Do not attach towed equipment except at the hitch point.
Do not use the machine as a towing vehicle unless it has a hitch installed.
Do not exceed the gross towing weight.
Never allow children or others near the towed equipment.
On slopes, the weight of the towed equipment may cause loss of traction, increased risk of rollover, and loss of control. Reduce the towed weight and slow down.
The stopping distance may increase with the weight of a towed load. Travel slowly and allow extra distance to stop.
Make wide turns to keep the attachment clear of the machine.
Use the mower deck as a step to get into the operator’s position (Figure 18).

Always engage the parking brake when you stop the machine or leave it unattended.
Park the machine on a level surface.


The blade-control switch (PTO) starts and stops the mower blades and any powered attachments.
Note: Engaging the blade-control switch (PTO) with the throttle position at half or less causes excessive wear to the drive belts.


You can move the throttle control between FAST and SLOW positions (Figure 23).
Always use the FAST position when engaging the PTO.

Note: A warm or hot engine may not require choking.
Important: Do not engage the starter for more than 5 seconds at a time. Engaging the starter motor for more than 5 seconds can damage the starter motor. If the engine fails to start, wait 10 seconds before operating the engine starter again.

Children or bystanders may be injured if they move or attempt to operate the machine while it is unattended.
Always remove the key and engage the parking brake when leaving the machine unattended.


The drive wheels turn independently, powered by hydraulic motors on each axle. You can turn 1 side in reverse while you turn the other forward, causing the machine to spin rather than turn. This greatly improves the machine maneuverability but may require some time for you to adapt to how it moves.
The throttle control regulates the engine speed as measured in rpm (revolutions per minute). Place the throttle control in the FAST position for best performance. Always operate in the full throttle position when mowing.
The machine can spin very rapidly. You may lose control of the machine and cause personal injury or damage to the machine.
Use caution when making turns.
Slow the machine down before making sharp turns.
Note: The engine shuts off when you move the traction-control with the parking brake engaged.
To stop the machine, pull the motion-control levers to the NEUTRAL position.
Disengage the parking brake.
Move the motion-control levers to the center, unlocked position.
To go forward, slowly push the motion-control levers forward (Figure 28).

Move the motion-control levers to the center, unlocked position.
To go in reverse, slowly pull the motion-control levers rearward (Figure 29).

The mower has a hinged grass deflector that disperses clippings to the side and down toward the turf.
Without a grass deflector, discharge cover, or a complete grass-catcher assembly mounted in place, you and others are exposed to blade contact and thrown debris. Contact with rotating mower blade(s) and thrown debris will cause injury or death.
Never remove the grass deflector from the mower deck because the grass deflector routes material down toward the turf. If the grass deflector is ever damaged, replace it immediately.
Never put your hands or feet under the mower deck.
Never try to clear the discharge area or mower blades unless you move the blade-control switch (PTO) to the OFF position, rotate the key switch to the OFF position, and remove the key from the key switch.
Make sure that the grass deflector is in the down position.
You can adjust the height of cut from 38 to 140 mm (1-1/2 to 5-1/2 inches) in 6 mm (1/4 inch) increments by relocating the clevis pin into different hole locations.
Push the deck-lift pedal fully forward to lock the mower deck in the TRANSPORT position (also the 140 mm/5-1/2 inches cutting height position) as shown in Figure 31.
To adjust, remove the pin from the height-of-cut bracket (Figure 31).
Select a hole in the height-of-cut bracket corresponding to the height of cut desired, and insert the pin (Figure 31).
Push the deck-lift pedal forward, push the transport lock forward, and slowly lower the mower deck.

Push up on the deck-lift switch (Figure 32).

Select a hole in the height-of-cut bracket corresponding to the height of cut desired, and insert the pin (Figure 33).
Push down on the deck-lift switch until the height-of-cut linkage slightly contacts the height-of-cut pin (Figure 33).
Note: Too much contact between the height-of-cut linkage and height-of-cut pin can negatively affect the mower deck height of cut and leveling.

Whenever you change the height-of-cut, adjust the height of the anti-scalp rollers.
Park the machine on a level surface, disengage the blade-control switch, and engage the parking brake.
Shut off the engine, remove the key, and wait for all moving parts to stop before leaving the operating position.
Adjust the anti-scalp rollers.



The following figures are recommendations only. Adjustments vary by grass type, moisture content, and the height of the grass.
Remove the knob and carriage bolt, adjust the baffle to the appropriate position, and install the knob and carriage bolt.
Note: Some machines will use the outer or inner holes, depending on the size of the mower deck.
Note: If the power draws down and the mower ground speed is the same, open the baffle.

This is the fully-rear position. The suggested use for this position is as follows:
Short, light grass mowing conditions
Dry conditions
Smaller grass clippings
Propels grass clippings farther away from the mower

Use this position when bagging.

This is the fully-forward position. The suggested use for this position is as follows:
Tall, dense grass mowing conditions
Wet conditions
Lowers the power consumption
Allows increased ground speed in heavy conditions

For best mowing and maximum air circulation, operate the engine at the FAST position. Air is required to thoroughly cut grass clippings, so do not set the height-of-cut so low as to totally surround the mower deck in uncut grass. Always try to have 1 side of the mower deck free from uncut grass, which allows air to be drawn into the mower deck.
Cut grass slightly longer than normal to ensure that the cutting height of the mower deck does not scalp any uneven ground. However, the cutting height used in the past is generally the best one to use. When cutting grass longer than 15 cm (6 inches) tall, you may want to cut the lawn twice to ensure an acceptable quality of cut.
It is best to cut only about a third of the grass blade. Cutting more than that is not recommended unless grass is sparse, or it is late fall when grass grows more slowly.
Alternate the mowing direction to keep the grass standing straight. This also helps disperse clippings, which enhances decomposition and fertilization.
Grass grows at different rates at different times of the year. To maintain the same cutting height, mow more often in early spring. As the grass growth rate slows in mid summer, mow less frequently. If you cannot mow for an extended period, first mow at a high cutting height, then mow again 2 days later at a lower height setting.
To improve cut quality, use a slower ground speed in certain conditions.
When mowing uneven turf, raise the cutting height to avoid scalping the turf.
If you must stop the forward motion of the machine while mowing, a clump of grass clippings may drop onto your lawn. To avoid this, move onto a previously cut area with the blades engaged or you can disengage the mower deck while moving forward.
Clean clippings and dirt from the underside of the mower deck after each use. If grass and dirt build up inside the mower deck, cutting quality will eventually become unsatisfactory.
Maintain a sharp blade throughout the cutting season because a sharp blade cuts cleanly without tearing or shredding the grass blades. Tearing and shredding turns grass brown at the edges, which slows growth and increases the chance of disease. Check the mower blades after each use for sharpness, and for any wear or damage. File down any nicks and sharpen the blades as necessary. If a blade is damaged or worn, replace it immediately with a genuine Toro replacement blade.
Engage the parking brake, shut off the engine, remove the key, and wait for all moving parts to stop before leaving the operator’s position. Allow the machine to cool before servicing, adjusting, fueling, cleaning, or storing it.
Clean grass and debris from the cutting unit, muffler, drives, grass catcher, and engine compartment to help prevent fires. Clean up oil or fuel spills.
Shut off the fuel and remove the key before storing or transporting the machine.
Close the fuel-shutoff valve for transport, maintenance, and storage (Figure 41).
Ensure that the fuel-shutoff valve is open when starting the engine.


Hands may become entangled in the rotating drive components below the engine deck, which could result in serious injury.
Shut off the engine, remove the key, and allow all moving parts to stop before accessing the drive-wheel release valves.
The engine and hydraulic-drive units can become very hot. Touching a hot engine or hydraulic-drive units can cause severe burns.
Allow the engine and hydraulic-drive units to cool completely before accessing the drive-wheel release valves.
The drive-wheel release valves are located on the left and right sides underneath the engine deck.
Park the machine on a level surface, disengage the blade-control switch, and engage the parking brake.
Shut off the engine, remove the key, and wait for all moving parts to stop before leaving the operating position.
To push the machine, move both bypass levers forward and lock them into place (Figure 42).
Disengage the parking brake before pushing the machine.
To run the machine, move the bypass levers rearward and lock them into place (Figure 42).

The drive-wheel release valves are located on the left and right sides underneath the engine deck.
Park the machine on a level surface, disengage the blade-control switch, and engage the parking brake.
Shut off the engine, remove the key, and wait for all moving parts to stop before leaving the operating position.
Using a flat-head screwdriver, rotate both cams to the BYPASS position (Figure 43).
Disengage the parking brake before pushing the machine.
To run the machine, rotate both cams to the RUN position (Figure 43).

The machine is capable of pulling trailers and attachments. Contact your authorized Toro distributor for the available tow hitches.
Your machine can tow trailers with a maximum gross trailer weight (GTW) up to 113 kg (250 lb).
Do not exceed 22 kg (49 lb) of tongue weight on the tow hitch of the machine.
When hauling cargo or towing a trailer, do not overload the machine or trailer. Overloading can cause poor performance or damage to the hydraulic-drive units, tires, and frame.
Park the machine on a level surface, disengage the blade-control switch (PTO), and engage the parking brake.
Shut off the engine, remove the key, and wait for all moving parts to stop before leaving the operating position.
Insert the hitch ball mount into the receiver located at the rear of the machine.
Insert the hitch pin through the hole in the receiver and the hitch ball mount.
Secure the hitch using the hairpin cotter.

Use a heavy-duty trailer or truck to transport the machine. Use a full-width ramp. Ensure that the trailer or truck has all the necessary brakes, lighting, and marking as required by law. Please carefully read all the safety instructions. Knowing this information could help you or bystanders avoid injury. Refer to your local ordinances for trailer and tie-down requirements.
Driving on the street or roadway without turn signals, lights, reflective markings, or a slow-moving-vehicle emblem is dangerous and can lead to accidents, causing personal injury.
Do not drive the machine on a public street or roadway.
Loading a machine onto a trailer or truck increases the possibility of tip-over and could cause serious injury or death (Figure 45).
Use only a full-width ramp; do not use individual ramps for each side of the machine.
Do not exceed a 15-degree angle between the ramp and the ground or between the ramp and the trailer or truck.
Ensure that the length of the ramp is at least 4 times as long as the height of the trailer or truck bed to the ground. This ensures that the ramp angle does not exceed 15 degrees on flat ground.

Loading a machine onto a trailer or truck increases the possibility of tip-over and could cause serious injury or death.
Use extreme caution when operating a machine on a ramp.
Back the machine up the ramp and drive it forward down the ramp.
Avoid sudden acceleration or deceleration while driving the machine on a ramp as this could cause a loss of control or a tip-over situation.
If using a trailer, connect it to the towing vehicle and connect the safety chains.
If applicable, connect the trailer brakes and lights.
Lower the ramp, ensuring that the angle between the ramp and the ground does not exceed 15 degrees (Figure 45).
Back the machine up the ramp (Figure 46).

Shut off the engine, remove the key, and engage the parking brake.
Tie down the machine near the front caster wheels and the rear frame with straps, chains, cable, or ropes (Figure 47). Refer to local regulations for tie-down requirements.
Note: Direct the straps down and away from the machine.

If you leave the key in the switch, someone could accidently start the engine and seriously injure you or other bystanders. Remove the key from the switch before you perform any maintenance.
Before you leave the operator’s position, do the following:
Park the machine on a level surface.
Disengage the drives.
Engage the parking brake.
Shut off the engine and remove the key.
Allow machine components to cool before performing maintenance.
Do not allow untrained personnel to service the machine.
Keep your hands and feet away from moving parts or hot surfaces. If possible, do not make adjustments with the engine running.
Carefully release pressure from components with stored energy.
Check the parking brake operation frequently. Adjust and service it as required.
Never tamper with safety devices. Check their proper operation regularly.
Clean grass and debris from the cutting unit, muffler, drives, grass catcher, and engine compartment to prevent fires.
Clean up oil or fuel spills and remove fuel-soaked debris.
Do not rely on hydraulic or mechanical jacks to support the machine; support the machine with jack stands whenever you raise the machine.
Keep all parts in good working condition and all hardware tightened, especially the blade-attachment hardware. Replace all worn or damaged decals.
Disconnect the cable from the negative terminal of the battery before repairing the machine.
To ensure optimum performance, use only genuine Toro replacement parts and accessories. Replacement parts and accessories made by other manufacturers could be dangerous, and such use could void the product warranty.
| Maintenance Service Interval | Maintenance Procedure |
|---|---|
| After the first 8 hours |
|
| After the first 100 hours |
|
| Before each use or daily |
|
| After each use |
|
| Every 50 hours |
|
| Every 100 hours |
|
| Every 150 hours |
|
| Every 200 hours |
|
| Every 250 hours |
|
| Every 300 hours |
|
| Every 400 hours or yearly, whichever comes first |
|
| Every 500 hours |
|
| Every 600 hours |
|
| Monthly |
|
| Yearly |
|
| Yearly or before storage |
|
Important: Refer to your engine owner's manual for additional maintenance procedures.
If you leave the key in the switch, someone could accidently start the engine and seriously injure you or other bystanders.
Shut off the engine and remove the key from the switch before you perform any maintenance.
Grease the machine more often in dirty or dusty conditions.
Grease Type: No. 2 lithium or molybdenum grease
Park the machine on a level surface, disengage the blade-control switch, and engage the parking brake.
Shut off the engine, remove the key, and wait for all moving parts to stop before leaving the operating position.
Clean the grease fittings with a rag.
Note: Scrape any paint off the front of the fitting(s).
Connect a grease gun to the fitting.
Pump grease into the fittings until grease begins to ooze out of the bearings.
Wipe up any excess grease.
| Maintenance Service Interval | Maintenance Procedure |
|---|---|
| Every 100 hours |
|
Use light oil or spray lubricant to lubricate the deck-lift pivots.

| Maintenance Service Interval | Maintenance Procedure |
|---|---|
| Yearly |
|
Park the machine on a level surface, disengage the blade-control switch, and engage the parking brake.
Shut off the engine, remove the key, and wait for all moving parts to stop before leaving the operating position.
Remove the dust cap and adjust the caster pivots and keep the dust cap off until greasing is done; refer to Greasing the Machine.
Remove the hex plug.
Thread a grease fitting into the hole.
Pump grease into the fitting until it oozes out around the top bearing.
Remove the grease fitting from the hole. Install the hex plug and cap.
| Maintenance Service Interval | Maintenance Procedure |
|---|---|
| Yearly |
|
Park the machine on a level surface, disengage the blade-control switch, and engage the parking brake.
Shut off the engine, remove the key, and wait for all moving parts to stop before leaving the operating position.
Raise the mower for access.
Remove the caster wheel from the caster forks.
Remove the seal guards from the wheel hub.

Remove a spacer nut from the axle assembly in the caster wheel.
Note: Thread-locking compound has been applied to lock the spacer nuts to the axle.
Remove the axle (with the other spacer nut still assembled to it) from the wheel assembly.
Pry out seals and inspect bearings for wear or damage and replace if necessary.
Pack the bearings with a general-purpose grease.
Insert 1 bearing and 1 new seal into the wheel.
If the axle assembly is missing both spacer nuts, apply a thread-locking compound to 1 spacer nut and thread it onto the axle with the wrench flats facing outward.
Note: Do not thread the spacer nut all of the way onto the end of the axle. Leave approximately 3 mm (1/8 inch) from the outer surface of the spacer nut to the end of the axle inside the nut.
Insert the assembled nut and axle into the wheel on the side with the new seal and bearing.
With the open end of the wheel facing up, fill the area inside the wheel around the axle full of general-purpose grease.
Insert the second bearing and new seal into the wheel.
Apply a thread-locking compound to the second spacer nut, and thread it onto the axle with the wrench flats facing outward.
Torque the nut to 8 to 9 N∙m (75 to 80 in-lb), loosen the nut, then torque it to 2 to 3 N∙m (20 to 25 in-lb).
Note: Make sure that the axle does not extend beyond either nut.
Install the seal guards over the wheel hub, and insert the wheel into the caster fork.
Install the caster bolt and tighten the nut fully.
Important: To prevent seal and bearing damage, check the bearing adjustment often. Spin the caster tire. The tire should not spin freely (more than 1 or 2 revolutions) or have any side play. If the wheel spins freely, adjust the torque on the spacer nut until there is a slight amount of drag. Apply another layer of thread-locking compound.
Keep your hands, feet, face, other body parts, and clothing away from the muffler and other hot surfaces. Allow engine components to cool before performing maintenance.
Do not change the engine governor speed or overspeed the engine.
Use the following graphic to identify the engine you have and proceed to the section listed below for service (Figure 50).

For Kawasaki engine maintenance, refer to Servicing a Kawasaki® Engine.
For Kohler engine maintenance, refer to Servicing a Kohler® Engine.
| Maintenance Service Interval | Maintenance Procedure |
|---|---|
| Every 300 hours |
|
This section is only for machines with Kawasaki engines. If your engine looks like the one shown in Figure 51, you have a Kawasaki engine.
Important: Refer to your engine owner’s manual for additional maintenance procedures.

| Maintenance Service Interval | Maintenance Procedure |
|---|---|
| Every 250 hours |
|
| Every 500 hours |
|
Note: Service the air cleaner more frequently if operating conditions are extremely dusty or sandy.
Park the machine on a level surface, disengage the blade-control switch (PTO), and engage the parking brake.
Shut off the engine, remove the key, and wait for all moving parts to stop before leaving the operating position.
Release the latches on the air cleaner and pull the air-cleaner cover off the air-cleaner body (Figure 52).

Clean the inside of the air-cleaner cover with compressed air.
Gently slide the primary filter out of the air-cleaner body (Figure 52).
Note: Avoid knocking the filter into the side of the body.
Remove the safety filter only to replace it.
Inspect the safety filter. If it is dirty, replace both the safety and primary filters.
Important: Do not attempt to clean the safety filter. If the safety filter is dirty, then the primary filter is damaged.
Inspect the primary filter for damage by looking into the filter while shining a bright light on the outside of the filter. If the primary filter is dirty, bent, or damaged, replace it.
Note: Holes in the filter appear as bright spots. Do not clean the primary filter.
Important: To prevent engine damage, always operate the engine with both air filters and the cover installed.
If you are installing new filters, check each filter for shipping damage.
Note: Do not use a damaged filter.
If you are replacing the inner filter, carefully slide it into the filter body (Figure 52).
Carefully slide the primary filter over the safety filter (Figure 52).
Note: Ensure that the primary filter is fully seated by pushing on the outer rim while installing it.
Important: Do not press on the soft, inside area of the filter.
Install the air-cleaner cover and secure the latches (Figure 52).
| Maintenance Service Interval | Maintenance Procedure |
|---|---|
| After the first 8 hours |
|
| Before each use or daily |
|
| Every 100 hours |
|
| Every 200 hours |
|
Oil Type: Detergent oil (API service SF, SG, SH, SJ, or SL)
Crankcase Capacity:
Kawasaki FX751 and FX801 engines—2.3 L (78 fl oz) with a filter change; 2.1 L (71 fl oz) without a filter change
Kawasaki FX921 and FX1000 engines—1.9 L (64 fl oz) with a filter change; 1.7 L (57 fl oz) without a filter change
Viscosity: See the table below.

Note: Although 10W-40 engine oil is recommended for most conditions, you may need to change oil viscosity to accommodate atmospheric conditions. Using 20W-50 engine oil in higher ambient temperatures can reduce oil consumption.
Note: Check the oil when the engine is cold.
Important: If you overfill or underfill the engine crankcase with oil and run the engine, you may damage the engine.
Park the machine on a level surface, disengage the blade-control switch (PTO), and engage the parking brake.
Shut off the engine, remove the key, and wait for all moving parts to stop before leaving the operating position.
Note: Ensure that the engine is cool so that the oil has had time to drain into the sump.
To keep dirt, grass clippings, etc., out of the engine, clean the area around the oil-fill cap and dipstick before removing it (Figure 54).


Note: Dispose of the used oil at a recycling center.
Start the engine and let it run for 5 minutes.
Note: This warms the oil so that it drains better.
Park the machine so that the drain side is slightly lower than the opposite side to ensure that the oil drains completely.
Disengage the blade-control switch (PTO) and engage the parking brake.
Shut off the engine, remove the key, and wait for all moving parts to stop before leaving the operating position.
Drain the oil from the engine (Figure 55).


Slowly pour approximately 80% of the specified oil into the filler tube and slowly add the additional oil to bring it to the Full mark (Figure 56).

Start the engine and drive to a flat area.
Check the oil level again.
Drain the oil from the engine; refer to Changing the Engine Oil.
Change the engine-oil filter (Figure 57).


Note: Ensure that the oil-filter gasket touches the engine, and then turn the oil filter an extra 3/4 turn.
Fill the crankcase with the proper type of new oil; refer to Engine-Oil Specifications.
| Maintenance Service Interval | Maintenance Procedure |
|---|---|
| Every 100 hours |
|
Ensure that the air gap between the center and side electrodes is correct before installing the spark plug. Use a spark plug wrench for removing and installing the spark plug and a gapping tool or feeler gauge to check and adjust the air gap. Install a new spark plug if necessary.
Type of Spark Plug:
Kawasaki FX751 and FX801 engines—NGK® BPR4ES or equivalent
Kawasaki FX921 and FX1000 engines—NGK® BPR5ES or equivalent
Air Gap: 0.75 mm (0.030 inch)
Park the machine on a level surface, disengage the blade-control switch (PTO), and engage the parking brake.
Shut off the engine, remove the key, and wait for all moving parts to stop before leaving the operating position.
Clean the area around the base of the plug to keep dirt and debris out of the engine.
Locate and remove the spark plug(s) as shown in Figure 58.


Important: Do not clean the spark plug(s). Always replace the spark plug(s) when it has a black coating, worn electrodes, an oily film, or cracks.
If you see light brown or gray on the insulator, the engine is operating properly. A black coating on the insulator usually means the air cleaner is dirty.
Set the gap to 0.75 mm (0.03 inch).


This section is only for machines with Kohler engines. If your engine looks like the one shown in Figure 61, you have a Kohler engine.
Important: Refer to your engine owner’s manual for additional maintenance procedures.

| Maintenance Service Interval | Maintenance Procedure |
|---|---|
| Every 150 hours |
|
| Every 300 hours |
|
| Every 600 hours |
|
Park the machine on a level surface, disengage the blade-control switch (PTO), and engage the parking brake.
Shut off the engine, remove the key, and wait for all moving parts to stop before leaving the operating position.
Release the latches on the air cleaner and pull the air-inlet cover off the air-cleaner body (Figure 62).
Clean the air-inlet screen and cover.
Install the air-inlet cover and secure it with the latches (Figure 62).

Release the latches on the air cleaner and pull the air-cleaner cover off the air-cleaner body (Figure 63).
Clean the inside of the air-cleaner cover with compressed air.
Gently slide the primary filter out of the air-cleaner body (Figure 63).
Note: Avoid knocking the filter into the side of the body.
Remove the inner filter only if you intend to replace it.
Important: Never attempt to clean the inner filter. If the safety filter is dirty, then the primary filter is damaged. Replace both filters.

Inspect the primary filter for damage by looking into the filter, while shining a bright light on the outside of the filter.
Note: Holes in the filter will appear as bright spots. If the filter is damaged, discard it.
Inspect the inner filter. If it is dirty, replace both the inner and primary filters.
Important: Do not attempt to clean the inner filter. If the inner filter is dirty, then the primary filter is damaged.
Inspect the primary filter for damage by looking into the filter while shining a bright light on the outside of the filter. If the primary filter is dirty, bent, or damaged, replace it.
Note: Holes in the filter appear as bright spots. Do not clean the primary filter.
Important: To prevent engine damage, always operate the engine with both air filters and the cover installed.
If you are installing new filters, check each filter for shipping damage.
Note: Do not use a damaged filter.
If you are replacing the safety filter, carefully slide it into the filter body (Figure 63).
Carefully slide the primary filter over the safety filter (Figure 63).
Note: Ensure that the primary filter is fully seated by pushing on the outer rim while installing it.
Important: Do not press on the soft, inside area of the filter.
Install the air-cleaner cover and secure the latches (Figure 63).
| Maintenance Service Interval | Maintenance Procedure |
|---|---|
| After the first 8 hours |
|
| Before each use or daily |
|
| Every 100 hours |
|
| Every 200 hours |
|
Oil Type:: Detergent oil (API service SJ or higher)
Oil Capacity: 1.9 L (64 fl oz) with a filter change; 1.6 L (54 fl oz) without a filter change
Viscosity: See the table below.

Note: Check the oil when the engine is cold.
Important: If you overfill or underfill the engine crankcase with oil and run the engine, you may damage the engine.
Park the machine on a level surface, disengage the blade-control switch (PTO), and engage the parking brake.
Shut off the engine, remove the key, and wait for all moving parts to stop before leaving the operating position.
Note: Ensure that the engine is cool so that the oil has had time to drain into the sump.
To keep dirt, grass clippings, etc., out of the engine, clean the area around the oil-fill cap and dipstick before removing it (Figure 65).


Note: Dispose of the used oil at a recycling center.
Start the engine and let it run for 5 minutes.
Note: This warms the oil so that it drains better.
Park the machine so that the drain side is slightly lower than the opposite side to ensure that the oil drains completely.
Disengage the blade-control switch (PTO) and engage the parking brake.
Shut off the engine, remove the key, and wait for all moving parts to stop before leaving the operating position.
Drain the oil from the engine (Figure 66).


Slowly pour approximately 80% of the specified oil into the filler tube and slowly add the additional oil to bring it to the Full mark (Figure 67).

Start the engine and drive to a flat area.
Check the oil level again.
Drain the oil from the engine; refer to Changing the Engine Oil.
Change the engine-oil filter (Figure 68).


Note: Ensure that the oil-filter gasket touches the engine, and then turn the oil filter an extra 3/4 turn.
Fill the crankcase with the proper type of new oil; refer to Engine-Oil Specifications.
| Maintenance Service Interval | Maintenance Procedure |
|---|---|
| Every 200 hours |
|
| Every 500 hours |
|
Type: Champion XC12YC
Air Gap: 0.76 mm (0.030 inch)
Park the machine on a level surface, disengage the blade-control switch (PTO), and engage the parking brake.
Shut off the engine, remove the key, and wait for all moving parts to stop before leaving the operating position.
Clean the area around the base of the plug(s) to keep dirt and debris out of the engine.
Locate and remove the spark plug(s) as shown in Figure 69.


Important: Do not clean the spark plug(s). Always replace the spark plug(s) when it has a black coating, worn electrodes, an oily film, or cracks.
If you see light brown or gray on the insulator, the engine is operating properly. A black coating on the insulator usually means the air cleaner is dirty.
Set the gap to 0.76 mm (0.030 inch).


| Maintenance Service Interval | Maintenance Procedure |
|---|---|
| Before each use or daily |
|
Before each use remove any buildup of grass, dirt, or other debris from the engine screen, engine exhaust, engine-oil cooler, and the area around the engine. This helps ensure adequate cooling and correct engine speed and reduces the possibility of overheating and mechanical damage to the engine.
| Maintenance Service Interval | Maintenance Procedure |
|---|---|
| Every 50 hours |
|
Hot exhaust-system components may ignite fuel vapors even after you shut off the engine. Hot particles exhausted during engine operation may ignite flammable materials, resulting in personal injury or property damage.
Do not refuel or run the engine unless the spark arrester is installed.
Park the machine on a level surface, disengage the PTO, and engage the parking brake.
Shut off the engine, remove the key, and wait for all moving parts to stop before leaving the operating position.
Wait for the muffler to cool.
If you see any breaks in the screen or welds, replace the arrester.
If the screen is plugged, remove the arrester, shake loose particles out of the arrester, and clean the screen with a wire brush (soak the screen in solvent if necessary).
Install the arrester on the exhaust outlet.
In certain conditions, fuel is extremely flammable and highly explosive. A fire or explosion from fuel can burn you and others and can damage property.
Refer to Fuel Safety for a complete list of fuel related precautions.
| Maintenance Service Interval | Maintenance Procedure |
|---|---|
| Every 500 hours |
|
Important: Install the fuel line hoses and secure with plastic ties the same as they were originally installed at the factory to keep the fuel line away from components that can cause fuel line damage.
Never install a dirty filter after removing it from the fuel line.
The fuel filter is located near the engine on the left front of the engine.
Park the machine on a level surface, disengage the blade-control switch (PTO), and engage the parking brake.
Shut off the engine, remove the key, and wait for all moving parts to stop before leaving the operating position.
Allow the machine to cool down.
Replace the fuel filter (Figure 72).
Note: Ensure that the flow-direction arrow on the replacement filter points toward the engine.

Do not attempt to drain the fuel tank. Ensure that an Authorized Service Dealer drains the fuel tank and services any components of the fuel system.
Disconnect the cable from the negative terminal of the battery before repairing the machine.
Charge the battery in an open, well-ventilated area, away from sparks and flames. Unplug the charger before connecting or disconnecting the battery. Wear protective clothing and use insulated tools.
| Maintenance Service Interval | Maintenance Procedure |
|---|---|
| Monthly |
|
Battery terminals or metal tools could short against metal machine components causing sparks. Sparks can cause the battery gasses to explode, resulting in personal injury.
When removing or installing the battery, do not allow the battery terminals to touch any metal parts of the machine.
Do not allow metal tools to short between the battery terminals and metal parts of the machine.
Incorrectly removing the cables from battery could damage the machine and cables, causing sparks. Sparks can cause the battery gasses to explode, resulting in personal injury.
Always disconnect the negative (black) battery cable before disconnecting the positive (red) cable.
Always connect the positive (red) battery cable before connecting the negative (black) cable.
Park the machine on a level surface, disengage the blade-control switch (PTO), and engage the parking brake.
Shut off the engine, remove the key, and wait for all moving parts to stop before leaving the operating position.
Remove the battery as shown in Figure 73.


Charging the battery produces gasses that can explode.
Never smoke near the battery and keep sparks and flames away from the battery.
Important: Always keep the battery fully charged (1.265 specific gravity). This is especially important to prevent battery damage when the temperature is below 0°C (32°F).
Remove the battery from the chassis; refer to Removing the Battery.
Charge the battery for 10 to 15 minutes at 25 to 30 A or for 30 minutes at 10 A.
Note: Do not overcharge the battery.
When the battery is fully charged, unplug the charger from the electrical outlet, then disconnect the charger leads from the battery posts (Figure 74).
Install the battery in the machine and connect the battery cables; refer to Installing the Battery.
Note: Do not run the machine with the battery disconnected; electrical damage may occur.

Position the battery in the tray with the terminal posts opposite from the hydraulic tank (Figure 73).
Install the positive (red) battery cable to the positive (+) battery terminal.
Install the negative (black) battery cable and ground wire to the negative (-) battery terminal.
Note: For MyRide machines, ensure that the ground cable does not rub against the trailing arm or lower shock mount (Figure 76).

Secure the cables with 2 bolts, 2 washers, and 2 locknuts (Figure 73).
Slide the red terminal boot onto the positive (+) battery terminal.
Secure the battery with the rubber strap (Figure 73).
The electrical system is protected by fuses. It requires no maintenance; however, if a fuse blows check the component and circuit for a malfunction or short.
The fuses are located on the right console next to the seat (Figure 76).
To replace the fuses, pull out the fuse to remove it.
Install a new fuse (Figure 76).

| Maintenance Service Interval | Maintenance Procedure |
|---|---|
| Before each use or daily |
|
Inspect the seat belt for wear, cuts, and proper operation of the retractor and buckle. Replace the seat belt if it is damaged.
Disengage the blade-control switch (PTO).
Drive to an open, flat area and move the motion-control levers to the NEUTRAL-LOCK position.
Move the throttle midway between the FAST and SLOW positions.
Move both motion-control levers forward until they both hit the stops in the T-slot.
Check which way the machine tracks.
If the machine tracks to the right, insert a 3/16 inch hex wrench through the access hole in the left, front cover panel and rotate the tracking screw clockwise or counterclockwise to adjust the travel of the lever (Figure 77).
If the machine tracks to the left, insert a 3/16 inch hex wrench through the access hole in the right, front cover panel and rotate the tracking screw clockwise or counterclockwise to adjust the travel of the lever (Figure 77).
Drive the machine and check the full forward tracking.
Repeat the adjustment until the desired tracking is obtained.

| Maintenance Service Interval | Maintenance Procedure |
|---|---|
| Every 50 hours |
|
Maintain the air pressure in the caster tires and rear tires at 90 kPa (13 psi). Uneven tire pressure can cause uneven cut. Check the tires when they are cold to get the most accurate pressure reading.

Check and torque the wheel lug nuts to 122 to 136 N∙m (90 to 100 ft-lb).
| Maintenance Service Interval | Maintenance Procedure |
|---|---|
| After the first 100 hours |
|
| Every 500 hours |
|
Note: Check to make sure the parking brake is adjusted properly. This procedure must be followed after the first 100 hours or when a brake component has been removed or replaced.
Park the machine on a level surface.
Disengage the blade-control switch (PTO), move the motion control levers to the NEUTRAL-LOCK position, and engage the parking brake.
Shut off the machine, remove the key, and wait for all moving parts to stop before leaving the operating position.
Set up the machine to be pushed by hand. Refer to Using the Drive-Wheel Release Valves.
Raise the back of the machine up and support the machine with jack stands.
Relying solely on mechanical or hydraulic jacks to support a raised machine for service or maintenance could be dangerous because the jacks may not provide enough support or may malfunction, allowing the machine to fall and possibly cause serious injury.
Do not rely solely on mechanical or hydraulic jacks for support. Use adequate jack stands or equivalent support.
Engage and disengage the parking brake and check each drive tire to ensure that each brake engages and disengages.
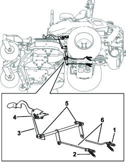
If an adjustment is necessary, disengage the parking brake. Inspect all components of the parking brake linkage for wear. Replace any worn components (Figure 79) and repeat step 6.

Check both spring lengths as shown in Figure 80. If an adjustment is necessary, turn the spring retention nut clockwise to shorten the spring and counterclockwise to lengthen it. Repeat step 6.

When adjustment is complete, remove the jack stands or equivalent support and lower the machine.
Place the machine into the OPERATING position. Refer to Using the Drive-Wheel Release Valves.
You can be seriously injured if you operate the machine with the floor pan removed, or if you do not completely remove the floor pan to perform maintenance on components beneath it.
Do not operate the machine with the floor pan removed. Completely remove the floor pan before you perform maintenance underneath it.
To remove the floor pan, lift the floor pan and pull it out of the openings in the frame.
Note: For machines with MyRide, lift up the floor mat to reveal the floor pan.

To install the floor pan, place the floor pan in the openings in the frame and lower it into place.

| Maintenance Service Interval | Maintenance Procedure |
|---|---|
| Every 50 hours |
|
Replace the belt if it is worn. The signs of a worn belt include squealing while the belt is rotating; the blades slipping while cutting grass; and frayed edges, burn marks, and cracks on the belt.
You can be seriously injured if you operate the machine with the floor pan removed, or if you do not completely remove the floor pan to perform maintenance on components beneath it.
Do not operate the machine with the floor pan removed. Completely remove the floor pan before you perform maintenance underneath it.
Park the machine on a level surface, disengage the blade-control switch (PTO), and engage the parking brake.
Shut off the engine, remove the key, and wait for all moving parts to stop before leaving the operating position.
Lower the mower to the 76 mm (3 inches) height of cut.
Remove the belt covers (Figure 83).

Remove the floor pan; refer to Removing or Installing the Floor Pan.
Use a 3/8-inch ratchet in the square hole in the idler arm to remove the idler spring (Figure 84).
Remove the belt from the mower-deck pulleys and the clutch pulley.
Remove the belt guide on the spring-loaded idler arm (Figure 84).
Remove the existing belt.
Install the new belt around the mower pulleys and the clutch pulley under the engine (Figure 84).

Install the belt guide on the idler arm (Figure 84).
Using the 3/8-inch ratchet in the square hole, install the idler spring (Figure 84).
Note: Ensure that the spring ends are seated in the anchor grooves.
Install the belt covers (Figure 85).

Install the floor pan.
Park the machine on a level surface, disengage the blade-control switch (PTO), and engage the parking brake.
Shut off the engine, remove the key, and wait for all moving parts to stop before leaving the operating position.
Remove the mower belt; refer to Replacing the Mower Belt.
Raise the machine and support it with jack stands.
Use a 1/2-inch ratchet or breaker bar in one of the square holes in the idler arm to remove tension on the idler spring (Figure 86).
Remove the existing belt from the idler pulley, 2 hydraulic-pump-drive pulleys, and engine pulley (Figure 86).
Install the new belt around the idler pulley, engine pulley, and 2 hydraulic-pump pulleys (Figure 86).
Using the 1/2-inch ratchet or breaker bar in one of the square holes, install the idler spring.
Note: Ensure that the spring ends are seated in the anchor grooves.
Install the mower belt; refer to Replacing the Mower Belt.

If the ends of the levers hit against each other, refer to Adjusting the Tilt.
You can adjust the motion control levers higher or lower for maximum comfort.
Park the machine on a level surface, disengage the blade-control switch (PTO), and engage the parking brake.
Shut off the engine, remove the key, and wait for all moving parts to stop before leaving the operating position.
Remove the hardware holding the control lever to the control-arm shaft.

Move the control lever to the next set of holes. Secure the lever with the hardware.
Repeat the adjustment for the opposite control lever.
Park the machine on a level surface, disengage the blade-control switch (PTO), and engage the parking brake.
Shut off the engine, remove the key, and wait for all moving parts to stop before leaving the operating position.
Loosen the upper bolt holding the control lever to the control arm shaft.
Loosen the lower bolt just enough to pivot the control lever fore or aft. Tighten both bolts to secure the control in the new position.
Repeat the adjustment for the opposite control lever.

Located on either side of the machine, below the seat, are the pump-control linkages. Rotating the end nut with a 1/2-inch deep socket wrench allows fine tuning adjustments so that the machine does not move in neutral. Any adjustments should be made for neutral positioning only.
The engine must be running and the drive wheels turning so that you can perform the adjustments. Contact with moving parts or hot surfaces may cause personal injury.
Keep your fingers, hands, and clothing clear of rotating components and hot surfaces.
Park the machine on a level surface, disengage the blade-control switch (PTO), and engage the parking brake.
Shut off the engine, remove the key, and wait for all moving parts to stop before leaving the operating position.
Push the deck-lift pedal, remove the height-of-cut pin, and lower the mower deck to the ground
Raise the rear of the machine up and support it with jack stands (or equivalent support) just high enough to allow the drive wheels to turn freely.
Remove the electrical connection from the seat safety switch, located under the bottom cushion of the seat.
Note: The switch is a part of the seat assembly.
Temporarily install a jumper wire across the terminals in the connector of the main wire harness.
Start the engine, run it at full throttle, and disengage the parking brake.
Note: Before starting the engine, ensure that the parking brake is engaged and that the motion-control levers are out. You do not have to be in the seat.
Run the machine at least 5 minutes with the drive levers at full forward speed to bring the hydraulic fluid up to the operating temperature.
Note: The motion-control levers must be in neutral while you are making any adjustments.
Bring the motion-control levers into the NEUTRAL position.
Check and ensure that the control-plate tabs touch the return-to-neutral plates on the hydraulic units.
Adjust the pump-control-rod lengths by rotating the nut in the appropriate direction until the wheels slightly creep in reverse (Figure 89 and Figure 90).


Move the motion-control levers to the REVERSE position and while applying slight pressure to the lever, allow the reverse-indicator springs to bring the levers back to neutral.
Note: The wheels should stop turning or slightly creep in reverse.
Note: You may need to remove the motion-control cover to gain access.
Shut off the machine.
Remove the jumper wire from the wire harness and plug the connector into the seat switch.
Remove the jack stands.
Raise the mower deck and install the height-of-cut pin.
Check and ensure that the machine does not creep in neutral with the parking brake disengaged.
Seek immediate medical attention if fluid is injected into skin. Injected fluid must be surgically removed within a few hours by a doctor.
Ensure that all hydraulic-fluid hoses and lines are in good condition and all hydraulic connections and fittings are tight before applying pressure to the hydraulic system.
Keep your body and hands away from pinhole leaks or nozzles that eject high-pressure hydraulic fluid.
Use cardboard or paper to find hydraulic leaks.
Safely relieve all pressure in the hydraulic system before performing any work on the hydraulic system.
Hydraulic Fluid Type: Toro® HYPR-OIL™ 500 hydraulic fluid or Hydro-Gear Commercial Transaxle Oil
Important: Use the specified fluid. Other fluids could damage the hydraulic system.
ZT 4400 Hydros Hydraulic System Capacity (with filters removed): 7.57 L (8 US qt)
ZT 5400 Hydros Hydraulic System Capacity (with filters removed): 9.46 L (10 US qt)
| Maintenance Service Interval | Maintenance Procedure |
|---|---|
| Before each use or daily |
|
Allow the hydraulic fluid to cool down. Check the oil level when the fluid is cold.
Check expansion reservoir and if necessary add Toro® HYPR-OIL™ 500 hydraulic fluid to the FULL COLD line (Figure 91).

| Maintenance Service Interval | Maintenance Procedure |
|---|---|
| After the first 100 hours |
|
To replace the hydraulic fluid, the filters need to be removed. Replace both at the same time; refer to Hydraulic-Fluid Specifications for fluid specifications.
Purge any air in the system after you install the new filters and add fluid. Refer to Bleeding the Hydraulic System. Repeat the bleeding process until the fluid remains at the FULL COLD line in the reservoir after purging.
Important: Failure to properly perform this procedure can result in irreparable damage to the transaxle drive system.
This procedure varies depending on the drive system of the model. If it is unclear which drive system is on the model, contact your Authorized Service Dealer.
Park the machine on a level surface, disengage the blade-control switch (PTO), and engage the parking brake.
Shut off the engine, remove the key, and wait for all moving parts to stop before leaving the operating position.
Allow the engine to cool.
Locate and remove the vent plug as follows:
Note: Ensure that you keep track of the vent plug after removal, as it can be easy to misplace.
Carefully clean the area around the filter.
Important: Do not allow dirt to enter the hydraulic system; otherwise, contamination may occur.
Place a drain pan below the filter to catch the fluid that drains when the filter and vent plugs are removed.
Remove the hydraulic-fluid filter cover from the transaxle to drain the fluid (Figure 94).

Remove the O-ring from the filter cover and discard the O-ring.
After the hydraulic fluid drains from the transaxle, remove the filter from the transaxle housing.
Repeat this procedure on the other side of the machine.
Install a new filter in the transaxle and a new O-ring onto the filter cover.
Install the filter cover.
Torque the filter cover as follows:
ZT 4400 Hydros: 22.6 to 33.8 N∙m (200 to 300 in-lb)
ZT 5400 Hydros: 54.3 to 65.5 N∙m (480 to 580 in-lb)
Remove the cap from the expansion tank and fill the transaxles with the specified fluid until the proper fluid capacities are met.
Note: Filling the transaxles may take more time than expected.
Install the previously removed vent plugs and torque the plugs to 395 to 904 N∙cm (35 to 80 in-lb).
Proceed to Bleeding the Hydraulic System.
Important: Failure to perform the Bleeding the Hydraulic System procedure after changing hydraulic filters and fluid can result in irreparable damage to the transaxle drive system.
Raise the rear of machine and support it with jack stands (or equivalent support) just high enough to allow the drive wheels to turn freely.

Start the engine, move the throttle control ahead to the 1/2 throttle position, and disengage the parking brake.
Move the bypass levers into the pushing the machine position. With the bypass valves open and the engine running, slowly move the motion-control levers in both forward and reverse 5 or 6 times.
Move the bypass levers into the operating the machine position.
With the bypass valve closed and the engine running, slowly move the control lever in both forward and reverse directions 5 to 6 times.
Shut off the engine and check the fluid level in the expansion reservoir. Add the specified fluid until it reaches the FULL COLD line on the expansion reservoir.
Repeat step 2 until all the air is completely purged from the system.
Note: When the transaxle operates at normal noise levels, moves smoothly forward, and reverses at normal speeds, it is purged.
Check the fluid level in the expansion reservoir a final time. Add the specified fluid as until it reaches the FULL COLD line on the expansion reservoir.
Inspect the blades periodically for wear or damage.
Use care when checking the blades. Wrap the blades or wear gloves, and use caution when servicing the blades. Only replace or sharpen the blades; never straighten or weld them.
On multi-bladed machines, take care as rotating one blade can cause other blades to rotate.
Replace worn or damaged blades and bolts in sets to preserve balance.
To ensure a superior quality of cut, keep the blades sharp. For convenient sharpening and replacement, you may want to keep extra blades on hand.
Park the machine on a level surface, disengage the blade-control switch (PTO), and engage the parking brake.
Shut off the engine, remove the key, and disconnect the spark-plug wires from the spark plugs.
| Maintenance Service Interval | Maintenance Procedure |
|---|---|
| Before each use or daily |
|
Inspect the cutting edges (Figure 96).
If the edges are not sharp or have nicks, remove and sharpen the blade; refer to Sharpening the Blades.
Inspect the blades, especially in the curved area.
If you notice any cracks, wear, or a slot forming in this area, immediately install a new blade (Figure 96).

Note: The machine must be on a level surface for the following procedure.
Raise the mower deck to the highest height-of-cut position.
While wearing thickly padded gloves, or other adequate hand protection, slowly rotate the blade into a position that allows you to measure the distance between the cutting edge and the level surface the machine is on (Figure 97).

Measure from the tip of the blade to the flat surface (Figure 98).

Rotate the same blade 180 degrees so that the opposing cutting edge is now in the same position (Figure 99).

Measure from the tip of the blade to the flat surface (Figure 100).
Note: The variance should be no more than 3 mm (1/8 inch).

If the difference between A and B is greater than 3 mm (1/8 inch), replace the blade with a new blade; refer to Removing the Blades and Installing the Blades.
Note: If a bent blade is replaced with a new blade, and the dimension obtained continues to exceed 3 mm (1/8 inch), the blade spindle could be bent. Contact an Authorized Service Dealer for service.
If the variance is within constraints, move to the next blade.
Repeat this procedure on each blade.
Replace the blades if they hit a solid object, or if the blade is out of balance or bent.
Place a wrench on the flat of the spindle shaft or hold the blade end using a rag or thickly padded glove.
Remove the blade bolt, bushing, and blade from the spindle shaft (Figure 101).

Use a file to sharpen the cutting edge at both ends of the blade (Figure 102).
Note: Maintain the original angle.
Note: The blade retains its balance if the same amount of material is removed from both cutting edges.

Check the balance of the blade by putting it on a blade balancer (Figure 103).
Note: If the blade stays in a horizontal position, the blade is balanced and can be used.
Note: If the blade is not balanced, file some metal off the end of the sail area only (Figure 102).

Repeat this procedure until the blade is balanced.
Install the bushing through the blade with the bushing flange on the bottom (grass) side of the blade (Figure 104).

Install the bushing/blade assembly into the spindle shaft (Figure 105).

Apply copper-based lubricant or grease to the threads of the blade bolt as needed to prevent seizing. Install the blade bolt finger-tight.
Place a wrench on the flat of the spindle shaft and torque the blade bolt to 75 to 81 N∙m (55 to 60 ft-lb).
Check to ensure that the mower deck is level any time you install the mower or when you see an uneven cut on your lawn.
Check the mower deck for bent blades prior to leveling, and remove and replace any bent blades; refer to Checking for Bent Blades before continuing.
Level the mower deck side-to-side first; then you can adjust the front-to-rear slope.
Requirements:
The machine must be on a level surface.
All tires must be properly inflated; refer to Checking the Tire Pressure.
Park the machine on a level surface, disengage the blade-control switch (PTO), and engage the parking brake.
Shut off the engine, remove the key, and wait for all moving parts to stop before leaving the operating position.
Check the tire pressure in the drive tires; refer to Checking the Tire Pressure.
Position the mower deck in the transport-lock position or the highest height-of-cut setting.
Carefully rotate the blades from side to side.
Measure between the blade tip and the flat surface (Figure 106). If both measurements are not within 5 mm (3/16 inch), adjust the leveling; continue with this procedure.

Check the front-to-rear blade level (Figure 107). Ensure the front blade tip is lower than the rear blade tip as shown in the block height and rake table. If adjustment is needed, continue with this procedure.

Set the anti-scalp rollers to top holes or remove them completely for this adjustment.
Raise the deck to the transport position (140 mm or 5-1/2 inches).
Slowly loosen the adjusting screw on the lift-assist spring until you can remove the screw (Figure 108).
Note: Save the screw for installation.

Place 2 blocks (see Block Height and Rake Table) under the rear edge of the cutting deck skirt; 1 on each side of the cutting deck (Figure 109).
Set the height-of-cut lever to the 76 mm (3 inches) position; refer to Adjusting the Height of Cut.
Place 2 blocks under each side of the front edge of the deck, but not under the anti-scalp roller brackets or welds.

| Deck Size | Front Block Height | Rake |
| All mower decks | 73 mm (2-7/8 inches) | 4.8 to 6.4 mm (3/16 to 1/4 inch) |
Carefully rotate the blades side to side (Figure 106).
Lower the mower deck to the 76 mm (3 inches) position; refer to Adjusting the Height of Cut.
Loosen the bolts (Figure 110) on all 4 corners and ensure that the mower deck is sitting securely on all 4 blocks.
Remove any slack from the deck hangers and make sure the deck-lift foot lever is pushed back against the stop.
Tighten the 4 bolts.

Ensure that the blocks fit snugly under the deck skirt and that all attachment bolts are tight
Continue leveling the deck by checking the front-to-rear blade slope.
Check the blades for levelness and repeat deck leveling procedure if necessary.
Raise the deck to the transport position (140 mm or 5-1/2 inches).
Install the lift-assist spring adjusting screw previously removed in step 10.
Set the gap between the spring and the bracket to 22 to 29 mm (7/8 to 1-1/8 inches).
Before servicing or removing the mower deck, lock out the spring-loaded deck arms.
Park the machine on a level surface, disengage the blade-control switch (PTO), and engage the parking brake.
Shut off the engine, remove the key, and wait for all moving parts to stop before leaving the operating position.
Place the height-adjustment pin in the 76 mm (3 inches) cutting-height location.
Remove the belt covers.
Loosen the mower deck idler and remove the mower belt; refer to Belt Maintenance.
Remove the bolts and nuts from the front of the plate under the footrest.
Remove and retain the bolts and nuts on both sides of the machine (Figure 111).
Slide the deck out to the right side of the machine.

An uncovered discharge opening could allow the machine to throw objects toward you or bystanders, resulting in serious injury. Also, contact with the blade could occur.
Never operate the machine unless you install a mulch plate, discharge deflector, or grass collection system.
Remove the locknut, bolt, spring, and spacer holding the deflector to the pivot brackets (Figure 112).
Remove the damaged or worn grass deflector (Figure 112).

Place the spacer and the spring onto grass deflector.
Place 1 J-hook end of the spring behind the deck edge.
Note: Make sure that 1 J-hook end of the spring is installed behind the deck edge before installing the bolt as shown in Figure 112.
Install the bolt and the nut.
Place 1 J-hook end of the spring around the grass deflector (Figure 112).
Important: The grass deflector must be able to rotate. Lift the deflector up to the full open position and ensure that it rotates into the full down position.
| Maintenance Service Interval | Maintenance Procedure |
|---|---|
| After each use |
|
Park the machine on a level surface, disengage the blade-control switch (PTO), and engage the parking brake.
Shut off the engine, remove the key, and wait for all moving parts to stop before leaving the operating position.
Raise the mower deck to the TRANSPORT position.
| Maintenance Service Interval | Maintenance Procedure |
|---|---|
| Before each use or daily |
|
Use compressed air to clean the suspension system.
Note: Do not clean the shock assemblies with pressurized water (Figure 113).

Engine oil, batteries, hydraulic fluid, and engine coolant are pollutants to the environment. Dispose of these according to your state and local regulations.
Shut off the engine, remove the key, and wait for all moving parts to stop before you leave the operator’s position. Allow the machine to cool before adjusting, servicing, cleaning, or storing it.
Do not store the machine or fuel near flames or drain the fuel indoors or inside an enclosed trailer.
Do not store the machine or fuel container where there is an open flame, spark, or pilot light, such as on a water heater or on other appliances.
Disengage the blade-control switch (PTO), and engage the parking brake.
Shut off the engine, remove the key, and wait for all moving parts to stop before leaving the operating position.
Remove grass clippings, dirt, and grime from the external parts of the entire machine, especially the engine and hydraulic system. Clean dirt and chaff from the outside of the engine cylinder head fins and blower housing.
Important: You can wash the machine with mild detergent and water. Do not pressure wash the machine. Avoid excessive use of water, especially near the control panel, engine, hydraulic pumps, and motors.
Check the parking brake operation; refer to Adjusting the Parking Brake.
Service the air cleaner; refer to Servicing the Air Cleaner.
Grease the machine; refer to Lubrication.
Change the crankcase oil; refer to Engine Maintenance.
Check the tire pressure; refer to Checking the Tire Pressure.
Change the hydraulic filters; refer to Changing the Hydraulic Fluid and Filters.
Charge the battery; refer to Charging the Battery.
Scrape any heavy buildup of grass and dirt from the underside of the mower, then wash the mower with a garden hose.
Note: Run the machine with the blade-control switch (PTO) engaged and the engine at high idle for 2 to 5 minutes after washing.
Check the condition of the blades; refer to Servicing the Cutting Blades.
Prepare the machine for storage when non-use occurs over 30 days. Prepare the machine for storage as follows:
Add a petroleum-based stabilizer/conditioner to fuel in the tank. Follow mixing instructions from the stabilizer manufacturer. Do not use an alcohol-based stabilizer (ethanol or methanol).
Note: A fuel stabilizer/conditioner is most effective when mixed with fresh fuel and used at all times.
Run the engine to distribute conditioned fuel through the fuel system for 5 minutes.
Shut off the engine, allow it to cool, and drain the fuel tank.
Start the engine and run it until it stops.
Dispose of fuel properly. Recycle the fuel according to local codes.
Important: Do not store fuel containing stabilizer/conditioner longer than the duration recommended by the fuel-stabilizer manufacturer.
Remove and check the condition of the spark plug(s); refer to Engine Maintenance. With the spark plug(s) removed from the engine, pour 30 ml (2 tablespoons) of engine oil into the spark plug hole. Use the starter to crank the engine and distribute the oil inside the cylinder. Install the spark plug(s). Do not install the wire on the spark plug(s).
Check and tighten all bolts, nuts, and screws. Repair or replace any part that is damaged.
Paint all scratched or bare metal surfaces. Paint is available from your Authorized Service Dealer.
Store the machine in a clean, dry garage or storage area. Remove the key from the switch and keep it out of reach of children or other unauthorized users. Cover the machine to protect it and keep it clean.
| Problem | Possible Cause | Corrective Action |
|---|---|---|
| The engine overheats. |
|
|
| The malfunction-indicator light (MIL) comes on. |
|
|
| The starter does not crank. |
|
|
| The engine does not start, starts hard, or fails to keep running. |
|
|
| The engine loses power. |
|
|
| The machine pulls to the left or right (with the motion-control levers fully forward). |
|
|
| The machine does not drive. |
|
|
| The machine vibrates abnormally. |
|
|
| The cutting height is uneven. |
|
|
| The blades do not rotate. |
|
|
| The clutch does not engage. |
|
|


