| Intervalo de assistência | Procedimento de manutenção |
|---|---|
| Em todas as utilizações ou diariamente |
|
Este cortador de lâmina rotativa destina-se a ser utilizado por proprietários em aplicações residenciais. Foi concebido sobretudo para cortar relva em relvados bem mantidos. Se a máquina for utilizada para um fim diferente da sua utilização prevista, poderá pôr em perigo o utilizador e outras pessoas.
Leia estas informações cuidadosamente para saber como utilizar o produto, como efetuar a sua manutenção de forma adequada, evitar ferimentos pessoais e danos no produto. A utilização correta e segura do produto é da exclusiva responsabilidade do utilizador.
Visite www.Toro.com para obter informações sobre materiais de formação de operação e segurança dos produtos, informações sobre acessórios, para obter o contacto de um representante ou para registar o seu produto.
Sempre que necessitar de assistência, peças genuínas Toro ou informações adicionais, entre em contacto com um representante de assistência autorizado ou com a assistência ao cliente Toro, indicando os números de série e modelo do produto. A Figura 1 mostra onde se encontram os números de série e modelo do produto. Escreva os números no espaço fornecido.
Important: Com o seu dispositivo móvel, pode ler o código QR no autocolante do número de série (se equipado) para aceder à garantia, peças e outras informações do produto.

Escreva os números de modelo e de série do produto nos espaços indicados abaixo:
Neste manual são utilizados dois termos para identificar informações importantes. A palavra Importante chama a atenção para informações especiais de ordem mecânica e a palavra Nota sublinha informações gerais que requerem especial atenção.
O símbolo de alerta de segurança (Figura 2) é utilizado neste manual e na máquina para identificar mensagens de segurança importantes que têm de ser seguidas para evitar acidentes. Este símbolo surge com as palavras Perigo, Aviso ou Cuidado.
Perigo indica uma situação de risco eminente que, se não for evitada, irá resultar em morte ou ferimento grave.
Aviso indica uma situação de risco potencial que, se não for evitada, pode resultar em morte ou ferimento grave.
Cuidado indica uma situação de risco potencial que, se não for evitada, poderá resultar em ferimento leve ou moderado.

Este produto cumpre todas as diretivas europeias relevantes. Para mais informações, consulte a folha de Declaração de conformidade em separado, específica do produto.
Binário bruto ou líquido: binário bruto ou líquido em cavalos deste motor foi classificada em laboratório pelo fabricante do motor em conformidade com a Society of Automotive Engineers (SAE) J1940 ou J2723. Com a configuração para obedecer aos requisitos de segurança, emissões e funcionamento, o binário de potência real do motor nesta classe de cortador será substancialmente inferior. Consulte as informações no Manual do fabricante do motor fornecido com a máquina.
Este produto é capaz de amputar mãos e pés e projetar objetos. Respeite sempre todas as instruções de segurança, de modo a evitar ferimentos pessoais graves ou mesmo a morte.
Leia e compreenda o conteúdo deste Manual do utilizador antes de ligar o motor.
Mantenha as crianças e outras pessoas afastadas.
Não permita que crianças ou funcionários não qualificados utilizem ou procedam à assistência técnica do equipamento. Permita apenas que pessoas responsáveis, com formação, familiarizadas com as instruções e fisicamente capazes operem e façam a manutenção da máquina.
Não opere a máquina perto de depressões, valas, diques, água ou outros perigos nem em declives superiores a 15°.
Não coloque as mãos ou os pés perto de componentes em movimento da máquina.
Não opere a máquina sem que todos os resguardos, interruptores de segurança e outros dispositivos protetores de segurança estejam instalados e a funcionar corretamente.
Desligue o motor, retire a chave e espere até todas as peça em movimento parem antes de sair da posição de operação. Deixe a máquina arrefecer antes de fazer manutenção, ajustar, limpar ou armazenar.

![]() |
Os autocolantes de segurança e instruções estão facilmente visíveis para o operador e situam-se próximo das zonas de potencial perigo. Substitua todos os autocolantes danificados ou perdidos. |






O autocolante 138-6074 é moldado no depósito de combustível.









Familiarize-se primeiro com todos os comandos antes de ligar o motor e utilizar a máquina.

A ignição, utilizada para ligar e desligar o motor, tem 3 posições: DESLIGAR, FUNCIONAMENTO e ARRANQUE (Figura 5).
As alavancas do acelerador e do ar estão combinadas numa única alavanca de controlo. O acelerador controla a velocidade do motor e tem uma regulação contínua variável de LENTO a RáPIDO (Figura 5).
O interruptor de controlo das lâminas, representado por um símbolo de tomada de força (PTO), ativa e desativa a potência das lâminas do cortador (Figura 5).
Utilize as alavancas de controlo de movimento para deslocar a máquina para a frente e para trás, bem como para virar em qualquer sentido (Figura 4).
Mova as alavancas de controlo de movimento para fora da posição central para a posição PARK (estacionar) para engatar o travão de estacionamento quando parar ou sair da máquina.
A alavanca do sistema de controlo Smart Speed™, que se encontra abaixo da posição de operação, dá-lhe a opção de conduzir a máquina a 3 velocidades – aparar, rebocar e cortar (Figura 27).
Pode utilizar a janela do combustível, que se encontra do lado esquerdo da máquina, para verificar a presença de combustível no depósito (Figura 6).

Utilize a alavanca da altura de corte para elevar e descer a plataforma a partir da posição sentada. Movendo a alavanca para cima, em direção ao operador, a plataforma é elevada do solo e quando é empurrada para baixo (na direção oposta ao operador) é descida na direção do solo. Ajuste apenas a altura de corte enquanto a máquina não está em movimento (Figura 28).
As especificações e o desenho do produto estão sujeitos a alterações sem aviso prévio.
| Largura de corte | 107 cm |
| Largura com defletor na posição inferior | 135 cm |
| Largura com defletor na posição superior | 123 cm |
| Comprimento | 185 cm |
| Altura | 99 cm |
| Peso | 293 kg |
Está disponível uma seleção de engates e acessórios aprovados pela Toro para utilização com a máquina, para melhorar e expandir as suas capacidades. Contacte o seu representante ou distribuidor de assistência autorizado ou vá a www.Toro.com para obter uma lista de todos os engates e acessórios aprovados.
Para se certificar do máximo desempenho e da continuação da certificação de segurança da máquina, utilize apenas acessórios e peças sobressalentes genuínos da Toro. Os acessórios e peças sobressalentes produzidos por outros fabricantes poderão tornar-se perigosos e a sua utilização pode anular a garantia do produto.
Note: Determine os lados direito e esquerdo da máquina a partir da posição normal de utilização.
Não permita que crianças ou funcionários não qualificados utilizem ou procedam à assistência técnica do equipamento. Os regulamentos locais podem determinar restrições relativamente à idade do operador. A formação de todos os operadores e mecânicos é da responsabilidade do proprietário.
Inspecione a área onde vai utilizar a máquina e remova todos os objetos que possam interferir com o funcionamento da máquina ou que a máquina possa projetar.
Familiarize-se com o funcionamento seguro do equipamento, com os controlos do utilizador e com os sinais de segurança.
Verifique se os controlos de presença do operador, os interruptores de segurança e os resguardos estão corretamente montados e a funcionar corretamente. Não utilize a máquina se estes componentes não estiverem a funcionar corretamente.
Desligue o motor, retire a chave e espere até todas as peça em movimento parem antes de sair da posição de operação. Deixe a máquina arrefecer antes de fazer manutenção, ajustar, limpar ou armazenar.
Antes do corte, inspecione a máquina para assegurar que as unidades de corte estão a funcionar corretamente.
Avalie o terreno para determinar qual é o equipamento adequado e quaisquer engates ou acessórios necessários para utilizar a máquina devidamente e em segurança.
Utilize vestuário adequado, incluindo proteção visual, calças compridas, calçado resistente antiderrapante e proteções para os ouvidos. Prenda cabelo comprido e não utilize vestuário solto ou joias pendentes.
Não transporte passageiros na máquina.
Mantenha pessoas e animais domésticos longe da máquina durante o funcionamento. Desligue a máquina e os acessórios se alguém entrar na área.
Não opere a máquina se não tiver todas as proteções e dispositivos de segurança instalados como, por exemplo defletores e de recolha de relva completo, e a funcionar corretamente. Substitua as peças gastas ou deterioradas quando necessário.
O combustível é extremamente inflamável e altamente explosivo. Um incêndio ou explosão a partir do combustível pode resultar em queimaduras e danos materiais.
Para evitar que uma carga estática incendeie o combustível, remova a máquina do camião ou atrelado e ateste-a no solo, afastada de todos os veículos. Caso não seja possível, coloque um recipiente de combustível portátil no solo, afastado de todos os veículos e encha-o; em seguida, ateste a máquina a partir do recipiente de combustível em vez do bico de combustível.
Encha o depósito de combustível no exterior, numa superfície plana, num espaço aberto e quando o motor estiver frio. Limpe todo o combustível derramado.
Não manuseie o combustível quando fumar ou quando estiver junto de uma chama aberta ou faíscas.
Não retire a tampa do depósito de combustível nem adicione combustível ao depósito enquanto o motor se encontrar em funcionamento ou estiver quente.
Se derramar combustível, não tente ligar o motor. Evite criar uma fonte de ignição até que os vapores de combustível tenham dissipado.
Guarde a gasolina num recipiente aprovado e mantenha-a longe do alcance das crianças.
O combustível pode ser prejudicial ou mesmo fatal quando ingerido. A exposição prolongada a vapores pode provocar lesões graves ou doenças.
Evite inalar vapores durante muito tempo.
Mantenha as mãos e rosto afastados do bico e abertura do depósito de combustível.
Mantenha o combustível afastado dos olhos e da pele.
Nunca guarde a máquina ou o recipiente de combustível num local onde existam chamas abertas, faíscas ou luzes piloto, como junto de uma caldeira ou outros aparelhos.
Não utilize a máquina sem que todos os componentes do sistema de escape estejam corretamente montados e em boas condições de funcionamento.
Mantenha o bico da agulheta de combustível sempre em contacto com o anel exterior do depósito de combustível ou com a abertura do recipiente até concluir a operação. Não utilize um dispositivo de abertura do bico.
Se derramar combustível para cima da roupa, mude de roupa imediatamente.
Não encha muito o depósito de combustível. Volte a colocar a tampa do combustível e aperte-a bem.
Limpe todos os vestígios de relva e detritos da unidade de corte, silenciador, transmissões, recolha de relva e compartimento do motor, de modo a evitar qualquer risco de incêndio. Limpe as zonas que tenham óleo ou combustível derramado.
| Tipo | Gasolina sem chumbo |
| Classificação mínima de octanas | 87 (EUA) ou 91 (pesquisa de octanas; fora dos EUA) |
| Etanol | Não superior a 10 % de volume |
| Metanol | Não |
| MTBE (éter-metil-tercio-butílico) | Inferior a 15 % de volume |
| Óleo | Não adicione ao combustível |
Utilize apenas combustível limpo e fresco (com menos de 30 dias) de uma origem fiável.
Utilize estabilizador/condicionador na máquina para manter o combustível fresco durante mais tempo quando utilizado como indicado pelo fabricante do estabilizador de combustível.
Important: Não utilize aditivos de combustível que contenham metanol ou etanol.
Adicione a quantidade correta de estabilizador/condicionador de combustível de acordo com as indicações do fabricante do estabilizador.
Estacione a máquina numa superfície nivelada.
Empurre as alavancas de controlo de movimento para fora para a posição PARK (estacionar).
Desligue o motor e retire a chave.
Limpe a zona em torno da tampa do depósito de combustível.
Encha o depósito de combustível até à extremidade inferior do tubo de enchimento (Figura 7). Não encha completamente o depósito de combustível.

Antes de ligar a máquina, todos os dias, execute os procedimentos de cada utilização/diários indicados em .
Os novos motores requerem tempo para desenvolver a potência máxima. As plataformas do cortador e os sistemas de transmissão têm um maior atrito enquanto novos, exercendo uma carga adicional sobre o motor. Permita um tempo de rodagem de 40 a 50 horas para que as máquinas novas desenvolvam a potência máxima e o melhor desempenho.
A máquina poderá arrancar inesperadamente, se os interruptores de segurança se encontrarem desligados ou danificados, e provocar lesões pessoais.
Não desative os interruptores de bloqueio.
Verifique o funcionamento dos interruptores de bloqueio diariamente e substitua todos os interruptores danificados antes de utilizar a máquina.
O sistema de bloqueio de segurança foi concebido para evitar o arranque do motor exceto se:
O interruptor de controlo das lâminas (PTO) está desengatado.
As alavancas de controlo do movimento estão na posição PARK (estacionar).
O sistema de bloqueio de segurança foi concebido para desligar o motor sempre que as alavancas de controlo estiverem fora da POSIçãO de estacionamento e o utilizador se sentar no banco.
| Intervalo de assistência | Procedimento de manutenção |
|---|---|
| Em todas as utilizações ou diariamente |
|
Teste o sistema de bloqueio de segurança sempre antes de utilizar a máquina. Se o sistema de segurança não funcionar como descrito a seguir, encaminhe o sistema de segurança para um centro de assistência autorizado para ser imediatamente reparado.
Sente-se no banco, coloque as alavancas de controlo de movimento na posição de ESTACIONAMENTO e empurre o interruptor de controlo das lâminas para a posição LIGAR. Tente ligar o motor; o motor não deverá arrancar.
Sente-se no banco e empurre o interruptor de controlo das lâminas para a posição OFF (desligar). Desloque a alavanca de controlo de movimento para a posição central, na posição não bloqueada. Tente ligar o motor; o motor não deverá arrancar. Repita com a outra alavanca de controlo do movimento.
Sente-se no banco, empurre o interruptor de controlo das lâminas para a posição DESLIGAR e tranque as alavancas de controlo de movimento na posição de ESTACIONAMENTO. Ligue o motor. Quando o motor estiver ligado, engate o interruptor de controlo das lâminas e erga-se ligeiramente do banco; o motor deve desligar.
Sente-se no banco, empurre o interruptor de controlo das lâminas para a posição DESLIGAR e tranque as alavancas de controlo de movimento na posição de ESTACIONAMENTO. Ligue o motor. Quando o motor estiver ligado, empurre as alavancas de controlo de movimento para o centro, na posição destravada e erga-se ligeiramente do banco; o motor deve desligar.
O banco pode deslocar-se para a frente e para trás. Posicione o banco de forma a obter o melhor controlo possível da máquina e o maior conforto (Figura 8).

Pode ajustar as alavancas de controlo de movimento mais para cima ou mais para baixo para um maior conforto (Figura 9).

Pode ajustar as alavancas de controlo de movimento mais para cima ou mais para trás para um maior conforto do operador.
Desaperte o parafuso superior que prende a alavanca de controlo ao veio do braço de controlo.
Desaperte o parafuso inferior o suficiente para rodar a alavanca de controlo para a frente ou para trás.

Aperte ambos os parafusos para assegurar o controlo da alavanca na nova posição.
Repita o ajuste para a outra alavanca de controlo.
Estacione a máquina numa superfície nivelada, desengate o interruptor de controlo das lâminas (PTO) e mova as alavancas de controlo de movimento para fora para a posição de ESTACIONAMENTO.
Desligue o motor, retire a chave, espere até todas as peça móveis pararem e só depois saia da posição de operação.
Solte o trinco flexível do fixador do trinco na cobertura de descarga e rode a cobertura de descarga para a direita (Figura 11).

Solte o trinco em forma de gancho na parte superior da cobertura de descarga da haste de articulação (Figura 15).
Oriente a patilha de metal na cobertura de descarga para fora da ranhura no suporte soldado à plataforma do cortador (Figura 12).

Estacione a máquina numa superfície nivelada, desengate o interruptor de controlo das lâminas (PTO) e mova as alavancas de controlo de movimento para fora para a posição de ESTACIONAMENTO.
Desligue o motor, retire a chave, espere até todas as peça móveis pararem e só depois saia da posição de operação.
Oriente a patilha de metal na cobertura de descarga para a ranhura no suporte soldado à plataforma do cortador (Figura 13).

Rode a cobertura de descarga para trás e na direção da plataforma para que a cobertura de descarga fique alinhada com a plataforma do cortador (Figura 14).

Na parte superior da cobertura de descarga, engate o trinco em forma de gancho em torno da haste de articulação do conjunto do defletor (Figura 15).

Prenda a cobertura de descarga à plataforma encaixando o trinco flexível na cobertura de descarga no retentor na plataforma (Figura 11).
O proprietário/operador pode prevenir e é responsável por acidentes que possam causar ferimentos pessoais ou danos materiais.
Tenha toda a atenção durante a operação da máquina. Não faça qualquer atividade que cause distrações; caso contrário, podem ocorrer ferimentos ou danos materiais.
Nunca utilize a máquina se se sentir cansado, doente ou sob o efeito de álcool ou drogas.
O contacto com a lâmina pode ter como resultado ferimentos pessoais graves. Desligue o motor, retire a chave, espere até todas as peça móveis pararem e só depois saia da posição de operação. Quando rodar a chave para a posição OFF, o motor deve desligar e a lâmina deve parar. Se não pararem de forma adequada, pare imediatamente de utilizar a máquina e contacte um representante de assistência autorizado.
Opere a máquina apenas em condições de boa visibilidade e condições atmosféricas adequadas. Não opere a máquina quando existir risco de relâmpagos.
Mantenha as mãos e pés longe das unidades de corte. Mantenha-se afastado da abertura de descarga.
Não corte com o defletor de descarga elevado, removido ou alterado, excepto se existir um sistema de recolha de relva ou kit de cobertura (mulch) instalado e a funcionar corretamente.
Não efetue a operação de corte em marcha-atrás, exceto quando absolutamente necessário. Olhe sempre para baixo e para trás antes de operar a máquina em marcha-atrás.
Tome todas as precauções adicionais necessárias quando se aproximar de esquinas sem visibilidade, arbustos, árvores ou outros objetos que possam obstruir a visibilidade.
Pare as lâminas sempre que não estiver a cortar.
Se a máquina atingir um objeto ou começar a vibrar, pare imediatamente o motor, retire a chave (se equipada), espere que todas as peças móveis parem antes de inspecionar a máquina para ver se está danificada. Efetue todas as reparações necessárias antes de retomar o funcionamento.
Abrande e tome as precauções necessárias quando virar e atravessar estradas e passeios com a máquina. Dê sempre prioridade.
Antes de sair da posição de operação, faça o seguinte:
Estacione a máquina numa superfície plana.
Desative a tomada de força e desça os acessórios.
Engate o travão de estacionamento.
Desligue o motor e retire a chave.
Espere até todas as peças móveis pararem.
Opere o motor apenas em áreas bem ventiladas. Os gases de exaustão contêm monóxido de carbono, que é letal se inalado.
Nunca deixe a máquina em funcionamento sem vigilância.
Ligue o equipamento rebocado à máquina apenas no ponto de engate.
Não opere a máquina se não tiver todas as proteções e dispositivos de segurança instalados como, por exemplo defletores e de recolha de relva completo, e a funcionar corretamente. Substitua as peças gastas ou deterioradas quando necessário.
Utilize apenas acessórios e engates aprovados pela Toro.
Esta máquina produz níveis de ruído da ordem dos 85 dBA ao nível do ouvido do utilizador, pelo que poderá provocar perda de audição caso este utilize a máquina durante longos períodos de operação.

Limpe todos os vestígios de relva e detritos da unidade de corte, transmissões, silenciosos e motor, de modo a evitar qualquer risco de incêndio.
Ligue o motor com os pés bem afastados das lâminas.
Esteja atento ao percurso de descarga do cortador e afaste a descarga longe das outras pessoas. Evite descarregar o material contra uma parede ou obstrução, uma vez que o material pode fazer ricochete em direção do operador.
Pare as lâminas, abrande a máquina e tenha cuidado quando atravessar superfícies que não sejam relva e quando transportar a máquina de e para a área de operação.
Não altere os valores do acelerador do motor nem acelere o motor excessivamente.
As crianças são muitas vezes atraídas pela presença de máquinas e atividades de corte. Nunca suponha que as crianças vão permanecer no local onde as viu pela última vez.
Mantenha as crianças afastadas do local de operação e sob a vigilância atenta de outro adulto responsável, não do operador.
Esteja alerta e desligue a máquina se entrarem crianças na área de operação.
Antes de recuar ou virar a máquina, olhe para baixo e em redor para ver se existem crianças.
Não transporte crianças na máquina, mesmo quando as lâminas não estiverem em movimento. As crianças podem cair e sofrer ferimentos graves ou interferir com a operação segura da máquina. As crianças que já tiverem sido transportadas anteriormente poderão aparecer repentinamente no local de trabalho sem aviso e serem atropeladas ou apanhadas pela inversão de marcha da máquina.
Os declives são um dos principais fatores que contribuem para a perda de controlo e acidentes de capotamento que podem resultar em ferimentos graves ou morte. O operador é responsável pelo funcionamento seguro em declives. Operação da máquina em qualquer declive requer cuidado adicional. Antes de utilizar a máquina num declive, faça o seguinte:
Leia e compreenda as instruções relativas a declives no manual e na máquina.
Utilizar um indicador de ângulo para determinar o ângulo aproximado do declive na área.
Nunca utilizar em declives com inclinações superiores a 15°.
Avaliar as condições no local no próprio dia para determinar se o declive é seguro para o funcionamento da máquina. Utilizar o bom senso e capacidade crítica ao efetuar esta avaliação. Alterações no terreno, como humidade, podem afetar rapidamente o funcionamento da máquina num declive.
Identifique os perigos na base do declive. Não opere a máquina perto de depressões, valas, diques, água ou outros perigos. A máquina poderá capotar repentinamente, se uma roda resvalar ou se o piso ceder. Mantenha uma distância segura (duas vezes a largura da máquina) entre a máquina e qualquer perigo. Utilize uma máquina com operador apeado ou um aparador manual para cortar a relva nestas áreas.
Evite arrancar, parar ou virar em declives. Evite alterações súbitas na velocidade ou direção; vire lenta e gradualmente.
Não utilize a máquina em condições nas quais a tração, a viragem ou a estabilidade possam ser postas em causa. Esteja atento ao funcionamento da máquina em relva molhada, ao atravessar declives ou a descer – a máquina poderá perder tração. A perda de tração das rodas dianteiras pode resultar em derrapagem e da perda de capacidade de travagem e de controlo da direção. A máquina pode deslizar, mesmo que as rodas dianteiras estejam paradas.
Remova ou assinale obstáculos como valas, buracos, sulcos, lombas, pedras ou outros perigos escondidos. A relva alta pode esconder diversos obstáculos. O terreno desnivelado pode fazer capotar a máquina.
Tenha cuidados redobrados quando utilizar a máquina com acessórios ou engates, como sistemas de recolha de relva. Estes poderão afetar a estabilidade da máquina e provocar a perda de controlo. Siga as instruções para os contrapesos.
Se possível, mantenha a plataforma descida para o solo enquanto estiver em declives. Elevar a plataforma enquanto estiver a trabalhar em declives pode causar instabilidade da máquina.

Não engate equipamento rebocado, exceto no ponto de engate.
Não use a máquina como um veículo de reboque, a não ser que tenha um engate instalado.
Não exceda os limites de peso do equipamento rebocado e ao rebocar em declives. O peso rebocado não pode exceder o peso da máquina e operador.
Nunca permita que crianças ou outras pessoas estejam perto do equipamento rebocado.
Em declives, o peso do equipamento rebocado pode causar uma perda de tração, risco aumentado de capotamento e de perda de controlo. Reduza o peso rebocado e abrande.
A distância de paragem pode aumentar com o peso de uma carga rebocada. Desloque-se lentamente e deixe uma distância adicional para parar.
Faça curvas largas para manter o acessório afastado da máquina.
O interruptor de controlo das lâminas (PTO) inicia e para as lâminas do cortador e alguns engates elétricos.

Pode deslocar a alavanca do acelerador entre as posições RáPIDO e LENTO (Figura 21).
Utilize sempre a posição RáPIDO quando engatar a PTO.

Utilize a alavanca do ar para arrancar um motor frio.
Empurre a alavanca do acelerador/entrada de ar para além da posição do entalhe RáPIDO e para a posição AR para engatar o ar antes de utilizar a ignição.

Mova o controlo para fora da posição AR para desengatar o ar depois de o motor ter arrancado.
Important: Não ative o motor de arranque durante mais de 5 segundos de cada vez. Engatar o motor de arranque durante mais de 5 segundos pode danificar o motor de arranque. Se o motor não arrancar, aguarde 1 minuto antes de ligar novamente o arrancador.
Note: Pode ser necessário manter a alavanca contra a paragem, na posição de entrada de ar quando tenta ligar o motor (Figura 23).

Desengate as lâminas através da deslocação do interruptor de controlo das lâminas na posição OFF (desligar).
Empurre as alavancas de controlo de movimento para fora para a posição PARK (estacionar).
Desloque a alavanca do acelerador para a posição RáPIDO.
Rode a chave para a posição DESLIGAR e retire a chave.
A utilização/deslocação da máquina por crianças ou outras pessoas que não o operador pode provocar acidentes pessoais.
Retire a chave e engate o travão de estacionamento sempre que se afastar da máquina.

Os pneus rodam de forma independente, movidos pelos motores hidráulicos em cada eixo. Pode girar um lado em marcha-atrás enquanto gira outro lado para a frente, fazendo com que a máquina rode em vez de virar. Isto melhora muito a capacidade de manobra da máquina, mas requer algum tempo para se adaptar à forma como se move.
O controlo do acelerador regula a velocidade do motor medida em rpm (rotações por minuto). Coloque o controlo do acelerador na posição RáPIDO para melhor desempenho. Opere sempre com o acelerador na posição Cheio (aceleração total) quando estiver a cortar.
A máquina pode virar muito rapidamente. O operador pode perder o controlo da máquina e provocar acidentes pessoais ou danos na máquina.
Tenha cuidado ao fazer curvas.
Desacelere a máquina antes de fazer curvas apertadas.
Note: Tenha sempre cuidado ao virar.
Desloque as alavancas para a posição central não bloqueada.
Para andar para frente empurre as alavancas de controlo do movimento lentamente para a frente (Figura 25).

Note: Tenha sempre cuidado ao recuar e virar.
Desloque as alavancas para a posição central não bloqueada.
Para andar para trás, puxe as alavancas de controlo do movimento lentamente para trás (Figura 26).

A alavanca do sistema de controlo Smart SpeedTM, que se encontra abaixo da posição de operação (Figura 27), dá ao operador a opção de conduzir a máquina a 3 velocidades – Aparar, Rebocar e Cortar.

Para alterar as velocidades, execute o seguinte:
Empurre as alavancas de controlo do movimento para a posição de ponto morto e para fora para a posição de ESTACIONAMENTO.
Desengate o interruptor de controlo das lâminas.
Ajuste a alavanca na posição desejada.
O seguinte constitui apenas recomendações de utilização. Os ajustes variam consoante o tipo de relva, teor de humidade, e altura da relva.
| Utilizações sugeridas: | Aparar | Rebocar | Corte |
| Estacionar | X | ||
| Relva grossa, húmida | X | ||
| Formação | X | ||
| Aparação de relva | X | ||
| Recolha | X | ||
| Cobertura (mulch) | X | ||
| Reboque de acessórios | X | ||
| Corte normal | X | ||
| Mover a máquina | X |
Aparar
Esta é a velocidade mais lenta. As utilizações sugeridas para esta posição são as seguintes:
Estacionar
Condições de corte de relva grossa, húmida
Formação
Aparação de relva
Rebocar
Esta é a velocidade média. As utilizações sugeridas para esta posição são as seguintes:
Recolha
Monda
Reboque de acessórios
Corte
Esta é a velocidade mais rápida. As utilizações sugeridas para esta posição são as seguintes:
Corte normal
Mover a máquina
Este cortador dispõe de um defletor de relva articulado que dispersa as aparas para o lado e para baixo em direção à relva.
Sem um defletor de relva, cobertura de descarga ou uma estrutura completa do depósito de recolha de relva montados no lugar, o operador e as outras pessoas ficarão expostos ao contacto com a lâmina e aos detritos projetados. O contacto com a(s) lâmina(s) rotativa(s) do cortador e os detritos projetados causarão ferimentos ou até mesmo a morte.
Nunca remova o defletor de relva da plataforma do cortador porque encaminha os materiais para baixo, na direção da relva. Se o defletor de relva se danificar, substitua-o imediatamente.
Nunca coloque as mãos ou pés debaixo da plataforma do cortador.
Nunca tente limpar a área de descarga ou as lâminas do cortador sem colocar o interruptor de controlo das lâminas (PTO) na posição DESLIGAR, rodar a chave da ignição para a posição DESLIGAR e retirar a chave da ignição.
Certifique-se de que o defletor de relva está em baixo.
Note: A posição de transporte é a posição da altura de corte mais elevada ou a altura de corte de 114 mm, como se mostra na Figura 28.
Pode ajustar a altura de corte de 38 a 114 mm em incrementos de 13 mm. A altura do corte é controlada pela alavanca que se encontra do lado direito da posição de funcionamento (Figura 28).

Sempre que mudar a altura de corte, deve ajustar também a altura dos rolos antidanos.
Note: Ajuste os rolos antidanos de forma a que os rolos não toquem no solo nas áreas de corte planas normais.
Estacione a máquina numa superfície nivelada, desengate o interruptor de controlo das lâminas e mova as alavancas de controlo de movimento para fora para a posição de ESTACIONAMENTO.
Desligue o motor, retire a chave, espere até todas as peça móveis pararem e só depois saia da posição de operação.
Ajuste os rolos antidanos para uma das posições seguintes:
Furo superior – utilize esta posição com plataforma de corte nas posições de altura de corte de 63 mm e inferiores (Figura 29).
Furo inferior – utilize esta posição com plataforma de corte nas posições de altura de corte de 76 mm e superiores (Figura 29).

Para um melhor corte e máxima circulação de ar, trabalhe com o motor na posição RáPIDO. É necessário ar para cortar cuidadosamente as aparas de relva, pelo que não deve ajustar a altura de corte demasiado baixa de forma a que a relva não cortada rodeie completamente a plataforma do cortador. Tente sempre ter 1 lado da plataforma do cortador livre de relva por cortar. Isto permite ao ar circular para a plataforma do cortador.
Corte a relva ligeiramente maior do que o normal para assegurar que a altura de corte da plataforma do cortador não danifica partes não niveladas do terreno. No entanto, a altura de corte usada no passado é, geralmente, a melhor a usar. Ao cortar a relva com uma altura superior a 15 cm, é aconselhado cortar a relva duas vezes para assegurar uma qualidade de corte aceitável.
Deve cortar com apenas cerca de um terço da lâmina de relva. Não se recomenda cortar mais que isso, exceto se a relva for dispersa ou for no final do outono quando a relva cresce mais lentamente.
Alterne a direção de corte para manter a relva na vertical. Isto também ajuda a dispersar as aparas de relva o que melhora a decomposição e a fertilização.
O crescimento da relva varia conforme a estação. Para manter a mesma altura de corte, corte mais frequentemente no início da primavera. À medida que o crescimento da relva diminui a meio do Verão, corte menos frequentemente. Se não conseguir cortar durante um longo período, corte primeiro a uma altura de corte elevada e, em seguida, corte novamente 2 dias depois a uma regulação mais baixa.
Em determinadas condições, cortar a uma velocidade de deslocação mais lenta pode melhorar a qualidade de corte.
Quando cortar relva irregular, levante a altura de corte para evitar danificar a relva.
Se o movimento em frente da máquina tiver de ser parado durante o corte, pode cair um monte de aparas no relvado. Para o evitar, desloque-se para uma área cortada previamente com as lâminas engatadas ou pode desengatar a plataforma do cortador ao se mover para a frente.
Limpe as aparas e a sujidade da parte de baixo da plataforma do cortador após cada utilização. Se se acumularem relva e sujidade dentro da plataforma do cortador, a qualidade do corte fica insatisfatória.
Mantenha as lâminas afiadas em toda a época de corte porque uma lâmina afiada corta direito sem rasgar nem estragar as folhas da relva. Quando se rasga ou danifica a relva, esta fica castanha nas extremidades, cresce mais devagar e torna-se mais susceptível a doenças. Verifique as lâminas do cortador diariamente após cada utilização para ver se estão afiadas, se estão gastas ou danificadas. Lime qualquer amolgadela e afie as lâminas conforme o necessário. Se uma lâmina estiver danificada ou gasta, substitua-a imediatamente por uma lâmina de substituição genuína da Toro. Consulte Manutenção das lâminas de corte.
Desligue o motor, retire a chave e espere até todas as peça em movimento parem antes de sair da posição de operação. Deixe a máquina arrefecer antes de fazer manutenção, ajustar, limpar ou armazenar.
Limpe todos os vestígios de relva e detritos da unidade de corte, silenciador, transmissões, recolha de relva e compartimento do motor, de modo a evitar qualquer risco de incêndio. Limpe as zonas que tenham óleo ou combustível derramado.
Retire a chave antes de armazenar ou transportar a máquina.
| Intervalo de assistência | Procedimento de manutenção |
|---|---|
| Após cada utilização |
|
Important: Pode lavar a máquina com água e um detergente suave. Não lave a máquina com sistemas de lavagem de pressão. Evite a utilização excessiva de água, especialmente próximo da zona do painel de controlo, debaixo do banco, em torno do motor, bombas e motores.
Estacione a máquina numa superfície nivelada, desengate o interruptor de controlo das lâminas e mova as alavancas de controlo de movimento para fora para a posição de ESTACIONAMENTO.
Desligue o motor e espere até que todas as peças em movimento parem antes de sair da posição de operação.
Limpe todos os vestígios de relva e detritos da unidade de corte, silenciador, transmissões, recolha de relva e compartimento do motor. Quando possível, utilize ar comprimido.
Note: Consulte a Lavagem da parte inferior da plataforma do cortador para obter informações sobre como utilizar o encaixe de lavagem em plataformas.
Estacione a máquina numa superfície nivelada, desengate o interruptor de controlo das lâminas e mova as alavancas de controlo de movimento para fora para a posição PARK (estacionar).
Desligue o motor e espere até que todas as peças em movimento parem antes de sair da posição de operação.
Localize as alavancas de derivação na estrutura de ambos os lados do motor.
Mova ambas as alavancas de derivação para a frente através do orifício ranhurado e para baixo para as bloquear no lugar (Figura 30).
Tocar em peças quentes pode provocar ferimentos graves.
Mantenha as mãos, pés, rosto, roupa e outras partes do corpo afastadas do motor, da panela de escape e de outras superfícies quentes.
A máquina poderia acidentalmente mover-se enquanto as alavancas de derivação estão bloqueadas na ranhura e feri-lo a si ou a outras pessoas.
Bloqueie as alavancas de derivação para trás depois de mover a máquina.

Desengate o travão de estacionamento movendo ambas as alavancas de controlo de movimento para a posição central, desbloqueada.
Note: Não ligue a máquina.
Mova a máquina conforme necessário.
Important: Empurre sempre a máquina à mão. Não reboque a máquina, pois rebocar pode danificá-la.
Empurre as alavancas de controlo de movimento para fora para a posição PARK (estacionar).
Mova ambas as alavancas de desvio para trás e para baixo através do orifício ranhurado para as trancar no lugar.
Utilize um reboque para trabalhos pesados ou um camião para transportar a máquina. Utilize uma rampa com a largura total. Verifique se o reboque ou camião tem todos os travões, iluminação e sinalização exigidos por lei. Leia atentamente todas as instruções de segurança. O conhecimento destas informações contribui para evitar que o utilizador e outras pessoas sofram acidentes. Consulte as diretrizes locais relativas a requisitos de reboques e pontos de fixação.
Conduzir na via pública sem luzes indicadoras de mudança de direção, luzes, sinais refletores ou um símbolo a indicar perigo de veículo lento pode provocar acidentes, causando lesões.
Não conduza a máquina na via pública.
Colocar uma máquina num reboque ou camião aumenta a possibilidade de capotamento e pode provocar graves ferimentos ou morte (Figura 31).
Utilize uma única rampa com a largura total; não utilize rampas individuais para cada lado da máquina.
Não ultrapasse um ângulo de 15 graus entre a rampa e o solo ou entre a rampa e o reboque ou camião.
Certifique-se de que o comprimento da rampa tenha, pelo menos, quatro vezes a altura do atrelado ou camião para o solo. Isto assegura que o ângulo da rampa não excede 15 graus em solo plano.

A colocação de uma máquina num reboque ou camião aumenta a possibilidade de capotamento e pode provocar graves ferimentos ou morte.
Tome todas as precauções necessárias quando operar a máquina numa rampa.
Recue a máquina ao subir rampas e conduza para a frente quando descer rampas.
Evite aceleração ou desaceleração súbita ao conduzir a máquina numa rampa, uma vez que isto pode causar perda de controlo ou capotamento.
Se estiver a utilizar um atrelado, ligue-o ao veículo de reboque e prenda as correntes de segurança.
Se aplicável, ligue os travões e as luzes do reboque.
Baixe a rampa, certificando-se de que o ângulo entre a rampa e o solo não é superior a 15 graus (Figura 31).
Suba a rampa em marcha atrás (Figura 32).

Desligue o motor, retire a chave e mova as alavancas de controlo de movimento para fora para a posição de ESTACIONAMENTO.
Prenda a máquina perto das rodas giratórias frontais e estrutura traseira com correias, correntes, cabos ou cordas (Figura 33). Consulte as diretrizes locais relativas a requisitos de dispositivos de fixação.
Note: Direcione as cintas para baixo e afastadas da máquina.

Note: Determine os lados direito e esquerdo da máquina a partir da posição normal de utilização.
Se deixar a chave na ignição, alguém pode ligar acidentalmente o motor e feri-lo a si ou às pessoas que se encontrarem próximo da máquina. Retire a chave da ignição antes de fazer qualquer revisão.
Antes de sair da posição de operador, faça o seguinte:
Estacione a máquina numa superfície plana.
Desengate as transmissões.
Engate o travão de estacionamento.
Desligue o motor e retire a chave.
Deixe os componentes da máquina arrefecerem antes de proceder à manutenção.
Não permita que funcionários não qualificados efetuem a manutenção da máquina.
Mantenha as mãos e os pés longe de peças em movimento ou superfícies quentes. Se possível, não efetue qualquer ajuste quando o motor se encontrar em funcionamento.
Cuidadosamente, liberte a pressão dos componentes com energia acumulada.
Verifique frequentemente o funcionamento do travão de estacionamento. Efetue os ajustes e manutenções adequados sempre que necessário.
Nunca altere os dispositivos de segurança. Verifique regularmente se o funcionamento é o adequado.
Limpe todos os vestígios de relva e detritos da unidade de corte, silenciador, transmissões, recolha de relva e compartimento do motor, de modo a evitar qualquer risco de incêndio.
Limpe os salpicos de óleo ou combustível e retire detritos encharcados em combustível.
Não confie num sistema hidráulico ou macacos mecânicos para suportar a máquina. Apoie a máquina em preguiças sempre que elevar a máquina.
Mantenha todas as peças em boas condições de funcionamento e todas as ferragens apertadas, especialmente as ferragens do engate da lâmina. Substitua todos os autocolantes gastos ou danificados.
Desligue o cabo do terminal negativo da bateria antes de reparar a máquina.
Para assegurar um desempenho ideal, utilize apenas peças de substituição e acessórios genuínos Toro. Os acessórios e peças sobressalentes produzidos por outros fabricantes poderão tornar-se perigosos e a sua utilização pode anular a garantia do produto.
| Intervalo de assistência | Procedimento de manutenção |
|---|---|
| Em todas as utilizações ou diariamente |
|
| Após cada utilização |
|
| A cada 25 horas |
|
| A cada 100 horas ou anualmente, o que ocorrer primeiro |
|
| Antes do armazenamento |
|
| Anualmente |
|
Important: Para informações detalhadas sobre os procedimentos de manutenção adicionais; consulte o manual de proprietário do motor.
Se deixar a chave na ignição, alguém pode ligar acidentalmente o motor e feri-lo a si ou às pessoas que se encontrarem próximo da máquina.
Desligue o motor e retire a chave do interruptor antes de realizar qualquer manutenção.
Desaperte os dois parafusos inferiores da cortina para aceder à parte superior da plataforma do cortador (Figura 34).

Note: Aperte sempre os parafusos para colocar a cortina depois da manutenção.
Utilize macacos para apoiar a máquina assim que a tiver elevado.
Apoiar a máquina sobre o resguardo do coletor inferior (Figura 35) pode danificar o resguardo e fazer com que a máquina caia, causando ferimentos a si ou a quem estiver por perto.
Não utilize o resguardo do coletor inferior para apoiar a máquina.

| Intervalo de assistência | Procedimento de manutenção |
|---|---|
| A cada 25 horas |
|
Tipo de lubrificante: Massa n.º 2 à base de lítio
Estacione a máquina numa superfície nivelada, desengate o interruptor de controlo das lâminas e mova as alavancas de controlo de movimento para fora para a posição de ESTACIONAMENTO.
Desligue o motor, retire a chave, espere até todas as peça móveis pararem e só depois saia da posição de operação.
Limpe os bocais de lubrificação (Figura 36) com um pano.
Note: Raspe qualquer tinta da parte da frente do(s) encaixe(s).

Ligue uma pistola de massa lubrificante a cada bocal (Figura 36).
Coloque lubrificante nos encaixes até que comece a escorrer massa lubrificante dos rolamentos.
Limpe a massa lubrificante em excesso.
Mantenha as mãos, pés, cara, outras partes do corpo e roupa afastadas da panela de escape e de outras superfícies quentes. Deixe os componentes do motor arrefecerem antes de proceder à manutenção.
Não altere os valores do acelerador do motor nem acelere o motor excessivamente.
| Intervalo de assistência | Procedimento de manutenção |
|---|---|
| A cada 25 horas |
|
| Anualmente |
|
Note: A manutenção do filtro de ar deverá ser mais frequente (após algumas horas) quando a máquina for utilizada em condições de grande poeira ou muita areia.
Estacione a máquina numa superfície nivelada, desengate o interruptor de controlo das lâminas e mova as alavancas de controlo de movimento para fora para a posição PARK (estacionar).
Desligue o motor, retire a chave, espere até todas as peça móveis pararem e só depois saia da posição de operação.
Para evitar qualquer dano, limpe à volta da cobertura do filtro de ar para impedir a entrada de impurezas para o interior do motor.
Rode os trincos no sentido contrário ao dos ponteiros do relógio e retire a cobertura.

Levante a extremidade do filtro e retire-o da entrada de ar.

Separe os filtros de esponja e papel.

Lave o filtro de esponja com sabão líquido e água morna. Depois do filtro estar limpo, enxaguar bem com água.
Seque o filtro apertando-o dentro de um pano limpo.
Important: Substitua o filtro de esponja se estiver rasgado ou usado.
Lubrifique ligeiramente o elemento de esponja utilizando óleo de motor novo e esprema qualquer excesso de óleo.
Limpe o elemento de papel batendo suavemente para remover a sujidade.
Note: Se estiver muito sujo, substitua o elemento de papel por um novo.
Verifique se o filtro tem rasgões, película de óleo ou o vedante de borracha danificado.
Substitua o filtro de papel se estiver danificado.
Important: Não limpe o filtro de papel.
Instale o elemento do pré-filtro de esponja sobre o elemento de papel.
Note: Certifique-se de que não danifica os elementos.
Instale os elementos do filtro do ar na base do filtro do ar.
Instale a cobertura e prenda-a com os trincos (Figura 37).
Tipo de óleo: Óleo detergente (incluindo sintético) API de serviço SJ ou superior
Capacidade do cárter: 1,4 litros com o filtro
Viscosidade: Consultar o gráfico seguinte.

| Intervalo de assistência | Procedimento de manutenção |
|---|---|
| Em todas as utilizações ou diariamente |
|
Note: Verifique o óleo quando o motor está frio.
Important: Não encha demasiado o cárter com óleo e ligue o motor; pode causar danos no motor.
Estacione a máquina numa superfície nivelada, desengate o interruptor de controlo das lâminas e mova as alavancas de controlo de movimento para fora para a posição de ESTACIONAMENTO.
Desligue o motor, retire a chave, espere até todas as peça móveis pararem e só depois saia da posição de operação.
Note: Certifique-se de que o motor frio para que o óleo tenha tempo para drenar para o reservatório.
Para manter a sujidade, as aparas de relva, etc., fora do motor, limpe a área em torno da tampa de enchimento e vareta antes de a remover (Figura 41).

| Intervalo de assistência | Procedimento de manutenção |
|---|
Coloque a máquina numa superfície nivelada para assegurar que o óleo é completamente drenado.
Desengate o interruptor de controlo das lâminas e mova as alavancas de controlo de movimento para fora para a posição de PARK (estacionar).
Desligue o motor, retire a chave e espere até todas as partes em movimento pararem antes de sair da posição de funcionamento.
Purgue o óleo do motor (Figura 42).

Substitua o filtro do óleo do motor (Figura 43).
Note: Certifique-se de que a junta do filtro de óleo está em contacto com o motor e, em seguida, rode o filtro uma volta adicional de ¾.

Deite cerca de 80% do óleo especificado no tubo de enchimento e adicione lentamente o óleo adicional até chegar à marca Cheio (Figura 44).

O óleo usado deve ser tratado num centro de reciclagem.
| Intervalo de assistência | Procedimento de manutenção |
|---|---|
| Anualmente |
|
Antes de montar as velas de ignição, certifique-se de que foi aplicada a folga correta entre os elétrodos central e lateral. Utilize uma chave de velas para retirar e montar a vela de ignição e um calibre de lâminas ou apalpa-folgas para verificar e ajustar as folgas. Instale uma vela de ignição nova se necessário.
Tipo: Briggs and Stratton® 491055 ou Champion® XC92YC
Folga de ar: 0,76 mm
Estacione a máquina numa superfície nivelada, desengate o interruptor de controlo das lâminas e mova as alavancas de controlo de movimento para fora para a posição PARK (estacionar).
Desligue o motor, retire a chave, espere até todas as peça móveis pararem e só depois saia da posição de operação. Deixe arrefecer o motor.
Limpe a área em redor da base da vela para que não entre sujidade e detritos no motor.
Retire a vela de ignição (Figura 45).

Important: Não limpe a(s) vela(s) de ignição. Substitua sempre as velas que tiverem uma cobertura preta, os elétrodos gastos, uma película de óleo ou apresentarem fissuras.
Se verificar uma cobertura castanha ou cinzenta no isolante, o motor está a funcionar corretamente. Uma cobertura preta no isolante indica que o filtro de ar está sujo.
Ajuste a folga para 0,76 mm.


| Intervalo de assistência | Procedimento de manutenção |
|---|---|
| Em todas as utilizações ou diariamente |
|
Estacione a máquina numa superfície nivelada, desengate o interruptor de controlo das lâminas e mova as alavancas de controlo de movimento para fora para a posição PARK (estacionar).
Desligue o motor, retire a chave, espere até todas as peça móveis pararem e só depois saia da posição de operação.
Retire o filtro de ar do motor.
Retire o resguardo do motor.
Para evitar a entrada de detritos na admissão de ar, instale o filtro de ar na base do filtro.
Limpe os detritos e relva das peças.
Retire o filtro de ar e instale o resguardo do motor.
Instale o filtro do ar.
Em determinadas circunstâncias, o combustível é extremamente inflamável e altamente explosivo. Um incêndio ou explosão de combustível pode resultar em queimaduras e danos materiais.
Consulte a Segurança do combustível para obter uma lista completa das precauções relacionadas com combustível.
| Intervalo de assistência | Procedimento de manutenção |
|---|---|
| Anualmente |
|
Nunca instale um filtro sujo depois de o retirar do tubo de combustível.
Estacione a máquina numa superfície nivelada, desengate o interruptor de controlo das lâminas e mova as alavancas de controlo de movimento para fora para a posição de ESTACIONAMENTO.
Desligue o motor, retire a chave, espere até todas as peça móveis pararem e só depois saia da posição de operação. Deixe arrefecer o motor.
Substitua o filtro (Figura 48).
Note: Certifique-se de que a seta de direção de fluxo no filtro de substituição aponta para o motor.


Desligue o cabo do terminal negativo da bateria antes de reparar a máquina.
Carregue a bateria num espaço aberto e bem ventilado, longe de faíscas e chamas. Retire a ficha do carregador da tomada antes de o ligar ou desligar da bateria. Utilize roupas adequadas e ferramentas com isolamento.
Os terminais da bateria e as ferramentas de metal podem provocar curtos-circuitos noutros componentes da máquina, produzindo faíscas. As faíscas podem provocar uma explosão dos gases da bateria, resultando em ferimentos pessoais.
Quando retirar ou montar a bateria, não toque com os terminais da bateria noutras peças metálicas da máquina.
Não deixe as ferramentas de metal entrar em curto-circuito com os terminais da bateria e peças metálicas da máquina.
Estacione a máquina numa superfície nivelada, desengate o interruptor de controlo das lâminas e mova as alavancas de controlo de movimento para fora para a posição PARK (estacionar).
Desligue o motor, retire a chave, espere até todas as peça móveis pararem e só depois saia da posição de operação.
Eleve o banco para aceder à bateria.
Desligue o cabo negativo (preto) do pólo da bateria (Figura 49).
Note: Guarde todos os parafusos e porcas.
Retirar incorretamente os cabos da bateria pode danificar a máquina e os cabos, produzindo faíscas. As faíscas podem provocar uma explosão dos gases da bateria, resultando em ferimentos pessoais.
Desligue sempre o cabo negativo (preto) da bateria antes de desligar o cabo positivo (vermelho).
Ligue sempre o cabo positivo (vermelho) da bateria antes de ligar o cabo negativo (preto).
Deslize a cobertura de borracha do cabo positivo (vermelho).
Desligue o cabo positivo (vermelho) do pólo da bateria (Figura 49).
Note: Guarde todos os parafusos e porcas.
Retire o suporte da bateria (Figura 49) e levante a bateria para a retirar da respetiva plataforma.

| Intervalo de assistência | Procedimento de manutenção |
|---|---|
| Antes do armazenamento |
|
Retire a bateria do chassis; consulte Retiração da bateria.
Carregue a bateria no mínimo 1 hora a 6 a 10 amperes.
Note: Não carregue demasiado a bateria.
Quando a bateria estiver totalmente carregada, desligue o carregador da tomada elétrica e em seguida desligue os cabos do carregador dos bornes da bateria (Figura 50).

Posicione da bateria no tabuleiro (Figura 49).
Ligue o cabo positivo (vermelho) ao terminal positivo (+) da bateria utilizando os fixadores previamente removidos.
Ligue o cabo negativo ao terminal negativo (-) da bateria utilizando os fixadores previamente removidos.
Deslize a proteção do terminal vermelho para o terminal positivo (vermelho) da bateria.
Prenda a bateria ao suporte (Figura 49).
Baixe o banco.
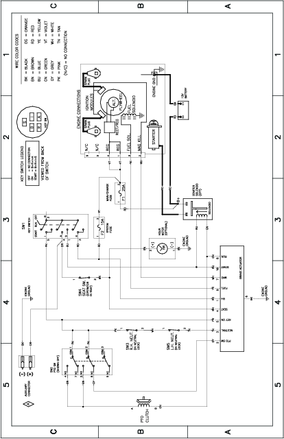
O sistema elétrico está protegido por fusíveis. Não é necessária qualquer manutenção; no entanto, se um fusível queimar, verifique se há alguma avaria ou curto-circuito no componente/circuito.
Tipo de fusível:
Principal – F1 (25 A, tipo lâmina)
Circuito de carga – F2 (15 A, tipo lâmina)
Estacione a máquina numa superfície nivelada, desengate o interruptor de controlo das lâminas e mova as alavancas de controlo de movimento para fora para a posição de ESTACIONAMENTO.
Desligue o motor, retire a chave, espere até todas as peça móveis pararem e só depois saia da posição de operação.
Eleve o banco para aceder aos fusíveis.
Para substituir fusíveis, puxe o fusível para o retirar (Figura 51).

Baixe o banco.
| Intervalo de assistência | Procedimento de manutenção |
|---|---|
| A cada 25 horas |
|
Mantenha a pressão do ar dos pneus dianteiro e traseiros como especificado. Se a pressão não for igual em todos os pneus o corte pode ficar irregular. Verifique a pressão na haste da válvula (Figura 52). Verifique os pneus quando estiverem frios, para obter uma leitura exata da pressão.
Encha as rodas giratórias dianteiras com 2,07 bar ou a pressão indicada na parede lateral, a que for inferior.
Encha os pneus traseiros com 90 kPa (13 psi).

Ao conduzir a máquina a toda a velocidade através de uma superfície nivelada e plana, se a máquina desviar para um lado, ajuste o alinhamento.
Se a máquina desviar para a esquerda, ajuste a alavanca de controlo de movimento direita; se a máquina desviar para a direita, ajuste a alavanca de controlo de movimento esquerda.
Note: Pode ajustar o alinhamento apenas para conduzir para a frente.
Estacione a máquina numa superfície nivelada, desengate o interruptor de controlo das lâminas e mova as alavancas de controlo de movimento para fora para a posição PARK (estacionar).
Desligue o motor, retire a chave, espere até todas as peça móveis pararem e só depois saia da posição de operação.
Localize o parafuso de ajuste do alinhamento perto da alavanca de controlo de movimento no lado específico que necessita de ajuste (Figura 53).
Note: Eleve o banco para um acesso mais fácil ao parafuso de ajuste.
Rode o parafuso para diminuir a velocidade dessa roda particular.
Note: Rode o parafuso ligeiramente para fazer ajustes pequenos.

Ligue a máquina e conduza para a frente através de uma superfície nivelada e plana com as alavancas de controlo de movimento totalmente para a frente para verificar se o alinhamento da máquina está direito. Repita o procedimento, conforme necessário.
| Intervalo de assistência | Procedimento de manutenção |
|---|---|
| A cada 25 horas |
|
Substitua a correia se estiver gasta. Os sinais apresentados por uma correia gasta são: ruído durante a rotação da correia, perda de eficácia das lâminas quando cortam, extremidades desfiadas, marcas de queimaduras e rachas na correia.
Os sinais apresentados por uma correia desgastada são os seguintes: chiado durante a rotação da correia, deslocamento das lâminas durante o corte, extremidades puídas, marcas de queimadura e fissuras na correia. Substitua a correia do cortador assim que notar algum destes sinais.
Estacione a máquina numa superfície nivelada, desengate o interruptor de controlo das lâminas e mova as alavancas de controlo de movimento para fora para a posição PARK (estacionar).
Desligue o motor, retire a chave, espere até todas as peça móveis pararem e só depois saia da posição de operação.
Regule a altura de corte na posição de corte mais baixa (38 mm).
Desaperte os dois parafusos inferiores que prendem a cortina da plataforma do cortador à plataforma. Consulte Libertação da cortina da plataforma do cortador.
Desaperte os parafusos e retire as coberturas da polia (Figura 54).

Desaperte a porca que fixa a forma de arame à polia intermédia (Figura 55).

Utilize um removedor de molas (Peça Toro n.º 92-5771) para remover a mola intermédia do gancho da plataforma para retirar tensão da polia intermédia e rode a correia para fora das polias (Figura 56).
A mola está sob tensão quando está instalada e pode causar ferimentos pessoais.
Cuidado quando remover a correia.

Coloque a nova correia em redor da polia do motor e nas polias do cortador (Figura 56).
Utilizando um removedor de molas (peça Toro n.º 92-5771), instale a mola intermédia por cima do gancho da plataforma para colocar tensão na polia intermédia e na correia do cortador (Figura 56).
Aperte a porca que fixa a forma de arame à polia intermédia.
Note: Posicione a forma de arame contra o braço intermédio como se mostra na Figura 55.
Coloque as coberturas da polia.
Aperte os dois parafusos inferiores que prendem a cortina da plataforma do cortador à plataforma. Consulte Libertação da cortina da plataforma do cortador.
Inspecione periodicamente se as lâminas apresentam sinais de desgaste ou danos.
Tome todas as precauções necessárias quando efetuar a verificação das lâminas. Envolva as lâminas ou utilize luvas e tome todas as precauções necessárias quando efetuar a manutenção das lâminas. Substitua ou afie apenas as lâminas, não as endireite ou solde.
Em máquinas multilâminas, esteja atento ao facto de que a rotação de uma lâmina pode provocar a rotação das restantes.
Substitua as lâminas e os parafusos gastos ou danificados em grupos para manter o equilíbrio.
Para assegurar uma qualidade de corte superior, mantenha as lâminas afiadas. Para retificação e substituição convenientes, tenha lâminas extra.
Estacione a máquina numa superfície nivelada, desengate o interruptor de controlo das lâminas e mova as alavancas de controlo de movimento para fora para a posição de ESTACIONAMENTO.
Desligue o motor, retire a chave e desligue os fios das velas de ignição.
| Intervalo de assistência | Procedimento de manutenção |
|---|---|
| Em todas as utilizações ou diariamente |
|
Inspecione as extremidades de corte (Figura 57).
Se as extremidades não estiverem afiadas ou estiverem amolgadas, retire e afie a lâmina; consulte Afiação das lâminas.
Inspecione as lâminas, especialmente a área em curva.
Se verificar quaisquer fissuras, desgaste, ou a formação de ranhuras nesta área instale imediatamente uma lâmina nova (Figura 57).

Note: A máquina tem de estar numa superfície nivelada para o seguinte procedimento.
Eleve a plataforma do cortador para a posição de altura de corte mais elevada.
Usando luvas almofadadas ou outra proteção adequada para as mãos, rode lentamente lâmina para uma posição que lhe permita uma medição da distância entre a extremidade de corte e a superfície nivelada onde a máquina está (Figura 58).

Meça da ponta da lâmina até à superfície plana (Figura 59).

Rode a mesma lâmina 180 graus para que a extremidade de corte oposta fique na mesma posição (Figura 60).

Meça da ponta da lâmina até à superfície plana (Figura 61).
Note: A variação não deve ser superior a 3 mm.

Se a diferença entre A e B for superior a 3 mm, substitua a lâmina por uma lâmina nova; consulte Retiração das lâminas e Instalação das lâminas.
Note: Se uma lâmina dobrada for substituída por uma nova e a dimensão obtida continuar a ser superior a 3 mm, o eixo da lâmina pode estar dobrado. Contacte o Representante de assistência autorizado Toro para obter assistência.
Se a variação estiver dentro dos limites, passe para a lâmina seguinte.
Repita este procedimento em cada lâmina.
Substitua as lâminas se estas atingirem um objeto sólido ou se se encontrarem desequilibradas ou deformadas.
Segure na extremidade da lâmina, utilizando um trapo ou uma luva grossa.
Retire a cavilha da lâmina, a anilha curva, e a lâmina do eixo (Figura 62).

Utilize uma lima para afiar aresta de corte em ambas as extremidades da lâmina (Figura 63).
Note: Mantenha o ângulo original.
Note: A lâmina manterá o equilíbrio se for retirada a mesma quantidade de material de ambas as extremidades de corte.

Verifique o equilíbrio da lâmina colocando-a num equilibrador de lâminas (Figura 64).
Note: Se a lâmina ficar na horizontal é porque está equilibrada e pode ser utilizada.
Note: Se lâmina não estiver equilibrada, lime algum metal da extremidade da aba apenas (Figura 63).

Repita este procedimento até a lâmina estar equilibrada.
Instale lâmina no eixo (Figura 62).
Important: A parte curva da lâmina tem que estar virada para cima para o interior do cortador para se assegurar uma capacidade de corte adequada.
Instale a anilha curva (lado oval virado para a lâmina) e o parafuso da lâmina (Figura 62).
Aperte o parafuso da lâmina com uma força de 81 a 108 N·m.
Certifique-se de que verifica se a plataforma de corte está nivelada antes de instalar o cortador ou quando observar um corte não uniforme no relvado.
Verifique a plataforma do cortador para ver se existem lâminas dobradas antes da nivelação e remova e substitua todas as lâminas que estiverem dobradas; consulte Manutenção das lâminas de corte antes de continuar.
Nivele a plataforma do cortador nos dois lados antes de ajustar a inclinação da parte da frente e da parte de trás.
Requisitos:
A máquina tem de estar numa superfície nivelada.
Todos os pneus têm de estar com o enchimento devido; consulte Verificação da pressão dos pneus.
Estacione a máquina numa superfície nivelada, desengate o interruptor de controlo das lâminas (PTO) e mova as alavancas de controlo de movimento para fora para a posição de ESTACIONAMENTO.
Desligue o motor, retire a chave, espere até todas as peça móveis pararem e só depois saia da posição de operação.
Defina a altura de corte para 76 mm.
Rode cuidadosamente as lâminas de um lado para o outro.
Meça entre as extremidades de corte exteriores e a superfície plana (Figura 65).
Note: Se ambas as medições não se encontrarem dentro do intervalo de 5 mm, é necessário um ajuste; consulte Nivelar na horizontal.

Verifique o nível da lâmina da frente para trás sempre que instalar o cortador. Se a parte da frente do cortador estiver mais de 7,9 mm mais baixa que a traseira, ajuste o nível da lâmina.
Estacione a máquina numa superfície nivelada, desengate o interruptor de controlo das lâminas (PTO) e mova as alavancas de controlo de movimento para fora para a posição de ESTACIONAMENTO.
Desligue o motor, retire a chave, espere até todas as peça móveis pararem e só depois saia da posição de operação.
Defina a altura de corte para 76 mm.
Rode cuidadosamente as lâminas para que estejam da frente para trás (Figura 66).
Meça da ponta da lâmina da frente até à superfície plana e da ponta da lâmina de trás até à superfície plana (Figura 66).
Note: Se a parte da frente da lâmina não estiver 1,6 a 7,9 mm mais baixa do que a ponta da lâmina de trás, avance para o procedimento Ajuste da inclinação da lâmina da frente para trás.

Mova para o lado esquerdo da máquina.
Regule os rolos antidanos para os furos superiores ou retire-os completamente para este procedimento; consulte Ajuste dos rolos antidanos.
Regule a alavanca da altura de corte para a posição de 7,6 cm; consulte Ajuste da altura de corte.
Coloque dois calços de 6,6 cm de espessura cada debaixo de cada lado da extremidade frontal da plataforma, mas não debaixo dos suportes do rolo antidanos (Figura 67).
Coloque dois calços de 7,3 cm de espessura cada debaixo da extremidade traseira da aba da plataforma de corte, um em cada lado da plataforma de corte (Figura 67).

Remova o perno de gancho e a anilha do pino do braço de elevação (Figura 68).

Rode a placa da altura de corte para um furo diferente de forma a que suporte o peso da plataforma do cortador depois de instalar a placa (Figura 69).

Instale a anilha e o perno de gancho (Figura 69).
Repita os passos 6 a 8 para o outro lado da máquina.
Verifique novamente o nivelamento horizontal; repita este procedimento até que as medidas estejam corretas.
Continue a nivelar a plataforma do cortador verificando a inclinação da lâmina da frente para trás; consulte Ajuste da inclinação da lâmina da frente para trás.
Rode a porca de ajuste na frente do cortador (Figura 70).

Para elevar a parte da frente da plataforma do cortador, aperte a porca de ajuste.
Para baixar a parte da frente da plataforma do cortador, desaperte a porca de ajuste.
Após o ajuste, verifique a inclinação entre a frente e a traseira, continue a ajustar a porca até a ponta da lâmina frontal ficar 1,6 a 7,9 mm mais baixa que a ponta da lâmina traseira; consulte a Verificação da inclinação da lâmina da frente para trás.
Quando a inclinação da lâmina da frente para trás estiver correta, verifique novamente o nível horizontal da plataforma do cortador; consulte Verificar o nível horizontal.
Estacione a máquina numa superfície nivelada, desengate o interruptor de controlo das lâminas (PTO) e mova as alavancas de controlo de movimento para fora para a posição de ESTACIONAMENTO.
Desligue o motor, retire a chave, espere até todas as peça móveis pararem e só depois saia da posição de operação.
Baixe a alavanca da altura de corte até à posição mais baixa.
Remova o perno de gancho da barra de suporte da frente e remova a barra do suporte da plataforma (Figura 71).

Baixe cuidadosamente a parte da frente da plataforma do cortador para o solo.
Num lado da máquina, remova a anilha e o perno de gancho do pino da plataforma (Figura 72).

Remova o braço de elevação do pino da plataforma (Figura 72).
Repita os passos 6 e 7 para o outro lado da máquina.
Faça deslizar a plataforma do cortador para trás para remover a correia do cortador da polia do motor.
Deslize a plataforma de corte para a frente e para fora da parte da baixo da máquina.
Note: Guarde todas as peças para instalar futuramente.
Estacione a máquina numa superfície nivelada, desengate o interruptor de controlo das lâminas (PTO) e mova as alavancas de controlo de movimento para fora para a posição de ESTACIONAMENTO.
Desligue o motor, retire a chave, espere até todas as peça móveis pararem e só depois saia da posição de operação.
Deslize o cortador sob a máquina.
Baixe a alavanca da altura de corte até à posição mais baixa.
Num lado da máquina, eleve a traseira da plataforma do cortador e eleve o braço de elevação para o pino da plataforma (Figura 72).
Instale o braço de elevação utilizando a anilha e o perno de gancho Figura 72).
Repita os passos 5 e 6 para o outro lado da máquina.
Coloque a barra de suporte frontal na plataforma do cortador com o pino de segurança e perno de gancho (Figura 71).
Instale a correia do cortador na polia do motor; consulte Substituição da correia do cortador .
| Intervalo de assistência | Procedimento de manutenção |
|---|---|
| Em todas as utilizações ou diariamente |
|
Uma abertura de descarga sem proteção pode fazer com que a máquina projete objetos na direção do utilizador ou outras pessoas e provocar ferimentos graves. Além disso, há o risco de contacto com a lâmina.
Nunca utilize a máquina sem o defletor de relva, a cobertura de descarga ou o sistema de recolha de relva no lugar.
Remova a porca (⅜ pol.) da barra debaixo do cortador (Figura 73).

Faça deslizar a barra para fora da parte saliente curta, da mola e do defletor de relva (Figura 73).
Se o defletor de relva estiver danificado ou gasto, retire-o.
Instale o novo defletor de relva (Figura 73).
Deslize a extremidade direita da haste através do suporte do defletor da relva traseiro.
Coloque a mola na barra, com a cablagem da extremidade para baixo, e entre os suportes do defletor de relva.
Deslize a barra através do segundo suporte do defletor de relva (Figura 73).
Insira a barra, na parte da frente do defletor de relva, na parte saliente curta na plataforma.
Fixe a extremidade traseira da barra ao cortador com uma porca (⅜ pol.), como se mostra na Figura 73.
Important: O defletor de relva tem de ficar na posição para baixo sob pressão da mola. Suba o defletor para o testar e verificar se volta totalmente para baixo.
| Intervalo de assistência | Procedimento de manutenção |
|---|---|
| Após cada utilização |
|
Important: Pode lavar a máquina com água e um detergente suave. Não lave a máquina com sistemas de lavagem de pressão. Evite a utilização excessiva de água, especialmente próximo da zona do painel de controlo, debaixo do banco, em torno do motor, bombas e motores.
Lave a parte inferior da plataforma do cortador após cada utilização para evitar a acumulação de relva para uma melhor ação de cobertura e dispersão de aparas.
Estacione a máquina numa superfície nivelada, desengate o interruptor de controlo das lâminas (PTO) e mova as alavancas de controlo de movimento para fora para a posição de ESTACIONAMENTO.
Desligue o motor, retire a chave, espere até todas as peça móveis pararem e só depois saia da posição de operação.
Coloque união da mangueira na extremidade de limpeza do cortador e ligue a água em elevado (Figura 74).
Note: Espalhe vaselina no anel de retenção da união de lavagem para facilitar o deslizar da união e proteger o anel de retenção.

Baixe o cortador até à altura de corte mais baixa.
Sente-se no banco e ligue o motor.
Engate o interruptor de controlo das lâminas e deixe o cortador funcionar durante um a três minutos.
Desengate o interruptor de controlo das lâminas, desligue o motor, retire a chave e espere até todas as peças em movimento pararem.
Desligue a água e retire a união da lavagem.
Note: Se o cortador não ficar limpo após uma lavagem, molhe-o e aguarde 30 minutos. Em seguida, repita o processo.
Ligue o cortador novamente durante um a três minutos para remover a água em excesso.
Uma união de lavagem partida ou em falta pode expô-lo a si e aos outros à projeção de objetos ou contacto com a lâmina. O contacto com as lâminas e detritos projetados provoca ferimentos graves ou até mesmo a morte.
Substitua a união de lavagem partida ou em falta imediatamente, antes de utilizar novamente a máquina.
Nunca coloque as mãos ou pés sob o cortador ou nas aberturas da máquina.
O óleo do motor, as baterias, o fluido hidráulico e o líquido de arrefecimento do motor são substâncias que poluem o ambiente. Elimine estes produtos de acordo com os regulamentos estatais e locais.
Desligue o motor, retire a chave e espere até todas as peça em movimento parem antes de sair da posição de operação. Deixe a máquina arrefecer antes de a ajustar, lhe fazer a manutenção, limpar ou armazenar.
Não guarde a máquina ou o combustível perto de chamas nem efetue drenagens de combustível em espaços fechados ou no interior de um atrelado fechado.
Nunca guarde a máquina ou o recipiente de combustível num local onde existam chamas abertas, faíscas ou luzes piloto, como junto de uma caldeira ou outros aparelhos.
Estacione a máquina numa superfície nivelada, desengate o interruptor de controlo das lâminas (PTO) e mova as alavancas de controlo de movimento para fora para a posição de ESTACIONAMENTO.
Desligue o motor, retire a chave, espere até todas as peça móveis pararem e só depois saia da posição de operação.
Retire as aparas de relva, sujidade e lamas das partes exteriores de toda a máquina, especialmente do motor e do sistema hidráulico. Limpe todos os vestígios de sujidade da parte exterior das aletas da cabeça do cilindro e da saída de ar.
Important: Pode lavar a máquina com água e um detergente suave. Não lave a máquina com sistemas de lavagem de pressão. Evite a utilização excessiva de água, especialmente próximo da zona do painel de controlo, bombas e motores.
Verifique o funcionamento do travão de estacionamento; consulte Posição de estacionamento.
Efetue a manutenção do filtro de ar; consulte Manutenção do filtro de ar.
Lubrifique a máquina com massa lubrificante; consulte a Lubrificação.
Mude o óleo do cárter; consulte a Substituição do filtro e o óleo do motor.
Verifique a pressão dos pneus; consulte Verificação da pressão dos pneus.
Carregue a bateria, consulte Carregamento da bateria.
Se armazenar a máquina com a bateria instalada, desligue o cabo negativo (preto) da bateria.
Raspe qualquer acumulação de relva e sujidade da parte inferior do cortador e, em seguida, lave a máquina com uma mangueira de jardim.
Note: Coloque a máquina a funcionar com o interruptor de controlo da lâmina (PTO) engatado e o motor ao ralenti alto durante 2 a 5 minutos após a lavagem.
Verifique o estado das lâminas, consulte Manutenção das lâminas de corte.
Prepare a máquina para armazenamento durante 30 dias, da seguinte forma:
Adicione no depósito um estabilizador/condicionador ao combustível. Siga as instruções de mistura do fabricante do estabilizador de combustível. Não utilize um estabilizador com base de álcool (etanol ou metanol).
Ligue o motor para distribuir o combustível condicionado pelo sistema de combustível durante 5 minutos.
Desligue o motor, deixe arrefecer e drene o depósito de combustível utilizando um sifão do tipo bomba ou deixe o motor a trabalhar até parar.
O combustível deverá ser eliminado de forma adequada. Recicle o combustível de acordo com as normas locais.
Important: Não guarde combustível que contenha estabilizador/condicionador durante mais tempo do que o indicado pelo fabricante do estabilizador de combustível.
Retire e verifique o estado da(s) vela(s) de ignição; consulte Manutenção da vela de ignição. Depois de retirar a(s) vela(s) de ignição do motor, coloque 30 ml (duas colheres de sopa) de óleo de motor no orifício da vela. Utilize o arranque para fazer girar o motor e distribuir o óleo pelo interior do cilindro. Instale a(s) vela(s) de ignição. Não coloque os cabos nas velas de ignição.
Verifique e aperte todas as fixações. Repare ou substitua qualquer peça danificada.
Pinte todas as superfícies de metal arranhadas ou descascadas. O serviço de pintura é disponibilizado pelo representante de assistência autorizado.
Guarde a máquina numa garagem ou armazém limpo e seco. Retire a chave da ignição e guarde-a fora do alcance das crianças ou de utilizadores não autorizados. Tape a máquina para a proteger e mantê-la limpa.
Carregue totalmente a bateria.
Deixe a bateria descansar durante 24 horas; depois verifique a tensão da bateria.
Note: Se a tensão da bateria for inferior a 12,6 V, repita os passos 1 e 2.
Desligue os cabos da bateria.
Verifique periodicamente a tensão para se certificar de que esta está a 12,4 V ou mais.
Note: Se a tensão da bateria for inferior a 12,4 V, repita os passos 1 e 2.
Se estiver a armazenar a bateria fora da máquina, faça o seguinte:
Guarde a bateria numa área fresca e seca na vertical.
Não empilhe baterias diretamente umas em cima das outras, a não ser que estejam dentro de embalagens.
Não empilhe mais do que 3 baterias (só 2, se o tipo de bateria for comercial).
Teste uma bateria húmida a cada 4 a 6 meses e carregue-a, se necessário.
Teste sempre e carregue a bateria antes de a instalar.
| Problem | Possible Cause | Corrective Action |
|---|---|---|
| O depósito de combustível apresenta sinais de colapso ou a máquina apresenta frequentemente sinais de estar sem combustível. |
|
|
| Sobreaquecimento do motor. |
|
|
| O arranque elétrico não dá sinal. |
|
|
| O motor não arranca, arranca com dificuldade ou não permanece em funcionamento. |
|
|
| O motor perde potência. |
|
|
| A máquina não anda. |
|
|
| A máquina vibra de forma anormal. |
|
|
| A altura de corte não é uniforme. |
|
|
| As lâminas não rodam. |
|
|
