| Underhållsintervall | Underhållsförfarande |
|---|---|
| Varje användning eller dagligen |
|
Denna åkgräsklippare med roterande knivar är avsedd att användas av privatkunder i bostadsområden. Den är huvudsakligen konstruerad för att klippa gräs på väl underhållna gräsmattor. Det kan medföra fara för dig och kringstående om maskinen används i andra syften än vad som avsetts.
Läs den här informationen noga så att du lär dig att använda och underhålla produkten på rätt sätt och för att undvika person- och produktskador. Du är ansvarig för att produkten används på ett korrekt och säkert sätt.
Besök www.Toro.com om du behöver utbildningsmaterial för säkerhet och drift, information om tillbehör, hjälp med att hitta en återförsäljare eller om du vill registrera din produkt.
Kontakta en auktoriserad återförsäljare eller Toros kundservice och ha produktens modell- och artikelnummer till hands om du har behov av service, Toro-originaldelar eller ytterligare information. Figur 1 visar var på produkten modell- och serienumren sitter. Skriv numren i det tomma utrymmet.
Important: Skanna rutkoden på serienummerdekalen (i förekommande fall) med en mobil enhet för att få tillgång till information om garanti, reservdelar och annat.

Anteckna produktens modell- och serienummer här nedanför så är de lätta att hitta:
Två ord används också i den här bruksanvisningen för att markera information. Viktigt anger speciell teknisk information och Observera anger allmän information som bör ges särskild uppmärksamhet.
Varningssymbolen (Figur 2) visas både i den här bruksanvisningen och på maskinen för att identifiera viktiga säkerhetsmeddelanden som du måste följa för att undvika olyckor. Den här symbolen visas tillsammans med ordet Fara, Varningeller Var försiktig.
Fara: anger en överhängande fara som kommer att leda till allvarliga personskador och innebär livsfara om den inte undviks.
Varning: anger en potentiellt farlig situation som kan leda till allvarliga personskador och innebära livsfara om den inte undviks.
Var försiktig: anger en potentiellt farlig situation som kan leda till lätta eller medelsvåra personskador.

Produkten uppfyller alla relevanta europeiska direktiv. Mer information finns i produktens separata försäkran om överensstämmelse.
Brutto- eller nettomoment: Motorns brutto- eller nettomoment verkstadsbedömdes av motortillverkaren i enlighet med SAE (Society of Automotive Engineers) J1940 eller J2723. Den här gräsklipparklassens faktiska motormoment kommer att vara avsevärt lägre då den är konfigurerad för att uppfylla säkerhetskrav, utsläppsföreskrifter och funktionella krav. Se motortillverkarens information som medföljer maskinen.
Den bifogade bruksanvisningen till motorn tillhandahålls för information om den amerikanska miljömyndigheten EPA:s (US Environmental Protection Agency) och Kaliforniens lagstiftning om utsläppskontroll för emissionssystem, underhåll och garanti. Extra bruksanvisningar kan beställas från motortillverkaren.
Maskinen kan slita av händer och fötter och kasta omkring föremål. Följ alltid alla säkerhetsanvisningar för att förhindra allvarliga personskador eller dödsfall.
Läs och se till att du har förstått innehållet i den här bruksanvisningen innan du startar motorn.
Håll kringstående och barn på avstånd.
Låt inte barn eller någon som inte har genomgått utbildning använda eller utföra underhåll på maskinen. Maskinen ska endast användas av personer som är ansvariga, utbildade, införstådda med anvisningarna och fysiskt kapabla att använda eller utföra service på maskinen.
Kör inte maskinen i närheten av stup, diken, flodbäddar, vatten eller andra faror eller i backar vars lutning överstiger 15 grader.
Håll händer och fötter på avstånd från maskinens rörliga delar.
Kör endast maskinen om skydd, säkerhetsbrytare och andra säkerhetsanordningar sitter på plats och fungerar.
Stäng av motorn, ta ut nyckeln och vänta tills alla rörliga delar har stannat innan du kliver ur förarsätet. Låt maskinen svalna innan du utför service, justerar, tankar, rengör eller ställer den i förvar.

![]() |
Säkerhetsdekalerna och anvisningarna är fullt synliga för föraren och finns nära alla potentiella farozoner. Ersätt dekaler som har skadats eller saknas. |


Dekal 99-3943 är endast för modeller med 127 cm breda klippdäck.

Dekal 105-7015 är endast för modeller med 107 cm breda klippdäck.

Dekal 112-9840 är endast för modeller med 127 cm breda klippdäck.




Dekal 138-6074 är ingjuten på bränsletanken.


Dekal 139-2391 är för modeller utan en timmätare.








Bekanta dig med alla reglage innan du startar motorn och använder maskinen.

Tändningslåset som används för att starta och stänga av motorn har tre lägen: AVSTäNGT LäGE, KöRLäGE och STARTLäGE (Figur 5).
Gasreglaget styr motorhastigheten och har en steglös reglerbar inställning från LåNGSAMT till SNABBT (Figur 5).
Använd choken för att starta en kall motor (Figur 5).
Knivreglagebrytaren betecknas med en kraftuttagssymbol (PTO) och kopplar på och av strömmen till klipparknivarna (Figur 5).
Använd rörelsereglagespakarna för att köra maskinen framåt och bakåt och för att svänga åt olika håll (Figur 4).
För rörelsereglagespakarna utåt från mitten till PARKERINGSLäGET för att koppla in parkeringsbromsen när du stannar eller lämnar maskinen.
Använd MyRide®-justeringsspaken för att justera sätesfjädringen (Figur 4).
Smart Speed™-styrsystemspaken, som sitter nedanför förarsätet, ger dig möjlighet att välja mellan tre hastighetsintervall som maskinen kan köras i – kant, bogsering och klippning (Figur 27).
Du kan använda bränslefönstret på maskinens vänstra sida för att verifiera att det finns bränsle i tanken (Figur 6).

Använd klipphöjdsreglaget för att höja och sänka klippdäcket från förarplatsen. Flytta reglaget uppåt (mot dig) om du vill höja klippdäcket från marken, eller flytta reglaget nedåt (bort från dig) om du vill sänka klippdäcket mot marken. Justera endast klipphöjden när maskinen står stilla (Figur 28).
Klippdäckets fotpedalstyrda lyftsystem gör det möjligt att höja och sänka klippdäcket från förarplatsen. Du kan använda fotpedalen och tillfälligt höja klippdäcket för att undvika hinder eller göra det lättare att justera klipphöjden (Figur 4).
Delarnas mått och utseende kan ändras utan föregående meddelande.
| Klippdäck på 107 cm | Klippdäck på 127 cm | |
| Klippbredd | 107 cm | 127 cm |
| Bredd med riktaren nedåt | 135 cm | 155 cm |
| Bredd med riktaren upphöjd | 123 cm | 130 cm |
| Längd | 185 cm | 186 cm |
| Höjd | 112 cm | 109 cm |
| Vikt | 332 kg | 353 kg |
Det finns ett urval av godkända Toro-redskap och -tillbehör som du kan använda för att förbättra och utöka maskinens kapacitet. Kontakta en auktoriserad serviceverkstad eller Toro-återförsäljare eller gå till www.Toro.com för att se en lista över alla godkända redskap och tillbehör.
Använd endast originalreservdelar och tillbehör från Toro för att garantera optimal prestanda och fortlöpande säkerhet för produkten. Det kan vara farligt att använda reservdelar och tillbehör från andra tillverkare och det kan göra produktgarantin ogiltig.
Note: Vänster och höger sida på maskinen är lika med förarens vänstra respektive högra sida vid normal körning.
Låt inte barn eller någon som inte har genomgått utbildning använda eller utföra underhåll på maskinen. Lokala föreskrifter kan begränsa förarens ålder. Det är ägaren som ansvarar för att utbilda alla förare och mekaniker.
Inspektera området där maskinen ska användas och ta bort föremål som kan störa användningen av maskinen eller som maskinen kan slunga iväg.
Lär dig hur du använder utrustningen på ett säkert sätt och bekanta dig med förarreglage och säkerhetsskyltar.
Kontrollera att förarkontroller, säkerhetsbrytare och skydd sitter fast och fungerar som de ska. Kör inte maskinen om dessa inte fungerar som de ska.
Stäng av motorn, ta ut nyckeln och vänta tills alla rörliga delar har stannat innan du kliver ur förarsätet. Låt maskinen svalna innan du utför service, justerar, tankar, rengör eller ställer den i förvar.
Före klippning ska du kontrollera att klippenheterna fungerar som de ska.
Undersök terrängen för att avgöra vad som är lämplig utrustning och vilka redskap eller tillbehör som eventuellt krävs för att använda maskinen på ett korrekt och säkert sätt.
Använd lämpliga kläder, inklusive ögonskydd, långbyxor, rejäla och halkfria skor samt hörselskydd. Sätt upp långt hår och använd inte hängande smycken eller löst sittande kläder.
Skjutsa inte passagerare på maskinen.
Håll kringstående och husdjur på avstånd från maskinen under drift. Stoppa maskinen och redskapen om någon kommer i närheten av arbetsområdet.
Använd endast maskinen om alla skydd och säkerhetsanordningar, som gräsriktare och hela gräsuppsamlaren, sitter på plats och fungerar som de ska. Byt ut slitna delar vid behov.
Bränsle är extremt brandfarligt och mycket explosivt. Brand eller explosion i bränsle kan orsaka brännskador och materiella skador.
För att förhindra att statisk elektricitet antänder bränslet ska du ta ner maskinen från trucken eller släpvagnen och tanka den på marken på avstånd från andra fordon. Om detta inte är möjligt placerar du en bärbar bränslebehållare på marken, på avstånd från andra fordon, och fyller den. Tanka sedan maskinen från bränslebehållaren istället för från ett munstycke på bränslepumpen.
Fyll på bränsletanken utomhus på en plan yta på en öppen plats när motorn är kall. Torka upp utspillt bränsle.
Hantera inte bränsle när du röker eller befinner dig i närheten av en öppen låga eller gnistor.
Ta inte bort tanklocket och fyll aldrig på bränsle i bränsletanken när motorn är igång eller varm.
Om du har spillt bränsle ska du inte starta motorn. Undvik att orsaka gnistor tills bränsleångorna har skingrats.
Förvara bränslet i en godkänd dunk och håll den utom räckhåll från barn.
Bränsle är skadligt eller dödligt om det förtärs. Längre exponering för bränsleångor kan orsaka allvarliga skador och sjukdom.
Undvik att andas in bränsleångor under en längre tid.
Håll händer och ansikte borta från munstycket och bränsletankens öppning.
Håll bränsle borta från ögon och hud.
Förvara inte maskinen eller bränslebehållaren i närheten av en öppen låga, gnista eller tändlåga, t.ex. nära en varmvattenberedare eller annan utrustning.
Kör inte maskinen utan att ha hela avgassystemet på plats och i gott fungerande skick.
Se till att bensinpumpens munstycke hela tiden har kontakt med kanten på bränsletankens eller dunkens öppning tills tankningen är klar. Använd inte en låsöppningsanordning för munstycket.
Byt omedelbart kläder om du råkar spilla bränsle på dem.
Fyll inte på bränsletanken för mycket. Sätt på tanklocket och dra åt det ordentligt.
Ta bort gräs och skräp från klippenheten, ljuddämparen, drivhjulen, gräsuppsamlaren och motorrummet för att undvika eldsvåda. Torka upp eventuellt olje- eller bränslespill.
| Typ | Blyfri bensin |
| Lägsta oktantal | 87 (USA) eller 91 (researchoktan; utanför USA) |
| Etanol | Högst 10 volymprocent |
| Metanol | Ingen |
| MTBE (metyl-tert-butyleter) | Mindre än 15 volymprocent |
| Olja | Tillför inte till bränslet |
Använd endast rent, färskt (inte mer än 30 dagar gammalt) bränsle från en ansedd källa.
Använd bränslestabiliserare/konditionerare i maskinen så att bränslet förblir färskt längre. Följ tillverkarens anvisningar.
Important: Använd inte bränsletillsatser som innehåller metanol eller etanol.
Tillsätt den mängd bränslestabiliserare/konditionerare som tillverkaren uppger till färskt bränsle.
Parkera maskinen på en plan yta.
För rörelsereglagespakarna utåt till PARKERINGSLäGET.
Stäng av motorn och ta ut nyckeln.
Gör rent omkring tanklocket.
Fyll bränsletanken till påfyllningsrörets nedersta del (Figur 7). Fyll inte tanken helt.

Innan maskinen startas varje dag ska Varje användning/dagligen-procedurerna utföras som anges i .
Det tar tid för nya maskiner att komma upp i sin fulla prestanda. Nya klippdäck och drivsystem har högre friktion vilket belastar motorn ytterligare. Räkna med att det tar 40 till 50 timmar att köra in nya maskiner så att de får full kraft och optimal prestanda.
Om säkerhetsbrytarna är frånkopplade eller skadade kan maskinen plötsligt gå igång, vilket kan leda till personskador.
Gör inga otillåtna ändringar på säkerhetsbrytarna.
Kontrollera säkerhetsbrytarnas funktion dagligen och byt ut eventuella skadade brytare innan du kör maskinen.
Säkerhetssystemet är konstruerat så att motorn inte kan startas om inte
knivreglagebrytaren (kraftuttaget) är urkopplad
Rörelsereglagespakarna är i PARKERINGSLäGET.
Säkerhetssystemet har också konstruerats så att motorn stängs av om du reser dig upp från sätet när reglagespakarna inte är i PARKERINGSLäGET.
| Underhållsintervall | Underhållsförfarande |
|---|---|
| Varje användning eller dagligen |
|
Testa säkerhetssystemet före varje användningstillfälle. Låt en auktoriserad serviceverkstad reparera systemet omedelbart om det inte fungerar enligt nedanstående beskrivning.
Sätt dig på sätet, för rörelsereglagespakarna till PARKERINGSLäGET och för sedan knivreglagebrytaren till läget På. Försök att starta motorn – den ska inte dras runt.
Sätt dig på sätet och för knivreglagebrytaren till läget AV. En av rörelsereglagespakarna förs till mittläget, dvs. det olåsta läget. Försök starta motorn – den ska inte dras runt. Gör likadant med den andra rörelsereglagespaken.
Sätt dig på sätet, för knivreglagebrytaren till läget AV och lås rörelsereglagespakarna i PARKERINGSLäGET. Starta motorn. Aktivera knivreglagebrytaren och res dig något från sätet medan motorn går. Motorn ska stängas av.
Sätt dig på sätet, för knivreglagebrytaren till läget AV och lås rörelsereglagespakarna i PARKERINGSLäGET. Starta motorn. För rörelsereglagespakarna till det olåsta mittläget medan motorn är igång. Res dig sedan något från sätet. Motorn ska stängas av.
Sätet kan flyttas framåt och bakåt. Ställ in sätet så att du har bäst kontroll över maskinen och sitter bekvämt (Figur 8).

MyRide®-fjädringssystemet kan justeras för att göra körningen mjukare och bekvämare. Fjädringens justeringsskåror har lägesspärrar som indikerar ett intervall från mjuk till hård körning (Figur 9).
Parkera maskinen på en plan yta, koppla ur knivreglagebrytaren och för rörelsereglagespakarna utåt till PARKERINGSLäGET.
Stäng av motorn, ta ut nyckeln och vänta tills alla rörliga delar har stannat innan du kliver ur förarsätet.
Kliv av maskinen.
När du står på maskinens högra sida för du justeringsspaken åt vänster mot symbolen – för en mjukare fjädring.
För justeringsspaken åt höger mot symbolen + för en hårdare fjädring.

Du kan höja eller sänka rörelsereglagespakarna för maximal komfort (Figur 10).

Du kan justera rörelsereglagespakarna framåt eller bakåt så att det blir bekvämt för dig.
Lossa den övre skruven som fäster reglagespaken vid reglagearmen.
Lossa den nedre skruven såpass mycket att du kan svänga reglagespaken framåt och bakåt.

Dra åt båda skruvarna för att fästa spaken i det nya läget.
Gör likadant med den andra reglagespaken.
Det klippdäck och de klipparknivar som levereras med den här maskinen har utformats för optimal mullning och sidoutkast.
Montera fästelementen från påsen med lösa delar i de tomma hålen när du har tagit bort återvinningsskärmarna. På så sätt kan du vara säker på att inga hål är öppna när du använder klippdäcket.
Om det finns öppna hål i maskinen riskerar du och andra personer att träffas av utslungat skräp och få allvarliga personskador.
Kör aldrig maskinen om inte fästelement har monterats i samtliga hål i klipparkåpan.
Montera fästelementen i monteringshålen när du tar bort mullningsskärmen.
Parkera maskinen på en plan yta, koppla ur knivreglagebrytaren och för rörelsereglagespakarna utåt till PARKERINGSLäGET.
Stäng av motorn, ta ut nyckeln och vänta tills alla rörliga delar har stannat innan du kliver ur förarsätet.
Ta bort klippdäcket. Se Demontera klippdäcket.
Ta bort de två låsmuttrarna (5/16 tum) från skärmens svetsade tappar.

Ta bort de två vagnsskruvarna och de två låsmuttrarna som fäster skärmen vid klippdäcket och ta bort skärmen.
Använd två skruvar från påsen med lösa delar och två befintliga låsmuttrar för att plugga igen hålen avsedda för de svetsade tapparna för att förhindra att skräp slungas omkring.
Note: Montera fästelementen så att muttrarna hamnar ovanpå klippdäcket.
Använd en skruv från påsen med lösa delar och en befintlig låsmutter för att plugga igen hålet på klippdäckets framsida.
Note: Montera fästelementen så att muttern hamnar utanför klippdäcket.
Montera klippdäcket. Se Montera klippdäcket.
Parkera maskinen på en plan yta, koppla ur knivreglagebrytaren och för rörelsereglagespakarna utåt till PARKERINGSLäGET.
Stäng av motorn, ta ut nyckeln och vänta tills alla rörliga delar har stannat innan du kliver ur förarsätet.
Ta bort klippdäcket. Se Demontera klippdäcket.
Ta bort de tre låsmuttrarna (5/16 tum) från den högra skärmens svetsade tappar.

Ta bort vagnsskruven och låsmuttern som fäster den högra skärmen vid klippdäcket och ta bort skärmen.
Använd vagnsskruven och låsmuttern som du tog bort i steg 5 för att plugga igen hålet på klippdäckets högra sida för att förhindra att skräp slungas omkring.
Note: Montera fästelementen så att muttern hamnar utanför klippdäcket.
Använd tre skruvar från påsen med lösa delar och tre befintliga låsmuttrar för att plugga igen hålen avsedda för de svetsade tapparna.
Note: Montera fästelementen så att muttrarna hamnar ovanpå klippdäcket.
Ta bort de två låsmuttrarna (5/16 tum) från den vänstra skärmens svetsade tappar.

Ta bort vagnsskruven och låsmuttern som fäster den vänstra skärmen vid klippdäcket och ta bort skärmen.
Använd vagnsskruven och låsmuttern som du tog bort i steg 9 för att plugga igen hålet på klippdäckets högra sida för att förhindra att skräp slungas omkring.
Note: Montera fästelementen så att muttern hamnar utanför klippdäcket.
Använd två skruvar från påsen med lösa delar och två befintliga låsmuttrar för att plugga igen hålen avsedda för de svetsade tapparna.
Note: Montera fästelementen så att muttrarna hamnar ovanpå klippdäcket.
Ta bort muttern från gräsriktarstången under klippdäcket.

Använd muttern för att montera kantskärmen på gräsriktarstången med hjälp av det yttre hålet i skärmen.
Montera klippdäcket. Se Montera klippdäcket.
Ägaren/operatören kan förebygga olyckor samt ansvarar för olyckor som kan ge upphov till personskador eller skador på egendom.
Var fullt koncentrerad på maskinen när du använder den. Delta inte i aktiviteter som kan distrahera dig, eftersom personskador eller skador på egendom då kan uppstå.
Kör inte maskinen om du är sjuk, trött eller påverkad av alkohol eller läkemedel.
Kontakt med kniven kan orsaka allvarliga personskador. Stäng av motorn, ta ut nyckeln och vänta tills alla rörliga delar har stannat innan du kliver ur förarsätet. När du vrider nyckeln till läget AV ska motorn stängas av och kniven stanna. Om de inte stannar slutar du genast att använda maskinen och kontaktar en auktoriserad återförsäljare.
Använd endast maskinen när sikten och väderförhållandena är goda. Använd inte maskinen när det finns risk för blixtnedslag.
Håll händer och fötter borta från klippenheterna. Håll avstånd till utkastaröppningen.
Klipp inte om gräsriktaren är uppfälld, har tagits bort eller modifierats såvida du inte använder ett gräsuppsamlingssystem eller en mullningssats som är monterad och fungerar korrekt.
Klipp inte under backning om det inte är absolut nödvändigt. Titta alltid nedåt och bakom dig innan du kör maskinen bakåt.
Var extra försiktig i närheten av skymda hörn, buskage, träd eller andra föremål som kan försämra sikten.
Stanna knivarna när du inte klipper gräs.
Om du kör på något föremål eller om maskinen börjar vibrera ska du omedelbart stänga av motorn, ta ut nyckeln (i förekommande fall) och vänta tills alla rörliga delar har stannat innan du kontrollerar om maskinen har skadats. Reparera alla skador innan du börjar köra maskinen igen.
Sakta ned och var försiktig när du svänger och korsar vägar och trottoarer med maskinen. Lämna alltid företräde.
Gör följande innan du lämnar förarplatsen:
Ställ maskinen på ett plant underlag.
Koppla ur kraftuttaget och sänk ner redskapen.
Koppla in parkeringsbromsen.
Stäng av motorn och ta ut nyckeln.
Vänta tills alla rörliga delar har stannat.
Kör endast motorn i välventilerade utrymmen. Avgaser innehåller koloxid, vilket är dödligt om det andas in.
Lämna aldrig en maskin som är i gång utan uppsikt.
Anslut endast bogseringsutrustning till maskinen via draganordningen.
Använd endast maskinen om alla skydd och säkerhetsanordningar, som gräsriktare och hela gräsuppsamlaren, sitter på plats och fungerar som de ska. Byt ut slitna delar vid behov.
Använd endast tillbehör och redskap som har godkänts av Toro.
Denna maskin ger ljudnivåer vid förarens öra som överstiger 85 dBA och kan orsaka hörselskador vid längre arbetspass.

Ta bort gräs och skräp från klippenheten, drivhjulen, ljuddämparna och motorn för att undvika eldsvåda.
Starta motorn med fötterna långt bort från kniven.
Vänd klipparen så att gräsklippet inte träffar kringstående under klippningen. Rikta inte det utkastade materialet mot en vägg eller något annat hinder eftersom det kan kastas tillbaka mot dig.
Stanna knivarna, sakta ner maskinen och var försiktig när du korsar andra ytor än gräs eller när du transporterar maskinen till och från arbetsområdet.
Ändra inte motorns varvtalshållare och övervarva inte motorn.
Barn intresserar sig ofta för maskinen och klippningen. Förutsätt aldrig att ett barn förblir på den plats där du såg det senast.
Håll barn på säkert avstånd från arbetsområdet och under en ansvarsfull vuxens uppsyn (inte förarens).
Var uppmärksam och stäng av maskinen om barn kommer i närheten av arbetsområdet.
Innan du backar eller svänger med maskinen ska du titta efter så att det inte finns några små barn omkring dig.
Låt inte barn åka på maskinen. Det gäller även när kniven inte rör sig. Barn kan ramla av och skadas allvarligt eller hindra dig från att använda maskinen på ett säkert sätt. Barn som har fått åka med förut kan dyka upp i arbetsområdet utan förvarning och bli överkörda eller påbackade av den som klipper.
Sluttningar är en betydande faktor vid olyckor som orsakas av att föraren förlorat kontrollen eller att maskinen välter, vilket kan innebära livsfara eller leda till allvarliga personskador. Det är föraren som är ansvarig för säker manövrering i sluttningar. Om du kör maskinen i en sluttning måste du vara extra försiktig. Vidta följande åtgärder innan du använder maskinen i en sluttning:
Läs och ta till dig sluttningsanvisningarna i bruksanvisningen och på maskinen.
Använda en vinkelindikator för att fastställa områdets ungefärliga lutning.
Kör aldrig i backar vars lutning överstiger 15 grader.
Utvärdera dagligen förhållandena på platsen för att fastställa om sluttningen är säker för maskindrift. Använd sunt förnuft och ett gott omdöme när du utför utvärderingen. Förändringar i terrängen, t.ex. fukt, kan snabbt påverka hur maskinen fungerar i en sluttning.
Identifiera faror nere vid slutet av sluttningen. Kör inte maskinen nära stup, diken, flodbäddar, vatten eller andra riskfyllda områden. Maskinen kan välta plötsligt om ett hjul kör över en kant eller kanten ger vika. Håll säkert avstånd (dubbel maskinbredd) mellan maskinen och riskfyllda områden. Använd en manuell gräsklippare eller en handtrimmer för att klippa gräs i dessa områden.
Undvik att starta, stänga av eller svänga med maskinen i sluttningar. Undvik att göra plötsliga ändringar i hastighet eller riktning, sväng långsamt och gradvis.
Använd inte maskinen under förhållanden där det råder tvekan om dragkraft, styrning eller stabilitet. Observera att om du kör maskinen på vått gräs, tvärs över sluttningar och nedför en sluttning kan maskinen förlora dragkraft. Om drivhjulen tappar dragkraft kan det leda till att maskinen glider och att du förlorar kontrollen över bromsning och styrning. Maskinen kan glida även om drivhjulen stoppas.
Ta bort eller märk ut hinder som t.ex. diken, hål, fåror, gupp, stenar eller andra dolda faror. Det kan finnas dolda hinder i högt gräs. Ojämn terräng kan göra att maskinen välter.
Var extra försiktig när du kör med tillbehör eller redskap, t.ex. gräsuppsamlingssystem. Dessa kan ändra maskinens stabilitet och leda till att du förlorar kontrollen. Följ anvisningarna för motvikterna.
Om möjligt ska däcket hållas nedsänkt mot marken när du kör i sluttningar. Om klippdäcket höjs vid körning i sluttningar kan maskinen bli instabil.

Anslut inte någon bogseringsutrustning annat än till draganordningen.
Använd inte maskinen som bogserfordon såvida den inte har en installerad dragkrok.
Överskrid inte viktgränserna för utrustning som bogseras samt bogsering i sluttningar. Den vikt som bogseras får inte överskrida maskinens och förarens sammanlagda vikt.
Låt aldrig barn eller någon annan person komma i närheten av utrustningen som bogseras.
I sluttningar kan den bogserade utrustningens vikt göra att drivningen går förlorad och därmed öka risken för att den välter och för att du tappar kontrollen. Minska den vikt som bogseras och sakta ned.
Stoppsträckan kan öka med den bogserade lastens vikt. Kör därför alltid långsamt och beräkna extra lång stoppsträcka.
Gör stora svängar så att redskapet inte krockar med maskinen.
Med knivreglagebrytaren (kraftuttaget) startas och stoppas klipparens knivar och eventuella motordrivna redskap.

Du kan flytta gasreglaget mellan det SNABBA och det LåNGSAMMA läget (Figur 21).
Använd alltid det SNABBA läget när du kopplar in kraftuttaget.

Använd choken för att starta en kall motor.
Note: En varm eller het motor behöver eventuellt inte chokas.
Important: Låt inte startmotorn gå i mer än 5 sekunder åt gången. Om startmotorn går i mer än 5 sekunder kan den skadas. Om motorn inte startar väntar du 10 sekunder innan du använder startmotorn igen.

Koppla ur knivarna genom att föra knivreglagebrytaren till AV-LäGET.
För rörelsereglagespakarna utåt till PARKERINGSLäGET.
Flytta gasreglaget till läget mellan halvt och fullt gaspådrag.
Vrid tändningsnyckeln till läget AV och ta ut nyckeln.
Barn eller kringstående kan skadas om de flyttar eller försöker köra en maskin som har lämnats utan uppsikt.
Ta alltid ut nyckeln och koppla in parkeringsbromsen när du lämnar maskinen utan uppsikt.

Drivhjulen svänger oberoende av varandra och drivs av hydraulmotorer på varje axel. Du kan svänga ena sidan bakåt och den andra framåt så att maskinen snurrar istället för att svänga. Detta gör maskinen mycket mer lättmanövrerad, men det kan ta ett tag att vänja sig vid rörelserna.
Med gasreglaget styrs motorns varvtal mätt i rpm (varv per minut). Sätt gasreglaget i det SNABBA läget för bästa prestanda. Kör alltid med full gas vid klippning.
Maskinen kan rotera väldigt snabbt. Du kan förlora kontrollen över maskinen och orsaka personskador eller skador på maskinen.
Var försiktig i svängar.
Sakta ned innan du gör skarpa svängar.
Note: Var alltid försiktig när du svänger.
För reglagen till mittläget, olåst läge.
Kör framåt genom att försiktigt föra rörelsereglagespakarna framåt (Figur 25).

Note: Var försiktig när du backar och svänger.
För reglagen till mittläget, olåst läge.
Backa genom att försiktigt dra rörelsereglagespakarna bakåt (Figur 26).

Smart SpeedTM-styrsystemspaken, som sitter nedanför förarsätet (Figur 27), ger föraren möjlighet att välja mellan tre hastighetsintervall som maskinen kan köras i – kant, bogsering och klippning.

Så här ändrar du hastigheten:
För rörelsereglagespakarna till neutralläget och utåt till PARKERINGSLäGET.
Koppla ur knivreglagebrytaren.
Justera spaken till önskat läge.
Den information som följer ska endast ses som en rekommendation. Vilka justeringar som bör göras varierar beroende på grästyp, fukthalt och gräsets höjd.
| Lämplig användning: | Kant | Bogsering | Klippning |
| Parkering | X | ||
| Tungt, vått gräs | X | ||
| Utbildning | X | ||
| Trimning av gräs | X | ||
| Uppsamling | X | ||
| Mullning | X | ||
| Bogsering av redskap | X | ||
| Normal klippning | X | ||
| Flytta maskinen | X |
Kant
Det här är den långsammaste hastigheten. Hastigheten passar till följande:
Parkering
Klippning av tungt, vått gräs
Utbildning
Trimning av gräs
Bogsering
Det här är mellanhastigheten. Hastigheten passar till följande:
Uppsamling
Mullning
Bogsering av redskap
Klippning
Det här är den snabbaste hastigheten. Hastigheten passar till följande:
Normal klippning
Flytta maskinen
Klipparen har en fällbar gräsriktare som sprider ut det klippta gräset åt sidan och ner i gräsmattan.
Om ingen gräsriktare, utkastarlucka eller komplett gräsuppsamlare har monterats kan du och andra komma i kontakt med knivarna eller träffas av utslungat skräp. Kontakt med roterande kniv(ar) och utslungat skräp kan orsaka skador eller leda till dödsfall.
Ta aldrig bort gräsriktaren från klippdäcket eftersom gräsriktaren riktar avfallet ned mot gräset. Byt omedelbart ut gräsriktaren om den skadas.
För aldrig in händerna eller fötterna under klippdäcket.
Försök aldrig att rensa utkastaren eller knivarna utan att först KOPPLA UR knivreglagebrytaren (kraftuttaget), vrida tändningslåset till det AVSTäNGDAläget och sedan ta ut nyckeln ur tändningslåset.
Se till att gräsriktaren är i nedfällt läge.
Varje gång du ändrar klipphöjden ska du även justera antiskalprullarnas höjdinställning.
Note: Justera antiskalpvalsarna så att de inte vidrör marken vid normal klippning på plana ytor.
Parkera maskinen på en plan yta, koppla ur knivreglagebrytaren och för rörelsereglagespakarna utåt till PARKERINGSLäGET.
Stäng av motorn, ta ut nyckeln och vänta tills alla rörliga delar har stannat innan du kliver ur förarsätet.
Justera antiskalpvalsarna till något av följande lägen:
Övre hålet – använd det här läget när klippdäcket är inställd på klipphöjder på 63 mm eller lägre (Figur 29).
Nedre hålet – använd det här läget när klippdäcket är inställt på klipphöjder på 76 mm eller högre (Figur 29).

Varje gång du ändrar klipphöjden ska du även justera antiskalprullarnas höjdinställning.
Note: Justera antiskalpvalsarna så att de inte vidrör marken vid normal klippning på plana ytor.
Parkera maskinen på en plan yta, koppla ur knivreglagebrytaren och för rörelsereglagespakarna utåt till PARKERINGSLäGET.
Stäng av motorn, ta ut nyckeln och vänta tills alla rörliga delar har stannat innan du kliver ur förarsätet.
Justera antiskalpvalsarna (Figur 30) så att de motsvarar närmaste klipphöjd.

Kör motorn i det SNABBA läget för bästa klippning och maximal luftcirkulation. Det krävs luft för att klippa gräset ordentligt. Ställ inte in för låg klipphöjd så att klippdäcket helt omges av oklippt gräs. Försök att alltid se till att en sida av klippdäcket är fritt från oklippt gräs, vilket medför att luft kan sugas in i klippdäcket.
Klipp gräset något högre än normalt så att inte klippdäcket skalperar ojämn mark. Den klipphöjd som använts tidigare är vanligtvis den bästa. Vid klippning av gräs som är längre än 15 cm kan du behöva klippa två gånger för att få ett acceptabelt klippresultat.
Det är bäst att bara klippa av cirka en tredjedel av grässtrået. Mer än så rekommenderas bara om gräset är glest eller om det är sent på hösten då gräset växer saktare.
Växla klippriktning för att hålla gräset rakt. Det underlättar också fördelningen av det klippta gräset, vilket förbättrar nedbrytning och gödning.
Gräs växer i olika takt beroende på årstiden. För att hålla samma längd på gräset ska man klippa oftare tidigt på våren. Klipp mer sällan när tillväxten avtar mot mitten av sommaren. Klipp med högre klipphöjd och klipp sedan igen efter två dagar med lägre klipphöjd om du inte kan klippa under en längre tidsperiod.
Under vissa förhållanden kan klippning i långsam markhastighet förbättra klippkvaliteten.
Höj klipphöjden vid klippning av en ojämn gräsmatta så att inte gräsmattan skalas av.
Om du måste stanna maskinen under klippningen kan en klump med gräsklipp falla ner på gräsmattan. Kör till ett område som du redan har klippt medan knivarna är inkopplade för att undvika detta eller koppla bort klippardäcket samtidigt som du kör framåt.
Rensa bort gräsklipp och smuts från undersidan av klippdäcket efter varje klippning. Om gräs och smuts ansamlas inuti klippdäcket blir klippresultatet till slut inte tillfredsställande.
Se till att hålla kniven vass under klippsäsongen, eftersom en vass kniv klipper rent utan att slita och rycka av grässtråna. Om gräset slits och rycks av gulnar det i ändarna, vilket minskar tillväxten och ökar risken för sjukdomar. Kontrollera knivarna efter varje användning för att se till att de inte är slöa, slitna eller skadade. Fila ned eventuella hack och slipa knivarna om så behövs. Om en kniv är skadad eller sliten ska den bytas ut omedelbart mot en originalkniv från Toro. Se Serva knivarna.
Stäng av motorn, ta ut nyckeln och vänta tills alla rörliga delar har stannat innan du kliver ur förarsätet. Låt maskinen svalna innan du utför service, justerar, tankar, rengör eller ställer den i förvar.
Ta bort gräs och skräp från klippenheten, ljuddämparen, drivhjulen, gräsuppsamlaren och motorrummet för att undvika eldsvåda. Torka upp eventuellt olje- eller bränslespill.
Ta ut nyckeln före transport och förvaring.
| Underhållsintervall | Underhållsförfarande |
|---|---|
| Efter varje användning |
|
Important: Du kan tvätta maskinen med ett milt rengöringsmedel och vatten. Högtryckstvätta inte maskinen. Undvik att använda alltför mycket vatten, särskilt nära kontrollpanelen, under sätet samt kring motorn, hydraulpumparna och motorerna.
Parkera maskinen på en plan yta, koppla ur knivreglagebrytaren och för rörelsereglagespakarna utåt till PARKERINGSLäGET.
Stäng av motorn och vänta tills alla rörliga delar har stannat innan du lämnar förarplatsen.
Rensa bort gräs och skräp från klippenheten, ljuddämparen, drivhjulen, gräsuppsamlaren och motorn. Använd tryckluft när det är möjligt.
Note: Information om hur du använder klippdäckets tvättkoppling finns i Tvätta klippdäckets undersida.
Parkera maskinen på en plan yta, koppla ur knivreglagebrytaren och för rörelsereglagespakarna utåt till PARKERINGSLäGET.
Stäng av motorn och vänta tills alla rörliga delar har stannat innan du lämnar förarplatsen.
Lokalisera förbikopplingsspakarna på ramen på båda sidor av motorn.
För båda förbikopplingsspakarna framåt genom det avlånga hålet och nedåt för att låsa dem på plats (Figur 31).
Vid kontakt med heta ytor kan personskador uppstå.
Håll händer, fötter, ansikte och andra kroppsdelar samt kläder på avstånd från motorn, ljuddämparen och andra heta ytor.
Maskinen kan oavsiktligt röra sig om förbikopplingsspakarna är låsta framåt i hålet och skada dig eller kringstående.
Lås förbikopplingsspakarna bakåt när du har flyttat maskinen.

Koppla ur parkeringsbromsen genom att flytta båda rörelsereglagespakarna till det olåsta mittläget.
Note: Starta inte maskinen.
Flytta maskinen efter behov.
Important: Skjut alltid maskinen för hand. Bogsera inte maskinen då bogsering kan leda till att den skadas.
För rörelsereglagespakarna utåt till PARKERINGSLäGET.
För båda förbikopplingsspakarna bakåt och nedåt genom det avlånga hålet för att låsa dem på plats.
Använd en släpvagn eller lastbil för tung last för att transportera maskinen. Använd en fullbreddsramp. Se till att alla bromsar, lampor och markeringar som krävs enligt lag finns på släpvagnen eller lastbilen. Läs alla säkerhetsanvisningarna noga. Att känna till den här informationen kan hjälpa dig och kringstående att undvika skador. Kontrollera vilka lokala bestämmelser som gäller för transport på släp.
Det är farligt att köra på gator eller vägar utan blinkers, strålkastare och reflexer, eller utan en skylt för långsamtgående fordon, och det kan orsaka olyckor med personskador som följd.
Kör inte maskinen på allmän väg.
Om man lastar på en maskin på ett släp eller en lastbil ökar risken för att välta, vilket kan orsaka allvarliga personskador och innebära livsfara (Figur 32).
Använd endast en fullbreddsramp. Använd inte åtskilda ramper för var sida av maskinen.
Kontrollera att lutningen mellan rampen och marken, eller mellan rampen och släpet eller lastbilen, inte är större än 15 grader.
Kontrollera att rampen är minst fyra gånger så lång som släpvagns- eller lastbilsflakets höjd från marken. Det tillförsäkrar att rampens vinkel inte överstiger 15 grader på plan mark.

Om man lastar på en maskin på ett släp eller en lastbil ökar risken för att välta, vilket kan orsaka allvarliga personskador och innebära livsfara.
Var mycket försiktig vid körning på en ramp.
Backa maskinen uppför rampen och kör den framåt nedför rampen.
Undvik plötslig acceleration eller inbromsning när du kör maskinen på en ramp, eftersom det kan orsaka att du tappar kontrollen eller tippar.
Om du använder en släpvagn ska den kopplas till det bogserande fordonet och säkras med säkerhetskedjor.
Anslut i förekommande fall släpvagnsbromsarna och släpvagnsbelysningen.
Sänk ned rampen och säkerställ att vinkeln mellan rampen och marken inte är större än 15 grader (Figur 32).
Backa maskinen uppför ramper (Figur 33).

Stäng av motorn, ta ut nyckeln och för rörelsereglagespakarna utåt till PARKERINGSLäGET.
Bind fast maskinen nära de främre svänghjulen och den bakre ramen med remmar, kedjor, kablar eller rep (Figur 34). Kontrollera vilka lokala bestämmelser som gäller för transport på släp.
Note: Rikta remmarna nedåt och bort från maskinen.

Note: Vänster och höger sida på maskinen motsvarar förarens vänstra respektive högra sida vid normal körning.
Om du lämnar nyckeln i tändningslåset kan någon råka starta motorn av misstag och skada dig eller någon annan person allvarligt. Ta ut nyckeln ur tändningslåset innan du utför något underhåll.
Innan du kliver ur förarsätet ska du göra följande:
Ställ maskinen på ett plant underlag.
Koppla bort drivenheterna.
Koppla in parkeringsbromsen.
Stäng av motorn och ta ut nyckeln.
Låt maskinens komponenter svalna innan du utför underhåll.
Låt inte obehöriga personer underhålla maskinen.
Håll händer och fötter borta från rörliga delar och heta ytor. Gör helst inga justeringar när motorn är igång.
Lätta försiktigt på trycket i komponenter med lagrad energi.
Kontrollera parkeringsbromsens funktion ofta. Justera och utför underhåll om så erfordras.
Mixtra aldrig med säkerhetsbrytarna. Kontrollera regelbundet att säkerhetsbrytarna fungerar som de ska.
Ta bort gräs och skräp från klippenheten, ljuddämparen, drivhjulen, gräsuppsamlaren och motorrummet för att undvika eldsvåda.
Torka upp olja eller bränsle som har spillts ut och ta bort skräp som har dränkts in i bränsle.
Förlita dig inte på att ett hydraulsystem eller mekaniska domkrafter ska stötta upp maskinen. Stötta maskinen med pallbockar när du höjer upp den.
Håll alla delar i gott bruksskick och samtliga fästelement åtdragna, i synnerhet knivens fästelement. Byt ut alla slitna eller skadade dekaler.
Koppla bort kabeln från batteriets minuspol innan du reparerar maskinen.
Använd endast Toros originalreservdelar och tillbehör för att säkerställa optimal prestanda. Det kan vara farligt att använda reservdelar och tillbehör från andra tillverkare och det kan göra produktgarantin ogiltig.
| Underhållsintervall | Underhållsförfarande |
|---|---|
| Efter de första 8 timmarna |
|
| Varje användning eller dagligen |
|
| Efter varje användning |
|
| Var 25:e timme |
|
| Var 100:e timme |
|
| Var 100:e timme eller årligen beroende på vilket som inträffar först |
|
| Var 200:e timme |
|
| Var 300:e timme |
|
| Före förvaring |
|
Important: Ytterligare information om underhållsrutiner finns i bruksanvisningen till motorn.
Om du lämnar nyckeln i tändningslåset kan någon råka starta motorn av misstag och skada dig eller någon annan person allvarligt.
Stäng av motorn och ta ut nyckeln ur låset innan du utför något underhåll.
Lossa de två nedre skruvarna på kjolen för att få åtkomst till klippdäckets ovansida (Figur 35).

Note: Dra alltid åt bultarna igen för att montera kjolen efter underhåll.
Använd pallbockar för att stötta upp maskinen när du höjer den.
Om du stöttar upp maskinen på det nedre ljuddämparskyddet (Figur 36) kan det gå sönder och maskinen falla ned, så att du och kringstående skadas.
Använd inte det nedre ljuddämparskyddet för att lyfta eller stötta upp maskinen.

| Underhållsintervall | Underhållsförfarande |
|---|---|
| Var 25:e timme |
|
Typ av fett: litiumfett nr 2
Parkera maskinen på en plan yta, koppla ur knivreglagebrytaren och för rörelsereglagespakarna utåt till PARKERINGSLäGET.
Stäng av motorn, ta ut nyckeln och vänta tills alla rörliga delar har stannat innan du kliver ur förarsätet.
Torka av smörjnipplarna (Figur 37) med en trasa.
Note: Skrapa av eventuell färg från nipplarnas framändar.

Sätt på en fettspruta på varje nippel (Figur 37).
Pumpa in fett i nipplarna tills det börjar tränga ut ur lagren.
Torka bort överflödigt fett.
Håll händer, fötter, ansikte och andra kroppsdelar samt kläder på avstånd från ljuddämparen och övriga heta ytor. Låt motorkomponenter svalna innan du utför underhåll.
Ändra inte motorns varvtalshållare och övervarva inte motorn.
| Underhållsintervall | Underhållsförfarande |
|---|---|
| Varje användning eller dagligen |
|
| Var 300:e timme |
|
Note: Utför service på luftrenaren oftare (med några timmars mellanrum) vid extremt dammiga och sandiga arbetsförhållanden.
Parkera maskinen på en plan yta, koppla ur knivreglagebrytaren och för rörelsereglagespakarna utåt till PARKERINGSLäGET.
Stäng av motorn, ta ut nyckeln och vänta tills alla rörliga delar har stannat innan du kliver ur förarsätet.
Gör rent omkring luftrenaren så att inte smuts faller ned i motorn och orsakar skador.
Lossa slangklämman och ta bort pappersinsatsen (Figur 36).

| Underhållsintervall | Underhållsförfarande |
|---|
Rengör pappersinsatsen genom att knacka försiktigt på den för att få bort damm.
Note: Om pappersinsatsen är mycket smutsig bör den bytas ut mot en ny.
Inspektera och leta efter sprickor, oljebeläggning eller skador på gummitätningen.
Byt ut pappersinsatsen om den är skadad.
Important: Rengör inte pappersfiltret.
Oljetyp: Renad olja (API service SF, SG, SH, SJ eller SL)
Vevhusets kapacitet: 1,8 liter utan filter, 2,1 liter med filter
Viskositet: Se tabellen nedan.

| Underhållsintervall | Underhållsförfarande |
|---|---|
| Varje användning eller dagligen |
|
Note: Kontrollera oljenivån när motorn är kall.
Important: Om du fyller på för mycket eller för lite olja i motorns vevhus och startar motorn kan den skadas.
Parkera maskinen på en plan yta, koppla ur knivreglagebrytaren och för rörelsereglagespakarna utåt till PARKERINGSLäGET.
Stäng av motorn, ta ut nyckeln och vänta tills alla rörliga delar har stannat innan du kliver ur förarsätet.
Note: Säkerställ att motorn har svalnat så att oljan har hunnit rinna ned i sumpen.
Rengör området runt oljepåfyllningslocket och oljestickan innan du tar bort stickan så att smuts och gräsklipp inte hamnar i motorn (Figur 40).

| Underhållsintervall | Underhållsförfarande |
|---|---|
| Efter de första 8 timmarna |
|
| Var 100:e timme |
|
Parkera maskinen så att tömningssidan är något lägre än den motsatta sidan, så att all olja tappas ut.
Koppla ur knivreglagebrytaren (kraftuttaget) och för rörelsereglagespakarna utåt till PARKERINGSLäGET.
Stäng av motorn, ta ut nyckeln och vänta tills alla rörliga delar har stannat innan du kliver ur förarsätet.
Töm motorn på olja (Figur 39).

Häll långsamt ca 80 % av den angivna oljan i påfyllningsröret och tillsätt långsamt den resterande oljan tills den når markeringen Full (Figur 42).

Lämna in spilloljan på en återvinningsstation.
| Underhållsintervall | Underhållsförfarande |
|---|---|
| Var 200:e timme |
|
Töm motorn på olja; se Byta ut motoroljan.
Byt ut motoroljefiltret (Figur 41).

Note: Kontrollera att oljefilterpackningen ligger mot motorn och vrid sedan oljefiltret ytterligare ¾ varv.
Fyll vevhuset med ny olja av rätt typ (Figur 40).
| Underhållsintervall | Underhållsförfarande |
|---|---|
| Var 100:e timme |
|
Se till att mellanrummet mellan mitt- och sidoelektroderna är korrekt innan tändstiftet monteras. Använd en tändstiftsnyckel vid demontering och montering av tändstiftet och ett bladmått för kontroll och justering av mellanrummet. Montera vid behov ett nytt tändstift.
Typ av tändstift: NGK® BPR4ES
Luftgap: 0,75 mm
Parkera maskinen på en plan yta, koppla ur knivreglagebrytaren och för rörelsereglagespakarna utåt till PARKERINGSLäGET.
Stäng av motorn, ta ut nyckeln och vänta tills alla rörliga delar har stannat innan du kliver ur förarsätet. Låt motorn svalna.
Rengör området runt stiftets bas så att smuts och skräp inte hamnar i motorn.
Ta bort tändstiftet (Figur 44).

Important: Rengör inte tändstiftet/-stiften. Byt alltid ut tändstiftet om det har en svart beläggning, slitna elektroder, en oljefilm eller sprickor.
Om isolatorn är ljust brun eller grå fungerar motorn korrekt. En svart beläggning på isolatorn betyder vanligen att luftrenaren är smutsig.
Ställ in gapet till 0,76 mm.


| Underhållsintervall | Underhållsförfarande |
|---|---|
| Varje användning eller dagligen |
|
Parkera maskinen på en plan yta, koppla ur knivreglagebrytaren och för rörelsereglagespakarna utåt till PARKERINGSLäGET.
Stäng av motorn, ta ut nyckeln och vänta tills alla rörliga delar har stannat innan du kliver ur förarsätet.
Ta bort luftfiltret från motorn.
Ta bort motorhöljet.
Montera luftfiltret på filterbasen för att förhindra att skräp kommer in i luftintaget.
Avlägsna skräp och gräs från delarna.
Ta bort luftfiltret och montera motorhöljet.
Montera luftfiltret.
Under vissa förhållanden är bränsle extremt brandfarligt och mycket explosivt. Brand eller explosion i bränsle kan orsaka brännskador och materiella skador.
Mer information om försiktighetsåtgärder rörande bränslehantering finns i Bränslesäkerhet.
| Underhållsintervall | Underhållsförfarande |
|---|---|
| Var 100:e timme |
|
Sätt aldrig tillbaka ett smutsigt filter efter att ha tagit bort det från bränsleslangen.
Parkera maskinen på en plan yta, koppla ur knivreglagebrytaren och för rörelsereglagespakarna utåt till PARKERINGSLäGET.
Stäng av motorn, ta ut nyckeln och vänta tills alla rörliga delar har stannat innan du kliver ur förarsätet. Låt motorn svalna.
Byt ut filtret (Figur 47).
Note: Säkerställ att pilen för flödesriktningen på ersättningsfiltret pekar mot motorn.


Koppla bort kabeln från batteriets minuspol innan du reparerar maskinen.
Ladda batteriet i ett öppet och välventilerat utrymme, på avstånd från gnistor och öppna lågor. Koppla ur laddaren innan batteriet ansluts eller kopplas bort. Använd skyddskläder och isolerade verktyg.
Batteripolerna eller verktyg av metall kan kortslutas mot maskinkomponenter i metall och orsaka gnistor. Gnistor kan få batterigaserna att explodera, vilket kan leda till personskador.
Vid avlägsnande eller installation av batteriet får du inte låta batterianslutningarna komma i kontakt med några av maskinens metalldelar.
Låt inte metallverktyg kortslutas mellan batterianslutningarna och maskinens metalldelar.
Parkera maskinen på en plan yta, koppla ur knivreglagebrytaren och för rörelsereglagespakarna utåt till PARKERINGSLäGET.
Stäng av motorn, ta ut nyckeln och vänta tills alla rörliga delar har stannat innan du kliver ur förarsätet.
Höj upp sätet för att komma åt batteriet.
Lossa den jordade minuskabeln (svart) från batteripolen (Figur 48).
Note: Spara alla fästelement.
Felaktig borttagning av kablar från batteriet kan orsaka gnistor, vilket kan skada maskinen och kablarna. Gnistor kan få batterigaserna att explodera, vilket kan leda till personskador.
Lossa alltid batteriets minuskabel (svart) innan du lossar pluskabeln (röd).
Anslut alltid pluskabeln (röd) innan du ansluter minuskabeln (svart).
Dra av gummihöljet från pluskabeln (röd).
Lossa pluskabeln (röd) från batteripolen (Figur 48).
Note: Spara alla fästelement.
Ta bort batteriets låsfäste (Figur 48) och lyft ut batteriet ur batterilådan.

| Underhållsintervall | Underhållsförfarande |
|---|---|
| Före förvaring |
|
Ta bort batteriet från chassit. Se Demontering av batteri.
Ladda batteriet i minst en timme vid 6–10 A.
Note: Överladda inte batteriet.
När batteriet är fulladdat ska laddaren kopplas bort från eluttaget först, och sedan ska laddningskablarna lossas från batteripolerna (Figur 49).

Placera batteriet i lådan (Figur 48).
Anslut pluskabeln (röd) till batteriets pluspol (+) med de fästelement som togs bort tidigare.
Anslut minuskabeln till batteriets minuspol (-) med de fästelement som du tog bort tidigare.
Trä på den röda anslutningsskon på batteriets pluspol (röd).
Fäst batteriet med låsfästet (Figur 48).
Sänk ned sätet.
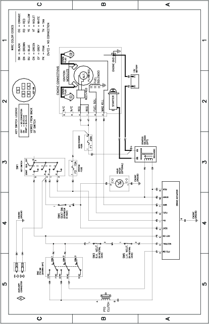
Elsystemet skyddas av säkringar. Den kräver inget underhåll, men om en säkring går bör du dock undersöka komponenten/kretsen för funktionsfel eller kortslutning.
Typ av säkring:
Huvudsäkring – F1 (25 A, flatsäkring)
Laddningskrets – F2 (15 A, flatsäkring)
Parkera maskinen på en plan yta, koppla ur knivreglagebrytaren och för rörelsereglagespakarna utåt till PARKERINGSLäGET.
Stäng av motorn, ta ut nyckeln och vänta tills alla rörliga delar har stannat innan du kliver ur förarsätet.
Höj upp sätet för att komma åt säkringarna.
Om du behöver byta en säkring drar du i den för att lossa den (Figur 50).

Sänk ned sätet.
| Underhållsintervall | Underhållsförfarande |
|---|---|
| Var 25:e timme |
|
Håll lufttrycket i fram- och bakdäcken enligt specifikationerna. Ojämnt lufttryck i däcken kan orsaka ojämn klippning. Kontrollera trycket vid ventilskaftet (Figur 51). Mät trycket när däcken är kalla för att få en så exakt avläsning som möjligt.
Pumpa upp det främre svänghjulets däck till 2,06 bar eller det tryck som anges på sidoväggen – välj det tryck som är lägst.
Pumpa upp de bakre drivhjulen till 0,9 bar.

Om maskinen drar åt ena sidan när du kör framåt med full hastighet över en plan, jämn yta ska du justera spårningen.
Om maskinen drar åt vänster justerar du höger rörelsereglage. Om maskinen drar åt höger justerar du vänster rörelsereglage.
Note: Du kan endast justera spårningen för körning framåt.
Parkera maskinen på en plan yta, koppla ur knivreglagebrytaren och för rörelsereglagespakarna utåt till PARKERINGSLäGET.
Stäng av motorn, ta ut nyckeln och vänta tills alla rörliga delar har stannat innan du kliver ur förarsätet.
Leta reda på skruven för spårningsjustering i närheten av rörelsereglagespaken på den sida som behöver justeras (Figur 52).
Note: Höj upp sätet för att lättare komma åt justerskruven.
Rotera skruven för att minska hastigheten för hjulet.
Note: Vrid skruven lite grann för att göra mindre justeringar.

Starta maskinen och kör framåt över en plan, jämn yta med rörelsereglagespakarna framåt så långt det går för att kontrollera om maskinen spårar rakt. Upprepa proceduren efter behov.
| Underhållsintervall | Underhållsförfarande |
|---|---|
| Var 25:e timme |
|
Byt ut remmen om den är sliten. Gnisslande ljud när remmen roterar, slirande knivar vid gräsklippning, fransiga remkanter, brännmärken och sprickor är tecken på en sliten klipparrem.
Gnisslande ljud när remmen roterar, slirande knivar vid gräsklippning, fransiga remkanter, brännmärken och sprickor är tecken på en sliten klipparrem. Byt ut klipparremmen om något av dessa tillstånd förekommer.
Parkera maskinen på en plan yta, koppla ur knivreglagebrytaren och för rörelsereglagespakarna utåt till PARKERINGSLäGET.
Stäng av motorn, ta ut nyckeln och vänta tills alla rörliga delar har stannat innan du kliver ur förarsätet.
Ställ in klipphöjden på det lägsta klippläget (38 mm).
Avlägsna hårnålssprinten och tryck in tappen på kåpan för att ta bort remskivekåporna (Figur 53).

Använd ett fjäderborttagningsverktyg (Toro-artikelnr 92-5771) och ta bort mellanremskivfjädern från däckkroken så att spänningen på mellanremskivan minskas, och rulla av remmen från skivorna (Figur 54).
Fjädern är spänd när den är monterad och kan orsaka personskador.
Var försiktig när du tar loss remmen.

Dra den nya remmen runt motorremskivan och klipparremskivorna (Figur 54).
Använd ett fjäderborttagningsverktyg (Toro-artikelnr 92-5771) och montera mellanremskivans fjäder på däckkroken så att mellanremskivans och klipparremmens spänning ökar (Figur 54).
Montera remskivekåporna.
Kontrollera om knivarna är slitna eller skadade med jämna mellanrum.
Var försiktig när du kontrollerar knivarna. Linda in knivarna i något eller ta på dig handskar, och var försiktig när du servar knivarna. Knivarna får endast bytas ut eller slipas – de ska aldrig rätas ut eller svetsas.
Var försiktig vid hantering av maskiner med flera knivar, eftersom en roterande kniv kan få andra knivar att rotera.
Byt ut slitna eller skadade knivar och skruvar i satser så att balanseringen bibehålls.
För bästa klippresultat ska knivarna hållas vassa. Ha extraknivar till hands för att lätt kunna slipa och byta ut dem.
Parkera maskinen på en plan yta, koppla ur knivreglagebrytaren och för rörelsereglagespakarna utåt till PARKERINGSLäGET.
Stäng av motorn, ta ut nyckeln och koppla bort tändkablarna från tändstiften.
| Underhållsintervall | Underhållsförfarande |
|---|---|
| Varje användning eller dagligen |
|
Kontrollera eggarna (Figur 55).
Ta bort kniven och slipa den om eggarna är slöa eller har fått hack, se Slipa knivarna.
Kontrollera knivarna, speciellt den böjda delen.
Montera omedelbart en ny kniv om du upptäcker sprickor, slitage eller spårbildning i detta område (Figur 55).

Note: Maskinen måste stå på en plan yta när följande procedur utförs.
Höj klippdäcket till det högsta klippläget.
Bär tjocka vadderade handskar eller annat lämpligt handskydd och rotera långsamt kniven till ett läge så att du kan mäta avståndet mellan knivseggen och det plana underlag som maskinen står på (Figur 56).

Mät från knivspetsen till den plana ytan (Figur 57).

Rotera samma kniv 180 grader så att den motsatta skäreggen nu är i samma läge (Figur 58).

Mät från knivspetsen till den plana ytan (Figur 59).
Note: Skillnaden bör inte vara mer större än 3 mm.

Om skillnaden mellan A och B är större än 3 mm ska kniven bytas ut mot en ny. Se Demontera knivarna och Montera knivarna.
Note: Om en böjd kniv byts ut mot en ny, men skillnaden fortfarande är större än 3 mm, kan knivspindeln vara böjd. Kontakta en auktoriserad återförsäljare för service.
Om skillnaden ligger inom de godkända värdena går du vidare till nästa kniv.
Upprepa proceduren på samtliga knivar.
Byt ut knivarna om de slår i ett hårt föremål eller om kniven är obalanserad eller böjd.
Håll knivänden med en trasa eller en tjockt vadderad handske.
Avlägsna knivskruven, den böjda brickan och kniven från spindelaxeln (Figur 60).

Slipa eggarna i båda ändarna av kniven med en fil (Figur 61).
Note: Behåll ursprungsvinkeln.
Note: Kniven behåller balanseringen om samma mängd material avlägsnas från båda eggarna.

Kontrollera knivens balans med en knivbalanserare (Figur 62).
Note: Om kniven stannar kvar i ett horisontellt läge är den i balans och kan användas.
Note: Om kniven inte är balanserad kan du fila bort lite metall från knivens segeldel (Figur 61).

Upprepa proceduren tills kniven är balanserad.
Kontrollera att klippdäcket är plant när du monterar klipparen eller om du märker att din gräsmatta blir ojämnt klippt.
Kontrollera att klippdäckets knivar inte är böjda innan balansering. Ta bort och byt ut alla böjda knivar. Läs Serva knivarna innan du fortsätter.
Ställ in klippdäckets lutning i sidled innan du justerar den främre-bakre lutningen.
Krav:
Maskinen måste stå på en plan yta.
Alla däck måste ha rätt tryck. Se Kontrollera däcktrycket.
Parkera maskinen på en plan yta, koppla ur knivreglagebrytaren (kraftuttaget) och för rörelsereglagespakarna utåt till PARKERINGSLäGET.
Stäng av motorn, ta ut nyckeln och vänta tills alla rörliga delar har stannat innan du kliver ur förarsätet.
Ställ in klipphöjden till 76 mm.
Vrid försiktigt på knivarna så att de pekar åt samma håll.
Mät mellan de yttre knivseggarna och den plana ytan (Figur 63 och Figur 64).
Note: Om inte båda måtten är inom 5 mm krävs en justering. Se Balansera i sidled.


Kontrollera knivens främre och bakre lutning varje gång du monterar klipparen. Om klipparens främre del är mer än 7,9 mm lägre än klipparens bakre del ska du justera knivens lutning.
Parkera maskinen på en plan yta, koppla ur knivreglagebrytaren (kraftuttaget) och för rörelsereglagespakarna utåt till PARKERINGSLäGET.
Stäng av motorn, ta ut nyckeln och vänta tills alla rörliga delar har stannat innan du kliver ur förarsätet.
Ställ in klipphöjden till 76 mm.
Rotera försiktigt knivarna så att de är riktade framåt-bakåt (Figur 65).
Mät från den främre knivens spets till den plana ytan, och från den bakre knivens spets till den plana ytan (Figur 65 eller Figur 66).
Note: Om den främre knivens spets inte är 1,6–7,9 mm lägre än den bakre knivens spets ska du fortsätta till proceduren Justera främre-bakre knivlutningen.


Förflytta dig till maskinens vänstra sida.
Ställ in antiskalpvalsarna i de översta hålen eller ta bort dem helt när du utför den här proceduren. Se Justera antiskalpvalsarna.
Ställ in klipphöjdsreglaget på läget 76 mm. Se Justera klipphöjden.
Lägg två klossar, var och en med en tjocklek på 6,6 cm, under var sida av klippdäckets framkant, men inte under antiskalvalsens fästen (Figur 67 eller Figur 68).
Lägg två klossar, var och en med en tjocklek på 7,3 cm, under klippdäckskjolens bakkant, en på var sida av klippdäcket (Figur 67 eller Figur 68).


Ta bort hårnålssprinten och brickan från den lägre lyftarmens tapp (Figur 69).

Vrid klipphöjdsplattan till ett annat hål så att den stöder klippdäckets vikt när du har installerat plattan (Figur 70).

Installera brickan och hårnålssprinten (Figur 70).
Upprepa steg 6 till 8 på klipparens andra sida.
Kontrollera lutningen i sidled igen. Upprepa proceduren tills måtten är korrekta.
Fortsätt att säkerställa att klippdäcket är i balans genom att kontrollera den främre-bakre knivlutningen. Se Kontrollera den främre-bakre knivlutningen.
Vrid på justeringsmuttern framtill på klipparen (Figur 71).

Dra åt justeringsmuttern för att höja den främre delen av klippdäcket.
Lossa på justeringsmuttern för att sänka den främre delen av klippdäcket.
Kontrollera den främre-bakre knivlutningen igen efter justeringen. Fortsätt att justera muttern tills den främre knivspetsen befinner sig 1,6–7,9 mm lägre än den bakre knivspetsen. Se Kontrollera den främre-bakre knivlutningen.
När den främre-bakre knivlutningen är korrekt ska du kontrollera klippdäckets lutning i sidled igen. Se Kontrollera den främre-bakre knivlutningen.
Parkera maskinen på en plan yta, koppla ur knivreglagebrytaren (kraftuttaget) och för rörelsereglagespakarna utåt till PARKERINGSLäGET.
Stäng av motorn, ta ut nyckeln och vänta tills alla rörliga delar har stannat innan du kliver ur förarsätet.
Sänk ner klipphöjdsreglaget till lägsta klipphöjd.
Lossa de 2 skruvarna som säkrar klippdäckets kjol till klippdäcket. Se Lossa klippdäckets kjol.
Ta bort hårnålssprinten från den främre stödstången och ta bort stången från däckfästet (Figur 72).

Sänk försiktigt ner klipparens front till marken.
Ta bort brickan och hårnålssprinten från däcksprinten på ena sidan av maskinen (Figur 73).

Ta bort lyftarmen från däcksprinten (Figur 73).
Upprepa steg 7 och 8 för maskinens andra sida.
Skjut klipparen bakåt för att avlägsna klipparremmen från motorremskivan.
Dra ut klipparen från maskinens undersida.
Note: Spara alla delar för framtida montering.
Parkera maskinen på en plan yta, koppla ur knivreglagebrytaren (kraftuttaget) och för rörelsereglagespakarna utåt till PARKERINGSLäGET.
Stäng av motorn, ta ut nyckeln och vänta tills alla rörliga delar har stannat innan du kliver ur förarsätet.
Skjut in klipparen under maskinen.
Sänk ner klipphöjdsreglaget till lägsta klipphöjd.
Lyft den bakre delen av klippdäcket och montera lyftarmen på däcksprinten på ena sidan av maskinen (Figur 73).
Installera lyftarmen med hjälp av brickan och hårnålssprinten (Figur 73).
Upprepa steg 5 och 6 för maskinens andra sida.
Fäst den främre stödstången vid klippardäcket med hårnålssprinten och sprintbulten (Figur 72).
Montera klipparremmen på motorremskivan. Se Byta ut klipparremmen.
Dra åt de två nedre skruvarna som fäster klippdäckets kjol vid klippdäcket. Se Lossa klippdäckets kjol.
| Underhållsintervall | Underhållsförfarande |
|---|---|
| Varje användning eller dagligen |
|
Om utkastaröppningen inte är täckt kan maskinen slunga ut föremål i riktning mot föraren eller kringstående och därmed orsaka allvarliga skador. Det skulle också kunna medföra kontakt med knivarna.
Använd inte maskinen om inte gräsriktaren, utkastarluckan eller gräsuppsamlingssystemet sitter på plats.
Avlägsna muttern (⅜ tum) från stången under klipparen (Figur 74).

Skjut ut stången från däckfästet, fjädern och gräsriktaren (Figur 74).
Ta bort den skadade eller slitna gräsriktaren.
Montera den nya gräsriktaren (Figur 74).
Skjut stångens raka ände genom gräsriktarens bakre vridpunkt.
Sätt fjädern på stången, med ändkablarna riktade nedåt, och mellan gräsriktarens fästen.
Skjut stången genom gräsriktarens andra vridpunkt (Figur 74).
Placera stången framför gräsriktaren i fästet på klippdäcket.
Fäst stångens bakre ände i klipparen med en mutter (⅜ tum) enligt Figur 74.
Important: Gräsriktaren måste vara fjäderupphängd i nedåtriktat läge. Lyft upp riktaren för att kontrollera att den snäpper på plats i det nedåtriktade läget.
| Underhållsintervall | Underhållsförfarande |
|---|---|
| Efter varje användning |
|
Important: Du kan tvätta maskinen med ett milt rengöringsmedel och vatten. Högtryckstvätta inte maskinen. Undvik att använda alltför mycket vatten, särskilt nära kontrollpanelen, under sätet samt kring motorn, hydraulpumparna och motorerna.
Tvätta klippdäckets undersida efter varje användning för att förhindra att gräs samlas på undersidan. På så sätt förbättras uppsamlingen och spridningen av gräsklippet.
Parkera maskinen på en plan yta, koppla ur knivreglagebrytaren (kraftuttaget) och för rörelsereglagespakarna utåt till PARKERINGSLäGET.
Stäng av motorn, ta ut nyckeln och vänta tills alla rörliga delar har stannat innan du kliver ur förarsätet.
Anslut slangkopplingen till klipparens tvättkoppling och vrid på vattnet ordentligt (Figur 75).
Note: Smörj in tvättkopplingens o-ring med vaselin för att kopplingen ska glida på lättare och skydda o-ringen.

Sänk klipparen till lägsta klipphöjd.
Sätt dig på sätet och starta motorn.
Koppla in knivreglaget och låt klipparen gå i en till tre minuter.
Koppla ur knivreglagebrytaren, stäng av motorn, ta ut nyckeln och vänta tills alla rörliga delar har stannat.
Stäng av vattnet och avlägsna kopplingen från tvättkopplingen.
Note: Lägg klipparen i blöt i 30 minuter om den inte är ren efter en tvätt. Upprepa därefter proceduren.
Kör klipparen igen i en till tre minuter för att avlägsna överflödigt vatten.
Om tvättkopplingen är trasig eller saknas kan du och andra träffas av utslungade föremål eller komma i kontakt med kniven. Kontakt med en kniv eller ett kringflygande föremål kan orsaka skador och innebära livsfara.
Ersätt omedelbart tvättkopplingen om den är trasig eller saknas innan maskinen körs igen.
Stoppa aldrig in händerna eller fötterna under klipparen eller genom hål i maskinen.
Motorolja, batterier, hydraulvätska och kylarvätska förorenar miljön. Kassera dessa produkter i enlighet med gällande statliga och lokala föreskrifter.
Stäng av motorn, ta ut nyckeln och vänta tills alla rörliga delar har stannat innan du kliver ur förarsätet. Låt maskinen svalna innan du utför service, justerar, rengör eller ställer den i förvar.
Förvara varken maskinen eller bränsle i närheten av öppna lågor, och tappa inte ur bränsle inomhus eller inuti en sluten släpvagn.
Förvara inte maskinen eller bränslebehållaren i närheten av en öppen låga, gnista eller tändlåga, t.ex. nära en varmvattenberedare eller annan utrustning.
Koppla ur knivreglagebrytaren (kraftuttaget) och koppla in parkeringsbromsen.
Stäng av motorn, ta ut nyckeln och vänta tills alla rörliga delar har stannat innan du kliver ur förarsätet.
Avlägsna gräsklipp, smuts och smörja från maskinens utvändiga delar. Var särskilt noga med motorn och hydraulsystemet. Rensa bort smuts och skräp från utsidan av motorns kylflänsar och fläkthus.
Important: Tvätta maskinen med ett milt rengöringsmedel och vatten. Högtryckstvätta inte maskinen. Undvik att använda alltför mycket vatten, särskilt nära kontrollpanelen, motorn, hydraulpumparna och motorerna.
Kontrollera parkeringsbromsens funktion. Se Parkeringsläge.
Serva luftrenaren. Se Serva luftrenaren.
Byt oljan i vevhuset; se Byta ut motoroljan.
Kontrollera lufttrycket i däcken, se Kontrollera däcktrycket.
Ladda batteriet, se Ladda batteriet.
Om maskinen förvaras med ett installerat batteri ska du koppla bort minuskabeln (svart) från batteriet.
Skrapa bort eventuella ansamlingar av gräs och smuts från klipparens undersida, och tvätta sedan maskinen med en trädgårdsslang.
Note: Kör maskinen med knivreglagebrytaren (kraftuttaget) inkopplad och motorn på hög tomgång under 2 till 5 minuter efter tvätt.
Kontrollera knivarnas skick, se Serva knivarna.
Förbered maskinen för förvaring om den ska stå oanvänd i över 30 dagar. Förbered maskinen för förvaring på följande sätt:
Tillsätt bränslestabiliserare/konditionerare till färskt bränsle i tanken. Följ blandningsanvisningarna från bränslestabiliserarens tillverkare. Använd inte en alkoholbaserad stabiliserare (etanol eller metanol).
Kör motorn för att fördela stabiliserat bränslet i bränslesystemet (5 minuter).
Stäng av motorn, låt den svalna och töm bränsletanken.
Starta motorn och kör den tills den stängs av.
Kassera bränslet på lämpligt sätt. Återvinn bränsle enligt lokala föreskrifter.
Important: Förvara inte bränsle som innehåller stabiliserare/konditionerare längre än den tid som rekommenderas av bränslestabiliserarens tillverkare.
Lossa tändstiften och kontrollera deras skick. Se Utföra service på tändstiftet. Häll i två matskedar (30 ml) motorolja i tändstiftshålet när stiftet/stiften har tagits bort. Använd elstarten för att dra runt motorn och sprida oljan inuti cylindern. Montera tändstiften. Sätt inte på tändkabeln.
Kontrollera och dra åt alla bultar, muttrar och skruvar. Reparera eller byt ut skadade delar.
Måla i lackskador och bara metallytor. Färg finns att köpa hos din närmaste auktoriserade återförsäljare.
Förvara maskinen i ett rent och torrt garage eller lagerutrymme. Ta ut nyckeln ur tändningslåset och förvara den utom räckhåll för barn och andra obehöriga användare. Täck över maskinen för att skydda den och hålla den ren.
Ladda batteriet helt.
Låt batteriet vila i 24 timmar och kontrollera sedan batteriets spänning.
Note: Upprepa steg 1 och 2 om batteriets spänning är lägre än 12,6 V.
Koppla bort kablarna från batteriet.
Kontrollera spänningen regelbundet för att säkerställa att den ligger på 12,4 V eller högre.
Note: Upprepa steg 1 och 2 om batteriets spänning är lägre än 12,4 V.
Gör följande om du förvarar batteriet utanför maskinen:
Förvara batteriet i upprätt läge i ett svalt och torrt utrymme.
Stapla inte batterierna direkt ovanpå varandra, såvida de inte ligger i förpackningar.
Stapla inte mer än tre batterier på varandra (endast två om det är kommersiella batterier).
Testa våta batterier var fjärde till sjätte månad och ladda dem vid behov.
Testa och ladda alltid batteriet innan du monterar det.
| Problem | Possible Cause | Corrective Action |
|---|---|---|
| Bränsletanken uppvisar tecken på kollaps eller maskinen uppvisar ofta tecken på att den håller på att få bränslestopp. |
|
|
| Motorn överhettas. |
|
|
| Startmotorn startar inte. |
|
|
| Motorn startar inte, är trögstartad eller stannar efter en stund. |
|
|
| Motorn tappar kraft. |
|
|
| Maskinen driver inte. |
|
|
| Maskinen vibrerar på ett onormalt sätt. |
|
|
| Klipphöjden är ojämn. |
|
|
| Knivarna roterar inte. |
|
|
