| Karbantartási időköz | Karbantartási intézkedés |
|---|---|
| Minden egyes használat előtt, vagy naponta |
|
Ez a forgókéses fűnyíró traktor professzionális kezelők számára, kereskedelmi alkalmazásra készült. Elsősorban házikerti vagy közterületi füves területek jól karbantartott gyepén végzett fűnyírásra tervezték. A termék nem rendeltetésszerű használata Önre és a közelben tartózkodókra nézve egyaránt veszélyes lehet.
Gondosan olvassa el ezt a tájékoztatót, hogy a termék megfelelő üzemeltetését és karbantartását elsajátítva elkerülje a sérüléseket, valamint a termék károsodását. Ön felelős a termék megfelelő és biztonságos üzemeltetéséért.
A www.Toro.com webhelyen további információk is találhatók, például munkavédelmi tanácsok, oktatóanyagok, tartozékokról szóló információk, segítség márkakereskedés kereséséhez, valamint a termékregisztráció is itt végezhető el.
Ha szervizre, eredeti Toro-alkatrészekre vagy további információkra van szüksége, forduljon hivatalos márkaszervizhez vagy a Toro-ügyfélszolgálathoz, és tartsa kéznél terméke típusszámát és gyári számát. Az Ábra 1 jelzi a típusszám és gyári szám helyét a terméken. Írja a számokat a megfelelő helyre.
Important: Mobileszköze segítségével a sorozatszámot tartalmazó címkén található QR-kódot (ha van) beolvasva elérheti a garanciális tudnivalókat, az alkatrészekre vonatkozó adatokat és az egyéb termékinformációkat.

Ez a kézikönyv 2 szót használ az információ kiemelésére. A Fontos szó speciális műszaki információkra hívja fel a figyelmet, a Megjegyzés szó pedig külön figyelemre érdemes általános információkat emel ki.
Ez a kézikönyvben és a gépen is megtalálható biztonsági figyelmeztető jelzés (Ábra 2) fontos biztonsági üzenetet jelöl, amelyet a balesetek elkerülése érdekében követni kell. Ezt a jelzést a Veszély, a Figyelmeztetés vagy a Figyelem kifejezés követi.
Veszély: olyan közvetlenül veszélyes helyzetet jelöl, amely halált vagy súlyos személyi sérülést eredményez, ha nem sikerül elkerülni.
Figyelmeztetés: olyan potenciálisan veszélyes helyzetet jelöl, amely halált vagy súlyos személyi sérülést eredményezhet, ha nem sikerül elkerülni.
Figyelem: olyan potenciálisan veszélyes helyzetet jelöl, amely enyhébb vagy mérsékelt személyi sérülést okozhat, ha nem sikerül elkerülni.

A közös természeti erőforrásokról szóló kaliforniai törvény (California Public Resource Code) 4442. és 4443. szakasza értelmében tilos a motor járatása erdős, bokros vagy fűvel fedett talajon, kivéve, ha a motor a 4442. szakaszban meghatározott szikrafogó berendezéssel rendelkezik, rendszeres karbantartáson esik át, vagy a motor kialakítása, felszerelése és karbantartása a tűzesetek megakadályozásának szem előtt tartásával történt.
A motor mellékelt kezelési útmutatója tartalmazza az USA környezetvédelmi hivatalával (EPA) és a kipufogórendszerek, a karbantartás és jótállás szabályozásáról szóló California Emission Control Regulation jogszabállyal kapcsolatos tudnivalókat. Pótalkatrészek a motorgyártótól rendelhetők.
Bruttó vagy nettó nyomaték: A motor bruttó vagy nettó forgatónyomatékát laboratóriumban állapította meg a gyártó az SAE J1940 vagy J2723 szabvány szerint. A biztonsági, károsanyag-kibocsátási és üzemeltetési követelmények teljesítése érdekében a motor tényleges nyomatéka ebben a fűnyíróosztályban jelentősen kisebb. Lásd a motorgyártó által a géphez mellékelt információkat.
KALIFORNIA
65-ös számú figyelmeztetés
A dízelmotor kipufogógázai és azok bizonyos összetevői Kalifornia államban rákkeltő hatásúnak, születési rendellenességeket és egyéb reproduktív károsodást okozónak minősülnek.
Az akkumulátor sarkai, telepkapcsai és alkatrészei ólmot és ólomvegyületeket tartalmaznak, melyek Kalifornia állam hatóságainak ismeretei szerint olyan vegyi anyagok, amelyek rákot és reproduktív károsodást okoznak. Az anyagokkal való érintkezést követően mosson kezet.
A termék használata Kalifornia állam jogszabályai által rákkeltőnek, születési, illetve reprodukciós rendellenességet okozónak nyilvánított vegyi anyag vagy vegyi anyagok hatásának való kitettséget eredményezhet.
Ez a termék levághatja a kezét és a lábát, továbbá tárgyakat dobhat ki. A súlyos, akár halálos sérülések elkerülése érdekében mindig kövesse a biztonsági.
A motor beindítása előtt olvassa el és értelmezze a kezelői kézikönyv tartalmát.
Gondoskodjon arról, hogy a gépet gyermek vagy közelben tartózkodó ne közelíthesse meg.
Ne engedje, hogy gyermekek vagy oktatásban nem részesült személyek üzemeltessék vagy szervizeljék a gépet. Csak olyan személyek dolgozhatnak vele, akik felelősek, képzettek, ismerik az utasításokat, és fizikailag is képesek működtetni vagy szervizelni a gépet.
Tartsa mindig teljesen felhajtott és reteszelt helyzetben a bukócsövet, és használja a biztonsági övet.
Ne használja a gépet szakadékok, árkok, töltések, vizek és egyéb veszélyek közelében, illetve 15°-nál meredekebb lejtőkön.
Tartsa távol kezét és lábát a gép mozgó alkatrészeitől.
Ne használja a gépet, ha a védőburkolatok, a biztonsági kapcsolók és az egyéb védőelemek nincsenek a helyükön, és nem működnek.
Állítsa le a motort, vegye ki az indítókulcsot, és várja meg, amíg az összes mozgó alkatrész leáll, csak ezután hagyja el a kezelőülést. Hagyja lehűlni a gépet, mielőtt szervizelési, beállítási, tankolási, tisztítási vagy tárolási munkába kezd rajta.

![]() |
A biztonságra figyelmeztető matricák és utasítások a kezelő által jól láthatóan, a potenciálisan veszélyes helyek mellett találhatók. A sérült vagy hiányzó feliratot (matricát) cserélje, illetve pótolja. |



























A motor beindítása és a gép működtetése előtt ismerkedjen meg az összes kezelőszervvel.

Részletes tájékoztatásért lásd a Szoftverútmutatót, amelyből megismerheti a kezelőfelületet, amelyen információt érhet el, nullázhatja a számlálókat, módosíthatja a rendszer beállításait, és hibaelhárítást végezhet a berendezésen.

A tájékoztató képernyő a gép működésével kapcsolatos adatokat jelenít meg; további tájékoztatásért lásd a Szoftverútmutatót.
A panelon alul többfunkciós gombok találhatók. A tájékoztató képernyőn a gombok fölött megjelenő ikonok a gomb aktuális funkcióját jelzik. A gombok segítségével választhatja meg a motorfordulatszámot, valamint navigálhat a rendszer menüiben.
További információkat a Szoftverútmutatóban talál.
A panel jobb oldalán található többszínű állapotjelző LED a rendszer állapotát jelzi. Indításkor a LED először pirosan, majd sárgán, végül zölden világítva nyugtázza a működést.
Zölden világít – normál működés
Pirosan villog – aktív hiba a rendszerben
Felváltva zölden és sárgán villog – a tengelykapcsoló visszaállítása szükséges
További információkat a Szoftverútmutatóban talál.
Hiba esetén megjelenik egy hibaüzenet, a LED színe pirosra változik, és megszólal a hangjelzés az alábbi módon:
A szapora csipogás kritikus hibát jelez.
Az elnyújtottabb szaggatott sípszó kevésbé kritikus hibát jelez, például az időszerű karbantartást vagy a szervizidőköz lejártát.
Note: Indításkor röviden megszólal a hangjelzés a működése ellenőrzéseként.
További információkat a Szoftverútmutatóban talál.
Az üzemóra-számláló a motor üzemidejét rögzíti. Akkor működik, amikor a motor jár. A rajta megjelenő érték alapján kell ütemezni a rendszeres karbantartást (Ábra 5).
Az üzemóraszám a Motor – ki képernyőn vagy a Motor-üzemóraszámláló menüben jeleníthető meg.
További információkat a Szoftverútmutatóban talál.
Ezzel a kapcsolóval indítható be a motor. A kapcsoló 3 helyzettel rendelkezik: INDíTáS, ÜZEM és GYúJTáS KI.
Note: Az LCD-visszajelzők akkor jelennek meg, ha minden vezérlés biztonságosan indítható” állapotba kerül (pl. a visszajelző akkor lép működésbe, ha a kezelő beül az ülésbe.)
Note: Hidegindításkor a motor ECU-ja vezérli az izzítógyertyákat. Ha a hűtőfolyadék-hőmérséklet túl alacsony, a monitoron megjelenik az izzítás ikonja, és az indítómotor nem kezdi forgatni a motort, amikor a gyújtáskapcsolót INDíTáS helyzetbe fordítja. Az izzítógyertyák ÜZEM vagy INDíTáS helyzetben lépnek működésbe. Ha az izzítás időtartama elegendő volt az adott hőmérséklethez, a monitorról eltűnik az izzítás jelzése, és az indítómotor forgatni kezdi a motort, amikor a gyújtáskapcsolót INDíTáS helyzetbe fordítja.
Note: A rendszer engedi a motor beindítását bekapcsolt TLT-kapcsolóval, de a késeket nem kapcsolja be. A TLT bekapcsolásához vissza kell állítania a TLT-t.
A motorfordulatszám a gázvezérlés segítségével szabályozható, és 3 fokozat választható ki: Maximum (maximális), Efficient (hatékony) és Low (alacsony).
További információkat a Szoftverútmutatóban talál.
A késkapcsolóval (TLT) kapcsolható be és ki a fűnyírókések meghajtása (Ábra 5).
A TLT-kapcsolót kikapcsolva a tájékoztató képernyőn megjelenik az LCD-visszajelző.
Note: A Horizon kijelzővel rendelkező gépek tengelykapcsoló-kímélő funkcióval rendelkeznek, amely a TLT kikapcsolásakor automatikusan csökkenti a motorfordulatszámot. A TLT-kapcsoló be- és kikapcsolásakor a gázvezérlés FűNYíRáS és VONULáS üzemmód között vált.
Note: A rendszer engedi a motor beindítását bekapcsolt TLT-kapcsolóval, de a késeket nem kapcsolja be. A TLT bekapcsolásához ki-, majd bekapcsolva vissza kell állítania a TLT-kapcsolót.
A nyíróasztal felemeléséhez nyomja meg a kapcsoló hátulját.
A nyíróasztal leengedéséhez nyomja meg a kapcsoló elejét.
A menetvezérlő karok segítségével vezethető a gép előre, hátra, illetve ezekkel lehet elfordulni valamelyik irányba (Ábra 4).
Mielőtt elhagyja a gépet, állítsa a menetvezérlő karokat középhelyzetből kifelé, a SEMLEGES-RETESZELT helyzetbe (Ábra 22). Ha megáll a géppel vagy őrizetlenül hagyja azt, a menetvezérlő karokat állítsa mindig SEMLEGES-RETESZELT helyzetbe.
Amikor leállítja a motort, mindig húzza be a rögzítőféket, hogy a gép ne mozdulhasson el.
| 152 cm-es nyíróasztal | 183 cm-es nyíróasztal |
| 168,2 cm | 198,7 cm |
| Bukócső fel- vagy lehajtva | 255,5 cm |
| Bukócső felhajtva | 182,4 cm |
| Bukócső lehajtva | 129,5 cm |
| Bukócső felhajtva | 182,4 cm |
| Bukócső lehajtva | 129,5 cm |
| 112 cm |
| 152 cm-es nyíróasztal | 183 cm-es nyíróasztal |
| 84 cm | 84 cm |
| 152 cm-es nyíróasztal | 183 cm-es nyíróasztal |
| 157,2 cm | 157,2 cm |
A géphez a Toro által jóváhagyott munkagépek és tartozékok széles választéka kapható, amelyek javítják és bővítik a gép képességeit. A jóváhagyott tartozékok és adapterek listájáért forduljon hivatalos márkaszervizhez, hivatalos Toro-forgalmazóhoz, vagy látogasson el a www.Toro.com webhelyre.
Az optimális teljesítmény és a gép biztonsági tanúsítványának fenntartása érdekében csak eredeti Toro-pótalkatrészeket és -tartozékokat használjon. A más által gyártott pótalkatrészek és tartozékok használata veszélyes lehet, és emellett a jótállást is érvénytelenítheti.
Note: A gép jobb és bal oldalát normál üzemeltetési helyzetben határozza meg.
Ne engedje, hogy gyermekek vagy oktatásban nem részesült személyek üzemeltessék vagy szervizeljék a gépet. A helyi szabályozás korlátozhatja a kezelő életkorát. Az összes kezelő és szerelő képzéséért a tulajdonos tartozik felelősséggel.
Vizsgálja át a területet, ahol a gépet használni fogja, és távolítson el onnan minden olyan tárgyat, amely zavarhatja a munkát, vagy amelyet a gép eldobhat.
Ismerkedjen meg a berendezés biztonságos üzemeltetésével, a kezelőszervekkel és a biztonsági jelzésekkel.
Győződjön meg arról, hogy a kezelőijelenlét-kapcsolókat, a biztonsági kapcsolókat és a védőelemeket felszerelték, és megfelelően működnek. Ne üzemeltesse a gépet, csak ha ezek megfelelően működnek.
Állítsa le a motort, vegye ki az indítókulcsot, és várja meg, amíg az összes mozgó alkatrész leáll, csak ezután hagyja el a kezelőülést. Hagyja lehűlni a gépet, mielőtt szervizelési, beállítási, tankolási, tisztítási vagy tárolási munkába kezd rajta.
A fűnyírás megkezdése előtt győződjön meg arról, hogy a nyíróegységek megfelelően működnek.
Nézze át a terepet a megfelelő felszerelés, valamint a gép megfelelő és biztonságos üzemeltetéséhez szükséges tartozékok és adapterek meghatározásához.
Viseljen megfelelő öltözéket, beleértve a védőszemüveget, a hosszú szárú nadrágot, a megfelelő, csúszásgátló lábbelit és a hallásvédelmi eszközt is. Ha hosszú a haja, kösse hátra, és ne viseljen bő ruházatot vagy ékszert.
Ne szállítson utast a gépen.
Tartsa a közelben tartózkodókat és a háziállatokat a működő géptől távol. Ha valaki a területre lép, állítsa le a gépet és munkaeszközeit.
Csak akkor működtesse a gépet, ha a védőburkolatok és az egyéb védőelemek, például a terelőlemezek, a helyükön vannak, és megfelelően működnek. Szükség esetén cserélje le a kopott vagy sérült alkatrészeket.
Az üzemanyag rendkívül gyúlékony és robbanásveszélyes. Az üzemanyag okozta tűz vagy robbanás megégetheti Önt vagy másokat, és anyagi károkat okozhat.
Annak megakadályozása érdekében, hogy a statikus feltöltődés begyújtsa az üzemanyagot, tankolás előtt a tartályt és/vagy a gépet közvetlenül a földre helyezze, ne egy járműre vagy tárgyra.
A tankolást kültéren, vízszintes talajon, nyílt területen végezze, amikor a motor hideg. Törölje fel a kiömlött üzemanyagot.
Ne kezeljen üzemanyagot dohányzás közben vagy nyílt láng és szikrák közelében.
Járó vagy meleg motornál ne vegye le a tanksapkát, és ne tankoljon.
Ha az üzemanyag kiömlött, ne kísérelje meg beindítani a motort. Kerülje gyújtóforrás létrehozását, amíg az üzemanyag teljesen el nem párolgott.
Üzemanyagot csak jóváhagyott üzemanyagtartályban tároljon, gyerekek számára nem hozzáférhető helyen.
Az üzemanyag lenyelése sérülést vagy halált okozhat. A gőzök belégzése hosszabb távon súlyos sérülést és megbetegedést okozhat.
Kerülje az üzemanyag gőzeinek tartós belégzését.
Tartsa távol arcát és kezeit a fúvókától és az üzemanyag-betöltő nyílástól.
Az üzemanyag szemtől és bőrtől távol tartandó.
Ne tárolja a gépet vagy az üzemanyagtartályt olyan helyen, ahol nyílt láng, szikra vagy őrláng fordul elő, mint például vízmelegítőkön vagy más eszközökön.
Ne töltsön tartályokat járművön belül, műanyag betétes tehergépkocsin vagy utánfutó-gépágyon. Tankolás előtt mindig helyezze a tartályokat a földre, messze a járművétől.
A berendezést vegye le a gépkocsiról vagy a pótkocsiról, és a földön végezze a tankolását. Ha ez nem lehetséges, akkor a tankolást hordozható tartályból végezze, ne töltőpisztolyból.
Csak akkor működtesse a gépet, ha a teljes kipufogórendszer a helyén van, és teljesen üzemképes.
Tartsa a töltőpisztolyt a benzintank vagy -tartály széléhez érintve mindaddig, míg a tankolás befejeződik. Ne használjon töltőpisztolyzáró-nyitó eszközt.
Ha üzemanyag került a ruhájára, azonnal öltözzön át.
Ne töltse túl az üzemanyagtartályt. Helyezze vissza a tanksapkát, és biztonságosan húzza meg.
Tisztítsa le a füvet és törmeléket a nyíróegységről, valamint a tűzveszély megelőzése érdekében a hangtompítóról, a hajtásokról és a motortérből. Takarítsa fel a kiömlött olajat vagy üzemanyagot.
A motor tiszta, friss minimum 40 cetánszámú dízelüzemanyaggal működik. A frissesség biztosítása érdekében csak olyan mennyiségben vásároljon üzemanyagot, amennyit 30 napon belül felhasznál.
–7 °C hőmérséklet felett használjon nyári (No. 2-D), –7 °C hőmérséklet alatt téli (No. 1-D vagy No. 1-D/2-D keverék) dízelüzemanyagot. A téli dízelüzemanyagnak alacsonyabb a lobbanás- és forráspontja, ezért megkönnyíti az indítást, és csökkenti az üzemanyag alacsonyabb hőmérséklet miatti kémiai bomlásának az esélyét (paraffin kiválása, amely eltömítheti a szűrőket).
–7 °C fölött a nyári dízelüzemanyag használata megnöveli a szivattyúalkatrészek élettartamát.
Important: Gázolaj helyett ne használjon kerozint vagy benzint. Ennek a figyelmeztetésnek a be nem tartása károsítja a motort.
A gép legfeljebb B20 (20% biodízel-üzemanyag, 80% gázolaj) biodízel-üzemanyagkeverékkel is üzemeltethető. A keverékben a gázolaj legyen ultraalacsony kéntartalmú.
Tegye meg a következő óvintézkedéseket:
Az üzemanyag biodízel része feleljen meg az ASTM D6751 vagy az EN14214 szabvány előírásainak.
A keverék üzemanyag feleljen meg az ASTM D975 vagy az EN590 szabvány előírásainak.
A biodízel-keverékek károsíthatják a festett felületeket.
Hideg időben használjon B5 (5% biodízel-tartalom) vagy még kevesebb biodízelt tartalmazó keveréket.
Figyelje az üzemanyaggal kapcsolatba kerülő szigeteléseket, tömlőket és tömítéseket, idővel ezek állaga romolhat.
Biodízel-keverékekre való átállást követően egy idő után várható az üzemanyagszűrő eldugulása.
A biodízel-üzemanyaggal kapcsolatos további tájékoztatásért forduljon a forgalmazóhoz.
Parkolja le a gépet sík talajon.
Húzza be a rögzítőféket.
Állítsa le a motort, és vegye ki az indítókulcsot.
Tisztítsa meg a tanksapka körüli területet.
Tankoljon a betöltőnyak alsó pereméig (Ábra 7).
Note: Ne töltse teljesen tele az üzemanyagtartályt. Az üres rész teszi lehetővé az üzemanyag tágulását a tartályban.

Mielőtt elkezdené a napi munkát a géppel, végezze el a minden használat előtti/napi ellenőrzéseket, amelyek felsorolásáért lásd: .
Az új motor bizonyos idő elteltével éri el a teljes teljesítményét. A nyíróasztalok és hajtásrendszerek belső súrlódása új állapotukban nagyobb, ami többletterhelést ró a motorra. Hagyjon 40–50 óra bejáratási időt az új gépnek, hogy aztán csúcsteljesítményen működhessen.
A felborulás okozta, akár halálos sérülés elkerülése érdekében tartsa a bukócsövet teljesen felhajtott, reteszelt helyzetben, és használja a biztonsági övet.
Győződjön meg arról, hogy az ülés a géphez rögzül.
A bukócső lehajtott helyzetében nincs borulásvédelem.
Csak akkor hajtsa le a bukócsövet, ha ez elengedhetetlen.
A bukócső lehajtott helyzetében ne használja a biztonsági övet.
Vezessen lassan és óvatosan.
Hajtsa fel a bukócsövet, mihelyt a gép így is elfér.
Körültekintően haladjon el a különféle tárgyak alatt, ügyelve arra, hogy ne ütközzön akadályba (pl. ágakba, ajtókeretbe, villanyvezetékbe).
Important: Csak akkor hajtsa le a bukócsövet, ha ez elengedhetetlen.
Important: Csak a bukócső felhajtott helyzetében használja a biztonsági övet.
Hajtsa fel a bukócsövet üzemi helyzetbe, és fordítsa el a gombokat, hogy részben becsússzanak a résekbe (Ábra 8).
Hajtsa fel teljesen a bukócsövet a felső részére nyomást kifejtve, hogy a csapok beugorhassanak a helyükre, amikor a furatokhoz kerülnek (Ábra 8).
Ellenőrizze a bukócsövet megnyomva, hogy mindkét csap reteszelve van-e (Ábra 9).

A biztonsági reteszelőkapcsolók lekötése vagy károsodása esetén a gép váratlanul működni kezdhet, amivel személyi sérülést okozhat.
Ne bolygassa a reteszelő kapcsolókat.
Ellenőrizze naponta a reteszelőkapcsolók működését, cserélje ki a károsodott kapcsolókat, mielőtt működtetni kezdené a gépet.
A biztonsági reteszelőrendszer az alábbi feltételek teljesülése esetén engedi a motor beindítását:
A rögzítőfék be van húzva.
A késkapcsoló (erőleadó tengely) ki van kapcsolva.
A menetvezérlő karok SEMLEGES-RETESZELT helyzetben vannak.
A biztonsági reteszelőrendszer emellett leállítja a motort, ha a menetvezérlő karokat a kezelő behúzott rögzítőfék mellett mozdítja ki SEMLEGES-RETESZELT helyzetből, vagy bekapcsolt erőleadó tengely mellett hagyja el a kezelőülést.
A Horizon kijelző visszajelzőkkel is rendelkezik, amelyek értesítik a kezelőt, ha az adott reteszelő elem nem a megfelelő helyzetben van. Ha az elem a megfelelő helyzetbe került, visszajelző jelenik meg a képernyőn.

| Karbantartási időköz | Karbantartási intézkedés |
|---|---|
| Minden egyes használat előtt, vagy naponta |
|
A gép minden használata előtt ellenőrizze a biztonsági reteszelőrendszer működését. Ha a biztonsági reteszelőrendszer nem az alább ismertetett módon működik, azonnal javíttassa meg hivatalos márkaszervizben.
Üljön be az ülésbe, húzza be a rögzítőféket és állítsa a késkapcsolót (erőleadó tengely) BEKAPCSOLT helyzetbe. Próbálja meg beindítani a motort. Nem szabad beindulnia.
Üljön be az ülésbe, húzza be a rögzítőféket és állítsa a késkapcsolót (erőleadó tengely) KIKAPCSOLT helyzetbe. Állítsa valamelyik menetvezérlő kart SEMLEGES-RETESZELT helyzetbe. Próbálja meg beindítani a motort. Nem szabad beindulnia. Ismételje meg az ellenőrzést a másik karral is.
Üljön be az ülésbe, húzza be a rögzítőféket, állítsa a késkapcsolót (erőleadó tengely) KIKAPCSOLT helyzetbe, majd állítsa SEMLEGES-RETESZELT helyzetbe a menetvezérlő karokat. Most indítsa be a motort. Járó motor mellett engedje ki a rögzítőféket, kapcsolja be a késkapcsolót (erőleadó tengely), majd emelkedjen el kissé az ülésből. A motornak le kell állnia.
Üljön be az ülésbe, húzza be a rögzítőféket, állítsa a késkapcsolót (erőleadó tengely) KIKAPCSOLT helyzetbe, majd állítsa SEMLEGES-RETESZELT helyzetbe a menetvezérlő karokat. Most indítsa be a motort. Járó motor mellett húzza középre az egyik menetvezérlő kart, és tolja előre vagy húzza hátra. A motornak le kell állnia. Ismételje meg az ellenőrzést a másik karral is.
Üljön be az ülésbe, engedje ki a rögzítőféket, állítsa a késkapcsolót (erőleadó tengely) KIKAPCSOLT helyzetbe, majd állítsa SEMLEGES-RETESZELT helyzetbe a menetvezérlő karokat. Próbálja meg beindítani a motort. Nem szabad beindulnia.
Az ülés előre és hátra eltolható. Állítsa be az ülést úgy, hogy a leghatékonyabban végezhesse a gép irányítását, és a legkényelmesebb legyen a testhelyzete (Ábra 11).

Az ülés kioldásához tolja előre az ülésreteszt (Ábra 12).

Az ülés beállítható, hogy zökkenőmentes, kényelmes utazást nyújtson. Állítsa be az ülést a legkényelmesebb helyzetbe.
A beállításhoz a gombot elforgatva keresse meg a legkényelmesebb helyzetet (Ábra 13).

A személyi sérüléssel vagy anyagi kárral járó baleseteket a tulajdonos/üzemeltető akadályozhatja meg, és ő viseli értük a felelősséget.
A gép használatát teljes odafigyeléssel végezze. Ne végezzen olyan tevékenységet, amely elvonhatja a figyelmét, különben személyi sérülés vagy anyagi kár lehet a következmény.
Ne üzemeltesse a gépet, ha fáradt, vagy amíg alkohol vagy gyógyszer befolyása alatt áll.
A késhez hozzáérve súlyosan megsérülhet. Állítsa le a motort, vegye ki az indítókulcsot, és várja meg, amíg az összes mozgó alkatrész leáll, csak ezután hagyja el a kezelőülést. Ha az indítókulcsot KI helyzetbe fordítja, a motornak le kell állnia, és a késnek is meg kell állnia. Ha nem így történik, azonnal hagyja abba a gép használatát, és lépjen kapcsolatba egy hivatalos márkaszervizzel.
A gépet csak megfelelő időjárás és jó látási körülmények között használja. Ne használja a gépet, ha villámcsapás lehetősége áll fenn.
Tartsa távol kezét és lábát a vágóegységektől. Ne tartózkodjon a kimeneti nyílás előtt.
Ne végezzen fűnyírást hátrafelé, csak ha feltétlenül szükséges. Mindig nézzen lefelé és maga mögé, mielőtt hátrafelé kezdene haladni a géppel.
Különösen ügyeljen, amikor be nem látható kanyarokhoz, cserjékhez, fákhoz vagy más olyan tárgyakhoz közelít, amelyek eltakarhatják a kilátást.
Állítsa le a késeket, ha nem végez fűnyírást.
Ha a gép valamilyen tárgyba ütközik vagy rázkódni kezd, azonnal állítsa le a motort, vegye ki az indítókulcsot (ha van), és várja meg, amíg minden mozgó alkatrész megáll, csak ezután vizsgálja át a gépet, nem sérült-e meg. Végezzen el minden szükséges javítást, mielőtt folytatná a munkát.
Amikor kanyarodik, illetve utakat vagy járdákat keresztez a géppel, lassítson le, és járjon el körültekintően. Mindig adja meg az elsőbbséget.
A kezelőállás elhagyása előtt végezze el az alábbiakat:
Parkolja le a gépet sík talajon.
Kapcsolja ki a mellékhajtást, és engedje le a tartozékokat.
Húzza be a rögzítőféket.
Állítsa le a motort, és vegye ki az indítókulcsot.
Várja meg, amíg minden mozgó alkatrész megáll.
A motort csak jól szellőző helyen járassa. A kipufogógázok szén-monoxidot tartalmaznak, amely belélegezve halált okoz.
Soha ne hagyjon járó gépet felügyelet nélkül.
Vontatható berendezést csak a vontatási pontra csatlakoztasson.
Csak akkor működtesse a gépet, ha a védőburkolatok és az egyéb védőelemek, például a terelőlemezek, a helyükön vannak, és megfelelően működnek. Szükség esetén cserélje le a kopott vagy sérült alkatrészeket.
Csak a Toro által jóváhagyott tartozékokat vagy adaptereket alkalmazzon.
A gép 85 dBA-t meghaladó zajszintet produkál a kezelő fülénél, ami hosszan tartó kitettség esetén halláskárosodást okozhat.

Tisztítsa le a füvet és törmeléket a nyíróegységről, a hajtásokról, valamint a tűzveszély megelőzése érdekében a hangtompítóról és a motorról.
A motor beindításakor tartsa távol a lábát a késektől.
Ügyeljen a fűnyíró kidobási útvonalára és arra, hogy az ne irányuljon mások felé. Kerülje az anyag falra vagy akadályokra ürítését, mivel az visszaverődhet Önre.
Állítsa le a késeket, lassítson le és járjon el körültekintően, ha nem füves területet keresztez, vagy a gépet azon keresztül szállítja a kaszálandó területre, illetve onnan el.
Ne változtassa meg a motor szabályozási beállításait, és ne pörgesse túl a motort.
A gyerekek gyakran vonzódnak a gépekhez és a kaszálási tevékenységhez. Soha ne feltételezze, hogy a gyerekek ugyanott maradnak, ahol utoljára látta őket.
Tartsa a gyerekeket a munkaterületen kívül egy felelős felnőtt figyelmes felügyelete alatt, aki nem a gépkezelő.
Legyen készenlétben, és amennyiben gyerek lép a területre, állítsa le a gépet.
Tolatás vagy fordulás előtt nézzen le és körbe, nincsenek-e ott kisgyerekek.
Ne szállítson gyerekeket a gépen még kikapcsolt késekkel sem. A gyerekek leeshetnek a gépről, és súlyosan megsérülhetnek, vagy akadályozhatják a gép biztonságos működtetését. A gépen utaztatott gyermekek később váratlanul feltűnhetnek a munkaterületen egy újabb kör reményében, a gép pedig előre- vagy hátramenetben véletlenül elgázolhatja őket.
A borulásvédelmi rendszer egy integrált biztonsági berendezés. A borulásvédelmi rendszer egyetlen elemét se távolítsa el a gépről.
Győződjön meg a biztonsági öv bekapcsolt állapotáról és arról, hogy vészhelyzet esetén a lehető leggyorsabban ki tudja oldani.
Tartsa teljesen felhajtott és reteszelt helyzetben a bukócsövet, és ilyenkor mindig használja a biztonsági övet.
Ellenőrizze körültekintően a fej feletti objektumokat, mielőtt alájuk hajt, és ne érjen hozzájuk.
A borulásvédelmi rendszer sérült elemeit cserélje le. Ne végezzen rajtuk javítást vagy átalakítást.
A bukócső lehajtott helyzetében nincs borulásvédelem.
A szélek, meredek partok fölé vagy vízbe kerülő kerekek boruláshoz vezethetnek, amely súlyos sérüléseket, akár halált is okozhat.
A bukócső lehajtott helyzetében ne használja a biztonsági övet.
Csak akkor hajtsa le a bukócsövet, ha ez elengedhetetlen; hajtsa fel, amint a körülmények megengedik.
Ha a gép felborult, vigye hivatalos márkaszervizbe a borulásvédelmi rendszer átvizsgálása érdekében.
A borulásvédelmi rendszerhez kizárólag a Toro által jóváhagyott tartozékot és kiegészítőt használjon.
A lejtők a megcsúszásos és borulásos balesetek fő tényezői, amelyek súlyos sérülésekhez vezethetnek. A kezelő a felelős a lejtőn történő biztonságos munkavégzésért. A gép üzemeltetése bármilyen lejtőn különös óvatosságot igényel. Mielőtt a géppel lejtős területre hajtana, végezze el az alábbiakat:
Tekintse át és értelmezze a kézikönyvben és a gépen található, lejtőre vonatkozó utasításokat.
Határozza meg a terület hozzávetőleges lejtését szögmérő segítségével.
Ne használja a gépet 15°-nál meredekebb lejtőn.
Értékelje ki a napi helyszíni körülményeket, hogy meghatározza, a lejtő biztonságos-e a gép üzemeltetésére. Használja a józan eszét és ítélőképességét ezen értékelés során. A területen bekövetkező változások, például a nedvesség gyorsan befolyásolhatja a gép lejtőn történő használatát.
Mérje fel a veszélyt az emelkedő aljánál. Ne használja a gépet szakadékok, árkok, töltések, vizek és más veszélyek közelében. A gép hirtelen felborulhat, ha egy kereke túllóg azok peremén, vagy a perem beszakad. Tartson biztonságos távolságot (a gép szélességének kétszeresét) a gép és a veszély között. Az ilyen területeken használjon tolókaros fűnyírót vagy kézi szegélynyírót a gyep karbantartására.
Kerülje a lejtőn való elindulást, megállást vagy kanyarodást. Se a sebességén, se a haladási irányán ne változtasson hirtelen; kanyarodjon lassan és fokozatosan.
Ne működtesse a gépet, ha a tapadása, a kormányzása vagy a stabilitása kérdéses lehet. Ne felejtse el, hogy nedves fűben, rézsűn vagy lejtőn haladva a gép elveszítheti a tapadását. Ha a hajtókerekek elveszítik a tapadásukat, a gép megcsúszhat, és megszűnhet a fékhatás és a kormányozhatóság. A gép megcsúszhat akkor is, ha a hajtókerekei megálltak.
Távolítsa el vagy jelölje meg az akadályokat, például árkot, lyukakat, keréknyomot, kiemelkedéseket, köveket és egyéb rejtett veszélyeket. A magas fű akadályokat rejthet. Egyenetlen terepen a gép fel is borulhat.
Járjon el fokozott körültekintéssel, ha munkaeszközzel vagy tartozékkal használja. Ezek ronthatják a gép stabilitását, és az irányítás elvesztését okozhatják. Kövesse az ellensúlyokra vonatkozó utasításokat.
Lejtőn való munkavégzéskor tartsa a nyíróasztalt lehetőség szerint a talajra leengedett helyzetben. Lejtőn a gép instabillá válhat a nyíróasztal felemelt helyzetében.

Mindig húzza be a rögzítőféket, ha megáll a géppel, vagy őrizetlenül hagyja azt.
Parkolja le a gépet sík talajon.


A késkapcsoló (TLT) segítségével indíthatók el és állíthatók le a fűnyíró kései és bármely meghajtott munkaeszköz.
Note: A késkapcsoló (erőleadó tengely) félgáznál vagy kisebb gáznál történő bekapcsolása az ékszíjak fokozott kopását eredményezi.


Important: Ne indítózzon alkalmanként 5 másodpercnél hosszabban. Ha a motor nem indulna be, az indítási kísérletek között várjon 15 másodpercet. Ennek elmulasztása esetén az indítómotor leéghet.
Note: Ha előzőleg teljesen kifogyott az üzemanyag, előfordulhat, hogy tankolás után először többszöri kísérlet után indul csak be a motor.

Ha a felügyelet nélkül hagyott gépet gyermekek vagy nézelődők megkísérlik működtetni, az személyi sérüléshez vezethet.
Ha a gépet felügyelet nélkül hagyja, mindig vegye ki a kulcsot, és húzza be a rögzítőféket.


Az egyes tengelyeken levő hidraulikus motorok egymástól függetlenül forgatják a hajtókerekeket. Az egyik oldali kereket hátramenetbe, míg a másikat előremenetbe kapcsolva a gép fordulás helyett megpördül. Ez nagymértékben javítja a gép kormányozhatóságát, de némi időbe telik, amíg hozzászokik, hogyan mozgathatja a gépet.
A gázkar a motorfordulatszámot (fordulat/perc) szabályozza. A legjobb teljesítmény érdekében állítsa a gázkart GYORS helyzetbe. Fűnyírást mindig teljes gázzal végezzen.
A gép nagyon gyorsan megpördülhet. Elveszítheti uralmát a gép felett, ami személyi sérüléssel vagy a gép károsodásával járhat.
Kanyarodjon óvatosan.
Éles kanyar előtt lassítson le.
Note: Ha behúzott rögzítőfék mellett mozdítja meg a menetvezérlő kezelőszerveket, a motor leáll.
Megálláshoz húzza a menetvezérlő karokat SEMLEGES helyzetbe.
Engedje ki a rögzítőféket.
Állítsa a haladásvezérlő karokat középső, kioldott helyzetbe.
Előremenethez tolja lassan előre a haladásvezérlő karokat (Ábra 23).

Állítsa a haladásvezérlő karokat középső, kioldott helyzetbe.
Hátramenethez húzza lassan hátra a haladásvezérlő karokat (Ábra 24).

A vágásmagasság 25 és 140 mm között állítható 6 mm-es lépésekben, az ütközőcsapot a megfelelő furatba helyezve.
Járó motor mellett nyomja meg a nyíróegység-emelő kapcsoló felső részét, amíg a nyíróegység teljesen felemelkedik, majd engedje el azonnal a kapcsolót.
Fordítsa el a vágásmagasságcsapot úgy, hogy benne a feszítőhüvely egybeessen a vágásmagasság-konzol furatában a bevágással, majd húzza ki (Ábra 25).
Illessze be a vágásmagasságcsapot a kívánt vágásmagassághoz tartozó furatba (Ábra 25).
A vágásmagassággal kapcsolatban lásd a fűnyíróasztal-emelő lemezen található címkét (Ábra 25).
Mozdítsa ki a fűnyíróasztal-emelő kapcsolóval a nyíróasztalt vonulási helyzetből (a 140 mm vágásmagasságból), majd engedje le a választott helyzetbe.

A nyíróasztal maximális tartományú lebegéséhez helyezze a görgőket 1 lyukkal lejjebb. A görgőknek 6 mm távolságot kell tartaniuk a talajfelülettől. Ne állítsa be úgy a görgőket, hogy azok tartsák a nyíróasztalt.
Parkolja le a gépet sík talajon.
Kapcsolja ki a késkapcsolót (TLT), állítsa SEMLEGES-RETESZELT helyzetbe a haladásvezérlő karokat, és húzza be a rögzítőféket.
Állítsa le a motort, vegye ki az indítókulcsot, és várja meg, amíg az összes mozgó alkatrész leáll, csak ezután hagyja el a kezelőülést.
Állítsa be a lenyesés elleni védelemre szolgáló görgőket a Ábra 26 és a Ábra 27 alapján.


Húzza meg a peremes anyát 41–47 N·m nyomatékkal.
Rögzítse a csúszkákat az alsó helyzetben, ha 51 mm-nél nagyobb magasságban és a magasabb helyzetben, ha 51 mm-nél kisebb magasságban végzi a fűnyírást.
A csúszkák beállítását végezze a Ábra 28 alapján.

Ha a motor túlmelegszik, a TLT kikapcsol, hangjelzés szólal meg, és megjelenik egy oszlopdiagramon a motor hőmérséklete. A TLT nem kapcsol be, amíg a motor le nem hűlt, és kézzel ki-, majd be nem kapcsolta a TLT-t.
Note: Ha hideg motornál a hűtőfolyadék szintje nem éri el a kiegyenlítőtartályban a jelzést, a hűtőfolyadékhőmérséklet-érzékelő nem fog megfelelően működni, és/vagy a hangjelzés nem szólal meg, ha a motor túlmelegszik.
A legjobb fűnyírási teljesítmény és maximális levegőkeringés érdekében a motort a gázkar GYORS helyzetében működtesse. Mivel a fűkaszálék alapos lenyírásához levegőre van szükség, ne állítsa annyira alacsonyra a vágásmagasságot, hogy a nyíróasztalt teljesen körülvegye a nyíratlan fű. Igyekezzen elérni, hogy a nyíróasztal egyik oldalánál ne legyen nyíratlan fű, így a gép beszívhatja a levegőt a nyíróasztal alá.
Nyírja a füvet a normálnál valamivel nagyobb vágásmagassággal, hogy a nyíróasztal ne vágjon bele az esetleg egyenetlen talajba. Ugyanakkor általában a korábban használt vágásmagasság a legjobb választás. 15 cm-nél magasabb fű lenyírásakor előfordulhat, hogy két menetben kell elvégeznie a fűnyírást az elfogadható vágásminőség érdekében.
A legjobb, ha a fűszálnak nagyjából csak a harmadát vágja le. Nem ajánlott ennél többet levágni belőle, kivéve, ha a fű ritka, vagy késő ősszel, amikor a fű már lassabban nő.
Váltogassa a fűnyírás irányát, hogy a fű mindig egyenesen álljon. Ez egyben a fűkaszálékot is segít jobban szétszórni, ami elősegíti a lebomlást és a trágyázó hatást.
A fű eltérő sebességgel nő az év különböző szakaszaiban. Az azonos vágásmagasság megtartása érdekében kora tavasszal végezze gyakrabban a fűnyírást. Ahogy a fű növekedése nyár közepére lelassul, a fűnyírás is ritkulhat. Ha hosszabb ideig nem került sor fűnyírásra, először végezze azt nagy vágásmagasságon, majd 2 nappal később alacsonyabb beállítás mellett.
A vágás minőségének javítása érdekében bizonyos körülmények mellett használjon kisebb menetsebességet.
Egyenetlen gyepen növelje a vágásmagasságot, hogy elkerülje a gyep lenyesését.
Ha fűnyírás közben előremenetben meg kell állnia, egy halom fűkaszálék hullhat a gyepre. Ennek megelőzése érdekében vezesse a gépet egy már lenyírt részre bekapcsolt késhajtással, vagy még haladás közben állítsa le a nyíróasztal meghajtását.
Minden használat után tisztítsa ki a nyesedéket és szennyeződést a nyíróasztal alsó részéről. Ha fű és kosz gyűlik fel a nyíróasztal belsejében, a vágás minősége romlani fog.
Gondoskodjon arról, hogy a fűnyírási szezonban mindig éles legyen a kés, mivel az éles kés a fűszálakat egyenesen metszi el anélkül, hogy tépné vagy szaggatná azokat. Az eltépett, leszakított fűszál vége megbarnul, ami lassítja a növekedését, és növeli a megbetegedés esélyét. Ellenőrizze a fűnyírókéseket minden használat után élesség, illetve kopás vagy sérülés szempontjából. Szükség szerint reszelje le a csorbulást, és élezze meg a kést. Ha a kés megsérült vagy elkopott, cserélje ki azonnal, eredeti Toro-cserekést használva.
Állítsa le a motort, vegye ki az indítókulcsot, és várja meg, amíg az összes mozgó alkatrész leáll, csak ezután hagyja el a kezelőülést. Hagyja lehűlni a gépet, mielőtt szervizelési, beállítási, tankolási, tisztítási vagy tárolási munkába kezd rajta.
Tisztítsa le a füvet és törmeléket a nyíróegységről, valamint a tűzveszély megelőzése érdekében a hangtompítóról, a hajtásokról és a motortérből. Takarítsa fel a kiömlött olajat vagy üzemanyagot.
Zárja el az üzemanyagot és vegye ki az indítókulcsot, mielőtt eltárolja vagy szállítani kezdi a gépet.
A hajtókerék-kioldó szelepek segítségével oldja ki a hidrosztatikus hajtásrendszert, így a gép a motor járatása nélkül is elmozdítható lesz.
A kioldáshoz fordítsa el a megkerülőszelepeket 1 fordulattal balra; a hajtás helyreállításához fordítsa el a megkerülőszelepeket jobbra (Ábra 29).
Important: Ne húzza meg túlságosan. Ne vontassa a gépet.

A gép szállításához használjon nagy teherbírású pótkocsit vagy tehergépkocsit. Használjon teljes szélességű rámpát. Ügyeljen arra, hogy az utánfutó vagy tehergépkocsi rendelkezzen a jogszabályban előírt fékekkel, világítással és jelzésekkel. Olvassa el figyelmesen a biztonsági előírásokat. Ezen információk ismerete segít elkerülni a személyi sérüléseket. Az utánfutóra és a lekötésre vonatkozó követelmények tekintetében tanulmányozza a helyi jogszabályokat.
Az irányjelzők, lámpák, fényvisszaverő jelzések vagy lassú jármű embléma nélküli közúti közlekedés veszélyes, és olyan balesetekhez vezethet, amelyek személyi sérüléseket is okozhatnak.
Ne parkoljon a géppel közúton.
A gép utánfutóra vagy tehergépkocsira való felrakodása megnöveli a felborulás kockázatát, és súlyos, akár végzetes sérüléssel is járhat (Ábra 30).
Csak teljes szélességű rámpát használjon, ne a gép két oldalán elhelyezett külön rámpákat.
Ne legyen 15°-nál meredekebb a rámpa lejtése a talajhoz, valamint a pótkocsi vagy a tehergépkocsi platójához képest.
A rámpa hossza legyen legalább négyszerese a plató és a talaj közti távolságnak. Ezzel biztosítható, hogy sík talajon a rámpa szöge ne haladja meg a 15°-ot.

A gép utánfutóra vagy tehergépkocsira való felrakodása megnöveli a felborulás kockázatát, és súlyos, akár végzetes sérüléssel is járhat.
Amikor a géppel rámpán halad, legyen rendkívül óvatos.
A rámpára tolatva hajtson fel, és előremenetben hajtson le róla.
Amikor rámpán halad a géppel, kerülje a hirtelen gyorsítást és lassítást, mert elveszítheti az uralmát a gép felett, és az felborulhat.
Utánfutó használata esetén kapcsolja azt fel a gépjárműre, és akassza be a biztonsági láncokat is.
Adott esetben kösse be az utánfutó fékrendszerét és világítását is.
Hajtsa le a rámpát, ügyelve arra, hogy a rámpa és a talaj közti szög ne legyen több mint 15° (Ábra 30).
Tolasson fel a géppel a rámpán (Ábra 31).

Állítsa le a motort, vegye ki a kulcsot, és húzza be a rögzítőféket.
Kötözze le a gépet az első önbeálló kerekeknél és a hátsó vázkeretnél hevederekkel, láncokkal, sodronnyal vagy kötelekkel (Ábra 32). A lekötésre vonatkozó követelmények tekintetében tanulmányozza a helyi jogszabályokat.

Ha a kulcsot a gyújtáskapcsolóban hagyja, mások véletlenül beindíthatják a motort, ami a közelben állók súlyos sérülését okozhatja. Karbantartási munkák előtt vegye ki a kulcsot a gyújtáskapcsolóból.
A kezelőállás elhagyása előtt végezze el az alábbiakat:
Parkolja le a gépet sík talajon.
Kapcsolja le a hajtásokat.
Húzza be a rögzítőféket.
Állítsa le a motort, és vegye ki az indítókulcsot.
A karbantartás megkezdése előtt hagyja a gép elemeit lehűlni.
Ne engedje, hogy a gépet oktatásban nem részesült személyzet üzemeltesse.
Tartsa távol kezét és lábát a mozgó vagy forró alkatrészektől. Ha lehetséges, járó gépen ne végezzen beállításokat.
Az energiát tároló alkatrészekből óvatosan engedje ki a nyomást.
Ellenőrizze rendszeresen a rögzítőfék működését. Végezze el beállítását és szervizelését szükség szerint.
Soha ne módosítsa illetéktelenül a biztonsági berendezéseket. Rendszeresen ellenőrizze azok megfelelő működését.
Tisztítsa le a füvet és törmeléket a nyíróegységről, valamint a tűzveszély megelőzése érdekében a hangtompítóról, a hajtásokról és a motortérből.
Takarítsa fel a kiömlött olajat vagy üzemanyagot, és távolítson el minden üzemanyaggal átitatott törmeléket.
Ne hagyatkozzon mechanikus vagy hidraulikus emelőre alátámasztásként; ha megemeli a gépet, támassza alá emelőállványokkal.
A gép minden alkatrészét tartsa megfelelő üzemállapotban. Az összes csavart húzza meg, különösen a késeket rögzítő kötőelemeket. Cseréljen ki minden kopott vagy sérült matricát.
A gép javítása előtt kösse le az akkumulátort. Először a negatív sarut kösse le, és utána a pozitívot. Először a pozitív sarut kösse vissza, és utána a negatívot.
Az optimális teljesítmény érdekében csak eredeti Toro-pótalkatrészeket és -tartozékokat használjon. A más által gyártott pótalkatrészek és tartozékok használata veszélyes lehet, és emellett a jótállást is érvénytelenítheti.
| Karbantartási időköz | Karbantartási intézkedés |
|---|---|
| Az első 100 óra után |
|
| Az első 200 óra után |
|
| Minden egyes használat előtt, vagy naponta |
|
| Minden 50 órában |
|
| Minden 100 órában |
|
| Minden 200 órában |
|
| Minden 400 órában |
|
| Minden 500 órában |
|
| Minden 800 órában |
|
| Minden 2000 órában |
|
| Havonta |
|
| Évente |
|
Important: A további karbantartási eljárásokra vonatkozóan lásd a motor kezelői kézikönyvét.
Ha a kulcsot a gyújtáskapcsolóban hagyja, mások véletlenül beindíthatják a motort, ami a közelben állók súlyos sérülését okozhatja.
Karbantartási munkák előtt állítsa le a motort, és vegye ki az indítókulcsot a gyújtáskapcsolóból.
| Karbantartási időköz | Karbantartási intézkedés |
|---|---|
| Minden 400 órában |
|
| Évente |
|
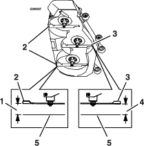
Végezze el gyakrabban a zsírzást, ha különösen poros vagy homokos környezetben dolgozik a géppel.
Kenőzsír típusa: 2. sz. lítiumos vagy molibdénes kenőzsír
Parkolja le a gépet sík talajon, kapcsolja ki a késkapcsolót, és húzza be a rögzítőféket.
Állítsa le a motort, vegye ki az indítókulcsot, és várja meg, amíg az összes mozgó alkatrész leáll, csak ezután hagyja el a kezelőülést.
Tisztítsa le ronggyal a zsírzógombokat.
Note: Kaparja le a festéket a zsírzógomb elejéről, ha van rajta.
Csatlakoztasson zsírzóprést a zsírzógombra.
Pumpálja addig a zsírt a zsírzógombokba, amíg a csapágyakból ki nem türemkedik.
Törölje le a felesleges zsírt.
A feltöltési helyek és kenési ütemezés tekintetében lásd az alábbi táblázatot.
| Kenési táblázat | |||
|---|---|---|---|
| Zsírzógombok helyei | Kezdő löketszám | Helyek száma | Szervizelési időköz |
| 1. Nyíróasztal-meghajtó TLT | 1 | 3 | 50 üzemóránként |
| 2. Nyíróasztal-feszítőcsapok | 1 | 1 | 400 üzemóránként vagy évente |
| 3. Önbeállókerék-csapágyak | 0 | 2 | Évente |
| 4. Önbeálló forgócsapok | 0 | 2 | 400 üzemóránként vagy évente |
![]() |
| Karbantartási időköz | Karbantartási intézkedés |
|---|---|
| Minden 50 órában |
|
Note: A kardánkeresztek és a bordás hüvely könnyebben hozzáférhetők, ha eltávolítja a padlólemezt, és teljesen leengedi a nyíróasztalt.
Parkolja le a gépet sík talajon, kapcsolja ki a késkapcsolót és húzza be a rögzítőféket.
Állítsa le a motort, vegye ki az indítókulcsot, és várja meg, amíg az összes mozgó alkatrész leáll, csak ezután hagyja el a kezelőülést.
Tisztítsa le ronggyal a zsírzógombokat.
Csatlakoztasson zsírzóprést a zsírzógombra.
Pumpálja addig a zsírt a zsírzógombokba, amíg a csapágyakból ki nem türemkedik.
Törölje le a felesleges zsírt.

| Karbantartási időköz | Karbantartási intézkedés |
|---|---|
| Minden 400 órában |
|
| Évente |
|
Parkolja le a gépet sík talajon, kapcsolja ki a késkapcsolót, és húzza be a rögzítőféket.
Állítsa le a motort, vegye ki az indítókulcsot, és várja meg, amíg az összes mozgó alkatrész leáll, csak ezután hagyja el a kezelőülést.
Távolítsa el a porvédő sapkát, állítsa be az önbeálló kerekek forgócsapjait, és ne tegye vissza a porvédő sapkát, amíg a zsírzást el nem végezte, lásd: Az önbeálló forgócsap csapágyának beállítása.
Távolítsa el a hatlapú zárócsavart.
Hajtson be egy zsírzógombot a furatba.
Pumpáljon zsírt a zsírzógombba, amíg ki nem türemkedik a felső csapágy körül.
Szerelje ki a zsírzógombot a furatból. Szerelje vissza a zárócsavart és a sapkát.
| Karbantartási időköz | Karbantartási intézkedés |
|---|---|
| Évente |
|
Parkolja le a gépet sík talajon, kapcsolja ki a késkapcsolót, és húzza be a rögzítőféket.
Állítsa le a motort, vegye ki az indítókulcsot, és várja meg, amíg az összes mozgó alkatrész leáll, csak ezután hagyja el a kezelőülést.
Emelje meg a nyíróasztalt a hozzáféréshez.
Távolítsa el az önbeálló kereket az önbeálló villából.
Távolítsa el a tömítésvédő kupakot a kerékagyról.

Távolítsa el a távtartóanyát az önbeálló kerék tengelyegységéről.
Note: A távtartóanyát menetrögzítő pasztával szerelték fel a tengelyre.
Távolítsa el a tengelyt a kerékegységből (a másik távtartóanya még maradjon a helyén).
Feszegesse ki a tömítőgyűrűket, vizsgálja meg a csapágyakat kopás, károsodás szempontjából, szükség szerint cserélje le őket.
Töltse fel a csapágyakat általános kenőzsírral.
Szereljen be 1 csapágyat és 1 új tömítőgyűrűt a kerékbe.
Ha a tengelyre egyik távtartóanya sincs felszerelve, kenje meg az egyik távtartóanya meneteit menetrögzítő pasztával, és hajtsa rá a tengelyre úgy, hogy a lapítás a csavarkulcs számára kifelé álljon.
Note: Ne hajtsa rá a távtartóanyát a tengely végére a menet végéig. A távtartóanya külső felületéhez képest kb. 3 mm-rel legyen beljebb a tengely vége.
Szerelje be az összeszerelt anyát és tengelyt a kerékbe az új tömítőgyűrű és csapágy felől.
Fordítsa a kereket a nyitott részével felfelé, és töltse fel teljesen a tengely körüli részt általános kenőzsírral.
Szerelje be a másik csapágyat és az új tömítőgyűrűt a kerékbe.
Kenje meg a másik távtartóanya meneteit is menetrögzítő pasztával, és hajtsa rá a tengelyre úgy, hogy a lapítás a csavarkulcs számára kifelé álljon.
Húzza meg az anyát 8–9 Nm nyomatékkal, lazítsa vissza, majd húzza meg újra 2–3 Nm nyomatékkal.
Note: Ügyeljen arra, hogy a tengely egyik oldalon se lógjon túl az anyán.
Szerelje fel a tömítésvédő kupakokat a kerékagyra, majd szerelje be a kereket az önbeálló villába.
Szerelje be az önbeálló kerék csavarját, és húzza meg teljesen az anyát.
Important: Ellenőrizze gyakran a csapágyat és a beállítást, hogy megelőzhető legyen a tömítés és a csapágy károsodása. Pörgesse meg az önbeálló kereket. Nem szabad, hogy sokáig pörögjön (1 vagy 2 fordulatot tehet meg), és oldalirányú játéka sem lehet. Ha a kerék akadálytalanul pörög, állítson a távtartóanyán, hogy legyen a keréknek némi ellenállása. Hordjon fel újabb réteg menetrögzítő pasztát.
Tartsa távol kezét, lábát, arcát, ruházatát és más testrészeit a kipufogótól és egyéb forró felületektől. A karbantartás megkezdése előtt hagyja a motor elemeit lehűlni.
Ne változtassa meg a motor szabályozási beállításait, és ne pörgesse túl a motort.
| Karbantartási időköz | Karbantartási intézkedés |
|---|---|
| Minden 400 órában |
|
Parkolja le a gépet sík talajon, kapcsolja ki a késkapcsolót (TLT), és húzza be a rögzítőféket.
Állítsa le a motort, vegye ki az indítókulcsot, és várja meg, amíg az összes mozgó alkatrész leáll, csak ezután hagyja el a kezelőülést.
Ellenőrizze a légszűrőházat olyan sérülések szempontjából, amelyek levegőszivárgást okozhatnak.
A sérült légszűrőházat cserélje le.
Ellenőrizze a szívórendszert szivárgás, károsodás és laza tömlőbilincsek szempontjából.
Szervizelje a légszűrőt és a biztonsági betétet, ha riasztás jelenik meg (Ábra 35).
Important: Ne szervizelje a szükségesnél gyakrabban a légszűrőbetétet.

Ellenőrizze, hogy a légszűrőfedél megfelelően felült-e a légszűrőházra, és jól tömít-e.
Note: Ha a fedél szivacstömítése sérült, cserélje ki.
Important: Kerülje a nagy nyomású levegő használatát, mert az befújhatja a szennyeződést a szívórendszerbe.
Important: A használt szűrőt ne tisztítsa, mert az anyagát ez károsítja.
Important: Ne használjon sérült szűrőbetétet.
Important: Ne fejtsen ki nyomást a szűrőbetét hajlékony középső részére.

| Karbantartási időköz | Karbantartási intézkedés |
|---|---|
| Az első 200 óra után |
|
| Minden egyes használat előtt, vagy naponta |
|
| Minden 200 órában |
|
| Minden 400 órában |
|
| Évente |
|
A forgattyúházat gyárilag feltöltik olajjal; ennek ellenére a motor első beindítása előtt és után ellenőrizze az olajszintet. Ellenőrizze az olajszintet minden nap vagy a gép használatának megkezdése előtt minden alkalommal.
25 LE-s Yanmar dízelmotorok olajtöltete: 4,7 l az olajszűrővel együtt
37 LE-s Yanmar dízelmotorok olajtöltete: 6,6 l az olajszűrővel együtt
Preferált motorolaj: Toro Premium Engine Oil
Más olaj használata esetén használjon kiváló minőségű, alacsony koromszintű, az alábbi előírásoknak megfelelő vagy azokat túlszárnyaló motorolajat:
CJ-4 vagy magasabb API-besorolás
E6 ACEA-besorolás
DH-2 JASO-besorolás
Important: Ha nem API CJ-4 vagy jobb, ACEA E6 vagy JASO DH-2 motorolajat használ, a dízelrészecske-szűrő eltömődhet vagy károsodhat a motor.
Használja az alábbi motorolaj-viszkozitási kategóriát:
SAE 10W-30 vagy 5W-30 (bármilyen hőmérsékleten)
SAE 15W-40 (0 °C fölött)
Note: A forgalmazónál kapható Toro Premium Engine motorolaj. A cikkszámok az Alkatrész-katalógusból vagy a Toro-forgalmazótól megtudhatók.
Parkolja le a gépet sík talajon, kapcsolja ki a késkapcsolót (TLT), és húzza be a rögzítőféket.
Állítsa le a motort, vegye ki az indítókulcsot, és várja meg, amíg az összes mozgó alkatrész leáll, csak ezután hagyja el a kezelőülést.
Nyissa fel a motorháztetőt.
Ellenőrizze a motorolaj szintjét a Ábra 37 szerint.

Ha lehetséges, járassa a motort közvetlenül az olajcsere előtt, mert a meleg olaj jobban folyik és több szennyezőanyagot szállít, mint a hideg.
Parkolja le a gépet sík talajon, kapcsolja ki a késkapcsolót (TLT), és húzza be a rögzítőféket.
Állítsa le a motort, vegye ki az indítókulcsot, és várja meg, amíg az összes mozgó alkatrész leáll, csak ezután hagyja el a kezelőülést.
Nyissa fel a motorháztetőt.
Cserélje le a motorolajat a Ábra 38 szerint.

Cserélje ki az olajszűrőt a Ábra 39 szerint.

Töltse fel a forgattyúházat olajjal; lásd: Motorolajra vonatkozó előírások.
| Karbantartási időköz | Karbantartási intézkedés |
|---|---|
| Minden 800 órában |
|
Ellenőrizze a motoron a szelephézagot. Lásd a motor kezelői kézikönyvét.
Az üzemanyag bizonyos körülmények között rendkívül gyúlékony és robbanásveszélyes. Az üzemanyag okozta tűz vagy robbanás megégetheti Önt vagy másokat, és anyagi károkat okozhat.
Az üzemanyagra vonatkozó óvintézkedések teljes listája tekintetében lásd: Az üzemanyaggal kapcsolatos óvintézkedések.
| Karbantartási időköz | Karbantartási intézkedés |
|---|---|
| Minden 50 órában |
|
Parkolja le a gépet sík talajon, kapcsolja ki a késkapcsolót és húzza be a rögzítőféket.
Állítsa le a motort, vegye ki az indítókulcsot, és várja meg, amíg az összes mozgó alkatrész leáll, csak ezután hagyja el a kezelőülést.
Helyezzen egy leürítőedényt az üzemanyagszűrő/vízleválasztó alá.
Nyissa meg a vízleválasztó szelepét kb. 1 fordulattal, hogy leürüljön a víz és az egyéb szennyeződés (Ábra 40).

Zárja el a vízleválasztó szelepét, ha már csak dízelüzemanyag távozik.
Important: Az üzemanyagba kerülő víz vagy egyéb szennyeződés károsíthatja az üzemanyag-szivattyút és/vagy a motoralkatrészeket.
| Karbantartási időköz | Karbantartási intézkedés |
|---|---|
| Minden 400 órában |
|

| Karbantartási időköz | Karbantartási intézkedés |
|---|---|
| Minden 400 órában |
|
Vizsgálja meg az üzemanyag-vezetékeket elhasználódás, károsodás, kikopás és laza csatlakozások szempontjából.
A gép javítása előtt kösse le az akkumulátort. Először a negatív sarut kösse le, és utána a pozitívot. Először a pozitív sarut kösse vissza, és utána a negatívot.
Az akkumulátor töltését nyitott, jól szellőző helyen végezze, szikráktól és nyílt lángtól távol. A töltőt az akkumulátorra való csatlakoztatása vagy leválasztása előtt húzza ki a fali aljzatból. Viseljen védőruházatot, és használjon szigetelt szerszámokat.
Az akkumulátor elektrolitja kénsavat tartalmaz, amely lenyelve halálos, bőrre kerülve pedig súlyos égési sérüléseket okoz.
Ne igyon elektrolitot, és ügyeljen arra, hogy ne érintkezzen a bőrrel, szemmel vagy ruházattal. Viseljen védőszemüveget szemei, valamint gumikesztyűt a keze védelmére.
Az akkumulátor pólusai vagy a fémszerszámok a gép fém alkatrészeihez érve szikrázást keltő rövidzárlatot okozhatnak. A szikrák hatására az akkumulátor gázai berobbanhatnak, ami személyi sérüléshez vezethet.
Az akkumulátor ki- vagy beszerelése során ügyeljen arra, hogy annak pólusai ne érjenek a gép fém alkatrészeihez.
Ügyeljen arra, hogy a fém szerszámok ne okozzanak rövidzárlatot az akkumulátor pólusai és a gép fém alkatrészei között.
Az akkumulátor kábeleinek helytelen elvezetése szikrákat okozva károsíthatja a gépet és a kábeleket. A szikrák hatására az akkumulátor gázai berobbanhatnak, ami személyi sérüléshez vezethet.
Először mindig a negatív (fekete) akkumulátorkábelt kösse le, és csak azután a pozitív (piros) kábelt.
Először mindig a pozitív (piros) akkumulátorkábelt kösse vissza, és csak azután a negatív (fekete) kábelt.
Kapcsolja ki a késkapcsolót (TLT), állítsa SEMLEGES-RETESZELT helyzetbe a haladásvezérlő karokat, és húzza be a rögzítőféket.
Állítsa le a motort, vegye ki az indítókulcsot, és várja meg, amíg az összes mozgó alkatrész leáll, csak ezután hagyja el a kezelőülést.
Oldja ki az ülést és hajtsa fel.
Szerelje ki az akkumulátort az Ábra 42 alapján.

Note: Helyezze el úgy az akkumulátort a tálcájában, hogy a pólusai a hidraulikatartállyal ellenkező oldalon legyenek.

| Karbantartási időköz | Karbantartási intézkedés |
|---|---|
| Havonta |
|
Az akkumulátor töltése során robbanásveszélyes gázok keletkeznek.
Ne dohányozzon az akkumulátor közelében, és tartson távol minden szikrát, nyílt lángot az akkumulátortól.
Important: Az akkumulátort tartsa mindig teljesen feltöltve (1,265-ös fajsúly). Különösen fontos az akkumulátort megvédeni a károsodástól 0 °C alatti hőmérsékleten.
Az akkumulátorcellák töltőnyílásán legyenek fenn a sapkák. Töltse az akkumulátort 10–15 percig legalább 25–30 A vagy 30 percig 10 A áramerősséggel.
Ha az akkumulátor teljesen feltöltődött, húzza ki a töltőt a konnektorból, majd kösse le az akkumulátor pólusairól (Ábra 44).
Szerelje be az akkumulátort a gépbe, és kösse rá a kábeleit, lásd: Az akkumulátor beszerelése.
Note: Ne járassa a gépet lekötött akkumulátorral, elektromos károsodások léphetnek fel.

A villamos rendszert biztosítékok védik. A biztosítékok nem igényelnek karbantartást, de ha valamelyik kiég, ellenőrizni kell az általa védett részegységet/áramkört rövidzárlat vagy egyéb hiba szempontjából.
Oldja ki a motorháztetőt és hajtsa fel, hogy hozzáférjen a biztosítékfoglalathoz.
A biztosítékot a cseréjéhez csak húzza ki a foglalatból.
Helyezze be az új biztosítékot (Ábra 45).

| Karbantartási időköz | Karbantartási intézkedés |
|---|---|
| Minden egyes használat előtt, vagy naponta |
|
Vizsgálja meg a biztonsági övet kopás, vágások, valamint a visszahúzó szerkezet és a csat megfelelő működése tekintetében. Cserélje ki a biztonsági övet, ha károsodott.
Kapcsolja ki a késkapcsolót (erőleadó tengelyt).
Haladjon a géppel egy nyílt, sík területre, és állítsa a menetvezérlő karokat SEMLEGES-RETESZELT helyzetbe.
A gázkart állítsa középre a GYORS és a LASSú helyzet közé.
Tolja előre mindkét menetvezérlő kart a T nyílásban ütközésig.
Ellenőrizze, hogy merre húz a gép.
Húzza be a rögzítőféket, állítsa le a motort, és vegye ki az indítókulcsot.
Állítson az ütközőlemezeken szükség szerint.
Ha a gép jobbra húz, lazítsa meg a csavarokat, és állítsa hátrébb a bal ütközőlemezt a bal T nyílásnál annyira, hogy a gép egyenesen haladjon (Ábra 46).
Ha a gép balra húz, lazítsa meg a csavarokat, és állítsa hátrébb a jobb ütközőlemezt a jobb T nyílásnál annyira, hogy a gép egyenesen haladjon (Ábra 46).
Húzza meg az ütközőlemez csavarjait (Ábra 46).

Igazítsa be a karok hosszanti semleges helyzetét úgy, hogy együtt SEMLEGES helyzetbe állítja őket, összeigazítja a helyzetüket, majd meghúzza a csavarokat (Ábra 47).

Ha beigazítás szükséges, lazítsa meg a nem megfelelő helyzetű haladásvezérlő kar 2 rögzítőcsavarját (Ábra 48).

Állítsa a haladásvezérlő kart a másik karhoz.
Húzza meg a haladásvezérlő kar 2 rögzítőcsavarját (Ábra 48).
| Karbantartási időköz | Karbantartási intézkedés |
|---|---|
| Minden 50 órában |
|
A hátsó kerekeken lévő gumiabroncsok előírt légnyomása: 1,24 bar.
Note: Az önbeálló kerekek félpneumatikus gumiabronccsal rendelkeznek, azoknál nem kell foglalkozni a légnyomással.
Az alacsony abroncsnyomás csökkenti a gép lejtőstabilitását. Emiatt a gép felborulhat, ami súlyos, akár halálos sérüléssel is járhat.
Ne használja a gépet alacsony abroncsnyomás mellett.
Ellenőrizze a légnyomást a hátsó gumiabroncsokban. Szükség szerint a levegőt kieresztve vagy belepumpálva állítsa be a gumiabroncsok nyomását az előírt értékre.
Important: Mindig gondoskodjon az előírt nyomásról az összes gumiabroncsban, hogy biztosítható legyen a megfelelő vágásminőség és gépteljesítmény.Ellenőrizze a légnyomást az összes gumiabroncsban, mielőtt használni kezdené a gépet.

| Karbantartási időköz | Karbantartási intézkedés |
|---|---|
| Az első 100 óra után |
|
Húzza meg a kerékanyákat 115–142 N·m nyomatékkal.
| Karbantartási időköz | Karbantartási intézkedés |
|---|---|
| Minden 500 órában |
|
Parkolja le a gépet sík talajon, kapcsolja ki a késkapcsolót és húzza be a rögzítőféket.
Állítsa le a motort, vegye ki az indítókulcsot, és várja meg, amíg az összes mozgó alkatrész leáll, csak ezután hagyja el a kezelőülést.
Távolítsa el a porvédő sapkát az önbeálló forgócsapról és húzza meg az önbiztosító anyát (Ábra 50).
Húzza meg annyira az önbiztosító anyát, hogy a rugós alátétek ellapuljanak, majd hajtsa vissza az anyát ¼ fordulattal, hogy megfelelő előfeszítést adjon a csapágyaknak (Ábra 50).
Important: Ellenőrizze, hogy a rugós alátéteket megfelelően szerelték-e fel, a Ábra 50 szerint.
Szerelje vissza a porvédő sapkát (Ábra 50).

| Karbantartási időköz | Karbantartási intézkedés |
|---|---|
| Minden 50 órában |
|
Használjon SAE 75W-90 szintetikus hajtóműolajat.
Parkolja le a gépet sík talajon és húzza be a rögzítőféket.
Engedje le a nyíróasztalt 25 mm vágásmagasságra.
Kapcsolja ki a késkapcsolót, állítsa le a motort, vegye ki a kulcsot, és várja meg, amíg leáll az összes mozgó alkatrész, csak ezután hagyja el a kezelőállást.
Hajtsa fel a lábtartót, hogy szabaddá váljon a nyíróasztal teteje.
Távolítsa el a nívópálcát/töltőnyílássapkát a hajtómű tetejéből, és győződjön meg arról, hogy a kenőolaj szintje a nívópálca jelölései között látható (Ábra 51).

Ha az olajszint alacsony, töltsön be annyit, hogy a szintje a nívópálca jelölései közé kerüljön.
Important: Ne töltse túl a hajtóművet; a túltöltés miatt a hajtómű károsodhat.
| Karbantartási időköz | Karbantartási intézkedés |
|---|---|
| Az első 200 óra után |
|
| Minden 400 órában |
|
Ha az olaj elszennyeződött, forduljon a hivatalos Toro-forgalmazóhoz, mert a rendszert át kell öblíteni. A szennyezett olaj a tiszta folyadékhoz képest tejszerűnek vagy feketének tűnik.
Parkolja le a gépet sík talajon és húzza be a rögzítőféket.
Engedje le a nyíróasztalt 25 mm vágásmagasságra.
Kapcsolja ki a késkapcsolót, állítsa le a motort, vegye ki a kulcsot, és várja meg, amíg leáll az összes mozgó alkatrész, csak ezután hagyja el a kezelőállást.
Hajtsa fel a lábtartót, hogy szabaddá váljon a nyíróasztal teteje.
Távolítsa el a nívópálcát/töltőnyílássapkát a hajtómű tetejéből, és győződjön meg arról, hogy a kenőolaj szintje a nívópálca jelölései között látható (Ábra 51).
Távolítsa el az olajat a feltöltőnyíláson át szívóeszközzel, vagy szerelje le a hajtóművet a nyíróasztalról, és öntse ki az olajat egy edénybe.
Szerelje fel a hajtóművet (ha a leürítéséhez leszerelte).
Töltsön kb. 420 ml kenőanyagot, hogy a szintje a nívópálca jelölései közé kerüljön
Important: Ne töltse túl a hajtóművet; a túltöltés miatt a hajtómű károsodhat.
A hűtőfolyadék lenyelése mérgezést okozhat. Gyermekektől és háziállatoktól elzárva tartandó.
A nyomás alatt lévő, forrón kiáramló hűtőfolyadék, valamint a forró hűtő és kapcsolódó alkatrészei súlyos égési sérüléseket okozhatnak.
Hagyja hűlni a motort legalább 15 percig, mielőtt levenné a hűtősapkát.
A hűtősapka megnyitásakor használjon rongyot, a sapkát pedig lassan nyissa meg, hogy a gőz eltávozhasson.
| Karbantartási időköz | Karbantartási intézkedés |
|---|---|
| Minden egyes használat előtt, vagy naponta |
|
A hűtőfolyadékra vonatkozó előírások: víz és tartósan használható etilén-glikolos fagyálló 50/50 arányú keveréke
A hűtőrendszer űrtartalma: 7,6 l
Parkolja le a gépet sík talajon, kapcsolja ki a késkapcsolót és húzza be a rögzítőféket.
Állítsa le a motort, vegye ki az indítókulcsot, és várja meg, amíg az összes mozgó alkatrész leáll, csak ezután hagyja el a kezelőülést.
Nyissa fel a motorháztetőt.
Ellenőrizze a hűtőfolyadék szintjét a tágulási tartályban (Ábra 52).
Note: A hűtőfolyadék szintjének a tágulási tartály oldalán található jelzések között kell lennie.

Ha a hűtőfolyadék szintje alacsony, vegye le a tágulási tartály sapkáját és töltsön utána az előírt hűtőfolyadékból (Ábra 52).
Important: Ne töltse túl.
Tegye vissza a tágulási tartály sapkáját.
Csukja le a motorháztetőt.
| Karbantartási időköz | Karbantartási intézkedés |
|---|---|
| Minden 50 órában |
|
Tisztítsa meg a hűtőt, hogy megelőzze a motor túlmelegedését.
Note: Ha a nyíróasztal vagy a motor túlmelegedés miatt leáll, ellenőrizze a hűtőt, nem gyűlt-e fel rajta hulladék.
Parkolja le a gépet sík talajon, kapcsolja ki a késkapcsolót és húzza be a rögzítőféket.
Állítsa le a motort, vegye ki az indítókulcsot, és várja meg, amíg az összes mozgó alkatrész leáll, csak ezután hagyja el a kezelőülést.
Hajtsa előre a motorházfedelet.
Fúvassa ki sűrített levegővel a hulladékot a lamellák közül a hűtő teljes felületén, felülről lefelé és alulról felfelé is.
Ha a hulladék nem jön ki, kisnyomású locsolótömlőből érkező vízzel kell kimosni azt.
Ha a hűtő tiszta, folytassa a 7. lépéssel.
Fedje be a motort egy kartonlappal vagy nejlonnal. Mossa át a lamellákat ráspriccelt vízzel. Fúvassa át őket kisnyomású levegővel mindkét irányból.
Note: Makacs hulladék esetén ismételje az eljárást, amíg sikerrel nem jár.
Csukja le a motorháztetőt.
Indítsa be a motort és ellenőrizze a hűtőventilátor működését.
| Karbantartási időköz | Karbantartási intézkedés |
|---|---|
| Minden 2000 órában |
|
Parkolja le a gépet sík talajon, kapcsolja ki a késkapcsolót és húzza be a rögzítőféket.
Állítsa le a motort, vegye ki az indítókulcsot, és várja meg, amíg az összes mozgó alkatrész leáll, csak ezután hagyja el a kezelőülést.
Hajtsa előre a motorházfedelet.
Ürítse le a hűtőfolyadékot, amikor hideg a motor.
Vegye le a hűtősapkát, tegyen egy edényt a hűtő alá, majd szerelje ki a leeresztőcsavart a hűtő aljából.
Kösse le a hűtőfolyadéktömlőt az olajhűtőről, és ürítse le a hűtőfolyadékot a motorblokkból (Ábra 53).

Szerelje vissza a leeresztőcsavart és kösse vissza a tömlőket.
Töltse fel a hűtőt víz és etilén-glikol 50/50 arányú keverékével.
Note: A Havoline® Xtended Life hűtőfolyadék használatát javasoljuk.
Hagyjon némi helyet (kb. 12,7 mm-t) a tágulásnak. Töltsön be 50/50 arányú keverékből annyit a motor bal oldalán található tágulási tartályba, hogy elérje a tartályon látható szintjelzést.
Járassa a motort, amíg a termosztátja ki nem nyílik, és a hűtőfolyadék keringeni nem kezd a hűtőben.
Ahogy a rendszerből távozik a levegő és csökken a hűtőfolyadék szintje, töltsön utána a hűtőbe.
Ha a hűtő megtelt, és nem tölthető már rá hűtőfolyadék, járassa tovább a motort, és szerelje fel a hűtősapkát.
Ügyeljen arra, hogy a hűtősapka teljesen felüljön, ehhez nyomja le erősen, miközben ütközésig elfordítja. Ha a hűtősapkát felszerelte, állítsa le a motort.
| Karbantartási időköz | Karbantartási intézkedés |
|---|---|
| Az első 100 óra után |
|
| Minden 400 órában |
|
Ellenőrizze a rögzítőfék beállítását. Végezze el ezt az eljárást akkor is, ha fékalkatrészt távolított el vagy cserélt.
Parkolja le a gépet sík talajon, kapcsolja ki a késkapcsolót és húzza be a rögzítőféket.
Állítsa le a motort, vegye ki az indítókulcsot, és várja meg, amíg az összes mozgó alkatrész leáll, csak ezután hagyja el a kezelőülést.
Emelje fel a gép hátulját, és támassza alá emelőbakokkal.
Távolítsa el a gép hátsó kerekeit.
Takarítson le minden szennyeződést a fék környékéről.
Oldja ki a hajtókerekeket; lásd: A hajtókerék-kioldó szelepek használata.
Mérje meg az összekötőrúd-egység hosszát (Ábra 54).
Note: Ha az összekötőrúd-egység első helyzetben rögzül, az előírt hossza 219 mm; ha a hátsó helyzetben rögzül, az előírt hossza 232 mm.

Mérje meg a rugó hosszát (Ábra 54).
Note: Az előírt hossz 95 mm.
Az előírt rugóhosszt elérve ellenőrizze, hogy van-e látható hézag a csőcsap és a váll között.
Engedje ki a rögzítőféket, és forgassa el kézzel mindkét irányban a kerékagyat.
Note: A kerékagynak akadálymentesen kell forognia.
Ha nincs hézag vagy a kerékagy nem forog akadálymentesen, tegye az alábbiakat:
Engedje ki a rögzítőféket.
Kösse le az összekötőrúd-egységet, és végezzen rajta finomhangolást.
Hézag létrehozásához rövidítse az összekötőrudat.
A kerékagy forgásának biztosításához állítsa hosszabbra az összekötőrudat.
Kösse vissza az összekötőrúd-egységet.
Húzza be a rögzítőféket, és ellenőrizze a hézagot.
Ismételje addig a 10–12. lépést, amíg látható hézag nem keletkezik, és a kerékagy is akadálytalanul elforgatható nem lesz. Ismételje meg az eljárást az ellenkező oldalon is.
Note: Kiengedett helyzetben a féknek teljesen kioldott állapotba kell kerülnie.
Fordítsa el a hajtókerék kioldó kart üzemi helyzetbe; lásd: A hajtókerék-kioldó szelepek használata.
Szerelje be a leeresztőcsavart, és húzza meg 115–142 N·m nyomatékkal.
Távolítsa el az emelőállványokat.
| Karbantartási időköz | Karbantartási intézkedés |
|---|---|
| Minden 50 órában |
|
Cserélje ki az ékszíjat, ha kopott. A kopott ékszíj üzem közben nyikorog; a kések fűnyírás közben csúsznak; az ékszíj szélei rojtosak, égésnyomok és repedések láthatók rajta.
A nyikorogva járó ékszíj, a fűnyíráskor megcsúszó kések, a kopott ékszíjszélek, az égésnyomok és a repedések a kopott nyíróasztalékszíj jelei. Cserélje le az ékszíjat, ha ezek közül bármelyik körülmény észlelhető.
Parkolja le a gépet sík talajon, kapcsolja ki a késkapcsolót és húzza be a rögzítőféket.
Állítsa le a motort, vegye ki az indítókulcsot, és várja meg, amíg az összes mozgó alkatrész leáll, csak ezután hagyja el a kezelőülést.
Engedje le a fűnyírót 76 mm vágásmagasságra.
Távolítsa el a szíjburkolatokat.
A feszítőkar négyzet alakú nyílásába helyezett racsnis hajtókar segítségével szüntesse meg a feszítőgörgőt terhelő rugóerőt (Ábra 55).
Távolítsa el az ékszíjat a nyíróasztal-ékszíjtárcsáról.
Tegye fel az új ékszíjat a ventilátor-ékszíjtárcsákra (Ábra 55).

Ellenőrizze, hogy a rugóvégek a rögzítőhornyokban ülnek-e, majd a négyzet alakú nyílásba helyezett racsnis hajtókar segítségével szerelje fel az ékszíjat a feszítőtárcsára (Ábra 55).
Szerelje fel a szíjburkolatokat.
| Karbantartási időköz | Karbantartási intézkedés |
|---|---|
| Minden 100 órában |
|
Fejtsen ki 44 N erőt a generátorékszíjra a szíjtárcsák között középen.
Ha az ékszíj behajlása nem 10 mm, lazítsa meg a generátort rögzítő csavarokat (Ábra 56).

Növeljen vagy csökkentsen a generátorékszíj feszességén.
Húzza meg a rögzítőcsavarokat.
Mérje meg újra az ékszíj behajlását a szíjfeszesség ellenőrzéséhez.
A vezérlőkarok 2 magassági helyzetbe állíthatók – magas és alacsony helyzetbe. Távolítsa el a csavarokat a magasság beállításához a kezelő számára.
Parkolja le a gépet sík talajon, kapcsolja ki a késkapcsolót (erőleadó tengely), és húzza be a rögzítőféket.
Állítsa le a motort, vegye ki az indítókulcsot, és várja meg, amíg az összes mozgó alkatrész leáll, csak ezután hagyja el a kezelőülést.
Lazítsa meg a karokban a csavarokat és a peremes anyákat (Ábra 57).
Igazítsa be a karok hosszanti semleges helyzetét úgy, hogy együtt SEMLEGES helyzetbe állítja őket, összeigazítja a helyzetüket, majd meghúzza a csavarokat (Ábra 58).


Ha a karok végei egymáshoz ütköznek, lásd: A menetvezérlő rudazat beállítása.
Ismételje meg az eljárást a vezérlőkarok beállításához.
A gép két oldalán az ülés alatt található a szivattyúkat vezérlő rudazat. A rudazat végén található anyát ½"-es, mély dugókulccsal elforgatva finomhangolható a beállítás, hogy a gép a karok semleges helyzetében ne mozduljon el. Minden beállítás csak a semleges helyzet pozícióját érintheti.
A mozgásvezérlés beállításához járatni kell a motort, a hajtókerekeknek pedig forogniuk kell. A mozgó alkatrészek vagy forró felületek érintése személyi sérüléssel járhat.
Tartsa távol ujjait, kezét és ruházatát a forgó alkatrészektől és forró felületektől.
Parkolja le a gépet sík talajon, kapcsolja ki a késkapcsolót (TLT), és húzza be a rögzítőféket.
Állítsa le a motort, vegye ki az indítókulcsot, és várja meg, amíg az összes mozgó alkatrész leáll, csak ezután hagyja el a kezelőülést.
Nyomja le a nyíróasztal-emelő pedált, vegye ki a vágásmagasság-beállító csapot, és engedje le a talajra a nyíróasztalt
Emelje fel a gép hátulját, és támassza alá emelőbakokkal (vagy annak megfelelő eszközzel) olyan magasságban, hogy a hajtókerekek szabadon foroghassanak.
Húzza le a villamos csatlakozót az ülés biztonsági kapcsolójáról, amelyet az üléspárna alatt talál.
Note: A kapcsoló az ülésegység része.
Zárja átmenetileg rövidre a fő vezetékköteg csatlakozójának érintkezőit.
Indítsa be a motort, járassa teljes gázon, és engedje ki a rögzítőféket.
Note: A motor beindítása előtt győződjön meg arról, hogy a rögzítőféket behúzta, és a menetvezérlő karok külső helyzetben állnak. Nem kell beülnie az ülésbe.
Járassa a motort legalább 5 percig a menetvezérlő karok teljes előremeneti sebesség helyzetében, hogy a hidraulikafolyadék üzemi hőmérsékletre melegedjen.
Note: A menetvezérlő karoknak semleges helyzetben kell lenniük, amikor a beállítást végzi.
Állítsa SEMLEGES helyzetbe a menetvezérlő karokat.
A szivattyúvezérlő rudak hosszán a dupla anyát megfelelő irányba hajtva állítson annyit, hogy a kerekek kissé meginduljanak hátramenetben (Ábra 59).

Állítsa a haladásvezérlő karokat HáTRAMENET helyzetbe, majd a karra enyhe nyomást kifejtve hagyja, hogy a hátramenetjelző rugók visszatérítsék a kart semleges helyzetbe.
Note: A kerekeknek meg kell állniuk, vagy kissé el kell indulniuk hátramenetben.
Állítsa le a motort.
Távolítsa el az áthidaló vezetéket a vezetékkötegből, és kösse vissza a csatlakozót az üléskapcsolóba.
Távolítsa el az emelőbakokat.
Emelje fel a nyíróasztalt, és helyezze be a vágásmagasságcsapot.
Ügyeljen, hogy a gép ne induljon el hátramenetben, amikor kiengedi a rögzítőféket.
A csillapítót rögzítő felső csavart áthelyezve a menetvezérlő karok ellenállása a kívánt szintre állítható. A rögzítési lehetőségeket a Ábra 60 mutatja.

Ha hidraulikafolyadék került a bőre alá, azonnal kérjen orvosi segítséget. A bejutott folyadékot pár órán belül orvossal, sebészi úton el kell távolíttatni.
Mielőtt nyomás alá helyezi a hidraulika-rendszert, győződjön meg arról, hogy minden hidraulikacső és -tömlő megfelelő állapotban van, valamint az összes hidraulikus csatlakozó és szerelvény jól zár.
Egyetlen testrészével se kerüljön közel olyan szivárgó furatokhoz vagy fúvókákhoz, ahonnan nagynyomású hidraulikafolyadék távozhat.
A hidraulikafolyadék esetleges szivárgását ellenőrizze kartonlap vagy papírlap segítségével.
Szüntesse meg biztonságosan a nyomást a hidraulika-rendszerben, mielőtt bármilyen munkába kezd rajta.
A hidraulikatartály űrtartalma: 15,1 l
Javasolt folyadék: Toro Premium erőátviteli/hidraulikus traktorfolyadék (kapható 19 literes vödörben vagy 208 literes hordóban. A cikkszámok az Alkatrész-katalógusból vagy a Toro-forgalmazótól megtudhatók.)
Alternatív folyadékok: ha nem kapható Toro-folyadék, Mobil® 424 hidraulikafolyadék is használható.
Note: A Toro nem vállal felelősséget a nem megfelelő helyettesítő folyadék által okozott károsodásért.
Note: Sok hidraulikafolyadék majdnem színtelen, ezért nehéz észrevenni a szivárgását. A hidraulikafolyadékhoz piros festékadalék kapható 20 ml-es palackban. 1 palack tartalma 15–22 l hidraulikafolyadékhoz elegendő. 44-2500 cikkszámon megrendelhető a hivatalos Toro-forgalmazótól.
| Karbantartási időköz | Karbantartási intézkedés |
|---|---|
| Minden egyes használat előtt, vagy naponta |
|
Ellenőrizze a hidraulikafolyadék szintjét, mielőtt először beindítja a motort, majd utána naponta.
Parkolja le a gépet sík talajon, kapcsolja ki a késkapcsolót és húzza be a rögzítőféket.
Állítsa SEMLEGES-RETESZELT helyzetbe a haladásvezérlő karokat, és indítsa be a motort.
Note: Járassa a motort a lehető legalacsonyabb fordulatszámon a rendszer légtelenítéséhez.
Important: Ne kapcsolja be a TLT-t.
Emelje fel a nyíróasztalt a nyíróasztal-emelő munkahengerek kitolásához, majd állítsa le a motort, és vegye ki a kulcsot.
Hajtsa fel az ülést, hogy hozzáférjen a hidraulikafolyadék-tartályhoz.
Távolítsa el a hidraulikatartály-sapkát (Ábra 61).

Vegye ki a nívópálcát, és törölje le egy tiszta ronggyal (Ábra 61).
Tegye vissza a nívópálcát a betöltőnyakba; ezután vegye ki, és ellenőrizze a folyadékszintet (Ábra 62).
Note: Ha a szint nem éri el a nívópálca recézett részét, töltsön be kiváló minőségű hidraulikafolyadékot, hogy a szint elérje a recézett részt.
Important: Ne töltse túl.

Tegye vissza a nívópálcát, és csavarja vissza a tartálysapkát a betöltőcsonkba, amíg meg nem szorul.
Ellenőrizze az összes tömlő és szerelvény tömítettségét.
| Karbantartási időköz | Karbantartási intézkedés |
|---|---|
| Az első 200 óra után |
|
| Minden 400 órában |
|
| Minden 800 órában |
|
Kapcsolja ki a TLT-t, állítsa SEMLEGES-RETESZELT helyzetbe a haladásvezérlő karokat, és húzza be a rögzítőféket.
Állítsa a gázkart a LASSú helyzetbe, állítsa le a motort, vegye ki a kulcsot, és várja meg, amíg minden mozgó alkatrész megáll, mielőtt elhagyja a kezelői helyet.
Hajtsa fel az ülést.
Helyezzen egy nagy méretű leeresztőtálcát a hidraulikatartály, a hajtóműház, valamint a bal és a jobb kerékmotor alá (Ábra 63).

Távolítsa el a leeresztőcsavarokat mindenhonnan, és hagyja leürülni a hidraulikafolyadékot (Ábra 63).
Tisztítsa meg a hidraulikafolyadék-szűrő körüli területet és távolítsa el a szűrőt (Ábra 63).
Szereljen fel egy új hidraulikafolyadék-szűrőt, húzza meg az óramutató járása szerint annyira, hogy a gumitömítés a szűrőadapterhez érjen, majd még ⅔–¾ fordulattal.
Szerelje be a 4 leeresztőcsavart.
Note: A kerékmotorok leeresztőcsavarja mágneses; beszerelés előtt törölje azokat tisztára.
Távolítsa el a kerékmotorok tetején található betöltőnyílás-csavarokat (Ábra 64).
Töltsön minkét kerékmotorba kb. 1,4 l Toro Premium Transmission/Hydraulic Tractor Fluid hidraulikafolyadékot.
Szerelje vissza a betöltőnyílás-csavarokat.

Távolítsa el a tartálysapkát és a nívópálcát a hidraulikafolyadék-tartályból.
Töltsön be 7,6 l folyadékot a tartályba.
Emelje fel a gép hátulját, és támassza alá emelőállványokkal (vagy annak megfelelő eszközzel) olyan magasságba, hogy a hajtókerekek szabadon foroghassanak.
Indítsa be a motort és keressen folyadékszivárgást.
Járassa a motort nagyjából 5 percig, majd állítsa le.
2 perc elteltével ellenőrizze a hidraulikafolyadék szintjét, lásd: A hidraulikafolyadék szintjének ellenőrzése.
Ellenőrizze rendszeresen a késeket kopás és sérülés szempontjából.
Óvatosan járjon el a kések ellenőrzésekor. Burkolja be a késeket, vagy viseljen védőkesztyűt, és legyen óvatos a szervizelésükkor. A késeket csak cserélni vagy fenni szabad; tilos azokat kiegyenesíteni vagy hegeszteni.
Többkéses gépeknél figyelembe kell venni, hogy az egyik kés forgatásakor a többi kés is forogni kezd.
Mindig együtt, teljes készletben cserélje a kopott vagy sérült késeket és csavarokat, hogy megőrizze az egyensúlyt.
A kiváló minőségű vágás érdekében tartsa a késeket élesen. A kényelmes élezés és csere érdekében érdemes pótkésekről gondoskodni.
Parkolja le a gépet sík talajon, kapcsolja ki a késkapcsolót és húzza be a rögzítőféket.
Állítsa le a motort, vegye ki az indítókulcsot, és várja meg, amíg az összes mozgó alkatrész leáll, csak ezután hagyja el a kezelőülést.
| Karbantartási időköz | Karbantartási intézkedés |
|---|---|
| Minden egyes használat előtt, vagy naponta |
|
Ellenőrizze a vágóéleket (Ábra 65).
Ha a vágóél tompa, vagy sérülések láthatók rajta, szerelje le és fenje meg a kést, lásd: A kések élezése.
Vizsgálja meg a késeket, különösen az ívelt részen.
Ha ezen a területen bármilyen repedést, kopást vagy alakuló bevágást lát, azonnal cserélje ki a kést (Ábra 65).

Note: A következő eljáráshoz a gépnek sík talajon kell állnia.
Emelje fel a nyíróasztalt a legfelső vágásmagasságba.
Vastagon párnázott kesztyűben vagy más megfelelő kézvédelemmel ellátva fordítsa lassan a kést olyan helyzetbe, hogy megmérhesse a távolságot a vágóél és a vízszintes felület között, amelyen a gép áll (Ábra 66).

Mérje meg a kés hegye és a vízszintes felület közti távolságot (Ábra 67).

Forgassa el a kést 180°-kal, hogy az ellentétes vágóéle kerüljön mérési helyzetbe (Ábra 68).

Mérje meg a kés hegye és a vízszintes felület közti távolságot (Ábra 69).
Note: Az eltérés nem lehet több mint 3 mm.

Ha az A és a B közti eltérés több mint 3 mm, cserélje le a kést, lásd: A kések leszerelése és A kések felszerelése.
Note: Ha a görbének talált kés lecserélése után megismételt mérés továbbra is 3 mm-t meghaladó eltérést mutat, a kés tengelye görbülhetett el. Vegye fel a kapcsolatot a hivatalos márkakereskedővel a javítás miatt.
Ha az eltérés nem lépi túl a határértéket, folytassa a következő késsel.
Ismételje meg az eljárást minden késnél.
Cserélje le a kést, ha kemény tárgynak ütközött, kiegyensúlyozatlanná vált vagy elgörbült.
Tegyen villáskulcsot a tengely lapított részére, vagy tartsa meg a kés végét egy ronggyal vagy vastagon párnázott kesztyűvel.
Hajtsa ki a késtengelyből a késcsavart, és távolítsa el a perselyt és a kést (Ábra 70).

Reszelő segítségével fenje meg a kés mindkét vágóélét (Ábra 71).
Note: Őrizze meg az eredeti letörési szöget.
Note: A kés megtartja az egyensúlyát, ha mindkét vágóéléről ugyanannyi anyagot távolít el.

Ellenőrizze a kés egyensúlyát késegyensúlyozóra téve (Ábra 72).
Note: Ha a kés vízszintes helyzetben marad, akkor kiegyensúlyozott, használható.
Note: Ha a kés nincs egyensúlyban, reszeljen le némi anyagot a nehéz végéből, csak a terelőlemeznél (Ábra 71).

Ismételje az eljárást, amíg a kés egyensúlyba nem kerül.
Dugja át a perselyt a késen úgy, hogy a karimája a kés alján (a fű felől) legyen (Ábra 73).

Szerelje fel a persely-kés egységet a tengelyre (Ábra 74).

Kenjen szükség szerint rézpasztát vagy kenőzsírt a késcsavar meneteire, hogy az ne ragadjon meg. Szerelje be a késcsavart kézzel meghúzva.
Tegyen villáskulcsot az ellapított részre a tengelyen, és húzza meg a késcsavart 75–81 Nm nyomatékkal.
Note: A vágásmagasság (HOC) beállítása előtt gondoskodjon a nyíróasztal szintezéséről.
Parkolja le a gépet sík talajon, kapcsolja ki a késkapcsolót és húzza be a rögzítőféket.
Állítsa le a motort, vegye ki az indítókulcsot, és várja meg, amíg az összes mozgó alkatrész leáll, csak ezután hagyja el a kezelőülést.
Ellenőrizze a légnyomást a hajtókerekek gumiabroncsaiban.
Szükség esetén állítson be 1,24 bar nyomást.
Mozdítsa ki a fűnyíróasztal-emelő kapcsolóval a nyíróasztalt vonulási helyzetből (a 140 mm-es vágásmagasságból).

Tegye be a vágásmagasságcsapot a 76 mm-es vágásmagassághoz tartozó helyzetbe.
Oldja ki a vonulási reteszt, és engedje le a nyíróasztalt a vágásmagasságba.
Mérje meg a padlózat és a középső kés csúcsa közti távolságot (Ábra 76).
Note: Az előírt távolság 76 mm.
A szélső kések hátsó csúcsainak egy szintben kell lennie az elsőkéivel.

A finomhangolást végezze el az elülső fűnyíróasztal-emelő egységen található állítóanyával (Ábra 77).
Note: A magasság növeléséhez forgassa jobbra az állítóanyát; a csökkentéséhez forgassa balra.
Note: Ha a nyíróasztal első rudazata nem biztosít elegendő állítási lehetőséget a vágásmagasság pontos beállításához, az állíthatóság növeléséhez használja az egypontos állítási lehetőséget.

Mérje meg a hátsó késcsúcs magasságát. Végezze el szükség szerint a finomhangolást a hátsó állítószerkezeteken; további beállításhoz használja az egypontos beállítást.
A szélső kések hátsó csúcsainál az előírt érték 76 mm.
Állítsa be mind a 4 szerkezetet a megfelelő magasságra. Húzza meg az összes anyát a nyíróasztal-emelő karegységeken.
Ha a 4 nyíróasztal-állítószerkezet nem biztosít kellő állítási lehetőséget a vágásmagasság pontos beállításához a kívánt dőléssel, az állíthatóság növeléséhez használja az egypontos állítási lehetőséget (Ábra 78).

Az egypontos rendszer beállításához először lazítsa meg a vágásmagasság-lemez első és hátsó rögzítőcsavarját (Ábra 78).
Note: A nyíróasztal gyárilag az első furatokhoz rögzítik (Ábra 79). Szükség esetén használja a hátsó furatokat a további beállításhoz a nyíróasztal szintezése során.

Ha a nyíróasztal túl alacsony, jobbra forgatva húzzon az egypontos állítócsavaron. Ha a nyíróasztal túl magas, balra forgatva lazítson az egypontos állítócsavaron (Ábra 80).
Note: Lazítson vagy húzzon az egypontos állítócsavaron annyit, hogy a vágásmagasság-lemezt rögzítő csavarok a nyílásuk által lehetővé tett út legalább ⅓-át megtegyék. Ezzel egyidejűleg mind a 4 nyíróasztal-állítószerkezetnél nyer némi állítási lehetőséget felfelé vagy lefelé.

Húzza meg a 2 csavart a vágásmagasság-lemez aljánál (Ábra 78).
Note: A hátsó késcsúcsnak a legtöbb esetben 6,4 mm-rel magasabban kell állnia az első késcsúcsnál.
Húzza meg a 2 csavart 91–113 N·m nyomatékkal.
Állítsa be mind a 4 szerkezetet a megfelelő magasságra. Húzza meg az összes anyát a nyíróasztal-emelő karegységeken.
| Karbantartási időköz | Karbantartási intézkedés |
|---|---|
| Minden egyes használat előtt, vagy naponta |
|
Important: A motor megtisztításához ne használjon vizet. Használjon kis nyomású sűrített levegőt. Lásd a motor kezelői kézikönyvét.
Parkolja le a gépet sík talajon, kapcsolja ki a késkapcsolót (TLT), és húzza be a rögzítőféket.
Állítsa le a motort, vegye ki az indítókulcsot, és várja meg, amíg az összes mozgó alkatrész leáll, csak ezután hagyja el a kezelőülést.
Tisztítsa meg a lendkerék, a hengerfej, a befecskendező szelepek és a befecskendező szivattyú környezetét.
Távolítson el minden szennyeződést a kipufogórendszer környékéről.
Törölje le a felesleges zsírt és olajat a motorról és a kipufogó környékéről.
| Karbantartási időköz | Karbantartási intézkedés |
|---|---|
| Minden egyes használat előtt, vagy naponta |
|
Parkolja le a gépet sík talajon, kapcsolja ki a késkapcsolót (TLT), és húzza be a rögzítőféket.
Állítsa le a motort, vegye ki az indítókulcsot, és várja meg, amíg az összes mozgó alkatrész leáll, csak ezután hagyja el a kezelőülést.
Távolítson el minden lerakódott olajat, hulladékot és füvet a gépről és a nyíróasztalról, különösen a nyíróasztalékszíjak védőburkolatai alól, az üzemanyagtartály környékéről, valamint a motorról és a kipufogó környékéről.
Emelje fel a nyíróasztalt VONULáSI helyzetbe.
Távolítsa el a lerakódott füvet a nyíróasztal aljáról.
A motorolaj, az akkumulátor, a hidraulikafolyadék és a hűtőfolyadék a környezetet szennyező anyagok. Ezeket az állami és a helyi előírásoknak megfelelően ártalmatlanítsa.
Állítsa le a motort, vegye ki az indítókulcsot, és várja meg, amíg az összes mozgó alkatrész leáll, csak ezután hagyja el a kezelői pozíciót. Hagyja lehűlni a gépet, mielőtt beállítási, szervizelési, tisztítási vagy tárolási munkába kezd rajta.
Ne tárolja a gépet vagy az üzemanyagot nyílt láng közelében, és ne zárt térben vagy zárt utánfutón ürítse le az üzemanyagot.
Ne tárolja a gépet vagy az üzemanyagtartályt olyan helyen, ahol nyílt láng, szikra vagy őrláng fordul elő, mint például vízmelegítőkön vagy más eszközökön.
Kapcsolja ki a késkapcsolót (erőleadó tengely), és húzza be a rögzítőféket.
Állítsa le a motort, vegye ki az indítókulcsot, és várja meg, amíg az összes mozgó alkatrész leáll, csak ezután hagyja el a kezelőülést.
Távolítsa el a fűkaszálékot, a koszt és a szennyeződést a teljes gép külső felületeiről, különösen a motorról és a hidraulika-rendszerről. Tisztítsa le a koszt és a kaszálékot a hengerfej bordái közül és a ventilátorházból.
Important: A gépet kímélő mosószerrel és vízzel is lemoshatja. Ne használjon a lemosásához nagynyomású mosót. Kerülje a bő víz használatát, különösen a vezérlőpanel, a motor, a hidraulikaszivattyúk és a hidromotorok környékén.
Ellenőrizze a rögzítőfék működését, lásd: A rögzítőfék beállítása.
Végezze el a légszűrő szervizelését, lásd: A légszűrő szervizelése.
Zsírozza meg a gépet, lásd: Kenés.
Cserélje le a motorolajat, lásd: A motorolaj szervizelése.
Ellenőrizze a gumiabroncsok nyomását, lásd: A gumiabroncsok nyomásának ellenőrzése.
Cserélje le a hidraulikaszűrőket, lásd: A hidraulikafolyadék és a szűrő cseréje.
Töltse fel az akkumulátort, lásd: Az akkumulátor töltése.
Kaparjon le minden rátapadt füvet és koszt a fűnyíró aljáról, majd mossa le a fűnyírót kerti locsolótömlővel.
Note: Járassa a gépet bekapcsolt késsel (erőleadó tengely) magas alapjáraton a lemosás után 2–5 percig.
Ellenőrizze a kések állapotát, lásd: A vágókések szervizelése.
Készítse elő a gépet tárolásra, ha 30 napot meghaladó ideig nem használja. Készítse elő a gépet tárolásra az alábbi módon:
Töltsön a tartályban lévő üzemanyagba kőolaj alapú üzemanyag-stabilizáló/-kondicionálót. Kövesse az üzemanyag-stabilizáló gyártójának keverési utasításait. Ne használjon alkoholalapú üzemanyag-stabilizálót (etanolt vagy metanolt).
Note: Az üzemanyag-stabilizáló/-kondicionáló friss üzemanyaggal keverve és folyamatosan használva a leghatékonyabb.
Járassa a motort 5 percig, hogy átjárja az üzemanyagrendszert a kondicionált üzemanyag.
Állítsa le a motort, hagyja lehűlni, majd ürítse le az üzemanyagtartályt.
Indítsa be és hagyja a motort járni, míg le nem áll.
Helyezze el az üzemanyagot környezetbarát módon. Végezze el újrahasznosítását a helyi rendelkezések alapján.
Important: Ne tárolja az üzemanyag-stabilizáló/-kondicionálót hosszabban, mint ahogy a gyártója javasolja.
Ellenőrizzen és húzzon meg minden csavart és anyát. Javítsa meg vagy cserélje le a károsodott alkatrészeket.
Fesse be az összes karcos vagy csupasz fémfelületet. A festék a márkaszerviztől beszerezhető.
Tárolja a gépet tiszta, száraz garázsban vagy tárolóhelyiségben. Vegye ki a kulcsot, és tegye el úgy, hogy gyerekek vagy illetéktelenek ne férhessenek hozzá. A védelme érdekében takarja le és tartsa tisztán a gépet.
| Problem | Possible Cause | Corrective Action |
|---|---|---|
| Az indítómotor nem forgatja a motort. |
|
|
| A motor nem indul be, nehezen indul be, vagy leáll. |
|
|
| A motor gyenge. |
|
|
| A motor túlmelegszik. |
|
|
| A gép balra vagy jobbra húz (a menetvezérlő karokat ütközésig előrenyomva). |
|
|
| A gép nem indul el sem előre-, sem hátramenetben. |
|
|
| A gép rendellenes rezgésbe kezdett. |
|
|
| A vágásmagasság egyenetlen. |
|
|
| A kések nem forognak. |
|
|



