| Cadenza di manutenzione | Procedura di manutenzione |
|---|---|
| Prima di ogni utilizzo o quotidianamente |
|
Questa è una macchina multiuso dotata di postazione per l'operatore, pensata per essere utilizzata da professionisti e operatori del verde in applicazioni commerciali. Il suo scopo è quello di mantenere l'erba di parchi, campi sportivi e aree verdi commerciali dopo un taglio accurato. L'utilizzo di questo prodotto per scopi non conformi alle funzioni per cui è stato concepito può essere pericoloso per voi e gli astanti.
Leggete attentamente il presente manuale al fine di utilizzare e mantenere correttamente il prodotto ed evitare infortuni e danni. Siete responsabili dell'utilizzo del prodotto in maniera corretta e sicura.
Visitate il sito www.Toro.com per ottenere materiali di formazione sulla sicurezza e il funzionamento dei prodotti, informazioni sugli accessori, assistenza nella localizzazione di un rivenditore o per registrare il vostro prodotto.
Per assistenza, ricambi originali Toro o ulteriori informazioni, rivolgetevi a un Distributore Toro autorizzato o ad un Centro Assistenza Toro ed abbiate sempre a portata di mano il numero del modello ed il numero di serie del prodotto. La Figura 1 indica la posizione del numero del modello e del numero di serie sul prodotto. Scrivete i numeri negli spazi previsti.
Important: Con il vostro dispositivo mobile, potete scansionare il codice QR sull'adesivo del numero di serie (se in dotazione) per accedere a informazioni su garanzia, ricambi e altre informazioni sui prodotti.

Questo manuale identifica pericoli potenziali e riporta messaggi di sicurezza evidenziati dal simbolo di avviso di sicurezza (Figura 2) che segnala un pericolo che può causare lesioni personali gravi o fatali se non osserverete le precauzioni consigliate.

Per evidenziare le informazioni vengono utilizzate due parole. Importante: indica informazioni meccaniche di particolare importanza; Nota evidenzia informazioni generali di particolare rilevanza.
Questo prodotto è conforme a tutte le direttive europee pertinenti. Per informazioni dettagliate, consultate la Dichiarazione di Conformità (DICO) specifica del prodotto, fornita a parte.
Costituisce una trasgressione al Codice delle Risorse Pubbliche della California, Sezione 4442 o 4443, utilizzare o azionare questo motore su terreno forestale, sottobosco o prateria a meno che non sia dotato di parascintille, come definito nella Sezione 4442, mantenuto in efficace stato di funzionamento, o a meno che il motore sia realizzato, attrezzato o mantenuto per la prevenzione di incendi.
Il manuale d'uso del motore allegato fornisce informazioni sull'Environmental Protection Agency (EPA) degli Stati Uniti e sul regolamento del Controllo delle Emissioni dello stato della California riguardante sistemi di emissione, manutenzione e garanzia. I ricambi possono essere ordinati tramite il produttore del motore.
Se questa macchina è dotata di un dispositivo telematico, fate riferimento al vostro distributore Toro autorizzato per le istruzioni di attivazione del dispositivo.
CALIFORNIA
Avvertenza norma "Proposition 65"
I gas di scarico dei motori Diesel e alcuni dei loro elementi costitutivi sono noti allo Stato della California come cancerogeni e responsabili di difetti congeniti ed altri problemi riproduttivi.
I poli delle batterie, i morsetti e gli accessori attinenti contengono piombo e relativi composti, sostanze chimiche che nello Stato della California sono considerate cancerogene e causa di anomalie della riproduzione. Lavate le mani dopo aver maneggiato la batteria.
L'utilizzo del presente prodotto potrebbe esporre a sostanze chimiche che nello Stato della California sono considerate cancerogene e causa di anomalie congenite o di altre problematiche della riproduzione.
Questo prodotto è in grado di amputare mani e piedi, e di scagliare oggetti. Rispettate sempre tutte le norme di sicurezza per evitare gravi lesioni personali.
Leggete attentamente il contenuto di questo Manuale dell'operatore prima di avviare il motore.
Prestate la massima attenzione mentre utilizzate la macchina. Per evitare il rischio di lesioni personali o danni materiali, non impegnatevi in attività che possano causare distrazioni.
Non utilizzate la macchina senza che tutti gli schermi e gli altri dispositivi di protezione siano montati e funzionanti.
Tenete mani e piedi a distanza dalle parti rotanti. Restate lontani dall'apertura di scarico.
Tenete lontani le persone presenti e i bambini dall'area di lavoro. Non consentite mai che l'uso della macchina a ragazzi e bambini.
Spegnete il motore, togliete la chiave e attendete che tutte le parti in movimento si arrestino prima di abbandonare la posizione dell'operatore. Lasciate raffreddare la macchina prima di eseguire interventi di regolazione, manutenzione, pulizia o prima del rimessaggio.
L'errato utilizzo o l'errata manutenzione di questa
macchina può causare infortuni. Per ridurre il rischio di incidenti,
rispettate le seguenti norme di sicurezza e fate sempre attenzione
al simbolo di avviso di sicurezza
che riporta l'indicazione di Attenzione,
Avvertenza o Pericolo – istruzioni per la sicurezza personale.
Il mancato rispetto di queste istruzioni può provocare lesioni
personali anche fatali.
![]() |
Gli adesivi di sicurezza e quelli con le istruzioni sono chiaramente visibili e sono affissi accanto a zone particolarmente pericolose. Sostituite eventuali adesivi danneggiati o mancanti. |





Solo modello con cabina














Adesivo 144-3952: da applicare sull’adesivo 163-1839 (come mostrato nelle Istruzioni di installazione del Kit CE) per l’utilizzo nei paesi che richiedono la conformità CE (solo per i modelli 31900 e 31901).


Rimuovete le viti che tengono bloccati i mozzi delle ruote posteriori al pallet.
Tagliate la fascetta per cavi che lega l’albero di trasmissione e le ruote posteriori.
Togliete le ruote posteriori dalla piattaforma di spedizione.
Sollevate il roll bar; fate riferimento a Sollevamento del roll bar.
Collegate un montacarichi alla parte centrale superiore del roll bar e sollevate la macchina.
Rimuovete la piattaforma di spedizione dalla parte inferiore della macchina.
Collocate 2 cavalletti sotto l’area posteriore della macchina illustrata in Sollevamento della parte posteriore della macchina.
Abbassate la macchina sui cavalletti.
Parti necessarie per questa operazione:
| Ruota posteriore | 2 |
| Dado ruota | 8 |
Utilizzate 4 dadi per fissare la ruota al mozzo (Figura 3).

Serrate i dadi delle ruote; fate riferimento a Serraggio dei dadi delle ruote.
Note: Per montare correttamente i bracci di sollevamento dovete eseguire questa procedura.
Posizionate i cavalletti sotto i tubi del telaio laterale anteriore per sollevare le ruote anteriori; fate riferimento a Sollevamento della parte anteriore della macchina..
Allentate e rimuovete i dadi delle ruote (Figura 10).

Rimuovete le ruote dai mozzi (Figura 10).
Parti necessarie per questa operazione:
| Braccio di sollevamento destro | 1 |
| Braccio di sollevamento sinistro | 1 |
| Perno grande | 2 |
| Bullone (⅜" x 2¾") | 2 |
| Dado (⅜") | 4 |
| Perno piccolo | 2 |
| Bullone (⅜" x 1¼") | 2 |
| Raccordo d'ingrassaggio | 2 |
Note: Servitevi di un assistente che vi aiuti a installare i bracci di sollevamento, se necessario.
Prelevate i bracci di sollevamento dalla piattaforma di spedizione
Montate i bracci di sollevamento al telaio della macchina con 2 perni grandi (Figura 5).

Montate i raccordi d’ingrassaggio sui perni grandi (Figura 5).
Utilizzate 2 dadi (⅜") e 2 bulloni (⅜" x 2¾") per fissare i perni grandi al telaio (Figura 6).

Per fissare i cilindri idraulici ai bracci di sollevamento, eseguite i seguenti passaggi:
Mettete una bacinella di spurgo sotto il collettore idraulico (mostrato in Figura 7).
Note: Dovrà essere spurgata una piccola quantità di fluido idraulico per ritrarre manualmente i cilindri di sollevamento.

Allentate il dado girevole del flessibile collegato alla porta C1 del collettore idraulico (Figura 8).

Utilizzate un cacciaspine per allineare i fori dell’asta del cilindro con i fori del braccio di sollevamento (Figura 9).
Note: Sollevate completamente il braccio di sollevamento per aiutarvi con l’allineamento.

Utilizzate 2 bulloni (⅜" x 1¼"), 2 dadi (⅜") e 2 perni piccoli per fissare i bracci di sollevamento ai cilindri (Figura 9).
Serrate il dado girevole del flessibile sull’apertura C1 (Figura 8) a 41 N∙m.
Note: Servitevi di una chiave ausiliaria per prevenire la torsione del flessibile.
Ingrassate i giunti del perno dell'attrezzo e i giunti dei perni dei bracci di sollevamento; fate riferimento a Ingrassaggio di cuscinetti e boccole.
Utilizzate i dadi ruota rimossi in precedenza per fissare gli pneumatici ai mozzi delle ruote (Figura 10).

Serrate i dadi delle ruote; fate riferimento a Serraggio dei dadi delle ruote.
Parti necessarie per questa operazione:
| Staffa di ancoraggio | 1 |
| Bullone (⅜" x 3¼") | 2 |
| Dado (⅜") | 2 |
Utilizzate 2 bulloni (⅜" x 3¼") e 2 dadi (⅜") per fissare la staffa di ancoraggio alla piattaforma (Figura 11).

Parti necessarie per questa operazione:
| Kit sedile (da ordinare a parte; contattate il vostro distributore Toro autorizzato) | 1 |
Montate il sedile; fate riferimento alle Istruzioni di installazione del kit sedile.
Parti necessarie per questa operazione:
| Volante | 1 |
| Copertura | 1 |
Rimuovete il volante dal supporto per il trasporto (Figura 12).

Rimuovete il dado Nyloc e la rondella dal piantone del volante.
Note: Accertatevi che il collare in schiuma rimanga sul piantone (Figura 12).
Collocate il volante e rondella sul piantone (Figura 12).
Tenendo fermo il volante, utilizzate il dado Nyloc per fissare il volante al piantone. Serrate il dado Nyloc a una coppia compresa tra 27 e 35 N∙m.
Montate il coperchietto sul volante (Figura 12).
Parti necessarie per questa operazione:
| Paraurti | 1 |
| Bullone (⅜" x 2¾") | 2 |
| Bullone (⅜" x 3¼") | 4 |
| Dado (⅜") | 6 |
Rimuovete il paraurti dalla piattaforma di spedizione.
Utilizzate 4 bulloni (⅜" x 3¼") e 4 dadi (⅜") per fissare senza serrare la zona superiore del paraurti al telaio della macchina, come mostrato nella Figura 13.

Utilizzate 2 bulloni (⅜" x 2¾") e 2 dadi (⅜") per fissare senza serrare il paraurti sotto al telaio della macchina come mostrato nella Figura 13.
Serrate la bulloneria a una coppia compresa tra 37 e 45 N∙m.
Collegate la batteria; fate riferimento a Collegamento della batteria.
Parti necessarie per questa operazione:
| Attrezzo opzionale (da ordinare a parte; contattate il vostro distributore Toro autorizzato) | 1 |
| Vite a brugola (⅜") | 2 |
| Rondella (⅜") | 2 |
| Dado di bloccaggio flangiato (⅜") | 2 |
Important: Quando cambiate attrezzo, verificate con il vostro distributore autorizzato Toro il numero corretto delle zavorre posteriori per quello specifico attrezzo.
Installate l'attrezzo anteriore (p. es. l'apparato di taglio, la trincia, la lama spazzaneve o il soffiatore); eseguite i passaggi successivi e fate riferimento al Manuale dell'operatore dell'attrezzo per ulteriori informazioni sull'installazione.
Sostenendo l’albero di trasmissione, rimuovete il bullone senza dado e il dado di bloccaggio che fissano la forcella dell’albero di trasmissione alla staffa per il montaggio della valvola del volante (Figura 14), e abbassate con cautela l’albero di trasmissione.
Note: Scartate il bullone senza dado e il dado di bloccaggio.

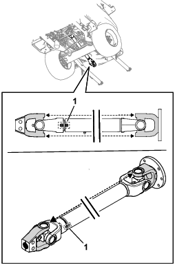
Accertatevi che l'albero della PDF sia allineato; fate riferimento a Allineamento dell’albero di trasmissione.
Fate sedere un assistente sul sedile, girate la chiave in posizione ACCENSIONE, e utilizzate l’interruttore di sollevamento dell’attrezzo per abbassare i bracci di sollevamento mentre premete verso il basso i bracci di sollevamento.
Allineate i fori nel braccio di sollevamento con i fori nel braccio dell’attrezzo come descritto nelle Istruzioni di installazione dell’attrezzo.
Allineate le scanalature nella forcella dell’albero di trasmissione sulle scanalature dell’albero di ingresso dell’attrezzo (Figura 15), e fate scorrere la forcella sopra l’albero.

Montate un bullone senza dado a brugola (⅜" x 2¼") attraverso una rondella (⅜") e il foro nella forcella dell’albero di trasmissione (Figura 16), e fissate il bullone senza dado con un dado di bloccaggio flangiato (⅜").

Montate un bullone senza dado a brugola (⅜" x 2¼") attraverso una rondella (⅜") e il foro nella forcella dell’albero di trasmissione dalla direzione opposta (Figura 16), e fissate il bullone senza dado con un dado di bloccaggio flangiato (⅜").
Serrate gradualmente i dadi di bloccaggio a 61 N∙m in un modello alternato.
Prima di avviare il motore per la prima volta, eseguite i seguenti controlli del livello dei fluidi:
Controllate il livello dell'olio del motore; fate riferimento a Controllo del livello dell'olio motore.
Controllate il livello del refrigerante; fate riferimento a Controllo dell'impianto di raffreddamento e del livello del refrigerante.
Controllate il livello del fluido idraulico; fate riferimento a Controllo del livello del fluido idraulico.
Controllate la pressione degli pneumatici; vedere Controllo della pressione dell'aria degli pneumatici.
Important: Per garantire un’ottima qualità di taglio e le prestazioni previste per questa macchina, mantenete la pressione in tutti gli pneumatici. Non usate una insufficiente pressione di gonfiaggio degli pneumatici.
Parti necessarie per questa operazione:
| Kit CE (da ordinare a parte; contattate il vostro distributore Toro autorizzato) | 1 |
Se utilizzate la macchina in un paese che richiede la conformità agli standard CE, montate il Kit CE; fate riferimento alle Istruzioni di installazione del kit.
Parti necessarie per questa operazione:
| Zavorra – 19 kg [la quantità varia a seconda del modello] | |
| Zavorra – 6 kg [la quantità varia a seconda del modello] |
Fate riferimento alla seguente tabella per la zavorra spedita con ciascuna macchina:
| Modello | Zavorra posteriore spedita |
| 31902A | 0 zavorre |
| 31903A | 5 zavorre (19 kg ciascuna) e 2 zavorre (6 kg ciascuna) |
Accertatevi che la vostra macchina abbia la quantità minima di zavorre posteriori secondo la vostra combinazione di trattorino e attrezzo. Per il modello 31902A, potete anche aggiungere ulteriori zavorre posteriori per prestazioni in pendenza migliori.
Per stabilire il numero minimo di zavorre necessarie, fate riferimento alla Zavorra posteriore minima necessaria tabella.
Per avere prestazioni in pendenza migliori, aggiungete il numero di zavorre secondo quanto riportato nella Zavorra posteriore necessaria per prestazioni in pendenza migliori tabella.
Per garantire prestazioni appropriate del ROPS, non aggiungete ulteriori zavorre oltre il peso riportato in questa tabella.
Note: Se avete un Kit CE in dotazione, fate riferimento alle Istruzioni di installazione del kit per l’adesivo della pendenza appropriato per la vostra combinazione di trattorino e attrezzo. Accertatevi che venga aggiunta la quantità corretta di zavorre posteriori (vale a dire, il peso deve soddisfare gli standard di pendenza richiesti, o il peso deve soddisfare le condizioni per prestazioni in pendenza migliori).
| Numero di modello del trattorino | Numero/i o nome del modello di attrezzo | Numero di zavorre necessarie | ||
|---|---|---|---|---|
| 19 kg | 6 kg | Totale | ||
![]() | ![]() |
|||
| 31902A | 31970, 31971, 31974 | 0 | 0 | 0 |
| 31970, 31971, 31974 e parasole | 0 | 0 | 0 | |
| 31972, 31973, 31975 | 0 | 0 | 0 | |
| 31972, 31973, 31975 e parasole | 1 | 0 | 1 | |
| 02835 | 1 | 0 | 1 | |
| 02835 e parasole | 1 | 0 | 1 | |
| Scopa rotante M-B | 1 | 0 | 1 | |
| 31903A | 31970, 31971 | 5 | 2 | 7 |
| 31972, 31973 | ||||
| 02835 | ||||
| MSC23345 | ||||
| Scopa rotante M-B | ||||
| Spazzaneve Erskine | ||||
| Numero di modello del trattorino | Numero/i o nome del modello di attrezzo | Numero di zavorre necessarie | ||
|---|---|---|---|---|
| 19 kg | 6 kg | Totale | ||
![]() | ![]() |
|||
| 31902A | 31970, 31971, 31974 | 4 | 0 | 4 |
| 31970 e parasole | 4 | 0 | 4 | |
| 31971, 31974 e parasole | 3 | 0 | 3 | |
| 31972, 31973, 31975 | 3 | 1 | 4 | |
| 31972, 31973, 31975 e parasole | 2 | 0 | 2 | |
| 02835 | 2 | 2 | 4 | |
| 02835 e parasole | 1 | 0 | 1 | |
Se avete la necessità di aggiungere una zavorra posteriore, contattate il vostro distributore Toro autorizzato per zavorre aggiuntive e fate riferimento alle seguenti procedure di installazione:
Allentate la bulloneria che fissa l’asta di blocco della zavorra al paraurti.

Aggiungete la quantità di zavorre richiesta.
Serrate la bulloneria dell’asta di blocco della zavorra per fissare la zavorra al paraurti.
Fate riferimento al vostro distributore Toro autorizzato per ordinare i seguenti componenti:
| Nome componente | Quantità | N. cat. |
| Vite (⅜" x 3½") | 2 | 116-4701 |
| Rondella | 2 | 125-9676 |
| Dado (⅜") | 2 | 104-8301 |
Utilizzate la bulloneria per fissare le zavorre al paraurti (Figura 18).

Eseguite questa procedura solo se state montando un attrezzo diverso dai normali apparati di taglio rotativi (ad esempio spazzaneve, lama o trincia).
Potete modificare la pressione idraulica utilizzata per trasferire il peso dell'attrezzo al trattorino regolando la valvola di trasferimento del peso del collettore idraulico. Per ottenere risultati ottimali, regolate la valvola di trasferimento del peso in modo tale da ridurre al minimo qualsiasi sobbalzo dell'attrezzo su terreni irregolari, ma anche evitando che l'attrezzo solchi pesantemente terreni pianeggianti o si abbassi troppo velocemente.
Al fine di migliorare le prestazioni di delineamento del profilo dell'attrezzo mentre azionate la macchina su un terreno irregolare, riducete la pressione (idraulica) di trasferimento del peso nel collettore idraulico.
Note: Se l'attrezzo ruota oppure il bordo anteriore dello spazzaneve flotta sopra il terreno, la pressione idraulica della valvola di trasferimento del peso è troppo alta.
Se lavorate su un terreno erboso piano, quando l'apparato di taglio strappa l'erba, se la qualità di taglio non è uniforme da lato a lato oppure se il bordo anteriore di uno spazzaneve gratta troppo, aumentate la pressione di trasferimento del peso nel collettore idraulico.
Note: L'aumento della pressione di trasferimento del peso trasferisce anche il peso dall'attrezzo alle ruote del trattorino, migliorandone così la trazione.
Regolate la pressione di trasferimento del peso nel modo seguente:
Azionate la macchina per 10 minuti.
Note: In questo modo il fluido idraulico si scalderà.
Parcheggiate la macchina su una superficie pianeggiante, abbassate l'attrezzo, inserite il freno di stazionamento, spegnete il motore e togliete la chiave dall'interruttore.
Individuate il collettore di sollevamento sotto la macchina (Figura 19).

Collegate un manometro alla porta diagnostica (con l'etichetta G1; fate riferimento a Figura 20).

Sul lato del collettore di sollevamento, rimuovete il cappuccio dalla porta diagnostica (con l'etichetta G1; fate riferimento a Figura 20).
Allentate il controdado all'estremità del cursore di trasferimento peso (con l'etichetta LC; fate riferimento a Figura 20
Avviate il motore e impostate l'acceleratore sul MINIMO SUPERIORE.
Utilizzate una chiave a esagono incassato per regolare la valvola di controbilanciamento del cursore di trasferimento del peso, fino a quando il manometro non indica la pressione desiderata; fate riferimento alla tabella seguente per l'impostazione della pressione raccomandata per l'attrezzo.
Ruotate la vite di regolazione in senso orario per aumentare la pressione.
Ruotate la vite di regolazione in senso antiorario per diminuire la pressione.
| Attrezzo | Pressione di trasferimento del peso |
|---|---|
| Apparato di taglio rotativo | 17,24 bar |
| Tosaerba con trincia (modello n. 02835) | 13,79 bar |
| Spazzaneve | 17,24 bar |
| Pala da neve (modello n. MSC23345 e STB13567B) | 13,79 bar |
| Scopa rotante (1,5 m) | 17,24 bar |
Spegnete il motore e togliete la chiave.
Serrate il controdado all'estremità del cursore di trasferimento del peso e serrate il dado a 13–16 N·m.
Applicate il tappo alla porta diagnostica.
Togliete il manometro dalla porta diagnostica.

Note: Regolate la posizione del sedile prima di azionare la macchina. Fate riferimento alle Istruzioni di installazione del kit sedile per la regolazione del sedile.
Utilizzate il pedale della trazione (Figura 22) per spostare la macchina in avanti o indietro.
Per spostare la macchina in avanti: premete con le punte dei piedi la parte superiore del pedale.
Per spostare la macchina indietro: premete con le punte dei piedi la parte inferiore del pedale.
Note: Potrete ottenere un funzionamento stabile mantenendo il tallone sulla pedana e premendo il pedale con le punte dei piedi.
La velocità di trasferimento è proporzionale al grado di pressione sul pedale. Per la massima velocità di trasferimento, dovete premere a fondo il pedale della trazione mentre l'acceleratore è in posizione MASSIMA. La massima velocità di marcia avanti è la seguente:
Modello 31902A: 23 km/h
Modello 31903A: 19 km/h
Per ottenere la massima potenza con un carico pesante o in fase di risalita lungo un pendio, fate in modo che l'acceleratore sia in posizione MASSIMA mentre premete leggermente il pedale della trazione per mantenere alto il regime del motore (giri/min). Se il regime del motore inizia a diminuire rapidamente, rilasciate leggermente il pedale della trazione per permetterne l'aumento.

Per inclinare il volante verso di voi, premete verso in basso l'apposita leva (Figura 22) e tirate il volante verso di voi. Rilasciate la leva quando il piantone è in una posizione tale da consentirvi di afferrare comodamente il volante.
Ogni volta che arrestate il motore, inserite il freno di stazionamento (Figura 16) per evitare il movimento accidentale della macchina.
Per inserire il freno di stazionamento: tirate verso l'alto l'impugnatura sino alla posizione INSERIMENTO.

Per disinserire il freno di stazionamento: utilizzate il pollice per spingere verso il basso il pulsante sulla parte superiore dell'impugnatura e abbassatela in posizione DISINSERIMENTO.
Note: Se l'impugnatura non è completamente abbassata, la macchina di spegnerà quando innesterete il pedale della trazione.
Fate riferimento alle sezioni seguenti per la descrizione dei comandi della consolle (Figura 24).

L'interruttore di sollevamento attrezzo solleva l'attrezzo nella posizione più alta (p. es. nella posizione TRASPORTO) e lo abbassa al minimo (p. es. nella posizione FUNZIONAMENTO).
Per sollevare l'attrezzo: premete la parte posteriore dell'interruttore.
Per abbassare l'attrezzo: premete la parte anteriore dell'interruttore.
Sollevate l'attrezzo in posizione TRASPORTO ogniqualvolta spostate la macchina tra i vari siti. Abbassate l'attrezzo in posizione FUNZIONAMENTO ogniqualvolta non utilizzate la macchina.
Per innestare la PDF: sollevate l'interruttore.
Per disinnestare la PDF: premete in giù l'interruttore.
La sola occasione in cui dovete innestare la PDF è quando l'attrezzo collegato alla PDF si trova in posizione FUNZIONAMENTO (abbassato sino al suolo con l'albero di trasmissione collegato) e voi siete pronti a utilizzarlo.
Note: Se abbandonate il sedile dell'operatore mentre il comando della PDF è in posizione ACCENSIONE, la macchina spegnerà automaticamente il motore; fate riferimento a Ripristino della funzione della PDF.
L'interruttore a chiave ha 3 posizioni: SPEGNIMENTO, ACCENSIONE/PRERISCALDAMENTO e AVVIAMENTO.
L'interruttore vi servirà per avviare o spegnere il motore [fate riferimento a Avviamento del motore o Spegnimento del motore] oppure per esaminare le informazioni sul display [fate riferimento a Interpretazione delle informazioni sul display].
L'interruttore serve a regolare il regime del motore.
Per aumentare il regime del motore: premete e rilasciate la parte anteriore dell'interruttore per aumentare la velocità di 100 giri/min. Premete e tenete premuto per aumentare il regime del motore al massimo.
Per diminuire il regime del motore: premete la parte posteriore dell'interruttore per diminuire la velocità di 100 giri/min. Premete e tenete premuto per diminuire il regime del motore al minimo.
Sullo schermo del display vengono visualizzati i dati relativi alla macchina, come lo stato di funzionamento, varie informazioni diagnostiche e di altro tipo.
Per ulteriori informazioni sul display fate riferimento a Interpretazione delle informazioni sul display.
Fate riferimento a Utilizzo del pulsante del display.

Utilizzate questo interruttore (Figura 25) per azionare o spegnere il tergicristalli del parabrezza.
Ruotate la manopola di comando della ventilazione (Figura 25) per regolare la velocità della ventola.
Ruotate la manopola di comando della temperatura (Figura 25) per regolare la temperatura dell'aria all'interno della cabina.
Note: Specifiche e disegno sono soggetti a variazione senza preavviso.

| Descrizione | Figura 26 riferimento | Dimensioni o peso | |
| Altezza con roll bar sollevato | D | 200 cm | |
| Altezza con roll barabbassato | C | 111 cm | |
| Altezza con cabina | J | 226 cm | |
| Lunghezza complessiva (senza zavorre posteriori) [Modello 31902A] | Con attrezzo | F | 312 cm massimo |
| Solo trattorino | H | 253 cm massimo | |
| Lunghezza complessiva (con zavorre posteriori) [Modello 31903A] | Con attrezzo | G | 332 cm massimo |
| Solo trattorino | I | 272 cm massimo | |
| Larghezza totale | B | Fate riferimento a Specifiche. | |
| Lunghezza dell'interasse | E | 132 cm | |
| Larghezza del battistrada delle ruote anteriori | A | 136 cm | |
| Larghezza del battistrada delle ruote posteriori | 128 cm | ||
| Distanza da terra | 21 cm | ||
| Peso netto (modello 31902A) | 860 kg | ||
| Peso netto (modello 31903A) | 1.132 kg | ||
Fate riferimento alla tabella seguente per le indicazioni sulla larghezza riferite all'apparato di taglio in dotazione:
| Apparato di taglio | Larghezza |
| Modello 31970 | 198 cm |
| Modello 31971 | 168 cm |
| Modello 31972 | 228 cm |
| Modello 31973 | 198 cm |
| Modello 31974 | 158 cm |
| Modello 31975 | 188 cm |
| Modello 02835 (trincia) | 218 cm |
Per ottimizzare e ampliare le applicazioni della macchina, è disponibile una gamma di attrezzi e accessori approvati da Toro per l'uso con la macchina. Richiedete l'elenco degli attrezzi e accessori approvati a un Centro Assistenza Toro o a un Distributore autorizzato, oppure visitate www.Toro.com
Per garantire prestazioni ottimali, utilizzate solo ricambi e accessori originali Toro. Ricambi e accessori di altri produttori potrebbero risultare pericolosi e il loro impiego potrebbe far decadere la garanzia del prodotto
Non consentite l'uso e la manutenzione della macchina a ragazzi, bambini o adulti senza adeguata formazione. Le normative locali possono imporre limiti all'età dell'operatore. Il proprietario è responsabile della formazione di tutti gli operatori e i meccanici.
Familiarizzate con il funzionamento sicuro dell'apparecchiatura, dei comandi dell'operatore e degli adesivi di sicurezza.
Spegnete il motore, togliete la chiave e attendete che tutte le parti in movimento si arrestino prima di abbandonare la posizione dell'operatore. Lasciate raffreddare la macchina prima di eseguire interventi di regolazione, manutenzione, pulizia o prima del rimessaggio.
Imparate come arrestare la macchina e spegnere rapidamente il motore.
Verificate che i comandi di presenza dell'operatore, gli interruttori di sicurezza e le protezioni siano fissati e correttamente funzionanti. Se non funzionano correttamente, non azionate la macchina.
Prima della tosatura, ispezionate sempre la macchina per accertarvi che le lame, i bulloni delle lame e i gruppi di taglio siano in condizioni di funzionamento ottimali. Sostituite in serie lame e bulloni usurati o danneggiati per mantenere il bilanciamento.
Ispezionate l'area dove utilizzerete la macchina e rimuovete tutti gli oggetti che la macchina potrebbe eventualmente scagliare.
Prestate estrema cautela quando maneggiate il carburante. È infiammabile e produce vapori esplosivi.
Spegnete sigarette, sigari, pipe e altre fonti di ignizione.
Utilizzate soltanto taniche per carburanti approvate.
Non rimuovete il tappo del carburante e non rabboccate il serbatoio del carburante mentre il motore è in funzione o è caldo.
Non rabboccate e non spurgate il carburante in uno spazio chiuso.
Non rimessate la macchina o la tanica del carburante in luoghi in cui siano presenti fiamme aperte, scintille o spie, come uno scaldabagno o altri apparecchi.
I casi di fuoriuscite di carburante, non tentate di avviare il motore ed evitate di creare fonti di ignizione fino a quando i vapori di carburante non si siano dissipati.
Verificate i seguenti sistemi della macchina ogni giorno prima dell'utilizzo della macchina:
Indicatore del filtro dell'aria; fate riferimento a Revisione del filtro dell'aria
Olio del motore; fate riferimento a Controllo del livello dell'olio motore
Impianto del refrigerante; fate riferimento a Controllo dell'impianto di raffreddamento e del livello del refrigerante
Griglia del cofano e radiatore; fate riferimento a Verifica delle alette di raffreddamento
Livello del fluido idraulico; fate riferimento a Controllo del livello del fluido idraulico
Punti di ingrassaggio dell'albero della PDF; fate riferimento a Ingrassaggio di cuscinetti e boccole
| Cadenza di manutenzione | Procedura di manutenzione |
|---|---|
| Prima di ogni utilizzo o quotidianamente |
|
Specifiche della pressione dell'aria degli pneumatici: 1,38 bar.
La pressione bassa negli pneumatici riduce la stabilità della macchina sui fianchi dei pendii. Ciò può causare un ribaltamento, e conseguenti ferite o anche la morte.
Non usate una insufficiente pressione di gonfiaggio degli pneumatici.
Controllate la pressione pneumatica delle ruote anteriori e posteriori. Aggiungete o rimuovete l'aria in base alla necessità per impostare la pressione dell'aria degli pneumatici in base alle relative specifiche.
Important: Per ottenere un'ottima qualità di taglio e le prestazioni previste per questa macchina, mantenete tutti gli pneumatici sempre in pressione.Controllate la pressione dell'aria di tutti gli pneumatici prima di utilizzare la macchina.

Important: Utilizzate solamente gasolio con un contenuto di zolfo molto bassa.La mancata osservanza delle seguenti precauzioni può danneggiare il motore.
Non utilizzate mai cherosene o benzina al posto di carburante diesel.
Non miscelate mai cherosene o olio motore già usato con il gasolio.
Non conservate mail il carburante in contenitori con rivestimento interno in zinco.
Non utilizzate additivi per il carburante.
Utilizzate solo carburante diesel o carburanti biodiesel freschi e puliti.
Acquistate il carburante in quantità tali che ne consentano il consumo entro 180 giorni in modo da garantirne la freschezza.
Valore nominale di cetano: 40 o superiore
Contenuto di zolfo: zolfo ultra basso (<15 ppm)
Utilizzate gasolio per uso estivo (n. 2-D) a temperature superiori a -7 °C e gasolio per uso invernale (n. 1-D o miscela n. 1-D/2-D) a temperature inferiori a -7 °C.
Note: L'uso di carburante per uso invernale a basse temperature assicura un punto di infiammabilità inferiore e caratteristiche di flusso a freddo che agevolano l'avvio e riducono la chiusura del filtro del carburante.L'uso del carburante per uso estivo a temperature superiori a -7 °C contribuisce a una più lunga durata della pompa del carburante e a una maggiore potenza rispetto al carburante per uso invernale.
Questa macchina può anche funzionare con una miscela di biodiesel fino a B20 (20% biodiesel, 80% gasolio).
Contenuto di zolfo: zolfo ultra basso (<15 ppm)
Specifiche del carburante biodiesel: ASTM D6751 o EN 14214
Specifiche della miscela di carburante: ASTM D975, EN 590 o JIS K2204
Important: La porzione di diesel deve avere un contenuto ultra basso di zolfo.
Prendete le seguenti precauzioni:
Le miscele di biodiesel possono danneggiare le superfici verniciate.
In caso di condizioni atmosferiche fredde utilizzate miscele B5 (contenuto di biodiesel pari al 5%) o inferiori.
Monitorate le guarnizioni di tenuta, i flessibili e le guarnizioni a contatto con il carburante, poiché con il tempo potrebbero degradarsi.
Dopo la conversione a miscele di biodiesel può verificarsi una chiusura del filtro del carburante.
Contattate il vostro distributore Toro autorizzato se desiderate ulteriori informazioni sul biodiesel.
Capacità del serbatoio del carburante: 45 litri
Note: Se possibile, rabboccate sempre i serbatoi del carburante dopo l'uso; in tal modo ridurrete al minimo l'accumulo di condensa all'interno del serbatoio.
Parcheggiate la macchina su terreno pianeggiante (Figura 28), inserite il freno di stazionamento, spegnete il motore e togliete la chiave
Svitate il tappo dal serbatoio carburante.
Riempite il serbatoio con il carburante specificato sinché l'indicatore del carburante non segnala che è pieno.
Avvitate il tappo sul serbatoio del carburante.

| Cadenza di manutenzione | Procedura di manutenzione |
|---|---|
| Prima di ogni utilizzo o quotidianamente |
|
I microinterruttori di sicurezza impediscono l'avviamento del motore se il pedale della trazione non è in folle e l'interruttore della PDF non è in posizione SPEGNIMENTO. Inoltre, il motore dovrebbe fermarsi se una delle circostanze elencate di seguito si verifica:
L'interruttore della PDF è impostato in posizione ACCENSIONE e l'operatore non si trova sul sedile.
Il pedale della trazione è premuto ma l'operatore non è seduto sul sedile.
Il pedale della trazione è premuto e il freno di stazionamento è inserito.
Se gli interruttori di interblocco di sicurezza sono scollegati o guasti, la macchina potrebbe muoversi improvvisamente e causare lesioni personali.
Non manomettete gli interruttori di interblocco.
Il funzionamento degli interruttori di interblocco deve essere controllato ogni giorno; prima di azionare la macchina, sostituite eventuali interruttori guasti.
Spostate l'interruttore della PDF in posizione SPEGNIMENTO e togliete il piede dal pedale della trazione.
Ruotate l'interruttore a chiave in posizione AVVIAMENTO. Se il motore gira, procedete al passaggio 3.
Note: Se il motore non gira, è probabile che il microinterruttore di sicurezza non funzioni correttamente.
Con il motore in funzione, alzatevi dal sedile e impostate l'interruttore della PDF in posizione ACCENSIONE. Il motore deve spegnersi entro 2 secondi. Se il motore si spegne, procedete al passaggio 4.
Important: Se il motore non si spegne, è presente un malfunzionamento nei microinterruttori di sicurezza. Contattate il vostro distributore Toro autorizzato.
Con il motore in funzione e l'interruttore della PDF impostato in posizione SPEGNIMENTO, alzatevi dal sedile e premete il pedale della trazione. Il motore deve spegnersi entro 2 secondi. Se il motore si spegne, procedete al passaggio 5.
Important: Se il motore non si spegne, è presente un malfunzionamento nei microinterruttori di sicurezza. Contattate il vostro distributore Toro autorizzato.
Inserite il freno di stazionamento. Con il motore in funzione e l'interruttore della PDF impostato in posizione ACCENSIONE, premete il pedale della trazione. Il motore deve spegnersi entro 2 secondi. Se il motore si spegne, l'interruttore funziona correttamente; i microinterruttori di sicurezza sono pronti per il funzionamento della macchina.
Important: Se il motore non si spegne, è presente un malfunzionamento nei microinterruttori di sicurezza. Contattate il vostro distributore Toro autorizzato.
Un ribaltamento potrebbe causare infortuni o la morte.
Tenete il roll bar in posizione sollevata bloccata.
Indossate la cintura di sicurezza.
Quando il roll bar è abbassato non vi è alcuna protezione antiribaltamento.
Non utilizzate la macchina su terreno irregolare o in pendenza con il roll bar in posizione abbassata.
Abbassate il roll bar soltanto se assolutamente necessario.
Non indossate la cintura di sicurezza quando il roll bar è abbassato.
Guidate lentamente e con prudenza.
Alzate il roll bar appena l'altezza lo consente.
Controllate attentamente che nello spazio sovrastante non vi siano ostacoli quali rami, vani porta o fili elettrici prima di passare con la macchina sotto qualsiasi oggetto e non entrate in contatto con essi.
Important: Abbassate il roll bar solo se è assolutamente necessario.
Parcheggiate la macchina su terreno pianeggiante, inserite il freno di stazionamento, abbassate l'apparato di taglio, spegnete il motore e togliete la chiave.
Togliete le coppiglie e i perni dal roll bar (Figura 29).
Abbassate il roll bar e fissatelo in posizione con i perni e le coppiglie (Figura 29).


Parcheggiate la macchina su una superficie pianeggiante, inserite il freno di stazionamento, abbassate l'apparato di taglio, spegnete il motore e togliete la chiave dal relativo interruttore.
Togliete le coppiglie e i perni dal roll bar (Figura 30).
Sollevate il roll bar e fissatelo in posizione con i perni e le coppiglie (Figura 30).

Sullo schermo del display vengono visualizzati dati relativi alla macchina, come lo stato di funzionamento, varie informazioni diagnostiche e di altro tipo sulla macchina stessa. Vi sono due schermate informative principali (Figura 31) e una schermata con il menu principale.

Utilizzate il pulsante del display (mostrato nella Figura 32) per passare tra l'una e l'altra delle 2 schermate principali di informazioni e per accedere al menu principale.

Per accedere al menu principale: tenete premuto il pulsante del display sinché le voci del menu compaiono a schermo.
Per selezionare una voce di menu: premete velocemente il pulsante del display per due volte.
Potete anche eseguire questa operazione per passare da un'opzione all'altra, come ad esempio passare dalle unità di misura del sistema metrico a quelle del sistema anglosassone nella schermata IMPOSTAZIONI.
Per tornare alla schermata precedente (p. es. per tornare al MENU PRINCIPALE dalle IMPOSTAZIONI oppure per tornare alle schermate delle informazioni principali dal MENU PRINCIPALE): tenete premuto il pulsante del display sinché non viene visualizzato il menu precedente.
Per scorrere sino alla successiva voce di menu: premete il pulsante del display una volta.
| Voce del menu | Descrizione |
| GUASTI | Contiene un elenco dei guasti recenti della macchina. Fate riferimento al Manuale di manutenzione o al vostro distributore Toro autorizzato per maggiori informazioni sul menu GUASTI. |
| REVISIONE | Contiene informazioni sulla macchina, come le ore di utilizzo, i conteggi e la rigenerazione del DPF. Fate riferimento alla tabella Manutenzione. |
| DIAGNOSTICA | Elenca vari stati e dati relativi alla condizione corrente della macchina. Potete utilizzare queste informazioni per risolvere determinate problematiche in quanto indica rapidamente quali comandi della macchina sono accesi/spenti ed elenca i livelli di controllo (ad es. valori dei sensori). |
| IMPOSTAZIONI | Consente di personalizzare e modificare le opzioni di configurazione sul display InfoCenter. Fate riferimento alla tabella Impostazioni. |
| INFORMAZIONI | Elenca il numero del modello, il numero di serie e la versione software della macchina. Fate riferimento alla tabella Informazioni. |
| Voce del menu | Descrizione |
| HOURS | Elenca il numero totale di ore in cui la chiave, il motore e la PDF sono stati in funzione. |
| COUNTS | Elenca il numero di avvii del motore e della PDF |
| DPF REGENERATION | Vi consente di controllare le impostazioni del DPF; fate riferimento a Principi di funzionamento del filtro antiparticolato e della rigenerazione. |
| Voce del menu | Descrizione |
| UNITS (UNITà) | Controlla le unità di misura utilizzate sul display. È possibile scegliere tra sistema anglosassone o metrico. |
| LINGUA | Controlla la lingua usata sul display. |
| BACKLIGHT (RETROILLUMINAZIONE) | Controlla la luminosità dello schermo del display. |
| CONTRAST (CONTRASTO) | Controlla il contrasto del display. |
| MENU PROTETTI | Consente a una persona autorizzata dalla vostra azienda e in possesso del codice PIN di accedere ai menu protetti (p. es. alle impostazioni del sensore di pendenza e alla possibilità di eliminare il log degli errori). |
| PROTEZIONE IMPOSTAZIONI | Quando questa opzione è disabilitata, potrete accedere alle impostazioni protette senza immettere il codice PIN. |
INVERSIONE![]() | Inserisce o disinserisce la modalità Inversione. Quest’impostazione viene utilizzata con il tosaerba con trincia; fate riferimento al Manuale dell’operatore della trincia per maggiori informazioni. |
SENSORE DI PENDENZA INSTALLATO![]() | Indica se è installato o meno un sensore pendenza. Se un sensore pendenza viene rimosso dalla macchina, questa impostazione può essere disattivata per eliminare l'errore di comunicazione relativo al sensore pendenza. |
| INSERISCI PDF CON RPM BASSI | Inserisce o disinserisce la modalità Inserisci PDF con RPM bassi. Quest’impostazione viene utilizzata con il tosaerba con trincia; fate riferimento al Manuale dell’operatore della trincia per maggiori informazioni. |
Impostazioni
protette nei Menu Protected – accessibili solo inserendo il
PIN
| Voce del menu | Descrizione |
| DECK | Indica se gli ingressi/uscite dell'apparato di taglio sono attivi. |
| PTO | Indica se la PDF è attiva. |
| ENGINE | Indica se gli ingressi/uscite del motore sono attivi. |
| Voce del menu | Descrizione |
| MODEL (MODELLO) | Elenca il numero di modello della macchina. |
| SN | Elenca il numero di serie della macchina. |
| S/W REV | Elenca la revisione software del controller master. |
| MODO CE | Indica se il Modo CE è attivato o disattivato. |
Fate riferimento alla tabella seguente per una descrizione di ciascuna icona del display:
![]() | Regime del motore |
![]() | Avaria motore |
![]() | Contaore |
![]() | Il riscaldatore della presa d'aria è attivo |
![]() | L'operatore deve essere seduto alla guida |
![]() | Il freno di stazionamento è inserito |
![]() | Folle |
![]() | La PDF è innestata |
![]() | La PDF è disinnestata |
![]() | Indica quando gli apparati di taglio si stanno abbassando |
![]() | Indica quando gli apparati di taglio si stanno sollevando |
![]() | Codice di accesso PIN |
![]() | Batteria |
![]() | Temperatura del refrigerante |
![]() | Richiesta di rigenerazione di ripristino/stand by |
| Richiesta di rigenerazione parcheggiata o di recupero | |
![]() | È in corso una rigenerazione parcheggiata o di recupero in standby. |
![]() | Temperatura di scarico elevata |
![]() | Avaria diagnostica controllo NOx; riportate la macchina all'officina e contattate il vostro distributore Toro autorizzato. |
Note: Il codice PIN predefinito per la vostra macchina è “1234”.
Se avete modificato il codice PIN e lo avete dimenticato, contattate il vostro distributore Toro autorizzato per assistenza.
Selezionate l'opzione IMPOSTAZIONI.
Selezionate l'opzione MENU PROTETTI.
Per inserire il codice PIN, premete il pulsante del display sinché non compare la cifra corretta, quindi premetelo due volte velocemente per passare alla cifra successiva.
Dopo avere inserito tutte e quattro le cifre, premete il pulsante del display una volta per inviare il codice PIN.
Se il codice PIN è stato inserito correttamente, verrà visualizzata l'icona PIN nella parte superiore destra di tutte le schermate dei menu.
Il proprietario/operatore è tenuto a evitare incidenti che possano causare lesioni personali o danni materiali.
Indossate un abbigliamento idoneo, inclusi occhiali di protezione, pantaloni lunghi, calzature antiscivolo robuste e protezioni per le orecchie. Legate i capelli lunghi e non indossate indumenti larghi o gioielli pendenti. Indossate una mascherina antipolvere in ambienti di lavoro polverosi.
Non utilizzate la macchina se siete malati, stanchi o sotto l'effetto di alcol o droghe.
Prestate la massima attenzione mentre utilizzate la macchina. Non svolgete nessuna attività che vi possa distrarre; in caso contrario potrebbero verificarsi infortuni o danni.
Prima di avviare il motore, accertatevi che tutte le trasmissioni siano in posizione di folle, che il freno di stazionamento sia innestato e che vi troviate nella posizione operativa.
Non trasportate passeggeri sulla macchina e tenete lontane le persone presenti e i bambini dall'area operativa.
Utilizzate la macchina solo in buone condizioni di visibilità, in modo tale da poter evitare buche o pericoli nascosti.
Evitate la tosatura sull'erba bagnata. La trazione ridotta può causare lo slittamento della macchina.
Tenete mani e piedi a distanza dalle parti rotanti. Restate lontani dall'apertura di scarico.
Prima di fare marcia indietro, guardate indietro e abbassate lo sguardo per accertarvi che il percorso sia libero.
Prestate attenzione quando vi avvicinate ad angoli ciechi, cespugli, alberi o altri oggetti che possano ostacolare la visuale.
Fermate le lame ogni volta che non state effettuando la tosatura.
Spegnete la macchina, togliete la chiave e attendete che tutte le parti in movimento si arrestino prima di ispezionare l'attrezzo dopo avere urtato un oggetto o in caso di vibrazioni anomale della macchina. Effettuate tutte le riparazioni necessarie prima di riprendere le operazioni.
Rallentate e fate attenzione quando eseguite curve o attraversate strade e marciapiedi con la macchina. Date sempre la precedenza.
Disinnestate la trasmissione all'apparato di taglio, spegnete il motore, togliete la chiave e attendete che si arresti ogni movimento prima di regolare l'altezza di taglio (a meno che non possiate regolarla dalla posizione operativa).
Azionate il motore solo in aree ben ventilate. I gas di scarico possono contenere monossido di carbonio, che è letale se inalato.
Non lasciate incustodita la macchina in funzione.
Prima di abbandonare la posizione dell'operatore, effettuate le seguenti operazioni:
Parcheggiate la macchina su terreno pianeggiante.
Disinnestate la presa di forza e abbassate al suolo l'attrezzatura.
Inserite il freno di stazionamento.
Spegnete il motore e togliete la chiave.
Attendete che tutte le parti in movimento si arrestino.
Utilizzate la macchina solo quando la visibilità è ottimale. Non utilizzate la macchina se c'è rischio di fulmini.
Non usate la macchina come veicolo di traino.
Utilizzate solo accessori, attrezzi e ricambi approvati da Toro.
Utilizzate la trazione elettronica (se presente) solo quando potete utilizzare la macchina in un'area aperta e pianeggiante, priva di ostacoli e dove la macchina possa procedere a velocità costante, senza interruzioni.
Il sistema di protezione antiribaltamento (ROPS) è un dispositivo di sicurezza integrato ed efficace.
Non rimuovete alcuno dei componenti del sistema di protezione antiribaltamento (ROPS) dalla macchina.
Accertatevi che la cintura di sicurezza sia fissata alla macchina.
Tirate la cinghia della cintura sulle ginocchia e allacciatela all'alloggiamento sull'altro lato del sedile.
Per scollegare la cintura di sicurezza, tenetela ferma, premete il pulsante sull'alloggiamento per rilasciarla e guidatela nell'apertura di ritrazione automatica. Accertatevi di poter rilasciare rapidamente la cintura in caso di emergenza.
Verificate con attenzione l'eventuale presenza di ostacoli al di sopra della macchina e non entrate a contatto con tali ostacoli.
Mantenete il sistema di protezione antiribaltamento (ROPS) in condizioni operative sicure effettuando periodicamente ispezioni accurate e accertandovi che i fermi di montaggio siano stretti.
Sostituite i componenti del sistema di protezione antiribaltamento (ROPS) danneggiati. Non effettuate riparazioni o modifiche.
Una cabina installata da Toro è un roll bar.
Mettete sempre la cintura di sicurezza.
Mantenete il roll bar pieghevole in posizione sollevata e bloccata e indossate la cintura di sicurezza quando utilizzate la macchina con il roll bar in posizione sollevata.
Abbassate temporaneamente il roll bar pieghevole solo quando è necessario. Non indossate la cintura di sicurezza quando il roll bar ripiegato.
Siate consapevoli che quando il roll bar ripiegato è in posizione abbassata, non siete protetti dal ribaltamento.
Controllate l'area di tosatura e non ripiegate mai un roll bar pieghevole in aree in cui siano presenti discese, scarpate o corsi d'acqua.
Le pendenze sono un importante fattore che influisce su incidenti causati da perdita di controllo e ribaltamento che possono provocare lesioni personali gravi o fatali. Siete responsabili del funzionamento sicuro in pendenza. L'utilizzo della macchina in pendenza richiede un livello di attenzione superiore.
Valutate le condizioni del sito per determinare se la pendenza è sicura per l'utilizzo della macchina, effettuando anche un sopralluogo del sito. Basatevi sempre su buon senso e giudizio quando effettuate questa ricognizione.
Consultate le istruzioni relative alle pendenze elencate di seguito per l'utilizzo della macchina in pendenza e per determinare se potete utilizzare la macchina nelle condizioni di un particolare giorno e su un particolare sito. I cambiamenti del terreno possono determinare un cambiamento del funzionamento in pendenza della macchina.
Evitate di avviare, arrestare o sterzare quando la macchina procede in pendenza. Evitate repentini cambiamenti di velocità o direzione. Svoltate lentamente e in maniera graduale.
Non azionate la macchina in condizioni in cui la trazione, la sterzata o la stabilità possono essere compromessi.
Rimuovete o segnalate le ostruzioni, come fossati, buche, solchi, dossi, rocce o altri pericoli nascosti. L'erba alta può nascondere ostacoli. Su terreni accidentati la macchina potrebbe ribaltarsi.
Siate consapevoli che l'utilizzo della macchina su erba bagnata, trasversalmente su pendenze o in discesa può causare una perdita di trazione della macchina. La perdita di trazione delle ruote motrici può comportare uno slittamento e una perdita di capacità frenante e sterzante.
Prestate estrema cautela durante l'utilizzo della macchina in prossimità di scarpate, fossati, terrapieni, zone d'acqua pericolose o altri pericoli. La macchina potrebbe ribaltarsi improvvisamente nel caso in cui una ruota supera il ciglio o se il ciglio cede. Individuate un margine di sicurezza tra la macchina ed eventuali pericoli.
Individuate i pericoli alla base della pendenza. In presenza di pericoli, tosate il terreno in pendenza con una macchina a spinta.
Se possibile, tenete abbassati gli apparati di taglio a terra durante l'uso della macchina in pendenza. Il sollevamento degli apparati di taglio durante l'uso in pendenza può causare l'instabilità della macchina.
Prestate estrema cautela con i sistemi di raccolta dello sfalcio o altri attrezzi. Tali attrezzi possono influire sulla stabilità della macchina e farvi perdere il controllo.
Il filtro antiparticolato (DPF) rimuove la fuliggine dal gas di scarico del motore.
Il processo di rigenerazione del DPF utilizza il calore proveniente dallo scarico del motore che viene amplificato dal catalizzatore per ridurre la fuliggine accumulata in cenere.
Per mantenere pulito il DPF occorre tenere a mente quanto segue.
Fate girare il motore al regime massimo tutte le volte che è possibile per favorire l'autopulizia del DPF.
Utilizzate olio motore appropriato.
Riducete il più possibile la quantità di tempo con il motore al minimo.
Utilizzate solo diesel con bassissimo tenore di zolfo.
Azionate la vostra macchina e manutenetela tenendo presente la funzione del DPF. Il motore sotto carico produce in genere una temperatura di scarico idonea alla rigenerazione del DPF.
Important: Riducete il più possibile la quantità di tempo con il motore al minimo, oppure azionate il motore a basso regime per contribuire a ridurre l'accumulo di fuliggine nel DPF.
Durante la rigenerazione DPF, la temperatura di scarico è molto alta (circa 600 °C. Il gas di scarico caldo può causare danni a voi o ad altre persone.
Non azionate il motore in un'area chiusa.
Accertatevi che non vi siano materiali infiammabili in prossimità del sistema di scarico.
Accertatevi che il gas di scarico caldo non venga a contatto con superfici che potrebbero venire danneggiate dal calore.
Non toccate un componente del sistema di scarico caldo.
Non posizionatevi vicino o attorno al tubo di scarico della macchina.
| Icona | Definizione delle icone |
![]() | • Icona Rigenerazione parcheggiata o di recupero: la rigenerazione è necessaria. |
| • Eseguite immediatamente la rigenerazione. | |
![]() | • Segnala che la rigenerazione è stata acquisita. |
![]() | • Segnala che la rigenerazione è in corso e che la temperatura di scarico è elevata |
![]() | • È stata selezionata l'inibizione della rigenerazione. |
![]() | • Avaria del sistema di controllo NOx; la macchina necessita di assistenza. |
| Tipo di rigenerazione | Condizioni che causano la rigenerazione del DPF | Descrizione del funzionamento del DPF |
|---|---|---|
| Ripristino | Ha luogo ogni 100 ore | • Quando nell'InfoCenter viene visualizzata
l'icona della temperatura di scarico elevata , è in corso una
rigenerazione. |
| Ha luogo anche quando a fronte di un normale funzionamento del motore la quantità di fuliggine accumulata supera quella consentita all'interno del filtro. | ||
| • Durante la rigenerazione di recupero, il computer del motore mantiene elevati i giri del motore per garantire la rigenerazione del filtro. | ||
| • Evitate di spegnere il motore mentre la rigenerazione di recupero è in funzione. |
| Tipo di rigenerazione | Condizioni che causano la rigenerazione del DPF | Descrizione del funzionamento del DPF |
|---|---|---|
| Parcheggiata | Ha luogo perché il computer stabilisce che la pulizia automatica del DPF è insufficiente. | • Quando viene visualizzata l'icona
della rigenerazione di ripristino in stand by o della rigenerazione
parcheggiata o di recupero è necessario procedere alla rigenerazione. |
| Ha luogo anche perché avviate una rigenerazione parcheggiata. | ||
| Può aver luogo perché è stata avviata l'inibizione della rigenerazione che ha disattivato la pulizia automatica del DPF | • Effettuate la rigenerazione parcheggiata appena possibile per evitare la necessità di una rigenerazione di recupero. | |
| Potrebbe essere dovuta all'uso di un carburante o un olio motore non corretti | • Il completamento di una rigenerazione parcheggiata richiede da 30 a 60 minuti. | |
| • Il serbatoio deve contenere almeno 1/2 di carburante. | ||
| • Dovete parcheggiare la macchina per effettuare una rigenerazione parcheggiata. | ||
| Recupero | Ha luogo perché la richiesta di rigenerazione parcheggiata è stata ignorata, consentendo al DPF di raggiungere un punto critico di intasamento. | • Quando viene visualizzata l'icona della
rigenerazione di ripristino in stand by o della rigenerazione parcheggiata
o di recupero , è necessario procedere alla rigenerazione di recupero. |
| • Il completamento di una rigenerazione di recupero richiede fino a 3 ore. | ||
| • La macchina deve avere almeno ½ serbatoio di carburante. | ||
| • Dovete parcheggiare la macchina per effettuare una rigenerazione di recupero. |
Dal menu principale spostatevi sul menu REVISIONE.
Selezionate l'opzione DPF REGENERATION.
Accedete al menu per la rigenerazione del DPF (DPF Regeneration) e scorretelo fino all’opzione LAST REGEN (Ultima rigen.).
Utilizzate il campo LAST REGEN per sapere per quante ore è stato in funzione il motore dall’ultima rigenerazione di ripristino, parcheggiata o di recupero.
Una rigenerazione di ripristino produce un'elevata quantità di scarichi. Se state utilizzando la macchina vicino ad alberi, cespugli, erba alta o a piante e materiali sensibili alla temperatura, potete usare l'impostazione INHIBIT REGEN (Inibisci rigenerazione) per impedire al computer del motore di eseguire una rigenerazione di ripristino.
Note: L'opzione INHIBIT REGEN viene utilizzata sempre quando si esegue la manutenzione in un'area chiusa.
Note: Se è impostato per inibire la rigenerazione, ogni 15 minuti l’InfoCenter visualizza un avviso mentre il motore richiede una rigenerazione di ripristino.
Important: Quando spegnete e riavviate il motore, l’inibizione della rigenerazione si imposta di default su SPEGNIMENTO.
Accedete al menu per la rigenerazione del DPF e scorretelo fino all’opzione INHIBIT REGEN.
Selezionate la voce INHIBIT REGEN.
Modificate l'impostazione di inibizione della rigenerazione da Off a On.
Accertatevi che la macchina abbia carburante sufficiente nel serbatoio per il tipo di rigenerazione che eseguite:
Parked Regeneration (Rigenerazione parcheggiata): Accertatevi di avere 1/4 di serbatoio di carburante prima di eseguire la rigenerazione assistita.
Recovery Regeneration (Rigenerazione di recupero): Accertatevi di avere 1/2 serbatoio di carburante prima di eseguire la rigenerazione di recupero.
Spostate la macchina all'aperto, lontano da materiali combustibili o da cose che il calore potrebbe danneggiare.
Parcheggiate la macchina su terreno pianeggiante.
Disinnestate la PDF e abbassate gli accessori (se presenti).
Inserite il freno di stazionamento.
Impostate l'acceleratore al MINIMO inferiore.
Accertatevi che l'aria condizionata sia spenta (solo macchine con cabina).
Quando il computer del motore richiede una rigenerazione parcheggiata, seguite le indicazioni dei messaggi dell'InfoCenter.
Important: Se aumentate il regime del motore oltre il minimo inferiore oppure disinserite il freno di stazionamento, il computer della macchina cancella la rigenerazione DPF.
Accedete al menu per la rigenerazione del DPF (DPF Regeneration) e scorrete il menu verso il basso fino all’opzione PARKED REGEN (Rigenerazione parcheggiata) o RECOVERY REGEN (Rigenerazione di recupero).
Selezionate la voce PARKED REGEN o RECOVERY REGEN.
Nella schermata VERIFY FUEL LEVEL (Verifica livello carburante) verificate che, se state eseguendo una rigenerazione parcheggiata, il serbatoio sia pieno di carburante per 1/4 della sua capacità e, se state eseguendo una rigenerazione di recupero, sia pieno di carburante per la metà della sua capacità, quindi premete il pulsante sul display per continuare.
Nel menu della Parked Regen o Recovery Regen, premete il pulsante del display per dare avvio al processo di rigenerazione.
Nella schermata DPF checklist (lista di controllo del DPF) verificate che il freno di stazionamento sia inserito e che il regime del motore sia impostato sul minimo inferiore, quindi premete l'icona del pulsante sul display per continuare.
Nella schermata INITIATE DPF REGEN (Avvio rigenerazione DPF) selezionate il pulsante del display per continuare.
L’InfoCenter visualizza il messaggio INITIATING DPF REGEN (Avvio rigenerazione DPF in corso).
Note: Se necessario, tenete premuto il pulsante sul display per annullare il processo di rigenerazione.
L’InfoCenter visualizza il messaggio relativo al tempo di completamento.
L’InfoCenter visualizza la schermata Home e
l’icona di acquisizione della rigenerazione (
).
Note: Mentre è in corso la rigenerazione DPF l’InfoCenter
visualizza l’icona della temperatura di scarico elevata
.
Dopo che il computer del motore ha terminato una rigenerazione parcheggiata o di recupero, sull'InfoCenter viene visualizzato un avviso. Premete qualsiasi pulsante per uscire dalla schermata Home.
Note: Se non riuscite a completare la rigenerazione, seguite gli avvisi e premete uno qualsiasi dei pulsanti per uscire dalla schermata Home.
Usate l’impostazione PARKED REGEN CANCEL (Annulla rigenerazione parcheggiata) o RECOVERY REGEN CANCEL (Annulla rigenerazione di recupero) per annullare un processo di rigenerazione parcheggiata o di recupero in esecuzione.
Accedete al menu per la rigenerazione del DPF (DPF Regeneration) e scorrete il menu verso il basso fino all’opzione PARKED REGEN (Rigenerazione parcheggiata) o RECOVERY REGEN (Rigenerazione di recupero).
Premete sulla schermata successiva per annullare una rigenerazione parcheggiata o di recupero.
Sedete sul sedile dell'operatore e allacciate la cintura di sicurezza.
Accertatevi che il freno di stazionamento sia inserito e che la PDF sia disinserita.
Preriscaldate il motore ruotando l'interruttore a chiave in posizione ACCENSIONE/PRERISCALDAMENTO.
Note: Un timer automatico controlla il preriscaldamento per 6 secondi.
Ruotate la chiave in posizione di AVVIAMENTO, avviate il motore per non oltre 15 secondi e lasciate che la chiave torni in posizione ACCENSIONE/PRERISCALDAMENTO.
Note: Se dovesse occorrere un maggiore preriscaldamento, girate la chiave in posizione SPEGNIMENTO e poi in posizione di ACCENSIONE/PRERISCALDAMENTO. Ripetete il processo quando necessario.
Mettete l'acceleratore al minimo o a velocità parziale e fate girare il motore sinché non si riscalda.
Note: Se abbandonate il sedile dell'operatore mentre il comando della PDF è in posizione di ACCENSIONE, la macchina spegne automaticamente il motore.
Per ripristinare la funzione della PDF, effettuate le seguenti operazioni:
Spingete in giù l’interruttore della PDF.
Avviate il motore; fate riferimento a Avviamento del motore.
Sollevate l'interruttore della PDF.
Inserite la modalità Inversione tutte le volte che installate il tosaerba con trincia (modello 02835).
La modalità Inversione vi consente di sollevare rapidamente il tosaerba con trincia sopra al tappeto erboso quando completate una svolta rapida al termine di una passata di taglio oppure quando navigate attorno agli ostacoli.
Quando abbassate il tosaerba con trincia nella posizione OPERATIVA premendo e rilasciando rapidamente all'indietro l'interruttore di sollevamento dell'attrezzo potrete sollevare leggermente la trincia quando eseguite una svolta rapida. Dopo aver completato la svolta, premete l'interruttore per abbassare la trincia sul terreno e riprendere il movimento.
Con il comando dell'acceleratore riducete il regime del motore.
Spostate l’interruttore PDF in posizione SPEGNIMENTO.
Girate l'interruttore a chiave in posizione SPEGNIMENTO e togliete la chiave dall'interruttore.
Spegnete il motore, togliete la chiave e attendete che tutte le parti in movimento si arrestino prima di abbandonare la posizione dell'operatore. Lasciate raffreddare la macchina prima di eseguire interventi di regolazione, manutenzione, pulizia o di rimessarla.
Pulite erba e detriti dagli apparati di taglio, marmitte e vano motore, per aiutare a evitare incendi. Pulite eventuali fuoriuscite di olio o carburante.
Se gli apparati di taglio sono in posizione di trasferimento, utilizzate il blocco meccanico positivo (se disponibile) prima di lasciare la macchina incustodita.
Lasciate raffreddare il motore prima di riporre la macchina in un ambiente chiuso.
Togliete la chiave (se in dotazione) e interrompete l'erogazione di carburante prima di rimessare o trainare la macchina.
Non depositate mai la macchina o la tanica del carburante in presenza di fiamme libere, scintille o spie (ad es. vicino a uno scaldabagno o altre apparecchiature).
Effettuate la manutenzione e la pulizia delle cinture di sicurezza in base alla necessità.
Potete ruotare l'apparato di taglio dalla posizione TRASPORTO (A nella Figura 33) alla posizione REVISIONE (B nella Figura 33). Utilizzate la posizione REVISIONE per eseguire la manutenzione delle lame dell'apparato di taglio o per pulire sotto di esso; fate riferimento al Manuale dell'operatore dell'apparato di taglio.
Eseguite questa procedura per ruotare l'apparato di taglio dalla posizione TRASPORTO a quella di REVISIONE.
Se lasciate la chiave nell'interruttore, qualcuno potrebbe accidentalmente avviare il motore e ferire gravemente voi od altre persone.
Rimuovete la chiave dall’interruttore e non avviate il motore con l’unità di taglio in posizione MANUTENZIONE.
Parcheggiate la macchina su un terreno pianeggiante.
Premete l'interruttore di sollevamento per portare l'apparato di taglio in posizione TRASPORTO.
Innestate il freno di stazionamento, spegnete il motore e togliete la chiave.
Rimuovete i perni dalle piastre dell'altezza di taglio (Figura 34).

Ruotate l'apparato di taglio (Figura 35) in modo tale che il fermo si inserisca nella staffa di ancoraggio (Figura 36).
L'apparato di taglio è pesante.
Fatevi aiutare quando sollevate l'apparato di taglio.


Eseguite questa procedura per ruotare l'apparato di taglio dalla posizione REVISIONE a quella di TRASPORTO.
Rilasciate il fermo dell'apparato di taglio dalla staffa di ancoraggio (Figura 37) ruotando l'apparato di taglio leggermente in avanti (fate riferimento a Figura 35) e spingendo la maniglia del fermo in avanti.

Ruotate lentamente l'apparato di taglio verso il basso sinché il perno non entra a contatto con la piastra del braccio di sollevamento (A nella Figura 38).

Esercitate una pressione sull'apparto di taglio con il piede, quindi estraete il perno (B nella Figura 38) per consentire all'apparato di taglio di stabilizzarsi nella posizione TRASPORTO.
Inserite i perni dell'altezza di taglio attraverso le piastre e le catene dell'altezza di taglio.
Se dovete trainare o spingere la macchina, impostate la pompa della trazione in modo da bypassare il fluido idraulico. Spostate la macchina a una velocità inferiore a 4,8 km/h per una distanza molto breve.
Important: Se superate i limiti per il traino, possono prodursi gravi danni alla pompa idraulica.Se dovete spostare la macchina per una distanza non breve trasportatela su un rimorchio.
Accedete alla valvola di bypass da sotto la macchina.

Servitevi di una chiave a tubo da 14 mm per allentare la valvola di bypass, quindi aprite la valvola di 3 giri massimo.
Important: Non avviate o fate girare il motore quando la valvola è in posizione di bypass.
Dopo il traino e prima di avviare il motore, serrate la valvola di bypass a 12 N·m.
Prestate la massima attenzione durante il carico e lo scarico della macchina da un rimorchio o da un autocarro.
Utilizzate rampe a tutta larghezza per caricare la macchina su un rimorchio o un autocarro.
Fissate la macchina in sicurezza.
Togliete la chiave prima di rimessare o di trasportare la macchina.
Note: Stabilite i lati sinistro e destro della macchina rispetto alla normale posizione di guida.
Note: Per scaricare una copia gratuita dello schema elettrico o idraulico visitate il sito www.Toro.com e cercate la vostra macchina al link Manuali sulla home page.
Prima di abbandonare la posizione dell'operatore, effettuate le seguenti operazioni:
Parcheggiate la macchina su terreno pianeggiante.
Disinnestate la presa di forza e abbassate al suolo l'attrezzatura.
Inserite il freno di stazionamento.
Spegnete il motore e togliete la chiave.
Attendete che tutte le parti in movimento si arrestino.
Se lasciate la chiave nell'interruttore, qualcuno potrebbe accidentalmente avviare il motore e ferire gravemente voi o altre persone. Togliete la chiave dall'interruttore prima di eseguire qualunque intervento di manutenzione.
Lasciate che i componenti della macchina si raffreddino prima di eseguire la manutenzione.
Se gli apparati di taglio sono in posizione di trasferimento, utilizzate il blocco meccanico positivo (se in dotazione) prima di lasciare la macchina incustodita.
Se possibile, non effettuate la manutenzione con il motore in funzione. Tenetevi a distanza dalle parti in movimento.
Supportate la macchina con cavalletti metallici ogniqualvolta vi lavorate al di sotto.
Scaricate con cautela la pressione dai componenti che hanno accumulato energia.
Mantenete tutte le parti della macchina in buone condizioni di funzionamento e tutti i componenti adeguatamente serrati, soprattutto la bulloneria degli accessori delle lame.
Sostituite tutti gli adesivi consumati o danneggiati.
Per garantire prestazioni sicure e ottimali della macchina, adoperate solo ricambi Toro originali. L'uso di ricambi di altri costruttori può essere pericoloso e può annullare la garanzia del prodotto.
| Cadenza di manutenzione | Procedura di manutenzione |
|---|---|
| Dopo la prima ora |
|
| Dopo le prime 10 ore |
|
| Dopo le prime 50 ore |
|
| Dopo le prime 1000 ore |
|
| Prima di ogni utilizzo o quotidianamente |
|
| Ogni 50 ore |
|
| Ogni 100 ore |
|
| Ogni 200 ore |
|
| Ogni 250 ore |
|
| Ogni 400 ore |
|
| Ogni 500 ore |
|
| Ogni 800 ore |
|
| Ogni 1000 ore |
|
| Ogni 2000 ore |
|
| Ogni mese |
|
| Ogni anno |
|
| Ogni 2 anni |
|
Important: Per ulteriori interventi di manutenzione si rimanda al manuale d'uso del motore.
Fotocopiate questa pagina e utilizzatela quando opportuno.
| Punto di verifica per la manutenzione | Per la settimana di: | ||||||
|---|---|---|---|---|---|---|---|
| Lun | Mar | Mer | Gio | Ven | Sab | Dom | |
| Controllate il funzionamento dei microinterruttori di sicurezza. | |||||||
| Assicuratevi che il ROPS sia completamente sollevato e bloccato in posizione. | |||||||
| Controllate il funzionamento del freno di stazionamento. | |||||||
| Controllate il livello del carburante. | |||||||
| Controllate il livello dell'olio motore. | |||||||
| Controllate il livello del fluido dell'impianto di raffreddamento. | |||||||
| Spurgate il separatore di condensa/carburante. | |||||||
| Controllate l'indicatore del filtro dell'aria.3 | |||||||
| Verificate che non vi siano detriti nel refrigeratore o nella griglia. | |||||||
| Controllate se il motore produce rumori anomali.1. | |||||||
| Controllate se l'uso produce rumori anomali. | |||||||
| Accertatevi che i tubi idraulici non siano danneggiati. | |||||||
| Accertatevi dell'assenza di perdite di liquido. | |||||||
| Controllate la pressione degli pneumatici. | |||||||
| Verificate il funzionamento degli strumenti. | |||||||
| Lubrificate i raccordi di ingrassaggio.2 | |||||||
| Ritoccate eventuale vernice danneggiata. | |||||||
| Ispezionate la cintura di sicurezza. | |||||||
|
1Verificate la candela e gli ugelli di iniezione se l'avvio del motore è difficoltoso, se è presente fumo eccessivo o se il motore funziona in modo anomalo. 2Immediatamente dopo ogni lavaggio, indipendentemente dalla cadenza indicata 3Se l'indicatore è rosso |
|||||||
| Nota sulle aree problematiche | ||
| Ispezione eseguita da: | ||
| N. | Data | Informazioni |
I martinetti meccanici o idraulici non sono adatti a sostenere la macchina e possono causare gravi infortuni.
Utilizzate i cavalletti per supportare la macchina sollevata.
Utilizzate solo martinetti meccanici o idraulici per sollevare la macchina.
Important: Accertatevi che non vi siano cavi o componenti idraulici tra il martinetto e il telaio.

Mettete una zeppa sotto gli pneumatici posteriori per impedire che la macchina si sposti.
Collocate saldamente il martinetto sotto al punto di sollevamento desiderato.
Collocate un cavalletto metallico sotto il telaio della macchina per sostenerla dopo averne sollevato la parte anteriore.
Important: Accertatevi che non vi siano cavi o componenti idraulici tra il martinetto e il telaio.

Mettete una zeppa sotto gli pneumatici anteriori per impedire che la macchina si sposti.
Collocate saldamente il martinetto sotto al punto di sollevamento desiderato.
Important: Le macchine a trazione integrale hanno tubazioni idrauliche che corrono vicino al telaio. Accertatevi che il vostro martinetto sia posizionato in modo tale da impedire il danneggiamento delle tubazioni idrauliche mentre la macchina è sollevata.
Collocate un cavalletto metallico sotto il telaio della macchina per sostenerla dopo averne sollevato la parte anteriore.
| Cadenza di manutenzione | Procedura di manutenzione |
|---|---|
| Prima di ogni utilizzo o quotidianamente |
|
| Ogni 50 ore |
|
La macchina è dotata di raccordi per ingrassaggio che devono essere lubrificati a intervalli regolari con grasso n. 2 al litio.
Important: Ingrassate la macchina immediatamente dopo ogni lavaggio.
Braccio di rinvio (Figura 43)

Albero di trasmissione PDF (Figura 44)
Important: Prima dell'utilizzo o quotidianamente ingrassate l'albero motore.

Perno di articolazione dell'assale (Figura 45)

Parte anteriore della macchina (Figura 46):
Mozzi girevoli dell'attrezzo (2)
Boccole del cilindro di sollevamento (2)
Perni di articolazione del braccio di sollevamento (2)

Parte posteriore della macchina (Figura 47):
Giunti sferici del cilindro idraulico (2)
Mozzi dell'albero dell'assale (2)

Prima di controllare l'olio o di rabboccare la coppa, spegnete il motore e togliete la chiave.
Non cambiate la velocità del regolatore o utilizzate una velocità eccessiva del motore.
Tipo di olio: utilizzate olio di alta qualità e a basso contenuto di cenere che soddisfi o superi le seguenti specifiche:
Categoria API Service CJ-4 o superiori
Categoria ACEA Service E6
Categoria JASO Service DH-2
Capacità della coppa dell'olio: circa 6,2 litri con il filtro.
Viscosità: utilizzate olio motore con il seguente grado di viscosità:
Olio di preferenza: SAE 15W-40 (sopra -18 °C) F)
Olio alternativo: SAE 10W-30 o 5W-30 (tutte le temperature)
L'olio motore premium Toro è disponibile presso il vostro distributore Toro autorizzato nei gradi di viscosità 15W-40 o 10W-30.
| Cadenza di manutenzione | Procedura di manutenzione |
|---|---|
| Prima di ogni utilizzo o quotidianamente |
|
Il momento migliore per controllare l'olio del motore è a motore freddo prima che venga avviato per la giornata. Se il motore ha già girato, lasciate che l'olio ritorni nel pozzetto per almeno 10 minuti prima di controllarlo.
Se il livello dell'olio corrisponde o è inferiore al segno di aggiunta (add) sull'asta, rabboccate l'olio per portarne il livello al segno di pieno. Non riempite eccessivamente il motore d'olio.
Important: Controllate l'olio motore quotidianamente. Se il livello dell'olio è superiore alla tacca di pieno sull'asta di livello, l'olio motore potrebbe essere diluito con carburante. Se il livello dell'olio motore è sopra alla tacca di pieno, occorre cambiare l'olio motore.
Important: Mantenete il livello dell'olio motore entro i limiti superiore e inferiore dell'asta di livello; il motore potrebbe danneggiarsi se lo azionate con troppo o troppo poco olio.
Sollevate il cofano; fate riferimento a Sollevamento del cofano.
Controllate il livello dell'olio del motore; fate riferimento a Figura 48.

| Cadenza di manutenzione | Procedura di manutenzione |
|---|---|
| Ogni 500 ore |
|
Avviate il motore e lasciatelo in moto per circa 5 minuti per far riscaldare l'olio.
Prima di scendere dalla postazione di guida, con la macchina parcheggiata su una superficie pianeggiante, inserite il freno di stazionamento, spegnete il motore, togliete la chiave e attendete che si fermino tutte le parti in movimento.
Cambiate l'olio motore come mostrato in Figura 49.

Cambiate il filtro dell'olio motore come mostrato nella Figura 50.
Note: Assicuratevi che la guarnizione del filtro dell'olio tocchi il motore e poi siano completati altri 3/4 di giro.

| Cadenza di manutenzione | Procedura di manutenzione |
|---|---|
| Prima di ogni utilizzo o quotidianamente |
|
| Ogni 250 ore |
|
Verificate che il corpo del filtro dell'aria sia privo di danni che possano causare una fuoriuscita d'aria. Sostituite il corpo del filtro se danneggiato. Verificate che il sistema di presa d'aria non sia danneggiato, non accusi perdite e che le fascette stringitubo non siano allentate
Effettuate la manutenzione dell'elemento filtrante del filtro dell'aria solo quando l'indicatore della restrizione (Figura 51) lo richiede. Sostituendo l'elemento filtrante del filtro dell’aria prima del necessario si aumenta il rischio che la morchia penetri nel motore quando lo si toglie.

Important: Assicuratevi che il coperchio sia correttamente posizionato in sede, che chiuda ermeticamente intorno al corpo del filtro e che i fermi siano chiusi come dovuto.
In determinate condizioni, il gasolio e i vapori del carburante sono estremamente infiammabili ed esplosivi. Un incendio o un'esplosione causati dal carburante possono ustionare voi o altre persone e causare danni.
Non fumate mai quando maneggiate il carburante e state lontani da fiamme libere o da scintille che possano accendere i fumi di carburante.
| Cadenza di manutenzione | Procedura di manutenzione |
|---|---|
| Ogni 50 ore |
|
Spurgate l'acqua dal separatore carburante/acqua come illustrato nella Figura 53.

Innescate il filtro e le linee alla pompa ad alta pressione; fate riferimento a Innesco dell'impianto del carburante.
| Cadenza di manutenzione | Procedura di manutenzione |
|---|---|
| Ogni 400 ore |
|
Sostituite il separatore acqua/carburante come mostrato nella Figura 53.

Innescate il filtro e le linee alla pompa ad alta pressione; fate riferimento a Innesco dell'impianto del carburante.
| Cadenza di manutenzione | Procedura di manutenzione |
|---|---|
| Ogni 400 ore |
|
Pulite le superfici circostanti la testa del filtro del carburante (Figura 55).

Togliete il filtro e pulite la superficie di montaggio della testa del filtro (Figura 55).
Lubrificate la guarnizione del filtro con olio motore di lubrificazione pulito; fate riferimento al manuale d'uso del motore per ulteriori informazioni.
Montate a mano la scatola del filtro asciutto finché la guarnizione non tocca la testa del filtro, quindi ruotatela di un altro mezzo giro.
Innescate il filtro e le linee alla pompa ad alta pressione; fate riferimento a Innesco dell'impianto del carburante.
Avviate il motore e verificate che non ci siano fuoriuscite di carburante attorno alla testa del filtro.
| Cadenza di manutenzione | Procedura di manutenzione |
|---|---|
| Ogni anno |
|
Eseguite questa operazione se l'impianto di alimentazione viene contaminato o se la macchina non sarà utilizzata per un lungo periodo. Per lavare il serbatoio, utilizzate gasolio pulito.
| Cadenza di manutenzione | Procedura di manutenzione |
|---|---|
| Ogni 400 ore |
|
| Ogni 2 anni |
|
Controllate i tubi di alimentazione per accertarvi dell'assenza di deterioramenti, danni o raccordi allentati.
Innescate l’impianto del carburante a seguito di queste situazioni:
Sostituzione del filtro del carburante.
Spurgo del separatore di condensa dopo ciascun utilizzo o giornalmente.
Esaurimento del carburante.
Sostituzione di un tubo del carburante o apertura dell'impianto del carburante per un qualsiasi motivo.
Per innescare l’impianto del carburante eseguite i passaggi seguenti:
Important: Non utilizzate il motorino di avviamento del motore per innestare il motore per l'innesco dell'impianto di carburante.
Verificate che il serbatoio contenga carburante.
Effettuate i seguenti passaggi per innescare il filtro e le linee alla pompa ad alta pressione per evitare usura o danni alla pompa:
Girate la chiave in posizione di ACCENSIONE per 15-20 secondi.
Girate la chiave in posizione di SPEGNIMENTO per 30-40 secondi.
Note: Questo consente di spegnere l’ECU.
Girate la chiave in posizione di ACCENSIONE per 15-20 secondi.
Ispezionate per escludere fuoriuscite attorno al filtro e ai flessibili.
Avviate il motore e verificate che non ci siano fuoriuscite.
Scollegate la batteria prima di riparare la macchina. Scollegate prima il morsetto negativo, poi quello positivo. Collegate prima il morsetto positivo, poi quello negativo.
Caricate la batteria in un'area aperta e ben ventilata, lontano da fiamme e scintille. Togliete la spina del caricabatterie prima di collegare o scollegare la batteria. Indossate indumenti di protezione e adoperare utensili isolati.
| Cadenza di manutenzione | Procedura di manutenzione |
|---|---|
| Ogni 50 ore |
|
La batteria è contigua al serbatoio del carburante sul lato sinistro della macchina. Per accedere alla batteria, sollevate il cofano, allentate la vite a testa zigrinata che fissa il coperchio alla batteria e rimuovete il coperchio (Figura 56).
Note: La vite viene trattenuta da una rondella di fermo.

I morsetti della batteria e gli attrezzi metallici possono creare cortocircuiti contro i componenti metallici e provocare scintille Eventuali scintille possono fare esplodere i gas delle batterie e provocare lesioni personali.
Quando la batteria viene smontata o montata, evitate che i morsetti entrino a contatto con le parti metalliche della macchina.
Evitate cortocircuiti fra i morsetti della batteria e le parti metalliche della macchina causati da utensili metallici.
In caso di errato percorso dei cavi della batteria, la macchina ed i cavi possono venire danneggiati e causare scintille che possono fare esplodere i gas delle batterie e provocare infortuni.
Scollegate sempre il cavo negativo (nero) della batteria prima di quello positivo (rosso).
In caso di errato percorso dei cavi della batteria, la macchina ed i cavi possono venire danneggiati e causare scintille Eventuali scintille possono fare esplodere i gas delle batterie e provocare lesioni personali.
Collegate sempre il cavo positivo (rosso) della batteria prima di quello negativo (nero).
La batteria è trattenuta nel vassoio da un fermo (Figura 59). Allentate la ferramenta di ritegno per rimuovere la batteria; serratela quando la montate.
Note: Per accedere alla batteria fate riferimento a Accesso alla batteria. Sostituite il coperchio quando montate la batteria.

| Cadenza di manutenzione | Procedura di manutenzione |
|---|---|
| Ogni 50 ore |
|
Important: Prima di effettuare interventi di saldatura sulla macchina, scollegate il cavo negativo dalla batteria per evitare di danneggiare l'impianto elettrico.
Controllate lo stato della batteria ogni settimana, oppure ogni 50 ore di servizio. Mantenete puliti i morsetti e la scatola della batteria, poiché le batterie sporche si scaricano lentamente.
Accedete alla batteria; fate riferimento a Accesso alla batteria.
Togliete l'isolamento di gomma dal morsetto positivo e ispezionate la batteria. Se la batteria è sporca eseguite i seguenti passaggi:
Lavate la scatola completa con una soluzione di bicarbonato di sodio e acqua.
Ricoprite i morsetti della batteria e i connettori dei cavi con grasso Grafo 112X (rivestimento) (n. cat. Toro 505-47) per impedire la corrosione.
Fate scorrere l'isolatore in gomma sul morsetto positivo.
Chiudete il coperchio della batteria.
Rimuovete la protezione della consolle per accedere ai fusibili del trattorino (Figura 60).
Note: L’adesivo del fusibile dell’unità di trazione è situato sull’altro lato del coperchio della consolle.

Fate riferimento alla tabella Portafusibili del trattorino per una descrizione di ciascun fusibile nel portafusibili del trattorino (Figura 61):

| A | B | |
| 1 | Cabina (10 A) | Alimentazione schermo di visualizzazione (15 A) |
| 2 | Slot non assegnato | Ingresso funzionamento chiave per il controller dello schermo di visualizzazione (10 A) |
| 3 | Sedile ad aria (15 A) | Circuito di avviamento (10 A) |
| 4 | Porta USB, contaore, sistema telematico, porta di espansione (20 A) | Alimentazione interruttore accensione (15 A) |
I fusibili della cabina sono posizionati sopra il sedile del passeggero. Accedete ai fusibili rimuovendo il coperchio della scatola dei fusibili (Figura 62).

Fate riferimento alla tabella Portafusibili cabina per una descrizione di ciascun fusibile nel portafusibili del trattorino (Figura 63):

| A | |
| 1 | Ventola del condensatore; frizione dell'aria condizionata (25 A) |
| 2 | Tergicristalli del parabrezza (20 A) |
| 3 | Ventola e luce interna (40 A) |
| 4 | Slot non assegnato |
| Cadenza di manutenzione | Procedura di manutenzione |
|---|---|
| Dopo la prima ora |
|
| Dopo le prime 10 ore |
|
| Ogni 200 ore |
|
Specifiche di serraggio dei dadi delle ruote: da 102 a 108 N·m
Serrate i dadi delle ruote anteriori e posteriori (solo macchine con trazione integrale) secondo lo schema illustrato nella Figura 64 e nella Figura 65 alla coppia specificata.
Se separate l'estremità telescopica dell'albero di trasmissione della PDF dall'estremità della frizione, assicuratevi che le demarcazioni realizzate con la vernice siano allineate e che la chiave sia allineata alla scanalatura mancante dell'estremità della frizione (Figura 66) quando montate l'estremità telescopica. Anche le forcelle delle estremità dovranno essere allineate come illustrato in Figura 66.
Important: Se l'albero di trasmissione non è allineato, il sistema di trasmissione potrebbe essere pesantemente sbilanciato.

L'ingestione di refrigerante del motore può causare avvelenamento, per cui tenetelo fuori dalla portata di bambini e animali domestici.
Se viene scaricato refrigerante caldo sotto pressione o si tocca il radiatore o le parti adiacenti calde, possono verificarsi gravi ustioni.
Lasciate sempre raffreddare il motore per almeno 15 minuti prima di rimuovere il tappo del radiatore.
Aprite il tappo del radiatore con uno straccio, agendo lentamente per lasciare fuoriuscire il vapore.
Non usate la macchina se le coperture non sono montate.
Tenete dita, mani e abiti lontano dalla ventola e dalla cinghia di trasmissione quando girano.
Il serbatoio del refrigerante è riempito in fabbrica con una soluzione al 50/50 di acqua e refrigerante a lunga durata a base di glicole etilenico.
Important: Utilizzate solo refrigeranti disponibili in commercio conformi alle specifiche elencate nella tabella Standard per refrigeranti a lunga durata.Non utilizzate refrigerante tradizionale (verde) con tecnologia ad acidi inorganici (IAT) nella vostra macchina. Non miscelate refrigerante tradizionale con refrigerante a lunga durata.
|
Tipologia di refrigerante con glicole etilenico |
Tipologia con inibitore della corrosione |
|
Antigelo a lunga durata |
Tecnologia con acidi organici (OAT) |
|
Important: Non basatevi sul colore del refrigerante per individuare la differenza tra refrigerante tradizionale (verde) con tecnologia agli acidi inorganici (IAT) e refrigerante a lunga durata.I produttori di refrigerante possono colorare il refrigerante a lunga durata in una delle seguenti tinte: rosso, rosa, arancione, giallo, blu, verde acqua, viola e verde. Utilizzate refrigeranti conformi alle specifiche elencate nella tabella Standard per refrigeranti a lunga durata. |
|
|
ATSM Internazionale |
SAE internazionale |
|
D3306 e D4985 |
J1034, J814 e 1941 |
Important: La concentrazione di refrigerante dovrebbe corrispondere a una miscela 50/50 di refrigerante e acqua.
Consiglio: Quando miscelate il refrigerante da un concentrato, utilizzate acqua distillata
Scelta consigliata: Se non disponete di acqua distillata, utilizzate un refrigerante premiscelato invece di un concentrato.
Requisito minimo: Se non disponete di acqua distillata e di refrigerante premiscelato, miscelate refrigerante concentrato con acqua potabile pulita.
| Cadenza di manutenzione | Procedura di manutenzione |
|---|---|
| Prima di ogni utilizzo o quotidianamente |
|
| Ogni 2000 ore |
|
Quando il motore è freddo, il refrigerante non dovrebbe superare la tacca FREDDO sul lato del serbatoio di espansione (Figura 67). Quando il motore è caldo, il refrigerante non dovrebbe superare la tacca di livello PIENO (CALDO).
Se il refrigerante arriva sopra la tacca FREDDO quando il motore è freddo, potrebbe fuoriuscire dal serbatoio quando, durante il funzionamento, il motore diventa caldo.
Quando il motore è freddo, controllate il livello di refrigerante nel serbatoio di espansione.

Se non si riesce a vedere refrigerante in corrispondenza del livello della tacca FREDDO o al di sotto quando è freddo, rimuovete il tappo del serbatoio di espansione e aggiungete il refrigerante sostitutivo raccomandato [fate riferimento a Specifiche del refrigerante] sino a portarlo alla tacca FREDDO.
Important: Non usate solo acqua o refrigeranti a base di alcol.Non superare la tacca FREDDO presente sul serbatoio.
Montate il tappo del serbatoio di espansione.
| Cadenza di manutenzione | Procedura di manutenzione |
|---|---|
| Ogni 50 ore |
|

Sollevate il cofano; fate riferimento a Sollevamento del cofano.
Utilizzate aria compressa per pulire la griglia del cofano (mostrata nella Figura 68). Indirizzare l'aria all'esterno della macchina.
| Cadenza di manutenzione | Procedura di manutenzione |
|---|---|
| Ogni 50 ore |
|
| Ogni 250 ore |
|
Utilizzate aria compressa per pulire le alette di raffreddamento. Indirizzate l'aria all'esterno della macchina (Figura 69).
Important: Non utilizzate acqua per pulire le alette.

Raddrizzate le alette curvate.
| Cadenza di manutenzione | Procedura di manutenzione |
|---|---|
| Ogni 200 ore |
|
| Ogni 2 anni |
|
Controllate i flessibili del sistema di raffreddamento per rilevare fuoriuscite, tubi attorcigliati, attacchi allentati, usura, raccordi allentati, deterioramento causato dalle condizioni atmosferiche e da agenti chimici. Eseguite tutte le riparazioni necessarie prima di usare la macchina.
| Cadenza di manutenzione | Procedura di manutenzione |
|---|---|
| Ogni 400 ore |
|
Posizionate i cavalletti sotto la parte anteriore della macchina; fate riferimento a Sollevamento della parte anteriore della macchina.
Rimuovete le ruote anteriori.
Spostate il freno di stazionamento in posizione DISINSERITO; fate riferimento a Freno di stazionamento.
Rimuovete manualmente i tamburi del freno (Figura 70).
Se avvertite resistenza durante la rimozione manuale dei tamburi del freno, non è necessaria una regolazione.
Se non avvertite resistenza durante la rimozione manuale dei tamburi del freno, è necessaria una regolazione; fate riferimento a Regolazione del freno di stazionamento.

Montate le ruote anteriori e serrate i dadi ad alette; fate riferimento a Serraggio dei dadi delle ruote.
Bloccate le ruote con zeppe.
Accertatevi che il freno di stazionamento sia disinserito.
Individuate il supporto del cavo del freno (Figura 71), sotto il lato sinistro della macchina in prossimità della ruota sinistra.

Allentate i controdadi superiori in modo tale da ottenere una luce dai 3,2 ai 4,8 mm.
Tirate verso il basso un cavo sinché il controdado superiore non entra a contatto con la staffa.
Serrate il controdado inferiore.
Ripetete i passaggi 5 e 6 per l'altro cavo.
Controllate il freno di stazionamento; fate riferimento a Controllo del freno di stazionamento.
| Cadenza di manutenzione | Procedura di manutenzione |
|---|---|
| Dopo le prime 10 ore |
|
| Dopo le prime 50 ore |
|
| Ogni 100 ore |
|
La tensione corretta della cinghia consente uno scostamento di 10 mm quando viene applicata sulla cinghia una forza pari a 4,5 kg a metà tra le pulegge.
Se la flessione non è di 10 mm, eseguite le operazioni descritte di seguito:
Allentate il bullone di fissaggio dell'alternatore (Figura 63).

Aumentate o riducete la tensione della cinghia dell'alternatore e serrate il bullone.
Controllate di nuovo l’inflessione della cinghia per accertare che sia esatta.
| Cadenza di manutenzione | Procedura di manutenzione |
|---|---|
| Ogni 100 ore |
|
Controllate la cinghia di trazione per accertare che non sia troppo consumata o danneggiata.
Sostituite la cinghia se eccessivamente usurata o danneggiata; fate riferimento a Sostituzione della cinghia di trazione.

Parcheggiate la macchina su una superficie pianeggiante, abbassate l’apparato di taglio, inserite il freno di stazionamento, spegnete il motore e togliete la chiave.
Scollegate l'albero della PDF dalla scatola a ingranaggi dell'attrezzo; fate riferimento al Manuale dell'operatore dell'attrezzo.
Scollegate il connettore del cablaggio preassemblato della frizione dal cablaggio preassemblato della macchina.

Rimuovete il paraurti in gomma dal fermo in metallo e dalla frizione (Figura 74).
Fatevi aiutare da un assistente munito di cricchetto a rilasciare la tensione dalla cinghia, quindi rimuovete la cinghia dalla puleggia della pompa, dalla puleggia tendicinghia e dalla puleggia del motore.
Per rimuovere la vecchia cinghia, spostate la cinghia sopra la frizione e in avanti sull'albero della PDF.
Spostate la cinghia lungo l'albero della PDF, sulla frizione e sulla puleggia del motore.
Fatevi aiutare da un assistente munito di cricchetto a spingere la puleggia tendicinghia in basso.
Fate passare la cinghia sulla puleggia del motore, la puleggia tendicinghia e la puleggia della pompa (Figura 73).
Togliete il cricchetto dal braccio di rinvio.
Montate il paraurti in gomma sul fermo in metallo e fissate il paraurti alla frizione.
Inserite il connettore del cablaggio preassemblato della frizione nel cablaggio preassemblato della macchina.
Collegate l'albero della PDF alla scatola ingranaggi dell'attrezzo.
| Cadenza di manutenzione | Procedura di manutenzione |
|---|---|
| Ogni 200 ore |
|
Lasciate raffreddare il motore.
Sollevate il cofano del motore.
Regolate il traferro in modo da inserire, forzandolo leggermente, uno spessimetro di 0,3 mm tra il rivestimento interno della frizione e la piastra della frizione (Figura 75).
Note: Per ridurre il traferro girate i dadi di regolazione in senso orario (Figura 75). Il massimo traferro di servizio è di 0,6 mm. Portate tutti e 3 i traferri a 0,4 mm.

Dopo la regolazione dei 3 traferri, controllateli tutti e 3 nuovamente.
Note: La regolazione di un traferro può modificare gli altri.
Potete regolare il pedale di trazione per il comfort dell'operatore o per ridurre la velocità massima di avanzamento della macchina.
Spostate completamente in avanti il pedale di trazione (Figura 76).
Note: Il pedale di trazione deve venire a contatto con l'arresto del pedale di trazione prima che la pompa raggiunga la fine corsa.

Se il pedale della trazione non viene a contatto con il relativo arresto o se desiderate ridurre la velocità di avanzamento della macchina, effettuate le seguenti operazioni:
Fissate l'arresto del pedale di trazione (Figura 76) con una chiave.
Allentate il controdado nella parte inferiore della piastra di appoggio del piede (Figura 77).

Spostate completamente in avanti il pedale di trazione (Figura 76).
Mantenendo fisso l'arresto del pedale di trazione, regolate il controdado sopra la piastra di appoggio del piede (Figura 76) fino a quando il pedale della trazione non viene a contatto con l'arresto.
Allungate la posizione dell'arresto del pedale di trazione ruotando l'arresto di un giro completo in senso antiorario via dal controdado sopra la piastra di appoggio del piede.
Note: Accorciando la posizione dell'arresto del pedale di trazione si aumenta la velocità di avanzamento della macchina.
Mentre tenete fisso l'arresto del pedale di trazione, serrate il controdado nella parte inferiore della piastra di appoggio del piede (Figura 76 e Figura 77) a 37–45 N∙m.
Verificate che il pedale di trazione venga a contatto con l'arresto del pedale di trazione prima che la pompa raggiunga la fine corsa.
Note: Se il pedale di trazione non viene a contatto con l'arresto del pedale di trazione, ripetete i passaggi da 1 a 7.
Se il fluido penetra nella pelle, rivolgetevi immediatamente a un medico. Il fluido idraulico penetrato sotto la pelle deve essere asportato da un medico entro poche ore.
Prima di mettere l'impianto sotto pressione, accertatevi che tutti i circuiti e i tubi dell'olio idraulico siano in buone condizioni e che tutte le connessioni e i raccordi idraulici siano serrati saldamente.
Tenete corpo e mani lontano da perdite filiformi o da ugelli che emettono fluido idraulico pressurizzato.
Usate carta o cartone per individuare eventuali perdite di fluido idraulico.
Rilasciate in maniera sicura la pressione dall'impianto idraulico prima di eseguire qualunque intervento sull'impianto.
Il serbatoio è riempito in fabbrica con circa 22,7 litri di fluido idraulico di alta qualità. Controllate il livello del fluido idraulico prima di avviare il motore per la prima volta e in seguito ogni giorno; fate riferimento a Controllo del livello del fluido idraulico.
Fluido di ricambio consigliato: fluido idraulico Toro PX per prolungare la durata; disponibile in fustini da 19 litri o in contenitori da 208 litri.
Note: Una macchina che utilizza il fluido di ricambio raccomandato richiede cambi meno frequenti di fluido e filtro.
Fluidi idraulici alternativi:qualora il fluido Toro PX per prolungare la durata non fosse disponibile, si potranno utilizzare altri fluidi idraulici di tipo tradizionale a base di petrolio con specifiche che rientrino nell'intervallo indicato per tutte le seguenti proprietà materiali e siano conformi agli standard di settore. Non usate fluidi sintetici. Il distributore di lubrificanti vi consiglierà sulla scelta di un prodotto soddisfacente.
Note: Toro non si assume alcuna responsabilità per danni causati da sostituzioni non idonee, pertanto si raccomanda di utilizzare solo prodotti di costruttori di buona reputazione, che rispondano delle proprie raccomandazioni.
| Proprietà materiali: | ||
| Viscosità, ASTM D445 | cSt a 40 °C da 44 a 48 | |
| Indice di viscosità ASTM D2270 | 140 o superiore | |
| Punto di scorrimento, ASTM D97 | da -37 °C a -45 °C | |
| Caratteristiche industriali: | Eaton Vickers 694 (I-286-S, M-2950-S/35VQ25 o M-2952-S) | |
Note: Molti fluidi idraulici sono praticamente incolori, e rendono difficile il rilevamento di fuoriuscite. Per il fluido idraulico è disponibile un additivo con colorante rosso in confezioni da 20 ml. Una confezione è sufficiente per 15–22 litri di fluido idraulico. Ordinate il n. cat. 44-2500 dal vostro distributore Toro autorizzato.
Important: Toro Premium Synthetic Biodegradable Hydraulic Fluid è l'unico fluido biodegradabile sintetico approvato da Toro. Questo fluido è compatibile con gli elastomeri utilizzati negli impianti idraulici Toro ed è adatto ad una vasta gamma di temperature. Questo fluido è compatibile con oli minerali tradizionali; tuttavia, per ottenere la massima biodegradabilità e i migliori risultati, occorre lavare accuratamente l’impianto idraulico eliminando il fluido tradizionale. L'olio è disponibile in fustini da 19 litri o in contenitori da 208 litri del vostro distributore Toro autorizzato.
| Cadenza di manutenzione | Procedura di manutenzione |
|---|---|
| Prima di ogni utilizzo o quotidianamente |
|
Parcheggiate la macchina su una superficie pianeggiante, abbassate l’apparato di taglio, inserite il freno di stazionamento, spegnete il motore e togliete la chiave.
Rimuovete il tappo dal serbatoio idraulico (Figura 78).

Togliete l'asta di livello dal serbatoio idraulico e pulitela con un panno pulito (Figura 78).
Inserite l’asta di livello nel serbatoio idraulico.
Rimuovete l'asta di livello e verificate il livello del fluido (Figura 79).
Se montate un apparato di taglio: il livello del fluido idraulico è corretto quando il fluido è compreso tra le 2 tacche di livello inferiori dell'asta (A nella Figura 79). Il livello del fluido è accettabile anche quando è più alto delle tacche inferiori.
Se montate il kit flessibile dell’attrezzo ad azionamento idraulico: il livello del fluido idraulico è corretto quando il fluido è compreso tra le 2 tacche di livello superiori dell'asta (B in Figura 79).

Se il fluido non raggiunge il livello indicato dall'idonea tacca (in base all'attrezzo in dotazione; fate riferimento al passaggio 5) sull'asta di livello, aggiungete il fluido idraulico specificato nel serbatoio. Ripetete i passaggi da 3 a 5 sinché il fluido raggiunge un livello compreso tra le 2 tacche appropriate sull'asta di livello.
Inserite l’asta di livello e il tappo nel serbatoio idraulico.
Serrate a mano il tappo.
Important: Non serrate il tappo con un attrezzo.
Controllate che tutti i flessibili idraulici e i raccordi non perdano.
| Cadenza di manutenzione | Procedura di manutenzione |
|---|---|
| Dopo le prime 1000 ore |
|
| Ogni 800 ore |
|
| Ogni 1000 ore |
|
| Ogni 2000 ore |
|
Nel caso in cui il fluido idraulico si contamini, rivolgetevi al vostro distributore Toro autorizzato; l'impianto va lavato. Il fluido contaminato ha un aspetto lattiginoso o nero rispetto al fluido pulito.
Important: Utilizzate filtri di ricambio Toro; fate riferimento al Catalogo ricambi della macchina. L'uso di altri filtri può invalidare la garanzia di alcuni componenti.
Parcheggiate la macchina su una superficie pianeggiante, abbassate l’apparato di taglio, inserite il freno di stazionamento, spegnete il motore e togliete la chiave.
Mettete una grossa bacinella di spurgo sotto il serbatoio del fluido idraulico.
Rimuovete il tappo del serbatoio idraulico e l'asta di livello.
Rimuovete il tappo di spurgo (Figura 80) dalla base del serbatoio e lasciate fuoriuscire il fluido idraulico nella bacinella.

Pulite le superfici attorno all'area di montaggio del filtro.
Collocate una bacinella di spurgo sotto il filtro (Figura 80), togliete il filtro e lasciate defluire l'olio rimanente nella bacinella.
Lubrificate la guarnizione del nuovo filtro e riempite il filtro con fluido idraulico.
Assicuratevi che l'area di montaggio del filtro sia pulita e avvitate il filtro fino a quando la guarnizione non è a contatto con la piastra di montaggio, poi serrate il filtro di un altro 1/2 giro.
Riempite il serbatoio idraulico di fluido idraulico; fate riferimento a Controllo del livello del fluido idraulico.
Important: Usate soltanto i fluidi idraulici specificati. Altri fluidi possono danneggiare l'impianto.
Quando il fluido idraulico cessa di defluire, montate il tappo di spurgo.
Montate l'asta di livello e il tappo del serbatoio
Avviate il motore ed attivate tutti i comandi idraulici nell'ordine seguente per distribuire il fluido attraverso l’impianto:
Utilizzate il pedale della trazione per spostare la macchina avanti e indietro.
Utilizzate il volante per spostare gli pneumatici completamente a destra e a sinistra.
Utilizzate l'interruttore di sollevamento per alzare e abbassare l'attrezzo (p. es. l'apparato di taglio).
Verificate l'assenza di perdite e spegnete il motore.
Controllate il livello del fluido idraulico nel serbatoio; fate riferimento a Controllo del livello del fluido idraulico.
| Cadenza di manutenzione | Procedura di manutenzione |
|---|---|
| Prima di ogni utilizzo o quotidianamente |
|
| Ogni 2 anni |
|
Controllate i tubi idraulici e i flessibili ogni giorno per rilevare fuoriuscite, tubi attorcigliati, attacchi allentati, usura, raccordi allentati e deterioramento causato dalle condizioni atmosferiche e da agenti chimici. Eseguite tutte le riparazioni necessarie prima di usare la macchina.
Important: Prestate attenzione alle guarnizioni della cabina (Figura 81). Se utilizzate una lancia a pressione, mantenete l'asta di lavaggio ad almeno 0,6 m di distanza dalla macchina. Non utilizzate la lancia a pressione direttamente sulle guarnizioni della cabina o sotto la sporgenza posteriore.

| Cadenza di manutenzione | Procedura di manutenzione |
|---|---|
| Ogni 400 ore |
|
Rimuovete i pomelli e le griglie dalla sporgenza posteriore della cabina (Figura 82).

Rimuovete i filtri dell'aria dalla cabina.
Pulite i filtri soffiando aria compressa pulita e priva di tracce d'olio attraverso gli stessi.
Important: Se un filtro presenta un buco, uno strappo o un altro tipo di danno, sostituitelo.
Utilizzate i pomelli e le griglie per montare i filtri nella cabina (Figura 82).
Lo scopo del filtro del condensatore della cabina è quello di evitare che grossi detriti, come erba e foglie, penetrino nel condensatore della cabina e nelle sue ventole.
Tirate in giù la protezione del retino.
Pulite il filtro del condensatore con acqua.
Note: Non utilizzate il lavaggio a pressione.
Important: Se il filtro presenta un foro, uno strappo o un altro danno, sostituitelo.
Consentite al filtro di asciugare prima di montarlo sulla macchina.
Ruotate lo schermo del filtro attorno alle alette fino a quando il fermo non si blocca nel gruppo del supporto del fermo (Figura 83).

Note: Fate riferimento al Catalogo ricambi per il numero di catalogo della lampadina idonea.
Note: Il serbatoio del liquido del tergicristalli sul parabrezza si trova accanto al motore sul lato destro della macchina.
Togliete il tappo (Figura 85) dal serbatoio.

Riempite il serbatoio di liquido lavacristalli.
Sostituite il tappo sul serbatoio.
Spegnete il motore, togliete la chiave e attendete che tutte le parti in movimento si arrestino prima di abbandonare la posizione dell'operatore. Lasciate raffreddare la macchina prima di eseguire interventi di regolazione, manutenzione, pulizia o prima del rimessaggio.
Non rimessate la macchina o la tanica del carburante in luoghi in cui siano presenti fiamme aperte, scintille o spie, come uno scaldabagno o altri apparecchi.
Important: Non utilizzate acqua salmastra o rigenerata per pulire la macchina.
Parcheggiate la macchina su una superficie pianeggiante, inserite il freno di stazionamento, spegnete il motore, togliete la chiave e attendete che tutte le parti in movimento si arrestino prima di abbandonare la macchina.
Pulite accuratamente la macchina, l'apparato di taglio e il motore.
Important: Non utilizzate acqua ad alta pressione vicino ai comandi elettrici o alle guarnizioni della cabina poiché potreste provocare danni.
Controllate e regolate la pressione dell'aria negli pneumatici; fate riferimento a Controllo della pressione dell'aria degli pneumatici.
Controllate le tubature e i flessibili e idraulici; riparateli se necessario.
Controllate il livello del fluido idraulico; fate riferimento a Controllo del livello del fluido idraulico.
Rimozione, affilatura, bilanciamento e montaggio delle lame dell'apparato di taglio.
Controllate tutti gli elementi di fissaggio per eventuali allentamenti; all'occorrenza serrateli.
Lubrificate tutti i raccordi di ingrassaggio e applicate olio ai punti di articolazione. Pulite eventuale lubrificante in eccesso.
Carteggiate leggermente e ritoccate le aree verniciate graffiate, scheggiate o arrugginite. Riparate ogni intaccatura nel metallo.