Note: 他のフロントアタッチメントを取り付ける前にこのキットを取り付けるか、取り付け前に他のフロントアタッチメントを取り外してください。
Note: このキットを取り付ける前に、以下のいずれかのキットを取り付けてください:アクセサリーコントロールキット、北米用ロードライトキット、またはEU用ロードライトキット。
平らな場所に駐車する。
ニュートラルにシフトする。
アタッチメントはすべて取り外す。
駐車ブレーキを掛ける。
エンジンを止め、キーを抜き取る。
バッテリーの接続を外す; マシンのオペレーターズマニュアルを参照。
この作業に必要なパーツ
| マニホルド | 1 |
| スイッチ | 2 |
| キャリッジボルト(5/16" x 1") | 2 |
| ロックナット(5/16") | 2 |
| カップラ (オス) | 1 |
| メスのカップラ | 1 |
| ボルト(5/16 x ¾") | 3 |
| 12Vポート | 1 |
| 油圧チューブ | 1 |
マニホールドxにオス型とメス型の油圧コネクタを取り付けますマニホールドにオス型とメス型の油圧コネクタを取り付ける(図 1)。
プラスチック製のナットを取り外し、それを使って12Vポートをブラケットに接続する(図 1)。
ブラケットを3本のボルト (5/16" x ¾") を使って取り付ける。 図 1を参照方。

図 2に示すように、キャリッジボルト(5/16 x 1”)2本とロックナット(5/16”)2個を使って、マニホールド付きブラケットをマシンに固定する。

ステアリングポンプから既存の油圧ホースを取り外す(図 3)。

油圧チューブを、ホースを取り外したステアリングバルブに取り付ける(図 4)。
図 4に示すように、油圧チューブをマニホールドに接続する。
図 4に示すように、油圧ホースをマニホールドに接続する。

この作業に必要なパーツ
| ワイヤハーネス | 1 |
| マグネットクリップ | 8 |
| ケーブルタイ | 2 |
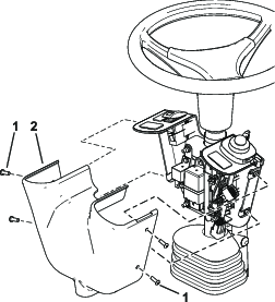
ステアリングコラムベースの周囲のボルトをゆるめる(図 5)。
ベースを持ち上げ、図 5の位置に直径 22 mm の穴を開ける

ハーネスをベースの穴に通す。
ベースををマシンに固定する(図 5)。
コントロールカバーを取り外す(図 6)。

スイッチのコネクタをステアリングコラムのスイッチマウントに取り付ける(図 7)。
スイッチをコネクタとスイッチマウントに取り付ける(図 7)。

ワイヤーハーネスを12Vポートに接続する(図 8)。
青いワイヤーをマイナス(-)端子に接続する。
白いワイヤーをプラス(∔)端子に接続する。
ワイヤーハーネスをキットのソレノイドコネクタに接続する(図 8)。
ハーネスをマシンのフレームに沿って配線し、マグネットクリップを使って所定の位置に固定する(図 8)。
ワイヤーハーネス電源コネクタを、右ロールバー支柱の近くでポンププーリーの隣にあるメインマシンハーネスキャブ電源コネクタに接続する(図 8)。
ハーネスとバッテリーケーブルをバッテリーに接続する。マシンのオペレーターズマニュアルを参照してください。
