| Périodicité d'entretien | Procédure d'entretien |
|---|---|
| À chaque utilisation ou une fois par jour |
|
Cette tondeuse autoportée à lames rotatives est destinée au grand public, pour un usage résidentiel. Elle est principalement conçue pour tondre les pelouses entretenues régulièrement. L'utilisation de ce produit à d'autres fins que celle prévue peut être dangereuse pour vous-même et toute personne à proximité.
Lisez attentivement cette notice pour apprendre comment utiliser et entretenir correctement votre produit, et éviter ainsi de l'endommager ou de vous blesser. Vous êtes responsable de l'utilisation sûre et correcte du produit.
Rendez-vous sur www.Toro.com pour tout document de formation à la sécurité et à l'utilisation des produits, pour tout renseignement concernant un produit ou un accessoire, pour obtenir l'adresse des dépositaires ou pour enregistrer votre produit.
Pour obtenir des prestations de service, des pièces Toro d'origine ou des renseignements complémentaires, munissez-vous des numéros de modèle et de série du produit et contactez un dépositaire-réparateur ou le service client Toro agréé. La Figure 1 indique l'emplacement des numéros de modèle et de série du produit. Inscrivez les numéros dans l'espace réservé à cet effet.
Important: Avec votre appareil mobile, vous pouvez scanner le code QR sur l'autocollant du numéro de série (le cas échéant) pour accéder à l'information sur la garantie, les pièces et autres renseignements concernant le produit.

Notez les numéros de modèle et de série du produit dans l'espace ci-dessous :
Ce manuel utilise deux termes pour faire passer des renseignements essentiels. Important pour attirer l'attention sur une information d'ordre mécanique spécifique, et Remarque pour souligner une information d'ordre général méritant une attention particulière.
Le symbole de sécurité (Figure 2) apparaît à la fois dans ce manuel et sur la machine pour identifier d'importants messages de sécurité dont il est nécessaire de tenir compte pour éviter les accidents. Ce symbole apparaît avec la mention Danger, Attention ou Prudence.
Danger signale un danger immédiat qui, s'il n'est pas évité, entraînera obligatoirement des blessures graves ou mortelles.
Attention signale un danger potentiel qui, s'il n'est pas évité, risque d'entraîner des blessures graves ou mortelles.
Prudence signale un danger potentiel qui, s'il n'est pas évité, peut éventuellement entraîner des blessures légères ou modérées.

Vous commettez une infraction à la section 4442 ou 4443 du Code des ressources publiques de Californie si vous utilisez cette machine dans une zone boisée, broussailleuse ou recouverte d'herbe, à moins d'équiper le moteur d'un pare-étincelles en bon état, tel que défini dans la section 4442, ou à moins que le moteur soit construit, équipé et entretenu correctement pour prévenir les incendies.
Couple brut ou net : le couple brut ou net de ce moteur a été calculé en laboratoire par le constructeur du moteur selon la norme SAE J1940 ou J2723 de la Society of Automotive Engineers (SAE). Étant configuré pour satisfaire aux normes de sécurité, antipollution et d'exploitation, le moteur monté sur cette classe de tondeuse aura un couple effectif nettement inférieur. Reportez-vous au manuel du constructeur du moteur fourni avec la machine.
Le manuel du propriétaire du moteur ci-joint est fourni à titre informatif concernant la réglementation de l'Agence américaine pour la protection de l'environnement (EPA) et la réglementation antipollution de l'état de Californie relative aux systèmes antipollution, à leur entretien et à leur garantie. Vous pouvez vous en procurer un nouvel exemplaire en vous adressant au constructeur du moteur.
CALIFORNIE
Proposition 65 - Avertissement
Les gaz d'échappement de ce produit contiennent des substances chimiques considérées par l'état de Californie comme susceptibles de provoquer des cancers, des malformations congénitales et autres troubles de la reproduction.
Les bornes de la batterie et accessoires connexes contiennent du plomb et des composés de plomb. L'état de Californie considère ces substances chimiques comme susceptibles de provoquer des cancers et des troubles de la reproduction. Lavez-vous les mains après avoir manipulé la batterie.
L'utilisation de ce produit peut entraîner une exposition à des substances chimiques considérées pas l'état de Californie comme capables de provoquer des cancers, des anomalies congénitales ou d'autres troubles de la reproduction.
Ce produit peut sectionner les mains ou les pieds et projeter des objets. Respectez toujours toutes les consignes de sécurité pour éviter des blessures graves ou mortelles.
Vous devez lire et comprendre le contenu de ce Manuel de l'utilisateur avant de démarrer le moteur.
N'autorisez personne à s'approcher, notamment les enfants.
Ne confiez pas l'utilisation ou l'entretien de la machine à des enfants ou à des personnes non qualifiées. Seules les personnes responsables, formées à l'utilisation de la machine, ayant lu et compris les instructions et physiquement aptes sont autorisées à utiliser la machine ou à en faire l'entretien.
N'utilisez pas la machine près de fortes dénivellations, fossés, berges, étendues d'eau ou autre danger, ni sur des pentes de plus de 15°.
N'approchez pas les mains ou les pieds des composants mobiles de la machine.
N'utilisez pas la machine si tous les capots, contacteurs de sécurité et autres dispositifs de protection ne sont pas en place et en bon état de marche.
Avant de quitter la position d'utilisation, coupez le moteur, enlevez la clé et attendez l'arrêt complet de toutes les pièces mobiles. Laissez refroidir la machine avant de la régler, la réparer, la nettoyer, la remiser ou de faire le plein de carburant.

![]() |
Des autocollants de sécurité et des instructions bien visibles par l'opérateur sont placés près de tous les endroits potentiellement dangereux. Remplacez tout autocollant endommagé ou manquant. |







L'autocollant 138-6074 est moulé dans le réservoir de carburant.









Familiarisez-vous avec toutes les commandes avant de mettre le moteur en marche et d'utiliser la machine.

Le commutateur d'allumage sert à démarrer et arrêter le moteur, et comprend 3 positions : ARRêT, CONTACT et DéMARRAGE (Figure 5).
L'accélérateur et le starter sont combinés dans une seule commande. L'accélérateur commande le régime moteur et peut se régler à l'infini entre BAS RéGIME et HAUT RéGIME (Figure 5).
La commandes des lames, représentée par le symbole de la prise de force (PDF), engage et désengage l'entraînement des lames (Figure 5).
Utilisez les leviers de commande de déplacement pour conduire la machine en marche avant, en marche arrière, pour tourner à droite et à gauche (Figure 4).
Écartez les leviers de commande vers l'extérieur, du centre à la position de STATIONNEMENT pour serrer le frein de stationnement lorsque vous arrêtez ou quittez la machine.
Le levier du système de commande Smart Speed™ est situé sous la position d'utilisation et vous permet de choisir entre 3 plages de vitesses : finition, remorquage et tonte (Figure 22).
Vous pouvez utiliser le regard, situé sur le côté gauche de la machine pour vérifier le niveau de carburant dans le réservoir (Figure 6).

Utilisez le levier de sélection de hauteur de coupe pour abaisser et lever le tablier de coupe sans quitter le siège. Lorsque vous élevez le levier (vers vous), le tablier de coupe s'élève au-dessus du sol, et lorsque vous abaissez le levier (dans la direction opposée), le tablier de coupe se rapproche du sol. Arrêtez toujours la machine avant de modifier la hauteur de coupe (Figure 23).
Les spécifications et la conception peuvent faire l'objet de modifications sans préavis.
| Largeur de coupe | 107 cm (42 po) |
| Largeur avec déflecteur abaissé | 135 cm (53 po) |
| Largeur avec déflecteur relevé | 123 cm (48,5 po) |
| Longueur | 185 cm (73 po) |
| Hauteur | 112 cm (44 po) |
| Poids | 218 kg (480 lb) |
Une sélection d'outils et accessoires agréés par Toro est disponible pour augmenter et améliorer les capacités de la machine. Pour obtenir la liste de tous les accessoires et outils agréés, contactez votre dépositaire-réparateur ou votre distributeur Toro agréé, ou rendez-vous sur www.Toro.com.
Pour garantir un rendement optimal et conserver la certification de sécurité de la machine, utilisez uniquement des pièces de rechange et accessoires Toro d'origine. Les pièces de rechange et accessoires d'autres constructeurs peuvent être dangereux et leur utilisation risque d'annuler la garantie de la machine.
Note: Les côtés gauche et droit de la machine sont déterminés d'après la position d'utilisation normale.
Ne confiez pas l'utilisation ou l'entretien de la machine à des enfants ou à des personnes non qualifiées. La réglementation locale peut imposer un âge minimum pour les utilisateurs. Le propriétaire de la machine doit assurer la formation de tous les utilisateurs et mécaniciens.
Inspectez la zone de travail et débarrassez-la de tout objet pouvant gêner le fonctionnement de la machine ou être projeté pendant son utilisation.
Familiarisez-vous avec le maniement correct du matériel, les commandes et les symboles de sécurité.
Vérifiez toujours que les commandes de présence de l'utilisateur, les contacteurs de sécurité et les capots de protection sont en place et en bon état de marche. N'utilisez pas la machine en cas de mauvais fonctionnement.
Avant de quitter la position d'utilisation, coupez le moteur, enlevez la clé et attendez l'arrêt complet de toutes les pièces mobiles. Laissez refroidir la machine avant de la régler, la réparer, la nettoyer, la remiser ou de faire le plein de carburant.
Avant de tondre, vérifiez que les unités de coupe sont en bon état de marche.
Examinez la zone de travail pour déterminer quels accessoires et équipements sont nécessaires pour utiliser la machine correctement et sans risque.
Portez une tenue adéquate, y compris une protection oculaire, un pantalon, des chaussures solides à semelle antidérapante et des protecteurs d'oreilles. Si vos cheveux sont longs, attachez-les et ne portez pas de vêtements amples ni de bijoux pendants.
Ne transportez jamais de passagers sur la machine.
Tenez tout le monde et tous les animaux à l'écart de la machine en marche. Arrêtez la machine et le(s) outil(s) si quelqu'un entre dans la zone de travail.
N'utilisez pas la machine si tous les capots et autres dispositifs de protection, tels que les déflecteurs et le bac de ramassage au complet, ne sont pas en place et en bon état de marche. Remplacez les pièces usées ou détériorées au besoin.
Le carburant est extrêmement inflammable et hautement explosif. Un incendie ou une explosion causé(e) par du carburant peut vous brûler, ainsi que toute personne à proximité, et causer des dommages matériels.
Pour éviter que l'électricité statique n'enflamme le carburant, descendez la machine du camion ou de la remorque et faites-le plein quand elle est au sol, à l'écart de tout autre véhicule. Si cela est impossible, placez un récipient de carburant portatif sur le sol, à l'écart de tout véhicule, et remplissez-le; faites ensuite le plein de la machine avec le récipient portatif plutôt que directement à la pompe.
Faites le plein du réservoir de carburant à l'extérieur sur une surface plane et horizontale, dans un endroit bien dégagé et lorsque le moteur est froid. Essuyez tout carburant répandu.
Ne fumez jamais en manipulant du carburant et tenez-vous à l'écart des flammes nues ou des sources d'étincelles.
N'enlevez pas le bouchon du réservoir de carburant et n'ajoutez pas de carburant quand le moteur tourne ou est encore chaud.
Si vous renversez du carburant, n'essayez pas de démarrer le moteur à cet endroit. Évitez de créer des sources d'inflammation jusqu'à dissipation complète des vapeurs de carburant.
Conservez le carburant dans un récipient homologué et hors de la portée des enfants.
Le carburant est toxique, voire mortel en cas d'ingestion. L'exposition prolongée aux vapeurs de carburant peut causer des blessures et des maladies graves.
Évitez de respirer les vapeurs de carburant de façon prolongée.
N'approchez pas le visage ou les mains du pistolet ni de l'ouverture du réservoir de carburant.
Tenez le carburant à l'écart des yeux et de la peau.
Ne remisez pas la machine ni les bidons de carburant à proximité d'une flamme nue, d'une source d'étincelles ou d'une veilleuse, telle celle d'un chauffe-eau ou d'autres appareils.
N'utilisez pas la machine si elle n'est pas équipée du système d'échappement complet et en bon état de marche.
Maintenez le pistolet en contact avec le bord du réservoir ou du bidon jusqu'à la fin du remplissage. N'utilisez pas de dispositif de verrouillage du pistolet en position ouverte.
Si du carburant s'est répandu sur vos vêtements, changez-vous immédiatement.
Ne remplissez pas excessivement le réservoir de carburant. Remettez le bouchon du réservoir de carburant en place et serrez-le solidement.
Pour éviter les risques d'incendie, enlevez les débris d'herbe et autres agglomérés sur l'unité de coupe, les entraînements, le bac à herbe et le compartiment moteur. Nettoyez les coulées éventuelles d'huile ou de carburant.
| Type | Essence sans plomb |
| Indice d'octane minimum | 87 (États-Unis) or 91 (octane recherche; hors États-Unis) |
| Éthanol | Pas plus de 10 % par volume |
| Méthanol | Néant |
| MTBE (éther méthyltertiobutylique) | Moins de 15 % par volume |
| Huile | Ne pas ajouter au carburant |
Utilisez uniquement du carburant propre et frais (stocké depuis moins d'un mois) provenant d'une source fiable.
Ajoutez un stabilisateur/conditionneur dans le réservoir de carburant de la machine pour que le carburant reste frais plus longtemps, à condition de respecter les indications du fabricant du stabilisateur.
Important: N'utilisez pas d'additifs contenant du méthanol ou de l'éthanol.
Ajoutez au carburant frais la quantité de stabilisateur/conditionneur indiquée par le fabricant du stabilisateur.
Garez la machine sur une surface plane et horizontale.
Poussez les leviers de commande de déplacement vers l'extérieur, à la position STATIONNEMENT.
Coupez le moteur et enlevez la clé.
Nettoyez la surface autour du bouchon du réservoir de carburant.
Remplissez le réservoir de carburant jusqu'au bas du goulot de remplissage (Figure 7). Ne remplissez pas complètement le réservoir de carburant.

Avant de démarrer la machine chaque jour, effectuez les procédures décrites à la section .
Les moteurs neufs demandent un certain temps pour développer toute leur puissance. Les tabliers de coupe et les systèmes d'entraînement neufs présentent plus de friction, ce qui augmente la charge sur le moteur. Prévoyez 40 à 50 heures de rodage pour les machines neuves pour leur permettre de développer toute leur puissance et procurer des performances optimales.
Si les contacteurs de sécurité sont déconnectés ou endommagés, la machine peut se mettre en marche inopinément et causer des blessures.
Ne modifiez pas abusivement les contacteurs de sécurité.
Vérifiez chaque jour le fonctionnement des contacteurs de sécurité et remplacez ceux qui sont endommagés avant d'utiliser la machine.
Le système de sécurité est conçu pour empêcher le démarrage du moteur, sauf si :
La commande des lames (PDF) est désengagée.
Les leviers de commande de déplacement sont à la position de STATIONNEMENT.
Le système de sécurité est également prévu pour arrêter le moteur lorsque les leviers de commande quittent la position de STATIONNEMENT et que vous vous soulevez du siège.
| Périodicité d'entretien | Procédure d'entretien |
|---|---|
| À chaque utilisation ou une fois par jour |
|
Contrôlez le système de sécurité avant chaque utilisation de la machine. Si le système de sécurité ne fonctionne pas comme spécifié ci-dessous, faites-le immédiatement réviser par un dépositaire-réparateur agréé.
Asseyez-vous sur le siège, amenez les leviers de commande de déplacement en position de STATIONNEMENT et la commande des lames en position ENGAGéE. Essayez de démarrer le moteur ; le démarreur ne doit pas fonctionner.
Asseyez-vous sur le siège et placez la commande des lames en position DéSENGAGéE. Amenez l'un des leviers de commande de déplacement au centre, en position déverrouillée. Essayez de démarrer le moteur; le moteur ne doit pas se lancer. Répétez la procédure avec l'autre levier de déplacement.
Asseyez-vous sur le siège, placez la commande des lames en position DéSENGAGéE et verrouillez les leviers de commande de déplacement à la position de STATIONNEMENT. Démarrez le moteur. Lorsque le moteur tourne, placez la commande des lames en position engagée et soulevez-vous légèrement du siège ; le moteur doit s'arrêter.
Asseyez-vous sur le siège, placez la commande des lames en position DéSENGAGéE et verrouillez les leviers de commande de déplacement à la position de STATIONNEMENT. Démarrez le moteur. Lorsque le moteur tourne, amenez les leviers de commande de déplacement au centre en position déverrouillée et soulevez-vous légèrement du siège ; le moteur doit s'arrêter.
Vous pouvez avancer ou reculer le siège Amenez le siège à la position la plus confortable pour vous et offrant le meilleur contrôle pour la conduite (Figure 8).

Vous pouvez ajuster la hauteur des leviers de commande de déplacement en fonction de votre taille (Figure 9).

Vous pouvez ajuster la course avant et arrière des leviers de commande de déplacement pour un plus grand confort d'utilisation.
Retirez le boulon supérieur qui fixe le levier de commande à l'arbre du bras de commande.
Desserrez le boulon inférieur jusqu'à ce qu'il soit possible de faire pivoter le levier de commande en avant ou en arrière.

Serrez les deux boulons pour fixer le levier de commande à sa nouvelle position.
Répétez la procédure pour l'autre levier de commande.
Le propriétaire/l'utilisateur est responsable des accidents pouvant entraîner des dommages corporels et matériels et peut les prévenir.
Accordez toute votre attention à l'utilisation de la machine. Ne vous livrez à aucune activité risquant de vous distraire, au risque de causer des dommages corporels ou matériels.
N'utilisez pas la machine si vous êtes malade ou fatigué(e), ni sous l'emprise de l'alcool, de drogues ou de médicaments.
Tout contact avec la lame peut causer de graves blessures. Avant de quitter la position d'utilisation, coupez le moteur, enlevez la clé et attendez l'arrêt complet de toutes les pièces mobiles. Lorsque vous tournez la clé à la position ARRêT, le moteur doit être coupé et la lame doit s'arrêter de tourner. Si ce n'est pas le cas, cessez immédiatement d'utiliser la machine et contactez un dépositaire réparateur agréé.
N'utilisez la machine que si la visibilité est suffisante et dans de bonnes conditions météorologiques. N'utilisez pas la machine si la foudre menace.
N'approchez pas les pieds et les mains des unités de coupe. Ne vous tenez pas devant l'ouverture d'éjection.
Ne tondez pas avec le volet d'éjection relevé, déposé ou modifié à moins qu'un système de ramassage ou de déchiquetage soit en place et en bon état de marche.
Ne tondez jamais en marche arrière, sauf en cas d'absolue nécessité. Vérifiez toujours si la voie est libre juste derrière la machine et sur sa trajectoire avant de faire marche arrière.
Faites preuve de la plus grande prudence à l'approche de tournants sans visibilité, de buissons, d'arbres ou d'autres objets susceptibles de masquer la vue.
Arrêtez toujours les lames quand vous ne tondez pas.
Si la machine heurte un obstacle ou commence à vibrer, coupez immédiatement le moteur, enlevez la clé (selon l'équipement) et attendez l'arrêt complet de toutes les pièces mobiles avant de vérifier si la machine n'est pas endommagée. Effectuez toutes les réparations nécessaires avant de réutiliser la machine.
Ralentissez et faites preuve de prudence quand vous changez de direction, ainsi que pour traverser des routes et des trottoirs avec la machine. Cédez toujours la priorité.
Avant de quitter la position d'utilisation :
Garez la machine sur une surface plane et horizontale.
Désengagez la prise de force et abaissez les accessoires.
Serrez le frein de stationnement.
Coupez le moteur et enlevez la clé.
Attendez l'arrêt complet de toutes les pièces mobiles.
Ne faites tourner le moteur que dans des lieux bien aérés. Les gaz d'échappement contiennent du monoxyde de carbone dont l'inhalation est mortelle.
Ne laissez jamais la machine en marche sans surveillance.
Utilisez uniquement le point d'attelage pour atteler l'équipement remorqué à la machine.
N'utilisez pas la machine si tous les capots et autres dispositifs de protection, tels que les déflecteurs et le bac de ramassage au complet, ne sont pas en place et en bon état de marche. Remplacez les pièces usées ou détériorées au besoin.
Utilisez uniquement les accessoires et équipements agréés par Toro.
Cette machine produit au niveau de l'oreille de l'utilisateur un niveau sonore de plus de 85 dBA qui peut entraîner des déficiences auditives en cas d'exposition prolongée.

Pour éviter les risques d'incendie, enlevez les débris d'herbe et autres agglomérés sur l'unité de coupe, les entraînements, le silencieux et le moteur.
Démarrez le moteur en gardant les pieds à bonne distance des lames.
Sachez dans quel sens s'effectue l'éjection et ne la dirigez jamais vers qui que ce soit. Ne projetez rien contre un mur ou un obstacle, car le matériau éjecté pourrait ricocher dans votre direction.
Arrêtez les lames, ralentissez et faites preuve de prudence lorsque vous traversez des surfaces autres qu'une pelouse et quand vous déplacez la machine entre les surfaces de travail.
Ne modifiez pas le réglage du régulateur et ne faites pas tourner le moteur à un régime excessif.
Les enfants sont souvent attirés par la machine et l'activité de tonte. Ne partez jamais du principe que les enfants se trouvent encore à l'endroit où vous les avez vus pour la dernière fois.
Veillez à ce que les enfants restent hors de la zone de travail, sous la garde d'un adulte responsable autre que l'utilisateur.
Restez sur vos gardes et arrêtez la machine si des enfants entrent dans la zone de travail.
Avant de faire marche arrière ou de changer de direction, vérifiez derrière et autour de vous qu'aucun enfant n'est présent.
Ne transportez pas d'enfants sur la machine, même si les lames sont arrêtées. Les enfants pourraient tomber et se blesser gravement ou vous empêcher d'utiliser la machine en toute sécurité. Les enfants qui ont été autorisés à monter sur la machine en marche par le passé peuvent apparaître subitement dans la zone de travail et risquent alors d'être renversés ou écrasés par la machine.
Les pentes augmentent significativement les risques de perte de contrôle et de retournement de la machine pouvant entraîner des accidents graves, voire mortels. L'utilisateur est responsable de la sécurité d'utilisation de la machine sur les pentes. L'utilisation de la machine sur une pente, quelle qu'elle soit, demande une attention particulière. Avant d'utiliser la machine sur une pente, vous devez :
Lire et comprendre les instructions relatives à l'utilisation sur les pentes qui figurent dans le manuel et sur la machine.
Utiliser l'indicateur d'angle pour déterminer l'angle approximatif de la pente sur laquelle vous devez travailler.
Ne travaillez jamais sur des pentes de plus de 15°.
Évaluer chaque jour l'état du terrain pour déterminer si la pente permet d'utiliser la machine sans risque. Faites preuve de bon sens et de discernement lors de cette évaluation. Les conditions changeantes du terrain, telle l'humidité, peuvent rapidement modifier le fonctionnement de la machine sur les pentes.
Repérez les dangers potentiels depuis le bas de la pente. N'utilisez pas la machine près de fortes dénivellations, fossés, berges, étendues d'eau ou autres dangers. La machine pourrait se retourner brusquement si une roue passe par-dessus une dénivellation quelconque et se retrouve dans le vide, ou si un bord s'effondre. Maintenez une distance de sécurité (deux fois la largeur de la machine) entre la machine et tout danger potentiel. Utilisez une tondeuse autotractée ou une débroussailleuse manuelle pour tondre sur ce type de terrain.
Évitez de démarrer, de vous arrêter ou de tourner sur les pentes. Ne changez pas soudainement de vitesse ou de direction; tournez lentement et graduellement.
N'utilisez pas la machine si l'adhérence, la direction ou la stabilité peuvent être compromises. Tenez compte du fait qu'une perte de l'adhérence peut se produire sur l'herbe humide, en travers des pentes ou dans les descentes. La perte d'adhérence des roues motrices peut faire déraper la machine et entraîner la perte du freinage et de la direction. La machine peut déraper même si les roues motrices ne tournent plus.
Enlevez ou balisez les obstacles tels que fossés, trous, ornières, bosses, rochers ou autres dangers cachés. L'herbe haute peut masquer les accidents du terrain. Les irrégularités du terrain peuvent provoquer le retournement de la machine.
Redoublez de prudence lorsque vous utilisez la machine équipée d'outils ou d'accessoires, tels des systèmes de ramassage. Ceux-ci peuvent modifier la stabilité et entraîner la perte de contrôle de la machine. Suivez les instructions d'utilisation des contrepoids.
Dans la mesure du possible, gardez le tablier de coupe abaissé au sol quand vous utilisez la machine sur des pentes. La machine peut devenir instable si vous levez le tablier de coupe pendant l'utilisation sur une pente.

L'équipement remorqué ne doit être attaché qu'au point d'attelage.
N'utilisez pas la machine pour tracter quoi que ce soit, à moins qu'elle ne soit équipée d'un dispositif d'attelage.
Ne dépassez pas les limites de poids spécifiées pour le matériel remorqué et le remorquage sur les pentes. Le poids remorqué ne doit pas dépasser le poids combiné de la machine et de l'opérateur.
Ne laissez jamais approcher ni enfants ni adultes du matériel remorqué.
Sur les pentes, le poids du matériel remorqué peut provoquer une perte de la motricité et du contrôle de la machine, et accroître le risque de retournement. Réduisez le poids remorqué et ralentissez.
La distance d'arrêt peut augmenter avec le poids de la charge remorquée. Conduisez lentement et prévoyez une distance de freinage plus grande que la normale.
Prenez des virages larges pour éviter que l'accessoire ne vienne toucher la machine.
La commande des lames (PDF) permet de démarrer et d'arrêter la rotation des lames et des autres accessoires qu'elle entraîne.

Note: Engagez toujours les lames en plaçant la commande d'accélérateur à la position HAUT RéGIME (Figure 14).


Vous pouvez déplacer la commande d'accélérateur entre les positions HAUT RéGIME et BAS RéGIME (Figure 16).
Sélectionnez toujours la position HAUT RéGIME quand vous engagez la PDF.

Utilisez le volet de départ pour démarrer quand le moteur est froid.
Poussez la commande d'accélérateur/démarrage à froid au-delà de la position RAPIDE et dans la position DéMARRAGE à FROID pour engager le volet de départ avant d'utiliser le commutateur d'allumage.

Sortez la commande de la position DéMARRAGE à FROID pour désengager le volet de départ une fois que le moteur a démarré.
Important: N'actionnez pas le démarreur plus de 5 secondes de suite. N'actionnez pas le démarreur plus de 5 secondes de suite au risque de l'endommager. Si le moteur refuse de démarrer, patientez 1 minute avant d'actionner à nouveau le démarreur.
Note: Il peut être nécessaire de maintenir le levier contre la butée, en position starter, tout en essayant de démarrer le moteur (Figure 18).

Désengagez les lames en plaçant la commande des lames en position DéSENGAGéE (Figure 18).
Poussez les leviers de commande de déplacement vers l'extérieur, à la position STATIONNEMENT.
Placez la commande d'accélérateur en position HAUT RéGIME.
Tournez la clé à la position ARRêT et retirez-la.
Les enfants ou les personnes à proximité risquent de se blesser s'ils déplacent la machine ou essayent de l'utiliser lorsqu'elle est laissée sans surveillance.
Retirez toujours la clé et serrez le frein de stationnement si vous laissez la machine sans surveillance.

Les roues motrices tournent indépendamment et sont entraînées par les moteurs hydrauliques sur chaque essieu. Vous pouvez faire tourner un côté en arrière pendant que l'autre tourne en avant, ce qui fait pivoter la machine au lieu de la faire changer de direction. La maniabilité de la machine en est grandement améliorée, mais cette manière de conduire pourra demander un certain temps d'adaptation.
La commande d'accélérateur agit sur le régime moteur qui se mesure en tours/minute (tr/min). Placez la commande d'accélérateur en position HAUT RéGIME pour obtenir des performances optimales. Pour travailler, placez toujours la commande d'accélérateur en position Haut régime (plein gaz).
La machine peut tourner très rapidement. Vous risquez de perdre le contrôle de la machine et de vous blesser gravement ou d'endommager la machine.
Faites preuve d'une extrême prudence dans les virages.
Ralentissez avant de prendre des virages serrés.
Note: Tournez toujours avec précaution.
Amenez les leviers de commande de déplacement au centre, en position déverrouillée.
Pour vous déplacer en marche avant, poussez lentement les leviers de commande de déplacement vers l'avant (Figure 20).

Note: Faites toujours marche arrière et tournez avec précaution.
Amenez les leviers de commande de déplacement au centre, en position déverrouillée.
Pour vous déplacer en marche arrière, tirez lentement les leviers en arrière (Figure 21).

Le levier du système de commande Smart SpeedTM est situé sous la position d'utilisation (Figure 22) et permet de choisir entre 3 gammes de vitesses : finition, remorquage et tonte.

Pour changer de vitesse, procédez comme suit :
Poussez les leviers de commande de déplacement au point mort et vers l'extérieur, à la position STATIONNEMENT.
Désengagez la commande des lames.
Placez le levier à la position voulue.
Les chiffres suivants ne sont fournis qu'à titre indicatif. Les réglages varient selon le type, l'humidité et la hauteur de l'herbe.
| Utilisations suggérées : | Tonte de finition | Remorquage | Tonte |
| Stationnement | X | ||
| Herbe épaisse et humide | X | ||
| Apprendre à se servir de la machine | X | ||
| Tonte | X | ||
| Ramassage | X | ||
| Déchiquetage | X | ||
| Accessoires de remorquage | X | ||
| Tonte normale | X | ||
| Déplacer la machine | X |
Tonte de finition
Cette vitesse est la plus basse. Il est conseillé d'utiliser cette vitesse dans les cas suivants :
Stationnement
Herbe épaisse et humide
Apprendre à se servir de la machine
Tonte
Remorquage
Cette vitesse est la vitesse intermédiaire. Il est conseillé d'utiliser cette vitesse dans les cas suivants :
Ramassage
Déchiquetage
Accessoires de remorquage
Tonte
Cette vitesse est la plus élevée. Il est conseillé d'utiliser cette vitesse dans les cas suivants :
Tonte normale
Déplacer la machine
La tondeuse est équipée d'un déflecteur d'herbe pivotant qui permet de disperser les déchets de tonte sur le côté et à la surface de la pelouse.
Si le déflecteur d'herbe, l'obturateur d'éjection ou le bac à herbe complet n'est pas en place sur la machine, vous-même ou d'autres personnes peuvent être touchés par une lame ou des projections de débris. Les lames en rotation et les débris projetés peuvent occasionner des blessures graves ou mortelles.
N'enlevez jamais le déflecteur d'herbe du tablier de coupe, sa présence est nécessaire pour diriger l'herbe coupée sur la pelouse. Si le déflecteur d'herbe est endommagé, remplacez-le immédiatement.
Ne mettez jamais les mains ou les pieds sous le tablier de coupe.
N'essayez jamais de dégager l'ouverture d'éjection ou les lames sans avoir au préalable amené la commande des lames (PDF) en position DéSENGAGéE, tourné la clé de contact en position ARRêT et enlevé la clé.
Vérifiez que le déflecteur d'herbe est abaissé.
Note: La position de transport est la position de hauteur de coupe la plus élevée (114 mm [4½ po]), comme montré à la Figure 23.
Vous pouvez régler la hauteur de coupe de 38 à 114 mm (1½ à 4½ po) par paliers de 13 mm (½ po). La hauteur de coupe est réglée par le levier situé à droite de la position d'utilisation (Figure 23).

Ajustez la hauteur des galets anti-scalp chaque fois que vous modifiez la hauteur de coupe.
Note: Réglez les galets anti-scalp de sorte qu'ils ne touchent pas le sol sur les surfaces normales et planes.
Garez la machine sur une surface plane et horizontale, placez la commande des lames en position désengagée et les leviers de commande de déplacement à la position STATIONNEMENT.
Avant de quitter la position d'utilisation, coupez le moteur, enlevez la clé et attendez l'arrêt complet de toutes les pièces mobiles.
Réglez les galets anti-scalp à l'une des positions suivantes :
Trou supérieur – utilisez cette position pour les hauteurs de coupe du tablier jusqu'à 63 mm (2½ po) (Figure 24).
Trou inférieur – utilisez cette position pour les hauteurs de coupe du tablier à partir de 76 mm (3 po) (Figure 24).

Pour obtenir une circulation d'air maximale et des résultats optimaux, faites tourner le moteur à HAUT RéGIME. L'air doit pouvoir circuler pour bien couper l'herbe. Pour cette raison, ne sélectionnez pas une hauteur de coupe trop basse car le tablier de coupe serait alors complètement entouré d'herbe haute. Placez-vous toujours de sorte qu'un côté du tablier de coupe se trouve à l'extérieur de la zone non coupée. L'air pourra ainsi circuler librement dans le tablier de coupe.
Tondez l'herbe légèrement plus haut que d'habitude pour éviter de scalper les inégalités du terrain. La hauteur de coupe habituelle est cependant celle qui convient le mieux en général. Si la hauteur de l'herbe dépasse 15 cm (6 po), vous devrez peut-être vous y reprendre à deux fois pour obtenir un résultat acceptable.
L'idéal est de ne raccourcir l'herbe que du tiers de sa hauteur. Une coupe plus courte est déconseillée, à moins que l'herbe ne soit clairsemée, ou en automne lorsque la pousse commence à ralentir.
Alternez le sens des passages pour ne pas coucher l'herbe. L'alternance permet aussi de mieux disperser l'herbe coupée, ce qui améliore la décomposition et la fertilisation.
L'herbe pousse plus ou moins vite selon la saison. Pour conserver une hauteur de coupe régulière, tondez plus souvent au début du printemps. Réduisez la fréquence de tonte au milieu de l'été, lorsque l'herbe pousse moins vite. Si le gazon n'a pas été tondu depuis un certain temps, tondez une première fois assez haut, puis un peu plus bas 2 jours plus tard.
Dans certaines conditions, la tonte à vitesse réduite peut améliorer la qualité de coupe.
Si le gazon est irrégulier, augmentez la hauteur de coupe pour éviter de le scalper en tondant.
Si vous immobilisez la machine en cours de tonte, un paquet d'herbe coupée peut tomber sur la pelouse. Pour éviter cela, rendez-vous dans une zone déjà tondue en laissant les lames engagées ou désengagez le tablier de coupe pendant la marche avant de la machine.
Nettoyez le dessous du tablier de coupe après chaque utilisation. Ne laissez pas l'herbe et la terre s'accumuler à l'intérieur, car la qualité de la tonte finira par en souffrir.
Utilisez une lame bien aiguisée durant toute la saison de tonte, pour obtenir une coupe nette sans arracher ni déchiqueter les brins d'herbe. L'herbe arrachée ou déchiquetée brunit sur les bords, sa croissance ralentit et elle devient plus sensible aux maladies. Après chaque utilisation, vérifiez l'état, l'usure et l'affûtage des lames. Limez les entailles éventuelles et aiguisez les lames au besoin. Remplacez immédiatement les lames endommagées ou usées par des lames Toro d'origine. Voir Entretien des lames.
Avant de quitter la position d'utilisation, coupez le moteur, enlevez la clé et attendez l'arrêt complet de toutes les pièces mobiles. Laissez refroidir la machine avant de la régler, la réparer, la nettoyer, la remiser ou de faire le plein de carburant.
Pour éviter les risques d'incendie, enlevez les débris d'herbe et autres agglomérés sur l'unité de coupe, les entraînements, le bac à herbe et le compartiment moteur. Nettoyez les coulées éventuelles d'huile ou de carburant.
Enlevez la clé avant de transporter ou remiser la machine.
| Périodicité d'entretien | Procédure d'entretien |
|---|---|
| Après chaque utilisation |
|
Important: Vous pouvez laver la machine avec de l'eau et un détergent doux. N'utilisez pas de nettoyeur haute pression. N'utilisez pas une trop grande quantité d'eau, surtout près du panneau de commande, sous le siège, et à proximité du moteur, des pompes hydrauliques et des moteurs électriques.
Garez la machine sur une surface plane et horizontale, placez la commande des lames en position désengagée et les leviers de commande de déplacement à la position STATIONNEMENT.
Coupez le moteur et attendez l'arrêt complet de toutes les pièces mobiles avant de quitter la position d'utilisation.
Enlevez les débris d'herbe et autres agglomérés sur l'unité de coupe, le silencieux, les entraînements, le bac à herbe et le moteur. Utilisez de l’air comprimé si possible.
Note: Voir la section Lavage du dessous du tablier de coupe. pour tout renseignement sur l'utilisation du raccord de lavage du tablier.
Garez la machine sur une surface plane et horizontale, placez la commande des lames en position désengagée et les leviers de commande de déplacement à la position STATIONNEMENT.
Coupez le moteur et attendez l'arrêt complet de toutes les pièces mobiles avant de quitter la position d'utilisation.
Localisez les leviers de dérivation sur le châssis, des deux côtés du moteur.
Déplacez les deux leviers de dérivation en avant dans la fente, puis vers le bas pour les verrouiller en position (Figure 25).
Les pièces brûlantes peuvent causer des blessures.
Gardez les mains, les pieds, le visage et toute autre partie du corps ainsi que les vêtements à l'écart du moteur, du silencieux et autres surfaces brûlantes.
La machine peut se déplacer inopinément alors que les leviers de dérivation sont verrouillés en avant dans la fente et vous blesser ou blesser toute personne à proximité.
Verrouillez les leviers de dérivation en position arrière avant de déplacer la machine.

Desserrez le frein de stationnement en amenant les deux leviers de commande de déplacement au centre, en position débloquée.
Note: Ne démarrez pas la machine.
Déplacez la machine selon les besoins.
Important: Poussez toujours la machine à la main. Ne remorquez pas la machine au risque de l'endommager.
Poussez les leviers de commande de déplacement vers l'extérieur, à la position STATIONNEMENT.
Déplacez les deux leviers de dérivation en arrière et vers le bas dans la fente pour les bloquer en place.
Transportez la machine sur une remorque de poids-lourd ou un camion. Utilisez une rampe d'une seule pièce. Le camion ou la remorque doit être équipé(e) des freins, des éclairages et de la signalisation exigés par la loi. Lisez attentivement toutes les consignes de sécurité. Tenez-en compte pour éviter de vous blesser ou de blesser des personnes à proximité. Reportez-vous aux ordonnances locales concernant les exigences d'arrimage et de remorquage.
Il est dangereux de conduire sur la voie publique sans clignotants, éclairages, réflecteurs ou panneau « véhicule lent »; vous risquez de provoquer un accident et de vous blesser.
Ne conduisez pas la machine sur la voie publique.
Le chargement de la machine sur une remorque ou un camion augmente le risque de basculement, et donc de blessures graves ou mortelles (Figure 26).
Utilisez uniquement une rampe pleine largeur; n'utilisez pas de rampes séparées de chaque côté de la machine.
L'angle entre la rampe et le sol, ou entre la rampe et la remorque ou le camion, ne doit pas dépasser 15 degrés.
La rampe doit être au moins quatre fois plus longue que la hauteur de la remorque ou du plateau de chargement par rapport au sol. De la sorte, l'angle de la rampe ne dépassera pas 15 degrés sur un sol plat.

Le chargement de la machine sur une remorque ou un camion augmente le risque de basculement et donc de blessures graves ou mortelles.
Procédez avec la plus grande prudence lorsque vous manœuvrez la machine sur une rampe.
Montez la rampe en marche arrière et descendez-la en marche avant.
Évitez d'accélérer ou de décélérer brutalement lorsque vous conduisez la machine sur une rampe car vous pourriez en perdre le contrôle ou la faire basculer.
Si vous utilisez une remorque, attelez-la au véhicule tracteur et attachez les chaînes de sécurité.
Le cas échéant, raccordez les freins et connectez l'éclairage de la remorque.
Abaissez la rampe pour que l'angle avec le sol ne dépasse pas 15 degrés (Figure 26).
Montez la rampe en marche arrière (Figure 27).

Coupez le moteur, retirez la clé et écartez les leviers de commande de déplacement à la position STATIONNEMENT.
Arrimez la machine près des roues pivotantes avant et du cadre arrière à l'aide de sangles, chaînes, câbles ou cordes (Figure 28). Reportez-vous à la réglementation locale concernant les exigences en matière d'arrimage.
Note: Dirigez les sangles vers le bas et loin de la machine.

Note: Les côtés gauche et droit de la machine sont déterminés d'après la position d'utilisation normale.
Si vous laissez la clé dans le commutateur d'allumage, quelqu'un pourrait mettre le moteur en marche accidentellement et vous blesser gravement, ainsi que toute personne à proximité. Avant tout entretien, retirez la clé du commutateur d'allumage.
Avant de quitter la position d'utilisation, effectuez la procédure suivante :
Garez la machine sur une surface plane et horizontale.
Débrayez les entraînements.
Serrez le frein de stationnement.
Coupez le moteur et enlevez la clé.
Laissez refroidir les composants de la machine avant d'effectuer un entretien.
Ne confiez pas l'entretien de la machine à des personnes non qualifiées.
N'approchez jamais les mains ou les pieds des pièces mobiles ou des surfaces chaudes. Dans la mesure du possible, évitez d'effectuer des réglages sur la machine quand le moteur est en marche.
Libérez la pression emmagasinée dans les composants avec précaution.
Vérifiez souvent le fonctionnement du frein de stationnement. Effectuez les réglages et l'entretien éventuellement requis.
N'enlevez et ne modifiez jamais les dispositifs de sécurité. Vérifiez régulièrement qu'ils fonctionnent correctement.
Pour éviter les risques d'incendie, enlevez les débris d'herbe et autres agglomérés sur l'unité de coupe, le silencieux, les entraînements, le bac à herbe et le compartiment moteur.
Nettoyez les coulées éventuelles d'huile ou de carburant et éliminez les débris imbibés de carburant.
Ne vous fiez pas uniquement à des crics hydrauliques ou mécaniques pour soutenir la machine; soutenez-la avec des chandelles quand vous la soulevez.
Maintenez toutes les pièces en bon état de marche et toutes les fixations bien serrées, surtout la visserie de fixation des lames. Remplacez tous les autocollants usés ou endommagés.
Débranchez le câble de la borne négative de la batterie avant de réparer la machine.
Pour garantir un rendement optimal, utilisez uniquement des pièces de rechange et accessoires Toro d'origine. Les pièces de rechange et accessoires d'autres constructeurs peuvent être dangereux et leur utilisation risque d'annuler la garantie de la machine.
| Périodicité d'entretien | Procédure d'entretien |
|---|---|
| À chaque utilisation ou une fois par jour |
|
| Après chaque utilisation |
|
| Toutes les 25 heures |
|
| Toutes les 100 heures ou tous les ans, la première échéance prévalant |
|
| Avant le remisage |
|
| Une fois par an |
|
Important: Reportez-vous au manuel du propriétaire du moteur pour toutes procédures d'entretien supplémentaires.
Si vous laissez la clé dans le commutateur d'allumage, quelqu'un pourrait mettre le moteur en marche accidentellement et vous blesser gravement, ainsi que toute personne à proximité.
Coupez le moteur et enlevez la clé du commutateur d'allumage avant d'effectuer un entretien.
Soutenez la machine levée avec des chandelles.
Si vous soutenez la machine en vous servant de la protection inférieure du silencieux (Figure 29), vous risquez d'endommager la protection et de faire tomber la machine, vous blessant ou blessant d'autres personnes.
N'utilisez pas la protection inférieure du silencieux pour soulever ou soutenir la machine.

| Périodicité d'entretien | Procédure d'entretien |
|---|---|
| Toutes les 25 heures |
|
Type de graisse : graisse nº 2 au lithium
Garez la machine sur une surface plane et horizontale, placez la commande des lames en position désengagée et les leviers de commande de déplacement à la position STATIONNEMENT.
Avant de quitter la position d'utilisation, coupez le moteur, enlevez la clé et attendez l'arrêt complet de toutes les pièces mobiles.
Nettoyez les graisseurs (Figure 30) avec un chiffon.
Note: Grattez la peinture qui pourrait se trouver sur l'avant des graisseurs.

Raccordez un pistolet de graissage à chaque graisseur (Figure 30).
Injectez de la graisse dans les graisseurs jusqu'à ce qu'elle commence à sortir des roulements.
Essuyez tout excès de graisse.
Gardez les mains, les pieds, le visage et toute autre partie du corps, ainsi que les vêtements à l'écart du silencieux et autres surfaces brûlantes. Laissez refroidir les composants du moteur avant d'effectuer tout entretien.
Ne modifiez pas le réglage du régulateur et ne faites pas tourner le moteur à un régime excessif.
| Périodicité d'entretien | Procédure d'entretien |
|---|---|
| Toutes les 25 heures |
|
| Une fois par an |
|
Note: Nettoyez le filtre à air plus fréquemment (toutes les quelques heures de fonctionnement) si vous travaillez dans des conditions très poussiéreuses ou sableuses.
Garez la machine sur une surface plane et horizontale, placez la commande des lames en position désengagée et les leviers de commande de déplacement à la position STATIONNEMENT.
Avant de quitter la position d'utilisation, coupez le moteur, enlevez la clé et attendez l'arrêt complet de toutes les pièces mobiles.
Nettoyez la surface autour du couvercle du filtre à air pour éviter que des impuretés n'endommagent le moteur en tombant à l'intérieur.
Tournez les boutons de verrouillage dans le sens antihoraire et déposez le couvercle.

Soulevez l'extrémité du filtre et retirez-le de l'entrée d'air.

Séparez les éléments en mousse et en papier.

Lavez l'élément en mousse dans de l'eau chaude additionnée de savon liquide. Rincez soigneusement l'élément une fois propre.
Séchez l'élément en le pressant dans un chiffon propre.
Important: Remplacez l'élément en mousse s'il est usé ou déchiré.
Huilez légèrement l'élément en mousse avec de l'huile moteur propre et pressez l'élément pour éliminer l'excédent d'huile.
Nettoyez l'élément en papier en le tapotant pour faire tomber la poussière.
Note: Remplacez-le par un neuf s'il est très encrassé.
Vérifiez que l'élément n'est pas déchiré ni couvert d'une pellicule grasse, et que le joint de caoutchouc n'est pas endommagé.
Remplacez l'élément en papier s'il est endommagé.
Important: Ne nettoyez pas l'élément en papier.
Placez le préfiltre en mousse sur l'élément en papier.
Note: Veillez à ne pas endommager les éléments.
Placez les éléments filtrants sur la base du filtre à air.
Reposez le couvercle et fixez-le avec les verrous (Figure 31).
Type d'huile : huile détergente (y compris synthétique) de classe de service API SJ ou mieux
Capacité du carter : 1,4 L (47 oz liq.) avec le filtre à huile
Viscosité : Voir le tableau ci-dessous.

| Périodicité d'entretien | Procédure d'entretien |
|---|---|
| À chaque utilisation ou une fois par jour |
|
Note: Contrôlez le niveau d'huile quand le moteur est froid.
Important: Vous risquez d'endommager le moteur si vous le faites tourner alors que le carter et trop ou pas assez rempli d'huile.
Garez la machine sur une surface plane et horizontale, placez la commande des lames en position désengagée et les leviers de commande de déplacement à la position STATIONNEMENT.
Avant de quitter la position d'utilisation, coupez le moteur, enlevez la clé et attendez l'arrêt complet de toutes les pièces mobiles.
Note: Laissez refroidir le moteur pour donner le temps à l'huile de s'écouler dans le carter.
Pour éviter de faire tomber de l'herbe, de la poussière, etc., dans le moteur, nettoyez la surface autour du bouchon de remplissage-jauge d'huile, avant de l'enlever (Figure 35).

| Périodicité d'entretien | Procédure d'entretien |
|---|
Garez la machine sur une surface plane et horizontale pour permettre la vidange totale de l'huile.
Désengagez la commande des lames et écartez les leviers de commande de déplacement vers l'extérieur à la position STATIONNEMENT.
Avant de quitter la position d'utilisation, coupez le moteur, enlevez la clé et attendez l'arrêt complet de toutes les pièces mobiles.
Vidangez l'huile moteur (Figure 36).

Remplacez le filtre à huile moteur (Figure 37).
Note: Assurez-vous que le joint du filtre à huile touche le moteur puis vissez-le encore de trois quarts de tour.

Versez lentement environ 80 % de l'huile spécifiée dans le tube de remplissage, puis faites l'appoint lentement jusqu'à ce que le niveau atteigne le repère maximum (Full) (Figure 38).

Débarrassez-vous de l'huile usagée dans un centre de recyclage.
| Périodicité d'entretien | Procédure d'entretien |
|---|---|
| Une fois par an |
|
Avant de monter une bougie, vérifiez si l'écartement entre l'électrode centrale et l'électrode latérale est correct. Utilisez une clé à bougies pour déposer et reposer les bougies, et une jauge d'épaisseur pour contrôler et régler l'écartement des électrodes. Remplacez la bougie au besoin.
Type : Briggs and Stratton® 491055 ou Champion® XC92YC
Écartement des électrodes : 0,76 mm (0,03 po)
Garez la machine sur une surface plane et horizontale, placez la commande des lames en position désengagée et les leviers de commande de déplacement à la position STATIONNEMENT.
Avant de quitter la position d'utilisation, coupez le moteur, enlevez la clé et attendez l'arrêt complet de toutes les pièces mobiles. Laissez refroidir le moteur.
Nettoyez la surface autour de la base de la bougie pour empêcher la poussière et les débris de pénétrer dans le moteur.
Déposez la bougie (Figure 39).

Important: Ne nettoyez pas la ou les bougies. Remplacez toujours les bougies si elles sont recouvertes d'un dépôt noir ou d'une couche grasse, si elles sont fissurées ou si les électrodes sont usées.
Si l'isolateur est recouvert d'un léger dépôt gris ou brun, le moteur fonctionne correctement. S'il est recouvert d'un dépôt noir, cela signifie généralement que le filtre à air est encrassé.
Réglez l'écartement des électrodes à 0,75 mm (0,03 po).


| Périodicité d'entretien | Procédure d'entretien |
|---|---|
| À chaque utilisation ou une fois par jour |
|
Garez la machine sur une surface plane et horizontale, placez la commande des lames en position désengagée et les leviers de commande de déplacement à la position STATIONNEMENT.
Avant de quitter la position d'utilisation, coupez le moteur, enlevez la clé et attendez l'arrêt complet de toutes les pièces mobiles.
Déposez le filtre à air du moteur.
Déposez le carénage du moteur.
Montez le filtre à air sur sa base pour éviter que des débris ne pénètrent dans la prise d'air.
Débarrassez-les de l'herbe et des débris accumulés.
Déposez le filtre à air et montez le carénage du moteur.
Mettez le filtre à air en place.
Dans certaines circonstances, le carburant est extrêmement inflammable et hautement explosif. Un incendie ou une explosion causé(e) par du carburant peut vous brûler, ainsi que toute personne à proximité, et causer des dommages matériels.
Vous trouverez une liste complète des consignes de sécurité liées au carburant sous Consignes de sécurité pour le carburant.
| Périodicité d'entretien | Procédure d'entretien |
|---|---|
| Une fois par an |
|
Ne remontez jamais un filtre encrassé après l'avoir enlevé de la conduite de carburant.
Garez la machine sur une surface plane et horizontale, placez la commande des lames en position désengagée et les leviers de commande de déplacement à la position STATIONNEMENT.
Avant de quitter la position d'utilisation, coupez le moteur, enlevez la clé et attendez l'arrêt complet de toutes les pièces mobiles. Laissez refroidir le moteur.
Remplacez le filtre à carburant (Figure 42).
Note: Vérifiez que la flèche indiquant le sens d'écoulement est dirigée vers le moteur.


Débranchez le câble de la borne négative de la batterie avant de réparer la machine.
Chargez la batterie dans un endroit dégagé et bien aéré, à l'écart des flammes ou sources d'étincelles. Débranchez le chargeur avant de brancher ou de débrancher la batterie. Portez des vêtements de protection et utilisez des outils isolés.
Les bornes de la batterie ou les outils en métal peuvent causer des courts-circuits au contact des pièces métalliques de la machine et produire des étincelles. Les étincelles peuvent provoquer l'explosion des gaz de la batterie et vous blesser.
Lors du retrait ou de la mise en place de la batterie, évitez que les bornes touchent les parties métalliques de la machine.
Évitez de créer des courts-circuits entre les bornes de la batterie et les parties métalliques de la machine avec des outils en métal.
Garez la machine sur une surface plane et horizontale, placez la commande des lames en position désengagée et les leviers de commande de déplacement à la position STATIONNEMENT.
Avant de quitter la position d'utilisation, coupez le moteur, enlevez la clé et attendez l'arrêt complet de toutes les pièces mobiles.
Soulevez le siège pour accéder à la batterie.
Débranchez le câble négatif (noir) de mise à la masse de la borne de la batterie (Figure 43).
Note: Conservez toutes les fixations.
Si les câbles de la batterie ne sont pas débranchés correctement, la machine et les câbles peuvent être endommagés et produire des étincelles. Les étincelles peuvent provoquer l'explosion des gaz de la batterie et vous blesser.
Débranchez toujours le câble négatif (noir) de la batterie avant le câble positif (rouge).
Connectez toujours le câble positif (rouge) de la batterie avant le câble négatif (noir).
Repoussez le capuchon en caoutchouc pour l'ôter du câble positif (rouge).
Débranchez le câble positif (rouge) de la borne de la batterie (Figure 43).
Note: Conservez toutes les fixations.
Déposez la barrette de maintien de la batterie (Figure 43) et soulevez la batterie de son support.

| Périodicité d'entretien | Procédure d'entretien |
|---|---|
| Avant le remisage |
|
Déposez la batterie du châssis ; voir Retrait de la batterie.
Chargez la batterie au régime de 6 à 10 ampères pendant un minimum de 1 heure.
Note: Ne chargez pas la batterie excessivement.
Quand la batterie est chargée au maximum, débranchez le chargeur de la prise, puis débranchez les fils du chargeur des bornes de la batterie (Figure 44).

Placez la batterie dans son support (Figure 43).
Reliez le câble positif (rouge) de la batterie à la borne positive (+) au moyen des fixations retirées précédemment.
Reliez le câble négatif de la batterie à la borne négative (-) au moyen des fixations retirées précédemment.
Placez le capuchon rouge sur la borne positive (rouge) de la batterie.
Fixez la batterie en place à l'aide de la barrette de maintien (Figure 43).
Abaissez le siège.
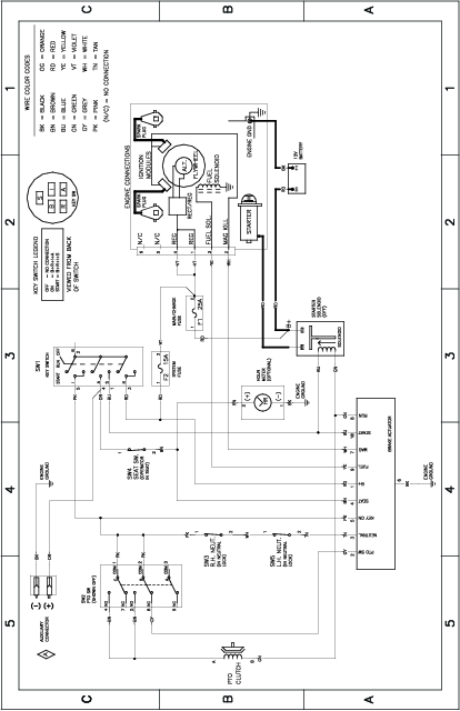
Le système électrique est protégé par des fusibles. Il ne nécessite donc aucun entretien. Toutefois, si un fusible grille, vérifiez l'état de la pièce ou du circuit et assurez-vous qu'il n'y a pas de court-circuit.
Type de fusible :
Principal – F1 (25 A, à lame)
Circuit de charge – F2 (15 A, à lame)
Garez la machine sur une surface plane et horizontale, placez la commande des lames en position désengagée et les leviers de commande de déplacement à la position STATIONNEMENT.
Avant de quitter la position d'utilisation, coupez le moteur, enlevez la clé et attendez l'arrêt complet de toutes les pièces mobiles.
Soulevez le siège pour accéder aux fusibles.
Pour remplacer un fusible, tirez dessus pour l'enlever (Figure 45).

Abaissez le siège.
| Périodicité d'entretien | Procédure d'entretien |
|---|---|
| Toutes les 25 heures |
|
Maintenez les pneus avant et arrière gonflés à la pression spécifiée. Les pneus mal gonflés peuvent compromettre la qualité et l'uniformité de la coupe. Vérifiez la pression à la valve (Figure 46). Contrôlez la pression lorsque les pneus sont froids pour obtenir un résultat plus précis.
Gonflez les pneus des roues pivotantes à 2,06 bar (30 psi) ou à la pression indiquée sur le flanc, selon la valeur la plus basse.
Gonflez les pneus des roues motrices arrière à 0,9 bar (13 psi).

Corrigez le parallélisme des roues si la machine tire d'un côté quand roulez en marche avant à la vitesse maximale sur une surface plane et horizontale.
Si la machine tire à gauche, ajustez le levier de commande de déplacement droit, et inversement, si elle tire à droite, ajustez le levier gauche.
Note: Vous ne pouvez régler le parallélisme des roues que pour la marche avant.
Garez la machine sur une surface plane et horizontale, placez la commande des lames en position désengagée et les leviers de commande de déplacement à la position STATIONNEMENT.
Avant de quitter la position d'utilisation, coupez le moteur, enlevez la clé et attendez l'arrêt complet de toutes les pièces mobiles.
Localisez le boulon de réglage de la dérive près du levier de commande de déplacement du côté qui nécessite le réglage (Figure 47).
Note: Soulevez le siège pour faciliter l'accès au boulon de réglage.
Tournez le boulon pour réduire la vitesse de cette roue.
Note: Tournez légèrement le boulon pour effectuer de petits réglages.

Démarrez la machine et conduisez-la en marche avant sur une surface plane et horizontale, en poussant les leviers de commande de déplacement complètement en avant pour vérifier si la machine avance en ligne droite. Répétez la procédure si nécessaire.
| Périodicité d'entretien | Procédure d'entretien |
|---|---|
| Toutes les 25 heures |
|
Remplacez la courroie si elle est usée. La courroie peut montrer les signes d'usure suivants : grincement pendant la rotation, glissement des lames pendant la coupe, bords effilochés, traces de brûlures et fissures.
La courroie peut montrer les signes d'usure suivants : grincement pendant la rotation, glissement des lames pendant la coupe, bords effilochés, traces de brûlures et fissures. Remplacez la courroie quand elle présente ce genre de problèmes.
Garez la machine sur une surface plane et horizontale, placez la commande des lames en position désengagée et les leviers de commande de déplacement à la position STATIONNEMENT.
Avant de quitter la position d'utilisation, coupez le moteur, enlevez la clé et attendez l'arrêt complet de toutes les pièces mobiles.
Réglez la hauteur de coupe à la position la plus basse (38 mm [1½ po]).
Desserrez les vis et déposez les protège-poulies (Figure 48).

Desserrez l'écrou qui fixe le fil métallique à la poulie de tension (Figure 49).

À l'aide d'un outil de dépose de ressort (réf. Toro 92-5771), décrochez le ressort du crochet sur le tablier pour détendre la poulie de tension et déchaussez la courroie des poulies (Figure 50).
Le ressort est tendu quand il est en place et peut causer des blessures en se détendant.
Enlevez la courroie avec précaution.

Acheminez la courroie neuve autour de la poulie du moteur et des poulies du tablier de coupe (Figure 50).
À l'aide d'un outil de dépose de ressort (réf. Toro 92-5771), accrochez le ressort au crochet situé sur le tablier, afin d'exercer une tension sur la poulie de tension et la courroie du tablier de coupe (Figure 50).
Resserrez l'écrou qui fixe le fil métallique à la poulie de tension.
Note: Positionnez le fil métallique contre le bras de la poulie de tension, comme montré à la Figure 49.
Reposez les protège-poulies.
Vérifiez l'état et l'usure des lames périodiquement.
Examinez les lames avec prudence. Manipulez toujours les lames avec des gants ou en les enveloppant dans un chiffon, et toujours avec prudence. Limitez-vous à remplacer ou aiguiser les lames; n'essayez jamais de les redresser ou de les souder.
Attention, sur les machines à plusieurs lames, la rotation d'une lame peut entraîner le déplacement des autres lames.
Remplacez les boulons et les lames usés ou endommagés par paires pour ne pas modifier l'équilibre.
Pour un bon résultat, les lames doivent toujours être bien aiguisées. Il est utile de prévoir des lames de rechange pour le remplacement et le réaffûtage.
Garez la machine sur une surface plane et horizontale, placez la commande des lames en position désengagée et les leviers de commande de déplacement à la position STATIONNEMENT.
Coupez le moteur, enlevez la clé et débranchez le fil de chaque bougie.
| Périodicité d'entretien | Procédure d'entretien |
|---|---|
| À chaque utilisation ou une fois par jour |
|
Examinez le tranchant des lames (Figure 51).
Si les lames sont émoussées ou présentent des indentations, déposez-les et aiguisez-les; voir Aiguisage des lames.
Inspectez les lames, et plus particulièrement l'ailette.
Remplacez immédiatement toute lame fendue, usée ou qui présente une entaille sur cette partie (Figure 51).

Note: Placez la machine sur une surface plane horizontale pour effectuer la procédure suivante.
Élevez le tablier de coupe à la position de hauteur de coupe la plus élevée.
Enfilez des gants épais ou utilisez une autre protection adéquate pour les mains, et faites tourner la lame lentement jusqu'à une position permettant de mesurer la distance entre le tranchant et la surface plane sur laquelle se trouve la machine (Figure 52).

Mesurez la distance entre la pointe de la lame et la surface plane (Figure 53).

Tournez la même lame de 180 degrés pour amener le tranchant opposé à la même position (Figure 54).

Mesurez la distance entre la pointe de la lame et la surface plane (Figure 55).
Note: La différence entre les deux mesures ne doit pas excéder 3 mm (⅛ po).

Si la différence entre A et B est supérieure à 3 mm (⅛ po), remplacez la lame par une neuve; voir Dépose des lames et Pose des lames.
Note: Si, après avoir remplacé une lame faussée par une neuve, la différence est toujours supérieure à 3 mm (⅛ po), l'axe de la lame est peut-être faussé. Contactez un dépositaire Toro agréé pour faire réviser la machine.
Si la différence reste dans les limites tolérées, passez à la lame suivante.
Répétez cette procédure pour chaque lame.
Remplacez les lames si elles heurtent un obstacle, ou si elles sont déséquilibrées ou faussées.
Tenez la lame par son extrémité avec un chiffon ou un gant épais.
Enlevez de l'axe le boulon, la rondelle bombée et la lame (Figure 56).

Au moyen d'une lime, aiguisez les tranchants aux deux extrémités de la lame (Figure 57).
Note: Veillez à conserver l'angle de coupe d'origine.
Note: Limez la même quantité de métal sur chacun des deux tranchants pour ne pas déséquilibrer la lame.

Vérifiez l'équilibre de la lame en la plaçant sur un équilibreur (Figure 58).
Note: Si la lame reste horizontale, elle est équilibrée et peut être utilisée.
Note: Si la lame est déséquilibrée, limez un peu l'extrémité de l'ailette seulement (Figure 57).

Répétez cette procédure jusqu'à ce que la lame soit équilibrée.
Placez la lame sur l'axe (Figure 56).
Important: Pour une coupe correcte, l'ailette de la lame doit être tournée vers le haut et dirigée vers l'intérieur du tablier de coupe.
Montez la rondelle bombée (face concave vers la lame) et le boulon de lame (Figure 56).
Serrez le boulon de la lame à un couple de 81 à 108 N·m (60 à 80 pi-lb).
Vérifiez que le tablier de coupe est de niveau chaque fois que vous l'installez ou si la tonte de la pelouse semble irrégulière.
Vérifiez si des lames sont faussées avant de mettre le tablier de coupe de niveau. Déposez et remplacez les lames faussées ; voir Entretien des lames avant de continuer.
Mettez le tablier de coupe de niveau transversalement avant de le faire longitudinalement.
Assurez-vous que :
La machine est placée sur une surface plane et horizontale.
Les pneus sont gonflés à la pression correcte ; voir Contrôle de la pression des pneus.
Garez la machine sur une surface plane et horizontale, désengagez la commande des lames (PDF) et écartez les leviers de commande de déplacement vers l'extérieur en position de STATIONNEMENT.
Avant de quitter la position d'utilisation, coupez le moteur, enlevez la clé et attendez l'arrêt complet de toutes les pièces mobiles.
Réglez la hauteur de coupe à 76 mm (3 po).
Tournez prudemment les lames pour qu'elles soient parallèles dans le sens transversal.
Mesurez la distance entre les tranchants extérieurs et le sol plat (Figure 59).
Note: Si les deux mesures diffèrent de plus de 5 mm (3/16 po), un réglage s'impose ; voir Réglage de l'horizontalité transversale.

Contrôlez l'inclinaison avant/arrière des lames chaque fois que vous montez le tablier de coupe. Si l'avant du tablier est plus de 7,9 mm (5/16 po) plus bas que l'arrière, réglez l'inclinaison des lames.
Garez la machine sur une surface plane et horizontale, désengagez la commande des lames (PDF) et écartez les leviers de commande de déplacement vers l'extérieur en position de STATIONNEMENT.
Avant de quitter la position d'utilisation, coupez le moteur, enlevez la clé et attendez l'arrêt complet de toutes les pièces mobiles.
Réglez la hauteur de coupe à 76 mm (3 po).
Faites pivoter les lames avec précaution pour faire passer les pointes avant à l'arrière (Figure 60).
Mesurez la distance entre la pointe de la lame avant et la pointe de la lame arrière par rapport à la surface plane (Figure 60).
Note: Si la pointe de la lame avant n'est pas de 1,5 à 8 mm (1/16 à 5/16 po) plus basse que la pointe de la lame arrière, passez à la procédure Réglage de l'inclinaison avant/arrière des lames.

Passez au côté gauche de la machine.
Placez les galets anti-scalp dans les trous supérieurs ou enlevez-les complètement pour effectuer cette procédure ; voir Réglage des galets anti-scalp.
Réglez le levier de hauteur de coupe à la position 76 mm (3 po) ; voir Réglage de la hauteur de coupe.
Placez deux cales de 6,6 cm (2⅝ po) d'épaisseur chacune sous chaque côté du bord avant du tablier de coupe, mais pas sous les supports des galets anti-scalp (Figure 61).
Placez deux cales de 7,3 cm (2⅞ po) d'épaisseur chacune sous le bord arrière de la jupe du tablier de coupe, une de chaque côté (Figure 61).

Retirez la goupille fendue et la rondelle de l'axe inférieur du bras de levage (Figure 62).

Tournez la plaque de hauteur de coupe à un trou différent pour que le poids du tablier de coupe soit soutenu après l'installation de la plaque (Figure 63).

Installez la rondelle et la goupille fendue (Figure 63).
Répétez les opérations 6 à 8 pour l'autre côté de la machine.
Vérifiez de nouveau le réglage transversal ; répétez cette procédure jusqu'à ce que les mesures soient correctes.
Poursuivez la procédure de mise à niveau du tablier de coupe en contrôlant l'inclinaison avant/arrière des lames ; voir Contrôle de l'inclinaison avant/arrière des lames.
Tournez l'écrou de réglage à l'avant du tablier de coupe (Figure 64).

Serrez l'écrou de réglage pour élever l'avant du tablier.
Desserrez l'écrou de réglage pour abaisser l'avant du tablier.
Une fois le réglage effectué, vérifiez à nouveau l'inclinaison avant/arrière des lames; continuez d'ajuster l'écrou jusqu'à ce que la pointe de la lame avant soit de 1,6 à 8 mm (1/16 à 5/16 po) plus bas de la pointe de la lame arrière; voir Contrôle de l'inclinaison avant/arrière des lames.
Lorsque l'inclinaison avant/arrière est correcte, vérifiez à nouveau l'horizontalité transversale du tablier; voir Contrôle de l'horizontalité transversale.
Garez la machine sur une surface plane et horizontale, désengagez la commande des lames (PDF) et écartez les leviers de commande de déplacement vers l'extérieur en position de STATIONNEMENT.
Avant de quitter la position d'utilisation, coupez le moteur, enlevez la clé et attendez l'arrêt complet de toutes les pièces mobiles.
Abaissez le levier de hauteur de coupe à la position la plus basse.
Retirez la goupille fendue de la tige de support avant et déposez la tige du support de tablier (Figure 65).

Abaissez doucement l'avant du tablier de coupe au sol.
D'un côté de la machine, retirez la rondelle et la goupille fendue de l'axe du tablier (Figure 66).

Déposez le bras de levage de l'axe du tablier (Figure 66).
Répétez les opérations 6 et 7 de l'autre côté de la machine.
Déplacez le tablier de coupe en arrière pour dégager la courroie du tablier de la poulie du moteur.
Sortez le tablier de coupe de sous la machine.
Note: Conservez toutes les pièces en vue du remontage.
Garez la machine sur une surface plane et horizontale, désengagez la commande des lames (PDF) et écartez les leviers de commande de déplacement vers l'extérieur en position de STATIONNEMENT.
Avant de quitter la position d'utilisation, coupez le moteur, enlevez la clé et attendez l'arrêt complet de toutes les pièces mobiles.
Glissez le tablier de coupe sous la machine.
Abaissez le levier de hauteur de coupe à la position la plus basse.
D'un côté de la machine, soulevez l'arrière du tablier de coupe et installez le bras de levage sur l'axe du tablier (Figure 66).
Installez le bras de levage avec la rondelle et la goupille fendue (Figure 66).
Répétez les opérations 5 et 6 de l'autre côté de la machine.
Fixez la tige de support avant au tablier de coupe à l'aide de l'axe de chape et de la goupille fendue (Figure 65).
Reposez la courroie du tablier de coupe sur la poulie du moteur ; voir Remplacement de la courroie du tablier de coupe.
| Périodicité d'entretien | Procédure d'entretien |
|---|---|
| À chaque utilisation ou une fois par jour |
|
Si l'ouverture d'éjection n'est pas fermée, la machine peut projeter des objets dans votre direction ou celle d'autres personnes et causer des blessures graves. Un contact avec la lame est également possible.
N'utilisez jamais la machine sans le déflecteur d'herbe, l'obturateur d'éjection ou le système de ramassage.
Retirez l'écrou (⅜ po) de la tige, sous le tablier de coupe (Figure 67).

Sortez la tige de la courte cheville de positionnement, du ressort et du déflecteur d'herbe (Figure 67).
Déposez le déflecteur d'herbe s'il est endommagé ou usé.
Montez le nouveau déflecteur d'herbe (Figure 67).
Insérez l'extrémité droite de la tige dans le pivot arrière du déflecteur d'herbe.
Placez le ressort sur la tige, les fils d'extrémité dirigés vers le bas, entre les supports du déflecteur d'herbe.
Insérez la tige dans le second pivot du déflecteur d'herbe (Figure 67).
Insérez la tige à l'avant du déflecteur dans la courte cheville de positionnement sur le tablier.
Fixez l'extrémité arrière de la tige dans le tablier de coupe à l'aide d'un écrou (⅜ po), comme montré à la Figure 67.
Important: Le déflecteur d'herbe doit être rappelé à la position abaissée par le ressort. Soulevez le déflecteur pour vérifier qu'il s'abaisse complètement.
| Périodicité d'entretien | Procédure d'entretien |
|---|---|
| Après chaque utilisation |
|
Important: Vous pouvez laver la machine avec de l'eau et un détergent doux. N'utilisez pas de nettoyeur haute pression. N'utilisez pas une trop grande quantité d'eau, surtout près du panneau de commande, sous le siège, et à proximité du moteur, des pompes hydrauliques et des moteurs électriques.
Après chaque utilisation, lavez le dessous du tablier de coupe pour éviter l'accumulation d'herbe et améliorer le déchiquetage et la dispersion des déchets de tonte.
Garez la machine sur une surface plane et horizontale, désengagez la commande des lames (PDF) et écartez les leviers de commande de déplacement vers l'extérieur en position de STATIONNEMENT.
Avant de quitter la position d'utilisation, coupez le moteur, enlevez la clé et attendez l'arrêt complet de toutes les pièces mobiles.
Branchez le raccord du tuyau d'arrosage à au raccord de lavage de la tondeuse et ouvrez l'eau en grand (Figure 68).
Note: Enduisez de vaseline le joint torique du raccord de lavage pour faciliter le branchement du tuyau d'arrosage sans endommager le joint torique.

Abaissez le tablier de coupe à la hauteur la plus basse.
Asseyez-vous sur le siège et mettez le moteur en marche.
Engagez la commande des lames et laissez tourner le moteur pendant 1 à 3 minutes.
Désengagez la commande des lames, coupez le moteur, enlevez la clé et attendez l'arrêt de toutes les pièces mobiles.
Coupez l'eau et débranchez le tuyau d'arrosage du raccord de lavage.
Note: Si le tablier est encore sale après un premier lavage, laissez-le tremper 30 minutes. Recommencez ensuite la procédure.
Remettez la tondeuse en marche durant 1 à 3 minutes pour évacuer l'excès d'eau.
Si le raccord de lavage est cassé ou manquant, l'utilisateur et toute personne à proximité peuvent être blessés par la projection d'objets ou par un contact avec la lame. Des débris projetés ou un contact avec une lame peuvent occasionner des blessures graves ou mortelles.
Si le raccord de lavage est cassé ou manquant, n'utilisez pas la machine avant de l'avoir remplacé.
Ne mettez jamais les mains ou les pieds sous le tablier de coupe ni dans les ouvertures de la machine.
L'huile moteur, les batteries, le liquide hydraulique et le liquide de refroidissement sont polluants pour l'environnement. Débarrassez-vous en conformément à la réglementation nationale et locale en matière d'environnement.
Avant de quitter la position d'utilisation, coupez le moteur, enlevez la clé et attendez l'arrêt complet de toutes les pièces mobiles. Laissez refroidir la machine avant de la régler, la nettoyer, la remiser ou la réparer.
Ne remisez pas la machine ou le carburant près d'une flamme et ne vidangez pas le carburant à l'intérieur d'un local ou d'une remorque fermée.
Ne remisez pas la machine ni les bidons de carburant à proximité d'une flamme nue, d'une source d'étincelles ou d'une veilleuse, telle celle d'un chauffe-eau ou d'autres appareils.
Garez la machine sur une surface plane et horizontale, désengagez la commande des lames (PDF) et écartez les leviers de commande de déplacement vers l'extérieur en position de STATIONNEMENT.
Avant de quitter la position d'utilisation, coupez le moteur, enlevez la clé et attendez l'arrêt complet de toutes les pièces mobiles.
Débarrassez l'extérieur de toute la machine, en particulier le moteur et le système hydraulique, des déchets d'herbe coupée, des saletés et de la crasse. Éliminez les saletés et les débris d'herbe sèche pouvant se trouver sur les ailettes de la culasse et le carter du ventilateur.
Important: Vous pouvez laver la machine avec de l'eau et un détergent doux. N'utilisez pas de nettoyeur haute pression. N'utilisez pas une trop grande quantité d'eau, surtout près du panneau de commande, du moteur, des pompes hydrauliques et des moteurs électriques.
Vérifiez le fonctionnement du frein de stationnement; voir Position de stationnement.
Faites l'entretien du filtre à air; voir Entretien du filtre à air.
Graissez la machine; voir Lubrification.
Vidangez l'huile moteur; voir Vidange de l'huile moteur et remplacement du filtre à huile.
Contrôlez la pression des pneus ; voir Contrôle de la pression des pneus.
Chargez la batterie ; voir Charge de la batterie.
Si vous remisez la machine en laissant la batterie dessus, débranchez le câble négatif (noir) de la batterie.
Grattez l'herbe et les saletés éventuellement accumulées sur le dessous du tablier de coupe, puis lavez la machine au tuyau d'arrosage.
Note: Conduisez la machine, en engageant la commande des lames (PDF), moteur au ralenti accéléré, pendant 2 à 5 minutes après l'avoir lavée.
Vérifiez l'état des lames ; voir Entretien des lames.
Si vous prévoyez de remiser la machine plus de 30 jours de suite, préparez-la comme suit :
Ajoutez un stabilisateur/conditionneur de carburant dans le réservoir de carburant. Respectez les proportions spécifiées par le fabricant du stabilisateur de carburant. N'utilisez pas de stabilisateur à base d'alcool (éthanol ou méthanol).
Faites tourner le moteur pendant 5 minutes pour faire circuler le carburant traité dans tout le circuit d'alimentation.
Coupez le moteur, laissez-le refroidir, puis vidangez le réservoir de carburant à l'aide d'un siphon à pompe ou laissez tourner le moteur jusqu'à ce qu'il s'arrête.
Débarrassez-vous du carburant correctement. Recyclez le carburant conformément à la réglementation locale en matière d'environnement.
Important: Ne conservez pas le carburant additionné de stabilisateur/conditionneur plus longtemps que recommandé par le fabricant du stabilisateur de carburant.
Déposez la ou les bougies et vérifiez leur état; voir Entretien de la bougie. Versez 30 ml (2 cuillerées à soupe) d'huile moteur dans l'ouverture laissée par la bougie. Actionnez le démarreur pour faire tourner le moteur et bien répartir l'huile dans le cylindre. Reposez la ou les bougies. Ne rebranchez pas le fil de la ou des bougies.
Contrôlez et resserrez toutes les fixations. Réparez ou remplacez toute pièce endommagée.
Peignez toutes les surfaces métalliques éraflées ou mises à nu. Une peinture pour retouches est disponible chez les dépositaires-réparateurs agréés.
Rangez la machine dans un endroit propre et sec, comme un garage ou une remise. Retirez la clé du commutateur d'allumage et rangez-la hors de la portée des enfants ou des personnes non autorisées. Couvrez la machine pour la protéger et la garder propre.
Rechargez la batterie au maximum.
Laissez la batterie reposer pendant 24 heures puis vérifiez la tension de la batterie.
Note: Si la tension est inférieure à 12,6 V, répétez les opérations 1 et 2.
Débranchez les câbles de la batterie.
Vérifiez régulièrement que la tension est bien égale ou supérieure à 12,4 V.
Note: Si la tension est inférieure à 12,4 V, répétez les opérations 1 et 2.
Si vous rangez la batterie hors de la machine, procédez comme suit :
Rangez la batterie dans un endroit frais et sec, en position verticale.
N'empilez pas les batteries directement les unes sur les autres, sauf si elles sont dans des cartons.
N'empilez pas plus de 3 batteries (seulement 2 s'il s'agit de batteries de type commercial).
Testez les batteries à liquide tous les 4 à 6 mois et chargez-les au besoin.
Testez et chargez toujours la batterie avant de l'installer.
| Problem | Possible Cause | Corrective Action |
|---|---|---|
| Le réservoir de carburant semble s'affaisser ou la machine semble tomber en panne de carburant fréquemment. |
|
|
| Le moteur surchauffe. |
|
|
| Le démarreur ne fonctionne pas. |
|
|
| Le moteur ne démarre pas, démarre difficilement ou cale. |
|
|
| Le moteur perd de la puissance. |
|
|
| La machine ne se déplace pas. |
|
|
| La machine vibre de manière anormale. |
|
|
| La hauteur de coupe est inégale. |
|
|
| Les lames ne tournent pas. |
|
|
