| Intervalo de mantenimiento y servicio | Procedimiento de mantenimiento |
|---|---|
| Cada vez que se utilice o diariamente |
|
Este cortacésped de asiento de cuchillas rotativas está diseñado para ser usado por usuarios particulares en aplicaciones residenciales. Está diseñado principalmente para segar césped bien mantenido. El uso de este producto para otros propósitos que los previstos podría ser peligroso para usted y para otras personas.
Lea este manual detenidamente para aprender a utilizar y mantener correctamente su producto, y para evitar lesiones y daños al producto. Usted es responsable de utilizar el producto de forma correcta y segura.
Visite www.Toro.com para buscar materiales de formación y seguridad o información sobre accesorios, para localizar un distribuidor o para registrar su producto.
Cuando necesite asistencia técnica, piezas genuinas Toro o información adicional, póngase en contacto con un Servicio Técnico Autorizado o con Asistencia al Cliente de Toro, y tenga a mano los números de modelo y serie de su producto. Figura 1 identifica la ubicación de los números de modelo y serie en el producto. Escriba los números en el espacio provisto.
Important: Con su dispositivo móvil, puede escanear el código QR de la calcomanía del número de serie (en su caso) para acceder a información sobre la garantía, las piezas, y otra información sobre el producto.

Anote a continuación los números de modelo y de serie de su producto:
Este manual utiliza 2 palabras más para resaltar información. Importante llama la atención sobre información mecánica especial, y Nota resalta información general que merece una atención especial.
El símbolo de advertencia de seguridad (Figura 2) aparece tanto en este manual como en la máquina para identificar mensajes de seguridad importantes que debe observar con el fin de evitar accidentes. Este símbolo aparecerá junto a la palabra Peligro, Advertencia o Precaución.
Peligro indica una situación peligrosa inminente que, si no se evita, provocará la muerte o lesiones graves.
Advertencia indica una situación potencialmente peligrosa que, si no se evita, podría producir la muerte o lesiones graves.
Precaución indica una situación potencialmente peligrosa que, si no se evita, puede producir lesiones menores o moderadas.

Este producto cumple todas las directivas europeas aplicables; si desea más detalles, consulte la Declaración de Conformidad (Declaration of Conformity – DOC) de cada producto.
Par bruto o neto: El par bruto o neto de este motor lo calculó el fabricante del motor con arreglo a lo estipulado en el documento J1940 o J2723 de la Society of Automotive Engineers (Sociedad de Ingenieros del Automóvil – SAE). Debido a que el motor está configurado para cumplir los requisitos de seguridad, emisiones y operación, su potencia real en este tipo de segadora será significativamente menor. Consulte la información del fabricante del motor incluida con la máquina.
El Manual del propietario del motor adjunto ofrece información sobre las normas de la U.S. Environmental Protection Agency (EPA) y de la California Emission Control Regulation sobre sistemas de emisiones, mantenimiento y garantía. Puede solicitarse un manual nuevo al fabricante del motor.
Este producto es capaz de amputar manos y pies y de lanzar objetos al aire. Siga siempre todas las instrucciones de seguridad con el fin de evitar lesiones personales graves o la muerte.
Lea y comprenda el contenido de este Manual del operador antes de arrancar el motor.
Mantenga alejadas a otras personas y a los niños.
No deje que la máquina la utilicen o mantengan niños o personas que no hayan recibido la formación adecuada al respecto. Solo permita que utilicen la máquina personas que sean responsables, que cuenten con la formación adecuada, que estén familiarizadas con las instrucciones y tengan capacidad física para usarla o repararla.
No utilice la máquina cerca de terraplenes, fosas, taludes, agua, u otros peligros, o en pendientes de más de 15 grados.
No coloque las manos o los pies cerca de componentes en movimiento de la máquina.
No utilice la máquina, a menos que tenga instalados y estén en funcionamiento todos los protectores, los interruptores de seguridad y otros dispositivos de seguridad.
Apague el motor, retire la llave y espere a que se detengan todas las piezas en movimiento antes de abandonar el puesto del operador. Deje que la máquina se enfríe antes de realizar tareas de mantenimiento, ajustes, repostajes y antes de limpiarla o de guardarla.

![]() |
Las calcomanías e instrucciones de seguridad están a la vista del operador y están ubicadas cerca de cualquier zona de peligro potencial. Sustituya cualquier calcomanía que esté dañada o que falte. |


La pegatina 99-3943 es únicamente para los modelos con carcasas de 127 cm.

La pegatina 105-7015 es únicamente para los modelos con carcasas de 107 cm.

La pegatina 112-9840 es únicamente para los modelos con carcasas de 127 cm.




La pegatina 138-6074 está moldeada en el depósito de combustible.


La pegatina 139-2391 es para modelos sin horímetro.








Familiarícese con todos los controles antes de poner en marcha el motor y trabajar con la máquina.

El interruptor de encendido, que se utiliza para arrancar y apagar el motor, tiene tres posiciones: DESCONECTADO, MARCHA y ARRANQUE (Figura 5).
El acelerador controla la velocidad del motor y tiene un ajuste variable continuo de LENTO a RáPIDO (Figura 5).
Utilice el control del estárter para poner en marcha un motor frío (Figura 5).
El mando de control de las cuchillas, representado por un símbolo de toma de fuerza (TDF), engrana y desengrana la transmisión de potencia a las cuchillas del cortacésped (Figura 5).
Utilice las palancas de control de movimiento para conducir la máquina hacia adelante y hacia atrás y para girar en ambos sentidos (Figura 4).
Mueva las palancas de control de movimiento hacia fuera desde la posición central a la posición de APARCADO para accionar el freno de estacionamiento al detenerse o al bajarse de la máquina.
Utilice la palanca de ajuste MyRide® para ajustar la suspensión del asiento (Figura 4).
La palanca del sistema de control Smart Speed™, situada debajo del puesto del operador, le permite conducir la máquina en 3 intervalos de velocidad: Perfilar, Remolcar y Segar (Figura 27).
Puede utilizar la mirilla de combustible, situada en el lado izquierdo de la máquina, para verificar la presencia de combustible en el depósito (Figura 6).

La palanca de altura de corte se utiliza para bajar y elevar la carcasa desde su asiento. Cuando levanta la palanca (hacia usted), la carcasa se eleva del suelo, y cuando la baja (alejándola), la carcasa baja al suelo. Ajuste la altura de corte solamente cuando la máquina esté detenida (Figura 28).
El sistema de pedal de elevación de la carcasa le permite elevar y bajar la carcasa desde el asiento. Puede utilizar el pedal para elevar la carcasa brevemente y evitar obstáculos y para ajustar la altura de corte (Figura 4)
Las especificaciones y diseños están sujetos a modificación sin previo aviso.
| Carcasa de corte de 107 cm | Carcasa de corte de 127 cm | |
| Anchura de corte | 107 cm | 127 cm |
| Ancho con el deflector bajado | 135 cm | 155 cm |
| Anchura con el deflector elevado | 123 cm | 130 cm |
| Longitud | 185 cm | 186 cm |
| Altura | 112 cm | 109 cm |
| Peso | 332 kg | 353 kg |
Está disponible una selección de aperos y accesorios homologados por Toro que se pueden utilizar con la máquina a fin de potenciar y aumentar sus prestaciones. Póngase en contacto con su servicio técnico autorizado o con su distribuidor Toro autorizado, o bien visite www.Toro.com para obtener una lista de todos los aperos y accesorios homologados.
Para asegurar un rendimiento óptimo y mantener la certificación de seguridad de la máquina, utilice solamente piezas y accesorios genuinos Toro. Las piezas de repuesto y accesorios de otros fabricantes podrían ser peligrosos, y su uso podría invalidar la garantía del producto.
Note: Los lados derecho e izquierdo de la máquina se determinan desde la posición normal del operador.
No deje que la máquina la utilicen o mantengan niños o personas que no hayan recibido la formación adecuada al respecto. La normativa local puede imponer límites sobre la edad del operador. El propietario es responsable de proporcionar formación a todos los operadores y mecánicos.
Inspeccione la zona en la que va a utilizar la máquina y retire cualquier objeto que pudiera interferir con el funcionamiento de la máquina o que esta pudiera arrojar.
Familiarícese con la operación segura del equipo, los controles del operador y las señales de seguridad.
Compruebe que los controles de presencia del operador, los interruptores de seguridad y los protectores están colocados y que funcionan correctamente. No utilice la máquina si no funcionan correctamente.
Apague el motor, retire la llave y espere a que se detengan todas las piezas en movimiento antes de abandonar el puesto del operador. Deje que la máquina se enfríe antes de realizar tareas de mantenimiento, ajustes, repostajes y antes de limpiarla o de guardarla.
Antes de segar, inspeccione siempre la máquina para asegurarse de que los conjuntos de corte funcionan correctamente.
Evalúe el terreno para determinar el equipo y los aperos o accesorios necesarios para utilizar la máquina debidamente y con seguridad.
Lleve ropa adecuada, incluida protección ocular, pantalones largos, calzado resistente y antideslizante y protección auricular. Si tiene el pelo largo, recójaselo, y no lleve prendas o joyas sueltas.
No lleve pasajeros en la máquina.
Mantenga alejadas a otras personas y a los animales domésticos de la máquina durante su funcionamiento. Apague la máquina y los accesorios si alguien entra en la zona.
No utilice la máquina, a menos que estén colocados y funcionen correctamente todos los protectores y dispositivos de seguridad, como los deflectores y todo el recogedor. Sustituya las piezas desgastadas o deterioradas cuando sea necesario.
El combustible es extremadamente inflamable y altamente explosivo. Un incendio o una explosión provocados por el combustible puede causarle quemaduras a usted y a otras personas así como daños materiales.
Para evitar que una carga estática incendie el combustible, retire la máquina del camión o del remolque y repóstela en el suelo, alejada de todos los vehículos. Si no es posible, coloque un recipiente portátil de combustible en el suelo, alejado de todos los vehículos y llénelo; a continuación, reposte la máquina con el recipiente en lugar de un surtidor de combustible.
Llene el depósito de combustible en el exterior sobre terreno llano, en una zona abierta y con el motor frío. Limpie cualquier combustible derramado.
No maneje combustible si está fumando, ni cerca de una llama desnuda o chispas.
No retire el tapón de combustible ni añada combustible al depósito mientras el motor está en marcha o está caliente.
Si derrama combustible, no intente arrancar el motor. Evite crear una fuente de ignición hasta que se hayan disipado los vapores del combustible.
Almacene el combustible en un recipiente homologado y manténgalo fuera del alcance de los niños.
El combustible es dañino o mortal si es ingerido. La exposición a largo plazo a los vapores puede causar lesiones y enfermedades graves.
Evite la respiración prolongada de los vapores.
Mantenga las manos y el rostro alejados de la boquilla y de la apertura del depósito de combustible.
Mantenga alejado el combustible de los ojos y la piel.
No guarde la máquina o un recipiente de combustible en un lugar donde pudiera haber una llama desnuda, chispas o una llama piloto, por ejemplo en un calentador de agua u otro electrodoméstico.
No utilice la máquina a menos que esté instalado un sistema completo de escape en buenas condiciones de funcionamiento.
Mantenga la boquilla dosificadora de combustible en contacto con el borde del depósito de combustible o el orificio del recipiente en todo momento hasta que termine de repostar. No utilice dispositivos que mantengan abierta la boquilla.
Si se derrama combustible sobre su ropa, cámbiese de ropa inmediatamente.
No llene el depósito de combustible en exceso. Vuelva a colocar el tapón de combustible y apriételo firmemente.
Limpie la hierba y los residuos de la unidad de corte, el silenciador, las transmisiones, el recogedor y el compartimento del motor para prevenir incendios. Limpie cualquier aceite o combustible derramado.
| Tipo | Gasolina sin plomo |
| Octanaje mínimo | 87 (US) o 91 (RON; fuera de los Estados Unidos) |
| Etanol | No más del 10 % por volumen |
| Metanol | Cero |
| MTBE (éter metil tert-butílico) | Menos del 15 % por volumen |
| Aceite | No añadir al combustible |
Utilice solamente combustible limpio y fresco (no más de 30 días de antigüedad) de origen acreditado.
Utilice estabilizador/acondicionador en la máquina para mantener el combustible fresco durante más tiempo, siguiendo las indicaciones del fabricante del estabilizador de combustible.
Important: No utilice aditivos de combustible que contengan metanol o etanol.
Agregue la cantidad apropiada de estabilizador/acondicionador a combustible fresco, siguiendo las indicaciones del fabricante del estabilizador de combustible.
Aparque la máquina en una superficie nivelada.
Mueva las palancas de control de movimiento hacia fuera, a la posición de APARCAR.
Apague el motor y retire la llave.
Limpie alrededor del tapón del depósito de combustible.
Llene el depósito de combustible hasta la parte inferior del cuello de llenado (Figura 7). No llene completamente el depósito de combustible.

Antes de arrancar la máquina cada día, realice los procedimientos diarios indicados en .
Los motores nuevos necesitan tiempo para desarrollar toda su potencia. La fricción generada por las carcasas y los sistemas de propulsión de las segadoras es mayor cuando estos son nuevos, lo que supone una carga adicional para el motor. Las máquinas nuevas necesitan un periodo de rodaje de 40–50 horas para desarrollar la máxima potencia y el mejor rendimiento.
Si los interruptores de seguridad son desconectados o están dañados, la máquina podría ponerse en marcha inesperadamente, causando lesiones personales.
No manipule los interruptores de seguridad.
Compruebe la operación de los interruptores de seguridad cada día, y sustituya cualquier interruptor dañado antes de operar la máquina.
El sistema de interruptores de seguridad ha sido diseñado para impedir que el motor arranque, a menos que:
El mando de control de las cuchillas (TDF) está desengranado.
Las palancas de control de movimiento están en la posición de APARCAR.
El sistema de interruptores de seguridad también está diseñado para detener el motor si se mueven las palancas de control fuera de la posición de APARCAR y usted se levanta del asiento.
| Intervalo de mantenimiento y servicio | Procedimiento de mantenimiento |
|---|---|
| Cada vez que se utilice o diariamente |
|
Compruebe el sistema de interruptores de seguridad cada vez que vaya a trabajar con la máquina. Si el sistema no funciona de la forma que se describe a continuación, póngase en contacto con un Servicio Técnico Autorizado para que lo reparen inmediatamente.
Siéntese en el asiento, mueva las palancas de control de movimiento a la posición de APARCAR, y mueva el mando de control de las cuchillas a ENGRANADO. Intente arrancar el motor; el motor no debe arrancar.
Siéntese en el asiento y ponga el mando de control de las cuchillas en DESENGRANADO. Mueva cualquiera de las palancas de control de movimiento a la posición central desbloqueada. Intente arrancar el motor; el motor no debe arrancar. Repita con la otra palanca de control de movimiento.
Siéntese en el asiento, mueva el mando de control de las cuchillas a la posición de DESENGRANADO y bloquee las palancas de control de movimiento en la posición de APARCAR. Arranque el motor. Con el motor en marcha, engrane el mando de control de las cuchillas y levántese un poco del asiento; el motor debe pararse.
Siéntese en el asiento, mueva el mando de control de las cuchillas a la posición de DESENGRANADO y bloquee las palancas de control de movimiento en la posición de APARCAR. Arranque el motor. Con el motor en marcha, mueva las palancas de control de movimiento a la posición central, desbloqueadas y levántese un poco del asiento; el motor debe pararse.
El asiento puede moverse hacia delante y hacia atrás. Coloque el asiento en la posición que le permita controlar mejor la máquina y en la que esté más cómodo (Figura 8).

Puede ajustar el sistema de suspensión MyRide® para disfrutar de una conducción suave y cómoda. Las ranuras para ajustar la suspensión tienen muescas de posicionamiento para su referencia, que van desde una conducción suave a una firme (Figura 9).
Aparque la máquina en una superficie nivelada, desengrane el mando de control de las cuchillas y ponga las palancas de control de movimiento hacia fuera en la posición de APARCAR.
Apague el motor, retire la llave y espere a que se detengan todas las piezas en movimiento antes de abandonar el puesto del operador.
Bájese de la máquina.
Mientras permanece en el lado derecho de la máquina, mueva la palanca de ajuste a la izquierda, hacia el símbolo –, para obtener una suspensión más suave.
Mueva la palanca de ajuste a la derecha, hacia el símbolo +, para obtener una suspensión más firme.

Puede ajustar las palancas de control de movimiento hacia arriba o hacia abajo para que su uso sea más cómodo (Figura 10).

Puede ajustar las palancas de control de movimiento hacia delante o hacia atrás para que su uso sea más cómodo.
Retire el perno superior que sujeta la palanca de control al brazo de la palanca.
Afloje el perno inferior lo suficiente para poder desplazar hacia adelante o hacia atrás la palanca de control.

Apriete ambos pernos para fijar la palanca de control en la posición nueva.
Repita el ajuste con la otra palanca de control.
La carcasa de corte y las cuchillas suministradas con la máquina se han diseñado para optimizar el rendimiento en los modos de mulching y de descarga lateral.
Instale las fijaciones de la bolsa de piezas sueltas en los orificios vacíos tras retirar los deflectores de reciclado. Esto asegura que no quedan orificios sin tapar al utilizar la carcasa de corte.
Los huecos u orificios abiertos en la máquina le exponen a usted y a otras personas a residuos arrojados, que pueden causar lesiones graves.
No haga funcionar nunca la máquina sin que todos los taladros de la carcasa de la máquina estén tapados con fijaciones.
Instale los herrajes en los orificios de montaje al retirar el deflector de mulching.
Aparque la máquina en una superficie nivelada, desengrane el mando de control de las cuchillas y ponga las palancas de control de movimiento hacia fuera en la posición de APARCAR.
Apague el motor, retire la llave y espere a que se detengan todas las piezas en movimiento antes de abandonar el puesto del operador.
Retire la carcasa de corte; consulte Retirada de la carcasa de corte.
Retire las 2 contratuercas (5/16") de los espárragos soldados del deflector.

Retire los 2 pernos de cuello cuadrado y las 2 contratuercas que fijan el deflector a la carcasa, y retire el deflector.
Utilice 2 pernos de la bolsa de piezas sueltas y 2 contratuercas existentes para tapar los orificios usados para los espárragos soldados, a fin de evitar que se arrojen residuos al aire.
Note: Instale las fijaciones de manera que las tuercas estén encima de la carcasa.
Utilice un perno de la bolsa de piezas sueltas y utilice una contratuerca existente para tapar el orificio de la parte delantera de la carcasa de corte.
Note: Instale las fijaciones con la tuerca en el exterior de la carcasa.
Instale la carcasa de corte; consulte Instalación de la carcasa de corte.
Aparque la máquina en una superficie nivelada, desengrane el mando de control de las cuchillas y ponga las palancas de control de movimiento hacia fuera en la posición de APARCAR.
Apague el motor, retire la llave y espere a que se detengan todas las piezas en movimiento antes de abandonar el puesto del operador.
Retire la carcasa de corte; consulte Retirada de la carcasa de corte.
Retire las 3 contratuercas (5/16") de los espárragos soldados del deflector derecho.

Retire el perno de cuello cuadrado y la contratuerca que fijan el deflector derecho a la carcasa, y retire el deflector.
Utilice el perno de cuello cuadrado y la contratuerca que se retiraron en el paso 5 para tapar el orificio del lado derecho de la carcasa de corte y evitar que se arrojen residuos al aire.
Note: Instale las fijaciones con la tuerca en el exterior de la carcasa.
Utilice 3 pernos de la bolsa de piezas sueltas y 3 contratuercas existentes para tapar los orificios usados para los espárragos soldados.
Note: Instale las fijaciones de manera que las tuercas estén encima de la carcasa.
Retire las 2 contratuercas (5/16") de los espárragos soldados del deflector izquierdo.

Retire el perno de cuello cuadrado y la contratuerca que fijan el deflector izquierdo a la carcasa, y retire el deflector.
Utilice el perno de cuello cuadrado y la contratuerca que se retiraron en el paso 9 para tapar el orificio del lado derecho de la carcasa de corte y evitar que se arrojen residuos al aire.
Note: Instale las fijaciones con la tuerca en el exterior de la carcasa.
Utilice 2 pernos de la bolsa de piezas sueltas y 2 contratuercas existentes para tapar los orificios usados para los espárragos soldados.
Note: Instale las fijaciones de manera que las tuercas estén encima de la carcasa.
Retire la tuerca de la varilla del deflector de hierba debajo de la carcasa de corte.

Utilice la tuerca para instalar la placa deflectora en la varilla del deflector de hierba, utilizando el orificio exterior del deflector.
Instale la carcasa de corte; consulte Instalación de la carcasa de corte.
El propietario/operador puede prevenir y es responsable de cualquier accidente que pudiera provocar lesiones personales o daños materiales.
Preste toda su atención al utilizar la máquina. No realice ninguna actividad que genere distracciones, de lo contrario pueden producirse lesiones o daños en la propiedad.
No utilice la máquina si está enfermo, cansado o bajo la influencia de alcohol o drogas.
El contacto con la cuchilla puede causar lesiones graves personales. Apague el motor, retire la llave y espere a que se detengan todas las piezas en movimiento antes de abandonar el puesto del operador. Al girar la llave a la posición de DESCONECTADO, el motor debe apagarse y la cuchilla debe pararse. Si no lo hacen, deje de usar la máquina inmediatamente y póngase en contacto con un Servicio Técnico Autorizado.
Utilice la máquina únicamente si existen condiciones meteorológicas y de visibilidad adecuadas. No utilice la máquina cuando exista riesgo de caída de rayos.
Mantenga las manos y los pies alejados de las unidades de corte. Manténgase alejado de la apertura de descarga.
No siegue con el deflector de descarga elevado, retirado o modificado, a menos que tenga colocado y en buenas condiciones de funcionamiento un sistema de recogida de hierba o un kit de mulching.
No corte el césped en marcha atrás a menos que sea absolutamente necesario. Mire siempre hacia abajo y hacia atrás antes de mover la máquina en marcha atrás.
Extreme la precaución al acercarse a esquinas ciegas, arbustos, árboles u otros objetos que puedan dificultar la visión.
Pare las cuchillas si no está segando.
Si la máquina golpea un objeto o empieza a vibrar, apague inmediatamente el motor, retire la llave (si dispone de ella) y espere a que se detengan todas las piezas en movimiento antes de inspeccionar la máquina en busca de daños. Realice todas las reparaciones necesarias antes de volver a utilizar la máquina.
Vaya más despacio y tenga cuidado al girar y al cruzar calles y aceras con la máquina. Ceda el paso siempre.
Antes de abandonar la posición del operador, haga lo siguiente:
Aparque la máquina en una superficie nivelada.
Desengrane la toma de fuerza y baje los accesorios.
Accione el freno de estacionamiento.
Apague el motor y retire la llave.
Espere a que se detengan todas las piezas en movimiento.
Accione el motor únicamente en áreas bien ventiladas. Los gases de escape contienen monóxido de carbono, que resulta letal si se inhala.
No deje nunca desatendida la máquina si está funcionando.
Conecte el equipo remolcado a la máquina únicamente en el punto de enganche.
No utilice la máquina, a menos que estén colocados y funcionen correctamente todos los protectores y dispositivos de seguridad, como los deflectores y todo el recogedor. Sustituya las piezas desgastadas o deterioradas cuando sea necesario.
Utilice solamente accesorios y accesorios homologados por Toro.
Esta máquina produce niveles sonoros que superan los 85 dBA en el oído del operador, que pueden causar pérdidas auditivas en caso de periodos extendidos de exposición.

Limpie la hierba y los residuos de la unidad de corte, las transmisiones, los silenciadores y el motor para prevenir incendios.
Arranque el motor con los pies alejados de las cuchillas.
Esté atento a la ruta de descarga de la segadora y mantenga la descarga alejada de otras personas. Evite la descarga de material contra una pared u obstrucción, ya que el material podría rebotar hacia usted.
Pare las cuchillas, reduzca la velocidad y tenga cuidado al cruzar superficies que no sean de hierba y al transportar la máquina hacia y desde la zona de trabajo.
No cambie la velocidad del regulador del motor ni haga funcionar el motor a una velocidad excesiva.
A menudo los niños se sienten atraídos por la máquina y la actividad de segar. No suponga nunca que los niños van a permanecer en el último lugar en que los vio.
Mantenga a los niños alejados de la zona de trabajo y bajo la atenta mirada de un adulto responsable que no sea el operador.
Manténgase alerta y apague la máquina si acceden niños a la zona de trabajo.
Antes de dar marcha atrás o de girar la máquina, mire hacia abajo y alrededor por si hay niños pequeños.
No transporte a niños en la máquina, aunque las cuchillas no se estén moviendo. Los niños pueden caerse y sufrir lesiones graves o interferir con el funcionamiento seguro de la máquina. Los niños que hayan subido anteriormente a la máquina pueden aparecer de repente en el área de trabajo sin previo aviso para volver a subirse y podrían ser atropellados por la máquina.
Las pendientes son una de las principales causas de accidentes por pérdida de control y vuelcos, que pueden causar lesiones graves o la muerte. El operador es responsable de la seguridad cuando trabaja en pendientes. La conducción de la máquina en pendientes requiere extremar la precaución. Antes de usar la máquina en una pendiente, haga lo siguiente:
Lea y comprenda las instrucciones sobre pendientes del manual y las que están colocadas en la máquina.
Utilice un indicador de ángulo para determinar la inclinación aproximada de la zona.
No utilice la máquina nunca en pendientes de más de 15 grados.
Evalúe las condiciones del lugar de trabajo para determinar si es seguro trabajar en la pendiente con la máquina. Utilice el sentido común y el buen juicio al realizar este evaluación. Cualquier cambio que se produzca en el terreno, como por ejemplo un cambio de humedad, puede afectar rápidamente al uso de la máquina en una pendiente.
Identifique cualquier obstáculo situado en la base de la pendiente. No utilice la máquina cerca de terraplenes, fosas, taludes, agua, u otros peligros. La máquina podría volcar repentinamente si una rueda pasa por el borde de un terraplén o fosa, o si se socava un talud. Mantenga una distancia prudente (el doble de la anchura de la máquina) entre la máquina y cualquier peligro. Utilice una máquina manual o una desbrozadora manual para segar la hierba en estas zonas.
Evite arrancar, parar o girar la máquina en cuestas o pendientes. Evite hacer cambios bruscos de velocidad o de dirección; gire poco a poco, y a baja velocidad.
No utilice la máquina en condiciones que puedan comprometer la tracción, la dirección o la estabilidad de la máquina. Tenga en cuenta que conducir en hierba mojada, atravesar pendientes empinadas, o bajar cuestas puede hacer que la máquina pierda tracción. La transferencia de peso a las ruedas delanteras puede hacer que patinen las ruedas, con pérdida de frenado y de control de dirección. La máquina puede deslizarse incluso con las ruedas motrices inmovilizadas.
Retire o señale cualquier obstáculo, como zanjas, baches, surcos, montículos, rocas u otros peligros ocultos. La hierba alta puede ocultar obstáculos. Un terreno irregular podría hacer volcar la máquina.
Extreme las precauciones al trabajar con accesorios o aperos, como por ejemplo sistemas de recogida de hierba. Estos pueden cambiar la estabilidad de la máquina y causar pérdidas de control. Siga las instrucciones sobre los contrapesos.
Si es posible, mantenga la carcasa bajada al suelo mientras trabaje en pendientes. La elevación de la carcasa mientras se trabaja en pendientes puede hacer que la máquina pierda estabilidad.

Enganche el equipo a remolcar únicamente en el punto de enganche.
No utilice la máquina como vehículo de remolque a menos que tenga un enganche instalado.
No supere los límites de peso de los equipos remolcados ni al remolcar en pendientes. El peso remolcado no debe superar el peso de la máquina y del operador.
No deje que se acerquen niños u otras personas al equipo remolcado.
En las pendientes, el peso del equipo remolcado puede causar una pérdida de tracción, aumentar el riesgo de vuelco o provocar una pérdida de control. Reduzca el peso remolcado y vaya más despacio.
La distancia de parada puede aumentar con el peso de una carga remolcada. Conduzca lentamente y deje una distancia de parada mayor.
Haga giros abiertos para evitar que el implemento choque contra la máquina.
El mando de control de las cuchillas (TDF) arranca y detiene las cuchillas de corte y cualquier accesorio conectado.

Puede mover el control del acelerador entre las posiciones de RáPIDO y LENTO (Figura 21).
Utilice siempre la posición de RáPIDO para engranar la TDF.

Utilice el estárter para poner en marcha el motor en frío.
Tire hacia arriba del mando para engranar el estárter antes de usar el interruptor de encendido (Figura 22).
Note: Asegúrese de activar correctamente el estárter. Puede ser necesario sujetar el mando hacia arriba mientras acciona el interruptor de encendido.
Presione hacia abajo el mando del estárter para desactivar el estárter después de que el motor arranque (Figura 22).

Note: Si el motor está caliente, puede no ser necesario usar el estárter.
Important: No active el motor de arranque durante más de 5 segundos cada vez. Si se acciona el motor de arranque durante más de 5 segundos seguidos, puede dañarse. Si el motor no arranca, espere 15 segundos antes de utilizar el motor de arranque de nuevo.

Desengrane las cuchillas moviendo el mando de control de las cuchillas a la posición de DESENGRANADO.
Mueva las palancas de control de movimiento hacia fuera, a la posición de APARCAR.
Mueva el control del acelerador entre la posición de velocidad media y máxima.
Gire la llave a la posición de DESCONECTADO y retire la llave.
Los niños u otras personas podrían resultar lesionados si mueven o intentan operar la máquina mientras está desatendida.
Retire siempre la llave y ponga el freno de estacionamiento cuando deje la máquina sin supervisión.

Las ruedas motrices giran de manera independiente, impulsadas por motores hidráulicos en cada eje. Puede girar un lado de la máquina hacia atrás y al mismo tiempo girar el otro lado hacia adelante, haciendo que la máquina rote sobre su eje en lugar de trazar una curva. Esto mejora mucho la maniobrabilidad de la máquina, pero puede ser necesario un periodo de adaptación si no está familiarizado con este sistema.
El control del acelerador regula la velocidad del motor en rpm (revoluciones por minuto). Ponga el acelerador en posición RáPIDO para conseguir el mejor rendimiento. Siegue siempre con el acelerador en posición rápido.
La máquina puede girar muy rápidamente. Puede perder el control de la máquina y causar lesiones personales o daños a la máquina.
Extreme las precauciones al girar.
Reduzca la velocidad de la máquina antes de hacer giros cerrados.
Note: Extreme siempre la precaución al girar.
Mueva las palancas a la posición central desbloqueada.
Para ir hacia adelante, empuje lentamente las palancas de control de movimiento hacia adelante (Figura 25).

Note: Extreme siempre las precauciones en marcha atrás y en los giros.
Mueva las palancas a la posición central desbloqueada.
Para ir hacia atrás, tire lentamente de las palancas de control de movimiento hacia atrás (Figura 26).

La palanca del sistema de control Smart SpeedTM, situada debajo del puesto del operador (Figura 27), permite al operador conducir la máquina en 3 intervalos de velocidad – Perfilar, Remolcar y Segar.

Para cambiar de velocidad:
Ponga las palancas de control de movimiento en punto muerto y luego muévalas hacia afuera a la posición de APARCAR.
Desactive el mando de control de las cuchillas.
Ajuste la palanca a la posición deseada.
A continuación se ofrecen unas simples recomendaciones de uso. Los ajustes varían según el tipo de hierba, el contenido de humedad y la altura de la hierba.
| Sugerencias de uso: | Moldura | Remolcar | Siega |
| Estacionamiento | X | ||
| Césped húmedo y pesado | X | ||
| Formación | X | ||
| Recorte de hierba | X | ||
| Ensacado | X | ||
| Mulching | X | ||
| Remolque de accesorios | X | ||
| Siega normal | X | ||
| Cómo desplazar la máquina | X |
Moldura
Ésta es la velocidad más baja. Los usos recomendados para esta velocidad son:
Estacionamiento
Siega de césped húmedo y pesado
Formación
Recorte de hierba
Remolcar
Ésta es la velocidad intermedia. Los usos recomendados para esta velocidad son:
Ensacado
Mulching
Remolque de accesorios
Siega
Ésta es la velocidad más alta. Los usos recomendados para esta velocidad son:
Siega normal
Cómo desplazar la máquina
La segadora cuenta con un deflector de hierba abisagrado que dispersa los recortes de hierba a un lado y hacia abajo, hacia el césped.
Si la máquina no tiene correctamente montado un deflector de hierba, una tapa de descarga o un recogedor completo, usted y otras personas están expuestos a contacto con las cuchillas y a residuos lanzados al aire. El contacto con las cuchillas de corte en rotación o con los residuos lanzados al aire causará lesiones o la muerte.
No retire nunca el deflector de hierba de la carcasa de corte porque el deflector de hierba dirige el material hacia abajo, al césped. Si el deflector de hierba sufre daños, sustitúyalo inmediatamente.
No coloque nunca las manos o los pies debajo de la carcasa de corte.
No intente nunca despejar la zona de descarga o las cuchillas de corte sin antes mover el mando de control de las cuchillas (TDF) a la posición de DESENGRANADO, girar la llave de contacto a DESCONECTADO y retirar la llave del interruptor de encendido.
Compruebe que el deflector de hierba está bajado.
Cada vez que se cambia la altura de corte, debe ajustarse también la altura de los rodillos protectores del césped.
Note: Ajuste los rodillos protectores del césped para que los rodillos no toquen el suelo en zonas de siega llanas y normales.
Aparque la máquina en una superficie nivelada, desengrane el mando de control de las cuchillas y ponga las palancas de control de movimiento hacia fuera en la posición de APARCAR.
Apague el motor, retire la llave y espere a que se detengan todas las piezas en movimiento antes de abandonar el puesto del operador.
Ajuste los rodillos protectores del césped a una de las posiciones siguientes:
Orificio superior – utilice esta posición cuando la carcasa de corte está en la posición de altura de corte de 63 mm o menos (Figura 29).
Orificio inferior – utilice esta posición cuando la carcasa de corte está en la posición de altura de corte de 76 mm o más (Figura 29).

Cada vez que se cambia la altura de corte, debe ajustarse también la altura de los rodillos protectores del césped.
Note: Ajuste los rodillos protectores del césped para que los rodillos no toquen el suelo en zonas de siega llanas y normales.
Aparque la máquina en una superficie nivelada, desengrane el mando de control de las cuchillas y ponga las palancas de control de movimiento hacia fuera en la posición de APARCAR.
Apague el motor, retire la llave y espere a que se detengan todas las piezas en movimiento antes de abandonar el puesto del operador.
Ajuste los rodillos protectores del césped (Figura 30) a la posición de altura de corte más próxima.

Para aumentar al máximo la calidad de corte y la circulación de aire, haga funcionar el motor en posición RáPIDO. Se requiere aire para cortar bien la hierba, así que no ponga la altura de corte tan baja como para rodear totalmente la carcasa de hierba sin cortar. Trate siempre de tener un lado de la carcasa de corte libre de hierba sin cortar, para permitir la entrada de aire en la carcasa.
Corte la hierba algo más larga de lo habitual para asegurar que la altura de corte de la carcasa de corte no deje “calvas” en terrenos desiguales. Sin embargo, la altura de corte utilizada habitualmente suele ser la mejor. Si la hierba tiene más de 15 cm de alto, es preferible cortar el césped dos veces para asegurar una calidad de corte aceptable.
Es mejor cortar solamente un tercio aproximadamente de la hoja de hierba. No se recomienda cortar más, a menos que la hierba sea escasa o al final del otoño, cuando la hierba crece más despacio.
Alterne la dirección de corte para mantener la hierba erguida. De esta forma también se ayuda a dispersar mejor los recortes sobre el césped y se conseguirá una mejor descomposición y fertilización.
La hierba crece a velocidades distintas según la estación del año. Para mantener la misma altura de corte, siegue con más frecuencia a principios de la primavera. A medida que avanza el verano, la velocidad de crecimiento de la hierba decrece, por ello debe cortarse con menor frecuencia. Si no puede segar durante un período de tiempo prolongado, siegue primero con una altura de corte alta y, después de dos días, vuelva a segar con un ajuste más bajo.
En algunas condiciones, el segado a una velocidad inferior sobre el terreno puede mejorar la calidad del corte.
Al segar césped irregular, eleve la altura de corte, para evitar dañar el césped
Si es necesario detener el avance de la máquina mientras se corta el césped, es posible que caiga un montón de recortes sobre el césped. Para evitar esto, diríjase con las cuchillas engranadas a una zona del césped que ya haya sido segada, o desengrane la carcasa de corte al desplazarse hacia adelante.
Limpie los recortes y la tierra de los bajos de la carcasa de corte después de cada uso. Si se acumulan hierba y tierra en el interior de la carcasa de corte, se deteriorará la calidad del corte.
Mantenga las cuchillas afiladas durante toda la temporada de corte, ya que una cuchilla afilada corta limpiamente y sin rasgar o deshilachar las hojas de hierba. Si se rasgan o se deshilachan, los filos de las hojas se secarán, lo cual retardará su crecimiento y favorecerá la aparición de enfermedades. Compruebe después de cada uso que las cuchillas están bien afiladas y que no están desgastadas o dañadas. Elimine cualquier mella con una lima, y afile las cuchillas si es necesario. Si una cuchilla está desgastada o deteriorada, sustitúyala inmediatamente por una cuchilla nueva genuina Toro. Consulte Mantenimiento de las cuchillas de la segadora.
Apague el motor, retire la llave y espere a que se detengan todas las piezas en movimiento antes de abandonar el puesto del operador. Deje que la máquina se enfríe antes de realizar tareas de mantenimiento, ajustes, repostajes y antes de limpiarla o de guardarla.
Limpie la hierba y los residuos de la unidad de corte, el silenciador, las transmisiones, el recogedor y el compartimento del motor para prevenir incendios. Limpie cualquier aceite o combustible derramado.
Retire la llave antes de almacenar o transportar la máquina.
| Intervalo de mantenimiento y servicio | Procedimiento de mantenimiento |
|---|---|
| Después de cada uso |
|
Important: La máquina puede lavarse con un detergente suave y agua. No lave la máquina a presión. Evite el uso excesivo de agua, especialmente cerca del panel de control, debajo del asiento, y alrededor del motor, de las bombas hidráulicas y de los motores eléctricos.
Aparque la máquina en una superficie nivelada, desengrane el mando de control de las cuchillas y ponga las palancas de control de movimiento hacia fuera en la posición de APARCAR.
Pare el motor y espere a que se detengan todas las piezas en movimiento antes de abandonar el puesto del operador.
Limpie la hierba y los residuos de la unidad de corte, el silenciador, las transmisiones, el recogedor y el motor. Utilice aire comprimido cuando sea posible.
Note: Consulte Cómo lavar la parte inferior de la carcasa de corte para obtener información sobre el uso del conector de lavado de la carcasa.
Aparque la máquina en una superficie nivelada, desengrane el mando de control de las cuchillas y ponga las palancas de control de movimiento hacia fuera en la posición de APARCAR.
Pare el motor y espere a que se detengan todas las piezas en movimiento antes de abandonar el puesto del operador.
Localice las palancas de desvío en el bastidor en cada lado del motor.
Mueva las dos palancas de desvío hacia delante a través del orificio ranurado y hacia abajo para bloquearlas en esa posición (Figura 31).
El contacto con superficies calientes puede causar lesiones personales.
Mantenga las manos, los pies, la cara, la ropa y otras partes del cuerpo alejados del motor, del silenciador y de otras superficies calientes.
La máquina podría moverse de forma no intencionada mientras las palancas de desvío están bloqueadas hacia delante en la ranura y causar lesiones a usted o a otras personas.
Bloquee las palancas de desvío hacia atrás tras mover la máquina.

Quite el freno de estacionamiento moviendo ambas palancas de control de movimiento hasta la posición central desbloqueada.
Note: No arranque la máquina.
Mueva la máquina cuanto sea necesario.
Important: Empuje siempre la máquina a mano. No remolque la máquina porque podría dañarla.
Mueva las palancas de control de movimiento hacia fuera, a la posición de APARCAR.
Mueva las dos palancas de desvío hacia atrás y hacia abajo a través del orificio ranurado para bloquearlas en su sitio.
Utilice un remolque para cargas pesadas o un camión para transportar la máquina. Utilice una rampa de ancho completo. Asegúrese de que el remolque o el camión está equipado con todos los frenos, luces y señalizaciones que requiera la ley. Por favor, lea cuidadosamente todas las instrucciones de seguridad. El conocer esta información puede ayudar a evitarle lesiones a usted o a otras personas. Consulte en la normativa local los requisitos aplicables al remolque y al sistema de amarre.
Conducir en una calle o carretera sin señales de giro, luces, marcas reflectantes o un indicador de vehículo lento es peligroso y puede ser causa de accidentes que pueden provocar lesiones personales.
No conduzca la máquina en una calle o carretera pública.
El cargar la máquina en un remolque o un camión aumenta la posibilidad de un vuelco y podría causar lesiones graves o la muerte (Figura 32).
Utilice únicamente una rampa de ancho completo; no utilice rampas individuales para cada lado de la máquina.
No supere un ángulo de 15 grados entre la rampa y el suelo, o entre la rampa y el remolque o camión.
Asegúrese de que la rampa tiene una longitud de al menos cuatro veces la altura de la plataforma del remolque o del camión sobre el suelo. De esta forma se asegura que el ángulo de la rampa no supere los 15 grados en terreno llano.

El cargar la máquina en un remolque o un camión aumenta la posibilidad de un vuelco y podría causar lesiones graves o la muerte.
Extreme las precauciones al manejar la máquina en una rampa.
Suba la máquina por la rampa en marcha atrás y bájela por la rampa conduciendo hacia delante.
Evite acelerar o desacelerar bruscamente al conducir la máquina en una rampa, porque esto podría provocar un vuelco o una pérdida de control.
Si utiliza un remolque, conéctelo al vehículo que lo arrastra y conecte las cadenas de seguridad.
En su caso, conecte los frenos y las luces del remolque.
Baje la rampa, asegurándose de que el ángulo entre la rampa y el suelo no supera los 15 grados (Figura 32).
Suba la máquina por la rampa en marcha atrás (Figura 33).

Apague el motor, retire la llave y mueva las palancas de control de movimiento hacia fuera, a la posición de APARCAR.
Amarre la máquina junto a las ruedas giratorias delanteras y el bastidor trasero con correas, cadenas, cables o cuerdas (Figura 34). Consulte la normativa local respecto a los requisitos de amarre.
Note: Dirija las correas hacia abajo y alejadas de la máquina.

Note: Los lados derecho e izquierdo de la máquina se determinan desde la posición normal del operador.
Si deja la llave en el interruptor, alguien podría arrancar el motor accidentalmente y causar lesiones graves a usted o a otras personas. Retire la llave del interruptor antes de realizar cualquier operación de mantenimiento.
Antes de dejar el puesto del operador, realice lo siguiente:
Aparque la máquina en una superficie nivelada.
Desengrane las transmisiones.
Accione el freno de estacionamiento.
Apague el motor y retire la llave.
Deje que los componentes de la máquina se enfríen antes de realizar el mantenimiento.
No permita que la máquina sea revisada o reparada por personal que no esté debidamente formado.
Mantenga las manos y los pies alejados de las piezas en movimiento o de las superficies calientes. Si es posible, no haga ajustes mientras el motor está funcionando.
Alivie con cuidado la tensión de aquellos componentes que tengan energía almacenada.
Compruebe frecuentemente el funcionamiento del freno de estacionamiento. Ajústelo y realice el mantenimiento del mismo cuando sea necesario.
No manipule nunca los dispositivos de seguridad. Compruebe regularmente que funcionan correctamente.
Limpie la hierba y los residuos de la unidad de corte, el silenciador, las transmisiones, el recogedor y el compartimento del motor para prevenir incendios.
Limpie cualquier derrame de aceite o combustible y elimine cualquier residuo empapado en combustible.
No dependa de un sistema hidráulico o de gatos mecánicos para soportar la máquina: sopórtela con caballetes siempre que eleve la máquina.
Mantenga todas las piezas en buenas condiciones de funcionamiento, y todos los herrajes bien apretados, sobre todo los herrajes de sujeción de las cuchillas. Sustituya cualquier pegatina desgastada o deteriorada.
Desconecte el cable del borne negativo de la batería antes de reparar la máquina.
Para garantizar un rendimiento óptimo, utilice únicamente piezas de repuesto y accesorios genuinos de Toro. Las piezas de repuesto y accesorios de otros fabricantes podrían ser peligrosos, y su uso podría invalidar la garantía del producto.
| Intervalo de mantenimiento y servicio | Procedimiento de mantenimiento |
|---|---|
| Después de las primeras 8 horas |
|
| Cada vez que se utilice o diariamente |
|
| Después de cada uso |
|
| Cada 25 horas |
|
| Cada 100 horas |
|
| Cada 100 horas o cada año, lo que ocurra primero |
|
| Cada 200 horas |
|
| Cada 300 horas |
|
| Antes del almacenamiento |
|
Important: Consulte los demás procedimientos de mantenimiento del manual del propietario del motor.
Si deja la llave en el interruptor, alguien podría arrancar el motor accidentalmente y causar lesiones graves a usted o a otras personas.
Apague el motor y retire la llave del interruptor antes de realizar cualquier tarea de mantenimiento.
Afloje los 2 pernos inferiores del faldón para acceder a la parte superior de la carcasa de corte (Figura 35).

Note: Apriete siempre los pernos para conectar el faldón tras el mantenimiento.
Utilice soportes fijos para apoyar la máquina elevada.
Apoyar la máquina en el protector inferior del silenciador (Figura 36) puede dañar el protector y hacer que la máquina caiga, causando lesiones a usted o a otras personas.
No utilice el protector inferior del silenciador para elevar o apoyar la máquina.

| Intervalo de mantenimiento y servicio | Procedimiento de mantenimiento |
|---|---|
| Cada 25 horas |
|
Tipo de grasa: Grasa de litio N.º 2
Aparque la máquina en una superficie nivelada, desengrane el mando de control de las cuchillas y ponga las palancas de control de movimiento hacia fuera en la posición de APARCAR.
Apague el motor, retire la llave y espere a que se detengan todas las piezas en movimiento antes de abandonar el puesto del operador.
Limpie con un trapo los puntos de engrase (Figura 37).
Note: Rasque cualquier pintura de la parte delantera de los engrasadores.

Conecte una pistola de engrasar a cada punto de engrase (Figura 37).
Bombee grasa hasta que empiece a rezumar grasa de los cojinetes.
Limpie cualquier exceso de grasa.
Mantenga las manos, los pies, la cara, otras partes del cuerpo y la ropa alejados del silenciador y de otras superficies calientes. Deje que los componentes del motor se enfríen antes de realizar el mantenimiento.
No cambie la velocidad del regulador del motor ni haga funcionar el motor a una velocidad excesiva.
| Intervalo de mantenimiento y servicio | Procedimiento de mantenimiento |
|---|---|
| Cada vez que se utilice o diariamente |
|
| Cada 300 horas |
|
Note: Haga el mantenimiento del limpiador de aire con mayor frecuencia (después de pocas horas) si el entorno de trabajo tiene mucho polvo o arena.
Aparque la máquina en una superficie nivelada, desengrane el mando de control de las cuchillas y ponga las palancas de control de movimiento hacia fuera en la posición de APARCAR.
Apague el motor, retire la llave y espere a que se detengan todas las piezas en movimiento antes de abandonar el puesto del operador.
Limpie alrededor de la tapa del limpiador de aire para evitar que la suciedad penetre en el motor y cause daños.
Afloje la abrazadera y retire el elemento de papel (Figura 36).

| Intervalo de mantenimiento y servicio | Procedimiento de mantenimiento |
|---|
Limpie el elemento de papel golpeándolo suavemente para eliminar el polvo.
Note: Si está muy sucio, cambie el elemento de papel por uno nuevo.
Inspeccione el filtro por si estuviera roto, tuviera una película aceitosa o la junta de goma estuviera dañada.
Cambie el elemento de papel si está dañado.
Important: No limpie el filtro de papel.
Tipo de aceite:Aceite detergente (servicio API SF, SG, SH, SJ o SL)
Capacidad del cárter:1,8 litros sin filtro; 2,1 litros con filtro
Viscosidad: Consulte la tabla siguiente.

| Intervalo de mantenimiento y servicio | Procedimiento de mantenimiento |
|---|---|
| Cada vez que se utilice o diariamente |
|
Note: Compruebe el aceite con el motor frío.
Important: Si llena el cárter del motor con demasiado o demasiado poco aceite y arranca el motor, puede dañar el motor.
Aparque la máquina en una superficie nivelada, desengrane el mando de control de las cuchillas y ponga las palancas de control de movimiento hacia fuera en la posición de APARCAR.
Apague el motor, retire la llave y espere a que se detengan todas las piezas en movimiento antes de abandonar el puesto del operador.
Note: Asegúrese de que el motor está frío, y que el aceite ha tenido tiempo para drenarse al cárter.
Para que no entre suciedad, recortes de hierba, etc., en el motor, limpie la zona alrededor del tapón de llenado/varilla de aceite antes de retirarlo (Figura 40).

| Intervalo de mantenimiento y servicio | Procedimiento de mantenimiento |
|---|---|
| Después de las primeras 8 horas |
|
| Cada 100 horas |
|
Aparque la máquina de manera que el lado de drenaje esté ligeramente más bajo que el lado opuesto para asegurar que el aceite se drene completamente.
Desengrane el interruptor de control de las cuchillas (TDF) y mueva las palancas de control de movimiento hacia fuera a la posición de APARCAR.
Apague el motor, retire la llave y espere a que se detengan todas las piezas en movimiento antes de abandonar el puesto del operador.
Drene el aceite del motor (Figura 39).

Vierta lentamente un 80% aproximadamente del aceite especificado por el tubo de llenado, luego añada lentamente el resto del aceite hasta que llegue a la marca Lleno (Figura 42).

Elimine el aceite usado en un centro de reciclaje.
| Intervalo de mantenimiento y servicio | Procedimiento de mantenimiento |
|---|---|
| Cada 200 horas |
|
Drene el aceite del motor; consulte Cambio del aceite del motor.
Sustituya el filtro de aceite del motor (Figura 41).

Note: Asegúrese de que la junta del filtro de aceite toca el motor y, a continuación, apriete el filtro de aceite ¾ de vuelta más.
Llene el cárter con el tipo correcto de aceite nuevo (Figura 40).
| Intervalo de mantenimiento y servicio | Procedimiento de mantenimiento |
|---|---|
| Cada 100 horas |
|
Asegúrese de que la distancia entre los electrodos central y lateral es correcta antes de instalar la bujía. Utilice una llave para bujías para desmontar e instalar la bujía y una galga de espesores/herramienta de separación de electrodos para comprobar y ajustar la distancia entre los mismos. Instale una bujía nueva si es necesario.
Tipo de bujía: NGK® BPR4ES
Distancia entre electrodos: 0,76 mm
Aparque la máquina en una superficie nivelada, desengrane el mando de control de las cuchillas y ponga las palancas de control de movimiento hacia fuera en la posición de APARCAR.
Apague el motor, retire la llave y espere a que se detengan todas las piezas en movimiento antes de abandonar el puesto del operador. Deje que el motor se enfríe.
Limpie la zona alrededor de la base de la bujía para que no caiga suciedad en el motor.
Retire la bujía (Figura 44).

Important: No limpie la(s) bujía(s). Cambie siempre la(s) bujía(s) si tiene(n) un revestimiento negro, los electrodos desgastados, una película aceitosa o grietas.
Si se observa un color gris o marrón claro en el aislante, el motor está funcionando correctamente. Si el aislante aparece de color negro, significa que el limpiador de aire está sucio.
Ajuste la distancia a 0,76 mm.


| Intervalo de mantenimiento y servicio | Procedimiento de mantenimiento |
|---|---|
| Cada vez que se utilice o diariamente |
|
Aparque la máquina en una superficie nivelada, desengrane el mando de control de las cuchillas y ponga las palancas de control de movimiento hacia fuera en la posición de APARCAR.
Apague el motor, retire la llave y espere a que se detengan todas las piezas en movimiento antes de abandonar el puesto del operador.
Retire el filtro de aire del motor.
Retire la cubierta del motor.
Para evitar que se introduzcan residuos en la entrada de aire, instale el filtro de aire en la base del filtro.
Limpie los restos de hierba y los residuos de todas las piezas.
Retire el filtro de aire e instale la cubierta del motor.
Instale el filtro de aire.
En ciertas condiciones, el combustible es extremadamente inflamable y altamente explosivo. Un incendio o una explosión provocados por el combustible puede causarle quemaduras a usted y a otras personas así como daños materiales.
Consulte Seguridad – Combustible para obtener una lista completa de las precauciones relacionadas con el combustible.
| Intervalo de mantenimiento y servicio | Procedimiento de mantenimiento |
|---|---|
| Cada 100 horas |
|
No instale nunca un filtro sucio después de retirarlo del tubo de combustible.
Aparque la máquina en una superficie nivelada, desengrane el mando de control de las cuchillas y ponga las palancas de control de movimiento hacia fuera en la posición de APARCAR.
Apague el motor, retire la llave y espere a que se detengan todas las piezas en movimiento antes de abandonar el puesto del operador. Deje que el motor se enfríe.
Cambie el filtro (Figura 47).
Note: Asegúrese de que la flecha de dirección de flujo del filtro nuevo apunta hacia el motor.


Desconecte el cable del borne negativo de la batería antes de reparar la máquina.
Cargue la batería en una zona abierta y bien ventilada, lejos de chispas y llamas. Desenchufe el cargador antes de conectar o desconectar la batería. Lleve ropa protectora y utilice herramientas aisladas.
Los bornes de la batería o una herramienta metálica podrían hacer cortocircuito si entran en contacto con los componentes metálicos de la máquina, causando chispas. Las chispas podrían hacer explotar los gases de la batería, causando lesiones personales.
Al retirar o colocar la batería, no deje que los bornes toquen ninguna parte metálica de la máquina.
No deje que las herramientas metálicas hagan cortocircuito entre los bornes de la batería y las partes metálicas de la máquina.
Aparque la máquina en una superficie nivelada, desengrane el mando de control de las cuchillas y ponga las palancas de control de movimiento hacia fuera en la posición de APARCAR.
Apague el motor, retire la llave y espere a que se detengan todas las piezas en movimiento antes de abandonar el puesto del operador.
Levante el asiento para tener acceso a la batería.
Desconecte el cable negativo de tierra (negro) del borne de la batería (Figura 48).
Note: Guarde todas las fijaciones.
Una desconexión incorrecta de los cables de la batería podría dañar la máquina y los cables, causando chispas. Las chispas podrían hacer explotar los gases de la batería, causando lesiones personales.
Desconecte siempre el cable negativo (negro) de la batería antes de desconectar el cable positivo (rojo).
Conecte siempre el cable positivo (rojo) de la batería antes de conectar el cable negativo (negro).
Retire la cubierta de goma del cable positivo (rojo).
Desconecte el cable positivo (rojo) del borne de la batería (Figura 48).
Note: Guarde todas las fijaciones.
Retire la correa de sujeción de la batería (Figura 48) y levante la batería para retirarla de su bandeja.

| Intervalo de mantenimiento y servicio | Procedimiento de mantenimiento |
|---|---|
| Antes del almacenamiento |
|
Retire la batería del chasis; consulte Retirada de la batería.
Cargue la batería a un ritmo de 6 a 10 amperios durante 1 hora como mínimo.
Note: No sobrecargue la batería.
Cuando la batería esté completamente cargada, desconecte el cargador de la toma de electricidad, luego desconecte los cables del cargador de los bornes de la batería (Figura 49).

Coloque la batería en la bandeja (Figura 48).
Usando las fijaciones que retiró anteriormente, conecte el cable positivo (rojo) al borne positivo (+) de la batería.
Usando las fijaciones que retiró anteriormente, conecte el cable negativo al borne negativo (-) de la batería.
Deslice la cubierta de goma roja sobre el borne positivo (rojo) de la batería.
Fije la batería con la correa de sujeción (Figura 48).
Baje el asiento.
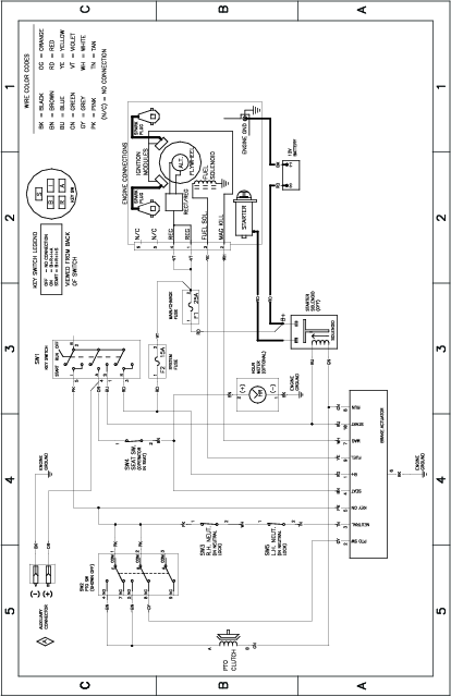
El sistema eléctrico está protegido con fusibles. No requiere mantenimiento; no obstante, si se funde un fusible, compruebe que no hay avería ni cortocircuito en el componente/circuito.
Tipo de fusible:
Principal – F1 (25 A, tipo chapa)
Circuito de carga – F2 (15 A, tipo chapa)
Aparque la máquina en una superficie nivelada, desengrane el mando de control de las cuchillas y ponga las palancas de control de movimiento hacia fuera en la posición de APARCAR.
Apague el motor, retire la llave y espere a que se detengan todas las piezas en movimiento antes de abandonar el puesto del operador.
Levante el asiento para tener acceso a los fusibles.
Para cambiar un fusible, tire del mismo para retirarlo (Figura 50).

Baje el asiento.
| Intervalo de mantenimiento y servicio | Procedimiento de mantenimiento |
|---|---|
| Cada 25 horas |
|
Mantenga la presión especificada de los neumáticos delanteros y traseros. Una presión desigual en los neumáticos puede hacer que el corte sea desigual. Compruebe la presión en la válvula (Figura 51). Las lecturas de presión son más exactas cuando los neumáticos están fríos.
Infle las ruedas giratorias delanteras a 2,06 bar o a la presión indicada en la pared lateral, la que sea inferior.
Infle los neumáticos de las ruedas motrices traseros a 0,90 bar.

Al conducir la máquina hacia delante a velocidad máxima en una superficie plana y nivelada, si la máquina tira hacia un lado, ajuste la dirección.
Si la máquina tira hacia la izquierda, ajuste la palanca de control de movimiento derecha; si la máquina tira hacia la derecha, ajuste la palanca de control de movimiento izquierda.
Note: Puede ajustar la dirección solo para conducir hacia delante.
Aparque la máquina en una superficie nivelada, desengrane el mando de control de las cuchillas y ponga las palancas de control de movimiento hacia fuera en la posición de APARCAR.
Apague el motor, retire la llave y espere a que se detengan todas las piezas en movimiento antes de abandonar el puesto del operador.
Localice el perno de ajuste de la dirección junto a la palanca de control de movimiento en el lado concreto que necesite ajuste (Figura 52).
Note: Eleve el asiento para acceder con más facilidad al perno de ajuste.
Gire el perno para reducir la velocidad de esta rueda en concreto.
Note: Gire el perno un poco para realizar ajustes mínimos.

Arranque la máquina y conduzca hacia delante en una superficie plana y nivelada con las palancas de control de movimiento totalmente hacia delante, para comprobar si la máquina avanza en línea recta. Repita el proceso cuanto sea necesario.
| Intervalo de mantenimiento y servicio | Procedimiento de mantenimiento |
|---|---|
| Cada 25 horas |
|
Cambie la correa si está desgastada. Las señales de una correa desgastada incluyen chirridos cuando la correa está en movimiento, patinaje de las cuchillas durante la siega, bordes deshilachados, o marcas de quemaduras o grietas.
Entre los signos de desgaste de una correa se incluyen chirridos cuando la correa está en movimiento, patinaje de las cuchillas durante la siega, filos deshilachados, o marcas de quemaduras o grietas. Cambie la correa si observa cualquiera de estas condiciones.
Aparque la máquina en una superficie nivelada, desengrane el mando de control de las cuchillas y ponga las palancas de control de movimiento hacia fuera en la posición de APARCAR.
Apague el motor, retire la llave y espere a que se detengan todas las piezas en movimiento antes de abandonar el puesto del operador.
Ajuste la altura de corte a la posición más baja (38 mm).
Retire el pasador de horquilla y presione hacia dentro la pestaña de la cubierta para retirar las cubiertas de las poleas (Figura 53).

Con una herramienta para la retirada de muelles (Pieza Toro N.º 92-5771), retire el muelle tensor del gancho de la carcasa para eliminar la tensión de la polea tensora y retire la correa de las poleas (Figura 54).
El muelle está tensado cuando está instalado, y puede causar lesiones personales.
Tenga cuidado al retirar la correa.

Pase la correa nueva alrededor de las poleas del motor y del cortacésped (Figura 54).
Con una herramienta para la retirada de muelles (pieza Toro n.º 92-5771), instale el muelle tensor sobre el gancho de la carcasa y tense la polea tensora y la correa del cortacésped (Figura 54).
Instale las cubiertas de las poleas.
Inspeccione periódicamente las cuchillas, para asegurarse de que no están desgastadas ni dañadas.
Tenga cuidado al comprobar las cuchillas. Envuelva las cuchillas o lleve guantes, y extreme las precauciones al manejar las cuchillas. Las cuchillas únicamente pueden ser cambiadas o afiladas; no las enderece ni las suelde nunca.
En máquinas con múltiples cuchillas, tenga cuidado puesto que girar una cuchilla puede hacer que giren otras cuchillas.
Sustituya las cuchillas o los pernos gastados o dañados en conjuntos completos para no desequilibrar la máquina.
Para garantizar una calidad de corte superior, mantenga afiladas las cuchillas. Para que el afilado y la sustitución sean más cómodos, conserve un stock de cuchillas de repuesto.
Aparque la máquina en una superficie nivelada, desengrane el mando de control de las cuchillas y ponga las palancas de control de movimiento hacia fuera en la posición de APARCAR.
Pare el motor, retire la llave y desconecte los cables de las bujías.
| Intervalo de mantenimiento y servicio | Procedimiento de mantenimiento |
|---|---|
| Cada vez que se utilice o diariamente |
|
Inspeccione los filos de corte (Figura 55).
Si los filos están romos o tienen muescas, retire la cuchilla y afílela; consulte Afilado de las cuchillas.
Inspeccione las cuchillas, especialmente en la parte curva.
Si observa fisuras, desgaste o la formación de una ranura en esta zona, instale de inmediato una cuchilla nueva (Figura 55).

Note: La máquina debe estar sobre una superficie nivelada para realizar el procedimiento siguiente.
Eleve la carcasa de corte a la posición más alta.
Llevando guantes fuertemente acolchados u otro tipo de protección apropiada para las manos, gire lentamente la cuchilla hasta una posición que permita medir la distancia entre el filo de corte y la superficie nivelada en la que descansa la máquina (Figura 56).

Mida desde la punta de la cuchilla hasta la superficie plana (Figura 57).

Gire la misma cuchilla 180 grados de manera que el otro extremo esté en la misma posición (Figura 58).

Mida desde la punta de la cuchilla hasta la superficie plana (Figura 59).
Note: La diferencia no debe ser superior a 3 mm.

Si la diferencia entre A y B es de más de 3 mm, sustituya la cuchilla por una cuchilla nueva; consulte Cómo retirar las cuchillas y Cómo instalar las cuchillas.
Note: Si se cambia una cuchilla doblada por una nueva y la dimensión obtenida sigue siendo de más de 3 mm, el eje de la cuchilla podría estar doblado. Póngase en contacto con su Servicio Técnico Autorizado para que revise la máquina.
Si la diferencia está dentro de los límites, pase a la cuchilla siguiente.
Repita este procedimiento con cada cuchilla.
Cambie las cuchillas si han golpeado un objeto sólido, o si la cuchilla está desequilibrada o doblada.
Sujete el extremo de la cuchilla usando un trapo o un guante grueso.
Retire del eje el perno de la cuchilla, la arandela curva y la cuchilla (Figura 60).

Utilice una lima para afilar el filo de corte en ambos extremos de la cuchilla (Figura 61).
Note: Mantenga el ángulo original.
Note: La cuchilla permanece equilibrada si se retira la misma cantidad de material de ambos filos de corte.

Verifique el equilibrio de la cuchilla colocándola sobre un equilibrador de cuchillas (Figura 62).
Note: Si la cuchilla se mantiene horizontal, está equilibrada y puede utilizarse.
Note: Si la cuchilla no está equilibrada, rebaje algo el metal en la parte de la vela solamente (Figura 61).

Repita este procedimiento hasta que la cuchilla esté equilibrada.
Instale la cuchilla en el eje (Figura 60).
Important: La parte curva de la cuchilla debe apuntar hacia arriba, hacia el interior del cortacésped, para asegurar un corte correcto.
Instale la arandela curva (con la copa hacia la cuchilla) y el perno de la cuchilla (Figura 60).
Apriete el perno de la cuchilla a entre 81 y 108 N·m.
Compruebe que la carcasa de corte está nivelada cada vez que instale el cortacésped o cuando observe un corte desigual en el césped.
Compruebe que las cuchillas no están dobladas antes de nivelar la carcasa; retire y sustituya cualquier cuchilla que esté doblada; consulte Mantenimiento de las cuchillas de la segadora antes de continuar.
Primero, nivele la carcasa de corte lateralmente; luego puede ajustar la inclinación longitudinal.
Requisitos:
La máquina debe estar sobre una superficie nivelada.
Todos los neumáticos deben estar correctamente inflados; consulte Comprobación de la presión de los neumáticos.
Aparque la máquina en una superficie nivelada, desengrane el mando de control de las cuchillas (TDF) y mueva las palancas de control de movimiento hacia fuera a la posición de APARCAR.
Apague el motor, retire la llave y espere a que se detengan todas las piezas en movimiento antes de abandonar el puesto del operador.
Ajuste la altura de corte a 76 mm.
Gire cuidadosamente las cuchillas colocándolas perpendicularmente al sentido de avance de la máquina.
Mida entre los filos de corte exteriores y la superficie plana (Figura 63 y Figura 64).
Note: Si hay una diferencia de más de 5 mm entre ambas dimensiones, se requiere un ajuste; consulte Nivelación lateral.


Verifique la inclinación longitudinal de las cuchillas cada vez que instale el cortacésped. Si la diferencia de altura entre la parte delantera del cortacésped y la parte trasera es superior a 7,9 mm, ajuste la inclinación de las cuchillas.
Aparque la máquina en una superficie nivelada, desengrane el mando de control de las cuchillas (TDF) y mueva las palancas de control de movimiento hacia fuera a la posición de APARCAR.
Apague el motor, retire la llave y espere a que se detengan todas las piezas en movimiento antes de abandonar el puesto del operador.
Ajuste la altura de corte a 76 mm.
Gire cuidadosamente las cuchillas colocándolas en el sentido de avance de la máquina (Figura 65).
Mida entre la punta de la cuchilla delantera y la superficie plana y entre la punta de la cuchilla trasera y la superficie plana (Figura 65 o Figura 66).
Note: Si la punta de la cuchilla delantera no está entre 1,6 mm y 7,9 mm más baja que la punta de la cuchilla trasera, continúe con el procedimiento Ajuste de la inclinación longitudinal de las cuchillas.


Vaya al lado izquierdo de la máquina.
Ajuste los rodillos protectores del césped en los orificios superiores o retírelos completamente para este procedimiento; consulte Ajuste de los rodillos protectores del césped.
Ponga la palanca de altura de corte en la posición de 76 mm; consulte Ajuste de la altura de corte.
Coloque 2 bloques de 6,6 cm de grosor debajo de cada lado del borde delantero de la carcasa, pero no debajo de los soportes de los rodillos protectores del césped (Figura 67 o Figura 68)
Coloque 2 bloques de 7,3 cm de grosor debajo del borde trasero del faldón de la carcasa de corte, 1 en cada lado de la carcasa de corte (Figura 67 o Figura 68).


Retire la chaveta y la arandela del pasador del brazo de elevación inferior (Figura 69).

Gire la pletina de altura de corte hasta un orificio diferente, de modo que sostenga el peso de la carcasa de corte después de instalar la pletina (Figura 70).

Instale la arandela y la chaveta (Figura 70).
Repita los pasos 6 a 8 en el otro lado de la máquina.
Vuelva a comprobar la nivelación lateral; repita este procedimiento hasta que las medidas sean correctas.
Siga nivelando la carcasa de corte comprobando la inclinación longitudinal (delante/detrás) de las cuchillas; consulte Comprobación de la inclinación longitudinal de las cuchillas.
Gire la tuerca de ajuste en la parte delantera del cortacésped (Figura 71).

Para elevar la parte delantera de la carcasa de corte, apriete la tuerca de ajuste.
Para bajar la parte delantera de la carcasa de corte, afloje la tuerca de ajuste.
Después de realizar el ajuste, compruebe de nuevo la inclinación longitudinal, y siga ajustando la tuerca hasta que la punta de la cuchilla delantera esté entre 1,6 y 7,9 mm más baja que la punta de la cuchilla trasera; consulte Comprobación de la inclinación longitudinal de las cuchillas.
Cuando la inclinación longitudinal sea correcta, compruebe de nuevo la nivelación lateral de la carcasa de corte; consulte Comprobación de la inclinación longitudinal de las cuchillas.
Aparque la máquina en una superficie nivelada, desengrane el mando de control de las cuchillas (TDF) y mueva las palancas de control de movimiento hacia fuera a la posición de APARCAR.
Apague el motor, retire la llave y espere a que se detengan todas las piezas en movimiento antes de abandonar el puesto del operador.
Baje la palanca de ajuste de la altura de corte a la posición más baja.
Afloje los 2 pernos inferiores que sujetan el faldón de la carcasa de corte a la carcasa de corte. Consulte Retirada del faldón de la carcasa de corte.
Retire la chaveta de la varilla de soporte delantera y retire la varilla del soporte de la carcasa (Figura 72).

Baje cuidadosamente la parte delantera de la carcasa de corte al suelo.
En un lado de la máquina, retire la arandela y la chaveta del pasador de la carcasa (Figura 73).

Retire el brazo de elevación del pasador de la carcasa (Figura 73).
Repita los pasos 7 y 8 en el otro lado de la máquina.
Deslice la carcasa de corte hacia atrás para retirar la correa del cortacésped de la polea del motor.
Retire la carcasa de corte de debajo de la máquina.
Note: Guarde todas las piezas para instalaciones futuras.
Aparque la máquina en una superficie nivelada, desengrane el mando de control de las cuchillas (TDF) y mueva las palancas de control de movimiento hacia fuera a la posición de APARCAR.
Apague el motor, retire la llave y espere a que se detengan todas las piezas en movimiento antes de abandonar el puesto del operador.
Deslice el cortacésped debajo de la máquina.
Baje la palanca de ajuste de la altura de corte a la posición más baja.
En un lado de la máquina, eleve la parte trasera de la carcasa de corte e instale el brazo de elevación en el pasador de la carcasa (Figura 73).
Instale el brazo de elevación con la arandela y la chaveta (Figura 73).
Repita los pasos 5 y 6 en el otro lado de la máquina.
Conecte la varilla de soporte delantera a la carcasa de corte con el pasador y la chaveta (Figura 72).
Instale la correa del cortacésped sobre la polea del motor; consulte Cómo cambiar la correa del cortacésped.
Apriete los 2 pernos inferiores que sujetan el faldón de la carcasa de corte a la carcasa de corte; consulte Retirada del faldón de la carcasa de corte.
| Intervalo de mantenimiento y servicio | Procedimiento de mantenimiento |
|---|---|
| Cada vez que se utilice o diariamente |
|
Si el hueco de descarga se deja destapado, el cortacésped podría arrojar objetos hacia usted o hacia otras personas y causar lesiones graves. También podría producirse un contacto con la cuchilla.
No utilice la máquina nunca sin tener colocado el deflector de hierba, la tapa de descarga o el sistema de recogida de hierba.
Retire la tuerca (⅜") de la varilla debajo del cortacésped (Figura 74).

Retire la varilla del soporte de la carcasa, del muelle y del deflector de hierba (Figura 74).
Retire el deflector de hierba dañado o desgastado.
Instale el deflector de hierba nuevo (Figura 74).
Deslice el extremo recto de la varilla a través del pivote del deflector de hierba trasero.
Coloque el muelle sobre la varilla, con los extremos de los alambres hacia abajo, y entre los soportes del deflector de hierba.
Deslice la varilla a través del segundo pivote del deflector de hierba (Figura 74).
Introduzca la varilla de la parte delantera del deflector de hierba en el soporte de la carcasa.
Sujete el extremo trasero de la varilla en el cortacésped con una tuerca (⅜"), como se muestra en la Figura 74.
Important: El muelle debe mantener el deflector de hierba en la posición de abatido. Levante el deflector para verificar que puede bajar del todo.
| Intervalo de mantenimiento y servicio | Procedimiento de mantenimiento |
|---|---|
| Después de cada uso |
|
Important: La máquina puede lavarse con un detergente suave y agua. No lave la máquina a presión. Evite el uso excesivo de agua, especialmente cerca del panel de control, debajo del asiento, y alrededor del motor, de las bombas hidráulicas y de los motores eléctricos.
Lave los bajos de la carcasa de corte después de cada uso para evitar la acumulación de hierba y así mejorar el picado de la hierba y la dispersión de los recortes.
Aparque la máquina en una superficie nivelada, desengrane el mando de control de las cuchillas (TDF) y mueva las palancas de control de movimiento hacia fuera a la posición de APARCAR.
Apague el motor, retire la llave y espere a que se detengan todas las piezas en movimiento antes de abandonar el puesto del operador.
Conecte el acoplamiento de la manguera al extremo del conector de lavado del cortacésped, y abra el grifo al máximo (Figura 75).
Note: Aplique vaselina a la junta tórica del conector de lavado para facilitar la conexión del acoplamiento y proteger la junta.

Baje el cortacésped a la altura de corte más baja.
Siéntese en el asiento y arranque el motor.
Engrane el mando de control de las cuchillas y deje que funcione el cortacésped de uno a tres minutos.
Desengrane el mando de control de las cuchillas, pare el motor, retire la llave y espere a que se detengan todas las piezas en movimiento.
Cierre el grifo de agua y retire el acoplamiento del conector de lavado.
Note: Si el cortacésped no queda limpio después de un lavado, mójelo bien y espere unos 30 minutos. Luego repita el proceso.
Ponga el cortacésped en marcha de nuevo durante 1–3 minutos para eliminar el exceso de agua.
Un conector de lavado roto o no instalado podría exponerle a usted y a otras personas a objetos lanzados o a contacto con las cuchillas. El contacto con una cuchilla o con residuos lanzados puede causar lesiones o la muerte.
Sustituya el conector de lavado si está roto o si no está instalado inmediatamente, antes de volver a utilizar la máquina.
No coloque nunca las manos o los pies debajo de el cortacésped o a través de aberturas en la máquina.
El aceite de motor, las baterías, el fluido hidráulico y el refrigerante del motor son contaminantes medioambientales. Elimínelos de acuerdo con la normativa estatal y local.
Apague el motor, retire la llave y espere a que se detengan todas las piezas en movimiento antes de abandonar el puesto del operador. Deje que la máquina se enfríe antes de realizar ajustes, tareas de mantenimiento y de limpieza o de guardarla.
No almacene la máquina o el combustible cerca de llamas, ni drene el combustible en interiores o en un remolque cerrado.
No guarde la máquina o un recipiente de combustible en un lugar donde pudiera haber una llama desnuda, chispas o una llama piloto, por ejemplo en un calentador de agua u otro electrodoméstico.
Desengrane el mando de control de las cuchillas (TDF) y accione el freno de estacionamiento.
Apague el motor, retire la llave y espere a que se detengan todas las piezas en movimiento antes de abandonar el puesto del operador.
Retire los recortes de hierba, la suciedad y la mugre de las piezas externas de toda la máquina, especialmente el motor y el sistema hidráulico. Limpie la suciedad y la broza de la parte exterior del alojamiento de las aletas de la culata de cilindros del motor y del soplador.
Important: La máquina puede lavarse con un detergente suave y agua. No lave la máquina a presión. Evite el uso excesivo de agua, especialmente cerca del panel de control, el motor, las bombas hidráulicas y los motores eléctricos.
Compruebe el funcionamiento del freno de estacionamiento; consulte Posición de Aparcar.
Revise el limpiador de aire; consulte Mantenimiento del limpiador de aire.
Cambie el aceite del cárter; consulte Cambio del aceite del motor.
Compruebe la presión de los neumáticos; consulte Comprobación de la presión de los neumáticos.
Cargue la batería; consulte Cómo cargar la batería.
Si se va a guardar la máquina con la batería instalada, desconecte el cable negativo (negro) de la batería.
Rasque cualquier acumulación importante de hierba y suciedad de los bajos de la máquina y lávela con una manguera de jardín.
Note: Haga funcionar la máquina con el mando de control de las cuchillas (TDF) engranado y el motor en ralentí alto durante 2 a 5 minutos después del lavado.
Compruebe la condición de las cuchillas; consulte Mantenimiento de las cuchillas de la segadora.
Prepare la máquina para su almacenamiento cuando no la vaya a utilizar durante más de 30 días. Prepare la máquina para el almacenamiento de la manera siguiente:
Añada estabilizador/acondicionador al combustible fresco en el depósito. Siga las instrucciones de mezcla del fabricante del estabilizador del combustible. No use un estabilizador a base de alcohol (etanol o metanol).
Haga funcionar el motor para distribuir el combustible con acondicionador por todo el sistema de combustible durante 5 minutos.
Pare el motor, deje que se enfríe y drene el depósito de combustible.
Arranque el motor y hágalo funcionar hasta que se apague.
Deseche el combustible adecuadamente. Recicle el combustible según la normativa local.
Important: No guarde combustible que contenga estabilizador/acondicionador durante más tiempo que el recomendado por el fabricante del estabilizador de combustible.
Retire la(s) bujía(s) y verifique su condición; consulte Mantenimiento de la bujía. Con la(s) bujía(s) retirada(s) del motor, vierta 30 ml (dos cucharadas soperas) de aceite de motor en el orificio de la bujía. Utilice el motor de arranque para hacer girar el motor y distribuir el aceite dentro del cilindro. Instale la(s) bujía(s). No instale los cables en la(s) bujía(s).
Revise y apriete todos los pernos, tuercas y tornillos. Repare o sustituya cualquier pieza dañada.
Pinte las superficies que estén arañadas o donde esté visible el metal. Puede adquirir la pintura en su Servicio Técnico Autorizado.
Guarde la máquina en un garaje o almacén seco y limpio. Retire la llave del interruptor y guárdela fuera del alcance de niños u otros usuarios no autorizados. Cubra la máquina para protegerla y para conservarla limpia.
Cargue totalmente la batería.
Deje que la batería descanse durante 24 horas, luego compruebe la tensión de la batería.
Note: Si el voltaje de la batería es de menos de 12,6 V, repita los pasos 1 y 2.
Desconecte los cables de la batería.
Compruebe el voltaje periódicamente para asegurarse de que el voltaje es de 12,4 V o más.
Note: Si el voltaje de la batería es de menos de 12,4 V, repita los pasos 1 y 2.
Si va a guardar la batería fuera de la máquina, realice lo siguiente:
Guarde la batería en un lugar fresco y seco, en posición vertical.
No apile baterías directamente una encima de otra, a menos que estén en cajas.
No apile más de 3 baterías (solamente 2 si la batería es de tipo comercial).
Pruebe la batería húmeda cada 4 – 6 meses y cárguela, si es necesario.
Siempre pruebe y cargue la batería antes de instalarla.
| Problem | Possible Cause | Corrective Action |
|---|---|---|
| El depósito de combustible muestra señales de hundimiento o la máquina muestra señales de quedarse frecuentemente sin combustible. |
|
|
| El motor se sobrecalienta. |
|
|
| El motor de arranque no se engrana. |
|
|
| El motor no arranca, arranca con dificultad, o no sigue funcionando. |
|
|
| El motor pierde potencia. |
|
|
| No es posible conducir la máquina. |
|
|
| La máquina vibra de manera anormal. |
|
|
| La altura de corte no es homogénea. |
|
|
| Las cuchillas no giran. |
|
|
