| Wartungsintervall | Wartungsmaßnahmen |
|---|---|
| Bei jeder Verwendung oder täglich |
|
Dieser Aufsitzer mit Sichelmessern sollte von Hausbesitzern in Privatgärten verwendet werden. Er ist hauptsächlich für das Mähen von Gras auf gepflegten Grünflächen gedacht. Wenn diese Maschine für einen anderen Zweck als vorgesehen eingesetzt wird, kann das für Sie und andere Personen gefährlich sein.
Lesen Sie diese Informationen sorgfältig durch, um sich mit dem ordnungsgemäßen Einsatz und der Wartung des Geräts vertraut zu machen und Verletzungen und eine Beschädigung des Geräts zu vermeiden. Sie tragen die Verantwortung für einen ordnungsgemäßen und sicheren Einsatz des Geräts.
Besuchen Sie Toro.com, hinsichtlich Produktsicherheit und Schulungsunterlagen, Zubehörinformationen, Standort eines Händlers, oder Registrierung des Produkts.
Wenden Sie sich an Ihren autorisierten Service-Vertragshändler oder Kundendienst, wenn Sie eine Serviceleistung, Toro Originalersatzteile oder zusätzliche Informationen benötigen. Halten Sie hierfür die Modell- und Seriennummern Ihres Produkts griffbereit. In Bild 1 ist angegeben, wo an dem Produkt die Modell- und die Seriennummer angebracht sind. Tragen Sie hier die Modell- und Seriennummern des Geräts ein.
Important: Scannen Sie mit Ihrem Mobilgerät den QR-Code auf dem Seriennummernaufkleber (falls vorhanden), um auf Garantie-, Ersatzteil- oder andere Produktinformationen zuzugreifen.

Tragen Sie hier bitte die Modell- und Seriennummern der Maschine ein:
In dieser Anleitung werden zwei Begriffe zur Hervorhebung von Informationen verwendet. Wichtig weist auf spezielle mechanische Informationen hin, und Hinweis hebt allgemeine Informationen hervor, die Ihre besondere Beachtung verdienen.
Dieses Sicherheitswarnsymbol (Bild 2) wird sowohl in diesem Handbuch als auch an der Maschine verwendet, um wichtige Sicherheitshinweise zu kennzeichnen, die zur Vermeidung von Unfällen befolgt werden müssen. Dieses Symbol wird mit dem Signalwort Gefahr, Warnung oder Vorsicht dargestellt.
Gefahr: bezeichnet eine unmittelbar drohende Gefahr. Wenn sie nicht gemieden wird, sind Tod oder schwerste Verletzungen die Folge.
Warnung: bezeichnet eine möglicherweise drohende Gefahr. Wenn sie nicht gemieden wird, können Tod oder schwerste Verletzungen die Folge sein.
Vorsicht: bezeichnet eine möglicherweise drohende Gefahr. Wenn sie nicht gemieden wird, können leichte oder geringfügige Verletzungen die Folge sein.

Dieses Produkt erfüllt alle relevanten europäischen Richtlinien; weitere Details finden Sie in der produktspezifischen Konformitätserklärung (DOC).
Brutto- oder Nettodrehmoment: Das Brutto- oder Nettodrehmoment dieses Motors wurden vom Motorhersteller im Labor gemäß SAE J1940 oder J2723 ermittelt. Der tatsächliche Motordrehmoment bei dieser Klasse der Mäher ist bei einer Konfiguration zur Einhaltung der Sicherheits-, Emissions- und Betriebsanforderungen wesentlich geringer. Weitere Informationen finden Sie in der Motorbedienungsanleitung des Herstellers, die mit der Maschine ausgeliefert wurde.
Die beiliegende Motoranleitung enthält Angaben zu den Emissionsbestimmungen der US Environmental Protection Agency (EPA) und den Kontrollvorschriften von Kalifornien zu Emissionsanlagen, der Wartung und Garantie. Sie können einen Ersatz beim Motorhersteller anfordern.
Dieses Produkt kann Hände und Füße amputieren und Gegenstände aufschleudern. Befolgen Sie zum Vermeiden von schweren oder tödlichen Verletzungen immer alle Sicherheitshinweise.
Lesen und verstehen Sie vor dem Anlassen des Motors den Inhalt dieser Bedienungsanleitung.
Halten Sie Unbeteiligte und Kinder fern.
Kinder oder nicht geschulte Personen dürfen die Maschine weder verwenden noch warten. Lassen Sie nur Personen zu, die verantwortungsbewusst, geschult, mit den Anweisungen vertraut, und körperlich in der Lage sind, die Maschine zu bedienen und zu warten.
Setzen Sie die Maschine nicht in der Nähe von Abhängen, Gräben, Böschungen, Gewässern oder anderen Gefahrenstellen sowie an Hanglagen mit einem Gefälle von mehr als 15° ein.
Halten Sie Hände und Füße von beweglichen Teilen fern.
Bedienen Sie die Maschine niemals, wenn nicht alle Schutzvorrichtungen, Sicherheitsschalter und Abdeckungen angebracht und funktionstüchtig sind.
Stellen Sie vor dem Verlassen der Bedienerposition den Motor ab, ziehen den Schlüssel ab, und warten, bis alle beweglichen Teile zum Stillstand gekommen sind. Lassen Sie die Maschine abkühlen, bevor Sie sie warten, einstellen, betanken, reinigen, oder einlagern.

![]() |
Die Sicherheits- und Bedienungsaufkleber sind für den Bediener gut sichtbar und befinden sich in der Nähe der möglichen Gefahrenbereiche. Tauschen Sie beschädigte oder verloren gegangene Aufkleber aus. |


Der Aufkleber 99-3943 ist nur für Modelle mit 127 cm Mähwerke bestimmt.

Der Aufkleber 105-7015 ist nur für Modelle mit 107 cm Mähwerke bestimmt.

Der Aufkleber 112-9840 ist nur für Modelle mit 127 cm Mähwerke bestimmt.




Aufkleber 138-6074 ist in den Kraftstofftank eingegossen.


Der Aufkleber 139-2391 ist nur für Modelle ohne Betriebsstundenzähler bestimmt.








Machen Sie sich vor dem Start des Motors und der Verwendung der Maschine mit allen Bedienelementen vertraut.

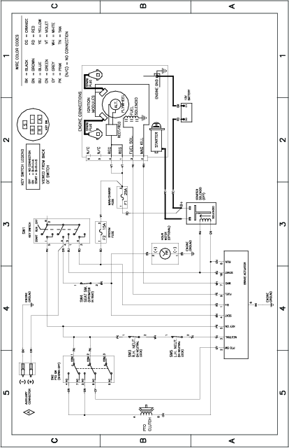
Das Zündschloss, mit dem der Motor angelassen und abgestellt wird, hat drei Stellungen: AUS, LAUF und START (Bild 5).
Die Gasbedienung steuert die Motordrehzahl und hat eine fortlaufend variable Einstellung von SLOW (LANGSAM) bis FAST (SCHNELL) (Bild 5).
Lassen Sie einen kalten Motor mit dem Choke an (Bild 5).
Mit dem Zapfwellenantriebsschalter, der durch ein Zapfwellensymbol dargestellt wird, kuppeln Sie den Antrieb der Mähwerkmesser ein oder aus (Bild 5).
Mit den Fahrantriebshebeln fahren Sie die Maschine vorwärts, rückwärts und wenden (Bild 4).
Bewegen Sie die Fahrantriebshebel von der Mitte aus nach außen in die PARK-Position, um die Feststellbremse beim Anhalten oder Verlassen der Maschine zu aktivieren.
Verwenden Sie den MyRide® Einstellhebel, um die Sitzfederung einzustellen (Bild 4).
Der Smart Speed™ Steueranlagenhebel befindet sich unter der Bedienerposition; mit ihm können die Maschine mit drei Geschwindigkeiten (Schneiden, Abschleppen und Mähen) einzusetzen (Bild 27).
Mit der Benzinuhr, die sich links an der Maschine befindet, können Sie die Kraftstoffmenge im Tank prüfen (Bild 6).

Mit dem Schnitthöhenhebel heben Sie das Mähwerk vom Sitz aus an oder senken es ab. Wenn Sie den Hebel nach oben (zu sich) schieben, wird das Mähwerk angehoben, und wenn Sie den Hebel nach unten (von sich weg) schieben, wird es abgesenkt. Verstellen Sie die Schnitthöhe nur, wenn die Maschine nicht fährt (Bild 28).
Mit dem Mähwerkhubpedal können Sie das Mähwerk vom Sitz aus absenken oder anheben. Mit dem Pedal können Sie das Mähwerk kurz anheben, um Hindernisse zu umfahren oder zur Unterstützung der Schnitthöheneinstellung (Bild 4).
Änderungen der technischen Daten und des Designs sind vorbehalten.
| 107-cm-Mähwerk | 127-cm-Mähwerk | |
| Schnittbreite | 107 cm | 127 cm |
| Breite mit abgesenktem Ablenkblech | 135 cm | 155 cm |
| Breite mit angehobenem Ablenkblech | 123 cm | 130 cm |
| Länge | 185 cm | 186 cm |
| Höhe | 112 cm | 109 cm |
| Ballast | 332 kg | 353 kg |
Ein Sortiment an Originalanbaugeräten und -zubehör von Toro wird für diese Maschine angeboten, um den Funktionsumfang des Geräts zu erhöhen und zu erweitern. Eine Liste der zugelassenen Anbaugeräte und Zubehörteile erhalten Sie bei Ihrem offiziellen Toro-Vertragshändler oder finden Sie unter www.Toro.com.
Verwenden Sie, um die optimale Leistung und Sicherheit zu gewährleisten, nur Originalersatzteile und -zubehörteile von Toro. Ersatzteile und Zubehör anderer Hersteller können gefährlich sein und eine Verwendung könnte die Garantie ungültig machen.
Note: Bestimmen Sie die linke und rechte Seite der Maschine anhand der üblichen Einsatzposition.
Kinder oder nicht geschulte Personen dürfen die Maschine weder verwenden noch warten. Örtliche Vorschriften bestimmen u. U. das Mindestalter von Benutzern. Der Besitzer ist für die Schulung aller Bediener und Mechaniker verantwortlich.
Prüfen Sie den Arbeitsbereich der Maschine und entfernen Sie alle Objekte, die sich auf den Einsatz der Maschine auswirken oder von ihr aufgeschleudert werden könnten.
Machen Sie sich mit dem sicheren Betrieb der Maschine sowie den Bedienelementen und Sicherheitssymbolen vertraut.
Prüfen Sie, ob alle Sitzkontaktschalter, Sicherheitsschalter, und Schutzvorrichtungen montiert und funktionsfähig sind. Verwenden Sie die Maschine nur, wenn sie richtig funktioniert.
Stellen Sie vor dem Verlassen der Bedienerposition den Motor ab, ziehen den Schlüssel ab, und warten, bis alle beweglichen Teile zum Stillstand gekommen sind. Lassen Sie die Maschine abkühlen, bevor Sie sie warten, einstellen, betanken, reinigen, oder einlagern.
Überprüfen Sie vor dem Mähen die Maschine und stellen Sie sicher, dass die Schneideinheiten ordnungsgemäß funktionieren.
Beurteilen Sie das Gelände, um festzulegen, welche Anbaugeräte und Zubehör erforderlich sind, um die Maschine ordnungsgemäß und sicher bedienen zu können.
Tragen Sie geeignete Kleidung, u. a. eine Schutzbrille, lange Hosen, rutschfeste Arbeitsschuhe und einen Gehörschutz. Binden Sie lange Haare hinten zusammen und tragen Sie keinen Schmuck oder weite Kleidung.
Nehmen Sie nie Mitfahrer auf der Maschine mit.
Halten Sie Unbeteiligte und Haustiere während der Verwendung der Maschine fern. Schalten Sie die Maschine und das/die Anbaugerät(e) ab, wenn jemand den Bereich betritt.
Betreiben Sie die Maschine nur, wenn alle Schutzvorrichtungen und Sicherheitseinrichtungen, wie z. B. die Ablenkbleche und die gesamte Grasfangeinrichtung, vorhanden sind und ordnungsgemäß funktionieren. Ersetzen Sie verschlissene oder beschädigte Teile, wenn nötig.
Kraftstoff ist extrem leicht entflammbar und hochexplosiv. Feuer und Explosionen durch Kraftstoff können Verbrennungen und Sachschäden verursachen.
Um zu verhindern, dass sich der Kraftstoff durch statische Aufladung entzündet, entfernen Sie die Maschine vom Lkw oder Anhänger und betanken Sie sie auf dem Boden, entfernt von allen Fahrzeugen. Wenn dies nicht möglich ist, stellen Sie einen tragbaren Kraftstoffbehälter auf den Boden, entfernt von allen Fahrzeugen, und befüllen Sie ihn. Betanken Sie die Maschine dann aus dem Kraftstoffbehälter und nicht von einer Zapfsäule aus.
Füllen Sie den Kraftstofftank im Freien auf ebener Fläche auf, wenn der Motor kalt ist. Wischen Sie verschütteten Kraftstoff auf.
Rauchen Sie nicht beim Umgang mit Kraftstoff, und gehen Sie nicht in der Nähe von offenem Feuer oder Funken mit Kraftstoff um.
Entfernen Sie nie den Tankdeckel oder füllen Kraftstoff in den Tank, wenn der Motor läuft oder heiß ist.
Wenn Kraftstoff verschüttet wurde, nicht versuchen, den Motor zu starten. Vermeiden Sie, eine Zündquelle zu erzeugen, bis die Kraftstoffdämpfe verdunstet sind.
Bewahren Sie Kraftstoff in vorschriftsmäßigen Kanistern auf. Die Kanister sollten nicht für Kinder zugänglich sein.
Kraftstoff ist bei Verschlucken gesundheitsschädlich oder tödlich. Wenn eine Person langfristig Benzindünsten ausgesetzt ist, kann dies zu schweren Verletzungen und Krankheiten führen.
Vermeiden Sie das langfristige Einatmen von Benzindünsten.
Halten Sie Ihre Hände und Ihr Gesicht von der Düse und der Öffnung des Kraftstofftanks fern.
Halten Sie Kraftstoff von Augen und der Haut fern.
Lagern Sie weder die Maschine noch den Kraftstoffkanister in der Nähe von offenen Flammen, Funken oder Zündflammen wie z. B. bei einem Heizkessel oder sonstigen Geräten.
Setzen Sie die Maschine nicht ohne vollständig montierte und betriebsbereite Auspuffanlage ein.
Der Stutzen der Zapfsäule sollte den Rand des Benzinkanisters oder die Behälteröffnung beim Auftanken ständig berühren. Verwenden Sie kein Gerät mit einem entriegelt geöffneten Stutzen.
Wechseln Sie sofort Ihre Kleidung, wenn Kraftstoff darauf verschüttet wird.
Füllen Sie den Tank nicht zu voll. Tauschen Sie den Tankdeckel aus und ziehen ihn fest.
Entfernen Sie Gras und Schmutz von den Mähwerken, den Auspuff, Antriebe, Grasfangeinrichtungen und dem Motorraum, um einem Brand vorzubeugen. Wischen Sie Öl- und Kraftstoffverschüttungen auf.
| Typ | Bleifreies Benzin |
| Minimale Oktanzahl | 87 (US) oder 91 (Oktanzahl ermitteln; außerhalb der USA) |
| Ethanol | Nicht über 10% Volumenprozent |
| Methanol | Keine |
| MTBE (Methyl-tertiär-Butylether) | Weniger als 15% Volumenprozent |
| Öl | Vermischen Sie nie Kraftstoff mit Öl |
Verwenden Sie nur sauberen, frischen Kraftstoff (höchstens 30 Tage alt) von einem namhaften Hersteller/Quelle.
Verwenden Sie einen Kraftstoffstabilisator/Konditionierer in der Maschine, um den Kraftstoff länger frisch zu halten, wenn er gemäß den Anweisungen des Kraftstoffstabilisatorherstellers verwendet wird.
Important: Verwenden Sie keine Zusätze, die Methanol oder Ethanol enthalten.
Geben Sie die Menge des Kraftstoffstabilisators bzw. -konditionierers in den frischen Kraftstoff, wie vom Hersteller des Kraftstoffstabilisators vorgeschrieben.
Stellen Sie die Maschine auf einer ebenen Fläche ab.
Schieben Sie die Fahrantriebshebel nach außen in die PARK-Stellung.
Stellen Sie den Motor ab und ziehen Sie den Schlüssel ab.
Reinigen Sie den Bereich um den Tankdeckel.
Füllen Sie den Kraftstofftank bis zur Unterseite des Füllstutzens (Bild 7). Füllen Sie den Kraftstofftank nicht ganz auf.

Täglich vor dem Start der Maschine die folgende tägliche Prüfroutine gemäß durchführen:
Neue Motoren brauchen etwas Zeit, bevor sie die ganze Leistung erbringen. Neue Mähwerke und Antriebssysteme haben eine höhere Reibung und belasten den Motor mehr. Die Einfahrzeit für neue Maschinen beträgt ungefähr 40 bis 50 Stunden. Danach erbringt der Motor die ganze Leistung und beste Performance.
Wenn die Sicherheitsschalter abgeklemmt oder beschädigt werden, könnte sich die Maschine unerwartet in Betrieb setzen und jemanden verletzen.
An den Sicherheitsschaltern dürfen keine Veränderungen vorgenommen werden.
Prüfen Sie deren Funktion täglich und tauschen Sie alle defekten Schalter vor der Inbetriebnahme der Maschine aus.
Die Sicherheitsschalter verhindern das Anlassen des Motors, außer in folgenden Situationen:
Der Zapfwellenantriebsschalter ist ausgekuppelt.
Die Fahrantriebshebel sind in der PARK-Stellung.
Die Sicherheitsschalter stellen den Motor auch ab, wenn sich die Fahrantriebshebel nicht in der PARK-Stellung befinden, und Sie den Sitz verlassen.
| Wartungsintervall | Wartungsmaßnahmen |
|---|---|
| Bei jeder Verwendung oder täglich |
|
Testen Sie die Sicherheitsschalter vor jedem Einsatz der Maschine. Lassen Sie, wenn die Sicherheitsschalter nicht wie nachstehend beschrieben funktionieren, diese unverzüglich von einem Vertragshändler reparieren.
Setzen Sie sich auf den Sitz und bewegen Sie die Fahrantriebshebel in die PARK-Stellung und den Zapfwellenantriebsschalter in die EIN-Stellung. Versuchen Sie, den Motor anzulassen. Der Motor darf nicht starten.
Setzen Sie sich auf den Sitz und stellen Sie den Zapfwellenantriebsschalter in die AUS-Stellung. Stellen Sie einen der Fahrantriebshebel in die mittlere, nicht arretierte Stellung. Versuchen Sie, den Motor anzulassen. Der Motor darf sich dann nicht drehen. Wiederholen Sie die Schritte für den anderen Fahrantriebshebel.
Setzen Sie sich auf den Sitz und stellen Sie den Zapfwellenantriebsschalter in die AUS-Stellung und arretieren Sie die Fahrantriebshebel in der PARK-Stellung. Lassen Sie den Motor an. Kuppeln Sie bei laufendem Motor den Zapfwellenantriebsschalter ein. Stehen Sie etwas vom Sitz auf. Der Motor muss dann abstellen.
Setzen Sie sich auf den Sitz und stellen Sie den Zapfwellenantriebsschalter in die AUS-Stellung und arretieren Sie die Fahrantriebshebel in der PARK-Stellung. Lassen Sie den Motor an. Schieben Sie die Fahrantriebshebel bei laufendem Motor in die mittlere, nicht arretierte Stellung und erheben Sie sich etwas vom Sitz. Der Motor muss dann abstellen.
Der Sitz kann nach vorne und hinten geschoben werden. Stellen Sie den Sitz so ein, dass Sie die Maschine optimal steuern können und komfortabel sitzen (Bild 8).

Sie können das MyRIDE® Federungssystem einstellen, um ein bequemeres Fahrverhalten zu erreichen. Die Schlitze für die Einstellung der Federung sind mit Raststellungen versehen, die von einer weichen bis zu einer festen Einstellung der Federung reichen (Bild 9).
Stellen Sie die Maschine auf einer ebenen Fläche ab, kuppeln Sie den Zapfwellenantriebsschalter aus und schieben Sie die Fahrantriebshebel nach außen in die PARK-Stellung.
Stellen Sie vor dem Verlassen der Bedienungsposition den Motor ab, ziehen Sie den Schlüssel ab und warten Sie, bis alle beweglichen Teile zum Stillstand gekommen sind.
Verlassen Sie die Maschine.
Wenn Sie an der rechten Seite der Maschine stehen, bewegen Sie den Einstellhebel nach links in Richtung des –-Symbols, um die Federwirkung zu verringern.
Bewegen Sie den Einstellhebel nach rechts in Richtung des +-Symbols, um die Federwirkung zu erhöhen.

Die Höhe der Fahrantriebshebel kann für den optimalen Bedienerkomfort nach oben oder unten angepasst werden (Bild 10).

Sie können die Fahrantriebshebel für den optimalen Bedienerkomfort nach vorne oder hinten verstellt werden.
Lösen Sie die obere Schraube, mit der der Schalthebel an der Steuerarmwelle befestigt ist.
Lösen Sie die untere Schraube etwas, sodass der Schalthebel sich nach vorne oder nach hinten drehen lässt.

Ziehen Sie beide Schrauben fest, um den Schalthebel in der neuen Stellung zu arretieren.
Wiederholen Sie die Einstellungsschritte für den anderen Schalthebel.
Das Mähwerk und die Schnittmesser, die mit dieser Maschine ausgeliefert wurden, sind für optimales Mulchen und Seitenauswurf entworfen.
Setzen Sie die Verbindungselemente aus dem Losteilebeutel in die leeren Löcher, nachdem Sie die Recycling-Ablenkbleche entfernt haben. Dies stellt sicher, dass keine Löcher offen sind, wenn das Mähwerk eingesetzt wird.
Unverstopfte Öffnungen in der Maschine setzen Sie und andere einer Verletzungsgefahr durch herausgeschleuderte Rückstände aus, die schwere Verletzungen verursachen können.
Verwenden Sie die Maschine nur, wenn alle Befestigungen in den Löchern im Mähwerkgehäuse eingesetzt sind.
Setzen Sie die Befestigungsteile in die Befestigungslöcher ein, wenn Sie das Mulchablenkblech abnehmen.
Stellen Sie die Maschine auf einer ebenen Fläche ab, kuppeln Sie den Zapfwellenantriebsschalter aus und schieben Sie die Fahrantriebshebel nach außen in die PARK-Stellung.
Stellen Sie vor dem Verlassen der Bedienungsposition den Motor ab, ziehen Sie den Schlüssel ab und warten Sie, bis alle beweglichen Teile zum Stillstand gekommen sind.
Nehmen Sie das Mähwerk ab, siehe Entfernen des Mähwerks.
Entfernen Sie die beiden Sicherungsmuttern (5/16“) von den geschweißten Pfosten des Ablenkblechs.

Entfernen Sie die beiden Schlossschrauben und Sicherungsmuttern, die das Ablenkblech am Mähwerk befestigen, und entfernen Sie das Ablenkblech.
Verwenden Sie zwei Schrauben aus dem Beutel mit den losen Teilen und zwei vorhandene Sicherungsmuttern, um die Löcher für die geschweißten Pfosten zu verschließen, um das Herausschleudern von Fremdkörpern zu vermeiden.
Note: Bringen Sie die Befestigungselemente so an, dass die Muttern oberhalb des Mähwerks liegen.
Verwenden Sie eine Schraube aus dem Beutel mit losen Teilen und eine vorhandene Sicherungsmutter, um das Loch an der Vorderseite des Mähwerks zu verschließen.
Note: Bringen Sie die Befestigungselemente so an, dass die Mutter außerhalb des Decks liegt.
Befestigen Sie das Mähwerk, siehe Einbauen des Mähwerks.
Stellen Sie die Maschine auf einer ebenen Fläche ab, kuppeln Sie den Zapfwellenantriebsschalter aus und schieben Sie die Fahrantriebshebel nach außen in die PARK-Stellung.
Stellen Sie vor dem Verlassen der Bedienungsposition den Motor ab, ziehen Sie den Schlüssel ab und warten Sie, bis alle beweglichen Teile zum Stillstand gekommen sind.
Nehmen Sie das Mähwerk ab, siehe Entfernen des Mähwerks.
Entfernen Sie die drei Sicherungsmuttern (5/16“) von den geschweißten Pfosten des rechten Ablenkblechs.

Entfernen Sie die Schlossschraube und Sicherungsmutter, die das rechte Ablenkblech am Mähwerk befestigen, und entfernen Sie das Ablenkblech.
Verwenden Sie die in Schritt 5 entfernte Schlossschraube und Sicherungsmutter, um das Loch auf der rechten Seite des Mähwerks zu verschließen, um das Herausschleudern von Fremdkörpern zu vermeiden.
Note: Bringen Sie die Befestigungselemente so an, dass die Mutter außerhalb des Decks liegt.
Verwenden Sie drei Schrauben aus dem Beutel mit den losen Teilen und drei vorhandene Sicherungsmuttern, um die Löcher für die geschweißten Pfosten zu verschließen.
Note: Bringen Sie die Befestigungselemente so an, dass die Muttern oberhalb des Mähwerks liegen.
Entfernen Sie die beiden Sicherungsmuttern (5/16“) von den geschweißten Pfosten des linken Ablenkblechs.

Entfernen Sie die Schlossschraube und Sicherungsmutter, die das linke Ablenkblech am Mähwerk befestigen, und entfernen Sie das Ablenkblech.
Verwenden Sie die in Schritt 9 entfernte Schlossschraube und Sicherungsmutter, um das Loch auf der rechten Seite des Mähwerks zu verschließen, um das Herausschleudern von Fremdkörpern zu vermeiden.
Note: Bringen Sie die Befestigungselemente so an, dass die Mutter außerhalb des Decks liegt.
Verwenden Sie zwei Schrauben aus dem Beutel mit den losen Teilen und zwei vorhandene Sicherungsmuttern, um die Löcher für die geschweißten Pfosten zu verschließen.
Note: Bringen Sie die Befestigungselemente so an, dass die Muttern oberhalb des Mähwerks liegen.
Entfernen Sie die Mutter von der Ablenkblechstange unter dem Mähwerk.

Verwenden Sie die Mutter, um das Versatzablenkblech an der Ablenkblechstange am äußeren Loch des Ablenkblechs zu montieren.
Befestigen Sie das Mähwerk, siehe Einbauen des Mähwerks.
Der Besitzer bzw. Bediener ist für Unfälle oder Verletzungen von Dritten sowie Sachschäden verantwortlich und kann diese verhindern.
Konzentrieren Sie sich immer bei der Verwendung der Maschine. Tun Sie nichts, was Sie ablenken könnte, sonst können Verletzungen oder Sachschäden auftreten.
Setzen Sie die Maschine nicht ein, wenn Sie müde oder krank sind oder unter Alkohol- oder Drogeneinfluss stehen.
Kontakt mit den Messern kann zu schweren Verletzungen führen. Stellen Sie vor dem Verlassen der Bedienungsposition den Motor ab, ziehen Sie den Schlüssel ab und warten Sie, bis alle beweglichen Teile zum Stillstand gekommen sind. Wenn Sie den Schlüssel in die AUS-Position stellen, sollte der Motor abgestellt und das Messer gestoppt werden. Wenn dies nicht der Fall ist, setzen Sie die Maschine nicht mehr ein und wenden Sie sich sofort an einen offiziellen Vertragshändler.
Setzen Sie die Maschine nur bei guten Sichtverhältnissen und geeigneten Witterungsbedingungen ein. Verwenden Sie die Maschine nie bei möglichen Gewittern.
Berühren Sie die Schneideinheiten nicht mit Händen und Füßen. Bleiben Sie immer von der Auswurföffnung fern.
Mähen Sie nicht mit angehobenem, entferntem, oder geändertem Ablenkblech, es sei denn, es ist ein Grasauffangsystem oder ein Mulch-Kit angebaut und funktioniert einwandfrei.
Mähen Sie nur im Rückwärtsgang, wenn es unbedingt erforderlich ist. Blicken Sie immer nach unten und hinten, bevor Sie die Maschine rückwärts bewegen.
Seien Sie extrem vorsichtig, wenn Sie sich unübersichtlichen Kurven, Sträuchern, Bäumen und anderen Objekten nähern, die Ihre Sicht behindern können.
Stellen Sie die Messer ab, wenn Sie nicht mähen.
Stellen Sie den Motor sofort ab, wenn der Mäher auf einen Gegenstand aufprallt oder anfängt zu vibrieren, ziehen Sie den Schlüssel (falls vorhanden) ab und warten Sie, bis alle beweglichen Teile zum Stillstand gekommen sind, bevor Sie den Mäher auf eventuelle Beschädigungen untersuchen. Führen Sie alle erforderlichen Reparaturen durch, ehe Sie die Maschine wieder in Gebrauch nehmen.
Fahren Sie beim Wenden und beim Überqueren von Straßen und Gehsteigen mit der Maschine langsam und vorsichtig. Geben Sie immer Vorfahrt.
Vor dem Verlassen der Bedienposition:
Stellen Sie die Maschine auf einer ebenen Fläche ab.
Kuppeln Sie die Zapfwelle aus und senken Sie die Anbaugeräte ab.
Aktivieren Sie die Feststellbremse.
Stellen Sie den Motor ab und ziehen Sie den Schlüssel ab.
Warten Sie, bis alle beweglichen Teile zum Stillstand gekommen sind.
Betreiben Sie den Motor nur in gut belüfteten Bereichen. Die Abgase enthalten Kohlenmonoxid, das beim Einatmen tödlich ist.
Lassen Sie niemals eine laufende Maschine unbeaufsichtigt zurück.
Befestigen Sie gezogene Anbaugeräte nur an der Anhängevorrichtung an der Maschine.
Betreiben Sie die Maschine nur, wenn alle Schutzvorrichtungen und Sicherheitseinrichtungen, wie z. B. die Ablenkbleche und die gesamte Grasfangeinrichtung, vorhanden sind und ordnungsgemäß funktionieren. Ersetzen Sie verschlissene oder beschädigte Teile, wenn nötig.
Verwenden Sie nur von Toro zugelassene(s) Zubehör und Anbaugeräte.
Der Geräuschpegel dieser Maschine beträgt am Ohr des Bedieners mehr als 85 dBA, und dies kann bei einem längeren Einsatz Gehörschäden verursachen.

Entfernen Sie Gras und Schmutz vom Mähwerk, Antrieben, Auspuff und Motor, um einem Brand vorzubeugen.
Starten Sie den Motor, halten Sie dabei Ihre Füße von den Mähmessern fern.
Achten Sie auf den Auswurfbereich des Mähers und halten Sie den Auswurfkanal nie in Richtung umstehender Personen. Vermeiden Sie, Material gegen eine Wand oder ein Hindernis auszuwerfen, da das Material zum Ihnen zurückprallen kann.
Stellen Sie das Messer ab und fahren Sie langsam, wenn Sie Bereiche (außer Grasflächen) überqueren oder die Maschine zwischen den Einsatzbereichen transportieren.
Ändern Sie nicht die Geschwindigkeit des Drehzahlreglers oder überdrehen Sie den Motor.
Kinder werden häufig von Rasenmähern und vom Mähen angezogen. Gehen Sie nie davon aus, dass Kinder dort bleiben, wo Sie sie zuletzt gesehen haben.
Halten Sie Kinder aus dem Mähbereich fern und unter Aufsicht eines verantwortlichen Erwachsenen, der die Maschine nicht bedient.
Seien Sie wachsam und schalten Sie die Maschine aus, wenn Kinder den Arbeitsbereich betreten.
Bevor Sie mit der Maschine zurücksetzen oder wenden, schauen Sie nach unten und überall nach kleinen Kindern.
Nehmen Sie keine Kinder auf der Maschine mit, auch wenn sich die Messer nicht bewegen. Kinder können herunterfallen und sich schwer verletzen oder Sie bei der sicheren Bedienung der Maschine stören. Kinder, die vorher mitgenommen wurden, können den Mähbereich ohne Vorwarnung betreten und von der Maschine beim Vorwärtsfahren oder Rückwärtsfahren überfahren werden.
Hanglagen sind eine wesentliche Ursache für den Verlust der Kontrolle und Umkippunfälle, die zu schweren ggf. tödlichen Verletzungen führen können. Der Bediener ist für den sicheren Einsatz auf abschüssigem Gelände verantwortlich. Das Einsetzen der Maschine an jeder Hanglage erfordert große Vorsicht. Vor dem Einsatz der Maschine an einer Hanglage tun Sie Folgendes:
Lesen und verstehen Sie die Anweisungen zu Hanglagen in der Anleitung und auf der Maschine.
Ermitteln Sie das ungefähre Gefälle des Bereichs mit einem Neigungsmesser.
Setzen Sie die Maschine nie an Gefällen ein, die mehr als 15° aufweisen.
Prüfen Sie die Geländebedingungen an dem jeweiligen Tag, um zu ermitteln, ob die Maschine sicher auf der Hanglage eingesetzt werden kann. Setzen Sie immer gesunden Menschenverstand ein, wenn Sie diese Festlegung machen. Änderungen im Gelände, z. B. Feuchtigkeit, können den Betrieb der Maschine auf einer Hanglage schnell beeinträchtigen.
Achten Sie auf Gefahren unten am Hang. Setzen Sie die Maschine nicht in der Nähe von Abhängen, Gräben, Böschungen, Gewässern oder anderen Gefahrenstellen ein. Die Maschine könnte plötzlich umkippen, wenn ein Rad über eine Kante fährt oder die Kante nachgibt. Halten Sie einen Sicherheitsabstand (zweimal die Breite der Maschine) zwischen der Maschine und jeder Gefahrenstelle ein. Mähen Sie diese Bereiche mit einem handgeführten Rasenmäher oder einem handgeführten Freischneider.
Vermeiden Sie das Anfahren, Anhalten oder Wenden der Maschine an Hanglagen. Vermeiden Sie plötzliche Geschwindigkeits- oder Richtungsänderungen. Fahren Sie langsam und allmählich in eine Kurve.
Setzen Sie die Maschine nicht in Bedingungen ein, in denen der Antrieb, die Lenkung oder Stabilität in Frage gestellt wird. Beim Arbeiten auf nassem Gras, Überqueren von steilen Hanglagen oder beim Fahren hangabwärts kann die Maschine die Bodenhaftung verlieren. Wenn die Antriebsräder die Bodenhaftung verlieren, kann die Maschine rutschen und zu einem Verlust der Bremsleistung und Lenkung führen. Die Maschine kann weiter rutschen, auch wenn die Räder stehen.
Entfernen oder markieren Sie Hindernisse, u. a. Gräben, Löcher, Rillen, Bodenwellen, Steine oder andere verborgene Gefahren. Hohes Gras kann Hindernisse verdecken. Die Maschine könnte sich in unebenem Terrain überschlagen.
Passen Sie besonders auf, wenn Sie die Maschine mit Zubehör oder Anbaugeräten einsetzen, u. a. Heckfangsysteme. Diese Geräte können die Stabilität der Maschine ändern und zu einem Verlust der Fahrzeugkontrolle führen. Halten Sie die Anweisungen für Gegengewichte ein.
Halten Sie beim Einsatz der Maschine an Hanglagen die Mähwerke falls möglich abgesenkt. Das Anheben der Mähwerke beim Einsatz an Hanglagen kann zu einer Instabilität der Maschine führen.

Befestigen Sie abgeschleppte Geräte nur an der Anhängerkupplung.
Verwenden Sie die Maschine nur als Zugmaschine, wenn eine Anbauvorrichtung montiert ist.
Überschreiten Sie nicht das zulässige Gesamtgewicht für gezogene Geräte und das Schleppen an Hanglagen. Die Zuglast darf das zulässige Gesamtgewicht der Maschine mit Fahrer nicht überschreiten.
Halten Sie Kinder und andere Personen immer von angehängten Geräten fern.
Auf Hanglagen kann das Gewicht des angehängten Geräts zu einem Verlust der Haftung und Kontrolle sowie einem erhöhten Risiko eines Überschlagens führen. Verringern Sie das geschleppte Gewicht und die Geschwindigkeit.
Der Bremsweg verlängert sich möglicherweise mit dem Gewicht der geschleppten Last. Fahren Sie langsam und berücksichtigen Sie den längeren Bremsweg.
Wenden Sie großzügig, damit das Anbaugerät nicht die Maschine berührt.
Mit dem Zapfwellenantriebsschalter kuppeln Sie die Schnittmesser und angetriebene Anbaugeräte ein oder aus.

Note: Aktivieren Sie die Messer nur, wenn der Gasbedienungshebel in der SCHNELL-Stellung ist (Bild 19).


Sie können die Gasbedienung zwischen der SCHNELL- und LANGSAM-Stellung bewegen (Bild 21).
Benutzen Sie immer die SCHNELL-Stellung, wenn Sie die Zapfwelle einkuppeln.

Lassen Sie einen kalten Motor mit Choke an.
Ziehen Sie das Choke-Handrad heraus, um den Choke zu aktivieren, bevor Sie das Zündschloss verwenden (Bild 22).
Note: Stellen Sie sicher, dass Sie den Choke ganz aktivieren. Sie müssen das Handrad ggf. hochgezogen halten, wenn Sie das Zündschloss verwenden.
Drücken Sie den Choke herein, um den Choke zu deaktivieren, wenn der Motor angesprungen ist (Bild 22).

Note: Ein bereits warmer oder heiß gelaufener Motor benötigt keine oder eine nur minimale Starthilfe.
Important: Lassen Sie den Anlasser niemals länger als fünf Sekunden lang ununterbrochen drehen. Wenn Sie den Anlasser länger als fünf Sekunden betätigen, kann der Startermotor beschädigt werden. Wenn der Motor nicht anspringt, warten Sie 15 Sekunden, bevor Sie den Anlasser erneut betätigen.

Stellen Sie den Zapfwellenantriebsschalter in die AUS-Stellung, um die Messer auszukuppeln.
Schieben Sie die Fahrantriebshebel nach außen in die PARK-Stellung.
Stellen Sie den Gasbedienungshebel auf eine Position zwischen Halb- und Vollgas.
Stellen Sie den Zündschlüssel in die AUS-Stellung und ziehen Sie ihn ab.
Kinder und Unbeteiligte können verletzt werden, wenn Sie die unbeaufsichtigt zurückgelassene Maschine bewegen oder einsetzen.
Ziehen Sie immer den Schlüssel ab und aktivieren Sie die Feststellbremse, wenn Sie die Maschine unbeaufsichtigt lassen.

Die Antriebsräder drehen sich unabhängig und werden von Hydraulikmotoren an jeder Achse angetrieben. Daher kann eine Seite rückwärts und die andere vorwärts fahren, sodass sich die Maschine dreht statt wendet. Dies verbessert die Manövrierfähigkeit der Maschine, bedeutet jedoch ggf. eine gewisse Anpassung, bis Sie damit vertraut sind.
Sie können die Motordrehzahl mit dem Gasbedienungshebel einstellen, die in U/min (Umdrehungen pro Minute) gemessen wird. Stellen Sie die Gasbedienung auf die Stellung SCHNELL, um eine optimale Leistung zu erhalten. Mähen Sie immer mit Vollgas.
Die Maschine kann sich sehr schnell drehen. Sie können die Kontrolle über die Maschine verlieren, was zu Verletzungen und Maschinenschäden führen kann.
Wenden Sie nur vorsichtig.
Reduzieren Sie vor scharfen Wendungen die Geschwindigkeit.
Note: Seien Sie beim Wenden immer vorsichtig.
Stellen Sie die Hebel in die mittlere, entriegelte Stellung.
Drücken Sie die Fahrantriebshebel langsam nach vorne, um vorwärtszufahren (Bild 25).

Note: Passen Sie beim Rückwärtsfahren und Wenden immer auf.
Stellen Sie die Hebel in die mittlere, entriegelte Stellung.
Ziehen Sie zum Rückwärtsfahren die Fahrantriebshebel langsam nach hinten (Bild 26).

Der Hebel für die Smart Speed™ Steueranlage befindet sich unter der Bedienposition (Bild 27) und ermöglicht dem Bediener mit drei Fahrgeschwindigkeiten zu fahren, d. h. Schneiden, Abschleppen und Mähen.

So ändern Sie die Geschwindigkeit:
Bewegen Sie die Fahrantriebshebel in die Neutral-Stellung und nach außen in die PARK-Stellung.
Kuppeln Sie den Zapfwellenantriebsschalter aus.
Stellen Sie den Hebel auf die gewünschte Stellung.
Nachfolgend finden Sie Nutzungsempfehlungen. Die Einstellungen sind je nach Grassorte, Feuchtigkeitsgehalt und Grashöhe anders.
| Verwendungsvorschlag: | Schneiden | Abschleppen | Mähen |
| Parken | X | ||
| Schweres, nasses Gras | X | ||
| Schulung | X | ||
| Gras schneiden | X | ||
| Grasfang | X | ||
| Mulchen | X | ||
| Anbaugeräte schleppen | X | ||
| Normales Mähen | X | ||
| Bewegen der Maschine | X |
Schneiden
Dies ist die niedrigste Geschwindigkeit. Diese Geschwindigkeit sollte für Folgendes verwendet werden:
Parken
Mähen von schwerem, nassen Gras
Schulung
Gras schneiden
Abschleppen
Dies ist die mittlere Geschwindigkeit. Diese Geschwindigkeit sollte für Folgendes verwendet werden:
Grasfang
Mulchen
Anbaugeräte schleppen
Mähen
Dies ist die schnellste Geschwindigkeit. Diese Geschwindigkeit sollte für Folgendes verwendet werden:
Normales Mähen
Bewegen der Maschine
Das Mähwerk hat ein schwenkbares Ablenkblech, das Schnittgut zur Seite und nach unten auf die Grünfläche lenkt.
Wenn ein Ablenkblech, eine Auswurfkanalabdeckung oder ein Fangsystem nicht montiert sind, sind der Bediener und Unbeteiligte der Gefahr eines Kontakts mit dem Messer und ausgeschleuderten Gegenständen ausgesetzt. Kontakt mit dem drehenden Mähmesser oder ausgeschleuderten Gegenständen führt zu Verletzungen (möglicherweise tödlichen Verletzungen).
Entfernen Sie nie das Ablenkblech vom Mähwerk, da das Ablenkblech Material nach unten auf die Grünfläche lenkt. Wechseln Sie das Ablenkblech sofort aus, wenn es beschädigt ist.
Stecken Sie nie Hände oder Füße unter das Mähwerk.
Versuchen Sie nie, den Auswurfbereich oder die Schnittmesser zu räumen, ohne den Zapfwellenantriebsschalter in die AUS-Stellung zu schieben, das Zündschloss in die AUS-Stellung zu drehen und den Schlüssel aus dem Zündschloss zu ziehen.
Stellen Sie sicher, dass das Ablenkblech nach unten abgesenkt ist.
Note: Die Transportstellung ist die höchste Schnitthöheneinstellung oder Schnitthöhe von 114 mm, wie in Bild 28 abgebildet.
Sie können die Schnitthöhe in Schritten von 13 mm von 38 mm bis 114 mm einstellen. Die Schnitthöhe wird von einem Hebel gesteuert, der sich rechts von der Bedienposition befindet (Bild 28).

Stellen Sie die Antiskalpierrollen jedes Mal ein, wenn Sie die Schnitthöhe ändern.
Note: Stellen Sie die Antiskalpierrollen so ein, dass die Rollen in normalen, flachen Mähbereichen den Boden nicht berühren.
Stellen Sie die Maschine auf einer ebenen Fläche ab, kuppeln Sie den Zapfwellenantriebsschalter aus und schieben Sie die Fahrantriebshebel nach außen in die PARK-Stellung.
Stellen Sie vor dem Verlassen der Bedienungsposition den Motor ab, ziehen Sie den Schlüssel ab und warten Sie, bis alle beweglichen Teile zum Stillstand gekommen sind.
Stellen Sie die Antiskalpierrollen auf eine der folgenden Stellungen ein:
Oberes Loch: Verwenden Sie diese Stellung mit dem Mähwerk in der Schnitthöheneinstellung 63 mm oder niedriger (Bild 29).
Unteres Loch: Verwenden Sie diese Stellung mit dem Mähwerk in der Schnitthöheneinstellung 76 mm oder höher (Bild 29).

Stellen Sie die Antiskalpierrollen jedes Mal ein, wenn Sie die Schnitthöhe ändern.
Note: Stellen Sie die Antiskalpierrollen so ein, dass die Rollen in normalen, flachen Mähbereichen den Boden nicht berühren.
Stellen Sie die Maschine auf einer ebenen Fläche ab, kuppeln Sie den Zapfwellenantriebsschalter aus und schieben Sie die Fahrantriebshebel nach außen in die PARK-Stellung.
Stellen Sie vor dem Verlassen der Bedienungsposition den Motor ab, ziehen Sie den Schlüssel ab und warten Sie, bis alle beweglichen Teile zum Stillstand gekommen sind.
Stellen Sie die Antiskalpierrollen so ein, dass sie der nächsten Schnitthöheneinstellung entsprechen (Bild 30).

Lassen Sie den Motor für ein optimales Mähen und eine maximale Luftzirkulation in der SCHNELL-Stellung laufen. Zum gründlichen Zerhäckseln des Schnittguts wird Luft benötigt. Stellen Sie daher die Schnitthöhe nicht so niedrig ein, dass das Mähwerk vollständig von ungeschnittenem Gras umgeben ist. Versuchen Sie immer, eine Seite des Mähwerks von ungeschnittenem Gras frei zu halten, damit Luft in das Mähwerk angesaugt werden kann.
Mähen Sie das Gras etwas länger als normal, um sicherzustellen, dass die Schnitthöhe des Mähwerks keine Bodenunebenheiten skalpiert. Meist ist aber die in der Vergangenheit verwendete Schnitthöhe die beste. Mähen Sie den Rasen zweimal, wenn Sie Gras schneiden, das länger als 15 cm ist, damit Sie eine gute Schnittqualität sicherstellen.
Sie sollten nur ungefähr ein Drittel des Grashalms abschneiden. Wir empfehlen Ihnen nicht, mehr abzuschneiden, außer bei spärlichem Graswuchs oder im Spätherbst, wenn das Gras langsamer wächst.
Wechseln Sie die Mährichtung, damit das Gras aufrecht stehen bleibt. Dadurch wird auch das Schnittgut besser verteilt, was wiederum die Zersetzung und Düngung verbessert.
Gras wächst zu verschiedenen Zeiten während der Saison unterschiedlich schnell. Mähen Sie zum Beibehalten derselben Schnitthöhe zu Beginn des Frühlings häufiger. Sie können jedoch nicht so häufig mähen, wenn die Wachstumsrate des Grases im Sommer abnimmt. Mähen Sie zunächst, wenn der Rasen längere Zeit nicht gemäht wurde, bei einer höheren Schnitthöheneinstellung und dann zwei Tage später mit einer niedrigeren Einstellung noch einmal.
Unter bestimmten Bedingungen kann das Mähen mit einer niedrigeren Geschwindigkeit die Schnittqualität verbessern.
Heben Sie die Schnitthöhe an, um sicherzustellen, dass Sie eine unebene Grünfläche nicht abschürfen.
Wenn Sie die Maschine beim Mähen im Vorwärtsgang anhalten müssen, kann ein Schnittgutklumpen auf den Rasen fallen. Sie können dies vermeiden, wenn Sie mit eingekuppelten Schnittmessern auf einen bereits gemähten Bereich fahren, oder Sie können das Mähwerk auskuppeln, während Sie vorwärts fahren.
Entfernen Sie nach jedem Einsatz Schnittgut und Schmutz von der Unterseite des Mähwerks. Wenn sich im Mähwerk Gras und Schmutz ansammelt, verschlechtert sich letztendlich die Schnittqualität.
Sorgen Sie während der ganzen Mähsaison für ein scharfes Schnittmesser, weil ein scharfes Messer sauber schneidet, ohne die Grashalme abzureißen oder zu zerfetzen. Abgerissene Grashalme werden an den Kanten braun. Dadurch reduziert sich das Wachstum, und die Anfälligkeit des Rasens für Krankheiten steigt. Prüfen Sie die Schnittmesser nach jeder Verwendung auf Schärfe und Anzeichen von Abnutzung oder Schäden. Feilen Sie alle Auskerbungen aus und schärfen Sie ggf. die Messer. Wenn ein Messer beschädigt oder abgenutzt ist, ersetzen Sie es nur durch Originalersatzmesser von Toro. Siehe Warten der Schnittmesser.
Stellen Sie vor dem Verlassen der Bedienerposition den Motor ab, ziehen den Schlüssel ab, und warten, bis alle beweglichen Teile zum Stillstand gekommen sind. Lassen Sie die Maschine abkühlen, bevor Sie sie warten, einstellen, betanken, reinigen, oder einlagern.
Entfernen Sie Gras und Schmutz von den Mähwerken, den Auspuff, Antriebe, Grasfangeinrichtungen und dem Motorraum, um einem Brand vorzubeugen. Wischen Sie Öl- und Kraftstoffverschüttungen auf.
Ziehen Sie den Zündschlüssel ab, bevor Sie die Maschine einlagern oder transportieren.
| Wartungsintervall | Wartungsmaßnahmen |
|---|---|
| Nach jeder Verwendung |
|
Important: Sie können die Maschine mit einem milden Reinigungsmittel und Wasser waschen. Waschen Sie die Maschine nicht mit einem Hochdruckreiniger. Vermeiden Sie den Einsatz von zu viel Wasser, insbesondere in der Nähe des Armaturenbretts, unter dem Sitz, um den Motor, die Hydraulikpumpen und -motoren.
Stellen Sie die Maschine auf einer ebenen Fläche ab, kuppeln Sie den Zapfwellenantriebsschalter aus und schieben Sie die Fahrantriebshebel nach außen in die PARK-Stellung.
Stellen Sie den Motor ab und warten Sie, bis alle sich beweglichen Teile zum Stillstand gekommen sind, bevor Sie die Bedienungsposition verlassen.
Entfernen Sie Gras und Schmutz von Mähwerken, Auspuff, Antrieben, Grasfangeinrichtungen und Motor. Verwenden Sie, wenn möglich, Druckluft.
Note: Informationen zur Verwendung des Spülanschluss des Mähwerks finden Sie unter Reinigen der Unterseite des Mähwerks.
Stellen Sie die Maschine auf einer ebenen Fläche ab, kuppeln Sie den Zapfwellenantriebsschalter aus und schieben Sie die Fahrantriebshebel nach außen in die PARK-Stellung.
Stellen Sie den Motor ab und warten Sie, bis alle sich beweglichen Teile zum Stillstand gekommen sind, bevor Sie die Bedienungsposition verlassen.
Ermitteln Sie an beiden Seiten des Motors die Bypasshebel am Rahmen.
Schieben Sie beide Bypasshebel nach vorne durch den Schlitz und nach unten, um sie zu arretieren (Bild 31).
Eine Berührung mit heißen Oberflächen kann Verletzungen verursachen.
Berühren Sie den Motor, Auspuff und andere heiße Oberflächen nicht dem den Händen, Füßen, dem Gesicht und anderen Körperteile sowie mit Kleidungsstücken.
Die Maschine könnte sich unbeabsichtigt bewegen, während die Bypasshebel nach vorne in den Schlitz eingerastet sind, und Sie oder Unbeteiligte verletzen.
Verriegeln Sie die Bypasshebel nach dem Bewegen der Maschine nach hinten.

Lösen Sie die Feststellbremse, indem Sie beide Fahrantriebshebeln in die mittlere, entriegelte Stellung bringen.
Note: Starten Sie die Maschine nicht.
Bewegen Sie die Maschine nach Bedarf.
Important: Schieben Sie die Maschine immer per Hand. Schleppen Sie die Maschine nicht ab, da sie beschädigt werden könnte.
Schieben Sie die Fahrantriebshebel nach außen in die PARK-Stellung.
Schieben Sie beide Bypasshebel nach hinten und unten durch den Schlitz, um sie zu verriegeln.
Verwenden Sie einen robusten Anhänger oder Pritschenwagen zum Transportieren der Maschine. Verwenden Sie eine durchgehende Rampe. Stellen Sie sicher, dass der Anhänger oder Lastwagen mit den/der gesetzlich erforderlichen Bremsen, Beleuchtung und Kennzeichnungen ausgestattet ist. Bitte lesen Sie alle Sicherheitsanweisungen sorgfältig. Durch Kenntnis dieser Informationen können Sie sich und Unbeteiligte vor Verletzungen schützen. Ziehen Sie in Bezug auf Anforderungen für Anhänger und Befestigungen geltende Vorschriften zurate.
Das Fahren auf Straßen und Wegen ohne Blinker, Lampen, Reflektoren oder einen Aufkleber für langsame Fahrzeuge ist gefährlich und kann zu Unfällen mit Verletzungsgefahr führen.
Fahren Sie die Maschine nicht auf einer öffentlichen Straße oder einem öffentlichen Fahrweg.
Das Laden einer Maschine auf einen Anhänger oder einen Lastwagen erhöht die Umkippgefahr und könnte schwere oder tödliche Verletzungen verursachen (Bild 32).
Verwenden Sie nur eine durchgehende Rampe; verwenden Sie nicht einzelne Rampen für jede Seite der Maschine.
Überschreiten Sie nicht einen Winkel von 15 Grad zwischen Rampe und Boden oder zwischen Rampe und Anhänger oder Pritschenwagen.
Stellen Sie sicher, dass die Rampe mindestens viermal länger ist als der Abstand des Anhängers oder der Ladepritsche des Pritschenwagens vom Boden. Dies stellt sicher, dass der Rampenwinkel auf ebener Fläche nicht größer als 15 Grad ist.

Das Laden einer Maschine auf einen Anhänger oder einen Lastwagen erhöht die Umkippgefahr und kann schwere oder tödliche Verletzungen verursachen.
Passen Sie besonders beim Bedienen der Maschine auf einer Rampe auf.
Sie sollten immer rückwärts eine Rampe hochfahren und vorwärts von ihr herunterfahren.
Vermeiden Sie plötzliche Geschwindigkeitsänderung beim Fahren der Maschine auf einer Rampe, da Sie dadurch die Kontrolle verlieren könnten und Umkippgefahr besteht.
Wenn Sie einen Anhänger verwenden, schließen Sie ihn an die Zugmaschine an und schließen die Sicherheitsketten an.
Falls zutreffend die Anhängerbremsen und Lichter anschließen.
Senken Sie die Rampe ab und stellen Sie sicher, dass der Winkel zwischen der Rampe und dem Boden höchstens 15 Grad beträgt (Bild 32).
Fahren Sie die Maschine rückwärts die Rampe hoch (Bild 33).

Schalten Sie die Maschine aus, entfernen Sie den Schlüssel und schieben Sie die Fahrantriebshebel nach außen in die PARK-Stellung.
Vergurten Sie die Maschine in der Nähe der vorderen Laufräder und dem hinteren Rahmen mit Riemen, Ketten, Kabeln oder Seilen (Bild 34). Ziehen Sie in Bezug auf Anforderungen für Befestigungen geltende Vorschriften zurate.
Note: Richten Sie die Gurte nach unten und weg von der Maschine.

Note: Bestimmen Sie die linke und rechte Seite der Maschine anhand der üblichen Einsatzposition.
Wenn Sie den Schlüssel im Zündschloss lassen, könnte eine andere Person den Motor versehentlich anlassen und Sie und Unbeteiligte schwer verletzen. Ziehen Sie den Schlüssel aus dem Zündschloss, bevor Sie Wartungsarbeiten durchführen.
Bevor Sie den Fahrerstand verlassen, gehen Sie wie folgt vor:
Stellen Sie die Maschine auf einer ebenen Fläche ab.
Kuppeln Sie die Antriebe aus.
Aktivieren Sie die Feststellbremse.
Stellen Sie den Motor ab und ziehen Sie den Schlüssel ab.
Lassen Sie alle Maschinenteile abkühlen, ehe Sie mit Wartungsarbeiten beginnen.
Die Maschine sollte nie von ungeschulten Personen gewartet werden.
Halten Sie Ihre Hände und Füße von den beweglichen Teilen oder heißen Oberflächen fern. Bei laufendem Motor sollten keine Einstellungsarbeiten vorgenommen werden.
Lassen Sie den Druck aus Maschinenteilen mit gespeicherter Energie vorsichtig ab.
Prüfen Sie die Funktion der Feststellbremse häufig. Stellen Sie die diese bei Bedarf nach oder warten Sie diese.
Modifizieren Sie auf keinen Fall die Sicherheitsvorkehrungen. Prüfen Sie ihre einwandfreie Funktion in regelmäßigen Abständen.
Entfernen Sie Gras und Schmutz von den Mähwerken, den Auspuff, Antriebe, Grasfangeinrichtungen und dem Motorraum, um einem Brand vorzubeugen.
Wischen Sie verschüttetes Öl oder verschütteten Kraftstoff auf und entsorgen Sie mit Kraftstoff getränkte Rückstände.
Stützen Sie die Maschine nicht mit einem Hydrauliksystem oder Wagenheber ab, sondern verwenden Sie Achsständer, wenn Sie die Maschine anheben.
Halten Sie alle Teile der Maschine in gutem Betriebszustand. Alle Befestigungen, insbesondere die Befestigungselemente der Messer, müssen fest angezogen sein. Tauschen Sie abgenutzte oder beschädigte Aufkleber aus.
Klemmen Sie das Minuskabel von der Batterie ab, bevor sie die Maschine reparieren.
Um eine optimale Leistung zu gewährleisten, verwenden Sie nur Original Ersatzteile und Zubehör von Toro. Ersatzteile und Zubehör anderer Hersteller können gefährlich sein und eine Verwendung könnte die Garantie ungültig machen.
| Wartungsintervall | Wartungsmaßnahmen |
|---|---|
| Nach acht Betriebsstunden |
|
| Bei jeder Verwendung oder täglich |
|
| Nach jeder Verwendung |
|
| Alle 25 Betriebsstunden |
|
| Alle 100 Betriebsstunden |
|
| Alle 100 Stunden oder jährlich, je nachdem, was zuerst eintritt |
|
| Alle 200 Betriebsstunden |
|
| Alle 300 Betriebsstunden |
|
| Vor der Einlagerung |
|
Important: Weitere Informationen zu Wartungsarbeiten finden Sie in der Motorbedienungsanleitung.
Wenn Sie den Schlüssel im Zündschloss lassen, könnte eine andere Person den Motor versehentlich anlassen und Sie und Unbeteiligte schwer verletzen.
Stellen Sie den Motor ab und ziehen Sie den Schlüssel vom Schalter ab, bevor Sie Wartungsarbeiten durchführen.
Lösen Sie die zwei unteren Schrauben der Abdeckung, um die Oberseite des Mähwerks zugänglich zu machen (Bild 35).

Note: Nach den Wartungsarbeiten Schrauben wieder festziehen, um die Mähwerkabdeckung zu befestigen.
Stützen Sie die Maschine mit Stützböcken ab, wenn Sie sie anheben.
Stützen Sie die Maschine nicht auf der unteren Schalldämpferabdeckung (Bild 36) ab, da dies die Schalldämpferabdeckung beschädigen und zum Umstürzen der Maschine führen kann, wodurch Sie oder umstehende Personen verletzt werden.
Heben oder stützen Sie die Maschine nicht auf der unteren Schalldämpferabdeckung ab.

| Wartungsintervall | Wartungsmaßnahmen |
|---|---|
| Alle 25 Betriebsstunden |
|
Schmierfettsorte: Nr. 2 Allzweckschmierfett auf Lithiumbasis
Stellen Sie die Maschine auf einer ebenen Fläche ab, kuppeln Sie den Zapfwellenantriebsschalter aus und schieben Sie die Fahrantriebshebel nach außen in die PARK-Stellung.
Stellen Sie vor dem Verlassen der Bedienungsposition den Motor ab, ziehen den Schlüssel ab und warten, bis alle beweglichen Teile zum Stillstand gekommen sind.
Reinigen Sie die Schmiernippel (Bild 37) mit einem Lappen.
Note: Kratzen Sie ggf. Lack von der Vorderseite der Nippel ab.

Setzen Sie die Fettpresse nacheinander an allen Nippeln an (Bild 37).
Fetten Sie die Schmiernippel ein, bis das Fett beginnt, aus den Lagern auszutreten.
Wischen Sie überflüssiges Fett ab.
Berühren Sie den Auspuff und andere heiße Oberflächen nicht den Händen, Füßen, dem Gesicht und anderen Körperteilen sowie mit Kleidungsstücken. Lassen Sie alle Motorteile abkühlen, ehe Sie mit Wartungsarbeiten beginnen.
Ändern Sie nicht die Geschwindigkeit des Drehzahlreglers bzw. überdrehen Sie nicht den Motor.
| Wartungsintervall | Wartungsmaßnahmen |
|---|---|
| Bei jeder Verwendung oder täglich |
|
| Alle 300 Betriebsstunden |
|
Note: Reinigen Sie den Luftfilter bei besonders viel Staub und Sand im Arbeitsbereich häufiger (alle paar Stunden).
Stellen Sie die Maschine auf einer ebenen Fläche ab, kuppeln Sie den Zapfwellenantriebsschalter aus und schieben Sie die Fahrantriebshebel nach außen in die PARK-Stellung.
Stellen Sie vor dem Verlassen der Bedienungsposition den Motor ab, ziehen Sie den Schlüssel ab und warten Sie, bis alle beweglichen Teile zum Stillstand gekommen sind.
Reinigen Sie den Bereich um die Luftfilterabdeckung, sodass kein Schmutz in den Motor fällt und Schäden verursacht.
Lösen Sie die Schlauchklemme und entfernen den Papiereinsatz (Bild 36).

| Wartungsintervall | Wartungsmaßnahmen |
|---|
Reinigen Sie den Papiereinsatz durch leichtes Klopfen, um Staub herauszurütteln.
Note: Wechseln Sie den Papiereinsatz aus, wenn er sehr schmutzig ist.
Untersuchen Sie den Einsatz auf Risse, einen öligen Film und Schäden an der Gummidichtung.
Ersetzen Sie den Papiereinsatz, wenn er beschädigt ist.
Important: Reinigen Sie nicht den Papierfilter.
Ölsorte:Waschaktives Öl der API-Klassifikation SF, SG, SH, SJ, oder SL.
Kurbelgehäuse-Fassungsvermögen: 1,8 l ohne Filter; 2,1 l mit Filter
Viskosität: Siehe nachstehende Tabelle.

| Wartungsintervall | Wartungsmaßnahmen |
|---|---|
| Bei jeder Verwendung oder täglich |
|
Note: Prüfen Sie den Ölstand bei kaltem Motor.
Important: Wenn Sie zu viel oder zu wenig Öl in das Kurbelgehäuse füllen, kann der Motor beschädigt werden.
Stellen Sie die Maschine auf einer ebenen Fläche ab, kuppeln Sie den Zapfwellenantriebsschalter aus und schieben Sie die Fahrantriebshebel nach außen in die PARK-Stellung.
Stellen Sie vor dem Verlassen der Bedienungsposition den Motor ab, ziehen Sie den Schlüssel ab und warten Sie, bis alle beweglichen Teile zum Stillstand gekommen sind.
Note: Stellen Sie sicher, dass der Motor kalt ist, damit das Öl in die Wanne ablaufen kann.
Reinigen Sie den Bereich um den Ölfüllstutzendeckel bzw. den Peilstab vor dem Abnehmen, damit kein Schmutz oder Schnittgut usw. in den Motor gelangt (Bild 40).

| Wartungsintervall | Wartungsmaßnahmen |
|---|---|
| Nach acht Betriebsstunden |
|
| Alle 100 Betriebsstunden |
|
Stellen Sie die Maschine so ab, dass die Ablaufseite etwas tiefer liegt als die entgegengesetzte, damit sichergestellt wird, dass das Öl vollständig abläuft.
Kuppeln Sie den Zapfwellenantriebsschalter aus und schieben Sie die Fahrantriebshebel nach außen in die PARK-Stellung.
Stellen Sie vor dem Verlassen der Bedienungsposition den Motor ab, ziehen Sie den Schlüssel ab und warten Sie, bis alle beweglichen Teile zum Stillstand gekommen sind.
Lassen Sie das Öl vom Motor ab (Bild 39).

Gießen Sie langsam ungefähr 80 % der angegebenen Ölsorte in den Einfüllstutzen und füllen Sie dann vorsichtig mehr Öl ein, um den Ölstand an die Voll-Markierung zu bringen (Bild 42).

Entsorgen Sie Altöl im lokalen Recycling Center.
| Wartungsintervall | Wartungsmaßnahmen |
|---|---|
| Alle 200 Betriebsstunden |
|
Weitere Informationen zum Ablassen des Motoröls finden Sie unter Wechseln des Motoröls.
Wechseln Sie den Motorölfilter (Bild 41).

Note: Stellen Sie sicher, dass die Ölfilterdichtung den Motor berührt und drehen Sie den Filter dann um eine weitere Dreivierteldrehung.
Füllen Sie das Kurbelgehäuse mit der richtigen Ölsorte (Bild 40).
| Wartungsintervall | Wartungsmaßnahmen |
|---|---|
| Alle 100 Betriebsstunden |
|
Achten Sie darauf, dass der Abstand zwischen der mittleren und der seitlichen Elektrode korrekt ist, bevor Sie die Zündkerze eindrehen. Verwenden Sie zum Aus und Einbauen der Zündkerze einen Zündkerzenschlüssel und für die Prüfung und Einstellung des Elektrodenabstands eine Fühlerlehre. Setzen Sie bei Bedarf eine neue Zündkerze ein.
Zündkerzentyp: NGK® BPR4ES
Elektrodenabstand: 0,75 mm
Stellen Sie die Maschine auf einer ebenen Fläche ab, kuppeln Sie den Zapfwellenantriebsschalter aus und schieben Sie die Fahrantriebshebel nach außen in die PARK-Stellung.
Stellen Sie vor dem Verlassen der Bedienungsposition den Motor ab, ziehen Sie den Schlüssel ab und warten Sie, bis alle beweglichen Teile zum Stillstand gekommen sind. Lassen Sie den Motor abkühlen.
Reinigen Sie den Bereich um die Fassung der Zündkerze, damit kein Schmutz und keine Rückstände in den Motor gelangen.
Nehmen Sie die Zündkerze heraus (Bild 44).

Important: Reinigen Sie die Zündkerze(n) nie. Wechseln Sie die Zündkerze immer aus, wenn sie schwarz überzogen ist oder abgenutzte Elektroden, einen öligen Film oder Risse aufweist.
Wenn der Kerzenstein hellbraun oder grau ist, ist der Motor richtig eingestellt. Eine schwarze Schicht am Kerzenstein weist normalerweise auf einen schmutzigen Luftfilter hin.
Stellen Sie den Abstand auf 0,75 mm ein.


| Wartungsintervall | Wartungsmaßnahmen |
|---|---|
| Bei jeder Verwendung oder täglich |
|
Stellen Sie die Maschine auf einer ebenen Fläche ab, kuppeln Sie den Zapfwellenantriebsschalter aus und schieben Sie die Fahrantriebshebel nach außen in die PARK-Stellung.
Stellen Sie vor dem Verlassen der Bedienungsposition den Motor ab, ziehen Sie den Schlüssel ab und warten Sie, bis alle beweglichen Teile zum Stillstand gekommen sind.
Nehmen Sie den Luftfilter aus dem Motor.
Nehmen Sie die Motorhaube ab.
Bringen Sie den Luftfilter am Filtersockel an, damit keine Rückstände in das Ansaugrohr gelangen.
Entfernen Sie Schmutz- und Grasrückstände von diesen Teilen.
Entfernen Sie den Luftfilter und bringen Sie die Motorhaube an.
Setzen Sie den Luftfilter ein.
Unter bestimmten Bedingungen ist Kraftstoff extrem leicht entflammbar und hochexplosiv. Feuer und Explosionen durch Kraftstoff können Verbrennungen und Sachschäden verursachen.
Siehe Kraftstoffsicherheit für eine vollständige Liste der Vorsichtsmaßnahmen im Zusammenhang mit dem Kraftstoff.
| Wartungsintervall | Wartungsmaßnahmen |
|---|---|
| Alle 100 Betriebsstunden |
|
Setzen Sie nie einen verschmutzten Filter wieder ein, wenn Sie ihn aus der Kraftstoffleitung entfernt haben.
Stellen Sie die Maschine auf einer ebenen Fläche ab, kuppeln Sie den Zapfwellenantriebsschalter aus und schieben Sie die Fahrantriebshebel nach außen in die PARK-Stellung.
Stellen Sie vor dem Verlassen der Bedienungsposition den Motor ab, ziehen Sie den Schlüssel ab und warten Sie, bis alle beweglichen Teile zum Stillstand gekommen sind. Lassen Sie den Motor abkühlen.
Tauschen Sie den Kraftstofffilter aus (Bild 47).
Note: Stellen Sie sicher, dass der Durchflussrichtungspfeil auf dem neuen Filter in Richtung Motor zeigt.


Klemmen Sie das Minuskabel von der Batterie ab, bevor sie die Maschine reparieren.
Laden Sie den Akku in offenen, gut gelüfteten Bereichen und nicht in der Nähe von Funken und offenem Feuer. Stecken Sie das Ladegerät aus, ehe Sie die Batterie anschließen oder abklemmen. Tragen Sie Schutzkleidung und verwenden Sie isoliertes Werkzeug.
Batteriepole und Metallwerkzeuge können an metallischen Teilen Kurzschlüsse verursachen, was Funken erzeugen kann. Funken können zum Explodieren der Gase im Akku führen und Verletzungen verursachen.
Beim Aus- und Einbau des Akkus verhindern, dass Akkupole mit Metallteilen der Maschine in Kontakt kommen.
Vermeiden Sie Kurzschlüsse zwischen metallischen Werkzeugen, den Akkupolen und metallischen Maschinenteilen.
Stellen Sie die Maschine auf einer ebenen Fläche ab, kuppeln Sie den Zapfwellenantriebsschalter aus und schieben Sie die Fahrantriebshebel nach außen in die PARK-Stellung.
Stellen Sie vor dem Verlassen der Bedienungsposition den Motor ab, ziehen den Schlüssel ab und warten, bis alle beweglichen Teile zum Stillstand gekommen sind.
Klappen Sie den Sitz hoch, um die Batterie zugänglich zu machen.
Klemmen Sie das Minuskabel (schwarz) vom Batteriepol ab (Bild 48).
Note: Bewahren Sie alle Befestigungen auf.
Das unsachgemäße Abtrennen der Kabel von der Batterie kann die Maschine und die Kabel beschädigen und Funken erzeugen. Funken können zum Explodieren der Gase in der Batterie führen und Verletzungen verursachen.
Trennen Sie immer das Minuskabel (Schwarz) ab, bevor Sie das Pluskabel (Rot) abtrennen.
Schließen Sie immer das Pluskabel (Rot) an, bevor Sie das Minuskabel (Schwarz) anschließen.
Schieben Sie die Gummiabdeckung vom Pluskabel (Rot).
Klemmen Sie das Pluskabel (Rot) vom Batteriepol ab (Bild 48).
Note: Bewahren Sie alle Befestigungen auf.
Nehmen Sie die Batterieklemme ab (Bild 48) und heben Sie die Batterie aus dem Batteriefach heraus.

| Wartungsintervall | Wartungsmaßnahmen |
|---|---|
| Vor der Einlagerung |
|
Nehmen Sie die Batterie aus dem Chassis heraus, siehe Entfernen der Batterie.
Laden Sie die Batterie für mindestens eine Stunde mit 6 Ampere bis 10 Ampere auf.
Note: Überladen Sie die Batterie nicht.
Ziehen Sie den Stecker des Ladegeräts aus der Steckdose, wenn die Batterie ganz aufgeladen ist. Klemmen Sie dann die Klemmen des Ladegeräts von den Batteriepolen ab (Bild 49).

Setzen Sie die Batterie in das Fach (Bild 48).
Befestigen Sie das Pluskabel (rot) der Batterie mit den vorher entfernten Befestigungen am Pluspol (+) der Batterie.
Befestigen Sie das Minuskabel (rot) der Batterie mit den vorher entfernten Befestigungen am Minuspol (–) der Batterie.
Ziehen Sie die rote Polkappe über den (roten) Pluspol der Batterie.
Befestigen Sie die Batterie mit der Befestigung (Bild 48).
Senken Sie den Sitz ab.
Die elektrische Anlage wird durch Sicherungen geschützt. Es sind keine Wartungsarbeiten erforderlich. Überprüfen Sie jedoch das/den entsprechende(n) Bauteil/Stromkreis auf Kurzschluss, wenn eine Sicherung durchbrennt.
Sicherungstyp:
Haupt: F1 (25 A, Kfz-Sicherung)
Ladeschaltkreis: F2 (15 A, Kfz-Sicherung)
Stellen Sie die Maschine auf einer ebenen Fläche ab, kuppeln Sie den Zapfwellenantriebsschalter aus und schieben Sie die Fahrantriebshebel nach außen in die PARK-Stellung.
Stellen Sie vor dem Verlassen der Bedienungsposition den Motor ab, ziehen den Schlüssel ab und warten, bis alle beweglichen Teile zum Stillstand gekommen sind.
Klappen Sie den Sitz hoch, um an die Sicherungen zu gelangen.
Ziehen Sie die Sicherung zum Wechseln heraus (Bild 50).

Senken Sie den Sitz ab.
| Wartungsintervall | Wartungsmaßnahmen |
|---|---|
| Alle 25 Betriebsstunden |
|
Behalten Sie den für die Vorder- und Hinterreifen angegebenen Reifendruck bei. Ein unterschiedlicher Reifendruck kann zu einem ungleichmäßigen Schnittbild führen. Prüfen Sie den Druck am Reifenventil (Bild 51). Prüfen Sie den Reifendruck am kalten Reifen, um einen möglichst genauen Wert zu erhalten.
Pumpen Sie die Reifen der vorderen Laufräder auf 2,06 bar oder den auf der Seitenwand angegebenen Druck auf, je nachdem, welcher Wert niedriger ist.
Pumpen Sie die Reifen der hinteren Antriebsräder auf 0,9 bar auf.

Wenn Sie die Maschine mit voller Geschwindigkeit über eine ebene Fläche fahren und die Maschine auf eine Seite zieht, stellen Sie den Spurlauf ein.
Wenn die Maschine nach links zieht, stellen Sie den rechten Fahrantriebshebel ein; wenn die Maschine nach rechts zieht, stellen Sie den linken Fahrantriebshebel ein.
Note: Sie können die Spur nur für das Vorwärtsfahren einstellen.
Stellen Sie die Maschine auf einer ebenen Fläche ab, kuppeln Sie den Zapfwellenantriebsschalter aus und schieben Sie die Fahrantriebshebel nach außen in die PARK-Stellung.
Stellen Sie vor dem Verlassen der Bedienungsposition den Motor ab, ziehen den Schlüssel ab und warten, bis alle beweglichen Teile zum Stillstand gekommen sind.
Suchen Sie die Einstellschraube für den Spurlauf in der Nähe des Fahrantriebshebels auf der Seite, die eingestellt werden muss (Bild 52).
Note: Klappen Sie den Sitz hoch, um leichter an die Einstellschraube zu gelangen.
Drehen Sie die Schraube, um die Geschwindigkeit für das jeweilige Rad zu verringern.
Note: Drehen Sie die Schraube nur wenig, um kleinere Anpassungen vorzunehmen.

Starten Sie die Maschine und fahren Sie über eine ebene Fläche mit dem Fahrantriebshebel ganz nach vorne gestellt, um den Geradeauslauf der Maschine zu prüfen. Wiederholen Sie diese Schritte nach Bedarf.
| Wartungsintervall | Wartungsmaßnahmen |
|---|---|
| Alle 25 Betriebsstunden |
|
Ersetzen Sie einen abgenutzten Riemen. Anzeichen eines abgenutzten Riemens sind u. a. das Quietschen des Riemens, wenn er sich dreht, das Schlüpfen der Messer beim Mähen, zerfranste Ränder, Versengen und Risse im Riemen.
Anzeichen eines abgenutzten Riemens sind u. a. das Quietschen des Riemens, wenn er sich dreht, das Schlüpfen der Messer beim Mähen, zerfranste Ränder, Versengen und Risse im Riemen. Tauschen Sie den Mähwerkriemen aus, wenn Sie einen dieser Umstände feststellen.
Stellen Sie die Maschine auf einer ebenen Fläche ab, kuppeln Sie den Zapfwellenantriebsschalter aus und schieben Sie die Fahrantriebshebel nach außen in die PARK-Stellung.
Stellen Sie vor dem Verlassen der Bedienungsposition den Motor ab, ziehen Sie den Schlüssel ab und warten Sie, bis alle beweglichen Teile zum Stillstand gekommen sind.
Stellen Sie die Schnitthöhe auf die niedrigste Stellung ein (38 mm).
Entfernen Sie den Haarnadelsplint und drücken Sie die Lasche am Deckel hinein, um die Riemenscheibenabdeckungen zu entfernen (Bild 53).

Entfernen Sie die Spannscheibenfeder mit einem Werkzeug zur Federentfernung (Toro Bestellnummer 92-5771) vom Mähwerkhaken, um die Spannung von der Spannscheibe zu nehmen, und rollen Sie den Riemen von den Spannscheiben (Bild 54).
Die Feder steht im eingebauten Zustand unter Spannung und kann Verletzungen verursachen.
Passen Sie beim Entfernen des Riemens auf.

Verlegen Sie den neuen Riemen um die Motor- und Mähwerkriemenscheiben (Bild 54).
Setzen Sie die Spannscheibenfeder mit einem Werkzeug zur Federentfernung (Toro Bestellnummer 92-5771) auf den Mähwerkhaken, um die Spannscheibe und den Mähwerkriemen zu spannen (Bild 54).
Setzen Sie die Abdeckungen der Riemenscheibe auf.
Prüfen Sie die Messer regelmäßig auf Abnutzung oder Beschädigungen.
Prüfen Sie die Messer vorsichtig. Wickeln Sie die Messer in einen Lappen ein oder tragen Handschuhe; gehen Sie bei der Wartung der Messer mit besonderer Vorsicht vor. Wechseln oder schärfen Sie die Messer, sie dürfen keinesfalls geglättet oder geschweißt werden.
Denken Sie bei Maschinen mit mehreren Schnittmessern daran, dass ein rotierendes Schnittmesser das Mitdrehen anderer Schnittmesser verursachen kann.
Tauschen Sie abgenutzte oder defekte Messer und -schrauben als komplette Sätze aus, um die Wucht der Messer beizubehalten.
Halten Sie, damit eine optimale Schnittqualität sichergestellt wird, die Schnittmesser scharf. Sie sollten immer Ersatzmesser zur Hand haben, um das Schärfen und den Ersatz der Messer komfortabler ausführen zu können.
Stellen Sie die Maschine auf einer ebenen Fläche ab, kuppeln Sie den Zapfwellenantriebsschalter aus und schieben Sie die Fahrantriebshebel nach außen in die PARK-Stellung.
Stellen Sie den Motor ab, ziehen Sie den Zündschlüssel und den Zündkerzenstecker ab.
| Wartungsintervall | Wartungsmaßnahmen |
|---|---|
| Bei jeder Verwendung oder täglich |
|
Untersuchen Sie die Schnittkanten (Bild 55).
Entfernen Sie das Messer und schärfen Sie es, wenn die Kanten nicht scharf sind oder Kerben aufweisen; siehe Schärfen der Messer.
Prüfen Sie die Schnittmesser, insbesondere im gebogenen Bereich.
Wenn Sie Risse, Verschleiß oder Rillenbildung in diesem Bereich feststellen, sollten Sie sofort ein neues Schnittmesser einbauen (Bild 55).

Note: Für die folgenden Schritte muss die Maschine auf einer ebenen Fläche stehen.
Heben Sie das Mähwerk auf die höchste Schnitthöhe an.
Tragen Sie dicke Handschuhe oder andere angemessene Handschuhe und drehen Sie das Messer langsam in eine Stellung, in der das Messen des Abstands zwischen der Schnittkante und der ebenen Fläche der Maschine möglich ist (Bild 56).

Messen Sie von der Messerspitze bis zu ebenen Fläche (Bild 57).

Drehen Sie dasselbe Messer um 180 Grad, sodass die andere Schnittkante jetzt in derselben Stellung ist (Bild 58).

Messen Sie von der Messerspitze bis zu ebenen Fläche (Bild 59).
Note: Die Differenz sollte höchstens 3 mm betragen.

Wenn die Differenz zwischen A und B größer als 3 mm ist, wechseln Sie das Messer aus, siehe Entfernen der Messer und Einbauen der Messer.
Note: Wenn Sie ein verbogenes Messer durch ein neues ersetzen und der Wert weiterhin über 3 mm liegt, ist die Messerspindel ggf. verbogen. Wenden Sie sich für den Kundendienst an den offiziellen Vertragshändler.
Wenn die Abweichung innerhalb der Beschränkungen liegt, fahren Sie mit dem nächsten Messer fort.
Wiederholen Sie die Schritte für jedes Messer.
Wechseln Sie die Messer aus, wenn sie auf ein festes Objekt aufgeprallt sind oder nicht ausgewuchtet oder verbogen sind.
Halten Sie das Ende des Messers mit einem stark wattierten Handschuh oder wickeln Sie einen Lappen um es herum.
Entfernen Sie die Messerschraube, Wellenscheibe und das Messer von der Spindelwelle (Bild 60).

Schärfen Sie die Schnittkante an beiden Enden des Schnittmessers mit einer Feile (Bild 61).
Note: Behalten Sie den ursprünglichen Winkel bei.
Note: Das Mähmesser behält seine Auswuchtung bei, wenn von beiden Schnittkanten die gleiche Materialmenge entfernt wird.

Prüfen Sie die Auswuchtung des Schnittmessers auf einer Ausgleichsmaschine (Bild 62).
Note: Wenn das Schnittmesser in seiner horizontalen Position bleibt, ist es ausgewuchtet und kann wiederverwendet werden.
Note: Feilen Sie, wenn das Schnittmesser nicht ausgewuchtet ist, vom Flügelbereich des Messers etwas Metall ab (Bild 61).

Wiederholen Sie diesen Vorgang, bis das Messer ausgewuchtet ist.
Setzen Sie das Messer auf die Spindelwelle (Bild 60).
Important: Der gebogene Teil des Mähmesser muss nach oben zur Innenseite des Mähwerks zeigen, um einen guten Schnitt sicherzustellen.
Setzen Sie die Wellenscheibe (Kappenseite zum Messer) und die Messerschraube ein (Bild 60).
Ziehen Sie die Messerschraube mit einem Drehmoment von 81 bis 108 Nām an.
Prüfen Sie die Nivellierung des Mähwerks immer, wenn Sie das Mähwerk einbauen oder wenn Sie ungleichmäßige Schnitthöhen auf dem Rasen bemerken.
Prüfen Sie vor dem Nivellieren das Mähwerk auf verbogene Messer; wechseln Sie verbogene Messer aus, siehe Warten der Schnittmesser bevor Sie fortfahren.
Nivellieren Sie das Mähwerk zuerst seitlich, bevor Sie es in Längsrichtung nivellieren.
Voraussetzungen:
Die Maschine auf einer ebenen Fläche stehen.
Alle Reifen müssen den richtigen Druck haben; siehe Prüfen des Reifendrucks.
Stellen Sie die Maschine auf einer ebenen Fläche ab, kuppeln Sie den Zapfwellenantriebsschalter aus und schieben Sie die Fahrantriebshebel nach außen in die PARK-Stellung.
Stellen Sie vor dem Verlassen der Bedienungsposition den Motor ab, ziehen den Schlüssel ab und warten, bis alle beweglichen Teile zum Stillstand gekommen sind.
Stellen Sie die Schnitthöhe auf 76 mm ein.
Drehen Sie die Schnittmesser vorsichtig von einer Seite zur anderen.
Messen Sie den Abstand zwischen den äußeren Schnittkanten und der ebenen Oberfläche (Bild 63 und Bild 64).
Note: Wenn beide Messwerte nicht innerhalb von 5 mm liegen, ist eine Einstellung erforderlich, siehe Seitliches Nivellieren.


Prüfen Sie die Schnittmesserneigung in Längsrichtung jedes Mal, wenn Sie das Mähwerk einbauen. Wenn das Mähwerk vorne mehr als 7,9 mm tiefer liegt als hinten, stellen Sie die Schnittmesserneigung ein.
Stellen Sie die Maschine auf einer ebenen Fläche ab, kuppeln Sie den Zapfwellenantriebsschalter aus und schieben Sie die Fahrantriebshebel nach außen in die PARK-Stellung.
Stellen Sie vor dem Verlassen der Bedienungsposition den Motor ab, ziehen den Schlüssel ab und warten, bis alle beweglichen Teile zum Stillstand gekommen sind.
Stellen Sie die Schnitthöhe auf 76 mm ein.
Drehen Sie die Messer vorsichtig, sodass sie in Längsrichtung zeigen (Bild 65).
Messen Sie zwischen der Messerspitze vorne und hinten und der flachen Oberfläche (Bild 65 oder Bild 66).
Note: Wenn die vordere Messerspitze nicht um 1,6 mm bis 7,9 mm tiefer als die hintere Messerspitze ist, machen Sie mit Schritt Einstellen der Schnittmesserneigung in Längsrichtung weiter.


Gehen Sie zur linken Seite der Maschine.
Setzen Sie die Antiskalpierrollen in die oberen Löcher ein oder entfernen sie für diesen Schritt, siehe Einstellen der Antiskalpierrollen.
Stellen Sie den Schnitthöhenhebel auf 76 mm, siehe Einstellen der Schnitthöhe.
Legen Sie zwei 6,6 cm dicke Blöcke an jeder Seite unter die vordere Kante des Mähwerks, jedoch nicht unter die Halterungen der Antiskalpierrollen (Bild 67 oder Bild 68).
Legen Sie zwei 7,3 cm dicke Blöcke unter die hintere Kante des Mähwerks, einen an jeder Seite des Mähwerks (Bild 67 oder Bild 68).


Entfernen Sie den Splint und die Unterlegscheibe vom unteren Hubarmbolzen (Bild 69).

Drehen Sie die Schnitthöhenplatte in ein anderes Loch, so dass sie das Gewicht des Mähwerks nach der Montage der Platte trägt (Bild 70).

Montieren Sie die Unterlegscheibe und den Splint (Bild 70).
Wiederholen Sie die Schritte 6 bis 8 an der anderen Maschinenseite.
Prüfen Sie die Nivellierung in Querrichtung erneut; wiederholen Sie diese Schritte, bis die Messungen richtig sind.
Prüfen Sie die Schnittmesserneigung in Längsrichtung, um das Mähwerk zu nivellieren, siehe Prüfen der Schnittmesserneigung in Längsrichtung.
Drehen Sie die Einstellmutter an der Vorderseite des Mähers (Bild 71).

Ziehen Sie die Einstellmutter fest, um die Vorderseite des Mähwerks anzuheben.
Lockern Sie die Einstellmutter, um die Vorderseite des Mähwerks abzusenken.
Überprüfen Sie nach dem Einstellen erneut die Neigung in Längsrichtung. Stellen Sie die Mutter ein, bis die vordere Messerspitze um 1,6 mm bis 7,9 mm tiefer liegt als die hintere Messerspitze, siehe Prüfen der Schnittmesserneigung in Längsrichtung.
Wenn die Neigung in Längsrichtung richtig ist, prüfen Sie die seitliche Nivellierung des Mähwerks noch einmal; siehe Prüfen der Schnittmesserneigung in Längsrichtung.
Stellen Sie die Maschine auf einer ebenen Fläche ab, kuppeln Sie den Zapfwellenantriebsschalter aus und schieben Sie die Fahrantriebshebel nach außen in die PARK-Stellung.
Stellen Sie vor dem Verlassen der Bedienungsposition den Motor ab, ziehen den Schlüssel ab und warten, bis alle beweglichen Teile zum Stillstand gekommen sind.
Senken Sie den Schnitthöhenhebel in seine niedrigste Stellung ab.
Lösen Sie die unteren zwei Schrauben, mit denen die Mähwerkabdeckung am Mähwerk befestigt ist. Siehe Lösen der Mähwerkabdeckung.
Entfernen Sie den Splint von der vorderen Stützstange und nehmen Sie die Stange aus der Mähwerkhalterung (Bild 72).

Lassen Sie die Vorderseite des Mähwerks vorsichtig auf den Boden ab.
Entfernen Sie auf einer Seite der Maschine die Unterlegscheibe und den Splint vom Mähwerksstift (Bild 73).

Entfernen Sie den Hubarm vom Mähwerksstift (Bild 73).
Wiederholen Sie die Schritte 7 und 8 für die andere Seite der Maschine.
Schieben Sie das Mähwerk nach hinten, um den Mähwerkriemen von der Motorriemenscheibe zu entfernen.
Schieben Sie das Mähwerk unter der Maschine heraus.
Note: Bewahren Sie alle Teile für den Wiederzusammenbau auf.
Stellen Sie die Maschine auf einer ebenen Fläche ab, kuppeln Sie den Zapfwellenantriebsschalter aus und schieben Sie die Fahrantriebshebel nach außen in die PARK-Stellung.
Stellen Sie vor dem Verlassen der Bedienungsposition den Motor ab, ziehen den Schlüssel ab und warten, bis alle beweglichen Teile zum Stillstand gekommen sind.
Schieben Sie das Mähwerk unter die Maschine.
Senken Sie den Schnitthöhenhebel in seine niedrigste Stellung ab.
Heben Sie auf einer Seite der Maschine die Rückseite des Mähwerks an und montieren Sie den Hubarm am Mähwerksstift (Bild 73).
Montieren Sie den Hubarm mit der Unterlegscheibe und dem Splint (Bild 73).
Wiederholen Sie die Schritte 5 und 6 für die andere Seite der Maschine.
Befestigen Sie die vordere Stützstange mit den Lastösenbolzen und Splints am Mähwerk (Bild 72).
Verlegen Sie den Mähwerkriemen auf der Motorriemenscheibe, siehe Austauschen des Mähwerk-Treibriemens.
Ziehen Sie die unteren zwei Schrauben an, mit denen die Mähwerkabdeckung am Mähwerk befestigt ist, siehe Lösen der Mähwerkabdeckung.
| Wartungsintervall | Wartungsmaßnahmen |
|---|---|
| Bei jeder Verwendung oder täglich |
|
Eine nicht abgedeckte Auswurföffnung kann zum Ausschleudern von Gegenständen auf den Bediener oder Unbeteiligte führen. Das kann schwere Verletzungen zur Folge haben. Außerdem könnte es auch zum Kontakt mit dem Messer kommen.
Setzen Sie die Maschine nie ohne Grasablenkblech, Auswurfabdeckung oder Heckfangsystem ein.
Nehmen Sie die Mutter (ā ") aus der Stange unter dem Mähwerk ab (Bild 74).

Schieben Sie die Stange aus der Mähwerkhalterung, der Feder und dem Ablenkblech (Bild 74).
Entfernen Sie defekte oder abgenutzte Ablenkbleche.
Montieren Sie das neue Ablenkblech (Bild 74).
Schieben Sie das gerade Ende der Stange durch den hinteren Drehzapfen des Ablenkblechs.
Setzen Sie die Feder mit den Enddrähten nach unten auf die Stange, zwischen die Ablenkblechhalterungen.
Schieben Sie die Stange durch den zweiten Drehzapfen am Grasablenkblech (Bild 74).
Setzen Sie die Stange vorne am Ablenkblech in die Halterung am Mähwerk.
Befestigen Sie das hintere Stangenende mit einer Mutter (ā ") am Mähwerk, wie in Bild 74 abgebildet.
Important: Das Grasablenkblech muss in der abgesenkten Stellung unter Federdruck stehen. Heben Sie das Ablenkblech an, um zu testen, ob es in der ganz abgesenkten Stellung einrastet.
| Wartungsintervall | Wartungsmaßnahmen |
|---|---|
| Nach jeder Verwendung |
|
Important: Sie können die Maschine mit einem milden Reinigungsmittel und Wasser waschen. Waschen Sie die Maschine nicht mit einem Hochdruckreiniger. Vermeiden Sie den Einsatz von zu viel Wasser, insbesondere in der Nähe des Armaturenbretts, unter dem Sitz, um den Motor, die Hydraulikpumpen und -motoren.
Reinigen Sie die Mähwerkunterseite nach jedem Einsatz, um eine Schnittgutansammlung zu vermeiden, damit das Mulchen verbessert und das Schnittgut besser auf dem Rasen verteilt wird.
Stellen Sie die Maschine auf einer ebenen Fläche ab, kuppeln Sie den Zapfwellenantriebsschalter aus und schieben Sie die Fahrantriebshebel nach außen in die PARK-Stellung.
Stellen Sie vor dem Verlassen der Bedienungsposition den Motor ab, ziehen den Schlüssel ab und warten, bis alle beweglichen Teile zum Stillstand gekommen sind.
Montieren Sie die Schlauchkupplung auf die Kupplung am Mähwerk-Spülanschluss und drehen Sie das Wasser mit starkem Druck auf (Bild 75).
Note: Überziehen Sie den O-Ring des Spülanschlusses mit Vaseline, damit die Kupplung besser rutscht und der O-Ring geschützt wird.

Senken Sie das Mähwerk auf die niedrigste Schnitthöhe ab.
Setzen Sie sich auf den Sitz und lassen Sie den Motor an.
Kuppeln Sie den Zapfwellenantriebsschalter ein und lassen Sie das Mähwerk für 1-3 Minuten laufen.
Kuppeln Sie den Zapfwellenantriebsschalter aus, stellen den Motor ab, ziehen Sie den Schlüssel ab, und warten Sie bis alle beweglichen Teile zum Stillstand gekommen sind.
Stellen Sie das Wasser ab und schließen die Kupplung vom Spülanschluss ab.
Note: Wenn das Mähwerk nach einer Reinigung noch nicht sauber ist, weichen Sie es 30 Minuten lang ein. Wiederholen Sie dann die Reinigung.
Lassen Sie das Mähwerk noch einmal ein bis drei Minuten lang laufen, um überschüssiges Wasser zu entfernen.
Bei einem gebrochenen oder fehlenden Spülanschluss können Sie oder andere Personen von aufgeworfenen Gegenständen getroffen werden oder mit dem Schnittmesser in Berührung kommen. Ausgeschleuderte Gegenstände und die Berührung mit dem Schnittmesser können zu Verletzungen ggf. tödlichen führen.
Tauschen Sie einen zerbrochenen oder fehlenden Spülanschluss sofort aus, bevor Sie das Maschine erneut einsetzen.
Stecken Sie Ihre Hände und Füße niemals unter das Mähwerk oder durch Öffnungen im Mähwerk.
Motoröl, Akkus, Hydrauliköl und Motorkühlmittel belasten die Umwelt. Entsorgen Sie diese Mittel entsprechend den in Ihrem Gebiet gültigen Vorschriften.
Stellen Sie vor dem Verlassen der Bedienerposition den Motor ab, ziehen Sie den Schlüssel ab und warten Sie, bis alle beweglichen Teile zum Stillstand gekommen sind. Lassen die Maschine abkühlen, bevor Sie sie einstellen, warten, reinigen, oder einlagern.
Lagern Sie die Maschine bzw. den Kraftstoff nicht in der Nähe von offenem Feuer bzw. lassen Sie den Kraftstoff nicht in einem geschlossenen Raum oder Anhänger ab.
Lagern Sie weder die Maschine noch den Kraftstoffkanister in der Nähe von offenen Flammen, Funken oder Zündflammen wie z. B. bei einem Heizkessel oder sonstigen Geräten.
Kuppeln Sie den Zapfwellenantriebsschalter aus und aktivieren die Feststellbremse.
Stellen Sie vor dem Verlassen der Bedienungsposition den Motor ab, ziehen Sie den Schlüssel ab und warten Sie, bis alle beweglichen Teile zum Stillstand gekommen sind.
Entfernen Sie Schnittgut und Schmutz von den äußeren Teilen der Maschine, insbesondere vom Motor und der Hydraulikanlage. Entfernen Sie Schmutz und Häcksel außen an den Zylinderkopfrippen des Motors und am Gebläsegehäuse.
Important: Sie können die Maschine mit einem milden Reinigungsmittel und Wasser waschen. Reinigen Sie die Maschine nicht mit einem Hochdruckreiniger. Vermeiden Sie den Einsatz von zu viel Wasser, insbesondere in der Nähe des Armaturenbretts, des Motors, der Hydraulikpumpen und -motoren.
Prüfen Sie die Funktion der Feststellbremse; siehe Park-Stellung.
Warten Sie den Luftfilter, siehe Warten des Luftfilters.
Wechseln Sie das Öl im Kurbelgehäuse, siehe Wechseln des Motoröls.
Prüfen Sie den Reifendruck; siehe Prüfen des Reifendrucks.
Laden Sie die Batterie auf, siehe Aufladen der Batterie.
Wenn Sie die Maschine mit eingebauter Batterie lagern, klemmen Sie das Minuskabel (schwarz) von der Batterie ab.
Schaben Sie starke Schnittgut- und Schmutzablagerungen von der Unterseite des Mähwerks ab und reinigen Sie die Maschine dann mit einem Gartenschlauch.
Note: Lassen Sie die Maschine mit eingekuppeltem Zapfwellenantriebsschalter und Motor mit hoher Drehzahl für 2-5 Minuten nach dem Reinigen laufen.
Prüfen Sie den Zustand der Messer; siehe Warten der Schnittmesser.
Bereiten Sie die Maschine bei einer Stilllegung von mehr als 30 Tagen zur Einlagerung vor. Bereiten Sie die Maschine wie im Anschluss beschrieben für die Einlagerung vor:
Geben Sie dem Kraftstoff im Tank einen Stabilisator auf Mineralölbasis hinzu. Befolgen Sie dabei die Mischanweisungen des Herstellers des Kraftstoffstabilisators. Verwenden Sie keinen Stabilisator auf Alkoholbasis (Ethanol oder Methanol).
Lassen Sie den Motor für fünf Minuten laufen, um den stabilisierten Kraftstoff in der Kraftstoffanlage zu verteilen.
Stellen Sie den Motor ab und lassen ihn abkühlen; lassen Sie den Kraftstoff aus dem Tank ablaufen.
Starten Sie den Motor und lassen Sie ihn laufen, bis er abstellt.
Entsorgen Sie Kraftstoff vorschriftsmäßig. Entsorgen Sie den Kraftstoff entsprechend den örtlich geltenden Vorschriften.
Important: Kraftstoff, der Stabilisator/Konditionierer enthält, nicht länger als vom Hersteller des Kraftstoffstabilisators empfohlen lagern.
Entfernen und prüfen Sie den Zustand der Zündkerzen; siehe Warten der Zündkerze. Gießen Sie bei entfernter Zündkerze 30 ml (zwei Esslöffel) Motoröl in die Zündkerzenöffnung. Lassen Sie dann den Motor mit dem Anlasser an, um das Öl im Zylinder zu verteilen. Setzen Sie die Zündkerze(n) wieder ein. Setzen Sie der Zündkerze nicht den -stecker auf.
Prüfen Sie alle Muttern und Schrauben, und ziehen Sie diese bei Bedarf nach. Reparieren Sie alle beschädigten und defekten Teile oder wechseln sie aus.
Bessern Sie alle zerkratzten oder abgeblätterten Metallflächen aus. Die passende Farbe erhalten Sie bei Ihrem Toro Vertragshändler.
Lagern Sie die Maschine in einer sauberen, trockenen Garage oder an einem anderen geeigneten Ort ein. Ziehen Sie den Schlüssel aus dem Zündschloss und bewahren Sie ihn außerhalb der Reichweite von Kindern und anderen unbefugten Personen auf. Decken Sie die Maschine ab, damit sie geschützt ist und nicht verstaubt.
Laden Sie die Batterie ganz auf.
Lassen Sie die Batterie für 24 Stunden ruhen und prüfen Sie dann die Batteriespannung.
Note: Wenn die Batteriespannung unter 12,6 Volt liegt, wiederholen Sie die Schritte 1 und 2.
Trennen Sie die Kabel von der Batterie ab.
Prüfen Sie regelmäßig die Spannung, um sicherzustellen, dass die Spannung mindestens 12,4 Volt ist.
Note: Wenn die Batteriespannung unter 12,4 Volt liegt, wiederholen Sie die Schritte 1 und 2.
Wenn Sie die Batterie außerhalb der Maschine lagern, gehen Sie wie folgt vor:
Lagern Sie die Batterie aufrecht an einem kühlen und trockenen Ort.
Stapeln Sie Batterien nur direkt aufeinander, wenn sie in Kartons sind.
Stapeln Sie nicht mehr als drei Batterien (nur zwei bei gewerblichen Batterien).
Testen Sie eine Nassbatterie alle vier bis sechs Monate und laden sie ggf. auf.
Testen und laden Sie die Batterie vor dem Einsetzen auf.
| Problem | Possible Cause | Corrective Action |
|---|---|---|
| Der Kraftstofftank scheint zu kollabieren oder die Maschine scheint oft keinen Kraftstoff zu haben. |
|
|
| Der Motor wird zu heiß. |
|
|
| Der Anlasser läuft nicht. |
|
|
| Der Motor springt nicht an, kann nur schwer angelassen werden, oder stellt ab. |
|
|
| Der Motor verliert an Leistung. |
|
|
| Die Maschine fährt nicht. |
|
|
| Die Maschine weist abnormale Vibrationen auf. |
|
|
| Die Schnitthöhe ist unregelmäßig. |
|
|
| Die Schnittmesser drehen sich nicht. |
|
|
