| Onderhoudsinterval | Onderhoudsprocedure |
|---|---|
| Bij elk gebruik of dagelijks |
|
Deze zitmaaier met draaiende messen is bedoeld voor gebruik door particulieren in residentiële toepassingen. De machine is voornamelijk ontworpen voor het maaien van gras op goed onderhouden gazons. Dit product gebruiken voor andere doeleinden dan het bedoelde gebruik kan gevaarlijk zijn voor u of voor omstanders.
Lees deze informatie zorgvuldig door, zodat u weet hoe u de machine op de juiste wijze moet gebruiken en onderhouden en om schade aan de machine en letsel te voorkomen. U bent verantwoordelijk voor het juiste en veilige gebruik van de machine.
Ga naar www.Toro.com voor documentatie over productveiligheid en bedieningsinstructies, informatie over accessoires, hulp bij het vinden van een dealer of om uw product te registreren.
Als u service, originele Toro onderdelen of aanvullende informatie nodig hebt, kunt u contact opnemen met een erkende servicedealer of met de klantenservice van Toro. U dient hierbij altijd het modelnummer en het serienummer van het product te vermelden. De locatie van het plaatje met het modelnummer en het serienummer van het product is aangegeven op Figuur 1. U kunt de nummers noteren in de ruimte hieronder.
Important: U kunt met uw mobiel apparaat de QR-code op het plaatje met het serienummer (indien aanwezig) scannen om toegang te krijgen tot de garantie, onderdelen en andere productinformatie.

U kunt het modelnummer en het serienummer noteren in de ruimte hieronder:
Er worden in deze handleiding twee woorden gebruikt om uw aandacht op bijzondere informatie te vestigen. Belangrijk attendeert u op bijzondere technische informatie en Opmerking duidt algemene informatie aan die bijzondere aandacht verdient.
Het veiligheidssymbool (Figuur 2) komt zowel in deze handleiding als op de machine voor om belangrijke veiligheidsberichten te identificeren die u moet opvolgen om ongevallen te voorkomen. Het symbool zal verschijnen met het woord Gevaar of Waarschuwing.
Gevaar: een direct gevaarlijke situatie die, als deze niet wordt voorkomen, altijd zal leiden tot de dood of ernstig letsel.
Waarschuwing: een mogelijk gevaarlijke situatie die, als deze niet wordt voorkomen, kan leiden tot de dood of ernstig letsel.
Waarschuwing: een mogelijk gevaarlijke situatie die, als deze niet wordt voorkomen, kan leiden tot licht of middelmatig letsel.

Dit product voldoet aan alle relevante Europese richtlijnen; zie voor details de aparte productspecifieke conformiteitsverklaring.
Bruto- en nettokoppel: Het bruto- en nettokoppel van deze motor is door de motorfabrikant in laboratoriumomstandigheden gemeten volgens standaard J1940 of J2723 van de Society of Automotive Engineers (SAE). Omdat bij de configuratie rekening is gehouden met de veiligheids-, emissie- en gebruiksvoorschriften, zal de motor van dit type maaiers in de praktijk veel minder koppel hebben. Raadpleeg de meegeleverde documentatie van de motorfabrikant.
De bijgevoegde gebruikershandleiding van de motor biedt informatie over het Amerikaanse Environmental Protection Agency (EPA) en het Californische controlesysteem voor emissies, onderhoud en garantie. U kunt vervangingsonderdelen bestellen via de fabrikant van de motor.
Dit product kan handen of voeten afsnijden en voorwerpen uitwerpen. Volg altijd alle veiligheidsinstructies op om ernstig of mogelijk dodelijk letsel te voorkomen.
Lees deze Gebruikershandleiding en zorg ervoor dat u deze begrijpt voordat u de motor start.
Houd omstanders en kinderen uit de buurt.
Laat kinderen of personen die geen instructie hebben ontvangen de machine niet gebruiken of er onderhoudswerkzaamheden aan verrichten. Laat enkel mensen die verantwoordelijk en getraind zijn en die bovendien vertrouwd zijn met de instructies en fysiek ertoe in staat zijn de machine bedienen of er onderhoudswerkzaamheden aan verrichten.
Gebruik de machine niet in de buurt van steile hellingen, greppels, oevers, water of andere gevaren, of op hellingen steiler dan 15°.
Houd handen en voeten uit de buurt van de bewegende onderdelen van de machine.
Gebruik de machine niet als er schermen, veiligheidsschakelaars of andere beveiligingsmiddelen ontbreken of als deze niet naar behoren werken.
Zet de motor af, verwijder het contactsleuteltje en wacht totdat alle bewegende onderdelen tot stilstand zijn gekomen voordat u de bestuurderspositie verlaat. Laat de machine afkoelen voordat u deze afstelt, vult met brandstof, reinigt, stalt of er onderhoudswerkzaamheden aan verricht.

![]() |
Informatieve en veiligheidsstickers zijn gemakkelijk zichtbaar voor de bestuurder en bevinden zich bij plaatsen waar gevaar kan ontstaan. Vervang alle beschadigde of verdwenen stickers. |


Sticker 99-3943 is uitsluitend voor modellen met maaidekken van 127 cm.

Sticker 105-7015 is uitsluitend voor modellen met maaidekken van 107 cm.

Sticker 112-9840 is uitsluitend voor modellen met maaidekken van 127 cm.




Sticker 138-6074 is gegoten in de brandstoftank.


Sticker 139-2391 is voor modellen zonder urenteller.








Zorg dat u vertrouwd bent met alle bedieningsorganen voordat u de motor start en de machine gebruikt.

De contactschakelaar, waarmee u de motor start en afzet, heeft 3 standen: UIT, LOPEN en START (Figuur 5).
De gashendel regelt het motortoerental en zorgt voor een continu verstelbare regeling van LANGZAAM tot SNEL (Figuur 5).
Gebruik de chokeknop om een koude motor te starten (Figuur 5).
Met de maaimesschakelaar, aangeduid met het aftakassymbool (PTO), schakelt u de aandrijving naar de maaimessen aan of uit (Figuur 5).
De rijhendels worden gebruikt om de motor vooruit en achteruit te laten rijden en om bochten naar links of naar rechts te maken (Figuur 4).
Beweeg de rijhendels vanuit het midden naar buiten in de PARKEERSTAND om de parkeerrem aan te halen wanneer u de machine stopt of verlaat.
Gebruik de MyRide® instelhendel om de stoelvering af te stellen (Figuur 4).
De hendel van het Smart Speed™ systeem bevindt zich onder de bestuurdersstoel en geeft u de keuze uit drie snelheidsbereiken: trimmen, slepen en maaien (Figuur 27).
Met het brandstofvenstertje aan de linkerkant van de machine kunt u nagaan of er zich brandstof in de tank bevindt (Figuur 6).

Met de maaihoogtehendel kunt u het maaidek opheffen en neerlaten vanuit de bestuurdersstoel. Als u de hendel omhoog zet, naar u toe, wordt het maaidek opgeheven van de grond en als u de hendel omlaag zet, weg van u, wordt het maaidek neergelaten. De maaihoogte mag uitsluitend worden ingesteld als de machine stilstaat (Figuur 28).
Met het voetbediende maaidekhefsysteem kan de gebruiker het maaidek omhoog en omlaag brengen vanuit de bestuurdersstoel. U kunt het voetpedaal gebruiken om het maaidek kort omhoog te brengen om obstakels te vermijden of het regelen van de maaihoogte gemakkelijker te maken (Figuur 4)
Specificaties en ontwerp kunnen zonder voorafgaande kennisgeving worden gewijzigd.
| Maaidek van 107 cm | Maaidek van 127 cm | |
| Maaibreedte | 107 cm | 127 cm |
| Breedte met grasgeleider omlaag | 135 cm | 155 cm |
| Breedte met grasgeleider omhoog | 123 cm | 130 cm |
| Lengte | 185 cm | 186 cm |
| Hoogte | 112 cm | 109 cm |
| Gewicht | 332 kg | 353 kg |
Een selectie van door Toro goedgekeurde werktuigen en accessoires is verkrijgbaar voor gebruik met de machine om de mogelijkheden daarvan te verbeteren en uit te breiden. Neem contact op met een erkende servicedealer of een erkende Toro distributeur, of bezoek www.Toro.com voor een lijst van alle goedgekeurde werktuigen en accessoires.
Om de beste prestaties te verkrijgen en er zeker van te zijn dat de machine altijd veilig kan worden gebruikt, moet u ter vervanging uitsluitend originele Toro onderdelen en accessoires gebruiken. Gebruik ter vervanging nooit onderdelen en accessoires van andere fabrikanten, omdat dit gevaarlijk kan zijn. Dit kan ertoe leiden dat de garantie op het product komt te vervallen.
Note: Bepaal de linker- en rechterzijde van de machine vanuit de normale bedieningspositie.
Laat kinderen of personen die geen instructie hebben ontvangen de machine niet gebruiken of er onderhoudswerkzaamheden aan verrichten. Plaatselijke voorschriften kunnen nadere eisen stellen aan de leeftijd van degene die met de machine werkt. Plaatselijke voorschriften kunnen nadere eisen stellen aan de leeftijd van degene die met de machine werkt. De eigenaar is verantwoordelijk voor de instructie van alle bestuurders en technici.
Controleer de omgeving waar u de machine gaat gebruiken. Verwijder alle voorwerpen die de werking van de machine kunnen beïnvloeden of die door de machine kunnen worden uitgeworpen.
Zorg ervoor dat u vertrouwd raakt met de bedieningsorganen en de veiligheidssymbolen, en weet hoe u de machine veilig kunt gebruiken.
Controleer de aanwezigheid en goede werking van de dodemansinrichtingen, veiligheidsschakelaars en schermen. Gebruik de machine uitsluitend als deze naar behoren werkt.
Zet de motor af, verwijder het contactsleuteltje en wacht totdat alle bewegende onderdelen tot stilstand zijn gekomen voordat u de bestuurderspositie verlaat. Laat de machine afkoelen voordat u deze afstelt, vult met brandstof, reinigt, stalt of er onderhoudswerkzaamheden aan verricht.
Controleer voordat u begint te maaien de machine om zeker te zijn dat de maai-eenheden goed werken.
Inspecteer het terrein om na te gaan welke accessoires en werktuigen nodig zijn om de machine veilig en goed te gebruiken.
Draag geschikte kleding en uitrusting, zoals oogbescherming, een lange broek, stevige schoenen met een gripvaste zool en gehoorbescherming. Draag lang haar niet los en draag geen losse kleding of juwelen.
Vervoer geen passagiers op de machine.
Hou omstanders en huisdieren tijdens het werk uit de buurt van de machine. Schakel de machine en het/de werktuig(en) uit indien iemand het werkgebied betreedt.
Gebruik de machine niet tenzij alle schermen en veiligheidsvoorzieningen zoals de geleiders en de volledige grasvanger op hun plaats zitten en goed werken. Vervang versleten of kapotte onderdelen indien nodig.
Brandstof is uiterst ontvlambaar en zeer explosief. Brand of explosie van brandstof kan brandwonden bij u of anderen en materiële schade veroorzaken.
Om te voorkomen dat een statische lading de brandstof doet ontbranden, verwijdert u de machine van de truck of aanhanger en tankt u op de grond, uit de buurt van alle voertuigen. Indien dit niet mogelijk is, plaats dan een draagbaar brandstofvat op de grond, uit de buurt van alle voertuigen, en vul dit; tank de machine vervolgens bij uit het brandstofvat in plaats van met een vulpistool van een pomp.
Vul de brandstoftank op een horizontaal oppervlak en in de open lucht wanneer de motor koud is. Eventueel gemorste brandstof opnemen.
Rook niet als u omgaat met brandstof, en houd brandstof uit de buurt van open vuur en vonken.
Als de motor draait of heet is, mag de brandstoftankdop niet worden verwijderd en mag de tank niet met brandstof worden bijgevuld.
Probeer de motor niet te starten als u brandstof morst. Zorg ervoor dat er geen ontstekingsbronnen in de buurt zijn totdat de brandstofdampen volledig zijn verdwenen.
Brandstof in een goedgekeurd vat of blik en buiten bereik van kinderen bewaren.
Brandstof is schadelijk of dodelijk bij inname. Langdurige blootstelling aan dampen kan leiden tot ernstig letsel en ziekte.
Voorkom dat u dampen lange tijd inademt.
Houd uw handen en gezicht uit de buurt van het vulpistool en de opening van de brandstoftank.
Houd brandstof uit de buurt van ogen en huid.
Sla de machine en de brandstofhouder niet op plaatsen waar open vlammen, vonken of waakvlammen (bv. van een boiler of andere toestellen) aanwezig kunnen zijn.
Gebruik de machine uitsluitend als het complete uitlaatsysteem is gemonteerd en naar behoren werkt.
Houd het vulpistool in contact met de rand van de benzinetank of het vat tot het tanken voltooid is. Gebruik geen vergrendeling voor het vulpistool.
Als u brandstof morst op uw kleding dient u zich onmiddellijk om te kleden.
Giet de brandstoftank niet te vol. Plaats de brandstofdop terug en maak hem stevig vast.
Verwijder gras en vuil van de maai-eenheid, de geluiddemper, de aandrijvingen, de grasvanger en de motor om brand te voorkomen. Veeg gemorste olie en brandstof op.
| Type | Loodvrije benzine |
| Minimaal octaangetal | 87 (VS) of 91 (researchoctaangetal; buiten de VS) |
| Ethanol | Niet meer dan 10% van het volume |
| Methanol | Geen |
| MTBE (methyl-tertiair-butylether) | Niet meer dan 15% van het volume |
| Olie | Niet toevoegen aan de brandstof |
Gebruik uitsluitend schone, verse brandstof (minder dan 30 dagen oud) van een gerespecteerde bron.
Gebruik stabilizer/conditioner in de machine om de brandstof langer vers te houden; volg de aanbevelingen van de fabrikant van de stabilizer op.
Important: Gebruik nooit brandstofadditieven die methanol of ethanol bevatten.
Voeg de hoeveelheid stabilizer/conditioner toe aan de verse brandstof volgens de voorschriften van de fabrikant van de stabilizer.
Parkeer de machine op een horizontaal oppervlak.
Zet de rijhendels in PARKEER.
Zet de motor af en verwijder het sleuteltje.
Reinig het gebied rond de dop van de brandstoftank.
Vul de tank tot aan de onderkant van de vulbuis (Figuur 7). Vul de brandstoftank niet helemaal.

Voer elke dag, voordat u de machine start, de dagelijkse procedures uit beschreven in .
Een nieuwe motor heeft tijd nodig om vol vermogen te ontwikkelen. Maai-eenheden en aandrijfsystemen hebben meer wrijving als zij nieuw zijn, waardoor de motor extra wordt belast. Houd er rekening mee dat een nieuwe machine een inrijperiode van 40 tot 50 bedrijfsuren nodig heeft om vol vermogen te ontwikkelen voor de beste prestaties.
Niet-aangesloten of beschadigde interlockschakelaars kunnen onverwachte gevolgen hebben op de werking van de machine. Dit kan lichamelijk letsel veroorzaken.
Laat de interlockschakelaars ongemoeid.
Controleer elke dag de werking van de interlockschakelaars en vervang beschadigde schakelaars voordat u de machine weer in gebruik neemt.
Het veiligheidssysteem is bedoeld om starten van de motor alleen mogelijk te maken wanneer:
de messchakelaar (aftakas) is uitgeschakeld;
De rijhendels staan in de PARKEERSTAND.
Het veiligheidssysteem zorgt ook dat de motor wordt gestopt wanneer de rijhendels niet in PARKEER staan en u de bestuurdersstoel verlaat.
| Onderhoudsinterval | Onderhoudsprocedure |
|---|---|
| Bij elk gebruik of dagelijks |
|
Controleer de werking van het veiligheidssysteem telkens voordat u de machine in gebruik neemt. Als het veiligheidssysteem niet werkt zoals hieronder wordt beschreven, moet u het direct laten repareren door een erkende servicedealer.
Neem plaats op de bestuurdersstoel, zet de rijhendels in de PARKEERSTAND en zet de messchakelaar AAN. Probeer de motor te starten; de motor mag nu niet gaan draaien.
Blijf zitten op de bestuurdersstoel en schakel de messchakelaar in de UIT-stand. Zet één van de rijhendels in de middelste, onvergrendelde stand. Probeer de motor te starten; de motor mag nu niet gaan draaien. Beweeg nu de andere rijhendel.
Blijf zitten op de bestuurdersstoel, zet de messchakelaar UIT en zet de rijhendels vast in de PARKEERSTAND. Start de motor. Als de motor loopt, schakelt u de messchakelaar in en komt u iets overeind uit de bestuurdersstoel; de motor moet stoppen.
Blijf zitten op de bestuurdersstoel, zet de messchakelaar UIT en zet de rijhendels vast in de PARKEERSTAND. Start de motor. Als de motor loopt, moet u de rijhendels in de middelste, onvergrendelde stand zetten. Kom dan iets overeind uit de bestuurdersstoel; de motor moet stoppen.
U kunt de stoel naar voren en naar achteren verschuiven. De stand van de stoel moet zo zijn dat u de machine het best kunt bedienen en dat u comfortabel zit (Figuur 8).

De MyRide® ophanging kan worden versteld voor een soepele en comfortabele rit. De sleuven die dienen om de ophanging in te stellen, zijn uitgerust met vergrendelde standen die gaan van een soepel tot een strak afgeveerd gevoel (Figuur 9).
Parkeer de machine op een horizontaal oppervlak, schakel de aftakas uit en zet de rijhendels naar buiten in de PARKEERSTAND.
Zet de motor af, verwijder het contactsleuteltje en wacht totdat alle bewegende onderdelen tot stilstand zijn gekomen voordat u de bestuurderspositie verlaat.
Stap af de machine.
Terwijl u aan de rechterkant van de machine staat, beweegt u de instelhendel naar links in de richting van het ‘–’-symbool om de ophanging zachter in te stellen.
Beweeg de instelhendel naar rechts in de richting van het ‘+’-symbool voor een strakkere ophanging.

U kunt de rijhendels hoger of lager afstellen, voor meer comfort (Figuur 10).

U kunt de hoek van de rijhendels naar voren of achteren afstellen, voor meer comfort.
Verwijder de bovenste bout waarmee de rijhendel is bevestigd aan de schacht van de bedieningsarm.
Draai de onderste bout los totdat u de rijhendels naar voren of naar achteren kunt bewegen.

Draai de moeren aan om de rijhendel vast te zetten in de nieuwe stand.
Stel vervolgens ook de andere rijhendel af.
Het maaidek en de maaimessen die worden geleverd met de machine zijn ontworpen om optimale mulch- en zijuitworpprestaties te leveren.
Monteer het bevestigingsmateriaal van de zak met losse onderdelen in de lege openingen nadat u de recyclerschotten hebt verwijderd. Hierdoor voorkomt u dat er openingen niet afgedekt zijn wanneer u het maaidek gebruikt.
Het maaidek kan voorwerpen uitwerpen uit niet-afgedichte openingen, waardoor u en anderen letsel kunnen oplopen.
Gebruik de machine nooit zonder dat alle openingen in het maaikast zijn afgedicht met bouten en moeren.
Zorg ervoor dat er bouten en moeren zijn gemonteerd in de montageopeningen als de mulchplaat is verwijderd.
Parkeer de machine op een horizontaal oppervlak, schakel de aftakas uit en zet de rijhendels naar buiten in de PARKEERSTAND.
Zet de motor af, verwijder het contactsleuteltje en wacht totdat alle bewegende onderdelen tot stilstand zijn gekomen voordat u de bestuurderspositie verlaat.
Verwijder het maaidek; zie Het maaidek verwijderen.
Verwijder de 2 borgmoeren (5/16") van de gelaste pennen van het schot.

Verwijder de 2 slotbouten en 2 borgmoeren waarmee het schot bevestigd is aan het maaidek en verwijder het schot.
Gebruik 2 bouten van de losse onderdelen en gebruik de 2 aanwezige borgmoeren om de openingen die worden gebruikt voor de gelaste pennen te monteren om zo rondvliegende voorwerpen te voorkomen.
Note: Installeer de bevestigingen zo dat de moeren zich boven op het dek bevinden.
Gebruik de bout can de losse onderdelen en gebruik de aanwezige borkmoer on de opening aan de voorkant van het maaidek te monteren.
Note: Installeer de bevestigingen zo dat de moer zich buiten het dek bevindt.
Monteer het maaidek; zie Het maaidek monteren.
Parkeer de machine op een horizontaal oppervlak, schakel de aftakas uit en zet de rijhendels naar buiten in de PARKEERSTAND.
Zet de motor af, verwijder het contactsleuteltje en wacht totdat alle bewegende onderdelen tot stilstand zijn gekomen voordat u de bestuurderspositie verlaat.
Verwijder het maaidek; zie Het maaidek verwijderen.
Verwijder de 3 borgmoeren (5/16") van de gelaste pennen van het rechter schot.

Verwijder de slotbout en borgmoer waarmee het rechter schot bevestigd is aan het maaidek en verwijder het schot.
Gebruik de in stap 5 verwijderde slotbout en borgmoer om de opening aam de rechterkant van her maaidek te monteren om zo rondvliegende voorwerpen te voorkomen.
Note: Installeer de bevestigingen zo dat de moer zich buiten het dek bevindt.
Gebruik 3 bouten van de losse onderdelen en gebruik de 3 aanwezige borgmoeren om de openingen die worden gebruikt voor de gelaste pennen te monteren.
Note: Installeer de bevestigingen zo dat de moeren zich boven op het dek bevinden.
Verwijder de 2 borgmoeren (5/16") van de gelaste pennen van het linker schot.

Verwijder de slotbout en borgmoer waarmee het linker schot bevestigd is aan het maaidek en verwijder het schot.
Gebruik de in stap 9 verwijderde slotbout en borgmoer om de opening aam de rechterkant van her maaidek te monteren om zo rondvliegende voorwerpen te voorkomen.
Note: Installeer de bevestigingen zo dat de moer zich buiten het dek bevindt.
Gebruik 2 bouten van de losse onderdelen en gebruik de 2 aanwezige borgmoeren om de openingen die worden gebruikt voor de gelaste pennen te monteren.
Note: Installeer de bevestigingen zo dat de moeren zich boven op het dek bevinden.
Verwijder de moer van de stang van de grasgeleider onder het maaidek.

Gebruik de moer om de keerplaat te monteren aan de stang van de grasgeleider. Gebruik hierbij de buitenste opening in de keerplaat.
Monteer het maaidek; zie Het maaidek monteren.
De eigenaar/gebruiker is verantwoordelijk voor ongelukken die persoonlijk letsel of materiële schade kunnen veroorzaken, en hij dient zulke ongelukken te voorkomen.
Geef uw volledige aandacht als u de machine gebruikt. Zorg ervoor dat u met niets anders bezig bent waardoor u kunt worden afgeleid, anders kunnen er letsels ontstaan of kan eigendom worden beschadigd.
Gebruik de machine niet als u ziek, moe of onder de invloed van alcohol of drugs bent.
Contact met het mes kan leiden tot ernstig lichamelijk letsel. Zet de motor af, verwijder het contactsleuteltje en wacht totdat alle bewegende onderdelen tot stilstand zijn gekomen voordat u de bestuurderspositie verlaat. Wanneer u de sleutel naar UIT draait, moet de motor afslaan en moet het mes stoppen. Als dit niet het geval is, mag u de machine niet verder gebruiken en moet u contact opnemen met een erkende servicedealer.
Gebruik de machine uitsluitend als het zicht goed is en bij geschikte weersomstandigheden. Gebruik de machine niet als er kans op bliksem is.
Houd uw handen en voeten uit de buurt van de maai-eenheden. Blijf uit de buurt van de afvoeropening.
Maai niet als de grasgeleider in de geheven stand staat, verwijderd is of gewijzigd is, tenzij een grasvanger of mulchset gemonteerd is en goed werkt.
Maai uitsluitend in de achteruitstand, als dat strikt noodzakelijk is. Kijk altijd naar beneden en achterom voordat u achteruitrijdt.
Wees uiterst voorzichtig bij het naderen van blinde hoeken, struiken, bomen en andere objecten die het zicht kunnen belemmeren.
Stop de maaimessen als u niet daadwerkelijk maait.
Als de maaimachine toch een voorwerp raakt en begint te trillen, moet u meteen de motor afzetten, de contactsleutel verwijderen (indien de machine hiermee is uitgerust) en wachten totdat alle bewegende onderdelen tot stilstand zijn gekomen voordat u de machine op beschadiging controleert. Voer alle noodzakelijke reparaties uit voordat u de machine weer in gebruik neemt.
Verminder uw snelheid en wees voorzichtig als u een bocht maakt of wegen en voetpaden oversteekt met de machine. Verleen altijd voorrang.
Doe het volgende voordat u de bestuurdersstoel verlaat:
Parkeer de machine op een horizontaal oppervlak.
Schakel de aftakas uit en laat de werktuigen zakken.
Haal de parkeerrem aan.
Zet de motor af en verwijder het sleuteltje.
Wacht tot alle bewegende onderdelen tot stilstand zijn gekomen.
Laat de motor enkel draaien in goed verluchte omgevingen. Uitlaatgassen bevatten koolstofmonoxide, dat dodelijk is bij inademing.
Als u de machine verlaat, laat deze dan niet draaien.
Bevestig materiaal dat wordt gesleept uitsluitend aan het sleeppunt aan de machine.
Gebruik de machine niet tenzij alle schermen en veiligheidsvoorzieningen zoals de geleiders en de volledige grasvanger op hun plaats zitten en goed werken. Vervang versleten of kapotte onderdelen indien nodig.
Gebruik alleen door Toro goedgekeurde accessoires en werktuigen.
Deze machine stelt de gebruiker bloot aan geluidsniveaus van meer dan 85 dBA. Bij langdurige blootstelling kan dit leiden tot gehoorbeschadiging.

Verwijder gras en vuil van de maai-eenheid, de aandrijvingen, de geluiddemper en de motor om brand te voorkomen.
Start de motor en zorg er hierbij voor dat uw voeten uit de buurt van de messen zijn.
Let op de uitworp van de maaier en richt deze uit de buurt van mensen. Zorgt dat het afgevoerde materiaal niet tegen een muur of obstakel komt omdat het materiaal naar u terug kan ketsen.
Stop de messen, verminder de snelheid van de machine en wees voorzichtig wanneer u een oppervlak zonder gras oversteekt of wanneer u de machine transporteert van en naar het werkgebied.
Verander de snelheid van de toerenregelaar niet en laat de motor het maximale toerental niet overschrijden.
Kinderen komen vaak naar de machine en het maaien kijken. Ga er nooit van uit dat kinderen op de plaats blijven waar u ze voor laatst zag.
Houd kinderen uit de buurt van het werkgebied en plaats ze onder toezicht van een andere verantwoordelijke volwassene dan de bediener van de maaier.
Wees alert en schakel de machine uit als kinderen het werkgebied betreden.
Voordat u de machine achteruitrijdt of draait, moet u naar beneden en rond u kijken of er geen kleine kinderen in de buurt zijn.
Vervoer geen kinderen op de machine, zelfs wanneer de messen niet bewegen. Kinderen kunnen van de machine vallen en kunnen ernstig letsel oplopen of u verhinderen in het veilig gebruiken van de machine. Als een kind in het verleden op een maaier heeft meegereden, kan het in het maaigebied verschijnen zonder waarschuwing, en kan dan overreden worden door de maaier, bij het vooruit- of achteruitrijden.
Het maaien op hellingen is een belangrijke factor bij ongelukken waarbij de controle over de machine wordt verloren of deze omkantelt. Dit kan ernstig of dodelijk letsel veroorzaken. De bestuurder is verantwoordelijk voor een veilig gebruik van de machine op hellingen. Gebruik van de machine op hellingen vereist altijd extra voorzichtigheid. Doe het volgende voordat u de machine op een helling gaat gebruiken:
Lees de instructies voor gebruik op een helling in de handleiding en op de machine, en zorg dat u deze instructies begrijpt.
Gebruik een hellingsindicator om de hellingshoek bij benadering te bepalen.
Gebruik de maaimachine nooit op hellingen van meer dan 15°.
Onderzoek de toestand van het werkgebied op die dag om te bepalen of de machine veilig kan worden gebruikt op de helling. Gebruik uw gezond verstand en uw beoordelingsvermogen wanneer u dit onderzoek uitvoert. Veranderingen in het terrein, zoals de vochtigheidsgraad, kunnen snel van invloed zijn op de manier waarop de machine reageert op een helling.
Spoor gevaren onderaan de helling op. Gebruik de machine niet in de buurt van steile hellingen, greppels, oevers, water of andere gevaren. De machine kan plotseling omslaan als een wiel over de rand komt of als de rand instort. Houd een veilige afstand (tweemaal de breedte van de machine) tussen de machine en landschapselementen die gevaarlijk kunnen zijn. Gebruik een loopmaaier of een handtrimmer om gras te maaien op deze plaatsen.
Vermijd starten, stoppen of bochten maken op hellingen. Vermijd plotse veranderingen van snelheid of richting; verander traag en geleidelijk van richting.
Gebruik een machine nooit in omstandigheden waarbij u twijfelt over tractie, sturen of stabiliteit. Denk eraan dat de machine tractie kan verliezen doordat u bergafwaarts, op nat gras of dwars op een helling maait. Als de aandrijfwielen tractie verliezen, kunnen ze gaan slippen en kunt u niet meer remmen of sturen. De machine kan schuiven, zelfs als de aandrijfwielen niet draaien.
Verwijder of let op obstakels als sloten, gaten, geulen, hobbels, stenen of andere verborgen gevaren. In hoog gras zijn obstakels niet altijd zichtbaar. De machine kan omslaan op oneffenheden in het terrein.
Wees extra voorzichtig wanneer u de machine gebruikt met accessoires of werktuigen zoals grasopvangsystemen. Deze kunnen de machine minder stabiel maken, waardoor u de controle over de machine kunt verliezen. Volg de instructies voor gebruik van contragewichten op.
Laat het maaidek indien mogelijk neer op de grond wanneer u de machine op een helling gebruikt. Als u het maaidek omhoog brengt op hellingen, kan de machine onstabiel worden.

Bevestig materiaal dat wordt gesleept, uitsluitend aan het sleeppunt.
Gebruik de machine enkel als sleepvoertuig als ze voorzien is van een trekhaak.
Overschrijd de gewichtslimieten voor gesleepte werktuigen en slepen op hellingen niet. Het gesleepte gewicht mag niet hoger zijn dan het totale gewicht van de machine en de bestuurder.
Laat kinderen of andere personen nooit in de buurt komen van het gesleepte werktuig.
Op een helling kan het gewicht van een gesleept werktuig ertoe leiden dat de wielen hun grip verliezen, een hoger risico op omslaan, en verlies van de controle over de machine door de bestuurder Verminder het sleepgewicht en verminder uw snelheid.
Hoe zwaarder een gesleepte last, hoe langer de stopafstand kan worden. Rij langzaam en zorg voor voldoende afstand om te stoppen.
Maak grote bochten om ervoor te zorgen dat het werktuig de machine niet raakt.
De messchakelaar (aftakas) start en stopt de maaimessen en eventuele bekrachtigde werktuigen.

De gashendel heeft twee standen: SNEL en LANGZAAM (Figuur 21).
Gebruik altijd de stand SNEL wanneer u de aftakas inschakelt.

Gebruik de choke om een koude motor te starten.
Trek de knop van de choke omhoog om deze in te schakelen voordat u de contactschakelaar inschakelt (Figuur 22).
Note: Zorg ervoor dat u de choke volledig hebt ingeschakeld. Het zou kunnen dat u de knop omhoog moet houden als u het sleuteltje gebruikt.
Druk de choke omlaag om deze weer uit te schakelen nadat de motor is gestart (Figuur 22).

Note: Als de motor warm of heet is, hoeft u de choke niet te gebruiken.
Important: Stel de startmotor telkens niet langer dan 5 seconden in werking. Als u de startmotor langer dan 5 seconden in werking stelt, kan deze worden beschadigd. Als de motor niet wil starten, moet u 15 seconden wachten voordat u de startmotor opnieuw in werking stelt.

Schakel de maaimessen uit door de aftakasschakelaar op UIT te zetten.
Zet de rijhendels in de PARKEERSTAND.
Zet de gashendel tussen halfgas en vol gas.
Draai het sleuteltje op UIT en verwijder het sleuteltje.
Kinderen of omstanders kunnen letsel oplopen als zij de machine verplaatsen of proberen te bedienen terwijl deze onbeheerd staat.
Verwijder altijd het sleuteltje en stel de parkeerrem in werking wanneer u de machine onbeheerd achterlaat.

De aandrijfwielen draaien onafhankelijk en worden aangedreven door hydraulische motoren op elke as. U kunt de wielen aan de ene zijde achteruit laten draaien en tegelijk die aan de andere zijde vooruit, waardoor de machine om zijn as draait in plaats van een bocht te maken. Zo is de machine veel wendbaarder, maar het kan wat tijd vergen eer u gewend bent aan de manier waarop de machine beweegt.
Met de gashendel regelt u de snelheid van de motor, oftewel het toerental (in omwentelingen per minuut). Zet de gashendel op SNEL om de beste prestaties te verkrijgen. Laat de motor tijdens het maaien altijd vol gas draaien.
De machine kan zeer snel ronddraaien. De bestuurder kan de controle over de machine verliezen. Dit kan leiden tot lichamelijk letsel en schade aan de machine.
Wees voorzichtig als u een bocht maakt.
Verminder de snelheid van de machine voordat u een scherpe bocht maakt.
Note: Wees altijd voorzichtig bij het draaien.
Zet de hendels in de middelste, ontgrendelde stand.
Om vooruit te rijden, duwt u de rijhendels langzaam naar voren (Figuur 25).

Note: Wees altijd voorzichtig als u achteruitrijdt of draait.
Zet de hendels in de middelste, onvergrendelde stand.
Om achteruit te rijden, trekt u de rijhendels langzaam naar achteren (Figuur 26).

De hendel van het Smart SpeedTM besturingssysteem bevindt zich onder de bestuurdersstoel (Figuur 27) en geeft de bestuurder de keuze uit drie snelheidsbereiken: trimmen, slepen en maaien.

Om van snelheid te veranderen, gaat u als volgt te werk:
Zet de rijhendels in neutraal en dan naar buiten in de PARKEERSTAND.
Schakel de aftakas uit.
Zet de hendel in de gewenste stand.
Wat volgt, is uitsluitend bedoeld als gebruiksaanbeveling. De instelling is afhankelijk van de grassoort, het vochtgehalte en de hoogte van het gras.
| Aanbevolen gebruik: | Trimmen | Slepen | Maaien |
| Parkeren | X | ||
| Zwaar, nat gras | X | ||
| Instructie | X | ||
| Trimmen van gras | X | ||
| Maaisel opvangen | X | ||
| Mulchen | X | ||
| Bij het slepen van hulpstukken of werktuigen | X | ||
| Normaal maaien | X | ||
| Met de machine rijden | X |
Trimmen
Dit is de laagste snelheid. Deze snelheid wordt aanbevolen voor de volgende gevallen:
Parkeren
Zwaar, nat gras maaien
Instructie
Trimmen van gras
Slepen
Dit is de middelste snelheid. Deze snelheid wordt aanbevolen voor de volgende gevallen:
Maaisel opvangen
Mulchen
Bij het slepen van hulpstukken of werktuigen
Maaien
Dit is de hoogste snelheid. Deze snelheid wordt aanbevolen voor de volgende gevallen:
Normaal maaien
Met de machine rijden
Het maaidek is uitgerust met een scharnierende grasgeleider, die het maaisel zijwaarts en omlaag naar het gazon afvoert.
Als de grasgeleider, afsluiter van de afvoer of de grasvanger niet op de juiste plaats zijn gemonteerd, kunnen u of anderen in aanraking komen met het maaimes of uitgeworpen voorwerpen. Contact met het draaiende maaimes en uitgeworpen voorwerpen kan lichamelijk of dodelijk letsel veroorzaken.
Verwijder de grasgeleider nooit van het maaidek omdat hiermee het maaisel wordt afgevoerd naar het gazon. Een beschadigde grasgeleider moet direct worden vervangen.
Steek nooit uw handen of voeten onder het maaidek.
Probeer nooit het afvoersysteem of de maaimessen te reinigen zonder eerst de messchakelaar (aftakas) UIT te schakelen, het contactsleuteltje op UIT te draaien en het sleuteltje uit het contact te nemen.
Controleer of de grasgeleider omlaag staat.
Als u de maaihoogte wijzigt, stel dan de hoogte van de antiscalpeerrollen in.
Note: Stel de antiscalpeerrollen zo af dat ze de grond niet raken op normale, vlakke maaiterreinen.
Parkeer de machine op een horizontaal oppervlak, schakel de aftakas uit en zet de rijhendels naar buiten in de PARKEERSTAND.
Zet de motor af, verwijder het contactsleuteltje en wacht totdat alle bewegende onderdelen tot stilstand zijn gekomen voordat u de bestuurderspositie verlaat.
Stel de antiscalpeerrollen af in een van de volgende standen:
Bovenste gat – gebruik deze stand als het maaidek op een maaihoogte van 63 mm of lager staat (Figuur 29).
Onderste gat – gebruik deze stand als het maaidek op een maaihoogte van 76 mm of hoger staat (Figuur 29).

Als u de maaihoogte wijzigt, stel dan de hoogte van de antiscalpeerrollen in.
Note: Stel de antiscalpeerrollen zo af dat ze de grond niet raken op normale, vlakke maaiterreinen.
Parkeer de machine op een horizontaal oppervlak, schakel de aftakas uit en zet de rijhendels naar buiten in de PARKEERSTAND.
Zet de motor af, verwijder het contactsleuteltje en wacht totdat alle bewegende onderdelen tot stilstand zijn gekomen voordat u de bestuurderspositie verlaat.
Stel de antiscalpeerrollen (Figuur 30) in zodat deze zo goed mogelijk overeenkomen met de ingestelde maaihoogte.

Voor een optimaal maairesultaat en een maximale luchtcirculatie moet u de gashendel op SNEL zetten. Om het gras goed te maaien is lucht nodig; zet de maaihoogte dus niet te laag en zorg ervoor dat het maaidek niet helemaal door ongemaaid gras is omgeven. Probeer altijd één zijkant van het maaidek vrij van ongemaaid gras te houden, zodat lucht in het maaidek kan worden gezogen.
Laat het gras iets langer dan normaal om te voorkomen dat oneffenheden in het gras volledig worden weggemaaid. In het algemeen kan het best de voorheen gebruikte maaihoogte worden gekozen. Als u gras van meer dan 15 cm lang gaat maaien, kunt u het best in twee keer maaien om een goed maairesultaat te verkrijgen.
Aanbevolen wordt niet meer dan ongeveer één derde van de lengte van het gras af te maaien. Meer afmaaien wordt afgeraden, tenzij het gras dun is, of in de late herfst, wanneer het gras langzamer groeit.
Maai afwisselend in verschillende richtingen, zodat het gras rechtop blijft staan. Dit zorgt ook voor een betere verspreiding van het maaisel, wat de vertering en bemesting ten goede komt.
Het tempo waarmee het gras groeit, varieert per jaargetijde. Om dezelfde maaihoogte te behouden, moet u in het vroege voorjaar vaker maaien. Als de groeisnelheid in de zomer afneemt, maait u minder vaak. Als u langere tijd niet hebt kunnen maaien, maait u eerst op een hoge maaihoogte. Maai 2 dagen later op een lagere maaihoogte.
In bepaalde omstandigheden kan maaien bij een lagere rijsnelheid de maaikwaliteit verbeteren.
Wanneer u op oneffenheden maait, moet u de maaihoogte hoger zetten om een golvend gazon te voorkomen.
Als u de machine tijdens het maaien moet stoppen, kan er een kluit maaisel op uw gazon achterblijven. Om dit te voorkomen kunt u naar een reeds gemaaid oppervlak gaan met de messen ingeschakeld, of u kunt het maaidek uitschakelen terwijl u vooruitgaat.
Verwijder na elk gebruik maaisel en vuil van de onderkant van het maaidek. Als zich gras en vuil in het maaidek ophopen, leidt dat uiteindelijk tot een onbevredigend maairesultaat.
Zorg gedurende het hele maaiseizoen voor een scherp maaimes. Een scherp mes snijdt het gras goed af zonder het te scheuren of te kwetsen. Door scheuren en rafelen wordt het gras bruin aan de randen, waardoor het langzamer groeit en gevoeliger is voor ziekten. Controleer na elk gebruik of de maaimessen scherp zijn en of ze versleten of beschadigd zijn. Vijl regelmatig kerven en inkepingen weg en slijp de messen indien dit nodig is. Als een mes beschadigd of versleten is, moet u het onmiddellijk vervangen door een origineel Toro mes. Zie Onderhoud van de maaimessen.
Zet de motor af, verwijder het contactsleuteltje en wacht totdat alle bewegende onderdelen tot stilstand zijn gekomen voordat u de bestuurderspositie verlaat. Laat de machine afkoelen voordat u deze afstelt, vult met brandstof, reinigt, stalt of er onderhoudswerkzaamheden aan verricht.
Verwijder gras en vuil van de maai-eenheid, de geluiddemper, de aandrijvingen, de grasvanger en de motor om brand te voorkomen. Veeg gemorste olie en brandstof op.
Verwijder het contactsleuteltje voordat u de machine stalt of vervoert.
| Onderhoudsinterval | Onderhoudsprocedure |
|---|---|
| Na elk gebruik |
|
Important: U kunt het voertuig met een mild reinigingsmiddel en water wassen. Was de machine nooit met een hogedrukreiniger. Gebruik niet te veel water, vooral niet in de buurt van het bedieningspaneel, onder de stoel en rond de motor, de hydraulische pompen en de motors.
Parkeer de machine op een horizontaal oppervlak, schakel de aftakas uit en zet de rijhendels naar buiten in de PARKEERSTAND.
Zet de motor af en wacht totdat alle bewegende onderdelen tot stilstand zijn gekomen voordat u de bestuurderspositie verlaat.
Verwijder gras en vuil van de maai-eenheid, de geluiddemper, de aandrijvingen, de grasvanger en de motor. Gebruik indien mogelijk perslucht.
Note: Raadpleeg De onderkant van het maaidek reinigen voor informatie over het gebruik van de wasaansluiting van het maaidek.
Parkeer de machine op een horizontaal oppervlak, schakel de aftakas uit en zet de rijhendels naar buiten in de PARKEERSTAND.
Zet de motor af en wacht totdat alle bewegende onderdelen tot stilstand zijn gekomen voordat u de bestuurderspositie verlaat.
Zoek de omloophendels op het frame aan beide kanten van de machine.
Zet beide omloophendels naar voren door de sleufopening en dan naar beneden om ze vast te zetten (Figuur 31).
Contact met hete oppervlakken kan lichamelijk letsel veroorzaken.
Houd uw kleding, gezicht, handen, voeten en andere lichaamsdelen uit de buurt van de motor, geluiddemper en andere hete oppervlakken.
De machine kan onbedoeld in beweging komen terwijl de omloophendels naar voren in de sleuf zijn vergrendeld en u of omstanders verwonden.
Vergrendel de omloophendels naar achteren na het verplaatsen van de machine.

Schakel de parkeerrem uit door de beide rijhendels in de middelste, ontgrendelde stand te zetten.
Note: Start de machine niet.
Beweeg de machine indien nodig.
Important: U moet de machine altijd met de hand duwen. Sleep de machine niet: dit kan schade veroorzaken.
Zet de rijhendels in de PARKEERSTAND.
Beweeg beide omloophendels naar achteren en naar beneden door de sleufopening om ze op hun plaats te vergrendelen.
Gebruik een aanhanger of vrachtwagen voor zwaar vervoer om de machine te transporteren. Gebruik altijd een oprijplaat over de volledige breedte. Zorg ervoor dat de aanhanger of vrachtwagen is voorzien van alle benodigde remmen, verlichting en aanduidingen die wettelijk vereist zijn. Lees aandachtig alle veiligheidsinstructies. Met behulp van deze informatie kunt u voorkomen dat omstanders of uzelf letsel oplopen. Raadpleeg de lokale vereisten inzake aanhangwagens en de bevestiging van machines.
Rijden op de weg zonder richtingaanwijzers, verlichting, reflectoren of een bord met de aanduiding 'Langzaam rijdend voertuig' is gevaarlijk en kan leiden tot ongelukken die lichamelijk letsel veroorzaken.
Rijd niet met de machine op de openbare weg.
Als een machine wordt geladen op een aanhanger of een vrachtwagen, wordt de kans vergroot dat de machine kantelt. Dit kan ernstig lichamelijk letsel of de dood veroorzaken (Figuur 32).
Gebruik één oprijplaat over de volledige breedte. Gebruik geen afzonderlijke oprijplaten voor elke kant van de machine.
Zorg ervoor dat de hoek van de oprijplaat en de grond of van de oprijplaat en de aanhanger of vrachtwagen niet groter is dan 15 graden.
Zorg ervoor dat de oprijplaat minstens 4 keer zo lang is als de afstand van de laadbak van de vrachtwagen of aanhanger tot de grond. Hierdoor is de hoek die de oprijplaat maakt niet groter dan 15 graden op een vlakke ondergrond.

Als een machine wordt geladen op een aanhanger of een vrachtwagen, wordt de kans vergroot dat de machine kantelt. Dit kan ernstig lichamelijk letsel of de dood veroorzaken.
Ga zeer voorzichtig te werk als u een machine een hellingbaan op-/afrijdt.
Rij de machine achteruit op de oprijplaat en rij er vooruit af.
U mag niet abrupt versnellen of vertragen als u de machine een hellingbaan op- of afrijdt, omdat anders de machine kan kantelen of u de controle over de machine kunt verliezen.
Als u een aanhanger gebruikt, bevestig deze dan aan het sleepvoertuig en sluit de veiligheidskettingen aan.
Sluit indien van toepassing de remmen en verlichting van de aanhanger aan.
Laat de oprijplaat zakken; zorg dat de hellingshoek van de oprijplaat ten opzichte van de grond niet groter is dan 15 graden (Figuur 32).
Rij de machine achteruit op de oprijplaat (Figuur 33).

Zet de motor uit, verwijder het sleuteltje en zet de rijhendels naar buiten in de PARKEERSTAND.
Zet de machine vast bij de voorste zwenkwielen en het achterframe; gebruik hierbij spanbanden, kettingen, kabels of touwen (Figuur 34). Raadpleeg de lokale vereisten inzake de bevestiging van machines.
Note: Leid de spanbanden omlaag en richt ze weg van de machine.

Note: Bepaal vanuit de normale bedieningspositie de linker- en rechterzijde van de machine.
Als u het sleuteltje in het contact laat, bestaat de kans dat iemand de motor per ongeluk start waardoor u en andere omstanders ernstig letsel kunnen oplopen. Verwijder het sleuteltje uit het contact voordat u onderhoudswerkzaamheden uitvoert aan de machine.
Doe het volgende voordat u de bestuurdersstoel verlaat:
Parkeer de machine op een horizontaal oppervlak.
Schakel de aandrijvingen uit.
Haal de parkeerrem aan.
Zet de motor af en verwijder het sleuteltje.
Laat de onderdelen van de machine afkoelen voordat u onderhoudswerkzaamheden uitvoert.
Laat personeel dat niet bekend is met de instructies, nooit onderhoudswerkzaamheden aan de machine uitvoeren.
Houd uw handen en voeten uit de buurt van bewegende onderdelen of hete oppervlakken. Stel indien mogelijk de machine niet af terwijl de motor loopt.
Haal voorzichtig de druk van onderdelen met opgeslagen energie.
Controleer de werking van de parkeerrem regelmatig. Indien nodig moet u deze afstellen en een onderhoudsbeurt geven.
Knoei nooit met de veiligheidsvoorzieningen. Controleer regelmatig of ze goed werken.
Verwijder gras en vuil van de maai-eenheid, de geluiddemper, de aandrijvingen, de grasvanger en de motor om brand te voorkomen.
Verwijder gemorste olie of brandstof en met brandstof doortrokken rommel.
Vertrouw niet op een hydraulisch systeem of mechanische krik om de machine te ondersteunen; ondersteun de machine altijd met kriksteunen.
Zorg ervoor dat alle onderdelen in goede staat verkeren en alle bevestigingselementen stevig vastzitten, in het bijzonder het bevestigingsmateriaal van de maaimessen. Vervang versleten of beschadigde stickers.
Maak de kabel los van de minpool van de accu voordat u de machine repareert.
Om veilige en optimale prestaties te verkrijgen, moet u ter vervanging alleen originele Toro- onderdelen en accessoires gebruiken. Gebruik ter vervanging nooit onderdelen en accessoires van andere fabrikanten, omdat dit gevaarlijk kan zijn. Dit kan ertoe leiden dat de garantie op het product komt te vervallen.
| Onderhoudsinterval | Onderhoudsprocedure |
|---|---|
| Na de eerste 8 bedrijfsuren |
|
| Bij elk gebruik of dagelijks |
|
| Na elk gebruik |
|
| Om de 25 bedrijfsuren |
|
| Om de 100 bedrijfsuren |
|
| Om de 100 bedrijfsuren of jaarlijks, waarbij de kortste periode moet worden aangehouden |
|
| Om de 200 bedrijfsuren |
|
| Om de 300 bedrijfsuren |
|
| Vóór de stalling |
|
Important: Raadpleeg de Gebruikershandleiding van de motor voor verdere onderhoudsprocedures.
Als u het sleuteltje in het contact laat, bestaat de kans dat iemand de motor per ongeluk start waardoor u en andere omstanders ernstig letsel kunnen oplopen.
Zet de motor af en haal het sleuteltje uit het contact voordat u onderhoud uitvoert.
Maak de 2 onderste bouten van de afdekking los om toegang te verkrijgen tot de bovenkant van het maaidek (Figuur 35).

Note: Draai de bouten altijd vast om de afdekking te bevestigen na onderhoudswerkzaamheden.
Plaats de machine op assteunen wanneer u ze omhoogbrengt.
De machine ondersteunen op het onderste geluiddemperscherm (Figuur 36) kan het scherm beschadigen en kan de machine doen vallen, waardoor u en omstanders letsel kunnen oplopen.
Gebruik het onderste geluiddemperscherm niet om de machine te ondersteunen of op te tillen.

| Onderhoudsinterval | Onderhoudsprocedure |
|---|---|
| Om de 25 bedrijfsuren |
|
Type vet: nr. 2 vet op lithiumbasis
Parkeer de machine op een horizontaal oppervlak, schakel de aftakas uit en zet de rijhendels naar buiten in de PARKEERSTAND.
Zet de motor af, verwijder het contactsleuteltje en wacht totdat alle bewegende onderdelen tot stilstand zijn gekomen voordat u de bestuurderspositie verlaat.
Reinig de smeernippels (Figuur 37) met een doek.
Note: Verwijder indien nodig verf van de voorkant van de fitting(s).

Sluit een smeerpistool aan op elke smeernippel (Figuur 37).
Spuit vet in de nippels totdat er vet bij de lagers naar buiten komt.
Veeg overtollig vet weg.
Houd uw handen, voeten, gezicht, andere lichaamsdelen en kleding uit de buurt van de geluiddemper en andere hete oppervlakken. Laat de onderdelen van de motor afkoelen voordat u onderhoudswerkzaamheden uitvoert.
Verander de snelheid van de toerenregelaar niet en laat de motor het maximale toerental niet overschrijden.
| Onderhoudsinterval | Onderhoudsprocedure |
|---|---|
| Bij elk gebruik of dagelijks |
|
| Om de 300 bedrijfsuren |
|
Note: Het luchtfilter moet vaker een onderhoudsbeurt krijgen (om de paar uren) als de machine wordt gebruikt in buitengewoon stoffige of zanderige omstandigheden.
Parkeer de machine op een horizontaal oppervlak, schakel de aftakas uit en zet de rijhendels naar buiten in de PARKEERSTAND.
Zet de motor af, verwijder het contactsleuteltje en wacht totdat alle bewegende onderdelen tot stilstand zijn gekomen voordat u de bestuurderspositie verlaat.
Maak de omgeving van het luchtfilterdeksel schoon om te voorkomen dat vuil in de motor komt en schade veroorzaakt.
Draai de slangklem los en verwijder het papierelement (Figuur 36).

| Onderhoudsinterval | Onderhoudsprocedure |
|---|
Reinig het papierelement door er voorzichtig op te kloppen en het stof te verwijderen.
Note: Als het papierelement zeer vuil is, vervang het dan door een nieuwe papierelement.
Controleer het filter op scheuren, een vettig oppervlak of beschadiging van de rubberen afdichting.
Vervang het papierelement als het is beschadigd.
Important: U mag het papierfilter niet reinigen.
Type olie: Reinigingsolie (API onderhoudsclassificatie SF, SG, SH, SJ of SL)
Carterinhoud: 1,8 liter; zonder filter; 2,1 liter met filter
Viscositeit: zie onderstaande tabel.

| Onderhoudsinterval | Onderhoudsprocedure |
|---|---|
| Bij elk gebruik of dagelijks |
|
Note: Controleer het oliepeil als de motor koud is.
Important: Als er te veel of te weinig olie zit in het carter van de motor en u laat de motor toch draaien, kunt u deze beschadigen.
Parkeer de machine op een horizontaal oppervlak, schakel de aftakas uit en zet de rijhendels naar buiten in de PARKEERSTAND.
Zet de motor af, verwijder het contactsleuteltje en wacht totdat alle bewegende onderdelen tot stilstand zijn gekomen voordat u de bestuurderspositie verlaat.
Note: Zorg dat de motor uitgeschakeld is zodat de olie tijd heeft gekregen om weg te lopen naar de opvangbak.
Om te voorkomen dat er vuil, maaisel, enz. in de motor terechtkomt, moet u de omgeving van de vuldop/peilstok reinigen voordat u deze verwijdert (Figuur 40).

| Onderhoudsinterval | Onderhoudsprocedure |
|---|---|
| Na de eerste 8 bedrijfsuren |
|
| Om de 100 bedrijfsuren |
|
Parkeer de machine zo dat de aftapkant iets lager staat dan de andere kant zodat alle olie kan weglopen.
Schakel de aftakasschakelaar uit en zet de rijhendels naar buiten in de PARKEERSTAND.
Zet de motor af, verwijder het contactsleuteltje en wacht totdat alle bewegende onderdelen tot stilstand zijn gekomen voordat u de bestuurderspositie verlaat.
Laat de olie uit de motor lopen (Figuur 39).

Giet langzaam ongeveer 80% van de gespecificeerde olie in de vulbuis en voeg langzaam de rest van de olie toe tot het peil de markering Vol bereikt (Figuur 42).

Geef de afgewerkte olie af bij een inzamelcentrum.
| Onderhoudsinterval | Onderhoudsprocedure |
|---|---|
| Om de 200 bedrijfsuren |
|
Laat de olie uit de motor lopen; raadpleeg Motorolie verversen.
Vervang het motoroliefilter (Figuur 41).

Note: Controleer of de pakking van het oliefilter contact maakt met de motor en draai het oliefilter nog 3/4 slag extra vast.
Vul het carter met het juiste type nieuwe olie (Figuur 40).
| Onderhoudsinterval | Onderhoudsprocedure |
|---|---|
| Om de 100 bedrijfsuren |
|
Controleer of de elektrodenafstand tussen de centrale elektrode- en de massa-elektrode correct is voordat u de bougie monteert. Gebruik een bougiesleutel voor het (de)monteren van de bougie en een voelermaat om de elektrodenafstand te meten en af te stellen. Monteer een nieuwe bougie indien dit nodig is.
Type bougie: NGK® BPR4ES
Elektrodenafstand: 0,75 mm
Parkeer de machine op een horizontaal oppervlak, schakel de aftakas uit en zet de rijhendels naar buiten in de PARKEERSTAND.
Zet de motor af, verwijder het contactsleuteltje en wacht totdat alle bewegende onderdelen tot stilstand zijn gekomen voordat u de bestuurderspositie verlaat. Laat de motor afkoelen.
Maak de omgeving van de onderkant van de bougie schoon om te voorkomen dat er vuil en rommel in de motor terechtkomt.
Verwijder de bougie (Figuur 44).

Important: Maak de bougie(s) niet schoon. Verwijder een bougie altijd als deze een zwarte laag heeft, als de elektroden versleten zijn, als er een vettige laag op ligt of als de bougie scheuren vertoont.
Als de isolator lichtbruin of grijs is, werkt de motor naar behoren. Een zwarte laag op de isolator duidt meestal op een vuil luchtfilter.
Stel de afstand in op 0,75 mm.


| Onderhoudsinterval | Onderhoudsprocedure |
|---|---|
| Bij elk gebruik of dagelijks |
|
Parkeer de machine op een horizontaal oppervlak, schakel de aftakas uit en zet de rijhendels naar buiten in de PARKEERSTAND.
Zet de motor af, verwijder het contactsleuteltje en wacht totdat alle bewegende onderdelen tot stilstand zijn gekomen voordat u de bestuurderspositie verlaat.
Verwijder het luchtfilter van de motor.
Verwijder het motorscherm.
Om te voorkomen dat vuil in de luchtinlaat komt, plaats de luchtfilter op de filterbasis.
Verwijder vuil en gras van de onderdelen.
Verwijder de luchtfilter en plaats het motorscherm.
Monteer het luchtfilter.
In bepaalde omstandigheden is brandstof uiterst ontvlambaar en zeer explosief. Brand of explosie van brandstof kan brandwonden bij u of anderen en materiële schade veroorzaken.
Zie Brandstofveiligheid voor een volledige lijst van voorzorgsmaatregelen met betrekking tot brandstof.
| Onderhoudsinterval | Onderhoudsprocedure |
|---|---|
| Om de 100 bedrijfsuren |
|
Na verwijdering mag u nooit een vuil filter opnieuw aan de brandstofslang monteren.
Parkeer de machine op een horizontaal oppervlak, schakel de aftakas uit en zet de rijhendels naar buiten in de PARKEERSTAND.
Zet de motor af, verwijder het contactsleuteltje en wacht totdat alle bewegende onderdelen tot stilstand zijn gekomen voordat u de bestuurderspositie verlaat. Laat de motor afkoelen.
Filter vervangen (Figuur 47).
Note: Zorg ervoor dat de pijl voor de stroomrichting op het vervangfilter naar de motor wijst.


Maak de kabel los van de minpool van de accu voordat u de machine repareert.
Laad de accu op in een open, goed geventileerde ruimte, uit de buurt van vonken en open vuur. Haal de oplader uit het stopcontact voordat u de accu aan- of loskoppelt. Draag beschermende kleding en gebruik geïsoleerd gereedschap.
Accupolen of metalen gereedschappen kunnen kortsluiting maken met metalen onderdelen van de machine, waardoor vonken kunnen ontstaan. Hierdoor kunnen accugassen tot ontploffing komen en lichamelijk letsel veroorzaken.
Zorg ervoor dat bij het verwijderen of installeren van de accu de accupolen niet in aanraking komen met metalen onderdelen van de machine.
Voorkom dat metalen gereedschappen kortsluiting veroorzaken tussen de accupolen en metalen onderdelen van de machine.
Parkeer de machine op een horizontaal oppervlak, schakel de aftakas uit en zet de rijhendels naar buiten in de PARKEERSTAND.
Zet de motor af, verwijder het contactsleuteltje en wacht totdat alle bewegende onderdelen tot stilstand zijn gekomen voordat u de bestuurderspositie verlaat.
Til de stoel omhoog om toegang te krijgen tot de accu.
Maak de minkabel (zwart) los van de accupool (Figuur 48).
Note: Bewaar alle bevestigingsmiddelen.
De accukabels onjuist afkoppelen kan schade aan de machine en de kabels tot gevolg hebben en vonken veroorzaken. Hierdoor kunnen accugassen tot ontploffing komen en lichamelijk letsel veroorzaken.
Maak altijd de minkabel (zwart) van de accu los voordat u de pluskabel (rood) losmaakt.
Sluit altijd de pluskabel (rood) van de accu aan voordat u de minkabel (zwart) aansluit.
Schuif het rubberen kapje van de pluskabel (rood).
Maak de pluskabel (rood) los van de accupool (Figuur 48).
Note: Bewaar alle bevestigingsmiddelen.
Verwijder de bevestigingsband van de accu (Figuur 48) en til de accu uit de accubak.

| Onderhoudsinterval | Onderhoudsprocedure |
|---|---|
| Vóór de stalling |
|
Verwijder de accu van het chassis; raadpleeg Verwijderen van de accu .
Laad de accu gedurende minstens een uur op bij 6 tot 10 A.
Note: De accu niet te ver opladen.
Zodra de accu volledig is opgeladen, haalt u de acculader uit het stopcontact en maakt u vervolgens de oplaadkabels los van de accuklemmen (Figuur 49).

Plaats de accu in de bak (Figuur 48).
Gebruik de eerder verwijderde bevestigingsmiddelen om de pluskabel (rood) op de pluspool (+) van de accu aan te sluiten.
Gebruik de eerder verwijderde bevestigingsmiddelen om de minkabel op de minpool (–) van de accu aan te sluiten.
Schuif het rode stofkapje voor de accupool op de pluspool (rood) van de accu.
Zet de accu vast met de bevestigingsband (Figuur 48).
Zet de stoel omlaag.
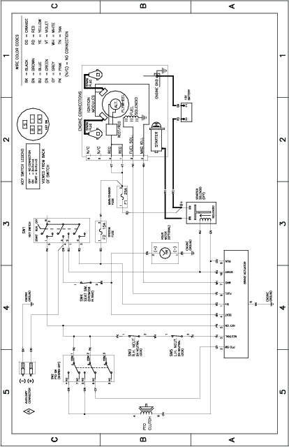
De elektrische installatie is beveiligd door middel van zekeringen. Deze behoeven geen onderhoud. Als er een zekering is doorgebrand, moet u echter het onderdeel of circuit controleren op defecten of kortsluiting.
Zekeringtype:
Hoofdleiding – F1 (25 A, steekzekering)
Laadcircuit – F2 (15 A, steekzekering)
Parkeer de machine op een horizontaal oppervlak, schakel de aftakas uit en zet de rijhendels naar buiten in de PARKEERSTAND.
Zet de motor af, verwijder het contactsleuteltje en wacht totdat alle bewegende onderdelen tot stilstand zijn gekomen voordat u de bestuurderspositie verlaat.
Til de stoel omhoog om toegang te krijgen tot de zekeringen.
Om een zekering te vervangen, trekt u de zekering eruit (Figuur 50).

Zet de stoel omlaag.
| Onderhoudsinterval | Onderhoudsprocedure |
|---|---|
| Om de 25 bedrijfsuren |
|
Zorg ervoor dat de voor- en achterbanden de voorgeschreven spanning hebben. Een ongelijke bandenspanning kan leiden tot onregelmatige maairesultaten. Controleer de bandenspanning bij het ventiel (Figuur 51). De bandenspanning kan het best bij koude banden worden gecontroleerd.
Pomp de voorste zwenkwielbanden op tot 2,06 bar of tot de bandenspanning die is aangegeven op de wang van de band. Kies hierbij de laagste bandenspanning.
Pomp de banden van de achteraandrijfwielen op tot 0,9 bar.

Wanneer u de machine vooruitrijdt op volle snelheid op een vlak, horizontaal oppervlak en de machine naar 1 kant trekt, moet u de sporing afstellen.
Als de machine naar links trekt, moet u de rechter rijhendel afstellen; als de machine naar rechts trekt, moet u de linker rijhendel afstellen.
Note: U kunt de sporing alleen afstellen voor vooruitrijden.
Parkeer de machine op een horizontaal oppervlak, schakel de aftakas uit en zet de rijhendels naar buiten in de PARKEERSTAND.
Zet de motor af, verwijder het contactsleuteltje en wacht totdat alle bewegende onderdelen tot stilstand zijn gekomen voordat u de bestuurderspositie verlaat.
Zoek de stelbout voor sporing in de buurt van de rijhendel aan die kant die afgesteld moet worden (Figuur 52).
Note: Zet de stoel omhoog om gemakkelijker bij de stelbout te kunnen.
Draai de bout om de snelheid voor dat wiel te doen afnemen.
Note: Draai de bout een klein beetje om kleine afstellingen uit te voeren.

Start de machine en rijd vooruit op een vlakke, horizontale ondergrond met de rijhendels volledig naar voren om te controleren of de machine recht rijdt. Herhaal deze procedure als dit nodig is.
| Onderhoudsinterval | Onderhoudsprocedure |
|---|---|
| Om de 25 bedrijfsuren |
|
Vervang de riem als deze versleten is. Een aantal indicaties van een versleten riem: een gierend geluid tijdens het draaien van de riem, de messen die slippen tijdens het maaien, gerafelde randen en schroeiplekken en scheuren op de riem.
Een aantal indicaties van een versleten riem: een gierend geluid tijdens het draaien van de riem, messen die slippen tijdens het maaien, gerafelde randen en schroeiplekken en scheuren op de riem. Vervang de riem als u deze zaken constateert.
Parkeer de machine op een horizontaal oppervlak, schakel de aftakas uit en zet de rijhendels naar buiten in de PARKEERSTAND.
Zet de motor af, verwijder het contactsleuteltje en wacht totdat alle bewegende onderdelen tot stilstand zijn gekomen voordat u de bestuurderspositie verlaat.
Zet de maaihoogte op de laagste stand (38 mm).
Verwijder de R-pen en duw het lipje op de kap in om de poeliekappen te verwijderen (Figuur 53).

Gebruik een veerverwijderaar (Toro onderdeelnummer 92-5771), verwijder de spanpoelieveer van de maaidekhaak om de spanning op de spanpoelie te verwijderen en rol dan de riem van de poelies (Figuur 54).
De veer is onder spanning gemonteerd en kan lichamelijk letsel veroorzaken.
Wees voorzichtig als u de riem verwijdert.

Leg de nieuwe riem rond de motorpoelie en de poelies van het maaidek (Figuur 54).
Gebruik een veerverwijderaar (Toro onderdeelnummer 92-5771) en plaats de spanpoelieveer terug op de maaidekhaak om spanning op de spanpoelie en riem te zetten (Figuur 54).
Monteer de kappen van de poelies.
Controleer op gezette tijden de maaimessen op slijtage of beschadigingen.
Wees voorzichtig als u de messen controleert. Omwikkel de maaimessen of draag handschoenen en wees voorzichtig als u onderhoudswerkzaamheden aan de maaimessen verricht. De maaimessen mogen alleen worden vervangen of geslepen, probeer ze nooit recht te maken of er aan te lassen.
Let op dat bij machines met meerdere maaimessen andere messen kunnen gaan draaien doordat u één mes draait.
Vervang versleten of beschadigde messen en bouten altijd als complete set om een goede balans te behouden.
Om een goed maairesultaat te verkrijgen, moet u de maaimessen scherp houden. Om het slijpen en vervangen te vergemakkelijken, is het handig extra messen in voorraad te hebben.
Parkeer de machine op een horizontaal oppervlak, schakel de aftakas uit en zet de rijhendels naar buiten in de PARKEERSTAND.
Zet de motor af, verwijder het sleuteltje en maak de bougiekabels los.
| Onderhoudsinterval | Onderhoudsprocedure |
|---|---|
| Bij elk gebruik of dagelijks |
|
Controleer de snijranden (Figuur 55).
Als de randen niet scherp zijn of bramen vertonen, moet u het maaimes verwijderen en slijpen; zie De maaimessen slijpen.
Controleer de messen, in het bijzonder het gebogen deel.
Als u scheuren, slijtage of groefvorming in dit deel constateert, moet u direct een nieuw mes monteren (Figuur 55).

Note: De machine moet op een egaal oppervlak staan voor de volgende procedure.
Zet het maaidek op de hoogste maaipositie.
Trek dikke handschoenen of andere adequate handbescherming aan en draai langzaam het mes in een stand die meting mogelijk maakt van de afstand tussen de maairand en het egale oppervlak waarop de machine staat (Figuur 56).

Meet de afstand tussen het uiteinde van het mes en de vlakke ondergrond (Figuur 57).

Draai hetzelfde mes 180 graden, zodat de maairand aan de andere kant nu in dezelfde stand staat (Figuur 58).

Meet de afstand tussen het uiteinde van het mes en de vlakke ondergrond (Figuur 59).
Note: De speling mag niet meer dan 3 mm bedragen.

Als het verschil tussen A en B groter is dan 3 mm, vervang dan het mes door een nieuw mes; zie De maaimessen verwijderen en De maaimessen monteren.
Note: Als een krom mes is vervangen door een nieuw mes en de afstand nog altijd groter is dan 3 mm, dan is het mogelijk dat de mesas verbogen is. Neem contact op met een erkende onderhoudsdealer voor service.
Ga als het verschil binnen de grenzen ligt door met het volgende mes.
Herhaal deze procedure op elk mes.
Vervang messen die een vast voorwerp hebben geraakt of uit balans of krom zijn.
Pak het uiteinde van het mes vast met een doek of een dikke handschoen.
Verwijder de mesbout, de klemring en het mes van de spilas (Figuur 60).

Gebruik een vijl om de snijranden aan beide uiteinden van het mes te slijpen (Figuur 61).
Note: Houd daarbij de oorspronkelijke hoek in stand.
Note: Het mes blijft in balans als u van beide snijranden dezelfde hoeveelheid materiaal verwijdert.

Controleer de balans van het mes met een mesbalans (Figuur 62).
Note: Als het mes horizontaal blijft, is het in balans en geschikt voor gebruik.
Note: Als het mes niet in balans is, moet u wat metaal afvijlen van het uiteinde van de vleugel (Figuur 61).

Herhaal dit indien nodig totdat het mes in balans is.
Monteer het mes op de as (Figuur 60).
Important: Het gebogen deel van het mes moet naar de binnenzijde van de maaikast wijzen om een goede maaikwaliteit te garanderen.
Monteer de klemring (holle kant naar het mes toe) en de mesbout (Figuur 60).
Draai de mesbout vast met een torsie van 81 tot 108 N·m.
Controleer of het maaidek horizontaal staat telkens wanneer u de maaier installeert of wanneer u een ongelijke maaiplek in uw gras ziet.
Voordat u het maaidek horizontaal afstelt moet u eerst controleren of er verbogen maaimessen zijn, en eventueel verbogen maaimessen verwijderen en vervangen; lees Onderhoud van de maaimessen voordat u dit doet.
Stel het maaidek eerst links/rechts horizontaal, en dan kunt u voor/achter afstellen.
Eisen:
De machine moet op een egaal vlak staan.
Alle banden moeten de juiste spanning hebben, zie Bandenspanning controleren.
Parkeer de machine op een horizontaal oppervlak, schakel de messchakelaar uit en zet de rijhendels naar buiten in de PARKEERSTAND.
Zet de motor af, verwijder het contactsleuteltje en wacht totdat alle bewegende onderdelen tot stilstand zijn gekomen voordat u de bestuurderspositie verlaat.
Stel de maaihoogte in op 76 mm.
Draai het maaimes voorzichtig in dwarsrichting horizontaal.
Meet tussen de buitenste snijranden en de vlakke ondergrond (Figuur 63 en Figuur 64).
Note: Als beide afstanden groter zijn dan 5 mm, moeten deze worden bijgesteld; zie Gelijkstellen in de breedterichting.


Controleer de schuinstand van het maaidek telkens wanneer u dit monteert. Als de voorkant van de maaier meer dan 7,9 mm lager staat dan de achterkant van de maaier, moet u de schuinstand van het maaimes instellen.
Parkeer de machine op een horizontaal oppervlak, schakel de messchakelaar uit en zet de rijhendels naar buiten in de PARKEERSTAND.
Zet de motor af, verwijder het contactsleuteltje en wacht totdat alle bewegende onderdelen tot stilstand zijn gekomen voordat u de bestuurderspositie verlaat.
Stel de maaihoogte in op 76 mm.
Draai de messen voorzichtig rond, totdat ze in de lengterichting wijzen (Figuur 65).
Meet de afstand tussen de rand van het voorste mes en het horizontale oppervlak, en de afstand tussen de rand van het achterste mes en het horizontale oppervlak (Figuur 65 of Figuur 66).
Note: Als de rand van het voorste mes niet 1,6 tot 7,9 mm lager staat dan de rand van het achterste mes, ga verder met Schuinstand van het maaidek (lengterichting) instellen.


Ga naar de linkerkant van de machine.
Hiervoor moet u de antiscalpeerrollen in de bovenste openingen zetten of ze geheel verwijderen; zie Antiscalpeerrollen afstellen.
Zet de maaihoogtehendel in de stand van 76 mm; zie De maaihoogte instellen.
Plaats 2 blokjes met een dikte van 6,6 cm onder elke kant van de voorste rand van het maaidek, maar niet onder de beugels van de antiscalpeerrollen (Figuur 67 of Figuur 68).
Plaats 2 blokjes met een dikte van 7,3 cm onder de achterste rand van de maaikast, één blokje aan elke kant van het maaidek (Figuur 67 of Figuur 68).


Verwijder de R-pen en de ring van de onderste pen van de hefarm (Figuur 69).

Draai de maaihoogteplaat naar een andere opening zodat deze het gewicht van het maaidek ondersteunt nadat u de plaat hebt geïnstalleerd (Figuur 70).

Monteer de ring en de R-pen (Figuur 70).
Herhaal stappen 6 tot en met 8 voor de andere kant van de machine.
Controleer de breedterichting opnieuw; herhaal deze stappen totdat de juiste metingen worden verkregen.
Ga verder met het horizontaal brengen van het maaidek door de schuinstand in de lengterichting te controleren; zie Schuinstand van het maaidek (lengterichting) controleren.
Draai de stelmoer in de voorkant van de maaier (Figuur 71).

Om de voorkant van het maaidek hoger te zetten, draait u de stelmoer vaster.
Om de voorkant van het maaidek lager te zetten, draait u de stelmoer losser.
Controleer de schuinstand nogmaals na het instellen, ga door met het instellen van de moer totdat de rand van het voorste mes 1,6 tot 7,9 mm lager staat dan de rand van het achterste mes, zie Schuinstand van het maaidek (lengterichting) controleren.
Als de schuinstand correct is, moet u nogmaals controleren of het maaidek horizontaal staat; zie Schuinstand van het maaidek (lengterichting) controleren.
Parkeer de machine op een horizontaal oppervlak, schakel de messchakelaar uit en zet de rijhendels naar buiten in de PARKEERSTAND.
Zet de motor af, verwijder het contactsleuteltje en wacht totdat alle bewegende onderdelen tot stilstand zijn gekomen voordat u de bestuurderspositie verlaat.
Zet de maaihoogtehendel in de laagste stand.
Draai de twee onderste bouten los waarmee de afdekking van het maaidek is bevestigd aan het maaidek. Zie De afdekking van het maaidek losmaken.
Verwijder de R-pen uit de voorste steunstang en neem de stang uit de beugel van het maaidek (Figuur 72).

Laat de voorkant van het maaidek voorzichtig neer op de grond.
Verwijder de ring en de R-pen van de maaidekpen aan 1 kant van de machine (Figuur 73).

Verwijder de hefarm van de maaidekpen (Figuur 73).
Herhaal stappen 7 en 8 voor de andere kant van de machine.
Schuif het maaidek naar achteren om de drijfriem van het maaidek te verwijderen van de motorpoelie.
Schuif het maaidek weg van onder de machine.
Note: Bewaar alle onderdelen voor latere montage.
Parkeer de machine op een horizontaal oppervlak, schakel de messchakelaar uit en zet de rijhendels naar buiten in de PARKEERSTAND.
Zet de motor af, verwijder het contactsleuteltje en wacht totdat alle bewegende onderdelen tot stilstand zijn gekomen voordat u de bestuurderspositie verlaat.
Schuif het maaidek onder de machine.
Zet de maaihoogtehendel in de laagste stand.
Til aan 1 kant van de machine de achterkant van het maaidek op en monteer de hefarm aan de maaidekpen (Figuur 73).
Monteer de hefarm met de ring en de R-pen (Figuur 73).
Herhaal stappen 5 en 6 voor de andere kant van de machine.
Bevestig de voorste steunstang aan het maaidek met de gaffelpen en de R-pen (Figuur 72).
Monteer de maaierriem op de motorpoelie; raadpleeg stap Drijfriem van maaidek vervangen.
Draai de twee onderste bouten vast waarmee de afdekking van het maaidek is bevestigd aan het maaidek; zie De afdekking van het maaidek losmaken.
| Onderhoudsinterval | Onderhoudsprocedure |
|---|---|
| Bij elk gebruik of dagelijks |
|
Als de uitworpopening niet afgedekt is, kan de machine voorwerpen uitwerpen naar u of naar omstanders; dit kan ernstig letsel veroorzaken. Daarnaast kunt u ook in contact komen met het mes.
Gebruik de machine nooit zonder dat de grasgeleider, de uitworpafsluiter of het grasopvangsysteem is gemonteerd.
Verwijder de moer (⅜") van de stang onder het maaidek (Figuur 74).

Schuif de stang uit de maaidekbeugel, de veer en de grasgeleider (Figuur 74).
Verwijder een beschadigde of versleten grasgeleider.
De nieuwe grasgeleider monteren (Figuur 74).
Schuif het rechte uiteinde van de stang door de achterste grasgeleiderspil.
Plaats de veer op de stang, met de einddraden omlaag, tussen de beugels van de grasgeleider.
Schuif de stang door de tweede grasgeleiderspil (Figuur 74).
Schuif de stang bij de voorzijde van de grasgeleider door de beugel op het maaidek.
Bevestig de achterzijde van de stang aan de maaier met een moer (⅜"), zoals geïllustreerd in Figuur 74.
Important: De grasgeleider moet onder veerspanning omlaag worden gehouden. Til de grasgeleider omhoog om te controleren of deze volledig omlaag klapt.
| Onderhoudsinterval | Onderhoudsprocedure |
|---|---|
| Na elk gebruik |
|
Important: U kunt het voertuig met een mild reinigingsmiddel en water wassen. Was de machine nooit met een hogedrukreiniger. Gebruik niet te veel water, vooral niet in de buurt van het bedieningspaneel, onder de stoel en rond de motor, de hydraulische pompen en de motors.
Nadat u de maaimachine heeft gebruikt, moet u de onderkant van het maaidek telkens wassen om te voorkomen dat er zich gras verzamelt. Hierdoor wordt gras beter fijn gemaakt en het maaisel beter verstrooid.
Parkeer de machine op een horizontaal oppervlak, schakel de messchakelaar uit en zet de rijhendels naar buiten in de PARKEERSTAND.
Zet de motor af, verwijder het contactsleuteltje en wacht totdat alle bewegende onderdelen tot stilstand zijn gekomen voordat u de bestuurderspositie verlaat.
Bevestig de slangkoppeling aan de wasaansluiting van de maaimachine en draai de waterkraan helemaal open (Figuur 75).
Note: Smeer vaseline op de O-ring van de wasaansluiting om de koppeling gemakkelijker te bevestigen en de O-ring te beschermen.

Zet het maaidek in de laagste maaistand.
Neem plaats op de bestuurdersstoel en start de motor.
Schakel de aftakas in en laat de machine één tot drie minuten lopen.
Zet de maaischakelaar UIT, stop de motor, verwijder het contactsleuteltje en wacht totdat alle bewegende delen tot stilstand zijn gekomen.
Draai de kraan dicht en maak de snelkoppeling los van de wasaansluiting.
Note: Als de maaimachine na een wasbeurt niet schoon is, moet u deze 30 minuten laten inweken. Herhaal daarna deze procedure.
Laat de motor opnieuw één tot drie minuten lopen om het overtollig water te verwijderen.
Een gebroken of ontbrekende wasaansluiting kan voorwerpen uitwerpen of contact met het maaimes veroorzaken, waardoor u en anderen letsel kunnen oplopen. Contact met een maaimes of uitgeworpen voorwerpen kan ernstig lichamelijk of dodelijk letsel veroorzaken.
Een gebroken of ontbrekende wasaansluiting moet direct worden vervangen, voordat u de machine opnieuw gebruikt.
Steek nooit uw handen of voeten onder de maaier of door openingen in de machine.
Motorolie, accu's, hydraulische vloeistof en motorkoelvloeistof verontreinigen het milieu. Verwijder deze stoffen volgens de plaatselijke voorschriften.
Zet de motor af, verwijder het contactsleuteltje en wacht totdat alle bewegende onderdelen tot stilstand zijn gekomen voordat u de bestuurderspositie verlaat. Laat de machine afkoelen voordat u deze afstelt, reinigt, stalt of er onderhoudswerkzaamheden aan verricht.
U mag de machine of de brandstof niet bewaren in de nabijheid van een open vuur, noch de brandstof binnenshuis of in een afgesloten aanhanger aftappen.
Sla de machine en de brandstofhouder niet op plaatsen waar open vlammen, vonken of waakvlammen (bv. van een boiler of andere toestellen) aanwezig kunnen zijn.
Schakel de messchakelaar (aftakas) uit en stel de parkeerrem in werking.
Zet de motor af, verwijder het contactsleuteltje en wacht totdat alle bewegende onderdelen tot stilstand zijn gekomen voordat u de bestuurderspositie verlaat.
Verwijder maaisel, vuil en vet van de buitenkant van de gehele machine, met name van de motor en het hydraulische systeem. Vuil en kaf van de buitenkant van de cilinder, de koelribben van de cilinderkop en het ventilatorbehuizing verwijderen.
Important: U kunt de machine met een mild reinigingsmiddel en water wassen. Maak de machine niet schoon met een hogedrukreiniger. Gebruik niet te veel water, vooral niet in de buurt van het bedieningspaneel, de motor, de hydraulische pompen en de accu.
Controleer de werking van de parkeerrem; zie Parkeerstand.
Geef het luchtfilter een onderhoudsbeurt; zie Onderhoud van het luchtfilter.
Ververs de olie in het carter; zie Motorolie verversen.
Controleer de bandenspanning; zie Bandenspanning controleren.
Laad de accu op; zie Accu opladen.
Als u de machine stalt met de accu gemonteerd, moet u de minkabel (zwart) loskoppelen van de accu.
Schraap dik aangekoekt gras en vuil van de onderkant van de maaimachine. Spoel vervolgens de machine schoon met een tuinslang.
Note: Laat de machine lopen met de aftakas ingeschakeld en de motor op hoog stationair gedurende 2 tot 5 minuten na het wassen.
Controleer de staat van de maaimessen; raadpleeg Onderhoud van de maaimessen.
Wanneer de machine langer dan 30 dagen niet wordt gebruikt, moet deze worden voorbereid op stalling. De machine wordt als volgt voorbereid op stalling:
Voeg een stabilizer/conditioner toe aan de verse brandstof in de tank. Volg de mengvoorschriften van de fabrikant van de stabilizer op. Gebruik geen stabilizer op alcoholbasis (ethanol of methanol).
Laat de motor vijf minuten lopen om de stabilizer/conditioner door het brandstofsysteem te verspreiden.
Zet de motor af, laat deze afkoelen en laat de brandstoftank leeglopen.
Start de motor en laat hem lopen totdat hij afslaat.
U moet brandstof op de juiste wijze afvoeren. Voer de brandstof af volgens de plaatselijk geldende voorschriften.
Important: Bewaar brandstof die stabilizer/conditioner bevat niet langer dan aanbevolen door de fabrikant van de stabilizer.
Verwijder de bougie(s) en controleer de staat ervan; zie Onderhoud van de bougie. Nadat de bougie(s) uit de cilinder is (zijn) verwijderd, giet u 30 ml (2 eetlepels) motorolie in de bougie-opening. Gebruik de startmotor om de motor te laten draaien en zo de olie over de cilinderwand te verspreiden. Monteer de bougie(s). De bougiekabel niet op de bougie(s) drukken.
Controleer alle bouten, schroeven en moeren en draai deze vast. Repareer of vervang beschadigde delen.
Werk alle krassen en beschadigingen van de lak bij. Bijwerklak is verkrijgbaar bij een erkende servicedealer.
Stal de machine in een schone, droge garage of opslagruimte. Verwijder het sleuteltje uit het contact en bewaar het buiten het bereik van kinderen en onbevoegde personen. Dek de machine af om deze te beschermen en schoon te houden.
Laad de accu volledig op.
Laat de accu 24 uur ongemoeid en controleer dan de spanning van de accu.
Note: Indien de accuspanning lager is dan 12,6 V, moet u stappen 1 en 2 herhalen.
Koppel de kabels los van de accu.
Controleer regelmatig de spanning en zorg dat die altijd minstens 12,4 V is.
Note: Indien de accuspanning lager is dan 12,4 V, moet u stappen 1 en 2 herhalen.
Als u de accu bewaart buiten de machine, moet u het volgende doen:
Bewaar de accu rechtop in een koele, droge omgeving.
Bewaar accu's niet op elkaar, tenzij ze in een doos zitten.
Stapel niet meer dan 3 accu's op elkaar (of 2 als het om accu's voor professioneel gebruik gaat).
Test een natte accu om de 4 tot 6 maanden en laad de accu indien nodig.
Test en laad de accu altijd op voor montage.
| Problem | Possible Cause | Corrective Action |
|---|---|---|
| De brandstoftank is ingedeukt of de machine raakt regelmatig zonder brandstof. |
|
|
| De motor raakt oververhit. |
|
|
| De startmotor slaat niet aan. |
|
|
| De motor start niet, start moeilijk of slaat af. |
|
|
| De motor verliest vermogen. |
|
|
| De machine drijft niet aan. |
|
|
| De machine trilt abnormaal. |
|
|
| De maaihoogte is ongelijk. |
|
|
| Messen draaien niet. |
|
|
