| Vedligeholdelsesintervaller | Vedligeholdelsesprocedure |
|---|---|
| Hver anvendelse eller dagligt |
|
Denne plænetraktor med roterende skæreknive er beregnet til brug for boligejere på private ejendomme. Den er primært beregnet til klipning af græs på velholdte plæner. Brug af dette produkt til andre formål end den tilsigtede anvendelse kan udsætte dig selv og omkringstående for fare.
Læs denne vejledning omhyggeligt, så du kan lære at betjene og vedligeholde produktet korrekt samt undgå person- og produktskade. Det er dit ansvar at betjene produktet korrekt og sikkert.
Besøg www. Toro.com for at få materialer om produktsikkerhed og oplæring i betjening, oplysninger om tilbehør, hjælp til at finde en forhandler eller for at registrere dit produkt.
Når du har brug for service, originale Toro-dele eller yderligere oplysninger, bedes du kontakte en autoriseret serviceforhandler eller Toros kundeservice samt have produktets model- og serienummer parat. Figur 1 angiver, hvor model- og serienummeret er placeret på produktet. Skriv numrene, hvor der er gjort plads til dette.
Important: Scan QR-koden på serienummermærkaten (hvis udstyret hermed) med din mobilenhed for at tilgå garanti, reservedele og andre produktoplysninger.

Skriv produktets model- og serienummer på linjerne herunder:
Denne betjeningsvejledning bruger to ord til at fremhæve oplysninger. Vigtigt henleder opmærksomheden på særlige mekaniske oplysninger, og Bemærk angiver generel information, som det er værd at lægge særligt mærke til.
Advarselssymbolet (Figur 2) vises både i denne vejledning og på maskinen for at identificere vigtige sikkerhedsmeddelelser, som du skal følge for at undgå ulykker. Dette symbol vises med ordet Fare, Advarsel eller Forsigtig.
Fare angiver en overhængende farlig situation, som, hvis den ikke undgås, vil resultere i dødsfald eller alvorlig personskade.
Advarsel angiver en potentielt farlig situation, som, hvis den ikke undgås, kan resultere i dødsfald eller alvorlig personskade.
Forsigtig Angiver en potentielt farlig situation, som, hvis den ikke undgås,kan resultere i mindre eller moderat personskade.

Dette produkt overholder alle relevante EU-direktiver. Yderligere oplysninger fås på den separate produktspecifikke overensstemmelseserklæring.
Nettomotormoment: Denne maskines brutto- eller nettomotormoment er fastsat af motorfabrikanten på et laboratorium i henhold til Society of Automotive Engineers (SAE) J1940 eller J2723. Som følge af de ændringer, der er foretaget for at overholde diverse sikkerheds-, emissions- og driftskrav, vil det reelle motormomentet på denne plæneklippertype være betydeligt lavere. Se de oplysninger fra motorproducenten, som følger med maskinen.
Dette produkt kan afskære hænder og fødder samt udslynge genstande. Følg altid sikkerhedsanvisningerne for at undgå alvorlig personskade eller død.
Læs og forstå indholdet i denne betjeningsvejledning, før du starter motoren.
Hold omkringstående og børn på afstand.
Maskinen må aldrig betjenes eller vedligeholdes af børn eller utrænet personale. Maskinen må kun betjenes eller vedligeholdes af personer, som er ansvarlige, uddannede, fortrolige med anvisningerne og fysisk i stand til det.
Betjen ikke maskinen i nærheden af bratte afsatser, grøfter, volde, vand og andre risikoområder eller på skråninger med en hældning på mere end 15°.
Hold hænder og fødder væk fra bevægelige maskinkomponenter.
Betjen ikke maskinen, uden at alle afskærmninger, sikkerhedskontakter og øvrige sikkerhedsanordninger er monteret og fungerer korrekt.
Sluk for motoren, tag nøglen ud, og vent, til alle bevægelige dele er standset, før du forlader førersædet. Lad maskinen køle af, inden du efterser, justerer, påfylder brændstof, rengør den eller stiller den til opbevaring.

![]() |
Sikkerheds- og instruktionsmærkaterne kan nemt ses af operatøren og er placeret tæt på potentielle risikoområder. Beskadigede eller bortkomne mærkater skal udskiftes. |






Mærkat 138-6074 er støbt ind i brændstoftanken.









Før du starter motoren og anvender maskinen, er det vigtigt, at du er fortrolig med alle maskinens betjeningsanordninger.

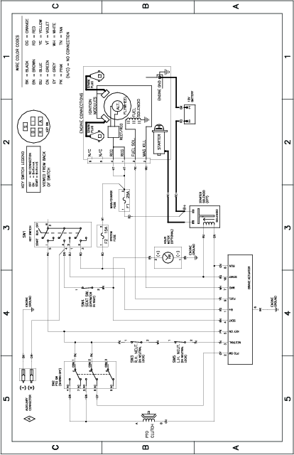
Tændingskontakten, der bruges til at starte og slukke motoren, har 3 positioner: OFF (fra), RUN (kør) og START (Figur 5).
Gashåndtaget og chokeren er kombineret i ét håndtag. Gashåndtaget regulerer motorhastigheden og har en trinløs regulerbar indstilling fraSLOW (langsom) til FAST (hurtig) (Figur 5).
Kontakten til regulering af skæreknive, der er markeret med et kraftudtagssymbol, indkobler og udkobler strømmen til skæreknivene (Figur 5).
Bevægelseshåndtagene bruges til at køre maskinen frem og tilbage og dreje den fra side til side (Figur 4).
Flyt bevægelseshåndtagene udad fra midten til positionen PARK(parker) for at aktiveres parkeringsbremsen, når du stopper eller forlader maskinen.
Smart Speed™-styresystemhåndtaget, som befinder sig under betjeningspositionen, giver dig mulighed for at vælge mellem tre hastigheder – trimning, træk og klipning (Figur 27).
Du kan bruge brændstofvinduet, som befinder sig på venstre side af maskinen, til at kontrollere brændstofstanden i tanken (Figur 6).

Brug klippehøjdehåndtaget til at hæve og sænke klippeskjoldet fra siddende position. Når du flytter grebet opad (mod dig selv), hæves klippeskjoldet fra jorden, og når du flytter håndtaget nedad (væk fra dig selv), sænkes skjoldet mod jorden. Juster kun klippehøjden, når maskinen ikke er i bevægelse (Figur 28).
Specifikationer og design kan ændres uden forudgående varsel.
| Klippebredde | 107 cm |
| Bredde med deflektoren nede | 135 cm |
| Bredde med deflektor hævet | 123 cm |
| Længde | 185 cm |
| Højde | 99 cm |
| Vægt | 293 kg |
Der kan fås en række forskellige Toro-godkendte redskaber og tilbehør til brug sammen med maskinen, som gør den bedre og mere alsidig. Kontakt en autoriseret serviceforhandler eller en autoriseret Toro-forhandler, eller gå ind på www.Toro.com for at få en liste over alt godkendt udstyr og tilbehør.
Brug kun originale Toro-reservedele og tilbehør for at sikre optimal ydelse og sikre, at maskinen fortsat overholder sikkerhedscertificeringen. Reservedele og tilbehør, der er fremstillet af andre producenter, kan være farlige, og brug heraf kan gøre garantien ugyldig.
Note: Maskinens venstre og højre side er som set fra den normale betjeningsposition.
Maskinen må aldrig betjenes eller vedligeholdes af børn eller utrænet personale. Vær opmærksom på, at lokale forskrifter kan angive en mindstealder for operatøren. Ejeren er ansvarlig for at træne alle operatører og mekanikere.
Efterse området, hvor maskinen skal bruges, og fjern alle objekter, som kan forstyrre betjeningen af maskinen, eller som maskinen kan risikere at udslynge.
Bliv fortrolig med anvisningerne for sikker betjening af udstyret samt med betjeningsanordningerne og sikkerhedssymbolerne.
Kontroller, at dødemandsgreb, sikkerhedskontakter og afskærmninger er korrekt fastgjort og fungerer korrekt. Betjen ikke maskinen, hvis de ikke fungerer korrekt.
Sluk for motoren, tag nøglen ud, og vent, til alle bevægelige dele er standset, før du forlader førersædet. Lad maskinen køle af, inden du efterser, justerer, påfylder brændstof, rengør den eller stiller den til opbevaring.
Før du klipper, skal du efterse maskinen for at sikre, at klippeenhederne fungerer korrekt.
Vurder terrænet for at fastsætte det mest passende udstyr og relevante redskaber eller tilbehør, der kræves for at betjene maskinen korrekt og sikkert.
Bær korrekt beklædning, herunder beskyttelsesbriller, lange bukser, skridsikkert, kraftigt fodtøj og høreværn. Sæt langt hår op, og bær ikke løstsiddende tøj eller smykker.
Kør ikke med passagerer på maskinen.
Hold omkringstående og kæledyr på afstand af maskinen, mens den er i drift. Sluk maskinen og redskabet eller redskaberne, hvis nogen kommer ind på området.
Betjen ikke maskinen, medmindre alle afskærmninger og sikkerhedsanordninger, f.eks. deflektorer og hele græsopsamleren, er på plads og fungerer korrekt. Udskift slidte eller beskadigede dele, når det er nødvendigt.
Brændstof er meget brandfarligt og yderst eksplosivt. En brand eller eksplosion forårsaget af brændstof kan give dig eller andre forbrændinger samt medføre tingsskade.
For at undgå at en statisk ladning antænder brændstoffet, skal maskinen fjernes fra lastbilen eller anhængeren og først påfyldes igen, når den er på jorden og væk fra alle andre køretøjer. Hvis dette ikke er muligt, skal du placere en transportabel brændstofbeholder på jorden væk fra alle andre køretøjer og fylde den. Påfyld derefter maskinen fra brændstofbeholderen i stedet for fra en påfyldningsdyse.
Fyld brændstoftanken udendørs på en plan grund i et åbent område, og når motoren er kold. Tør eventuelt spildt brændstof op.
Håndter ikke brændstof, mens du ryger eller i nærheden af åben ild eller gnister.
Fjern ikke brændstofdækslet, og fyld ikke brændstof på brændstoftanken, mens motoren kører eller er varm.
Hvis du spilder brændstof, må du ikke forsøge at starte motoren. Foretag dig ikke noget, der kan antænde brændstoffet, før dampene er spredt.
Opbevar brændstof i en godkendt beholder og utilgængeligt for børn.
Brændstof er farligt og kan være dødbringende, hvis det indtages. Længere tids udsættelse for dampe kan forårsage alvorlige skader og sygdomme.
Undgå længere tids indånding af dampe.
Hold hænder og ansigt væk fra dysen og brændstoftankens åbning.
Undgå at få brændstof i øjnene eller på huden.
Opbevar ikke maskinen eller brændstofbeholderen, hvor der er åben ild, gnister eller vågeblus som fx på en vandvarmer eller på andre apparater.
Betjen ikke maskinen, medmindre hele udstødningssystemet er på plads og i god driftsmæssig stand.
Påfyldningsdysen skal altid være i kontakt med kanten af åbningen i brændstoftanken eller -beholderen, indtil påfyldningen er afsluttet. Brug ikke låseenhed for slangespidsen.
Hvis du spilder brændstof på dit tøj, skal du straks skifte tøj.
Fyld ikke for meget brændstof på brændstoftanken. Sæt brændstofdækslet på igen, og stram det.
Fjern græs og andet affald fra klippeenheden, lydpotten, drevene, græsopsamleren og motorrummet for at forhindre brand. Tør spildt olie eller brændstof op.
| Type | Blyfri benzin |
| Minimum oktantal | 87 (US) eller 91 (research-oktantal, uden for USA) |
| Ethanol | Højst 10 volumenprocent |
| Methanol | Ingen |
| MTBE (metyl-tertiær-butylæter) | Mindre end 15 volumenprocent |
| Olie | Fyld ikke i brændstoffet |
Brug kun ren, frisk (højst 30 dage gammelt) brændstof fra en kilde med godt omdømme.
Brug af brændstofstabilisator i maskinen holder brændstoffet frisk i længere tid, når det bruges som anvist af brændstofstabilisatorens producent.
Important: Tilsæt aldrig brændstofadditiver, der indeholder metanol eller etanol.
Tilsæt den mængde brændstofstabilisator til friskt brændstof, som foreskrives af brændstofstabilisatorens producent.
Parker maskinen på en plan overflade.
Flyt bevægelseshåndtagene udad til positionen PARK (parker).
Sluk motoren, og tag nøglen ud.
Rengør området rundt om brændstoftankens dæksel.
Fyld brændstoftanken op til bunden af påfyldningsstudsen (Figur 7). Fyld ikke brændstoftanken helt op.

Før maskinen startes hver dag, skal procedurerne for Hver anvendelse/Dagligt udføres som beskrevet i .
Det tager tid, før nye motorer kommer op på fuld kraft. Der er større friktion ved nye plæneklipperskjolde og drivsystemer, hvilket betyder større motorbelastning. Giv nye maskiner en indkøringstid på 40 til 50 timer for at komme op på fuld kraft for at opnå den bedste ydelse.
Hvis kontakterne til sikkerhedslåsesystemet frakobles eller bliver beskadigede, kan maskinen fungere uventet og forårsage personskade.
Pil ikke ved sikkerhedskontakterne.
Kontroller dagligt, at sikkerhedskontakterne fungerer, og udskift eventuelle beskadigede kontakter, før du betjener maskinen.
Sikkerhedslåsesystemet er udviklet med henblik på at forhindre motoren i at starte, medmindre:
Kontakten til regulering af skæreknive (kraftudtag) er koblet fra.
Bevægelseshåndtagene er i positionen PARKER.
Sikkerhedslåsesystemet er også konstrueret til at standse motoren, når bevægelseshåndtagene ikke er i positionen PARKER, og du rejser dig fra sædet.
| Vedligeholdelsesintervaller | Vedligeholdelsesprocedure |
|---|---|
| Hver anvendelse eller dagligt |
|
Kontroller altid sikkerhedslåsesystemet, før du betjener maskinen. Hvis sikkerhedssystemet ikke fungerer som beskrevet i det følgende, skal der straks tilkaldes en autoriseret forhandler til at reparere sikkerhedssystemet.
Sæt dig i sædet, flyt bevægelseshåndtagene til positionen PARKER, og flyt kontakten til regulering af skæreknive til positionen TIL. Prøv at starte motoren. Motoren bør ikke tørne.
Sæt dig i sædet, og flyt kontakten til regulering af skæreknive til positionen FRA. Flyt et af bevægelseshåndtagene til den midterste, ulåste position. Prøv at starte motoren. Motoren bør ikke tørne. Gentag dette med det andet bevægelseshåndtag.
Sæt dig i sædet, flyt kontakten til regulering af skæreknive til positionen FRA, og fastlås bevægelseshåndtagene i positionen PARKER. Start motoren. Aktiver kontakten til regulering af skæreknive, og rejs dig en smule fra sædet, mens motoren kører. Motoren bør slukke.
Sæt dig i sædet, flyt kontakten til regulering af skæreknive til positionen FRA, og fastlås bevægelseshåndtagene i positionen PARKER. Start motoren. Flyt bevægelseshåndtagene til den midterste, ulåste position, mens motoren kører, og rejs dig derefter en smule fra sædet. Motoren bør slukke.
Sædet kan flyttes frem og tilbage. Anbring sædet i den stilling, hvor du har den bedste kontrol over maskinen og sidder mest behageligt (Figur 8).

Du kan justere bevægelseshåndtagene til en højere eller lavere højde for maksimal komfort (Figur 9).

Du kan justere bevægelseshåndtagene frem eller tilbage af hensyn til din komfort.
Løsn den øverste bolt, der fastholder håndtaget til styrearmsakslen.
Løsn den nederste bolt lige akkurat nok til, at håndtaget kan drejes fremad eller bagud.

Tilspænd begge bolte for at fastgøre håndtaget i den nye position.
Gentag justeringen for det andet håndtag.
Parker maskinen på en plan flade, udkobl kontakten til regulering af skæreknive (kraftudtag), og flyt bevægelseshåndtagene udad til positionen PARK (parker).
Sluk for motoren, tag nøglen ud, og vent, til alle bevægelige dele er standset, før du forlader betjeningspositionen.
Kobl den fleksible lås fra låseholderen på udblæsningsdækslet, og drej udblæsningsdækslet til højre (Figur 11).

Kobl den krogformede lås oven på udblæsningsdækslet fra drejestangen (Figur 15).
Drej metaltappen på udblæsningsdækslet ud af rillen på beslaget, som er svejset fast på plæneklipperskjoldet (Figur 12).

Parker maskinen på en plan flade, udkobl kontakten til regulering af skæreknive (kraftudtag), og flyt bevægelseshåndtagene udad til positionen PARK (parker).
Sluk for motoren, tag nøglen ud, og vent, til alle bevægelige dele er standset, før du forlader betjeningspositionen.
Drej metaltappen på udblæsningsdækslet ind i rillen på beslaget, som er svejset fast på plæneklipperskjoldet (Figur 13).

Drej udblæsningsdækslet tilbage og ind mod skjoldet, så udblæsningsdækslet flugter med plæneklipperskjoldet (Figur 14).

Oven på udblæsningsdækslet skal du koble den krogformede lås omkring deflektorens drejestang (Figur 15).

Fastgør udblæsningsdækslet til skjoldet ved at hægte den fleksible lås på udblæsningsdækslet ind i holderen på skjoldet (Figur 11).
Ejeren/operatøren kan forhindre og er ansvarlig for ulykker, som kan forårsage personskade eller tingsskade.
Betjening af maskinen kræver din fulde opmærksomhed. Giv dig ikke i kast med aktiviteter, der afleder opmærksomheden, da dette kan medføre person- eller tingsskade.
Betjen ikke maskinen, hvis du er syg, træt eller påvirket af alkohol eller medicin.
Berøring af skærekniven kan medføre alvorlig personskade. Sluk for motoren, tag nøglen ud, og vent, til alle bevægelige dele er standset, før du forlader betjeningspositionen. Når du drejer nøglen til positionenOFF (fra), skal motoren slukkes, og skærekniven bør stoppe. Hvis den ikke standser, bør du straks holde op med at bruge maskinen og kontakte en autoriseret serviceforhandler.
Betjen kun maskinen i god sigtbarhed og gode vejrforhold. Betjen ikke maskinen, når der er risiko for lynnedslag.
Hold dine hænder og fødder væk fra klippeenhederne. Hold dig på afstand af udblæsningsåbningen.
Klip aldrig græs med udblæsningsdeflektoren oppe, fjernet eller ændret, medmindre der er et korrektfungerende græssamlersystem eller kværnsæt monteret.
Slå ikke græs i bakgear, medmindre det er absolut nødvendigt. Kig altid ned og bagud, inden maskinen køres baglæns.
Vær ekstremt forsigtig, når du nærmer dig blinde vinkler, buske, træer eller andre genstande, der kan blokere dit udsyn.
Stop altid skæreknivene, når du ikke klipper.
Hvis maskinen rammer en genstand eller begynder at ryste, skal du straks slukke motoren, tage nøglen ud (hvis den forefindes) og vente, indtil alle bevægelige dele standser, før du efterser maskinen for skader. Foretag alle nødvendige reparationer, inden driften genoptages.
Sænk farten, og vær forsigtig, når du vender og krydser veje og fortove med maskinen. Hold altid tilbage for andre.
Før du forlader betjeningspositionen, skal du gøre følgende:
Parker maskinen på en plan overflade.
Sørg for at udkoble kraftudtaget, og sænk redskaberne.
Aktiver parkeringsbremsen.
Sluk motoren, og tag nøglen ud.
Vent, til alle bevægelige dele standser.
Betjen kun motoren i områder med god udluftning. Udstødningsgasser indeholder kulilte, som er dødbringende, hvis de indåndes.
Efterlad aldrig en kørende maskine uden opsyn.
Bugseret udstyr må kun fastgøres ved anhængertrækket.
Betjen ikke maskinen, medmindre alle afskærmninger og sikkerhedsanordninger, f.eks. deflektorer og hele græsopsamleren, er på plads og fungerer korrekt. Udskift slidte eller beskadigede dele, når det er nødvendigt.
Brug kun tilbehør og redskaber, der er godkendt af Toro.
Denne maskine afgiver støj på mere end 85 dBA ved operatørens ører og kan give nedsat hørelse ved længere tids anvendelse.

Fjern græs og andet affald fra klippeenheden, drevene, lydpotten og motoren for at forhindre brand.
Start motoren, og hold fødderne på god afstand af skæreknivene.
Vær opmærksom på plæneklipperens udblæsningsbane, og ret udblæsningen væk fra andre. Undgå at udkaste materiale mod en mur eller forhindring, da materialet kan rikochettere tilbage mod operatøren.
Stop skæreknivene, sæt farten på maskinen ned, og vær forsigtig, når du krydser andre overflader end græs, eller når du transporterer maskinen til og fra driftsområdet.
Skift ikke motorens regulatorhastighed, og kør ikke motoren ved for høj hastighed.
Børn bliver ofte tiltrukket af maskinen og klippeaktiviteten. Gå aldrig ud fra, at børn bliver på det sted, hvor du sidst så dem.
Hold børn væk fra driftsområdet, og sørg for, at de er under opsyn af en ansvarlig voksen, der ikke er operatør.
Vær agtpågivende, og sluk maskinen, hvis børn kommer ind i driftsområdet.
Før du bakker eller drejer maskinen, skal du kigge ned og hele vejen rundt efter små børn.
Medbring ikke børn på maskinen, selv når skæreknivene ikke bevæger sig. Børn kan falde af og blive alvorligt kvæstet eller forhindre dig i at betjene maskinen på sikker vis. Børn, som tidligere har fået lov til at køre på maskinen, kan uden varsel dukke op i driftsområdet og blive kørt over af maskinen.
Skråninger er en væsentlig årsag til, at føreren mister herredømmet, eller at maskinen vælter. Sådanne ulykker kan medføre alvorlige personskader, i værste tilfælde med døden til følge. Operatøren er ansvarlig for sikker betjening på skråninger. Det kræver ekstra forsigtighed at betjene maskinen på alle former for skråninger. Før maskinen betjenes på en skråning, skal du gøre følgende:
Gennemgå og forstå instruktionerne vedrørende skråninger i betjeningsvejledningen og på maskinen.
Brug en vinkelindikator til at fastslå områdets omtrentlige hældningsvinkel.
Betjen aldrig maskinen på skråninger med en hældning på mere end 15°.
Evaluer forholdene på stedet på den pågældende dag for at fastslå, om skråningen er sikker at betjene maskinen på. Brug sund fornuft og god dømmekraft, når du foretager denne evaluering. Ændringer i terrænet, såsom fugt, kan hurtigt påvirke maskinens funktion på en skråning.
Identificer farer ved foden af skråningen. Betjen ikke maskinen i nærheden af bratte afsatser, grøfter, volde, vand og andre risikoområder. Maskinen kan pludselig vælte, hvis et hjul kører over kanten, eller hvis en kant skrider sammen. Hold sikker afstand (to gange maskinens bredde) mellem maskinen og enhver form for farekilde. Anvend en håndplæneklipper eller en græstrimmer til at klippe græsset i disse områder.
Undlad at starte, standse eller vende maskinen på skråninger. Undlad at foretage pludselige hastigheds- eller retningsskift. Drej langsomt og gradvist.
Undlad at betjene maskinen under forhold, hvor der er tvivl om traktion, styring eller stabilitet. Vær opmærksom på, at betjening af maskinen på vådt græs, på tværs af skråninger eller ned ad bakke kan medføre, at maskinen mister traktion. Mistet traktion til drivhjulene kan forårsage udskridning og mistet bremse- og styrekontrol. Maskinen kan glide, selvom drivhjulene er stoppet.
Fjern eller afmærk forhindringer, såsom grøfter, huller, hjulspor, bump, sten eller andre skjulte farekilder. Højt græs kan skjule forhindringer. Ujævnt terræn kan få maskinen til at vælte.
Udvis ekstra forsigtighed under arbejde med tilbehør eller redskaber, såsom græssamlersystemer. Disse kan ændre maskinens stabilitet og forårsage mistet herredømme. Følg vejledningerne for modvægte.
Hvis det er muligt, skal skjoldet holdes sænket til jorden under betjening på skråninger. Hævning af skjoldet under betjening på skråninger kan gøre maskinen ustabil.

Det udstyr, der skal bugseres, må kun fastgøres ved bugseringspunktet.
Anvend ikke maskinen som bugseringskøretøj, medmindre den har et anhængertræk monteret.
Overskrid ikke vægtgrænserne for bugseret udstyr og bugsering på skråninger. Bugseret vægt må ikke overskride maskinens og operatørens samlede vægt.
Lad aldrig børn eller andre komme i nærheden af det bugserede udstyr.
På skråninger kan vægten af det bugserede udstyr medføre traktionstab, øget risiko for væltning og mistet herredømme. Reducer den bugserede vægt, og sænk farten.
Bremselængden kan blive større i takt med vægten på en bugseret last. Kør langsomt, og vær klar til at bruge ekstra plads til at stoppe.
Foretag store sving, så redskabet holdes fri af maskinen.
Kontakten til regulering af skæreknivene (kraftudtag) starter og stopper skæreknivene og eventuelle motordrevne redskaber.

Du kan flytte gashåndtaget mellem positionerne FAST (hurtig) og SLOW (langsom) (Figur 21).
Brug altid positionen FAST (hurtig), når du indkobler kraftudtaget.

Brug chokeren, før du starter en kold motor.
Skub gashåndtaget/chokerhåndtaget forbi den forsænkede position FAST (hurtig) og over i positionen CHOKE (choker) for at aktivere chokeren, før du bruger tændingskontakten.

Flyt håndtaget ud af positionen CHOKE (choker) for at deaktivere chokeren, når motoren er startet.
Important: Aktiver ikke starteren i mere end 5 sekunder ad gangen. Hvis startmotoren aktiveres i mere end 5 sekunder, kan startmotoren påføres skade. Hvis motoren ikke starter, skal du vente i 1 minut, før du aktiverer motorstarteren igen.
Note: Det kan være nødvendigt at holde håndtaget mod stoppet i chokerpositionen, mens du forsøger at starte motoren (Figur 23).

Udkobl skæreknivene ved at flytte kontakten til regulering af skæreknivene til positionen OFF (fra).
Flyt bevægelseshåndtagene udad til positionen PARK (parker).
Flyt gashåndtaget til positionen FAST (hurtig).
Drej nøglen til positionen OFF (fra), og tag nøglen ud.
Børn eller andre omkringstående kan komme til skade, hvis de flytter eller forsøger at betjene maskinen, når operatøren ikke er til stede.
Fjern altid nøglen, og aktiver parkeringsbremsen, når du efterlader maskinen uden opsyn.

Drivhjulene drejer uafhængigt af hinanden og drives af hydraulikmotorer på hver aksel. Du kan dreje en side baglæns, mens du drejer den anden fremad, hvilket får maskinen til at rotere i stedet for at dreje. Dette forbedrer maskinens manøvredygtighed væsentligt, men der kan gå et stykke tid, før du vænner dig til, hvordan den bevæger sig.
Gashåndtaget styrer motorens omdrejningstal målt i omdrejninger pr. minut. Indstil gashåndtaget til positionen HURTIG for at opnå den bedste ydelse. Kør altid med fuld kraft ved plæneklipning.
Maskinen kan spinde meget hurtigt. Du kan miste kontrollen over maskinen og forårsage personskade eller beskadige maskinen.
Udvis forsigtighed, når du drejer.
Sæt farten ned, før du foretager skarpe sving.
Note: Vær altid forsigtig, når du drejer.
Flyt håndtagene til den midterste, ulåste position.
Kør fremad ved langsomt at skubbe bevægelseshåndtagene fremad (Figur 25).

Note: Vær altid forsigtig under bakning og drejning.
Flyt håndtagene til den midterste, ulåste position.
Bak ved langsomt at trække bevægelseshåndtagene bagud (Figur 26).

Smart SpeedTM-styresystemhåndtaget, som befinder sig under betjeningspositionen (Figur 27), giver operatøren mulighed for at vælge mellem tre kørehastigheder – trimning, træk og klipning.

Gør følgende for at regulere hastigheden:
Flyt bevægelseshåndtagene til den neutrale position og udad til positionen PARKER.
Deaktiver kontakten til regulering af skæreknive.
Flyt håndtaget til den ønskede position.
Følgende er kun anvendelsesanbefalinger. Justeringerne vil variere i henhold til græstype, fugtindhold og græssets højde.
| Anvendelsesanbefalinger: | Pynteliste | Træk | Ved klipning |
| Parkering | X | ||
| Tungt, vådt græs | X | ||
| Uddannelse | X | ||
| Trimning af græs | X | ||
| Fyldning af pose | X | ||
| Kværning | X | ||
| Bugsering af redskaber | X | ||
| Normal klipning | X | ||
| Flytning af maskinen | X |
Pynteliste
Dette er den laveste hastighed. De anbefalede anvendelser for denne hastighed er som følger:
Parkering
Klipning af tungt, vådt græs
Uddannelse
Trimning af græs
Træk
Dette er middelhastigheden. De anbefalede anvendelser for denne hastighed er som følger:
Fyldning af pose
Kværning
Bugsering af redskaber
Ved klipning
Dette er den hurtigste hastighed. De anbefalede anvendelser for denne hastighed er som følger:
Normal klipning
Flytning af maskinen
Plæneklipperen er udstyret med en hængslet græsdeflektor, der blæser det afklippede græs til siden og ned mod plænen.
Hvis ikke der er monteret græsdeflektor, udblæsningsdæksel eller komplet græsopsamler, udsætter du dig selv og andre for kontakt med skæreknivene og udslyngede genstande. Kontakt med plæneklipperens roterende skærekniv(e) og udslyngede genstande vil medføre personskade eller død.
Fjern aldrig græsdeflektoren fra plæneklipperskjoldet, da deflektoren leder materialerne ned mod plænen. Hvis græsdeflektoren beskadiges, skal den straks udskiftes.
Placer aldrig hænder eller fødder under plæneklipperskjoldet.
Forsøg aldrig at rense udblæsningsområdet eller skæreknivene, før du har sat kontakten til regulering af skæreknivene (kraftudtag) i positionen OFF (fra), drejet tændingskontakten til positionen OFF og taget nøglen ud af tændingskontakten.
Sørg for, at græsdeflektoren er i sænket position.
Hver gang klippehøjden ændres, skal antiskalperingsrullernes højde også justeres.
Note: Juster antiskalperingsrullerne, så rullerne ikke berører jorden i normale, flade klippeområder.
Parker maskinen på en plan flade, udkobl kontakten til regulering af skæreknive, og flyt bevægelseshåndtagene udad til positionen PARK (parker).
Sluk for motoren, tag nøglen ud, og vent, til alle bevægelige dele er standset, før du forlader betjeningspositionen.
Juster antiskalperingsrullerne til en af de følgende positioner:
Øverste hul – brug denne position med plæneklipperskjoldet i positionerne 63 mm og under klippehøjden (Figur 29).
Nederste hul – brug denne position med plæneklipperskjoldet i positionerne 76 mm og over klippehøjden (Figur 29).

For at opnå den bedste græsslåning og maksimal luftcirkulation skal motoren betjenes ved indstillingen HURTIG. Luft er nødvendigt for at kunne klippe græsset ordentligt, og derfor skal du ikke indstille klippehøjden for lavt eller lade plæneklipperskjoldet være helt omgivet af uklippet græs. Forsøg altid at holde 1 side af plæneklipperskjoldet fri for uklippet græs, så den nødvendige luft kan trækkes ind i plæneklipperskjoldet.
Klip ikke græsset helt så kort som normalt, så du kan sikre dig, at plæneklipperskjoldets klippehøjde ikke fjerner græsset helt i ujævnt terræn. Den tidligere anvendte klippehøjde er dog tit den bedste. Når du klipper græs, der er længere end 15 cm, kan det være en fordel at klippe græsset to gange for at sikre en acceptabel klippekvalitet.
Du opnår det bedste resultat ved kun at klippe en tredjedel af græsstråets længde. Det anbefales ikke at klippe mere end dette, medmindre græsbevoksningen er spredt, eller det er sent på efteråret, hvor græsset ikke længere vokser så hurtigt.
Skift mellem klipperetningen for at sikre, at græsset fortsætter med at vokse lodret. Dette medvirker også til at sprede det afklippede græs, hvilket øger nedbrydningen og gødningseffekten.
Græs vokser med forskellig hastighed på forskellige tider af året. Hvis du vil bevare den samme klippehøjde, skal græsset slås oftere i det tidlige forår. Når græssets væksthastighed falder midt på sommeren, skal du ikke slå græsset så tit. Hvis du ikke har mulighed for at slå græs over en længere periode, skal du først slå det med en høj klippehøjde og derefter igen to dage senere med en lavere højdeindstilling.
Under visse forhold kan klipning ved en lavere kørehastighed forbedre klippekvaliteten.
Når du klipper en ujævn plæne, skal du hæve klippehøjden for at undgå at skalpere plænen.
Hvis fremdriften af maskinen standses, mens græsslåningen er i gang, kan du risikere, at der falder en klump afklippet græs ned på plænen. Dette kan undgås ved at flytte maskinen hen til et tidligere klippet område, mens knivene er aktiveret, eller du kan deaktivere plæneklipperskjoldet, mens du kører fremad.
Fjern afklippet græs og snavs fra undersiden af plæneklipperskjoldet efter hver anvendelse. Hvis græs og snavs ophober sig i plæneklipperskjoldet, bliver kvaliteten af græsslåningen utilfredsstillende med tiden.
Hold skærekniven(e) skarp(e) gennem hele græsslåningssæsonen, da en skarp skærekniv skærer græsset rent af uden at rive det over eller få det til at flosse. Hvis græsset rives over eller flosser, bliver spidserne brune, hvilket hæmmer væksten og øger risikoen for sygdom. Kontroller skæreknivene for skarphed hver gang efter brug samt for slid og beskadigelse. Fil eventuelle hakker ned, og slib skæreknivene, hvis det er nødvendigt. Hvis en kniv er beskadiget eller slidt, skal den udskiftes med det samme med en original Toro-kniv. Se Serviceeftersyn af skæreknivene.
Sluk for motoren, tag nøglen ud, og vent, til alle bevægelige dele er standset, før du forlader førersædet. Lad maskinen køle af, inden du efterser, justerer, påfylder brændstof, rengør den eller stiller den til opbevaring.
Fjern græs og andet affald fra klippeenheden, lydpotten, drevene, græsopsamleren og motorrummet for at forhindre brand. Tør spildt olie eller brændstof op.
Tag nøglen ud, før maskinen transporteres eller stilles til opbevaring.
| Vedligeholdelsesintervaller | Vedligeholdelsesprocedure |
|---|---|
| Efter hver anvendelse |
|
Important: Du kan vaske maskinen med et mildt rengøringsmiddel og vand. Udsæt ikke maskinen for højtryksrensning. Undgå overdreven brug af vand, særligt under sædet og i nærheden af kontrolpanelet, motoren og hydraulikpumperne.
Parker maskinen på en plan flade, udkobl kontakten til regulering af skæreknive, og flyt bevægelseshåndtagene udad til positionen PARK (parker).
Sluk for motoren, og vent til alle bevægelige dele er standset, før du forlader betjeningspositionen.
Fjern græs og snavs fra klippeenheden, lydpotten, drevene, græsopsamleren og motoren. Brug trykluft, når det er muligt.
Note: Se Vask af plæneklipperskjoldets underside for at få oplysninger om brug af plæneklipperskjoldets vaskefitting.
Parker maskinen på en plan flade, udkobl kontakten til regulering af skæreknive, og flyt bevægelseshåndtagene udad til positionen PARK (parker).
Sluk for motoren, og vent til alle bevægelige dele er standset, før du forlader betjeningspositionen.
Find omløbshåndtagene på stellet på begge sider af motoren.
Flyt begge omløbshåndtag fremad gennem det rillede hul og nedad for at låse dem på plads (Figur 30).
Kontakt med varme overflader kan forårsage personskade.
Hold hænder og fødder, dit ansigt og tøj samt andre kropsdele væk fra motoren, lydpotten og andre varme overflader.
Maskinen kan bevæge sig utilsigtet, mens omløbshåndtagene låses fremad i åbningen, og forårsage personskade på dig eller andre omkringstående personer.
Lås omløbshåndtagene bagud, når maskinen er blevet flyttet.

Deaktiver parkeringsbremsen ved at flytte begge bevægelseshåndtag til den midterste, ulåste position.
Note: Start ikke maskinen.
Flyt maskinen efter behov.
Important: Skub altid maskinen manuelt. Bugser ikke maskinen, da bugsering kan beskadige den.
Flyt bevægelseshåndtagene udad til positionen PARK (parker).
Flyt begge omløbshåndtag bagud og ned gennem hullet med rillen for at låse dem på plads.
Brug en robust anhænger eller lastbil til at transportere maskinen. Brug en rampe med fuld bredde. Kontroller, at anhængeren eller lastbilen er udstyret med alle de nødvendige bremser, lys og de nødvendige skilte i henhold til lovgivningen. Læs alle sikkerhedsoplysninger omhyggeligt. Disse oplysninger kan hjælpe dig eller omkringstående personer med at undgå at komme til skade. Følg de lokale forskrifter vedr. krav til anhænger og bindepunkter.
Kørsel på gader og veje uden blinklys, lygter, refleksmarkeringer eller et skilt om langsomtgående køretøj kan føre til ulykker og forårsage personskade.
Kør ikke maskinen på offentlige gader og veje.
Pålæsning af en maskine på en anhænger eller lastbil øger risikoen for at vippe og kan forårsage alvorlig personskade eller død (Figur 31).
Brug kun en rampe med fuld bredde. Brug ikke individuelle ramper til hver side af maskinen.
Overskrid ikke en vinkel på 15 grader mellem rampen og jorden eller mellem rampen og anhænger eller lastbil.
Sørg for, at rampen er mindst fire gange så lang som anhængerens højde eller lastbilens ladhøjde og ned til jorden. Dette sikrer, at rampens vinkel ikke overstiger 15 grader på plan grund.

Pålæsning af en maskine på en anhænger eller lastbil øger risikoen for at vippe og kan forårsage alvorlig personskade eller død.
Vær ekstra forsigtig, når maskinen køres på en rampe.
Bak maskinen op ad rampen, og kør den fremad ned ad rampen.
Undgå pludselig acceleration eller deceleration når maskinen køres op på en rampe. Dette kan forårsage, at man mister kontrollen eller øge risikoen for at vælte.
Hvis du bruger en anhænger, skal du fastgøre den til bugseringskøretøjet og sætte sikkerhedskæderne på.
Tilslut om nødvendigt anhængerens bremser og lygter.
Sænk rampen, og sørg for, at vinklen mellem rampen og jorden ikke overstiger 15 grader (Figur 31).
Bak maskinen op ad rampen (Figur 32).

Sluk for motoren, tag nøglen ud, og flyt bevægelseshåndtagene udad til positionen PARK (parker).
Fastgør maskinen i nærheden af de forreste styrehjul og bagstellet med remme, kæder, kabler eller reb (Figur 33). Se de lokale regler for bindepunkter.
Note: Ret remmene nedad og væk fra maskinen.

Note: Maskinens venstre og højre side er som set fra den normale betjeningsposition.
Hvis du lader nøglen sidde i kontakten, kan andre personer utilsigtet komme til at starte motoren og forårsage alvorlig personskade på dig eller andre omkringstående. Tag nøglen ud af tændingen, før vedligeholdelsesarbejde påbegyndes.
Før du forlader førersædet, skal du gøre følgende:
Parker maskinen på en plan overflade.
Udkobl drevene.
Aktiver parkeringsbremsen.
Sluk motoren, og tag nøglen ud.
Vent, til maskinens komponenter er kølet ned, før du udfører vedligeholdelse.
Lad ikke personer, som ikke er uddannet dertil, udføre service på maskinen.
Hold hænder og fødder væk fra bevægelige dele og varme overflader. Undgå om muligt at foretage justeringer, mens motoren kører.
Tag forsigtigt trykket af komponenter, hvori der er oplagret energi.
Kontroller parkeringsbremsens funktion hyppigt. Juster og efterse den efter behov.
Pil aldrig ved sikkerhedsanordningerne. Efterse regelmæssigt, at de fungerer korrekt.
Fjern græs og snavs fra klippeenheden, lydpotten, drevene, græsopsamleren og motorrummet for at forhindre brand.
Tør spildt olie eller brændstof, og fjern snavs vædet med brændstof op.
Brug ikke udelukkende hydrauliske eller mekaniske donkrafte til at understøtte maskinen. Maskinen skal understøttes med donkrafte, når du hæver maskinen.
Hold alle dele i god driftsmæssig stand og alle beslag tilspændt, ikke mindst skæreknivsbeslag. Udskift alle slidte eller beskadigede mærkater.
Kobl kablet fra batteriets minuspol, før du reparerer maskinen.
Brug kun originale Toro-reservedele og tilbehør for at sikre optimal ydelse. Reservedele og tilbehør, der er fremstillet af andre producenter, kan være farlige, og brug heraf kan ugyldiggøre garantien.
| Vedligeholdelsesintervaller | Vedligeholdelsesprocedure |
|---|---|
| Hver anvendelse eller dagligt |
|
| Efter hver anvendelse |
|
| For hver 25 timer |
|
| Hver 100. driftstime eller årligt, alt efter hvad der indtræffer først |
|
| Før opbevaring |
|
| Årlig |
|
Important: Se betjeningsvejledningen til motoren for at få yderligere oplysninger om procedurer for vedligeholdelse.
Hvis du lader nøglen sidde i kontakten, kan andre personer utilsigtet komme til at starte motoren og forårsage alvorlig personskade på dig eller andre omkringstående.
Sluk motoren, og tag nøglen ud af tændingen, før du foretager vedligeholdelse.
Løsn gardinets 2 nederste bolte for at blotlægge den øverste del af plæneklipperskjoldet (Figur 34).

Note: Spænd altid boltene for at montere gardinet efter vedligeholdelse.
Brug donkrafte til at understøtte maskinen, når du hæver den.
Understøttelse af maskinen på det nedre lydpotteskjold (Figur 35) kan beskadige skjoldet og medføre, at maskinen vælter og kvæster dig eller omkringstående.
Undlad at anvende det nedre lydpotteskjold til løft eller understøttelse af maskinen.

| Vedligeholdelsesintervaller | Vedligeholdelsesprocedure |
|---|---|
| For hver 25 timer |
|
Fedttype: Lithiumbaseret fedt nr. 2
Parker maskinen på en plan flade, udkobl kontakten til regulering af skæreknive, og flyt bevægelseshåndtagene udad til positionen PARK (parker).
Sluk for motoren, tag nøglen ud, og vent, til alle bevægelige dele er standset, før du forlader betjeningspositionen.
Rengør smøreniplerne (Figur 36) med en klud.
Note: Skrab eventuel maling af forsiden på fittingen/-erne.

Monter en fedtpistol på hver nippel (Figur 36).
Pump fedt ind i delene, indtil der begynder at løbe fedt ud af lejerne.
Tør overskydende smørefedt op.
Hold hænder og fødder, ansigt og tøj samt andre kropsdele væk fra lydpotten og andre varme overflader. Vent, til motorkomponenterne er kølet ned, før du udfører vedligeholdelsesarbejde.
Skift ikke motorens regulatorhastighed, og kør ikke motoren ved for høj hastighed.
| Vedligeholdelsesintervaller | Vedligeholdelsesprocedure |
|---|---|
| For hver 25 timer |
|
| Årlig |
|
Note: Luftfilteret skal efterses oftere under meget støvede eller sandede forhold (efter få timers brug).
Parker maskinen på en plan flade, udkobl kontakten til regulering af skæreknive, og flyt bevægelseshåndtagene udad til positionen PARK (parker).
Sluk for motoren, tag nøglen ud, og vent, til alle bevægelige dele er standset, før du forlader betjeningspositionen.
Rengør området omkring luftfilterdækslet for at forhindre snavs i at trænge ind i motoren og forårsage skader.
Drej låsene mod uret, og fjern dækslet.

Løft i enden af filteret, og tag det ud af luftindtaget.

Adskil skum- og papirindsatserne.

Vask skumindsatsen med flydende sæbe og varmt vand. Når indsatsen er ren, skal den skylles omhyggeligt.
Tør indsatsen ved at klemme den i en ren klud.
Important: Udskift skumindsatsen, hvis den er slidt eller beskadiget.
Smør lidt olie på skumindsatsen med ny motorolie, og klem overskydende olie ud.
Rens papirindsatsen ved forsigtigt at banke på den for at fjerne støv.
Note: Hvis papirindsatsen er meget snavset, skal den udskiftes med en ny.
Undersøg indsatsen for revner, oliefilm eller beskadigelse af gummipakningen.
Udskift papirindsatsen, hvis den er beskadiget.
Important: Rengør ikke papirfilteret.
Monter skumforfilterindsatsen over papirindsatsen.
Note: Sørg for, at du ikke kommer til at beskadige elementerne.
Monter luftfilterindsatserne på luftfilterbunden.
Monter dækslet, og fastgør det med låsene (Figur 37).
Olietype: Selvrensende olie (herunder syntetisk) af API-service SJ-klassifikationen eller højere
Krumtaphusets kapacitet: 1,4 l med oliefilter
Viskositet: Se nedenstående tabel.

| Vedligeholdelsesintervaller | Vedligeholdelsesprocedure |
|---|---|
| Hver anvendelse eller dagligt |
|
Note: Kontroller olien, mens motoren er kold.
Important: Hvis du fylder for meget eller for lidt olie på motorens krumtaphus og starter motoren, risikerer du, at motoren beskadiges.
Parker maskinen på en plan flade, udkobl kontakten til regulering af skæreknive, og flyt bevægelseshåndtagene udad til positionen PARK (parker).
Sluk for motoren, tag nøglen ud, og vent, til alle bevægelige dele er standset, før du forlader betjeningspositionen.
Note: Sørg for, at motoren er afkølet, så olien har haft tid til at løbe ned i sumpen.
Rengør området omkring oliepåfyldningsdækslet og målepinden, før målepinden tages ud, for at undgå, at der kommer snavs, græs osv. i motoren (Figur 41).

| Vedligeholdelsesintervaller | Vedligeholdelsesprocedure |
|---|
Parker maskinen på en plan overflade for at sikre, at olien drænes helt.
Udkobl kontakten til regulering af skæreknive, og flyt bevægelseshåndtagene udad til positionen PARK (parker).
Sluk motoren, tag nøglen ud, og vent, til alle bevægelige dele er standset, før du forlader betjeningspositionen.
Dræn olien fra motoren (Figur 42).

Skift motoroliefilteret (Figur 43).
Note: Sørg for, at oliefilterpakningen berører motoren, og drej derefter filteret en ekstra 3/4 omgang.

Hæld langsomt ca. 80 % af den angivne olie i påfyldningsrøret, og tilsæt langsomt ekstra olie, så oliestanden når op til mærket Full (fuld) (Figur 44).

Bortskaf den brugte olie på et genbrugsanlæg.
| Vedligeholdelsesintervaller | Vedligeholdelsesprocedure |
|---|---|
| Årlig |
|
Sørg for, at gnistgabet mellem midter- og sideelektroden er korrekt, før tændrøret monteres. Brug en tændrørsnøgle til at afmontere og montere tændrøret og en søgelære til at kontrollere og justere gnistgabet. Monter om nødvendigt et nyt tændrør.
Type: Briggs and Stratton® 491055 eller Champion® XC92YC
Gnistgab: 0,76 mm
Parker maskinen på en plan flade, udkobl kontakten til regulering af skæreknive, og flyt bevægelseshåndtagene udad til positionen PARK (parker).
Sluk for motoren, tag nøglen ud, og vent, til alle bevægelige dele er standset, før du forlader betjeningspositionen. Lad motoren køle af.
Rengør området omkring bunden af tændrøret for at forhindre, at der slipper snavs og materiale ind i motoren.
Fjern tændrøret (Figur 45).

Important: Rengør ikke tændrøret/tændrørene. Udskift altid tændrøret/tændrørene, når det/de har: en sort belægning, slidte elektroder, oliefilm eller revner.
Hvis der kan ses en lys brun eller grå farve på isolatoren, fungerer motoren korrekt. En sort belægning på isoleringen betyder normalt, at luftfilteret er snavset.
Indstil gnistgabet til 0,76 mm.


| Vedligeholdelsesintervaller | Vedligeholdelsesprocedure |
|---|---|
| Hver anvendelse eller dagligt |
|
Parker maskinen på en plan flade, udkobl kontakten til regulering af skæreknive, og flyt bevægelseshåndtagene udad til positionen PARK (parker).
Sluk for motoren, tag nøglen ud, og vent, til alle bevægelige dele er standset, før du forlader betjeningspositionen.
Fjern luftfilteret fra motoren.
Fjern motorskærmen.
Sæt luftfilteret i filterbasen for at forhindre, at der trænger snavs ind i luftindtaget.
Fjern snavs og græs fra delene.
Fjern luftfilteret, og monter motorskærmen.
Isæt luftfilteret.
Under visse forhold er brændstof meget brandfarligt og yderst eksplosivt. En brand eller eksplosion forårsaget af brændstof kan give dig eller andre forbrændinger samt medføre tingsskade.
Se Brændstofsikkerhed for at få en samlet liste over brændstofrelaterede forholdsregler.
| Vedligeholdelsesintervaller | Vedligeholdelsesprocedure |
|---|---|
| Årlig |
|
Monter aldrig et snavset filter efter at have fjernet det fra brændstofrøret.
Parker maskinen på en plan flade, udkobl kontakten til regulering af skæreknive, og flyt bevægelseshåndtagene udad til positionen PARK (parker).
Sluk for motoren, tag nøglen ud, og vent, til alle bevægelige dele er standset, før du forlader betjeningspositionen. Lad motoren køle af.
Udskift filteret (Figur 48).
Note: Sørg for, at pilen, som angiver gennemstrømningsretningen på erstatningsfilteret, peger mod motoren.


Kobl kablet fra batteriets minuspol, før du reparerer maskinen.
Oplad batterier på et åbent sted med god ventilation, væk fra gnister og åben ild. Træk stikket til opladeren ud af stikkontakten, før du slutter den til eller kobler den fra batteriet. Brug beskyttelsesdragt og isoleret værktøj.
Batteripoler eller metalværktøj kan kortslutte mod maskinens metaldele og forårsage gnister. Gnister kan få batterigasserne til at eksplodere og medføre personskade.
Når batteriet skal fjernes eller monteres, må batteriets poler ikke berøre nogen metaldele på maskinen.
Metalværktøj må ikke kortslutte mellem batteripolerne og maskinens metaldele.
Parker maskinen på en plan flade, udkobl kontakten til regulering af skæreknive, og flyt bevægelseshåndtagene udad til positionen PARK (parker).
Sluk for motoren, tag nøglen ud, og vent, til alle bevægelige dele er standset, før du forlader betjeningspositionen.
Hæv sædet for at få adgang til batteriet.
Tag det sorte minusjordkabel af batteriets pol (Figur 49).
Note: Gem alle fastgørelsesanordningerne.
Ukorrekt afmontering af kablerne fra batteriet kan danne gnister og beskadige maskinen og kablerne. Gnister kan få batterigasserne til at eksplodere og medføre personskade.
Frakobl altid batteriets (sorte) minuskabel, før du frakobler det røde pluskabel.
Tilslut altid batteriets røde pluskabel, før du tilslutter det sorte minuskabel.
Skyd gummikappen af det positive (røde) kabel.
Tag det (røde) positive kabel af batteriets pol (Figur 49).
Note: Gem alle fastgørelsesanordningerne.
Fjern batteritilholderen (Figur 49) og løft batteriet op fra batteribakken.

| Vedligeholdelsesintervaller | Vedligeholdelsesprocedure |
|---|---|
| Før opbevaring |
|
Fjern batteriet fra chassiset. Se Afmontering af batteriet.
Oplad batteriet i mindst 1 time ved 6-10 A.
Note: Batteriet må ikke overoplades.
Når batteriet er fuldt opladet, skal du tage opladeren ud af stikkontakten og dernæst koble opladningskablerne fra batteriets poler (Figur 50).

Placer batteriet i bakken (Figur 49).
Sæt det positive batterikabel (rødt) i den positive batteripol vha. de fastgørelsesanordninger, som du fjernede tidligere.
Sæt det negative batterikabel i den negative batteripol vha. de fastgørelsesanordninger, som du fjernede tidligere.
Før den røde klemme over på den positive (røde) batteripol.
Fastgør batteriet med tilholderen (Figur 49).
Sænk sædet.
Det elektriske system er beskyttet af sikringer. Det behøver ingen vedligeholdelse, men hvis en sikring springer, skal du dog kontrollere komponenten og kredsløbet for fejl eller kortslutning.
Sikringstype:
Hovedsikring – F1 (25 A, flade stikben)
Ladekredsløbssikring – F2 (15 A, flade stikben)
Parker maskinen på en plan flade, udkobl kontakten til regulering af skæreknive, og flyt bevægelseshåndtagene udad til positionen PARK (parker).
Sluk for motoren, tag nøglen ud, og vent, til alle bevægelige dele er standset, før du forlader betjeningspositionen.
Hæv sædet for at få adgang til sikringerne.
En sikring udskiftes ved at trække den ud og fjerne den (Figur 51).

Sænk sædet.
| Vedligeholdelsesintervaller | Vedligeholdelsesprocedure |
|---|---|
| For hver 25 timer |
|
Oprethold lufttrykket i for- og baghjulene som angivet. Ujævnt dæktryk kan forårsage ujævn klipning. Kontroller trykket ved ventilspindlen (Figur 52). Dæktrykket skal kontrolleres, når dækkene er kolde. På denne måde opnås den mest præcise trykmåling.
Pump de forreste styrehjuls dæk op til enten 2,06 bar eller det tryk, der er angivet på dæksiden – alt efter hvilket tal der er lavere.
Pump de bageste drivhjuls dæk op til 90 kPa (13 psi).

Når du kører maskinen fremad ved fuld hastighed over en flad, plan overflade, skal du justere sporingen, hvis maskinen trækker til siden.
Hvis maskinen trækker til venstre, skal du justere det højre bevægelseshåndtag. Hvis maskinen trækker til højre, skal du justere det venstre bevægelseshåndtag.
Note: Du kan kun justere sporingen for fremadrettet kørsel.
Parker maskinen på en plan flade, udkobl kontakten til regulering af skæreknive, og flyt bevægelseshåndtagene udad til positionen PARK (parker).
Sluk for motoren, tag nøglen ud, og vent, til alle bevægelige dele er standset, før du forlader betjeningspositionen.
Find bolten til sporingsjustering i nærheden af bevægelseshåndtaget på den side, der skal justeres (Figur 53).
Note: Hæv sædet for at få nemmere adgang til justeringsbolten.
Drej bolten for at reducere hastigheden for det pågældende hjul.
Note: Drej bolten en anelse for at foretage mindre justeringer.

Start maskinen, og kør frem på en flad, plan overflade med bevægelseshåndtagene helt fremme for at kontrollere, om maskinen sporer lige. Gentag denne procedure efter behov.
| Vedligeholdelsesintervaller | Vedligeholdelsesprocedure |
|---|---|
| For hver 25 timer |
|
Udskift remmen, hvis den er slidt. Tegnene på en slidt rem omfatter en hvinende lyd, når remmen roterer, glidende skæreknive under plæneklipning og flossede kanter, brændemærker og revner på remmen.
Tegnene på en slidt rem omfatter en hvinende lyd, når remmen roterer, glidende skæreknive under plæneklipning og flossede kanter, brændemærker og revner på remmen. Udskift remmen, hvis nogen af disse forhold opstår.
Parker maskinen på en plan flade, udkobl kontakten til regulering af skæreknive, og flyt bevægelseshåndtagene udad til positionen PARK (parker).
Sluk for motoren, tag nøglen ud, og vent, til alle bevægelige dele er standset, før du forlader betjeningspositionen.
Indstil klippehøjden til den laveste position (38 mm).
Løsn de 2 nederste bolte, der fastholder plæneklipperskjoldets gardin på plæneklipperskjoldet. Se Frigivelse af plæneklipperskjoldets gardin.
Løsn skruerne, og tag remskivens dæksler af (Figur 54).

Løsn den møtrik, der fastgør trådformen til styreremskiven (Figur 55).

Brug et fjederværktøj (Toro-delnr. 92-5771) til at fjerne styrefjederen fra skjoldets krog for at fjerne spændingen fra styreremskiven, og rul remmen af remskiverne (Figur 56).
Fjederen er spændt, når den monteres, og kan forårsage personskade.
Vær forsigtig, når du fjerner remmen.

Før den nye rem rundt om motorremskiven og plæneklipperremskiverne (Figur 56).
Brug et fjederværktøj (Toro-delnr. 92-5771) til at montere styrefjederen over skjoldets krog og tilspænde styreremskiven og plæneklipperremmen (Figur 56).
Tilspænd den møtrik, der fastgør trådformen til styreremskiven.
Note: Placer trådformen mod styrearmen som vist på Figur 55.
Monter remskivens dæksler.
Stram de 2 nederste bolte, der fastgør plæneklipperskjoldets gardin til plæneklipperskjoldet. Se Frigivelse af plæneklipperskjoldets gardin.
Efterse jævnligt skæreknivene for slid og skader.
Vær forsigtig, når du efterser knivene. Pak skæreknivene ind, eller bær handsker, og vær forsigtig når du efterser skæreknivene. Du må kun udskifte eller slibe skæreknivene. De må aldrig rettes ud eller svejses.
På maskiner med flere skæreknive skal du udvise forsigtighed, da én skæreknivs rotation kan få andre skæreknive til at rotere.
Udskift slidte eller beskadigede skæreknive og bolte sætvis for at bevare afbalanceringen.
For at sikre en god klippekvalitet skal skæreknivene holdes skarpe. Det kan være praktisk at have en eller flere ekstra skæreknive ved hånden i forbindelse med slibning og udskiftning.
Parker maskinen på en plan flade, udkobl kontakten til regulering af skæreknive, og flyt bevægelseshåndtagene udad til positionen PARK (parker).
Sluk motoren, fjern nøglen, og tag tændrørskablerne fra tændrørene.
| Vedligeholdelsesintervaller | Vedligeholdelsesprocedure |
|---|---|
| Hver anvendelse eller dagligt |
|
Efterse skærekanterne (Figur 57).
Hvis kanterne ikke er skarpe, eller hvis de har hakker, skal skæreknivene afmonteres og slibes. Se Slibning af skæreknivene.
Efterse skæreknivene, især det buede område.
Hvis skæreknivene er beskadiget eller slidt, eller hvis der er antydning af en revne i dette område, skal der straks monteres nye skæreknive (Figur 57).

Note: Maskinen skal stå på en plan overflade, når følgende procedure udføres.
Hæv plæneklipperskjoldet til den højeste klippehøjde.
Bær tykt polstrede handsker eller anden tilstrækkelig håndbeskyttelse, drej langsomt skærekniven til en position, der gør det muligt for dig at måle afstanden mellem skærekanten og den plane flade, som maskinen befinder sig på (Figur 58).

Mål fra spidsen af skærekniven til den plane overflade (Figur 59).

Drej samme skærekniv 180 grader, så den modsatte skærekant nu befinder sig i samme position (Figur 60).

Mål fra spidsen af skærekniven til den plane overflade (Figur 61).
Note: Forskellen bør ikke være større end 3 mm.

Hvis forskellen mellem A og B er større end 3 mm, udskiftes skærekniven med en ny skærekniv. Se Afmontering af skæreknivene og Montering af skæreknivene.
Note: Hvis en bøjet skærekniv udskiftes med en ny skærekniv, og forskellen stadig er over 3 mm, er knivspindlen muligvis bøjet. Kontakt en autoriseret serviceforhandler med henblik på eftersyn.
Hvis forskellen er inden for det tilladte, skal du gå videre til næste skærekniv.
Gentag proceduren på hver skærekniv.
Udskift skæreknivene, hvis de rammer et solidt objekt, eller hvis skærekniven er ude af balance eller bøjet.
Hold på skæreknivens ende med en klud eller en tyk handske.
Fjern skæreknivsbolten, den buede spændeskive og skærekniven fra spindelakslen (Figur 62).

Anvend en fil til at slibe begge ender af skærekniven (Figur 63).
Note: Bevar den oprindelige vinkel.
Note: Skærekniven bevarer balancen, hvis der fjernes den samme mængde materiale på begge skærekanter.

Kontroller knivens balance ved at placere den på en afbalanceringsenhed (Figur 64).
Note: Hvis skærekniven forbliver i en vandret position, er kniven afbalanceret og kan benyttes.
Note: Hvis kniven ikke er afbalanceret, skal der slibes lidt mere metal af sejlområdet (Figur 63).

Gentag denne procedure, indtil skærekniven er afbalanceret.
Monter skærekniven på spindelakslen (Figur 62).
Important: Den buede del af skærekniven skal pege opad mod indersiden af plæneklipperen for at sikre en god klipning.
Monter den buede skive (med den buede side mod skærekniven) samt knivbolten (Figur 62).
Tilspænd skæreknivsbolten med et moment på 81 til 108 Nm.
Kontroller, at plæneklipperskjoldet er plant, hver gang du monterer plæneklipperen, eller når du ser en ujævn klipning på plænen.
Kontroller plæneklipperskjoldet for bøjede knive før nivellering, og fjern og udskift bøjede knive. Se Serviceeftersyn af skæreknivene, før du fortsætter.
Niveller først plæneklipperskjoldet fra side til side. Derefter kan du justere den langsgående hældning.
Krav:
Maskinen skal stå på en plan overflade.
Alle dæk skal være korrekt pumpet; se Kontrol af dæktrykket.
Parker maskinen på en plan flade, udkobl kontakten til regulering af skæreknive (kraftudtag), og flyt bevægelseshåndtagene udad til positionen PARK (parker).
Sluk for motoren, tag nøglen ud, og vent, til alle bevægelige dele er standset, før du forlader betjeningspositionen.
Indstil klippehøjden til 76 mm.
Drej forsigtigt skæreknivene fra side til side.
Mål mellem de udvendige skærekanter og den plane overflade (Figur 65).
Note: Hvis begge mål ikke er inden for 5 mm, er en justering nødvendig. Se Tværgående nivellering.

Kontroller den langsgående knivhældning, hver gang du justerer plæneklipperen. Hvis plæneklipperens forende er mere end 7,9 mm lavere end bagenden af plæneklipperen, skal skæreknivens hældning justeres.
Parker maskinen på en plan flade, udkobl kontakten til regulering af skæreknive (kraftudtag), og flyt bevægelseshåndtagene udad til positionen PARK (parker).
Sluk for motoren, tag nøglen ud, og vent, til alle bevægelige dele er standset, før du forlader betjeningspositionen.
Indstil klippehøjden til 76 mm.
Drej forsigtigt skæreknivene, så de vender på langs (Figur 66).
Mål fra spidsen af den forreste skærekniv til den plane overflade og spidsen af den bageste skærekniv til den plane overflade (Figur 66).
Note: Hvis den forreste skæreknivs spids ikke er 1,6 til 7,9 mm lavere end den bageste skæreknivs spids, skal du fortsætte til proceduren Justering af den langsgående knivhældning.

Gå til venstre side af maskinen.
Sæt antiskalperingsrullerne i de øverste huller, eller fjern dem helt, når denne procedure udføres. Se Justering af antiskalperingsruller.
Flyt klippehøjdehåndtaget til positionen på 76 mm. Se Justering af klippehøjden.
Placer 2 blokke med hver en tykkelse på 6,6 cm under hver side af skjoldets forkant, men ikke under antiskalperingsrullebeslagene (Figur 67).
Placer 2 blokke med hver en tykkelse på 7,3 cm under bagkanten af klippedækket – 1 på hver side af klippeskjoldet (Figur 67).

Fjern låseclipsen og spændeskiven fra løftearmens nederste drejetap (Figur 68).

Drej klippehøjdepladen hen til et andet hul, så den understøtter plæneklipperskjoldets vægt, når du har installeret pladen (Figur 69).

Sæt spændeskiven og låseclipsen på igen (Figur 69).
Gentag trin 6 til 8 for den anden side af maskinen.
Kontroller den tværgående nivellering igen. Gentag denne procedure, indtil målingerne er korrekte.
Fortsæt nivelleringen af plæneklippeskjoldet ved at kontrollere den langsgående knivhældning. Se Justering af den langsgående knivhældning.
Drej justermøtrikken forrest på plæneklipperen (Figur 70).

Stram justermøtrikken for at hæve plæneklipperskjoldets forende.
Løsn justermøtrikken for at sænke plæneklipperskjoldets forende.
Efter justering skal du kontrollere den langsgående hældning igen og fortsætte med at justere møtrikken, indtil spidsen på den forreste skærekniv er mellem 1,6 og 7,9 mm lavere end spidsen på den bageste skærekniv. Se Kontrol af den langsgående knivhældning.
Når den langsgående skæreknivshældning er korrekt, skal plæneklipperskjoldets tværgående niveau kontrolleres igen. Se Kontrol af tværgående nivellering.
Parker maskinen på en plan flade, udkobl kontakten til regulering af skæreknive (kraftudtag), og flyt bevægelseshåndtagene udad til positionen PARK (parker).
Sluk for motoren, tag nøglen ud, og vent, til alle bevægelige dele er standset, før du forlader betjeningspositionen.
Sænk klippehøjdehåndtaget til den laveste position.
Fjern låseclipsen fra den forreste støttestang, og fjern stangen fra skjoldbeslaget (Figur 71).

Sænk forsigtigt klippeskjoldets forende til jorden.
Tag spændeskiven og låseclipsen ud af skjoldlåsestiften på den ene side af maskinen (Figur 72).

Fjern løftearmen fra skjoldets låsestifter (Figur 72).
Gentag trin 6 og 7 for maskinens venstre side.
Skyd plæneklipperen tilbage for at fjerne plæneklipperremmen fra motorremskiven.
Skyd plæneklipperen ud fra undersiden af maskinen.
Note: Gem alle dele til fremtidig montering.
Parker maskinen på en plan flade, udkobl kontakten til regulering af skæreknive (kraftudtag), og flyt bevægelseshåndtagene udad til positionen PARK (parker).
Sluk for motoren, tag nøglen ud, og vent, til alle bevægelige dele er standset, før du forlader betjeningspositionen.
Skyd plæneklipperen ind under maskinen.
Sænk klippehøjdehåndtaget til den laveste position.
Løft bagenden af plæneklipperen, og monter løftearmen på skjoldets låsestift på den ene side af maskinen (Figur 72).
Sæt løftearmen på igen med spændeskiven og låseclipsen (Figur 72).
Gentag trin 5 og 6 for maskinens venstre side.
Fastgør den forreste støttestang til klippeskjoldet med gaffelbolten og låseclipsen (Figur 71).
Monter plæneklipperremmen på motorremskiven. Se Udskiftning af plæneklipperremmen.
| Vedligeholdelsesintervaller | Vedligeholdelsesprocedure |
|---|---|
| Hver anvendelse eller dagligt |
|
En utildækket udblæsningsåbning kan resultere i, at maskinen udkaster genstande mod dig eller omkringstående, hvilket kan medføre alvorlig personskade. Der kan også opstå kontakt med skærekniven.
Betjen aldrig maskinen uden græsdeflektoren, udblæsningsdækslet eller græssamlersystemet påmonteret.
Fjern møtrikken (⅜") fra stangen under plæneklipperen (Figur 73).

Skub stangen ud af det korte afstandsstykke, fjederen og græsdeflektoren (Figur 73).
Fjern den beskadigede eller slidte græsdeflektor.
Monter den nye græsdeflektor (Figur 73).
Skub den lige ende af stangen gennem græsdeflektorens bageste drejningspunkt.
Anbring fjederen på stangen, med endekabler nedad, og mellem græsdeflektorbeslagene.
Skub stangen gennem det andet drejningspunkt på græsdeflektoren (Figur 73).
Sæt stangen forrest på græsdeflektoren i skjoldets korte afstandsstykke.
Fastgør den bageste ende af stangen i plæneklipperen med en møtrik (⅜") som vist i Figur 73.
Important: Græsdeflektoren skal fjederbelastes i den sænkede position. Løft deflektoren op for at kontrollere, at den låses i den helt sænkede position.
| Vedligeholdelsesintervaller | Vedligeholdelsesprocedure |
|---|---|
| Efter hver anvendelse |
|
Important: Du kan vaske maskinen med et mildt rengøringsmiddel og vand. Udsæt ikke maskinen for højtryksrensning. Undgå overdreven brug af vand, særligt under sædet og i nærheden af kontrolpanelet, motoren og hydraulikpumperne.
Hver gang du har brugt plæneklipperskjoldet, skal du vaske undersiden for at forhindre, at der samler sig græs. På denne måde forbedres græskværnefunktionen og spredningen af det afklippede græs.
Parker maskinen på en plan flade, udkobl kontakten til regulering af skæreknive (kraftudtag), og flyt bevægelseshåndtagene udad til positionen PARK (parker).
Sluk for motoren, tag nøglen ud, og vent, til alle bevægelige dele er standset, før du forlader betjeningspositionen.
Fastgør slangekoblingen på enden af plæneklipperens vaskefitting, og skru helt op for vandet (Figur 74).
Note: Smør vaseline på vaskefittingens O-ring for at gøre det lettere at sætte koblingen på og beskytte O-ringen.

Sænk plæneklipperen til den laveste klippehøjde.
Tag plads i sædet, og start motoren.
Indkobl kontakten til regulering af skærekniven, og lad plæneklipperen køre i 1-3 minutter.
Udkobl kontakten til regulering af skæreknivene, sluk motoren, tag nøglen ud, og vent, til alle bevægelige dele stopper.
Luk for vandet, og tag koblingen af vaskefittingen.
Note: Hvis plæneklipperen ikke er ren efter én vask, skal du lade den stå i blød i 30 minutter. Gentag dernæst processen.
Lad plæneklipperen køre igen mellem 1-3 minutter for at fjerne overskydende vand.
En knækket eller manglende vaskefitting kan betyde, at du og andre personer udsættes for udslyngede genstande eller risikerer at komme i kontakt med skæreknivene. Kontakt med en skærekniv eller udslyngede genstande kan medføre kvæstelser eller død.
Udskift en ødelagt eller manglende vaskefitting øjeblikkeligt, før du anvender maskinen igen.
Anbring aldrig hænder og fødder under plæneklipperen eller inde i åbninger i maskinen.
Motorolie, batterier, hydraulikvæske og motorkølervæske forurener miljøet. Bortskaf dem i henhold til den lokale gældende lovgivning.
Sluk motoren, tag nøglen ud, og vent, til alle bevægelige dele er standset, før du forlader førersædet. Lad maskinen køle af, inden du justerer, efterser, rengør eller stiller den til opbevaring.
Opbevar ikke maskinen eller brændstof i nærheden af flammer, og dræn ikke brændstoffet indendørs eller i en lukket anhænger.
Opbevar ikke maskinen eller brændstofbeholderen, hvor der er åben ild, gnister eller vågeblus som f.eks på en vandvarmer eller på andre apparater.
Parker maskinen på en plan flade, udkobl kontakten til regulering af skæreknive (kraftudtag), og flyt bevægelseshåndtagene udad til positionen PARK (parker).
Sluk for motoren, tag nøglen ud, og vent, til alle bevægelige dele er standset, før du forlader betjeningspositionen.
Fjern afklippet græs og snavs fra alle maskinens ydre dele, særligt motoren og det hydrauliske system. Fjern snavs og avner fra motorens køleribber og blæserhuset.
Important: Du kan vaske maskinen med et mildt rengøringsmiddel og vand. Udsæt ikke maskinen for højtryksrensning. Undgå overdreven brug af vand, særligt i nærheden af kontrolpanelet, motoren og hydraulikpumperne.
Kontroller parkeringsbremsefunktionen. Se Positionen Parker.
Udfør serviceeftersyn af luftfilteret. Se Eftersyn af luftfilteret.
Smør maskinen. Se Smøring.
Skift krumtaphusolien. Se Skift af motorolie og oliefilter.
Kontroller dæktrykket. Se Kontrol af dæktrykket.
Oplad batteriet. Se Opladning af batteriet.
Hvis maskinen stilles til opbevaring med batteriet monteret, skal minuskablet (sort) kobles fra batteriet.
Skrab enhver større ophobning af græs og snavs af plæneklipperens underside, og vask derefter maskinen med en haveslange.
Note: Kør maskinen med kontakten til regulering af skæreknivene (kraftudtag) indkoblet og motoren ved høj tomgangshastighed i 2 til 5 minutter efter vask.
Kontroller skæreknivenes tilstand. Se Serviceeftersyn af skæreknivene.
Klargør maskinen til opbevaring i over 30 dage, som følger:
Tilsæt brændstofstabilisator til frisk brændstof i tanken. Følg blandingsvejledningen fra brændstofstabilisatorfabrikanten. Anvend ikke en alkoholbaseret stabilisator (ethanol eller methanol).
Lad motoren køre i 5 minutter for at fordele brændstoffet i brændstofsystemet.
Sluk motoren, lad den køle af, og dræn brændstoftanken ved hjælp af en håndpumpe, eller lad motoren køre, til den slår fra.
Brændstof skal bortskaffes på forsvarlig vis. Genbrug olien i overensstemmelse med gældende retningslinjer.
Important: Opbevar ikke brændstof med stabilisator længere tid end anbefalet af brændstofstabilisatorens producent.
Fjern gløderøret/-ene, og besigtig deres tilstand. Se Serviceeftersyn af tændrøret. Når tændrøret/-ene er afmonteret fra motoren, hældes der 30 ml (to spiseskefulde) motorolie ned i tændrørshullet. Brug den elektriske starter til at tørne motoren for at fordele olien i cylinderen. Monter tændrøret/-ene. Sæt ikke kablet på tændrøret/tændrørene.
Efterse og tilspænd alle fastgørelsesanordninger. Reparer eller udskift alle beskadigede dele.
Mal alle ridsede eller blotlagte metaloverflader. Maling kan købes hos en autoriseret serviceforhandler.
Opbevar maskinen i en ren, tør garage eller på et passende sted. Tag nøglen ud af tændingskontakten, og opbevar den utilgængeligt for børn og andre uautoriserede brugere. Tildæk maskinen for at beskytte den og holde den ren.
Oplad batteriet helt.
Lad batteriet hvile i 24 timer, og kontroller derefter batterispændingen.
Note: Hvis batterispændingen er under 12,6 V, skal du gentage trin 1 og 2.
Kobl kablerne fra batteriet.
Kontroller spændingen jævnligt for at sikre, at spændingen ligger på 12,4 V eller højere.
Note: Hvis batterispændingen er under 12,4 V, skal du gentage trin 1 og 2.
Hvis du tager batteriet ud af maskinen med henblik på opbevaring, skal du gøre følgende:
Opbevar batteriet i lodret position på et tørt, køligt sted.
Batterierne må ikke stables direkte oven på hinanden, medmindre de opbevares i papkasser.
Stabl ikke mere end 3 batterier (kun 2, hvis batteriet er af kommerciel type).
Afprøv et vådt batteri hver 4. til 6 måned, og oplad det om nødvendigt.
Batteriet skal altid afprøves og oplades, før det installeres.
| Problem | Possible Cause | Corrective Action |
|---|---|---|
| Brændstoftanken viser tegn på sammentrykning, eller maskinen viser hyppigt tegn på, at den løber tør for brændstof. |
|
|
| Motoren overopheder. |
|
|
| Starteren tørner ikke. |
|
|
| Motoren starter ikke, er svær at starte eller sætter ud. |
|
|
| Motoren mister kraft. |
|
|
| Maskinen kører ikke. |
|
|
| Maskinen vibrerer unormalt. |
|
|
| Klippehøjden er ujævn. |
|
|
| Knivene roterer ikke. |
|
|
