| Périodicité d'entretien | Procédure d'entretien |
|---|---|
| À chaque utilisation ou une fois par jour |
|
Cette tondeuse autoportée à lame rotative est destinée au grand public, pour des applications résidentielles. Elle est principalement conçue pour tondre les pelouses régulièrement entretenues. L'utilisation de ce produit à d'autres fins que celle prévue peut être dangereuse pour vous-même et toute personne à proximité.
Lisez attentivement cette notice pour apprendre comment utiliser et entretenir correctement votre produit, et éviter ainsi de l'endommager ou de vous blesser. Vous êtes responsable de l'utilisation sûre et correcte du produit.
Rendez-vous sur www.Toro.com pour tout document de formation à la sécurité et à l'utilisation des produits, pour tout renseignement concernant un produit ou un accessoire, pour obtenir l'adresse des concessionnaires ou pour enregistrer votre produit.
Pour obtenir des prestations de service, des pièces d'origine Toro ou des renseignements complémentaires, munissez-vous des numéros de modèle et de série du produit et contactez un concessionnaire-réparateur agréé ou le service client Toro. La Figure 1 indique l'emplacement des numéros de modèle et de série sur le produit. Inscrivez les numéros dans l'espace réservé à cet effet.
Important: Avec votre appareil mobile, vous pouvez scanner le QR code sur l'autocollant du numéro de série (le cas échéant) pour accéder aux informations sur la garantie, les pièces détachées et autres renseignements concernant le produit.

Notez les numéros de modèle et de série du produit dans l'espace ci-dessous :
Ce manuel utilise deux termes pour faire passer des renseignements essentiels. Important pour attirer l'attention sur des informations d'ordre mécanique spécifiques et Remarque pour souligner des informations d'ordre général méritant une attention particulière.
Le symbole de sécurité (Figure 2) qui figure à la fois dans ce manuel et sur la machine sert à identifier d'importantes consignes de sécurité que vous devez respecter pour éviter les accidents. Ce symbole s'accompagne des mentions Danger, Attention, ou Prudence.
Danger signale un danger immédiat qui, s'il n'est pas évité, entraînera obligatoirement des blessures graves ou mortelles.
Attention signale un danger potentiel qui, s'il n'est pas évité, risque d'entraîner des blessures graves ou mortelles.
Prudence signale un danger potentiel qui, s'il n'est pas évité, peut éventuellement entraîner des blessures légères ou modérées.

Ce produit est conforme à toutes les directives européennes pertinentes. Pour plus de renseignements, reportez-vous à la Déclaration de conformité spécifique du produit fournie séparément.
Couple brut ou net : le couple brut ou net de ce moteur a été calculé en laboratoire par le constructeur du moteur selon la norme SAE J1940 ou J2723 de la Society of Automotive Engineers (SAE). Étant configuré pour satisfaire aux normes de sécurité, antipollution et d'exploitation, le moteur monté sur cette classe de tondeuse aura un couple effectif nettement inférieur. Reportez-vous aux informations du constructeur du moteur qui accompagnent la machine.
Ce produit peut sectionner les mains ou les pieds et projeter des objets. Respectez toujours toutes les consignes de sécurité pour éviter des blessures graves ou mortelles.
Vous devez lire et comprendre le contenu de ce Manuel de l'utilisateur avant de démarrer le moteur.
Tenez tout le monde, notamment les enfants, à bonne distance.
Ne confiez pas l'utilisation ou l'entretien de la machine à des enfants ou à des personnes non qualifiées. Seules les personnes responsables, formées à l'utilisation et l'entretien de la machine, ayant lu et compris les instructions et physiquement aptes sont autorisées à utiliser ou entretenir la machine.
N'utilisez pas la machine près de fortes dénivellations, fossés, berges, étendues d'eau ou autre danger, ni sur des pentes de plus de 15º.
N'approchez pas les mains ou les pieds des composants mobiles de la machine.
N'utilisez pas la machine s'il manque des capots, des contacteurs de sécurité ou d'autres dispositifs de protection, ou s'ils sont défectueux.
Avant de quitter la position d'utilisation, coupez le moteur, enlevez la clé et attendez l'arrêt complet de toutes les pièces mobiles. Laissez refroidir la machine avant d'en faire l'entretien, de la régler, de faire le plein de carburant, de la nettoyer ou de la remiser.

![]() |
Des autocollants de sécurité et des instructions bien visibles par l'utilisateur sont placés près de tous les endroits potentiellement dangereux. Remplacez tout autocollant endommagé ou manquant. |






L'autocollant 138-6074 est moulé dans le réservoir de carburant.









Avant de mettre le moteur en marche et d'utiliser la machine, familiarisez-vous avec toutes les commandes.

Le commutateur d'allumage sert à démarrer et arrêter le moteur, et comporte 3 positions : ARRêT, CONTACT et DéMARRAGE (Figure 5).
L'accélérateur commande le régime moteur et peut se régler à l'infini entre les positions BAS RéGIME et HAUT RéGIME (Figure 5).
Utilisez le starter pour démarrer quand le moteur est froid (Figure 5).
La commande des lames, représentée par le symbole de la prise de force (PDF), engage et désengage l'entraînement des lames (Figure 5).
Les leviers de commande de déplacement permettent de conduire la machine en marche avant, en marche arrière et de tourner à droite ou à gauche (Figure 4).
Écartez les leviers de commande de déplacement vers l'extérieur, du centre à la position P (stationnement) pour serrer le frein de stationnement quand vous arrêtez ou quittez la machine.
Le levier du système de commande Smart Speed™ est situé sous la position d'utilisation et vous permet de choisir entre 3 gammes de vitesses : tonte de finition, remorquage et tonte (Figure 29).
Le regard de carburant, situé sur le côté gauche de la machine, vous permet de vérifier que le réservoir contient du carburant (Figure 6).

Le levier de sélection de hauteur de coupe permet d'abaisser et d'élever le plateau de coupe sans quitter le siège. Le plateau de coupe s'élève quand vous tirez le levier vers vous et s'abaisse quand vous le poussez vers le bas. Arrêtez toujours la machine avant de modifier la hauteur de coupe (Figure 30).
Les spécifications et la conception peuvent faire l'objet de modifications sans préavis.
| Largeur de coupe | 107 cm |
| Largeur avec déflecteur abaissé | 135 cm |
| Largeur avec déflecteur relevé | 123 cm |
| Longueur | 185 cm |
| Hauteur | 112 cm |
| Poids (74679) | 308 kg |
| Poids (74677) | 336 kg |
Une sélection d'outils et d'accessoires agréés par Toro est disponible pour augmenter et améliorer les capacités de la machine. Pour obtenir la liste de tous les accessoires et outils agréés, contactez votre concessionnaire-réparateur ou votre distributeur Toro agréé, ou rendez-vous sur www.Toro.com.
Pour garantir un rendement optimal et conserver la certification de sécurité de la machine, utilisez uniquement des pièces de rechange et accessoires d'origine Toro. Les pièces de rechange et accessoires provenant d'autres constructeurs peuvent être dangereux, et leur utilisation risque d'annuler la garantie de la machine.
Note: Les côtés gauche et droit de la machine sont déterminés d'après la position d'utilisation normale.
Ne confiez pas l'utilisation ou l'entretien de la machine à des enfants ou à des personnes non qualifiées. La réglementation locale peut imposer un âge minimum pour les utilisateurs. Le propriétaire de la machine doit assurer la formation de tous les utilisateurs et mécaniciens.
Inspectez la zone de travail et débarrassez-la de tout objet pouvant gêner le fonctionnement de la machine ou être projeté pendant son utilisation.
Familiarisez-vous avec le maniement correct du matériel, les commandes et les symboles de sécurité.
Vérifiez toujours que les commandes de présence de l'utilisateur, les contacteurs de sécurité et les capots de protection sont en place et fonctionnent correctement. N'utilisez pas la machine s'ils ne fonctionnent pas correctement.
Avant de quitter la position d'utilisation, coupez le moteur, enlevez la clé et attendez l'arrêt complet de toutes les pièces mobiles. Laissez refroidir la machine avant d'en faire l'entretien, de la régler, de faire le plein de carburant, de la nettoyer ou de la remiser.
Avant de tondre, vérifiez que les unités de coupe sont en bon état de marche.
Examinez la zone de travail pour déterminer quels accessoires et équipements vous permettront d'exécuter votre tâche correctement et sans risque.
Portez une tenue adéquate, y compris une protection oculaire, un pantalon, des chaussures solides à semelle antidérapante et des protecteurs d'oreilles. Si vos cheveux sont longs, attachez-les et ne portez pas de vêtements amples ni de bijoux pendants.
Ne transportez jamais personne sur la machine.
Tenez tout le monde, y compris les animaux, à l'écart de la machine en marche. Arrêtez la machine et le(s) accessoire(s) si quelqu'un entre dans la zone de travail.
N'utilisez pas la machine si tous les capots de protection et les dispositifs de sécurité, comme les déflecteurs et le bac à herbe au complet, ne sont pas en place ou ne fonctionnent pas correctement. Remplacez les pièces usées ou abîmées au besoin.
Le carburant est extrêmement inflammable et hautement explosif. Un incendie ou une explosion causé(e) par du carburant peut vous brûler, ainsi que les personnes se tenant à proximité, et causer des dommages matériels.
Pour éviter que l'électricité statique n'enflamme le carburant, descendez la machine du camion ou de la remorque et faites-le plein quand elle est au sol, à l'écart de tout autre véhicule. Si cela est impossible, placez un récipient de carburant portatif sur le sol, à l'écart de tout véhicule, et remplissez-le ; faites ensuite le plein de la machine avec le récipient portatif plutôt que directement à la pompe.
Faites le plein du réservoir de carburant à l'extérieur sur un sol plat et horizontal, dans un endroit bien dégagé et lorsque le moteur est froid. Essuyez tout carburant répandu.
Ne fumez jamais quand vous manipulez du carburant et tenez-vous à l'écart des flammes nues ou des sources d'étincelles.
Ne retirez pas le bouchon du réservoir de carburant et n'ajoutez pas de carburant dans le réservoir lorsque le moteur tourne ou est chaud.
Ne tentez pas de démarrer le moteur si du carburant a été répandu. Évitez de créer des sources d'inflammation jusqu'à dissipation complète des vapeurs de carburant.
Conservez le carburant dans un récipient homologué et hors de la portée des enfants.
Le carburant est toxique et même mortel en cas d'ingestion. L'exposition prolongée aux vapeurs de carburant peut causer des blessures et des maladies graves.
Évitez de respirer les vapeurs de carburant de façon prolongée.
N'approchez pas les mains ni le visage du pistolet ou de l'ouverture du réservoir de carburant.
N'approchez pas le carburant des yeux et de la peau.
Ne rangez pas la machine ni les bidons de carburant à proximité d'une flamme nue, d'une source d'étincelles ou d'une veilleuse, telle celle d'un chauffe-eau ou d'autres appareils.
N'utilisez pas la machine si elle n'est pas équipée du système d'échappement complet et en bon état de marche.
Maintenez le pistolet en contact avec le bord du réservoir ou du bidon jusqu'à la fin du remplissage. N'utilisez pas de dispositif de verrouillage du pistolet en position ouverte.
Si du carburant s'est répandu sur vos vêtements, changez-vous immédiatement.
Ne remplissez pas excessivement le réservoir de carburant. Remettez en place le bouchon du réservoir et serrez-le fermement.
Pour éviter les risques d'incendie, enlevez les débris d'herbe et autres agglomérés sur l'unité de coupe, le silencieux, les entraînements, le bac à herbe et le moteur. Nettoyez les coulées éventuelles d'huile ou de carburant.
| Type | Essence sans plomb |
| Indice d'octane minimum | 87 (USA) ou 91 (octane recherche ; hors USA) |
| Éthanol | Pas plus de 10 % par volume |
| Méthanol | Aucun |
| MTBE (éther méthyltertiobutylique) | Moins de 15 % par volume |
| Huile | Ne pas ajouter au carburant |
Utilisez uniquement du carburant propre et frais (stocké depuis moins d'un mois), provenant d'une source fiable.
Utilisez toujours un additif stabilisateur/conditionneur dans la machine pour que le carburant reste frais plus longtemps quand il est utilisé conformément aux indications du fabricant du stabilisateur.
Important: N'utilisez pas d'additifs contenant du méthanol ou de l'éthanol.
Ajoutez au carburant frais la quantité de stabilisateur/conditionneur indiquée par le fabricant du stabilisateur.
Garez la machine sur une surface plane et horizontale.
Poussez les leviers de commande de déplacement vers l'extérieur, à la position STATIONNEMENT.
Coupez le moteur et enlevez la clé.
Nettoyez la surface autour du bouchon du réservoir de carburant.
Remplissez le réservoir de carburant jusqu'à la base du goulot de remplissage (Figure 7). Ne remplissez pas complètement le réservoir de carburant.

Avant de démarrer la machine chaque jour, effectuez les procédures décrites à la section .
Les moteurs neufs demandent un certain temps pour développer toute leur puissance. Les plateaux de coupe et les systèmes d'entraînement neufs présentent plus de friction, ce qui augmente la charge sur le moteur. Prévoyez 40 à 50 heures de rodage pour les machines neuves afin de leur permettre de développer toute leur puissance et d'offrir des performances optimales.
Si les contacteurs de sécurité sont déconnectés ou endommagés, la machine peut se mettre en marche inopinément et causer des blessures.
Ne modifiez pas abusivement les contacteurs de sécurité.
Vérifiez chaque jour le fonctionnement des contacteurs de sécurité et remplacez ceux qui sont endommagés avant d'utiliser la machine.
Le système de sécurité est conçu pour empêcher le démarrage du moteur, sauf si :
La commande des lames (PDF) est désengagée.
Les leviers de commande de déplacement sont à la position STATIONNEMENT.
Le système de sécurité est également prévu pour couper le moteur lorsque les leviers de commande quittent la position STATIONNEMENT et que vous vous soulevez du siège.
| Périodicité d'entretien | Procédure d'entretien |
|---|---|
| À chaque utilisation ou une fois par jour |
|
Contrôlez le système de sécurité avant chaque utilisation de la machine. Si le système de sécurité ne fonctionne pas comme spécifié ci-dessous, faites-le immédiatement réviser par un concessionnaire-réparateur agréé.
Asseyez-vous sur le siège, amenez les leviers de commande de déplacement en position STATIONNEMENT et la commande des lames en position ENGAGéE. Essayez de démarrer le moteur ; le moteur ne doit pas se lancer.
Asseyez-vous sur le siège et placez la commande des lames en position DéSENGAGéE. Amenez l'un des leviers de commande de déplacement au centre, en position déverrouillée. Essayez de démarrer le moteur ; le moteur ne doit pas se lancer. Répétez la procédure avec l'autre levier de déplacement.
Asseyez-vous sur le siège, amenez la commande des lames en position DéSENGAGéE et verrouillez les leviers de commande de déplacement à la position de STATIONNEMENT. Démarrez le moteur. Lorsque le moteur tourne, placez la commande des lames en position engagée et soulevez-vous légèrement du siège ; le moteur doit s'arrêter.
Asseyez-vous sur le siège, amenez la commande des lames en position DéSENGAGéE et verrouillez les leviers de commande de déplacement à la position STATIONNEMENT. Démarrez le moteur. Lorsque le moteur tourne, amenez les leviers de commande de déplacement au centre en position déverrouillée et soulevez-vous légèrement du siège ; le moteur doit s'arrêter.
Vous pouvez avancer ou reculer le siège. Amenez le siège à la position la plus confortable pour vous, et offrant le meilleur contrôle de pour la conduite (Figure 8).

Vous pouvez régler la hauteur des leviers de commande de déplacement de manière à obtenir un confort maximum (Figure 9).

Vous pouvez régler les leviers de commande de déplacement vers l'avant ou l'arrière de manière à obtenir un confort maximum.
Retirez le boulon supérieur qui fixe le levier de commande à l'arbre du bras de commande.
Desserrez le boulon inférieur jusqu'à ce qu'il soit possible de pivoter le levier de commande en avant ou en arrière.

Serrez les deux boulons pour fixer le levier de commande à sa nouvelle position.
Répétez la procédure pour l'autre levier de commande.
Garez la machine sur une surface plane et horizontale, placez la commande des lames (PDF) en position désengagée et écartez les leviers de commande de déplacement à la position STATIONNEMENT.
Avant de quitter la position d'utilisation, coupez le moteur, retirez la clé de contact et attendez l'arrêt complet de toutes les pièces mobiles.
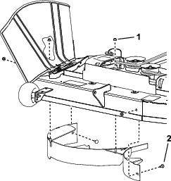
Dégagez le loquet à poignet flexible de la gâche sur le couvercle d'éjection et faites pivoter ce dernier sur la droite (Figure 11).

Ouvrez le crochet de verrouillage sur le dessus du couvercle d'éjection pour le dégager de la tige de pivot (Figure 15).
Inclinez la languette en métal sur le couvercle d’éjection pour la sortir de la fente du support qui est soudé au plateau de coupe (Figure 12).

Garez la machine sur une surface plane et horizontale, placez la commande des lames (PDF) en position désengagée et écartez les leviers de commande de déplacement à la position STATIONNEMENT.
Avant de quitter la position d'utilisation, coupez le moteur, retirez la clé de contact et attendez l'arrêt complet de toutes les pièces mobiles.
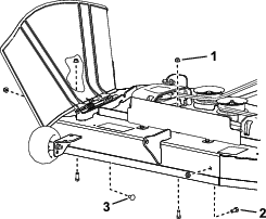
Inclinez la languette en métal sur le couvercle d’éjection pour la rentrer dans la fente du support qui est soudé au plateau de coupe (Figure 13).

Ramenez le couvercle d’éjection vers le plateau de coupe de sorte à les aligner (Figure 14).

Sur le haut du couvercle d'éjection, accrochez le crochet de verrouillage à la tige de pivot du déflecteur (Figure 15).

Fixez le couvercle d'éjection au plateau de coupe en accrochant le loquet à poignée flexible du couvercle d'éjection à la gâche sur le plateau de coupe (Figure 11).
Le plateau de coupe et les lames fournis avec la machine ont été conçus pour procurer des performances de mulching et d'éjection latérale optimales.
Dans les trous laissés vides après avoir déposé les déflecteurs de recyclage, insérez les fixations fournies dans le sachet de pièces détachées. Ainsi, aucun trou n'est inoccupé pendant le fonctionnement du plateau.
Des débris peuvent être projetés par les trous non obturés et vous blesser gravement, ainsi que les personnes à proximité.
N'utilisez jamais la machine sans que les fixations soient en place dans tous les trous du carter.
Placez les fixations dans les trous lorsque vous retirez le déflecteur de mulching.
Garez la machine sur une surface plane et horizontale, placez la commande des lames en position désengagée et les leviers de commande de déplacement à la position STATIONNEMENT.
Avant de quitter la position d'utilisation, coupez le moteur, retirez la clé de contact et attendez l'arrêt complet de toutes les pièces mobiles.
Déposez le plateau de coupe ; voir Dépose du plateau de coupe.
Déposez le déflecteur comme montré.

Installez 3 boulons à tête hexagonale neufs pris dans le sachet de pièces détachées, 1 boulon de carrosserie existant et 4 contre-écrous existants dans les trous libres comme indiqué.
Note: Montez les fixations de sorte que les écrous se trouvent à l'extérieur du plateau.

Reposez le plateau de coupe ; voir Montage du plateau de coupe.
Le propriétaire/l'utilisateur est responsable des accidents pouvant entraîner des dommages corporels ou matériels et peut les prévenir.
Accordez toute votre attention à l'utilisation de la machine. Ne faites rien d'autre qui puisse vous distraire, au risque de causer des dommages corporels ou matériels.
N'utilisez pas la machine si vous êtes fatigué(e), malade ou sous l'emprise de l'alcool, de médicaments ou de drogues.
Le contact avec la lame peut entraîner des blessures graves. Avant de quitter la position d'utilisation, coupez le moteur, retirez la clé de contact et attendez l'arrêt complet de toutes les pièces mobiles. Quand vous tournez la clé de contact en position ARRÊT, le moteur ainsi que la lame devraient s'arrêter. Si ce n'est pas le cas, cessez immédiatement d'utiliser la machine et adressez-vous à un concessionnaire-réparateur agréé.
N'utilisez la machine que si la visibilité est suffisante et les conditions météorologiques favorables. N'utilisez pas la machine s'il y a risque d'orage.
N'approchez pas les pieds ni les mains des unités de coupe. Ne vous tenez pas devant l'ouverture d'éjection.
Ne tondez pas avec le volet d'éjection relevé, déposé ou modifié à moins qu'un système de ramassage ou de mulching soit en place et fonctionne correctement.
Ne tondez jamais en marche arrière, sauf en cas d'absolue nécessité. Vérifiez toujours que la voie est libre juste derrière la machine et sur sa trajectoire avant de faire marche arrière.
Faites preuve de la plus grande prudence à l'approche de tournants sans visibilité, de buissons, d'arbres ou d'autres objets susceptibles de masquer la vue.
Arrêtez les lames quand vous ne tondez pas.
Si la machine a heurté un obstacle ou commence à vibrer, coupez immédiatement le moteur, retirez la clé (selon l'équipement) et attendez l'arrêt complet de toutes les pièces mobiles avant de vérifier si la machine n'est pas endommagée. Effectuez toutes les réparations nécessaires avant de réutiliser la machine.
Ralentissez et faites preuve de prudence quand vous changez de direction, ainsi que pour traverser des routes et des trottoirs avec la machine. Cédez toujours le passage.
Avant de quitter la position d'utilisation :
Garez la machine sur une surface plane et horizontale.
Désengagez la prise de force et abaissez les outils.
Serrez le frein de stationnement.
Coupez le moteur et retirez la clé.
Attendez l'arrêt complet de toutes les pièces mobiles.
Ne faites tourner le moteur que dans des lieux bien aérés. Les gaz d'échappement contiennent du monoxyde de carbone, qui est mortel en cas d'inhalation.
Ne laissez jamais la machine en marche sans surveillance.
Servez-vous uniquement du point d'attelage pour arrimer l'équipement tracté à la machine.
N'utilisez pas la machine si tous les capots de protection et les dispositifs de sécurité, comme les déflecteurs et le bac à herbe au complet, ne sont pas en place ou ne fonctionnent pas correctement. Remplacez les pièces usées ou abîmées au besoin.
Utilisez uniquement les accessoires et équipements agréés par Toro
Cette machine produit au niveau de l'oreille de l'utilisateur un niveau sonore de plus de 85 dBA qui peut entraîner des déficiences auditives en cas d'exposition prolongée.

Pour éviter les risques d'incendie, enlevez les débris d'herbe et autres agglomérés sur l'unité de coupe, les entraînements, le silencieux et le moteur.
Gardez les pieds à bonne distance des lames quand vous mettez le moteur en marche.
Sachez dans quel sens s'effectue l'éjection et faites en sorte qu'elle ne soit dirigée vers personne. N'éjectez pas l'herbe coupée contre un mur ou un obstacle, car elle pourrait ricocher dans votre direction.
Arrêtez les lames, ralentissez et faites preuve de prudence avant de traverser des surfaces autres que du gazon, ou quand vous déplacez la machine entre les surfaces de travail.
Ne modifiez pas le réglage du régulateur et ne faites pas tourner le moteur à un régime excessif.
Les enfants sont souvent attirés par la machine et l'activité de tonte. Ne partez jamais du principe que les enfants se trouvent encore à l'endroit où vous les avez vus pour la dernière fois.
Veillez à ce que les enfants restent hors de la zone de travail, sous la garde d'un adulte responsable autre que l'utilisateur.
Faites preuve de vigilance et arrêtez la machine si des enfants pénètrent dans la zone de travail.
Avant de reculer ou de prendre un virage, vérifiez qu'aucun enfant ne se trouve dans les environs.
Ne transportez pas d'enfants sur la machine, même si les lames ne sont pas en rotation. Les enfants pourraient tomber et se blesser gravement ou vous empêcher d'utiliser la machine de manière sécuritaire. Les enfants qui ont été autorisés à monter sur la machine en marche par le passé peuvent apparaître subitement dans la zone de travail et risquent alors d'être renversés ou écrasés par la machine.
Les pentes augmentent significativement les risques de perte de contrôle et de retournement de la machine pouvant entraîner des accidents graves, voire mortels. L'utilisateur est responsable de la sécurité d'utilisation de la machine sur les pentes. L'utilisation de la machine sur une pente, quelle qu'elle soit, demande une attention particulière. Avant d'utiliser la machine sur une pente, vous devez :
Lire et comprendre les instructions relatives à l'utilisation sur les pentes qui figurent dans le manuel et sur la machine.
Utiliser l'indicateur d'angle pour déterminer l'angle approximatif de la pente sur laquelle vous devez travailler.
Ne travaillez jamais sur des pentes de plus de 15°.
Évaluer chaque jour l'état du terrain pour déterminer si la pente permet d'utiliser la machine sans risque. Faire preuve de bon sens et de discernement lors de cette évaluation. Les conditions changeantes du terrain, telle l'humidité, peuvent rapidement modifier le fonctionnement de la machine sur les pentes.
Identifiez les dangers potentiels depuis le bas de la pente. N'utilisez pas la machine près de fortes dénivellations, fossés, berges, étendues d'eau ou autres dangers. La machine pourrait se retourner brusquement si une roue passe par-dessus une dénivellation quelconque et se retrouve dans le vide, ou si un bord s'effondre. Maintenez une distance de sécurité (deux fois la largeur de la machine) entre la machine et tout danger potentiel. Utilisez une tondeuse autotractée ou une débroussailleuse manuelle pour tondre dans ce type de terrain.
Évitez de démarrer, de vous arrêter ou de tourner sur les pentes. Ne changez pas soudainement de vitesse ou de direction ; tournez lentement et graduellement.
N'utilisez pas la machine si l'adhérence, la direction ou la stabilité peuvent être compromises. Tenez compte du fait qu'une perte de l'adhérence peut se produire sur l'herbe humide, en travers des pentes ou dans les descentes. La perte d'adhérence des roues motrices peut faire patiner la machine et entraîner la perte du freinage et de la direction. La machine peut glisser même si les roues motrices ne tournent plus.
Enlevez ou balisez les obstacles tels que fossés, trous, ornières, bosses, rochers ou autres dangers cachés. L'herbe haute peut masquer les accidents du terrain. Les irrégularités du terrain risquent de provoquer le retournement de la machine.
Redoublez de prudence lorsque vous utilisez la machine équipée d'outils ou d'accessoires, tels des systèmes de ramassage. Ils peuvent modifier la stabilité et entraîner la perte du contrôle de la machine. Suivez les instructions d'utilisation des contrepoids.
Dans la mesure du possible, gardez le plateau de coupe abaissé au sol quand vous utilisez la machine sur des pentes. La machine peut devenir instable si vous levez le plateau de coupe pendant l'utilisation sur une pente.

Le matériel remorqué ne doit être attelé qu'au point d'attelage.
N'utilisez pas la machine pour tracter quoi que ce soit, à moins qu’elle ne soit équipée d’un dispositif d’attelage.
Ne dépassez pas les limites de poids spécifiées pour le matériel remorqué et le remorquage sur les pentes. Le poids remorqué ne doit pas être supérieur au poids combiné de la machine et de l'opérateur.
N'autorisez jamais ni enfants ni adultes à s’approcher de l’équipement remorqué.
Sur les pentes, le poids du matériel remorqué peut provoquer une perte de la motricité, augmenter le risque de retournement et la perte de contrôle. Réduisez le poids remorqué et ralentissez.
La distance d'arrêt peut augmenter avec le poids de la charge remorquée. Conduisez lentement et prévoyez une distance de freinage plus grande que la normale.
Prenez des virages larges pour ne pas trop rapprocher l'accessoire de la machine.
La commande des lames (PDF) permet de démarrer et d'arrêter la rotation des lames et des autres accessoires qu'elle entraîne.

Note: Engagez toujours les lames en plaçant la commande d'accélérateur à la position HAUT RéGIME (Figure 21).


Vous pouvez régler la commande d'accélérateur entre les positions HAUT RéGIME et BAS RéGIME (Figure 23).
Sélectionnez toujours la position HAUT RéGIME quand vous engagez la PDF.

Utilisez le starter pour démarrer quand le moteur est froid.
Tirez sur la commande de starter pour engager le starter avant d'utiliser le commutateur d'allumage (Figure 24).
Note: Veillez à engager complètement le starter. Il faut parfois maintenir la commande tirée quand vous utilisez le commutateur d'allumage.
Poussez sur la commande pour désengager le starter lorsque le moteur a démarré (Figure 24).

Note: L'usage du starter n'est généralement pas nécessaire si le moteur est chaud.
Important: N'actionnez pas le démarreur plus de 5 secondes de suite. N'actionnez pas le démarreur pendant plus de 5 secondes de suite au risque de l'endommager. Si le moteur refuse de démarrer, patientez 10 secondes avant de faire une nouvelle tentative de démarrage.

Désengagez les lames en plaçant la commande des lames en position DéSENGAGéE.
Poussez les leviers de commande de déplacement vers l'extérieur, à la position STATIONNEMENT.
Amenez la commande d'accélérateur à la position BAS RéGIME et faites tourner le moteur au ralenti pendant 1 minute.
Tournez la clé en position ARRêT et enlevez-la.
Les enfants ou les personnes à proximité risquent de se blesser s'ils déplacent ou essayent d'utiliser la machine, lorsque celle-ci est laissée sans surveillance.
Enlevez toujours la clé et serrez le frein de stationnement si vous laissez la machine sans surveillance.

Les roues motrices tournent indépendamment et sont entraînées par des moteurs hydrauliques sur chaque essieu. Vous pouvez faire tourner un côté en marche arrière et l'autre en marche avant, ce qui fait pivoter la machine au lieu de la faire changer de direction. La maniabilité de la machine en est grandement améliorée, mais il vous faudra peut-être un peu de temps pour vous adapter à cette manière de conduire.
La commande d'accélérateur agit sur le régime moteur qui se mesure en tours/minute (tr/min). Placez la commande d'accélérateur en position HAUT RéGIME pour obtenir des performances optimales. Travaillez toujours à plein régime.
La machine peut tourner très rapidement. Vous pouvez perdre le contrôle de la machine et vous blesser gravement ou endommager la machine.
Soyez extrêmement prudent dans les virages.
Ralentissez avant de prendre des virages serrés.
Note: Tournez toujours avec précaution.
Amenez les leviers de commande de déplacement au centre, en position déverrouillée.
Pour vous déplacer en marche avant, poussez lentement les leviers de commande de déplacement vers l'avant (Figure 27).

Note: Faites toujours marche arrière et tournez avec précaution.
Amenez les leviers de commande de déplacement au centre, en position déverrouillée.
Pour vous déplacer en marche arrière, tirez lentement les leviers en arrière (Figure 28).

Le levier du système de commande Smart SpeedTM est situé sous la position d'utilisation (Figure 29), et permet à l'utilisateur de choisir entre 3 gammes de vitesses : tonte de finition, remorquage et tonte.

Pour changer de vitesse, procédez comme suit :
Poussez les leviers de commande de déplacement au point mort puis vers l'extérieur, à la position STATIONNEMENT.
Désengagez la commande des lames.
Placez le levier à la position voulue.
Les chiffres suivants ne sont fournis qu'à titre indicatif. Les réglages varient selon le type, l'humidité et la hauteur de l'herbe.
| Utilisations suggérées : | Tonte de finition | Remorquage | Tonte |
| Stationnement | X | ||
| Herbe épaisse et humide | X | ||
| Apprendre à se servir de la machine | X | ||
| Tonte de finition | X | ||
| Ramassage | X | ||
| Mulching | X | ||
| Remorquage d'accessoires | X | ||
| Tonte normale | X | ||
| Déplacement de la machine | X |
Tonte de finition
Cette vitesse est la plus basse. Il est conseillé d'utiliser cette vitesse dans les cas suivants :
Stationnement
Herbe épaisse et humide
Apprendre à se servir de la machine
Tonte de finition
Remorquage
Cette vitesse est la vitesse intermédiaire. Il est conseillé d'utiliser cette vitesse dans les cas suivants :
Ramassage
Mulching
Remorquage d'accessoires
Tonte
Cette vitesse est la plus élevée. Il est conseillé d'utiliser cette vitesse dans les cas suivants :
Tonte normale
Déplacement de la machine
La tondeuse est équipée d'un déflecteur d'herbe pivotant qui permet de disperser les déchets de tonte sur le côté et à la surface de la pelouse.
Si le déflecteur d'herbe, l'obturateur d'éjection ou le bac à herbe complet ne sont pas en place sur la machine, vous-même ou d'autres personnes peuvent être touchés par une lame ou des débris projetés. Le contact avec les lames en rotation et la projection de débris peuvent occasionner des blessures graves ou mortelles.
N'enlevez jamais le déflecteur d'herbe du plateau de coupe, sa présence est nécessaire pour diriger l'herbe tondue sur le gazon. Si le déflecteur d'herbe est endommagé, remplacez-le immédiatement.
Ne mettez jamais les mains ou les pieds sous le plateau de coupe.
N'essayez jamais de dégager l'ouverture d'éjection ou les lames sans avoir au préalable amené la commande des lames (PDF) en position DéSENGAGéE, tourné la clé de contact sur ARRêT et enlevé la clé.
Vérifiez que le déflecteur d'herbe est abaissé.
Ajustez la hauteur des galets anti-scalp chaque fois que vous modifiez la hauteur de coupe.
Note: Réglez les galets anti-scalp de sorte qu'ils ne touchent pas le sol sur les surfaces de tonte planes normales.
Garez la machine sur une surface plane et horizontale, placez la commande des lames en position désengagée et les leviers de commande de déplacement à la position STATIONNEMENT.
Avant de quitter la position d'utilisation, coupez le moteur, retirez la clé de contact et attendez l'arrêt complet de toutes les pièces mobiles.
Réglez les galets anti-scalp sur l'une des positions suivantes :
Trou supérieur – utilisez cette position avec le plateau de coupe à une hauteur de coupe inférieure ou égale à 63 mm (Figure 31).
Trou inférieur – utilisez cette position avec le plateau de coupe à une hauteur de coupe égale ou supérieure à 76 mm (Figure 31).

Pour obtenir une circulation d'air maximale et de meilleurs résultats, faites tourner le moteur à HAUT RéGIME. L'air doit pouvoir circuler pour bien couper l'herbe. Pour cette raison, ne sélectionnez pas une hauteur de coupe trop basse car le plateau de coupe serait alors complètement entouré d'herbe haute. Placez-vous toujours de sorte qu'un côté de la tondeuse se trouve à l'extérieur de la zone non-coupée. L'air pourra ainsi circuler librement dans le plateau de coupe.
Tondez l'herbe légèrement plus haut que d'habitude pour éviter de scalper les inégalités du terrain. La hauteur de coupe habituelle est cependant celle qui convient le mieux en général. Si la hauteur de l'herbe dépasse 15 cm, vous devrez peut-être vous y reprendre à deux fois pour obtenir un résultat acceptable.
L'idéal est de ne raccourcir l'herbe que du tiers de sa hauteur. Une coupe plus courte est déconseillée, à moins que l'herbe ne soit clairsemée, ou en automne lorsque la pousse commence à ralentir.
Alternez le sens des passages pour ne pas coucher l'herbe. L'alternance permet aussi de mieux disperser l'herbe coupée, ce qui améliore la décomposition et la fertilisation.
L'herbe pousse à une vitesse différente selon les saisons. Pour conserver une hauteur de coupe uniforme, tondez plus souvent au début du printemps. Réduisez la fréquence de la tonte au milieu de l'été, lorsque l'herbe pousse moins vite. Si vous n'avez pas tondu depuis un certain temps, effectuez un premier passage à une hauteur de coupe élevée, puis repassez 2 jours plus tard en abaissant la hauteur de coupe.
Dans certaines conditions, la tonte à vitesse réduite peut améliorer la qualité de coupe.
Si la surface est irrégulière, élevez la hauteur de coupe pour éviter de scalper l'herbe.
Si vous devez immobiliser la machine en cours de tonte, un paquet d'herbe coupée peut tomber sur la pelouse. Pour éviter cela, rendez-vous sur une surface déjà tondue en laissant les lames embrayées ou bien désengagez le plateau de coupe tout en vous déplaçant en marche avant.
Nettoyez le dessous du plateau de coupe après chaque utilisation. Ne laissez pas l'herbe et la terre s'accumuler à l'intérieur, car la qualité de la tonte finira par en souffrir.
Utilisez une lame bien aiguisée durant toute la saison de coupe, pour obtenir une coupe nette sans arracher ni déchiqueter les brins d'herbe. L'herbe arrachée ou déchiquetée brunit sur les bords, sa croissance ralentit et elle devient plus sensible aux maladies. Après chaque utilisation, vérifiez l'état, l'usure et l'affûtage des lames. Limez les entailles éventuelles et aiguisez les lames selon les besoins. Remplacez immédiatement les lames endommagées ou usées par des lames d'origine Toro. Voir Entretien des lames.
Avant de quitter la position d'utilisation, coupez le moteur, enlevez la clé et attendez l'arrêt complet de toutes les pièces mobiles. Laissez refroidir la machine avant d'en faire l'entretien, de la régler, de faire le plein de carburant, de la nettoyer ou de la remiser.
Pour éviter les risques d'incendie, enlevez les débris d'herbe et autres agglomérés sur l'unité de coupe, le silencieux, les entraînements, le bac à herbe et le moteur. Nettoyez les coulées éventuelles d'huile ou de carburant.
Enlevez la clé avant de transporter ou remiser la machine.
| Périodicité d'entretien | Procédure d'entretien |
|---|---|
| Après chaque utilisation |
|
Important: La machine peut être lavée à l'eau avec un détergent doux. N'utilisez pas de nettoyeur haute pression. N'utilisez pas trop d'eau, surtout près du panneau de commande, sous le siège et autour du moteur, des pompes hydrauliques et des moteurs électriques.
Garez la machine sur une surface plane et horizontale, placez la commande des lames en position désengagée et les leviers de commande de déplacement à la position STATIONNEMENT.
Coupez le moteur et attendez l'arrêt complet de toutes les pièces mobiles avant de quitter la position d'utilisation.
Enlevez les débris d'herbe et autres agglomérés sur l'unité de coupe, le silencieux, les entraînements, le bac à herbe et le moteur. Utilisez de l'air comprimé dans la mesure du possible.
Note: Voir Lavage du dessous du plateau de coupe pour savoir comment utiliser le raccord de lavage du plateau.
Garez la machine sur une surface plane et horizontale, placez la commande des lames en position désengagée et les leviers de commande de déplacement à la position STATIONNEMENT.
Coupez le moteur et attendez l'arrêt complet de toutes les pièces mobiles avant de quitter la position d'utilisation.
Localisez les leviers de dérivation sur le cadre, des deux côtés du moteur.
Déplacez les deux leviers de dérivation en avant dans la fente, puis vers le bas pour les verrouiller en position (Figure 32).
Les pièces brûlantes peuvent causer des blessures.
Gardez les mains, les pieds, le visage et toute autre partie du corps ainsi que les vêtements à l'écart du moteur, du silencieux et autres surfaces brûlantes.
La machine peut se déplacer inopinément alors que les leviers de dérivation sont verrouillés en avant dans la fente et vous blesser ou blesser toute personne à proximité.
Verrouillez les leviers de dérivation en position arrière avant de déplacer la machine.

Desserrez le frein de stationnement en ramenant les leviers de commande de déplacement au centre, en position débloquée.
Note: Ne démarrez pas la machine.
Déplacez la machine selon les besoins.
Important: Poussez toujours la machine manuellement. Ne remorquez pas la machine au risque de l'endommager.
Poussez les leviers de commande de déplacement vers l'extérieur, à la position STATIONNEMENT.
Déplacez les deux leviers de dérivation en arrière et vers le bas dans la fente pour les bloquer en place.
Transportez la machine sur une remorque de poids-lourd ou un camion. Utilisez une rampe d'une seule pièce. Le camion ou la remorque doit être équipé(e) des freins, des éclairages et de la signalisation exigés par la loi. Lisez attentivement toutes les consignes de sécurité. Tenez-en compte pour éviter de vous blesser ou de blesser des personnes à proximité. Reportez-vous aux ordonnances locales concernant les exigences d'arrimage et de remorquage.
Il est dangereux de conduire sur la voie publique sans clignotants, éclairages, réflecteurs ou panneau « véhicule lent ». Vous risquez de provoquer un accident et de vous blesser.
Ne conduisez pas la machine sur la voie publique.
Le chargement d'une machine sur une remorque ou un camion augmente les risques de renversement et peut provoquer des blessures graves voire mortelles (Figure 33).
Utilisez uniquement une rampe d'une seule pièce ; n'utilisez pas de rampes individuelles de chaque côté de la machine.
Ne dépassez pas un angle de 15 degrés entre la rampe et le sol ou entre la rampe et la remorque ou le camion.
La rampe doit être au moins 4 fois plus longue que la hauteur de la remorque ou du plateau du camion par rapport au sol. Ainsi, l'angle de la rampe ne dépassera pas 15 degrés par rapport au sol plat.

Le chargement de la machine sur une remorque ou un camion augmente le risque de basculement, et donc de blessures graves ou mortelles.
Procédez avec la plus grande prudence lorsque vous manœuvrez la machine sur une rampe.
Faites monter la machine sur la rampe en marche arrière et descendez en marche avant.
Évitez d'accélérer ou de décélérer brutalement lorsque vous conduisez la machine sur une rampe car vous pourriez en perdre le contrôle ou la renverser.
Si vous utilisez une remorque, fixez-la au véhicule tracteur et attachez les chaînes de sécurité.
Le cas échéant, raccordez les freins et connectez l'éclairage de la remorque.
Abaissez la rampe pour que l'angle avec le sol ne dépasse pas 15 degrés (Figure 33).
Montez la rampe en marche arrière (Figure 34).

Coupez le moteur, retirez la clé et écartez les leviers de commande de déplacement à la position STATIONNEMENT.
Arrimez la machine près des roues pivotantes avant et du cadre arrière à l'aide de sangles, chaînes, câbles ou cordes (Figure 35). Voir la réglementation locale concernant les exigences en matière d'arrimage.
Note: Dirigez les sangles vers le bas et dans la direction opposée à la machine.

Note: Les côtés gauche et droit de la machine sont déterminés d'après la position d'utilisation normale.
Si vous laissez la clé dans le commutateur d'allumage, quelqu'un pourrait mettre le moteur en marche accidentellement et vous blesser gravement, ainsi que toute personne à proximité. Retirez la clé du commutateur d'allumage avant tout entretien.
Avant de quitter la position d'utilisation, effectuez la procédure suivante :
Garez la machine sur une surface plane et horizontale.
Débrayez les systèmes d'entraînement.
Serrez le frein de stationnement.
Coupez le moteur et retirez la clé.
Laissez refroidir les composants de la machine avant d'effectuer toute opération d'entretien.
Ne confiez pas l'entretien de la machine à des personnes non qualifiées.
N'approchez jamais les mains ou les pieds des pièces en mouvement et des surfaces chaudes. Dans la mesure du possible, évitez de procéder à des réglages sur la machine quand le moteur tourne.
Libérez la pression emmagasinée dans les composants avec précaution.
Vérifiez fréquemment le fonctionnement du frein de stationnement. Effectuez les réglages et l'entretien éventuellement requis.
N'enlevez pas et ne modifiez pas les dispositifs de sécurité. Vérifiez régulièrement qu'ils fonctionnent correctement.
Pour éviter les risques d'incendie, enlevez les débris d'herbe et autres agglomérés sur l'unité de coupe, le silencieux, les entraînements, le bac à herbe et le moteur.
Nettoyez les coulées éventuelles d'huile ou de carburant et éliminez les déchets imbibés de carburant.
Ne vous fiez pas uniquement aux crics hydrauliques ou mécaniques pour soutenir la machine ; soutenez-la avec des chandelles quand vous la soulevez.
Maintenez toutes les pièces en bon état de marche et toutes les fixations bien serrées, en particulier celles des lames. Remplacez tous les autocollants usés ou endommagés.
Débranchez le câble de la borne négative de la batterie avant de réparer la machine.
Pour obtenir des résultats optimaux, utilisez exclusivement des pièces de rechange et des outils d'origine Toro. Les pièces de rechange et accessoires provenant d'autres constructeurs peuvent être dangereux, et leur utilisation risque d'annuler la garantie de la machine.
| Périodicité d'entretien | Procédure d'entretien |
|---|---|
| À chaque utilisation ou une fois par jour |
|
| Après chaque utilisation |
|
| Toutes les 25 heures |
|
| Toutes les 100 heures ou tous les ans, la première échéance prévalant |
|
| Avant le remisage |
|
| Une fois par an |
|
Important: Reportez-vous au manuel du propriétaire du moteur pour toutes procédures d'entretien supplémentaires.
Si vous laissez la clé dans le commutateur d'allumage, quelqu'un pourrait mettre le moteur en marche accidentellement et vous blesser gravement, ainsi que toute personne à proximité.
Coupez le moteur et enlevez la clé du commutateur avant d'effectuer des entretiens.
Desserrez les 2 boulons inférieurs du panneau de protection pour accéder au sommet du plateau de coupe (Figure 36).

Note: Serrez toujours les boulons pour assujettir le panneau de protection après l'entretien.
Utilisez des chandelles pour soutenir la machine après l'avoir levée.
Si vous soutenez la machine au niveau de la protection inférieure du silencieux (Figure 37), la protection risque d'être endommagée et la machine peut tomber et vous blesser ou blesser d'autres personnes.
Ne vous servez pas de la protection inférieure du silencieux pour soulever ou soutenir la machine.

| Périodicité d'entretien | Procédure d'entretien |
|---|---|
| Toutes les 25 heures |
|
Type de graisse : graisse au lithium nº 2
Garez la machine sur une surface plane et horizontale, placez la commande des lames en position désengagée et les leviers de commande de déplacement à la position STATIONNEMENT.
Avant de quitter la position d'utilisation, coupez le moteur, retirez la clé de contact et attendez l'arrêt complet de toutes les pièces mobiles.
Nettoyez les graisseurs (Figure 38) avec un chiffon.
Note: Grattez la peinture qui pourrait se trouver sur l'avant des graisseurs.

Raccordez une pompe à graisse à chaque graisseur (Figure 38).
Injectez de la graisse dans les graisseurs jusqu'à ce qu'elle commence à sortir des roulements.
Essuyez tout excès de graisse.
Gardez les mains, les pieds, le visage et toute autre partie du corps, ainsi que les vêtements à l'écart du silencieux et autres surfaces brûlantes. Laissez refroidir les composants du moteur avant d'effectuer toute opération d'entretien.
Ne modifiez pas le réglage du régulateur et ne faites pas tourner le moteur à un régime excessif.
| Périodicité d'entretien | Procédure d'entretien |
|---|---|
| Toutes les 25 heures |
|
| Une fois par an |
|
Note: Nettoyez le filtre à air plus fréquemment (toutes les quelques heures de fonctionnement) si vous travaillez dans des conditions très poussiéreuses ou sableuses.
Garez la machine sur une surface plane et horizontale, placez la commande des lames en position désengagée et les leviers de commande de déplacement à la position STATIONNEMENT.
Avant de quitter la position d'utilisation, coupez le moteur, retirez la clé de contact et attendez l'arrêt complet de toutes les pièces mobiles.
Nettoyez la surface autour du couvercle du filtre à air pour éviter que des impuretés ne s'introduisent dans le moteur et l'endommagent.
Desserrez le bouton de fixation et déposez le couvercle.

Retirez les éléments du filtre à air.
Séparez l'élément en mousse de l'élément en papier.

Lavez l'élément en mousse dans de l'eau chaude additionnée de savon liquide. Rincez soigneusement l'élément une fois propre.
Séchez l'élément en le pressant dans un chiffon propre.
Important: Remplacez l'élément en mousse s'il est usé ou déchiré.
Huilez légèrement l'élément en mousse avec de l'huile moteur propre et pressez-le pour éliminer l'excédent d'huile.
| Périodicité d'entretien | Procédure d'entretien |
|---|
Nettoyez l'élément en papier en le tapotant pour faire tomber la poussière.
Note: Remplacez-le par un neuf s'il est très encrassé.
Vérifiez que l'élément n'est pas déchiré ni couvert d'une pellicule grasse, et que le joint de caoutchouc n'est pas endommagé.
Remplacez l'élément en papier s'il est endommagé.
Important: Ne nettoyez pas l'élément en papier.
Placez le préfiltre en mousse sur l'élément en papier.
Note: Veillez à ne pas endommager les éléments.
Placez les éléments filtrants sur la base du filtre à air.
Reposez le couvercle et serrez les boulons (Figure 39).
Type d'huile : huile détergente (y compris synthétique) de classe de service API SJ ou mieux
Capacité du carter : 1,9 l avec filtre à huile ; 1,8 l sans filtre à huile
Viscosité : voir le tableau ci-dessous.

| Périodicité d'entretien | Procédure d'entretien |
|---|---|
| À chaque utilisation ou une fois par jour |
|
Note: Contrôlez le niveau d'huile quand le moteur est froid.
Important: Ne faites pas tourner le moteur avec un carter d'huile trop ou pas assez rempli, sous peine d'endommager le moteur.
Garez la machine sur une surface plane et horizontale, placez la commande des lames en position désengagée et les leviers de commande de déplacement à la position STATIONNEMENT.
Avant de quitter la position d'utilisation, coupez le moteur, retirez la clé et attendez l'arrêt complet de toutes les pièces mobiles.
Note: Laissez refroidir le moteur pour donner le temps à l'huile de s'écouler dans le carter.
Pour éviter de faire tomber des déchets d'herbe, des saletés, etc., dans le moteur, nettoyez la surface autour du bouchon de remplissage-jauge d'huile avant de le retirer (Figure 42).

| Périodicité d'entretien | Procédure d'entretien |
|---|
Garez la machine sur une surface plane et horizontale pour que la boîte-pont puisse se vider entièrement.
Désengagez la commande des lames et écartez les leviers de commande de déplacement vers l'extérieur à la position STATIONNEMENT.
Avant de quitter la position d'utilisation, coupez le moteur, retirez la clé de contact et attendez l'arrêt complet de toutes les pièces mobiles.
Vidangez l'huile moteur (Figure 43).

Remplacez le filtre à huile moteur (Figure 44).
Note: Assurez-vous que le joint du filtre à huile touche le moteur puis vissez-le encore de trois quarts de tour.

Versez lentement environ 80 % de l'huile spécifiée dans le tube de remplissage, puis faites l'appoint lentement jusqu'à ce que le niveau atteigne le repère maximum (Full) (Figure 45).

Débarrassez-vous de l'huile usagée dans un centre de recyclage.
| Périodicité d'entretien | Procédure d'entretien |
|---|---|
| Une fois par an |
|
Avant de poser une bougie, assurez-vous que l'écartement entre l'électrode centrale et l'électrode latérale est correct. Utilisez une clé à bougies pour déposer et reposer les bougies, et une jauge d'épaisseur pour contrôler et régler l'écartement des électrodes. Remplacez la bougie au besoin.
Type : Champion® XC92YC
Écartement des électrodes : 0,76 mm
Garez la machine sur une surface plane et horizontale, placez la commande des lames en position désengagée et les leviers de commande de déplacement à la position STATIONNEMENT.
Avant de quitter la position d'utilisation, coupez le moteur, retirez la clé de contact et attendez l'arrêt complet de toutes les pièces mobiles. Laissez refroidir le moteur.
Nettoyez la surface autour de la base de la bougie pour empêcher la poussière et les débris de pénétrer dans le moteur.
Enlevez la bougie (Figure 46).

Important: Ne nettoyez pas la ou les bougies. Remplacez toujours les bougies si elles sont recouvertes d'un dépôt noir ou d'une couche grasse, si elles sont fissurées ou si les électrodes sont usées.
Si l'isolateur est recouvert d'un léger dépôt gris ou brun, le moteur fonctionne correctement. S'il est couvert d'un dépôt noir, c'est généralement signe que le filtre à air est encrassé.
Réglez l'écartement des électrodes à 0,76 mm.


| Périodicité d'entretien | Procédure d'entretien |
|---|---|
| À chaque utilisation ou une fois par jour |
|
Garez la machine sur une surface plane et horizontale, placez la commande des lames en position désengagée et les leviers de commande de déplacement à la position STATIONNEMENT.
Avant de quitter la position d'utilisation, coupez le moteur, retirez la clé de contact et attendez l'arrêt complet de toutes les pièces mobiles.
Déposez le filtre à air du moteur.
Déposez le capot du moteur.
Pour empêcher les débris de pénétrer dans l'admission d'air, montez le filtre à air sur sa base.
Débarrassez les pièces de l'herbe et des débris accumulés.
Déposez le filtre à air et posez le carénage du moteur.
Posez le filtre à air.
Dans certaines circonstances, le carburant est extrêmement inflammable et hautement explosif. Un incendie ou une explosion causé(e) par du carburant peut vous brûler, ainsi que les personnes se tenant à proximité, et causer des dommages matériels.
Vous trouverez une liste complète des consignes de sécurité liées au carburant sous Consignes de sécurité concernant le carburant.
| Périodicité d'entretien | Procédure d'entretien |
|---|---|
| Une fois par an |
|
Ne remontez jamais un filtre encrassé après l'avoir enlevé de la conduite d'alimentation.
Garez la machine sur une surface plane et horizontale, placez la commande des lames en position désengagée et les leviers de commande de déplacement à la position STATIONNEMENT.
Avant de quitter la position d'utilisation, coupez le moteur, retirez la clé de contact et attendez l'arrêt complet de toutes les pièces mobiles. Laissez refroidir le moteur.
Remplacez le filtre (Figure 49).
Note: Vérifiez que la flèche indiquant le sens d'écoulement est dirigée vers le moteur.


Débranchez le câble de la borne négative de la batterie avant de réparer la machine.
Chargez la batterie dans un endroit dégagé et bien aéré, à l'écart des flammes ou sources d'étincelles. Débranchez le chargeur du secteur avant de brancher ou de débrancher la batterie. Portez des vêtements de protection et utilisez des outils isolés.
Les bornes de la batterie ou les outils en métal peuvent causer des courts-circuits au contact des pièces métalliques de la machine et produire des étincelles. Les étincelles peuvent provoquer l'explosion des gaz de la batterie et vous blesser.
Lors du retrait ou de la mise en place de la batterie, les bornes ne doivent toucher aucune partie métallique de la machine.
Évitez de créer des courts-circuits entre les bornes de la batterie et les parties métalliques de la machine avec des outils en métal.
Garez la machine sur une surface plane et horizontale, placez la commande des lames en position désengagée et les leviers de commande de déplacement à la position STATIONNEMENT.
Avant de quitter la position d'utilisation, coupez le moteur, retirez la clé de contact et attendez l'arrêt complet de toutes les pièces mobiles.
Soulevez le siège pour accéder à la batterie.
Débranchez le câble négatif (noir) de mise à la masse de la borne de la batterie (Figure 50).
Note: Conservez toutes les fixations.
Si les câbles de la batterie ne sont pas débranchés correctement, la machine et les câbles peuvent être endommagés et produire des étincelles. Les étincelles peuvent provoquer l'explosion des gaz de la batterie et vous blesser.
Débranchez toujours le câble négatif (noir) de la batterie avant le câble positif (rouge).
Connectez toujours le câble positif (rouge) de la batterie avant le câble négatif (noir).
Repoussez le capuchon en caoutchouc sur le câble positif (rouge).
Débranchez le câble positif (rouge) de la borne de la batterie (Figure 50).
Note: Conservez toutes les fixations.
Déposez la barrette de maintien de la batterie (Figure 50) et soulevez la batterie de son support.

| Périodicité d'entretien | Procédure d'entretien |
|---|---|
| Avant le remisage |
|
Retirez la batterie du châssis ; voir Retrait de la batterie.
Chargez la batterie au régime de à 6 à 10 ampères pendant un minimum de 1 heure.
Note: Ne chargez pas la batterie excessivement.
Quand la batterie est chargée au maximum, débranchez le chargeur de la prise, puis débranchez les fils du chargeur des bornes de la batterie (Figure 51).

Placez la batterie sur son support (Figure 50).
Branchez le câble positif (rouge) de la batterie à la borne positive (+) au moyen des fixations retirées précédemment.
Branchez le câble négatif de la batterie à la borne négative (–) au moyen des fixations retirées précédemment.
Placez le capuchon rouge sur la borne positive (rouge) de la batterie.
Fixez la batterie en place à l'aide de la barre de maintien (Figure 50).
Abaissez le siège.
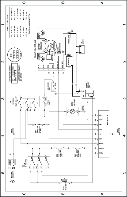
Le système électrique est protégé par des fusibles. Il ne nécessite aucun entretien ; toutefois, si un fusible grille, vérifiez l'état de la pièce ou du circuit et assurez-vous qu'il n'y a pas de court-circuit.
Type de fusible :
Principal – F1 (25 A, à lame)
Circuit de charge – F2 (15 A, à lame)
Garez la machine sur une surface plane et horizontale, placez la commande des lames en position désengagée et les leviers de commande de déplacement à la position STATIONNEMENT.
Avant de quitter la position d'utilisation, coupez le moteur, retirez la clé de contact et attendez l'arrêt complet de toutes les pièces mobiles.
Soulevez le siège pour accéder aux fusibles.
Pour remplacer un fusible, tirez dessus pour l'enlever (Figure 52).

Abaissez le siège.
| Périodicité d'entretien | Procédure d'entretien |
|---|---|
| Toutes les 25 heures |
|
Maintenez les pneus avant et arrière gonflés à la pression spécifiée. Les pneus mal gonflés peuvent compromettre la qualité et l'uniformité de la coupe. Vérifiez la pression à la valve (Figure 53). Contrôlez la pression lorsque les pneus sont froids pour obtenir un résultat plus précis.
Gonflez les pneus des roues pivotantes à 2,06 bar ou à la pression indiquée sur le flanc, selon la valeur la plus basse.
Gonflez les pneus des roues motrices arrière à 0,90 bar.

Lorsque vous conduisez la machine en marche avant à la vitesse maximale sur une surface plane et qu'elle tire d'un côté, corrigez la dérive.
Si la machine tire à gauche, ajustez le levier de commande de déplacement droit, et inversement, si elle tire à droite, ajustez le levier gauche.
Note: Vous ne pouvez régler le parallélisme des roues que pour la marche avant.
Garez la machine sur une surface plane et horizontale, placez la commande des lames en position désengagée et les leviers de commande de déplacement à la position STATIONNEMENT.
Avant de quitter la position d'utilisation, coupez le moteur, retirez la clé de contact et attendez l'arrêt complet de toutes les pièces mobiles.
Localisez le boulon de réglage de la dérive près du levier de commande de déplacement du côté qui nécessite le réglage (Figure 54).
Note: Soulevez le siège pour faciliter l'accès au boulon de réglage.
Tournez le boulon pour réduire la vitesse de cette roue.
Note: Tournez légèrement le boulon pour effectuer de petits réglages.

Démarrez la machine et conduisez-la en marche avant sur une surface plane et horizontale, en poussant les leviers de commande de déplacement à la position avant maximale pour vérifier si la machine avance en ligne droite. Répétez la procédure si nécessaire.
| Périodicité d'entretien | Procédure d'entretien |
|---|---|
| Toutes les 25 heures |
|
Remplacez les courroies si elles sont usées. Les courroies peuvent montrer les signes d'usure suivants : grincement pendant la rotation, glissement des lames pendant la coupe, bords effilochés, traces de brûlures et fissures.
Les courroies peuvent montrer les signes d'usure suivants : grincement pendant la rotation, glissement des lames pendant la coupe, bords effilochés, traces de brûlures et fissures. Remplacez la courroie quand elle présente ce genre de problèmes.
Garez la machine sur une surface plane et horizontale, placez la commande des lames en position désengagée et les leviers de commande de déplacement à la position STATIONNEMENT.
Avant de quitter la position d'utilisation, coupez le moteur, retirez la clé de contact et attendez l'arrêt complet de toutes les pièces mobiles.
Réglez la hauteur de coupe à la position la plus basse (38 mm).
Desserrez les deux boulons inférieurs qui fixent le panneau de protection au plateau de coupe. Voir Relâchement du panneau de protection du plateau de coupe.
Déposez les couvercles de poulie.
Sur les plateaux emboutis, desserrez les vis et déposez les protège-poulies (Figure 55).

Sur les plateaux mécanosoudés, desserrez la vis et appuyez sur la languette pour déposer les protège-poulies (Figure 56).

Sur les plateaux emboutis, desserrez l'écrou qui fixe le fil métallique à la poulie de tension (Figure 57).

À l'aide d'un outil de dépose de ressort (réf. Toro 92-5771), décrochez le ressort du crochet sur le plateau pour détendre la poulie de tension, et déchaussez la courroie des poulies (Figure 58).
Le ressort est tendu quand il est en place et peut causer des blessures en se détendant.
Enlevez la courroie avec précaution.

Acheminez la courroie neuve autour des poulies du moteur et du plateau de coupe (Figure 58).
À l'aide d'un outil de dépose de ressort (réf. Toro 92-5771), accrochez le ressort à l'ergot sur le plateau pour tendre la poulie de tension et la courroie de plateau du coupe (Figure 58).
Sur les plateaux emboutis, resserrez l'écrou qui fixe le fil métallique à la poulie de tension.
Note: Placez le fil métallique contre le bras de la poulie de tension, comme montré à la Figure 57.
Reposez les couvercles de poulie.
Resserrez les 2 boulons inférieurs qui fixent le panneau de protection au plateau de coupe. Voir Relâchement du panneau de protection du plateau de coupe.
Contrôlez l'état et l'usure des lames régulièrement.
Examinez toujours les lames avec prudence. Manipulez les lames avec des gants ou en les enveloppant dans un chiffon, et toujours avec prudence. Limitez-vous à remplacer ou aiguiser les lames ; n'essayez jamais de les redresser ou de les souder.
Attention, sur les machines à plusieurs lames, la rotation d'une lame peut entraîner celle des autres.
Remplacez les boulons et les lames usés ou endommagés par paires pour ne pas modifier l'équilibre.
Pour garantir une excellente qualité de coupe, les lames doivent toujours être bien affûtées. Il est utile de prévoir des lames de rechange pour le remplacement et le réaffûtage.
Garez la machine sur une surface plane et horizontale, placez la commande des lames en position désengagée et les leviers de commande de déplacement à la position STATIONNEMENT.
Coupez le moteur, retirez la clé et débranchez le fil des bougies.
| Périodicité d'entretien | Procédure d'entretien |
|---|---|
| À chaque utilisation ou une fois par jour |
|
Examinez le tranchant des lames (Figure 59).
Si les lames ne sont pas tranchantes ou présentent des indentations, déposez-les et aiguisez-les ; voir Affûtage des lames.
Inspectez les lames, en particulier l'ailette.
Remplacez immédiatement toute lame fendue, usée ou qui présente une entaille (Figure 59).

Note: Placez la machine sur une surface plane horizontale pour effectuer la procédure suivante.
Élevez le plateau à la hauteur de coupe maximale.
Enfilez des gants épais ou utilisez une autre protection adéquate pour les mains, et faites tourner la lame lentement jusqu'à une position permettant de mesurer correctement la distance entre le tranchant et la surface plane sur laquelle se trouve la machine (Figure 60).

Mesurez la distance entre la pointe de la lame et la surface plane (Figure 61).

Tournez la même lame de 180 degrés pour amener l'autre tranchant à la même position (Figure 62).

Mesurez la distance entre la pointe de la lame et la surface plane (Figure 63).
Note: L'écart ne doit pas excéder 3 mm.

Si la différence entre A et B est supérieure à 3 mm, remplacez la lame par une neuve ; voir la Dépose des lames et la Montage des lames.
Note: Si, après le remplacement d'une lame faussée par une neuve, la différence est toujours supérieure à 3 mm, l'axe de lame est peut-être faussé. Contactez un concessionnaire-réparateur Toro agréé pour faire réviser la machine.
Si la différence reste dans les limites tolérées, passez à la lame suivante.
Répétez cette procédure pour chaque lame.
Remplacez les lames si elles heurtent un obstacle, ou si elles sont déséquilibrées ou faussées.
Tenez la lame par son extrémité avec un chiffon ou un gant épais.
Enlevez de l'axe, le boulon, la rondelle bombée et la lame (Figure 64).

Au moyen d'une lime, aiguisez les tranchants aux deux extrémités de la lame (Figure 65).
Note: Veillez à conserver l'angle de coupe d'origine.
Note: Limez la même quantité de métal sur chacun des deux tranchants pour ne pas déséquilibrer la lame.

Vérifiez l'équilibre de la lame en la plaçant sur un équilibreur (Figure 66).
Note: Si la lame reste horizontale, elle est équilibrée et peut être utilisée.
Note: Si la lame est déséquilibrée, limez un peu l'extrémité de l'ailette seulement (Figure 65).

Répétez la procédure jusqu'à ce que la lame soit équilibrée.
Placez la lame sur l'axe (Figure 64).
Important: Pour une coupe correcte, l'ailette de la lame doit être tournée vers le haut et dirigée vers l'intérieur du plateau de coupe.
Posez la rondelle courbe (face concave vers la lame) et le boulon de lame (Figure 64).
Serrez le boulon de la lame à un couple de 81 à 108 N·m.
Vérifiez que le plateau de coupe est de niveau chaque fois que vous l'installez ou si la tonte de la pelouse semble irrégulière.
Vérifiez si des lames sont faussées avant de mettre le plateau de coupe de niveau. Déposez et remplacez les lames faussées ; voir Entretien des lames avant de continuer.
Mettez le plateau de coupe de niveau transversalement avant de le faire longitudinalement.
Assurez-vous que :
La machine est placée sur une surface plane et horizontale.
Tous les pneus sont gonflés à la pression correcte ; voir Contrôle de la pression des pneus.
Garez la machine sur une surface plane et horizontale, placez la commande des lames (PDF) en position désengagée et écartez les leviers de commande de déplacement à la position STATIONNEMENT.
Avant de quitter la position d'utilisation, coupez le moteur, retirez la clé de contact et attendez l'arrêt complet de toutes les pièces mobiles.
Réglez la hauteur de coupe à 76 mm.
Tournez les lames avec précaution pour les mettre parallèles dans le sens transversal.
Mesurez la distance entre les tranchants extérieurs et le sol plat (Figure 67).
Note: Si les deux mesures diffèrent de plus de 5 mm, un réglage s'impose ; voir Réglage de l'horizontalité transversale.

Contrôlez l'inclinaison avant/arrière des lames chaque fois que vous montez le plateau de coupe. Si l'avant du plateau est plus de 7,9 mm plus bas que l'arrière, réglez l'inclinaison des lames.
Garez la machine sur une surface plane et horizontale, placez la commande des lames (PDF) en position désengagée et écartez les leviers de commande de déplacement à la position STATIONNEMENT.
Avant de quitter la position d'utilisation, coupez le moteur, retirez la clé de contact et attendez l'arrêt complet de toutes les pièces mobiles.
Réglez la hauteur de coupe à 76 mm.
Faites pivoter les lames avec précaution pour faire passer les pointes avant à l'arrière (Figure 68).
Mesurez la distance entre la pointe de la lame avant et la pointe de la lame arrière par rapport à la surface plane (Figure 68).
Note: Si la pointe avant de la lame n'est pas de 1,5 à 8 mm plus basse que la pointe arrière, passez à la procédure Réglage de l'inclinaison avant/arrière des lames.

Passez au côté gauche de la machine.
Placez les galets anti-scalp dans les trous supérieurs ou enlevez-les complètement pour effectuer cette procédure ; voir Réglage des galets anti-scalp.
Réglez le levier de hauteur de coupe à la position 76 mm ; voir Réglage de la hauteur de coupe.
Placez 2 cales de 6,6 cm d'épaisseur chacune sous chaque côté du bord avant du plateau de coupe, mais pas sous les supports des galets anti-scalp (Figure 69).
Placez deux cales de 7,3 cm d'épaisseur chacune sous le bord arrière de la jupe du plateau de coupe, une de chaque côté (Figure 69).

Retirez la goupille fendue et la rondelle de l'axe inférieur du bras de levage (Figure 70).

Tournez la plaque de hauteur de coupe à un trou différent pour que le poids du plateau de coupe soit soutenu après l'installation de la plaque (Figure 71).

Remettez en place la rondelle et la goupille fendue (Figure 71).
Répétez les opérations 6 à 8 de l'autre côté de la machine.
Vérifiez de nouveau le réglage transversal ; répétez cette procédure jusqu'à ce que les mesures soient correctes.
Poursuivez la procédure de mise à niveau du plateau en contrôlant l'inclinaison avant/arrière des lames ; voir Contrôle de l'inclinaison avant/arrière des lames.
Tournez l'écrou de réglage à l'avant de la tondeuse (Figure 72).

Serrez l'écrou de réglage pour élever l'avant du plateau de coupe.
Desserrez l'écrou de réglage pour abaisser l'avant du plateau de coupe.
Une fois le réglage effectué, vérifiez à nouveau l'inclinaison avant/arrière des lames ; continuez d'ajuster l'écrou jusqu'à ce que la pointe avant de la lame soit de 1,6 à 7,9 mm plus bas que la pointe arrière ; voir Contrôle de l'inclinaison avant/arrière des lames.
Lorsque l'inclinaison avant/arrière est correcte, vérifiez à nouveau l'horizontalité transversale du plateau de coupe ; voir Contrôle de l'horizontalité transversale.
Garez la machine sur une surface plane et horizontale, placez la commande des lames (PDF) en position désengagée et écartez les leviers de commande de déplacement à la position STATIONNEMENT.
Avant de quitter la position d'utilisation, coupez le moteur, retirez la clé de contact et attendez l'arrêt complet de toutes les pièces mobiles.
Abaissez la commande de hauteur de coupe à la position la plus basse.
Desserrez les deux boulons inférieurs qui fixent le panneau de protection au plateau de coupe. Voir Relâchement du panneau de protection du plateau de coupe.
Retirez la goupille fendue de la tige de support avant et déposez la tige du support de plateau (Figure 73).

Abaissez doucement l'avant du plateau de coupe au sol.
D'un côté de la machine, retirez la rondelle et la goupille fendue de l'axe du plateau (Figure 74).

Déposez le bras de levage de l'axe du plateau (Figure 74).
Répétez les opérations 7 et 8 de l'autre côté de la machine.
Déplacez le plateau de coupe en arrière pour dégager la courroie du plateau de coupe de la poulie du moteur.
Sortez le plateau de coupe de sous la machine.
Note: Conservez toutes les pièces en vue du remontage.
Garez la machine sur une surface plane et horizontale, placez la commande des lames (PDF) en position désengagée et écartez les leviers de commande de déplacement à la position STATIONNEMENT.
Avant de quitter la position d'utilisation, coupez le moteur, retirez la clé de contact et attendez l'arrêt complet de toutes les pièces mobiles.
Glissez le plateau de coupe sous la machine.
Abaissez la commande de hauteur de coupe à la position la plus basse.
D'un côté de la machine, soulevez l'arrière du plateau de coupe et installez le bras de levage sur l'axe du plateau (Figure 74).
Installez le bras de levage avec la rondelle et la goupille fendue (Figure 74).
Répétez les opérations 5 et 6 de l'autre côté de la machine.
Fixez la tige de support avant au plateau de coupe à l'aide de l'axe de chape et de la goupille fendue (Figure 73).
Placez la courroie d'entraînement du plateau de coupe sur la poulie de moteur ; voir Remplacement de la courroie du plateau de coupe.
Resserrez les 2 boulons inférieurs qui fixent le panneau de protection au plateau de coupe ; voir Relâchement du panneau de protection du plateau de coupe.
| Périodicité d'entretien | Procédure d'entretien |
|---|---|
| À chaque utilisation ou une fois par jour |
|
Si l'ouverture d'éjection n'est pas fermée, la machine peut projeter des objets dans votre direction ou celles de personnes à proximité et causer des blessures graves. Un contact avec la lame est également possible.
N'utilisez pas la machine sans le déflecteur d'herbe, l'obturateur d'éjection ou le système de ramassage.
Retirez l'écrou (⅜") de la tige, sous le plateau de coupe (Figure 75).

Sortez la tige de la courte cheville de positionnement, du ressort et du pivot du déflecteur d'herbe (Figure 75).
Déposez le déflecteur d'herbe et le petit déflecteur s'il sont endommagés ou usés (le cas échéant).
Montez le nouveau déflecteur d'herbe (Figure 75).
Insérez l'extrémité droite de la tige dans le pivot du déflecteur d'herbe et dans le petit déflecteur (le cas échéant).
Placez le ressort sur la tige, les fils d'extrémité dirigés vers le bas, entre les pivots du déflecteur d'herbe.
Insérez la tige dans le second pivot du déflecteur d'herbe (Figure 75).
Insérez la tige à l'avant du déflecteur dans la courte cheville de positionnement sur le plateau.
Fixez l'extrémité arrière de la tige dans le plateau de coupe à l'aide d'un écrou (⅜"), comme montré à la Figure 75.
Important: Le déflecteur d'herbe doit être rappelé à la position abaissée par le ressort. Soulevez le déflecteur pour vérifier qu'il s'enclenche complètement en position abaissée.
| Périodicité d'entretien | Procédure d'entretien |
|---|---|
| Après chaque utilisation |
|
Important: La machine peut être lavée à l'eau avec un détergent doux. N'utilisez pas de nettoyeur haute pression. N'utilisez pas trop d'eau, surtout près du panneau de commande, sous le siège et autour du moteur, des pompes hydrauliques et des moteurs électriques.
Lavez le dessous du plateau de coupe après chaque utilisation pour éviter l'accumulation d'herbe et améliorer ainsi le mulching et la dispersion des déchets de tonte.
Garez la machine sur une surface plane et horizontale, placez la commande des lames (PDF) en position désengagée et écartez les leviers de commande de déplacement à la position STATIONNEMENT.
Avant de quitter la position d'utilisation, coupez le moteur, retirez la clé de contact et attendez l'arrêt complet de toutes les pièces mobiles.
Branchez le raccord du tuyau au raccord de lavage du plateau de coupe et ouvrez l'eau en grand (Figure 76).
Note: Enduisez de vaseline le joint torique du raccord de lavage pour faciliter le branchement du tuyau d'arrosage sans endommager le joint torique.

Abaissez le plateau de coupe à la hauteur minimum.
Asseyez-vous sur le siège et mettez le moteur en marche.
Engagez la commande des lames et laissez tourner le moteur pendant 1 à 3 minutes.
Désengagez la commande des lames, coupez le moteur, enlevez la clé et attendez l'arrêt de toutes les pièces mobiles.
Coupez l'eau et débranchez le tuyau d'arrosage du raccord de lavage.
Note: Si le plateau est encore sale après un premier lavage, laissez-le tremper 30 minutes. Recommencez ensuite la procédure.
Remettez la tondeuse en marche durant 1 à 3 minutes pour évacuer l'excès d'eau.
Si le raccord de lavage est cassé ou manquant, l'utilisateur et les personnes à proximité peuvent être blessés par la projection d'objets ou par un contact avec la lame. Des débris projetés ou un contact avec la lame peuvent occasionner des blessures graves ou mortelles.
Si le raccord de lavage est cassé ou manquant, n'utilisez pas la machine avant de l'avoir remplacé.
Ne passez jamais les mains ou les pieds sous le plateau de coupe ni dans aucune de ses ouvertures.
L'huile moteur, les batteries, le liquide hydraulique et le liquide de refroidissement sont polluants pour l'environnement. Débarrassez-vous en conformément à la réglementation nationale et locale en matière d'environnement.
Avant de quitter la position d'utilisation, coupez le moteur, enlevez la clé et attendez l'arrêt complet de toutes les pièces mobiles. Laissez refroidir la machine avant de la régler, d'en faire l'entretien, de la nettoyer ou de la remiser.
Ne remisez pas la machine et ne faites pas le plein près d'une flamme ; ne vidangez pas le réservoir de carburant à l'intérieur d'un local ou d'une remorque fermée.
Ne rangez pas la machine ni les bidons de carburant à proximité d'une flamme nue, d'une source d'étincelles ou d'une veilleuse, telle celle d'un chauffe-eau ou d'autres appareils.
Garez la machine sur une surface plane et horizontale, placez la commande des lames (PDF) en position désengagée et écartez les leviers de commande de déplacement à la position STATIONNEMENT.
Avant de quitter la position d'utilisation, coupez le moteur, retirez la clé et attendez l'arrêt complet de toutes les pièces mobiles.
Débarrassez entièrement l'extérieur de la machine, en particulier le moteur et le système hydraulique, des déchets d'herbe coupée, des saletés et de la crasse. Éliminez les saletés et les débris d'herbe sèche pouvant se trouver sur les ailettes de la culasse et le carter de ventilateur.
Important: Vous pouvez laver la machine avec de l'eau et un détergent doux. N'utilisez pas de nettoyeur haute pression. N'utilisez pas trop d'eau, surtout près du panneau de commande, du moteur, des pompes hydrauliques et des moteurs électriques.
Vérifier le fonctionnement du frein de stationnement ; voir Position de stationnement.
Faites l'entretien du filtre à air ; voir Entretien du filtre à air.
Graissez la machine ; voir Lubrification.
Vidangez l'huile moteur ; voir Contrôle du niveau, vidange de l'huile moteur et remplacement du filtre à huile.
Contrôlez la pression des pneus ; voir Contrôle de la pression des pneus.
Chargez la batterie ; voir Charge de la batterie.
Si vous remisez la machine en laissant la batterie dessus, débranchez le câble négatif (noir) de la batterie.
Grattez l'herbe et les saletés éventuellement accumulées sur le dessous du plateau de coupe, puis lavez la machine au tuyau d'arrosage.
Note: Conduisez la machine, commande des lames (PDF) engagée et moteur au régime de ralenti accéléré, pendant 2 à 5 minutes après l'avoir lavée.
Vérifiez l'état des lames ; voir Entretien des lames.
Si vous prévoyez de remiser la machine pour plus de 30 jours, préparez-la comme suit :
Ajoutez un stabilisateur/conditionneur dans le réservoir de carburant. Respectez les proportions spécifiées par le fabricant du stabilisateur. N'utilisez pas de stabilisateur à base d'alcool (éthanol ou méthanol).
Faites tourner le moteur pendant 5 minutes pour faire circuler le carburant traité dans tout le circuit d'alimentation.
Coupez le moteur, laissez-le refroidir, puis vidangez le réservoir de carburant à l'aide d'un siphon à pompe ou laissez tourner le moteur jusqu'à ce qu'il s'arrête.
Débarrassez-vous du carburant correctement. Recyclez le carburant conformément à la réglementation locale en matière d'environnement.
Important: Ne conservez pas le carburant additionné de stabilisateur/conditionneur plus longtemps que recommandé par le fabricant du stabilisateur de carburant.
Déposez la ou les bougies et vérifiez leur état ; voir Entretien de la bougie. Versez 30 ml (2 cuillerées à soupe) d'huile moteur dans l'ouverture laissée par la bougie. Actionnez le démarreur pour faire tourner le moteur et bien répartir l'huile dans le cylindre. Posez la ou les bougies. Ne rebranchez pas le fil de la ou des bougies.
Contrôlez et resserrez toutes les fixations. Réparez ou remplacez toute pièce endommagée.
Peignez toutes les surfaces métalliques éraflées ou mises à nu. Une peinture pour retouches est disponible chez les concessionnaires-réparateurs agréés.
Rangez la machine dans un endroit propre et sec, comme un garage ou une remise. Retirez la clé du commutateur d'allumage et rangez-la hors de la portée des enfants ou des personnes non autorisées. Couvrez la machine pour la protéger et la garder propre.
Chargez la batterie au maximum.
Laissez reposer la batterie pendant 24 heures, puis vérifiez la tension.
Note: Si la tension de la batterie est inférieure à 12,6 V, répétez les opérations 1 et 2.
Débranchez les câbles de la batterie.
Vérifiez régulièrement que la tension est bien égale ou supérieure à 12,4 V.
Note: Si la tension de la batterie est inférieure à 12,4 V, répétez les opérations 1 et 2.
Si vous rangez la batterie hors de la machine, procédez comme suit :
Rangez la batterie dans un endroit frais et sec, en position verticale.
N'empilez pas les batteries directement l'une sur l'autre, à moins qu'elles ne soient dans des cartons.
N'empilez pas plus de 3 batteries (seulement 2 batteries si elles sont de type professionnel).
Testez les batteries à liquide tous les 4 à 6 mois et chargez-les au besoin.
Contrôlez toujours et chargez la batterie avant de l’installer.
| Problem | Possible Cause | Corrective Action |
|---|---|---|
| Le réservoir de carburant semble près de lâcher ou la machine semble tomber fréquemment en panne de carburant. |
|
|
| Le moteur surchauffe. |
|
|
| Le démarreur ne fonctionne pas. |
|
|
| Le moteur ne démarre pas, démarre difficilement ou cale. |
|
|
| Le moteur perd de la puissance. |
|
|
| La machine ne se déplace pas. |
|
|
| La machine vibre de manière anormale. |
|
|
| La hauteur de coupe est inégale. |
|
|
| Les lames ne tournent pas. |
|
|
