| Huoltoväli | Huoltotoimenpide |
|---|---|
| Aina ennen käyttöä tai päivittäin |
|
Tämä ajettava vaakatasoleikkuri on tarkoitettu kotikäyttöön asuinalueille. Se on tarkoitettu pääasiassa viheralueiden ruohonleikkuuseen. Tuotteen käyttäminen muuhun kuin sen aiottuun käyttötarkoitukseen voi olla vaarallista käyttäjälle ja sivullisille.
Lue nämä tiedot huolellisesti, jotta oppisit käyttämään ja huoltamaan laitetta asianmukaisesti sekä välttämään tapaturmia ja tuotevaurioita. Olet itse vastuussa tuotteen asianmukaisesta ja turvallisesta käytöstä.
Käy osoitteessa www.Toro.com, jos tarvitset tuoteturvallisuuteen ja käyttökoulutukseen liittyviä materiaaleja, tietoja lisävarusteista tai lähimmästä jälleenmyyjästä tai haluat rekisteröidä tuotteesi.
Aina kun tarvitset huoltoa, alkuperäisiä Toro-varaosia tai lisätietoja, ota yhteys valtuutettuun huoltoliikkeeseen tai Toron asiakaspalveluun. Ota tällöin tuotteen malli- ja sarjanumerot valmiiksi esiin. Kuva 1 näyttää laitteen malli ja sarjanumeron sijainnin. Kirjoita numerot annettuun tilaan.
Important: Skannaamalla sarjanumerokilvessä (jos varusteena) olevan QR-koodin mobiililaitteella saat tuotetietoja sekä takuu- ja varaosatietoja.

Kirjoita tuotteen malli- ja sarjanumerot alla olevaan tilaan:
Tässä käyttöoppaassa käytetään kahta termiä tietojen korostamiseksi. Tärkeää kiinnittää huomiota mekaanisiin erikoistietoihin ja Huomautus korostaa erityishuomion ansaitsevia yleistietoja.
Turvallisuusvaroitusmerkki (Kuva 2) näkyy sekä tässä käyttöoppaassa että koneessa. Se osoittaa tärkeitä turvallisuusilmoituksia, joiden ohjeita on noudatettava onnettomuuksien välttämiseksi. Tämän merkin yhteydessä näkyy sana Hengenvaara, Vaara tai Varoitus.
Hengenvaara: ilmaisee välittömästi vaarallisen tilanteen, joka jatkuessaan johtaa kuolemaan tai vakavaan loukkaantumiseen.
Vaara: ilmaisee mahdollisesti vaarallisen tilanteen, joka jatkuessaan voi johtaa kuolemaan tai vakavaan loukkaantumiseen.
Varoitus: ilmaisee mahdollisesti vaarallisen tilanteen, joka jatkuessaan saattaa johtaa vähäiseen tai lievään loukkaantumiseen.

Tämä tuote on asiaankuuluvien eurooppalaisten direktiivien mukainen. Lisätietoja on erillisessä tuotekohtaisessa vaatimustenmukaisuusvakuutuksessa.
Brutto- tai nettovääntö: Moottorin valmistaja on mitannut tämän moottorin brutto- tai nettoväännön laboratoriossa SAE J1940:n tai J2723:n mukaisesti. Tämän luokan leikkurin moottorin todellinen vääntö on huomattavasti alhaisempi, koska se on säädetty turvallisuuteen, päästöihin ja käyttöön liittyvien vaatimusten mukaisesti. Tutustu koneen mukana toimitettuihin moottorin valmistajan tietoihin.
Tämä tuote voi katkaista jalan tai käden sekä singota esineitä. Noudata aina kaikkia turvallisuusohjeita vakavan loukkaantumisen tai kuoleman välttämiseksi.
Lue ja sisäistä tämän käyttöoppaan sisältö ennen moottorin käynnistämistä.
Pidä sivulliset ja lapset loitolla.
Älä anna lasten tai kouluttamattomien henkilöiden käyttää tai huoltaa konetta. Anna vain vastuullisten, koulutettujen, ohjeisiin perehtyneiden ja fyysisesti konetta käyttämään kykenevien henkilöiden käyttää tai huoltaa konetta.
Älä käytä konetta äkkijyrkkien kohtien, ojien, vallien, vesiesteiden tai muiden vaarakohtien lähellä. Älä aja koneella rinteillä, joiden kaltevuus on yli 15 astetta.
Älä laita käsiä tai jalkoja koneen liikkuvien osien lähelle.
Älä käytä konetta ilman paikallaan olevia ja asianmukaisesti toimivia suojuksia, turvakytkimiä ja muita turvalaitteita.
Sammuta moottori, irrota virta-avain ja odota, että kaikki liikkuvat osat ovat pysähtyneet, ennen kuin poistut käyttäjän paikalta. Anna koneen jäähtyä ennen huoltoa, säätämistä, tankkausta, puhdistusta tai varastointia.

![]() |
Turva- ja ohjetarrat on sijoitettu hyvin näkyville paikoille mahdollisten vaara-alueiden lähettyville. Korvaa vioittuneet tai kadonneet tarrat uusilla. |






Tarra 138-6074 on kiinnitetty polttoainesäiliöön.









Tutustu kaikkiin ohjauslaitteisiin, ennen kuin käynnistät moottorin ja käytät konetta.

Moottori käynnistetään ja sammutetaan avainkytkimestä. Siinä on kolme asentoa: PYSäYTYS, KäYNNISSä ja KäYNNISTYS (Kuva 5).
Kaasuvivulla ohjataan moottorin kierrosnopeutta, ja siinä on portaaton säätö HIDAS-asennosta NOPEA-asentoon (Kuva 5).
Käynnistä kylmä moottori käyttämällä rikastimen vipua (Kuva 5).
Teräkytkin, joka on merkitty voimanulosoton (PTO) kuvakkeella, kytkee ja vapauttaa voimansiirron leikkuuteriin (Kuva 5).
Liikkeenohjausvivuilla konetta kuljetetaan eteen- ja taaksepäin sekä käännetään (Kuva 4).
Kun pysähdyt tai poistut koneesta, kytke seisontajarru siirtämällä liikkeenohjausvivut keskeltä ulospäin PYSäKöINTI-asentoon.
Smart Speed™ -ohjausjärjestelmän vipu sijaitsee kuljettajan istuimen alapuolella. Sen avulla kuljettaja voi valita jonkin kolmesta nopeusalueesta: viimeistely, hinaus tai leikkaus (Kuva 29).
Koneen vasemmalla sivulla sijaitsevasta tarkistusikkunasta voidaan tarkistaa, onko polttoainesäiliössä polttoainetta (Kuva 6).

Leikkuukorkeusvivun avulla leikkuupöytää voidaan laskea ja nostaa istualtaan. Vivun siirtäminen ylös (itseä kohti) nostaa leikkuupöydän maasta ja vivun siirtäminen alas (poispäin) laskee leikkuupöydän maahan. Säädä leikkuukorkeutta vain koneen ollessa paikallaan (Kuva 30).
Ominaisuuksia ja rakennetta voidaan muuttaa ilmoittamatta.
| Leikkuuleveys | 107 cm |
| Leveys suuntaimen ollessa ala-asennossa | 135 cm |
| Leveys suuntaimen ollessa yläasennossa | 123 cm |
| Pituus | 185 cm |
| Korkeus | 112 cm |
| Paino (74679) | 308 kg |
| Paino (74677) | 336 kg |
Koneeseen on saatavana valikoima Toron hyväksymiä lisälaitteita ja -varusteita, joiden avulla voidaan parantaa ja laajentaa sen ominaisuuksia. Ota yhteys valtuutettuun huoltoliikkeeseen tai valtuutettuun Toro-jälleenmyyjään tai siirry osoitteeseen www.Toro.com, jossa on luettelo hyväksytyistä lisälaitteista ja -varusteista.
Käytä vain aitoja Toro-varaosia ja -lisävarusteita, jotta kone toimisi parhaalla mahdollisella tavalla ja sen turvasertifiointi pysyisi voimassa. Muiden valmistajien varaosat ja lisävarusteet voivat osoittautua vaarallisiksi, ja niiden käyttö voi johtaa tuotteen takuun raukeamiseen.
Note: Koneen vasen ja oikea puoli määritellään normaalista käyttöasennosta käsin.
Älä anna lasten tai kouluttamattomien henkilöiden käyttää tai huoltaa konetta. Paikalliset säännökset saattavat asettaa rajoituksia käyttäjän iälle. Omistaja vastaa käyttäjien ja mekaanikkojen koulutuksesta.
Tarkasta koneen käyttöalue ja poista siltä kaikki esineet, jotka voivat haitata koneen käyttöä tai joita kone voi singota.
Tutustu laitteen turvallisen käytön ohjeisiin, ohjauslaitteisiin ja turvamerkintöihin.
Tarkista, että käyttäjän pitokytkimet, turvakytkimet ja suojukset ovat paikoillaan ja toimivat oikein. Älä käytä konetta, mikäli ne eivät toimi kunnolla.
Sammuta moottori, irrota virta-avain ja odota, että kaikki liikkuvat osat ovat pysähtyneet, ennen kuin poistut käyttäjän paikalta. Anna koneen jäähtyä ennen huoltoa, säätämistä, tankkausta, puhdistusta tai varastointia.
Tarkista ennen leikkaamista, että koneen leikkuukokoonpanot toimivat oikein.
Tutki maasto, jotta voit arvioida, mitä tarvikkeita sekä lisälaitteita ja -varusteita koneen turvallinen käyttö edellyttää.
Pukeudu asianmukaisesti. Käytä silmäsuojaimia, pitkiä housuja, tukevia liukastumisen estäviä kenkiä ja kuulosuojaimia. Sido pitkät hiukset. Älä käytä löysiä vaatteita tai riippuvia koruja.
Älä kuljeta koneessa matkustajia.
Pidä sivulliset ja lemmikit poissa koneen luota käytön aikana. Sammuta kone ja lisälaitteet, jos työskentelyalueelle tulee ihmisiä.
Älä aja koneella, elleivät kaikki suojukset ja turvalaitteet, kuten suuntaimet ja koko ruohonkerääjä, ole paikoillaan ja toimi oikein. Vaihda kuluneet tai vahingoittuneet osat tarvittaessa.
Polttoaine on hyvin tulenarkaa ja räjähdysherkkää. Polttoaineen aiheuttama tulipalo tai räjähdys voi aiheuttaa palovammoja ja omaisuusvahinkoja.
Siirrä kone alas kuljetusajoneuvosta tai perävaunusta ja tankkaa se maassa etäällä kaikista ajoneuvoista. Muutoin staattinen purkaus voi sytyttää polttoaineen. Jos tämä ei ole mahdollista, aseta kannettava polttoaineastia maahan etäällä ajoneuvoista ja täytä se. Tankkaa kone sitten mieluummin polttoaineastiasta kuin polttoaineen jakelupistoolilla.
Täytä polttoainesäiliö ulkona avoimessa tilassa tasaisella alustalla, kun moottori on jäähtynyt. Pyyhi läikkynyt polttoaine pois.
Älä käsittele polttoainetta tupakoidessasi tai avotulen tai kipinöiden lähellä.
Älä irrota polttoainesäiliön korkkia tai lisää polttoainetta säiliöön moottorin ollessa käynnissä tai kuuma.
Jos polttoainetta läikkyy, älä yritä käynnistä moottoria. Vältä luomasta kipinälähteitä, ennen kuin polttoainehöyryt ovat hälvenneet.
Polttoainetta tulee säilyttää hyväksytyssä polttoaineastiassa, joka tulee pitää poissa lasten ulottuvilta.
Polttoaine on haitallista tai tappavaa nieltynä. Pitkäaikainen altistuminen höyryille voi aiheuttaa vakavan tapaturman ja sairauksia.
Vältä höyryjen hengittämistä.
Pidä kasvot ja kädet etäällä jakelupistoolista ja polttoainesäiliöstä.
Älä päästä polttoainetta silmiin tai iholle.
Älä säilytä konetta tai polttoainesäiliötä tilassa, jossa on avotuli, kipinöitä tai varmistusliekki (esimerkiksi vedenlämmitin tai muu vastaava laite).
Käytä laitetta vain, kun pakokaasujärjestelmä on kokonaisuudessaan paikallaan ja toimii oikein.
Pidä pistoolia polttoainesäiliön reunaa tai astian aukkoa vasten koko tankkaamisen ajan. Älä käytä polttoainepistoolin aukilukituskytkintä.
Jos polttoainetta on roiskunut vaatteille, vaihda vaatteet välittömästi.
Älä täytä polttoainesäiliötä liian täyteen. Aseta polttoainesäiliön korkki paikalleen ja kiristä se huolellisesti.
Vähennä tulipalon vaaraa poistamalla ruoho ja roskat leikkuuyksiköstä, äänenvaimentimesta, käyttöyksiköistä, ruohonkerääjästä ja moottoritilasta. Puhdista öljy- ja polttoaineroiskeet.
| Tyyppi | Lyijytön bensiini |
| Vähimmäisoktaaniluku | 87 (USA) tai 91 (tutkimusoktaani [RON]; Yhdysvaltojen ulkopuolella) |
| Etanoli | Enintään 10 % tilavuudesta |
| Metanoli | – |
| MTBE (metyylitertiääributyylieetteri) | Alle 15 % tilavuudesta |
| Öljy | Älä lisää polttoaineeseen |
Käytä vain puhdasta ja uutta, korkeintaan 30 päivää vanhaa polttoainetta, joka on peräisin luotettavalta toimittajalta.
Käytä koneessa polttoaineen stabilointi-/lisäainetta, jotta polttoaine säilyy pidempään, kun sitä käytetään stabilointiaineen valmistajan ohjeiden mukaisesti.
Important: Älä käytä metanolia tai etanolia sisältäviä lisäaineita.
Lisää uuteen polttoaineeseen stabilointi-/lisäainetta stabilointiaineen valmistajan ohjeiden mukaisella annostuksella.
Pysäköi kone tasaiselle alustalle.
Siirrä liikkeenohjausvivut ulospäin PYSäKöINTI-asentoon.
Sammuta moottori ja irrota virta-avain.
Puhdista polttoainesäiliön korkin ympäristö.
Täytä polttoainesäiliö täyttöaukon kaulan alaosaan asti (Kuva 7). Polttoainesäiliötä ei saa täyttää aivan täyteen.

Suorita kohdan osassa ”Ennen jokaista käyttökertaa tai päivittäin” mainitut toimet ennen koneen käynnistystä päivittäin.
Uusissa moottoreissa täyden voiman saavuttaminen kestää jonkin aikaa. Uuden ruohonleikkurin leikkuupöydissä ja vetojärjestelmissä on enemmän moottoria kuormittavaa kitkaa. Sisäänajo kestää 40–50 tuntia, kunnes uudet koneet saavuttavat täyden voiman ja parhaan suorituskyvyn.
Jos turvakytkimet ovat irronneet tai vaurioituneet, kone saattaa toimia odottamattomalla tavalla ja aiheuttaa henkilövahinkoja.
Älä kajoa turvakytkimiin.
Tarkista turvakytkimien toimivuus päivittäin ja vaihda mahdolliset vaurioituneet kytkimet ennen koneen käyttämistä.
Turvajärjestelmä huolehtii siitä, että moottori käynnistyy vain, kun:
teräkytkin (voimanulosotto) on vapautettu
Liikkeenohjausvivut ovat PYSäKöINTI-asennossa.
Lisäksi turvajärjestelmä sammuttaa moottorin, jos liikkeenohjausvivut eivät ole PYSäKöINTI-asennossa ja kuljettaja nousee istuimelta.
| Huoltoväli | Huoltotoimenpide |
|---|---|
| Aina ennen käyttöä tai päivittäin |
|
Tarkista turvajärjestelmän toimivuus aina ennen koneen käyttöä. Jos turvajärjestelmä ei toimi alla kuvatulla tavalla, se on välittömästi korjautettava valtuutetussa huoltoliikkeessä.
Istu istuimella, aseta liikkeenohjausvivut PYSäKöINTI-asentoon ja siirrä teräkytkin PääLLä-asentoon. Yritä käynnistää moottori. Moottori ei saa käynnistyä.
Istu istuimella ja siirrä teräkytkin POIS-asentoon. Siirrä jompikumpi liikkeenohjausvipu keskelle lukitsemattomaan asentoon. Yritä käynnistää moottori. Moottori ei saa käynnistyä. Toista toisella liikkeenohjausvivulla.
Istu istuimella, siirrä teräkytkin POIS-asentoon ja lukitse liikkeenohjausvivut PYSäKöINTI-asentoon. Käynnistä moottori. Kun moottori on käynnissä, kytke teräkytkin ja nouse hieman istuimelta, jolloin moottorin pitäisi sammua.
Istu istuimella, siirrä teräkytkin POIS-asentoon ja lukitse liikkeenohjausvivut PYSäKöINTI-asentoon. Käynnistä moottori. Kun moottori on käynnissä, siirrä liikkeenohjausvivut keskelle lukitsemattomaan asentoon ja nouse hieman istuimelta, jolloin moottorin tulee sammua.
Istuin siirtyy eteen- ja taaksepäin. Säädä istuin siten, että pystyt ohjaamaan konetta parhaiten ja asentosi on mahdollisimman mukava. (Kuva 8).

Liikkeenohjausvipuja voidaan säätää korkeammalle tai matalammalle omien tarpeiden mukaan (Kuva 9).

Liikkeenohjausvipuja voidaan säätää eteen- tai taaksepäin omien tarpeiden mukaan.
Löysää ylempää pulttia, joka kiinnittää ohjausvivun ohjausvarren akseliin.
Löysää alempaa pulttia juuri sen verran, että ohjausvipu kääntyy pitkittäissuunnassa.

Kiinnitä ohjausvipu uuteen asentoon kiristämällä molemmat pultit.
Säädä toinen ohjausvipu samalla tavalla.
Pysäköi kone vaakasuoralle alustalle, vapauta teräkytkin (voimanulosotto) ja siirrä liikkeenohjausvivut ulospäin PYSäKöINTI-asentoon.
Sammuta moottori, irrota avain ja odota, että kaikki liikkuvat osat ovat pysähtyneet, ennen kuin poistut käyttäjän paikalta.
Vapauta joustava salpa sen pidikkeestä poistolevyssä ja käännä poistolevyä oikealle (Kuva 11).

Irrota poistolevyn päällä oleva koukun muotoinen salpa saranatapista (Kuva 15).
Kohdista poistolevyn metallinen kieleke pois leikkuupöytään hitsatun kannattimen lovesta (Kuva 12).

Pysäköi kone vaakasuoralle alustalle, vapauta teräkytkin (voimanulosotto) ja siirrä liikkeenohjausvivut ulospäin PYSäKöINTI-asentoon.
Sammuta moottori, irrota avain ja odota, että kaikki liikkuvat osat ovat pysähtyneet, ennen kuin poistut käyttäjän paikalta.
Kohdista poistolevyn metallinen kieleke leikkuupöytään hitsatun kannattimen loveen (Kuva 13).

Käännä poistolevy taakse ja leikkuupöytää kohti niin, että poistolevy kohdistuu leikkuupöytään (Kuva 14).

Kytke poistolevyn päällä oleva koukun muotoinen salpa suuntainkokoonpanon saranatapin ympärille (Kuva 15).

Kiinnitä poistolevy leikkuupöytään kiinnittämällä poistolevyn joustava salpa leikkuupöydän pidikkeeseen (Kuva 11).
Tämän koneen mukana toimitettu leikkuupöytä ja leikkuuterät on suunniteltu optimaaliseen leikkuujätteen levitykseen ja sivulle poistoon.
Kun olet irrottanut kierrätyslevittimet, asenna irto-osien pussissa olevat kiinnikkeet tyhjiin reikiin. Tällä varmistetaan, että reikiä ei jää avoimiksi leikkuupöydän käytön aikana.
Koneessa olevien avoimien reikien kautta lentää roskia, mikä voi johtaa vakavaan loukkaantumiseen.
Älä koskaan käytä konetta ilman, että koneen kotelon kaikkiin reikiin on asennettu suojukset.
Asenna suojukset asennusaukkoihin, kun irrotat levittimen.
Pysäköi kone vaakasuoralle alustalle, vapauta teräkytkin ja siirrä liikkeenohjausvivut ulospäin PYSäKöINTI-asentoon.
Sammuta moottori, irrota avain ja odota, että kaikki liikkuvat osat ovat pysähtyneet, ennen kuin poistut käyttäjän paikalta.
Irrota leikkuupöytä. Katso kohta Leikkuupöydän irrotus.
Irrota levitin kuvan mukaisesti.

Asenna kiinnikkeet kuvan mukaisiin avoimiin reikiin käyttämällä irto-osien pussin kolmea uutta kuusiopulttia, yhtä nykyistä lukkopulttia ja neljää nykyistä lukkomutteria.
Note: Asenna kiinnikkeet niin, että mutterit ovat leikkuupöydän ulkopuolella.

Asenna leikkuupöytä. Katso kohta Leikkuupöydän asennus.
Omistaja ja käyttäjä voivat estää loukkaantumisia tai omaisuusvahinkoja aiheuttavat tapaturmat ja ovat siksi vastuussa niistä.
Koneen käyttö vaatii käyttäjän täyden huomion. Jos käyttäjän huomio keskittyy muualle, saattaa seurata henkilö- tai omaisuusvahinko.
Älä käytä konetta sairaana, väsyneenä tai alkoholin tai huumaavien aineiden vaikutuksen alaisena.
Terään koskeminen voi aiheuttaa vakavia henkilövahinkoja. Sammuta moottori, irrota avain ja odota, että kaikki liikkuvat osat ovat pysähtyneet, ennen kuin poistut käyttäjän paikalta. Kun käännät avaimen OFF-asentoon, moottorin pitää sammua ja terän pysähtyä. Jos näin ei tapahdu, lopeta laitteen käyttö välittömästi ja ota yhteys valtuutettuun huoltoliikkeeseen.
Käytä laitetta vain, kun näkyvyys on hyvä ja kun sääolosuhteet ovat hyvät. Älä käytä konetta ukonilman aikana.
Pidä kädet ja jalat etäällä leikkuuyksiköistä. Pysy etäällä heittoaukosta.
Älä leikkaa ruohoa, kun heittokanavan suuntain on ylhäällä, irti tai muuten epätavallisessa asennossa, ellei ruohonleikkuriin ole asennettu toimivaa ruohonkeräysjärjestelmää tai levityssarjaa.
Älä leikkaa ruohoa peruuttaen, ellei se ole ehdottoman välttämätöntä. Katso alas ja taakse aina ennen kuin konetta liikutetaan taaksepäin.
Ole erityisen varovainen lähestyessäsi kulmia, joissa on huono näkyvyys, pensaita, puita tai muita esteitä, jotka voivat haitata näkyvyyttä.
Pysäytä terät, jos et leikkaa ruohoa.
Jos laite törmää esteeseen tai alkaa täristä, sammuta moottori välittömästi, irrota virta-avain (jos varusteena) ja odota, kunnes kaikki liikkuvat osat ovat pysähtyneet, ja tarkista kone vasta sitten vaurioiden varalta. Suorita tarvittavat korjaukset ennen koneen käytön jatkamista.
Hidasta ja ole varovainen kääntyessäsi koneella ja ylittäessäsi teitä ja jalkakäytäviä. Anna muille aina etuajo-oikeus.
Tee seuraavat toimet ennen käyttäjän paikalta poistumista:
Pysäköi kone tasaiselle alustalle.
Vapauta voimanulosotto ja laske lisälaitteet alas.
Kytke seisontajarru.
Sammuta moottori ja irrota virta-avain.
Odota, kunnes kaikki liikkuvat osat ovat pysähtyneet.
Käytä moottoria vain tiloissa, joissa on hyvä ilmanvaihto. Pakokaasut sisältävät hiilimonoksidia, joka on hengenvaarallinen hengitettäessä.
Älä jätä käynnissä olevaa konetta ilman valvontaa.
Kiinnitä hinattava laite koneeseen ainoastaan sen kiinnityskohtaan.
Älä aja koneella, elleivät kaikki suojukset ja turvalaitteet, kuten suuntaimet ja koko ruohonkerääjä, ole paikoillaan ja toimi oikein. Vaihda kuluneet tai vahingoittuneet osat tarvittaessa.
Käytä vain Toron hyväksymiä lisälaitteita ja -varusteita.
Tämä kone tuottaa 85 dB(A):n ylittävän äänitason käyttäjän korvan korkeudella ja voi aiheuttaa kuulovamman pitkäaikaisessa käytössä.

Poista ruoho ja leikkuujäte leikkuuyksiköstä, käyttöpyöristä, äänenvaimentimesta ja moottorista tulipalon estämiseksi.
Käynnistä moottori vain silloin, kun jalkasi ovat kaukana teristä.
Ota huomioon ruohonleikkurin heittosuunta ja suuntaa leikkuujäte muista poispäin. Vältä leikkuujätteen linkoamista seinää tai muuta estettä kohti, sillä se voi kimmota takaisin sinua kohti.
Pysäytä terät, hidasta konetta ja noudata varovaisuutta, kun ylität muita pintoja kuin ruohoa tai kun kuljetat konetta työskentelyalueelle ja pois siltä.
Älä muuta moottorin kierrosnopeussäätimen nopeutta tai käytä moottoria ylikierroksilla.
Lapset ovat usein kiinnostuneita koneesta ja ruohon leikkaamisesta. Älä koskaan oleta, että lapset pysyvät siellä, missä näit heidät viimeksi.
Pidä lapset poissa koneen työskentelyalueelta ja aikuisen (muun kuin koneen käyttäjän) valvonnan alaisena.
Ole tarkkaavainen ja sammuta kone heti, jos lapsia tulee koneen työskentelyalueelle.
Ennen kuin peruutat koneella tai teet käännöstä, katso alas ja ympärillesi pienten lasten varalta.
Älä kuljeta lapsia koneessa edes silloin, kun terät eivät liiku. Lapset voivat pudota ja loukkaantua vakavasti tai estää koneen turvallisen käytön. Aiemmin koneen kyydissä olleet lapset saattavat tulla työskentelyalueelle varoittamatta ja jäädä liikkuvan tai peruuttavan koneen alle.
Rinteissä on huomattava koneen hallinnan menettämisen ja kaatumisen vaara. Tällaiset onnettomuudet voivat aiheuttaa vakavan tapaturman tai kuoleman. Käyttäjä on vastuussa turvallisesta käytöstä rinteissä. Koneen käyttö rinteissä edellyttää erityistä huolellisuutta. Suorita seuraavat toimenpiteet ennen koneen käyttöä rinteessä:
Lue ja sisäistä käyttöoppaassa ja koneessa olevat rinnekäytön ohjeet.
Määritä alueen likimääräinen rinnekulma kulman osoittimella.
Älä koskaan käytä konetta rinteissä, joiden kaltevuus on yli 15 astetta.
Arvioi leikkuupaikan olosuhteet ja määritä niiden perusteella, onko rinne turvallinen koneen käyttöön. Tee arviointi huolellisesti ja harkiten. Maaston muutokset, kuten kosteus, saattavat vaikuttaa nopeasti koneen toimintaan rinteessä.
Tunnista vaarat rinteen juurella. Älä käytä konetta pudotusten, ojien, vallien, vesiesteiden tai muiden vaarojen lähellä. Kone voi kaatua yllättäen, jos pyörä menee reunan yli tai jos reuna sortuu. Pidä kone turvallisen etäisyyden (kahden koneen leveyden) päässä vaara-alueista. Leikkaa tällaisten alueiden ruoho työnnettävällä koneella tai käsikäyttöisellä trimmerillä.
Vältä koneen käynnistämistä, pysäyttämistä tai kääntämistä rinteissä. Vältä nopeuden tai suunnan äkillistä muuttamista. Käänny hitaasti ja vähän kerrallaan.
Älä käytä konetta olosuhteissa, joissa pito, ohjaus tai vakaus ovat kyseenalaisia. Huomaa, että koneen käyttö märässä ruohossa, poikittain rinteissä tai alamäessä saattaa johtaa koneen pidon menettämiseen. Pidon menetys vetopyörissä saattaa aiheuttaa luisumisen ja jarrujen ja ohjauksen hallinnan menetyksen. Kone voi luisua, vaikka vetopyörät on pysäytetty.
Poista tai merkitse esteet, kuten ojat, kuopat, urat, töyssyt, kivet tai muut piilevät vaarat. Korkea ruoho voi peittää esteet. Maaston epätasaisuudet voivat kaataa koneen.
Ole erityisen varovainen käytettäessä lisävarusteita tai -laitteita, kuten ruohonkeräysjärjestelmiä. Ne voivat vaikuttaa koneen vakauteen ja aiheuttaa hallinnan menetyksen. Noudata vastapainojen ohjeita.
Jos mahdollista, pidä leikkuupöytä laskettuna alas rinteissä käytön aikana. Leikkuupöydän nostaminen rinteissä käytön aikana voi heikentää koneen vakautta.

Älä kiinnitä hinattavaa laitetta muualle koneeseen kuin vetokoukkuun.
Älä käytä konetta hinaukseen, ellei siihen ole asennettu vetokoukkua.
Älä ylitä hinattavien laitteiden painoa ja rinteissä vetämistä koskevia suosituksia. Hinauspaino ei saa olla suurempi kuin koneen ja käyttäjän yhteispaino.
Älä koskaan päästä lapsia tai muita henkilöitä hinattavan laitteen lähelle.
Rinteissä hinattavan laitteen paino voi johtaa pidon menetykseen, kaatumisriskin kasvuun ja ajoneuvon hallinnan menetykseen. Vähennä hinattavan laitteen painoa ja hidasta vauhtia.
Pysäytysmatka voi kasvaa hinatun kuorman painon kasvaessa. Aja hitaasti ja varaa pysähtymiseen lisää etäisyyttä.
Tee leveitä käännöksiä, jotta lisälaite ei koskettaisi konetta.
Teräkytkin (voimanulosotto) käynnistää ja pysäyttää leikkuuterät ja voimanulosottoa käyttävät lisälaitteet.

Kaasuvipua voidaan siirtää NOPEA- ja HIDAS-asentojen välillä (Kuva 23).
Käytä aina NOPEA-asentoa, kun kytket voimanulosoton.

Käynnistä kylmä moottori rikastimella.
Note: Lämmin tai kuuma moottori ei välttämättä tarvitse rikastusta.
Important: Älä käytä käynnistintä kerralla yli 5 sekunnin ajan. Käynnistysmoottorin käyttö yli 5 sekunnin ajan voi vaurioittaa käynnistysmoottoria. Jos moottori ei käynnisty, odota 10 sekunnin ajan ennen käynnistysmoottorin käyttöä uudelleen.

Vapauta terät siirtämällä teräkytkin POIS-asentoon.
Siirrä liikkeenohjausvivut ulospäin PYSäKöINTI-asentoon.
Siirrä kaasuvipu HIDAS-asentoon ja anna moottorin käydä joutokäyntiä yhden minuutin ajan.
Käännä avain PYSäYTYS-asentoon ja irrota avain.
Lapset ja sivulliset voivat loukkaantua, jos he siirtävät tai yrittävät käyttää konetta sen ollessa ilman valvontaa.
Irrota aina avain ja kytke seisontajarru, kun jätät koneen ilman valvontaa.

Vetopyörät pyörivät itsenäisesti akselien hydraulimoottorien voimasta. Toinen puoli voi pyöriä taaksepäin toisen puolen pyöriessä eteenpäin, jolloin kone pyörii paikallaan kääntymisen sijaan. Tämä parantaa huomattavasti koneen ohjattavuutta, mutta saattaa vaatia jonkin verran totuttelua.
Kaasuvivulla säädetään moottorin pyörintänopeutta (1/min). Aseta kaasuvipu NOPEA-asentoon, jolloin suorituskyky on parhaimmillaan. Leikkaa aina täydellä kaasulla.
Kone voi pyöriä paikallaan hyvin nopeasti. Käyttäjä voi menettää koneen hallinnan, mikä voi johtaa henkilö- tai omaisuusvahinkoihin.
Ole varovainen kääntyessäsi.
Hidasta konetta ennen jyrkkiä käännöksiä.
Note: Ole varovainen kääntyessäsi.
Siirrä liikkeenohjausvivut keskelle, lukitsemattomaan asentoon.
Kun haluat ajaa eteenpäin, työnnä liikkeenohjausvipuja hitaasti eteenpäin (Kuva 27).

Note: Noudata varovaisuutta peruutettaessa ja käännyttäessä.
Siirrä liikkeenohjausvivut keskelle, lukitsemattomaan asentoon.
Kun haluat ajaa taaksepäin, vedä liikkeenohjausvipuja hitaasti taaksepäin (Kuva 28).

Smart SpeedTM -ohjausjärjestelmän vipu sijaitsee kuljettajan istuimen alapuolella (Kuva 29). Sen avulla kuljettaja voi valita jonkin kolmesta ajonopeusalueesta: viimeistely, hinaus tai leikkaus.

Nopeutta vaihdetaan seuraavasti:
Siirrä liikkeenohjausvivut Vapaa-asentoon ja ulospäin PYSäKöINTI-asentoon.
Vapauta teräkytkin.
Säädä vipu haluamaasi asentoon.
Seuraavat ovat vain suosituksia. Säädöt vaihtelevat ruohotyypin, ruohon sisältämän kosteuden sekä ruohon korkeuden mukaan.
| Suositeltu käyttö: | Reunus | Hinaus | Leikkuu |
| Pysäköinti | X | ||
| Märkä, painava ruoho | X | ||
| Koulutus | X | ||
| Ruohon trimmaus | X | ||
| Ruohon keräys | X | ||
| Levitys | X | ||
| Hinausliitännät | X | ||
| Tavallinen leikkuu | X | ||
| Laitteen siirtäminen | X |
Reunus
Tämä on pienin nopeus. Tätä nopeutta suositellaan seuraaviin:
Pysäköinti
Märän, painavan ruohon leikkuu
Koulutus
Ruohon trimmaus
Hinaus
Tämä on keskinopeus. Tätä nopeutta suositellaan seuraaviin:
Ruohon keräys
Levitys
Hinausliitännät
Leikkuu
Tämä on suurin nopeus. Tätä nopeutta suositellaan seuraaviin:
Tavallinen leikkuu
Laitteen siirtäminen
Leikkurissa on kääntyvä suuntain, joka levittää leikkuujätteen sivulle ja alas nurmeen päin.
Ellei suuntainta, poistolevyä tai ruohonkerääjää ole asennettu, liikkuvat terät ja ilmaan sinkoutuvat roskat saattavat vahingoittaa käyttäjää tai sivullisia. Teräkosketus tai ulossinkoutuva jäte voi aiheuttaa loukkaantumisen tai kuoleman.
Älä koskaan irrota suuntainta leikkuupöydästä, sillä se ohjaa materiaalin nurmea kohti. Jos suuntain vaurioituu, vaihda se heti.
Älä koskaan pane käsiä tai jalkoja leikkurin leikkuupöydän alle.
Kytke voimanulosotto (teräkytkin, voimanulosotto) POIS-asentoon, käännä avain PYSäYTYS-asentoon ja irrota avain aina ennen poistoalueen tai leikkuuterien puhdistusta.
Varmista, että suuntain on ala-asennossa.
Kun säädät leikkuukorkeutta, säädä samalla nurmisuojarullien korkeus.
Note: Säädä nurmisuojarullia siten, että ne eivät kosketa maata normaaleilla tasaisilla leikkuualueilla.
Pysäköi kone vaakasuoralle alustalle, vapauta teräkytkin ja siirrä liikkeenohjausvivut ulospäin PYSäKöINTI-asentoon.
Sammuta moottori, irrota avain ja odota, että kaikki liikkuvat osat ovat pysähtyneet, ennen kuin poistut käyttäjän paikalta.
Säädä nurmisuojarullat johonkin seuraavista asennoista:
Ylempi reikä: käytä tätä asentoa, kun leikkuupöydän leikkuukorkeusasennoksi on asetettu 63 mm tai sitä matalampi asento (Kuva 31).
Alempi reikä: käytä tätä asentoa, kun leikkuupöydän leikkuukorkeusasennoksi on asetettu 76 mm tai sitä korkeampi asento (Kuva 31).

Leikkuujälki ja ilmanvaihto ovat parhaimmillaan, kun moottoria käytetään NOPEA-asetuksella. Ilmaa tarvitaan, jotta ruoho saataisiin leikattua huolellisesti. Älä siis säädä leikkuukorkeutta niin alas, että leikkaamaton ruoho ympäröi leikkuupöydän kokonaan. Huolehdi, että leikkuupöydän toinen sivu on leikatun nurmen päällä, jolloin leikkuupöytään pääsee ilmaa.
Varmista, ettei leikkuupöytä leikkaa nurmen mahdollisia epätasaisia kohtia paljaaksi, leikkaamalla ruoho hieman tavallista pidemmäksi. Aikaisemmin käytetty leikkuukorkeus on kuitenkin yleensä sopivin. Kun leikattava ruoho on yli 15 cm:n pituista, hyvä leikkuujälki voidaan varmistaa leikkaamalla se kaksi kertaa.
Ruohonkorren pituudesta kannattaa leikata vain noin kolmasosa. Suuremman määrän leikkaamista ei suositella, ellei ruoho ole harvaa tai ole myöhäinen syksy, jolloin ruoho kasvaa hitaammin.
Vaihtele leikkuusuuntaa, jotta ruoho pysyy pystyssä. Tämä helpottaa myös leikkuujätteen levittämistä, joka puolestaan edistää maatumista ja lannoitusta.
Ruoho kasvaa eri nopeudella eri vuodenaikoina. Leikkuukorkeus voidaan pitää samana leikkaamalla ruoho useammin keväällä. Vähennä leikkuukertoja keskikesällä, jolloin ruohon kasvu hidastuu. Jos ruohoa ei jostain syystä voida leikata pitkähköön aikaan, käytä ensin korkeaa leikkuukorkeutta. Leikkaa ruoho sitten uudelleen parin päivän kuluttua alemmalla korkeusasetuksella.
Tietyissä olosuhteissa leikkuu hitaalla ajonopeudella voi parantaa leikkuujälkeä.
Suurenna leikkuukorkeutta epätasaista nurmea leikattaessa, jotta nurmi ei leikkaudu paljaaksi.
Jos koneen liike eteenpäin on pysäytettävä kesken leikkuun, nurmikolle saattaa pudota kasa leikkuujätettä. Jotta näin ei kävisi, siirry aiemmin leikatulle alueelle terät kytkettyinä tai vapauta leikkuupöytä eteenpäin ajaessasi.
Poista leikkuujätteet ja lika leikkuupöydän alapuolelta aina käytön jälkeen. Jos leikkuupöydän sisälle kertyy ruohoa ja likaa, leikkuujäljestä tulee ennen pitkää epätyydyttävä.
Pidä terä terävänä koko leikkuukauden ajan. Terävä terä leikkaa ruohon siistimmin ruohonkorsia repimättä. Repeytymien vuoksi ruohon reunat muuttuvat ruskeiksi, mikä heikentää kasvua ja altistaa kasvisairauksille. Tarkista aina käytön jälkeen, että leikkuuterät ovat terävät ja että ne eivät ole kuluneet tai vaurioituneet. Viilaa mahdolliset lovet pois ja teroita terät tarpeen mukaan. Jos terä on vaurioitunut tai kulunut, vaihda se aitoon Toro-vaihtoterään. Katso Leikkuuterien huolto.
Sammuta moottori, irrota virta-avain ja odota, että kaikki liikkuvat osat ovat pysähtyneet, ennen kuin poistut käyttäjän paikalta. Anna koneen jäähtyä ennen huoltoa, säätämistä, tankkausta, puhdistusta tai varastointia.
Vähennä tulipalon vaaraa poistamalla ruoho ja roskat leikkuuyksiköstä, äänenvaimentimesta, käyttöyksiköistä, ruohonkerääjästä ja moottoritilasta. Puhdista öljy- ja polttoaineroiskeet.
Irrota avain ennen koneen varastointia tai kuljetusta.
| Huoltoväli | Huoltotoimenpide |
|---|---|
| Jokaisen käytön jälkeen |
|
Important: Kone voidaan pestä miedolla pesuaineella ja vedellä. Älä pese konetta painepesurilla. Älä käytä vettä ylen määrin, älä etenkään ohjauspaneelin lähellä, istuimen alla tai moottorin ja hydraulipumppujen läheisyydessä.
Pysäköi kone vaakasuoralle alustalle, vapauta teräkytkin ja siirrä liikkeenohjausvivut ulospäin PYSäKöINTI-asentoon.
Sammuta moottori ja odota, että kaikki liikkuvat osat ovat pysähtyneet, ennen kuin poistut käyttäjän paikalta.
Poista ruoho ja jäte leikkuuyksiköstä, äänenvaimentimesta, käyttöyksiköistä, ruohonkerääjästä ja moottorista. Käytä paineilmaa, kun mahdollista.
Note: Katso kohdasta Leikkuupöydän alapuolen pesu lisätietoja leikkuupöydän pesuliitännän käytöstä.
Pysäköi kone vaakasuoralle alustalle, vapauta teräkytkin ja siirrä liikkeenohjausvivut ulospäin PYSäKöINTI-asentoon.
Sammuta moottori ja odota, että kaikki liikkuvat osat ovat pysähtyneet, ennen kuin poistut käyttäjän paikalta.
Paikanna ohitusvivut rungossa moottorin molemmilla puolilla.
Siirrä molempia ohitusvipuja eteenpäin aukon läpi ja lukitse ne paikoilleen painamalla alas (Kuva 32).
Kosketus kuumiin osiin voi aiheuttaa tapaturman.
Pidä kädet, jalat, kasvot, vaatteet ja muut kehonosat etäällä moottorista, äänenvaimentimesta ja muista kuumista pinnoista.
Kun ohitusvivut on lukittu uraan eteenpäin, kone saattaa vahingossa liikkua ja vahingoittaa sinua tai sivullisia.
Lukitse koneen siirtämisen jälkeen ohitusvivut taaksepäin.

Vapauta seisontajarru siirtämällä molemmat liikkeenohjausvivut lukitsemattomaan keskiasentoon.
Note: Älä käynnistä konetta.
Siirrä konetta tarpeen mukaan.
Important: Työnnä konetta aina käsin Älä hinaa konetta, sillä hinaus saattaa vahingoittaa sitä.
Siirrä liikkeenohjausvivut ulospäin PYSäKöINTI-asentoon.
Siirrä molempia ohitusvipuja taaksepäin ja alas aukon läpi, jotta ne lukittuvat paikoilleen.
Käytä koneen kuljetukseen raskaaseen käyttöön tarkoitettua perävaunua tai kuorma-autoa. Käytä täysleveää ramppia. Varmista, että perävaunussa tai kuljetusajoneuvossa on kaikki lain vaatimat jarrut, valot ja merkinnät. Lue huolellisesti kaikki turvaohjeet. Nämä tiedot auttavat suojaamaan sinua ja sivullisia loukkaantumiselta. Noudata perävaunujen käyttöä ja kiinnitysvaatimuksia koskevia paikallisia määräyksiä.
Kaduilla ja teillä ajaminen ilman suuntavilkkuja, valoja, heijastavia merkintöjä tai hitaan ajoneuvon merkkiä on vaarallista ja saattaa aiheuttaa henkilövahinkoihin johtavan onnettomuuden.
Älä aja koneella julkisella tiellä tai kadulla.
Koneen lastaaminen perävaunuun tai kuorma-autoon lisää kaatumisen mahdollisuutta, mikä voi aiheuttaa vakavan loukkaantumisen tai kuoleman (Kuva 33).
Käytä vain täysleveää ramppia. Älä käytä erillisiä ramppeja koneen molemmilla puolilla.
Rampin ja maan tai rampin ja perävaunun tai kuorma-auton välinen kulma ei saa olla yli 15 astetta.
Varmista, että rampin pituus on vähintään neljä kertaa pidempi kuin perävaunun tai kuorma-auton lavan korkeus maahan. Näin varmistetaan, että rampin kulma tasaiseen maahan ei ylitä 15:ta astetta.

Koneen lastaaminen perävaunuun tai kuorma-autoon lisää kaatumisen mahdollisuutta, mikä voi aiheuttaa vakavan loukkaantumisen tai kuoleman.
Ole erittäin varovainen käyttäessäsi konetta rampilla.
Peruuta kone ylös ramppia ja aja eteenpäin alas ramppia.
Vältä äkillistä kiihdytystä tai hidastusta konetta rampilla ajettaessa, sillä tämä voi aiheuttaa hallinnan menetyksen tai kaatumisen.
Jos käytät perävaunua, kiinnitä se vetoajoneuvoon ja käytä turvaketjuja.
Kytke tarvittaessa perävaunun jarrut ja valot.
Laske ramppi ja varmista, että rampin ja maan välinen kulma ei ylitä 15:tä astetta (Kuva 33).
Aja ramppia ylös peruuttamalla (Kuva 34).

Sammuta moottori, irrota virta-avain ja siirrä liikkeenohjausvivut ulospäin PYSäKöINTI-asentoon.
Kiinnitä kone etukääntöpyörien ja takarungon läheltä hihnoilla, ketjuilla, kaapelilla tai köysillä (Kuva 35). Noudata kiinnitysvaatimuksia koskevia paikallisia määräyksiä.
Note: Ohjaa hihnat alas ja koneesta poispäin.

Note: Koneen vasen ja oikea puoli määritellään normaalista käyttöasennosta käsin.
Jos jätät avaimen virtalukkoon, joku voi vahingossa käynnistää moottorin ja vahingoittaa vakavasti lähellä olijoita. Irrota avain virtalukosta ennen huoltoa.
Suorita seuraavat toimenpiteet ennen käyttäjän paikalta poistumista:
Pysäköi kone tasaiselle alustalle.
Vapauta käytöt.
Kytke seisontajarru.
Sammuta moottori ja irrota virta-avain.
Anna koneen osien jäähtyä ennen huollon suorittamista.
Älä anna tehtävään kouluttamattomien henkilöiden huoltaa konetta.
Pidä kädet ja jalat etäällä liikkuvista osista ja kuumista pinnoista. Älä tee säätöjä moottorin ollessa käynnissä, jos mahdollista.
Vapauta paine varovasti osista, joihin on varastoitunut energiaa.
Tarkista seisontajarrun toiminta säännöllisesti. Säädä ja huolla sitä tarvittaessa.
Älä koskaan peukaloi turvalaitteita. Tarkista säännöllisesti, että ne toimivat asianmukaisesti.
Estä tulipalon vaara poistamalla ruoho ja jäte leikkuuyksiköstä, äänenvaimentimesta, käyttöyksiköistä, ruohonkerääjästä ja moottoritilasta.
Puhdista pois öljy- ja polttoaineroiskeet ja polttoaineesta kastuneet roskat.
Älä tue konetta hydraulisen tai mekaanisen tunkin varaan. Kun kone nostetaan, tue se alustapukeilla.
Pidä kaikki osat hyvässä kunnossa ja kaikki kiinnitysosat tiukalla, erityisesti terien kiinnikkeet. Vaihda kaikki kuluneet tai vaurioituneet tarrat.
Ennen koneen korjausta irrota kaapeli akun miinusnavasta.
Optimaalinen suorituskyky varmistetaan käyttämällä vain aitoja Toro-varaosia ja -lisävarusteita. Muiden valmistajien varaosat ja lisävarusteet voivat osoittautua vaarallisiksi, ja niiden käyttö voi johtaa tuotteen takuun raukeamiseen.
| Huoltoväli | Huoltotoimenpide |
|---|---|
| Aina ennen käyttöä tai päivittäin |
|
| Jokaisen käytön jälkeen |
|
| 25 käyttötunnin välein |
|
| 100 käyttötunnin välein tai kerran vuodessa sen mukaan, kumpi saavutetaan ensin |
|
| Ennen varastointia |
|
| Vuosittain |
|
Important: Lisää huoltotoimenpiteitä on moottorin käyttöoppaassa.
Jos jätät avaimen virtalukkoon, joku voi vahingossa käynnistää moottorin ja vahingoittaa vakavasti lähellä olijoita.
Sammuta moottori ja irrota virta-avain virtalukosta ennen kaikkia huoltotoimia.
Löysää verhon kaksi alapulttia, jotta pääset käsiksi leikkuupöydän yläosaan (Kuva 36).

Note: Kiinnitä verho huollon jälkeen kiristämällä pultit.
Tue kone pukeilla, kun nostat sitä.
Koneen tukeminen alemman äänenvaimentimen suojalevyn (Kuva 37) varaan voi vaurioittaa suojalevyä ja saada koneen putoamaan, mikä voi aiheuttaa vammoja käyttäjälle tai sivullisille.
Konetta ei saa nostaa äänenvaimentimen suojalevystä tai tukea sen varaan.

| Huoltoväli | Huoltotoimenpide |
|---|---|
| 25 käyttötunnin välein |
|
Rasvatyyppi: litiumpohjainen yleisrasva nro 2
Pysäköi kone vaakasuoralle alustalle, vapauta teräkytkin ja siirrä liikkeenohjausvivut ulospäin PYSäKöINTI-asentoon.
Sammuta moottori, irrota avain ja odota, että kaikki liikkuvat osat ovat pysähtyneet, ennen kuin poistut käyttäjän paikalta.
Puhdista rasvanipat (Kuva 38) rievulla.
Note: Raaputa rasvanippoihin mahdollisesti roiskunut maali pois.

Liitä voitelupistooli kuhunkin nippaan (Kuva 38).
Pumppaa rasvaa nippoihin, kunnes rasvaa alkaa tihkua laakereista.
Pyyhi pois liika rasva.
Pidä kädet, jalat, kasvot ja muut kehonosat sekä vaatteet etäällä äänenvaimentimesta ja muista kuumista pinnoista. Anna moottorin osien jäähtyä ennen huollon suorittamista.
Älä muuta moottorin kierrosnopeussäätimen nopeutta tai käytä moottoria ylikierroksilla.
| Huoltoväli | Huoltotoimenpide |
|---|---|
| 25 käyttötunnin välein |
|
| Vuosittain |
|
Note: Huolla ilmanpuhdistin useammin (muutaman tunnin välein), jos käyttöolosuhteet ovat erittäin pölyiset tai hiekkaiset.
Pysäköi kone vaakasuoralle alustalle, vapauta teräkytkin ja siirrä liikkeenohjausvivut ulospäin PYSäKöINTI-asentoon.
Sammuta moottori, irrota avain ja odota, että kaikki liikkuvat osat ovat pysähtyneet, ennen kuin poistut käyttäjän paikalta.
Puhdista ilmanpuhdistimen suojuksen ympäristö, jotta likaa ei pääse moottoriin aiheuttamaan vahinkoa.
Löysää kiinnikkeitä ja irrota suojus.

Poista ilmanpuhdistimen panokset.
Erottele vaahtomuovi- ja paperipanokset.

Pese vaahtomuovipanos nestesaippualla ja lämpimällä vedellä. Kun panos on puhdas, huuhtele se perusteellisesti.
Kuivaa panos puristamalla sitä puhtaaseen riepuun.
Important: Vaihda vaahtomuovipanos, jos se on repeytynyt tai kulunut.
Levitä vaahtomuovipanokseen kevyesti uutta moottoriöljyä ja purista ylimääräinen öljy pois.
| Huoltoväli | Huoltotoimenpide |
|---|
Puhdista paperipanos pölystä napauttamalla sitä kevyesti.
Note: Jos paperipanos on hyvin likainen, vaihda se uuteen.
Tarkista, ettei panos ole repeytynyt, ettei siinä ole öljykalvoa tai ettei kumitiiviste ole vaurioitunut.
Vaihda paperipanos, jos se on vaurioitunut.
Important: Älä puhdista paperisuodatinta.
Asenna esipuhdistimen vaahtomuovipanos paperipanoksen päälle.
Note: Varmista, ettet vaurioita panoksia.
Asenna ilmanpuhdistimen panokset ilmanpuhdistimen kantaan.
Asenna suojus ja kiristä kiinnikkeet (Kuva 39).
Öljylaatu: puhdistava öljy (myös synteettinen), API-huoltoluokitus SJ tai korkeampi
Kampikammion tilavuus: 1,9 l öljynsuodattimen kanssa; 1,8 l ilman öljynsuodatinta
Viskositeetti: Katso seuraava taulukko.

| Huoltoväli | Huoltotoimenpide |
|---|---|
| Aina ennen käyttöä tai päivittäin |
|
Note: Tarkista öljymäärä moottorin ollessa kylmä.
Important: Jos moottorin kampikammioon laitetaan liikaa tai liian vähän öljyä ja moottoria käytetään, moottori saattaa vaurioitua.
Pysäköi kone vaakasuoralle alustalle, vapauta teräkytkin ja siirrä liikkeenohjausvivut ulospäin PYSäKöINTI-asentoon.
Sammuta moottori, irrota avain ja odota, että kaikki liikkuvat osat ovat pysähtyneet, ennen kuin poistut käyttäjän paikalta.
Note: Varmista, että moottori on jäähtynyt, jotta öljy on ehtinyt valua öljypohjaan.
Puhdista öljyntäyttökorkin ja mittatikun ympäristö ennen korkin irrottamista, jotta moottoriin ei pääse likaa, leikkuujätteitä tai muita roskia (Kuva 42).

| Huoltoväli | Huoltotoimenpide |
|---|
Pysäköi kone tasaiselle alustalle, jotta kaikki öljy tyhjenee.
Vapauta teräkytkin ja siirrä liikkeenohjausvivut ulospäin PYSäKöINTI-asentoon.
Sammuta moottori, irrota avain ja odota, että kaikki liikkuvat osat ovat pysähtyneet, ennen kuin poistut käyttäjän paikalta.
Tyhjennä öljy moottorista (Kuva 43).

Vaihda moottorin öljynsuodatin (Kuva 44).
Note: Varmista, että öljynsuodattimen tiiviste koskettaa moottoria, ja käännä sitten suodatinta vielä ¾ kierrosta.

Kaada hitaasti noin 80 % määritetystä öljymäärästä täyttöputkeen ja lisää hitaasti siten, että sitä on Full-merkkiin asti (Kuva 45).

Toimita käytetty öljy jälleenkäsittelylaitoksen hävitettäväksi.
| Huoltoväli | Huoltotoimenpide |
|---|---|
| Vuosittain |
|
Varmista, että keski- ja sivuelektrodien kärkiväli on oikea, ennen kuin asennat sytytystulpan. Irrota ja asenna sytytystulppa käyttäen apuna sytytystulpan avainta. Tarkista ja säädä kärkiväliä kärkivälin työkalulla tai rakotulkilla. Asenna tarvittaessa uusi sytytystulppa.
Tyyppi: Champion® XC92YC
Kärkiväli: 0,76 mm
Pysäköi kone vaakasuoralle alustalle, vapauta teräkytkin ja siirrä liikkeenohjausvivut ulospäin PYSäKöINTI-asentoon.
Sammuta moottori, irrota avain ja odota, että kaikki liikkuvat osat ovat pysähtyneet, ennen kuin poistut käyttäjän paikalta. Anna moottorin jäähtyä.
Puhdista sytytystulpan ympäristö, jotta moottoriin ei pääse likaa tai roskia.
Irrota sytytystulppa (Kuva 46).

Important: Älä puhdista sytytystulppia. Sytytystulppa tulee vaihtaa aina, kun eriste on mustunut, kun elektrodit ovat kuluneet tai kun tulpassa on öljykalvo tai murtumia.
Jos näet eristeessä vaaleanruskeata tai harmaata, moottori toimii moitteettomasti. Jos eriste on mustunut, ilmanpuhdistin on yleensä likainen.
Säädä kärkiväliksi 0,76 mm.


| Huoltoväli | Huoltotoimenpide |
|---|---|
| Aina ennen käyttöä tai päivittäin |
|
Pysäköi kone vaakasuoralle alustalle, vapauta teräkytkin ja siirrä liikkeenohjausvivut ulospäin PYSäKöINTI-asentoon.
Sammuta moottori, irrota avain ja odota, että kaikki liikkuvat osat ovat pysähtyneet, ennen kuin poistut käyttäjän paikalta.
Irrota ilmansuodatin moottorista.
Irrota moottorin vaippa.
Estä roskien pääseminen ilmanottoon asentamalla ilmansuodatin suodattimen kantaan.
Puhdista osat roskista ja ruohosta.
Irrota ilmansuodatin ja asenna moottorin vaippa.
Asenna ilmansuodatin.
Tietyissä oloissa polttoaine on hyvin tulenarkaa ja räjähdysherkkää. Polttoaineen aiheuttama tulipalo tai räjähdys voi aiheuttaa palovammoja ja omaisuusvahinkoja.
Kohdassa Polttoaineturvallisuus on täydellinen luettelo polttoaineeseen liittyvistä varotoimenpiteistä.
| Huoltoväli | Huoltotoimenpide |
|---|---|
| Vuosittain |
|
Älä asenna likaista suodatinta sen jälkeen, kun se on irrotettu polttoaineputkesta.
Pysäköi kone vaakasuoralle alustalle, vapauta teräkytkin ja siirrä liikkeenohjausvivut ulospäin PYSäKöINTI-asentoon.
Sammuta moottori, irrota avain ja odota, että kaikki liikkuvat osat ovat pysähtyneet, ennen kuin poistut käyttäjän paikalta. Anna moottorin jäähtyä.
Vaihda suodatin (Kuva 49).
Note: Varmista, että uuden suodattimen virtaussuunnan nuoli osoittaa moottoria kohti.


Ennen koneen korjausta irrota kaapeli akun miinusnavasta.
Lataa akku avoimessa tilassa, jossa on hyvä ilmanvaihto, kaukana kipinöistä ja avotulesta. Irrota laturin virtajohto ennen kuin kytket laturin akkuun tai irrotat sen akusta. Käytä suojavaatetusta ja eristettyjä työkaluja.
Akun navat tai metallityökalut voivat aiheuttaa oikosulun koskettaessaan koneen metalliosia, mistä voi seurata kipinöitä. Kipinät voivat saada akun kaasut räjähtämään ja aiheuttaa siten henkilövahingon.
Kun irrotat tai asennat akun, älä anna akun napojen koskettaa koneen metalliosia.
Älä anna metallityökalujen aiheuttaa oikosulkua akun napojen ja koneen metalliosien välille.
Pysäköi kone vaakasuoralle alustalle, vapauta teräkytkin ja siirrä liikkeenohjausvivut ulospäin PYSäKöINTI-asentoon.
Sammuta moottori, irrota avain ja odota, että kaikki liikkuvat osat ovat pysähtyneet, ennen kuin poistut käyttäjän paikalta.
Nosta istuin, jotta pääset käsiksi akkuun.
Irrota miinusmaakaapeli (musta) akun navasta (Kuva 50).
Note: Säilytä kaikki kiinnikkeet.
Akun kaapeleiden virheellinen irrotus voi vahingoittaa konetta ja kaapeleita aiheuttaen kipinöitä. Kipinät voivat saada akun kaasut räjähtämään ja aiheuttaa siten henkilövahingon.
Irrota aina akun miinuskaapeli (musta) ennen pluskaapelin (punainen) irrottamista.
Kytke aina akun pluskaapeli (punainen) ennen miinuskaapelia (musta).
Vedä kumisuojus pois punaisesta pluskaapelista.
Irrota pluskaapeli (punainen) akun navasta (Kuva 50).
Note: Säilytä kaikki kiinnikkeet.
Irrota akun pidike (Kuva 50) ja nosta akku pois akkualustalta.

| Huoltoväli | Huoltotoimenpide |
|---|---|
| Ennen varastointia |
|
Irrota akku alustasta. Katso kohta Akun irrotus.
Lataa akkua 6–10 A:n virralla vähintään yhden tunnin ajan.
Note: Älä lataa akkua liikaa.
Kun akku on ladattu täyteen, irrota laturi sähköliitännästä. Irrota sitten laturin johtimet akun navoista (Kuva 51).

Aseta akku alustalle (Kuva 50).
Asenna pluskaapeli (punainen) akun plusnapaan (+) käyttämällä aiemmin irrotettuja kiinnikkeitä.
Asenna miinuskaapeli akun miinusnapaan (-) käyttämällä aiemmin irrotettuja kiinnikkeitä.
Vedä punainen suojus positiivisen (punaisen) akun navan päälle.
Kiinnitä akku pidikkeellä (Kuva 50).
Laske istuin alas.
Sähköjärjestelmä on suojattu sulakkeilla. Huoltoa ei tarvita. Jos sulake kuitenkin palaa, tarkista osa/virtapiiri toimintavian tai oikosulun varalta.
Sulaketyyppi:
Päävirta: F1 (25 A, pistotyyppinen)
Latauspiiri: F2 (15 A, pistotyyppinen)
Pysäköi kone vaakasuoralle alustalle, vapauta teräkytkin ja siirrä liikkeenohjausvivut ulospäin PYSäKöINTI-asentoon.
Sammuta moottori, irrota avain ja odota, että kaikki liikkuvat osat ovat pysähtyneet, ennen kuin poistut käyttäjän paikalta.
Nosta istuin, jotta pääset käsiksi sulakkeisiin.
Vaihda sulake vetämällä ensin vanha sulake irti (Kuva 52).

Laske istuin alas.
| Huoltoväli | Huoltotoimenpide |
|---|---|
| 25 käyttötunnin välein |
|
Pidä etu- ja takarenkaiden rengaspaine ohjeiden mukaisena. Epätasainen rengaspaine voi aiheuttaa epätasaisen leikkuujäljen. Tarkista paine venttiilin varresta (Kuva 53). Tarkista paine, kun renkaat ovat kylmät, jotta painelukema olisi mahdollisimman tarkka.
Täytä etukääntöpyörien renkaat paineeseen 2,06 bar tai paineeseen, joka on merkitty renkaan kylkeen (näistä alhaisempaan).
Täytä vetävien takapyörien renkaat paineeseen 0,9 bar.

Jos kone vetää jompaankumpaan suuntaan, kun sillä ajetaan eteenpäin täydellä vauhdilla tasaisella ja vaakasuoralla alustalla, ohjauskulmia on säädettävä.
Jos kone vetää vasemmalle, säädä oikeanpuoleista liikkeenohjausvipua, ja jos kone vetää oikealle, säädä vasemmanpuoleista liikkeenohjausvipua.
Note: Ohjauskulmia voi säätää vain eteenpäin ajamista varten.
Pysäköi kone vaakasuoralle alustalle, vapauta teräkytkin ja siirrä liikkeenohjausvivut ulospäin PYSäKöINTI-asentoon.
Sammuta moottori, irrota avain ja odota, että kaikki liikkuvat osat ovat pysähtyneet, ennen kuin poistut käyttäjän paikalta.
Paikanna ohjauskulman säätöpultti lähellä säädettävän puolen liikkeenohjausvipua (Kuva 54).
Note: Nosta istuin, jotta säätöpulttia on helpompi säätää.
Vähennä kyseisen pyörän nopeutta kiertämällä pulttia.
Note: Tee pieniä säätöjä kiertämällä pulttia vähän kerrallaan.

Käynnistä kone, aja eteenpäin tasaisella ja vaakasuoralla alustalla liikkeenohjausvivut etuasennossa ja tarkista, ohjautuuko kone suoraan. Toista tarvittaessa.
| Huoltoväli | Huoltotoimenpide |
|---|---|
| 25 käyttötunnin välein |
|
Vaihda hihna, jos se on kulunut. Kuluneen hihnan merkkejä ovat vinkuminen hihnan pyöriessä, luistavat terät ruohoa leikattaessa, rispaantuneet hihnan reunat, palojäljet ja murtumat hihnassa.
Kuluneen hihnan merkkejä ovat vinkuminen hihnan pyöriessä, luistavat terät ruohoa leikattaessa, rispaantuneet reunat, palojäljet ja murtumat. Vaihda leikkurin hihna, jos jokin näistä tiloista ilmenee.
Pysäköi kone vaakasuoralle alustalle, vapauta teräkytkin ja siirrä liikkeenohjausvivut ulospäin PYSäKöINTI-asentoon.
Sammuta moottori, irrota avain ja odota, että kaikki liikkuvat osat ovat pysähtyneet, ennen kuin poistut käyttäjän paikalta.
Aseta leikkuukorkeudeksi alin leikkuuasento: 38 mm.
Löysää 2 alinta pulttia, joilla leikkuupöydän verho on kiinnitetty leikkuupöytään. Katso kohta Leikkuupöydän verhon vapautus.
Irrota hihnapyörän suojukset.
Stanssatuissa leikkuupöydissä löysää ruuvit ja irrota hihnapyörän suojukset (Kuva 55).

Tehdasvalmisteisissa leikkuupöydissä löysää ruuvia ja irrota hihnapyörän suojukset painamalla suojuksessa olevaa salpaa (Kuva 56).

Stanssatuissa leikkuupöydissä löysää mutteria, joka kiinnittää välikappaleen kiristinpyörään (Kuva 57).

Vapauta kiristinpyörän jännitys irrottamalla kiristinpyörän jousi leikkuupöydän koukusta jousen irrotustyökalun avulla (Toro-osanro 92-5771). Irrota sitten hihna hihnapyöriltä (Kuva 58).
Asennettuna jousessa on jännitys, ja se saattaa aiheuttaa henkilövahinkoja.
Ole varovainen, kun irrotat hihnaa.

Asenna uusi hihna moottorin ja leikkurin hihnapyörien ympäri (Kuva 58).
Asenna kiristinpyörän jousi leikkuupöydän koukkuun jousen irrotustyökalun (Toro-osanro 92-5771) avulla, jolloin kiristinpyörä ja leikkurin hihna jännittyvät (Kuva 58).
Stanssatuissa leikkuupöydissä kiristä mutteri, joka kiinnittää välikappaleen kiristinpyörään.
Note: Aseta välikappale kiristinpyörän vartta vasten kuvan mukaisesti (Kuva 57).
Asenna hihnapyörän suojukset.
Kiristä kaksi alinta pulttia, joilla leikkuupöydän verho on kiinnitetty leikkuupöytään. Katso kohta Leikkuupöydän verhon vapautus.
Terät on tarkistettava säännöllisesti kulumisen ja vaurioiden varalta.
Ole varovainen, kun tarkastat teriä. Kiedo terien ympärille esimerkiksi kangas tai käytä käsineitä ja noudata varovaisuutta teriä huoltaessasi. Terät saa ainoastaan vaihtaa tai teroittaa. Niitä ei saa suoristaa eikä hitsata.
Ole varovainen käsitellessäsi moniteräisiä koneita, sillä yhden terän kääntäminen saattaa kääntää myös muita teriä.
Vaihda kuluneet tai vaurioituneet terät ja pultit sarjoissa, jotta tasapaino säilyisi.
Terät on pidettävä terävinä, jotta leikkausjälki pysyy ensiluokkaisena. Jotta terien teroitus ja vaihto kävisi vaivattomasti, on hyvä pitää vaihtoteriä saatavilla.
Pysäköi kone vaakasuoralle alustalle, vapauta teräkytkin ja siirrä liikkeenohjausvivut ulospäin PYSäKöINTI-asentoon.
Sammuta moottori, irrota virta-avain ja irrota sytytystulppien johdot sytytystulpista.
| Huoltoväli | Huoltotoimenpide |
|---|---|
| Aina ennen käyttöä tai päivittäin |
|
Tarkasta leikkuusärmät (Kuva 59).
Jos särmät eivät ole teräviä tai niissä on lovia, irrota terä ja teroita se. Katso Terien teroitus.
Tarkasta terät, etenkin kupera alue.
Jos havaitset vähäisiäkään murtumisen, kulumisen tai urautumisen merkkejä tällä alueella, asenna uusi terä välittömästi (Kuva 59).

Note: Koneen on oltava tasaisella alustalla seuraavaa toimenpidettä varten.
Nosta leikkuupöytä ylimpään leikkuukorkeusasentoon.
Käytä pehmustettuja paksuja suojakäsineitä tai muita soveltuvia käsisuojaimia. Käännä terä hitaasti asentoon, jossa etäisyys leikkuusärmästä tasaiseen alustaan voidaan mitata (Kuva 60).

Mittaa etäisyys terän kärjestä tasaiseen alustaan (Kuva 61).

Käännä samaa terää 180 astetta niin, että vastakkainen leikkuusärmä on samassa asennossa (Kuva 62).

Mittaa etäisyys terän kärjestä tasaiseen alustaan (Kuva 63).
Note: Ero saa olla enintään 3 mm.

Jos A:n ja B:n välinen ero on suurempi kuin 3 mm, vaihda terä uuteen. Katso kohdat Terien irrotus ja Terien asennus.
Note: Jos taipuneen terän tilalle vaihdetaan uusi ja mittaustulos on edelleen yli 3 mm, terän kara saattaa olla taipunut. Ota yhteys valtuutettuun huoltoliikkeeseen.
Jos ero on hyväksytyissä rajoissa, siirry seuraavaan terään.
Toista toimenpide kullekin terälle.
Vaihda terät, jos ne osuvat kiinteään esineeseen tai jos terä on epätasapainossa tai taipunut.
Tartu terän päähän liinan tai paksun hansikkaan avulla.
Irrota teräpultti, jousialuslaatta ja terä kara-akselista (Kuva 64).

Viilaa leikkuusärmä teräväksi terän molemmista päistä (Kuva 65).
Note: Säilytä alkuperäinen kulma.
Note: Terä säilyttää tasapainonsa, kun molemmista leikkuusärmistä poistetaan materiaalia yhtä paljon.

Tarkista terän tasapaino asettamalla se terän tasaimeen (Kuva 66).
Note: Jos terä pysyy vaaka-asennossa, se on tasapainossa ja sitä voidaan käyttää.
Note: Jos terä ei ole tasapainossa, viilaa sitä vähän vain siipialueelta (Kuva 65).

Toista, kunnes terä on tasapainossa.
Varmista, että leikkuupöytä on vaakasuorassa aina leikkuria asentaessasi tai jos nurmikon leikkuujälki ei ole tasainen.
Ennen tasausta on tarkistettava, ettei leikkuupöydässä ole taipuneita teriä, ja kaikki taipuneet terät on irrotettava ja vaihdettava. Katso kohta Leikkuuterien huolto ennen kuin jatkat.
Leikkuupöytä on tasattava sivusuunnassa ennen terän pituussuuntaisen kaltevuuden säätämistä.
Vaatimukset:
Koneen on oltava tasaisella alustalla.
Kaikkien renkaiden ilmanpaineen on oltava oikea. Katso kohta Rengaspaineen tarkistus.
Pysäköi kone vaakasuoralle alustalle, vapauta teräkytkin (voimanulosotto) ja siirrä liikkeenohjausvivut ulospäin PYSäKöINTI-asentoon.
Sammuta moottori, irrota avain ja odota, että kaikki liikkuvat osat ovat pysähtyneet, ennen kuin poistut käyttäjän paikalta.
Aseta leikkuukorkeudeksi 76 mm.
Pyöritä teriä varovasti puolelta toiselle.
Mittaa ulkoleikkuusärmien ja tasaisen alustan väliltä (Kuva 67).
Note: Jos molemmat mitat eivät ole 5 mm:n sisällä toisistaan, säätö on tarpeen. Katso kohta Sivusuuntainen tasaus.

Terän pituussuuntainen kaltevuus on tarkistettava aina ennen leikkurin asennusta. Jos leikkurin etupää on yli 7,9 mm alempana kuin leikkurin takapää, säädä terän kaltevuutta.
Pysäköi kone vaakasuoralle alustalle, vapauta teräkytkin (voimanulosotto) ja siirrä liikkeenohjausvivut ulospäin PYSäKöINTI-asentoon.
Sammuta moottori, irrota avain ja odota, että kaikki liikkuvat osat ovat pysähtyneet, ennen kuin poistut käyttäjän paikalta.
Aseta leikkuukorkeudeksi 76 mm.
Käännä teriä varovasti niin, että ne ovat pituussuuntaisesti (Kuva 68).
Mittaa etäisyys etuterän kärjestä tasaiseen alustaan ja takaterän kärjestä tasaiseen alustaan (Kuva 68).
Note: Jos etuterän kärki ei ole 1,6–7,9 mm alempana kuin takaterän kärki, siirry toimenpiteeseen Terän pituussuuntaisen kaltevuuden säätö.

Siirry koneen vasemmalle puolelle.
Aseta nurmisuojarullat ylimpiin reikiin tai poista ne kokonaan tämän toimenpiteen ajaksi. Katso Nurmisuojarullien säätö.
Aseta leikkuukorkeusvipu 76 mm:n asentoon. Katso Leikkuukorkeuden säätö.
Aseta kaksi 6,6 cm:n pölkkyä leikkuupöydän etureunan molempien puolien alle niin, että ne eivät ole nurmisuojarullan kannattimien alla (Kuva 69).
Aseta kaksi 7,3 cm:n pölkkyä leikkuupöydän helman takareunan alle, yksi leikkuupöydän molemmille puolille (Kuva 69).

Irrota sokka ja aluslaatta nostovarren alemmasta tapista (Kuva 70).

Käännä leikkuukorkeuslevy eri reikään niin, että se tukee leikkuupöydän painoa levyn asentamisen jälkeen (Kuva 71).

Asenna aluslaatta ja sokka (Kuva 71).
Toista vaiheet 6–8 koneen toisella puolella.
Tarkista sivusuuntainen tasaus uudelleen. Toista toimenpidettä, kunnes mitat ovat oikein.
Tasaa leikkuupöytä tarkistamalla terän kaltevuus pituussuunnassa. Katso Terän pituussuuntaisen kaltevuuden tarkistus.
Kierrä leikkurin etuosassa olevaa säätömutteria (Kuva 72).

Nosta leikkuupöydän etupäätä kiristämällä säätömutteria.
Laske leikkuupöydän etupäätä löysäämällä säätömutteria.
Tarkista pituussuuntainen kaltevuus uudelleen säädön jälkeen. Jatka mutterin säätämistä, kunnes etuterän kärki on 1,6–7,9 mm takaterän kärkeä alempana. Katso kohta Terän pituussuuntaisen kaltevuuden tarkistus.
Kun terän pituussuuntainen kaltevuus on kunnossa, tarkista leikkuupöydän sivusuuntainen tasaus uudelleen. Katso kohta Sivusuuntaisen tasauksen tarkistus.
Pysäköi kone vaakasuoralle alustalle, vapauta teräkytkin (voimanulosotto) ja siirrä liikkeenohjausvivut ulospäin PYSäKöINTI-asentoon.
Sammuta moottori, irrota avain ja odota, että kaikki liikkuvat osat ovat pysähtyneet, ennen kuin poistut käyttäjän paikalta.
Laske leikkuukorkeuden säätövipu alimpaan asentoon.
Löysää 2 alinta pulttia, joilla leikkuupöydän verho on kiinnitetty leikkuupöytään. Katso kohta Leikkuupöydän verhon vapautus.
Irrota sokka etutukitangosta ja irrota tanko leikkuupöydän kannattimesta (Kuva 73).

Laske leikkuupöydän etuosa varovasti maahan.
Irrota koneen yhdellä puolella aluslaatta ja sokka leikkuupöydän tapista (Kuva 74).

Irrota nostovarsi leikkuupöydän tapista (Kuva 74).
Toista vaiheet 7 ja 8 koneen toisella puolella.
Irrota leikkurin hihna moottorin hihnapyörästä liu’uttamalla leikkuupöytää taaksepäin.
Liu’uta leikkuupöytä pois koneen alta.
Note: Säilytä kaikki osat myöhempää käyttöä varten.
Pysäköi kone vaakasuoralle alustalle, vapauta teräkytkin (voimanulosotto) ja siirrä liikkeenohjausvivut ulospäin PYSäKöINTI-asentoon.
Sammuta moottori, irrota avain ja odota, että kaikki liikkuvat osat ovat pysähtyneet, ennen kuin poistut käyttäjän paikalta.
Liu'uta leikkuri koneen alle.
Laske leikkuukorkeuden säätövipu alimpaan asentoon.
Nosta koneen yhdellä puolella leikkuupöydän takaosaa ja asenna nostovarsi leikkuupöydän tappiin (Kuva 74).
Asenna nostovarsi, aluslaatta ja sokka (Kuva 74).
Toista vaiheet 5 ja 6 koneen toisella puolella.
Kiinnitä etutukitanko leikkuupöytään liitintapilla ja sokalla (Kuva 73).
Asenna leikkurin hihna moottorin hihnapyörään. Katso kohta Leikkurin hihnan vaihto.
Kiristä kaksi alinta pulttia, joilla leikkuupöydän verho on kiinnitetty leikkuupöytään. Katso kohta Leikkuupöydän verhon vapautus.
| Huoltoväli | Huoltotoimenpide |
|---|---|
| Aina ennen käyttöä tai päivittäin |
|
Jos heittoaukko ei ole peitossa, kone saattaa singota esineitä käyttäjän tai sivullisten suuntaan, mistä voi olla seurauksena vakava tapaturma. Seurauksena voi olla myös kosketus terään.
Älä koskaan käytä konetta ilman suuntainta, poistolevyä tai ruohonkeräysjärjestelmää.
Irrota mutteri (⅜ tuumaa) tangosta leikkurin alta (Kuva 75).

Liu’uta tanko ulos lyhyestä pidikkeestä, jousesta ja kääntökannattimesta (Kuva 75).
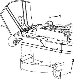
Irrota vaurioitunut tai kulunut suuntain ja levitin (jos käytössä).
Asenna uusi suuntain (Kuva 75).
Liu’uta tangon suora pää suuntaimen takakääntökannattimen ja levittimen (jos käytössä) läpi.
Aseta jousi päätylangat alaspäin tankoon ja suuntaimen kääntökannattimien väliin.
Liu’uta tanko suuntaimen toisen kääntökannattimen läpi (Kuva 75).
Työnnä tanko suuntaimen edessä leikkuupöydässä olevaan lyhyeen pidikkeeseen.
Kiinnitä tangon takaosa leikkuriin mutterilla (⅜ tuumaa) kuvan mukaisesti (Kuva 75).
Important: Suuntaimen on oltava jousikuormitettuna ala-asennossa. Nosta suuntain ylös ja tarkista, että se napsahtaa kokonaan alas.
| Huoltoväli | Huoltotoimenpide |
|---|---|
| Jokaisen käytön jälkeen |
|
Important: Kone voidaan pestä miedolla pesuaineella ja vedellä. Älä pese konetta painepesurilla. Älä käytä vettä ylen määrin, älä etenkään ohjauspaneelin lähellä, istuimen alla tai moottorin ja hydraulipumppujen läheisyydessä.
Pese leikkuupöydän alapuoli aina käytön jälkeen, jotta ruohoa ei pääse kertymään ja jotta leikkuujäte hajaantuu paremmin.
Pysäköi kone vaakasuoralle alustalle, vapauta teräkytkin (voimanulosotto) ja siirrä liikkeenohjausvivut ulospäin PYSäKöINTI-asentoon.
Sammuta moottori, irrota avain ja odota, että kaikki liikkuvat osat ovat pysähtyneet, ennen kuin poistut käyttäjän paikalta.
Kiinnitä letkuliitin leikkurin pesuliitännän päähän ja käännä vesi suurelle paineelle (Kuva 76).
Note: Levitä vaseliinia pesuliitännän O-renkaaseen, jotta liitin liukuu paremmin ja suojaa O-rengasta.

Laske leikkuri alimpaan leikkuukorkeuteen.
Istuudu istuimelle ja käynnistä moottori.
Kytke teräkytkin (voimanulosotto) ja anna leikkurin käydä 1–3 minuuttia.
Vapauta teräkytkin, sammuta moottori, irrota avain ja odota, että kaikki liikkuvat osat pysähtyvät.
Katkaise vedentulo ja irrota liitin pesuliitännästä.
Note: Jos leikkuri ei puhdistu yhdellä pesukerralla, liota sitä ja anna sen seistä 30 minuutin ajan. Toista sitten toimenpide.
Käytä leikkuria vielä 1–3 minuuttia, jotta vesi valuu pois.
Rikkoutunut tai puuttuva pesuliitäntä voi aiheuttaa esineiden ulossinkoutumista tai teräkosketuksen. Teräkosketus tai ulossinkoutuva jäte voi aiheuttaa loukkaantumisen tai kuoleman.
Vaihda rikkoutunut tai puuttuva pesuliitäntä välittömästi, ennen kuin käytät konetta uudelleen.
Käsiä tai jalkoja ei saa koskaan laittaa leikkurin alle tai koneen aukkojen läpi.
Moottoriöljy, akut, hydraulineste ja moottorin jäähdytysneste saastuttavat ympäristöä. Ne on hävitettävä kansallisten ja paikallisten määräysten mukaisesti.
Sammuta moottori, irrota avain ja odota, että kaikki liikkuvat osat ovat pysähtyneet, ennen kuin poistut kuljettajan paikalta. Anna koneen jäähtyä ennen säätöä, huoltoa, puhdistusta tai varastointia.
Älä säilytä konetta tai polttoainetta lähellä avotulta tai tyhjennä polttoainetta sisätiloissa tai suljetun perävaunun sisällä.
Älä säilytä konetta tai polttoainesäiliötä tilassa, jossa on avotuli, kipinöitä tai varmistusliekki (esimerkiksi vedenlämmitin tai muu vastaava laite).
Pysäköi kone vaakasuoralle alustalle, vapauta teräkytkin (voimanulosotto) ja siirrä liikkeenohjausvivut ulospäin PYSäKöINTI-asentoon.
Sammuta moottori, irrota avain ja odota, että kaikki liikkuvat osat ovat pysähtyneet, ennen kuin poistut käyttäjän paikalta.
Poista ruoho, lika ja rasva koneen kaikista ulkoisista osista, etenkin moottorista ja hydraulijärjestelmästä. Puhdista lika ja roskat moottorin sylinterinkannen rivoista ja tuulettimen kotelosta.
Important: Kone voidaan pestä miedolla pesuaineella ja vedellä. Älä pese konetta painepesurilla. Älä käytä vettä ylen määrin, älä etenkään kojetaulun, moottorin ja hydraulipumppujen läheisyydessä.
Tarkista seisontajarrujen toiminta. Katso Pysäköinti-asento.
Huolla ilmanpuhdistin. Katso kohta Ilmanpuhdistimen huolto.
Rasvaa kone. Katso kohta Voitelu.
Vaihda kampikammioöljy. Katso kohta Moottoriöljyn huolto.
Tarkista rengaspaine. Katso kohta Rengaspaineen tarkistus.
Lataa akku. Katso kohta Akun lataus.
Jos kone varastoidaan akku asennettuna, irrota (musta) miinuskaapeli akusta.
Kaavi ruoho ja lika leikkurin alta ja pese kone sitten vesiletkulla.
Note: Käytä konetta teräkytkin (voimanulosotto) kytkettynä ja korkeimmalla tyhjäkäyntinopeudella 2–5 minuutin ajan pesun jälkeen.
Tarkista terien kunto. Katso kohta Leikkuuterien huolto.
Valmistele kone yli 30 vuorokauden varastointia varten seuraavasti:
Lisää säiliön tuoreeseen polttoaineeseen polttoaineen stabilointi-/lisäainetta. Noudata polttoaineen stabilointiaineen valmistajan sekoitusohjeita. Älä käytä alkoholipohjaista stabilointiainetta (etanolia tai metanolia).
Käytä moottoria viiden minuutin ajan, jotta lisäainetta sisältävä polttoaine kiertää koko polttoainejärjestelmässä.
Sammuta moottori, anna sen jäähtyä ja tyhjennä polttoainesäiliö pumpputyyppisellä lapolla tai käytä moottoria, kunnes se sammuu.
Hävitä polttoaine asianmukaisesti. Kierrätä polttoaine paikallisten asetusten mukaisesti.
Important: Stabilointiainetta/-lisäainetta sisältävää polttoainetta ei saa säilyttää polttoaineen stabilointiaineen valmistajan suositusta kauempaa.
Irrota sytytystulpat ja tarkista niiden kunto. Katso kohta Sytytystulpan huolto. Kun sytytystulpat on irrotettu moottorista, kaada 30 ml (kaksi ruokalusikallista) moottoriöljyä sytytystulpan reikään. Kierrätä moottoria käynnistimellä, jotta öljy leviää sylinterin sisään. Asenna sytytystulppa tai -tulpat. Älä asenna sytytystulpan (-tulppien) johtoa.
Tarkista ja kiristä kaikki kiinnikkeet. Korjaa tai vaihda kaikki vaurioituneet osat.
Maalaa kaikki naarmuuntuneet tai paljaat metallipinnat. Maalia on saatavissa valtuutetusta huoltoliikkeestä.
Varastoi kone puhtaaseen, kuivaan autotalliin tai varastotilaan. Irrota avain avainkytkimestä ja säilytä se lasten ja muiden luvattomien käyttäjien ulottumattomissa. Peitä kone, jotta se pysyy suojassa ja puhtaana.
Lataa akku täyteen.
Anna akun olla 24 tuntia, tarkista sitten akun jännite.
Note: Jos akun jännite on alle 12,6 V, toista vaiheet 1 ja 2.
Irrota kaapelit akusta.
Tarkista jännite aika ajoin ja varmista, että jännite on 12,4 V tai enemmän.
Note: Jos akun jännite on alle 12,4 V, toista vaiheet 1 ja 2.
Jos akkua säilytetään koneen ulkopuolella, tee seuraavat toimet:
Säilytä akkua pystyasennossa viileässä, kuivassa paikassa.
Älä pinoa akkuja suoraan päällekkäin, elleivät ne ole pahvilaatikoissa.
Älä pinoa enempää kuin kolmea akkua (vain kahta, jos akkutyyppi on kaupallinen).
Testaa nesteakkua 4–6 kuukauden välein ja lataa se tarvittaessa.
Testaa ja lataa akku aina ennen asennusta.
| Problem | Possible Cause | Corrective Action |
|---|---|---|
| Polttoainesäiliössä näkyy merkkejä hajoamisesta tai polttoaine näyttää loppuvan usein koneesta. |
|
|
| Moottori ylikuumenee. |
|
|
| Käynnistin ei pyöritä. |
|
|
| Moottori ei käynnisty, käynnistyy huonosti tai ei pysy käynnissä. |
|
|
| Moottori menettää tehoaan. |
|
|
| Kone ei liiku. |
|
|
| Kone tärisee epänormaalisti. |
|
|
| Epätasainen leikkuukorkeus. |
|
|
| Terät eivät pyöri. |
|
|
