| Cadenza di manutenzione | Procedura di manutenzione |
|---|---|
| Prima di ogni utilizzo o quotidianamente |
|
Questo tosaerba per tappeti erbosi a lama rotante con operatore a bordo è inteso per l'utilizzo da parte di proprietari in applicazioni residenziali. È progettato principalmente per i taglio dell'erba in prati ben mantenuti. L'utilizzo di questo prodotto per scopi non conformi alle funzioni per cui è stato concepito può essere pericoloso per voi e gli astanti.
Leggete attentamente il presente manuale al fine di utilizzare e mantenere correttamente il prodotto ed evitare infortuni e danni. Siete responsabili dell'utilizzo del prodotto in maniera corretta e sicura.
Visitate il sito www.Toro.com per ricevere materiali di formazione sulla sicurezza e il funzionamento dei prodotti, avere informazioni sugli accessori, ottenere assistenza nella ricerca di un rivenditore o registrare il vostro prodotto.
Per assistenza, ricambi originali Toro o ulteriori informazioni, rivolgetevi a un Distributore Toro autorizzato o ad un Centro Assistenza Toro ed abbiate sempre a portata di mano il numero del modello ed il numero di serie del prodotto. La Figura 1 indica la posizione del numero del modello e del numero di serie sul prodotto. Scrivete i numeri negli spazi previsti.
Important: Con il vostro dispositivo mobile, potete scansionare il codice QR sull'adesivo del numero di serie (se in dotazione) per accedere a informazioni su garanzia, ricambi e altre informazioni sui prodotti.

Scrivete il numero del modello e il numero di serie nello spazio seguente:
Per evidenziare le informazioni vengono utilizzate due parole. Importante: indica informazioni meccaniche di particolare importanza; Nota: evidenzia informazioni generali di particolare rilevanza.
Il simbolo di avviso di sicurezza (Figura 2) compare sia in questo manuale sia sulla macchina per richiamare la vostra attenzione su importanti messaggi di sicurezza di cui dovrete seguire le indicazioni per evitare incidenti. Questo simbolo verrà accompagnato dalle parole Pericolo, Avvertenza o Attenzione.
Pericolo indica una situazione di pericolo imminente che, se non evitata, determina la morte o gravi infortuni.
Avvertenza indica una situazione di pericolo potenziale che, se non evitata, potrebbe determinare la morte o gravi infortuni.
Attenzione indica una situazione di pericolo potenziale che, se non evitata, potrebbe determinare la morte o lievi infortuni.

Questo prodotto è conforme a tutte le direttive europee pertinenti. Per informazioni dettagliate vedere la Dichiarazione di Conformità (DICO) specifica del prodotto, fornita a parte.
Forza lorda o netta: La forza lorda o netta di questo motore è stata valutata in laboratorio dal produttore del motore in conformità alla norma SAE (Society of Automotive Engineers) J1940 o J2723. La configurazione rispondente ai requisiti di sicurezza, emissioni e funzionamento comporta una sensibile riduzione della coppia effettiva del motore di questa classe di tosaerba. Fate riferimento alle informazioni fornite dal produttore del motore fornite insieme alla macchina.
Questo prodotto è in grado di amputare mani e piedi, e di scagliare oggetti. Rispettate sempre tutte le norme di sicurezza per evitare gravi infortuni personali o la morte.
Leggete e comprendete il contenuto di questo Manuale dell'operatore prima di avviare il motore.
Tenente gli astanti e i bambini a distanza.
Non lasciate che bambini o persone non addestrate utilizzino o effettuino interventi di manutenzione sulla macchina. Consentite l'utilizzo della macchina e l'esecuzione di interventi di manutenzione su di essa solo a persone responsabili, addestrate, che abbiano familiarità con le istruzioni e fisicamente capaci.
Non utilizzate la macchina in prossimità di scarpate, fossi, terrapieni o in presenza di acqua o altri pericoli, oppure su terreni con pendenza superiore a 15°.
Non infilate le mani o i piedi accanto alle parti in movimento della macchina.
Non utilizzate la macchina senza che tutti gli schermi, i microinterruttori e gli altri dispositivi di protezione siano in sede e funzionanti.
Spegnete il motore, rimuovete la chiave e attendete l’arresto di tutte le parti in movimento prima di lasciare la posizione dell’operatore. Lasciate raffreddare la macchina prima di eseguire interventi di riparazione, di regolazione, di rifornimento e di pulizia o di rimessarla.

![]() |
Gli adesivi di sicurezza e quelli con le istruzioni sono chiaramente visibili e sono affissi accanto a zone particolarmente pericolose. Sostituite eventuali adesivi danneggiati o mancanti. |






L’adesivo 138-6074 è stampato nel serbatoio del carburante.









Prima di avviare il motore e di utilizzare la macchina, familiarizzate con tutti i comandi.

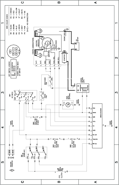
L’interruttore a chiave, utilizzato per avviare e spegnere il motore, ha 3 posizioni: OFF, RUN, e START (Figura 5).
L’acceleratore controlla il regime motore e vanta una regolazione continua variabile dalla posizione di MINIMA a quella di MASSIMA (Figura 5).
Usate il comando dello starter per avviare il motore a freddo (Figura 5).
Il comando delle lame, rappresentato dal simbolo della presa di forza (PDF), innesta e disinnesta l'alimentazione alle lame del tosaerba (Figura 5).
Utilizzate le leve di comando del movimento per fare marcia avanti, indietreggiare e girare la macchina nella direzione opportuna (Figura 4).
Spostate le leve di controllo del movimento verso l'esterno, nella posizione di PARCHEGGIO per inserire il freno di stazionamento quando arrestate la macchina o scendete dalla macchina.
La leva del sistema di controllo Smart Speed™, situata sotto la posizione operativa, vi offre la possibilità di guidare la macchina a 3 intervalli di velocità: taglio, traino e tosatura (Figura 29).
Potete utilizzare la finestra del carburante, situata sul lato sinistro della macchina, per verificare la presenza di carburante nel serbatoio (Figura 6).

Utilizzate la leva dell'altezza di taglio per abbassare e sollevare il piatto di taglio dalla posizione di seduta. Lo spostamento della leva verso l'alto (verso di voi) solleva il piatto da terra, mentre lo spostamento della leva verso il basso (lontano da voi) abbassa il piatto verso terra. Regolate l'altezza di taglio soltanto quando la macchina è ferma (Figura 30).
Specifiche e disegno sono soggetti a variazione senza preavviso.
| Larghezza di taglio | 107 cm |
| Larghezza con deflettore abbassato | 135 cm |
| Larghezza con deflettore sollevato | 123 cm |
| Lunghezza | 185 cm |
| Altezza | 112 cm |
| Peso (74679) | 308 kg |
| Peso (74677) | 336 kg |
Per ottimizzare e ampliare le applicazioni della macchina, è disponibile una gamma di attrezzi e accessori approvati da Toro per l'uso con la macchina. Richiedete la lista degli attrezzi ed accessori approvati ad un Centro Assistenza Toro o ad un Distributore autorizzati, oppure visitate www.Toro.com
Per garantire prestazioni ottimali e mantenere sempre la macchina in conformità alle norme di sicurezza, utilizzate esclusivamente ricambi e accessori originali Toro. Ricambi e accessori di altri produttori potrebbero risultare pericolosi e il loro impiego potrebbe far decadere la garanzia del prodotto.
Note: Stabilite i lati sinistro e destro della macchina rispetto alla normale posizione di guida.
Non lasciate che bambini o persone non addestrate utilizzino o effettuino interventi di manutenzione sulla macchina. Le normative locali possono imporre limiti all'età dell'operatore. Il proprietario è responsabile della formazione di tutti gli operatori e i meccanici.
Ispezionate l'area dove utilizzerete la macchina e rimuovete tutti gli oggetti che possono interferire con il funzionamento della macchina o che la macchina potrebbe scagliare.
Familiarizzate con il sicuro funzionamento dell'apparecchiatura, dei comandi dell'operatore e degli adesivi di sicurezza.
Verificate che i comandi di presenza dell'operatore, i microinterruttori e le protezioni siano fissati e funzionanti correttamente. Se non funzionano correttamente, non azionate la macchina.
Spegnete il motore, rimuovete la chiave e attendete l’arresto di tutte le parti in movimento prima di lasciare la posizione dell’operatore. Lasciate raffreddare la macchina prima di eseguire interventi di riparazione, di regolazione, di rifornimento e di pulizia o di rimessarla.
Prima della tosatura, ispezionate sempre la macchina per accertarvi che i gruppi di taglio siano in buone condizioni di funzionamento.
Valutate il terreno per determinare l'attrezzatura appropriata ed eventuali attrezzi o accessori necessari per il funzionamento corretto e sicuro della macchina.
Indossate un abbigliamento idoneo, inclusi occhiali di protezione, pantaloni lunghi, calzature antiscivolo robuste e protezioni per le orecchie. Legate i capelli lunghi e non indossate indumenti larghi o gioielli pendenti.
Non trasportate passeggeri sulla macchina.
Tenete gli astanti e gli animali domestici a distanza dalla macchina durante il suo funzionamento. Spegnete la macchina e l'attrezzo (o attrezzi) se qualcuno entra nell'area.
Non azionate la macchina se tutte le protezioni e i dispositivi di sicurezza, come i deflettori e/o l'intero cesto di raccolta, non sono in sede e perfettamente funzionanti. Sostituite i componenti usurati o deteriorati quando necessario.
Il carburante è estremamente infiammabile ed altamente esplosivo. Un incendio o un’esplosione causati dal carburante possono ustionare voi ed altre persone e provocare danni.
Per prevenire una carica elettrostatica dall’accensione del carburante, rimuovete la macchina dal carrello o dal rimorchio ed effettuate il rifornimento a terra, a distanza da tutti i veicoli. Se questo non è possibile, posizionate un contenitore di carburante portatile a terra, a distanza da tutti i veicoli, e riempitelo; quindi effettuate il rifornimento della macchina dal contenitore di carburante piuttosto che da un ugello di erogazione di carburante.
Fate il pieno di carburante all'aperto su una superficie piana, in un'area libera e a motore freddo. Tergete il carburante versato.
Non maneggiate il carburante quando fumate o nelle adiacenze di una fiamma libera o di scintille.
Non rimuovete il tappo del carburante né rabboccate il carburante nel serbatoio mentre il motore è in funzione o è caldo.
Se del carburante dovesse fuoriuscire, non tentate di avviare il motore. Evitate di creare una fonte di ignizione fino a quando i vapori di carburante non saranno evaporati.
Conservate il carburante in taniche approvate, e tenetelo lontano dalla portata dei bambini.
Se ingerito, il carburante è nocivo o micidiale. L'esposizione a lungo termine ai vapori di carburante può causare gravi danni e malattie.
Evitate di respirare a lungo i vapori.
Tenete mani e viso a distanza dall'ugello e dall'apertura del serbatoio del carburante.
Tenete il carburante lontano dagli occhi e dalla pelle.
Non depositate la macchina o la tanica del carburante in presenza di fiamme libere, scintille o spie, come vicino a uno scaldabagno o altre apparecchiature.
Non azionate la macchina se non è montato l'impianto di scarico completo o se non è in buone condizioni di servizio.
Tenete sempre l'ugello della pompa del carburante a contatto con il bordo del serbatoio del carburante o con il foro della tanica finché non sia stato completato il rifornimento. Non utilizzate un dispositivo di apertura del blocco pompa.
Se vi siete sporcati gli indumenti con il carburante, cambiatevi immediatamente.
Non riempite troppo il serbatoio del carburante. Riposizionate il tappo del carburante e serrate a fondo.
Pulite erba e detriti dagli apparati di taglio, marmitte, trasmissioni, cesti di raccolta e vani motore per contribuire a prevenire gli incendi. Tergete l'olio o il carburante versati.
| Tipo | Benzina senza piombo |
| Numero di ottano minimo | 87 (USA) o 91 (ottano ricerca; al di fuori degli USA) |
| Etanolo | Non maggiore del 10% in volume |
| Metanolo | Nessuna |
| MTBE (metil-t-butil etere) | Non maggiore del 15% in volume |
| Olio | Non aggiungete al carburante |
Utilizzate solo carburante pulito, fresco (non più vecchio di 30 giorni), proveniente da una fonte affidabile.
Utilizzate stabilizzatore/additivo del carburante sulla macchina, per mantenere il carburante fresco più a lungo se usato come indicato dal produttore dello stabilizzatore del carburante.
Important: Non utilizzate additivi per carburante contenenti metanolo o etanolo.
Aggiungete la quantità di stabilizzatore/additivo del carburante al carburante fresco come indicato dal produttore dello stabilizzatore del carburante.
Parcheggiate la macchina su terreno pianeggiante.
Mettete le leve di controllo del movimento in posizione di PARCHEGGIO.
Spegnete il motore e togliete la chiave.
Pulite attorno al tappo del serbatoio del carburante.
Riempite il serbatoio del carburante fino al fondo del bocchettone di riempimento (Figura 7). Non riempite completamente il serbatoio.

Ogni giorno, prima di avviare la macchina, effettuate le procedure Ogni utilizzo/Giornaliere elencate in .
I motori nuovi raggiungono la piena potenza dopo qualche tempo. I piatti di taglio e le trasmissioni, quando sono nuovi, hanno un maggiore attrito e assoggettano il motore ad un maggiore carico. Le macchine nuove hanno bisogno di un rodaggio di 40 o 50 ore prima di sviluppare la piena potenza e dare la migliore performance.
Se i microinterruttori di sicurezza sono scollegati o guasti, la macchina può muoversi improvvisamente e causare lesioni personali.
Non manomettete gli interruttori di interblocco.
Ogni giorno, controllate il funzionamento dei microinterruttori, e prima di azionare la macchina sostituite gli interruttori guasti.
Il sistema di microinterruttori di sicurezza è progettato per consentire l'avviamento del motore a condizione che:
Il comando delle lame (PDF) sia disinnestato.
Le leve di controllo del movimento sono in posizione di PARCHEGGIO.
Il sistema di sicurezza a interblocchi spegne inoltre il motore quando le leve di controllo non sono in posizione FRENO e l'operatore si alza dal sedile.
| Cadenza di manutenzione | Procedura di manutenzione |
|---|---|
| Prima di ogni utilizzo o quotidianamente |
|
Collaudate sempre il sistema di microinterruttori di sicurezza prima di utilizzare la macchina. Qualora non funzioni come descritto di seguito, fatelo riparare immediatamente da un Centro Assistenza autorizzato.
Sedetevi sul sedile, spostate le leve di controllo del movimento in posizione di PARCHEGGIO e spostate il comando delle lame in posizione di ACCENSIONE. Provate ad avviare il motore, che non deve girare.
Sedetevi sul sedile e spostate il comando delle lame in posizione di SPEGNIMENTO. Sbloccate una qualsiasi delle leve di controllo del movimento, portandola al centro. Provate ad avviare il motore, che non deve girare. Ripetete con l'altra leva di controllo del movimento.
Sedetevi sul sedile, spostate l’interruttore di controllo della lama in posizione OFF, e bloccate le leve di controllo del movimento in posizione di PARCHEGGIO. Avviate il motore. Con il motore acceso, inserite il comando delle lame e alzatevi leggermente dal sedile: il motore dovrebbe spegnersi.
Sedetevi sul sedile, spostate l’interruttore di controllo della lama in posizione OFF, e bloccate le leve di controllo del movimento in posizione di PARCHEGGIO. Avviate il motore. Con il motore acceso, spostate le leve di controllo del movimento verso il centro, in posizione di sblocco, e alzatevi leggermente dal sedile: il motore dovrebbe spegnersi.
Il sedile può essere spostato avanti e indietro. Posizionate il sedile in modo da poter controllare la macchina con sicurezza e raggiungere comodamente i comandi (Figura 8).

Potete regolare le leve di controllo del movimento più in alto o in basso al fine di ottenere il massimo comfort (Figura 9).

Potete regolare le leve di controllo del movimento in avanti o indietro al fine di ottenere il massimo comfort.
Allentate il bullone superiore che fissa la leva di controllo all'albero del braccio di controllo.
Allentate il bullone inferiore appena a sufficienza per ruotare la leva di controllo in avanti o all'indietro.

Serrate entrambi i bulloni per fissare la leva di controllo nella nuova posizione.
Ripetete la regolazione sull'altra leva di comando.
Parcheggiate la macchina su una superficie pianeggiante, disinnestate il comando delle lame (PDF) e spostate le leve di controllo del movimento verso l'esterno, in posizione di PARCHEGGIO.
Spegnete il motore, rimuovete la chiave e attendete l’arresto di tutte le parti in movimento prima di lasciare la posizione di funzionamento.
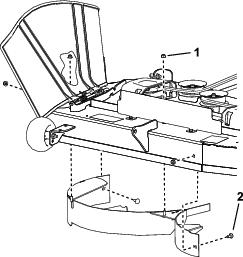
Liberate il dispositivo di chiusura flessibile dal relativo fermo sul coperchio dello scarico e aprite il coperchio dello scarico verso destra (Figura 11).

Liberate il dispositivo di chiusura a uncino sopra il coperchio dello scarico dall’asta di rotazione (Figura 15).
Inclinate la linguetta metallica presente sul coperchio dello scarico per estrarla dalla fessura nella staffa saldata sul piatto di taglio (Figura 12).

Parcheggiate la macchina su una superficie pianeggiante, disinnestate il comando delle lame (PDF) e spostate le leve di controllo del movimento verso l'esterno, in posizione di PARCHEGGIO.
Spegnete il motore, rimuovete la chiave e attendete l’arresto di tutte le parti in movimento prima di lasciare la posizione di funzionamento.
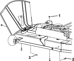
Inclinate la linguetta metallica presente sul coperchio dello scarico all’interno della fessura nella staffa saldata sul piatto di taglio (Figura 13).

Fate ruotare il coperchio dello scarico verso il piatto di taglio, in modo tale che si allinei con il piatto stesso (Figura 14).

Sopra il coperchio dello scarico, agganciate il dispositivo di chiusura a uncino all’asta di rotazione del gruppo deflettore (Figura 15).

Fissate il coperchio dello scarico al piatto di taglio agganciando il dispositivo di chiusura flessibile, presente sul coperchio dello scarico, all’apposito fermo sul piatto (Figura 11).
Il piatto di taglio e le lame spediti con questa macchina sono stati progettati per prestazioni ottimali di mulching e scarico laterale.
Montate i dispositivi di fissaggio del sacchetto delle parti sfuse nei fori dopo aver rimosso i deflettori di riciclaggio. In questo modo sarete certi di non avere lasciato aperto alcun foro quando utilizzate il piatto di taglio.
Fori aperti nella macchina sottopongono voi e gli altri ai detriti scagliati, che possono causare gravi infortuni.
Non azionate mai la macchina senza la bulloneria montata in tutti i fori della scocca.
Montate la bulloneria nei fori di montaggio al momento di togliete il diaframma di mulching.
Parcheggiate la macchina su una superficie pianeggiante, disinnestate il comando delle lame e spostate le leve di controllo del movimento verso l'esterno, in posizione di PARCHEGGIO.
Prima di scendere dalla postazione di guida, spegnete il motore, togliete la chiave di accensione e attendete l'arresto di tutte le parti in movimento.
Rimuovete il piatto di taglio; fate riferimento a Rimozione del piatto di taglio.
Rimuovete il deflettore come mostrato.

Utilizzando i 3 nuovi bulloni esagonali del sacchetto delle parti sfuse, 1 bullone a testa tonda esistente e 4 dadi di bloccaggio esistenti, montate gli elementi di fissaggio nei fori illustrati.
Note: Montate gli elementi di fissaggio in modo che i dadi siano all’esterno del piatto di taglio.

Montate il piatto di taglio; fate riferimento a Installazione del piatto di taglio.
Il proprietario/operatore è tenuto a evitare incidenti che possano causare lesioni personali o danni materiali.
Prestate la massima attenzione mentre utilizzate la macchina. Non svolgete nessuna attività che vi possa distrarre; in caso contrario potrebbero verificarsi infortuni o danni.
Non utilizzate la macchina se siete malati, stanchi o se siete sotto l'effetto di alcol o droga.
Il contatto con la lama può causare gravi lesioni. Spegnete il motore, rimuovete la chiave e attendete l’arresto di tutte le parti in movimento prima di lasciare la posizione di funzionamento. Girando la chiave in posizione di SPEGNIMENTO il motore dovrebbe spegnersi e la lama fermarsi. In caso contrario, smettete subito di usare la macchina e rivolgetevi a un Centro Assistenza autorizzato.
Utilizzate la macchina solo in condizioni di buona visibilità e meteo idoneo. Non utilizzate la macchina se c'è rischio di fulmini.
Tenete mani e piedi a distanza dagli apparati di taglio. Restate lontani dall'apertura di scarico.
Non tosate mai con il deflettore di scarico sollevato, rimosso o modificato, a meno che non sia presente un sistema di raccolta dell'erba o un kit di mulching correttamente funzionante.
Non tosate in retromarcia a meno che non sia assolutamente necessario. Guardate sempre in basso e dietro prima di azionare la macchina in retromarcia.
Prestate estrema cautela quando vi avvicinate a curve cieche, cespugli, alberi o altri oggetti che possano impedire la vista.
Fermate le lame ogni volta che non state effettuando la tosatura.
Se la macchina colpisce un oggetto o inizia a vibrare, spegnete immediatamente il motore, rimuovete la chiave (se in dotazione) e attendete l’arresto di tutte le parti in movimento prima di verificare la presenza di danni sulla macchina. Effettuate tutte le riparazioni necessarie prima di riprendere le operazioni.
Rallentate e fate attenzione quando eseguite curve o attraversate strade e marciapiedi con la macchina. Date sempre la precedenza.
Prima di abbandonare la posizione di guida, seguite le seguenti istruzioni:
Parcheggiate la macchina su terreno pianeggiante.
Disinnestate la presa di forza e abbassate al suolo l'attrezzatura.
Inserite il freno di stazionamento.
Spegnete il motore e togliete la chiave.
Attendete finché tutte le parti mobili si siano fermate.
Azionate il motore solo in aree ben ventilate. I gas di scarico possono contenere monossido di carbonio, che è letale se inalato.
Non lasciate incustodita la macchina in funzione.
Agganciate alla macchina gli accessori trainati soltanto nel punto di attacco.
Non azionate la macchina se tutte le protezioni e i dispositivi di sicurezza, come i deflettori e/o l'intero cesto di raccolta, non sono in sede e perfettamente funzionanti. Sostituite i componenti usurati o deteriorati quando necessario.
Usate unicamente accessori e attrezzi approvati da Toro.
Questa macchina produce livelli acustici superiori a 85 dBA alle orecchie dell'operatore, e può causare la perdita dell'udito in caso di lunghi periodi di esposizione al rumore.

Pulite erba e detriti dagli apparati di taglio, trasmissioni, marmitte e vani motore per contribuire a prevenire gli incendi.
Avviate il motore tenendo il piede ben lontano dalle lame.
Siate consapevoli del percorso di scarico del tosaerba e indirizzate lo scarico lontano dagli altri. Evitate di scaricare materiale contro una parete o un ostacolo, poiché il materiale può rimbalzare indietro verso di voi.
Arrestate le lame, rallentate e fate attenzione se attraversate superfici diverse dall'erba o trasportate la macchina avanti e indietro dalla zona di lavoro.
Non cambiate la velocità del regolatore del motore e non fate girare il motore a una velocità eccessiva.
I bambini sono spesso attirati dalla macchina e dall'attività di tosatura. Non date mai per scontato che i bambini rimangano dove li avete visti per l'ultima volta.
Tenete i bambini a distanza dall'area di lavoro e sotto l'attenta sorveglianza di un adulto responsabile che non sia l'operatore.
State in guardia e spegnete la macchina se un bambino entra nell'area di lavoro.
Prima di fare marcia indietro o di svoltare, guardate in giù e tutto intorno per controllare che non vi siano bambini.
Non trasportate bambini sulla macchina, anche quando le lame non stanno tagliando. I bambini potrebbero cadere e ferirsi gravemente oppure impedire a voi di usare la macchina in condizioni di sicurezza. I bambini che in passato sono stati trasportati sulla macchina possono apparire all'improvviso nell'area di lavoro ed essere investiti o travolti in retromarcia dalla macchina.
Le pendenze sono un importante fattore che influisce sugli incidenti causati da perdita di controllo e ribaltamento, che possono comportare gravi infortuni o la morte. L’operatore è responsabile del funzionamento sicuro in pendenza. L'utilizzo della macchina su qualsiasi pendenza richiede un livello superiore di attenzione. Prima di utilizzare la macchina su una pendenza, effettuate le seguenti procedure:
Rivedete e comprendete le istruzioni per le pendenze nel manuale e sulla macchina.
Utilizzate un indicatore d'angolo per determinare l'angolo approssimativo della pendenza dell'area.
Non utilizzate mai la macchina su pendenze superiori a 15°.
Valutate le condizioni del sito della giornata per determinare se la pendenza è sicura per l'utilizzo della macchina. Basatevi su buon senso e giudizio quando effettuate questa valutazione. I cambiamenti del terreno, come l'umidità, possono determinare un rapido cambiamento del funzionamento in pendenza della macchina.
Individuate i pericoli alla base della pendenza. Non utilizzate la macchina in prossimità di scarpate, fossi, terrapieni o in presenza di acqua o altri pericoli. La macchina potrebbe ribaltarsi improvvisamente nel caso in cui una ruota ne superi il bordo o se il bordo dovesse crollare. Mantenete la distanza di sicurezza (doppia rispetto alla larghezza della macchina) tra la macchina e il pericolo. Utilizzate una macchina a spinta o un decespugliatore manuale per tosare l'erba in queste zone.
Evitate di avviare, arrestare o sterzare con la macchina in pendenza. Evitate di cambiare bruscamente la velocità o la direzione; sterzate in modo lento e graduale.
Non azionate la macchina in condizioni in cui trazione, sterzaggio o stabilità possono essere compromessi. Siate consapevoli del fatto che l'utilizzo della macchina su erba bagnata, trasversalmente su pendenze o in discesa può causare una perdita di trazione della macchina. La perdita di trazione delle ruote motrici può comportare uno slittamento e una perdita di capacità frenante e sterzante. La macchina potrebbe slittare anche se le ruote sono ferme.
Rimuovete o segnalate gli ostacoli, come fossati, buche, solchi, dossi, rocce o altri pericoli nascosti. L'erba alta può nascondere degli ostacoli. Il terreno accidentato può ribaltare la macchina.
Prestate ulteriore attenzione durante l'utilizzo con accessori o attrezzi, come sistemi di raccolta dello sfalcio che possono influire sulla stabilità della macchina e farvi perdere il controllo. Seguite le istruzioni per i contrappesi.
Se possibile, tenete il piatto di taglio abbassato a terra durante l'utilizzo in pendenza. Il sollevamento del piatto di taglio durante l'utilizzo in pendenza può causare l'instabilità della macchina.

L’attrezzatura da trainare deve essere agganciata soltanto al punto di attacco.
Non usate la macchina come veicolo di traino, a meno che non sia dotata di apposito attacco.
Non superate i limiti di peso per l’attrezzatura trainata e durante il traino in pendenza. Il peso trainato non deve superare il peso della macchina e dell’operatore.
Non lasciate mai bambini o terzi in prossimità dell'attrezzatura trainata.
Su pendenze, il peso delle attrezzature trainate può provocare perdita di trazione, maggiore rischio di ribaltamento e perdita di controllo. Riducete il peso delle apparecchiature trainate e rallentate.
La distanza di arresto può aumentare con il peso di un carico trainato. Guidate lentamente e lasciate una distanza maggiore per l'arresto.
Effettuate curve ampie per tenere l'accessorio di raccolta lontano dalla macchina.
Il comando delle lame (PDF) avvia ed arresta le lame del tosaerba e gli accessori elettrici.

Potete spostare il comando dell'acceleratore tra le posizioni di MASSIMA e MINIMA (Figura 23).
Utilizzate sempre la posizione MASSIMA durante l'innesto della PDF.

Usate lo starter per avviare il motore a freddo.
Tirate verso l'alto la manopola dello starter per avviarlo prima di utilizzare l'interruttore a chiave (Figura 24).
Note: Assicuratevi di innestare completamente lo starter. Può essere necessario tenere fissa la manopola in alto quando utilizzate l'interruttore a chiave.
Spingete giù lo starter per disinnestarlo una volta acceso il motore (Figura 24).

Note: Con il motore tiepido o caldo non è sempre necessario strozzare l'afflusso dell'aria.
Important: Non utilizzate il motorino di avviamento per più di 5 secondi alla volta. L'utilizzo del motorino di avviamento per oltre 5 secondi può danneggiarlo. Se il motore non si avvia, attendete 10 secondi prima di utilizzare nuovamente il motorino di avviamento.

Disinserite le lame spostando il comando delle lame in posizione di SPEGNIMENTO.
Mettete le leve di controllo del movimento in posizione di PARCHEGGIO.
Spostate la leva dell’acceleratore in posizione di MINIMA e lasciate il motore al minimo per 1 minuto.
Girate la chiave in posizione di SPEGNIMENTO e toglietela.
Bambini ed altre persone potrebbero ferirsi se dovessero spostare o cercare di azionare la macchina quando è incustodita.
Togliete sempre la chiave e inserite il freno di stazionamento prima di lasciare incustodita la macchina.

Le ruote motrici girano in modo indipendente, alimentate da motori idraulici su ciascun assale. Potete girare un lato in retromarcia mentre l'altro in marcia avanti, facendo in modo che la macchina giri su se stessa, anziché curvare. Ciò migliora notevolmente la manovrabilità della macchina ma può richiedere un periodo di adattamento al modo in cui si muove.
Il comando dell'acceleratore regola il regime del motore, misurato in giri al minuto. Posizionate il comando dell'acceleratore in posizione MASSIMA per ottenere prestazioni ottimali. Tosate sempre con l'acceleratore sulla massima.
La macchina può girare molto rapidamente. Potete perdere il controllo della macchina e infortunarvi o danneggiare la macchina.
Prestate molta attenzione quando sterzate.
Rallentate prima di prendere curve strette.
Note: Prestate sempre molta attenzione quando svoltate.
Spostate le leve verso il centro, in posizione di sblocco.
Per fare marcia avanti spingete lentamente in avanti le leve di controllo del movimento (Figura 27).

Note: Prestate sempre molta attenzione quando fate retromarcia e sterzate.
Spostate le leve verso il centro, in posizione di sblocco.
Per fare retromarcia tirate lentamente verso dietro le leve di controllo del movimento (Figura 28).

La leva del sistema di controllo Smart Speed™, situata sotto la posizione operativa (Figura 29), offre all’operatore la possibilità di guidare la macchina a 3 intervalli di velocità di avanzamento: taglio, traino e tosatura

Per cambiare velocità, procedete come segue:
Spostate le leve di controllo del movimento in folle e verso l’esterno in posizione di PARCHEGGIO.
Disinnestate il comando delle lame.
Regolate la leva nella posizione desiderata.
Quanto segue è inteso puramente come consiglio per l’uso. Le regolazioni variano secondo il tipo di erba, il tenore di umidità e l’altezza dell’erba.
| Utilizzi consigliati: | Finitura | Traino | Tosatura |
| Parcheggio | X | ||
| Erba pesante e bagnata | X | ||
| Addestramento | X | ||
| Rifilatura dell'erba | X | ||
| Raccolta dell’erba | X | ||
| Mulching | X | ||
| Accessori per il traino | X | ||
| Tosatura normale | X | ||
| Spostamento della macchina | X |
Finitura
Questa è la velocità inferiore. Si consiglia l’utilizzo di questa velocità nei seguenti casi:
Parcheggio
Condizioni di tosatura con erba pesante e bagnata
Addestramento
Rifilatura dell'erba
Traino
Questa è la velocità media. Si consiglia l’utilizzo di questa velocità nei seguenti casi:
Raccolta dell’erba
Mulching
Accessori per il traino
Tosatura
Questa è la velocità massima. Si consiglia l’utilizzo di questa velocità nei seguenti casi:
Tosatura normale
Spostamento della macchina
Il tosaerba è dotato di un deflettore incernierato che sparge lo sfalcio ai lati e in basso verso il terreno.
Se il deflettore di sfalcio, il coperchio dello scarico o il cesto di raccolta completo non sono montati, voi ed altre persone correte il rischio di venire a contatto con la lama e con oggetti scagliati dal tosaerba. Il contatto con le lame rotanti e con i detriti scagliati può provocare gravi infortuni o la morte.
Non rimuovete mai il deflettore dello sfalcio dal piatto di taglio perché il deflettore dello sfalcio indirizza il materiale verso il tappeto erboso. Nel caso in cui sia danneggiato, sostituite immediatamente il deflettore.
Non infilate mai le mani o i piedi sotto il piatto di taglio.
Non provate mai a pulire l'area di scarico o le lame del tosaerba a meno che non abbiate spostato l'interruttore di comando delle lame (PDF) in posizione di SPEGNIMENTO, ruotato l'interruttore a chiave in posizione di SPEGNIMENTO e rimosso la chiave dal relativo interruttore.
Accertatevi che il deflettore di sfalcio sia abbassato.
Note: La posizione di trasferimento è la posizione dell'altezza di taglio superiore o pari a 114 mm, come illustrato nella Figura 30.
Potete regolare l'altezza di taglio da 38 a 114 mm, con incrementi di 13 mm. L'altezza di taglio è controllata dalla leva situata a destra della posizione di lavoro (Figura 30).

Ogni volta che cambiate l'altezza di taglio, regolate anche l'altezza dei rulli antistrappo.
Note: Regolate i rulli antistrappo in modo che non tocchino il terreno in aree di tosatura piatte e normali.
Parcheggiate la macchina su una superficie pianeggiante, disinnestate il comando delle lame e spostate le leve di controllo del movimento verso l'esterno, in posizione di PARCHEGGIO.
Spegnete il motore, rimuovete la chiave e attendete l’arresto di tutte le parti in movimento prima di lasciare la posizione di funzionamento.
Regolate i rulli antistrappo in una delle posizioni seguenti:
Foro superiore – utilizzare questa posizione con il piatto di taglio a un'altezza di taglio di 63 mm e inferiore (Figura 31).
Foro inferiore – utilizzare questa posizione con il piatto di taglio a un’altezza di taglio di 76 mm e superiore (Figura 31).

Per ottenere migliori risultati e garantire la massima circolazione dell'aria, regolate il motore in posizione MASSIMA. Per tagliare accuratamente lo sfalcio è necessaria l'aria, quindi non impostate l'altezza di taglio a un livello talmente basso da circondare totalmente il piatto di taglio con erba non tagliata. Cercate sempre di avere un lato del piatto di taglio libero da erba non tagliata, permettendo all'aria di essere aspirata all'interno del piatto di taglio.
Tagliate l'erba a una lunghezza leggermente superiore al normale, per garantire che l'altezza di taglio del piatto non strappi il terreno quando non è regolare. Tuttavia, in genere l'altezza migliore è quella usata in passato. Se l'erba è alta più di 15 cm, è preferibile praticare due passate per garantire una migliore qualità di taglio.
In genere è preferibile tagliare solamente un terzo circa del filo d'erba. Si raccomanda di non superare questa altezza, a meno che l’erba non sia rada, oppure ad autunno inoltrato quando l’erba cresce più lentamente.
Alternate la direzione della tosatura per mantenere l'erba eretta. In tal modo si agevola lo spargimento dello sfalcio, per una migliore decomposizione e fertilizzazione.
L'erba cresce a ritmi diversi in momenti diversi dell'anno. Per mantenere la stessa altezza di taglio, tosate più spesso all'inizio della primavera. Poiché a mezza estate il ritmo di crescita dell'erba rallenta, tagliate l'erba meno di frequente. Qualora l'erba non sia stata tagliata per un periodo prolungato, tagliatela prima a un'altezza di taglio elevata, e di nuovo 2 giorni dopo, riducendo gradualmente l'altezza di taglio.
In determinate condizioni, tosare a una velocità di avanzamento inferiore può migliorare la qualità del taglio.
Durante la tosatura di tappeto erboso disomogeneo, alzate l'altezza di taglio per evitare strappi sul manto erboso.
Se si arresta la marcia avanti della macchina durante la tosatura, sul tappeto erboso potrebbe depositarsi un mucchio di sfalcio. Per evitare questo inconveniente, spostatevi con le lame innestate verso un'area già tosata oppure arrestate il piatto di taglio mentre avanzate.
Eliminate lo sfalcio e la sporcizia dalla parte inferiore del piatto di taglio dopo ogni utilizzo. In caso di accumulo di erba e sporcizia all'interno del piatto di taglio, la qualità di taglio tenderà a diventare insoddisfacente.
Mantenete affilata la lama per l’intera stagione di taglio, al fine di evitare lo strappo e la frammentazione dell'erba. In caso contrario i bordi dell'erba diventano marroni, l'erba cresce più lentamente ed è più soggetta a malattie. Dopo ogni utilizzo controllate che le lame siano affilate e non presentino danni o segni di usura. All'occorrenza, limate eventuali tacche ed affilate le lame. Sostituite immediatamente la lama se è danneggiata o usurata, utilizzando una lama di ricambio originale Toro. Vedere Revisione delle lame di taglio.
Spegnete il motore, rimuovete la chiave e attendete l’arresto di tutte le parti in movimento prima di lasciare la posizione dell’operatore. Lasciate raffreddare la macchina prima di eseguire interventi di riparazione, di regolazione, di rifornimento e di pulizia o di rimessarla.
Pulite erba e detriti dagli apparati di taglio, marmitte, trasmissioni, cesti di raccolta e vani motore per contribuire a prevenire gli incendi. Tergete l'olio o il carburante versati.
Rimuovete la chiave prima di rimessare o trasportare la macchina.
| Cadenza di manutenzione | Procedura di manutenzione |
|---|---|
| Dopo ogni utilizzo |
|
Important: La macchina può essere lavata con detersivo neutro e acqua. Non utilizzate lance ad alta pressione. Non utilizzate una quantità d'acqua eccessiva, in particolare in prossimità della plancia, sotto al sedile, attorno al motore, alle pompe idrauliche e ai motori.
Parcheggiate la macchina su una superficie pianeggiante, disinnestate il comando delle lame e spostate le leve di controllo del movimento verso l'esterno, in posizione di PARCHEGGIO.
Spegnete il motore e attendete l’arresto di tutte le parti in movimento prima di lasciare la posizione di funzionamento.
Pulite erba e detriti dagli apparati di taglio, marmitte, trasmissioni, dispositivi di raccolta dell'erba e dal motore. Laddove possibile, utilizzate dell'aria compressa.
Note: Fate riferimento a Lavaggio della parte inferiore del piatto di taglio per informazioni sull’uso del raccordo di lavaggio del piatto
Parcheggiate la macchina su una superficie pianeggiante, disinnestate il comando delle lame e spostate le leve di controllo del movimento verso l'esterno, in posizione di PARCHEGGIO.
Spegnete il motore e attendete l’arresto di tutte le parti in movimento prima di lasciare la posizione di funzionamento.
Individuate le leve di bypass sul telaio su ambo i lati del motore.
Spostate entrambe le leve di bypass in avanti attraverso il foro asolato e verso il basso per bloccare in posizione (Figura 32).
Il contatto con superfici calde può causare infortuni.
Tenete mani, piedi, viso, abbigliamento e altre parti del corpo lontano dal motore, dalla marmitta e altre superfici calde.
La macchina potrebbe spostarsi involontariamente mentre le leve di bypass sono bloccate in avanti nella fessura, e provocare lesioni a voi o agli astanti.
Bloccate le leve di bypass verso dietro dopo aver spostato la macchina.

Disinserite il freno di stazionamento spostando le leve di controllo del movimento al centro, in posizione sbloccata.
Note: Non avviate la macchina.
Spostate la macchina come necessario.
Important: Spingete sempre la macchina a mano. Non trainate la macchina, in quanto potreste danneggiarla.
Mettete le leve di controllo del movimento in posizione di PARCHEGGIO.
Spostate entrambe le leve di bypass verso dietro e verso il basso attraverso il foro asolato per bloccare in posizione.
Per trasportare la macchina usate un rimorchio per servizio pesante o un autocarro. Utilizzate una rampa di larghezza massima. Controllate che il rimorchio, o l'autocarro, sia provvisto dei freni, delle luci e dei segnali richiesti per legge. Leggete attentamente tutte le istruzioni di sicurezza. La conoscenza di queste informazioni potrebbe aiutare voi e gli astanti ad evitare infortuni. Fate riferimento alle vostre ordinanze locali per i requisiti di ancoraggio e del rimorchio.
Non guidate su strade o superstrade se non avete le luci di direzione, fari, catarifrangenti o un cartello di veicolo lento; ciò è pericoloso e può causare incidenti e ferite.
Non guidate la macchina su strade pubbliche o superstrade.
Quando si carica la macchina su un trailer o un autocarro si aumenta il rischio di ribaltamento, che può causare gravi ferite ed anche la morte (Figura 33).
Usate solo una rampa di larghezza massima, non singole rampe per ciascun lato della macchina.
Non superate un angolo di 15 gradi fra la rampa e il suolo o fra la rampa e il trailer o l'autocarro.
Assicuratevi che la lunghezza della rampa sia pari ad almeno 4 volte l'altezza del rimorchio o del pianale dell'autocarro da terra. Ciò garantirà che l'angolo della rampa non superi i 15 gradi su terreno pianeggiante.

Quando si carica la macchina su un rimorchio o un autocarro si aumenta il rischio di ribaltamento, che può causare gravi ferite o anche la morte.
Prestate la massima attenzione quando guidate la macchina su una rampa.
Risalite in retromarcia le rampe e scendete dalle rampe in marcia avanti.
Evitate accelerazioni o decelerazioni improvvise mentre guidate la macchina su una rampa, dal momento che potrebbero causare una perdita di controllo o il ribaltamento.
Se usate un rimorchio, collegatelo al veicolo trainante per mezzo di catene di sicurezza.
Se del caso, collegate i freni e le luci del rimorchio.
Abbassate la rampa, assicurandovi che l'angolazione tra la rampa e il terreno non superi 15 gradi (Figura 33).
Risalite in retromarcia la rampa (Figura 34).

Spegnete il motore, togliete la chiave e spostate le leve di controllo del movimento verso l’esterno in posizione di PARCHEGGIO.
Ancorate la macchina in prossimità delle ruote orientabili anteriori e del telaio posteriore con cinghie, catene, cavi o corde (Figura 35). Fate riferimento alle normative locali per i requisiti di ancoraggio.
Note: Direzionate le cinghie verso il basso e lontano dalla macchina.

Note: Stabilite i lati sinistro e destro della macchina rispetto alla normale posizione di guida.
Se lasciate la chiave nell'interruttore, qualcuno potrebbe accidentalmente avviare il motore e ferire gravemente voi od altre persone. Togliete la chiave dall'interruttore prima di eseguire qualsiasi intervento di manutenzione.
Prima di abbandonare la posizione dell’operatore, seguite le seguenti istruzioni:
Parcheggiate la macchina su terreno pianeggiante.
Disinnestate le trasmissioni.
Inserite il freno di stazionamento.
Spegnete il motore e togliete la chiave.
Lasciate che i componenti della macchina si raffreddino prima di effettuare la manutenzione.
Non lasciate che personale non addestrato effettui interventi di manutenzione sulla macchina.
Tenete mani e piedi a distanza dalle parti in movimento o dalle superfici calde. Se possibile, non eseguite regolazioni mentre il motore è in funzione.
Scaricate con cautela la pressione dai componenti che hanno accumulato energia.
Verificate di frequente il funzionamento del freno di stazionamento. Regolatelo ed effettuate la manutenzione come prescritto.
Non manomettete i dispositivi di sicurezza. Controllatene il funzionamento ad intervalli regolari.
Pulite erba e detriti dagli apparati di taglio, marmitte, trasmissioni, cesti di raccolta e vani motore per prevenire gli incendi.
Tergete l'olio o il carburante versato e asportate i detriti imbevuti di carburante.
Non fate affidamento sui cric idraulici o meccanici per sostenere la macchina; sostenetela con cavalletti ogni volta che la sollevate.
Mantenete tutti i componenti in buone condizioni operative e tutta la bulloneria serrata, soprattutto i bulloni di fissaggio delle lame. Sostituite tutti gli adesivi consumati o danneggiati.
Scollegate il cavo dal terminale negativo della batteria prima di riparare la macchina.
Per garantire prestazioni ottimali, utilizzate esclusivamente ricambi e accessori originali Toro. Ricambi e accessori di altri produttori potrebbero risultare pericolosi e il loro impiego potrebbe far decadere la garanzia del prodotto.
| Cadenza di manutenzione | Procedura di manutenzione |
|---|---|
| Prima di ogni utilizzo o quotidianamente |
|
| Dopo ogni utilizzo |
|
| Ogni 25 ore |
|
| Ogni 100 ore o annualmente, la scadenza più vicina |
|
| Prima del rimessaggio |
|
| Ogni anno |
|
Important: Per ulteriori interventi di manutenzione, si rimanda al manuale d'uso del motore.
Se lasciate la chiave nell'interruttore, qualcuno potrebbe accidentalmente avviare il motore e ferire gravemente voi od altre persone.
Spegnete il motore e togliete la chiave dall'interruttore prima di eseguire qualsiasi intervento di manutenzione.
Allentate i 2 bulloni inferiori della cortina per accedere alla parte superiore del piatto di taglio (Figura 36).

Note: Serrate sempre i bulloni per collegare la cortina dopo la manutenzione.
Utilizzate cavalletti per sostenere la macchina quando la sollevate.
Sostenere la macchina facendola poggiare sulla protezione inferiore della marmitta (Figura 37) può danneggiare la protezione e provocare la caduta della macchina, che ferirebbe voi o gli astanti.
Non usate la protezione inferiore della marmitta per sollevare o sostenere la macchina.

| Cadenza di manutenzione | Procedura di manutenzione |
|---|---|
| Ogni 25 ore |
|
Tipo di grasso: grasso n. 2 a base di litio
Parcheggiate la macchina su una superficie pianeggiante, disinnestate il comando delle lame e spostate le leve di controllo del movimento verso l'esterno, in posizione di PARCHEGGIO.
Spegnete il motore, rimuovete la chiave e attendete l’arresto di tutte le parti in movimento prima di lasciare la posizione di funzionamento.
Pulite i raccordi d’ingrassaggio (Figura 38) con un cencio.
Note: Raschiate via eventuale vernice dalla parte anteriore del/i raccordo/i.

Collegate un ingrassatore a pressione a ciascun ingrassatore (Figura 38).
Pompate del grasso nel raccordo finché non inizia a fuoriuscire dai cuscinetti.
Tergete il grasso superfluo.
Tenete mani, piedi, viso, altre parti del corpo e abbigliamento lontano dalla marmitta e altre superfici calde. Lasciate che i componenti del motore si raffreddino prima di effettuare la manutenzione.
Non cambiate la velocità del regolatore del motore e non fate girare il motore a una velocità eccessiva.
| Cadenza di manutenzione | Procedura di manutenzione |
|---|---|
| Ogni 25 ore |
|
| Ogni anno |
|
Note: Eseguite la manutenzione del filtro dell'aria più di frequente (ogni poche ore) in ambienti molto inquinati o sabbiosi.
Parcheggiate la macchina su una superficie pianeggiante, disinnestate il comando delle lame e spostate le leve di controllo del movimento verso l'esterno, in posizione di PARCHEGGIO.
Spegnete il motore, togliete la chiave e attendete che tutte le parti in movimento si arrestino prima di abbandonare la postazione di guida.
Pulite intorno al filtro dell'aria per evitare che la morchia possa penetrare nel motore provocando gravi danni.
Allentate i dispositivi di fermo e rimuovete la copertura.

Rimuovete gli elementi del filtro dell’aria.
Separate gli elementi di carta e in schiuma sintetica

Lavate l'elemento in schiuma sintetica con acqua tiepida e sapone. Quando è pulito, risciacquatelo accuratamente.
Asciugate l'elemento premendolo in un panno pulito.
Important: Sostituite l'elemento in schiuma sintetica se fosse danneggiato o usurato.
Lubrificate leggermente l’elemento in schiuma sintetica utilizzando il nuovo olio motore e rimuovete eventuale olio in eccesso.
| Cadenza di manutenzione | Procedura di manutenzione |
|---|
Pulite l'elemento di carta picchiettandolo delicatamente per rimuovere la polvere.
Note: Se è molto sporco, sostituite l'elemento di carta con un elemento nuovo.
Controllate che l'elemento non sia strappato, che non vi siano strati untuosi, e che la tenuta in gomma non sia danneggiata.
Sostituite l’elemento di carta se è danneggiato.
Important: Non pulite il filtro primario di carta.
Montate l’elemento pre-filtro in schiuma sintetica sull’elemento di carta.
Note: Assicuratevi di non danneggiare gli elementi.
Montate gli elementi pre-filtro sulla base del filtro dell’aria.
Montate la copertura e serrate i dispositivi di fermo (Figura 39).
Tipo di olio: Olio detergente (incluso sintetico) di API service SJ o superiore
Capacità carter: 1,9 litri con filtro dell’olio; 1,8 litri senza filtro dell’olio
Viscosità: Vedere la tabella seguente.

| Cadenza di manutenzione | Procedura di manutenzione |
|---|---|
| Prima di ogni utilizzo o quotidianamente |
|
Note: Controllate l'olio a motore freddo.
Important: Se riempite troppo o poco di olio il carter del motore e azionate il motore, potreste danneggiare il motore.
Parcheggiate la macchina su una superficie pianeggiante, disinnestate il comando delle lame e spostate le leve di controllo del movimento verso l'esterno, in posizione di PARCHEGGIO.
Spegnete il motore, rimuovete la chiave e attendete l’arresto di tutte le parti in movimento prima di lasciare la posizione di funzionamento.
Note: Assicuratevi che il motore sia freddo, in modo che l'olio abbia avuto il tempo necessario per spurgare nel pozzetto.
Per tenere lo sporco, gli sfalci d’erba, ecc, lontani dal motore, pulite l’area attorno al tappo del serbatoio dell’olio e all’asta di livello prima di rimuoverlo (Figura 42).

| Cadenza di manutenzione | Procedura di manutenzione |
|---|
Parcheggiate la macchina su una superficie pianeggiante per assicurarvi che l'olio venga spurgato completamente.
Disinserite il comando delle lame e spostate le leve di controllo del movimento verso l'esterno in posizione di PARCHEGGIO.
Prima di scendere dalla postazione di guida, spegnete il motore, togliete la chiave di accensione e attendete l'arresto di tutte le parti in movimento.
Spurgate l'olio dal motore (Figura 43).

Cambiate il filtro dell’olio motore (Figura 44).
Note: Assicuratevi che la guarnizione del filtro dell'olio tocchi il motore e poi ruotate il filtro di altri ¾ di giro.

Versate lentamente circa l'80% dell'olio indicato nel tubo di rifornimento e sempre con cautela rabboccate l'olio necessario per portarlo alla tacca di Pieno (Figura 45).

Consegnate l'olio usato ad un centro di raccolta.
| Cadenza di manutenzione | Procedura di manutenzione |
|---|---|
| Ogni anno |
|
Prima di montare la candela accertatevi che la distanza tra gli elettrodi centrali e laterali sia corretta. Utilizzate una chiave per candele per la rimozione e il montaggio della candela, ed un calibro o uno spessimetro per il controllo e la regolazione della distanza fra gli elettrodi. Se necessario, montate una nuova candela.
Tipo: Champion® XC92YC
Distanza tra gli elettrodi: 0,76 mm
Parcheggiate la macchina su una superficie pianeggiante, disinnestate il comando delle lame e spostate le leve di controllo del movimento verso l'esterno, in posizione di PARCHEGGIO.
Spegnete il motore, rimuovete la chiave e attendete l’arresto di tutte le parti in movimento prima di lasciare la posizione di funzionamento. Lasciate raffreddare il motore.
Pulite l'area attorno alla base della candela per tenere detriti e sporco lontano dal motore.
Rimuovete la candela (Figura 46).

Important: Non pulite la/e candela/e. Sostituite sempre la candela (o candele) in caso di patina nera sull'isolatore, elettrodi usurati, pellicola d'olio oppure crepe.
Se l'isolatore è marrone chiaro o grigio, il motore funziona correttamente. Una patina nera sull'isolatore significa in genere che il filtro dell'aria è sporco.
Regolate la distanza a 0,76 mm.


| Cadenza di manutenzione | Procedura di manutenzione |
|---|---|
| Prima di ogni utilizzo o quotidianamente |
|
Parcheggiate la macchina su una superficie pianeggiante, disinnestate il comando delle lame e spostate le leve di controllo del movimento verso l'esterno, in posizione di PARCHEGGIO.
Spegnete il motore, togliete la chiave e attendete che tutte le parti in movimento si arrestino prima di abbandonare la postazione di guida.
Rimuovete il filtro dell'aria dal motore.
Togliete il riparo del motore.
Per evitare l'ingresso di detriti nella presa d'aria, montate il filtro dell'aria sulla relativa base.
Rimuovete sporcizia ed erba dagli elementi.
Rimuovete il filtro dell'aria e montate il riparo del motore.
Montate il filtro dell'aria.
In determinate condizioni, il carburante è estremamente infiammabile ed altamente esplosivo. Un incendio o un’esplosione causati dal carburante possono ustionare voi ed altre persone e provocare danni.
Fate riferimento a Avvertimenti sull'utilizzo del carburante per un elenco completo di precauzioni relative al carburante.
| Cadenza di manutenzione | Procedura di manutenzione |
|---|---|
| Ogni anno |
|
Non montate mai un filtro sporco dopo averlo rimosso dal tubo del carburante.
Parcheggiate la macchina su una superficie pianeggiante, disinnestate il comando delle lame e spostate le leve di controllo del movimento verso l'esterno, in posizione di PARCHEGGIO.
Spegnete il motore, rimuovete la chiave e attendete l’arresto di tutte le parti in movimento prima di lasciare la posizione di funzionamento. Lasciate raffreddare il motore.
Sostituite il filtro (Figura 49).
Note: Accertatevi che la freccia che indica la direzione del flusso sui filtri sostitutivi punti verso il motore.


Scollegate il cavo dal terminale negativo della batteria prima di riparare la macchina.
Caricate la batteria in un'area aperta e ben ventilata, lontano da fiamme e scintille. Togliete la spina del caricabatterie prima di collegare o scollegare la batteria. Indossate indumenti di protezione e adoperare utensili isolati.
I morsetti della batteria e gli attrezzi metallici possono creare cortocircuiti contro i componenti metallici e provocare scintille Eventuali scintille possono fare esplodere i gas delle batterie e provocare lesioni personali.
Quando la batteria viene smontata o montata, evitate che i morsetti entrino a contatto con le parti metalliche della macchina.
Evitate cortocircuiti fra i morsetti della batteria e le parti metalliche della macchina causati da utensili metallici.
Parcheggiate la macchina su una superficie pianeggiante, disinnestate il comando delle lame e spostate le leve di controllo del movimento verso l'esterno, in posizione di PARCHEGGIO.
Spegnete il motore, rimuovete la chiave e attendete l’arresto di tutte le parti in movimento prima di lasciare la posizione di funzionamento.
Alzate il sedile per raggiungere la batteria.
Staccate il cavo negativo (nero) di terra dal polo della batteria (Figura 50).
Note: Conservate tutti i dispositivi di fermo.
Una rimozione non corretta dei cavi dalla batteria può causare danni a macchina e cavi, causando scintille. Queste possono fare esplodere i gas delle batterie e provocare infortuni.
Scollegate sempre il cavo negativo (nero) della batteria prima di quello positivo (rosso).
Collegate sempre il cavo positivo (rosso) della batteria prima di quello negativo (nero).
Fate scorrere il coperchio in gomma via dal cavo positivo (rosso).
Staccate il cavo positivo (rosso) di terra dal polo della batteria (Figura 50).
Note: Conservate tutti i dispositivi di fermo.
Togliete il dispositivo di fissaggio della batteria (Figura 50) e togliete la batteria dal vassoio.

| Cadenza di manutenzione | Procedura di manutenzione |
|---|---|
| Prima del rimessaggio |
|
Togliete la batteria dal telaio; vedere Rimozione della batteria.
Caricate la batteria per un minimo di 1 ora da 6 a 10 A.
Note: Non sovraccaricatela.
Quando la batteria è completamente carica, staccate il caricabatterie dalla presa elettrica e scollegate i cavi di ricarica dai poli della batteria (Figura 51).

Posizionate la batteria nella cassetta (Figura 50).
Montate il cavo positivo (rosso) della batteria con il morsetto positivo (+) utilizzando i dispositivi di fermo precedentemente rimossi.
Montate il cavo negativo (nero) della batteria con il morsetto negativo (-) utilizzando i dispositivi di fermo precedentemente rimossi.
Infilate la guaina rossa del morsetto sul polo positivo (rosso) della batteria.
Fissate la batteria con l'apposito dispositivo (Figura 50).
Abbassate il sedile.
L'impianto elettrico è protetto da fusibili. Non necessita di alcuna manutenzione; tuttavia, nel caso in cui salti un fusibile dovete controllare che non vi sia un cortocircuito e se i componenti funzionano correttamente.
Tipo di fusibile:
Principale – F1 (25 A, tipo di lama)
Circuito di carica – F2 (15 A, tipo di lama)
Parcheggiate la macchina su una superficie pianeggiante, disinnestate il comando delle lame e spostate le leve di controllo del movimento verso l'esterno, in posizione di PARCHEGGIO.
Spegnete il motore, rimuovete la chiave e attendete l’arresto di tutte le parti in movimento prima di lasciare la posizione di funzionamento.
Alzate il sedile per raggiungere i fusibili.
Per sostituire un fusibile, tiratelo ed estraetelo dall'attacco (Figura 52).

Abbassate il sedile.
| Cadenza di manutenzione | Procedura di manutenzione |
|---|---|
| Ogni 25 ore |
|
Mantenete la pressione pneumatica delle ruote anteriori e posteriori come riportato. La pressione irregolare degli pneumatici può causare un taglio irregolare. Controllate la pressione sullo stelo della valvola (Figura 53). Per ottenere valori più attendibili, controllate gli pneumatici a freddo.
Gonfiate le ruote orientabili anteriori a 2,06 bar o alla pressione indicata sul fianco, al valore inferiore tra i due.
Gonfiate gli pneumatici delle ruote motrici posteriori a 0,90 bar.

Durante la guida in marcia avanti a piena velocità su una superficie piana e uniforme, se la macchina tende verso 1 lato, regolate l’allineamento.
Se la macchina tende a sinistra, regolate la leva di comando del movimento destra; se la macchina tende a destra, regolate la leva di comando del movimento sinistra.
Note: Potete regolare l’allineamento solo per la marcia avanti.
Parcheggiate la macchina su una superficie pianeggiante, disinnestate il comando delle lame e spostate le leve di controllo del movimento verso l'esterno, in posizione di PARCHEGGIO.
Spegnete il motore, rimuovete la chiave e attendete l’arresto di tutte le parti in movimento prima di lasciare la posizione di funzionamento.
Individuate il bullone di regolazione dell’allineamento vicino alla leva di comando del movimento sul lato specifico che richiede la regolazione (Figura 54).
Note: Sollevate il sedile per un accesso facilitato al bullone di regolazione.
Ruotate il bullone per ridurre la velocità per la ruota specifica.
Note: Ruotate il bullone leggermente per effettuare regolazioni minime.

Avviate la macchina e guidate in marcia avanti su una superficie piana e uniforme con le leve di comando del movimento completamente avanti, per verificare se la macchina procede diritta. Ripetete la procedura, se necessario.
| Cadenza di manutenzione | Procedura di manutenzione |
|---|---|
| Ogni 25 ore |
|
Sostituite la cinghia se è usurata. I segni di una cinghia usurata includono stridio durante la rotazione della cinghia, slittamento delle lame durante il taglio dell’erba, bordi sfilacciati, segni di bruciatura e spaccature sulla cinghia.
I segni di una cinghia usurata includono stridio durante la rotazione della cinghia, slittamento delle lame durante il taglio dell’erba, bordi sfilacciati, segni di bruciatura e spaccature sulla cinghia. Sostituite la cinghia del tosaerba se notate uno qualsiasi dei segni sopra riportati.
Parcheggiate la macchina su una superficie pianeggiante, disinnestate il comando delle lame e spostate le leve di controllo del movimento verso l'esterno, in posizione di PARCHEGGIO.
Prima di scendere dalla postazione di guida, spegnete il motore, togliete la chiave di accensione e attendete l'arresto di tutte le parti in movimento.
Impostate l'altezza di taglio sulla posizione più bassa (38 mm).
Allentate i 2 bulloni inferiori che fissano la cortina del piatto di taglio al piatto di taglio. Vedere Rilascio della cortina del piatto di taglio.
Togliete i coperchi delle pulegge.
Per piatti di taglio pressofuso, allentate le viti e rimuovete le coperture delle pulegge (Figura 55).

Per piatti di taglio lavorato, allentate la vite e spingete in dentro la linguetta sul coperchio per rimuovere le coperture delle pulegge (Figura 56).

Per piatti di taglio pressofuso, allentate il dado che fissa il filo sagomato alla puleggia tendicinghia (Figura 57).

Servendovi di un attrezzo per la rimozione delle molle (n. cat. Toro 92-5771), sganciate la molla di rinvio dal gancio del piatto di taglio per eliminare la tensione dalla puleggia tendicinghia e togliete la cinghia dalle pulegge (Figura 58).
La molla viene montata sotto tensione, e può causare gravi ferite.
Prestate la massima attenzione quando togliete la cinghia.

Montate la nuova cinghia attorno alla puleggia del motore e a quelle del tosaerba (Figura 58).
Servendovi di un attrezzo per la rimozione delle molle (n. cat. Toro 92-5771), montate la molla di rinvio sul gancio del piatto di taglio e mettete in tensione la puleggia tendicinghia la cinghia dalle pulegge (Figura 58).
Per piatti di taglio pressofuso, serrate il dado che fissa il filo sagomato alla puleggia tendicinghia.
Note: Posizionate il filo sagomato contro il braccio del tendicinghia come mostrato nella Figura 57.
Montate i coperchi delle pulegge.
Serrate i 2 bulloni inferiori per la cortina del piatto di taglio al piatto di taglio. Vedere Rilascio della cortina del piatto di taglio.
Controllate le lame ad intervalli regolari, per accertare che non siano consumate o danneggiate.
Prestate la massima attenzione quando controllate le lame. Durante gli interventi di manutenzione, avvolgete le lame o indossate guanti adatti allo scopo, prestando molta attenzione. Le lame possono essere solo affilate o sostituite, ma non raddrizzate né saldate.
Su macchine multilama, ricordate che la rotazione di una lama può provocare la rotazione anche di altre lame.
Sostituite in serie lame e bulloni usurati o danneggiati, per mantenere il bilanciamento.
Per garantire una qualità del taglio superiore, mantenete le lame affilate. Per agevolare l'affilatura e la sostituzione tenete una scorta di lame di ricambio.
Parcheggiate la macchina su una superficie pianeggiante, disinnestate il comando delle lame e spostate le leve di controllo del movimento verso l'esterno, in posizione di PARCHEGGIO.
Spegnete il motore, togliete la chiave e scollegate i cappellotti dalle candele.
| Cadenza di manutenzione | Procedura di manutenzione |
|---|---|
| Prima di ogni utilizzo o quotidianamente |
|
Controllate i taglienti (Figura 59).
Se i taglienti non sono affilati o presentano intaccature, togliete la lama ed affilatela; vedere Affilatura delle lame.
Controllate le lame, in particolare l'area curva.
Se notate incrinature, usura o scanalature in questa zona, montate immediatamente una nuova lama (Figura 59).

Note: La macchina deve essere posizionata su una superficie pianeggiante per la seguente procedura.
Sollevate il piatto di taglio alla posizione superiore dell'altezza di taglio.
Indossando guanti dalla spessa imbottitura o altre protezioni idonee per le mani, ruotate lentamente la lama in una posizione che consenta di misurare la distanza tra il bordo di taglio e la superficie piana su cui si trova la macchina (Figura 60).

Misurate dalla punta della lama alla superficie piana (Figura 61).

Ruotate la stessa lama di 180 gradi in modo che il tagliente opposto si trovi ora nella stessa posizione (Figura 62).

Misurate dalla punta della lama alla superficie piana (Figura 63).
Note: La varianza non deve essere superiore a 3 mm.

Se la differenza tra A e B è superiore a 3 mm, sostituite la lama con una nuova; fate riferimento a Rimozione delle lame e Montaggio delle lame.
Note: Se viene sostituita una lama curva con una nuova lama e la dimensione ottenuta continua ad essere superiore a 3 mm, il fusello della lama può essere piegato. Rivolgetevi a un Centro Assistenza autorizzato per avere assistenza.
Se la varianza è limitata, spostatevi alla lama successiva.
Ripetete la procedura su ogni lama.
Sostituite le lame se colpiscono un oggetto solido, se sono sbilanciate o piegate.
Tenete l'estremità della lama con un cencio o un guanto bene imbottito.
Togliete il bullone, la rondella curva e la lama dall'asse del fusello (Figura 64).

Affilate i taglienti da entrambe le estremità della lama con una lima (Figura 65).
Note: Rispettate l’angolazione originale.
Note: La lama conserva il proprio equilibrio soltanto se viene rimossa una quantità uguale di materiale da entrambi i taglienti.

Controllate l’equilibrio della lama posizionandola su un bilanciatore (Figura 66).
Note: Se la lama rimane in posizione orizzontale, è bilanciata e può essere utilizzata.
Note: Se la lama non è bilanciata, limate del metallo soltanto dalla costa (Figura 65).

Ripetete la procedura finché la lama non è perfettamente bilanciata.
Montate la lama sull'asse del mandrino (Figura 64).
Important: Perché tagli correttamente, il lato curvo della lama deve essere rivolto in alto, verso l'interno del tosaerba.
Montate la rondella curva (lato concavo verso la lama) e il bullone della lama (Figura 64).
Serrate il bullone della lama a una coppia compresa tra 81 e 108 Nām.
Il livellamento del piatto di taglio deve essere controllato ogni volta che si mette in opera il tosaerba oppure quando il taglio è irregolare.
Verificate il piatto di taglio per escludere lame piegate prima del livellamento e rimuovete e sostituite eventuali lame piegate; fate riferimento a Revisione delle lame di taglio prima di proseguire.
Livellate il piatto di taglio prima in senso laterale; poi potete regolare l'inclinazione in senso longitudinale.
Requisiti:
La macchina deve essere posizionata su una superficie pianeggiante.
Gli pneumatici devono essere tutti e opportunamente gonfiati; fate riferimento a Controllo della pressione degli pneumatici.
Parcheggiate la macchina su una superficie pianeggiante, disinnestate il comando delle lame (PDF) e spostate le leve di controllo del movimento verso l'esterno, in posizione di PARCHEGGIO.
Spegnete il motore, rimuovete la chiave e attendete l’arresto di tutte le parti in movimento prima di lasciare la posizione di funzionamento.
Impostate l'altezza di taglio a 76 mm.
Ruotate con cautela le lame da un lato all’altro.
Misurate la distanza tra i taglienti esterni e la superficie piatta (Figura 67).
Note: Se entrambe le misure non rientrano nella tolleranza di 5 mm, è necessario eseguire una regolazione; fate riferimento a Livellamento laterale.

Controllate il livello longitudinale della lama ogni volta che mettete in opera il tosaerba. Se la parte anteriore del tosaerba è di 7,9 mm più in basso della parte posteriore del tosaerba, regolate il livello delle lame.
Parcheggiate la macchina su una superficie pianeggiante, disinnestate il comando delle lame (PDF) e spostate le leve di controllo del movimento verso l'esterno, in posizione di PARCHEGGIO.
Spegnete il motore, rimuovete la chiave e attendete l’arresto di tutte le parti in movimento prima di lasciare la posizione di funzionamento.
Impostate l'altezza di taglio a 76 mm.
Girate con cautela le lame in modo che siano disposte longitudinalmente (Figura 68).
Misurate il valore dalla punta della lama anteriore e dalla punta della lama posteriore alla superficie piana (Figura 68).
Note: Se la punta della lama anteriore non è inferiore alla punta della lama posteriore di 1,6–7,9 mm, proseguite con la procedura Regolazione dell'inclinazione longitudinale delle lame.

Spostatevi sul lato sinistro della macchina.
Per eseguire questa procedura regolate i rulli antistrappo nei fori superiori oppure toglieteli completamente; fate riferimento a Regolazione dei rulli antistrappo.
Impostate la leva dell'altezza di taglio a 76 mm; fate riferimento a Regolazione dell'altezza di taglio.
Posizionate 2 blocchi ciascuno con uno spessore di 6,6 cm sotto ciascun lato del bordo anteriore del piatto di taglio, ma non sotto le staffe del rullo antistrappo (Figura 69).
Posizionate 2 blocchi ciascuno con uno spessore di 7,3 cm sotto il bordo posteriore della falda del piatto di taglio; 1 su ciascun lato del piatto di taglio (Figura 69).

Rimuovete la coppiglia e la rondella dal perno del braccio di sollevamento inferiore (Figura 70).

Ruotate la piastra dell’altezza di taglio a un foro differente, in modo tale che supporti il peso del piatto di taglio dopo l’installazione della piastra (Figura 71).

Installate la rondella e la coppiglia (Figura 71).
Ripetete i passaggi da 6 a 8 per l’altro lato della macchina.
Controllate nuovamente il livellamento in senso laterale; ripetete la procedura finché le misurazioni non sono corrette.
Continuate a livellare il piatto di taglio verificando l'inclinazione longitudinale della lama; vedere Controllo dell'inclinazione longitudinale delle lame.
Ruotate il dado di regolazione nella parte anteriore del tosaerba (Figura 72).

Per sollevare la parte anteriore del piatto di taglio, serrate il dado di regolazione.
Per abbassare la parte anteriore del piatto di taglio, allentate il dado di regolazione.
Dopo la regolazione, ricontrollate l'inclinazione longitudinale e continuate la regolazione del dado finché la punta della lama anteriore non è più bassa di 1,6–7,9 mm rispetto a quella posteriore; fate riferimento a Controllo dell'inclinazione longitudinale delle lame.
Quando l’inclinazione longitudinale delle lame è corretta, controllate nuovamente il livellamento in senso laterale del piatto di taglio; fate riferimento a Controllo del livello da un lato all'altro.
Parcheggiate la macchina su una superficie pianeggiante, disinnestate il comando delle lame (PDF) e spostate le leve di controllo del movimento verso l'esterno, in posizione di PARCHEGGIO.
Spegnete il motore, rimuovete la chiave e attendete l’arresto di tutte le parti in movimento prima di lasciare la posizione di funzionamento.
Abbassate la leva dell'altezza di taglio alla posizione inferiore.
Allentate i 2 bulloni inferiori che fissano la cortina del piatto di taglio al piatto di taglio. Vedere Rilascio della cortina del piatto di taglio.
Rimuovete la coppiglia dall'asta di supporto frontale e rimuovete l'asta dalla staffa del piatto di taglio (Figura 73).

Abbassate con cautela la parte anteriore del piatto di taglio al terreno.
Su 1 lato della macchina, togliete la rondella e la coppiglia dal perno del piatto di taglio (Figura 74).

Togliete il braccio di sollevamento dal perno del piatto di taglio (Figura 74).
Ripetete i passaggi 7 e 8 per l’altro lato della macchina.
Spostate indietro il tosaerba per rimuovere la relativa cinghia dalla puleggia del motore.
Togliete il tosaerba da sotto la macchina.
Note: Conservate tutte le parti per il successivo montaggio.
Parcheggiate la macchina su una superficie pianeggiante, disinnestate il comando delle lame (PDF) e spostate le leve di controllo del movimento verso l'esterno, in posizione di PARCHEGGIO.
Spegnete il motore, rimuovete la chiave e attendete l’arresto di tutte le parti in movimento prima di lasciare la posizione di funzionamento.
Infilate il tosaerba sotto la macchina.
Abbassatela leva dell'altezza di taglio alla posizione inferiore.
Su 1 lato della macchina, sollevate la parte posteriore del piatto di taglio e installate il braccio di sollevamento sul perno del piatto di taglio (Figura 74).
Installate il braccio di sollevamento utilizzando la rondella e la coppiglia (Figura 74).
Ripetete i passaggi 5 e 6 per l’altro lato della macchina.
Montate l'asta di sostegno anteriore sul piatto di taglio con il perno con testa e la coppiglia a forcina (Figura 73).
Montate la cinghia del tosaerba sulla puleggia del motore; fate riferimento a Sostituzione della cinghia del tosaerba.
Serrate i 2 bulloni inferiori per la cortina del piatto di taglio al piatto di taglio; fate riferimento a Rilascio della cortina del piatto di taglio.
| Cadenza di manutenzione | Procedura di manutenzione |
|---|---|
| Prima di ogni utilizzo o quotidianamente |
|
Lasciando scoperta l’apertura di scarico si permette alla macchina di scagliare oggetti verso di voi o verso astanti, causando gravi lesioni. Inoltre, è possibile venire a contatto con la lama.
Non utilizzate mai la macchina se non è montato il deflettore dell'erba, il coperchio di scarico o il sistema di raccolta.
Togliete il dado (ā ") dall'asta sottostante il tosaerba (Figura 75).

Estraete l’asta dal distanziatore corto, dalla molla e dal deflettore, e dal perno del deflettore dell'erba (Figura 75).
Rimuovete il deflettore dell’erba danneggiato o usurato, e il deflettore (se applicabile).
Montate il deflettore dell’erba tagliata nuovo (Figura 75).
Fate scorrere l’estremità diritta dell’asta attraverso il perno del deflettore dell’erba posteriore e il deflettore (se applicabile).
Posizionate la molla sull’asta, con le estremità dei fili abbassate, e tra i perni del deflettore dell’erba.
Fate scorrere l’asta attraverso il secondo perno del deflettore dell’erba (Figura 75).
Inserite l'asta dalla parte anteriore del deflettore dello sfalcio, nel distanziatore corto sul piatto di taglio.
Fissate l'estremità posteriore dell'asta nel tosaerba con un dado (ā "), come mostrato in Figura 75.
Important: Il deflettore d'erba tagliata dev'essere caricato a molla e abbassato. Sollevate il deflettore per verificare che torni con uno scatto nella posizione completamente abbassata.
| Cadenza di manutenzione | Procedura di manutenzione |
|---|---|
| Dopo ogni utilizzo |
|
Important: La macchina può essere lavata con detersivo neutro e acqua. Non utilizzate lance ad alta pressione. Non utilizzate una quantità d'acqua eccessiva, in particolare in prossimità della plancia, sotto al sedile, attorno al motore, alle pompe idrauliche e ai motori.
Lavate il sottoscocca del piatto di taglio dopo ogni utilizzo per impedire che lo sfalcio si accumuli e per migliorare il mulching e la dispersione dello sfalcio.
Parcheggiate la macchina su una superficie pianeggiante, disinnestate il comando delle lame (PDF) e spostate le leve di controllo del movimento verso l'esterno, in posizione di PARCHEGGIO.
Spegnete il motore, rimuovete la chiave e attendete l’arresto di tutte le parti in movimento prima di lasciare la posizione di funzionamento.
Montate il manicotto del tubo flessibile sul raccordo di lavaggio del tosaerba, quindi aprite il rubinetto per erogare un getto forte (Figura 76).
Note: Spalmate della vaselina sull'O-ring del raccordo di lavaggio, per agevolare l'inserimento del manicotto e proteggere l'O-ring.

Abbassate il tosaerba alla posizione più bassa dell'altezza di taglio.
Sedetevi sul sedile ed avviate il motore.
Innestate il comando delle lame e lasciate girare il motore per un massimo di tre minuti.
Disinnestate il comando delle lame, spegnete il motore, togliete la chiave e attendete che tutte le parti in movimento si siano fermate.
Chiudete il rubinetto e togliete il raccordo a disinnesto rapido dal raccordo di lavaggio.
Note: Se il tosaerba non è pulito dopo un lavaggio, bagnatelo, lasciatelo in posa per 30 minuti. e ripetete l'operazione.
Fate girare il tosaerba per altri tre minuti al massimo, al fine di eliminare l’acqua superflua.
Se il raccordo di lavaggio è rotto o mancante, voi ed altre persone siete esposti al rischio di essere colpiti da oggetti o di venire a contatto con la lama. Il contatto con una lama o con i detriti scagliati può provocare gravi infortuni o la morte.
Sostituite immediatamente un raccordo di lavaggio rotto o mancante, prima di utilizzare nuovamente la macchina.
Non infilate mai le mani o i piedi sotto il piatto di taglio o attraverso le aperture nella macchina.
L'olio motore, le batterie, il fluido idraulico e il refrigerante del motore inquinano l'ambiente. Smaltiteli in totale conformità ai regolamenti locali e nazionali.
Spegnete il motore, rimuovete la chiave e attendete l’arresto di tutte le parti in movimento prima di lasciare la posizione dell’operatore. Lasciate raffreddare la macchina prima di eseguire interventi di regolazione, di manutenzione, di pulizia o di rimessarla.
Non rimessate la macchina e non rifornitela di carburante accanto alle fiamme; non spurgate il carburante al chiuso oppure in un rimorchio chiuso.
Non depositate la macchina o la tanica del carburante in presenza di fiamme libere, scintille o spie, come vicino a uno scaldabagno o altre apparecchiature.
Parcheggiate la macchina su una superficie pianeggiante, disinnestate il comando delle lame (PDF) e spostate le leve di controllo del movimento verso l'esterno, in posizione di PARCHEGGIO.
Spegnete il motore, rimuovete la chiave e attendete l’arresto di tutte le parti in movimento prima di lasciare la posizione di funzionamento.
Eliminate residui d'erba, morchia e fanghiglia dalle parti esterne della macchina, in particolare dal motore e dall'impianto idraulico. Eliminate morchia e sporcizia dall’esterno del motore, dalle alette della testata e dal convogliatore.
Important: La macchina può essere lavata con un detersivo neutro ed acqua. Non utilizzate lance ad alta pressione. Non utilizzate una quantità d’acqua eccessiva, in particolare in prossimità della plancia, del motore, delle pompe idrauliche e dei motori.
Verificate il funzionamento del freno di stazionamento; fate riferimento a Posizione di parcheggio.
Revisionate il filtro dell'aria; vedere Revisione del filtro dell'aria.
Ingrassate la macchina; vedere Lubrificazione.
Cambiate l’olio del carter; vedere Cambio dell’olio motore.
Controllate la pressione degli pneumatici; vedere Controllo della pressione degli pneumatici.
Cambiate la batteria; vedere Ricarica della batteria.
Se rimessate la macchina con la batteria installata, scollegate il cavo negativo (nero) dalla batteria.
Raschiate i depositi di erba e morchia dal sottoscocca, quindi lavate la macchina con un flessibile da giardino.
Note: Dopo il lavaggio, fate funzionare la macchina con il controllo della lama (PDF) innestato ed il motore al minimo superiore per 2–5 minuti.
Controllate le condizioni delle lame; vedere Revisione delle lame di taglio.
Preparate la macchina per il rimessaggio per oltre 30 giorni nel modo seguente:
Aggiungete stabilizzatore/additivo del carburante al carburante fresco nel serbatoio. Osservate le istruzioni per la miscelazione riportate dal produttore dello stabilizzatore del carburante. Non utilizzare stabilizzatori a base di alcol (etanolo o metanolo).
Lasciate in funzione il motore per distribuire il carburante condizionato attraverso l'impianto del carburante per 5 minuti.
Spegnete il motore, lasciate che si raffreddi e spurgate il serbatoio del carburante utilizzando un sifone del tipo a pompa, o lasciate in funzione il motore fino allo spegnimento.
Smaltite il carburante nel rispetto dell'ambiente. Riciclate il carburante nel rispetto delle leggi locali.
Important: Non stoccate il carburante contenente stabilizzatore/additivo più a lungo della durata raccomandata dal produttore dello stabilizzatore.
Rimuovete e verificate le condizioni della/e candela/e; fate riferimento a Manutenzione della candela. Con la candela (o candele) staccata dal motore, versate 30 ml (2 cucchiaiate) d'olio motore nel foro della candela. Attivate il motorino di avviamento elettrico per distribuire l'olio nel cilindro. Installate la/e candela/e. Non montate il cappellotto sulla candela (o candele).
Controllate e serrate tutti i dispositivi di fissaggio. Riparate o sostituite le parti danneggiate.
Ritoccate tutti i graffi e le superfici metalliche sverniciate. La vernice può essere ordinata al Centro di Assistenza autorizzato di zona.
Riponete la macchina in una rimessa o in un deposito pulito ed asciutto. Togliete la chiave dall'interruttore e tenetela fuori dalla portata dei bambini o di altri utenti non autorizzati. Coprite la macchina con un telo per proteggerla e mantenerla pulita.
Caricate completamente la batteria.
Lasciate riposare la batteria per 24 ore, quindi verificatene la tensione.
Note: Se la tensione della batteria è inferiore a 12,6 V, ripetete i passaggi 1 e 2.
Scollegate i cavi dalla batteria.
Controllate periodicamente la tensione per assicurarvi che sia pari o superiore a 12,4 V.
Note: Se la tensione della batteria è inferiore a 12,4 V, ripetete i passaggi 1 e 2.
Se state rimessando la batteria fuori dalla macchina, procedete come segue:
Riponete la batteria in un luogo fresco e asciutto, in posizione verticale.
Non accatastate le batterie direttamente una sopra l'altra, a meno che non siano contenute in scatole.
Non accatastate più di 3 batterie (e soltanto 2 se le batterie sono di tipo commerciale).
Testate una batteria a liquido ogni 4-6 mesi e, se necessario, caricatela.
Testate e caricate sempre la batteria prima di installarla.
| Problem | Possible Cause | Corrective Action |
|---|---|---|
| Il serbatoio del carburante ha segni di cedimento o la macchina indica spesso l'esaurimento del carburante. |
|
|
| Il motore si surriscalda. |
|
|
| Il motorino di avviamento non si avvia. |
|
|
| Il motore non si avvia, ha difficoltà di avviamento o perde potenza. |
|
|
| Il motore perde potenza. |
|
|
| La trazione non funziona. |
|
|
| La macchina inizia a vibrare in modo insolito. |
|
|
| L'altezza di taglio è irregolare. |
|
|
| Le lame non girano. |
|
|
