| Intervalo de mantenimiento y servicio | Procedimiento de mantenimiento |
|---|---|
| Cada vez que se utilice o diariamente |
|
Este cortacésped de asiento de cuchillas rotativas está diseñado para ser usado por usuarios domésticos en aplicaciones residenciales. Está diseñado principalmente para segar césped bien mantenido. El uso de este producto para otros propósitos que los previstos podría ser peligroso para usted y para otras personas.
Lea este manual detenidamente para aprender a utilizar y mantener correctamente su producto, y para evitar lesiones y daños al producto. Usted es responsable de utilizar el producto de forma correcta y segura.
Visite www.Toro.com para buscar materiales de formación y seguridad o información sobre accesorios, para localizar un distribuidor o para registrar su producto.
Cuando necesite asistencia técnica, piezas genuinas Toro o información adicional, póngase en contacto con un Servicio Técnico Autorizado o con Asistencia al Cliente de Toro, y tenga a mano los números de modelo y serie de su producto. La Figura 1 identifica la ubicación de los números de serie y de modelo en el producto. Escriba los números en el espacio provisto.
Important: Con su dispositivo móvil, puede escanear el código QR de la calcomanía del número de serie (en su caso) para acceder a información sobre la garantía, las piezas, y otra información sobre el producto.

Anote a continuación los números de modelo y de serie de su producto:
Este manual utiliza 2 palabras para resaltar información. Importante llama la atención sobre información mecánica especial, y Nota resalta información general que merece una atención especial.
El símbolo de alerta de seguridad (Figura 2) aparece tanto en este manual como en la máquina para identificar mensajes de seguridad importantes que debe seguir para evitar accidentes. Este símbolo aparecerá junto a la palabra Danger (Peligro), Warning (Advertencia) o Caution (Cuidado).
Peligro: Indica una situación peligrosa inminente, que si no se evita, causará la muerte o lesiones graves.
Advertencia indica una situación potencialmente peligrosa que si no se evita, podría causar la muerte o lesiones graves.
Cuidado indica una situación potencialmente peligrosa que si no se evita, podría causar lesiones menores o moderadas.

El uso o la operación del motor en cualquier terreno forestal, de monte o cubierto de hierba a menos que el motor esté equipado con parachispas (conforme a la definición de la sección 4442) mantenido en buenas condiciones de funcionamiento, o que el motor haya sido fabricado, equipado y mantenido para la prevención de incendios, constituye una infracción de la legislación de California (California Public Resource Code Section 4442 o 4443).
Par bruto o neto: el par bruto o neto de este motor fue calculada por el fabricante del motor con arreglo a lo estipulado en el documento J1940 o J2723 de la Society of Automotive Engineers (Sociedad de Ingenieros del Automóvil - SAE). Debido a que el motor está configurado para cumplir los requisitos de seguridad, emisiones y operación, su potencia real en este tipo de cortacésped será significativamente menor. Consulte la información del fabricante del motor incluida con la máquina.
El Manual del propietario del motor adjunto ofrece información sobre las normas de la U.S. Environmental Protection Agency (EPA) y de la California Emission Control Regulation sobre sistemas de emisiones, mantenimiento y garantía. Puede solicitarse un manual nuevo al fabricante del motor.
CALIFORNIA
Advertencia de la Propuesta 65
Los gases de escape de este producto contienen productos químicos que el Estado de California sabe que causan cáncer, defectos congénitos u otros peligros para la reproducción.
Los bornes, terminales y otros accesorios de la batería contienen plomo y compuestos de plomo, productos químicos reconocidos por el Estado de California como causantes de cáncer y daños reproductivos. Lávese las manos después de manejar el material.
El uso de este producto puede provocar la exposición a sustancias químicas que el Estado de California considera causantes de cáncer, defectos congénitos u otros trastornos del sistema reproductor.
Este producto es capaz de amputar manos y pies y de lanzar objetos al aire. Siga siempre todas las instrucciones de seguridad con el fin de evitar lesiones personales graves o la muerte.
Lea y comprenda el contenido de este Manual del operador antes de arrancar el motor.
Mantenga alejadas a otras personas y a niños.
No deje que la máquina sea utilizada o mantenida por niños o por personas que no hayan recibido la formación adecuada. Sólo permita que manejen o mantengan la máquina personas responsables, formadas, familiarizadas con las instrucciones y físicamente capaces de utilizar la máquina.
No utilice la máquina cerca de terraplenes, fosas, taludes, agua, u otros peligros, o en pendientes de más de 15°.
No coloque las manos o los pies cerca de los componentes en movimiento de la máquina.
No utilice la máquina sin que estén colocados y funcionen correctamente todos los protectores, interruptores de seguridad y otros dispositivos de protección o seguridad.
Pare el motor, retire la llave y espere a que se detengan todas las piezas en movimiento antes de abandonar el puesto del operador. Deje que se enfríe la máquina antes de hacer trabajos de ajuste, mantenimiento, repostaje, limpieza o almacenamiento.

![]() |
Las pegatinas de seguridad e instrucciones están a la vista del operador y están ubicadas cerca de cualquier zona de peligro potencial. Sustituya cualquier calcomanía que esté dañada o que falte. |






La pegatina 138-6074 forma parte integral del depósito de combustible moldeado.


La pegatina 139-2391 es para modelos sin horímetro.




La pegatina 140-2717 es para modelos con horímetro.




Familiarícese con todos los controles antes de poner en marcha el motor y trabajar con la máquina.

El interruptor de encendido, que se utiliza para arrancar y apagar el motor, tiene tres posiciones: PARADA, MARCHA y ARRANQUE (Figura 5).
El acelerador controla la velocidad del motor y tiene un ajuste variable continuo de LENTO a RáPIDO (Figura 5).
Utilice el control del estárter para poner en marcha el motor en frío (Figura 5).
El mando de control de las cuchillas, representado por un símbolo de toma de fuerza (TDF), engrana y desengrana la transmisión de potencia a las cuchillas del cortacésped (Figura 5).
El horímetro registra el número de horas de operación de la máquina. Funciona cuando el motor está en marcha. Utilice el recuento de horas para programar el mantenimiento regular (Figura 5).
Las palancas de control de movimiento se utilizan para conducir la máquina hacia adelante, hacia atrás y girarla en ambos sentidos (Figura 4).
Mueva las palancas de control de movimiento desde el centro hacia fuera, a la posición APARCAR, para poner el freno de estacionamiento al detener o bajarse de la máquina.
La palanca del sistema de control Smart Speed™, situada debajo del puesto del operador, le permite conducir la máquina en 3 intervalos de velocidad: Perfilar, Remolcar y Segar (Figura 22).
Puede utilizar la mirilla de combustible, situada en el lado izquierdo de la máquina para verificar la presencia de combustible en el depósito (Figura 6).

La palanca de altura de corte se utiliza para bajar y elevar la carcasa desde su asiento. Cuando levanta la palanca (hacia usted), la carcasa se eleva del suelo, y cuando la baja (alejándola), la carcasa baja al suelo. Ajuste la altura de corte solamente cuando la máquina esté detenida (Figura 23).
Las especificaciones y diseños están sujetos a modificación sin previo aviso.
| Anchura de corte | 86 cm (34") |
| Anchura con el deflector bajado | 114 cm (45") |
| Anchura con el deflector elevado | 104 cm (41") |
| Longitud | 185 cm (73") |
| Altura | 99 cm (39") |
| Peso | 306 kg (675 libras) |
Está disponible una selección de aperos y accesorios homologados por Toro que pueden utilizarse con la máquina a fin de potenciar y aumentar sus prestaciones. Póngase en contacto con su Servicio Técnico Autorizado o con su distribuidor autorizado Toro, o visite www.Toro.com para obtener una lista de todos los aperos y accesorios homologados.
Para asegurar un rendimiento óptimo y mantener la certificación de seguridad de la máquina, utilice solamente piezas y accesorios genuinos Toro. Las piezas de repuesto y accesorios de otros fabricantes podrían ser peligrosos, y su uso podría invalidar la garantía del producto.
Note: Los lados derecho e izquierdo de la máquina se determinan desde la posición normal del operador.
No deje que la máquina sea utilizada o mantenida por niños o por personas que no hayan recibido la formación adecuada. La normativa local puede imponer límites sobre la edad del operador. El propietario es responsable de proporcionar formación a todos los operadores y mecánicos.
Inspeccione la zona donde se va a utilizar la máquina, y retire cualquier objeto que pudiera interferir con el funcionamiento de la máquina o que pudiera ser arrojado por la máquina.
Familiarícese con la operación segura del equipo, los controles del operador y las señales de seguridad.
Compruebe que los controles de presencia del operador, los interruptores de seguridad y los protectores están instalados y que funcionan correctamente. No utilice la máquina si no funcionan correctamente.
Pare el motor, retire la llave y espere a que se detengan todas las piezas en movimiento antes de abandonar el puesto del operador. Deje que se enfríe la máquina antes de hacer trabajos de ajuste, mantenimiento, repostaje, limpieza o almacenamiento.
Antes de segar, inspeccione la máquina para asegurarse de que los conjuntos de corte funcionan correctamente.
Evalúe el terreno para determinar cuáles son los equipos y aperos o accesorios apropiados que se requieren para operar la máquina de manera adecuada y segura.
Lleve ropa adecuada, incluyendo protección ocular, pantalón largo, calzado resistente y antideslizante y protección auricular. Si tiene el pelo largo, recójaselo, y no lleve joyas o prendas sueltas.
No lleve pasajeros en la máquina.
Mantenga a otras personas y a los animales domésticos alejados de la máquina durante el uso. Apague la máquina y los accesorios si alguien entra en la zona.
No utilice la máquina a menos que todos los protectores y dispositivos de seguridad, como por ejemplo los deflectores y el recogedor entero, estén colocados y funcionen correctamente. Sustituya cualquier pieza desgastada o deteriorada cuando sea necesario.
El combustible es extremadamente inflamable y altamente explosivo. Un incendio o una explosión provocados por el combustible puede causarle quemaduras a usted y a otras personas así como daños materiales.
Para evitar que una carga estática prenda el combustible, retire la máquina del camión o del remolque y repóstela en el suelo, lejos de otros vehículos. Si esto no es posible, coloque un recipiente de combustible portátil en el suelo, lejos de otros vehículos, y llénelo; luego reposte la máquina desde el recipiente de combustible en vez de usar un surtidor o boquilla dosificadora de combustible.
Llene el depósito de combustible en el exterior sobre terreno llano, en una zona abierta y con el motor frío. Limpie cualquier combustible derramado.
No maneje combustible si está fumando, ni cerca de una llama desnuda o chispas.
No retire el tapón de combustible ni añada combustible al depósito si el motor está caliente o en marcha.
Si se derrama combustible, no intente arrancar el motor. Evite crear una fuente de ignición hasta que los vapores del combustible se hayan disipado.
Almacene el combustible en un recipiente homologado y manténgalo fuera del alcance de los niños.
El combustible es dañino o mortal si es ingerido. La exposición a largo plazo a los vapores puede causar lesiones y enfermedades graves.
Evite la respiración prolongada de los vapores.
Mantenga las manos y la cara alejadas de la boquilla y de la abertura del depósito de combustible.
Mantenga el combustible alejado de los ojos y la piel.
No guarde la máquina o un recipiente de combustible en un lugar donde pudiera haber una llama desnuda, chispas o una llama piloto, por ejemplo en un calentador de agua u otro electrodoméstico.
No utilice la máquina a menos que esté instalado un sistema completo de escape en buenas condiciones de funcionamiento.
Mantenga la boquilla en contacto con el borde del depósito de combustible o el orificio del recipiente en todo momento hasta que termine de repostar. No utilice dispositivos que mantengan abierta la boquilla.
Si se derrama combustible sobre su ropa, cámbiese de ropa inmediatamente.
No llene demasiado el depósito de combustible. Vuelva a colocar el tapón de combustible y apriételo firmemente.
Limpie la hierba y los residuos de la unidad de corte, el silenciador, las transmisiones, el recogedor y el compartimento del motor para ayudar a prevenir incendios. Limpie cualquier aceite o combustible derramado.
| Tipo | Gasolina sin plomo |
| Octanaje mínimo | 87 (US) o 91 (RON; fuera de los Estados Unidos) |
| Etanol | No más del 10 % por volumen |
| Metanol | Ninguna |
| MTBE (éter metil tert-butílico) | Menos del 15 % por volumen |
| Aceite | No añadir al combustible |
Utilice solamente combustible limpio y fresco (no más de 30 días de antigüedad) de origen acreditado.
Utilice estabilizador/acondicionador en la máquina para mantener el combustible fresco durante más tiempo, siguiendo las indicaciones del fabricante del estabilizador de combustible.
Important: No utilice aditivos de combustible que contengan metanol o etanol.
Agregue la cantidad apropiada de estabilizador/acondicionador a combustible fresco, siguiendo las indicaciones del fabricante del estabilizador de combustible.
Aparque la máquina en una superficie nivelada.
Mueva las palancas de control de movimiento hacia fuera, a la posición APARCAR.
Apague el motor y retire la llave.
Limpie alrededor del tapón del depósito de combustible.
Llene el depósito de combustible hasta la parte inferior del cuello de llenado (Figura 7). No llene completamente el depósito de combustible

Cada día, antes de arrancar la máquina, siga los procedimientos marcados como “Cada uso/A diario” en la sección .
Los motores nuevos necesitan tiempo para desarrollar toda su potencia. La fricción generada por las carcasas y los sistemas de propulsión de los cortacéspedes es mayor cuando éstos son nuevos, lo que supone una carga adicional para el motor. Las máquinas nuevas necesitan un periodo de rodaje de 40–50 horas para desarrollar la máxima potencia y el mejor rendimiento.
Si los interruptores de seguridad están desconectados o dañados, la máquina podría ponerse en marcha inesperadamente y causar lesiones personales.
No manipule los interruptores de seguridad.
Compruebe la operación de los interruptores de seguridad cada día, y sustituya cualquier interruptor dañado antes de operar la máquina.
El sistema de interruptores de seguridad ha sido diseñado para impedir que el motor arranque, a menos que:
El mando de control de las cuchillas (TDF) está desengranado.
Las palancas de control de movimiento están en la posición APARCAR.
El sistema de interruptores de seguridad está diseñado para detener el motor si se mueven las palancas de control fuera de la posición de APARCAR y usted se levanta del asiento.
| Intervalo de mantenimiento y servicio | Procedimiento de mantenimiento |
|---|---|
| Cada vez que se utilice o diariamente |
|
Verifique el sistema de interruptores de seguridad cada vez que vaya a utilizar la máquina. Si el sistema no funciona de la forma que se describe a continuación, póngase en contacto con un Servicio Técnico Autorizado para que lo reparen inmediatamente.
Siéntese en el asiento, mueva las palancas de control de movimiento en la posición de APARCAR, y mueva el mando de control de las cuchillas a la posición de ENGRANADO. Intente arrancar el motor; el motor no debe arrancar.
Siéntese en el asiento y ponga el mando de control de las cuchillas en la posición de DESENGRANADO. Mueva cualquiera de las palancas de control de movimiento a la posición central desbloqueada. Intente arrancar el motor; el motor no debe arrancar. Repita con la otra palanca de control de movimiento.
Siéntese en el asiento, mueva el mando de control de las cuchillas a DESENGRANADO y bloquee las palancas de control de movimiento en la posición de APARCAR. Arranque el motor. Con el motor en marcha, engrane el mando de control de las cuchillas y levántese un poco del asiento; el motor debe pararse.
Siéntese en el asiento, mueva el mando de control de las cuchillas a DESENGRANADO y bloquee las palancas de control de movimiento en la posición de APARCAR. Arranque el motor. Con el motor en marcha, mueva las palancas de control de movimiento a la posición central, desbloqueadas y levántese un poco del asiento; el motor debe pararse.
El asiento puede moverse hacia adelante y hacia atrás. Coloque el asiento en la posición que le permita controlar mejor la máquina y en la que esté más cómodo (Figura 8).

Las palancas de control de movimiento pueden ser ajustadas hacia arriba o hacia abajo para que su manejo sea más cómodo (Figura 9).

Las palancas de control de movimiento pueden ser ajustadas hacia adelante o hacia atrás que su manejo sea más cómodo.
Retire el perno superior que sujeta la palanca de control al brazo de la palanca.
Afloje el perno inferior lo suficiente para poder desplazar hacia adelante o hacia atrás la palanca de control.

Apriete ambos pernos para fijar la palanca de control en la posición nueva.
Repita el ajuste con la otra palanca de control.
El propietario/operador puede prevenir y es responsable de cualquier accidente que pueda provocar lesiones personales o daños materiales.
Dedique toda su atención al manejo de la máquina. No realice ninguna actividad que pudiera distraerle; de lo contrario, pueden producirse lesiones o daños materiales.
No utilice la máquina si está enfermo, cansado, o bajo la influencia de alcohol o drogas.
El contacto con la cuchilla puede causar lesiones personales graves. Pare el motor, retire la llave y espere a que se detengan todas las piezas en movimiento antes de abandonar el puesto del operador. Cuando gire la llave a la posición de DESCONECTADO, el motor debe apagarse y la cuchilla debe detenerse. Si no, deje de usar la máquina inmediatamente y póngase en contacto con un Servicio Técnico Autorizado.
Utilice la máquina solo en buenas condiciones de visibilidad y bajo condiciones meteorológicas apropiadas. No haga funcionar la máquina cuando hay riesgo de tormentas eléctricas.
Mantenga las manos y los pies alejados de las unidades de corte. Manténgase alejado del orificio de descarga.
No siegue con el deflector de descarga elevado, retirado o modificado, a menos que tenga colocado y en buenas condiciones de funcionamiento un sistema de recogida de hierba o un kit de mulching.
No corte el césped en marcha atrás a menos que sea absolutamente necesario. Mire siempre hacia abajo y detrás de usted antes de conducir la máquina en marcha atrás.
Extreme la precaución al acercarse a esquinas ciegas, arbustos, árboles u otros objetos que puedan bloquear su visión.
Pare las cuchillas siempre que no esté segando.
Si la máquina golpea un objeto o empieza a vibrar, apague inmediatamente el motor, retire la llave (en su caso), espere a que se detengan todas las piezas en movimiento antes de examinar la máquina en busca de daños. Haga todas las reparaciones necesarias antes de volver a utilizar la máquina.
Vaya más despacio y tenga cuidado al girar y al cruzar calles y aceras con la máquina. Ceda el paso siempre.
Antes de abandonar la posición del operador, haga lo siguiente:
Aparque la máquina en una superficie nivelada.
Desengrane la TDF y baje los accesorios.
Ponga el freno de estacionamiento.
Apague el motor y retire la llave.
Espere a que se detengan todas las piezas en movimiento.
Haga funcionar el motor únicamente en zonas bien ventiladas. Los gases de escape contienen monóxido de carbono, que es letal si se inhala.
No deje nunca desatendida la máquina si está funcionando.
Conecte los equipos remolcados a la máquina únicamente en el punto de enganche.
No utilice la máquina a menos que todos los protectores y dispositivos de seguridad, como por ejemplo los deflectores y el recogedor entero, estén colocados y funcionen correctamente. Sustituya cualquier pieza desgastada o deteriorada cuando sea necesario.
Utilice solamente accesorios y aperos homologados por Toro.
Esta máquina produce niveles sonoros que superan los 85 dBA en el oído del operador, y pueden causar pérdidas auditivas con períodos extendidos de exposición.

Limpie la hierba y los residuos de la unidad de corte, las transmisiones, el silenciador y el motor para prevenir incendios.
Arranque el motor con los pies bien alejados de las cuchillas.
Esté pendiente del sentido de descarga del cortacésped y no oriente la descarga hacia nadie. Evite descargar material contra una pared u otra obstrucción, porque el material podría rebotar hacia usted.
Pare las cuchillas, reduzca la velocidad de la máquina y extreme las precauciones al cruzar superficies que no sean de hierba o al transportar la máquina a y desde la zona de trabajo.
No cambie la velocidad del regulador del motor ni haga funcionar el motor a una velocidad excesiva.
A menudo los niños se sienten atraídos por la máquina y la actividad de segar. No suponga nunca que los niños van a permanecer en el último lugar en que los vio.
Mantenga a los niños alejados de la zona de trabajo y bajo la atenta mirada de un adulto responsable que no sea el operador.
Esté alerta y apague la máquina si entran niños en la zona de trabajo.
Antes de conducir en marcha atrás o girar la máquina, mire hacia abajo y hacia atrás para asegurarse de que no hay niños pequeños presentes.
No lleve niños en la máquina, incluso cuando las cuchillas no están en movimiento. Los niños podrían caerse y sufrir lesiones graves, o podrían impedir que usted maneje la máquina con seguridad. Cualquier niño que haya sido transportado en el pasado podría aparecer sin aviso en la zona de trabajo, y podría ser arrollado por la máquina, incluso en marcha atrás.
Las pendientes son una de las principales causas de accidentes por pérdida de control y vuelcos, que pueden causar lesiones graves o la muerte. El operador es responsable de la seguridad cuando trabaja en pendientes. El uso de la máquina en cualquier pendiente exige un cuidado especial. Antes de usar la máquina en una pendiente, haga lo siguiente:
Lea y comprenda las instrucciones sobre pendientes del manual y las que están colocadas en la máquina.
Utilice un indicador de ángulo para determinar la inclinación aproximada de la zona.
No utilice la máquina nunca en pendientes de más de 15°.
Evalúe las condiciones del lugar de trabajo para determinar si es seguro trabajar en la pendiente con la máquina. Utilice el sentido común y el buen juicio al realizar este evaluación. Cualquier cambio que se produzca en el terreno, como por ejemplo un cambio de humedad, puede afectar rápidamente al uso de la máquina en una pendiente.
Identifique cualquier obstáculo situado en la base de la pendiente. No utilice la máquina cerca de terraplenes, fosas, taludes, agua, u otros peligros. La máquina podría volcar repentinamente si una rueda pasa por el borde de un terraplén o fosa, o si se socava un talud. Mantenga una distancia prudente (el doble de la anchura de la máquina) entre la máquina y cualquier obstáculo. Utilice una máquina dirigida o una desbrozadora manual para segar la hierba en estas zonas.
Evite arrancar, parar o girar la máquina en cuestas o pendientes. Evite hacer cambios bruscos de velocidad o de dirección; gire poco a poco, y a baja velocidad.
No utilice la máquina en condiciones que puedan comprometer la tracción, la dirección o la estabilidad de la máquina. Tenga en cuenta que conducir en hierba mojada, atravesar pendientes empinadas, o bajar cuestas puede hacer que la máquina pierda tracción. La transferencia de peso a las ruedas delanteras puede hacer que patine la máquina, con pérdida de frenado y de control de dirección. La máquina puede deslizarse incluso con las ruedas motrices inmovilizadas.
Retire o señale cualquier obstáculo, como zanjas, baches, surcos, montículos, rocas u otros peligros ocultos. La hierba alta puede ocultar obstáculos. Un terreno irregular puede hacer que la máquina vuelque.
Extreme las precauciones al trabajar con accesorios o aperos, como por ejemplo sistemas de recogida de hierba. Éstos pueden afectar a la estabilidad de la máquina y causar pérdidas de control. Siga las instrucciones sobre los contrapesos.
Si es posible, mantenga la carcasa bajada al suelo mientras trabaje en pendientes. La elevación de la carcasa mientras se trabaja en pendientes puede hacer que la máquina pierda estabilidad.

Enganche el equipo a remolcar únicamente en el punto de enganche.
No utilice la máquina como vehículo de remolque a menos que tenga un enganche instalado.
No supere los límites de peso establecidos para equipos remolcados y para el remolque en pendientes. El peso remolcado no debe superar el peso de la máquina y del operador.
No deje que se acerquen niños u otras personas al equipo remolcado.
En las pendientes, el peso del equipo remolcado puede causar una pérdida de tracción, aumentar el riesgo de vuelco o provocar una pérdida de control. Reduzca el peso remolcado y vaya más despacio.
La distancia de parada puede aumentar con el peso de la carga remolcada. Conduzca lentamente y deje una distancia de parada mayor.
Haga giros abiertos para mantener el accesorio alejado de la máquina.
El mando de control de las cuchillas (TDF) arranca y detiene las cuchillas del cortacésped y cualquier accesorio conectado.

Puede mover el control del acelerador entre las posiciones de RáPIDO y LENTO (Figura 16).
Utilice siempre la posición de RáPIDO para engranar la TDF.

Utilice el estárter para poner en marcha el motor en frío.
Tire hacia arriba del mando para engranar el estárter antes de usar el interruptor de encendido (Figura 17).
Note: Asegúrese de activar completamente el estárter. Puede ser necesario sujetar el mando hacia arriba mientras acciona el interruptor de encendido.
Presione hacia abajo el control del estárter para desactivar el estárter después de que el motor arranque (Figura 17).

Note: Si el motor está caliente, puede no ser necesario usar el estárter.
Important: No active el motor de arranque durante más de 5 segundos cada vez. Si se acciona el motor de arranque durante más de 5 segundos seguidos, puede dañarse. Si el motor no arranca, espere 10 segundos antes de utilizar el motor de arranque de nuevo.

Desengrane las cuchillas moviendo el mando de control de las cuchillas a la posición de DESENGRANADO (Figura 15).
Mueva las palancas de control de movimiento hacia fuera, a la posición de APARCAR.
Mueva la palanca del acelerador a la posición indicada y deje que el motor funcione en ralentí durante 1 minuto.
En motores Kawasaki, mueva la palanca del acelerador a la posición de LENTO.
En motores Kohler, mueva la palanca del acelerador a una posición intermedia entre media y máxima velocidad.
Gire la llave a la posición de DESCONECTADO y retire la llave.
Los niños u otras personas podrían resultar lesionados si mueven o intentan operar la máquina mientras está desatendida.
Retire siempre la llave y ponga el freno de estacionamiento cuando deje la máquina sin supervisión.

Las ruedas motrices giran de manera independiente, impulsadas por motores hidráulicos en cada eje. Un lado puede girar hacia atrás mientras el otro lado gira hacia adelante, haciendo que la máquina rote sobre su eje en lugar de trazar una curva. Esto mejora mucho la maniobrabilidad de la máquina, pero puede ser necesario un periodo de adaptación si no está familiarizado con este sistema.
El control del acelerador regula la velocidad del motor en rpm (revoluciones por minuto). Ponga el acelerador en posición RáPIDO para conseguir el mejor rendimiento. Siegue siempre con el acelerador en posición rápido.
La máquina puede girar muy rápidamente. Usted puede perder el control de la máquina y causar lesiones personales o daños a la máquina.
Extreme las precauciones al girar.
Reduzca la velocidad de la máquina antes de hacer giros cerrados.
Note: Tenga cuidado siempre al girar.
Mueva las palancas a la posición central de desbloqueo.
Para ir hacia adelante, empuje lentamente las palancas de control de movimiento hacia adelante (Figura 20).

Note: Extreme siempre las precauciones en marcha atrás y en los giros.
Mueva las palancas a la posición central, desbloqueadas.
Para ir hacia atrás, tire lentamente de las palancas de control de movimiento hacia atrás (Figura 21).

La palanca del sistema de control Smart Speed™, situada debajo del puesto del operador (Figura 22), permite al operador conducir la máquina en 3 intervalos de velocidad: Perfilar, Remolcar y Segar.

Para cambiar de velocidad:
Ponga las palancas de control de movimiento en punto muerto y luego muévalas hacia afuera a la posición de APARCAR.
Desengrane el mando de control de las cuchillas.
Ajuste la palanca a la posición deseada.
A continuación se ofrecen unas simples recomendaciones de uso. Los ajustes variarán según el tipo de hierba, el contenido de humedad y la altura de la hierba.
| Sugerencias de uso: | Perfilar | Remolcar | Segar |
| Estacionamiento | X | ||
| Césped húmedo y pesado | X | ||
| Capacitación | X | ||
| Perfilar césped | X | ||
| Ensacado | X | ||
| Mulching | X | ||
| Remolcar accesorios | X | ||
| Siega normal | X | ||
| Cómo desplazar la máquina | X |
Perfilar
Ésta es la velocidad más baja. Los usos recomendados para esta velocidad son:
Estacionamiento
Siega de césped húmedo y pesado
Capacitación
Perfilar césped
Remolcar
Ésta es la velocidad intermedia. Los usos recomendados para esta velocidad son:
Ensacado
Mulching
Remolcar accesorios
Segar
Ésta es la velocidad más alta. Los usos recomendados para esta velocidad son:
Siega normal
Cómo desplazar la máquina
El cortacésped cuenta con un deflector de hierba abisagrado que dispersa los recortes de hierba a un lado y hacia abajo, hacia el césped.
Si la máquina no tiene correctamente montado un deflector de hierba, una tapa de descarga o un recogedor completo, usted y otras personas están expuestos a contacto con las cuchillas y a residuos lanzados al aire. El contacto con las cuchillas del cortacésped en rotación y con los residuos lanzados al aire causará lesiones o muerte.
No retire nunca el deflector de hierba de la carcasa de corte porque el deflector de hierba dirige el material hacia abajo, al césped. Si el deflector de hierba se deteriora alguna vez, sustitúyalo inmediatamente.
No coloque nunca las manos o los pies debajo de la carcasa del cortacésped.
No intente nunca despejar la zona de descarga o las cuchillas del cortacésped sin antes mover el mando de control de las cuchillas (TDF) a la posición de DESENGRANADO, girar el interruptor de encendido a DESCONECTADO y retirar la llave del interruptor de encendido.
Compruebe que el deflector de hierba está bajado.
Note: La posición de transporte es la posición de altura de corte más alta, 114 mm (4½"), según se muestra en Figura 23.
Puede ajustar la altura de corte de 38 a 114 mm (1½" a 4½") en incrementos de 13 mm (½"). La altura de corte es controlada por la palanca situada a la derecha del puesto del operador (Figura 23).

Cada vez que usted cambie la altura de corte, ajuste también la altura de los rodillos protectores del césped.
Note: Ajuste los rodillos protectores del césped para que los rodillos no toquen el suelo en zonas de siega llanas y normales.
Aparque la máquina en una superficie nivelada, desengrane el mando de control de las cuchillas y ponga las palancas de control de movimiento hacia fuera a la posición de APARCAR.
Apague el motor, retire la llave y espere a que se detengan todas las piezas en movimiento antes de abandonar el puesto del operador.
Ajuste los rodillos protectores del césped a una de las posiciones siguientes:
Taladro superior – utilice esta posición cuando la carcasa de corte está en la posición de altura de corte de 63 mm (2½") o menos (Figura 24).
Taladro inferior – utilice esta posición cuando la carcasa de corte está en la posición de altura de corte de 76 mm (3") o más (Figura 24).

Para aumentar al máximo la calidad de corte y la circulación de aire, trabaje con el motor en la posición de RáPIDO. Se requiere aire para cortar bien la hierba, así que no ponga la altura de corte tan baja como para rodear totalmente la carcasa de corte de hierba sin cortar. Trate siempre de tener un lado de la carcasa de corte libre de hierba sin cortar, para permitir la entrada de aire en la carcasa.
Corte la hierba algo más larga de lo habitual para asegurar que la altura de corte de la carcasa de corte no deje “calvas” en terrenos desiguales. Sin embargo, la altura de corte utilizada habitualmente suele ser la mejor. Si la hierba tiene más de 15 cm (6") de alto, es preferible cortar el césped dos veces para asegurar una calidad de corte aceptable.
Es mejor cortar solamente un tercio aproximadamente de la hoja de hierba. No se recomienda cortar más, a menos que la hierba sea escasa o al final del otoño, cuando la hierba crece más despacio.
Alterne la dirección de corte para mantener la hierba erguida. De esta forma también se ayuda a dispersar mejor los recortes sobre el césped y se conseguirá una mejor descomposición y fertilización.
La hierba crece a velocidades diferentes en diferentes épocas del año. Para mantener la misma altura de corte, corte el césped con más frecuencia durante la primavera. A medida que avanza el verano, la velocidad de crecimiento de la hierba decrece, por ello debe cortarse con menor frecuencia. Si no puede segar durante un período de tiempo prolongado, siegue primero con una altura de corte alta y, después de dos días, vuelva a segar con un ajuste más bajo.
En ciertas condiciones, segar a una velocidad de avance más baja puede mejorar la calidad de corte.
Al cortar césped de altura irregular, eleve la altura de corte para evitar arrancar el césped.
Si es necesario detener el avance de la máquina mientras se corta el césped, es posible que caiga un montón de recortes sobre el césped. Para evitar esto, diríjase con las cuchillas engranadas a una zona del césped que ya haya sido segada, o desengrane la carcasa de corte al desplazarse hacia adelante.
Limpie los recortes y la suciedad de los bajos de la carcasa de corte después de cada uso. Si se acumulan hierba y suciedad en el interior de la carcasa de corte, la calidad del corte llegará a ser insatisfactoria.
Mantenga las cuchillas afiladas durante toda la temporada de corte, ya que una cuchilla afilada corta limpiamente y sin rasgar o deshilachar las hojas de hierba. Si se rasgan o se deshilachan, los bordes de las hojas se secarán, lo cual retardará su crecimiento y favorecerá la aparición de enfermedades. Compruebe después de cada uso que las cuchillas están bien afiladas y que no están desgastadas o dañadas. Elimine cualquier mella con una lima, y afile las cuchillas si es necesario. Si una cuchilla está desgastada o deteriorada, sustitúyala inmediatamente por una cuchilla nueva genuina Toro. Consulte Mantenimiento de las cuchillas de corte.
Pare el motor, retire la llave y espere a que se detengan todas las piezas en movimiento antes de abandonar el puesto del operador. Deje que se enfríe la máquina antes de hacer trabajos de ajuste, mantenimiento, repostaje, limpieza o almacenamiento.
Limpie la hierba y los residuos de la unidad de corte, el silenciador, las transmisiones, el recogedor y el compartimento del motor para ayudar a prevenir incendios. Limpie cualquier aceite o combustible derramado.
Retire la llave antes de almacenar o transportar la máquina.
| Intervalo de mantenimiento y servicio | Procedimiento de mantenimiento |
|---|---|
| Después de cada uso |
|
Important: La máquina puede lavarse con un detergente suave y agua. No lave la máquina a presión. Evite el uso excesivo de agua, especialmente cerca del panel de control, debajo del asiento, y alrededor del motor, de las bombas hidráulicas y de los motores eléctricos.
Aparque la máquina en una superficie nivelada, desengrane el mando de control de las cuchillas y ponga las palancas de control de movimiento hacia fuera en la posición de APARCAR.
Pare el motor y espere a que se detengan todas las piezas en movimiento antes de abandonar el puesto del operador.
Limpie la hierba y los residuos de la unidad de corte, el silenciador, las transmisiones, el recogedor y el motor. Utilice aire comprimido siempre que sea posible.
Note: Consulte Cómo lavar la parte inferior de la carcasa de corte para obtener información acerca de cómo usar el conector de lavado de la carcasa.
Aparque la máquina en una superficie nivelada, desengrane el mando de control de las cuchillas y ponga las palancas de control de movimiento hacia fuera en la posición de APARCAR.
Pare el motor y espere a que se detengan todas las piezas en movimiento antes de abandonar el puesto del operador.
Localice las palancas de desvío en el bastidor en cada lado del motor.
Mueva ambas palancas de desvío hacia delante a través del orificio ranurado y hacia abajo para bloquearlas en esa posición (Figura 25).
El contacto con superficies calientes puede causar lesiones personales.
Mantenga las manos, los pies, la cara, la ropa y otras partes del cuerpo alejados del motor, del silenciador y de otras superficies calientes.
La máquina podría desplazarse accidentalmente mientras las palancas de derivación están bloqueadas hacia adelante en la ranura, y causar lesiones a usted o a otras personas.
Bloquee las palancas de desvío hacia atrás después de mover la máquina.

Para quitar el freno de estacionamiento, mueva ambas palancas de control de movimiento a la posición central desbloqueada.
Note: No arranque la máquina.
Mueva la máquina según sea necesario.
Important: Empuje siempre la máquina a mano. No remolque la máquina porque podría dañarla.
Mueva las palancas de control de movimiento hacia fuera, a la posición APARCAR.
Mueva ambas palancas de desvío hacia atrás y hacia abajo a través del orificio ranurado para bloquearlas en esa posición.
Utilice un remolque para cargas pesadas o un camión para transportar la máquina. Utilice una rampa de ancho completo. Asegúrese de que el remolque o el camión tenga todos los frenos y todas las luces y señalizaciones requeridos por la ley. Por favor, lea cuidadosamente todas las instrucciones de seguridad. El conocer esta información puede ayudar a evitarle lesiones a usted o a otras personas. Consulte en la normativa local los requisitos aplicables al remolque y al sistema de amarre.
Conducir en una calle o carretera sin señales de giro, luces, marcas reflectantes o un indicador de vehículo lento es peligroso y puede ser causa de accidentes que pueden provocar lesiones personales.
No conduzca la máquina en una calle o carretera pública.
El cargar la máquina en un remolque o un camión aumenta la posibilidad de un vuelco y podría causar lesiones graves o la muerte (Figura 26).
Utilice únicamente una rampa de ancho completo; no utilice rampas individuales para cada lado de la máquina.
No supere un ángulo de 15 grados entre la rampa y el suelo, o entre la rampa y el remolque o camión.
Asegúrese de que la rampa tiene una longitud de al menos cuatro veces la altura de la plataforma del remolque o del camión sobre el suelo. De esta forma se asegura que el ángulo de la rampa no supere los 15 grados en terreno llano.

El cargar la máquina en un remolque o un camión aumenta la posibilidad de un vuelco y podría causar lesiones graves o la muerte.
Extreme las precauciones al hacer funcionar la máquina en una rampa.
Suba la máquina por la rampa en marcha atrás y baje la máquina por la rampa conduciendo hacia adelante.
Evite acelerar o desacelerar bruscamente al conducir la máquina en una rampa, porque esto podría provocar un vuelco o una pérdida de control.
Si utiliza un remolque, conéctelo al vehículo de remolque y conecte las cadenas de seguridad.
En su caso, conecte los frenos y las luces del remolque.
Baje la rampa, asegurándose de que el ángulo entre la rampa y el suelo no supera los 15 grados (Figura 26).
Suba la máquina por la rampa en marcha atrás (Figura 27).

Apague el motor, retire la llave y mueva las palancas de control de movimiento hacia fuera a la posición de APARCAR.
Amarre la máquina junto a las ruedas giratorias delanteras y el bastidor trasero con correas, cadenas, cables o cuerdas (Figura 28). Consulte la normativa local respecto a los requisitos de amarre.
Note: Dirija las correas hacia abajo y hacia fuera respecto a la máquina.

Note: Los lados derecho e izquierdo de la máquina se determinan desde la posición normal del operador.
Si deja la llave en el interruptor, alguien podría arrancar el motor accidentalmente y causar lesiones graves a usted o a otras personas. Retire la llave del interruptor de encendido antes de realizar cualquier operación de mantenimiento.
Antes de abandonar el puesto del operador, haga lo siguiente:
Aparque la máquina en una superficie nivelada.
Desengrane las transmisiones.
Ponga el freno de estacionamiento.
Apague el motor y retire la llave.
Deje que los componentes de la máquina se enfríen antes de realizar tareas de mantenimiento.
No permita que personas que no hayan recibido formación realicen mantenimiento en la máquina.
Mantenga las manos y los pies alejados de las piezas en movimiento y las superficies calientes. Si es posible, no haga ajustes mientras el motor está funcionando.
Alivie con cuidado la tensión de aquellos componentes que tengan energía almacenada.
Compruebe frecuentemente el funcionamiento del freno de estacionamiento. Ajústelo y realice el mantenimiento cuando sea necesario.
No manipule nunca los dispositivos de seguridad. Compruebe regularmente que funcionan correctamente.
Limpie la hierba y los residuos de la unidad de corte, el silenciador, las transmisiones, el recogedor y el compartimento del motor para prevenir incendios.
Limpie cualquier derrame de aceite o combustible y retire cualquier residuo empapado en combustible.
No confíe en gatos hidráulicos o mecánicos para apoyar la máquina; apoye la máquina sobre gatos fijos cada vez que eleve la máquina.
Mantenga todas las piezas en buenas condiciones de uso y todas las fijaciones bien apretadas, especialmente las fijaciones de las cuchillas. Sustituya cualquier pegatina que esté desgastada o deteriorada.
Desconecte el cable del borne negativo de la batería antes de reparar la máquina.
Para asegurar un rendimiento óptimo, utilice únicamente piezas y accesorios genuinos de Toro. Las piezas de repuesto y accesorios de otros fabricantes podrían ser peligrosos, y su uso podría invalidar la garantía del producto.
| Intervalo de mantenimiento y servicio | Procedimiento de mantenimiento |
|---|---|
| Cada vez que se utilice o diariamente |
|
| Después de cada uso |
|
| Cada 25 horas |
|
| Cada 100 horas |
|
| Cada 100 horas o cada año, lo que ocurra primero |
|
| Cada 200 horas |
|
| Cada 300 horas |
|
| Antes del almacenamiento |
|
Important: Consulte los demás procedimientos de mantenimiento del manual del propietario del motor.
Si deja la llave en el interruptor, alguien podría arrancar el motor accidentalmente y causar lesiones graves a usted o a otras personas.
Apague el motor y retire la llave del interruptor antes de realizar cualquier operación de mantenimiento.
Utilice soportes fijos para apoyar la máquina al elevarla.
Si se apoya la máquina en el protector inferior del silenciador (Figura 29) puede dañar el protector y hacer que la máquina caiga, causando lesiones a usted o a otras personas.
No utilice el protector inferior del silenciador para elevar o apoyar la máquina.

| Intervalo de mantenimiento y servicio | Procedimiento de mantenimiento |
|---|---|
| Cada 25 horas |
|
Tipo de grasa: Grasa de litio Nº 2
Aparque la máquina en una superficie nivelada, desengrane el mando de control de las cuchillas y ponga las palancas de control de movimiento hacia fuera a la posición de APARCAR.
Pare el motor, retire la llave y espere a que se detengan todas las piezas en movimiento antes de abandonar el puesto del operador.
Limpie los engrasadores (Figura 30) con un trapo.
Note: Raspe la pintura que pudiera haber sobre los puntos de engrase.

Conecte una pistola de engrasar a cada engrasador (Figura 30).
Bombee grasa hasta que empiece a rezumar grasa de los cojinetes.
Limpie cualquier exceso de grasa.
Mantenga las manos, los pies, la cara, otras partes del cuerpo y la ropa alejados del silenciador y de otras superficies calientes. Deje que se enfríen los componentes del motor antes de realizar cualquier tarea de mantenimiento.
No cambie la velocidad del regulador del motor ni haga funcionar el motor a una velocidad excesiva.
Use el siguiente gráfico para identificar el motor que usted tiene, y pase a la sección que se indica a continuación para realizar tareas de mantenimiento.

Para el mantenimiento de motores Kawasaki, consulte Mantenimiento de un motor Kawasaki.
Para el mantenimiento de motores Kohler, consulte Mantenimiento de un motor Kohler.
| Intervalo de mantenimiento y servicio | Procedimiento de mantenimiento |
|---|---|
| Cada vez que se utilice o diariamente |
|
| Cada 300 horas |
|
Note: Haga el mantenimiento del limpiador de aire con mayor frecuencia (después de pocas horas) si el entorno de trabajo tiene mucho polvo o arena.
Aparque la máquina en una superficie nivelada, desengrane el mando de control de las cuchillas y mueva las palancas de control de movimiento hacia fuera a la posición APARCAR.
Apague el motor, retire la llave y espere a que se detengan todas las piezas en movimiento antes de abandonar el puesto del operador.
Limpie alrededor de la tapa del limpiador de aire para evitar que la suciedad penetre en el motor y cause daños.
Afloje la abrazadera y retire el elemento de papel (Figura 32).

| Intervalo de mantenimiento y servicio | Procedimiento de mantenimiento |
|---|---|
| Cada 100 horas |
|
| Cada 200 horas |
|
Limpie el elemento de papel golpeándolo suavemente para eliminar el polvo.
Note: Si está muy sucio, cambie el elemento de papel por uno nuevo.
Inspeccione el filtro por si estuviera roto, tuviera una película aceitosa o la junta de goma estuviera dañada.
Cambie el elemento de papel si está dañado.
Important: No limpie el elemento de papel.
Tipo de aceite: Aceite detergente (Servicio API SJ o superior)
Capacidad del cárter: 1.5 l (51 onzas fluidas) sin filtro; 1.7 litros (57 onzas fluidas) con filtro
Viscosidad: Consulte la tabla siguiente.

| Intervalo de mantenimiento y servicio | Procedimiento de mantenimiento |
|---|---|
| Cada vez que se utilice o diariamente |
|
Note: Compruebe el aceite con el motor frío.
Important: Si sobrecarga o no llena lo suficiente el cárter del motor con aceite, podría dañarse el motor al ponerse en marcha.
Aparque la máquina en una superficie nivelada, desengrane el mando de control de las cuchillas y ponga las palancas de control de movimiento hacia fuera a la posición de APARCAR.
Apague el motor, retire la llave y espere a que se detengan todas las piezas en movimiento antes de abandonar el puesto del operador.
Note: Asegúrese de que el motor está frío, y que el aceite ha tenido tiempo para drenarse al cárter.
Para que no entre suciedad, recortes de hierba, etc., en el motor, limpie la zona alrededor del tapón de llenado/varilla de aceite antes de retirarlo (Figura 34).

| Intervalo de mantenimiento y servicio | Procedimiento de mantenimiento |
|---|---|
| Cada 100 horas |
|
Aparque la máquina de manera que el lado de drenaje esté ligeramente más bajo que el lado opuesto para asegurar que el aceite se drene completamente.
Desengrane el mando de control de las cuchillas (TDF) y ponga las palancas de control de movimiento hacia fuera a la posición APARCAR.
Pare el motor, retire la llave y espere a que se detengan todas las piezas en movimiento antes de abandonar el puesto del operador.
Drene el aceite del motor (Figura 35).

Vierta lentamente un 80 % aproximadamente del aceite especificado por el tubo de llenado, luego añada lentamente el resto del aceite hasta que llegue a la marca de Lleno (Figura 36).

Elimine el aceite usado en un centro de reciclaje.
| Intervalo de mantenimiento y servicio | Procedimiento de mantenimiento |
|---|---|
| Cada 200 horas |
|
Drene el aceite del motor; consulte Cambio del aceite del motor.
Sustituya el filtro de aceite del motor (Figura 37).

Note: Asegúrese de que la junta del filtro de aceite toca el motor, luego apriete el filtro de aceite ¾ de vuelta más.
Llene el cárter con el tipo correcto de aceite nuevo (Figura 36).
| Intervalo de mantenimiento y servicio | Procedimiento de mantenimiento |
|---|---|
| Cada 100 horas |
|
Asegúrese de que la distancia entre los electrodos central y lateral es correcta antes de instalar la bujía. Utilice una llave para bujías para desmontar e instalar la bujía y una galga de espesores/herramienta de separación de electrodos para comprobar y ajustar la distancia entre los mismos. Instale una bujía nueva si es necesario.
Tipo de bujía: NGK® BPR4ES
Distancia entre electrodos: 0.75 mm (0.03")
Aparque la máquina en una superficie nivelada, desengrane el mando de control de las cuchillas y mueva las palancas de control de movimiento hacia fuera a la posición APARCAR.
Pare el motor, retire la llave y espere a que se detengan todas las piezas en movimiento antes de abandonar el puesto del operador. Deje que el motor se enfríe.
Limpie la zona alrededor de la base de la bujía para que no caiga suciedad en el motor.
Retire la bujía (Figura 38).

Important: No limpie la(s) bujía(s). Cambie siempre las bujías si tienen un revestimiento negro, electrodos desgastados, una película aceitosa o grietas.
Si se observa un color gris o marrón claro en el aislante, el motor está funcionando correctamente. Si el aislante aparece de color negro, significa que el limpiador de aire está sucio.
Ajuste la distancia a 0.75 mm (0.03").


| Intervalo de mantenimiento y servicio | Procedimiento de mantenimiento |
|---|---|
| Cada vez que se utilice o diariamente |
|
Aparque la máquina en una superficie nivelada, desengrane el mando de control de las cuchillas y mueva las palancas de control de movimiento hacia fuera a la posición APARCAR.
Apague el motor, retire la llave y espere a que se detengan todas las piezas en movimiento antes de abandonar el puesto del operador.
Retire el filtro de aire del motor.
Retire la cubierta del motor.
Para evitar que se introduzcan residuos en la entrada de aire, instale el filtro de aire en la base del filtro.
Limpie cualquier hierba y residuo de todas las piezas.
Retire el filtro de aire e instale la cubierta del motor.
Instale el filtro de aire.
| Intervalo de mantenimiento y servicio | Procedimiento de mantenimiento |
|---|---|
| Cada 25 horas |
|
Note: Haga el mantenimiento del limpiador de aire con mayor frecuencia (después de pocas horas) si el entorno de trabajo tiene mucho polvo o arena.
Aparque la máquina en una superficie nivelada, desengrane el mando de control de las cuchillas y ponga las palancas de control de movimiento hacia fuera a la posición de APARCAR.
Apague el motor, retire la llave y espere a que se detengan todas las piezas en movimiento antes de abandonar el puesto del operador.
Limpie alrededor de la tapa del limpiador de aire para evitar que la suciedad penetre en el motor y cause daños.
Gire los cierres hacia fuera y retire la tapa para tener acceso a los elementos del limpiador de aire.

Separe los elementos de gomaespuma y papel (Figura 42).

Lave el elemento de espuma con jabón líquido y agua templada. Cuando el elemento esté limpio, enjuáguelo bien.
Seque el elemento apretándolo con un paño limpio.
Important: Sustituya el elemento de gomaespuma si está roto o desgastado.
Lubrique ligeramente el elemento de espuma usando aceite de motor nuevo, y apriete para eliminar cualquier exceso de aceite.
Limpie el elemento de papel golpeándolo suavemente para eliminar el polvo.
Note: Si está muy sucio, cambie el elemento de papel por uno nuevo.
Inspeccione el filtro por si estuviera roto, tuviera una película aceitosa o la junta de goma estuviera dañada.
Cambie el elemento de papel si está dañado.
Important: No limpie el filtro de papel.
Instale el elemento de espuma del prelimpiador sobre el elemento de papel.
Note: Asegúrese de no dañar los elementos.
Instale los elementos del limpiador de aire en la base del limpiador de aire.
Instale la tapa y sujétela con los enganches (Figura 32).
Tipo de aceite: Aceite detergente (incluyendo sintético) de servicio API SJ o superior
Capacidad del cárter: 1.9 litros (64 onzas fluidas) con filtro de aceite
Viscosidad: Consulte la tabla siguiente.

| Intervalo de mantenimiento y servicio | Procedimiento de mantenimiento |
|---|---|
| Cada vez que se utilice o diariamente |
|
Note: Compruebe el aceite con el motor frío.
Important: Si sobrecarga o no llena lo suficiente el cárter del motor con aceite, podría dañarse el motor al ponerse en marcha.
Aparque la máquina en una superficie nivelada, desengrane el mando de control de las cuchillas y ponga las palancas de control de movimiento hacia fuera a la posición de APARCAR.
Apague el motor, retire la llave y espere a que se detengan todas las piezas en movimiento antes de abandonar el puesto del operador.
Note: Asegúrese de que el motor está frío, y que el aceite ha tenido tiempo para drenarse al cárter.
Para que no entre suciedad, recortes de hierba, etc., en el motor, limpie la zona alrededor del tapón de llenado/varilla de aceite antes de retirarlo (Figura 44).

| Intervalo de mantenimiento y servicio | Procedimiento de mantenimiento |
|---|
Aparque la máquina en una superficie nivelada para asegurarse de que el aceite drene por completo.
Aparque la máquina en una superficie nivelada, desengrane el mando de control de las cuchillas y mueva las palancas de control de movimiento hacia fuera a la posición APARCAR.
Apague el motor, retire la llave y espere a que se detengan todas las piezas en movimiento antes de abandonar el puesto del operador.
Drene el aceite del motor (Figura 45).

Sustituya el filtro de aceite del motor (Figura 46).
Note: Asegúrese de que la junta del filtro de aceite toca el motor, luego apriete el filtro ¾ de vuelta más.

Vierta lentamente un 80% aproximadamente del aceite especificado por el tubo de llenado, luego añada lentamente el resto del aceite hasta que llegue a la marca de Lleno (Figura 47).

Elimine el aceite usado en un centro de reciclaje.
| Intervalo de mantenimiento y servicio | Procedimiento de mantenimiento |
|---|---|
| Cada 200 horas |
|
Asegúrese de que la distancia entre los electrodos central y lateral es correcta antes de instalar la bujía. Utilice una llave para bujías para desmontar e instalar la bujía y una galga de espesores/herramienta de separación de electrodos para comprobar y ajustar la distancia entre los mismos. Instale una bujía nueva si es necesario.
Tipo: Champion® XC12YC
Distancia entre electrodos: 0.76 mm (0.03")
Aparque la máquina en una superficie nivelada, desengrane el mando de control de las cuchillas y mueva las palancas de control de movimiento hacia fuera a la posición APARCAR.
Apague el motor, retire la llave y espere a que se detengan todas las piezas en movimiento antes de abandonar el puesto del operador.
Limpie la zona alrededor de la base de la bujía para que no caiga suciedad en el motor.
Retire la bujía (Figura 48).

Important: No limpie la(s) bujía(s). Cambie siempre las bujías si tienen un revestimiento negro, electrodos desgastados, una película aceitosa o grietas.
Si se observa un color gris o marrón claro en el aislante, el motor está funcionando correctamente. Si el aislante aparece de color negro, significa que el limpiador de aire está sucio.
Ajuste la distancia a 0.75 mm (0.03").


| Intervalo de mantenimiento y servicio | Procedimiento de mantenimiento |
|---|---|
| Cada 100 horas |
|
Para asegurar una refrigeración correcta, asegúrese de mantener limpias en todo momento la rejilla, las aletas de refrigeración, y otras superficies externas del motor.
Limpie las aletas de refrigeración y las superficies externas según sea necesario. Asegúrese de que las cubiertas de refrigeración están instaladas. Apriete los tornillos de la carcasa del soplador a 7.5 N·m.
Important: La operación del motor con la rejilla bloqueada, las aletas de refrigeración sucias o atascadas, o sin las tapas de ventilación dañará el motor debido al sobrecalentamiento.
En ciertas condiciones, el combustible es extremadamente inflamable y altamente explosivo. Un incendio o una explosión provocados por el combustible puede causarle quemaduras a usted y a otras personas así como daños materiales.
Consulte Seguridad en el manejo del combustible para obtener una lista completa de precauciones relacionadas con el sistema de combustible.
| Intervalo de mantenimiento y servicio | Procedimiento de mantenimiento |
|---|---|
| Cada 100 horas |
|
No instale nunca un filtro sucio después de retirarlo del tubo de combustible.
Aparque la máquina en una superficie nivelada, desengrane el mando de control de las cuchillas y ponga las palancas de control de movimiento hacia fuera a la posición de APARCAR.
Pare el motor, retire la llave y espere a que se detengan todas las piezas en movimiento antes de abandonar el puesto del operador. Deje que el motor se enfríe.
Cambie el filtro (Figura 51).
Note: Asegúrese de que la flecha de dirección de flujo del filtro nuevo apunta hacia el motor.

Desconecte el cable del borne negativo de la batería antes de reparar la máquina.
Cargue la batería en una zona abierta y bien ventilada, lejos de chispas y llamas. Desenchufe el cargador antes de conectar o desconectar la batería. Lleve ropa protectora y utilice herramientas aisladas.
Los bornes de la batería o una herramienta metálica podrían hacer cortocircuito si entran en contacto con los componentes metálicos de la máquina, causando chispas. Las chispas podrían hacer explotar los gases de la batería, causando lesiones personales.
Al retirar o colocar la batería, no deje que los bornes toquen ninguna parte metálica de la máquina.
No deje que las herramientas metálicas hagan cortocircuito entre los bornes de la batería y las partes metálicas de la máquina.
Aparque la máquina en una superficie nivelada, desengrane el mando de control de las cuchillas y mueva las palancas de control de movimiento hacia fuera a la posición APARCAR.
Apague el motor, retire la llave y espere a que se detengan todas las piezas en movimiento antes de abandonar el puesto del operador.
Levante el asiento para tener acceso a la batería.
Desconecte el cable negativo de tierra (negro) del borne de la batería (Figura 52).
Note: Guarde todas las fijaciones.
Una desconexión incorrecta de los cables de la batería podría dañar la máquina y los cables, causando chispas. Las chispas podrían hacer explotar los gases de la batería, causando lesiones personales.
Desconecte siempre el cable negativo (negro) de la batería antes de desconectar el cable positivo (rojo).
Conecte siempre el cable positivo (rojo) de la batería antes de conectar el cable negativo (negro).
Retire la cubierta de goma del cable positivo (rojo).
Desconecte el cable positivo (rojo) del borne de la batería (Figura 52).
Note: Guarde todos los herrajes.
Retire la correa de sujeción de la batería (Figura 52) y levante la batería para retirarla de su bandeja.

| Intervalo de mantenimiento y servicio | Procedimiento de mantenimiento |
|---|---|
| Antes del almacenamiento |
|
Retire la batería del chasis; consulte Retirada de la batería.
Cargue la batería a un ritmo de 6 a 10 amperios durante 1 hora como mínimo.
Note: No sobrecargue la batería.
Cuando la batería esté completamente cargada, desconecte el cargador de la toma de electricidad, luego desconecte los cables del cargador de los bornes de la batería (Figura 53).

Coloque la batería en la bandeja (Figura 52).
Usando las fijaciones que retiró anteriormente, conecte el cable positivo (rojo) al borne positivo (+) de la batería.
Usando las fijaciones que retiró anteriormente, conecte el cable negativo al borne negativo (-) de la batería.
Deslice la cubierta de goma roja sobre el borne positivo (rojo) de la batería.
Fije la batería con la correa de sujeción (Figura 52).
Baje el asiento.
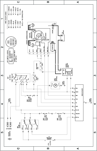
El sistema eléctrico está protegido con fusibles. No requiere mantenimiento; no obstante, si se funde un fusible, compruebe que no hay avería ni cortocircuito en el componente/circuito.
Tipo de fusible:
Principal – F1 (25 amperios, tipo chapa)
Circuito de carga – F2 (15 amperios, tipo chapa)
Aparque la máquina en una superficie nivelada, desengrane el mando de control de las cuchillas y ponga las palancas de control de movimiento hacia fuera a la posición de APARCAR.
Pare el motor, retire la llave y espere a que se detengan todas las piezas en movimiento antes de abandonar el puesto del operador.
Levante el asiento para tener acceso a los fusibles.
Para cambiar un fusible, tire del fusible para retirarlo (Figura 54).

Baje el asiento.
| Intervalo de mantenimiento y servicio | Procedimiento de mantenimiento |
|---|---|
| Cada 25 horas |
|
Mantenga la presión especificada de los neumáticos delanteros y traseros. Una presión desigual en los neumáticos puede hacer que el corte sea desigual. Compruebe la presión en la válvula (Figura 55). Las lecturas de presión son más exactas cuando los neumáticos están fríos.
Infle las ruedas giratorias delanteras a 2.06 bar (30 psi) o a la presión que se indica en el flanco, la que sea inferior.
Infle los neumáticos de las ruedas motrices traseros a 0.9 bar (13 psi).

Si la máquina se desvía hacia un lado al conducirla hacia adelante a velocidad máxima en una superficie plana y nivelada, ajuste la dirección.
Si la máquina se desvía hacia la izquierda, ajuste la palanca de control de movimiento derecha; si la máquina se desvía hacia la derecha, ajuste la palanca de control de movimiento izquierda.
Note: Sólo puede ajustar la dirección para la conducción hacia adelante.
Aparque la máquina en una superficie nivelada, desengrane el mando de control de las cuchillas y mueva las palancas de control de movimiento hacia fuera a la posición APARCAR.
Pare el motor, retire la llave y espere a que se detengan todas las piezas en movimiento antes de abandonar el puesto del operador.
Localice el perno de ajuste de la dirección cerca de la palanca de control de movimiento del lado que debe ajustarse (Figura 56).
Note: Levante el asiento para facilitar el acceso al perno de ajuste.
Gire el perno para reducir la velocidad de esa rueda en particular.
Note: Gire el perno una pequeña cantidad para realizar ajustes menores.

Arranque la máquina y conduzca hacia adelante por una superficie plana y nivelada con las palancas de control de movimiento totalmente hacia adelante para comprobar si la máquina avanza en línea recta. Repita el procedimiento según sea necesario.
| Intervalo de mantenimiento y servicio | Procedimiento de mantenimiento |
|---|---|
| Cada 25 horas |
|
Cambie la correa si está desgastada. Las señales de una correa desgastada incluyen chirridos cuando la correa está en movimiento, patinaje de las cuchillas durante la siega, bordes deshilachados, o marcas de quemaduras o grietas.
Las señales de una correa desgastada incluyen chirridos cuando la correa está en movimiento, patinaje de las cuchillas durante la siega, bordes deshilachados, o marcas de quemaduras o grietas. Cambie la correa si observa cualquiera de estas condiciones.
Aparque la máquina en una superficie nivelada, desengrane el mando de control de las cuchillas y mueva las palancas de control de movimiento hacia fuera a la posición APARCAR.
Apague el motor, retire la llave y espere a que se detengan todas las piezas en movimiento antes de abandonar el puesto del operador.
Ajuste la altura de corte a la posición más baja de 38 mm (1½").
Retire el pasador de horquilla y presione la pestaña de la cubierta para retirar las cubiertas de las poleas (Figura 57).

Usando una herramienta para la retirada de muelles (Pieza Toro Nº 92-5771), retire el muelle tensor del gancho de la carcasa para eliminar la tensión de la polea tensora, y retire la correa de las poleas (Figura 58).
El muelle está tensado cuando está instalado, y puede causar lesiones personales.
Tenga cuidado al retirar la correa.

Pase la correa nueva alrededor de las poleas del motor y del cortacésped (Figura 58).
Usando una herramienta para la retirada de muelles (Pieza Toro N.º 92-5771), instale el muelle tensor sobre el gancho de la carcasa y tense la polea tensora y la correa (Figura 58).
Instale las cubiertas de la polea.
Inspeccione periódicamente las cuchillas en busca de desgaste y daños.
Tenga cuidado al revisar las cuchillas. Envuelva las cuchillas o lleve guantes, y extreme las precauciones al realizar el mantenimiento de las cuchillas. Solo reemplace o afile las cuchillas; no las enderece ni las suelde nunca.
En máquinas con múltiples cuchillas, tenga cuidado puesto que girar una cuchilla puede hacer que giren otras cuchillas.
Sustituya cuchillas o pernos gastados o dañados en conjuntos completos para no desequilibrar la máquina.
Para garantizar una calidad de corte superior, mantenga afiladas las cuchillas. Para que el afilado y la sustitución sean más cómodos, conserve un stock de cuchillas de repuesto.
Aparque la máquina en una superficie nivelada, desengrane el mando de control de las cuchillas y ponga las palancas de control de movimiento hacia fuera a la posición de APARCAR.
Apague el motor, retire la llave y desconecte los cables de las bujías.
| Intervalo de mantenimiento y servicio | Procedimiento de mantenimiento |
|---|---|
| Cada vez que se utilice o diariamente |
|
Inspeccione los filos de corte (Figura 59).
Si los filos están romos o tienen muescas, retire la cuchilla y afílela; consulte Afilado de las cuchillas.
Inspeccione las cuchillas, especialmente en la parte curva.
Si observa fisuras, desgaste o la formación de una ranura en esta zona, instale de inmediato una cuchilla nueva (Figura 59).

Note: La máquina debe estar sobre una superficie nivelada para realizar el procedimiento siguiente.
Eleve la carcasa de corte a la altura de corte más alta.
Llevando guantes fuertemente acolchados u otro tipo de protección apropiada para las manos, gire la cuchilla lentamente hasta una posición que permita medir la distancia entre el filo de corte y la superficie nivelada en la que descansa la máquina (Figura 60).

Mida desde la punta de la cuchilla hasta la superficie plana (Figura 61).

Gire la misma cuchilla 180 grados de manera que el otro extremo esté en la misma posición (Figura 62).

Mida desde la punta de la cuchilla hasta la superficie plana (Figura 63).
Note: La diferencia no debe ser superior a 3 mm (⅛").

Si la diferencia entre A y B es de más de 3 mm (⅛"), sustituya la cuchilla por una cuchilla nueva; consulte Cómo retirar las cuchillas y Instalación de las cuchillas.
Note: Si cambia una cuchilla doblada por una nueva, y la dimensión obtenida sigue siendo de más de 3 mm (⅛"), el eje de la cuchilla podría estar doblado. Póngase en contacto con su Servicio Técnico Autorizado para que revise la máquina.
Si la diferencia está dentro de los límites, pase a la cuchilla siguiente.
Repita este procedimiento con cada cuchilla.
Cambie las cuchillas si han golpeado un objeto sólido o si una cuchilla está desequilibrada o doblada.
Sujete el extremo de la cuchilla usando un trapo o un guante grueso.
Retire del eje el perno de la cuchilla, la arandela curva y la cuchilla (Figura 64).

Utilice una lima para afilar el filo de corte en ambos extremos de la cuchilla (Figura 65).
Note: Mantenga el ángulo original.
Note: La cuchilla permanece equilibrada si se retira la misma cantidad de material de ambos bordes de corte.

Verifique el equilibrio de la cuchilla colocándola sobre un equilibrador de cuchillas (Figura 66).
Note: Si la cuchilla se mantiene horizontal, está equilibrada y puede utilizarse.
Note: Si la cuchilla no está equilibrada, rebaje algo el metal en la parte de la vela solamente con una lima (Figura 65).

Repita este procedimiento hasta que la cuchilla esté equilibrada.
Instale la cuchilla en el eje (Figura 64).
Important: La parte curva de la cuchilla debe apuntar hacia arriba, hacia el interior del cortacésped para asegurar un corte correcto.
Instale la arandela curva (con la copa hacia la cuchilla) y el perno de la cuchilla (Figura 64).
Apriete el perno de la cuchilla a 81–108 N·m (60 a 80 pies-libra).
Compruebe que la carcasa de corte está nivelada cada vez que instale el cortacésped o cuando observe un corte desigual en el césped.
Es necesario comprobar que las cuchillas no están dobladas antes de nivelar la carcasa, y retire y sustituya cualquier cuchilla que esté doblada; consulte Mantenimiento de las cuchillas de corte antes de continuar.
Nivele el cortacésped lateralmente primero, luego puede ajustar la inclinación longitudinal.
Requisitos:
La máquina debe estar sobre una superficie nivelada.
Todos los neumáticos deben estar correctamente inflados; consulte Comprobación de la presión de los neumáticos.
Aparque la máquina en una superficie nivelada, desengrane el mando de control de las cuchillas ( TDF) y ponga las palancas de control de movimiento hacia fuera a la posición de APARCAR.
Pare el motor, retire la llave y espere a que se detengan todas las piezas en movimiento antes de abandonar el puesto del operador.
Ajuste la altura de corte a 76 mm (3").
Gire cuidadosamente las cuchillas colocándolas perpendicularmente al sentido de avance de la máquina.
Mida entre los bordes de corte exteriores y la superficie plana (Figura 67).
Note: Si hay una diferencia de más de 5 mm (3/16") entre ambas dimensiones, se requiere un ajuste; consulte Nivelación lateral.

Verifique la inclinación longitudinal de las cuchillas cada vez que instale el cortacésped. Si la parte delantera del cortacésped está más de 7.9 mm (5/16") más baja que la parte trasera del cortacésped, ajuste la inclinación de las cuchillas.
Aparque la máquina en una superficie nivelada, desengrane el mando de control de las cuchillas ( TDF) y ponga las palancas de control de movimiento hacia fuera a la posición de APARCAR.
Pare el motor, retire la llave y espere a que se detengan todas las piezas en movimiento antes de abandonar el puesto del operador.
Ajuste la altura de corte a 76 mm (3").
Gire cuidadosamente las cuchillas colocándolas en el sentido de avance de la máquina (Figura 68).
Mida entre la punta de la cuchilla delantera y la superficie plana y entre la punta de la cuchilla trasera y la superficie plana (Figura 68).
Note: Si la punta de la cuchilla delantera no está entre 1.6 mm y 7.9 mm (1/16" y 5/16") más baja que la punta de la cuchilla trasera, continúe con el procedimiento Comprobación de la inclinación longitudinal de las cuchillas.

Vaya al lado izquierdo de la máquina.
Ajuste los rodillos protectores del césped en los taladros superiores o retírelos completamente para este procedimiento; consulte Ajuste de los rodillos protectores del césped.
Ponga la palanca de altura de corte en la posición de 76 mm (3"); consulte Ajuste de la altura de corte.
Coloque dos bloques de 6.6 cm (2⅝") de grosor debajo de cada lado del borde delantero de la carcasa, pero no debajo de los soportes de los rodillos protectores del césped (Figura 69).
Coloque dos bloques de 7.3 cm (2⅞") de grosor debajo del borde trasero del faldón de la carcasa de corte, uno en cada lado de la carcasa de corte (Figura 69).

Retire la chaveta y la arandela del pasador inferior del brazo de elevación (Figura 70).

Gire la placa de ajuste de la altura de corte a otro orificio para que apoye el peso de la carcasa de corte después de instalar la placa (Figura 71).

Instale la arandela y la chaveta (Figura 71).
Repita los pasos 6 a 8 en el otro lado de la máquina.
Compruebe la nivelación lateral otra vez; repita este procedimiento hasta que las medidas sean correctas.
Siga nivelando la carcasa de corte comprobando la inclinación longitudinal (delante/detrás) de las cuchillas; consulte Comprobación de la inclinación longitudinal de las cuchillas.
Gire la tuerca de ajuste de la parte delantera del cortacésped (Figura 72).

Para elevar la parte delantera de la carcasa del cortacésped, apriete la tuerca de ajuste.
Para bajar la parte delantera de la carcasa del cortacésped, afloje la tuerca de ajuste.
Después de realizar el ajuste, compruebe de nuevo la inclinación longitudinal, y siga ajustando la tuerca hasta que la punta de la cuchilla delantera esté entre 1.6 y 7.9 mm (1/16" a 5/16") más baja que la punta de la cuchilla trasera; consulte Comprobación de la inclinación longitudinal de las cuchillas.
Cuando la inclinación longitudinal sea correcta, compruebe de nuevo la nivelación lateral de la carcasa del cortacésped; consulte Comprobación de la nivelación lateral.
Aparque la máquina en una superficie nivelada, desengrane el mando de control de las cuchillas ( TDF) y ponga las palancas de control de movimiento hacia fuera a la posición de APARCAR.
Apague el motor, retire la llave y espere a que se detengan todas las piezas en movimiento antes de abandonar el puesto del operador.
Baje la palanca de ajuste de la altura de corte a la posición más baja.
Retire la chaveta de la varilla de soporte delantera y retire la varilla del soporte de la carcasa (Figura 73).

Baje cuidadosamente la parte delantera de la carcasa de corte al suelo.
En un lado de la máquina, retire la arandela y la chaveta del pasador de la carcasa (Figura 74).

Retire el brazo de elevación del pasador de la carcasa (Figura 74).
Repita los pasos 6 y 7 en el otro lado de la máquina.
Deslice la carcasa de corte hacia atrás para retirar la correa del cortacésped de la polea del motor.
Retire la carcasa de corte de debajo de la máquina.
Note: Guarde todas las piezas para instalaciones futuras.
Aparque la máquina en una superficie nivelada, desengrane el mando de control de las cuchillas (TDF) y ponga las palancas de control de movimiento hacia fuera a la posición de APARCAR.
Apague el motor, retire la llave y espere a que se detengan todas las piezas en movimiento antes de abandonar el puesto del operador.
Deslice el cortacésped debajo de la máquina.
Baje la palanca de ajuste de la altura de corte a la posición más baja.
En un lado de la máquina, levante la parte trasera de la carcasa de corte e instale el brazo de elevación en el pasador de la carcasa (Figura 74).
Instale el brazo de elevación usando la arandela y la chaveta (Figura 74).
Repita los pasos 5 y 6 en el otro lado de la máquina.
Conecte la varilla de soporte delantera a la carcasa de corte con el pasador y la chaveta (Figura 73).
Instale la correa del cortacésped sobre la polea del motor; consulte Sustitución de la correa del cortacésped.
| Intervalo de mantenimiento y servicio | Procedimiento de mantenimiento |
|---|---|
| Cada vez que se utilice o diariamente |
|
Si el hueco de descarga se deja destapado, la máquina podría arrojar objetos hacia usted o hacia otras personas y causar lesiones graves. También podría producirse un contacto con la cuchilla.
No utilice nunca la máquina sin haber instalado una placa de mulching, un deflector de descarga o un sistema de recogida de hierba.
Desenganche el muelle y retire la varilla de los soportes soldados de la carcasa, el muelle y el deflector de descarga (Figura 75).

Retire el deflector de descarga dañado o desgastado.
Coloque el nuevo deflector de descarga con los extremos de los soportes entre los soportes soldados de la carcasa, e instale la varilla y el muelle como se muestra en la Figura 75.
Note: Coloque el muelle en la varilla como se indica, de manera que el extremo corto del muelle suba desde debajo de la varilla antes de la curva y pase por encima de la varilla después de la curva.
Coloque el extremo de la varilla en la muesca del soporte (Figura 75).
Important: El muelle debe obligar al deflector de hierba a bajarse. Levante el deflector para verificar que baja a la posición de totalmente abatido.
| Intervalo de mantenimiento y servicio | Procedimiento de mantenimiento |
|---|---|
| Después de cada uso |
|
Important: La máquina puede lavarse con un detergente suave y agua. No lave la máquina a presión. Evite el uso excesivo de agua, especialmente cerca del panel de control, debajo del asiento, y alrededor del motor, de las bombas hidráulicas y de los motores eléctricos.
Lave los bajos de la carcasa de corte después de cada uso para evitar la acumulación de hierba y así mejorar el picado de la hierba y la dispersión de los recortes.
Aparque la máquina en una superficie nivelada, desengrane el mando de control de las cuchillas (TDF) y ponga las palancas de control de movimiento hacia fuera a la posición APARCAR.
Apague el motor, retire la llave y espere a que se detengan todas las piezas en movimiento antes de abandonar el puesto del operador.
Conecte el acoplamiento de la manguera al extremo del conector de lavado del cortacésped, y abra el grifo al máximo (Figura 76).
Note: Aplique vaselina a la junta tórica del conector de lavado para facilitar la conexión del acoplamiento y proteger la junta.

Baje el cortacésped a la altura de corte más baja.
Siéntese en el asiento y arranque el motor.
Engrane el mando de control de las cuchillas y deje que funcione el cortacésped de uno a tres minutos.
Desengrane el mando de control de las cuchillas, apague el motor, retire la llave, y espere a que se detengan todas las piezas en movimiento.
Cierre el grifo de agua y retire el acoplamiento del conector de lavado.
Note: Si el cortacésped no queda limpio después de un lavado, mójelo bien y espere unos 30 minutos. Luego repita el proceso.
Ponga el cortacésped en marcha de nuevo durante de uno a tres minutos para eliminar el exceso de agua.
Un conector de lavado roto o no instalado podría exponerle a usted y a otras personas a objetos lanzados o a contacto con las cuchillas. El contacto con una cuchilla o con residuos lanzados puede causar lesiones o la muerte.
Sustituya el conector de lavado si está roto o si no está instalado inmediatamente, antes de volver a utilizar la máquina.
No coloque nunca las manos o los pies debajo del cortacésped o a través de aberturas en la máquina.
El aceite de motor, las baterías, el fluido hidráulico y el refrigerante del motor son contaminantes medioambientales. Elimínelos de acuerdo con la normativa estatal y local.
Apague el motor, retire la llave y espere a que se detengan todas las piezas en movimiento antes de abandonar el puesto del operador. Deje que se enfríe la máquina antes de hacer trabajos de ajuste, mantenimiento, limpieza o almacenamiento.
No guarde la máquina o el combustible cerca de llamas, y no drene el combustible dentro de un edificio o dentro de un remolque cerrado.
No guarde la máquina o un recipiente de combustible en un lugar donde pudiera haber una llama desnuda, chispas o una llama piloto, por ejemplo en un calentador de agua u otro electrodoméstico.
Aparque la máquina en una superficie nivelada, desengrane el mando de control de las cuchillas ( TDF) y ponga las palancas de control de movimiento hacia fuera a la posición de APARCAR.
Apague el motor, retire la llave y espere a que se detengan todas las piezas en movimiento antes de abandonar el puesto del operador.
Retire los recortes de hierba, la suciedad y la mugre de las piezas externas de toda la máquina, especialmente el motor y el sistema hidráulico. Limpie la suciedad y la broza de la parte exterior del alojamiento de las aletas de la culata de cilindros del motor y del soplador.
Important: La máquina puede lavarse con un detergente suave y agua. No lave la máquina a presión. Evite el uso excesivo de agua, especialmente cerca del panel de control, el motor, las bombas hidráulicas y los motores eléctricos.
Compruebe el funcionamiento del freno de estacionamiento; consulte Posición Aparcar.
Revise el limpiador de aire; consulte Mantenimiento del motor.
Engrase la máquina; consulte Lubricación.
Cambie el aceite del cárter; consulte Mantenimiento del motor.
Compruebe la presión de los neumáticos; consulte Comprobación de la presión de los neumáticos.
Cargue la batería; consulte Cómo cargar la batería.
Si se almacena la máquina con la batería instalada, desconecte el cable negativo (negro) de la batería.
Rasque cualquier acumulación importante de hierba y suciedad de los bajos del cortacésped, luego lave la máquina con una manguera de jardín.
Note: Haga funcionar la máquina con el mando de control de las cuchillas (TDF) engranado y el motor en ralentí alto durante 2 a 5 minutos después del lavado.
Compruebe la condición de las cuchillas; consulte Mantenimiento de las cuchillas de corte.
Prepare la máquina para un almacenamiento de más de 30 días como se indica a continuación:
Agregue un estabilizador/acondicionador a combustible fresco en el depósito. Siga las instrucciones de mezcla del fabricante del estabilizador de combustible. No use un estabilizador a base de alcohol (etanol o metanol).
Haga funcionar el motor para distribuir el combustible con acondicionador por todo el sistema de combustible durante 5 minutos.
Apague el motor, deje que se enfríe y drene el depósito de combustible usando un sifón tipo bomba o haga funcionar el motor hasta que se apague.
Deseche el combustible adecuadamente. Recicle el combustible según la normativa local.
Important: No guarde combustible que contenga estabilizador/acondicionador durante más tiempo que el recomendado por el fabricante del estabilizador de combustible.
Retire la(s) bujía(s) y verifique su condición; consulte Mantenimiento del motor. Con la(s) bujía(s) retirada(s) del motor, vierta 30 ml (2 cucharadas soperas) de aceite de motor en el orificio de la bujía. Utilice el motor de arranque para hacer girar el motor y distribuir el aceite dentro del cilindro. Instale la(s) bujía(s). No instale los cables en la(s) bujía(s).
Compruebe y apriete todas las fijaciones. Repare o sustituya cualquier pieza dañada.
Pinte las superficies que estén arañadas o donde esté visible el metal. Puede adquirir la pintura en su Servicio Técnico Autorizado.
Guarde la máquina en un garaje o almacén seco y limpio. Retire la llave del interruptor y guárdela fuera del alcance de niños u otros usuarios no autorizados. Cubra la máquina para protegerla y para conservarla limpia.
Cargue totalmente la batería.
Deje que la batería descanse durante 24 horas, luego compruebe la tensión de la batería.
Note: Si el voltaje de la batería es de menos de 12.6 V, repita los pasos 1 y 2.
Desconecte los cables de la batería.
Compruebe el voltaje periódicamente para asegurarse de que el voltaje es de 12.4 V o más.
Note: Si el voltaje de la batería es de menos de 12.4 V, repita los pasos 1 y 2.
Si se almacena la batería fuera de la máquina, haga lo siguiente:
Guarde la batería en un lugar fresco y seco, en posición vertical.
No apile baterías directamente una encima de otra, a menos que estén en cajas.
No apile más de 3 baterías (solamente 2 si la batería es de tipo comercial).
Pruebe la batería húmeda cada 4 – 6 meses y cárguela, si es necesario.
Siempre pruebe y cargue la batería antes de instalarla.
| Problem | Possible Cause | Corrective Action |
|---|---|---|
| El depósito de combustible muestra señales de hundimiento o la máquina muestra señales de quedarse frecuentemente sin combustible. |
|
|
| El motor se sobrecalienta. |
|
|
| El motor de arranque no se engrana. |
|
|
| El motor no arranca, arranca con dificultad, o no sigue funcionando. |
|
|
| El motor pierde potencia. |
|
|
| No es posible conducir la máquina. |
|
|
| La máquina vibra de manera anormal. |
|
|
| La altura de corte no es homogénea. |
|
|
| Las cuchillas no giran. |
|
|
