Maintenance
Supporting the Cutting Unit
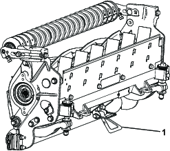
Whenever the cutting unit has to be tipped to expose the bedknife/reel, prop up the rear of the cutting unit with the kickstand (supplied with the traction unit) to make sure that the nuts on the back end of the bedbar adjusting screws are not resting on the work surface (Figure 26).

Lubricating the Cutting Units
Regularly lubricate the 5 grease fittings of each cutting unit (Figure 27) with No. 2 lithium grease.
There are 2 lubrication points on the front roller, 2 on the rear roller, and 1 at the reel-motor spline.
Note: Model 03192 does not have a front roller; there are only the 2 lubrication points on the rear roller and 1 at the reel-motor spline.
Important: Lubricating the cutting units immediately after washing helps purge water out of the bearings and increases bearing life.
-
Wipe each grease fitting with a clean rag.
-
Apply grease until clean grease comes out of the roller seals and the bearing relief valve.
-
Wipe any excess grease away.

Bedknife Specifications
Servicing the Bedknife
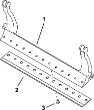
Removing the Bedbar/Bedknife Assembly
-
Turn the bedbar-adjuster screws counterclockwise to back the bedknife away from the reel (Figure 28).

-
Back out the spring-tension nut until the washer is no longer tensioned against the bedbar (Figure 28).
-
On each side of the machine, loosen the locknut securing the bedbar bolt (Figure 29).

-
Remove each bedbar bolt, allowing the bedbar to be pulled downward and removed from the cutting unit (Figure 29).
Account for 2 nylon washers and 1 steel washer on each end of the bedbar (Figure 30).

-
Remove the bedknife from the bedbar by removing all screws holding it in place. Use a socket wrench with the Bedknife Screw Tool (Part No. TOR510880).
Note: You may use a mechanical or pneumatic impact wrench to loosen the bedknife screws.
Note: Discard the bedknife and screws.
Installing the New Bedknife
-
Select a new bedknife per the Bedknife Selection Chart.
-
Remove the rust, scale, and corrosion from the bedbar surface and apply a thin layer of oil to the bedbar surface.
Important: Do not remove casting material from the bedbar. The bedbar is concave in the middle by design; do not grind.
-
Clean the threads in the bedbar.
-
Apply anti-seize compound on the new bedknife screws and install the bedknife on the bedbar.
Important: Only use new bedknife screws.
Note: The quantity of screws varies depending on the bedbar.

-
Torque the 2 outer screws to 1 N∙m (10 in-lb).
-
Working from the center of the bedknife, torque the screws to 29.8 +/- 1 N∙m (22 +/- 1 ft-lb).
Important: Do not tighten the bedknife screws using a mechanical or pneumatic impact wrench.

-
Grind the new bedknife; refer to Bedknife Service Chart.
Bedknife Service Chart
The bedknife service limits are listed in the following chart.
Important: Operating the cutting unit with the bedknife below the service limit may result in poor after-cut appearance and reduce the structural integrity of the bedknife for impacts.
| Bedknife Service Chart | ||||
| Bedknife | Part No. | Bedknife Lip Height | Service Limit* | Top/Front Grind Angles |
| Low HOC | 147-1248 (27 inch) | 5.6 mm (0.220 inch) | 4.8 mm (0.190 inch) | 10/5° |
| 147-1252 (32 inch) | ||||
| EdgeMax® | 137-6095 (27 inch) | 6.9 mm (0.270 inch) | 4.8 mm (0.190 inch) | 10/5° |
| Standard | 147-1249 (Model 03189/90, 27 inch) | 6.9 mm (0.270 inch) | 4.8 mm (0.190 inch) | 10/5° |
| 147-1253 (Model 03191, 32 inch) | ||||
| Heavy Duty | 147-1250 (Model 03192, 27 inch) | 9.3 mm (0.370 inch) | 4.8 mm (0.190 inch) | 10/5° |
| 147-1254 (32 inch) | ||||

Note: All bedknife service limit measurements relate to the bottom of the bedknife (Figure 34).

Checking the Top Grind Angle
The angle that you use to grind your bedknives is very important.
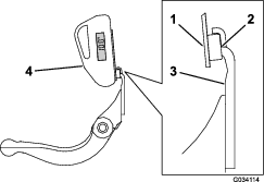
Use the angle indicator (Toro Part No. 131-6828) and the angle-indicator mount (Toro Part No. 131-6829) to check the angle that your grinder produces and then correct for any grinder inaccuracy.
-
Place the angle indicator on the bottom side of the bedknife as shown in Figure 35.

-
Press the Alt Zero button on the angle indicator.
-
Place the angle-indicator mount on the edge of the bedknife so that the edge of the magnet is mated with the edge of the bedknife (Figure 36).
Note: The digital display should be visible from the same side during this step as it was in step 1.

-
Place the angle indicator on the mount as shown in Figure 36.
Note: This is the angle that your grinder produces, and should be within 2° of the recommended top grind angle.
Installing the Bedbar/Bedknife Assembly
-
Install the bedbar/bedknife assembly, positioning the mounting ears between the washer and the bedbar-adjusting screw.
Important: Center the DPA adjusters in the bedbar ears as shown in Figure 37.If DPA adjusters are installed against the bedbar ears, this may negatively affect the bedknife-to-reel contact.

-
Secure the bedbar to each side plate with the bedbar bolts (nuts on bolts) and 3 washers (6 total).
-
Position a nylon washer on each side of the side-plate boss. Place a steel washer outside each of the nylon washers (Figure 30).
-
Torque the bedbar bolts to 37 to 45 N∙m (27 to 33 ft-lb).
-
Slowly tighten the bedbar locknuts until the outer steel washers just rotate by hand.
Important: Do not overtighten the locknuts or they will deflect the side plates.
Note: The nylon washer between the bedbar and slide plate will have a small gap.
-
Tighten the spring-tension nut until the spring is collapsed, then back it off 1/2 turn (Figure 38).

Reel Specifications
Installing the Front Shaft Assembly for Reel Grinding
Important: You must order the following parts so that the cutting unit can be fitted to a reel grinding machine:
| Qty. | Part | Part No. |
| 2 | Front HOC bracket | 125-2796 |
| 2 | Carriage bolt (3/8 x 1-1/2 inches) | 3231-4 |
| 2 | Locknut (3/8 inch) | 104-8301 |
| 2 | Hex-head bolt (5/16 x 1-1/8 inches) | 322-16 |
| 1 | Front roller shaft | 117-0957 |
-
Remove the shop roller assemblies (if equipped); refer to Adjusting the Shop Roller Assemblies (Model 03192 Only).
-
Using the carriage bolts and locknuts, install front HoC brackets to the top hole of the side plate (Figure 39).
Important: Ensure that the HOC bracket is installed with the carriage bolt at the top of the slot, so that the HOC bracket is as low as possible.

-
Install the shaft to the bottom of the HOC brackets using the 2 hex-head bolts.
-
Ensure that the shaft is parallel to the cutting unit; if it is not, loosen the carriage bolt on the low side and tighten it again when the shaft is parallel.
Relief-Grinding the Reel
The new reel has a land width of 1.3 to 1.5 mm (0.050 to 0.060 inch) and a 30° relief grind.
When the land width gets larger than 3 mm (0.120 inch) wide, do the following:
-
Apply a 30° relief grind on all reel blades until the land width is 1.3 mm (0.050 inch) wide (Figure 40).

-
Spin grind the reel to achieve <0.025 mm (0.001 inch) reel run-out.
Note: This causes the land width to grow slightly.
Note: To extend the longevity of the sharpness of the edge of the reel and the bedknife—after grinding the reel and/or the bedknife—check the reel to bedknife contact again after cutting 2 fairways, as any burrs will be removed, which may create improper reel to bedknife clearance and thus accelerate wear.
-
Using diameter measuring tape, measure the outside diameter of the reel at both ends (Figure 41); the difference in outside diameter between the ends should be less than 0.010 inches (0.250 mm). If the difference is greater, grind to correct the difference.
Note: Outside diameter measuring tape is available from your authorized Toro distributor.

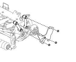
Servicing the HD Dual Point Adjusters (DPA)
-
Remove all parts (refer to the Installation Instructions for the HD DPA Kit and to Figure 42).
-
Apply anti-seize compound to the inside of the bushing area on cutting unit center frame (Figure 42).
-
Align the keys on flange bushings to the slots in the frame and install the bushings (Figure 42).
-
Install a wave washer onto the adjuster shaft and slide the adjuster shaft into the flange bushings in the frame of the cutting unit (Figure 42).
-
Secure the adjuster shaft with a flat washer and locknut (Figure 42).
-
Torque the locknut to 20 to 27 N∙m (15 to 20 ft-lb).
Note: The bedbar adjuster shaft has left-hand threads.

-
Apply anti-seize compound to the threads of the bedbar-adjuster screw that fit into the adjuster shaft.
-
Thread the bedbar-adjuster screw into the adjuster shaft.
-
Loosely install the hardened washer, spring, and spring tension nut onto the adjuster screw.
-
Install the bedbar, positioning the mounting ears between the washer and the bedbar adjuster.
-
Secure the bedbar to each side plate with the bedbar bolts (nuts on bolts) and 6 washers.
Note: Position a nylon washer on each side of the side-plate boss.
-
Place a steel washer outside each of the nylon washers (Figure 42).
-
Torque the bedbar bolts to 37 to 45 N∙m (27 to 33 ft-lb).
-
Tighten the locknuts until the outside steel washer stops rotating and end play is removed but do not overtighten or deflect the side plates.
Note: The washers on the inside may have a gap (Figure 42).
-
Tighten the nut on each bedbar-adjuster assembly until the compression spring is fully compressed, then loosen the nut 1/2 turn (Figure 42).
-
Repeat this procedure on the other end of the cutting unit.
-
Adjust the bedknife to the reel; refer to Adjusting the Bedknife to the Reel.
Servicing the Roller
The Roller Rebuild Kit (Part No. 114-5430) and the Roller Rebuild Tool Kit (Part No. 115-0803) (Figure 43) are available for servicing the roller. The Roller Rebuild Kit includes all the bearings, bearing nuts, inner seals, and outer seals to rebuild a roller. The Roller Rebuild Tool Kit includes all the tools and the installation instructions required to rebuild a roller with the roller rebuild kit. Refer to your parts catalog or contact your authorized Toro distributor for assistance.



, which means Caution, Warning,
or Danger—personal safety instruction. Failure to comply with
these instructions may result in personal injury or death.





















